E3145/2/1
PRINCIPLES OF CONTROLLERS
PRINCIPLES OF CONTROLLERS
OBJECTIVES
General Objective : To apply the concept of principles of controllers.
Specific Objectives : At the end of the unit you will be able to :
 Explain the basic concept of principles of controllers.
 State the definition of basic controller components.
 Draw the schematic circuits for controller action types.
 Explain the circuits operations.
UNIT2
E3145/2/2
PRINCIPLES OF CONTROLLERS
2.0 EXPLANATION OF PRINCIPLES OF BASIC CONTROLLERS
Controller is a device which receives input from two points :
(i) a value which is sent by transmitter
(ii) a value which is set by set point
The output from the controller is send to the valve controller.
Figure 2.0 : Block Diagram of controller
(Source : Mansor Bin Laman (1996), Amalan Bengkel Peralatan)
INPUTINPUT
The main component of
controller are :
Comparator mechanism
Controller
Feedback mechanism
Comparator
mechanism
Feedback
mechanism
Relay
Sensor
MV
SP
Output
Supply
E3145/2/3
PRINCIPLES OF CONTROLLERS
Figure 2.0 shows the input controller is a signal which is sent by
transmitter. This signal is known as a transmitter signal (MV) and set point. If
the output depends on the two inputs functions well and the process is in a
stable condition, then the transmitter signal is similar to the set point. The
comparator mechanism functions as comparator of both input signals. An
error will exist if the input value is not the same. The detector will detect the
error signal and determine if there is imbalance between error signal and
feedback signals. If there is a difference, the detector will balance both of
these signals. The feedback mechanism is a mechanism which balances the
system. The feedback signal is always similar to the output signal.
The main components of controller are :
(i) Comparator mechanism. It consists of two bellows which is for
transmitter signal and set point signal. Its function is to
differentiate both the input signals.
(ii) The controller consists of a flapper and nozzle. Its function is to
detect the error signal from the different output and the
feedback signal.
(iii) The feedback mechanism consists of the feedback bellows. Its
function is to balances and stable the system. It also has an
effect towards multiple output of a controller.
2.1 EXPLANATION OF BASIC CONTROLLERS COMPONENTS
2.1.1 Bellows
The structure of a bellow is shown in Figure 2.1. It consists of a thin
metal which is formed into a wave cylinder shape. Air pressure will
depress a bellow. When air pressure is increased, bellow will extend
and displacement exists. This displacement is linked to the convenient
‘lever’ for give the pressure increase reading. This displacement force
include in mechanical force categories.
E3145/2/4
PRINCIPLES OF CONTROLLERS
Figure 2.1 : Bellows
(Source : Mansor Bin Laman (1996), Amalan Bengkel Peralatan)
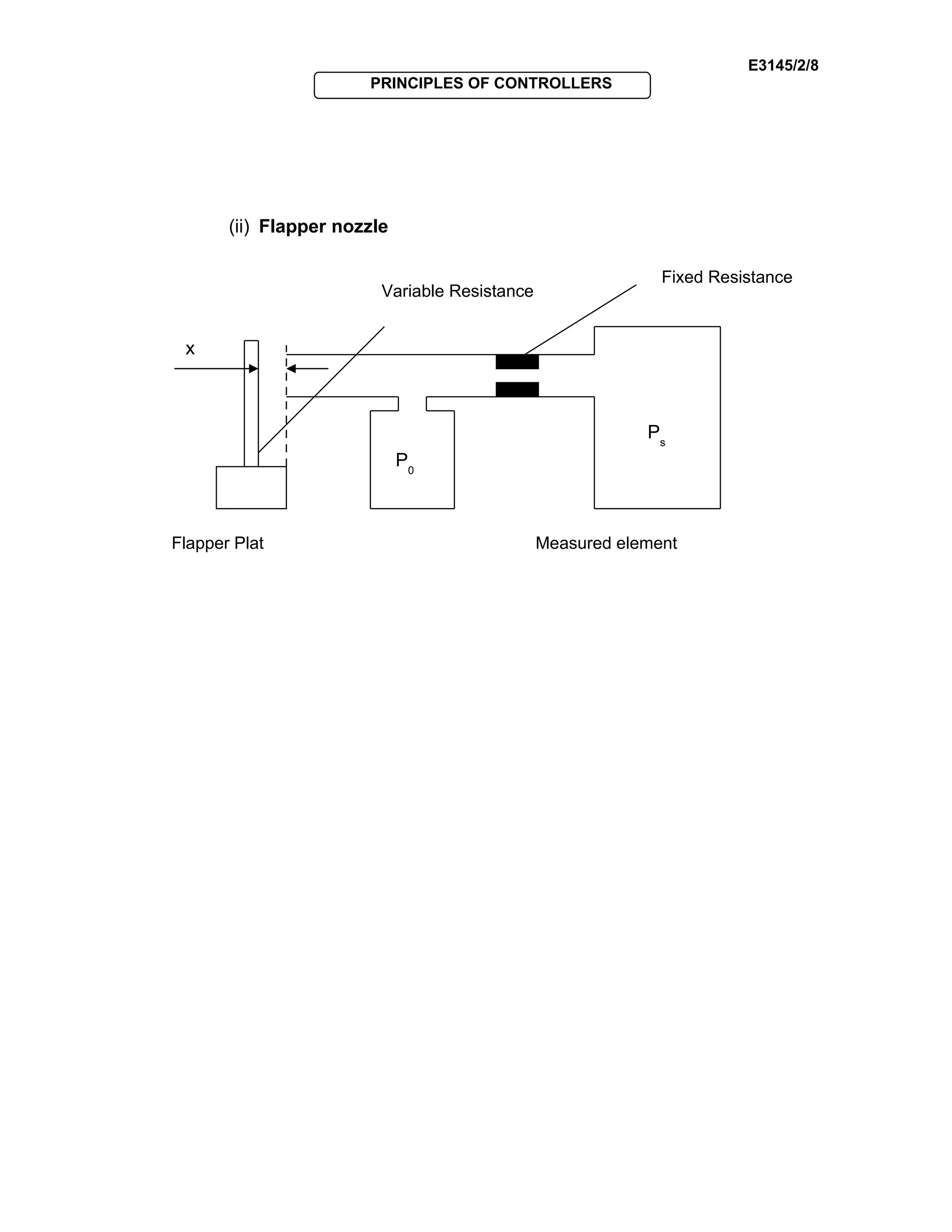
2.1.2 Flapper Nozzle
Flapper nozzle is a displacement transducer which the displacement
into a differential pressure parameter. Figure 2.2 shows a structure of flapper
nozzle. Basically air is used as work liquid. Air will give a constant time about
0.1s. Flapper nozzle is used for measuring of displacement between load
cell. This displacement is very small.
Unknown pressure Bellows movement
E3145/2/5
PRINCIPLES OF CONTROLLERS
Figure 2.2 : Flapper Nozzle
(Source : Mansor Bin Laman (1996), Amalan Bengkel Peralatan)
2.1.3 Restrictor
Accuracy of an instrument is guaranteed by manufacturers only for a
certain limit. Normally it is stated in the form of a full scale percent of that
particular instrument. Deflection from the specification is called restrictor
error.
Fixed Resistance
Variable Resistance
x
Flapper Plat Measured element
Ρ0
Ρs
E3145/2/6
PRINCIPLES OF CONTROLLERS
Activity 2A
TEST YOUR UNDERSTANDING BEFORE YOU CONTINUE WITH THE
NEXT INPUT…!
2.1 Explain the basic controllers components below:
(i) Bellows
(ii) Flapper nozzle
2.2 Draw the diagram of bellow and flapper nozzle.
E3145/2/7
PRINCIPLES OF CONTROLLERS
Feedback To Activity 2A
2.1. (i) Bellows consists of a thin metal which is formed into a wave
cylinder shape. Air pressure will depress a bellow. When air pressure
is increased, bellows will extend and displacement exists. This
displacement is linked to convenient ‘ lever ’ for give the pressure
increase reading. This displacement force include in mechanical force
categories.
(ii) Flapper nozzle is a displacement transducer which the
displacement into a differential pressure parameter. Basically air is
used as work liquid. Air will give a constant time about 0.1s. Flapper
nozzle is used for measuring of displacement between load cell. This
displacement is very small.
2.2 (i) Bellows
Unknown pressure Bellows movement
E3145/2/8
PRINCIPLES OF CONTROLLERS
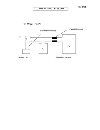
(ii) Flapper nozzle
Fixed Resistance
Variable Resistance
x
Flapper Plat Measured element
Ρ0
Ρs
E3145/2/9
PRINCIPLES OF CONTROLLERS
2.2DESIGN OF SCHEMATIC CIRCUIT FOR CONTROLLER ACTION TYPES
2.2.1 Types of Controller
There are a few types of controller used to control a process either in
a form of Proportional output to the error, Proportional and Integral to the
error or Proportional and Derivative output to the first error.
Controller can be used in the form of single mode of Proportional,
Integral, or Derivative, two mode of Proportional and Integral (P+I) and
Proportional and Derivative (P+D), and three mode of Proportional, Integral
and Derivative (P+I+D).
The figures below show the design of schematic circuit for controller
action types.
There are three types of
controller :
a) Proportional
controller
b) Integral controller
c) Derivative controller
INPUTINPUT
E3145/2/10
PRINCIPLES OF CONTROLLERS
(i) Proportional Controller (P)
(Source : Mansor Bin Laman (1996), Amalan Bengkel Peralatan)
E3145/2/11
PRINCIPLES OF CONTROLLERS
(iii) Integral Controller (I)
(Source : Mansor Bin Laman (1996), Amalan Bengkel Peralatan)
(iv) Derivative Controller (D)
(Source : Mansor Bin Laman (1996), Amalan Bengkel Peralatan)
E3145/2/12
PRINCIPLES OF CONTROLLERS
(iv) Proportional + Integral Controller (P+I)
(Source : Mansor Bin Laman (1996), Amalan Bengkel Peralatan)
(v) Proportional + Integral + Derivative Controller (P+I+D)
(Source : Mansor Bin Laman (1996), Amalan Bengkel Peralatan)
E3145/2/13
PRINCIPLES OF CONTROLLERS
Activity 2B
TEST YOUR UNDERSTANDING BEFORE YOU CONTINUE WITH THE
NEXT INPUT…!
2.3 List the form of controllers used to control a process.
2.4 Design the schematic circuit for controller action types below.
(i) Proportional controller (P)
(ii) Integral controller (I)
(iii) Derivative controller (D)
E3145/2/14
PRINCIPLES OF CONTROLLERS
Feedback To Activity 2B
2.3 Controller can be used in the form of
(a) Single mode of Proportional, Integral, or Derivative
(b) Two mode of Proportional and Integral (P+I) and Proportional
Derivative (P+D)
(c) Three mode of Proportional, Integral and Derivative (P+I+D).
2.4 (i)
E3145/2/15
PRINCIPLES OF CONTROLLERS
(ii)
(iii)
E3145/2/16
PRINCIPLES OF CONTROLLERS
2.3 EXPLANATION OF CIRCUITS OPERATION
2.3.1 Proportional Controller (P)
This controller can be found in Proportional controller where the output is
always proportional to the error ( e ) signal. If the error signal is small, the control
action will also be small and if the error signal is high, the control action will also be
high. Once the controller detects an error, it will start to act. Output depends on
controller gain, kc i.e.
controller output = controller gain x error
Figure 2.4 (see INPUT 2.2) shows, when measured signal equals to the set point,
the system is stable. In other words, if the input process is equal to the output
process, a stable system is obtained. If the Proportional controller is used there will
be an offset where the measured signal will not reach the set point. Therefore if the
control valve has to be 50% opened, we need to open the control valve more than
50% to achieve stability.
2.3.2 Integral Controller (I)
Integral controller responses to the integration of error signal to time. So,
output is proportional to the area below the curve with time,
Controller output α ∫ t
e dt
In Figure 2.6 (see INPUT 2.2), bellows and spring are in the reverse position
compared to Proportional controller in Figure 2.5.
INPUTINPUT
E3145/2/17
PRINCIPLES OF CONTROLLERS
2.3.3 Derivative Controller (D)
Derivative controller reacts to the rate of change but not to the change of
magnitude. Output is proportional to the derivation error signal (e) to time,
Controller output α de
dt
If error is not changing or fixed there will be no output. Derivative controller is shown
in Figure 2.7 (see INPUT 2.2). Derivative controller has one limit which is known as
Derivative Limit. This limit distinguishes Proportional Controller and Derivative
Controller. In a stable condition the derivative controller does not affect the output
and it is always used in the process where temperature is involved.
As a conclusion, if we want a fast controller, then the Proportional controller
is better but offset will occur. However, if we want to reduce offset, the Derivative
controller can be used and we want to eliminate it, then the Integral controller
should used.
2.3.4 Two Mode Control System (Proportional and Integral Controller)
The Figure 2.8 (see INPUT 2.2) shows a basic concept of a two mode
control system. The comparator mechanism (which consists of two bellows) is place
on one end of lever while on the other end there are two feedback bellows. A
sensor is placed between the feedback mechanism and comparator. The operation
of a two mode control system is different from a single mode control system
because it combines the action of either both Proportional controller or Integral
controller only.
Based on Figure 2.8, two things are added to the controller i.e. Integral/
Reset bellows and Integral limit (adjustable). When measured signal is increased,
force impedance will come closer to the nozzle and thus will increase output.
Increased pressure will make proportional bellow change the position of force
impedance hence stabilize output pressure. Pressure will drop when it passes
through integration unit. This pressure will pass integration bellow and push force
impedance closer to the nozzle. So, output pressure can be increased further.
E3145/2/18
PRINCIPLES OF CONTROLLERS
A stable system will be achieved when measured signal is equal to the set
point and output pressure will be stable. Thus, offset can be eliminated. If a stable
system cannot be achieved, the integration limit can be adjusted. If the integration
limit is fully opened, the controller will act as an ON/OFF Controller. If integration
limit is fully closed, the controller will act as a Proportional controller only.
2.3.5 Three Mode Controller System (P+I+D)
Figure 2.9 (see INPUT 2.2), shows three mode controller system. The
operation is similar to P+I Controller but with the addition of a derivative limit. For
this system, all controllers (Proportional, Integral and Derivative) will affect the
responses. So, we need to adjust every controller to suit the process. Adjustments
need to be done individually to stabilize process and eliminate offset. To achieve
that, integral limit and derivative limit must be adjusted correctly.
2.3.6 Advantages and Disadvantages
Controllers have advantages and disadvantages. Table 2.1 below shows the
advantages and disadvantages of a single and two mode controller.
CONTROLLER ADVANTAGES DISADVANTAGES
Proportional Faster response when
load is changing
Offset exist
Integral Eliminate offset Longer recovery time
Derivative Reduce offset No output when no error
Proportional + Derivative Reduce recovery time and
offset
Offset still occurs
Proportional + Integral Can eliminate offset Longer recovery time
Table 2.1
(Source : Mansor Bin Laman (1996), Amalan Bengkel Peralatan)
E3145/2/19
PRINCIPLES OF CONTROLLERS
Activity 2C
TEST YOUR UNDERSTANDING BEFORE YOU CONTINUE WITH THE
NEXT INPUT…!
2.5 Draw a suitable figure and explain a basic concept of a two mode
control system (Proportional and Integral controller)
2.6 Give the advantages and disadvantages of Proportional, Integral,
Derivative, Proportional + Derivative and Proportional + Integral.
E3145/2/20
PRINCIPLES OF CONTROLLERS
Feedback To Activity 2c
2.5
Based on Figure 2.12, two things are added to the controller i.e.
Integral/ Reset bellows and Integral limit (adjustable). When measured signal
is increased, force impedance will come closer to the nozzle and thus will
increase output. Increased pressure will make proportional bellow change
the position of force impedance hence stabilize output pressure. Pressure
will drop when it passes through integration unit. This pressure will pass
integration bellow and push force impedance closer to the nozzle. So, output
pressure can be increased further.
E3145/2/21
PRINCIPLES OF CONTROLLERS
A stable system will be achieved when measured signal is equal to
the set point and output pressure will be stable. Thus, offset can be
eliminated. If a stable system cannot be achieved, the integration limit can be
adjusted. If the integration limit is fully opened, the controller will act as an
ON/OFF Controller. If integration limit is fully closed, the controller will act as
a Proportional controller only.
2.6 Advantages and Disadvantages
CONTROLLER ADVANTAGES DISADVANTAGES
Proportional Faster response when
load is changing
Offset exist
Integral Eliminate offset Longer recovery time
Derivative Reduce offset No output when no error
Proportional +
Derivative
Reduce recovery time and
offset
Offset still occurs
Proportional +
Integral
Can eliminate offset Longer recovery time
E3145/2/22
PRINCIPLES OF CONTROLLERS
KEY FACTS
1. Controller can be used in the form of single mode of Proportional,
Integral, or Derivative, two mode of Proportional and Integral
(P+I) and Proportional and Derivative (P+D), and three mode of
Proportional, Integral and Derivative (P+I+D).
2. Proportional controller (P)
Output depends on controller gain, kc i.e.
Controller output = controller gain x error
3. Integral controller (I)
Output is proportional to the area below the curve with time,
Controller output α ∫ t
e dt
4. Derivative controller (D)
Output is proportional to the derivation error signal (e) to time,
Controller output α de
dt
E3145/2/23
PRINCIPLES OF CONTROLLERS
SELF-ASSESSMENT
You are approaching success. Try all the questions in this self-assessment
section and check your answers with those given in the Feedback on Self-
Assessment given on the next page. If you face any problems, discuss it
with your lecturer. Good luck.
Q2-1 State the definition of restrictor.
Q2-2 Design the schematic circuit for controller action types below.
(i) P+I
(II) P+I+D
Q2-3
(a) State the difference between two mode control system and single
mode system.
(b) Explain the operation of three mode controller system (P+I+D)
E3145/2/24
PRINCIPLES OF CONTROLLERS
Feedback To Self-Assessment
Have you tried the questions????? If “YES”, check your answers now.
Q2-1 Accuracy of an instrument is guaranteed by manufacturers only for a
certain limit. Normally it is stated in the form of a full scale percent of
that particular instrument. Deflection from the specification is called
restrictor error.
Q2-2 (i) P+I
E3145/2/25
PRINCIPLES OF CONTROLLERS
(ii) P+I+D
Q2-3
(a) The operation of two mode control system is different to single mode
control system because it combine the action of either both
Proportional controller or Integral controller only.
(b) The operation of P+I+D controller is similar to P+I Controller but with
the addition of derivative limit. For this system, all controllers
(Proportional, Integral and Derivative) will affect the response. So, we
need to adjust every controller to suit the process. Adjustment need to
be done individually to stabilize process and eliminate offset. To
achieve that, integral limit and derivative limit must be adjusted
correctly.
E3145/2/26
PRINCIPLES OF CONTROLLERS

Basic Control System unit2

  • 1.
    E3145/2/1 PRINCIPLES OF CONTROLLERS PRINCIPLESOF CONTROLLERS OBJECTIVES General Objective : To apply the concept of principles of controllers. Specific Objectives : At the end of the unit you will be able to :  Explain the basic concept of principles of controllers.  State the definition of basic controller components.  Draw the schematic circuits for controller action types.  Explain the circuits operations. UNIT2
  • 2.
    E3145/2/2 PRINCIPLES OF CONTROLLERS 2.0EXPLANATION OF PRINCIPLES OF BASIC CONTROLLERS Controller is a device which receives input from two points : (i) a value which is sent by transmitter (ii) a value which is set by set point The output from the controller is send to the valve controller. Figure 2.0 : Block Diagram of controller (Source : Mansor Bin Laman (1996), Amalan Bengkel Peralatan) INPUTINPUT The main component of controller are : Comparator mechanism Controller Feedback mechanism Comparator mechanism Feedback mechanism Relay Sensor MV SP Output Supply
  • 3.
    E3145/2/3 PRINCIPLES OF CONTROLLERS Figure2.0 shows the input controller is a signal which is sent by transmitter. This signal is known as a transmitter signal (MV) and set point. If the output depends on the two inputs functions well and the process is in a stable condition, then the transmitter signal is similar to the set point. The comparator mechanism functions as comparator of both input signals. An error will exist if the input value is not the same. The detector will detect the error signal and determine if there is imbalance between error signal and feedback signals. If there is a difference, the detector will balance both of these signals. The feedback mechanism is a mechanism which balances the system. The feedback signal is always similar to the output signal. The main components of controller are : (i) Comparator mechanism. It consists of two bellows which is for transmitter signal and set point signal. Its function is to differentiate both the input signals. (ii) The controller consists of a flapper and nozzle. Its function is to detect the error signal from the different output and the feedback signal. (iii) The feedback mechanism consists of the feedback bellows. Its function is to balances and stable the system. It also has an effect towards multiple output of a controller. 2.1 EXPLANATION OF BASIC CONTROLLERS COMPONENTS 2.1.1 Bellows The structure of a bellow is shown in Figure 2.1. It consists of a thin metal which is formed into a wave cylinder shape. Air pressure will depress a bellow. When air pressure is increased, bellow will extend and displacement exists. This displacement is linked to the convenient ‘lever’ for give the pressure increase reading. This displacement force include in mechanical force categories.
  • 4.
    E3145/2/4 PRINCIPLES OF CONTROLLERS Figure2.1 : Bellows (Source : Mansor Bin Laman (1996), Amalan Bengkel Peralatan) 2.1.2 Flapper Nozzle Flapper nozzle is a displacement transducer which the displacement into a differential pressure parameter. Figure 2.2 shows a structure of flapper nozzle. Basically air is used as work liquid. Air will give a constant time about 0.1s. Flapper nozzle is used for measuring of displacement between load cell. This displacement is very small. Unknown pressure Bellows movement
  • 5.
    E3145/2/5 PRINCIPLES OF CONTROLLERS Figure2.2 : Flapper Nozzle (Source : Mansor Bin Laman (1996), Amalan Bengkel Peralatan) 2.1.3 Restrictor Accuracy of an instrument is guaranteed by manufacturers only for a certain limit. Normally it is stated in the form of a full scale percent of that particular instrument. Deflection from the specification is called restrictor error. Fixed Resistance Variable Resistance x Flapper Plat Measured element Ρ0 Ρs
  • 6.
    E3145/2/6 PRINCIPLES OF CONTROLLERS Activity2A TEST YOUR UNDERSTANDING BEFORE YOU CONTINUE WITH THE NEXT INPUT…! 2.1 Explain the basic controllers components below: (i) Bellows (ii) Flapper nozzle 2.2 Draw the diagram of bellow and flapper nozzle.
  • 7.
    E3145/2/7 PRINCIPLES OF CONTROLLERS FeedbackTo Activity 2A 2.1. (i) Bellows consists of a thin metal which is formed into a wave cylinder shape. Air pressure will depress a bellow. When air pressure is increased, bellows will extend and displacement exists. This displacement is linked to convenient ‘ lever ’ for give the pressure increase reading. This displacement force include in mechanical force categories. (ii) Flapper nozzle is a displacement transducer which the displacement into a differential pressure parameter. Basically air is used as work liquid. Air will give a constant time about 0.1s. Flapper nozzle is used for measuring of displacement between load cell. This displacement is very small. 2.2 (i) Bellows Unknown pressure Bellows movement
  • 8.
    E3145/2/8 PRINCIPLES OF CONTROLLERS (ii)Flapper nozzle Fixed Resistance Variable Resistance x Flapper Plat Measured element Ρ0 Ρs
  • 9.
    E3145/2/9 PRINCIPLES OF CONTROLLERS 2.2DESIGNOF SCHEMATIC CIRCUIT FOR CONTROLLER ACTION TYPES 2.2.1 Types of Controller There are a few types of controller used to control a process either in a form of Proportional output to the error, Proportional and Integral to the error or Proportional and Derivative output to the first error. Controller can be used in the form of single mode of Proportional, Integral, or Derivative, two mode of Proportional and Integral (P+I) and Proportional and Derivative (P+D), and three mode of Proportional, Integral and Derivative (P+I+D). The figures below show the design of schematic circuit for controller action types. There are three types of controller : a) Proportional controller b) Integral controller c) Derivative controller INPUTINPUT
  • 10.
    E3145/2/10 PRINCIPLES OF CONTROLLERS (i)Proportional Controller (P) (Source : Mansor Bin Laman (1996), Amalan Bengkel Peralatan)
  • 11.
    E3145/2/11 PRINCIPLES OF CONTROLLERS (iii)Integral Controller (I) (Source : Mansor Bin Laman (1996), Amalan Bengkel Peralatan) (iv) Derivative Controller (D) (Source : Mansor Bin Laman (1996), Amalan Bengkel Peralatan)
  • 12.
    E3145/2/12 PRINCIPLES OF CONTROLLERS (iv)Proportional + Integral Controller (P+I) (Source : Mansor Bin Laman (1996), Amalan Bengkel Peralatan) (v) Proportional + Integral + Derivative Controller (P+I+D) (Source : Mansor Bin Laman (1996), Amalan Bengkel Peralatan)
  • 13.
    E3145/2/13 PRINCIPLES OF CONTROLLERS Activity2B TEST YOUR UNDERSTANDING BEFORE YOU CONTINUE WITH THE NEXT INPUT…! 2.3 List the form of controllers used to control a process. 2.4 Design the schematic circuit for controller action types below. (i) Proportional controller (P) (ii) Integral controller (I) (iii) Derivative controller (D)
  • 14.
    E3145/2/14 PRINCIPLES OF CONTROLLERS FeedbackTo Activity 2B 2.3 Controller can be used in the form of (a) Single mode of Proportional, Integral, or Derivative (b) Two mode of Proportional and Integral (P+I) and Proportional Derivative (P+D) (c) Three mode of Proportional, Integral and Derivative (P+I+D). 2.4 (i)
  • 15.
  • 16.
    E3145/2/16 PRINCIPLES OF CONTROLLERS 2.3EXPLANATION OF CIRCUITS OPERATION 2.3.1 Proportional Controller (P) This controller can be found in Proportional controller where the output is always proportional to the error ( e ) signal. If the error signal is small, the control action will also be small and if the error signal is high, the control action will also be high. Once the controller detects an error, it will start to act. Output depends on controller gain, kc i.e. controller output = controller gain x error Figure 2.4 (see INPUT 2.2) shows, when measured signal equals to the set point, the system is stable. In other words, if the input process is equal to the output process, a stable system is obtained. If the Proportional controller is used there will be an offset where the measured signal will not reach the set point. Therefore if the control valve has to be 50% opened, we need to open the control valve more than 50% to achieve stability. 2.3.2 Integral Controller (I) Integral controller responses to the integration of error signal to time. So, output is proportional to the area below the curve with time, Controller output α ∫ t e dt In Figure 2.6 (see INPUT 2.2), bellows and spring are in the reverse position compared to Proportional controller in Figure 2.5. INPUTINPUT
  • 17.
    E3145/2/17 PRINCIPLES OF CONTROLLERS 2.3.3Derivative Controller (D) Derivative controller reacts to the rate of change but not to the change of magnitude. Output is proportional to the derivation error signal (e) to time, Controller output α de dt If error is not changing or fixed there will be no output. Derivative controller is shown in Figure 2.7 (see INPUT 2.2). Derivative controller has one limit which is known as Derivative Limit. This limit distinguishes Proportional Controller and Derivative Controller. In a stable condition the derivative controller does not affect the output and it is always used in the process where temperature is involved. As a conclusion, if we want a fast controller, then the Proportional controller is better but offset will occur. However, if we want to reduce offset, the Derivative controller can be used and we want to eliminate it, then the Integral controller should used. 2.3.4 Two Mode Control System (Proportional and Integral Controller) The Figure 2.8 (see INPUT 2.2) shows a basic concept of a two mode control system. The comparator mechanism (which consists of two bellows) is place on one end of lever while on the other end there are two feedback bellows. A sensor is placed between the feedback mechanism and comparator. The operation of a two mode control system is different from a single mode control system because it combines the action of either both Proportional controller or Integral controller only. Based on Figure 2.8, two things are added to the controller i.e. Integral/ Reset bellows and Integral limit (adjustable). When measured signal is increased, force impedance will come closer to the nozzle and thus will increase output. Increased pressure will make proportional bellow change the position of force impedance hence stabilize output pressure. Pressure will drop when it passes through integration unit. This pressure will pass integration bellow and push force impedance closer to the nozzle. So, output pressure can be increased further.
  • 18.
    E3145/2/18 PRINCIPLES OF CONTROLLERS Astable system will be achieved when measured signal is equal to the set point and output pressure will be stable. Thus, offset can be eliminated. If a stable system cannot be achieved, the integration limit can be adjusted. If the integration limit is fully opened, the controller will act as an ON/OFF Controller. If integration limit is fully closed, the controller will act as a Proportional controller only. 2.3.5 Three Mode Controller System (P+I+D) Figure 2.9 (see INPUT 2.2), shows three mode controller system. The operation is similar to P+I Controller but with the addition of a derivative limit. For this system, all controllers (Proportional, Integral and Derivative) will affect the responses. So, we need to adjust every controller to suit the process. Adjustments need to be done individually to stabilize process and eliminate offset. To achieve that, integral limit and derivative limit must be adjusted correctly. 2.3.6 Advantages and Disadvantages Controllers have advantages and disadvantages. Table 2.1 below shows the advantages and disadvantages of a single and two mode controller. CONTROLLER ADVANTAGES DISADVANTAGES Proportional Faster response when load is changing Offset exist Integral Eliminate offset Longer recovery time Derivative Reduce offset No output when no error Proportional + Derivative Reduce recovery time and offset Offset still occurs Proportional + Integral Can eliminate offset Longer recovery time Table 2.1 (Source : Mansor Bin Laman (1996), Amalan Bengkel Peralatan)
  • 19.
    E3145/2/19 PRINCIPLES OF CONTROLLERS Activity2C TEST YOUR UNDERSTANDING BEFORE YOU CONTINUE WITH THE NEXT INPUT…! 2.5 Draw a suitable figure and explain a basic concept of a two mode control system (Proportional and Integral controller) 2.6 Give the advantages and disadvantages of Proportional, Integral, Derivative, Proportional + Derivative and Proportional + Integral.
  • 20.
    E3145/2/20 PRINCIPLES OF CONTROLLERS FeedbackTo Activity 2c 2.5 Based on Figure 2.12, two things are added to the controller i.e. Integral/ Reset bellows and Integral limit (adjustable). When measured signal is increased, force impedance will come closer to the nozzle and thus will increase output. Increased pressure will make proportional bellow change the position of force impedance hence stabilize output pressure. Pressure will drop when it passes through integration unit. This pressure will pass integration bellow and push force impedance closer to the nozzle. So, output pressure can be increased further.
  • 21.
    E3145/2/21 PRINCIPLES OF CONTROLLERS Astable system will be achieved when measured signal is equal to the set point and output pressure will be stable. Thus, offset can be eliminated. If a stable system cannot be achieved, the integration limit can be adjusted. If the integration limit is fully opened, the controller will act as an ON/OFF Controller. If integration limit is fully closed, the controller will act as a Proportional controller only. 2.6 Advantages and Disadvantages CONTROLLER ADVANTAGES DISADVANTAGES Proportional Faster response when load is changing Offset exist Integral Eliminate offset Longer recovery time Derivative Reduce offset No output when no error Proportional + Derivative Reduce recovery time and offset Offset still occurs Proportional + Integral Can eliminate offset Longer recovery time
  • 22.
    E3145/2/22 PRINCIPLES OF CONTROLLERS KEYFACTS 1. Controller can be used in the form of single mode of Proportional, Integral, or Derivative, two mode of Proportional and Integral (P+I) and Proportional and Derivative (P+D), and three mode of Proportional, Integral and Derivative (P+I+D). 2. Proportional controller (P) Output depends on controller gain, kc i.e. Controller output = controller gain x error 3. Integral controller (I) Output is proportional to the area below the curve with time, Controller output α ∫ t e dt 4. Derivative controller (D) Output is proportional to the derivation error signal (e) to time, Controller output α de dt
  • 23.
    E3145/2/23 PRINCIPLES OF CONTROLLERS SELF-ASSESSMENT Youare approaching success. Try all the questions in this self-assessment section and check your answers with those given in the Feedback on Self- Assessment given on the next page. If you face any problems, discuss it with your lecturer. Good luck. Q2-1 State the definition of restrictor. Q2-2 Design the schematic circuit for controller action types below. (i) P+I (II) P+I+D Q2-3 (a) State the difference between two mode control system and single mode system. (b) Explain the operation of three mode controller system (P+I+D)
  • 24.
    E3145/2/24 PRINCIPLES OF CONTROLLERS FeedbackTo Self-Assessment Have you tried the questions????? If “YES”, check your answers now. Q2-1 Accuracy of an instrument is guaranteed by manufacturers only for a certain limit. Normally it is stated in the form of a full scale percent of that particular instrument. Deflection from the specification is called restrictor error. Q2-2 (i) P+I
  • 25.
    E3145/2/25 PRINCIPLES OF CONTROLLERS (ii)P+I+D Q2-3 (a) The operation of two mode control system is different to single mode control system because it combine the action of either both Proportional controller or Integral controller only. (b) The operation of P+I+D controller is similar to P+I Controller but with the addition of derivative limit. For this system, all controllers (Proportional, Integral and Derivative) will affect the response. So, we need to adjust every controller to suit the process. Adjustment need to be done individually to stabilize process and eliminate offset. To achieve that, integral limit and derivative limit must be adjusted correctly.
  • 26.