496   CHAPTER 12    INTERRUPTS


      11.   Explain how a type 0 interrupt occurs.                                                               CHAPTER 13
      12.   Where is the interrupt descriptor table located for protected mode operation?
      13.    Each protected mode interrupt descriptor contains what information?
      14.
      15.
            Describe the differences between a protected and real mode interrupt.
            Describe the operation of the BOUND instruction.
                                                                                                                 Direct Memory Access
      16.
      17.
            Describe the operation of the INTO instruction.
            What memory locations contain the vector for an INT 44H instruction?                                 and DMA-Controlled I/O
      18.    Explain the operation of the IRET instruction.
      19.   What is the purpose of interrupt vector type number 7?
      20.   List the events that occur when an interrupt becomes active.
      21.   Explain the purpose of the interrupt flag (IF).
      22.   Explain the purpose of the trap flag (TF).
      23.   How is IF cleared and set?
      24.   How is TF cleared and set?
      25.   The NMI interrupt input automatically vectors through which vector type number?
      26.   Does the INTA signal activate for the NMI pin?
      27.   The INTR input is _______ -sensitive.                                                                INTRODUCTION
      28.   The NMI input is _______ -sensitive.
      29.   When the INTA signal becomes a logic 0, it indicates that the microprocessor is waiting for          In previous chapters, we discussed basic and interrupt-processed I/O. Now we turn to the final
            an interrupt __________ number to be placed on the data bus (DO-D7).                                 form of I/O called direct memory access (DMA). The DMA I/O technique provides direct ac-
      30.   What is a FIFO?                                                                                      cess to the memory while the microprocessor is temporarily disabled. This allows data to be
      31.   Develop a circuit that places interrupt type number 86H on the data bus in response to the           transferred between memory and the I/O device at a rate that is limited only by the speed of the
            INTR input.                                                                                          memory components in the system or the DMA controller. The DMA transfer speed can ap-
      32.   Develop a circuit that places interrupt type number CCH on the data bus in response to the           proach 32-40 M-byte transfer rates with today's high-speed RAM memory components.
            INTR input.                                                                                                DMA transfers are used for many purposes, but more common are DRAM refresh, video
      33.   Explain why pull-up resistors on DO-D7 cause the microprocessor to respond with interrupt            displays for refreshing the screen, and disk memory system reads and writes. The DMA
            vector type number FFH for the INTA pulse.                                                           transfer is also used to do high-speed memory-to-memory transfers.
      34.   What is a daisy-chain?                                                                                     This chapter also explains the operation of disk memory systems and video systems that
      35.   Why must interrupting devices be polled in a daisy-chained interrupt system?                         are often DMA-processed. Disk memory includes floppy, fixed, and optical disk storage. Video
      36.   Whatisthe8259A?                                                                                      systems include digital and analog monitors.
      37.   How many 8259As are required to have 64 interrupt inputs?
      38.   What is the purpose of the IRO-IR7 pins on the 8259A?
      39.   When are the CAS2-CASO pins used on the 8259A?                                                       CHAPTER OBJECTIVES
      40.   Where is a slave INT pin connected on the master 8259A in a cascaded system?
      41.   WhatisanlCW?                                                                                         Upon completion of this chapter, you will be able to:
      42.   What is an OCW?
                                                                                                                  1.   Describe a DMA transfer.
      43.   How many ICWs are needed to program the 8259A when operated as a single master in a
                                                                                                                  2.   Explain the operation of the HOED and HEDA direct memory access control signals.
            system?
                                                                                                                  3.   Explain the function of the 8237 DMA controller when used for DMA transfers.
      44.   Where is the vector type number stored in the 8259A?
                                                                                                                  4.   Program the 8237 to accomplish DMA transfers.
      45.   Where is the sensitivity of the IR pins programmed in the 8259A?
                                                                                                                  5.   Describe the disk standards found in personal computer systems.
      46.   What is the purpose of ICW1?
                                                                                                                  6.   Describe the various video interface standards that are found in the personal computer.
      47.   What is a non-specific EOI?
      48.   Explain priority rotation in the 8259A.
      49.   What is the purpose of IRR in the 8259A?
      50.   At which I/O ports is the master 8259A PIC found in the personal computer?
      51.   At which I/O ports is the slave 8259A found in the personal computer?                         13-1   BASIC DMA OPERATION

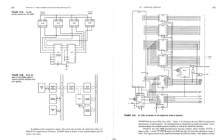
                                                                                                                 Two control signals are used to request and acknowledge a direct memory access (DMA)
                                                                                                                 transfer in the microprocessor-based system. The HOED pin is an input that is used to request a
                                                                                                                 DMA action and the HEDA pin is an output that acknowledges the DMA action. Figure 13-1
                                                                                                                 shows the timing that is typically found on these two DMA control pins.
                                                                                                                                                                                                                 497
498              CHAPTER 13   DIRECT MEMORY ACCESS AND DMA-CONTROLLED I/O                                                               13-2 THE 8237 DMA CONTROLLER                                                                          499

FIGURE 13-1 HOLD and                                             orT.                                                  FIGURE 13-2 A circuit that                                                   Vcc
HLDA timing for the micro-                                                                                             generates system control sig-
                                  CLK
processor.                                                                                                             nals in a DMA environment.
                                                                                                                                                                                                            10K
                                HOLD
                                                                                                                                                                                                            2 1A             4       IPlRP
                                                                                                                                                                                                      ,     3 1B        1Y
                                 HLDA                                                                                                                     W/R            l[02                              5 2A
                                                                                                                                                                                                                        2Y
                                                                                                                                                                                                                             7
                                                                                                                                                                                                                                     IOWC
                                                                                                                                                                                                            6 2B
                                                                                                                                                                         V^                           ,    11 3A             9
                                                                                                                                                                                                                                     MRpr1-
                                                                                                                                                                         74F04                            10 3B         3Y
                                                                                                                                                                                                          14 4A         4Y
                                                                                                                                                                                                                             1
                                                                                                                                                                                                                                 ~   MWTC
                        Whenever the HOLD input is placed at a logic 1 level, a DMA action (hold) is re-                                                                                                  13 4B
                 quested. The microprocessor responds, within a few clocks, by suspending the execution of
                                                                                                                                                                 HL DA                                    15,,
                 the program and by placing its address, data, and control bus at their high-impedance states.                                                                                                 G
                                                                                                                                                          M/iO                                             1~
                                                                                                                                                                                                               A/B
                 The high-impedance state causes the microprocessor to appear as if it has been removed from
                                                                                                                                                                                                               74F257
                 its socket. This state allows external I/O devices or other microprocessors to gain access to
                 the system buses so that memory can be accessed directly.
                        As the timing diagram indicates, HOLD is sampled in the middle of any clocking cycle.
                 Thus, the hold can take effect any time during the operation of any instruction in the micro-
                 processor's instruction set. As soon as the microprocessor recognizes the hold, it stops executing    13-2            THE 8237 DMA CONTROLLER
                 software and enters hold cycles. Note that the HOLD input has a higher priority than the INTR
                 or NMI interrupt inputs. Interrupts take effect at the end of an instruction, while a HOLD takes                       The 8237 DMA controller supplies the memory and I/O with control signals and memory ad-
                 effect in the middle of an instruction. The only microprocessor pin that has a higher priority than                    dress information during the DMA transfer. The 8237 is actually a special-purpose micro-
                 a HOLD is the RESET pin. Note that the HOLD input may not be active during a RESET or the                              processor whose job is high-speed data transfer between memory and the I/O. Figure 13-3
                 reset is not guaranteed.                                                                                               shows the pin-out and block diagram of the 8237 programmable DMA controller. Although this
                        The HLDA signal becomes active to indicate that the microprocessor has indeed placed its                        device may not appear as a discrete component in modern microprocessor-based systems, it does
                 buses at their high-impedance state, as can be seen in the timing diagram. Note that there are a                       appear within system controller chip-sets found in most systems. Although not described be-
                 few clock cycles between the time that HOLD changes and until HLDA changes. The HLDA                                   cause of its complexity, the chip set (82357 ISP or integrated system peripheral controller) and
                 output is a signal to the external requesting device that the microprocessor has relinquished con-                     its integral set of two DMA controllers are programmed exactly as the 8237. The ISP also pro-
                 trol of its memory and I/O space. You could call the HOLD input a DMA request input and the                            vides a pair of 8259A programmable interrupt controllers for the system.
                 HLDA output a DMA grant signal.                                                                                               The 8237 is a four-channel device that is compatible with the 8086/8088 microprocessors.
                                                                                                                                        The 8237 can be expanded to include any number of DMA channel inputs, although four chan-
                 Basic DMA Definitions                                                                                                  nels seem to be adequate for many small systems. The 8237 is capable of DMA transfers at rates
                                                                                                                                        of up to 1.6M bytes per second. Each channel is capable of addressing a full 64K-byte section of
                 Direct memory accesses normally occur between an I/O device and memory without the use of
                                                                                                                                        memory and can transfer up to 64K bytes with a single programming.
                 the microprocessor. A DMA read transfers data from the memory to the I/O device. A DMA
                 write transfers data from an I/O device to memory. In both operations, the memory and I/O are
                 controlled simultaneously, which is why the system contains separate memory and I/O control                            Pin Definitions
                 signals. This special control bus structure of the microprocessor allows DMA transfers. A DMA                          CLK                      The clock input is connected to the system clock signal as long as that
                 read causes both the MRDC and IOWC signals to simultaneously activate, transferring data from                                                   signal is 5 MHz or less. In the 8086/8088 system, the clock must be
                 the memory to the I/O device. A DMA write causes the MWTC and IORC signals to both acti-                                                        inverted for the proper operation of the 8237.
                 vate. These control bus signals are available to all microprocessors in the Intel family except the                    cs                       Chip select enables the 8237 for programming. The CS pin is normally
                 8086/8088 system. The 8086/8088 require their generation with either a system controller or a
                                                                                                                                                                 connected to the output of a decoder. The decoder does not use the
                 circuit such as the one illustrated in Figure 13-2. The DM A controller provides the memory with
                                                                                                                                                                 8086/8088 control signal IO/M (M/IO) because it contains the new
                 its address and a signal from the controller (DACK) selects the I/O device during the DMA
                                                                                                                                                                 memory and I/O control signals (MEMR, MEMW, IOR, and IOW).
                 transfer.
                        The data transfer speed is determined by the speed of the memory device or a DMA con-                           RESET                    The reset pin clears the command, status, request, and temporary
                 troller that often controls DMA transfers. If the memory speed is 100 ns, DMA transfers occur at                                                registers. It also clears the first/last flip-flop and sets the mask register.
                 rates of up to 1/100 ns or 10 M-bytes per second. If the DMA controller in a system functions at                                                This input primes the 8237 so it is disabled until programmed
                 a maximum rate of 5 MHz and we still use 100 ns memory, the maximum transfer rate is 5 MHz                                                      otherwise.
                 because the DMA controller is slower than the memory. In many cases, the DMA controller                                READY                    A logic 0 on the ready input causes the 8237 to enter wait states for
                 slows the speed of the system when DMA transfers occur.                                                                                         slower memory and/or I/O components.
CHAPTER 13   DIRECT MEMORY ACCESS AND DMA-CONTROLLED I/O                                            13-2 THE 8237 DMA CONTROLLER                                                                501
500
                                                                                                                      ADSTB                 Address strobe functions as ALE, except that it is used by the DMA
                                                                                                                                           controller to latch address bits A15-A8 during the DMA transfer.
                                                                                                                      MEMR                 Memory read is an output that causes memory to read data during a
                                                                                                                                           DMA read cycle.
                                                                                                                      MEMW                 Memory write is an output that causes memory to write data during a
                                                                                                                                           DMA write cycle.

                                                                                                                      Internal Registers
                                                                                                                      CAR                  The current address register is used to hold the 16-bit memory
                                                                                                                                           address used for the DMA transfer. Each channel has its own current
                                                                                                                                           address register for this purpose. When a byte of data is transferred
                                                                                                                                           during a DMA operation, the CAR is either incremented or
                                                                                                                                           decremented, depending on how it is programmed.
                                                                                                                      CWCR                  The current word count register programs a channel for the number
                                                                                                                                           of bytes (up to 64K) transferred during a DMA action. The number
                                                                                                                                           loaded into this register is one less than the number of bytes transferred.
FIGURE 13-3     The 8237A-5 programmable DMA controller, (a) Block diagram, and (b) pin-out.                                               For example, if a 10 is loaded into the CWCR, then 11 bytes are
(Courtesy of Intel Corporation.)                                                                                                           transferred during the DMA action.
                                                                                                                      BA and BWC            The base address (BA) and base word count (BWC) registers are used
                  HLDA                    A hold acknowledge signals the 8237 that the microprocessor has                                   when auto-initialization is selected for a channel. In the auto-
                                          relinquished control of the address, data, and control buses.                                     initialization mode, these registers are used to reload both the CAR and
                                                                                                                                            CWCR after the DMA action is completed. This allows the same count
                  DREQ3-DREQO             The DMA request inputs are used to request a DMA transfer for each
                                                                                                                                            and address to be used to transfer data from the same memory area.
                                          of the four DMA channels. Because the polarity of these inputs is
                                          programmable, they are either active-high or active-low inputs.             CR                    The command register programs the operation of the 8237 DMA
                                                                                                                                           controller. Figure 13-4 depicts the function of the command register.
                  DB7-DBO                 The data bus pins are connected to the microprocessor data bus
                                          connections and are used during the programming of the DMA                                            The command register uses bit position 0 to select the memory-to-
                                                                                                                                           memory DMA transfer mode. Memory-to-memory DMA transfers use
                                          controller.
                                                                                                                                           DMA channel 0 to hold the source address and DMA channel 1 to hold the
                  IOR                    I/O read is a bi-directional pin used during programming and during a                             destination address. (This is similar to the operation of a MOVSB instruc-
                                          DMA write cycle.                                                                                 tion.) A byte is read from the address accessed by channel 0 and saved
                  IOW                    I/O write is a bi-directional pin used during programming and during a
                                          DMA read cycle.
                                                                                                                      FIGURE 13-4 8237 A-5            7 6 5 4 3 2 1 (H -Bit Number
                  EOF                    End-of-process is a bi-directional signal that is used as an input to
                                          terminate a DMA process or as an output to signal the end of the DMA
                                                                                                                      command register. (Courtesy    i.i.u.i.iTTi
                                          transfer. This input is often used to interrupt a DMA transfer at the end
                                          of a DMA cycle.
                                                                                                                      of Intel Corporation.)
                                                                                                                                                                          k   o Memory-to memory disable
                                                                                                                                                                              1 Memory-to-memory enable
                                                                                                                                                                             ' 0 Channel 0 address hold disable
                  A3-AO                    These address pins select an internal register during programming and
                                          also provide part of the DMA transfer address during a DMA action.                                                             .X      Ifbit0 = 0
                                                                                                                                                                     ___ T 0     Controller enable
                   A7-A4                 These address pins are outputs that provide part of the DMA transfer                                                           L1       Controller disable
                                         address during a DMA action.                                                                                                    '0      Normal timing
                   HRQ                   Hold request is an output that connects to the HOLD input of the
                                                                                                                                                                             .X If bit 0 = 1
                                         microprocessor in order to request a DMA transfer.
                                                                                                                                                                            F 0 Fixed priority
                   DACK3-DACKO             DMA channel acknowledge outputs acknowledge a channel DMA                                                                        L 1 Rotating priority
                                         request. These outputs are programmable as either active-high or active-                                                           I" 0 Late write selection
                                         low signals. The DACK outputs are often used to select the DMA
                                                                                                                                                                            LX   If bit 3 = 1
                                         controlled I/O device during the DMA transfer.
                                                                                                                                                                            T0   DREQ sense active hiah
                   AEN                    The address enable signal enables the DMA address latch connected to                                                              L1    DREQ sense active low
                                         the DB7-DBO pins on the 8237. It is also used to disable any buffers in                                                            f0   DACK sense active low
                                         the system connected to the microprocessor.                                                                                        L1    DACK sense active high
13-2   THE 8237 DMA CONTROLLER                                                                   503
502   CHAPTER 13 DIRECT MEMORY ACCESS AND DMA-CONTROLLED I/O

                             within the 8237 in a temporary holding register. Next, the 8237 initiates      FIGURE 13-6 8237A-5 re-                   5 4 3 2 1 0 ^ -Bit Number
                                                                                                            quest register. (Courtesy of
                             a memory write cycle, in which the contents of the temporary holding
                                                                                                            Intel Corporation.)
                             register are written into the address selected by DMA channel 1. The                                                                              00 Select channel 0
                             number of bytes transferred is determined by the channel 1 count register.                                                                        01 Select channel 1
                                                                                                                                                                               10 Select channel 2
                                   The channel 0 address hold enable bit (bit position 1) programs                                                                             11 Select channel 3
                             channel 0 for memory-to-memory transfers. For example, if you must                                                                                0 Reset request bit
                             fill an area of memory with data, channel 0 can be held at the same                                                                                1 Set request bit
                             address while channel 1 changes for memory-to-memory transfer. This
                             copies the contents of the address accessed by channel 0 into a block of
                                                                                                                                    EOF is input or until the DREQ input becomes inactive. Single mode
                             memory accessed by channel 1.
                                                                                                                                    releases the HOLD after each byte of data is transferred. If the DREQ
                                   The controller enable/disable bit (bit position 2) turns the entire
                                                                                                                                    pin is held active, the 8237 again requests a DMA transfer through the
                             controller on and off. The normal and compressed bit (bit position 3)
                                                                                                                                    DRQ line to the microprocessor's HOED input. Block mode automati-
                             determine whether a DMA cycle contains 2 (compressed) or 4 (normal)
                                                                                                                                    cally transfers the number of bytes indicated by the count register for
                             clocking periods. Bit position 5 is used in normal timing to extend the
                                                                                                                                    the channel. DREQ need not be held active through the block mode
                              write pulse so it appears one clock earlier in the timing for I/O devices
                                                                                                                                    transfer. Cascade mode is used when more than one 8237 is present
                              that require a wider write pulse.                                                                     in a system.
                                   Bit position 4 selects priority for the four DMA channel DREQ
                                                                                                            RR                     The request register is used to request a DMA transfer via software
                              inputs. In the fixed priority scheme, channel 0 has the highest priority
                              and channel 3 has the lowest. In the rotating priority scheme, the most                              (see Figure 13-6). This is very useful in memory-to-memory transfers,
                                                                                                                                   where an external signal is not available to begin the DMA transfer.
                              recently serviced channel assumes the lowest priority. For example, if
                              channel 2 just had access to a DMA transfer, it assumes the lowest            MRSR                   The mask register set/reset sets or clears the channel mask, as
                              priority and channel 3 assumes the highest priority position. Rotating                               illustrated in Figure 13-7. If the mask is set, the channel is disabled.
                              priority is an attempt to give all channels equal priority.                                          Recall that the RESET signal sets all channel masks to disable them.
                                    The remaining two bits (bit positions 6 and 7) program the polarities   MSR                    The mask register (see Figure 13-8) clears or sets all of the masks with
                              of the DREQ inputs and the DACK outputs.                                                             one command instead of individual channels, as with the MRSR.
      MR                      The mode register programs the mode of operation for a channel.               SR                     The status register shows the status of each DMA channel (see
                              Note that each channel has its own mode register (see Figure 13-5),                                  Figure 13-9). The TC bits indicate whether the channel has reached its
                               as selected by bit positions 1 and 0. The remaining bits of the mode                                terminal count (transferred all its bytes). Whenever the terminal count
                               register select the operation, auto-initialization, increment/decrement,                            is reached, the DMA transfer is terminated for most modes of operation.
                               and mode for the channel. Verification operations generate the DMA                                  The request bits indicate whether the DREQ input for a given channel
                               addresses without generating the DMA memory and I/O control signals.                                is active.
                                    The modes of operation include demand mode, single mode, block
                               mode, and cascade mode. Demand mode transfers data until an external         FIGURE 13-7 8237A-5               7 6 5 4 3 2 1            0-* -Bit Number
                                                                                                            mask register set/reset          I I I I I I I I I
                                                                                                            mode. (Courtesy of Intel

                                                                                                                                                                           [
                                         7 6 5 4 3 2 1 CH         -Bit Number                                                                     Don't Care                00   Select channel 0 mask bit
       FIGURE 13-5 8237A-5                                                                                  Corporation.)
       mode register (Courtesy of
       Intel Corporation).
                                        en————                                                                                                                              01
                                                                                                                                                                            10
                                                                                                                                                                            11
                                                                                                                                                                                 Select channel 1 mask bit
                                                                                                                                                                                 Select channel 2 mask bit
                                                                                                                                                                                 Select channel 3 mask bit
                                                                  00 Channel 0 select
                                                                  01 Channel 1 select                                                                                      "0    Clear mask bit
                                                                  10 Channel 2 select                                                                                      . 1   Set mask bit
                                                                  11 Channel 3 select
                                                               [" 00 Verify transfer
                                                                  01 Write transfer                         FIGURE 13-8 8237A-5               7 6 5 4 3 2 1 0 * - -Bit Number
                                                                  10 Read transfer                          mask register. (Courtesy of      II    I I   I I   I   I   I
                                                                  11 Illegal
                                                               LXX If bits 6 and 7 = 11
                                                                   0 Autoinitialization disable
                                                                                                            Intel Corporation.)
                                                                                                                                              Don't Care
                                                                                                                                                                       k       0 Clear channel 0 mask bit
                                                                                                                                                                               1 Set channel 0 mask bit
                                                                   1 Autoinitialization enable
                                                                   0 Address increment select                                                                      4           0 Clear channel 1 mask bit
                                                                                                                                                                               1 Set channel 1 mask bit

                                                                 00
                                                                 01
                                                                   1 Address decrement select
                                                                      Demand mode select
                                                                      Single mode select
                                                                                                                                                                   -tr         0 Clear channel 2 mask bit
                                                                                                                                                                               1 Set channel 2 mask bit
                                                                                                                                                                               0 Clear channel 3 mask bit
                                                                 10   Block mode select
                                                                 11   Cascade mode select                                                                                      1 Set channel 3 mask bit
504   CHAPTER 13   DIRECT MEMORY ACCESS AND DMA-CONTROLLED I/O                                                                   13-2 THE 8237 DMA CONTROLLER                                                                                505

      FIGURE 13-9       8237A-5          7 6 5 4 3 2 1                    -Bit Number                                                                                          Signals
      status register. (Courtesy of        1 1 1 1 1 1 1 1                                                                                                    CS   IOR   IOW    A3       A2   A1   AO
                                                                                                                                                                                                        Internal Flip-Flop   L/atcl DllS UDU-UD/

      Intel Corporation.)                                      ' — 1 Channel 0 has reached TC                     0    Base and Current Address      Write     0    1     0       0       0    0   0            0                 AO-A7
                                                          1
                                                             ' ——— 1 Channel 1 has reached TC                                                                  0    1     0       0       0    0   0            1                 A8-A15
                                                            ———— 1 Channel 2 has reached TC                            Current Address               Read      0    0     1      0        0    0   0           0                  AO-A7
                                                                                                                                                               0    0     1      0        0    0   0            1                 A8-A15
                                                                                                                       Base and Current Word Count   Write     0    1     0      0        0    0   1           0                  WO-W7
                                                                                                                                                               0    1     0      0        0    0   1            1                 W8-W15
                                                                                                                       Current Word Count            Read      0    0     1      0        0    0   1           0                  WO-W7
                                          ' ————————————— 1 Channel 3 reauest                                                                                  0    0     1      0        0    0   1            1                 W8-W15
                                                                                                                  1    Base and Current Address      Write     0    1     0      0        0    1   0           0                  AO-A7
                                                                                                                                                               0    1     0      0        0    1   0            1                 A8-A15
                                                                                                                       Current Address               Read      0    0     1      0        0    1   0           0                  AO-A7
      Software Command                                                                                                                                         0    0     1      0        0    1   0           1                  A8-A15
                                                                                                                       Base and Current Word Count   Write     0    1     0      0       0     1   1           0                  WO-W7
      Three software commands are used to control the operation of the 8237. These commands do not                                                             0    1     0      0       0     1   1           1                  W8-W15
      have a binary bit pattern, as do the various control registers within the 8237. A simple output to               Current Word Count            Read      0    0     1      0       0    1    1           0                  WO-W7
      the correct port number enables the software command. Figure 13-10 shows the I/O port assign-                                                            0    0     1      0       0    1    1           1                  W8-W15
                                                                                                                  2    Base and Current Address      Write     0    1     0      0       1     0   0           0                  AO-A7
      ments that access all registers and the software commands.                                                                                               0    1     0      0       1     0   0           1                  A8-A15
            The function of the software commands are explained in the following list:                                 Current Address               Read      0    0    1       0       1     0   0           0                  AO-A7
                                                                                                                                                               0    0    1       0       1     0   0           1                  A8-A15
        1. Clear the first/last flip-flop—Clears the first/last (F/L) flip-flop within the 8237. The F/L
                                                                                                                       Base and Current Word Count   Write     0    1    0       0       1     0   1           0                  WO-W7
           flip-flop selects which byte (low or high order) is read/written in the current address and cur-                                                    0    1    0       0       1     0   1           1                  W8-W15
           rent count registers. If F/L = 0, the low order byte is selected; if F/L = 1, the high order byte           Current Word Count            Read      0    0    1       0       1    0    1           0                  WO-W7
           is selected. Any read or write to the address or count register automatically toggles the F/L                                                       0    0    1       0       1    0    1           1                  W8-W15
           flip-flop.                                                                                             3    Base and Current Address      Write     0    1    0       0       1     1   0           0                  AO-A7
                                                                                                                                                               0    1    0       0       1     1   0           1                  A8-A15
        2. Master clear—Acts exactly the same as the RESET signal to the 8237. As with the RESET
                                                                                                                       Current Address               Read      0    0    1       0       1    1    0           0                  AO-A7
           signal, this command disables all channels.                                                                                                         0    0    1       0       1    1    0           1                  A8-A15
        3. Clear mask register—Enables all four DMA channels.                                                          Base and Current Word Count   Write     0    1    0       0       1    1    1           0                  WO-W7
                                                                                                                                                               0    1    0       0       1    1    1           1                  W8-W15
       Programming the Address and Count Registers                                                                    Current Word Count             Read      0    0    1       0       1    1    1           0
                                                                                                                                                                                                               1
                                                                                                                                                                                                                                  WO-W7
                                                                                                                                                               0    0    1       0       1    1    1                              W8-W15
       Figure 13-11 illustrates the I/O port locations for programming the count and address registers
       for each channel. Notice that the state of the F/L flip-flop determines whether the LSB or MSB          FIGURE 13-11      8237A-5 DMA channel I/O port addresses. (Courtesy of Intel Corporation.)
       is programmed. If the state of the F/L flip-flop is unknown, the count and address could be pro-
       grammed incorrectly. It is also important that the DMA channel be disabled before its address
                                                                                                                                       There are four steps required to program the 8237: (1) the F/L flip-flop is cleared using a
       and count are programmed.                                                                                                 clear F/L command, (2) the channel is disabled, (3) the LSB and then MSB of the address are
                                                                                                                                 programmed, and (4) the LSB and MSB of the count are programmed. Once these four opera-
       FIGURE 13-10 8237 A-5
                                                                                                                                 tions are performed, the channel is programmed and ready to use. Additional programming is re-
                                                     Signals
                                                                                    Operation                                    quired to select the mode of operation before the channel is enabled and started.
       command and control port as-        A3   A2   A1 AO     IOR   IOW
       signments. (Courtesy of Intel        1    0    0   0     0     1    Read Status Register
       Corporation.)                        1   n     0   0     1     0    Write Command Register                                The 8237 Connected to the 80X86 Microprocessor
                                            1   0     0   1     0     1    Illegal
                                            1   o     0   1     1     0    Write Request Register                               Figure 13-12 shows an 80X86-based system that contains the 8237 DMA controller.
                                            1   o     1   0     0     1    Illegal
                                                                                                                                      The address enable (AEN) output of the 8237 controls the output pins of the latches and
                                            1   0     1   0     1     0    Write Single Mask Register Bit
                                                                                                                                the outputs of the 74LS257 (E). During normal 80X86 operation (AEN = 0), latches A and C and
                                            1   n     1   1     0     1    Illegal
                                            1   0     1   1     1     0    Write Mode Register                                  the multiplexer (E) provide address bus bits A19-A16 and A7-AO. The multiplexer provides the
                                            1    1    0   0     0     1    Illegal                                              system control signals as long as the 80X86 is in control of the system. During a DMA action
                                            1    1    0   0     1     0    Clear Byte Pointer Flip/Flop
                                                                                                                                (AEN = 1), latches A and C are disabled along with the multiplexer (E). Latches D and B now
                                            1    1    0   1     0     1     Read Temporary Register
                                                                                                                                provide address bits A19-A16 and A15-A8. Address bus bits A7-AO are provided directly by
                                            1    1    0   1     1     0     Master Clear
                                            1    1    1   0     0     1     Illegal                                             the 8237 and contain a part of the DMA transfer address. The control signals MEMR, MEMW,
                                            1    1    1   0     1     0     Clear Mask Register                                 IOR, and IOW are provided by the DMA controller.
                                            1    1    1   1     0     1     Illegal                                                   The address strobe output (ADSTB) of the 8237 clocks the address (A15-A8) into latch D
                                            1    1    1   1     1     0     Write All Mask Register Bits
                                                                                                                                during the DMA action so that the entire DMA transfer address becomes available on the address
o   FIGURE 13-12   Complete 8088 minimum mode DMA system.
508   CHAPTER 13   DIRECT MEMORY ACCESS AND DMA-CONTROLLED I/O                                                 13-2 THE 8237 DMA CONTROLLER                                                               509
      TABLE 13-1        DMA page                                                                                                ;Calling    parameters:
      register ports.                   Channel      Port number (A16-A23)       Port number (A24-A31)                              SI =    source address
                                                                                                                                ;   DI =    destination address
                                            0                  87H                         487 H                                    CX -    count
                                            1                  83H                         483H                                     ES -    segment of source and destination
                                            2                  81H                         481 H               =   0010             LATCHB EQU        10H           ; latch B
                                            3                  82H                         482H                =   007C             CLEAR_F EQU       7CH           ;F/L flip flop
                                            4                  8FH                         48FH                =   0070             CHO_A   EQU       7 OH          ; channel 0 address
                                                                                                               =   0072             CH1_A     EQU     72H           ; channel 1 address
                                            5                  8BH                         48BH
                                                                                                               =   0073             CH1_C     EQU     73H           ; channel 1 count
                                            6                  89H                         489H                =   007B             MODE      EQU     7BH           ; mode
                                            7                  8AH                         48AH                =   0078             CMMD      EQU     78H           ; command
                                                                                                               =   007F             MASKS     EQU     7FH           ; masks
                                                                                                               =   0079             REQ       EQU     79H           ; request register
                                                                                                               =   0078             STATUS    EQU     78H           ; status register
      bus. Address bus bits A19-A16 are provided by latch B, which must be programmed with these four          0000                 TRANS     PROC    FAR USES AX
      address bits before the controller is enabled for the DMA transfer. The DMA operation of the 8237
      is limited to a transfer of not more than 64K bytes within the same 64K-byte section of the memory.      0001   8C   CO                 MOV     AX,ES         ; program latch B
             The decoder (F) selects the 8237 for programming and the 4-bit latch (B) for the upper-           0003   8A   C4                 MOV     AL,AH
                                                                                                               0005   CO   E8                 SHR     AL, 4
      most four address bits. The latch in a PC is called the DMA page register (8-bits) that holds ad-        0008   E6   10                 OUT     LATCHB , AL
      dress bits A16-A23 for a DMA transfer. A high page register also exists, but its address is              OOOA   E6   7C                 OUT     CLEAR_F , AL ;clear F/L flip-flop
      chip-dependent. The port numbers for the DMA page registers are listed in Table 13-1 (these are          OOOC   8C   CO                 MOV     AX,ES         ; program source address
      for the Intel ISP). The decoder in this system enables the 8237 for I/O port addresses                   OOOE   Cl   EO                 SHL     AX, 4
      XX60H-XX7FH, and the I/O latch (B) for ports XXOOH-XX1FH. Notice that the decoder                        0011   03   C6                 ADD     AX, SI        ; form source offset
      output is combined with the IOW signal to generate an active-high clock for the latch (B).               0013   E6   70                 OUT     CHO_A,AL
                                                                                                               0015   8A   C4                 MOV     AL,AH
             During normal 80X86 operation, the DMA controller and integrated circuits B and D are             0017   E6   70                 OUT     CHO_A, AL
      disabled. During a DMA action, integrated circuits A, C, and E are disabled so that the 8237 can
                                                                                                              0019    8C   CO                 MOV     AX,ES
      take control of the system through the address, data, and control buses.                                001B    Cl   EO
                                                                                                                                                                   ; program destination address
                                                                                                                                              SHL     AX, 4
             In the personal computer, the two DMA controllers are programmed at I/O ports                    001E    03   C7                 ADD     AX,DI        ; f orm destination offset
      OOOOH-OOOFH for DMA channels 0-3, and at ports OOCOH-OODFH for DMA channels 4-7.                        0020    E6   72                 OUT     CH1_A,AL
                                                                                                              0022    8A   C4                 MOV     AL,AH
      Note that the second controller is programmed at even addresses only, so the channel 4 base and         0024    E6   72                 OUT     CH1_A,AL
      current address is programmed at I/O port OOCOH and the channel 4 base and current count is
      programmed at port OOC2H. The page register, which holds address bits A23-A16 of the DMA                0026 8B      Cl                 MOV     AX,CX        ; program count
                                                                                                              0028 48                         DEC-    AX
      address, are located at I/O ports 0087H (CH-0), 0083H (CH-1), 0081H (CH-2), 0082H (CH-3),               0029 E6      73
                                                                                                                                                                   ; ad just count
                                                                                                                                              OUT    CH1_C,AL
      (no channel 4), 008BH (CH-5), 0089H (CH-6) and 008AH (CH-7). The page register functions                002B 8A      C4                 MOV    AL,AH
      as the address latch described with the examples in this text.                                          002D E6      73                 OUT     CH1_C , AL

                                                                                                              002F    BO   88                 MOV    AL, 88H       ; program mode
      Memory-to-Memory Transfer with the 8237                                                                 0031    E6   7B                 OUT    MODE , AL
                                                                                                              0033    BO   85                 MOV    AL, 85H
      The memory-to-memory transfer is much more powerful than even the automatically repeated                0035    E6   7B                 OUT    MODE , AL
      MOVSB instruction. While the repeated MOVSB instruction tables the 8088 4.2 [as per byte, the
                                                                                                              0037    BO 01                   MOV    AL,1          ; enable block transfer
      8237 requires only 2.0 |is per byte, which is over twice as fast as a software data transfer. This is   0039    E6 78                   OUT    CMMD, AL
      not true if an 80386, 80846, or Pentium/Pentium Pro is in use in the system.
                                                                                                              003B    BO OE                   MOV    AL,OEH        ; unmask channel 0
      Sample Memory-to-Memory DMA Transfer, Suppose that the contents of memory locations 10000H-             003D    E6 7F                   OUT    MASKS , AL
      13FFFH are to be transferred into memory locations 14000H-17FFFH. This is accomplished with
                                                                                                              003F    BO 04                   MOV    AL,4          ; start DMA transfer
      a repeated string move instruction, or, at a much faster rate, with the DMA controller.                 0041    E6 79                   OUT    REQ , AL
            Example 13-1 illustrates the software required to initialize the 8237 and program latch B in
      Figure 13-12 for this DMA transfer. This software is written for an embedded application. For it to                                     . REPEAT             ;wait until DMA complete
                                                                                                              0043    E4 78                   IN      AL, STATUS
      function in the PC, you must use the port addresses listed in Table 13-1 for the page registers.                                        .UNTIL AL &1

      EXAMPLE 13-1                                                                                                                           RET

                        ;A procedure that transfers a block of data using the                                                                ENDP
                        ;8237A DMA controller in Figure 13-12. This is a
                        ;memory-to-memory block transfer.
                                                                                                                    Programming the DMA controller requires a few steps, as illustrated in Example 13-1.
                                                                                                              The leftmost digit of the 5-digit address is sent to latch B. Next, the channels are programmed
510   CHAPTER 13    DIRECT MEMORY ACCESS AND DMA-CONTROLLED I/O
                                                                                                             13-2 THE 8237 DMA CONTROLLER                                                                       511
      after the F/L flip-flop is cleared. Note that we use channel 0 as the source and channel 1 as the      0013   8C   CO                      MOV     AX,ES         ; program source address
      destination for a memory-to-memory transfer. The count is next programmed with a value that is         0015   Cl   EO 04                   SHL     AX, 4
                                                                                                             0018   03   C7                      ADD     AX,DI         ; form source offset
      one less than the number of bytes to be transferred. Next, the mode register of each channel is        001A   E6   70                      OUT     CHO_A,AL
      programmed, the command register selects a block move, channel 0 is enabled, and a software            001C   8A   C4                      MOV     AL,AH
      DMA request is initiated. Before return is made from the procedure, the status register is tested      001E   E6   70                      OUT     CHO_A,AL
      for a terminal count. Recall that the terminal count flag indicates that the DMA transfer is com-      0020   8C   CO                      MOV     AX,ES         /program destination address
      pleted. The TC also disables the channel, preventing additional transfers.                             0022   Cl   EO 04                   SHL     AX, 4
                                                                                                             0025   03   C7                      ADD     AX,DI         ; f orm destination offset
      Sample Memory Fill Using the 8237. In order to fill an area of memory with the same data, the          0027   48                           INC    AX
      channel 0 source register is programmed to point to the same address throughout the transfer.          0028   E6   72                      OUT    CH1_A,AL
                                                                                                             002A   8A   C4                      MOV    AL,AH
      This is accomplished with the channel 0 hold mode. The controller copies the contents of this          002C   E6   72                      OUT    CH1_A,AL
      single memory location to an entire block of memory addressed by channel 1. This has many
                                                                                                             002E   8B   Cl                      MOV    AX,CX          ; program count
      useful applications.                                                                                   0030   48                           DEC    AX             ; ad just count
            For example, suppose that a video display must be cleared. This operation can be per-            0031   48                           DEC    AX
      formed using the DMA controller with the channel 0 hold mode and a memory-to-memory                    0032   E6   73                      OUT    CH1_C , AL
                                                                                                             0034   8A   C4                      MOV    AL,AH
      transfer. If the video display contains 80 columns and 25 lines, it has 2000 display positions that    0036   E6   73                      OUT    CH1_C , AL
      must be set to 20H (an ASCII space) to clear the screen.
            Example 13-2 shows a procedure that clears an area of memory addressed by ES:DI. The            0038    BO   88                     MOV     AL,88H         ; program mode
                                                                                                            003A    E6   7B                     OUT     MODE , AL
      CX register transfers the number of bytes to be cleared to the CLEAR procedure. Notice that this      003C    BO   85                     MOV     AL, 85H
      procedure is nearly identical to Example 13-1, except that the command register is programmed         003E    E6   7B                     OUT     MODE , AL
      so the channel 0 address is held. The source address is programmed as the same address as             0040    BO 03                       MOV     AL,3           ,- enable block hold transfer
      ES:DI, and then the destination is programmed as one location beyond ES:DI. Also note that this       0042    E6 78                       OUT     CMMD,AL
      program is designed to function with the hardware in Figure 13-12 and will not function in the
                                                                                                            0044    BO OE                       MOV     AL,OEH         ; unmask channel 0
      personal computer unless you have the same hardware.                                                  0046    E6 7F                       OUT     MASKS , AL

      EXAMPLE 13-2                                                                                          0048    BO 04                       MOV     AL,4           ; start DMA transfer
                                                                                                            004A    E6 79                       OUT     REQ , AL
                            A procedure that clears an area of memory using the
                            8237A DMA controller in Figure 13-12. This is a                                                                      .REPEAT               ;wait until DMA complete
                            memory-to-memory block transfer with a channel 0 hold.                          004C    E4 78                       IN     AL , STATUS
                                                                                                                                                 .UNTIL AL &1
                            Calling parameters:                                                                                                 RET
                                DI = offset address of area cleared
                                ES = segment address of area cleared
                                CX = number of bytes cleared

                               LATCHB EQU       10H            latch B
                                                                                                            DMA-Processed Printer Interface
                               CLEAR_F EQU      7CH            F/L flip flop
                               CHO_A   EQU      70H            channel 0 address                            Figure 13-13 illustrates the hardware added to Figure 13-12 for a DMA-controlled printer inter-
                               CH1_A    EQU     72H            channel 1 address                            face. Little additional circuitry is added for this interface to a Centronics-type parallel printer. The
                               CH1_C    EQU     73H            channel 1 count                              latch is used to capture the data as it is sent to the printer during the DMA transfer. The write pulse
                               MODE     EQU     7BH            mode
                               CMMD     EQU     78H            command
                                                                                                            passed through to the latch during the DMA action also generates the data strobe (DS) signal to the
                               MASKS    EQU     7FH            masks                                        printer through the single-shot. The ACK signal returns from the printer each time it is ready for ad-
                               REQ      EQU     79H            request register                             ditional data. In this circuit, ACK is used to request a DMA action through a flip-flop.
                               STATUS   EQU     78H            status register
                                                               zero
                                                                                                                   Notice that the I/O device is not selected by decoding the address on the address bus.
                               ZERO     EQU     OH
                                                                                                            During the DMA transfer, the address bus contains the memory address and cannot contain the
      0000                     CLEAR     PROC   FAR USES AX                                                 I/O port address. In place of the I/O port address, the DACK3 output from the 8237 selects the
                                                                                                            latch by gating the write pulse through an OR gate.
      0001   8C    CO                   MOV     AX,ES         ; program latch B
      0003   8A    C4                   MOV     AL,AH                                                              Software that controls this interface is simple because only the address of the data and the
      0005   CO    E8 04                SHR     AL,4                                                        number of characters to be printed are programmed. Once programmed, the channel is enabled,
      0008   E6    10                   OUT     LATCHB , AL                                                 and the DMA action transfers a byte at a time to the printer interface each time that the interface
      OOOA    E6 7C                     OUT     CLEAR_F,AL ; clear F/L flip-flop                            receives the ACK single from the printer.
                                                                                                                   The procedure that prints data from the current data segment is illustrated in Exam-
      OOOC 2E: AO 0000                  MOV     AL,CS:ZERO                                                  ple 13-3. This procedure programs the 8237, but doesn't actually print anything. Printing is ac-
      0010 26: 88.05                    MOV     ES:[DI],AL ; save zero in first
                                                                                                            complished by the DMA controller and the printer interface.
512               CHAPTER 13       DIRECT MEMORY ACCESS AND DMA-CONTROLLED I/O                                13-3   SHARED-BUS OPERATION                                                                    513
                                                                                                              0017    E6 76                    OUT     CH3_A, AL
FIGURE 13-13 DMA-
                                                                                                              0019    8A C4                    MOV     AL,AH
processed printer interface.                                                                                  001B    E6 76                    OUT     CH3_A,AL

                                                                                                              001D    8B   Cl                  MOV     AX,CX        ; program count
                                                                                                              001F    48                       DEC     AX           ; adjust count
                                                                                                              0020    E6   77                  OUT     CH3_C,AL
                                                                                                              0022    8A   C4                  MOV     AL,AH
                                                                                                              0024    E6   77                  OUT     CH3_C,AL

                                                                                                 ACK          0026    BO OB                    MOV     AL,OBH       ; program mode
                                                                                                              0028    E6 7B                    OUT     MODE , AL

                                                                                                              002A    BO 00                    MOV     AL, 0         ; enable block hold transfer
                                                                                                              002C    E6 78                    OUT     CMMD , AL

                                                                                                              002E    BO 07                    MOV     AL,7         ;unmask channel 3
                                                                                                              0030    E6 7F                    OUT     MASKS , AL
                                                                                                              RET




                                                                                                                    A secondary procedure is needed to determine whether the DMA action has been com-
                                                                                                              pleted. Example 13-4 lists the secondary procedure that tests the DMA controller to see whether
                                                                                                              the DMA transfer is complete. The TEST_P procedure is called before programming the DMA
                                                                                                              controller to see whether the prior transfer is complete.

                                                                                                              EXAMPLE 13-4
                                                                                                                                ;A procedure that tests for a complete DMA action

                                                                                                                                    STATUS EQU         78H          ;status register

                                                                                                                                    TEST_P PROC        NEAR USES AX

                                                                                                                                         .REPEAT
                                                                                                              0001   E4 78                     IN   AL,STATUS
                                                                                                                                         .UNTIL AL &8
                   EXAMPLE 13-3
                                                                                                                                         RET
                                        A procedure that prints data via the printer interface
                                        in Figure 13-13.                                                      0009                  TEST_P      ENDP
                                        Calling parameters:
                                            BX = offset address of printer data                                      Printed data can be double-buffered by first loading buffer 1 with data to be printed. Next,
                                            DS = segment address of printer data                              the PRINT procedure is called to begin printing buffer 1. Because it takes very little time to pro-
                                            CX = number of bytes to print
                                                                                                              gram the DMA controller, a second buffer (buffer 2) can be filled with new printer data while the
                   =   0010               LATCHB    EQU    10H           latch B                              first buffer (buffer 1) is printed by the printer interface and DMA controller. This process is re-
                   =   007C               CLEAR_F   EQU    7CH           F/L flif> flop                       peated until all data are printed.
                   =   0076               CH3_A     EQU    76H           channel 0 address
                   =   0077               CH3_C     EQU    77H           channel 1 count
                   =   007B               MODE      EQU    7BH           mode
                   =   0078               CMMD      EQU    78H           command
                   =   007F               MASKS     EQU    7FH           masks
                   =   0079               REQ       EQU    79H           request register              13-3   SHARED-BUS OPERATION
                   0000                    PRINT    PROC   FAR USES AX CX BX
                                                                                                              Complex present-day computer systems have so many tasks to perform that some systems are
                   0003 66| B8 00000000             MOV    EAX, 0                                             using more than one microprocessor to accomplish the work. This is called a multiprocessing
                   0009 8C D8                       MOV    AX,DS         program latch B
                                                           EAX, 4
                                                                                                              system. We also sometimes call this a distributed system. A system that performs more than one
                   OOOB 66 | Cl E8 04               SHR
                   OOOF 50                          PUSH   AX                                                 task is called a multitasking system. In systems that contain more than one microprocessor,
                   0010 66| Cl E8 10                SHR    EAX , 1 6                                          some method of control must be developed and employed. In a distributed, multiprocessing,
                   0014 E6 10                       OUT    LATCHB , AL                                        multitasking environment, each microprocessor accesses two buses: (1) the local bus and (2) the
                   0016       58                                         ;program address                     remote or shared bus.
514              CHAPTER 13    DIRECT MEMORY ACCESS AND DMA-CONTROLLED I/O                                                  13-3   SHARED-BUS OPERATION                                                                   515

                                                                                                                            the system's shared bus space. As mentioned, the shared bus in the personal computer is what we
                                                                                                                            often call the local bus in the personal computer because it is local to the microprocessor in the
                                                                                                                            personal computer.
                                                                                                                                  Figure 13-15 shows an 8088 microprocessor that is connected as a remote bus master. The term
                                                                                                                            bus master applies to any device (microprocessor or otherwise) that can control a bus containing




                                                                                                                              READY                                                                             READY
                                                                                                                              (Local)                                                                          (Shared)




FIGURE 13-14 A block diagram illustrating the shared and local buses.


                        This section of the text describes shared bus operation for the 8086 and 8088 microproces-
                 sors using the 8289 bus arbiter. The 80286 uses the 82289 bus arbiter and the 80386/80486 uses
                 the 82389 bus arbiter. The Pentium-Pentium II directly support a multiuser environment, as de-
                 scribed in Chapters 16, 17, and 18. These systems are much more complex and difficult to illus-
                 trate at this point in the text, but their terminology and operation is essentially the same as for the

                        The local bus is connected to memory and I/O devices that are directly accessed by a single
                 microprocessor without any special protocol or access rules. The remote (shared) bus contains
                 memory and I/O that are accessed by any microprocessor in the system. Figure 13-14 illustrates
                 this idea with a few microprocessors. Note that the personal computer is also configured in the
                 same manner as the system in Figure 13-14. The bus master is the main microprocessor in the
                 personal computer. What we call the local bus in the personal computer is the shared bus in this
                 illustration. The ISA bus is operated as a slave to the personal computer's microprocessor as well
                 as any other devices attached to the shared bus.

                 Types of Buses Defined
                 The local bus is the bus that is resident to the microprocessor. The local bus contains the resident
                 or local memory and I/O. All microprocessors studied thus far in this text are considered to be
                 local bus systems. The local memory and local I/O are accessed by the microprocessor that is di-                                                  ADDRESS/DATA        A
                 rectly connected to them.                                                                                                                                                        NT-
                        A shared bus is one that is connected to all microprocessors in the system. The shared bus
                 is used to exchange data between microprocessors in the system. A shared bus may contain
                 memory and I/O devices that are accessed by all microprocessors in the system. Access to the              FIGURE 13-15 The 8088 operated in the remote mode, illustrating the local and shared bus
                 shared bus is controlled by some form or arbiter that allows only a single microprocessor to access       connections.
516   CHAPTER 13   DIRECT MEMORY ACCESS AND DMA-CONTROLLED I/O                                                               13-3   SHARED-BUS OPERATION                                                                                         517
      memory and I/O. The 8237 DMA controller presented earlier in the chapter is an example of a          FIGURE 13-16 The
                                                                                                                                                                              S2C 1          20 UV C C
      remote bus master. The DMA controller gained access to the system memory and I/O space to            8289 pin-out and block
                                                                                                                                                                             IOB[ 2           9    3 si
      cause a data transfer. Likewise, a remote bus master gains access to the shared bus for the same     diagram. (Courtesy of Intel                             SYSB/RESB C 3              8    3 so
      purpose. The difference is that the remote bus master microprocessor can execute variable soft-      Corporation.)                                                   RESBC     4             3 CLK
                                                                                                                                                                                        8289 7
      ware, whereas the DMA controller can only transfer data.                                                                                                             BCLKC 5 BUS         6   3 CocR
                                                                                                                                                                                      ARBITEF
             Access to the shared bus is accomplished by using the HOLD pin on the microprocessor                                                                            iNffc   6       ' 5   ] CRQLCK
                                                                                                                                                                           BREQ.C    7        4    3 ANYRQST
      for the DMA controller. Access to the shared bus for the remote bus master is accomplished via
                                                                                                                                                                           BPROC 8            3 3 AEN
      a bus arbiter, which functions to resolve priority between bus masters and allows only one de-                                                                       BPRNC 9            2    3 CBRQ
      vice at a time to access the shared bus.                                                                                                                              GNDC 10           1    3 BUSY
             Notice in Figure 13-15 that the 8088 microprocessor has an interface to both a local, resi-
      dent bus and the shared bus. This configuration allows the 8088 to access local memory and I/O
      or, through the bus arbiter and buffers, the shared bus. The task assigned to the microprocessor
                                                                                                                                                                                         /- -K                   •*-
      might be data communications. It may, after collecting a block of data from the communications                                                                      ARBITRATION    v-~y                          - INIT
                                                                                                                                                                                                                 •4-   -BcTR
      interface, pass those data on to the shared bus and shared memory so that other microprocessors                                                                                                                  »- BREQ
      attached to the system can access the data. This allows many microprocessors to share common                                                                           &                      MULTIBUS ^_        -BPRN     -
                                                                                                                                                                                                                                     MULTIBUS™
                                                                                                                                                                                                                                     COMMAND
                                                                                                                                                                    •>•                            INTERFACE                         SIGNALS
                                                                                                                                                                     ^    STATE                                        »BPRO
      data. In the same manner, multiple microprocessors can be assigned various tasks in the system,                                                                *" GENERATOR                                -<-   -BUSY
                                                                                                                                                                    *•
      drastically improving throughput.                                                                                                                                                                                »• CBRQ

                                                                                                                                                          LOCK-                                   _f   ^
      The Bus Arbiter                                                                                                                                      CLK-
                                                                                                                                                        CRQLCK-
                                                                                                                                                                    >•
                                                                                                                                                                    !»•                    — *•
                                                                                                                                                                           CONTROL                   LOCAL
                                                                                                                                                          RESB-
      Before Figure 13-15 can be fully understood, the operation of the bus arbiter must be grasped.                                                   ANYRQST -    &•
                                                                                                                                                                                                      BUS
                                                                                                                                                                                                   INTERFACE
      The 8289 bus arbiter controls the interface of a bus master to a shared bus. Although the 8289 is                                                     JOB-    !»•


      not the only bus arbiter, it is designed to function with the 8086/8088 microprocessors, so it is
      presented here. Each bus master or microprocessor requires an arbiter for the interface to the                                                                                 |    GND
                                                                                                                                                                                  +5V                      (b)
      shared bus, which Intel calls the Multibus and IBM calls the Micro Channel.
             The shared bus is used only to pass information from one microprocessor to another; oth-
      erwise, the bus masters function in their own local bus modes by using their own local programs,                      BPRO                  The bus priority output is a signal that is used to resolve priority in a
      memory, and I/O space. Microprocessors connected in this kind of system are often called par-                                              system that contains multiple bus masters.
      allel or distributed processors because they can execute software and perform tasks in parallel.
                                                                                                                            BREQ                 The bus request output is used to request access to the shared bus.
      8289 Architecture. Figure 13-16 illustrates the pin-out and block diagram of the 8289 bus ar-
      biter. The left side of the block diagram depicts the connections to the microprocessor. The right                    BUSY                The busy input/output indicates, as an output, that an 8289 has acquired
      side denotes the 8289 connection to the shared (remote) bus or Multibus.                                                                  the shared bus. As an input, BUSY is used to detect that another 8289 has
             The 8289 controls the shared bus by causing the READY input to the microprocessor to                                               acquired the shared bus.
      become a logic 0 (not ready) if access to the shared bus is denied. The blocking occurs whenever                      CBRQ                The common bus request input/output is used when a lower-priority
      another microprocessor is accessing the shared bus. As a result, the microprocessor requesting                                            microprocessor is asking for the use of the shared bus. As an output,
      access is blocked by the logic 0 applied to its READY input. When the READY pin is a logic 0,                                             CBRQ becomes a logic 0 whenever the 8289 requests the shared bus and
      the microprocessor and its software wait until access to the shared bus is granted by the arbiter.                                        remains low until the 8289 obtains access to the shared bus.
      In this manner, one microprocessor at a time gains access to the shared bus. No special instruc-                                          The clock input is generated by the 8284A clock generator and provides
      tions are required for bus arbitration with the 8289 bus arbiter because arbitration is accom-                                            the internal timing source to the 8289.
      plished strictly by the hardware.
                                                                                                                                                The common request lock input prevents the 8289 from surrendering the
      Pin Definitions                                                                                                                           shared bus to any of the 8289s in the system. This signal functions in
                                                                                                                                                conjunction with the CBRQ pin.
      AEN                  The address enable output causes the bus drivers in a system to switch to
                                                                                                                            INIT                 The initialization input resets the 8289 and is normally connected to the
                           their three-state, high-impedance state.
                                                                                                                                                system RESET signal.
      ANYRQST              The any request input is a strapping option that prevents a lower-priority
                           microprocessor from gaining to the shared bus. If tied to a logic 0, normal                      IOB                 The I/O bus input selects whether the 8289 operates in a shared-bus
                           arbitration occurs and a lower priority microprocessor can gain access to                                            system (if selected by RESB) with I/O (IOB = 0) or with memory and I/O
                                                                                                                                                (IOB = 1).
                           the shared bus if CBRQ is also a logic 0.
      BCLK                 The bus clock input synchronizes all shared-bus masters.                                         LOCK                The lock input prevents the 8289 from allowing any other microprocessor
                                                                                                                                                from gaining access to the shared bus. An 8086/8088 instruction that
      BPRN                 The bus priority input allows the 8289 to acquire the shared bus on the                                              contains a LOCK prefix will prevent other microprocessors from accessing
                           next falling edge of the BLCK signal.                                                                                the shared bus.
518   CHAPTER 13      DIRECT MEMORY ACCESS AND DMA-CONTROLLED I/O                                             13-3   SHARED-BUS OPERATION                                                                      519
      RESB                   The resident-bus input is a strapping connection that allows the 8289 to         This means that the transfer requires 10 seconds. Rather than tie up the bus master for 10 sec-
                             operate in systems that have either a shared-bus or resident-bus system. If      onds, microprocessor B patiently performs the data transfer from its own local memory and the
                             RESB is a logic 1, the 8289 is configured as a shared-bus master. If RESB is     local communications interface. This frees the bus master for other tasks. The only time the mi-
                             a logic 0, the 8289 is configured as a local-bus master. When configured as a    croprocessor B interrupts the bus master is to transfer data between the shared memory and its
                             shared-bus master, access is requested through the SYSB/RESB input pin.          local memory system. This data transfer, betweem microporcessor B and the bus master, re-
      S2, SI, and SO         The status inputs initiate shared-bus requests and surrenders. These pins        quires only a few hundred microseconds.
                             connect to the 8288 system bus controller status pins.                                  Microprocessor C is used as a print spooler. Its only task is to print data on the printer.
      SYSB/RESB               The system bus/resident bus input selects the shared-bus system when            Whenever the bus master requires printed output, it transfers the task to microprocessor C. Mi-
                             placed at a logic 1 or the resident local bus when placed at a logic 0.          croprocessor C then accesses the shared memory and captures the data to be printed and stores it
                                                                                                              in its own local memory. Data are then printed from the local memory, freeing the bus master to
      General 8289 Operation. As the pin descriptions demonstrate, the 8289 can be operated in three          perform other tasks. This allows the system to execute a program with the bus master, transfer
      basic modes: (1) I/O peripheral bus mode, (2) resident bus mode, and (3) single-bus mode. See           data through the communications interface with microprocessor B, and print information on the
      Table 13-2 for the connections required to operate the 8289 in these modes. In the I/O peripheral       printer with microprocessor C. These tasks all execute simultaneously. There is no limit to the
      bus mode, all devices on the local bus are treated as I/O, including memory, and are accessed by I/I    number of microprocessors connected to a system or the number of tasks performed simultane-
      instructions. All memory references access the shared bus and all I/O access the resident local bus.    ously using this technique. The only limit is that introduced by the system design and the de-
                                                                                                              signer's ingenuity.
      The resident bus mode allows memory and I/O accesses on both the local and shared buses. Fi-
      nally, the single-bus mode interfaces a microprocessor to a shared-bus, but the microprocessor has
      no local memory or local I/O. In many systems, one microprocessor is set up as the shared-bus
                                                                                                              Priority Logic Using the 8289
      master (single-bus mode) to control the shared-bus and become the shared-bus master. The shared-       In applications that use the 8289, there is always more than one microprocessor connected 10 a
      bus master controls the system through shared memory and I/O. Additional microprocessors are           shared bus. Because only one can access the shared bus at a time, some method of resolving pri-
      connected to the shared bus as resident or I/O peripheral bus masters. These additional bus masters    ority must be employed. Priority prevents more than one microprocessor from accessing the bus
      usually perform independent tasks that are reported to the shared-bus master through the shared bus.   at a time. There are two methods for resolving priority with the 8289 bus arbiter: the daisy-chain
                                                                                                             (serial) scheme and the parallel-priority scheme.
      System Illustrating Single-bus and Resident-bus Connections. Single-bus operation interfaces a
      microprocessor to a shared bus that contains both I/O and memory resources that are shared by           Daisy-Chain Priority. The daisy-chain priority scheme connects the BPRO output to the BPRN
      other microprocessors. Figure 13-17 illustrates three 8088 microprocessors, each connected to a        input of the next-lower priority 8289 and is the least expensive to implement. Figure 13-18 il-
      shared bus. Two of the three microprocessors operate in the resident-bus mode, while the third         lustrates the daisy-chain scheme for connecting several 8289s in a system. Because the BPRN
      operates in the single-bus mode. Microprocessor A, in Figure 13-17, operates in the single-bus         input of the higher priority 8289 is grounded, it gets an immediate acknowledgment whenever its
      mode and has no local bus. This microprocessor accesses only the shared memory and I/O space.          microprocessor requests access to the shared bus. The BPRO output is a logic 0 if the 8289 and
      Microprocessor A is often referred to as the system bus master because it is responsible for co-       its microprocessor are inactive, and a logic 1 if the 8289 and its microprocessor are actively
      ordinating the main memory and I/O tasks. The remaining two microprocessors (B and C) are              using the shared bus. If no requests are active, all BPRN inputs will see a logic 0. As soon as the
      connected in the resident-bus mode, which allows them access to both the shared bus and their          highest-priority 8289s receives a bus acknowledgment, its BPRO output goes high, blocking all
      own local buses. These resident-bus microprocessors are used to perform tasks that are indepen-        lower-priority 8289s from accessing the shared bus. If more than one 8289 receives an acknowl-
      dent from the system bus master. In fact, the only time that the system bus master is interrupted      edgment, more than one 8289 will function at the same time. This scheme is seldom used be-
                                                                                                             cause two microprocessors can access the shared bus at a time. For this reason, Intel
      from performing its tasks are when one of the two resident-bus microprocessors needs to transfer
                                                                                                             recommends that this scheme be limited to no more than three 8289s in a system that uses a bus
      data between itself and the shared bus. This connection allows all three microprocessors to per-
                                                                                                             clock of 10 MHz or less. With this frequency bus clock, no conflict occurs and only one micro-
      form tasks simultaneously, yet data can be shared between microprocessors when needed.
                                                                                                             processor accesses the shared bus at a time. If more arbiters are connected, Intel suggests that the
             In Figure 13-17, the bus master (A) allows the user to operate with a video terminal that       priority be resolved using the parallel scheme.
      allows the execution of programs and generally controls the system. Microprocessor B handles
      all telephone communications and passes this information to the shared memory in blocks. This          Parallel Priority
      means that microprocessor B waits for each character to be transmitted or received and controls
      the protocol used for the transfers. For example, suppose that a IK byte-block of data are trans-      Figure 13-19 illustrates a parallel-priority scheme in which four 8289 bus arbiters are connected
      mitted across the telephone interface and this occurs at the rate of 100 characters per second.        with a parallel circuit. Here, a 74LS148, eight-input priority encoder is used to resolve priority
                                                                                                             conflicts in parallel. In this example, only four of the inputs are used to resolve priority for the
                                                                                                             four 8289s. The four unused encoder inputs are pulled up to a logic 1 to disable these unneeded
      TABLE 13-2        8289 modes                                                                           inputs to the encoder. Note that this circuit can be expanded to provide priority for up to eight
      of operation.                       Mode                              Pin Connections                  8289s with their microprocessors.
                                          Single bus                     IOB = 1 and RESB = 0                       The circuit in Figure 13-19 functions as follows. If all 8289 arbiters are idle (no requests
                                          Resident bus                   JOB = 1 and RESB = 1                for the shared bus through the SYSB/RESB input), all BREQ outputs are high and the outputs of
                                          I/O bus                        JOB = 0 and RESB = 0                the 74LS148 are logic Is (A and B are both 1). This means that the highest-priority 8289 will
                                          I/O bus and resident bus       IOB = 0 and RESB = 1                gain access to the shared bus if it is requested by its microprocessor. On the other hand, if a lower
                                                                                                             priority request is made, the BREQ output becomes a logic 0. This causes the priority encoder to
520              CHAPTER 13   DIRECT MEMORY ACCESS AND DMA-CONTROLLED I/O                                                             13-3   SHARED-BUS OPERATION                                                                      521




                                                                                                                     Fl G U R E 13-17 (continued)



                                                                                                                     FIGURE 13-18 Daisy-chain
                                                                                                                     8289 priority resolver.
                                                                                                                                                         0          O
                                                                                                                                                                                    ,A          A
                                                                                                                                                                                                              ,A A ,„,   — ^ CBRQ

                                                                                                                                                        BUSY CBRQ                 BUSY CBRQ                  BUSY CBRQ
                                                                                                                                                             8289                        8289                   8289
                                                                                                                                                       BPRN BPRO                  BPRN BPRO                 BPRN BPRO

                                                                                                                                                                                                                            -BPRO
FIGURE 13-17 Three 8088 microprocessors that share a common bus system. Microprocessor A is the bus
master in control of the shared memory and CRT terminal. Microprocessor B is a bus slave controlling its local
telephone interface and memory. Microprocessor C is also a slave that controls a printer, disk memory system,
and local memory.
                                                                                                                                      bus mode. Because two microprocessors exist, one can print data while the other is used to
                 place a logic 0 on the corresponding BPRN input pin of the 8289, allowing access to the shared                       process new information in the interim.
                 bus. For example, if the rightmost 8289 places a logic 0 on its BREQ output pin, the priority en-                          In this interface, the slave microprocessor transfers data to the printer from its local memory
                 coder will have a zero on input 3. This causes the 74LS148 to generate a 00 on its output pins.                      without intervention from the system bus master. Data are transferred to the local memory of the
                 The 00 causes the 74LS138 to activate the BPRN input of the rightmost 8289, giving it access to                      slave microprocessor whenever it accesses the shared memory for additional data.
                 the shared bus. This also locks out any other requests because the BUSY signal becomes a logic                       Single-mode Bus-master Interface. Figure 13-21 illustrates the 8088 bus master, operated in
                 0. If simultaneous requests occur, they are automatically prioritized by the 74LS148, preventing                     single mode, interfaced to the shared bus. The shared bus master has access to every memory lo-
                 conflicts no matter how many 8289s are connected in a system. For this reason, this priority                         cation and I/O device on the shared bus. The BCLK signal is generated by an 8284A clock gen-
                 scheme is desirable.                                                                                                 erator used as a 10-MHz oscillator.
                                                                                                                                             The 8289 arbiter is operated with no I/O bus, no resident bus, and ANYRQST pulled high
                  Print Spooler and Interface                                                                                         so that the shared bus can be accessed for all memory and I/O transfers. This system uses the
                  Figure 13-20 shows the block diagram of a printer interface and spooler (print queue), which is                     daisy-chain priority scheme, which means that the BREQ signal is not connected. This interface
                  controlled by an 8088 microprocessor. Here, two microprocessors are placed in a system with                         allows the slave microprocessor to access shared memory whenever necessary and thus prevents
                  one (the system bus master) operated in single-bus mode and a second operated in the resident-                      the slave microprocessor from locking the bus for too long.
522                CHAPTER 13     DIRECT MEMORY ACCESS AND DMA-CONTROLLED I/O                                                                       13-3   SHARED-BUS OPERATION                                                                       523

FIGURE 13-19 Parallel-
priority resolver for the 8289.




                                                          3            A               A                3
                                                          2                                             2
                                                                       C               C                1
                                                          0     '148
                                                                                            1.4 O
                                                                                                    R   0

                                                          4
                                                               Priority                                 4   0
                                                              esncode r
                                                          5                            Ei               5 o

                                                    ^     6
                                                                               r
                                                                                       E2               6
                                                          7      E
                                                               -4 —                r
                                                                                   MK
                                                                                       Eg               7   0




FIGURE 13-20 Block dia-
gram of two 8088s used to
control a printer interface and
print spooler.
                                                                           h
                                                                           a
                                                    Shared
                                       8088
                                        HP
                                              AA      bus      AN e
                                                                  r
                                              VV   interface   Vv          d
                                                                           b
                                                                           u
                                                                           s
                                                    System
                                                    memory
                                                               AA                                                        Local
                                                               vV                                                       memory


                                                                                                                JINTR

                                                    System                                                               Printer
                                                      I/O
                                                               VV                                                       interface


                                                                                                                                    FIGURE 13-21   An 8088 connected for the single-bus mode of operation.


                                                                                                                                                   Resident-bUS Operation Of the Slave 8088. Figure 13-22 illustrates the slave 8088 microprocessor
                                                                                                                                                   that functions as a print spooler. This microprocessor is connected as a resident-bus master. This il-
                                                                                                                                                   lustration depicts the resident-local-bus interface as well as the shared-bus interface.
                         In addition to the normal bus signals, this circuit also provides the shared bus with a 2.5                                      Whenever the slave 8088 microprocessor accesses memory above location 7FFFFH, it
                   MHz PCLK signal for any I/O device. The RDY input is shown, in case system memory and I/O                                       places a logic 1 on the SYS/RESB input to the 8289 and the CEN pin of the shared-bus master's
                   require wait states.                                                                                                            8288. This requests access to the shared bus through the 8289 bus arbiter. If the address is below
524   CHAPTER 13   DIRECT MEMORY ACCESS AND DMA-CONTROLLED I/O   13-3   SHARED-BUS OPERATION   525




I
LU
CC
526   CHAPTER 13   DIRECT MEMORY ACCESS AND DMA-CONTROLLED I/O                                                                    13-3    SHARED-BUS OPERATION                                                                                                                     527

      FIGURE 13-23       Memory                  Memory map                              Memory map            FIGURE 13-24        Resident                                           BUSY    flip-flop
      maps for the print spooler.        FFFFF                                                                 local bus for the print spooler.
      (a) Shared-bus master, and
      (b) bus-slave memory map.                                                            Shared
                                                                                            bus
                                                                                                                                                               -3ET


                                                                                                                                                                f£>~
                                                                                                                                                                                 -c SET
                                                                                                                                                                                  c
                                                                                                                                                                                          Q


                                                                                                                                                                                      CLEAR
                                                                                                                                                                                                  Vn1
                                                                                                                                                                                                  1r
                                                                                                                                                                                                                ^0

                                                                                                                                                                                                                                                    I      EPROM
                                                                                                                                                                                                                                                            2K x 8
                                                                                                                                                                                                                                                    DO

                                                    Shared                                                                                                                                                                      —K
                                                                                                                                                                                                    P
                                                                                 80000
                                                     bus                                                                                                                                              IIORC
                                                                                7FFFF                                                                                                                               A4
                                                                                                                                                                                                                                —/
                                                                                                                                                   A16 ——— c A                                                                  1111111111111




                                                                                                                                                                                                  =fl
                                                                                                                                                                           0                                                                    (: OE CE
                                                                                          Resident                                                 A17 ———— C B            1
                                                                                           local                                                                C
                                                                                            bus
                                                                                                                                                   "18
                                                                                                                                                                                                                                                               I
                                                                                                                                                                    '1
                                                                                                                                                                         »J                                                     "^N
                                                                                                                                                                                                                                                                          ————— *- DS
                                                                                                                                                   A 19 ——— c
                                                                                                                                                                E2
                                                                                                                                                                           5
                                                                                                                                                                           6
                                                                                                                                                                                                                          1
                                                                                                                                                                                                                          *s
                                                                                             (b)                                                                E3               3 —— |                                                                  74LS244
                                                                                                                                                                                                                                                          Buffer
                                                                                                                                                                K



      80000H, the SYS/RESB pin on the 8289 is grounded and a logic 1 is placed on the CEN pin of
                                                                                                                                                         1
                                                                                                                                                         +5V
                                                                                                                                                                                                                                                    I?               07
      the local bus 8288. This requests access to the resident-local bus for control of the printer and                                                                                                                                                                      Printer
      resident-local bus memory. Notice that no attempt is made to access the shared-bus I/O because                                                                                                            ——
                                                                                                                                                                                                                                                                        ——— , data
                                                                                                                                                                                                                                                                               /
                                                                                                                                                                                                                                                    ID               00
      the purpose of the slave 8088 is to access the printer interface on its local bus as local I/O.
             Figure 13-23 shows the memory maps of both the slave 8088 local memory and the shared
                                                                                                                                                                                                                                                          OE OE
      memory and the local memory of the 8088 bus master. The bus master has access to all of the
      shared memory, while the slave can only access locations 80000H-FFFFFH. Transfers to the
      print spooler are made through the upper half of the shared memory.
                                                                                                                                                                          I
                                                                                                                                                                         CLR
                                                                                                                                                                                                                                                          4
             The resident-local bus in this system contains EPROM, DRAM, and a printer interface.
                                                                                                                                                                         PI k'
      The EPROM contains the program that controls the slave 8088, the DRAM contains the data for                                                 ACK —— ——         » Q        D 1
      the printer, and the printer interface controls the printer. Figure 13-24 illustrates these three de-
      vices on the resident-local bus of the slave 8088 microprocessor.
             The decoder in this illustration selects EPROM for locations OOOOOH-OFFFFH, the printer                                              r-                                                                       "> )
                                                                                                                                                                                                                                         Al5              DRAM
                                                                                                                                                                                                                                                         ARRAY




                                                                                                                                                                                                                                          
      for locations 10000H-1FFFFH, and the DRAM for locations 20000H-7FFFFH. This allows the                                                       D°7
                                                                                                                                                                                                                r                       A0                Of
                                                                                                                                                         A
                                                                                                                                                                                                          l/
      spooler to hold up to 384K bytes of data (see Figure 13-25). If the printer can produce 1,000                                                                                                                       •
                                                                                                                                                                                                                                                         DRAMs
                                                                                                                                                   1^                                                                     -/
      lines per minute (high-speed printer), then this represents about three minutes of printing and                                             Do     N
                                                                                                                                                                                                                                       DO
                                                                                                                                                                                                                                      RD
      about 50—75 printed pages of data. If the system is expanded with a fixed memory system, the                                                                                                                                    WR
                                                                                                                                                                                                                                      SELT
      capacity of the spooler can become almost boundless because of the huge capacity of a modern
      fixed-disk memory system. For simplicity's sake, this is not added to this example.                                                                                                                                    SEL3
                                                                                                                                                                                                                             SEL4
             The printer is interfaced to the slave microprocessor through a 74LS244 that is operated as                                                                                                                     SEL5
                                                                                                                                                                                                                          -c SEL6
      a strobed-output interrupting device. Whenever the printer completes printing a character, as sig-
      naled by the ACK signal, an interrupt is generated, causing the slave microprocessor to retrieve
      data from the print queue for the printer. This process continues until the queue is empty, when
      the slave microprocessor disables interrupt requests until new information is placed in the queue                          FIGURE 13-25 8088 resi-                                      Memory map

      for printing.                                                                                                              dent local bus memory map.

      Print Spooler Software, The software for the print spooler is fairly straightforward. The entire
      software listing is provided in sections so that a study can be made of initialization, data transfer,
      and interrupt-controlled printer service procedures. The only software not illustrated is that                                                                                                            - 384K Bytes
      which are required to program and initialize the system. When the system is initialized, the input
      and output pointers of the queue are both set up with address 20000H. This condition (equal
      pointers) indicates that the queue is empty. The segment portion of the pointers contains 2000H
      and the offset portion contains OOOOH.                                                                                                                                   20000
            Example 13-5 lists the software that transfers data into the print spooler from the shared                                                                                          Printer
                                                                                                                                                                               10000
      bus. In this software, the bus master loads a block of shared memory with printer data, called a
                                                                                                                                                                                                                    64K Bytes
      print buffer (BUFFER beginning at location 80002H). Then it signals the slave 8088 that data                                                                             00000
528   CHAPTER 13   DIRECT MEMORY ACCESS AND DMA-CONTROLLED I/O                                                   13-3 SHARED-BUS OPERATION                                                                              529
      are available through a flip-flop, which acts as an indicator to the slave. This flag flip-flop is set      0014   E8 OOOD                                                   ;fill queue
      by the master whenever printer data are available and cleared by the slave after the slave has re-         0017    FB                      STI
      moved the data from the shared memory. One additional piece of information is also placed in               0018    E6 00                   OUT         0,AL                  ;clear FLAG
      the shared memory for the slave — the length of the block of data. Location 80000H holds a                 001A    EB E4                   JMP         TRANS
      word that indicates the length of the printed block of data. The maximum size of the buffer is             001C                   TRANS    ENDP
      64K bytes.
                                                                                                                                        ; Data used with FILL
      EXAMPLE 13-5                                                                                               001C    0000           IN_PS    DW     •p                         ;input pointer
                                                                                                                 001E    0000           IN_PO           •p
                             A procedure found in the master system una i_ ueaua the
                                                                                 une                                                             DW
                                                                                                                 0020    0000           OUT_PS   DW     •p
                             FLAG to determine if the slave is busy. If the slave
                             is not busy, data are transferred to the print buffer                               0022    0000           OUT_PO   DW     •p                         ;output pointer
                             and the FLAG is set to indicate that data are available
                             for printing.                                                                                              ;Procedure that fills the printer queue.

                             Calling parameters:                                                                 0024                   FILL     PROC        NEAR

                                   DS:SI = address of printer data                                               0024    FC               CLD                                      ;clear direction
                                   CX = number of bytes to print                                                 0025    2E: Al 001C R    MOV      AX,CS:IN_PS
                                                                                                                 0029    8E CO            MOV      ES,AX
      0000                  LOAD     PROC        FAR USES ES                                                     002B    2E: 8B 3E 001E R MOV      DI,CS:IN_PO                     ;load input address
                                                                                                                                          .REPEAT
                                     . REPEAT                        ;test FLAG                                  0030    E8 0014                   CALL TESTF                      ;test for full queue
      0001 E4 00                            IN         AL,0                                                                                    .UNTIL IZERO?                       ;while full
                                     .UNTIL AL==0                                                                0035    A4                    MOVSB                               ;store byte
                                                                                                                 0036    E8 0024               CALL    INCP                        ;increment pointer
      0007    BF 0002                    MOV        DI , 2           ; off set of buffer                         0039    8C CO                 MOV     AX,ES
      OOOA     B8 8000                    MOV        AX,8000H        ; segment of buffer & count                 003B    2E: A3 001C R         MOV     CS:IN_PS,AX
      OOOD     8E CO                      MOV        ES,AX                                                       003F    2E: 89 3E 001E R      MOV     CS:IN_PO,DI                 ; save input pointer
      OOOF     26: 89 OE 0000             MOV        ES:[0],CX        ; save count                                                        .UNTILCXZ
      0014    F3/ A4                      REP        MOVSB            ; save data to buffer                      0046    C3               RET
      0016    BO FF                       MOV        AL,OFFH                                                     0047               FILL  ENDP
      0018    E6 00                       OUT        0,AL             ; set FLAG
                                            RET                                                                  0047                   TESTF    PROC        NEAR USES DI DS

       001C                 LOAD     ENDP                                                                        0047    E8 0011            CALL             INCP                  ; increment pointer
                                                                                                                 004C    8C D8              MOV              AX, DS
                                                                                                                 004E    2E: 3B 06 0020 R CMP                AX,CS:OUT_PS
              Once the slave notices a logic 1 in the flag flip-flop, it begins transferring data from the       0053    75 05              JNE              TESTF1
       shared memory into its own local memory. The data are stored in the local memory organized as             0055    2E: 3B 3E 0022 R CMP                DI,CS:OUT_PO
       a FIFO (first in, first out), or queue. In this example, the size of the queue is 384K bytes. Ex-         005A               TESTF1:
                                                                                                                                                 RET
       ample 13-6 lists the software used by the slave to load the queue from the shared memory buffer.
       In this software, the slave tests the flag flip-flop to see whether the master has filled the buffer in   005D                   TESTF    ENDP
       the shared memory. If the buffer is filled, the slave microprocessor transfers its contents form the
                                                                                                                 005D                   INCP     PROC
       shared memory into its queue. Once the transfer is complete, the slave clears the flag flip-flop so
       that the master may begin filling the buffer with additional printer data.                                005D    47                      INC    DI
                                                                                                                                                 .IF DI == 0
                                                                                                                 0062    8C CO                        MOV     AX,ES
       EXAMPLE 13-6                                                                                              0064    05 1000                      ADD     AX,1000H
                             ;A procedure found in the slave system that tests the                                                                    .IF AX == 8000H
                             ;FLAG to determine if data are available for printing.                              006C    B8 2000                      MOV     AX,2000H
                             ;If data are available, data are transferred into the                                                                    .ENDIF
                             ;queue for the printer.                                                             006F    8E CO                        MOV    ES,AX
                                                                                                                                                 .ENDIF
       0000                  TRANS    PROC       FAR                                                             0071    C3                      RET

                                      . REPEAT                        ;test FLAG                                 0072                            ENDP
       0000 E4 00                           IN         AL , 0
       0002 A8 01                        TEST   AL,1
                                      .UNTIL AL = = 0                 ;if not finished                                  Example 13-7 lists the software that prints data from the queue. This software is interrupt
                                                                                                                 driven, and therefore runs as a background program virtually hidden from the software listed in Ex-
       0008 B8 8000                   MOV         AX,8000H            ; segment of buffer & count                ample 13-6, except for the interrupt enable instruction. Whenever the printer interface, through a
       OOOB 8E D8                     MOV        DS , AX
                                      MOV         CX,DS: [0]          ;get count                                 flip-flop, indicates that it is ready to accept additional data, an interrupt occurs calling this interrupt
       OOOD 8B OE 0000
       0011 BE 0002 •                 MOV         SI, 2               ; address buffer                           service procedure. The procedure extracts data from the queue and sends them to the printer.
CHAPTER 13         DIRECT MEMORY ACCESS AND DMA-CONTROLLED I/O
                                                                                                                              13-4   DISK MEMORY SYSTEMS                                                                     531
530
                                                                                                                             The latest optical disk technology is called DVD (digital versatile disk). This section of the
        EXAMPLE 13-7
                                                                                                                             chapter provides an introduction to disk memory systems so that they may be used with com-
        0072                       PRINT     PROC    FAR USES AX BP DS DI ES
                                                                                                                             puter systems. It also provides details of their operation.
                                            CALL     TESTE
                                             .IF ZERO?                       ;if empty                                        Floppy Disk Memory
        007C     8B   EC                         MOV    BP,SP                /interrupt off
        007E     8B   46 OC                      MOV    AX, [BP+12]                                                           The most common and the most basic form of disk memory is the floppy, or flexible disk. This
                                                        AH, OFDH
        0081     80   E4 FD                      AND
                                                 MOV     [BP+12] ,AX                                                          magnetic recording media is available in three sizes: the 8" standard, 5l/4" mini-floppy, and the
        0084     89   46 OC
                                             .ELSE                                                                            3l/2" micro-floppy. Today, the 8" standard version has all but disappeared, giving way to the
        0089     B8 1000                         MOV    AX, 1000H                                                            mini- and micro-floppy disks. The 8" disk is too large and difficult to handle and stockpile. To
                                                 MOV    ES,AX
        008C     8E CO
                                                        AL, [DI]
                                                                                                                              solve this problem, industry developed the 5V4" mini-floppy disk. Today, the micro-floppy disk
        008E     8A 05                           MOV
        0090     26: A2 0000                     MOV    ES:[0],AL            ; print data                                    has just about replaced the mini-floppy in newer systems because of its reduced size, ease of
        0094     E8 001E                        CALL     INCO                                                                 storage, and durability. Even so, a few systems are still marketed with both the mini- and micro-
                                            . ENDIF                                                                          floppy disk drives.
                                             IRET
                                                                                                                                    All disks have several things in common. They are all organized so that data are stored in
                                    PRINT    ENDP                                                                            tracks. A track is a concentric ring of data that is stored on a surface of a disk. Figure 12-36 il-
                                                                                                                             lustrates the surface of a 5lk" mini-floppy disk, showing a track that is divided into sectors. A
                                                                                                                             sector is a common subdivision of a track that is designed to hold a reasonable amount of data.
                                                                                                                             In many systems, a sector holds either 512 or 1024 bytes of data. The size of a sector can vary
        009D                        TESTE    PROC                                                                            from 128 bytes to the length of one entire track.
                 2E: Al       0020 R         MOV     AX , CS : OUT_PS                                                               Notice in Figure 13-26 that there is a hole through the disk that is labeled an index hole.
         009D
         OOA1    8E D8                       MOV      DS , AX                                                                The index hole is designed so that the electronic system that reads the disk can find the begin-
         00 A3   2E: 8B       3E 0022 R      MOV     DI , CS : OUT_PO                                                        ning of a track and its first sector (00). Tracks are numbered from track 00, the outermost track,
         OOA8    2E: 3B       06 001C R      CMP       AX,CS:IN_PS
                 75 05                       JNE       TESTE1                                                                in increasing value toward the center or innermost track. Sectors are often numbered from sector
         00 AD
         OOAF    2E: 3B        3E 001E R     CMP     DI , CS : IN_PO                                                         00 on the outermost track, to whatever value is required to reach the innermost track and its last
         OOB4                      TESTE1:                                                                                   sector.
         OOB4    C3                          RET
                                                                                                                             7776 51/4 " Mini-floppy Disk. Today, the 5V4" floppy is probably the most popular disk size used
         OOB5                      TESTE     ENDP
                                                                                                                             with older microcomputer systems. Figure 13-27 illustrates this mini-floppy disk. The floppy
         OOB5                      INCO       PROC    NEAR

         OOB5         47                      INC      DI                                                      FIGURE 13-26 The format                         Sector
                                              .IF DI == 0                                                      of a 51/4" floppy disk.
         OOBA     8C D8                          MOV       AX,DS
         ODBC     05 1000                        ADD       AX,1000H
                                                  .IF AX == 8000H
         OOC4     B8 2000                              MOV     AX,2000H
                                                  . ENDIF
         OOC7     8E D8                          MOV      DS , AX
         OOC9     2E: A3 0020 R                  MOV      CS : OUT_PS , AX
                                              . ENDIF
         OOCD     2E: 89 3E 0022 R             MOV     CS : OUT_PO , DI
         OOD2     C3                           RET

         OOD3                        INCO     ENDP




 13-4    DISK MEMORY SYSTEMS
          Disk memory is used to store long-term data. Many types of disk storage systems are available
          today and they use magnetic media, except the optical disk memory that stores data on a plastic
          disk. Optical disk memory is either a CD-ROM (compact disk/read only memory) that is read,
          but never written, or a WORM (write once/read mostly) that is read most of the time, but can be
          written once by a laser beam. Also becoming available is optical disk memory that can be read
          and written many times, but there is still a limitation on the number of write operations allowed.
532   CHAPTER 13 DIRECT MEMORY ACCESS AND DMA-CONTROLLED I/O                                                   13-4    DISK MEMORY SYSTEMS
                                                                                                                                                                                                                 533
                              1
      FIGURE 13-27 The 5 /4"
      mini-floppy disk.                                                                                               Data
                                                                      Write protect notch _




                                                                                                                      Track


                                         Drive hub-
                                                                                                              FIGURE 13-28       The non-return to zero (NRZ) recording technique
                                                                                              - Index
                                                                                                hole
                                                                                                              separate erase head would be required. The mechanical alignment of a separate erase head and a
                                                                                                              separate read/write head is virtually impossible. The magnetic flux density of the NRZ signal is
                                                                                                              so intense that it completely saturates (magnetizes) the surface of the disk, erasing all prior data.
                                                                                Head slot                     It also ensures that information will not be affected by noise because the amplitude of the mag-
                                                                                                              netic field contains no information. The information is stored in the placement of the changes of
                                                                                                              the magnetic field.
                                                                                                                     Data are stored in the form of MFM (modified frequency modulation) in modern floppy
                                                                                                              disk systems. The MFM recording technique stores data in the form illustrated in Figure 13-29.
      disk is rotated at 300 RPM inside its semi-rigid plastic jacket. The head mechanism in a floppy        Notice that each bit time is 2.0 jis wide on a double-density disk. This means that data are
      disk drive makes physical contact with the surface of the disk, which eventually causes wear and       recorded at the rate of 500,000 bits per second. Each 2.0 jus bit time is divided into two parts: one
      damage to the disk.                                                                                    part is designated to hold a clock pulse and the other holds a data pulse. If a clock pulse is present,
             Today, most mini-floppy disks are double-sided. This means that data are written on both        it is 1 (is wide, as is a data pulse. Clock and data pulses are never present at the same time in one
      the top and bottom surfaces of the disk. A set of tracks called a cylinder consists of one top and     bit period. (Note that high-density disk drives halve these times so that a bit time is 1.0 }is and a
      one bottom track. Cylinder 00, for example, consists of the outermost top and bottom tracks.           clock or data pulse is 0.5 u,s wide. This also doubles the transfer rate to 1 million bits per second.)
             Floppy disk data are stored in the double-density format, which uses a recording technique             If a data pulse is present, the bit time represents a logic 1. If no data or no clock is present,
      called MFM (modified frequency modulation) to store the information. Double-density, double-           the bit time represents a logic 0. If a clock pulse is present with no data pulse, the bit time also
      sided (DSDD) disks are normally organized with 40 tracks of data on each side of the disk. A           represents a logic 0. The rules followed when data are stored using MFM are as follows:
      double-density disk track is typically divided into nine sectors, with each sector containing 512       1. A data pulse is always stored for a logic 1.
      bytes of information. This means that the total capacity of a double-density, double-sided disk is      2. No data and no clock is stored for the first logic 0 in a string of logic Os.
      40 tracks per side x 2 sides x 9 sectors per track x 512 bytes per sector, or 368,640 (360K) bytes      3. The second and subsequent logic Os in a row contain a clock pulse, but no data pulse.
      of information.
             Earlier disk memory systems used single-density and FM (frequency modulation) to store                The reason that a clock is inserted as the second and subsequent zero in a row is to main-
      information in 40 tracks on one or two sides of the disk. Each of the eight or nine sectors on the     tain synchronization as data are read from the disk. The electronics used to recapture the data
      single-density disk stored 256 bytes of data. This meant that a single-density disk stored 90K         from the disk drive use a phase-locked loop to generate a clock and a data window. The phase-
                                                                                                             locked loop needs a clock or data to maintain synchronized operation.
      bytes of data per side. A single-density, double-sided disk stored 180K bytes of data.
             Also common today are high-density (HD) mini-floppy disks. A high-density mini-floppy           The 31/2" Micro-floppy disk. Another very popular disk size is the 3V2" micro-floppy disk. Re-
      disk contains 80 tracks of information per side, with eight sectors per track. Each sector contains    cently, this size floppy disk has begun to sell very well and is the dominant floppy disk size. The
      1024 bytes of information. This gives the 5l/4" high-density, mini-floppy disk a total capacity of     micro-floppy disk is a much improved version of the mini-floppy disk described earlier. Figure
      80 tracks per side x 2 sides x 15 sectors per track x 512 bytes per sector, or 1,228,800 (approxi-     13-30 illustrates the 3lh" micro-floppy disk.
      mately 1.2 M) bytes of information.
             The magnetic recording technique used to store data on the surface of the disk is called
                                                                                                             FIGURE 13-29 Modified
      non-return to zero (NRZ) recording. With NRZ recording, magnetic flux placed on the surface
                                                                                                             frequency modulation (MFM)
      of the disk never returns to zero. Figure 13-28 illustrates the information stored in a portion of a   used with disk memory.
      track. It also shows how the magnetic field encodes the data. Note that arrows are used in this il-
      lustration to show the polarity of the magnetic field stored on the surface of the disk.
             The main reason that this form of magnetic encoding was chosen is that it automatically                                             Ci D                      C : D            C | D    C | D
      erases old information when new information is recorded. If another technique were used, a
CHAPTER 13   DIRECT MEMORY ACCESS AND DMA-CONTROLLED I/O
                                                                                                                               13-4   DISK MEMORY SYSTEMS                                                                          535
534
                                                                                                                               on a high-density, double-sided micro-floppy disk is 80 tracks per side x 2 sides x 18 sectors per
                     The 31/2"
FIGURE 13-30
micro-floppy disk.
                                     Write protect .
                                                       i                                                                       track x 512 bytes per sector, or 1,474,560 (1.44M) bytes of information.
                                                                                                                                      Recently, a new size SVz" floppy disk has been introduced, the EHD (extended high den-
                                                                                                                               sity) floppy disk. This new format stores 2.88M bytes of data on a single floppy disk. At this
                                                                                                                               time, this format is expensive and will take time to become common. Also available is the flop-
                                                                                                                               tical disk, which stores data magnetically by using an optical tracking system. The floptical disk
                                                                                                                               stores 21M bytes of data.
                                                                                                      „ Drive hub
                                                                                                                               Hard Disk Memory
                                                                                                                                Larger disk memory is available in the form of the hard disk drive. The hard disk drive is often
                                                                                                                                called a fixed disk because it is not removable like the floppy disk. A hard disk is also often called
                                                                                                                                a rigid disk. The term Winchester drive is also used to describe a hard disk drive, but less com-
                                                                                                o     . Head slot
                                                                                                                               monly today. Hard disk memory has a much larger capacity than the floppy disk memory. Hard
                                                                                                                                disk memory is available in sizes exceeding 1G byte of data. Common, low-cost (less than $0.30
                                                                                                                               per megabyte) sizes are presently 3.2G bytes to 12G bytes.

                                                                                      Head door
                                                                                                                                      There are several differences between the floppy disk and the hard disk memory. The hard
                                                                                                                               disk memory uses a flying head to store and read data from the surface of the disk. A flying head,
                                                                                                                               which is very small and light, does not touch the surface of the disk. It flies above the surface on
                                                                                                                               a film of air that is carried with the surface of the disk as it spins. The hard disk typically spins at
                             Disk designers noticed several shortcomings of the mini-floppy, which is a scaled down            3000 to 10,000 R.P.M, which is more than 10 times faster than the floppy disk. This higher rota-
                      version of the 8" standard floppy, soon after it was released. Probably one of the biggest prob-         tional speed allows the head to fly (just as an airplane flies) just over the top of the surface of the
                      lems with the mini-floppy is that it is packaged in a semi-rigid plastic cover that bends easily.        disk. This is an important feature because there is no wear on the hard disk's surface, as there is
                      The micro-floppy is packaged in a rigid plastic jacket that will not bend easily. This provides a        with the floppy disk.
                      much greater degree of protection to the disk inside the jacket.                                                Problems can arise because of flying heads. One problem is a head crash. If the power is
                             Another problem with the mini-floppy is the head slot that continually exposes the surface        abruptly interrupted or the hard disk drive is jarred, the head can crash onto the disk surface,
                      of the disk to contaminants. This problem is also corrected on the micro-floppy because it is con-       which can damage the disk surface or the head. To help prevent crashes, some drive manufac-
                      structed with a spring-loaded sliding head door. The head door remains closed until the disk is          turers have included a system that automatically parks the head when power is interrupted. This
                      inserted into the drive. Once inside the drive, the drive mechanism slides open the door, ex-            type of disk drive has auto-parking heads. When the heads are parked, they are moved to a safe
                      posing the surface of the disk to the read/write heads. This provides a great deal of protection to      landing zone (unused track) when the power is disconnected. Some drives are not auto-parking;
                                                                                                                               they usually require a program that parks the heads on the innermost track before power is dis-
                       the surface of the micro-floppy disk.
                              Yet another improvement is the sliding plastic write-protection mechanism on the micro-          connected. The innermost track is a safe landing area because it is the very last track filled by the
                       floppy disk. On the mini-floppy disk, a piece of tape was placed over a notch on the side of the        disk drive. Parking is the responsibility of the operator in this type of disk drive.
                      jacket to prevent writing. This plastic tape easily became dislodged inside disk drives, causing                Another difference between a floppy disk drive and a hard disk drive is the number of heads
                       problems. On the micro-floppy, an integrated plastic slide has replaced the tape write-protection       and disk surfaces. A floppy disk drive has two heads, one for the upper surface and one for the
                       mechanism. To write-protect (prevent writing) the micro-floppy disk, the plastic slide is moved         lower surface. The hard disk drive may have up to eight disk surfaces (four platters), with up to
                       to open the hole though the disk jacket. This allows light to strike a sensor that inhibits writing.    two heads per surface. Each time that a new cylinder is obtained by moving the head assembly, 16
                              Still another improvement is the replacement of the index hole with a different drive mech-      new tracks are available under the heads. See Figure 13-31, which illustrates a hard disk system.
                        anism. The drive mechanism on the mini-floppy allows the disk drive to grab the disk at any                   Heads are moved from track to track by using either a stepper motor or a voice coil. The
                        point. This requires an index hole so that the electronics can find the beginning of a track. The      stepper motor is slow and noisy, while the voice coil mechanism is quiet and quick. Moving the
                        index hole is another trouble spot because it collects dirt and dust. The micro-floppy has a drive     head assembly requires one step per cylinder in a system that uses a stepper motor to position the
                        mechanism that is keyed so that it only fits one way inside the disk drive. The index hole is no       heads. In a system that uses a voice coil, the heads can be moved many cylinders with one
                        longer required because of this keyed drive mechanism. Because of the sliding head mechanism           sweeping motion. This makes the disk drive faster when seeking new cylinders.
                        and the fact that no index hole exists, the micro-floppy disk has no place to catch dust or dirt.             Another advantage of the voice coil system is that a servo mechanism can monitor the am-
                               Two types of micro-floppy disks are widely available: the double-sided, double-density          plitude of the signal as it comes from the read head and make slight adjustments in the position
                        (DSDD) and the high-density (HD). The double-sided, double-density micro-floppy disk has 80            of the heads. This is not possible with a stepper motor, which relies strictly on mechanics to po-
                        tracks per side, with each track containing nine sectors. Each sector contains 512 bytes of infor-     sition the head. Stepper-motor-type head positioning mechanisms can often become misaligned
                        mation. This allows 80 tracks per side x 2 sides x 9 sectors x 512 bytes per sector, or 737,280        with use, while the voice coil mechanism corrects for any misalignment.
                         (720K) bytes of data to be stored on a double-density, double-sided floppy disk.                             Hard disk drives often store information in sectors that are 512 bytes long. Data are ad-
                               The high-density, double-sided micro-floppy disk stores even more information. The high-        dressed in clusters of eight or more sectors, which contain 4096 bytes (or more) on most hard
                         density version has 80 tracks per side, but the number of sectors is doubled to 18 per track. This    disk drives. Hard disk drives use either MEM or RLL to store information. MEM is described
                         format still uses 512 bytes per sector, as did the double-density format. The total number of bytes   with floppy disk drives. Run-length limited (RLL) is described here.
CHAPTER 13     DIRECT MEMORY ACCESS AND DMA-CONTROLLED I/O                                                13-4     DISK MEMORY SYSTEMS                                                                 537
536

FIGURE 13-31      A hard disk                                                     Actuator arm                                                                       Data           RLL
drive that uses four heads per    Disk platters                                                                                                                   101001011 =010001001001001000
platter.                                                                Head            [J

                                                                                  n
                                                                                                                                   MFM



                                                                                                                                   RLL


                                                  Drive spindle -


                                                                                        Stepper motor

                                                                                                                                          010       001     001       001     001         000
                         A typical older MFM hard disk drive uses 18 sectors per track so that 18 K bytes of data are
                                                                                                                           FIGURE 13-32         A comparison of MFM with RLL using data 101001011.
                   stored per track. If a hard disk drive has a capacity of 40M bytes, it contains approximately 2280
                   tracks. If the disk drive has two heads, this means that it contains 1140 cylinders; if it contains
                   four heads, then it has 570 cylinders. These specifications vary from disk drive to disk drive.          a data pulse for MFM. A 40M-byte MFM disk can hold 60M bytes of RLL-encoded data. Be-
                   RLL Storage. Run-length limited (RLL) disk drives use a different method for encoding the                sides holding more information, the RLL drive can be written and read at a higher rate.
                   data than MFM. The term RLL means that the run of zeros (zeros in a row) is limited. A common                  All hard disk drives use either MFM or RLL encoding. There are a number of disk drive
                   RLL encoding scheme in use today is RLL 2,7. This means that the run of zeros is always be-             interfaces in use today. The oldest is the ST-506 interface, which uses either MFM or RLL data.
                                                                                                                           A disk system using this interface is also called either MFM or RLL disk system. Newer stan-
                   tween two and seven. Table 13-3 illustrates the coding used with standard RLL.
                          Data are first encoded by using Table 13-3 before being sent to the drive electronics for        dards are also found in use today, which include ESDI, SCSI, and IDE. All of these newer stan-
                   storage on the disk surface. Because of this encoding technique, it is possible to achieve a 50 per-    dards use RLL, even though they normally do not call attention to it. The main difference is the
                   cent increase in data storage on a disk drive when compared to MFM. The main difference is that         interface between the computer and the disk drive. The IDE system is becoming the standard
                                                                                                                           hard disk memory interface.
                   the RLL drive often contains 27 tracks instead of the 18 found on the MFM drive. (Some RLL
                                                                                                                                  The enhanced small disk interface (ESDI) system, which has disappeared, is capable of
                   drives also use 35 sectors per track.)
                          In most cases, RLL encoding requires no change to the drive electronics or surface of the        transferring data between itself and the computer at rates approaching 10 M bytes per second. An
                                                                                                                           ST-506 interface can approach a transfer rate of 860 K bytes per second.
                   disk. The only difference is a slight decrease in the pulse width using RLL, which may require
                   slightly finer oxide particles on the surface of the disk. Disk manufacturers test the surface of the          The small computer system interface (SCSI) system is also in use because it allows up to
                   disk and grade the disk drive as either an MFM-certified or an RLL-certified drive. Other than          seven different disk or other interfaces to be connected to the computer through same interface
                    grading, there is no difference in the construction of the disk drive or the magnetic material that    controller. SCSI is found in some PC-type computers and also in the Apple Macintosh system.
                                                                                                                           An improved version, SCSI-II, has started to appear in some systems. In the future, this interface
                    coats the surface of the disks.
                                                                                                                           may be replaced with IDE in most applications.
                          Figure 13-32 shows a comparison of MFM data and RLL data. Notice that the amount of
                    time (space) required to store RLL data is reduced when compared to MFM. Here a 101001011                     The newest system is integrated drive electronics (IDE), which incorporates the disk
                    is coded in both MFM and RLL so that these two standards can be compared. Notice that the              controller in the disk drive and attaches the disk drive to the host system through a small inter-
                    width of the RLL signal has been reduced so that three pulses fit in the same space as a clock and     face cable. This allows many disk drives to be connected to a system without worrying about bus
                                                                                                                           conflicts or controller conflicts. IDE drives are found in newer IBM PS-2 systems and many
                                                                                                                           clones. Even Apple computer systems are starting to be found with IDE drives in place of the
                   TABLE 13-3        Standard RLL                                                                          SCSI drives found in older Apple computers. The IDE interface is also capable of driving other
                   2,7 coding.                           Input Data Stream     RLL Output                                  I/O devices besides the hard disk. This interface also usually contains at least a 32K-byte cache
                                                                                                                           memory for disk data. The cache speeds disk transfers. Common access times for an IDE drive
                                                         000                    000100                                     are often less than 10 ms, where the access time for a floppy-disk is about 200 ms.
                                                         10                     0100
                                                         010                    100100
                                                         0010                   00100100                                   Optical Disk Memory
                                                         11                     1000                                       Optical disk memory (see Figure 13-33) is commonly available in two forms: the CD-ROM
                                                         011                    001000                                     (compact disk/read only memory) and the WORM (write once/read mostly). The CD-ROM is
                                                         0011                   00001000
                                                                                                                           the lowest cost optical disk, but it suffers from lack of speed. Access times for a CD-ROM are
538            CHAPTER 13   DIRECT MEMORY ACCESS AND DMA-CONTROLLED I/O                                                        13-5   VIDEO DISPLAYS                                                                            539

                                                                                                                               available in late 1996 or early 1997. The DVD functions exactly as the CD-ROM except that the
                                                                                                                               bit density is much higher. The CD-ROM stores 660 M bytes of data, while the current-genre
                                                                                                                               DVD stores 4.7G bytes or 8.5G bytes, depending on the current standard. The future standard,
                                                                                                                               which requires a new drive, stores up to 17G bytes of data.




                                                                                                                        13-5   VIDEO DISPLAYS
                                                                                                                               Modern video displays are OEM (original equipment manufacturer) devices that are usually
                                                                                                                               purchased and incorporated into a system. Today, there are many different types of video dis-
                                                                                                                               plays available. Of the types available, either color or monochrome versions are found.
                                                                                                                                     Monochrome versions usually display information using amber, green, or paper-white dis-
                                                                                                                               plays. The paper-white display is becoming extremely popular for many applications. The most
                                                                                                                               common of these applications are desk-top publishing and computer-aided drafting (CAD).
                                                                                                                                     The color displays are more diverse. Color display systems are available that accept in-
                                                                                                                               formation as a composite video signal, much as your home television, as TTL voltage level sig-
                                                                                                                               nals (0 or 5 V), and as analog signals (0-0.7 V). Composite video displays are disappearing
                                                                                                                               because the available resolution is too low. Today, many applications require high-resolution
                                                                                                                               graphics that cannot be displayed on a composite display such as a home television receiver.
                                                                                                                               Early composite video displays were found with Commodore 64, Apple 2, and similar computer
                                                                                                                               systems.

                                                                                                                               Video Signals
FIGURE 13-33   The optical CD-ROM memory system.
                                                                                                                               Figure 13-34 illustrates the signal sent to a composite video display. This signal is composed
                                                                                                                               of several parts that are required for this type of display. The signals illustrated represent the
                typically 300 ms or longer, about the same as a floppy disk. (Note that slower CD-ROM devices                  signals sent to a color composite-video monitor. Notice that these signals include not only
                are on the market and should be avoided.) Hard disk magnetic memory can have access times as                   video, but also include sync pulses, sync pedestals, and a color burst. Notice that no audio
                little as 11 ms. A CD-ROM stores 660M bytes of data, or a combination of data and musical pas-                 signal is illustrated because one often does not exist. Rather than include audio with the com-
                sages. As systems develop and become more visually active, the use of the CD-ROM drive will                    posite video signal, audio is developed in the computer and output from a speaker inside the
                become even more common.                                                                                       computer cabinet. It can also be developed by a sound system and output in stereo to external
                        The WORM drive sees far more commercial application than the CD-ROM. The problem                       speakers. The major disadvantages of the composite video display are the resolution and color
                is that its application is very specialized due to the nature of the WORM. Because data may be                 limitations. Composite video signals were designed to emulate television video signals so that
                written only once, the main application is in the banking industry, insurance industry, and other              a home television receiver could function as a video monitor.
                massive data storing organizations. The WORM is normally used to form an audit trail of trans-                       Most modern video systems use direct video signals that are generated with separate sync
                 actions that are spooled onto the WORM and retrieved only during an audit. You might call the                 signals. In a direct video system, video information is passed to the monitor through a cable that
                 WORM an archiving device.                                                                                     uses separate lines for video and also synchronization pulses. Recall that these signals were com-
                        Many WORM and read/write optical disk memory systems are interfaced to the micro-                      bined in a composite video signal.
                 processor by using the SCSI or ESDI interface standards used with hard disk memory. The dif-                        A monochrome (one color) monitor uses one wire for video, one for horizontal sync, and
                 ference is that the current optical disk drives are no faster than the most floppy drives. Some CD-           one for vertical sync. Often, these are the only signal wires found. A color video monitor uses three
                 ROM drives are interfaced to the microprocessor through proprietary interfaces that are not com-              video signals. One signal represents red, another green, arid the third blue. These monitors are
                 patible with other disk drives.                                                                               often called RGB monitors for the video primary colors of light: red (R), green (G), and blue (B).
                        The main advantage of the optical disk is its durability. Because a solid state laser beam is
                 used to read the data from the disk, and the focus point is below a protective plastic coating, the
                 surface of the disk may contain small scratches and dirt particles and still be read correctly. This
                                                                                                                               The TTL RGB Monitor
                 feature allows less care of the optical disk than a comparable floppy disk. About the only way to             The RGB monitor is available as either an analog or TTL monitor. The RGB monitor uses TTL
                 destroy data on an optical disk is to break it or deeply scar it.                                             level signals (0 or 5 V) as video inputs and a fourth line called intensity to allow a change in in-
                         The read/write CD-ROM drive is here and its cost is dropping rapidly. In the near future, we          tensity. The RGB video TTL display can display a total of 16 different colors. The TTL RGB
                  should start seeing the read/write CD-ROM replacing floppy disk drives. The main advantage is                monitor is used in the CGA (color graphics adapter) system found in older computer systems.
                  the vast storage available on the read/write CD-ROM. Soon, the format will change so that many                      Table 13-4 lists these 16 colors and also the TTL signals present to generate them. Eight
                  G bytes of data will be available. The new versatile read/write CD-ROM, called a DVD, became                 of the 16 colors are generated at high intensity and the other eight at low intensity. The three
540   CHAPTER 13   DIRECT MEMORY ACCESS AND DMA-CONTROLLED I/O                                                            13-5   VIDEO DISPLAYS                                                                                   541
                        Color burst                                                                        FIGURE 13-35 The 9-pin                 DB9                    Pin                Function
                                                                                                           connector found on a TTL
                                                   Sync pulse                                              monitor.                                                      1                 Ground
                                                                                         . Black level                                                                   2                 Ground
                                                                                                                                                                         3                 Red video
                                                                                                                                                                         4                 Green video
                                                                                                                                                                         5                 Blue video
                                                                                                                                                                         6                 Intensity
                                                                                                                                                                         7                 Normal video
                                                                                                                                                                         8                 Horizontal retrace
                                       Sync pedestal -
                                                                                                                                                                         9                 Vertical retrace

                                      Video line

                                                                                                                          The Analog RGB Monitor
                                                                                                                          In order to display more than 16 colors, an analog video display is required. These are often
      FIGURE 13-34      The composite video signal.                                                                       called analog RGB monitors. Analog RGB monitors still have three video input signals, but
                                                                                                                          don't have the intensity input. Because the video signals are analog signals instead of two-level
                                                                                                                          TTL signals, they are any voltage level between 0.0 V and 0.7 V, which allows an infinite
      video colors are red, green, and blue. These are primary colors of light. The secondary colors are                  number of colors to be displayed. This is because an infinite number of voltage levels between
      cyan, magenta, and yellow. Cyan is a combination of blue and green video signals, and is blue-                      the minimum and maximum could be generated. In practice, a finite number of levels are gener-
      green in color. Magenta is a combination of blue and red video signals, and is a purple color.                      ated. This is usually either 256K, 16M, or 24M colors, depending on the standard.
      Yellow (high-intensity) and brown (low-intensity) are both a combination of red and green video                           Figure 13-36 illustrates the connector used for an analog RGB or analog monochrome
      signals. If additional colors are desired, TTL video is not normally used. A scheme was devel-                      monitor. Notice that the connector has 15 pins and supports both RGB and monochrome analog
      oped by using low and medium color TTL video signals, which provided 32 colors, but it proved                       displays. The way data are displayed on an analog RGB monitor depends upon the interface
      of little application and never found widespread use in the field.                                                  standard used with the monitor. Pin 9 is a key, which means that no hole exists on the female
              Figure 13-35 illustrates the connector most often found on the TTL RGB monitor or a                         connector for this pin.
      TTL monochrome monitor. The connector illustrated is a 9-pin connector. Two of the connec-                                Most analog displays use a digital-to-analog converter (DAC) to generate each color
      tions are used for ground, three for video, two for synchronization or retrace signals, and one                     video voltage. A common standard uses a 6-bit DAC for each video signal to generate 64 dif-
      for intensity. Notice that pin 7 is labeled normal video. This is the pin used on a monochrome                      ferent voltage levels between 0 V and 0.7 V. There are 64 different red video levels, 64 different
      monitor for the luminance or brightness signal. Monochrome TTL monitors use the same 9-pin                          green video levels, and 64 different blue video levels. This allows 64 x 64 x 64, or 262,144
      connector as RGB TTL monitors.                                                                                      (256K) colors to be displayed.


                                                                                                                                         DB15
       TABLE 13-4 16 colors                                                                   Color
                                                                                                                                                               Pin           Function
                                         Intensity              Red   Green   Blue
       found in the CGA display.
                                                                                                                                                               1             Red video
                                              0                 0      0       0        Black                                                                  2             Green video (monochrome video)
                                              0                 0      0       1        Blue                                                                   3             Blue video
                                              0                 0      1       0        Green                                                                  4             Ground
                                              0                 0      1       1        Cyan
                                                                                                                                                               5             Ground
                                              0                 1      0       0        Red
                                                                                                                                                               6             Red ground
                                              0                 1      0       1        Magenta
                                                                                                                                                               7         Green ground (monochrome ground)
                                              0                 1      1       0        Brown
                                              0                 1      1       1        White                                                                  8             Blue ground

                                              1                 0      0       0        Gray                                                                   9          Blocked as a key
                                              1                 0      0       1        Bright Blue                                                           10             Ground
                                              1                 0       1      0        Bright Green                                                          11             Color detect (ground on a color monitor)
                                              1                 0       1      1        Bright Cyan                                                           12             Monochrome detect (ground on a monochrome monitor)
                                              1                  1      0      0        Bright Red                                                            13             Horizontal retrace
                                              1                  1      0      1        Bright Magenta                                                        14             Vertical retrace
                                              1                  1      1      0        Yellow                                                                15             Ground
                                               1                 1      1      1        Bright White
                                                                                                                          FIGURE 13-36 The 15-pin connector found on an analog monitor.
542   CHAPTER 13   DIRECT MEMORY ACCESS AND DMA-CONTROLLED I/O
                                                                                                                                   13-5   VIDEO DISPLAYS                                                                                                               543
             Other arrangements are possible, but the speed of the DAC is critical. Most modern dis-
      plays require an operating conversion time of 25 ns to 40 ns maximum. When converter tech-                                                                     /    4    DO    QO             1Y1          1A1
                                                                                                                                                                               D1    Q1
                                                                                                                                                                                          tR      •Y^^TF
                                                                                                                                                                                                    1Y2          1A2

                                                                                                                                                                     3
                                                                                                                                                                                                  /   ^~
                                                                                                                                                                                                                        6   '
      nology advances, additional resolution at a reasonable price will become available. If 7-bit                                                                             D2
                                                                                                                                                                               D3
                                                                                                                                                                                     Q2
                                                                                                                                                                                     Q3
                                                                                                                                                                                                    1Y3
                                                                                                                                                                                                    1Y4
                                                                                                                                                                                                                 1A3
                                                                                                                                                                                                                 1A4   in;
      converters are used for generating video, 128 x 128 x 128, or 2,097,152 (2M) colors are dis-
      played. In this system, a 21-bit color code is needed so that a 7-bit code is applied to each DAC.
                                                                                                                                                                     /~^_
                                                                                                                                                                         nn
                                                                                                                                                                               D4
                                                                                                                                                                               D5
                                                                                                                                                                               D6
                                                                                                                                                                               D7
                                                                                                                                                                                     04
                                                                                                                                                                                     Q5
                                                                                                                                                                                     Q6   I
                                                                                                                                                                                     Q7 _L9_
                                                                                                                                                                                                  ^ 2Y1
                                                                                                                                                                                                    2Y2
                                                                                                                                                                                                    2Y3
                                                                                                                                                                                                  ^2Y4
                                                                                                                                                                                                                 2A1
                                                                                                                                                                                                                 2A2
                                                                                                                                                                                                                 2A3
                                                                                                                                                                                                                 2A4
      8-bit converters also find applications and allow 256 x 256 x 256, or 16,777,216 (16M) colors.                                                                           OC                                 1G
                                                                                                                                                                                                                       ?f?r~
                                                                                                                                                                              >CLK
             Figure 13-37 illustrates the video generation circuit employed in many common video stan-                                                                        74F374                        74F244
      dards such as the short-lived EGA (enhanced graphics adapter) and VGA (variable graphics


                                                                                                                                                                    n
                                                                                                                                                                              U2                           U5
      array), as used with an IBM PC. This circuit is used to generate VGA video. Notice that each                                                                            DO
                                                                                                                                                                              D1
                                                                                                                                                                                     QO
                                                                                                                                                                                     Q1      /-& 1Y1
                                                                                                                                                                                                 1Y2
                                                                                                                                                                                                                 1A1
                                                                                                                                                                                                                 1A2 4
      color is generated with an 18-bit digital code. Six of the 18 bits are used to generate each video                                                                      D2     Q2
                                                                                                                                                                                          1 £¥
                                                                                                                                                                                           R     1Y3             1A3

      color voltage when applied to the inputs of a 6-bit DAC.
                                                                                                                                                                              D3
                                                                                                                                                                              D4
                                                                                                                                                                              D5
                                                                                                                                                                                     Q3
                                                                                                                                                                                     Q4
                                                                                                                                                                                     Q5
                                                                                                                                                                                          IR ^
                                                                                                                                                                                     Q6 3EZ
                                                                                                                                                                                                 1Y4
                                                                                                                                                                                                 2Y1
                                                                                                                                                                                                 2Y2
                                                                                                                                                                                                                 1A4
                                                                                                                                                                                                                 2A1
                                                                                                                                                                                                                 2A2
             A high-speed palette SRAM (access time of less than 40 ns) is used to store 256 different                                                              4         D6
                                                                                                                                                                              D7     Q7 19__      ^3
                                                                                                                                                                                                 2Y3
                                                                                                                                                                                                 2Y4
                                                                                                                                                                                                                 2A3
                                                                                                                                                                                                                 2A4 17~
       18-bit codes that represent 256 different hues. This 18-bit code is applied to the digital-to-                                                               -^         OC
                                                                                                                                                                              >CLK
                                                                                                                                                                                                                 1G
                                                                                                                                                                                                                 2G    fc
      analog converters. The address input to the SRAM selects one of the 256 colors stored as 18-bit                                                                         74F374                       74F244

      binary codes. This system allows 256 colors out of a possible 256K colors to be displayed at                                                                            U3                           U6
      one time. In order to select any of 256 colors, an 8-bit code that is stored in the computer's
      video display RAM is used to specify the color of a picture element. If more colors are used in
      a system, the code must be wider. For example, a system that displays 1024 colors out of 256K                                              [X5-D5             n
                                                                                                                                                                    s-$r      DO
                                                                                                                                                                              D1
                                                                                                                                                                              D2
                                                                                                                                                                              D3
                                                                                                                                                                              D4
                                                                                                                                                                                     QO
                                                                                                                                                                                     Q1
                                                                                                                                                                                     Q2
                                                                                                                                                                                     Q3
                                                                                                                                                                                     Q4
                                                                                                                                                                                          ^
                                                                                                                                                                                        ~S~^
                                                                                                                                                                                          }R
                                                                                                                                                                                             n             1Y1 1A1
                                                                                                                                                                                                           1Y2 1A2
                                                                                                                                                                                                           1Y3 1A3
                                                                                                                                                                                                           1 Y4 1 A4
                                                                                                                                                                                                           2Y1 2A1 13 |
                                                                                                                                                                                                                       =P

                                                                                                                                                                    •^i       D5     Q5 Tfi —    ^^
                                                                                                                                                                                                   nr
                                                                                                                                                                                                           2Y2 2A2



                                                                                                                                                                         n1
      colors requires a 10-bit code to address the SRAM that contains 1024 locations, each con-                                                                               D7 Q7 19_                    2Y4   2A4   JH
      taining an 18-bit color code. Some newer systems use a larger palette SRAM to store up to 64K                                                                           >CLK
                                                                                                                                                                                                                    D1
                                                                                                                                                                                                                 2G 3i——
      of different color codes.                                                                                                                                               74F374                       74F244

             The Apple Macintosh-IIci uses a 24-bit binary code to specify each color in its color video
                                                                                                                                                                                                                                                  U7
      adapter. Each DAC is eight bits wide. This means that each converter can generate 256 different                                                                                                                                                       2
                                                                                                                                                     U10                                                                                 ^± D1       Q1
      video voltage levels. There are 256 x 256 x 256, or 16,777,216 different possible colors. As with                                                                                                                                                     6

                                                                                                                                          ^i
                                                                                                                                                                    AO               DO    _/                                                     D2 Q2
                                                                                                                                                               5    A1                                                                                      9
                                                                                                                                                                                                                                                                 DAC
      the IBM VGA standard, only 256 colors are displayed at a time. The SRAM in the Apple inter-                                                    D2 Q2
                                                                                                                                                               6    A2
                                                                                                                                                                    A3
                                                                                                                                                                                     D2                                                           D4 Q4

      face is 256 x 24 instead of 256 x 18.
                                                                                                                                                     D3 Q3                           D3    _/
                                                                                                                                                                                                                                        ^±        D5 Q5
                                                                                                                                                                                                                                                          it-
                                                                                                                                           14
                                                                                                                                          _n^
                                                                                                                                                              is-
                                                                                                                                                              16
                                                                                                                                                                    A4
                                                                                                                                                                    A5
                                                                                                                                                                    A6
                                                                                                                                                                                            ^                                            18
                                                                                                                                                                                                                                                  D7 Q7   _ia_
             Whenever a color is placed on the video display, provided that RTC is a logic 0, the system                                                                                   —/                                            1




                                                                                                                     1
                                                                                                                       2                         I
                                                                                                                                                D6 Q6
                                                                                                                                          -J2- D7 Q7 19
                                                                                                                                                                                     D6
                                                                                                                                                                                           ~~y                                      . —— 1 ^>CLK
                                                                                                                                                                                                                                          1
      sends the 8-bit code that represents a color to the DO-D7 connections. The PAL 16R8 then gen-                                                                                  D8

      erates a clock pulse for U10, which latches the color code. After 40 ns (one 25 MHz clock), the                 y
                                                                                                                      1
                                                                                                                            JF04

                                                                                                                                                     74F374
                                                                                                                                                                    CS

                                                                                                                                                                    OE
                                                                                                                                                                                     D9
                                                                                                                                                                                     D10
                                                                                                                                                                                     D11
                                                                                                                                                                                     D12
                                                                                                                                                                                                                                                 74F374

                                                                                                                                                                                                                                                 U8
      PAL generates a clock pulse for the DAC latches (U7, U8, and U9). This amount of time is re-                           U12
                                                                                                                                                                    WE               D13   ^                                                      DO    QO
                                                                                                                            11   O1                                                  D14                                                         ID1    Q1
      quired for the palette SRAM to look up the 18-bit contents of the memory location selected by                         12     O2 D-f-                                           D15
                                                                                                                                                                                                                                        g         D2    Q2 9
                                                                                                                                                                                                                                                            6
                                                                                                                            13     O3                                                D16                                                          D3    Q3 12    DAC
      U10. Once the color code (18-bit) is latched into U7-U9, the three DACs convert it to three                                      6                                                                                                          D4    Q4




                                                                                                                      1
                                                                                                                                       5
      video voltages for the monitor. This process is repeated for each 40 ns-wide picture element
      (pixel) that is displayed. The pixel is 40 ns wide because a 25 MHz clock is used in this system.
                                                                                                                            15
                                                                                                                            16
                                                                                                                            17
                                                                                                                            18
                                                                                                                                   05
                                                                                                                                   06
                                                                                                                                   O7
                                                                                                                                   OS
                                                                                                                                      12
                                                                                                                                                                      256)<18
                                                                                                                                                                     Palette RAM                                                          dfc
                                                                                                                                                                                                                                            -|
                                                                                                                                                                                                                                                  D5
                                                                                                                                                                                                                                                  D6
                                                                                                                                                                                                                                                  D7
                                                                                                                                                                                                                                                  OC
                                                                                                                                                                                                                                                        Q5
                                                                                                                                                                                                                                                        Q6
                                                                                                                                                                                                                                                        Q7*
      Higher resolution is attainable if a higher clock frequency is used with the system.
             If the color codes (18-bits) stored in the SRAM must be changed, this is always accom-
                                                                                                                      £     CLK
                                                                                                                            OE
                                                                                                                             16R8
                                                                                                                                                                                                                                                 >CLK
                                                                                                                                                                                                                                                 74F374

                                                                                                                                                                                                                                                 U9
                                                                                                                                                                                                                                            3
      plished during retrace when RTC is a logic 1. This prevents any video noise from disrupting the                                                                                                                                   X^ 4                5
                                                                                                                                                                                                                                        __ 7               6
      image displayed on the monitor.                                                                                                                                                                                                   N^_ 8               9
                                                                                                                                                                                                                                        x^_ 13             12    DAC
             In order to change a color, the systems uses the SO, SI, and S2 inputs of the PAL to select                                                                                                                                 14               15

      Ul, U2, U3, or U10. First, the address of the color to be changed is sent to latch U10, which ad-                                                                                                                                  dfc     D6 06
                                                                                                                                                                                                                                                 D7 Q7    i
                                                                                                                                                                                                                                                          :
      dresses a location in the palette SRAM. Next, each new video color is loaded into Ul, U2, and                                                                                                                                 ——— TT°
      U3. Finally, the PAL generates a write pulse for the WE input to the SRAM to write the new                                                                                                                                -   —            74F374

      color code into the palette SRAM.
             Retrace occurs 70.1 times per second in the vertical direction and 31,500 times per second      FIGURE 13-37        Generation of VGA video signals.
      in the horizontal direction for a 640 x 480 display. During retrace, the video signal voltage sent
      to the display must be 0 V, which causes black to be displayed during the retrace. Retrace itself
      is used to move the electron beam to the upper left-hand corner for vertical retrace and to the left                              The resolution of the display, for example 640 x 480, determines the amount of memory
      margin of the screen for horizontal retrace.                                                                               required for the video interface card. If this resolution is used with a 256-color display (eight bits
             The circuit illustrated causes U4-U6 buffers to be enabled so that they apply 00000 each to                         per pixel), then 640 x 480 bytes of memory (307,200) are required to store all of the pixels for
                                                                                                                                 the display. Higher-resolution displays are possible, but, as you can imagine, even more memory
      the DAC latch for retrace. The DAC latches capture this code and generate 0 V for each video
      color signal to blank the screen. By definition, 0 V is considered to be the black level for video                         is required. A 640 x 480 display has 480 video raster lines and 640 pixels per line. A raster line
                                                                                                                                 is the horizontal line of video information that is displayed on the monitor. A pixel is the smallest
      and 0.7 V is considered to be the full intensity on a video color signal.
                                                                                                                                 subdivision of this horizontal line.
544                CHAPTER 13    DIRECT MEMORY ACCESS AND DMA-CONTROLLED I/O                                                        13-6   SUMMARY                                                                                     545

FIGURE 13-38 A video                                                                                                                rate must be greater than or equal to 50 Hz, or flickering will occur. The vertical rate must not be
screen illustrating the raster                                                                                                      higher than about 75 Hz or problems with the vertical deflection coil may occur. The electron
lines and retrace.                                                                                                                  beam in a monitor is positioned by an electrical magnetic field generated by coils in a yoke that
                                                                                                                                    surrounds the neck of the picture tube. Because the magnetic field is generated by coils, the fre-
                                                                                                                                    quency of the signal applied to the coil is limited.
                                                                                                                                           The horizontal scanning rate is also limited by the physical design of the coils in the yoke.
                                                   Video line '
                                                                                                                                    Because of this, it is normal to find the frequency applied to the horizontal coils within a narrow
                                                 Horizontal retrace '                                                               range. This is usually 30,000 Hz-37,000 Hz or 15,000 Hz-17,000 Hz. Some newer monitors are
                                                                                                                                    called multisync monitors because the deflection coil is taped so that it can be driven with dif-
                                                                                                                                    ferent deflection frequencies. Sometimes, both the vertical and horizontal coils are both taped for
                                                                                                                                    different vertical and horizontal scanning rates.
                                                                                                                                           High-resolution displays use either interlaced or non-interlaced scanning. The non-interlaced
                                                                            Vertical retrace
                                                                                                                                    scanning system is used in all standards except the highest. In the interlaced system, the video image
                                                                                                                                    is displayed by drawing half the image first with all of the odd scanning lines, then the other half is
                                                                                                                                    drawn using the even scanning lines. Obviously, this system is more complex and is only more effi-
                                                                                                                                    cient because the scanning frequencies are reduced by 50 percent in an interlaced system. For ex-
                                                                                                                                    ample, a video system that uses 60 Hz for the vertical scanning frequency and 15,720 Hz for the
                                                                                                                                    horizontal frequency generates 262 (15,720/60) lines of video at the rate of 60 full frames per
                                                                                                                                    second. If the horizontal frequency is changed slightly to 15,750 Hz, 262.5 (15,750/60) lines are
                                                                                                                                    generated, so two full sweeps are required to draw one complete picture of 525 video lines. Notice
                                                                                                                                    how just a slight change in horizontal frequency doubled the number of raster lines.
                            Figure 13-38 illustrates the video display, showing the video lines and retrace. The slant of
                    each video line in this illustration is greatly exaggerated, as is the spacing between lines. This il-
                    lustration shows retrace in both the vertical and horizontal directions. In the case of a VGA dis-
                    play, as described, the vertical retrace occurs exactly 70.1 times per second and the horizontal
                    retrace occurs exactly 31,500 times per second. (The Apple Macintosh-IIci uses a vertical rate of        13-6   SUMMARY
                    66.67 Hz and a horizontal rate of 35 KHz to generate a 640 x 480 color display.)
                            In order to generate 640 pixels across one line, it takes 40 ns x 640, or 25.6 jis. A hori-              1. The HOLD input is used to request a DMA action, and the HLDA output signals that the
                    zontal time of 31,500 Hz allows a horizontal line time of 1/31,500, or 31.746 jis. The difference                   hold is in effect. When a logic 1 is placed on the HOLD input, the microprocessor (1) stops
                    between these two times is the retrace time allowed to the monitor. (The Apple Macintosh Ilci                       executing the program; (2) places its address, data, and control bus at their high-impedance
                    has a horizontal line time of 28.57 |0,s.)                                                                          state; and (3) signals that the hold is in effect by placing a logic 1 on the HLDA pin.
                            Because the vertical retrace repetition rate is 70.1 Hz, the number of lines generated is de-            2. A DMA read operation transfers data from a memory location to an external I/O device. A
                    termined by dividing the vertical time into the horizontal time. In the case of a VGA display (a                    DMA write operation transfers data from an I/O device into the memory. Also available is a
                     640 x 400 display), this is 449.358 lines. Only 400 of these lines are used to display information;                memory-to-memory transfer that allows data to be transferred between two memory loca-
                     the rest are lost during the retrace. Because 49.358 lines are lost during the retrace, the retrace                tions by using DMA techniques.
                     time is 49.358 x 31.766 (is, or 1568 [is. It is during this relatively large amount of time that the            3. The 8237 direct memory access (DMA) controller is a four-channel device that can be ex-
                     color palette SRAM is changed or the display memory system is updated for a new video dis-                         panded to include an additional channel of DMA.
                     play. In the Apple Macintosh Ilci computer (640 x 480), the number of lines generated is 525                    4. Disk memory comes in the form of floppy disk storage that is found as either the 5lfa" mini-
                     lines Of the total number of lines, 45 are lost during vertical retrace.                                           floppy disk or 3!/2" micro-floppy disk. Both disks are found as double-sided, double-density
                             Other display resolutions are 800 x 600 and 1024 x 768. The 800 x 600 SVGA (super
                                                                                                                                        (DSDD), or as high-density (HD) storage devices. The DSDD 5V4" disk stores 360 K bytes
                     VGA) display is ideal for a 14" color monitor, while the 1024 x 768 EVGA or XVGA (extended
                                                                                                                                        of data and the HD 5V4" disk stores 1.2 M bytes of data. The DSDD 3V2" disk stores 720 K
                     VGA) is ideal for a 21" or 25" monitor used in CAD systems. These resolutions sound like just
                                                                                                                                        bytes of data and the HD 3l/2" disk stores 1.44 M bytes of data.
                      another set of numbers, but realize that an average home television receiver has a resolution ap-
                      proximately 400 x 300. The high-resolution display available on computer systems is much                       5. Floppy disk memory data are stored using NRZ (non-return to zero) recording. This method
                      clearer than that available as home television. A resolution of 1024 x 768 approaches that found                  saturates the disk with one polarity of magnetic energy for a logic 1 and the opposite polarity
                      in 35 mm film. The only disadvantage of the video display on a computer screen is the number                      for a logic 0. In either case, the magnetic field never returns to 0. This technique eliminates
                      of colors displayed at a time, but as time passes, this will surely improve. Additional colors allow              the need for a separate erase head.
                      the image to appear more realistically because of subtle shadings that are required for a true                 6. Data are recorded on disks by using either modified frequency modulation (MFM) or run-
                      high-quality, life-like image.                                                                                    length limited (RLL) encoding schemes. The MFM scheme records a data pulse for a logic
                             If a display system operates with a 60 Hz vertical time and a 15,600 Hz horizontal time, the               1, no data or clock for the first logic 0 of a string of zeros, and a clock pulse for the second
                      number of lines generated is 15,600/60, or 260 lines. The number of usable lines in this system is                and subsequent logic 0 in a string of zeros. The RLL scheme encodes data so that 50 percent
                      most likely 240, where 20 are lost during vertical retrace. It is clear that the number of scanning               more information can be packed onto the same disk area. Most modern disk memory sys-
                      lines is adjustable by changing the vertical and horizontal scanning rates. The vertical scanning                 tems use the RLL encoding scheme.
546    CHAPTER 13    DIRECT MEMORY ACCESS AND DMA-CONTROLLED I/O
                                                                                                            13-7    QUESTIONS AND PROBLEMS
                                                                                                                                                                                                         547
        7. Video monitors are either TTL or analog. The TTL monitor uses two discrete voltage levels        27.     What is a WORM?
           of 0 V and 5.0 V. The analog monitor uses an infinite number of voltage levels between           28.     What is a CD-ROM?
           0.0 V and 0.7 V. The analog monitor can display an infinite number of video levels, while
                                                                                                            29.     What is the difference between a TTL monitor and an analog monitor?
           the TTL monitor is limited to two video levels.                                                  30.     What are the three primary colors of light?
        8. The color TTL monitor displays 16 different colors. This is accomplished through three           31.     What are the three secondary colors of light?
           video signals (red, green, and blue) and an intensity input. The analog color monitor can dis-   32.     What is a pixel?
           play an infinite number of colors through its three video inputs. In practice, the most
                                                                                                            33.     A video display with a resolution of 800 x 600 contains __      _ lines of video informa-
           common form of color analog display system (VGA) can display 256K different colors.
                                                                                                                   tion, with each line divided into _____ pixels.
        9. The video standards found today include VGA (640 x 480), SVGA (800 x 600), and EVGA
                                                                                                            34.    Explain how a TTL RGB monitor can display 16 different colors.
           or XVGA (1024 x 768). In all three cases, the video information can be 256 colors out of a
                                                                                                            35.    Explain how an analog RGB monitor can display an infinite number of colors.
           total possible 256K colors.
                                                                                                            36.    If an analog RGB video system uses 7-bit DACs, it can generate ______ different colors.
                                                                                                            37.    Why does standard VGA allow only 256 different colors out of 256K colors to be displayed
                                                                                                                   at one time?
                                                                                                            38.    If a video system uses a vertical frequency of 60 Hz and a horizontal frequency of 32,400
13-7   QUESTIONS AND PROBLEMS                                                                                      Hz, how many raster lines are generated?

        1.   Which microprocessor pins are used to request and acknowledge a DMA transfer?
        2.   Explain what happens whenever a logic 1 is placed on the HOLD input pin.
        3.   A DMA read transfers data from _______ to _______.
        4.   A DMA write transfers data from _______ to _______.
        5.   The DMA controller selects the memory location used for a DMA transfer through what bus
             signals?
        6.   The DMA controller selects the I/O device used during a DMA transfer by which pin?
        7.   What is a memory-to-memory DMA transfer?
        8.   Describe the effect on the microprocessor and DMA controller when the HOLD and HLDA
             pins are at their logic 1 levels.
        9.   Describe the effect on the microprocessor and DMA controller when the HOLD and HLDA
             pins are at their logic 0 levels.
       10.    The 8237 DMA controller is a _____ channel DMA controller.
       11.   If the 8237 DMA controller is decoded at I/O ports 2000H-200FH, what ports are used to
             program channel 1 ?
       12.   Which 8237 DMA controller register is programmed to initialize the controller?
       13.   How many bytes can be transferred by the 8237 DMA controller?
       14.    Write a sequence of instructions that transfer data from memory location 21000H-210FFH
             to 20000H-200FFH by using channel 2 of the 8237 DMA controller. You must initialize the
             8237 and use the latch described in Section 12-1 to hold A19-A16.
       15.   Write a sequence of instructions that transfer data from memory to an external I/O device by
             using channel 3 of the 8237. The memory area to be transferred is at location 20000H-
             20FFFH.
       16.   The 5 l /4" disk is known as a _______- floppy disk.
       17.   The 3V4" disk is known as a               - floppy disk.
       18.   Data are recorded in concentric rings on the surface of a disk known as a ________.
       19.    A track is divided into sections of data called _______.
       20.   On a double-sided disk, the upper and lower tracks together are called a _______.
       21.   Why is NRZ recording used on a disk memory system?
       22.   Draw the timing diagram generated to write a 1001010000 using MFM encoding.
       23.   Draw the timing diagram generated to write a 1001010000 using RLL encoding.
       24.   What is a flying head?
       25.   Why must the heads on a hard disk be parked?
       26.   What is the difference between a voice coil head position mechanism and a stepper motor
             head positioning mechanism?

Dma

  • 1.
    496 CHAPTER 12 INTERRUPTS 11. Explain how a type 0 interrupt occurs. CHAPTER 13 12. Where is the interrupt descriptor table located for protected mode operation? 13. Each protected mode interrupt descriptor contains what information? 14. 15. Describe the differences between a protected and real mode interrupt. Describe the operation of the BOUND instruction. Direct Memory Access 16. 17. Describe the operation of the INTO instruction. What memory locations contain the vector for an INT 44H instruction? and DMA-Controlled I/O 18. Explain the operation of the IRET instruction. 19. What is the purpose of interrupt vector type number 7? 20. List the events that occur when an interrupt becomes active. 21. Explain the purpose of the interrupt flag (IF). 22. Explain the purpose of the trap flag (TF). 23. How is IF cleared and set? 24. How is TF cleared and set? 25. The NMI interrupt input automatically vectors through which vector type number? 26. Does the INTA signal activate for the NMI pin? 27. The INTR input is _______ -sensitive. INTRODUCTION 28. The NMI input is _______ -sensitive. 29. When the INTA signal becomes a logic 0, it indicates that the microprocessor is waiting for In previous chapters, we discussed basic and interrupt-processed I/O. Now we turn to the final an interrupt __________ number to be placed on the data bus (DO-D7). form of I/O called direct memory access (DMA). The DMA I/O technique provides direct ac- 30. What is a FIFO? cess to the memory while the microprocessor is temporarily disabled. This allows data to be 31. Develop a circuit that places interrupt type number 86H on the data bus in response to the transferred between memory and the I/O device at a rate that is limited only by the speed of the INTR input. memory components in the system or the DMA controller. The DMA transfer speed can ap- 32. Develop a circuit that places interrupt type number CCH on the data bus in response to the proach 32-40 M-byte transfer rates with today's high-speed RAM memory components. INTR input. DMA transfers are used for many purposes, but more common are DRAM refresh, video 33. Explain why pull-up resistors on DO-D7 cause the microprocessor to respond with interrupt displays for refreshing the screen, and disk memory system reads and writes. The DMA vector type number FFH for the INTA pulse. transfer is also used to do high-speed memory-to-memory transfers. 34. What is a daisy-chain? This chapter also explains the operation of disk memory systems and video systems that 35. Why must interrupting devices be polled in a daisy-chained interrupt system? are often DMA-processed. Disk memory includes floppy, fixed, and optical disk storage. Video 36. Whatisthe8259A? systems include digital and analog monitors. 37. How many 8259As are required to have 64 interrupt inputs? 38. What is the purpose of the IRO-IR7 pins on the 8259A? 39. When are the CAS2-CASO pins used on the 8259A? CHAPTER OBJECTIVES 40. Where is a slave INT pin connected on the master 8259A in a cascaded system? 41. WhatisanlCW? Upon completion of this chapter, you will be able to: 42. What is an OCW? 1. Describe a DMA transfer. 43. How many ICWs are needed to program the 8259A when operated as a single master in a 2. Explain the operation of the HOED and HEDA direct memory access control signals. system? 3. Explain the function of the 8237 DMA controller when used for DMA transfers. 44. Where is the vector type number stored in the 8259A? 4. Program the 8237 to accomplish DMA transfers. 45. Where is the sensitivity of the IR pins programmed in the 8259A? 5. Describe the disk standards found in personal computer systems. 46. What is the purpose of ICW1? 6. Describe the various video interface standards that are found in the personal computer. 47. What is a non-specific EOI? 48. Explain priority rotation in the 8259A. 49. What is the purpose of IRR in the 8259A? 50. At which I/O ports is the master 8259A PIC found in the personal computer? 51. At which I/O ports is the slave 8259A found in the personal computer? 13-1 BASIC DMA OPERATION Two control signals are used to request and acknowledge a direct memory access (DMA) transfer in the microprocessor-based system. The HOED pin is an input that is used to request a DMA action and the HEDA pin is an output that acknowledges the DMA action. Figure 13-1 shows the timing that is typically found on these two DMA control pins. 497
  • 2.
    498 CHAPTER 13 DIRECT MEMORY ACCESS AND DMA-CONTROLLED I/O 13-2 THE 8237 DMA CONTROLLER 499 FIGURE 13-1 HOLD and orT. FIGURE 13-2 A circuit that Vcc HLDA timing for the micro- generates system control sig- CLK processor. nals in a DMA environment. 10K HOLD 2 1A 4 IPlRP , 3 1B 1Y HLDA W/R l[02 5 2A 2Y 7 IOWC 6 2B V^ , 11 3A 9 MRpr1- 74F04 10 3B 3Y 14 4A 4Y 1 ~ MWTC Whenever the HOLD input is placed at a logic 1 level, a DMA action (hold) is re- 13 4B quested. The microprocessor responds, within a few clocks, by suspending the execution of HL DA 15,, the program and by placing its address, data, and control bus at their high-impedance states. G M/iO 1~ A/B The high-impedance state causes the microprocessor to appear as if it has been removed from 74F257 its socket. This state allows external I/O devices or other microprocessors to gain access to the system buses so that memory can be accessed directly. As the timing diagram indicates, HOLD is sampled in the middle of any clocking cycle. Thus, the hold can take effect any time during the operation of any instruction in the micro- processor's instruction set. As soon as the microprocessor recognizes the hold, it stops executing 13-2 THE 8237 DMA CONTROLLER software and enters hold cycles. Note that the HOLD input has a higher priority than the INTR or NMI interrupt inputs. Interrupts take effect at the end of an instruction, while a HOLD takes The 8237 DMA controller supplies the memory and I/O with control signals and memory ad- effect in the middle of an instruction. The only microprocessor pin that has a higher priority than dress information during the DMA transfer. The 8237 is actually a special-purpose micro- a HOLD is the RESET pin. Note that the HOLD input may not be active during a RESET or the processor whose job is high-speed data transfer between memory and the I/O. Figure 13-3 reset is not guaranteed. shows the pin-out and block diagram of the 8237 programmable DMA controller. Although this The HLDA signal becomes active to indicate that the microprocessor has indeed placed its device may not appear as a discrete component in modern microprocessor-based systems, it does buses at their high-impedance state, as can be seen in the timing diagram. Note that there are a appear within system controller chip-sets found in most systems. Although not described be- few clock cycles between the time that HOLD changes and until HLDA changes. The HLDA cause of its complexity, the chip set (82357 ISP or integrated system peripheral controller) and output is a signal to the external requesting device that the microprocessor has relinquished con- its integral set of two DMA controllers are programmed exactly as the 8237. The ISP also pro- trol of its memory and I/O space. You could call the HOLD input a DMA request input and the vides a pair of 8259A programmable interrupt controllers for the system. HLDA output a DMA grant signal. The 8237 is a four-channel device that is compatible with the 8086/8088 microprocessors. The 8237 can be expanded to include any number of DMA channel inputs, although four chan- Basic DMA Definitions nels seem to be adequate for many small systems. The 8237 is capable of DMA transfers at rates of up to 1.6M bytes per second. Each channel is capable of addressing a full 64K-byte section of Direct memory accesses normally occur between an I/O device and memory without the use of memory and can transfer up to 64K bytes with a single programming. the microprocessor. A DMA read transfers data from the memory to the I/O device. A DMA write transfers data from an I/O device to memory. In both operations, the memory and I/O are controlled simultaneously, which is why the system contains separate memory and I/O control Pin Definitions signals. This special control bus structure of the microprocessor allows DMA transfers. A DMA CLK The clock input is connected to the system clock signal as long as that read causes both the MRDC and IOWC signals to simultaneously activate, transferring data from signal is 5 MHz or less. In the 8086/8088 system, the clock must be the memory to the I/O device. A DMA write causes the MWTC and IORC signals to both acti- inverted for the proper operation of the 8237. vate. These control bus signals are available to all microprocessors in the Intel family except the cs Chip select enables the 8237 for programming. The CS pin is normally 8086/8088 system. The 8086/8088 require their generation with either a system controller or a connected to the output of a decoder. The decoder does not use the circuit such as the one illustrated in Figure 13-2. The DM A controller provides the memory with 8086/8088 control signal IO/M (M/IO) because it contains the new its address and a signal from the controller (DACK) selects the I/O device during the DMA memory and I/O control signals (MEMR, MEMW, IOR, and IOW). transfer. The data transfer speed is determined by the speed of the memory device or a DMA con- RESET The reset pin clears the command, status, request, and temporary troller that often controls DMA transfers. If the memory speed is 100 ns, DMA transfers occur at registers. It also clears the first/last flip-flop and sets the mask register. rates of up to 1/100 ns or 10 M-bytes per second. If the DMA controller in a system functions at This input primes the 8237 so it is disabled until programmed a maximum rate of 5 MHz and we still use 100 ns memory, the maximum transfer rate is 5 MHz otherwise. because the DMA controller is slower than the memory. In many cases, the DMA controller READY A logic 0 on the ready input causes the 8237 to enter wait states for slows the speed of the system when DMA transfers occur. slower memory and/or I/O components.
  • 3.
    CHAPTER 13 DIRECT MEMORY ACCESS AND DMA-CONTROLLED I/O 13-2 THE 8237 DMA CONTROLLER 501 500 ADSTB Address strobe functions as ALE, except that it is used by the DMA controller to latch address bits A15-A8 during the DMA transfer. MEMR Memory read is an output that causes memory to read data during a DMA read cycle. MEMW Memory write is an output that causes memory to write data during a DMA write cycle. Internal Registers CAR The current address register is used to hold the 16-bit memory address used for the DMA transfer. Each channel has its own current address register for this purpose. When a byte of data is transferred during a DMA operation, the CAR is either incremented or decremented, depending on how it is programmed. CWCR The current word count register programs a channel for the number of bytes (up to 64K) transferred during a DMA action. The number loaded into this register is one less than the number of bytes transferred. FIGURE 13-3 The 8237A-5 programmable DMA controller, (a) Block diagram, and (b) pin-out. For example, if a 10 is loaded into the CWCR, then 11 bytes are (Courtesy of Intel Corporation.) transferred during the DMA action. BA and BWC The base address (BA) and base word count (BWC) registers are used HLDA A hold acknowledge signals the 8237 that the microprocessor has when auto-initialization is selected for a channel. In the auto- relinquished control of the address, data, and control buses. initialization mode, these registers are used to reload both the CAR and CWCR after the DMA action is completed. This allows the same count DREQ3-DREQO The DMA request inputs are used to request a DMA transfer for each and address to be used to transfer data from the same memory area. of the four DMA channels. Because the polarity of these inputs is programmable, they are either active-high or active-low inputs. CR The command register programs the operation of the 8237 DMA controller. Figure 13-4 depicts the function of the command register. DB7-DBO The data bus pins are connected to the microprocessor data bus connections and are used during the programming of the DMA The command register uses bit position 0 to select the memory-to- memory DMA transfer mode. Memory-to-memory DMA transfers use controller. DMA channel 0 to hold the source address and DMA channel 1 to hold the IOR I/O read is a bi-directional pin used during programming and during a destination address. (This is similar to the operation of a MOVSB instruc- DMA write cycle. tion.) A byte is read from the address accessed by channel 0 and saved IOW I/O write is a bi-directional pin used during programming and during a DMA read cycle. FIGURE 13-4 8237 A-5 7 6 5 4 3 2 1 (H -Bit Number EOF End-of-process is a bi-directional signal that is used as an input to terminate a DMA process or as an output to signal the end of the DMA command register. (Courtesy i.i.u.i.iTTi transfer. This input is often used to interrupt a DMA transfer at the end of a DMA cycle. of Intel Corporation.) k o Memory-to memory disable 1 Memory-to-memory enable ' 0 Channel 0 address hold disable A3-AO These address pins select an internal register during programming and also provide part of the DMA transfer address during a DMA action. .X Ifbit0 = 0 ___ T 0 Controller enable A7-A4 These address pins are outputs that provide part of the DMA transfer L1 Controller disable address during a DMA action. '0 Normal timing HRQ Hold request is an output that connects to the HOLD input of the .X If bit 0 = 1 microprocessor in order to request a DMA transfer. F 0 Fixed priority DACK3-DACKO DMA channel acknowledge outputs acknowledge a channel DMA L 1 Rotating priority request. These outputs are programmable as either active-high or active- I" 0 Late write selection low signals. The DACK outputs are often used to select the DMA LX If bit 3 = 1 controlled I/O device during the DMA transfer. T0 DREQ sense active hiah AEN The address enable signal enables the DMA address latch connected to L1 DREQ sense active low the DB7-DBO pins on the 8237. It is also used to disable any buffers in f0 DACK sense active low the system connected to the microprocessor. L1 DACK sense active high
  • 4.
    13-2 THE 8237 DMA CONTROLLER 503 502 CHAPTER 13 DIRECT MEMORY ACCESS AND DMA-CONTROLLED I/O within the 8237 in a temporary holding register. Next, the 8237 initiates FIGURE 13-6 8237A-5 re- 5 4 3 2 1 0 ^ -Bit Number quest register. (Courtesy of a memory write cycle, in which the contents of the temporary holding Intel Corporation.) register are written into the address selected by DMA channel 1. The 00 Select channel 0 number of bytes transferred is determined by the channel 1 count register. 01 Select channel 1 10 Select channel 2 The channel 0 address hold enable bit (bit position 1) programs 11 Select channel 3 channel 0 for memory-to-memory transfers. For example, if you must 0 Reset request bit fill an area of memory with data, channel 0 can be held at the same 1 Set request bit address while channel 1 changes for memory-to-memory transfer. This copies the contents of the address accessed by channel 0 into a block of EOF is input or until the DREQ input becomes inactive. Single mode memory accessed by channel 1. releases the HOLD after each byte of data is transferred. If the DREQ The controller enable/disable bit (bit position 2) turns the entire pin is held active, the 8237 again requests a DMA transfer through the controller on and off. The normal and compressed bit (bit position 3) DRQ line to the microprocessor's HOED input. Block mode automati- determine whether a DMA cycle contains 2 (compressed) or 4 (normal) cally transfers the number of bytes indicated by the count register for clocking periods. Bit position 5 is used in normal timing to extend the the channel. DREQ need not be held active through the block mode write pulse so it appears one clock earlier in the timing for I/O devices transfer. Cascade mode is used when more than one 8237 is present that require a wider write pulse. in a system. Bit position 4 selects priority for the four DMA channel DREQ RR The request register is used to request a DMA transfer via software inputs. In the fixed priority scheme, channel 0 has the highest priority and channel 3 has the lowest. In the rotating priority scheme, the most (see Figure 13-6). This is very useful in memory-to-memory transfers, where an external signal is not available to begin the DMA transfer. recently serviced channel assumes the lowest priority. For example, if channel 2 just had access to a DMA transfer, it assumes the lowest MRSR The mask register set/reset sets or clears the channel mask, as priority and channel 3 assumes the highest priority position. Rotating illustrated in Figure 13-7. If the mask is set, the channel is disabled. priority is an attempt to give all channels equal priority. Recall that the RESET signal sets all channel masks to disable them. The remaining two bits (bit positions 6 and 7) program the polarities MSR The mask register (see Figure 13-8) clears or sets all of the masks with of the DREQ inputs and the DACK outputs. one command instead of individual channels, as with the MRSR. MR The mode register programs the mode of operation for a channel. SR The status register shows the status of each DMA channel (see Note that each channel has its own mode register (see Figure 13-5), Figure 13-9). The TC bits indicate whether the channel has reached its as selected by bit positions 1 and 0. The remaining bits of the mode terminal count (transferred all its bytes). Whenever the terminal count register select the operation, auto-initialization, increment/decrement, is reached, the DMA transfer is terminated for most modes of operation. and mode for the channel. Verification operations generate the DMA The request bits indicate whether the DREQ input for a given channel addresses without generating the DMA memory and I/O control signals. is active. The modes of operation include demand mode, single mode, block mode, and cascade mode. Demand mode transfers data until an external FIGURE 13-7 8237A-5 7 6 5 4 3 2 1 0-* -Bit Number mask register set/reset I I I I I I I I I mode. (Courtesy of Intel [ 7 6 5 4 3 2 1 CH -Bit Number Don't Care 00 Select channel 0 mask bit FIGURE 13-5 8237A-5 Corporation.) mode register (Courtesy of Intel Corporation). en———— 01 10 11 Select channel 1 mask bit Select channel 2 mask bit Select channel 3 mask bit 00 Channel 0 select 01 Channel 1 select "0 Clear mask bit 10 Channel 2 select . 1 Set mask bit 11 Channel 3 select [" 00 Verify transfer 01 Write transfer FIGURE 13-8 8237A-5 7 6 5 4 3 2 1 0 * - -Bit Number 10 Read transfer mask register. (Courtesy of II I I I I I I I 11 Illegal LXX If bits 6 and 7 = 11 0 Autoinitialization disable Intel Corporation.) Don't Care k 0 Clear channel 0 mask bit 1 Set channel 0 mask bit 1 Autoinitialization enable 0 Address increment select 4 0 Clear channel 1 mask bit 1 Set channel 1 mask bit 00 01 1 Address decrement select Demand mode select Single mode select -tr 0 Clear channel 2 mask bit 1 Set channel 2 mask bit 0 Clear channel 3 mask bit 10 Block mode select 11 Cascade mode select 1 Set channel 3 mask bit
  • 5.
    504 CHAPTER 13 DIRECT MEMORY ACCESS AND DMA-CONTROLLED I/O 13-2 THE 8237 DMA CONTROLLER 505 FIGURE 13-9 8237A-5 7 6 5 4 3 2 1 -Bit Number Signals status register. (Courtesy of 1 1 1 1 1 1 1 1 CS IOR IOW A3 A2 A1 AO Internal Flip-Flop L/atcl DllS UDU-UD/ Intel Corporation.) ' — 1 Channel 0 has reached TC 0 Base and Current Address Write 0 1 0 0 0 0 0 0 AO-A7 1 ' ——— 1 Channel 1 has reached TC 0 1 0 0 0 0 0 1 A8-A15 ———— 1 Channel 2 has reached TC Current Address Read 0 0 1 0 0 0 0 0 AO-A7 0 0 1 0 0 0 0 1 A8-A15 Base and Current Word Count Write 0 1 0 0 0 0 1 0 WO-W7 0 1 0 0 0 0 1 1 W8-W15 Current Word Count Read 0 0 1 0 0 0 1 0 WO-W7 ' ————————————— 1 Channel 3 reauest 0 0 1 0 0 0 1 1 W8-W15 1 Base and Current Address Write 0 1 0 0 0 1 0 0 AO-A7 0 1 0 0 0 1 0 1 A8-A15 Current Address Read 0 0 1 0 0 1 0 0 AO-A7 Software Command 0 0 1 0 0 1 0 1 A8-A15 Base and Current Word Count Write 0 1 0 0 0 1 1 0 WO-W7 Three software commands are used to control the operation of the 8237. These commands do not 0 1 0 0 0 1 1 1 W8-W15 have a binary bit pattern, as do the various control registers within the 8237. A simple output to Current Word Count Read 0 0 1 0 0 1 1 0 WO-W7 the correct port number enables the software command. Figure 13-10 shows the I/O port assign- 0 0 1 0 0 1 1 1 W8-W15 2 Base and Current Address Write 0 1 0 0 1 0 0 0 AO-A7 ments that access all registers and the software commands. 0 1 0 0 1 0 0 1 A8-A15 The function of the software commands are explained in the following list: Current Address Read 0 0 1 0 1 0 0 0 AO-A7 0 0 1 0 1 0 0 1 A8-A15 1. Clear the first/last flip-flop—Clears the first/last (F/L) flip-flop within the 8237. The F/L Base and Current Word Count Write 0 1 0 0 1 0 1 0 WO-W7 flip-flop selects which byte (low or high order) is read/written in the current address and cur- 0 1 0 0 1 0 1 1 W8-W15 rent count registers. If F/L = 0, the low order byte is selected; if F/L = 1, the high order byte Current Word Count Read 0 0 1 0 1 0 1 0 WO-W7 is selected. Any read or write to the address or count register automatically toggles the F/L 0 0 1 0 1 0 1 1 W8-W15 flip-flop. 3 Base and Current Address Write 0 1 0 0 1 1 0 0 AO-A7 0 1 0 0 1 1 0 1 A8-A15 2. Master clear—Acts exactly the same as the RESET signal to the 8237. As with the RESET Current Address Read 0 0 1 0 1 1 0 0 AO-A7 signal, this command disables all channels. 0 0 1 0 1 1 0 1 A8-A15 3. Clear mask register—Enables all four DMA channels. Base and Current Word Count Write 0 1 0 0 1 1 1 0 WO-W7 0 1 0 0 1 1 1 1 W8-W15 Programming the Address and Count Registers Current Word Count Read 0 0 1 0 1 1 1 0 1 WO-W7 0 0 1 0 1 1 1 W8-W15 Figure 13-11 illustrates the I/O port locations for programming the count and address registers for each channel. Notice that the state of the F/L flip-flop determines whether the LSB or MSB FIGURE 13-11 8237A-5 DMA channel I/O port addresses. (Courtesy of Intel Corporation.) is programmed. If the state of the F/L flip-flop is unknown, the count and address could be pro- grammed incorrectly. It is also important that the DMA channel be disabled before its address There are four steps required to program the 8237: (1) the F/L flip-flop is cleared using a and count are programmed. clear F/L command, (2) the channel is disabled, (3) the LSB and then MSB of the address are programmed, and (4) the LSB and MSB of the count are programmed. Once these four opera- FIGURE 13-10 8237 A-5 tions are performed, the channel is programmed and ready to use. Additional programming is re- Signals Operation quired to select the mode of operation before the channel is enabled and started. command and control port as- A3 A2 A1 AO IOR IOW signments. (Courtesy of Intel 1 0 0 0 0 1 Read Status Register Corporation.) 1 n 0 0 1 0 Write Command Register The 8237 Connected to the 80X86 Microprocessor 1 0 0 1 0 1 Illegal 1 o 0 1 1 0 Write Request Register Figure 13-12 shows an 80X86-based system that contains the 8237 DMA controller. 1 o 1 0 0 1 Illegal The address enable (AEN) output of the 8237 controls the output pins of the latches and 1 0 1 0 1 0 Write Single Mask Register Bit the outputs of the 74LS257 (E). During normal 80X86 operation (AEN = 0), latches A and C and 1 n 1 1 0 1 Illegal 1 0 1 1 1 0 Write Mode Register the multiplexer (E) provide address bus bits A19-A16 and A7-AO. The multiplexer provides the 1 1 0 0 0 1 Illegal system control signals as long as the 80X86 is in control of the system. During a DMA action 1 1 0 0 1 0 Clear Byte Pointer Flip/Flop (AEN = 1), latches A and C are disabled along with the multiplexer (E). Latches D and B now 1 1 0 1 0 1 Read Temporary Register provide address bits A19-A16 and A15-A8. Address bus bits A7-AO are provided directly by 1 1 0 1 1 0 Master Clear 1 1 1 0 0 1 Illegal the 8237 and contain a part of the DMA transfer address. The control signals MEMR, MEMW, 1 1 1 0 1 0 Clear Mask Register IOR, and IOW are provided by the DMA controller. 1 1 1 1 0 1 Illegal The address strobe output (ADSTB) of the 8237 clocks the address (A15-A8) into latch D 1 1 1 1 1 0 Write All Mask Register Bits during the DMA action so that the entire DMA transfer address becomes available on the address
  • 6.
    o FIGURE 13-12 Complete 8088 minimum mode DMA system.
  • 7.
    508 CHAPTER 13 DIRECT MEMORY ACCESS AND DMA-CONTROLLED I/O 13-2 THE 8237 DMA CONTROLLER 509 TABLE 13-1 DMA page ;Calling parameters: register ports. Channel Port number (A16-A23) Port number (A24-A31) SI = source address ; DI = destination address 0 87H 487 H CX - count 1 83H 483H ES - segment of source and destination 2 81H 481 H = 0010 LATCHB EQU 10H ; latch B 3 82H 482H = 007C CLEAR_F EQU 7CH ;F/L flip flop 4 8FH 48FH = 0070 CHO_A EQU 7 OH ; channel 0 address = 0072 CH1_A EQU 72H ; channel 1 address 5 8BH 48BH = 0073 CH1_C EQU 73H ; channel 1 count 6 89H 489H = 007B MODE EQU 7BH ; mode 7 8AH 48AH = 0078 CMMD EQU 78H ; command = 007F MASKS EQU 7FH ; masks = 0079 REQ EQU 79H ; request register = 0078 STATUS EQU 78H ; status register bus. Address bus bits A19-A16 are provided by latch B, which must be programmed with these four 0000 TRANS PROC FAR USES AX address bits before the controller is enabled for the DMA transfer. The DMA operation of the 8237 is limited to a transfer of not more than 64K bytes within the same 64K-byte section of the memory. 0001 8C CO MOV AX,ES ; program latch B The decoder (F) selects the 8237 for programming and the 4-bit latch (B) for the upper- 0003 8A C4 MOV AL,AH 0005 CO E8 SHR AL, 4 most four address bits. The latch in a PC is called the DMA page register (8-bits) that holds ad- 0008 E6 10 OUT LATCHB , AL dress bits A16-A23 for a DMA transfer. A high page register also exists, but its address is OOOA E6 7C OUT CLEAR_F , AL ;clear F/L flip-flop chip-dependent. The port numbers for the DMA page registers are listed in Table 13-1 (these are OOOC 8C CO MOV AX,ES ; program source address for the Intel ISP). The decoder in this system enables the 8237 for I/O port addresses OOOE Cl EO SHL AX, 4 XX60H-XX7FH, and the I/O latch (B) for ports XXOOH-XX1FH. Notice that the decoder 0011 03 C6 ADD AX, SI ; form source offset output is combined with the IOW signal to generate an active-high clock for the latch (B). 0013 E6 70 OUT CHO_A,AL 0015 8A C4 MOV AL,AH During normal 80X86 operation, the DMA controller and integrated circuits B and D are 0017 E6 70 OUT CHO_A, AL disabled. During a DMA action, integrated circuits A, C, and E are disabled so that the 8237 can 0019 8C CO MOV AX,ES take control of the system through the address, data, and control buses. 001B Cl EO ; program destination address SHL AX, 4 In the personal computer, the two DMA controllers are programmed at I/O ports 001E 03 C7 ADD AX,DI ; f orm destination offset OOOOH-OOOFH for DMA channels 0-3, and at ports OOCOH-OODFH for DMA channels 4-7. 0020 E6 72 OUT CH1_A,AL 0022 8A C4 MOV AL,AH Note that the second controller is programmed at even addresses only, so the channel 4 base and 0024 E6 72 OUT CH1_A,AL current address is programmed at I/O port OOCOH and the channel 4 base and current count is programmed at port OOC2H. The page register, which holds address bits A23-A16 of the DMA 0026 8B Cl MOV AX,CX ; program count 0028 48 DEC- AX address, are located at I/O ports 0087H (CH-0), 0083H (CH-1), 0081H (CH-2), 0082H (CH-3), 0029 E6 73 ; ad just count OUT CH1_C,AL (no channel 4), 008BH (CH-5), 0089H (CH-6) and 008AH (CH-7). The page register functions 002B 8A C4 MOV AL,AH as the address latch described with the examples in this text. 002D E6 73 OUT CH1_C , AL 002F BO 88 MOV AL, 88H ; program mode Memory-to-Memory Transfer with the 8237 0031 E6 7B OUT MODE , AL 0033 BO 85 MOV AL, 85H The memory-to-memory transfer is much more powerful than even the automatically repeated 0035 E6 7B OUT MODE , AL MOVSB instruction. While the repeated MOVSB instruction tables the 8088 4.2 [as per byte, the 0037 BO 01 MOV AL,1 ; enable block transfer 8237 requires only 2.0 |is per byte, which is over twice as fast as a software data transfer. This is 0039 E6 78 OUT CMMD, AL not true if an 80386, 80846, or Pentium/Pentium Pro is in use in the system. 003B BO OE MOV AL,OEH ; unmask channel 0 Sample Memory-to-Memory DMA Transfer, Suppose that the contents of memory locations 10000H- 003D E6 7F OUT MASKS , AL 13FFFH are to be transferred into memory locations 14000H-17FFFH. This is accomplished with 003F BO 04 MOV AL,4 ; start DMA transfer a repeated string move instruction, or, at a much faster rate, with the DMA controller. 0041 E6 79 OUT REQ , AL Example 13-1 illustrates the software required to initialize the 8237 and program latch B in Figure 13-12 for this DMA transfer. This software is written for an embedded application. For it to . REPEAT ;wait until DMA complete 0043 E4 78 IN AL, STATUS function in the PC, you must use the port addresses listed in Table 13-1 for the page registers. .UNTIL AL &1 EXAMPLE 13-1 RET ;A procedure that transfers a block of data using the ENDP ;8237A DMA controller in Figure 13-12. This is a ;memory-to-memory block transfer. Programming the DMA controller requires a few steps, as illustrated in Example 13-1. The leftmost digit of the 5-digit address is sent to latch B. Next, the channels are programmed
  • 8.
    510 CHAPTER 13 DIRECT MEMORY ACCESS AND DMA-CONTROLLED I/O 13-2 THE 8237 DMA CONTROLLER 511 after the F/L flip-flop is cleared. Note that we use channel 0 as the source and channel 1 as the 0013 8C CO MOV AX,ES ; program source address destination for a memory-to-memory transfer. The count is next programmed with a value that is 0015 Cl EO 04 SHL AX, 4 0018 03 C7 ADD AX,DI ; form source offset one less than the number of bytes to be transferred. Next, the mode register of each channel is 001A E6 70 OUT CHO_A,AL programmed, the command register selects a block move, channel 0 is enabled, and a software 001C 8A C4 MOV AL,AH DMA request is initiated. Before return is made from the procedure, the status register is tested 001E E6 70 OUT CHO_A,AL for a terminal count. Recall that the terminal count flag indicates that the DMA transfer is com- 0020 8C CO MOV AX,ES /program destination address pleted. The TC also disables the channel, preventing additional transfers. 0022 Cl EO 04 SHL AX, 4 0025 03 C7 ADD AX,DI ; f orm destination offset Sample Memory Fill Using the 8237. In order to fill an area of memory with the same data, the 0027 48 INC AX channel 0 source register is programmed to point to the same address throughout the transfer. 0028 E6 72 OUT CH1_A,AL 002A 8A C4 MOV AL,AH This is accomplished with the channel 0 hold mode. The controller copies the contents of this 002C E6 72 OUT CH1_A,AL single memory location to an entire block of memory addressed by channel 1. This has many 002E 8B Cl MOV AX,CX ; program count useful applications. 0030 48 DEC AX ; ad just count For example, suppose that a video display must be cleared. This operation can be per- 0031 48 DEC AX formed using the DMA controller with the channel 0 hold mode and a memory-to-memory 0032 E6 73 OUT CH1_C , AL 0034 8A C4 MOV AL,AH transfer. If the video display contains 80 columns and 25 lines, it has 2000 display positions that 0036 E6 73 OUT CH1_C , AL must be set to 20H (an ASCII space) to clear the screen. Example 13-2 shows a procedure that clears an area of memory addressed by ES:DI. The 0038 BO 88 MOV AL,88H ; program mode 003A E6 7B OUT MODE , AL CX register transfers the number of bytes to be cleared to the CLEAR procedure. Notice that this 003C BO 85 MOV AL, 85H procedure is nearly identical to Example 13-1, except that the command register is programmed 003E E6 7B OUT MODE , AL so the channel 0 address is held. The source address is programmed as the same address as 0040 BO 03 MOV AL,3 ,- enable block hold transfer ES:DI, and then the destination is programmed as one location beyond ES:DI. Also note that this 0042 E6 78 OUT CMMD,AL program is designed to function with the hardware in Figure 13-12 and will not function in the 0044 BO OE MOV AL,OEH ; unmask channel 0 personal computer unless you have the same hardware. 0046 E6 7F OUT MASKS , AL EXAMPLE 13-2 0048 BO 04 MOV AL,4 ; start DMA transfer 004A E6 79 OUT REQ , AL A procedure that clears an area of memory using the 8237A DMA controller in Figure 13-12. This is a .REPEAT ;wait until DMA complete memory-to-memory block transfer with a channel 0 hold. 004C E4 78 IN AL , STATUS .UNTIL AL &1 Calling parameters: RET DI = offset address of area cleared ES = segment address of area cleared CX = number of bytes cleared LATCHB EQU 10H latch B DMA-Processed Printer Interface CLEAR_F EQU 7CH F/L flip flop CHO_A EQU 70H channel 0 address Figure 13-13 illustrates the hardware added to Figure 13-12 for a DMA-controlled printer inter- CH1_A EQU 72H channel 1 address face. Little additional circuitry is added for this interface to a Centronics-type parallel printer. The CH1_C EQU 73H channel 1 count latch is used to capture the data as it is sent to the printer during the DMA transfer. The write pulse MODE EQU 7BH mode CMMD EQU 78H command passed through to the latch during the DMA action also generates the data strobe (DS) signal to the MASKS EQU 7FH masks printer through the single-shot. The ACK signal returns from the printer each time it is ready for ad- REQ EQU 79H request register ditional data. In this circuit, ACK is used to request a DMA action through a flip-flop. STATUS EQU 78H status register zero Notice that the I/O device is not selected by decoding the address on the address bus. ZERO EQU OH During the DMA transfer, the address bus contains the memory address and cannot contain the 0000 CLEAR PROC FAR USES AX I/O port address. In place of the I/O port address, the DACK3 output from the 8237 selects the latch by gating the write pulse through an OR gate. 0001 8C CO MOV AX,ES ; program latch B 0003 8A C4 MOV AL,AH Software that controls this interface is simple because only the address of the data and the 0005 CO E8 04 SHR AL,4 number of characters to be printed are programmed. Once programmed, the channel is enabled, 0008 E6 10 OUT LATCHB , AL and the DMA action transfers a byte at a time to the printer interface each time that the interface OOOA E6 7C OUT CLEAR_F,AL ; clear F/L flip-flop receives the ACK single from the printer. The procedure that prints data from the current data segment is illustrated in Exam- OOOC 2E: AO 0000 MOV AL,CS:ZERO ple 13-3. This procedure programs the 8237, but doesn't actually print anything. Printing is ac- 0010 26: 88.05 MOV ES:[DI],AL ; save zero in first complished by the DMA controller and the printer interface.
  • 9.
    512 CHAPTER 13 DIRECT MEMORY ACCESS AND DMA-CONTROLLED I/O 13-3 SHARED-BUS OPERATION 513 0017 E6 76 OUT CH3_A, AL FIGURE 13-13 DMA- 0019 8A C4 MOV AL,AH processed printer interface. 001B E6 76 OUT CH3_A,AL 001D 8B Cl MOV AX,CX ; program count 001F 48 DEC AX ; adjust count 0020 E6 77 OUT CH3_C,AL 0022 8A C4 MOV AL,AH 0024 E6 77 OUT CH3_C,AL ACK 0026 BO OB MOV AL,OBH ; program mode 0028 E6 7B OUT MODE , AL 002A BO 00 MOV AL, 0 ; enable block hold transfer 002C E6 78 OUT CMMD , AL 002E BO 07 MOV AL,7 ;unmask channel 3 0030 E6 7F OUT MASKS , AL RET A secondary procedure is needed to determine whether the DMA action has been com- pleted. Example 13-4 lists the secondary procedure that tests the DMA controller to see whether the DMA transfer is complete. The TEST_P procedure is called before programming the DMA controller to see whether the prior transfer is complete. EXAMPLE 13-4 ;A procedure that tests for a complete DMA action STATUS EQU 78H ;status register TEST_P PROC NEAR USES AX .REPEAT 0001 E4 78 IN AL,STATUS .UNTIL AL &8 EXAMPLE 13-3 RET A procedure that prints data via the printer interface in Figure 13-13. 0009 TEST_P ENDP Calling parameters: BX = offset address of printer data Printed data can be double-buffered by first loading buffer 1 with data to be printed. Next, DS = segment address of printer data the PRINT procedure is called to begin printing buffer 1. Because it takes very little time to pro- CX = number of bytes to print gram the DMA controller, a second buffer (buffer 2) can be filled with new printer data while the = 0010 LATCHB EQU 10H latch B first buffer (buffer 1) is printed by the printer interface and DMA controller. This process is re- = 007C CLEAR_F EQU 7CH F/L flif> flop peated until all data are printed. = 0076 CH3_A EQU 76H channel 0 address = 0077 CH3_C EQU 77H channel 1 count = 007B MODE EQU 7BH mode = 0078 CMMD EQU 78H command = 007F MASKS EQU 7FH masks = 0079 REQ EQU 79H request register 13-3 SHARED-BUS OPERATION 0000 PRINT PROC FAR USES AX CX BX Complex present-day computer systems have so many tasks to perform that some systems are 0003 66| B8 00000000 MOV EAX, 0 using more than one microprocessor to accomplish the work. This is called a multiprocessing 0009 8C D8 MOV AX,DS program latch B EAX, 4 system. We also sometimes call this a distributed system. A system that performs more than one OOOB 66 | Cl E8 04 SHR OOOF 50 PUSH AX task is called a multitasking system. In systems that contain more than one microprocessor, 0010 66| Cl E8 10 SHR EAX , 1 6 some method of control must be developed and employed. In a distributed, multiprocessing, 0014 E6 10 OUT LATCHB , AL multitasking environment, each microprocessor accesses two buses: (1) the local bus and (2) the 0016 58 ;program address remote or shared bus.
  • 10.
    514 CHAPTER 13 DIRECT MEMORY ACCESS AND DMA-CONTROLLED I/O 13-3 SHARED-BUS OPERATION 515 the system's shared bus space. As mentioned, the shared bus in the personal computer is what we often call the local bus in the personal computer because it is local to the microprocessor in the personal computer. Figure 13-15 shows an 8088 microprocessor that is connected as a remote bus master. The term bus master applies to any device (microprocessor or otherwise) that can control a bus containing READY READY (Local) (Shared) FIGURE 13-14 A block diagram illustrating the shared and local buses. This section of the text describes shared bus operation for the 8086 and 8088 microproces- sors using the 8289 bus arbiter. The 80286 uses the 82289 bus arbiter and the 80386/80486 uses the 82389 bus arbiter. The Pentium-Pentium II directly support a multiuser environment, as de- scribed in Chapters 16, 17, and 18. These systems are much more complex and difficult to illus- trate at this point in the text, but their terminology and operation is essentially the same as for the The local bus is connected to memory and I/O devices that are directly accessed by a single microprocessor without any special protocol or access rules. The remote (shared) bus contains memory and I/O that are accessed by any microprocessor in the system. Figure 13-14 illustrates this idea with a few microprocessors. Note that the personal computer is also configured in the same manner as the system in Figure 13-14. The bus master is the main microprocessor in the personal computer. What we call the local bus in the personal computer is the shared bus in this illustration. The ISA bus is operated as a slave to the personal computer's microprocessor as well as any other devices attached to the shared bus. Types of Buses Defined The local bus is the bus that is resident to the microprocessor. The local bus contains the resident or local memory and I/O. All microprocessors studied thus far in this text are considered to be local bus systems. The local memory and local I/O are accessed by the microprocessor that is di- ADDRESS/DATA A rectly connected to them. NT- A shared bus is one that is connected to all microprocessors in the system. The shared bus is used to exchange data between microprocessors in the system. A shared bus may contain memory and I/O devices that are accessed by all microprocessors in the system. Access to the FIGURE 13-15 The 8088 operated in the remote mode, illustrating the local and shared bus shared bus is controlled by some form or arbiter that allows only a single microprocessor to access connections.
  • 11.
    516 CHAPTER 13 DIRECT MEMORY ACCESS AND DMA-CONTROLLED I/O 13-3 SHARED-BUS OPERATION 517 memory and I/O. The 8237 DMA controller presented earlier in the chapter is an example of a FIGURE 13-16 The S2C 1 20 UV C C remote bus master. The DMA controller gained access to the system memory and I/O space to 8289 pin-out and block IOB[ 2 9 3 si cause a data transfer. Likewise, a remote bus master gains access to the shared bus for the same diagram. (Courtesy of Intel SYSB/RESB C 3 8 3 so purpose. The difference is that the remote bus master microprocessor can execute variable soft- Corporation.) RESBC 4 3 CLK 8289 7 ware, whereas the DMA controller can only transfer data. BCLKC 5 BUS 6 3 CocR ARBITEF Access to the shared bus is accomplished by using the HOLD pin on the microprocessor iNffc 6 ' 5 ] CRQLCK BREQ.C 7 4 3 ANYRQST for the DMA controller. Access to the shared bus for the remote bus master is accomplished via BPROC 8 3 3 AEN a bus arbiter, which functions to resolve priority between bus masters and allows only one de- BPRNC 9 2 3 CBRQ vice at a time to access the shared bus. GNDC 10 1 3 BUSY Notice in Figure 13-15 that the 8088 microprocessor has an interface to both a local, resi- dent bus and the shared bus. This configuration allows the 8088 to access local memory and I/O or, through the bus arbiter and buffers, the shared bus. The task assigned to the microprocessor /- -K •*- might be data communications. It may, after collecting a block of data from the communications ARBITRATION v-~y - INIT •4- -BcTR interface, pass those data on to the shared bus and shared memory so that other microprocessors »- BREQ attached to the system can access the data. This allows many microprocessors to share common & MULTIBUS ^_ -BPRN - MULTIBUS™ COMMAND •>• INTERFACE SIGNALS ^ STATE »BPRO data. In the same manner, multiple microprocessors can be assigned various tasks in the system, *" GENERATOR -<- -BUSY *• drastically improving throughput. »• CBRQ LOCK- _f ^ The Bus Arbiter CLK- CRQLCK- >• !»• — *• CONTROL LOCAL RESB- Before Figure 13-15 can be fully understood, the operation of the bus arbiter must be grasped. ANYRQST - &• BUS INTERFACE The 8289 bus arbiter controls the interface of a bus master to a shared bus. Although the 8289 is JOB- !»• not the only bus arbiter, it is designed to function with the 8086/8088 microprocessors, so it is presented here. Each bus master or microprocessor requires an arbiter for the interface to the | GND +5V (b) shared bus, which Intel calls the Multibus and IBM calls the Micro Channel. The shared bus is used only to pass information from one microprocessor to another; oth- erwise, the bus masters function in their own local bus modes by using their own local programs, BPRO The bus priority output is a signal that is used to resolve priority in a memory, and I/O space. Microprocessors connected in this kind of system are often called par- system that contains multiple bus masters. allel or distributed processors because they can execute software and perform tasks in parallel. BREQ The bus request output is used to request access to the shared bus. 8289 Architecture. Figure 13-16 illustrates the pin-out and block diagram of the 8289 bus ar- biter. The left side of the block diagram depicts the connections to the microprocessor. The right BUSY The busy input/output indicates, as an output, that an 8289 has acquired side denotes the 8289 connection to the shared (remote) bus or Multibus. the shared bus. As an input, BUSY is used to detect that another 8289 has The 8289 controls the shared bus by causing the READY input to the microprocessor to acquired the shared bus. become a logic 0 (not ready) if access to the shared bus is denied. The blocking occurs whenever CBRQ The common bus request input/output is used when a lower-priority another microprocessor is accessing the shared bus. As a result, the microprocessor requesting microprocessor is asking for the use of the shared bus. As an output, access is blocked by the logic 0 applied to its READY input. When the READY pin is a logic 0, CBRQ becomes a logic 0 whenever the 8289 requests the shared bus and the microprocessor and its software wait until access to the shared bus is granted by the arbiter. remains low until the 8289 obtains access to the shared bus. In this manner, one microprocessor at a time gains access to the shared bus. No special instruc- The clock input is generated by the 8284A clock generator and provides tions are required for bus arbitration with the 8289 bus arbiter because arbitration is accom- the internal timing source to the 8289. plished strictly by the hardware. The common request lock input prevents the 8289 from surrendering the Pin Definitions shared bus to any of the 8289s in the system. This signal functions in conjunction with the CBRQ pin. AEN The address enable output causes the bus drivers in a system to switch to INIT The initialization input resets the 8289 and is normally connected to the their three-state, high-impedance state. system RESET signal. ANYRQST The any request input is a strapping option that prevents a lower-priority microprocessor from gaining to the shared bus. If tied to a logic 0, normal IOB The I/O bus input selects whether the 8289 operates in a shared-bus arbitration occurs and a lower priority microprocessor can gain access to system (if selected by RESB) with I/O (IOB = 0) or with memory and I/O (IOB = 1). the shared bus if CBRQ is also a logic 0. BCLK The bus clock input synchronizes all shared-bus masters. LOCK The lock input prevents the 8289 from allowing any other microprocessor from gaining access to the shared bus. An 8086/8088 instruction that BPRN The bus priority input allows the 8289 to acquire the shared bus on the contains a LOCK prefix will prevent other microprocessors from accessing next falling edge of the BLCK signal. the shared bus.
  • 12.
    518 CHAPTER 13 DIRECT MEMORY ACCESS AND DMA-CONTROLLED I/O 13-3 SHARED-BUS OPERATION 519 RESB The resident-bus input is a strapping connection that allows the 8289 to This means that the transfer requires 10 seconds. Rather than tie up the bus master for 10 sec- operate in systems that have either a shared-bus or resident-bus system. If onds, microprocessor B patiently performs the data transfer from its own local memory and the RESB is a logic 1, the 8289 is configured as a shared-bus master. If RESB is local communications interface. This frees the bus master for other tasks. The only time the mi- a logic 0, the 8289 is configured as a local-bus master. When configured as a croprocessor B interrupts the bus master is to transfer data between the shared memory and its shared-bus master, access is requested through the SYSB/RESB input pin. local memory system. This data transfer, betweem microporcessor B and the bus master, re- S2, SI, and SO The status inputs initiate shared-bus requests and surrenders. These pins quires only a few hundred microseconds. connect to the 8288 system bus controller status pins. Microprocessor C is used as a print spooler. Its only task is to print data on the printer. SYSB/RESB The system bus/resident bus input selects the shared-bus system when Whenever the bus master requires printed output, it transfers the task to microprocessor C. Mi- placed at a logic 1 or the resident local bus when placed at a logic 0. croprocessor C then accesses the shared memory and captures the data to be printed and stores it in its own local memory. Data are then printed from the local memory, freeing the bus master to General 8289 Operation. As the pin descriptions demonstrate, the 8289 can be operated in three perform other tasks. This allows the system to execute a program with the bus master, transfer basic modes: (1) I/O peripheral bus mode, (2) resident bus mode, and (3) single-bus mode. See data through the communications interface with microprocessor B, and print information on the Table 13-2 for the connections required to operate the 8289 in these modes. In the I/O peripheral printer with microprocessor C. These tasks all execute simultaneously. There is no limit to the bus mode, all devices on the local bus are treated as I/O, including memory, and are accessed by I/I number of microprocessors connected to a system or the number of tasks performed simultane- instructions. All memory references access the shared bus and all I/O access the resident local bus. ously using this technique. The only limit is that introduced by the system design and the de- signer's ingenuity. The resident bus mode allows memory and I/O accesses on both the local and shared buses. Fi- nally, the single-bus mode interfaces a microprocessor to a shared-bus, but the microprocessor has no local memory or local I/O. In many systems, one microprocessor is set up as the shared-bus Priority Logic Using the 8289 master (single-bus mode) to control the shared-bus and become the shared-bus master. The shared- In applications that use the 8289, there is always more than one microprocessor connected 10 a bus master controls the system through shared memory and I/O. Additional microprocessors are shared bus. Because only one can access the shared bus at a time, some method of resolving pri- connected to the shared bus as resident or I/O peripheral bus masters. These additional bus masters ority must be employed. Priority prevents more than one microprocessor from accessing the bus usually perform independent tasks that are reported to the shared-bus master through the shared bus. at a time. There are two methods for resolving priority with the 8289 bus arbiter: the daisy-chain (serial) scheme and the parallel-priority scheme. System Illustrating Single-bus and Resident-bus Connections. Single-bus operation interfaces a microprocessor to a shared bus that contains both I/O and memory resources that are shared by Daisy-Chain Priority. The daisy-chain priority scheme connects the BPRO output to the BPRN other microprocessors. Figure 13-17 illustrates three 8088 microprocessors, each connected to a input of the next-lower priority 8289 and is the least expensive to implement. Figure 13-18 il- shared bus. Two of the three microprocessors operate in the resident-bus mode, while the third lustrates the daisy-chain scheme for connecting several 8289s in a system. Because the BPRN operates in the single-bus mode. Microprocessor A, in Figure 13-17, operates in the single-bus input of the higher priority 8289 is grounded, it gets an immediate acknowledgment whenever its mode and has no local bus. This microprocessor accesses only the shared memory and I/O space. microprocessor requests access to the shared bus. The BPRO output is a logic 0 if the 8289 and Microprocessor A is often referred to as the system bus master because it is responsible for co- its microprocessor are inactive, and a logic 1 if the 8289 and its microprocessor are actively ordinating the main memory and I/O tasks. The remaining two microprocessors (B and C) are using the shared bus. If no requests are active, all BPRN inputs will see a logic 0. As soon as the connected in the resident-bus mode, which allows them access to both the shared bus and their highest-priority 8289s receives a bus acknowledgment, its BPRO output goes high, blocking all own local buses. These resident-bus microprocessors are used to perform tasks that are indepen- lower-priority 8289s from accessing the shared bus. If more than one 8289 receives an acknowl- dent from the system bus master. In fact, the only time that the system bus master is interrupted edgment, more than one 8289 will function at the same time. This scheme is seldom used be- cause two microprocessors can access the shared bus at a time. For this reason, Intel from performing its tasks are when one of the two resident-bus microprocessors needs to transfer recommends that this scheme be limited to no more than three 8289s in a system that uses a bus data between itself and the shared bus. This connection allows all three microprocessors to per- clock of 10 MHz or less. With this frequency bus clock, no conflict occurs and only one micro- form tasks simultaneously, yet data can be shared between microprocessors when needed. processor accesses the shared bus at a time. If more arbiters are connected, Intel suggests that the In Figure 13-17, the bus master (A) allows the user to operate with a video terminal that priority be resolved using the parallel scheme. allows the execution of programs and generally controls the system. Microprocessor B handles all telephone communications and passes this information to the shared memory in blocks. This Parallel Priority means that microprocessor B waits for each character to be transmitted or received and controls the protocol used for the transfers. For example, suppose that a IK byte-block of data are trans- Figure 13-19 illustrates a parallel-priority scheme in which four 8289 bus arbiters are connected mitted across the telephone interface and this occurs at the rate of 100 characters per second. with a parallel circuit. Here, a 74LS148, eight-input priority encoder is used to resolve priority conflicts in parallel. In this example, only four of the inputs are used to resolve priority for the four 8289s. The four unused encoder inputs are pulled up to a logic 1 to disable these unneeded TABLE 13-2 8289 modes inputs to the encoder. Note that this circuit can be expanded to provide priority for up to eight of operation. Mode Pin Connections 8289s with their microprocessors. Single bus IOB = 1 and RESB = 0 The circuit in Figure 13-19 functions as follows. If all 8289 arbiters are idle (no requests Resident bus JOB = 1 and RESB = 1 for the shared bus through the SYSB/RESB input), all BREQ outputs are high and the outputs of I/O bus JOB = 0 and RESB = 0 the 74LS148 are logic Is (A and B are both 1). This means that the highest-priority 8289 will I/O bus and resident bus IOB = 0 and RESB = 1 gain access to the shared bus if it is requested by its microprocessor. On the other hand, if a lower priority request is made, the BREQ output becomes a logic 0. This causes the priority encoder to
  • 13.
    520 CHAPTER 13 DIRECT MEMORY ACCESS AND DMA-CONTROLLED I/O 13-3 SHARED-BUS OPERATION 521 Fl G U R E 13-17 (continued) FIGURE 13-18 Daisy-chain 8289 priority resolver. 0 O ,A A ,A A ,„, — ^ CBRQ BUSY CBRQ BUSY CBRQ BUSY CBRQ 8289 8289 8289 BPRN BPRO BPRN BPRO BPRN BPRO -BPRO FIGURE 13-17 Three 8088 microprocessors that share a common bus system. Microprocessor A is the bus master in control of the shared memory and CRT terminal. Microprocessor B is a bus slave controlling its local telephone interface and memory. Microprocessor C is also a slave that controls a printer, disk memory system, and local memory. bus mode. Because two microprocessors exist, one can print data while the other is used to place a logic 0 on the corresponding BPRN input pin of the 8289, allowing access to the shared process new information in the interim. bus. For example, if the rightmost 8289 places a logic 0 on its BREQ output pin, the priority en- In this interface, the slave microprocessor transfers data to the printer from its local memory coder will have a zero on input 3. This causes the 74LS148 to generate a 00 on its output pins. without intervention from the system bus master. Data are transferred to the local memory of the The 00 causes the 74LS138 to activate the BPRN input of the rightmost 8289, giving it access to slave microprocessor whenever it accesses the shared memory for additional data. the shared bus. This also locks out any other requests because the BUSY signal becomes a logic Single-mode Bus-master Interface. Figure 13-21 illustrates the 8088 bus master, operated in 0. If simultaneous requests occur, they are automatically prioritized by the 74LS148, preventing single mode, interfaced to the shared bus. The shared bus master has access to every memory lo- conflicts no matter how many 8289s are connected in a system. For this reason, this priority cation and I/O device on the shared bus. The BCLK signal is generated by an 8284A clock gen- scheme is desirable. erator used as a 10-MHz oscillator. The 8289 arbiter is operated with no I/O bus, no resident bus, and ANYRQST pulled high Print Spooler and Interface so that the shared bus can be accessed for all memory and I/O transfers. This system uses the Figure 13-20 shows the block diagram of a printer interface and spooler (print queue), which is daisy-chain priority scheme, which means that the BREQ signal is not connected. This interface controlled by an 8088 microprocessor. Here, two microprocessors are placed in a system with allows the slave microprocessor to access shared memory whenever necessary and thus prevents one (the system bus master) operated in single-bus mode and a second operated in the resident- the slave microprocessor from locking the bus for too long.
  • 14.
    522 CHAPTER 13 DIRECT MEMORY ACCESS AND DMA-CONTROLLED I/O 13-3 SHARED-BUS OPERATION 523 FIGURE 13-19 Parallel- priority resolver for the 8289. 3 A A 3 2 2 C C 1 0 '148 1.4 O R 0 4 Priority 4 0 esncode r 5 Ei 5 o ^ 6 r E2 6 7 E -4 — r MK Eg 7 0 FIGURE 13-20 Block dia- gram of two 8088s used to control a printer interface and print spooler. h a Shared 8088 HP AA bus AN e r VV interface Vv d b u s System memory AA Local vV memory JINTR System Printer I/O VV interface FIGURE 13-21 An 8088 connected for the single-bus mode of operation. Resident-bUS Operation Of the Slave 8088. Figure 13-22 illustrates the slave 8088 microprocessor that functions as a print spooler. This microprocessor is connected as a resident-bus master. This il- lustration depicts the resident-local-bus interface as well as the shared-bus interface. In addition to the normal bus signals, this circuit also provides the shared bus with a 2.5 Whenever the slave 8088 microprocessor accesses memory above location 7FFFFH, it MHz PCLK signal for any I/O device. The RDY input is shown, in case system memory and I/O places a logic 1 on the SYS/RESB input to the 8289 and the CEN pin of the shared-bus master's require wait states. 8288. This requests access to the shared bus through the 8289 bus arbiter. If the address is below
  • 15.
    524 CHAPTER 13 DIRECT MEMORY ACCESS AND DMA-CONTROLLED I/O 13-3 SHARED-BUS OPERATION 525 I LU CC
  • 16.
    526 CHAPTER 13 DIRECT MEMORY ACCESS AND DMA-CONTROLLED I/O 13-3 SHARED-BUS OPERATION 527 FIGURE 13-23 Memory Memory map Memory map FIGURE 13-24 Resident BUSY flip-flop maps for the print spooler. FFFFF local bus for the print spooler. (a) Shared-bus master, and (b) bus-slave memory map. Shared bus -3ET f£>~ -c SET c Q CLEAR Vn1 1r ^0 I EPROM 2K x 8 DO Shared —K P 80000 bus IIORC 7FFFF A4 —/ A16 ——— c A 1111111111111 =fl 0 (: OE CE Resident A17 ———— C B 1 local C bus "18 I '1 »J "^N ————— *- DS A 19 ——— c E2 5 6 1 *s (b) E3 3 —— | 74LS244 Buffer K 80000H, the SYS/RESB pin on the 8289 is grounded and a logic 1 is placed on the CEN pin of 1 +5V I? 07 the local bus 8288. This requests access to the resident-local bus for control of the printer and Printer resident-local bus memory. Notice that no attempt is made to access the shared-bus I/O because —— ——— , data / ID 00 the purpose of the slave 8088 is to access the printer interface on its local bus as local I/O. Figure 13-23 shows the memory maps of both the slave 8088 local memory and the shared OE OE memory and the local memory of the 8088 bus master. The bus master has access to all of the shared memory, while the slave can only access locations 80000H-FFFFFH. Transfers to the print spooler are made through the upper half of the shared memory. I CLR 4 The resident-local bus in this system contains EPROM, DRAM, and a printer interface. PI k' The EPROM contains the program that controls the slave 8088, the DRAM contains the data for ACK —— —— » Q D 1 the printer, and the printer interface controls the printer. Figure 13-24 illustrates these three de- vices on the resident-local bus of the slave 8088 microprocessor. The decoder in this illustration selects EPROM for locations OOOOOH-OFFFFH, the printer r- "> ) Al5 DRAM ARRAY for locations 10000H-1FFFFH, and the DRAM for locations 20000H-7FFFFH. This allows the D°7 r A0 Of A l/ spooler to hold up to 384K bytes of data (see Figure 13-25). If the printer can produce 1,000 • DRAMs 1^ -/ lines per minute (high-speed printer), then this represents about three minutes of printing and Do N DO RD about 50—75 printed pages of data. If the system is expanded with a fixed memory system, the WR SELT capacity of the spooler can become almost boundless because of the huge capacity of a modern fixed-disk memory system. For simplicity's sake, this is not added to this example. SEL3 SEL4 The printer is interfaced to the slave microprocessor through a 74LS244 that is operated as SEL5 -c SEL6 a strobed-output interrupting device. Whenever the printer completes printing a character, as sig- naled by the ACK signal, an interrupt is generated, causing the slave microprocessor to retrieve data from the print queue for the printer. This process continues until the queue is empty, when the slave microprocessor disables interrupt requests until new information is placed in the queue FIGURE 13-25 8088 resi- Memory map for printing. dent local bus memory map. Print Spooler Software, The software for the print spooler is fairly straightforward. The entire software listing is provided in sections so that a study can be made of initialization, data transfer, and interrupt-controlled printer service procedures. The only software not illustrated is that - 384K Bytes which are required to program and initialize the system. When the system is initialized, the input and output pointers of the queue are both set up with address 20000H. This condition (equal pointers) indicates that the queue is empty. The segment portion of the pointers contains 2000H and the offset portion contains OOOOH. 20000 Example 13-5 lists the software that transfers data into the print spooler from the shared Printer 10000 bus. In this software, the bus master loads a block of shared memory with printer data, called a 64K Bytes print buffer (BUFFER beginning at location 80002H). Then it signals the slave 8088 that data 00000
  • 17.
    528 CHAPTER 13 DIRECT MEMORY ACCESS AND DMA-CONTROLLED I/O 13-3 SHARED-BUS OPERATION 529 are available through a flip-flop, which acts as an indicator to the slave. This flag flip-flop is set 0014 E8 OOOD ;fill queue by the master whenever printer data are available and cleared by the slave after the slave has re- 0017 FB STI moved the data from the shared memory. One additional piece of information is also placed in 0018 E6 00 OUT 0,AL ;clear FLAG the shared memory for the slave — the length of the block of data. Location 80000H holds a 001A EB E4 JMP TRANS word that indicates the length of the printed block of data. The maximum size of the buffer is 001C TRANS ENDP 64K bytes. ; Data used with FILL EXAMPLE 13-5 001C 0000 IN_PS DW •p ;input pointer 001E 0000 IN_PO •p A procedure found in the master system una i_ ueaua the une DW 0020 0000 OUT_PS DW •p FLAG to determine if the slave is busy. If the slave is not busy, data are transferred to the print buffer 0022 0000 OUT_PO DW •p ;output pointer and the FLAG is set to indicate that data are available for printing. ;Procedure that fills the printer queue. Calling parameters: 0024 FILL PROC NEAR DS:SI = address of printer data 0024 FC CLD ;clear direction CX = number of bytes to print 0025 2E: Al 001C R MOV AX,CS:IN_PS 0029 8E CO MOV ES,AX 0000 LOAD PROC FAR USES ES 002B 2E: 8B 3E 001E R MOV DI,CS:IN_PO ;load input address .REPEAT . REPEAT ;test FLAG 0030 E8 0014 CALL TESTF ;test for full queue 0001 E4 00 IN AL,0 .UNTIL IZERO? ;while full .UNTIL AL==0 0035 A4 MOVSB ;store byte 0036 E8 0024 CALL INCP ;increment pointer 0007 BF 0002 MOV DI , 2 ; off set of buffer 0039 8C CO MOV AX,ES OOOA B8 8000 MOV AX,8000H ; segment of buffer & count 003B 2E: A3 001C R MOV CS:IN_PS,AX OOOD 8E CO MOV ES,AX 003F 2E: 89 3E 001E R MOV CS:IN_PO,DI ; save input pointer OOOF 26: 89 OE 0000 MOV ES:[0],CX ; save count .UNTILCXZ 0014 F3/ A4 REP MOVSB ; save data to buffer 0046 C3 RET 0016 BO FF MOV AL,OFFH 0047 FILL ENDP 0018 E6 00 OUT 0,AL ; set FLAG RET 0047 TESTF PROC NEAR USES DI DS 001C LOAD ENDP 0047 E8 0011 CALL INCP ; increment pointer 004C 8C D8 MOV AX, DS 004E 2E: 3B 06 0020 R CMP AX,CS:OUT_PS Once the slave notices a logic 1 in the flag flip-flop, it begins transferring data from the 0053 75 05 JNE TESTF1 shared memory into its own local memory. The data are stored in the local memory organized as 0055 2E: 3B 3E 0022 R CMP DI,CS:OUT_PO a FIFO (first in, first out), or queue. In this example, the size of the queue is 384K bytes. Ex- 005A TESTF1: RET ample 13-6 lists the software used by the slave to load the queue from the shared memory buffer. In this software, the slave tests the flag flip-flop to see whether the master has filled the buffer in 005D TESTF ENDP the shared memory. If the buffer is filled, the slave microprocessor transfers its contents form the 005D INCP PROC shared memory into its queue. Once the transfer is complete, the slave clears the flag flip-flop so that the master may begin filling the buffer with additional printer data. 005D 47 INC DI .IF DI == 0 0062 8C CO MOV AX,ES EXAMPLE 13-6 0064 05 1000 ADD AX,1000H ;A procedure found in the slave system that tests the .IF AX == 8000H ;FLAG to determine if data are available for printing. 006C B8 2000 MOV AX,2000H ;If data are available, data are transferred into the .ENDIF ;queue for the printer. 006F 8E CO MOV ES,AX .ENDIF 0000 TRANS PROC FAR 0071 C3 RET . REPEAT ;test FLAG 0072 ENDP 0000 E4 00 IN AL , 0 0002 A8 01 TEST AL,1 .UNTIL AL = = 0 ;if not finished Example 13-7 lists the software that prints data from the queue. This software is interrupt driven, and therefore runs as a background program virtually hidden from the software listed in Ex- 0008 B8 8000 MOV AX,8000H ; segment of buffer & count ample 13-6, except for the interrupt enable instruction. Whenever the printer interface, through a OOOB 8E D8 MOV DS , AX MOV CX,DS: [0] ;get count flip-flop, indicates that it is ready to accept additional data, an interrupt occurs calling this interrupt OOOD 8B OE 0000 0011 BE 0002 • MOV SI, 2 ; address buffer service procedure. The procedure extracts data from the queue and sends them to the printer.
  • 18.
    CHAPTER 13 DIRECT MEMORY ACCESS AND DMA-CONTROLLED I/O 13-4 DISK MEMORY SYSTEMS 531 530 The latest optical disk technology is called DVD (digital versatile disk). This section of the EXAMPLE 13-7 chapter provides an introduction to disk memory systems so that they may be used with com- 0072 PRINT PROC FAR USES AX BP DS DI ES puter systems. It also provides details of their operation. CALL TESTE .IF ZERO? ;if empty Floppy Disk Memory 007C 8B EC MOV BP,SP /interrupt off 007E 8B 46 OC MOV AX, [BP+12] The most common and the most basic form of disk memory is the floppy, or flexible disk. This AH, OFDH 0081 80 E4 FD AND MOV [BP+12] ,AX magnetic recording media is available in three sizes: the 8" standard, 5l/4" mini-floppy, and the 0084 89 46 OC .ELSE 3l/2" micro-floppy. Today, the 8" standard version has all but disappeared, giving way to the 0089 B8 1000 MOV AX, 1000H mini- and micro-floppy disks. The 8" disk is too large and difficult to handle and stockpile. To MOV ES,AX 008C 8E CO AL, [DI] solve this problem, industry developed the 5V4" mini-floppy disk. Today, the micro-floppy disk 008E 8A 05 MOV 0090 26: A2 0000 MOV ES:[0],AL ; print data has just about replaced the mini-floppy in newer systems because of its reduced size, ease of 0094 E8 001E CALL INCO storage, and durability. Even so, a few systems are still marketed with both the mini- and micro- . ENDIF floppy disk drives. IRET All disks have several things in common. They are all organized so that data are stored in PRINT ENDP tracks. A track is a concentric ring of data that is stored on a surface of a disk. Figure 12-36 il- lustrates the surface of a 5lk" mini-floppy disk, showing a track that is divided into sectors. A sector is a common subdivision of a track that is designed to hold a reasonable amount of data. In many systems, a sector holds either 512 or 1024 bytes of data. The size of a sector can vary 009D TESTE PROC from 128 bytes to the length of one entire track. 2E: Al 0020 R MOV AX , CS : OUT_PS Notice in Figure 13-26 that there is a hole through the disk that is labeled an index hole. 009D OOA1 8E D8 MOV DS , AX The index hole is designed so that the electronic system that reads the disk can find the begin- 00 A3 2E: 8B 3E 0022 R MOV DI , CS : OUT_PO ning of a track and its first sector (00). Tracks are numbered from track 00, the outermost track, OOA8 2E: 3B 06 001C R CMP AX,CS:IN_PS 75 05 JNE TESTE1 in increasing value toward the center or innermost track. Sectors are often numbered from sector 00 AD OOAF 2E: 3B 3E 001E R CMP DI , CS : IN_PO 00 on the outermost track, to whatever value is required to reach the innermost track and its last OOB4 TESTE1: sector. OOB4 C3 RET 7776 51/4 " Mini-floppy Disk. Today, the 5V4" floppy is probably the most popular disk size used OOB5 TESTE ENDP with older microcomputer systems. Figure 13-27 illustrates this mini-floppy disk. The floppy OOB5 INCO PROC NEAR OOB5 47 INC DI FIGURE 13-26 The format Sector .IF DI == 0 of a 51/4" floppy disk. OOBA 8C D8 MOV AX,DS ODBC 05 1000 ADD AX,1000H .IF AX == 8000H OOC4 B8 2000 MOV AX,2000H . ENDIF OOC7 8E D8 MOV DS , AX OOC9 2E: A3 0020 R MOV CS : OUT_PS , AX . ENDIF OOCD 2E: 89 3E 0022 R MOV CS : OUT_PO , DI OOD2 C3 RET OOD3 INCO ENDP 13-4 DISK MEMORY SYSTEMS Disk memory is used to store long-term data. Many types of disk storage systems are available today and they use magnetic media, except the optical disk memory that stores data on a plastic disk. Optical disk memory is either a CD-ROM (compact disk/read only memory) that is read, but never written, or a WORM (write once/read mostly) that is read most of the time, but can be written once by a laser beam. Also becoming available is optical disk memory that can be read and written many times, but there is still a limitation on the number of write operations allowed.
  • 19.
    532 CHAPTER 13 DIRECT MEMORY ACCESS AND DMA-CONTROLLED I/O 13-4 DISK MEMORY SYSTEMS 533 1 FIGURE 13-27 The 5 /4" mini-floppy disk. Data Write protect notch _ Track Drive hub- FIGURE 13-28 The non-return to zero (NRZ) recording technique - Index hole separate erase head would be required. The mechanical alignment of a separate erase head and a separate read/write head is virtually impossible. The magnetic flux density of the NRZ signal is so intense that it completely saturates (magnetizes) the surface of the disk, erasing all prior data. Head slot It also ensures that information will not be affected by noise because the amplitude of the mag- netic field contains no information. The information is stored in the placement of the changes of the magnetic field. Data are stored in the form of MFM (modified frequency modulation) in modern floppy disk systems. The MFM recording technique stores data in the form illustrated in Figure 13-29. disk is rotated at 300 RPM inside its semi-rigid plastic jacket. The head mechanism in a floppy Notice that each bit time is 2.0 jis wide on a double-density disk. This means that data are disk drive makes physical contact with the surface of the disk, which eventually causes wear and recorded at the rate of 500,000 bits per second. Each 2.0 jus bit time is divided into two parts: one damage to the disk. part is designated to hold a clock pulse and the other holds a data pulse. If a clock pulse is present, Today, most mini-floppy disks are double-sided. This means that data are written on both it is 1 (is wide, as is a data pulse. Clock and data pulses are never present at the same time in one the top and bottom surfaces of the disk. A set of tracks called a cylinder consists of one top and bit period. (Note that high-density disk drives halve these times so that a bit time is 1.0 }is and a one bottom track. Cylinder 00, for example, consists of the outermost top and bottom tracks. clock or data pulse is 0.5 u,s wide. This also doubles the transfer rate to 1 million bits per second.) Floppy disk data are stored in the double-density format, which uses a recording technique If a data pulse is present, the bit time represents a logic 1. If no data or no clock is present, called MFM (modified frequency modulation) to store the information. Double-density, double- the bit time represents a logic 0. If a clock pulse is present with no data pulse, the bit time also sided (DSDD) disks are normally organized with 40 tracks of data on each side of the disk. A represents a logic 0. The rules followed when data are stored using MFM are as follows: double-density disk track is typically divided into nine sectors, with each sector containing 512 1. A data pulse is always stored for a logic 1. bytes of information. This means that the total capacity of a double-density, double-sided disk is 2. No data and no clock is stored for the first logic 0 in a string of logic Os. 40 tracks per side x 2 sides x 9 sectors per track x 512 bytes per sector, or 368,640 (360K) bytes 3. The second and subsequent logic Os in a row contain a clock pulse, but no data pulse. of information. Earlier disk memory systems used single-density and FM (frequency modulation) to store The reason that a clock is inserted as the second and subsequent zero in a row is to main- information in 40 tracks on one or two sides of the disk. Each of the eight or nine sectors on the tain synchronization as data are read from the disk. The electronics used to recapture the data single-density disk stored 256 bytes of data. This meant that a single-density disk stored 90K from the disk drive use a phase-locked loop to generate a clock and a data window. The phase- locked loop needs a clock or data to maintain synchronized operation. bytes of data per side. A single-density, double-sided disk stored 180K bytes of data. Also common today are high-density (HD) mini-floppy disks. A high-density mini-floppy The 31/2" Micro-floppy disk. Another very popular disk size is the 3V2" micro-floppy disk. Re- disk contains 80 tracks of information per side, with eight sectors per track. Each sector contains cently, this size floppy disk has begun to sell very well and is the dominant floppy disk size. The 1024 bytes of information. This gives the 5l/4" high-density, mini-floppy disk a total capacity of micro-floppy disk is a much improved version of the mini-floppy disk described earlier. Figure 80 tracks per side x 2 sides x 15 sectors per track x 512 bytes per sector, or 1,228,800 (approxi- 13-30 illustrates the 3lh" micro-floppy disk. mately 1.2 M) bytes of information. The magnetic recording technique used to store data on the surface of the disk is called FIGURE 13-29 Modified non-return to zero (NRZ) recording. With NRZ recording, magnetic flux placed on the surface frequency modulation (MFM) of the disk never returns to zero. Figure 13-28 illustrates the information stored in a portion of a used with disk memory. track. It also shows how the magnetic field encodes the data. Note that arrows are used in this il- lustration to show the polarity of the magnetic field stored on the surface of the disk. The main reason that this form of magnetic encoding was chosen is that it automatically Ci D C : D C | D C | D erases old information when new information is recorded. If another technique were used, a
  • 20.
    CHAPTER 13 DIRECT MEMORY ACCESS AND DMA-CONTROLLED I/O 13-4 DISK MEMORY SYSTEMS 535 534 on a high-density, double-sided micro-floppy disk is 80 tracks per side x 2 sides x 18 sectors per The 31/2" FIGURE 13-30 micro-floppy disk. Write protect . i track x 512 bytes per sector, or 1,474,560 (1.44M) bytes of information. Recently, a new size SVz" floppy disk has been introduced, the EHD (extended high den- sity) floppy disk. This new format stores 2.88M bytes of data on a single floppy disk. At this time, this format is expensive and will take time to become common. Also available is the flop- tical disk, which stores data magnetically by using an optical tracking system. The floptical disk stores 21M bytes of data. „ Drive hub Hard Disk Memory Larger disk memory is available in the form of the hard disk drive. The hard disk drive is often called a fixed disk because it is not removable like the floppy disk. A hard disk is also often called a rigid disk. The term Winchester drive is also used to describe a hard disk drive, but less com- o . Head slot monly today. Hard disk memory has a much larger capacity than the floppy disk memory. Hard disk memory is available in sizes exceeding 1G byte of data. Common, low-cost (less than $0.30 per megabyte) sizes are presently 3.2G bytes to 12G bytes. Head door There are several differences between the floppy disk and the hard disk memory. The hard disk memory uses a flying head to store and read data from the surface of the disk. A flying head, which is very small and light, does not touch the surface of the disk. It flies above the surface on a film of air that is carried with the surface of the disk as it spins. The hard disk typically spins at Disk designers noticed several shortcomings of the mini-floppy, which is a scaled down 3000 to 10,000 R.P.M, which is more than 10 times faster than the floppy disk. This higher rota- version of the 8" standard floppy, soon after it was released. Probably one of the biggest prob- tional speed allows the head to fly (just as an airplane flies) just over the top of the surface of the lems with the mini-floppy is that it is packaged in a semi-rigid plastic cover that bends easily. disk. This is an important feature because there is no wear on the hard disk's surface, as there is The micro-floppy is packaged in a rigid plastic jacket that will not bend easily. This provides a with the floppy disk. much greater degree of protection to the disk inside the jacket. Problems can arise because of flying heads. One problem is a head crash. If the power is Another problem with the mini-floppy is the head slot that continually exposes the surface abruptly interrupted or the hard disk drive is jarred, the head can crash onto the disk surface, of the disk to contaminants. This problem is also corrected on the micro-floppy because it is con- which can damage the disk surface or the head. To help prevent crashes, some drive manufac- structed with a spring-loaded sliding head door. The head door remains closed until the disk is turers have included a system that automatically parks the head when power is interrupted. This inserted into the drive. Once inside the drive, the drive mechanism slides open the door, ex- type of disk drive has auto-parking heads. When the heads are parked, they are moved to a safe posing the surface of the disk to the read/write heads. This provides a great deal of protection to landing zone (unused track) when the power is disconnected. Some drives are not auto-parking; they usually require a program that parks the heads on the innermost track before power is dis- the surface of the micro-floppy disk. Yet another improvement is the sliding plastic write-protection mechanism on the micro- connected. The innermost track is a safe landing area because it is the very last track filled by the floppy disk. On the mini-floppy disk, a piece of tape was placed over a notch on the side of the disk drive. Parking is the responsibility of the operator in this type of disk drive. jacket to prevent writing. This plastic tape easily became dislodged inside disk drives, causing Another difference between a floppy disk drive and a hard disk drive is the number of heads problems. On the micro-floppy, an integrated plastic slide has replaced the tape write-protection and disk surfaces. A floppy disk drive has two heads, one for the upper surface and one for the mechanism. To write-protect (prevent writing) the micro-floppy disk, the plastic slide is moved lower surface. The hard disk drive may have up to eight disk surfaces (four platters), with up to to open the hole though the disk jacket. This allows light to strike a sensor that inhibits writing. two heads per surface. Each time that a new cylinder is obtained by moving the head assembly, 16 Still another improvement is the replacement of the index hole with a different drive mech- new tracks are available under the heads. See Figure 13-31, which illustrates a hard disk system. anism. The drive mechanism on the mini-floppy allows the disk drive to grab the disk at any Heads are moved from track to track by using either a stepper motor or a voice coil. The point. This requires an index hole so that the electronics can find the beginning of a track. The stepper motor is slow and noisy, while the voice coil mechanism is quiet and quick. Moving the index hole is another trouble spot because it collects dirt and dust. The micro-floppy has a drive head assembly requires one step per cylinder in a system that uses a stepper motor to position the mechanism that is keyed so that it only fits one way inside the disk drive. The index hole is no heads. In a system that uses a voice coil, the heads can be moved many cylinders with one longer required because of this keyed drive mechanism. Because of the sliding head mechanism sweeping motion. This makes the disk drive faster when seeking new cylinders. and the fact that no index hole exists, the micro-floppy disk has no place to catch dust or dirt. Another advantage of the voice coil system is that a servo mechanism can monitor the am- Two types of micro-floppy disks are widely available: the double-sided, double-density plitude of the signal as it comes from the read head and make slight adjustments in the position (DSDD) and the high-density (HD). The double-sided, double-density micro-floppy disk has 80 of the heads. This is not possible with a stepper motor, which relies strictly on mechanics to po- tracks per side, with each track containing nine sectors. Each sector contains 512 bytes of infor- sition the head. Stepper-motor-type head positioning mechanisms can often become misaligned mation. This allows 80 tracks per side x 2 sides x 9 sectors x 512 bytes per sector, or 737,280 with use, while the voice coil mechanism corrects for any misalignment. (720K) bytes of data to be stored on a double-density, double-sided floppy disk. Hard disk drives often store information in sectors that are 512 bytes long. Data are ad- The high-density, double-sided micro-floppy disk stores even more information. The high- dressed in clusters of eight or more sectors, which contain 4096 bytes (or more) on most hard density version has 80 tracks per side, but the number of sectors is doubled to 18 per track. This disk drives. Hard disk drives use either MEM or RLL to store information. MEM is described format still uses 512 bytes per sector, as did the double-density format. The total number of bytes with floppy disk drives. Run-length limited (RLL) is described here.
  • 21.
    CHAPTER 13 DIRECT MEMORY ACCESS AND DMA-CONTROLLED I/O 13-4 DISK MEMORY SYSTEMS 537 536 FIGURE 13-31 A hard disk Actuator arm Data RLL drive that uses four heads per Disk platters 101001011 =010001001001001000 platter. Head [J n MFM RLL Drive spindle - Stepper motor 010 001 001 001 001 000 A typical older MFM hard disk drive uses 18 sectors per track so that 18 K bytes of data are FIGURE 13-32 A comparison of MFM with RLL using data 101001011. stored per track. If a hard disk drive has a capacity of 40M bytes, it contains approximately 2280 tracks. If the disk drive has two heads, this means that it contains 1140 cylinders; if it contains four heads, then it has 570 cylinders. These specifications vary from disk drive to disk drive. a data pulse for MFM. A 40M-byte MFM disk can hold 60M bytes of RLL-encoded data. Be- RLL Storage. Run-length limited (RLL) disk drives use a different method for encoding the sides holding more information, the RLL drive can be written and read at a higher rate. data than MFM. The term RLL means that the run of zeros (zeros in a row) is limited. A common All hard disk drives use either MFM or RLL encoding. There are a number of disk drive RLL encoding scheme in use today is RLL 2,7. This means that the run of zeros is always be- interfaces in use today. The oldest is the ST-506 interface, which uses either MFM or RLL data. A disk system using this interface is also called either MFM or RLL disk system. Newer stan- tween two and seven. Table 13-3 illustrates the coding used with standard RLL. Data are first encoded by using Table 13-3 before being sent to the drive electronics for dards are also found in use today, which include ESDI, SCSI, and IDE. All of these newer stan- storage on the disk surface. Because of this encoding technique, it is possible to achieve a 50 per- dards use RLL, even though they normally do not call attention to it. The main difference is the cent increase in data storage on a disk drive when compared to MFM. The main difference is that interface between the computer and the disk drive. The IDE system is becoming the standard hard disk memory interface. the RLL drive often contains 27 tracks instead of the 18 found on the MFM drive. (Some RLL The enhanced small disk interface (ESDI) system, which has disappeared, is capable of drives also use 35 sectors per track.) In most cases, RLL encoding requires no change to the drive electronics or surface of the transferring data between itself and the computer at rates approaching 10 M bytes per second. An ST-506 interface can approach a transfer rate of 860 K bytes per second. disk. The only difference is a slight decrease in the pulse width using RLL, which may require slightly finer oxide particles on the surface of the disk. Disk manufacturers test the surface of the The small computer system interface (SCSI) system is also in use because it allows up to disk and grade the disk drive as either an MFM-certified or an RLL-certified drive. Other than seven different disk or other interfaces to be connected to the computer through same interface grading, there is no difference in the construction of the disk drive or the magnetic material that controller. SCSI is found in some PC-type computers and also in the Apple Macintosh system. An improved version, SCSI-II, has started to appear in some systems. In the future, this interface coats the surface of the disks. may be replaced with IDE in most applications. Figure 13-32 shows a comparison of MFM data and RLL data. Notice that the amount of time (space) required to store RLL data is reduced when compared to MFM. Here a 101001011 The newest system is integrated drive electronics (IDE), which incorporates the disk is coded in both MFM and RLL so that these two standards can be compared. Notice that the controller in the disk drive and attaches the disk drive to the host system through a small inter- width of the RLL signal has been reduced so that three pulses fit in the same space as a clock and face cable. This allows many disk drives to be connected to a system without worrying about bus conflicts or controller conflicts. IDE drives are found in newer IBM PS-2 systems and many clones. Even Apple computer systems are starting to be found with IDE drives in place of the TABLE 13-3 Standard RLL SCSI drives found in older Apple computers. The IDE interface is also capable of driving other 2,7 coding. Input Data Stream RLL Output I/O devices besides the hard disk. This interface also usually contains at least a 32K-byte cache memory for disk data. The cache speeds disk transfers. Common access times for an IDE drive 000 000100 are often less than 10 ms, where the access time for a floppy-disk is about 200 ms. 10 0100 010 100100 0010 00100100 Optical Disk Memory 11 1000 Optical disk memory (see Figure 13-33) is commonly available in two forms: the CD-ROM 011 001000 (compact disk/read only memory) and the WORM (write once/read mostly). The CD-ROM is 0011 00001000 the lowest cost optical disk, but it suffers from lack of speed. Access times for a CD-ROM are
  • 22.
    538 CHAPTER 13 DIRECT MEMORY ACCESS AND DMA-CONTROLLED I/O 13-5 VIDEO DISPLAYS 539 available in late 1996 or early 1997. The DVD functions exactly as the CD-ROM except that the bit density is much higher. The CD-ROM stores 660 M bytes of data, while the current-genre DVD stores 4.7G bytes or 8.5G bytes, depending on the current standard. The future standard, which requires a new drive, stores up to 17G bytes of data. 13-5 VIDEO DISPLAYS Modern video displays are OEM (original equipment manufacturer) devices that are usually purchased and incorporated into a system. Today, there are many different types of video dis- plays available. Of the types available, either color or monochrome versions are found. Monochrome versions usually display information using amber, green, or paper-white dis- plays. The paper-white display is becoming extremely popular for many applications. The most common of these applications are desk-top publishing and computer-aided drafting (CAD). The color displays are more diverse. Color display systems are available that accept in- formation as a composite video signal, much as your home television, as TTL voltage level sig- nals (0 or 5 V), and as analog signals (0-0.7 V). Composite video displays are disappearing because the available resolution is too low. Today, many applications require high-resolution graphics that cannot be displayed on a composite display such as a home television receiver. Early composite video displays were found with Commodore 64, Apple 2, and similar computer systems. Video Signals FIGURE 13-33 The optical CD-ROM memory system. Figure 13-34 illustrates the signal sent to a composite video display. This signal is composed of several parts that are required for this type of display. The signals illustrated represent the typically 300 ms or longer, about the same as a floppy disk. (Note that slower CD-ROM devices signals sent to a color composite-video monitor. Notice that these signals include not only are on the market and should be avoided.) Hard disk magnetic memory can have access times as video, but also include sync pulses, sync pedestals, and a color burst. Notice that no audio little as 11 ms. A CD-ROM stores 660M bytes of data, or a combination of data and musical pas- signal is illustrated because one often does not exist. Rather than include audio with the com- sages. As systems develop and become more visually active, the use of the CD-ROM drive will posite video signal, audio is developed in the computer and output from a speaker inside the become even more common. computer cabinet. It can also be developed by a sound system and output in stereo to external The WORM drive sees far more commercial application than the CD-ROM. The problem speakers. The major disadvantages of the composite video display are the resolution and color is that its application is very specialized due to the nature of the WORM. Because data may be limitations. Composite video signals were designed to emulate television video signals so that written only once, the main application is in the banking industry, insurance industry, and other a home television receiver could function as a video monitor. massive data storing organizations. The WORM is normally used to form an audit trail of trans- Most modern video systems use direct video signals that are generated with separate sync actions that are spooled onto the WORM and retrieved only during an audit. You might call the signals. In a direct video system, video information is passed to the monitor through a cable that WORM an archiving device. uses separate lines for video and also synchronization pulses. Recall that these signals were com- Many WORM and read/write optical disk memory systems are interfaced to the micro- bined in a composite video signal. processor by using the SCSI or ESDI interface standards used with hard disk memory. The dif- A monochrome (one color) monitor uses one wire for video, one for horizontal sync, and ference is that the current optical disk drives are no faster than the most floppy drives. Some CD- one for vertical sync. Often, these are the only signal wires found. A color video monitor uses three ROM drives are interfaced to the microprocessor through proprietary interfaces that are not com- video signals. One signal represents red, another green, arid the third blue. These monitors are patible with other disk drives. often called RGB monitors for the video primary colors of light: red (R), green (G), and blue (B). The main advantage of the optical disk is its durability. Because a solid state laser beam is used to read the data from the disk, and the focus point is below a protective plastic coating, the surface of the disk may contain small scratches and dirt particles and still be read correctly. This The TTL RGB Monitor feature allows less care of the optical disk than a comparable floppy disk. About the only way to The RGB monitor is available as either an analog or TTL monitor. The RGB monitor uses TTL destroy data on an optical disk is to break it or deeply scar it. level signals (0 or 5 V) as video inputs and a fourth line called intensity to allow a change in in- The read/write CD-ROM drive is here and its cost is dropping rapidly. In the near future, we tensity. The RGB video TTL display can display a total of 16 different colors. The TTL RGB should start seeing the read/write CD-ROM replacing floppy disk drives. The main advantage is monitor is used in the CGA (color graphics adapter) system found in older computer systems. the vast storage available on the read/write CD-ROM. Soon, the format will change so that many Table 13-4 lists these 16 colors and also the TTL signals present to generate them. Eight G bytes of data will be available. The new versatile read/write CD-ROM, called a DVD, became of the 16 colors are generated at high intensity and the other eight at low intensity. The three
  • 23.
    540 CHAPTER 13 DIRECT MEMORY ACCESS AND DMA-CONTROLLED I/O 13-5 VIDEO DISPLAYS 541 Color burst FIGURE 13-35 The 9-pin DB9 Pin Function connector found on a TTL Sync pulse monitor. 1 Ground . Black level 2 Ground 3 Red video 4 Green video 5 Blue video 6 Intensity 7 Normal video 8 Horizontal retrace Sync pedestal - 9 Vertical retrace Video line The Analog RGB Monitor In order to display more than 16 colors, an analog video display is required. These are often FIGURE 13-34 The composite video signal. called analog RGB monitors. Analog RGB monitors still have three video input signals, but don't have the intensity input. Because the video signals are analog signals instead of two-level TTL signals, they are any voltage level between 0.0 V and 0.7 V, which allows an infinite video colors are red, green, and blue. These are primary colors of light. The secondary colors are number of colors to be displayed. This is because an infinite number of voltage levels between cyan, magenta, and yellow. Cyan is a combination of blue and green video signals, and is blue- the minimum and maximum could be generated. In practice, a finite number of levels are gener- green in color. Magenta is a combination of blue and red video signals, and is a purple color. ated. This is usually either 256K, 16M, or 24M colors, depending on the standard. Yellow (high-intensity) and brown (low-intensity) are both a combination of red and green video Figure 13-36 illustrates the connector used for an analog RGB or analog monochrome signals. If additional colors are desired, TTL video is not normally used. A scheme was devel- monitor. Notice that the connector has 15 pins and supports both RGB and monochrome analog oped by using low and medium color TTL video signals, which provided 32 colors, but it proved displays. The way data are displayed on an analog RGB monitor depends upon the interface of little application and never found widespread use in the field. standard used with the monitor. Pin 9 is a key, which means that no hole exists on the female Figure 13-35 illustrates the connector most often found on the TTL RGB monitor or a connector for this pin. TTL monochrome monitor. The connector illustrated is a 9-pin connector. Two of the connec- Most analog displays use a digital-to-analog converter (DAC) to generate each color tions are used for ground, three for video, two for synchronization or retrace signals, and one video voltage. A common standard uses a 6-bit DAC for each video signal to generate 64 dif- for intensity. Notice that pin 7 is labeled normal video. This is the pin used on a monochrome ferent voltage levels between 0 V and 0.7 V. There are 64 different red video levels, 64 different monitor for the luminance or brightness signal. Monochrome TTL monitors use the same 9-pin green video levels, and 64 different blue video levels. This allows 64 x 64 x 64, or 262,144 connector as RGB TTL monitors. (256K) colors to be displayed. DB15 TABLE 13-4 16 colors Color Pin Function Intensity Red Green Blue found in the CGA display. 1 Red video 0 0 0 0 Black 2 Green video (monochrome video) 0 0 0 1 Blue 3 Blue video 0 0 1 0 Green 4 Ground 0 0 1 1 Cyan 5 Ground 0 1 0 0 Red 6 Red ground 0 1 0 1 Magenta 7 Green ground (monochrome ground) 0 1 1 0 Brown 0 1 1 1 White 8 Blue ground 1 0 0 0 Gray 9 Blocked as a key 1 0 0 1 Bright Blue 10 Ground 1 0 1 0 Bright Green 11 Color detect (ground on a color monitor) 1 0 1 1 Bright Cyan 12 Monochrome detect (ground on a monochrome monitor) 1 1 0 0 Bright Red 13 Horizontal retrace 1 1 0 1 Bright Magenta 14 Vertical retrace 1 1 1 0 Yellow 15 Ground 1 1 1 1 Bright White FIGURE 13-36 The 15-pin connector found on an analog monitor.
  • 24.
    542 CHAPTER 13 DIRECT MEMORY ACCESS AND DMA-CONTROLLED I/O 13-5 VIDEO DISPLAYS 543 Other arrangements are possible, but the speed of the DAC is critical. Most modern dis- plays require an operating conversion time of 25 ns to 40 ns maximum. When converter tech- / 4 DO QO 1Y1 1A1 D1 Q1 tR •Y^^TF 1Y2 1A2 3 / ^~ 6 ' nology advances, additional resolution at a reasonable price will become available. If 7-bit D2 D3 Q2 Q3 1Y3 1Y4 1A3 1A4 in; converters are used for generating video, 128 x 128 x 128, or 2,097,152 (2M) colors are dis- played. In this system, a 21-bit color code is needed so that a 7-bit code is applied to each DAC. /~^_ nn D4 D5 D6 D7 04 Q5 Q6 I Q7 _L9_ ^ 2Y1 2Y2 2Y3 ^2Y4 2A1 2A2 2A3 2A4 8-bit converters also find applications and allow 256 x 256 x 256, or 16,777,216 (16M) colors. OC 1G ?f?r~ >CLK Figure 13-37 illustrates the video generation circuit employed in many common video stan- 74F374 74F244 dards such as the short-lived EGA (enhanced graphics adapter) and VGA (variable graphics n U2 U5 array), as used with an IBM PC. This circuit is used to generate VGA video. Notice that each DO D1 QO Q1 /-& 1Y1 1Y2 1A1 1A2 4 color is generated with an 18-bit digital code. Six of the 18 bits are used to generate each video D2 Q2 1 £¥ R 1Y3 1A3 color voltage when applied to the inputs of a 6-bit DAC. D3 D4 D5 Q3 Q4 Q5 IR ^ Q6 3EZ 1Y4 2Y1 2Y2 1A4 2A1 2A2 A high-speed palette SRAM (access time of less than 40 ns) is used to store 256 different 4 D6 D7 Q7 19__ ^3 2Y3 2Y4 2A3 2A4 17~ 18-bit codes that represent 256 different hues. This 18-bit code is applied to the digital-to- -^ OC >CLK 1G 2G fc analog converters. The address input to the SRAM selects one of the 256 colors stored as 18-bit 74F374 74F244 binary codes. This system allows 256 colors out of a possible 256K colors to be displayed at U3 U6 one time. In order to select any of 256 colors, an 8-bit code that is stored in the computer's video display RAM is used to specify the color of a picture element. If more colors are used in a system, the code must be wider. For example, a system that displays 1024 colors out of 256K [X5-D5 n s-$r DO D1 D2 D3 D4 QO Q1 Q2 Q3 Q4 ^ ~S~^ }R n 1Y1 1A1 1Y2 1A2 1Y3 1A3 1 Y4 1 A4 2Y1 2A1 13 | =P •^i D5 Q5 Tfi — ^^ nr 2Y2 2A2 n1 colors requires a 10-bit code to address the SRAM that contains 1024 locations, each con- D7 Q7 19_ 2Y4 2A4 JH taining an 18-bit color code. Some newer systems use a larger palette SRAM to store up to 64K >CLK D1 2G 3i—— of different color codes. 74F374 74F244 The Apple Macintosh-IIci uses a 24-bit binary code to specify each color in its color video U7 adapter. Each DAC is eight bits wide. This means that each converter can generate 256 different 2 U10 ^± D1 Q1 video voltage levels. There are 256 x 256 x 256, or 16,777,216 different possible colors. As with 6 ^i AO DO _/ D2 Q2 5 A1 9 DAC the IBM VGA standard, only 256 colors are displayed at a time. The SRAM in the Apple inter- D2 Q2 6 A2 A3 D2 D4 Q4 face is 256 x 24 instead of 256 x 18. D3 Q3 D3 _/ ^± D5 Q5 it- 14 _n^ is- 16 A4 A5 A6 ^ 18 D7 Q7 _ia_ Whenever a color is placed on the video display, provided that RTC is a logic 0, the system —/ 1 1 2 I D6 Q6 -J2- D7 Q7 19 D6 ~~y . —— 1 ^>CLK 1 sends the 8-bit code that represents a color to the DO-D7 connections. The PAL 16R8 then gen- D8 erates a clock pulse for U10, which latches the color code. After 40 ns (one 25 MHz clock), the y 1 JF04 74F374 CS OE D9 D10 D11 D12 74F374 U8 PAL generates a clock pulse for the DAC latches (U7, U8, and U9). This amount of time is re- U12 WE D13 ^ DO QO 11 O1 D14 ID1 Q1 quired for the palette SRAM to look up the 18-bit contents of the memory location selected by 12 O2 D-f- D15 g D2 Q2 9 6 13 O3 D16 D3 Q3 12 DAC U10. Once the color code (18-bit) is latched into U7-U9, the three DACs convert it to three 6 D4 Q4 1 5 video voltages for the monitor. This process is repeated for each 40 ns-wide picture element (pixel) that is displayed. The pixel is 40 ns wide because a 25 MHz clock is used in this system. 15 16 17 18 05 06 O7 OS 12 256)<18 Palette RAM dfc -| D5 D6 D7 OC Q5 Q6 Q7* Higher resolution is attainable if a higher clock frequency is used with the system. If the color codes (18-bits) stored in the SRAM must be changed, this is always accom- £ CLK OE 16R8 >CLK 74F374 U9 3 plished during retrace when RTC is a logic 1. This prevents any video noise from disrupting the X^ 4 5 __ 7 6 image displayed on the monitor. N^_ 8 9 x^_ 13 12 DAC In order to change a color, the systems uses the SO, SI, and S2 inputs of the PAL to select 14 15 Ul, U2, U3, or U10. First, the address of the color to be changed is sent to latch U10, which ad- dfc D6 06 D7 Q7 i : dresses a location in the palette SRAM. Next, each new video color is loaded into Ul, U2, and ——— TT° U3. Finally, the PAL generates a write pulse for the WE input to the SRAM to write the new - — 74F374 color code into the palette SRAM. Retrace occurs 70.1 times per second in the vertical direction and 31,500 times per second FIGURE 13-37 Generation of VGA video signals. in the horizontal direction for a 640 x 480 display. During retrace, the video signal voltage sent to the display must be 0 V, which causes black to be displayed during the retrace. Retrace itself is used to move the electron beam to the upper left-hand corner for vertical retrace and to the left The resolution of the display, for example 640 x 480, determines the amount of memory margin of the screen for horizontal retrace. required for the video interface card. If this resolution is used with a 256-color display (eight bits The circuit illustrated causes U4-U6 buffers to be enabled so that they apply 00000 each to per pixel), then 640 x 480 bytes of memory (307,200) are required to store all of the pixels for the display. Higher-resolution displays are possible, but, as you can imagine, even more memory the DAC latch for retrace. The DAC latches capture this code and generate 0 V for each video color signal to blank the screen. By definition, 0 V is considered to be the black level for video is required. A 640 x 480 display has 480 video raster lines and 640 pixels per line. A raster line is the horizontal line of video information that is displayed on the monitor. A pixel is the smallest and 0.7 V is considered to be the full intensity on a video color signal. subdivision of this horizontal line.
  • 25.
    544 CHAPTER 13 DIRECT MEMORY ACCESS AND DMA-CONTROLLED I/O 13-6 SUMMARY 545 FIGURE 13-38 A video rate must be greater than or equal to 50 Hz, or flickering will occur. The vertical rate must not be screen illustrating the raster higher than about 75 Hz or problems with the vertical deflection coil may occur. The electron lines and retrace. beam in a monitor is positioned by an electrical magnetic field generated by coils in a yoke that surrounds the neck of the picture tube. Because the magnetic field is generated by coils, the fre- quency of the signal applied to the coil is limited. The horizontal scanning rate is also limited by the physical design of the coils in the yoke. Video line ' Because of this, it is normal to find the frequency applied to the horizontal coils within a narrow Horizontal retrace ' range. This is usually 30,000 Hz-37,000 Hz or 15,000 Hz-17,000 Hz. Some newer monitors are called multisync monitors because the deflection coil is taped so that it can be driven with dif- ferent deflection frequencies. Sometimes, both the vertical and horizontal coils are both taped for different vertical and horizontal scanning rates. High-resolution displays use either interlaced or non-interlaced scanning. The non-interlaced Vertical retrace scanning system is used in all standards except the highest. In the interlaced system, the video image is displayed by drawing half the image first with all of the odd scanning lines, then the other half is drawn using the even scanning lines. Obviously, this system is more complex and is only more effi- cient because the scanning frequencies are reduced by 50 percent in an interlaced system. For ex- ample, a video system that uses 60 Hz for the vertical scanning frequency and 15,720 Hz for the horizontal frequency generates 262 (15,720/60) lines of video at the rate of 60 full frames per second. If the horizontal frequency is changed slightly to 15,750 Hz, 262.5 (15,750/60) lines are generated, so two full sweeps are required to draw one complete picture of 525 video lines. Notice how just a slight change in horizontal frequency doubled the number of raster lines. Figure 13-38 illustrates the video display, showing the video lines and retrace. The slant of each video line in this illustration is greatly exaggerated, as is the spacing between lines. This il- lustration shows retrace in both the vertical and horizontal directions. In the case of a VGA dis- play, as described, the vertical retrace occurs exactly 70.1 times per second and the horizontal retrace occurs exactly 31,500 times per second. (The Apple Macintosh-IIci uses a vertical rate of 13-6 SUMMARY 66.67 Hz and a horizontal rate of 35 KHz to generate a 640 x 480 color display.) In order to generate 640 pixels across one line, it takes 40 ns x 640, or 25.6 jis. A hori- 1. The HOLD input is used to request a DMA action, and the HLDA output signals that the zontal time of 31,500 Hz allows a horizontal line time of 1/31,500, or 31.746 jis. The difference hold is in effect. When a logic 1 is placed on the HOLD input, the microprocessor (1) stops between these two times is the retrace time allowed to the monitor. (The Apple Macintosh Ilci executing the program; (2) places its address, data, and control bus at their high-impedance has a horizontal line time of 28.57 |0,s.) state; and (3) signals that the hold is in effect by placing a logic 1 on the HLDA pin. Because the vertical retrace repetition rate is 70.1 Hz, the number of lines generated is de- 2. A DMA read operation transfers data from a memory location to an external I/O device. A termined by dividing the vertical time into the horizontal time. In the case of a VGA display (a DMA write operation transfers data from an I/O device into the memory. Also available is a 640 x 400 display), this is 449.358 lines. Only 400 of these lines are used to display information; memory-to-memory transfer that allows data to be transferred between two memory loca- the rest are lost during the retrace. Because 49.358 lines are lost during the retrace, the retrace tions by using DMA techniques. time is 49.358 x 31.766 (is, or 1568 [is. It is during this relatively large amount of time that the 3. The 8237 direct memory access (DMA) controller is a four-channel device that can be ex- color palette SRAM is changed or the display memory system is updated for a new video dis- panded to include an additional channel of DMA. play. In the Apple Macintosh Ilci computer (640 x 480), the number of lines generated is 525 4. Disk memory comes in the form of floppy disk storage that is found as either the 5lfa" mini- lines Of the total number of lines, 45 are lost during vertical retrace. floppy disk or 3!/2" micro-floppy disk. Both disks are found as double-sided, double-density Other display resolutions are 800 x 600 and 1024 x 768. The 800 x 600 SVGA (super (DSDD), or as high-density (HD) storage devices. The DSDD 5V4" disk stores 360 K bytes VGA) display is ideal for a 14" color monitor, while the 1024 x 768 EVGA or XVGA (extended of data and the HD 5V4" disk stores 1.2 M bytes of data. The DSDD 3V2" disk stores 720 K VGA) is ideal for a 21" or 25" monitor used in CAD systems. These resolutions sound like just bytes of data and the HD 3l/2" disk stores 1.44 M bytes of data. another set of numbers, but realize that an average home television receiver has a resolution ap- proximately 400 x 300. The high-resolution display available on computer systems is much 5. Floppy disk memory data are stored using NRZ (non-return to zero) recording. This method clearer than that available as home television. A resolution of 1024 x 768 approaches that found saturates the disk with one polarity of magnetic energy for a logic 1 and the opposite polarity in 35 mm film. The only disadvantage of the video display on a computer screen is the number for a logic 0. In either case, the magnetic field never returns to 0. This technique eliminates of colors displayed at a time, but as time passes, this will surely improve. Additional colors allow the need for a separate erase head. the image to appear more realistically because of subtle shadings that are required for a true 6. Data are recorded on disks by using either modified frequency modulation (MFM) or run- high-quality, life-like image. length limited (RLL) encoding schemes. The MFM scheme records a data pulse for a logic If a display system operates with a 60 Hz vertical time and a 15,600 Hz horizontal time, the 1, no data or clock for the first logic 0 of a string of zeros, and a clock pulse for the second number of lines generated is 15,600/60, or 260 lines. The number of usable lines in this system is and subsequent logic 0 in a string of zeros. The RLL scheme encodes data so that 50 percent most likely 240, where 20 are lost during vertical retrace. It is clear that the number of scanning more information can be packed onto the same disk area. Most modern disk memory sys- lines is adjustable by changing the vertical and horizontal scanning rates. The vertical scanning tems use the RLL encoding scheme.
  • 26.
    546 CHAPTER 13 DIRECT MEMORY ACCESS AND DMA-CONTROLLED I/O 13-7 QUESTIONS AND PROBLEMS 547 7. Video monitors are either TTL or analog. The TTL monitor uses two discrete voltage levels 27. What is a WORM? of 0 V and 5.0 V. The analog monitor uses an infinite number of voltage levels between 28. What is a CD-ROM? 0.0 V and 0.7 V. The analog monitor can display an infinite number of video levels, while 29. What is the difference between a TTL monitor and an analog monitor? the TTL monitor is limited to two video levels. 30. What are the three primary colors of light? 8. The color TTL monitor displays 16 different colors. This is accomplished through three 31. What are the three secondary colors of light? video signals (red, green, and blue) and an intensity input. The analog color monitor can dis- 32. What is a pixel? play an infinite number of colors through its three video inputs. In practice, the most 33. A video display with a resolution of 800 x 600 contains __ _ lines of video informa- common form of color analog display system (VGA) can display 256K different colors. tion, with each line divided into _____ pixels. 9. The video standards found today include VGA (640 x 480), SVGA (800 x 600), and EVGA 34. Explain how a TTL RGB monitor can display 16 different colors. or XVGA (1024 x 768). In all three cases, the video information can be 256 colors out of a 35. Explain how an analog RGB monitor can display an infinite number of colors. total possible 256K colors. 36. If an analog RGB video system uses 7-bit DACs, it can generate ______ different colors. 37. Why does standard VGA allow only 256 different colors out of 256K colors to be displayed at one time? 38. If a video system uses a vertical frequency of 60 Hz and a horizontal frequency of 32,400 13-7 QUESTIONS AND PROBLEMS Hz, how many raster lines are generated? 1. Which microprocessor pins are used to request and acknowledge a DMA transfer? 2. Explain what happens whenever a logic 1 is placed on the HOLD input pin. 3. A DMA read transfers data from _______ to _______. 4. A DMA write transfers data from _______ to _______. 5. The DMA controller selects the memory location used for a DMA transfer through what bus signals? 6. The DMA controller selects the I/O device used during a DMA transfer by which pin? 7. What is a memory-to-memory DMA transfer? 8. Describe the effect on the microprocessor and DMA controller when the HOLD and HLDA pins are at their logic 1 levels. 9. Describe the effect on the microprocessor and DMA controller when the HOLD and HLDA pins are at their logic 0 levels. 10. The 8237 DMA controller is a _____ channel DMA controller. 11. If the 8237 DMA controller is decoded at I/O ports 2000H-200FH, what ports are used to program channel 1 ? 12. Which 8237 DMA controller register is programmed to initialize the controller? 13. How many bytes can be transferred by the 8237 DMA controller? 14. Write a sequence of instructions that transfer data from memory location 21000H-210FFH to 20000H-200FFH by using channel 2 of the 8237 DMA controller. You must initialize the 8237 and use the latch described in Section 12-1 to hold A19-A16. 15. Write a sequence of instructions that transfer data from memory to an external I/O device by using channel 3 of the 8237. The memory area to be transferred is at location 20000H- 20FFFH. 16. The 5 l /4" disk is known as a _______- floppy disk. 17. The 3V4" disk is known as a - floppy disk. 18. Data are recorded in concentric rings on the surface of a disk known as a ________. 19. A track is divided into sections of data called _______. 20. On a double-sided disk, the upper and lower tracks together are called a _______. 21. Why is NRZ recording used on a disk memory system? 22. Draw the timing diagram generated to write a 1001010000 using MFM encoding. 23. Draw the timing diagram generated to write a 1001010000 using RLL encoding. 24. What is a flying head? 25. Why must the heads on a hard disk be parked? 26. What is the difference between a voice coil head position mechanism and a stepper motor head positioning mechanism?