UNIT-2
Mohammad Asif Iqbal
Assistant Professor,
Deptt of ECE,
JETGI, Barabanki
Multiplexers
 A multiplexer has
 N control inputs
 2N
data inputs
 1 output
 A multiplexer routes (or connects) the selected data
input to the output.
 The value of the control inputs determines the data input that
is selected.
Multiplexers
Z = A′.I0 + A.I1
Data
inputs
Control
input
Multiplexers
Z = A′.B'.I0 + A'.B.I1 + A.B'.I2 + A.B.I3
A B F
0 0 I0
0 1 I1
1 0 I2
1 1 I3
MSB LSB
Multiplexers
Z = A′.B'.C'.I0 + A'.B'.C.I1 + A'.B.C'.I2 + A'.B.C.I3 +
A.B'.C'.I0 + A.B'.C.I1 + A'.B.C'.I2 + A.B.C.I3
MSB LSB
A B C F
0 0 0 I0
0 0 1 I1
0 1 0 I2
0 1 1 I3
1 0 0 I4
1 0 1 I5
1 1 0 I6
1 1 1 I7
Multiplexers
Encoder/Decoder Vocabulary
ENCODER- a digital circuit that produces a binary output code
depending on which of its inputs are activated.
DECODER- a digital circuit that converts an input binary code
into a single numeric output.
ENCODERS AND DECODERS
A0
A1
A2
A3
A4
A5
A6
A7
ENCODER
O0
O1
O2
A0
A1
A2
O0
O1
O2
O3
O4
O5
O6
O7
DECODER
ONLY ONE INPUT ACTIVATED
AT A TIME
BINARY CODE OUTPUT
BINARY CODE INPUT
ONLY ONE OUTPUT
ACTIVATED AT A TIME
THE 8421 BCD CODE
• BCD stands for Binary-Coded Decimal.
• A BCD number is a four-bit binary group that represents one of
the ten decimal digits 0 through 9.
Example:
Decimal number 4926 4 9 2 6
8421 BCD coded number 0100 1001 0010 0110
ELECTRONIC ENCODER-DECIMAL TO BCD
0
Decimal
to
BCD
Encoder
BCD output
Decimal input
0 0 0 0
5
0 1 0 1
7
0 1 1 1
3
0 0 1 1
• Encoders are available in IC form.
• This encoder translates from decimal input to
BCD output.
10 line to 4 line Encoder
ENCODER
1248
DECIMAL BINARY (BCD)
9 5V
8 5V
7 5V
6 5V
5 5V
4 5V
3 5V
2 5V
1 5V
74147
I9
I8
I7
I6
I5
I4
I3
I2
I1
A0
A1
A2
A3
10 line to 4 line Encoder
0
1
2
3
4
5
6
7
8
9
DECODER
BINARY (BCD)
DECIMAL
1 0V
2 0V
4 0V
8 0V
74LS42
A3
A2
A1
A0
9
8
7
6
5
4
3
2
1
0
4 line to 10 line Decoder
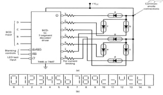
BCD-to-
7-Segment
Decoder/
Driver
DECODERS: BCD TO 7-SEGMENT DECODER/DRIVER
BCD input
0 0 0 0
Decimal output
LED
0 0 0 10 0 1 00 0 1 10 1 0 0
• Electronic decoders are available in IC form.
• This decoder translates from BCD to decimal.
• Decimals are shown on an 7-segment LED display.
• This IC also drives the 7-segment LED display.
THANK YOU!

Combinational Logic Unit 2