Digital Electronics
Electronics Technology
Landon Johnson
Encoding, Decoding, and
Seven-Segment Displays
Encoder/Decoder Competencies
52. Given four different input combinations to a 10 line to 4 line
encoder, the student will state the output combinations with
100% accuracy.
53. Given four different input combinations for a 4 line to 10
line decoder, the student will state the output combinations
with 100% accuracy.
Encoder/Decoder Vocabulary
ENCODER- a digital circuit that produces a
binary output code depending on which of its
inputs are activated.
DECODER- a digital circuit that converts an
input binary code into a single numeric
output.
ENCODERS AND DECODERS
A 0
A 1
A 2
A 3
A 4
A 5
A 6
A 7
ENCODER
O 0
O 1
O 2
A 0
A 1
A 2
O 0
O 1
O 2
O 3
O 4
O 5
O 6
O 7
DECODER
ONLY ONE INPUT
ACTIVATED AT A TIME
BINARY CODE OUTPUT
BINARY CODE INPUT
ONLY ONE OUTPUT
ACTIVATED AT A TIME
THE 8421 BCD CODE
• BCD stands for Binary-Coded Decimal.
• A BCD number is a four-bit binary group that
represents one of the ten decimal digits 0 through 9.
Example:
Decimal number 4926 4 9 2 6
8421 BCD coded number 0100 1001 0010 0110
ELECTRONIC ENCODER -
DECIMAL TO BCD
0
Decimal
to
BCD
Encoder
BCD output
Decimal input
0 0 0 0
5
0 1 0 1
7
0 1 1 1
3
0 0 1 1
• Encoders are available in IC form.
• This encoder translates from decimal
input to BCD output.
10 line to 4 line Encoder
ENCODER
1
2
4
8
DECIMAL BINARY (BCD)
9 5V
8 5V
7 5V
6 5V
5 5V
4 5V
3 5V
2 5V
1 5V
74147
I9
I8
I7
I6
I5
I4
I3
I2
I1
A0
A1
A2
A3
10 line to 4 line Encoder
0
1
2
3
4
5
6
7
8
9
DECODER
BINARY (BCD)
DECIMAL
1 0V
2 0V
4 0V
8 0V
74LS42
A3
A2
A1
A0
9
8
7
6
5
4
3
2
1
0
4 line to 10 line Decoder
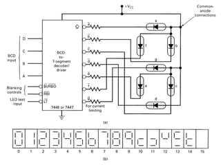
BCD-to-
7-Segment
Decoder/
Driver
DECODERS: BCD TO
7-SEGMENT DECODER/DRIVER
BCD input
0 0 0 0
Decimal output
LED
0 0 0 1
0 0 1 0
0 0 1 1
0 1 0 0
• Electronic decoders are available in IC form.
• This decoder translates from BCD to decimal.
• Decimals are shown on an 7-segment LED display.
• This IC also drives the 7-segment LED display.
BCD-to-
7-Segment
Decoder/
Driver
BCD input
Decimal output
0 0 1 1
?
Q #1- What is the decimal output from the decoder that
appears on the 7-segment display?
Answer: 3
Q #2- What is the decimal output from the decoder that
appears on the 7-segment display?
0 0 0 0
Answer: 0
Q #3- What is the decimal output from the decoder that
appears on the 7-segment display?
1 0 0 1
Answer: 9
Q #4- What is the decimal output from the decoder that
appears on the 7-segment display?
Answer: 7
0 1 1 1
Q #5- What is the decimal output from the decoder that
appears on the 7-segment display?
Answer: 6
0 1 1 0
TEST
BCD-TO-SEVEN SEGMENT DECODER DRIVER
5V
abcdef g .
V+
74LS47
A3
A2
A1
A0
test
RBI
g
f
e
d
c
b
a
RBO
TEST
A0
A1
A2
A3
A4
A5
A6
A7
ENCODER
O 0
O 1
O 2
O 3
A8
A9
INPUT O3 O2 O1 O0
A1=1
A4=1
A6=1
A8=1
TEST
A0
A1
A2
O 0
O 1
O 2
O 3
O 4
O 5
O 6
O 7
DECODER
O 8
O 9
A3
A3 A2 A1 A0 OUTPUT
0 0 0 0
0 1 0 1
0 1 1 1
1 0 0 1
TEST
ANSWER THE FOLLOWING QUESTIONS WITH ONE OR MORE
OF THESE WORDS: MUX, DEMUX, ENCODER, DECODER.
A. Has more inputs than outputs. ENCODER, MUX
B. Uses select inputs. MUX, DEMUX
C. Can be used in parallel-to-serial conversion. MUX
D. Produces a binary code at its output. ENCODER
E. Only one of its outputs is activated at one time. DEMUX, DECODER
F. Used to route input signals to one of several outputs. MUX
G. Used to generate arbitrary logic functions. MUX, DEMUX
H. 3 line-to-8 line or binary to octal. DECODER
I. Data Selectors are also MUX.

Encoder and Decoder Competencies .pptx

  • 1.
    Digital Electronics Electronics Technology LandonJohnson Encoding, Decoding, and Seven-Segment Displays
  • 2.
    Encoder/Decoder Competencies 52. Givenfour different input combinations to a 10 line to 4 line encoder, the student will state the output combinations with 100% accuracy. 53. Given four different input combinations for a 4 line to 10 line decoder, the student will state the output combinations with 100% accuracy.
  • 3.
    Encoder/Decoder Vocabulary ENCODER- adigital circuit that produces a binary output code depending on which of its inputs are activated. DECODER- a digital circuit that converts an input binary code into a single numeric output.
  • 4.
    ENCODERS AND DECODERS A0 A 1 A 2 A 3 A 4 A 5 A 6 A 7 ENCODER O 0 O 1 O 2 A 0 A 1 A 2 O 0 O 1 O 2 O 3 O 4 O 5 O 6 O 7 DECODER ONLY ONE INPUT ACTIVATED AT A TIME BINARY CODE OUTPUT BINARY CODE INPUT ONLY ONE OUTPUT ACTIVATED AT A TIME
  • 5.
    THE 8421 BCDCODE • BCD stands for Binary-Coded Decimal. • A BCD number is a four-bit binary group that represents one of the ten decimal digits 0 through 9. Example: Decimal number 4926 4 9 2 6 8421 BCD coded number 0100 1001 0010 0110
  • 6.
    ELECTRONIC ENCODER - DECIMALTO BCD 0 Decimal to BCD Encoder BCD output Decimal input 0 0 0 0 5 0 1 0 1 7 0 1 1 1 3 0 0 1 1 • Encoders are available in IC form. • This encoder translates from decimal input to BCD output.
  • 7.
    10 line to4 line Encoder
  • 9.
    ENCODER 1 2 4 8 DECIMAL BINARY (BCD) 95V 8 5V 7 5V 6 5V 5 5V 4 5V 3 5V 2 5V 1 5V 74147 I9 I8 I7 I6 I5 I4 I3 I2 I1 A0 A1 A2 A3 10 line to 4 line Encoder
  • 11.
    0 1 2 3 4 5 6 7 8 9 DECODER BINARY (BCD) DECIMAL 1 0V 20V 4 0V 8 0V 74LS42 A3 A2 A1 A0 9 8 7 6 5 4 3 2 1 0 4 line to 10 line Decoder
  • 12.
    BCD-to- 7-Segment Decoder/ Driver DECODERS: BCD TO 7-SEGMENTDECODER/DRIVER BCD input 0 0 0 0 Decimal output LED 0 0 0 1 0 0 1 0 0 0 1 1 0 1 0 0 • Electronic decoders are available in IC form. • This decoder translates from BCD to decimal. • Decimals are shown on an 7-segment LED display. • This IC also drives the 7-segment LED display.
  • 13.
    BCD-to- 7-Segment Decoder/ Driver BCD input Decimal output 00 1 1 ? Q #1- What is the decimal output from the decoder that appears on the 7-segment display? Answer: 3 Q #2- What is the decimal output from the decoder that appears on the 7-segment display? 0 0 0 0 Answer: 0 Q #3- What is the decimal output from the decoder that appears on the 7-segment display? 1 0 0 1 Answer: 9 Q #4- What is the decimal output from the decoder that appears on the 7-segment display? Answer: 7 0 1 1 1 Q #5- What is the decimal output from the decoder that appears on the 7-segment display? Answer: 6 0 1 1 0 TEST
  • 15.
    BCD-TO-SEVEN SEGMENT DECODERDRIVER 5V abcdef g . V+ 74LS47 A3 A2 A1 A0 test RBI g f e d c b a RBO
  • 16.
    TEST A0 A1 A2 A3 A4 A5 A6 A7 ENCODER O 0 O 1 O2 O 3 A8 A9 INPUT O3 O2 O1 O0 A1=1 A4=1 A6=1 A8=1
  • 17.
    TEST A0 A1 A2 O 0 O 1 O2 O 3 O 4 O 5 O 6 O 7 DECODER O 8 O 9 A3 A3 A2 A1 A0 OUTPUT 0 0 0 0 0 1 0 1 0 1 1 1 1 0 0 1
  • 18.
    TEST ANSWER THE FOLLOWINGQUESTIONS WITH ONE OR MORE OF THESE WORDS: MUX, DEMUX, ENCODER, DECODER. A. Has more inputs than outputs. ENCODER, MUX B. Uses select inputs. MUX, DEMUX C. Can be used in parallel-to-serial conversion. MUX D. Produces a binary code at its output. ENCODER E. Only one of its outputs is activated at one time. DEMUX, DECODER F. Used to route input signals to one of several outputs. MUX G. Used to generate arbitrary logic functions. MUX, DEMUX H. 3 line-to-8 line or binary to octal. DECODER I. Data Selectors are also MUX.