UNIT II
PHASE CONTROLLED
CONVERTERS
Phase-Control Converters
Single-Phase
Semiconverter
Three-Phase
Full converter
Dual converter
Semiconverter
Full converter
Dual converter
Semiconverter
..is a one-quadrant converter and it has one polarity
Full converter
..is a two-quadrant converter and the polarity of its
output can be either positive or negative.
However
the output current of full converter has
one polarity only
Dual converter
..can operate in four quadrants ; both the output
voltage and current can be either positive or negative
   
 









cos
1
2
sin
2
1 m
m
dc
V
t
td
V
V
Average Output Voltage

m
dm
V
V 
Maximum
Output Voltage
 

cos
1
5
.
0 


dm
dc
n
V
V
V
Normalizing
Output Voltage
  








  2
2
sin
1
2
sin
2
1 2
2 








m
m
rms
V
t
td
V
V
RMS Output Voltage
If the converter has a purely resistive load of R and
the delay angle is , determine
(a) the rectification efficiency
(b) the form factor FF
(c) the ripple factor RF
and (d) the peak inverse voltage PIV of thyristor T1
2
/

 
 
 
 
%
27
.
20
3536
.
0
1592
.
0
3536
.
0
2
2
2
sin
2
1
2
1592
.
0
2
cos
1
2
sin
2
1
2
2
2
2
2





























 
m
m
rms
dc
m
m
rms
m
dc
m
m
dc
V
V
V
V
V
V
V
V
V
V
t
td
V
V












If the converter has a purely resistive load of R and
the delay angle is , determine
(a) the rectification efficiency
(b) the form factor FF
(c) the ripple factor RF
and (d) the peak inverse voltage PIV of thyristor T1
2
/

 
221
.
2
1592
.
0
3536
.
0



m
m
dc
rms
V
V
V
V
FF
If the converter has a purely resistive load of R and
the delay angle is , determine
(a) the rectification efficiency
(b) the form factor FF
(c) the ripple factor RF
and (d) the peak inverse voltage PIV of thyristor T1
2
/

 
983
.
1
1
221
.
2
1 2
2




 FF
RF
m
V
PIV 
Semiconverter
Single-Phase Semiconverter
   
 


















t
td
V
V
V
t
td
V
V
m
rms
m
m
dc
2
2
sin
2
2
cos
1
sin
2
2
Single-Phase Semiconverter (RL-load)
  




















 L
R
L
R
L
L
L
L
L
e
R
E
e
I
t
i
I
E
Ri
dt
di
L
1
0
0
1
1
1
1
    t
L
R
S
L
S
L
S
L
L
e
Z
V
R
E
I
R
E
t
Z
V
I
t
V
E
Ri
dt
di
L
























sin
2
sin
2
sin
2
1
2
2
2
Mode 1

 
 t
0
Mode 2


 
 t
R
L

 1
tan

 2
2
L
R
Z 


Single-Phase Semiconverter (RL-load)
RMS Current
for Thyristor
 






t
d
i
I L
R
2
2
2
1
RMS Current
for Thyristor
 






t
d
i
I L
A 2
2
1
RMS Output
Current
   

 








t
d
i
t
d
i
I L
L
rms
2
2
0
2
1
2
1
2
1
AVG Output
Current
   

 








t
d
i
t
d
i
Idc 2
0
1
2
1
2
1
The single-phase semiconverter has an RL load of
L = 6.5mH, R = 2.5 Ohm, and E = 10 V. The input
voltage is VS = 120 V(rms) at 60 Hz. Determine
(a) the load current IL0 at , and the load
current IL1 at ,
(b) the average thyristor current IA
(c) the rms thyristor current IR
(d) the rms output current Irms
and (e) the average output current Idc
0

t



 60

t
Single-Phase
Full Converter
Rectification
Mode
Inversion
Mode
Single-Phase Full Converter
 
 
2
sin
2
2
cos
2
sin
2
2
2
2 m
m
rms
m
m
dc
V
t
d
t
V
V
V
t
d
t
V
V






















Single-Phase Full Converter (RL-load)
    t
L
R
S
L
S
L e
Z
V
R
E
I
R
E
t
Z
V
I 












 




 sin
2
sin
2
0
Mode 1 = Mode 2
R
L

 1
tan
  2
2
L
R
Z 


Single-Phase Full Converter (RL-load)
RMS Current
for Thyristor
 








t
d
i
I L
R
2
2
1
RMS Current
for Thyristor
 








t
d
i
I L
A
2
1
RMS Output
Current R
R
R
rms I
I
I
I 2
2
2



AVG Output
Current A
A
A
dc I
I
I
I 2



Dual
Converter
Single-Phase Dual Converter
High-Power Variable-Speed Drives
2
1
2
2
1
1
cos
2
cos
2
dc
dc
m
dc
m
dc
V
V
V
V
V
V








Three-Phase
Semiconverter
3 Phase Controlled Rectifiers
• Operate from 3 phase ac supply voltage.
• They provide higher dc output voltage.
• Higher dc output power.
• Higher output voltage ripple frequency.
• Filtering requirements are simplified for
smoothing out load voltage and load
current.
• Extensively used in high power variable
speed industrial dc drives.
• Three single phase half-wave converters
can be connected together to form a three
phase half-wave converter.
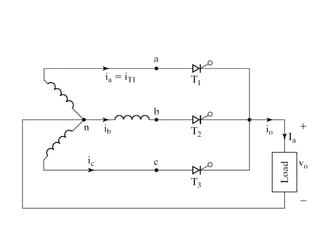
3-Phase
Half Wave Converter
(3-Pulse Converter)
with
RL Load
Continuous & Constant
Load Current Operation
Vector Diagram of
3 Phase Supply Voltages
VAN
VCN
VBN
120
0
120
0
120
0 RN AN
YN BN
BN CN
v v
v v
v v



3 Phase Supply Voltage
Equations
We deifine three line to neutral voltages
(3 phase voltages) as follows
 
 
 
0
0
0
sin ;
Max. Phase Voltage
2
sin
3
sin 120
2
sin
3
sin 120
sin 240
RN an m
m
YN bn m
m
BN cn m
m
m
v v V t
V
v v V t
V t
v v V t
V t
V t








 

 
  
 
 
 
 
  
 
 
 
 
van vbn vcn van
io=Ia
Constant Load
Current
Ia
Ia
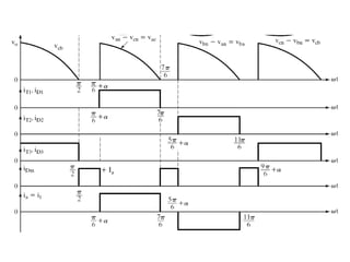
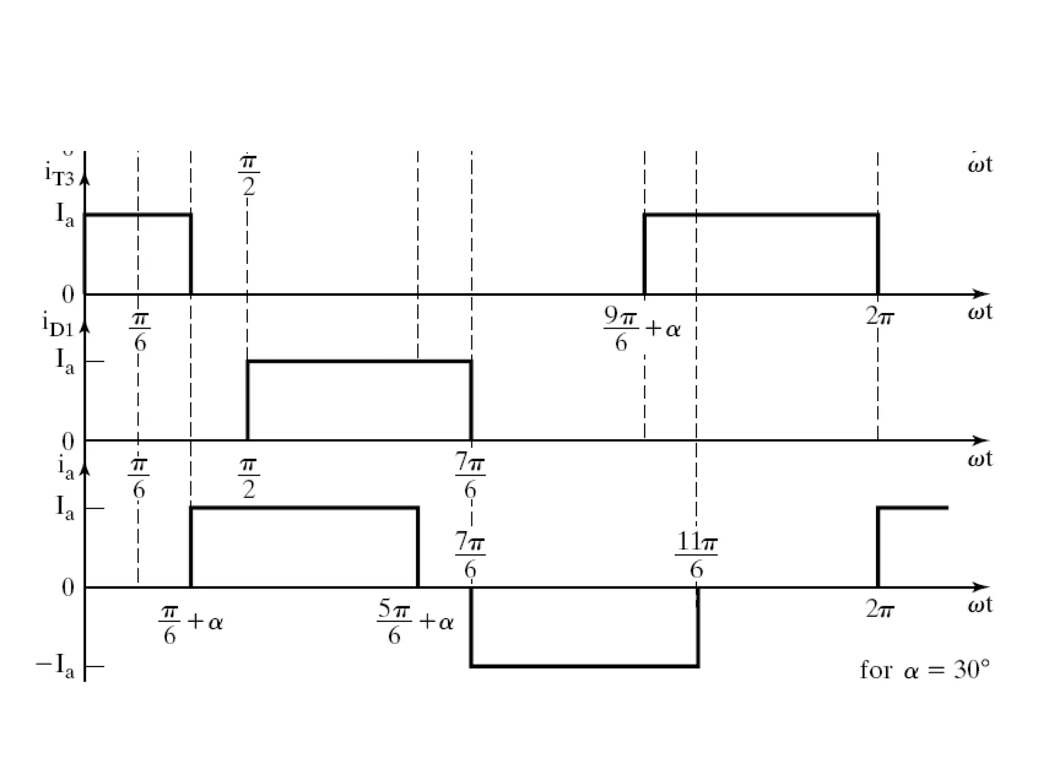
Each thyristor conducts for 2/3 (1200)
To Derive an
Expression for the
Average Output Voltage of a
3-Phase Half Wave Converter
with RL Load
for Continuous Load Current
 
 
 
0
1
0
2
0
3
0
30
6
5
150
6
7
270
6
2
Each thytistor conducts for 120 or radians
3
T is triggered at t
T is triggered at t
T is triggered at t

  

  

  

 
   
 
 
 
   
 
 
 
   
 
 
 
 
5
6
6
5
6
6
3
sin .
2
3
cos
2
3 5
cos cos
2 6 6
m
dc
m
dc
m
dc
V
V t d t
V
V t
V
V








 



 
 





 
 
  
 
 
 
 
 
 
 
 
 
   
    
   
 
   
 

   
   
   
       
   
0 0
0
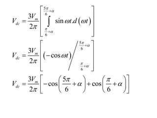
Note from the trigonometric relationship
cos cos .cos sin .sin
5 5
cos cos sin sin
6 6
3
2
co
cos 150 cos sin 150 sin
3
2 cos 30
s .cos sin sin
6 6
.cos
m
dc
m
dc
A
V
V
B A B A B
V
V
 
 
  




 
  
 
   
 
   
 
   
 

 
   
 
 
   
   






    
0
sin 30 sin 
 
 
 
 
       
       
   
   
       
       
0 0
0 0 0 0
0 0
0 0
0
0
0
0
0 0
Note: cos 1
cos 180 30 cos sin 180 30 sin
3
2 cos 30 .cos sin 30 sin
cos 30 cos sin 30 sin
3
2 cos 30 .cos sin 30 s
80 30 cos 30
sin 180 30 sin 30
in
m
dc
m
dc
V
V
V
V
 
  
 
  
 
 
   
 

 
 
 
 
 
 
 
 
 





   
 
   
 
0
3
2cos 30 cos
2
3 3
2 cos
2 2
3 3 3
3 cos cos
2 2
3
cos
2
Where 3 Max. line to line supply voltage
m
dc
m
dc
m m
dc
Lm
dc
Lm m
V
V
V
V
V V
V
V
V
V V




 
 


 
  
 
 
 
 
 
 
 

 
 
max
The maximum average or dc output voltage is
obtained at a delay angle 0 and is given by
3 3
2
Where is the peak phase voltage.
And the normalized average output voltage is
m
dm
dc
m
d
dcn n
V
V V
V
V
V V



 
  cos
c
dm
V


   
 
1
5 2
6
2 2
6
1
2
The rms value of output voltage is found by
using the equation
3
sin .
2
and we obtain
1 3
3 cos2
6 8
m
O RMS
m
O RMS
V V t d t
V V




 





 
 
  
 
 
 
 
 
 

3 Phase Half Wave
Controlled Rectifier Output
Voltage Waveforms For RL
Load
at
Different Trigger Angles
0
0
30
0
30
0
60
0
60
0
90
0
90
0
120
0
120
0
150
0
150
0
180
0
180
0
210
0
210
0
240
0
240
0
270
0
270
0
300
0
300
0
330
0
330
0
360
0
360
0
390
0
390
0
420
0
420
0
Van

V0

V0
Van


=30
0
=60
0
Vbn
Vbn
Vcn
Vcn
t
t
=300
=600
0
30
0
60
0
90
0
120
0
150
0
180
0
210
0
240
0
270
0
300
0
330
0
360
0
390
0
420
0

V0
Van

=90
0
Vbn Vcn
t
=900
3 Phase Half Wave
Controlled Rectifier With
R Load
and
RL Load with FWD
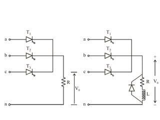
a a
b b
c c
R
V0
L
R V0
+

T1
T2
T3
n n
T1
T2
T3
3 Phase Half Wave
Controlled Rectifier Output
Voltage Waveforms For R Load
or RL Load with FWD
at
Different Trigger Angles
0
0
30
0
30
0
60
0
60
0
90
0
90
0
120
0
120
0
150
0
150
0
180
0
180
0
210
0
210
0
240
0
240
0
270
0
270
0
300
0
300
0
330
0
330
0
360
0
360
0
390
0
390
0
420
0
420
0
Vs
V0
Van

=0
=150
Vbn Vcn
t
Van
Vbn Vcn
t
=00
=150
0
0
30
0
30
0
60
0
60
0
90
0
90
0
120
0
120
0
150
0
150
0
180
0
180
0
210
0
210
0
240
0
240
0
270
0
270
0
300
0
300
0
330
0
330
0
360
0
360
0
390
0
390
0
420
0
420
0


V0
=30
0
Van
Vbn Vcn
t
V0
=600
Van
Vbn Vcn
t
=300
=600
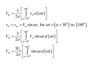
To Derive An
Expression For The Average Or
Dc Output Voltage Of A
3 Phase Half Wave Converter
With Resistive Load
Or
RL Load With FWD
 
 
 
 
 
0
1
0 0
1
0
2
0 0
2
0
30
6
30 180 ;
sin
5
150
6
150 300 ;
sin 120
O an m
O bn m
T is triggered at t
T conducts from to
v v V t
T is triggered at t
T conducts from to
v v V t

  



  


 
   
 
 

 
 
   
 
 

  
 
 
 
 
0
3
0 0
3
0
0
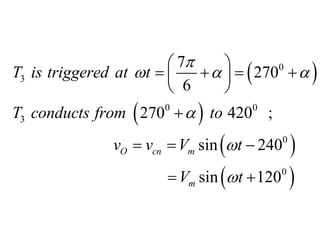
7
270
6
270 420 ;
sin 240
sin 120
O cn m
m
T is triggered at t
T conducts from to
v v V t
V t

  



 
   
 
 

  
 
 
   
 
 
0
0
0
0
0
0
180
30
0 0
180
30
180
30
3
.
2
sin ; for 30 to 180
3
sin .
2
3
sin .
2
dc O
O an m
dc m
m
dc
V v d t
v v V t t
V V t d t
V
V t d t





  
 

 




 
  
 
 
   
 
  
 
 
 
  
 
 



 
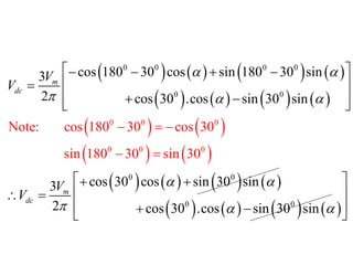
 
0
0
180
30
0 0
0
0
3
cos
2
3
cos180 cos 30
2
cos180 1, we get
3
1 cos 30
2
m
dc
m
dc
m
dc
V
V t
V
V
V
V








 
 
 
 
 
 
   
 
 
 
  
 
Three Phase Semiconverters
• 3 Phase semiconverters are used in
Industrial dc drive applications upto 120kW
power output.
• Single quadrant operation is possible.
• Power factor decreases as the delay angle
increases.
• Power factor is better than that of 3 phase
half wave converter.
3 Phase
Half Controlled Bridge Converter
(Semi Converter)
with Highly Inductive Load &
Continuous Ripple free Load
Current
Wave forms of 3 Phase
Semiconverter for
 > 600
0 0
1
3 phase semiconverter output ripple frequency of
output voltage is 3
The delay angle can be varied from 0 to
During the period
30 210
7
, thyristor T is forward biased
6 6
S
f
t
t
 

 

 
 
1
1 1
If thyristor is triggered at ,
6
& conduct together and the line to line voltage
appears across the load.
7
At , becomes negative & FWD conducts.
6
The load current contin
ac
ac m
T t
T D
v
t v D

 


 
 
 
 

1 1
ues to flow through FWD ;
and are turned off.
m
D
T D
1
2
1 2
If FWD is not used the would continue to
conduct until the thyristor is triggered at
5
, and Free wheeling action would
6
be accomplished through & .
If the delay angle , e
3
m
D T
T
t
T D

 


 
 
 
 
 ach thyristor conducts
2
for and the FWD does not conduct.
3
m
D

 
 
 
0
0
0
We deifine three line neutral voltages
(3 phase voltages) as follows
sin ; Max. Phase Voltage
2
sin sin 120
3
2
sin sin 120
3
sin 240
RN an m m
YN bn m m
BN cn m m
m
v v V t V
v v V t V t
v v V t V t
V t
V


 

 

  
 
    
 
 
 
    
 
 
 
is the peak phase voltage of a wye-connected source.
m
 
 
 
 
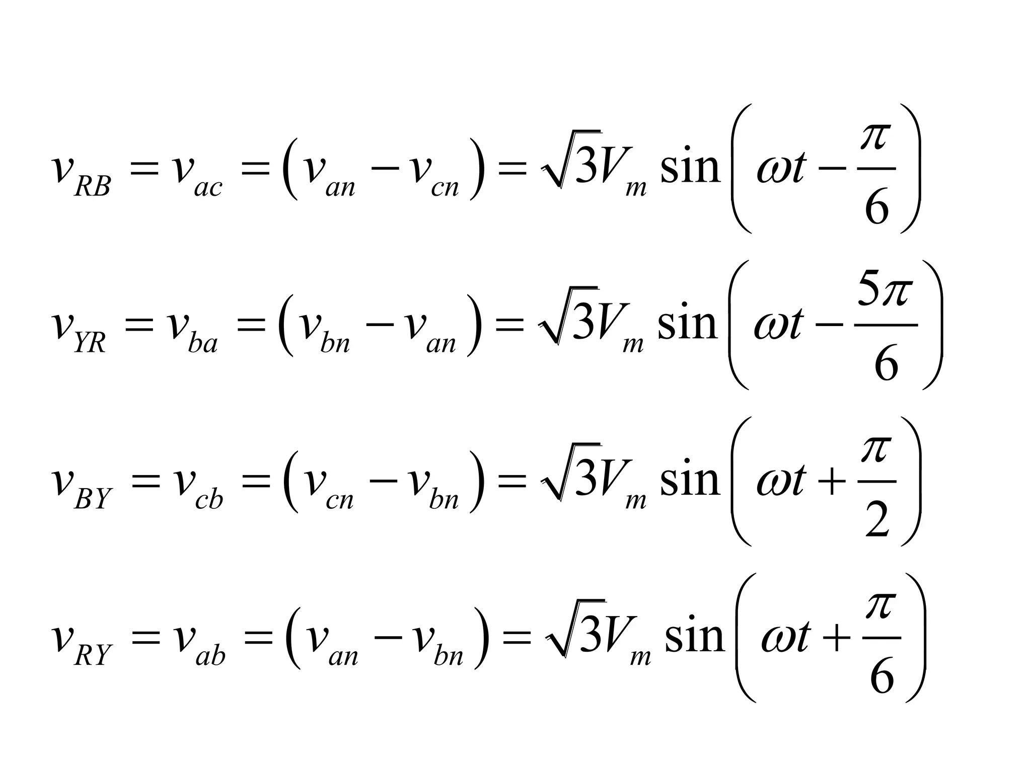
3 sin
6
5
3 sin
6
3 sin
2
3 sin
6
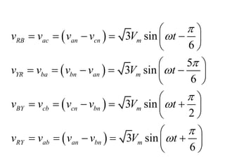
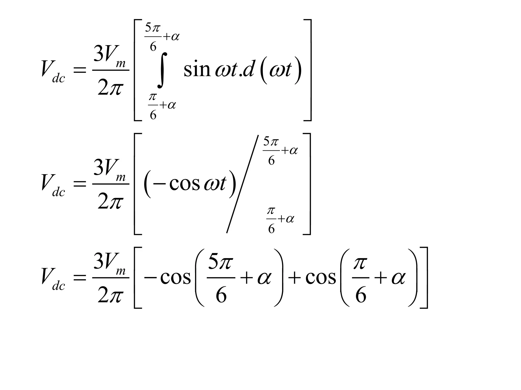
RB ac an cn m
YR ba bn an m
BY cb cn bn m
RY ab an bn m
v v v v V t
v v v v V t
v v v v V t
v v v v V t








 
    
 
 
 
    
 
 
 
    
 
 
 
    
 
 
Wave forms of 3 Phase
Semiconverter for
  600
To derive an
Expression for the
Average Output Voltage
of 3 Phase Semiconverter
for  >  / 3
and Discontinuous Output Voltage
 
 
7
6
6
7
6
6
For and discontinuous output voltage:
3
the Average output voltage is found from
3
.
2
3
3 sin
2 6
dc ac
dc m
V v d t
V V t d t











 




 
 

 
 
 
 
 
 
 
 
 
 


 
 
 
max
3 3
1 cos
2
3
1 cos
2
3 Max. value of line-to-line supply voltage
The maximum average output voltage that occurs at
a delay angle of 0 is
3 3
m
dc
mL
dc
mL m
m
dm
dc
V
V
V
V
V V
V
V V






 
 
 

 
 
   
1
7 2
6
2
6
The normalized average output voltage is
0.5 1 cos
The rms output voltage is found from
3
.
2
dc
n
dm
ac
O rms
V
V
V
V v d t







  
 
 

 
 

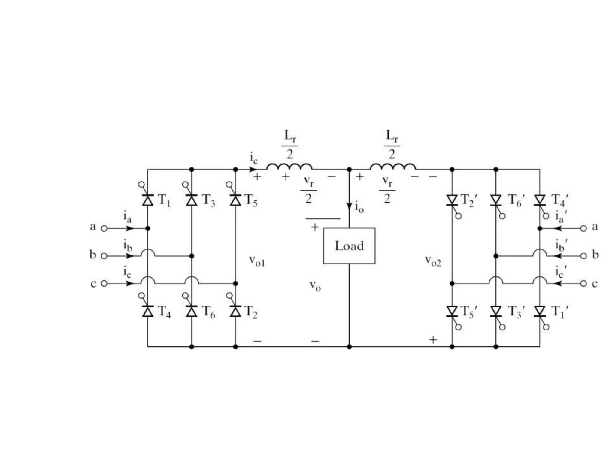
Three Phase Dual Converters
• For four quadrant operation in many industrial
variable speed dc drives , 3 phase dual
converters are used.
• Used for applications up to 2 mega watt output
power level.
• Dual converter consists of two 3 phase full
converters which are connected in parallel & in
opposite directions across a common load.
Outputs of Converters 1 & 2
• During the interval (/6 + 1) to (/2 + 1),
the line to line voltage vab appears across
the output of converter 1 and vbc appears
across the output of converter 2
 
 
 
0
0
0
We deifine three line neutral voltages
(3 phase voltages) as follows
sin ;
Max. Phase Voltage
2
sin sin 120
3
2
sin sin 120
3
sin 240
RN an m
m
YN bn m m
BN cn m m
m
v v V t
V
v v V t V t
v v V t V t
V t


 

 

 

 
    
 
 
 
    
 
 
 
 
 
 
0
0
0
We deifine three line neutral voltages
(3 phase voltages) as follows
sin ;
Max. Phase Voltage
2
sin sin 120
3
2
sin sin 120
3
sin 240
RN an m
m
YN bn m m
BN cn m m
m
v v V t
V
v v V t V t
v v V t V t
V t


 

 

 

 
    
 
 
 
    
 
 
 
To obtain an Expression for the Circulating
Current
If vO1 and vO2 are the output voltages of
converters 1 and 2 respectively, the
instantaneous voltage across the current
limiting inductor during the interval
(/6 + 1)  t  (/2 + 1) is given by
1 2
3 sin sin
6 2
3 cos
6
The circulating current can be calculated by
using the equation
r O O ab bc
r m
r m
v v v v v
v V t t
v V t
 
 


   
 
   
   
   
 
   
 
 
 
 
 
   
   
 
 
1
1
6
6
1
max
1
.
1
3 cos .
6
3
sin sin
6
3
t
r r
r
t
r m
r
m
r
r
m
r
r
i t v d t
L
i t V t d t
L
V
i t t
L
V
i
L









 


 





 
 
 
 
 
 
  
 
 
 
 



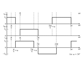
Four Quadrant Operation
• There are two different modes of
operation.
 Circulating current free
(non circulating) mode of operation
 Circulating current mode of operation
Non Circulating
Current Mode Of Operation
• In this mode of operation only one converter is
switched on at a time
• When the converter 1 is switched on,
For 1 < 900 the converter 1 operates in the
Rectification mode
Vdc is positive, Idc is positive and hence the
average load power Pdc is positive.
• Power flows from ac source to the load
• When the converter 1 is on,
For 1 > 900 the converter 1
operates in the Inversion mode
Vdc is negative, Idc is positive and the
average load power Pdc is negative.
• Power flows from load circuit to ac
source.
• When the converter 2 is switched on,
For 2 < 900 the converter 2 operates in
the Rectification mode
Vdc is negative, Idc is negative and the
average load power Pdc is positive.
• The output load voltage & load current
reverse when converter 2 is on.
• Power flows from ac source to the load
• When the converter 2 is switched on,
For 2 > 900 the converter 2 operates in the
Inversion mode
Vdc is positive, Idc is negative and the average
load power Pdc is negative.
• Power flows from load to the ac source.
• Energy is supplied from the load circuit to the ac
supply.
• Both the converters are switched on at the same
time.
• One converter operates in the rectification mode
while the other operates in the inversion mode.
• Trigger angles 1 & 2 are adjusted such that
(1 + 2) = 1800
Circulating Current
Mode Of Operation
When 1 < 900, converter 1 operates
as a controlled rectifier. 2 is made
greater than 900 and converter 2
operates as an Inverter.
• Vdc is positive & Idc is positive and
Pdc is positive.
• When 2 < 900, converter 2 operates
as a controlled rectifier. 1 is made
greater than 900 and converter 1
operates as an Inverter.
• Vdc is negative & Idc is negative and
Pdc is positive.

Unit2

  • 1.
  • 2.
  • 3.
    Semiconverter ..is a one-quadrantconverter and it has one polarity Full converter ..is a two-quadrant converter and the polarity of its output can be either positive or negative. However the output current of full converter has one polarity only Dual converter ..can operate in four quadrants ; both the output voltage and current can be either positive or negative
  • 5.
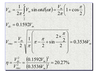
                  cos 1 2 sin 2 1 m m dc V t td V V Average Output Voltage  m dm V V  Maximum Output Voltage    cos 1 5 . 0    dm dc n V V V Normalizing Output Voltage              2 2 sin 1 2 sin 2 1 2 2          m m rms V t td V V RMS Output Voltage
  • 6.
    If the converterhas a purely resistive load of R and the delay angle is , determine (a) the rectification efficiency (b) the form factor FF (c) the ripple factor RF and (d) the peak inverse voltage PIV of thyristor T1 2 /   
  • 7.
         % 27 . 20 3536 . 0 1592 . 0 3536 . 0 2 2 2 sin 2 1 2 1592 . 0 2 cos 1 2 sin 2 1 2 2 2 2 2                                m m rms dc m m rms m dc m m dc V V V V V V V V V V t td V V            
  • 8.
    If the converterhas a purely resistive load of R and the delay angle is , determine (a) the rectification efficiency (b) the form factor FF (c) the ripple factor RF and (d) the peak inverse voltage PIV of thyristor T1 2 /    221 . 2 1592 . 0 3536 . 0    m m dc rms V V V V FF
  • 9.
    If the converterhas a purely resistive load of R and the delay angle is , determine (a) the rectification efficiency (b) the form factor FF (c) the ripple factor RF and (d) the peak inverse voltage PIV of thyristor T1 2 /    983 . 1 1 221 . 2 1 2 2      FF RF m V PIV 
  • 10.
  • 11.
    Single-Phase Semiconverter                        t td V V V t td V V m rms m m dc 2 2 sin 2 2 cos 1 sin 2 2
  • 12.
    Single-Phase Semiconverter (RL-load)                        L R L R L L L L L e R E e I t i I E Ri dt di L 1 0 0 1 1 1 1     t L R S L S L S L L e Z V R E I R E t Z V I t V E Ri dt di L                         sin 2 sin 2 sin 2 1 2 2 2 Mode 1     t 0 Mode 2      t R L   1 tan   2 2 L R Z   
  • 13.
    Single-Phase Semiconverter (RL-load) RMSCurrent for Thyristor         t d i I L R 2 2 2 1 RMS Current for Thyristor         t d i I L A 2 2 1 RMS Output Current                t d i t d i I L L rms 2 2 0 2 1 2 1 2 1 AVG Output Current                t d i t d i Idc 2 0 1 2 1 2 1
  • 14.
    The single-phase semiconverterhas an RL load of L = 6.5mH, R = 2.5 Ohm, and E = 10 V. The input voltage is VS = 120 V(rms) at 60 Hz. Determine (a) the load current IL0 at , and the load current IL1 at , (b) the average thyristor current IA (c) the rms thyristor current IR (d) the rms output current Irms and (e) the average output current Idc 0  t     60  t
  • 15.
  • 16.
    Single-Phase Full Converter    2 sin 2 2 cos 2 sin 2 2 2 2 m m rms m m dc V t d t V V V t d t V V                      
  • 17.
    Single-Phase Full Converter(RL-load)     t L R S L S L e Z V R E I R E t Z V I                     sin 2 sin 2 0 Mode 1 = Mode 2 R L   1 tan   2 2 L R Z   
  • 18.
    Single-Phase Full Converter(RL-load) RMS Current for Thyristor           t d i I L R 2 2 1 RMS Current for Thyristor           t d i I L A 2 1 RMS Output Current R R R rms I I I I 2 2 2    AVG Output Current A A A dc I I I I 2   
  • 19.
  • 20.
    Single-Phase Dual Converter High-PowerVariable-Speed Drives 2 1 2 2 1 1 cos 2 cos 2 dc dc m dc m dc V V V V V V        
  • 21.
  • 22.
    3 Phase ControlledRectifiers • Operate from 3 phase ac supply voltage. • They provide higher dc output voltage. • Higher dc output power. • Higher output voltage ripple frequency. • Filtering requirements are simplified for smoothing out load voltage and load current.
  • 23.
    • Extensively usedin high power variable speed industrial dc drives. • Three single phase half-wave converters can be connected together to form a three phase half-wave converter.
  • 24.
    3-Phase Half Wave Converter (3-PulseConverter) with RL Load Continuous & Constant Load Current Operation
  • 26.
    Vector Diagram of 3Phase Supply Voltages VAN VCN VBN 120 0 120 0 120 0 RN AN YN BN BN CN v v v v v v   
  • 27.
    3 Phase SupplyVoltage Equations We deifine three line to neutral voltages (3 phase voltages) as follows
  • 28.
         0 0 0 sin ; Max. Phase Voltage 2 sin 3 sin 120 2 sin 3 sin 120 sin 240 RN an m m YN bn m m BN cn m m m v v V t V v v V t V t v v V t V t V t                                   
  • 29.
  • 30.
  • 31.
    To Derive an Expressionfor the Average Output Voltage of a 3-Phase Half Wave Converter with RL Load for Continuous Load Current
  • 32.
         0 1 0 2 0 3 0 30 6 5 150 6 7 270 6 2 Each thytistor conducts for 120 or radians 3 T is triggered at t T is triggered at t T is triggered at t                                           
  • 33.
        5 6 6 5 6 6 3 sin. 2 3 cos 2 3 5 cos cos 2 6 6 m dc m dc m dc V V t d t V V t V V                                                                     
  • 34.
                           0 0 0 Note from the trigonometric relationship cos cos .cos sin .sin 5 5 cos cos sin sin 6 6 3 2 co cos 150 cos sin 150 sin 3 2 cos 30 s .cos sin sin 6 6 .cos m dc m dc A V V B A B A B V V                                                                   0 sin 30 sin         
  • 35.
                                           0 0 0 0 0 0 0 0 0 0 0 0 0 0 0 0 Note: cos 1 cos 180 30 cos sin 180 30 sin 3 2 cos 30 .cos sin 30 sin cos 30 cos sin 30 sin 3 2 cos 30 .cos sin 30 s 80 30 cos 30 sin 180 30 sin 30 in m dc m dc V V V V                                            
  • 36.
               0 3 2cos 30 cos 2 3 3 2 cos 2 2 3 3 3 3 cos cos 2 2 3 cos 2 Where 3 Max. line to line supply voltage m dc m dc m m dc Lm dc Lm m V V V V V V V V V V V                                
  • 37.
      max The maximumaverage or dc output voltage is obtained at a delay angle 0 and is given by 3 3 2 Where is the peak phase voltage. And the normalized average output voltage is m dm dc m d dcn n V V V V V V V        cos c dm V  
  • 38.
         1 5 2 6 2 2 6 1 2 The rms value of output voltage is found by using the equation 3 sin . 2 and we obtain 1 3 3 cos2 6 8 m O RMS m O RMS V V t d t V V                               
  • 39.
    3 Phase HalfWave Controlled Rectifier Output Voltage Waveforms For RL Load at Different Trigger Angles
  • 40.
  • 41.
  • 42.
    3 Phase HalfWave Controlled Rectifier With R Load and RL Load with FWD
  • 43.
    a a b b cc R V0 L R V0 +  T1 T2 T3 n n T1 T2 T3
  • 44.
    3 Phase HalfWave Controlled Rectifier Output Voltage Waveforms For R Load or RL Load with FWD at Different Trigger Angles
  • 45.
  • 46.
  • 47.
    To Derive An ExpressionFor The Average Or Dc Output Voltage Of A 3 Phase Half Wave Converter With Resistive Load Or RL Load With FWD
  • 48.
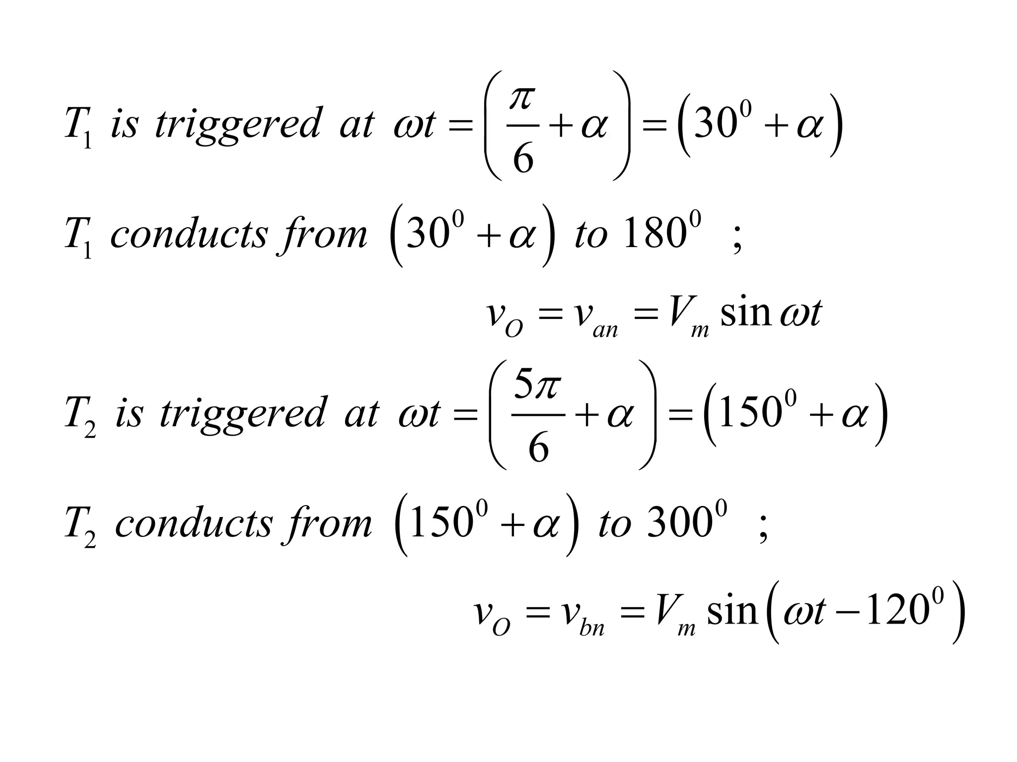
             0 1 0 0 1 0 2 0 0 2 0 30 6 30 180 ; sin 5 150 6 150 300 ; sin 120 O an m O bn m T is triggered at t T conducts from to v v V t T is triggered at t T conducts from to v v V t                                       
  • 49.
           0 3 0 0 3 0 0 7 270 6 270 420 ; sin 240 sin 120 O cn m m T is triggered at t T conducts from to v v V t V t                       
  • 50.
             0 0 0 0 0 0 180 30 0 0 180 30 180 30 3 . 2 sin ; for 30 to 180 3 sin . 2 3 sin . 2 dc O O an m dc m m dc V v d t v v V t t V V t d t V V t d t                                                   
  • 51.
        0 0 180 30 00 0 0 3 cos 2 3 cos180 cos 30 2 cos180 1, we get 3 1 cos 30 2 m dc m dc m dc V V t V V V V                                   
  • 52.
    Three Phase Semiconverters •3 Phase semiconverters are used in Industrial dc drive applications upto 120kW power output. • Single quadrant operation is possible. • Power factor decreases as the delay angle increases. • Power factor is better than that of 3 phase half wave converter.
  • 53.
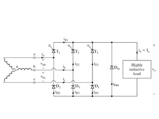
    3 Phase Half ControlledBridge Converter (Semi Converter) with Highly Inductive Load & Continuous Ripple free Load Current
  • 55.
    Wave forms of3 Phase Semiconverter for  > 600
  • 58.
    0 0 1 3 phasesemiconverter output ripple frequency of output voltage is 3 The delay angle can be varied from 0 to During the period 30 210 7 , thyristor T is forward biased 6 6 S f t t          
  • 59.
    1 1 1 If thyristoris triggered at , 6 & conduct together and the line to line voltage appears across the load. 7 At , becomes negative & FWD conducts. 6 The load current contin ac ac m T t T D v t v D               1 1 ues to flow through FWD ; and are turned off. m D T D
  • 60.
    1 2 1 2 If FWDis not used the would continue to conduct until the thyristor is triggered at 5 , and Free wheeling action would 6 be accomplished through & . If the delay angle , e 3 m D T T t T D               ach thyristor conducts 2 for and the FWD does not conduct. 3 m D 
  • 61.
         0 0 0 We deifine three line neutral voltages (3 phase voltages) as follows sin ; Max. Phase Voltage 2 sin sin 120 3 2 sin sin 120 3 sin 240 RN an m m YN bn m m BN cn m m m v v V t V v v V t V t v v V t V t V t V                                    is the peak phase voltage of a wye-connected source. m
  • 62.
           3 sin 6 5 3 sin 6 3 sin 2 3 sin 6 RB ac an cn m YR ba bn an m BY cb cn bn m RY ab an bn m v v v v V t v v v v V t v v v v V t v v v v V t                                                    
  • 63.
    Wave forms of3 Phase Semiconverter for   600
  • 67.
    To derive an Expressionfor the Average Output Voltage of 3 Phase Semiconverter for  >  / 3 and Discontinuous Output Voltage
  • 68.
        7 6 6 7 6 6 Forand discontinuous output voltage: 3 the Average output voltage is found from 3 . 2 3 3 sin 2 6 dc ac dc m V v d t V V t d t                                            
  • 69.
         max 3 3 1 cos 2 3 1 cos 2 3 Max. value of line-to-line supply voltage The maximum average output voltage that occurs at a delay angle of 0 is 3 3 m dc mL dc mL m m dm dc V V V V V V V V V               
  • 70.
         1 7 2 6 2 6 The normalized average output voltage is 0.5 1 cos The rms output voltage is found from 3 . 2 dc n dm ac O rms V V V V v d t                    
  • 71.
    Three Phase DualConverters • For four quadrant operation in many industrial variable speed dc drives , 3 phase dual converters are used. • Used for applications up to 2 mega watt output power level. • Dual converter consists of two 3 phase full converters which are connected in parallel & in opposite directions across a common load.
  • 75.
    Outputs of Converters1 & 2 • During the interval (/6 + 1) to (/2 + 1), the line to line voltage vab appears across the output of converter 1 and vbc appears across the output of converter 2
  • 76.
         0 0 0 We deifine three line neutral voltages (3 phase voltages) as follows sin ; Max. Phase Voltage 2 sin sin 120 3 2 sin sin 120 3 sin 240 RN an m m YN bn m m BN cn m m m v v V t V v v V t V t v v V t V t V t                                   
  • 77.
         0 0 0 We deifine three line neutral voltages (3 phase voltages) as follows sin ; Max. Phase Voltage 2 sin sin 120 3 2 sin sin 120 3 sin 240 RN an m m YN bn m m BN cn m m m v v V t V v v V t V t v v V t V t V t                                   
  • 78.
    To obtain anExpression for the Circulating Current If vO1 and vO2 are the output voltages of converters 1 and 2 respectively, the instantaneous voltage across the current limiting inductor during the interval (/6 + 1)  t  (/2 + 1) is given by
  • 79.
    1 2 3 sinsin 6 2 3 cos 6 The circulating current can be calculated by using the equation r O O ab bc r m r m v v v v v v V t t v V t                                        
  • 80.
               1 1 6 6 1 max 1 . 1 3 cos . 6 3 sin sin 6 3 t r r r t r m r m r r m r r i t v d t L i t V t d t L V i t t L V i L                                              
  • 81.
  • 82.
    • There aretwo different modes of operation.  Circulating current free (non circulating) mode of operation  Circulating current mode of operation
  • 83.
    Non Circulating Current ModeOf Operation • In this mode of operation only one converter is switched on at a time • When the converter 1 is switched on, For 1 < 900 the converter 1 operates in the Rectification mode Vdc is positive, Idc is positive and hence the average load power Pdc is positive. • Power flows from ac source to the load
  • 84.
    • When theconverter 1 is on, For 1 > 900 the converter 1 operates in the Inversion mode Vdc is negative, Idc is positive and the average load power Pdc is negative. • Power flows from load circuit to ac source.
  • 85.
    • When theconverter 2 is switched on, For 2 < 900 the converter 2 operates in the Rectification mode Vdc is negative, Idc is negative and the average load power Pdc is positive. • The output load voltage & load current reverse when converter 2 is on. • Power flows from ac source to the load
  • 86.
    • When theconverter 2 is switched on, For 2 > 900 the converter 2 operates in the Inversion mode Vdc is positive, Idc is negative and the average load power Pdc is negative. • Power flows from load to the ac source. • Energy is supplied from the load circuit to the ac supply.
  • 87.
    • Both theconverters are switched on at the same time. • One converter operates in the rectification mode while the other operates in the inversion mode. • Trigger angles 1 & 2 are adjusted such that (1 + 2) = 1800 Circulating Current Mode Of Operation
  • 88.
    When 1 <900, converter 1 operates as a controlled rectifier. 2 is made greater than 900 and converter 2 operates as an Inverter. • Vdc is positive & Idc is positive and Pdc is positive.
  • 89.
    • When 2< 900, converter 2 operates as a controlled rectifier. 1 is made greater than 900 and converter 1 operates as an Inverter. • Vdc is negative & Idc is negative and Pdc is positive.