20EE014 Power Electronics
UNIT 4 - INVERTERS
D.Poornima,
Assistant Professor (Sr.Gr),
Department of EEE,
Sri Ramakrishna Institute of Technology,
Coimbatore
What is an Inverter?
● A static device that converts DC power into AC power at desired output
voltage and frequency is called an Inverter.
● Applications
• Variable speed induction motor drives
• Adjustable speed ac drives
• Induction heating
• Uninterruptible power supply (UPS)
• Standby power supply
• HVDC power transmission
• Variable voltage and variable frequency power supply
• Battery operated vehicle drives
Classification of Inverters
Inverters can be classified depending upon the following factors:
1. Input source
2. Commutation
3. Circuit configuration
4. Wave shape of output voltage
Input source
Based on the nature of input source, inverters are classified as
• Current Source Inverter (CSI)
• Voltage Source Inverter (VSI)
Current Source Inverter (CSI): A current source with high internal
impedance is used as input of inverter. In CSI, the supply current
does not change very rapidly, but the load current can be controlled by
varying dc input voltage of CSI. This inverter is commonly used in very high
power applications such as induction motor drives.
Voltage Source Inverter (VSI): A dc voltage source with very small internal
impedance is used as input of inverter. The dc side terminal voltage is
constant, but the ac side output voltage may be constant
or variable irrespective of load current.
Commutation
According to commutation method, inverters may be classified as
• Line Commutated Inverters
• Forced Commutated Inverters.
Line commutated inverters: Single-phase or three-phase fully controlled converter
acts as an inverter when the firing angle a is greater than 90º .
Forced commutated inverters: Additional circuits are required for commutation of
thyristors. Depending upon the commutation technique, these inverters are classified
as an auxiliary commutated inverters and complementary commutated inverters.
Auxiliary commutated inverters: An auxiliary thyristor must be used to turn OFF a
conducting thyristor.
Complementary commutated inverters: Tightly couple inductors can be used to turn
OFF the other thyristor of a pair.
Circuit Configuration
According to circuit topology inverters can be classified as
• Series Inverters
• Parallel Inverters
• Half Bridge Inverters And Full Bridge Inverters.
Series inverters: Inductor L and capacitor C are connected in series with the load
and used as commutating elements
Parallel inverters: Commutating elements are connected in parallel with the
conducting thyristor.
Half-bridge inverters and full bridge inverters: In half-bridge inverters, only one
leg of
bridge exists.
In case of full bridge inverters, either two legs or three legs are existing for single-
phase
Wave Shape Of Output Voltage
In an ideal inverter, output voltage must be purely sinusoidal. But due to switching of
semiconductor devices as per requirement of inverter operation, output voltage is
non-sinusoidal and it contains harmonics. Depending upon the output voltage
waveform this inverter can also be classified as
• Square Wave Inverters
• Pulse Width Modulation Inverters.
Square Wave Inverters: Generates a square wave ac output voltage of constant
amplitude. The amplitude of the output voltage of inverter can be controlled by
varying the input dc voltage.
Pulse Width Modulation Inverter: Output voltage contains one or more pulses in
each half cycle. By varying the width of these pulses, the amplitude of output
voltage can be controlled though the input dc voltage is constant.
Single Phase Voltage Source Inverters
TYPES
Single phase Inverter
Half Bridge Inverter
Full Bridge Inverter
Three phase voltage source inverter
180 degree mode
120 degree mode
Single Phase Half Bridge Inverter (VSI)
• Half-bridge inverter has two diodes and two
switches which are connected in anti-parallel.
• The two switches are complementary switches
which means when the first switch is ON the
second switch will be OFF
• Similarly, when the second switch is ON the first
switch will be OFF.
Single Phase Half Bridge Inverter with R Load (VSI)
Case 1 (when switch S1 is ON and S2 is OFF):
• When switch S1 is ON from a time period of 0 to T/2, the
diode D1 and D2 are in reverse bias condition and
S2 switch is OFF.
• Applying KVL (Kirchhoff’s Voltage Law)
Vs/2-V0=0
output voltage V0= Vs/2
output current i0 = V0/R= Vs/2R
Case 2 (when switch S2 is ON and S1 is OFF):
• When switch S2 is ON from a time period of T/2 to T,
the diode D1 and D2 are in reverse bias condition and
S1 switch is OFF.
• Applying KVL (Kirchhoff’s Voltage Law)
V/2+V0=0
• Where output voltage V0= -V/2
• Where output current i0 = V0/R= -V/2R
Single-Phase
half-Bridge VSI
with R load -
Waveforms
• The average value of output voltage is
• The average value of output voltage and output current is
V0 (avg) = 0
I0 (avg) = 0
• The RMS value of output voltage and output current is
V0 (RMS)= VS/2
I0 (RMS) = V0 (RMS) /R =VS/2R
• The output voltage we are getting in an inverter is not pure sinewave i.e a square wave.
Single Phase Half Bridge Inverter with RL Load
• The output voltage waveform is similar to that with a resistive-load
• The load-current cannot change immediately with the output voltage.
• D1 and D2 are known as the feedback diodes.
• Operation can be divided into four different modes
• 1. Mode I (0 ≤ t ≤ t1) : Switch S1 conducts
• 2. Mode II (t1 ≤ t ≤ T/2) : Diode D2 conducts
• 3. Mode III (T/2 ≤ t ≤ t2) : Switch S2 conducts
• 4. Mode IV (t2 ≤ t ≤ T) : Diode D1 conducts
Single-Phase half-Bridge
VSI with RL load -
Waveforms
Mode I (t1≤ t ≤ T/2)
• S1 is turned-on at instant t1, the load
voltage is equal to +V/2 ,positive load
current increases gradually.
• At instant T/2, the load- current
reaches the peak value.
• Switch S1 is turned-off at this instant.
• Due to same-polarity of load voltage
and load current, the energy is stored
by the load
Mode II (T/2 ≤ t ≤ t2)
• Due to inductive-load, the load current
direction will be maintained even-after
S1 is turned-off.
• The self-induced voltage in the load
will be negative.
• The load current flows through lower
half of the supply and D2
• The stored energy in load is fed back
to the lower half of the source and the
load voltage is clamped to −V/2.
Mode III (t2 ≤ t ≤ T)
• At instant t2, the load-current goes to
zero, indicating that the stored energy
has been returned back to the lower
half of supply.
• At instant t2,S2 is turned-on.
• This will produce a negative load voltage
V0= −V/2 and a negative load current.
• Load current reaches a negative peak at
the end of this interval at T.
Mode IV (0 ≤ t ≤ t1)
• Switch S2 is turned-off at instant T (0r 0).
• The self induced voltage in the inductive
load will maintain the load current
through Diode D1.
• The load voltage changes its polarity to
become positive V/2, load current
remains negative
• Stored energy in the load is returned back
to the upper half of the d.c source
• At t1, the load current goes to 0 and S1
can be turned-on again.
• This cycle of operation repeats.
WAVEFORMS WITH DIFFERENT LOADS
Single Phase Full Bridge Inverter
• In this type of inverter, four switches are used.
• The main difference between half bridge and full bridge inverter is the maximum value of
output voltage.
• In half bridge inverter, peak voltage is half of the DC supply voltage.
• In full bridge inverter, peak voltage is same as the DC supply voltage.
Single Phase Full Bridge Inverter with R Load (VSI)
• In this type of inverter, two pairs of controlled switches and two pairs of diodes are there.
• Only one pair of devices conduct simultaneously.
• Diodes are used a feedback diodes
• Working can be divided into two modes
Mode 1: 0< t ≤(T/2)
• Switches S1 and S2 are closed for T/2
• load voltage Vo = V
• The current flows through load is V/R
Mode 2: (T/2)< t ≤T
• Switches S1 and S2 are switched
off S3 & S4 conducts
• Load voltage Vo = -Vs
• Load current I = -V/R
• The average value of output voltage is
• The average value of output voltage and output current is
V0 (avg) = 0
I0 (avg) = 0
• The RMS value of output voltage and output current is
V0 (RMS)= VS
I0 (RMS) = V0 (RMS) /R =VS/R
• The output voltage we are getting in an inverter is not pure sinewave i.e a square wave.
Single Phase Full Bridge Inverter with RL Load (VSI)
• In this type of inverter, two pairs of controlled switches and two pairs of diodes are there.
• Only one pair of devices conduct simultaneously.
• Diodes are used a feedback diodes
• Working can be divided into four modes
1. Mode I (t1 ≤ t ≤ T/2) : Switches S1 and S2 conduct
2. Mode II (T/2 ≤ t ≤ t2) : Diode D3 and D4 conduct
3. Mode III (t2 ≤ t ≤ T) : Switches S3 and S4 conduct
4. Mode IV (0 ≤ t ≤ t1) : Diodes D1 and D2 conduct
Single-Phase
Full-Bridge VSI
with RL load -
Waveforms
Mode I (t1≤ t ≤ T/2)
• At t=t1,D1 and D2 are turned off
• S1 and S2 are turned on
• Load current starts flowing in +ve
direction
• Reaches its +ve peak at t=T/2
• Output current and voltage are
positive
• Energy is stored in the inductor
Mode II (T/2 ≤ t ≤ t2)
• At t= T/2 S1 and S2 are turned off
• Current is at +ve peak I0
• Due to inductive load current cannot reverse instantly
• Diodes D3 and D4 start conducting at t=T/2
• Output voltage is –V and current
decreases
• During this interval V0 is –ve and I0 is +ve
• Energy stored in the inductor is fed
back to source
• Current reaches zero at t=t2
Mode III (t2 ≤ t ≤ T)
• At t= t2 D3 and D4 turned off
• S3 and S4 turned on
• Load current flows in the –ve direction
• Reaches maximum –ve at t=T
Mode IV (0 ≤ t ≤ t1)
• At t=0, S3 and S4 are turned off
• Load current is at its negative peak
• Since load is inductive, current direction
cannot be made –ve instantly
• D1 and D2 starts to conduct at t=0
• Output voltage is +V and current
increases from –I0 and flows through D1
,D2
• Energy stored in the inductor during
previous cycle is fed back to the DC
supply
• At t=t1, load current becomes zero.
Three Phase Bridge Inverters
• The output of a single-phase inverter is a non-
sinusoidal waveform
• It consists of harmonics component.
• Suitable only for low power industrial applications.
• Three-phase inverters are used for high power
industrial applications.
• Formed after combining three half-bridge single phase
inverters in parallel
• Consists of six switching devices and six diodes.
• Two modes of operation possible
• 180° conduction mode
• 120° conduction mode
Three Phase Bridge 180 degree Mode VSI
• Each switch conducts for 180°
duration in each cycle of the output
voltage.
• Each leg of three-phase inverter
consists of two switches, one is a
part of positive group switches and
other is a part of negative group
switches.
• When a positive group switch of a
leg conducts for 180° duration, its
corresponding negative group switch
of same leg conducts for next 180°.
• The sequence of switching of
Three Phase Bridge 180 degree Mode VSI
• In this switching scheme, three switches
from three different legs are conducted at a
time.
• Two switches from the same leg are not
switched on simultaneously.
• The one complete cycle of switching can be
operated into six modes and each mode
operates only for 60° duration.
• Assume that the load is connected in
• star and the phase voltages are VAN, VBN and
VCN.
• he line to line voltages are VAB, VBC and VCA
Mode 1 (0°≤ωt ≤ 60°)
• switches S1, S6, and S5 conduct
Mode 2 (60° ≤ωt ≤ 120°)
• switches S1, S6, and S2 conduct
Mode 3 (120°≤ωt ≤ 180°)
• switches S1, S2, and S3 conduct
Mode 4 (180° ≤ωt ≤ 240°)
• switches S2, S3, and S4 conduct
Mode 5 (240°≤ωt ≤ 300°)
• switches S3, S4, and S5 conduct
Mode 6 (300°≤ωt ≤ 360°)
• switches S4, S5, and S6 conduct
Three Phase Bridge 180 degree
Mode VSI - Waveform
Three Phase Bridge
180 degree Mode VSI
– Neutral Voltage
Waveform
Three Phase Bridge
180 degree Mode VSI
– Line Voltage
Waveform
Three Phase Bridge 120 degree Mode VSI
• Each switch conducts for 120°
duration in each cycle of the output
voltage.
• Each leg consists of two switches,
one is a part of positive group
switches and other is a part of
negative group switches.
• The gating signals of switches are
given for every 60°.
• The sequence of switching of
semiconductor switches
Three Phase Bridge 120 degree Mode VSI
• Only two switches conduct at any instant of
time, one from +ve group and other from -
ve group
• One complete cycle of switching is operated
into six modes
• Each mode operates only for 60° duration.
• Assume that the load is connected in
• star and the phase voltages are VAN, VBN and
VCN.
• The line to line voltages are VAB, VBC and VCA
Mode 1 (0°≤ωt ≤ 60°)
• switches S1 and S6conduct
Mode 2 (60°≤ωt ≤ 120°)
• switches S1 and S2 conduct
Mode 3 (120°≤ωt ≤ 180°)
• switches S2 and S3 conduct
Mode 4 (180°≤ωt ≤ 240°)
• switches S3 and S4 conduct
Mode 5 (240°≤ωt ≤ 300°)
• switches S4 and S5 conduct
Mode 6 (300°≤ωt ≤ 360°)
• switches S5 and S6 conduct
Three Phase Bridge 120
degree Mode VSI -
Waveform
Three Phase
Bridge 120
degree Mode
VSI – Neutral
Voltage
Waveform
Three Phase
Bridge 120 degree
Mode VSI – Line
Voltage Waveform
VOLTAGE& HARMONIC CONTROL
Voltage Control of Inverters
• Depending on the nature of load,
 variable ac voltage or
 variable voltage with variable frequency are required at the load.
• Output voltage of inverter can be controlled to get desired output from the system.
• Different methods to control the output voltage of inverter are:
1. External control of dc input voltage of inverter
2. External control of ac output voltage of inverter
3. Internal control of inverter
• The first two methods require additional components.
• Third method requires no additional components.
1. External Control of DC Input Voltage of Inverter
• By controlling the dc input voltage of inverter, the output voltage inverter can be controlled.
• The different schemes are
 Variable dc voltage is obtained from a controlled rectifier and this variable dc voltage is applied to
inverter to get variable ac output voltage.
 Two conversion stages are required and the efficiency of the system is better.
 For low output voltage, the input power factor is low.
 Output voltage contains low frequency harmonics, the size of filter is bulky and the system response
will be sluggish.
 AC voltage is applied to uncontrolled rectifier to get fixed dc voltage which is applied to chopper to
obtain variable dc voltage.
 Chopper operates at very high frequency, the constant dc voltage is converted into a variable dc
voltage at high frequency.
 Due to very high frequency, the size of filter is reduced significantly.
 The fundamental power factor remains unity for all operating conditions
 System loss increases due to an extra converter.
1. External Control of DC Input Voltage of Inverter
 The ac input voltage is initially converted into a variable ac voltage by using ac voltage controller and
subsequently it converts into dc using an uncontrolled rectifier.
 Variable voltage and variable frequency ac output is obtained just after three conversion stages.
 Efficiency of system is poor and the input power factor is poor at low voltages.
1. External Control of DC Input Voltage of Inverter
 The fixed dc voltage is applied to a dc-to-dc converter or chopper to obtain variable dc voltage.
 When the variable dc voltage is applied to an inverter through filter, the controllable ac output
voltage can be obtained from inverter.
1. External Control of DC Input Voltage of Inverter
2. External Control of AC Output Voltage of Inverter
• The external control of ac output voltage of inverter can be possible by the following methods:
1. AC voltage controller
2. Series-connected inverters
AC voltage controller
• An AC voltage controller is inserted between inverter and load.
• When the firing angle of thyristors of ac voltage controller is varied, the variable ac voltage will be
applied to load terminals.
• Harmonics content is high in the output voltage of ac voltage controller
• This is suitable for low power applications only.
Series-connected inverters
• Two or more square wave inverters are connected in series.
• Output of inverters are connected to transformers whose
secondary windings are connected in series.
• The output voltage of transformers Vo1 and Vo2 have same magnitude but have a phase difference Ø.
• The phasor sum of two fundamental voltages Vo1 and Vo2 provides the resultant fundamental voltage
• Harmonics content in the output voltage is large
• This method of voltage control is used for low output voltage levels, i.e., 25% to 30% of the rated voltage.
2. External Control of AC Output Voltage of Inverter
• Since the frequency of output
voltages Vo1 and Vo2 is same, if
the phase difference f is zero, the
output voltage is Vo = Vo1 + Vo2.
• When the phase difference f is π,
the output voltage is
Vo = Vo1 – Vo2 = 0.
• The phase difference can be
varied by changing the firing
angle of two inverters, the output
voltage can be controlled.
• The voltage control using series
connected inverters is also called
multiple converter control.
3. Internal Control of Inverter
• Output voltage control is done within the inverter.
• The most efficient method of internal control of inverter is pulse-width modulation control.
Pulse-width modulation control
• A fixed dc voltage is applied to the inverter and a variable ac output voltage can be obtained by
controlling the width of output pulses.
• The variable ac output voltage will be available with out any additional components and the lower order
harmonics can be eliminated.
• Since the higher order harmonics can be filtered very easily, the filtering circuit requirement should be
minimized.
• Therefore, pulse-width modulation (PWM) inverters are very popular in industrial applications.
Harmonics In Output Voltage Of Inverter
• A harmonic is a voltage or current with a multiple of the fundamental frequency of the system.
• Harmonic currents are caused by non-linear loads.
• When a linear load is excited by a sinusoidal voltage, the current is also sinusoidal.
• When a non-linear load is excited by a sinusoidal voltage, the current is not sinusoidal and
contains harmonics.
Disadvantages of Harmonics
• In industrial applications, the fundamental component of output voltage of inverter is only useful.
• In Generators, presence of harmonics will increase the frequency, increase the hysteresis and eddy
current losses and thus cause heating.
• May cause insulation damage and decrease of machine life
• In motors , increase in frequency will cause excessive heating and also decrease the speed, more
vibrations, more noise, decreased life span/
• In transmission systems, Neutral loading will happen, losses are more and efficiency will be less.
Harmonic Reduction In Output Voltage Of Inverter
• Harmonics must be limited with in 5% of its fundamental component of output voltage.
• Otherwise filter circuit should be inserted in between inverter and load.
• If the output contains high frequency harmonics, the size and cost of filter will be less.
• If low frequency harmonics are present, filter size will be bulky and subsequently the cost of filter will
be high.
• Lower order harmonics are eliminated from the inverter output voltage by applying the following
techniques:
1. Harmonic Reduction Using PWM Technique
2. Harmonic Reduction by Series Connected Inverters
3. Harmonic Reduction by Stepped Wave Inverters
Harmonic reduction using PWM technique
• The lower order harmonics in output voltage of inverter can be eliminated when there are several
pulses per half cycle in output voltage waveform.
• In this technique, the switching of the devices is done in such a way that output voltage has less
harmonics
• Ten commutation of thyristors
per cycle are required
• Amplitude of voltage varies in
between +V and –V.
• The output voltage waveform is
symmetrical at π/2 and π
Harmonic Reduction By Series Connected Inverters
Harmonic Reduction By Series Connected Inverters
• Output voltage from two or more inverters can be combined by means of transformers to get a net
output voltage with reduced harmonic content.
• The essential condition of this scheme is that the output voltage waveforms from the inverters
must be similar but phase-shifted from each other
• First Fig illustrates two transformers in series.
• Their output voltages,Vo1 from inverter 1 and Vo2, from inverter 2, are shown in Fig.2.
• Here Vo2, waveform is taken to have a phase shift of π/3 radians with respect to Vo1 waveform as
shown.
• The resultant output voltage, is obtained by adding the vertical ordinates of Vo1 and Vo2.
• It is seen that Vo has an amplitude of 2 Vs from π/3 to 2 π/3 and so on
Harmonic Reduction By Stepped Wave Inverters
Harmonic Reduction By Stepped Wave Inverters
• Harmonics can be reduced using two inverters using transformers with different turn’s ratio.
• Assume the turn ratio of transformer-I is 1: 3 and connected to Inverter –I and The turn ratio of transformer II is 1: 1
and connected to inverter II.
• Due to different turn ratio of transformer, the output voltage at the secondary winding of transformers will be
different.
• Addition of output voltages gives a stepped wave output voltage as depicted in Fig.2.
• After Fourier analysis, we find that the amplitude of harmonics voltages depends on the values of d1, d2, d3, d4 and
V.
• If we choose the width of d1, d2, d3, d4 properly, third, fifth and seventh harmonics can be eliminated or attenuated
significantly from output voltage
• Therefore, when pulses of different widths and amplitudes are superimposed, a stepped wave output voltage can be
obtained with reduced harmonic content.
PWM Techniques
• Output voltage of single-phase inverter is a square wave.
• Major drawbacks of square wave inverters are:
1. Output voltage is constant and it is equal to supply voltage V, i.e. it can not be controlled
2. Output voltage contains harmonics
• To control the output voltage, inverter must be fed from an ac-to-dc converter or dc-to-dc converter.
• To control output voltage as well as to reduce harmonics, pulse width modulation (PWM) technique
is used.
• In PWM control, the output pulse duration is modulated or varied to control the output voltage.
• Most commonly used modulation techniques in inverter are
1. Single-pulse width modulation (SPWM)
2. Multi-pulse width modulation (MPWM)
3. Sinusoidal Pulse Width Modulation (Sin PWM)
4. Modified Sinusoidal Pulse Width Modulation
Single-pulse Width Modulation (SPWM)
• In a single-pulse width modulation inverter, there is only one pulse on each half cycle of output
voltage.
• The width of the pulse should be varied to control the inverter output voltage.
• The gating signals of switches (BJTs, MOSFETs, IGBT, Thyristors and GTOs, etc.) are determined by
comparing a reference signal vr and a carrier signal vc.
• The maximum amplitude of reference and carrier signals are Ar and Ac respectively.
• The frequency of reference and carrier signal is same as fundamental frequency of output voltage.
• The output voltage can be controlled by controlling the width of pulse d which depends upon the
amplitude modulation index (M).
• The amplitude modulation index can be determined by 𝑀 =
𝐴𝑟
𝐴𝑐
• When the amplitude of reference signal Ar is varied from 0 to Ac, the pulse width d can be changed
from 0° to 180°.
• Accordingly the rms value of output voltage Vo(rms) can be varied from 0 to V.
• The disadvantages of single pulse modulation are as follows:
1. Harmonic content is high.
2. The maximum rms value of fundamental component is only about 90.09% of dc input voltage V.
3. Third harmonic dominate.
Multi-pulse Width Modulation (MPWM)
• To reduce the harmonic content in output voltage, more than one pulse should be present on each
half cycle of output voltage.
• The number of output pulses depends on the frequency of carrier signal fc and reference signal fr.
• The number pulses (p) per half cycle of output voltage can be determined from
𝑝 =
𝑓𝑐
2𝑓𝑟
=
𝑚𝑓
2
𝑚𝑓 =
𝑓𝑐
𝑓𝑟
= is the frequency modulation ratio.
• Hence, the frequency modulation index mf controls the output voltage.
• This type of modulation is also called uniform pulse-width modulation (UPWM).
• With the variation of modulation index M from 0 to 1, the pulse width varies from 0 to
180°/p and the rms output voltage varies from 0 to V.
Sinusoidal Pulse Width Modulation (Sin PWM)
• Several pulses are used in each half cycle of output voltage but the width of the pulses is not same
as in the case of multiple PWM.
• But in both methods, width of each pulse varies with the amplitude of sine wave reference voltage.
• In case of sin PWM, the width of the pulse at the centre of the half cycle is maximum and decreases
on either side.
• A comparator is used to compare a sinusoidal reference signal Vr with respect to a triangular carrier
signal Vc.
• When the amplitude of sinusoidal reference signal is greater than the amplitude of triangular carrier
signal, comparator output is high.
• If the amplitude of sinusoidal reference signal is less than the amplitude of triangular carrier signal,
comparator output is low.
• If the frequency of carrier signal is fc and the frequency of sinusoidal reference signal is fr, there are
𝑝 =
𝑓𝑐
2𝑓𝑟
carrier pulses per half cycle.
• The modulation index M =Ar/Ac and it controls the rms output voltage and the harmonic content of
the output voltage waveform.
Modified Sinusoidal Pulse Width Modulation
• In sinusoidal PWM, the widths of the pulses can not change significantly with the variation of
modulation index at the middle of half cycle due to the characteristics of the sine wave reference
signal.
• When the carrier signal is applied during the fast and last (60°) the width of the pulses will be changed
significantly.
• This type of modulation is known as modified sinusoidal pulse width modulation.
• Due to change in output voltage waveform, the fundamental component is increased and its
harmonics characteristics are improved.
• As the number of switching of power devices are reduced, the switching losses are also reduced.
Introduction to Space
Vector Modulation
Space Vectors
• Space Vector Pulse Width Modulation (SV-PWM) is a modulation scheme used to apply a given voltage
vector to a three-phased electric motor (permanent magnet or induction machine).
• The goal is to use a steady state DC-voltage and by the means of six switches (e.g. transistors) emulate
a three-phased sinusoidal waveform where the frequency and amplitude is adjustable.
• The origin of space vectors lies in rotating mmf of machines
• If a three phase ac is applied to the stator windings of an ac machine, each winding will produce its
own mmf which will also be 120° apart.
• Space Vector is a concept by which we are representing three vectors by a single variable
• An ordinary three phased system, here shown in both vector form and in sinusoidal form.
• The black vector is the resultant space vector; a vector sum obtained by adding the three vectors.
• As can be seen, the space vector's magnitude is always constant.
Inverters for Space Vectors
• In order to supply the three phase voltages to the machine an inverter is used
• Consider a two level inverter
• To better understand how space vector PWM is used, the above schematic can be greatly simplified:
• Each leg of the inverter bridge can be simplified by replacing the two bridge leg-transistors by one
single SPDT-switch which shall indicate that either the top or the bottom transistor is closed.
• The scenario of both transistors in one leg being open is not interesting and will not be necessary.
• Scenario of both transistors being closed implies that the DC-link is short circuited and will damage the
inverter
• Additionally there are always anti-parallel diodes across each transistor to allow bi-directional current
flow which are not shown
• Fig shows the transistor
combination where the
leftmost leg (W) has its upper
transistor closed and bottom
transistor open.
• The two other legs (V and U)
has its upper transistor open
and lower transistor closed.
• This will correspond to a
positive voltage being applied
to W-phase while the two
other phases are negative
Space Vectors
• There are three switches which can be in two different positions each.
• The total number of possible switch configuration is thus 23=8
• In binary, these vector combinations can be represented as eight different binary values, here named
from v0 to v7:
000 - v0 (zero vector)
001 - v1 (Phase +U)
010 - v2 (Phase +V)
011 - v3 (Phase -W)
100 - v4 (Phase +W)
101 - v5 (Phase -V)
110 - v6 (Phase -U)
111 - v7 (zero vector)
• Each of the three binary digits refers to one bridge leg where the value 1 indicates that the top
transistor is closed whereas the value 0 indicates that the bottom transistor is closed.
• Six of these configurations correspond
to different voltages applied to the
connected motor –Basic Vectors
• The last two represent zero volts on
the terminals – Zero Vectors
• The U-phase normally forms the basis
for the basic vector's angles at 0°.
• The zero vectors v0 and v7 are at
origin.
• The origin of the angles are the
windings physical location inside the
stator; installed around the
circumference at 120° apart.
• As each winding can have positive and
negative voltage, it occupies two
angles at 180° separation, e.g. 240°
and 60° is W-phase in positive and
negative state respectively.
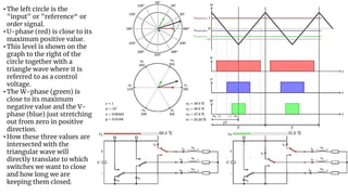
SYNTHESIZING OUTPUT VOLTAGE
• To the right there is an example of a reference vector which
the inverter has to synthesize using the basic vectors
available.
• Reference is located between v1 and v3 and this sector is
called sector 1.
• It is now possible to quickly alternate between these two
basic vectors to emulate a voltage vector at 38.3∘
• The two zero vectors v0 and v7 are also used to add dead
time to the switching pattern.
• This dead time reduces the voltage magnitude and is
necessary when the voltage reference magnitude is less
then 100%.
• The actual synthesizing can be achieved using a triangular
wave as trigger.
• The left circle is the
"input" or "reference“ or
order signal.
• U-phase (red) is close to its
maximum positive value.
• This level is shown on the
graph to the right of the
circle together with a
triangle wave where it is
referred to as a control
voltage.
• The W-phase (green) is
close to its maximum
negative value and the V-
phase (blue) just stretching
out from zero in positive
direction.
• How these three values are
intersected with the
triangular wave will
directly translate to which
switches we want to close
and how long we are
keeping them closed.
TRANSLATING INPUT TO SWITCHING STATES
the first dashed line is the red one.
Between the start of the three axes and the red line, there
are no active voltage vectors.
All three control voltages in this region are below the trig
wave.
This means that all switches are off. 000. Zero vector v0
Next section; between the red and the blue dashed line.
The U-phase control voltage is now above the trig line while
the two others are still below.
This activates the U-switch. 001 there. Also called v1
Third section: between the blue and the green line.
Now both U and V is activated; 011 - v3
Last section: All three switches are now active.
This is 111, v7,the second zero vector.
At every angle and magnitude, the same pattern will be
seen; Zero vector - basic vector - basic vector - zero vector.
Repeat.
The only thing that change is the width (i.e. the on-time) of
these sectors and which of the six basic vectors are used.
Note that the on-time percentage is also displayed to the left
of the W-axis. When the desired amplitude is low, the zero
Current Source Inverter
• In a current source inverter (CSI), the current which is supplied from current source is maintained
constant
• The magnitude of current is independent of load impedance, but the amplitude of output voltage
and its nature of waveform depends on the load impedance.
• Current input to CSI is almost ripple-free as L filter is used before CSI.
• A current source inverter converts the dc input current to ac current at inverters output terminals.
• The output frequency of CSI depends upon the rate of firing or triggering pulses of thyristors.
• The amplitude of ac current can be varied by changing the dc input current.
• CSI is used to supply high power factor loads where impedance will be remain constant or decreases
at harmonic frequencies in order to prevent problems either on switching or with harmonics
voltage.
• Semiconductor switches which are used in CSI must be withstand at reverse voltage, power
transistors, power MOSFETs and GTOs can not be used in CSI.
• Generally current source inverters are used in the following fields:
1. Synchronous motor starting
2. Induction heating
3. Lagging VAR compensation
4. Speed control of ac motors (induction motors)
Single-phase Current Source Inverter
• The current source consists of a dc voltage source V with a large
inductance L in series with it.
• The high impedance reactor maintains constant current at the input
terminals of CSI.
• When thyristors T1 and T2 are turned ON, the load current I flows through the load and is positive.
• When thyristors T3 and T4 are turned ON, the load current I flows through load and is negative.
• The output current Io is a square wave with amplitude of I.
• The frequency of current Io can be controlled by controlling the switching frequency of triggering
signals of thyristor pairs T1 and T2 and T3 and T4.
• The amplitude of dc current I is constant and it is
always unidirectional
• If the average value of input voltage is positive,
power flows from current source to load.
• When average value of input voltage is negative,
the power flows from load to source and
regenerative action takes place.
• The output voltage waveform depends upon the
load, it’s a square wave for a resistive load and
triangular for an inductive load
• CSI uses forced commutation or load commutation.
• Forced commutation is used for lagging power
factor load and load commutation is for leading
power factor load.
Single-phase Capacitor Commutated CSI With R Load
• A dc current source is used to provide constant current I.
• A capacitor C is connected in parallel with the load for storing
the charge for commutation of thyristors.
• Thyristor pair T1 and T2 are turned ON by applying trigger pulse
ig1 and ig2 respectively.
• Thyristor pair T3 and T4 are turned ON by applying the trigger pulse ig3 and ig4 respectively
Single-phase Capacitor Commutated CSI With R Load
• when T1 and T2 are triggered, a current flows through the load , the current throught he capacitor
is ic and the current through the resistance is the load current i0
• The initial polarity on the cpapcitor is as shown in the diagram.
• During positive pulse, capacitor will start charging from –Vin to
+Vin
• When T3 and T4 are triggered for the –ve pulse, the capacitor will discharge and charge in the –ve
direction.
Power Electronics-DC-AC Converters/Inverters.pptx
Power Electronics-DC-AC Converters/Inverters.pptx
Power Electronics-DC-AC Converters/Inverters.pptx

Power Electronics-DC-AC Converters/Inverters.pptx

  • 1.
    20EE014 Power Electronics UNIT4 - INVERTERS D.Poornima, Assistant Professor (Sr.Gr), Department of EEE, Sri Ramakrishna Institute of Technology, Coimbatore
  • 2.
    What is anInverter? ● A static device that converts DC power into AC power at desired output voltage and frequency is called an Inverter. ● Applications • Variable speed induction motor drives • Adjustable speed ac drives • Induction heating • Uninterruptible power supply (UPS) • Standby power supply • HVDC power transmission • Variable voltage and variable frequency power supply • Battery operated vehicle drives
  • 3.
    Classification of Inverters Inverterscan be classified depending upon the following factors: 1. Input source 2. Commutation 3. Circuit configuration 4. Wave shape of output voltage
  • 4.
    Input source Based onthe nature of input source, inverters are classified as • Current Source Inverter (CSI) • Voltage Source Inverter (VSI) Current Source Inverter (CSI): A current source with high internal impedance is used as input of inverter. In CSI, the supply current does not change very rapidly, but the load current can be controlled by varying dc input voltage of CSI. This inverter is commonly used in very high power applications such as induction motor drives. Voltage Source Inverter (VSI): A dc voltage source with very small internal impedance is used as input of inverter. The dc side terminal voltage is constant, but the ac side output voltage may be constant or variable irrespective of load current.
  • 5.
    Commutation According to commutationmethod, inverters may be classified as • Line Commutated Inverters • Forced Commutated Inverters. Line commutated inverters: Single-phase or three-phase fully controlled converter acts as an inverter when the firing angle a is greater than 90º . Forced commutated inverters: Additional circuits are required for commutation of thyristors. Depending upon the commutation technique, these inverters are classified as an auxiliary commutated inverters and complementary commutated inverters. Auxiliary commutated inverters: An auxiliary thyristor must be used to turn OFF a conducting thyristor. Complementary commutated inverters: Tightly couple inductors can be used to turn OFF the other thyristor of a pair.
  • 6.
    Circuit Configuration According tocircuit topology inverters can be classified as • Series Inverters • Parallel Inverters • Half Bridge Inverters And Full Bridge Inverters. Series inverters: Inductor L and capacitor C are connected in series with the load and used as commutating elements Parallel inverters: Commutating elements are connected in parallel with the conducting thyristor. Half-bridge inverters and full bridge inverters: In half-bridge inverters, only one leg of bridge exists. In case of full bridge inverters, either two legs or three legs are existing for single- phase
  • 7.
    Wave Shape OfOutput Voltage In an ideal inverter, output voltage must be purely sinusoidal. But due to switching of semiconductor devices as per requirement of inverter operation, output voltage is non-sinusoidal and it contains harmonics. Depending upon the output voltage waveform this inverter can also be classified as • Square Wave Inverters • Pulse Width Modulation Inverters. Square Wave Inverters: Generates a square wave ac output voltage of constant amplitude. The amplitude of the output voltage of inverter can be controlled by varying the input dc voltage. Pulse Width Modulation Inverter: Output voltage contains one or more pulses in each half cycle. By varying the width of these pulses, the amplitude of output voltage can be controlled though the input dc voltage is constant.
  • 8.
    Single Phase VoltageSource Inverters TYPES Single phase Inverter Half Bridge Inverter Full Bridge Inverter Three phase voltage source inverter 180 degree mode 120 degree mode
  • 9.
    Single Phase HalfBridge Inverter (VSI) • Half-bridge inverter has two diodes and two switches which are connected in anti-parallel. • The two switches are complementary switches which means when the first switch is ON the second switch will be OFF • Similarly, when the second switch is ON the first switch will be OFF.
  • 10.
    Single Phase HalfBridge Inverter with R Load (VSI) Case 1 (when switch S1 is ON and S2 is OFF): • When switch S1 is ON from a time period of 0 to T/2, the diode D1 and D2 are in reverse bias condition and S2 switch is OFF. • Applying KVL (Kirchhoff’s Voltage Law) Vs/2-V0=0 output voltage V0= Vs/2 output current i0 = V0/R= Vs/2R
  • 11.
    Case 2 (whenswitch S2 is ON and S1 is OFF): • When switch S2 is ON from a time period of T/2 to T, the diode D1 and D2 are in reverse bias condition and S1 switch is OFF. • Applying KVL (Kirchhoff’s Voltage Law) V/2+V0=0 • Where output voltage V0= -V/2 • Where output current i0 = V0/R= -V/2R
  • 12.
  • 13.
    • The averagevalue of output voltage is • The average value of output voltage and output current is V0 (avg) = 0 I0 (avg) = 0 • The RMS value of output voltage and output current is V0 (RMS)= VS/2 I0 (RMS) = V0 (RMS) /R =VS/2R • The output voltage we are getting in an inverter is not pure sinewave i.e a square wave.
  • 14.
    Single Phase HalfBridge Inverter with RL Load • The output voltage waveform is similar to that with a resistive-load • The load-current cannot change immediately with the output voltage. • D1 and D2 are known as the feedback diodes. • Operation can be divided into four different modes • 1. Mode I (0 ≤ t ≤ t1) : Switch S1 conducts • 2. Mode II (t1 ≤ t ≤ T/2) : Diode D2 conducts • 3. Mode III (T/2 ≤ t ≤ t2) : Switch S2 conducts • 4. Mode IV (t2 ≤ t ≤ T) : Diode D1 conducts
  • 15.
  • 16.
    Mode I (t1≤t ≤ T/2) • S1 is turned-on at instant t1, the load voltage is equal to +V/2 ,positive load current increases gradually. • At instant T/2, the load- current reaches the peak value. • Switch S1 is turned-off at this instant. • Due to same-polarity of load voltage and load current, the energy is stored by the load
  • 17.
    Mode II (T/2≤ t ≤ t2) • Due to inductive-load, the load current direction will be maintained even-after S1 is turned-off. • The self-induced voltage in the load will be negative. • The load current flows through lower half of the supply and D2 • The stored energy in load is fed back to the lower half of the source and the load voltage is clamped to −V/2.
  • 18.
    Mode III (t2≤ t ≤ T) • At instant t2, the load-current goes to zero, indicating that the stored energy has been returned back to the lower half of supply. • At instant t2,S2 is turned-on. • This will produce a negative load voltage V0= −V/2 and a negative load current. • Load current reaches a negative peak at the end of this interval at T.
  • 19.
    Mode IV (0≤ t ≤ t1) • Switch S2 is turned-off at instant T (0r 0). • The self induced voltage in the inductive load will maintain the load current through Diode D1. • The load voltage changes its polarity to become positive V/2, load current remains negative • Stored energy in the load is returned back to the upper half of the d.c source • At t1, the load current goes to 0 and S1 can be turned-on again. • This cycle of operation repeats.
  • 20.
  • 21.
    Single Phase FullBridge Inverter • In this type of inverter, four switches are used. • The main difference between half bridge and full bridge inverter is the maximum value of output voltage. • In half bridge inverter, peak voltage is half of the DC supply voltage. • In full bridge inverter, peak voltage is same as the DC supply voltage.
  • 22.
    Single Phase FullBridge Inverter with R Load (VSI) • In this type of inverter, two pairs of controlled switches and two pairs of diodes are there. • Only one pair of devices conduct simultaneously. • Diodes are used a feedback diodes • Working can be divided into two modes Mode 1: 0< t ≤(T/2) • Switches S1 and S2 are closed for T/2 • load voltage Vo = V • The current flows through load is V/R
  • 23.
    Mode 2: (T/2)<t ≤T • Switches S1 and S2 are switched off S3 & S4 conducts • Load voltage Vo = -Vs • Load current I = -V/R
  • 24.
    • The averagevalue of output voltage is • The average value of output voltage and output current is V0 (avg) = 0 I0 (avg) = 0 • The RMS value of output voltage and output current is V0 (RMS)= VS I0 (RMS) = V0 (RMS) /R =VS/R • The output voltage we are getting in an inverter is not pure sinewave i.e a square wave.
  • 25.
    Single Phase FullBridge Inverter with RL Load (VSI) • In this type of inverter, two pairs of controlled switches and two pairs of diodes are there. • Only one pair of devices conduct simultaneously. • Diodes are used a feedback diodes • Working can be divided into four modes 1. Mode I (t1 ≤ t ≤ T/2) : Switches S1 and S2 conduct 2. Mode II (T/2 ≤ t ≤ t2) : Diode D3 and D4 conduct 3. Mode III (t2 ≤ t ≤ T) : Switches S3 and S4 conduct 4. Mode IV (0 ≤ t ≤ t1) : Diodes D1 and D2 conduct
  • 26.
  • 27.
    Mode I (t1≤t ≤ T/2) • At t=t1,D1 and D2 are turned off • S1 and S2 are turned on • Load current starts flowing in +ve direction • Reaches its +ve peak at t=T/2 • Output current and voltage are positive • Energy is stored in the inductor
  • 28.
    Mode II (T/2≤ t ≤ t2) • At t= T/2 S1 and S2 are turned off • Current is at +ve peak I0 • Due to inductive load current cannot reverse instantly • Diodes D3 and D4 start conducting at t=T/2 • Output voltage is –V and current decreases • During this interval V0 is –ve and I0 is +ve • Energy stored in the inductor is fed back to source • Current reaches zero at t=t2
  • 29.
    Mode III (t2≤ t ≤ T) • At t= t2 D3 and D4 turned off • S3 and S4 turned on • Load current flows in the –ve direction • Reaches maximum –ve at t=T
  • 30.
    Mode IV (0≤ t ≤ t1) • At t=0, S3 and S4 are turned off • Load current is at its negative peak • Since load is inductive, current direction cannot be made –ve instantly • D1 and D2 starts to conduct at t=0 • Output voltage is +V and current increases from –I0 and flows through D1 ,D2 • Energy stored in the inductor during previous cycle is fed back to the DC supply • At t=t1, load current becomes zero.
  • 31.
    Three Phase BridgeInverters • The output of a single-phase inverter is a non- sinusoidal waveform • It consists of harmonics component. • Suitable only for low power industrial applications. • Three-phase inverters are used for high power industrial applications. • Formed after combining three half-bridge single phase inverters in parallel • Consists of six switching devices and six diodes. • Two modes of operation possible • 180° conduction mode • 120° conduction mode
  • 32.
    Three Phase Bridge180 degree Mode VSI • Each switch conducts for 180° duration in each cycle of the output voltage. • Each leg of three-phase inverter consists of two switches, one is a part of positive group switches and other is a part of negative group switches. • When a positive group switch of a leg conducts for 180° duration, its corresponding negative group switch of same leg conducts for next 180°. • The sequence of switching of
  • 33.
    Three Phase Bridge180 degree Mode VSI • In this switching scheme, three switches from three different legs are conducted at a time. • Two switches from the same leg are not switched on simultaneously. • The one complete cycle of switching can be operated into six modes and each mode operates only for 60° duration. • Assume that the load is connected in • star and the phase voltages are VAN, VBN and VCN. • he line to line voltages are VAB, VBC and VCA
  • 35.
    Mode 1 (0°≤ωt≤ 60°) • switches S1, S6, and S5 conduct
  • 36.
    Mode 2 (60°≤ωt ≤ 120°) • switches S1, S6, and S2 conduct
  • 37.
    Mode 3 (120°≤ωt≤ 180°) • switches S1, S2, and S3 conduct
  • 38.
    Mode 4 (180°≤ωt ≤ 240°) • switches S2, S3, and S4 conduct
  • 39.
    Mode 5 (240°≤ωt≤ 300°) • switches S3, S4, and S5 conduct Mode 6 (300°≤ωt ≤ 360°) • switches S4, S5, and S6 conduct
  • 40.
    Three Phase Bridge180 degree Mode VSI - Waveform
  • 41.
    Three Phase Bridge 180degree Mode VSI – Neutral Voltage Waveform
  • 42.
    Three Phase Bridge 180degree Mode VSI – Line Voltage Waveform
  • 43.
    Three Phase Bridge120 degree Mode VSI • Each switch conducts for 120° duration in each cycle of the output voltage. • Each leg consists of two switches, one is a part of positive group switches and other is a part of negative group switches. • The gating signals of switches are given for every 60°. • The sequence of switching of semiconductor switches
  • 44.
    Three Phase Bridge120 degree Mode VSI • Only two switches conduct at any instant of time, one from +ve group and other from - ve group • One complete cycle of switching is operated into six modes • Each mode operates only for 60° duration. • Assume that the load is connected in • star and the phase voltages are VAN, VBN and VCN. • The line to line voltages are VAB, VBC and VCA
  • 46.
    Mode 1 (0°≤ωt≤ 60°) • switches S1 and S6conduct
  • 47.
    Mode 2 (60°≤ωt≤ 120°) • switches S1 and S2 conduct
  • 48.
    Mode 3 (120°≤ωt≤ 180°) • switches S2 and S3 conduct
  • 49.
    Mode 4 (180°≤ωt≤ 240°) • switches S3 and S4 conduct
  • 50.
    Mode 5 (240°≤ωt≤ 300°) • switches S4 and S5 conduct
  • 51.
    Mode 6 (300°≤ωt≤ 360°) • switches S5 and S6 conduct
  • 52.
    Three Phase Bridge120 degree Mode VSI - Waveform
  • 53.
    Three Phase Bridge 120 degreeMode VSI – Neutral Voltage Waveform
  • 54.
    Three Phase Bridge 120degree Mode VSI – Line Voltage Waveform
  • 55.
  • 56.
    Voltage Control ofInverters • Depending on the nature of load,  variable ac voltage or  variable voltage with variable frequency are required at the load. • Output voltage of inverter can be controlled to get desired output from the system. • Different methods to control the output voltage of inverter are: 1. External control of dc input voltage of inverter 2. External control of ac output voltage of inverter 3. Internal control of inverter • The first two methods require additional components. • Third method requires no additional components.
  • 57.
    1. External Controlof DC Input Voltage of Inverter • By controlling the dc input voltage of inverter, the output voltage inverter can be controlled. • The different schemes are  Variable dc voltage is obtained from a controlled rectifier and this variable dc voltage is applied to inverter to get variable ac output voltage.  Two conversion stages are required and the efficiency of the system is better.  For low output voltage, the input power factor is low.  Output voltage contains low frequency harmonics, the size of filter is bulky and the system response will be sluggish.
  • 58.
     AC voltageis applied to uncontrolled rectifier to get fixed dc voltage which is applied to chopper to obtain variable dc voltage.  Chopper operates at very high frequency, the constant dc voltage is converted into a variable dc voltage at high frequency.  Due to very high frequency, the size of filter is reduced significantly.  The fundamental power factor remains unity for all operating conditions  System loss increases due to an extra converter. 1. External Control of DC Input Voltage of Inverter
  • 59.
     The acinput voltage is initially converted into a variable ac voltage by using ac voltage controller and subsequently it converts into dc using an uncontrolled rectifier.  Variable voltage and variable frequency ac output is obtained just after three conversion stages.  Efficiency of system is poor and the input power factor is poor at low voltages. 1. External Control of DC Input Voltage of Inverter
  • 60.
     The fixeddc voltage is applied to a dc-to-dc converter or chopper to obtain variable dc voltage.  When the variable dc voltage is applied to an inverter through filter, the controllable ac output voltage can be obtained from inverter. 1. External Control of DC Input Voltage of Inverter
  • 61.
    2. External Controlof AC Output Voltage of Inverter • The external control of ac output voltage of inverter can be possible by the following methods: 1. AC voltage controller 2. Series-connected inverters AC voltage controller • An AC voltage controller is inserted between inverter and load. • When the firing angle of thyristors of ac voltage controller is varied, the variable ac voltage will be applied to load terminals. • Harmonics content is high in the output voltage of ac voltage controller • This is suitable for low power applications only.
  • 62.
    Series-connected inverters • Twoor more square wave inverters are connected in series. • Output of inverters are connected to transformers whose secondary windings are connected in series. • The output voltage of transformers Vo1 and Vo2 have same magnitude but have a phase difference Ø. • The phasor sum of two fundamental voltages Vo1 and Vo2 provides the resultant fundamental voltage • Harmonics content in the output voltage is large • This method of voltage control is used for low output voltage levels, i.e., 25% to 30% of the rated voltage. 2. External Control of AC Output Voltage of Inverter
  • 63.
    • Since thefrequency of output voltages Vo1 and Vo2 is same, if the phase difference f is zero, the output voltage is Vo = Vo1 + Vo2. • When the phase difference f is π, the output voltage is Vo = Vo1 – Vo2 = 0. • The phase difference can be varied by changing the firing angle of two inverters, the output voltage can be controlled. • The voltage control using series connected inverters is also called multiple converter control.
  • 64.
    3. Internal Controlof Inverter • Output voltage control is done within the inverter. • The most efficient method of internal control of inverter is pulse-width modulation control. Pulse-width modulation control • A fixed dc voltage is applied to the inverter and a variable ac output voltage can be obtained by controlling the width of output pulses. • The variable ac output voltage will be available with out any additional components and the lower order harmonics can be eliminated. • Since the higher order harmonics can be filtered very easily, the filtering circuit requirement should be minimized. • Therefore, pulse-width modulation (PWM) inverters are very popular in industrial applications.
  • 65.
    Harmonics In OutputVoltage Of Inverter • A harmonic is a voltage or current with a multiple of the fundamental frequency of the system. • Harmonic currents are caused by non-linear loads. • When a linear load is excited by a sinusoidal voltage, the current is also sinusoidal. • When a non-linear load is excited by a sinusoidal voltage, the current is not sinusoidal and contains harmonics.
  • 68.
    Disadvantages of Harmonics •In industrial applications, the fundamental component of output voltage of inverter is only useful. • In Generators, presence of harmonics will increase the frequency, increase the hysteresis and eddy current losses and thus cause heating. • May cause insulation damage and decrease of machine life • In motors , increase in frequency will cause excessive heating and also decrease the speed, more vibrations, more noise, decreased life span/ • In transmission systems, Neutral loading will happen, losses are more and efficiency will be less.
  • 69.
    Harmonic Reduction InOutput Voltage Of Inverter • Harmonics must be limited with in 5% of its fundamental component of output voltage. • Otherwise filter circuit should be inserted in between inverter and load. • If the output contains high frequency harmonics, the size and cost of filter will be less. • If low frequency harmonics are present, filter size will be bulky and subsequently the cost of filter will be high. • Lower order harmonics are eliminated from the inverter output voltage by applying the following techniques: 1. Harmonic Reduction Using PWM Technique 2. Harmonic Reduction by Series Connected Inverters 3. Harmonic Reduction by Stepped Wave Inverters
  • 70.
    Harmonic reduction usingPWM technique • The lower order harmonics in output voltage of inverter can be eliminated when there are several pulses per half cycle in output voltage waveform. • In this technique, the switching of the devices is done in such a way that output voltage has less harmonics • Ten commutation of thyristors per cycle are required • Amplitude of voltage varies in between +V and –V. • The output voltage waveform is symmetrical at π/2 and π
  • 74.
    Harmonic Reduction BySeries Connected Inverters
  • 75.
    Harmonic Reduction BySeries Connected Inverters • Output voltage from two or more inverters can be combined by means of transformers to get a net output voltage with reduced harmonic content. • The essential condition of this scheme is that the output voltage waveforms from the inverters must be similar but phase-shifted from each other • First Fig illustrates two transformers in series. • Their output voltages,Vo1 from inverter 1 and Vo2, from inverter 2, are shown in Fig.2. • Here Vo2, waveform is taken to have a phase shift of π/3 radians with respect to Vo1 waveform as shown. • The resultant output voltage, is obtained by adding the vertical ordinates of Vo1 and Vo2. • It is seen that Vo has an amplitude of 2 Vs from π/3 to 2 π/3 and so on
  • 76.
    Harmonic Reduction ByStepped Wave Inverters
  • 77.
    Harmonic Reduction ByStepped Wave Inverters • Harmonics can be reduced using two inverters using transformers with different turn’s ratio. • Assume the turn ratio of transformer-I is 1: 3 and connected to Inverter –I and The turn ratio of transformer II is 1: 1 and connected to inverter II. • Due to different turn ratio of transformer, the output voltage at the secondary winding of transformers will be different. • Addition of output voltages gives a stepped wave output voltage as depicted in Fig.2. • After Fourier analysis, we find that the amplitude of harmonics voltages depends on the values of d1, d2, d3, d4 and V. • If we choose the width of d1, d2, d3, d4 properly, third, fifth and seventh harmonics can be eliminated or attenuated significantly from output voltage • Therefore, when pulses of different widths and amplitudes are superimposed, a stepped wave output voltage can be obtained with reduced harmonic content.
  • 78.
  • 79.
    • Output voltageof single-phase inverter is a square wave. • Major drawbacks of square wave inverters are: 1. Output voltage is constant and it is equal to supply voltage V, i.e. it can not be controlled 2. Output voltage contains harmonics • To control the output voltage, inverter must be fed from an ac-to-dc converter or dc-to-dc converter. • To control output voltage as well as to reduce harmonics, pulse width modulation (PWM) technique is used. • In PWM control, the output pulse duration is modulated or varied to control the output voltage. • Most commonly used modulation techniques in inverter are 1. Single-pulse width modulation (SPWM) 2. Multi-pulse width modulation (MPWM) 3. Sinusoidal Pulse Width Modulation (Sin PWM) 4. Modified Sinusoidal Pulse Width Modulation
  • 80.
    Single-pulse Width Modulation(SPWM) • In a single-pulse width modulation inverter, there is only one pulse on each half cycle of output voltage. • The width of the pulse should be varied to control the inverter output voltage. • The gating signals of switches (BJTs, MOSFETs, IGBT, Thyristors and GTOs, etc.) are determined by comparing a reference signal vr and a carrier signal vc. • The maximum amplitude of reference and carrier signals are Ar and Ac respectively. • The frequency of reference and carrier signal is same as fundamental frequency of output voltage. • The output voltage can be controlled by controlling the width of pulse d which depends upon the amplitude modulation index (M). • The amplitude modulation index can be determined by 𝑀 = 𝐴𝑟 𝐴𝑐
  • 82.
    • When theamplitude of reference signal Ar is varied from 0 to Ac, the pulse width d can be changed from 0° to 180°. • Accordingly the rms value of output voltage Vo(rms) can be varied from 0 to V. • The disadvantages of single pulse modulation are as follows: 1. Harmonic content is high. 2. The maximum rms value of fundamental component is only about 90.09% of dc input voltage V. 3. Third harmonic dominate.
  • 83.
    Multi-pulse Width Modulation(MPWM) • To reduce the harmonic content in output voltage, more than one pulse should be present on each half cycle of output voltage. • The number of output pulses depends on the frequency of carrier signal fc and reference signal fr. • The number pulses (p) per half cycle of output voltage can be determined from 𝑝 = 𝑓𝑐 2𝑓𝑟 = 𝑚𝑓 2 𝑚𝑓 = 𝑓𝑐 𝑓𝑟 = is the frequency modulation ratio. • Hence, the frequency modulation index mf controls the output voltage. • This type of modulation is also called uniform pulse-width modulation (UPWM). • With the variation of modulation index M from 0 to 1, the pulse width varies from 0 to 180°/p and the rms output voltage varies from 0 to V.
  • 86.
    Sinusoidal Pulse WidthModulation (Sin PWM) • Several pulses are used in each half cycle of output voltage but the width of the pulses is not same as in the case of multiple PWM. • But in both methods, width of each pulse varies with the amplitude of sine wave reference voltage. • In case of sin PWM, the width of the pulse at the centre of the half cycle is maximum and decreases on either side. • A comparator is used to compare a sinusoidal reference signal Vr with respect to a triangular carrier signal Vc. • When the amplitude of sinusoidal reference signal is greater than the amplitude of triangular carrier signal, comparator output is high. • If the amplitude of sinusoidal reference signal is less than the amplitude of triangular carrier signal, comparator output is low.
  • 88.
    • If thefrequency of carrier signal is fc and the frequency of sinusoidal reference signal is fr, there are 𝑝 = 𝑓𝑐 2𝑓𝑟 carrier pulses per half cycle. • The modulation index M =Ar/Ac and it controls the rms output voltage and the harmonic content of the output voltage waveform.
  • 89.
    Modified Sinusoidal PulseWidth Modulation • In sinusoidal PWM, the widths of the pulses can not change significantly with the variation of modulation index at the middle of half cycle due to the characteristics of the sine wave reference signal. • When the carrier signal is applied during the fast and last (60°) the width of the pulses will be changed significantly. • This type of modulation is known as modified sinusoidal pulse width modulation. • Due to change in output voltage waveform, the fundamental component is increased and its harmonics characteristics are improved. • As the number of switching of power devices are reduced, the switching losses are also reduced.
  • 91.
  • 92.
    Space Vectors • SpaceVector Pulse Width Modulation (SV-PWM) is a modulation scheme used to apply a given voltage vector to a three-phased electric motor (permanent magnet or induction machine). • The goal is to use a steady state DC-voltage and by the means of six switches (e.g. transistors) emulate a three-phased sinusoidal waveform where the frequency and amplitude is adjustable. • The origin of space vectors lies in rotating mmf of machines • If a three phase ac is applied to the stator windings of an ac machine, each winding will produce its own mmf which will also be 120° apart. • Space Vector is a concept by which we are representing three vectors by a single variable
  • 93.
    • An ordinarythree phased system, here shown in both vector form and in sinusoidal form. • The black vector is the resultant space vector; a vector sum obtained by adding the three vectors. • As can be seen, the space vector's magnitude is always constant.
  • 94.
    Inverters for SpaceVectors • In order to supply the three phase voltages to the machine an inverter is used • Consider a two level inverter • To better understand how space vector PWM is used, the above schematic can be greatly simplified:
  • 95.
    • Each legof the inverter bridge can be simplified by replacing the two bridge leg-transistors by one single SPDT-switch which shall indicate that either the top or the bottom transistor is closed. • The scenario of both transistors in one leg being open is not interesting and will not be necessary. • Scenario of both transistors being closed implies that the DC-link is short circuited and will damage the inverter • Additionally there are always anti-parallel diodes across each transistor to allow bi-directional current flow which are not shown • Fig shows the transistor combination where the leftmost leg (W) has its upper transistor closed and bottom transistor open. • The two other legs (V and U) has its upper transistor open and lower transistor closed. • This will correspond to a positive voltage being applied to W-phase while the two other phases are negative
  • 96.
    Space Vectors • Thereare three switches which can be in two different positions each. • The total number of possible switch configuration is thus 23=8 • In binary, these vector combinations can be represented as eight different binary values, here named from v0 to v7: 000 - v0 (zero vector) 001 - v1 (Phase +U) 010 - v2 (Phase +V) 011 - v3 (Phase -W) 100 - v4 (Phase +W) 101 - v5 (Phase -V) 110 - v6 (Phase -U) 111 - v7 (zero vector) • Each of the three binary digits refers to one bridge leg where the value 1 indicates that the top transistor is closed whereas the value 0 indicates that the bottom transistor is closed.
  • 97.
    • Six ofthese configurations correspond to different voltages applied to the connected motor –Basic Vectors • The last two represent zero volts on the terminals – Zero Vectors • The U-phase normally forms the basis for the basic vector's angles at 0°. • The zero vectors v0 and v7 are at origin. • The origin of the angles are the windings physical location inside the stator; installed around the circumference at 120° apart. • As each winding can have positive and negative voltage, it occupies two angles at 180° separation, e.g. 240° and 60° is W-phase in positive and negative state respectively.
  • 98.
    SYNTHESIZING OUTPUT VOLTAGE •To the right there is an example of a reference vector which the inverter has to synthesize using the basic vectors available. • Reference is located between v1 and v3 and this sector is called sector 1. • It is now possible to quickly alternate between these two basic vectors to emulate a voltage vector at 38.3∘ • The two zero vectors v0 and v7 are also used to add dead time to the switching pattern. • This dead time reduces the voltage magnitude and is necessary when the voltage reference magnitude is less then 100%. • The actual synthesizing can be achieved using a triangular wave as trigger.
  • 99.
    • The leftcircle is the "input" or "reference“ or order signal. • U-phase (red) is close to its maximum positive value. • This level is shown on the graph to the right of the circle together with a triangle wave where it is referred to as a control voltage. • The W-phase (green) is close to its maximum negative value and the V- phase (blue) just stretching out from zero in positive direction. • How these three values are intersected with the triangular wave will directly translate to which switches we want to close and how long we are keeping them closed.
  • 100.
    TRANSLATING INPUT TOSWITCHING STATES the first dashed line is the red one. Between the start of the three axes and the red line, there are no active voltage vectors. All three control voltages in this region are below the trig wave. This means that all switches are off. 000. Zero vector v0 Next section; between the red and the blue dashed line. The U-phase control voltage is now above the trig line while the two others are still below. This activates the U-switch. 001 there. Also called v1 Third section: between the blue and the green line. Now both U and V is activated; 011 - v3 Last section: All three switches are now active. This is 111, v7,the second zero vector. At every angle and magnitude, the same pattern will be seen; Zero vector - basic vector - basic vector - zero vector. Repeat. The only thing that change is the width (i.e. the on-time) of these sectors and which of the six basic vectors are used. Note that the on-time percentage is also displayed to the left of the W-axis. When the desired amplitude is low, the zero
  • 102.
  • 103.
    • In acurrent source inverter (CSI), the current which is supplied from current source is maintained constant • The magnitude of current is independent of load impedance, but the amplitude of output voltage and its nature of waveform depends on the load impedance. • Current input to CSI is almost ripple-free as L filter is used before CSI. • A current source inverter converts the dc input current to ac current at inverters output terminals. • The output frequency of CSI depends upon the rate of firing or triggering pulses of thyristors. • The amplitude of ac current can be varied by changing the dc input current. • CSI is used to supply high power factor loads where impedance will be remain constant or decreases at harmonic frequencies in order to prevent problems either on switching or with harmonics voltage.
  • 104.
    • Semiconductor switcheswhich are used in CSI must be withstand at reverse voltage, power transistors, power MOSFETs and GTOs can not be used in CSI. • Generally current source inverters are used in the following fields: 1. Synchronous motor starting 2. Induction heating 3. Lagging VAR compensation 4. Speed control of ac motors (induction motors)
  • 105.
    Single-phase Current SourceInverter • The current source consists of a dc voltage source V with a large inductance L in series with it. • The high impedance reactor maintains constant current at the input terminals of CSI. • When thyristors T1 and T2 are turned ON, the load current I flows through the load and is positive. • When thyristors T3 and T4 are turned ON, the load current I flows through load and is negative. • The output current Io is a square wave with amplitude of I. • The frequency of current Io can be controlled by controlling the switching frequency of triggering signals of thyristor pairs T1 and T2 and T3 and T4.
  • 106.
    • The amplitudeof dc current I is constant and it is always unidirectional • If the average value of input voltage is positive, power flows from current source to load. • When average value of input voltage is negative, the power flows from load to source and regenerative action takes place. • The output voltage waveform depends upon the load, it’s a square wave for a resistive load and triangular for an inductive load • CSI uses forced commutation or load commutation. • Forced commutation is used for lagging power factor load and load commutation is for leading power factor load.
  • 107.
    Single-phase Capacitor CommutatedCSI With R Load • A dc current source is used to provide constant current I. • A capacitor C is connected in parallel with the load for storing the charge for commutation of thyristors. • Thyristor pair T1 and T2 are turned ON by applying trigger pulse ig1 and ig2 respectively. • Thyristor pair T3 and T4 are turned ON by applying the trigger pulse ig3 and ig4 respectively
  • 108.
    Single-phase Capacitor CommutatedCSI With R Load • when T1 and T2 are triggered, a current flows through the load , the current throught he capacitor is ic and the current through the resistance is the load current i0 • The initial polarity on the cpapcitor is as shown in the diagram. • During positive pulse, capacitor will start charging from –Vin to +Vin • When T3 and T4 are triggered for the –ve pulse, the capacitor will discharge and charge in the –ve direction.