Power Electronics
Phase Controlled Converters
D.Poornima,
Assistant Professor (Sr.Gr),
Department of EEE,
Sri Ramakrishna Institute of Technology, Coimbatore
What are controlled circuits???
 Circuits which employ controllable/ semi controllable switches
 Controllable switches
• Three terminal device
• On and off is controlled using a control terminal
• Can be turned on by applying a positive control signal and turned off by a
pplying a negative control signal / removing the control signal
• IGBT, GTO,MOSFET, BJT, JFET, MCT
 Semi controllable switches
• Three terminal device
• On is controlled using a control terminal
• Off is determined by the circuit
• Eg: Thyristor – can be turned on by applying a positive gate current
Applications Using Controllable DC Power
 DC motor control in steel mills, paper mills, textile mills
 AC fed traction system using DC traction motor
 Electro-chemical and electro-metallurgical processes
 Magnet power supplies
 Portable hand tool drives
 High Voltage DC Transmission
• Dc power was obtained from motor—generator (MG) sets or ac power was converted to dc power by
means of mercury—arc rectifiers or thyratrons.
• The advent of thyristors changed the art of ac to dc conversion.
• Presently, Phase-controlled ac to dc converters employing thyristors are extensively used for changing
constant ac input voltage to controlled dc output voltage
• In industrial applications, rectifier circuits make use of more than one SCR.
• In such circuits, when an incoming SCR is turned on by triggering, it immediately reverse biases the
outgoing SCR and turns it off.
• As phase-controlled rectifiers need no commutation circuitry, these are simple, less expensive and are
therefore widely used in industries where controlled dc power is required.
• In the study of thyristor systems, SCRs and diodes are assumed ideal switches which means that
(i) there is no voltage drop across them,
(ii) no reverse current exists under reverse voltage conditions and
(iii) holding current is zero.
What is a Phase Controlled Rectifier?
• PCR is a type of rectifier circuit in which the diodes are switched by Thyristors or SCRs (Silicon Controlled
Rectifiers).
• Diodes offer no control over the o/p voltage, but thyristors can be used to change the output voltage by
adjusting the firing angle or delay.
• A phase control thyristor is activated by applying a short pulse to its gate terminal and it is deactivated d
ue to line communication or natural.
• In case of heavy inductive load, it is deactivated by firing another thyristor of the rectifier during the
negative half cycle of i/p voltage.
Controlled Rectifiers- Types
 Uncontrolled
 Only diodes are used
 Output voltage is fixed
 Power flow is only from AC input to DC output
 Half Controlled
 Mixture of diodes and thyristors
 Limited control of output voltage
 Cheaper than fully controlled
 Power flow is only from AC input to DC output
 Fully Controlled
 Only thyristors are used
 Full control of output voltage
 Power flow is bidirectional
 Called bidirectional Converters
Single Phase Rectifiers
Add some text to the title slide
 Two types of controlled rectifiers/converters
 Half wave converters
 Full wave converters
 Following points must be kept in mind while discussing controlled rectifier:
 The necessary condition for turn ON of SCR is that, it should be forward biased and gate
signal must be applied.
 SCR will turn off when current through it reaches below holding current and reverse
voltage is applied for a time period more than the SCR turn off time.
Single Phase Half Wave Controlled Rectifier-R Load
10
A firing angle may thus be defined as the angle
between the instant thyristor would conduct if it
were a diode and the instant it is triggered.
Firing angle is measured from the instant that
gives the largest average output voltage to the
instant it is triggered.
Single Phase Half Wave Controlled Rectifier- R Load (Analysis)
 Load output voltage and current for one complete cycle of input supply voltage is
v0 = VmSinωt for α≤ωt≤ π;
v0 = 0 for π≤ωt≤ 2π;
i0 = VmSinωt / R for α≤ωt≤ π;
i0 = 0 for π≤ωt≤ 2π.
Vm = 2V where V is the RMS value of input voltage
 Calculation of Average Load Output Voltage:
R Load (Analysis)
 From expression of average output voltage, it can be seen that, by changing firing angle α,we can change the
average output voltage.
 The average output voltage is maximum when firing angle is zero and it is minimum when firing angle α = π.
 This is the reason, it is called phase controlled rectifier
 This circuit produces only one pulse of load current during one cycle of source voltage. So called ONE PULSE
CONVERTER
 Average load current can easily be calculated by dividing the average load output voltage by load resistance R.
The root mean square
(rms) value of load
voltage.
R Load (Analysis)
 RMS value of load current can be calculated by dividing the rms load voltage by resistance R.
 This means,
 I0rms= RMS Load Voltage / R
 Input volt ampere is calculated as
 Input Volt Ampere = RMS Supply Voltage x RMS Load Current
= VsxI0rms
Single Phase Half Wave Controlled Rectifier- RL Load
16
RL Load
 Load output voltage and current for one complete cycle of input supply voltage is
V0 = VmSinωt for α≤ωt≤ β;
V0 = 0 for β ≤ωt≤ 2π+ α;
Vm = 2V where V is the RMS value of input voltage
Single Phase Half Wave Controlled Rectifier- R Load (Analysis)
 The average voltage of this controlled rectifier with RL load
 Average load current is
 RMS load voltage
Single Phase Half Wave Controlled Rectifier-
RL Load and Free wheeling diode
19
 Load output voltage for one com
plete cycle of input supply voltage
is
V0 = VmSinωt for α≤ωt≤ π;
V0 = 0 for π≤ωt≤ 2π.
RL Load with freewheeling diode
Single Phase Half Wave Controlled Rectifier- RL Load and Free
wheeling diode (Analysis)
 This cuts off the negative portion of the output voltage
 Smoothens the output current ripple
 Average value of output voltage : Similar to R Load
Output voltage is increased
01
Input power factor is improved as the
energy stored in the inductor is
delivered to the load instead of going
back to the supply
02
Load current waveform is improved
03
Performance of the rectifier is better
04
Converter efficiency is improved since
the energy stored in the inductor is
delivered to the load
05
Advantages of using freewheeling
diode
Single Phase Half Wave Controlled Rectifier- RLE Load
23
 Load output voltage for one complete c
ycle of input supply voltage is
V0 = VmSinωt + E, for α≤ωt≤ β;
V0 = E for β≤ωt≤ 2π+ α.
RLE Load
Single Phase Half Wave Controlled Rectifier- RLE Load (Analysis)
Applications Of Controlled Rectifiers
Single Phase Full Wave Converters
Types Of Full Converters
 Advantages of single phase full wave rectifiers (two pulse converters)
over single phase half wave rectifiers(one pulse converters) are:
Two pulse converters have a lower current ripple factor
Output voltage is more consistent
Has a higher average output voltage
The input frequency is doubled by the process of rectification
Requires a smaller capacitance value smoothing capacitor if one is required.
 Classification of Full wave converters
 Fully controlled converters
 Consists of thyristors only in the bridge circuit
 Wider control over the level of DC output voltage
 Half controlled converters (Semi converter)
 Consists of a combination of thyristors and diodes in the bridge circuit
 Limited control over the level of DC output voltage
Add some text to the title slide
 Single phase fully controlled converter
 Two quadrant converter
 voltage polarity can reverse but current polarity cannot be changed
 Single phase half controlled converter
 One quadrant converter
 Both voltage polarity and current polarity remain the same
Single Phase Fully Controlled Converter with R Load
30
Single Phase Full Wave Fully Controlled Rectifier- R Load (Analysis)
Single Phase Full Converter with RL Load (Continuous Load
Current)
33
• If the load inductance is large or α becomes
small, the load current cannot reach zero and it
flows continuously
• Therefore, one pair of SCR is conducting at all
times.
• The current is said to be continuous
Single Phase Full Wave Fully Controlled Rectifier - RL Load Continuous
Conduction (Analysis)
 The average value of this output voltage varies with α
 The average value of output current is given by:
Single Phase Full Converter with RL Load
(Discontinuous Load Current)
35
Single Phase Full Converter with RL Load and Freewheeling
Diode
36
Continuous
conduction
Discontinuous
conduction
Single Phase Full Wave Fully Controlled Rectifier-RL Load
Continuous and Discontinuous Conduction (Analysis)
 Since in this case the voltage waveform of the continuous and discontinuous modes are the same, the
analysis will also be the same for both the modes
Single Phase Full Converter with RLE load
40
Exclusively used in the speed control of separately excited motor
41
Discontinuous
conduction-
RLE
Single Phase Full Wave Fully Controlled Rectifier-RLE Load
Discontinuous Conduction (Analysis)
43
Continuous
conduction-
RLE
Single Phase Full Wave Fully Controlled Rectifier-RLE Load Continuous
Conduction (Analysis)
Inverter Operation Single Phase Full Converters
 Average output voltage in continuous
conduction mode is:
 For α < π/2 , dc output voltage is positive, current flows in one direction, Power is positive
 For α >π/2 , dc output voltage is negative, current flows in one direction, Power is negative
 The power is fed back to the supply, and the converter can be operated as inverter - called as
LINE COMMUTATED INVERTER
Different
Firing
Angle
Waveforms
Inverting mode Waveforms
Three Phase Thyristor Converter
Circuits
Why Three Phase Converters??
 The harmonics in single phase circuit increases with increase in firing angle.
 Filter circuit is required
 Harmonics in three phase controlled circuits is relatively small compared to single ph
ase circuits
 Extensively used in high power applications
 Advantages of three phase converters compared to single phase converters are:
 Output voltage has less ripple and is more smoother
 Size of the filter is reduced
 Rectification efficiency is high
Three Phase Converters - Types
 Types of three phase converters are:
Three Phase Half Wave Thyristor
Converters
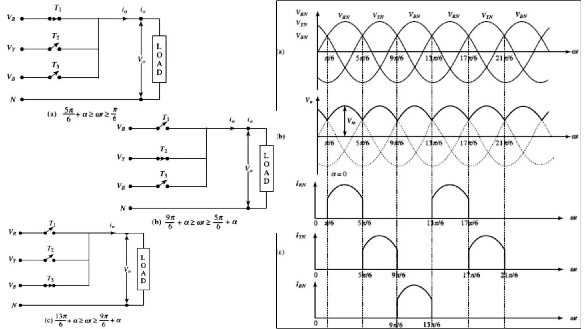
Three Phase Half Wave Converter with R Load
Also called three phase three pulse converter
Three Phase Half Wave
Controlled Converter with
R Load – Different Firing
Angles
Three Phase Half Wave Converter with RL Load
 Load Inductance is assumed to be large, so I0 is continuous and
constant
For α=45°
For α=60°
Three Phase Half Wave Converter with RL Load and Free wheeling
Diode
 Load Inductance is assumed to be large, so I0 is continuous and
constant
For α=60°
Three Phase Full Wave Thyristor
Converters
Three Phase Full Wave Fully Controlled Converter with RL Load
Three Phase Full Wave Fully Controlled Converter with RL Load
 In this circuit, thyristors are numbered in order of conduction sequence and each thyristor conducts
for 2π/3 (120°) duration.
 At any operating condition, at least one thyristor from the upper group (T1, T3, T5) and one thyristor
from the lower group (T2, T4, T6) must be conduct.
 Thyristors are fired in the sequence T1, T2, T3, T4, T5, T6, T1 with 60° interval between
 each firing.
 Thyristors on the same phase leg are fired at 180° interval and can not conduct simultaneously.
 The conduction sequences of thyristors are T1 T2, T2 T3, T3 T4, T4 T5, T5 T6, and T6 T1.
 Each conduction mode has 60° conduction period.
For α=0°
For α=60°
For α=90°
From the above waveforms, can state that
1. Output voltage waveforms for α = 0°, a = 30° and α = 60° of three-phase fully controlled bridge recti
fier with RL load will be same as the waveforms for bridge rectifier with R load.
2. If α > 60°, the output voltage waveforms of three-phase fully controlled bridge rectifier with RL load
will be different from the output voltage waveforms with R load.
3. At α = 90°, the average output voltage is equal to zero as the area under the positive and the negat
ive cycle are equal.
4. If firing angle α < 90°, the average output voltage is positive., When α > 90°, the average output vol
tage is negative.
5. The maximum value of α is 180°.
6. Since the frequency of input voltage is 50 Hz and the output voltage waveforms have six-pulse, the
ripple frequency is 300 Hz at any value of α.
7. Three-phase fully controlled bridge rectifier can be able to operate in two modes such as rectifier m
ode and inverter mode of operation.
For α=120°
Three Phase Full Wave Fully Controlled Converter with RLE
Load
Effect of Source Inductance on
Performance of Converters
• For single-phase and three-phase full converters, derivation of the output voltages
has been obtained on the assumption that current transfers from the out going SC
Rs to the incoming SCRs instantaneously.
• When incoming SCRs T1 and T2 are fired outgoing SCRs T3 and T4 get turned of
f due to the application of reverse voltage and the current shifts to SCRs T1 and T
2 instantaneously
• Possible only if the voltage source has no internal impedance.
• If source impedance is resistive, then there will be a
voltage drop across the resistance and the average
voltage output decreases
• If the source impedance is taken as purely inductive and large, then output current is virtually con
stant.
• The source inductance causes the outgoing and incoming SCRs to conduct together.
• During the commutation period (when both incoming and outgoing SCRs are conducting together
), the output voltage is equal to the average value of the conducting-phase voltages.
• For a single-phase converter, the load voltage will be zero and for a 3-phase converter, the load v
oltage is (va + vb)/ 2 (average value of the conducting phases a and b).
• The commutation period in seconds, when outgoing and incoming SCRs are conducting, is also k
nown as overlap period.
• The angular-period, during which both the incoming and outgoing SCRs are conducting, is known
as commutation angle or overlap angle µ in degrees or radians.
Effect of Source Inductance
on Performance of Single-
Phase Full Wave Controlled
Bridge Rectifier
Effect of Source Inductance
on Performance of Three-
Phase Full Wave Controlled
Bridge Rectifier
Dual Converters
Multiple Quadrant Converters
 One quadrant converters
• output voltage and current have the same polarity during the entire firing angle range.
• Called first quadrant converters
• Power flow is from source to load
• Eg: Semiconverters
 Two quadrant converters
• Acts as converter for 0° ≤ α ≤ 90°
• Acts as inverter for 90° < α ≤ 180°; voltage polarity changes
• Operates in the first and fourth quadrant
• Bidirectional power flow
• Eg: Full converters
 Motors need four quadrant operation – forward motoring, forward braking, reverse
motoring and reverse braking
 Dual Converters are four quadrant converters
SINGLE PHASE DUAL CONVERTERS
 Four quadrant converters
 Are those converters in which two fully controlled converters are connected back to back
in the load circuit
Working of ideal dual converter
 Two fully controlled converters are connected back to back
 When full converter 1 works alone, I and IV quadrant operation is obtained
 When full converter 2 works alone, II and III quadrant operation is obtained
 Both converters assumed to be ideal, no ripples in the output voltage
Equivalent Circuit
Practical Dual Converter
 Ideally, average output voltage of converter 1 and 2 are equal in magnitude and polarit
y
 But their instantaneous voltages are out of phase
 A large circulating current will flow through the converters but not the load
 Dual converters have two operating modes
 Non Circulating current mode
 Circulating current mode
Non Circulating Current Mode
 One converter will perform at a time. It carries the entire load current
 Triggering pulses to the other converter is cut off
 There is no circulating current between the converters.
 During the converter 1 operation, the firing angle (α1) will be 0<α1< 90° (Vdc and Idc are +ve)
 During the converter 2 operation, firing angle (α2) will be 0<α2< 90° (Vdc and Idc are -ve)
 It should be ensured that during change over, load current decays to zero
Circulating Current Mode
 A reactor is inserted between the converters
 both converters will be in the ON condition at the same time.
 Circulating current is present but is limited to a reasonable value
 The firing angles are adjusted such that α1+ α2=180°.
 Firing angle of converter 1 is α1 and firing angle of converter 2 is α2.
• Converter 1 works as a controlled rectifier when the firing angle is 0<α1< 900 and
Converter 2 works as an inverter when the firing angle is 900 <α2< 1800.
• In this condition, Vdc and Idc are positive.
• Converter 1 works as an inverter when firing angle be 900 <α1< 1800and
Converter 2 works as a controlled rectifier when the firing angle is 0<α2< 900
• in this condition, Vdc and Idc are negative.
85
Three phase dual converters
86
• Application of Dual Converter
• Direction and speed control of DC motors.
• Applicable wherever the reversible DC is required.
• Industrial variable speed DC drives.
87
THANK YOU

Power Electronics - Phase Controlled Converters.pptx

  • 1.
    Power Electronics Phase ControlledConverters D.Poornima, Assistant Professor (Sr.Gr), Department of EEE, Sri Ramakrishna Institute of Technology, Coimbatore
  • 2.
    What are controlledcircuits???  Circuits which employ controllable/ semi controllable switches  Controllable switches • Three terminal device • On and off is controlled using a control terminal • Can be turned on by applying a positive control signal and turned off by a pplying a negative control signal / removing the control signal • IGBT, GTO,MOSFET, BJT, JFET, MCT  Semi controllable switches • Three terminal device • On is controlled using a control terminal • Off is determined by the circuit • Eg: Thyristor – can be turned on by applying a positive gate current
  • 3.
    Applications Using ControllableDC Power  DC motor control in steel mills, paper mills, textile mills  AC fed traction system using DC traction motor  Electro-chemical and electro-metallurgical processes  Magnet power supplies  Portable hand tool drives  High Voltage DC Transmission
  • 4.
    • Dc powerwas obtained from motor—generator (MG) sets or ac power was converted to dc power by means of mercury—arc rectifiers or thyratrons. • The advent of thyristors changed the art of ac to dc conversion. • Presently, Phase-controlled ac to dc converters employing thyristors are extensively used for changing constant ac input voltage to controlled dc output voltage • In industrial applications, rectifier circuits make use of more than one SCR. • In such circuits, when an incoming SCR is turned on by triggering, it immediately reverse biases the outgoing SCR and turns it off. • As phase-controlled rectifiers need no commutation circuitry, these are simple, less expensive and are therefore widely used in industries where controlled dc power is required. • In the study of thyristor systems, SCRs and diodes are assumed ideal switches which means that (i) there is no voltage drop across them, (ii) no reverse current exists under reverse voltage conditions and (iii) holding current is zero.
  • 5.
    What is aPhase Controlled Rectifier? • PCR is a type of rectifier circuit in which the diodes are switched by Thyristors or SCRs (Silicon Controlled Rectifiers). • Diodes offer no control over the o/p voltage, but thyristors can be used to change the output voltage by adjusting the firing angle or delay. • A phase control thyristor is activated by applying a short pulse to its gate terminal and it is deactivated d ue to line communication or natural. • In case of heavy inductive load, it is deactivated by firing another thyristor of the rectifier during the negative half cycle of i/p voltage.
  • 7.
    Controlled Rectifiers- Types Uncontrolled  Only diodes are used  Output voltage is fixed  Power flow is only from AC input to DC output  Half Controlled  Mixture of diodes and thyristors  Limited control of output voltage  Cheaper than fully controlled  Power flow is only from AC input to DC output  Fully Controlled  Only thyristors are used  Full control of output voltage  Power flow is bidirectional  Called bidirectional Converters
  • 8.
  • 9.
    Add some textto the title slide  Two types of controlled rectifiers/converters  Half wave converters  Full wave converters  Following points must be kept in mind while discussing controlled rectifier:  The necessary condition for turn ON of SCR is that, it should be forward biased and gate signal must be applied.  SCR will turn off when current through it reaches below holding current and reverse voltage is applied for a time period more than the SCR turn off time.
  • 10.
    Single Phase HalfWave Controlled Rectifier-R Load 10 A firing angle may thus be defined as the angle between the instant thyristor would conduct if it were a diode and the instant it is triggered. Firing angle is measured from the instant that gives the largest average output voltage to the instant it is triggered.
  • 11.
    Single Phase HalfWave Controlled Rectifier- R Load (Analysis)  Load output voltage and current for one complete cycle of input supply voltage is v0 = VmSinωt for α≤ωt≤ π; v0 = 0 for π≤ωt≤ 2π; i0 = VmSinωt / R for α≤ωt≤ π; i0 = 0 for π≤ωt≤ 2π. Vm = 2V where V is the RMS value of input voltage  Calculation of Average Load Output Voltage:
  • 13.
    R Load (Analysis) From expression of average output voltage, it can be seen that, by changing firing angle α,we can change the average output voltage.  The average output voltage is maximum when firing angle is zero and it is minimum when firing angle α = π.  This is the reason, it is called phase controlled rectifier  This circuit produces only one pulse of load current during one cycle of source voltage. So called ONE PULSE CONVERTER  Average load current can easily be calculated by dividing the average load output voltage by load resistance R.
  • 14.
    The root meansquare (rms) value of load voltage.
  • 15.
    R Load (Analysis) RMS value of load current can be calculated by dividing the rms load voltage by resistance R.  This means,  I0rms= RMS Load Voltage / R  Input volt ampere is calculated as  Input Volt Ampere = RMS Supply Voltage x RMS Load Current = VsxI0rms
  • 16.
    Single Phase HalfWave Controlled Rectifier- RL Load 16
  • 17.
    RL Load  Loadoutput voltage and current for one complete cycle of input supply voltage is V0 = VmSinωt for α≤ωt≤ β; V0 = 0 for β ≤ωt≤ 2π+ α; Vm = 2V where V is the RMS value of input voltage
  • 18.
    Single Phase HalfWave Controlled Rectifier- R Load (Analysis)  The average voltage of this controlled rectifier with RL load  Average load current is  RMS load voltage
  • 19.
    Single Phase HalfWave Controlled Rectifier- RL Load and Free wheeling diode 19
  • 20.
     Load outputvoltage for one com plete cycle of input supply voltage is V0 = VmSinωt for α≤ωt≤ π; V0 = 0 for π≤ωt≤ 2π. RL Load with freewheeling diode
  • 21.
    Single Phase HalfWave Controlled Rectifier- RL Load and Free wheeling diode (Analysis)  This cuts off the negative portion of the output voltage  Smoothens the output current ripple  Average value of output voltage : Similar to R Load
  • 22.
    Output voltage isincreased 01 Input power factor is improved as the energy stored in the inductor is delivered to the load instead of going back to the supply 02 Load current waveform is improved 03 Performance of the rectifier is better 04 Converter efficiency is improved since the energy stored in the inductor is delivered to the load 05 Advantages of using freewheeling diode
  • 23.
    Single Phase HalfWave Controlled Rectifier- RLE Load 23
  • 24.
     Load outputvoltage for one complete c ycle of input supply voltage is V0 = VmSinωt + E, for α≤ωt≤ β; V0 = E for β≤ωt≤ 2π+ α. RLE Load
  • 25.
    Single Phase HalfWave Controlled Rectifier- RLE Load (Analysis)
  • 26.
  • 27.
    Single Phase FullWave Converters
  • 28.
    Types Of FullConverters  Advantages of single phase full wave rectifiers (two pulse converters) over single phase half wave rectifiers(one pulse converters) are: Two pulse converters have a lower current ripple factor Output voltage is more consistent Has a higher average output voltage The input frequency is doubled by the process of rectification Requires a smaller capacitance value smoothing capacitor if one is required.  Classification of Full wave converters  Fully controlled converters  Consists of thyristors only in the bridge circuit  Wider control over the level of DC output voltage  Half controlled converters (Semi converter)  Consists of a combination of thyristors and diodes in the bridge circuit  Limited control over the level of DC output voltage
  • 29.
    Add some textto the title slide  Single phase fully controlled converter  Two quadrant converter  voltage polarity can reverse but current polarity cannot be changed  Single phase half controlled converter  One quadrant converter  Both voltage polarity and current polarity remain the same
  • 30.
    Single Phase FullyControlled Converter with R Load 30
  • 31.
    Single Phase FullWave Fully Controlled Rectifier- R Load (Analysis)
  • 33.
    Single Phase FullConverter with RL Load (Continuous Load Current) 33 • If the load inductance is large or α becomes small, the load current cannot reach zero and it flows continuously • Therefore, one pair of SCR is conducting at all times. • The current is said to be continuous
  • 34.
    Single Phase FullWave Fully Controlled Rectifier - RL Load Continuous Conduction (Analysis)  The average value of this output voltage varies with α  The average value of output current is given by:
  • 35.
    Single Phase FullConverter with RL Load (Discontinuous Load Current) 35
  • 36.
    Single Phase FullConverter with RL Load and Freewheeling Diode 36
  • 37.
  • 38.
  • 39.
    Single Phase FullWave Fully Controlled Rectifier-RL Load Continuous and Discontinuous Conduction (Analysis)  Since in this case the voltage waveform of the continuous and discontinuous modes are the same, the analysis will also be the same for both the modes
  • 40.
    Single Phase FullConverter with RLE load 40 Exclusively used in the speed control of separately excited motor
  • 41.
  • 42.
    Single Phase FullWave Fully Controlled Rectifier-RLE Load Discontinuous Conduction (Analysis)
  • 43.
  • 44.
    Single Phase FullWave Fully Controlled Rectifier-RLE Load Continuous Conduction (Analysis)
  • 45.
    Inverter Operation SinglePhase Full Converters  Average output voltage in continuous conduction mode is:  For α < π/2 , dc output voltage is positive, current flows in one direction, Power is positive  For α >π/2 , dc output voltage is negative, current flows in one direction, Power is negative  The power is fed back to the supply, and the converter can be operated as inverter - called as LINE COMMUTATED INVERTER
  • 46.
  • 47.
  • 48.
    Three Phase ThyristorConverter Circuits
  • 49.
    Why Three PhaseConverters??  The harmonics in single phase circuit increases with increase in firing angle.  Filter circuit is required  Harmonics in three phase controlled circuits is relatively small compared to single ph ase circuits  Extensively used in high power applications  Advantages of three phase converters compared to single phase converters are:  Output voltage has less ripple and is more smoother  Size of the filter is reduced  Rectification efficiency is high
  • 50.
    Three Phase Converters- Types  Types of three phase converters are:
  • 51.
    Three Phase HalfWave Thyristor Converters
  • 52.
    Three Phase HalfWave Converter with R Load Also called three phase three pulse converter
  • 54.
    Three Phase HalfWave Controlled Converter with R Load – Different Firing Angles
  • 55.
    Three Phase HalfWave Converter with RL Load  Load Inductance is assumed to be large, so I0 is continuous and constant
  • 56.
  • 57.
  • 58.
    Three Phase HalfWave Converter with RL Load and Free wheeling Diode  Load Inductance is assumed to be large, so I0 is continuous and constant
  • 59.
  • 60.
    Three Phase FullWave Thyristor Converters
  • 61.
    Three Phase FullWave Fully Controlled Converter with RL Load
  • 62.
    Three Phase FullWave Fully Controlled Converter with RL Load  In this circuit, thyristors are numbered in order of conduction sequence and each thyristor conducts for 2π/3 (120°) duration.  At any operating condition, at least one thyristor from the upper group (T1, T3, T5) and one thyristor from the lower group (T2, T4, T6) must be conduct.  Thyristors are fired in the sequence T1, T2, T3, T4, T5, T6, T1 with 60° interval between  each firing.  Thyristors on the same phase leg are fired at 180° interval and can not conduct simultaneously.  The conduction sequences of thyristors are T1 T2, T2 T3, T3 T4, T4 T5, T5 T6, and T6 T1.  Each conduction mode has 60° conduction period.
  • 63.
  • 64.
  • 65.
  • 66.
    From the abovewaveforms, can state that 1. Output voltage waveforms for α = 0°, a = 30° and α = 60° of three-phase fully controlled bridge recti fier with RL load will be same as the waveforms for bridge rectifier with R load. 2. If α > 60°, the output voltage waveforms of three-phase fully controlled bridge rectifier with RL load will be different from the output voltage waveforms with R load. 3. At α = 90°, the average output voltage is equal to zero as the area under the positive and the negat ive cycle are equal. 4. If firing angle α < 90°, the average output voltage is positive., When α > 90°, the average output vol tage is negative. 5. The maximum value of α is 180°. 6. Since the frequency of input voltage is 50 Hz and the output voltage waveforms have six-pulse, the ripple frequency is 300 Hz at any value of α. 7. Three-phase fully controlled bridge rectifier can be able to operate in two modes such as rectifier m ode and inverter mode of operation.
  • 67.
  • 68.
    Three Phase FullWave Fully Controlled Converter with RLE Load
  • 70.
    Effect of SourceInductance on Performance of Converters
  • 71.
    • For single-phaseand three-phase full converters, derivation of the output voltages has been obtained on the assumption that current transfers from the out going SC Rs to the incoming SCRs instantaneously. • When incoming SCRs T1 and T2 are fired outgoing SCRs T3 and T4 get turned of f due to the application of reverse voltage and the current shifts to SCRs T1 and T 2 instantaneously • Possible only if the voltage source has no internal impedance. • If source impedance is resistive, then there will be a voltage drop across the resistance and the average voltage output decreases
  • 72.
    • If thesource impedance is taken as purely inductive and large, then output current is virtually con stant. • The source inductance causes the outgoing and incoming SCRs to conduct together. • During the commutation period (when both incoming and outgoing SCRs are conducting together ), the output voltage is equal to the average value of the conducting-phase voltages. • For a single-phase converter, the load voltage will be zero and for a 3-phase converter, the load v oltage is (va + vb)/ 2 (average value of the conducting phases a and b). • The commutation period in seconds, when outgoing and incoming SCRs are conducting, is also k nown as overlap period. • The angular-period, during which both the incoming and outgoing SCRs are conducting, is known as commutation angle or overlap angle µ in degrees or radians.
  • 73.
    Effect of SourceInductance on Performance of Single- Phase Full Wave Controlled Bridge Rectifier
  • 74.
    Effect of SourceInductance on Performance of Three- Phase Full Wave Controlled Bridge Rectifier
  • 75.
  • 76.
    Multiple Quadrant Converters One quadrant converters • output voltage and current have the same polarity during the entire firing angle range. • Called first quadrant converters • Power flow is from source to load • Eg: Semiconverters  Two quadrant converters • Acts as converter for 0° ≤ α ≤ 90° • Acts as inverter for 90° < α ≤ 180°; voltage polarity changes • Operates in the first and fourth quadrant • Bidirectional power flow • Eg: Full converters  Motors need four quadrant operation – forward motoring, forward braking, reverse motoring and reverse braking  Dual Converters are four quadrant converters
  • 78.
    SINGLE PHASE DUALCONVERTERS  Four quadrant converters  Are those converters in which two fully controlled converters are connected back to back in the load circuit
  • 79.
    Working of idealdual converter  Two fully controlled converters are connected back to back  When full converter 1 works alone, I and IV quadrant operation is obtained  When full converter 2 works alone, II and III quadrant operation is obtained  Both converters assumed to be ideal, no ripples in the output voltage
  • 80.
  • 82.
    Practical Dual Converter Ideally, average output voltage of converter 1 and 2 are equal in magnitude and polarit y  But their instantaneous voltages are out of phase  A large circulating current will flow through the converters but not the load  Dual converters have two operating modes  Non Circulating current mode  Circulating current mode
  • 83.
    Non Circulating CurrentMode  One converter will perform at a time. It carries the entire load current  Triggering pulses to the other converter is cut off  There is no circulating current between the converters.  During the converter 1 operation, the firing angle (α1) will be 0<α1< 90° (Vdc and Idc are +ve)  During the converter 2 operation, firing angle (α2) will be 0<α2< 90° (Vdc and Idc are -ve)  It should be ensured that during change over, load current decays to zero
  • 84.
    Circulating Current Mode A reactor is inserted between the converters  both converters will be in the ON condition at the same time.  Circulating current is present but is limited to a reasonable value  The firing angles are adjusted such that α1+ α2=180°.  Firing angle of converter 1 is α1 and firing angle of converter 2 is α2.
  • 85.
    • Converter 1works as a controlled rectifier when the firing angle is 0<α1< 900 and Converter 2 works as an inverter when the firing angle is 900 <α2< 1800. • In this condition, Vdc and Idc are positive. • Converter 1 works as an inverter when firing angle be 900 <α1< 1800and Converter 2 works as a controlled rectifier when the firing angle is 0<α2< 900 • in this condition, Vdc and Idc are negative. 85
  • 86.
    Three phase dualconverters 86
  • 87.
    • Application ofDual Converter • Direction and speed control of DC motors. • Applicable wherever the reversible DC is required. • Industrial variable speed DC drives. 87
  • 88.