Latch & Flip-Flop
By:
Dr. Gargi Khanna
Assoc. Prof. ECE Deptt.
NIT Hamirpur
Latch
• Latch Function
– store a data value
• non-volatile; will not lose value over time
• –often incorporated in static memory
• building block for a master-slave flip flop
Static CMOS Digital Latch
• most common structure
• •cross-coupled inverters, in positive feedback arrangement
• circuit forces itself to maintain data value
• inverter a outputs a 1 causing inverter b to output a 0
• or, inverter a outputs a 0 causing inverter b to output a 1
D Latch
• When CLK = 1, latch is transparent
• – D flows through to Q like a buffer
• When CLK = 0, the latch is opaque
• – Q holds its old value independent of D
• Transparent latch or level-sensitive latch
D-Latch
Dynamic D Latch Circuits
Sequential
Logic
Slide
6
Latch Design
• Pass Transistor Latch
• Pros
+
+
• Cons
•
•
•
•
•
•
D Q

Sequential
Logic
Slide
7
Latch Design
• Pass Transistor Latch
• Pros
+ Tiny
+ Low clock load
• Cons
• Vt drop
• nonrestoring
• backdriving
• output noise sensitivity
• dynamic
• diffusion input
D Q

Used in 1970’s
Sequential
Logic
Slide
8
Latch Design
• Transmission gate
+
- D Q


Sequential
Logic
Slide
9
Latch Design
• Transmission gate
+ No Vt drop
- Requires inverted clock D Q


Sequential
Logic
Slide
10
Latch Design
• Inverting buffer
+
+
+ Fixes either
•
•
•
D


X
Q
D Q


Sequential
Logic
Slide
11
Latch Design
• Inverting buffer
+ Restoring
+ No backdriving
+ Fixes either
• Output noise sensitivity
• Or diffusion input
• Inverted output
D


X
Q
D Q


Static D Latch Design
D Latch operation
Sequential
Logic
Slide
14
Latch Design
• Tristate feedback
+
•




Q
D
X
Static D Latch
Sequential
Logic
Slide
16
Latch Design
• Tristate feedback
+ Static
• Backdriving risk
• Static latches are now essential




Q
D
X
Sequential
Logic
Slide
17
Latch Design
• Buffered input
+
+


Q
D
X


Sequential
Logic
Slide
18
Latch Design
• Buffered input
+ Fixes diffusion input
+ Noninverting


Q
D
X


Sequential
Logic
Slide
19
Latch Design
• Buffered output
+


Q
D
X


Sequential
Logic
Slide
20
Latch Design
• Buffered output
+ No backdriving
• Widely used in standard cells
+ Very robust (most important)
- Rather large
- Rather slow (1.5 – 2 FO4 delays)
- High clock loading


Q
D
X


Sequential
Logic
Slide
21
Latch Design
• Datapath latch
+
-




Q
D
X
Sequential
Logic
Slide
22
Latch Design
• Datapath latch
+ Smaller, faster
- unbuffered input




Q
D
X
Sequential
Logic
Slide
24
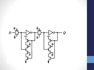
Flip-Flop Design
• Flip-flop is built as pair of back-to-back latches
D Q




X
D




X
Q
Q




D Flip Flop
Master-Slave Concept
– cascade 2 latches clocked on opposite clock phases
• φ = 1, φ = 0: D passes to master, slave holds previous value
• φ = 0, φ = 1 : D is blocked from master, master holds value and
passes value to slave
Triggering
– Output only changes on clock edge; output is held when clock is at a
level value (0 or 1)
– Positive Edge
• output changes only on rising edge of clock
– Negative Edge
• output changes only on falling edge of clock
D Flip Flop
• Transmission Gate as switch
D F/F Operation
Sequential
Logic
Slide
28
Enable
• Enable: ignore clock when en = 0
• Mux: increase latch D-Q delay
• Clock Gating: increase en setup time, skew
D Q
Latch
D Q
en
en


Latch
D
Q

0
1
en
Latch
D Q
 en
D
Q

0
1
en
D Q
 en
Flop
Flop
Flop
Symbol Multiplexer Design Clock Gating Design
Sequential
Logic
Slide
29
Reset
• Force output low when reset asserted
• Synchronous vs. asynchronous
D




Q
Q




reset
D






Q


D
reset


Q


D
reset
reset


reset
Synchronous
Reset
Asynchronous
Reset
Symbol
Flop
D Q
Latch
D Q
reset reset
 


Q
reset
Sequential
Logic
Slide
30
Set / Reset
• Set forces output high when enabled
• Flip-flop with asynchronous set and reset
D






Q


reset
set
reset
set
D Flip Flop with Set/Clear
Transmission Gate D F/F
The inputs of the RS latch are precharged and selectively discharged at
the rising edge of the clock signal. The RS latch retains the data output
during the precharge period when CLK is low.
The transistor M 5 provides a current path to ground if the input switches
after the rising edge of the clock. This prevents the sources of M 2 and M
4 to become floating, which can cause the inputs of the RS
latch to have an intermediate voltage level.
Complementary Clock CMOS
C2CMOS F/F
Precharge True Single Phase
Clock F/F
Non Precharge TSPC F/F
Precharge Cascode Voltage
Switch Logic F/F
Self-gating Flip-flop
Power dissipation of self-gating
flip-flop and regular flip-flop.
Double edge triggered flip-flop.
Power consumption of SETFF and
DETFF
Latch & Flip-Flop.pptx

Latch & Flip-Flop.pptx

Editor's Notes

  • #35 This circuit was reportedly used in a RISC microprocessor [4.14]. The flip-flop contains a simple differential feedback circuit that drives an RS latch. The transistors M I' M 2' M 3' M 4 form a pair of cross coupled feedback inverters. The inputs of the RS latch are precharged and selectively discharged at the rising edge of the clock signal. The RS latch retains the data output during the precharge period when CLK is low. The transistor M 5 provides a current path to ground if the input switches after the rising edge of the clock. This prevents the sources of M 2 and M 4 to become floating, which can cause the inputs of the RS latch to have an intermediate voltage level. Although only three transistors are connected to the single phase clock signal, one of the nodes at the inputs of the RS latch is always charged and discharged during evaluation. Note that the full CMOS implementation does not consume static current when the clock is stopped.