FET ( Field Effect Transistor)
1. Unipolar device i. e. operation depends on only one type of
charge carriers (h or e)
2. Voltage controlled Device (gate voltage controls drain
current)
3. Very high input impedance (≈109
-1012
Ω)
4. Source and drain are interchangeable in most Low-frequency
applications
5. Low Voltage Low Current Operation is possible (Low-power
consumption)
6. Less Noisy as Compared to BJT
7. No minority carrier storage (Turn off is faster)
8. Self limiting device
9. Very small in size, occupies very small space in ICs
10. Low voltage low current operation is possible in MOSFETS
11. Zero temperature drift of out put is possiblek
Few important advantages of FET over conventional Transistors
Types of Field Effect Transistors
(The Classification)
» JFET
MOSFET (IGFET)
n-Channel JFET
p-Channel JFET
n-Channel
EMOSFET
p-Channel
EMOSFET
Enhancement
MOSFET
Depletion
MOSFET
n-Channel
DMOSFET
p-Channel
DMOSFET
FET
Figure: n-Channel JFET.
The Junction Field Effect Transistor (JFET)
Gate
Drain
Source
SYMBOLS
n-channel JFET
Gate
Drain
Source
n-channel JFET
Offset-gate symbol
Gate
Drain
Source
p-channel JFET
Figure: n-Channel JFET and Biasing Circuit.
Biasing the JFET
Figure: The nonconductive depletion region becomes broader with increased reverse bias.
(Note: The two gate regions of each FET are connected to each other.)
Operation of JFET at Various Gate Bias Potentials
P P +
-
DC Voltage Source
+
-
+
-
N
N
Operation of a JFET
Gate
Drain
Source
Figure: Circuit for drain characteristics of the n-channel JFET and its Drain characteristics.
Non-saturation (Ohmic) Region:
The drain current is given by










−



 −=
2
2 2
2
DS
DSPGS
P
DSS
DS
V
VVV
V
I
I












 −=
2
2 PGS
P
DSS
DS
VV
V
I
I
2
1and








−=
P
GS
DSSDS V
V
II
Where, IDSS is the short circuit drain current, VP is the pinch off voltage
Output or Drain (VD-ID) Characteristics of n-JFET
Saturation (or Pinchoff) Region:




 −<
PGSDS
VVV




 −≥
PGSDS
VVV
Figure: n-Channel FET for vGS = 0.
Simple Operation and Break down of n-Channel JFET
Figure: If vDG exceeds the breakdown voltage VB, drain current increases rapidly.
Break Down Region
N-Channel JFET Characteristics and Breakdown
Figure: Typical drain characteristics of an n-channel JFET.
VD-ID Characteristics of EMOS FET
Saturation or Pinch
off Reg.
Locus of pts where ( )PGSDS VVV −=
Figure: Transfer (or Mutual) Characteristics of n-Channel JFET
2
1








−=
P
GS
DSSDS V
V
II
IDSS
VGS (off)=VP
Transfer (Mutual) Characteristics of n-Channel JFET
JFET Transfer Curve
This graph shows the value of ID for a given
value of VGS
Biasing Circuits used for JFET
• Fixed bias circuit
• Self bias circuit
• Potential Divider bias circuit
JFET (n-channel) Biasing Circuits
2
1








−=
P
GS
DSSDS V
V
II
0, ===+= GGSGSGGGG IFixedVVRIV 
DDSDDDS
P
GS
DSSDS
RIVV
V
V
II
−=








−=
and
1
2
S
GS
DS
SDSGS
R
V
I
RIV
−=∴
=+ 0
For Self Bias Circuit
For Fixed Bias Circuit
Applying KVL to gate circuit we get
and
Where, Vp=VGS-off & IDSS is Short ckt. IDS
JFETJFET BiasingBiasing Circuits Count…Circuits Count…
or Fixed Bias Ckt.
JFET Self (or Source) Bias Circuit
2
1and








−=
P
GS
DSSDS V
V
II
S
GS
P
GS
DSS R
V
V
V
I −=








−∴
2
1
021
2
=+


















+−
S
GS
P
GS
P
GS
DSS R
V
V
V
V
V
I
This quadratic equation can be solved for VGS & IDS
The Potential (Voltage) Divider Bias
01
2
=
−
−








−∴
S
GSG
P
GS
DSS R
VV
V
V
I
DSGS
IVgivesequationquadraticthisSolving and
A Simple CS Amplifier and Variation in IDS with Vgs
FET Mid-frequency Analysis:
g
s
rd
gmvπ
vi = vπ
ii
io
vo
d
s
+ +
_ _
mid-frequency CE amplifier circuit
RD RLRThvs
+
_
is
' 'o o i
vi m L L d D L vs vi
i s s i
i
i Th Th 1 2
i
Analysis of the CS mid-frequency circuit above yields:
v v Z
A = = -g R , where R = r R R A = = A
v v R + Z
v
Z = = R , where R = R R
i
 
 
 
L
o i
I vi
i L
o o
o d D P vi I
o iseen by R
i Z
A = = A
i R
v p
Z = = r R A = = A A
i p
 
 
 
A common source (CS) amplifier is shown
to the right.
Rs
Ci
RL
Co
CSS
vi
vo
+
+
vs
+
_
_
_
io
ii
D
S
G
VDD VDD
R1
RSS
RD
R2
The mid-frequency circuit is drawn as follows:
• the coupling capacitors (Ci and Co) and the
bypass capacitor (CSS) are short circuits
• short the DC supply voltage (superposition)
• replace the FET with the hybrid-π model
The resulting mid-frequency circuit is shown below.
FET Mid-frequency Analysis:
g
s
rd
gmvπ
vi = vπ
ii
io
vo
d
s
+ +
_ _
mid-frequency CE amplifier circuit
RD RLRThvs
+
_
is
' 'o o i
vi m L L d D L vs vi
i s s i
i
i Th Th 1 2
i
Analysis of the CS mid-frequency circuit above yields:
v v Z
A = = -g R , where R = r R R A = = A
v v R + Z
v
Z = = R , where R = R R
i
 
 
 
L
o i
I vi
i L
o o
o d D P vi I
o iseen by R
i Z
A = = A
i R
v p
Z = = r R A = = A A
i p
 
 
 
A common source (CS) amplifier is shown
to the right.
Rs
Ci
RL
Co
CSS
vi
vo
+
+
vs
+
_
_
_
io
ii
D
S
G
VDD VDD
R1
RSS
RD
R2
The mid-frequency circuit is drawn as follows:
• the coupling capacitors (Ci and Co) and the
bypass capacitor (CSS) are short circuits
• short the DC supply voltage (superposition)
• replace the FET with the hybrid-π model
The resulting mid-frequency circuit is shown below.
Procedure: Analysis of an FET amplifier at mid-frequency:
1) Find the DC Q-point. This will insure that the FET is operating in the saturation
region and these values are needed for the next step.
2) Find gm. If gm is not specified, calculate it using the DC values of VGS as follows:
3) Calculate the required values (typically Avi, Avs, AI, AP, Zi, and Zo. Use the formulas for
the appropriate amplifier configuration (CS, CG, CD, etc).
( )
( )
DSSD
m GS P2
GS P
D
m GS T
GS
GS
2II
g = = V - V (for JFET's and DM MOSFET's)
V V
I
g = = V - V (for EM MOSFET's)
V
(Note: Uses DC value of V )
K
∂
∂
∂
∂
PE-Electrical Review Course - Class 4 (Transistors)
Example 7:
Find the mid-frequency values for Avi, Avs, AI, AP, Zi,
and Zo for the amplifier shown below. Assume that
Ci, Co, and CSS are large.
Note that this is the same biasing circuit used in Ex.
2, so VGS = -0.178 V.
The JFET has the following specifications:
ΙDSS = 4 mA, VP = -1.46 V, rd = 50 k
10 k
Ci
8 k
Co
CSS
vi
vo
+
+
vs
+
_
_
_
io
ii
D
S
G
18 V 18 V
800 k
2 k
500
400 k
FET Amplifier Configurations and
Relationships:
'
' ' m L
vi m L m L '
m L
'
L d D L d D L SS L
i Th SS Th
m
o d D d D SS
m
i i i
vs vi vi vi
s i s i s i
i i i
I vi vi vi
L L L
P vi I vi I
CS CG CD
g R
A -g R g R
1 g R
R r R R r R R R R
1
Z R R R
g
1
Z r R r R R
g
Z Z Z
A A A A
R + Z R + Z R + Z
Z Z Z
A A A A
R R R
A A A A A
+
     
     
     
     
     
     
vi I
Th 1 2
A A
where R = R R
VCC
RD
S
R2
RSS
Rs
Ci
RL
Co
C2
vi
vo
+
+
vs
+
_
__
io
ii
Common Gate (CG) Amplifier
R1
D
G
Note: The biasing circuit is the same for each amp.
Rs
Ci
RL
Co
CSS
vi
vo
+
+
vs
+
_ _
_
io
ii
D
S
G
VDD VDD
R1
RSS
RD
R2
Common Source (CS) Amplifier
Rs
Ci
vi
+
vs
+
_
_
ii G
VDD VDD
R1
RSS
R2
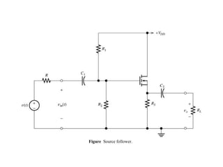
Common Drain (CD) Amplifier (also called “source follower”)
RL
Co
vo
+
_
io
D
S
Figure: Circuit symbol for an enhancement-mode n-channel MOSFET.
Figure: n-Channel Enhancement MOSFET showing channel length L and channel width W.
Figure: For vGS < Vto the pn junction between drain and body is reverse biased and iD=0.
Figure: For vGS >Vto a channel of n-type material is induced in the region under the gate.
As vGS increases, the channel becomes thicker. For small values of vDS ,iD is proportional to vDS.
The device behaves as a resistor whose value depends on vGS.
Figure: As vDS increases, the channel pinches down at the drain end and iD increases more slowly.
Finally for vDS> vGS -Vto, iD becomes constant.
Current-Voltage Relationship of
n-EMOSFET
Locus of points where
Figure: Drain characteristics
Figure: This circuit can be used to plot drain characteristics.
Figure: Diodes protect the oxide layer from destruction by static electric charge.
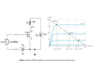
Figure: Simple NMOS amplifier circuit and Characteristics with load line.
Figure: Drain characteristics and load line
Figure vDS versus time for the circuit of Figure 5.13.
Figure Fixed- plus self-bias circuit.
Figure Graphical solution of Equations (5.17) and (5.18).
Figure Fixed- plus self-biased circuit of Example 5.3.
Figure The more nearly horizontal bias line results in less change in the Q-point.
Figure Small-signal equivalent circuit for FETs.
Figure FET small-signal equivalent circuit that accounts for the dependence of iD on vDS.
Figure Determination of gm and rd. See Example 5.5.
Figure Common-source amplifier.
For drawing an a c equivalent circuit of Amp.
•Assume all Capacitors C1, C2, Cs as short
circuit elements for ac signal
•Short circuit the d c supply
•Replace the FET by its small signal model
Analysis of CS Amplifier
LgsmLoo
gs
o
v
RvgRiv
v
v
A
−==∴
=gain,Voltage
dDLLm
gs
o
v
rRRRg
v
v
A =−==∴ ,
Dd
Dd
Ddo Rr
Rr
RrZ
+
==imp.,putOut
21
imp.,Input RRRZ
Gin
==
A C Equivalent Circuit
Simplified A C Equivalent Circuit
Analysis of CS Amplifier with Potential Divider Bias
)R||(rgAv Ddm−=
D
R10rD,m
d
RgAv ≥−≅ 
)R||(rgAv Ddm−=
This is a CS amplifier configuration therefore the
input is on the gate and the output is on the drain. 21 R||RZi =
Dd R||rZo =
Dd
D
10Rr
RZo
≥
≅
Figure vo(t) and vin(t) versus time for the common-source amplifier of Figure 5.28.
Figure Common-source amplifier.
An Amplifier Circuit using MOSFET(CS Amp.)
Figure Small-signal equivalent circuit for the common-source amplifier.
A small signal equivalent circuit of CS Amp.
Figure vo(t) and vin(t) versus time for the common-source amplifier of Figure 5.28.
Figure Gain magnitude versus frequency for the common-source amplifier of Figure 5.28.
Figure Source follower.
Figure Small-signal ac equivalent circuit for the source follower.
Figure Equivalent circuit used to find the output resistance of the source follower.
Figure Common-gate amplifier.
Figure See Exercise 5.12.
Figure Drain current versus drain-to-source voltage for zero gate-to-source voltage.
Figure n-Channel depletion MOSFET.
Figure Characteristic curves for an NMOS transistor.
Figure Drain current versus vGS in the saturation region for n-channel devices.
Figure p-Channel FET circuit symbols. These are the same as the circuit symbols for n-channel devices,
except for the directions of the arrowheads.
Figure Drain current versus vGS for several types of FETs. iD is referenced into the drain terminal
for n-channel devices and out of the drain for p-channel devices.

Fet basics-1

  • 1.
    FET ( FieldEffect Transistor) 1. Unipolar device i. e. operation depends on only one type of charge carriers (h or e) 2. Voltage controlled Device (gate voltage controls drain current) 3. Very high input impedance (≈109 -1012 Ω) 4. Source and drain are interchangeable in most Low-frequency applications 5. Low Voltage Low Current Operation is possible (Low-power consumption) 6. Less Noisy as Compared to BJT 7. No minority carrier storage (Turn off is faster) 8. Self limiting device 9. Very small in size, occupies very small space in ICs 10. Low voltage low current operation is possible in MOSFETS 11. Zero temperature drift of out put is possiblek Few important advantages of FET over conventional Transistors
  • 2.
    Types of FieldEffect Transistors (The Classification) » JFET MOSFET (IGFET) n-Channel JFET p-Channel JFET n-Channel EMOSFET p-Channel EMOSFET Enhancement MOSFET Depletion MOSFET n-Channel DMOSFET p-Channel DMOSFET FET
  • 3.
    Figure: n-Channel JFET. TheJunction Field Effect Transistor (JFET)
  • 4.
  • 5.
    Figure: n-Channel JFETand Biasing Circuit. Biasing the JFET
  • 6.
    Figure: The nonconductivedepletion region becomes broader with increased reverse bias. (Note: The two gate regions of each FET are connected to each other.) Operation of JFET at Various Gate Bias Potentials
  • 7.
    P P + - DCVoltage Source + - + - N N Operation of a JFET Gate Drain Source
  • 8.
    Figure: Circuit fordrain characteristics of the n-channel JFET and its Drain characteristics. Non-saturation (Ohmic) Region: The drain current is given by           −     −= 2 2 2 2 DS DSPGS P DSS DS V VVV V I I              −= 2 2 PGS P DSS DS VV V I I 2 1and         −= P GS DSSDS V V II Where, IDSS is the short circuit drain current, VP is the pinch off voltage Output or Drain (VD-ID) Characteristics of n-JFET Saturation (or Pinchoff) Region:      −< PGSDS VVV      −≥ PGSDS VVV
  • 9.
    Figure: n-Channel FETfor vGS = 0. Simple Operation and Break down of n-Channel JFET
  • 10.
    Figure: If vDGexceeds the breakdown voltage VB, drain current increases rapidly. Break Down Region N-Channel JFET Characteristics and Breakdown
  • 11.
    Figure: Typical draincharacteristics of an n-channel JFET. VD-ID Characteristics of EMOS FET Saturation or Pinch off Reg. Locus of pts where ( )PGSDS VVV −=
  • 12.
    Figure: Transfer (orMutual) Characteristics of n-Channel JFET 2 1         −= P GS DSSDS V V II IDSS VGS (off)=VP Transfer (Mutual) Characteristics of n-Channel JFET
  • 13.
    JFET Transfer Curve Thisgraph shows the value of ID for a given value of VGS
  • 14.
    Biasing Circuits usedfor JFET • Fixed bias circuit • Self bias circuit • Potential Divider bias circuit
  • 15.
    JFET (n-channel) BiasingCircuits 2 1         −= P GS DSSDS V V II 0, ===+= GGSGSGGGG IFixedVVRIV  DDSDDDS P GS DSSDS RIVV V V II −=         −= and 1 2 S GS DS SDSGS R V I RIV −=∴ =+ 0 For Self Bias Circuit For Fixed Bias Circuit Applying KVL to gate circuit we get and Where, Vp=VGS-off & IDSS is Short ckt. IDS
  • 16.
    JFETJFET BiasingBiasing CircuitsCount…Circuits Count… or Fixed Bias Ckt.
  • 17.
    JFET Self (orSource) Bias Circuit 2 1and         −= P GS DSSDS V V II S GS P GS DSS R V V V I −=         −∴ 2 1 021 2 =+                   +− S GS P GS P GS DSS R V V V V V I This quadratic equation can be solved for VGS & IDS
  • 18.
    The Potential (Voltage)Divider Bias 01 2 = − −         −∴ S GSG P GS DSS R VV V V I DSGS IVgivesequationquadraticthisSolving and
  • 19.
    A Simple CSAmplifier and Variation in IDS with Vgs
  • 20.
    FET Mid-frequency Analysis: g s rd gmvπ vi= vπ ii io vo d s + + _ _ mid-frequency CE amplifier circuit RD RLRThvs + _ is ' 'o o i vi m L L d D L vs vi i s s i i i Th Th 1 2 i Analysis of the CS mid-frequency circuit above yields: v v Z A = = -g R , where R = r R R A = = A v v R + Z v Z = = R , where R = R R i       L o i I vi i L o o o d D P vi I o iseen by R i Z A = = A i R v p Z = = r R A = = A A i p       A common source (CS) amplifier is shown to the right. Rs Ci RL Co CSS vi vo + + vs + _ _ _ io ii D S G VDD VDD R1 RSS RD R2 The mid-frequency circuit is drawn as follows: • the coupling capacitors (Ci and Co) and the bypass capacitor (CSS) are short circuits • short the DC supply voltage (superposition) • replace the FET with the hybrid-π model The resulting mid-frequency circuit is shown below.
  • 21.
    FET Mid-frequency Analysis: g s rd gmvπ vi= vπ ii io vo d s + + _ _ mid-frequency CE amplifier circuit RD RLRThvs + _ is ' 'o o i vi m L L d D L vs vi i s s i i i Th Th 1 2 i Analysis of the CS mid-frequency circuit above yields: v v Z A = = -g R , where R = r R R A = = A v v R + Z v Z = = R , where R = R R i       L o i I vi i L o o o d D P vi I o iseen by R i Z A = = A i R v p Z = = r R A = = A A i p       A common source (CS) amplifier is shown to the right. Rs Ci RL Co CSS vi vo + + vs + _ _ _ io ii D S G VDD VDD R1 RSS RD R2 The mid-frequency circuit is drawn as follows: • the coupling capacitors (Ci and Co) and the bypass capacitor (CSS) are short circuits • short the DC supply voltage (superposition) • replace the FET with the hybrid-π model The resulting mid-frequency circuit is shown below.
  • 22.
    Procedure: Analysis ofan FET amplifier at mid-frequency: 1) Find the DC Q-point. This will insure that the FET is operating in the saturation region and these values are needed for the next step. 2) Find gm. If gm is not specified, calculate it using the DC values of VGS as follows: 3) Calculate the required values (typically Avi, Avs, AI, AP, Zi, and Zo. Use the formulas for the appropriate amplifier configuration (CS, CG, CD, etc). ( ) ( ) DSSD m GS P2 GS P D m GS T GS GS 2II g = = V - V (for JFET's and DM MOSFET's) V V I g = = V - V (for EM MOSFET's) V (Note: Uses DC value of V ) K ∂ ∂ ∂ ∂
  • 23.
    PE-Electrical Review Course- Class 4 (Transistors) Example 7: Find the mid-frequency values for Avi, Avs, AI, AP, Zi, and Zo for the amplifier shown below. Assume that Ci, Co, and CSS are large. Note that this is the same biasing circuit used in Ex. 2, so VGS = -0.178 V. The JFET has the following specifications: ΙDSS = 4 mA, VP = -1.46 V, rd = 50 k 10 k Ci 8 k Co CSS vi vo + + vs + _ _ _ io ii D S G 18 V 18 V 800 k 2 k 500 400 k
  • 24.
    FET Amplifier Configurationsand Relationships: ' ' ' m L vi m L m L ' m L ' L d D L d D L SS L i Th SS Th m o d D d D SS m i i i vs vi vi vi s i s i s i i i i I vi vi vi L L L P vi I vi I CS CG CD g R A -g R g R 1 g R R r R R r R R R R 1 Z R R R g 1 Z r R r R R g Z Z Z A A A A R + Z R + Z R + Z Z Z Z A A A A R R R A A A A A +                                     vi I Th 1 2 A A where R = R R VCC RD S R2 RSS Rs Ci RL Co C2 vi vo + + vs + _ __ io ii Common Gate (CG) Amplifier R1 D G Note: The biasing circuit is the same for each amp. Rs Ci RL Co CSS vi vo + + vs + _ _ _ io ii D S G VDD VDD R1 RSS RD R2 Common Source (CS) Amplifier Rs Ci vi + vs + _ _ ii G VDD VDD R1 RSS R2 Common Drain (CD) Amplifier (also called “source follower”) RL Co vo + _ io D S
  • 25.
    Figure: Circuit symbolfor an enhancement-mode n-channel MOSFET.
  • 26.
    Figure: n-Channel EnhancementMOSFET showing channel length L and channel width W.
  • 27.
    Figure: For vGS< Vto the pn junction between drain and body is reverse biased and iD=0.
  • 28.
    Figure: For vGS>Vto a channel of n-type material is induced in the region under the gate. As vGS increases, the channel becomes thicker. For small values of vDS ,iD is proportional to vDS. The device behaves as a resistor whose value depends on vGS.
  • 29.
    Figure: As vDSincreases, the channel pinches down at the drain end and iD increases more slowly. Finally for vDS> vGS -Vto, iD becomes constant.
  • 30.
  • 31.
  • 32.
    Figure: This circuitcan be used to plot drain characteristics.
  • 33.
    Figure: Diodes protectthe oxide layer from destruction by static electric charge.
  • 34.
    Figure: Simple NMOSamplifier circuit and Characteristics with load line.
  • 35.
  • 36.
    Figure vDS versustime for the circuit of Figure 5.13.
  • 37.
    Figure Fixed- plusself-bias circuit.
  • 38.
    Figure Graphical solutionof Equations (5.17) and (5.18).
  • 39.
    Figure Fixed- plusself-biased circuit of Example 5.3.
  • 40.
    Figure The morenearly horizontal bias line results in less change in the Q-point.
  • 41.
  • 42.
    Figure FET small-signalequivalent circuit that accounts for the dependence of iD on vDS.
  • 43.
    Figure Determination ofgm and rd. See Example 5.5.
  • 44.
  • 45.
    For drawing ana c equivalent circuit of Amp. •Assume all Capacitors C1, C2, Cs as short circuit elements for ac signal •Short circuit the d c supply •Replace the FET by its small signal model
  • 46.
    Analysis of CSAmplifier LgsmLoo gs o v RvgRiv v v A −==∴ =gain,Voltage dDLLm gs o v rRRRg v v A =−==∴ , Dd Dd Ddo Rr Rr RrZ + ==imp.,putOut 21 imp.,Input RRRZ Gin == A C Equivalent Circuit Simplified A C Equivalent Circuit
  • 47.
    Analysis of CSAmplifier with Potential Divider Bias )R||(rgAv Ddm−= D R10rD,m d RgAv ≥−≅  )R||(rgAv Ddm−= This is a CS amplifier configuration therefore the input is on the gate and the output is on the drain. 21 R||RZi = Dd R||rZo = Dd D 10Rr RZo ≥ ≅
  • 48.
    Figure vo(t) andvin(t) versus time for the common-source amplifier of Figure 5.28.
  • 49.
    Figure Common-source amplifier. AnAmplifier Circuit using MOSFET(CS Amp.)
  • 50.
    Figure Small-signal equivalentcircuit for the common-source amplifier. A small signal equivalent circuit of CS Amp.
  • 51.
    Figure vo(t) andvin(t) versus time for the common-source amplifier of Figure 5.28.
  • 52.
    Figure Gain magnitudeversus frequency for the common-source amplifier of Figure 5.28.
  • 53.
  • 54.
    Figure Small-signal acequivalent circuit for the source follower.
  • 55.
    Figure Equivalent circuitused to find the output resistance of the source follower.
  • 56.
  • 57.
  • 58.
    Figure Drain currentversus drain-to-source voltage for zero gate-to-source voltage.
  • 59.
  • 60.
    Figure Characteristic curvesfor an NMOS transistor.
  • 61.
    Figure Drain currentversus vGS in the saturation region for n-channel devices.
  • 62.
    Figure p-Channel FETcircuit symbols. These are the same as the circuit symbols for n-channel devices, except for the directions of the arrowheads.
  • 63.
    Figure Drain currentversus vGS for several types of FETs. iD is referenced into the drain terminal for n-channel devices and out of the drain for p-channel devices.