EXPERIMENTAL STUDY OF PRECAST
PORTAL FRAME
2CL404 – CIVIL ENGINEERING PROJECT
ee
Presented By:-
SAGAR HALWAWALA (11BCL014)
HIMANSHU MANOLKAR (11BCL015)
SATISH KAMBALIYA (11BCL016)
MEET KOTADIA (11BCL020)
Guided By:-
Dr. P.V. Patel
Introduction
• Precast concrete :- Construction product produced by casting
concrete in a reusable mould or "form" which is then cured
in a controlled environment, transported to the construction
site and lifted into place.
• Increasingly popular in the construction industry.• Increasingly popular in the construction industry.
• Also referred to as Modern Methods of Construction (MMC).
• Extensively used for a wide variety of projects, from railway
sleepers to bridge elements, housing and stadia.
• Reduction in waste on construction site by as much as 50%
when compared to more traditional approaches.
Introduction cont...
• It is due among other factors to the advantages related to the
reduction in construction times, work force and in situ labors,
as well as a more favorable cost-benefit relation, less
environmental impacts, and greater control and final quality
of the elements.
• Utilizing a Precast Concrete system offers many potential• Utilizing a Precast Concrete system offers many potential
advantages over site casting of concrete. The production
process for Precast Concrete is performed on ground level,
which helps with safety throughout a project.
• There is a greater control of the quality of materials and
workmanship in a precast plant rather than on a construction
site.
Types of Precast System.
Depending on the load bearing structure, precast
systems can be divided into the following
categories:
Large-panel systems
Frame systems
Slab-column systems with walls
Mixed systems
Volumetric construction
Precast Components
Precast Building In India
Pragati Tower is a
G+23 storeys fully
precast residential
building project with
6 towers at6 towers at
Bhoiwada, Parel,
Mumbai, India to
rehabilitate slum
dwellers.
Need Of Precast Construction
• Precast concrete solutions can provide construction elements that
are made of recycled materials that generate small amounts of
waste through the manufacturing and erection phases. These
precast products are widely used in the following sectors:
Residential (floors)
StadiaStadia
Infrastructure (roads, railways, bridges, sewage)
Prisons
Medium and high rise building
Hospitals
Commercial and industrial buildings
Need Of Precast Construction cont.
• Their utilization saved construction time and cost,
insured better quality control, and suggested the
achievement of standardization.
• Its fulfills criteria of three “R” of Sustainable
Development ie.Development ie.
Reduce
Recycle
Reuse
Advantage Of Precast Construction
• Quick erection times.
• Reduced need for plant on site.
• Easier management of construction sites.
• Better overall construction quality.• Better overall construction quality.
• Ideal fit for simple and complex structures.
• The forms used in a precast plant may be reused
hundreds to thousands of times before they have
to be replaced, which allow cost of formwork per
unit to be lower than for site-cast production.
Limitations
• High Initial cost.
• Lack of local availability of elements.
• Transportation
• Erection• Erection
Objective Of Project
The key objectives of study are as follows.
• To study the basics of precast joints.
• To study the behaviour of joints in precast concrete• To study the behaviour of joints in precast concrete
portal frame by experimental study.
• To compare experimental results of monolithic
specimen and precast specimens (with and without
corbel) and derive conclusion which is comparatively
efficient.
Scope Of Study
• Analysis and design of the Portal Frames.
• Taking a building with continuous slab and designing
intermediate portal frame from it.
Scope Of Study
• Designing of a monolithic portal frame and
two precast portal frame one with corbel and
one without corbel.
• Casting of the scaled down specimen of each• Casting of the scaled down specimen of each
type of the portal frame.
• Testing the portal frame as per experimental
setup.
• Based upon experimental data, comparing
portal frames and deriving out conclusion.
DESIGN OF PORTAL FRAMESDESIGN OF PORTAL FRAMES
MIX DESIGN
• Design Data
1. Characteristic strength required at 28 days = 25 MPa
2. Maximum size of aggregate = 10 mm2. Maximum size of aggregate = 10 mm
3. Degree of workability = medium
4. Degree of quality control = fair
5. Type of exposure = Moderate
• Test data of materials:-
1. Compressive strength of OPC cement 53
N/mm2
2. Specific gravity of cement = 3.152. Specific gravity of cement = 3.15
3. Specific gravity of coarse aggregate = 2.78
4. Specific gravity of fine aggregate = 2.54
Final Mix Design
Concrete
Grade
Cement
OPC 53
W/C Coarse
Aggregate
Fine
Aggregate
grade
M-25 1 0.54 2.51 1.96
M-25 390 kg 210.6 978.84 kg 762.61 kg
Design Consideration
• Three test specimens of one forth scale model were cast and
tested under two point load. The design and detailing of
portal frame had been done based on the guidelines given in
IS: 456-2000, IS: 13920.
• Dimension of actual portal frame of :-• Dimension of actual portal frame of :-
1. Span – 8m
2. Height – 4m
3. Cross section of beam- 400x600
4. Cross section of column – 400x800
Designed Portal Frame
Dimensional Analysis and Scaling Of
Portal Frame
• As large specimens were difficult to handle so casting
of scaled down specimen for study.
• Therefore using Buckhimgam Pie theorem and taking
a reduction factor of 1:4 calculation were made and
following model was decided for experimental
testing.
1. Span – 2m
2. Height – 1m
3. Cross section of beam- 100x150
4. Cross section of column – 100x200
Scaled Down Portal Frame
Reinforcement Detailing Of Monolithic
Portal Frame
Precast Portal Frame
1).Without Corbel
• This frame design consists of a L shaped
column spanning 300 mm out of column with
150mm bars projecting out, accompanied150mm bars projecting out, accompanied
with 900mm beam casted separately with
150mm bars projecting out, welding of
110mm on either side of the beam with a gap
of 150mm in between the beam approaching
beam from column side.
1). Detailing Of Portal Frame Without
Corbel
2). With Corbel
• In this frame corbel of 110 mm long and
200mm depth were designed having two
dowel bars in corbel and two M10 bolts were
used.
• Beam 1770mm long having hole for bolts
were designed and welding of 110 mm of
columns bar and beam bar were done.
• 15mm spacing were kept on both side of
beam for concreting.
Detailing Of Portal Frame With Corbel
EXPERIMENTAL PROGRAMME OF
PORTAL FRAME
EXPERIMENTAL PROGRAMME OF
PORTAL FRAME
Steps for Experimental Analysis
1. Trial mix for the concrete mix design
2. Casting of covers (20mm)
3. Setting up of form work
4. Tie up the reinforcement cage4. Tie up the reinforcement cage
5. Connection of column and base plate by welding
6. Placement of the reinforcement cage into the formwork
7. Casting of the Portal Frame
8. Curing
9. Setting up of portal frame in test set up frame
Trial mix for the
concrete mix
design
Three cubes of
150*150*150mm were150*150*150mm were
casted as per obtained mix
design for M25 grade of
concrete and were tested
for 7 days strength.
The cubes were
tested on Universal
Testing Machine after
seven days and result
obtained was 16.5
N/mm^2. Which is
66% of 25N/ N/mm2.66% of 25N/ N/mm .
Casting of covers
(20mm)
• Tea cups were used for
casting of mortar cover
having proportion of
1:2. and then binding
wire were inserted in it.
• Cups were kept in water
and cured for three
days.
1).Methodology For Monolithic Portal
Frame
Tie up the
reinforcement cagereinforcement cage
of column
•Column with end to
end length of 1075mm
and beam with end to
end length of 2200 mm
was casted.
Reinforcement cage of Beam
Placement of
reinforcement
cage into
formwork
•8 mm thick steel plate
was used to serve purpose
Connection of
column and base
plate by welding
was used to serve purpose
of footing for stability of
the frame.
•Reinforcement bars of
column at bottom was
welded with plate by
120mm length.
• Wooden logs were firmly kept for connecting base
plate to form work.
•Casting of frame were performed,
vibrator was used for removing the voids.
Cubes were arranged on sides of were
to prevent expulsion of formwork and to
have desired shaped frame.
Casting of the
Portal Frame
Curing
•After Casting, curing were done for 28
days and gunny bags were used for this
purpose.
•After 28 days of casting, the frame was
arranged as per set up.
Setting up of
frame in test
set up and
Measuring
Verticality of
frame with
plumb bob.plumb bob.
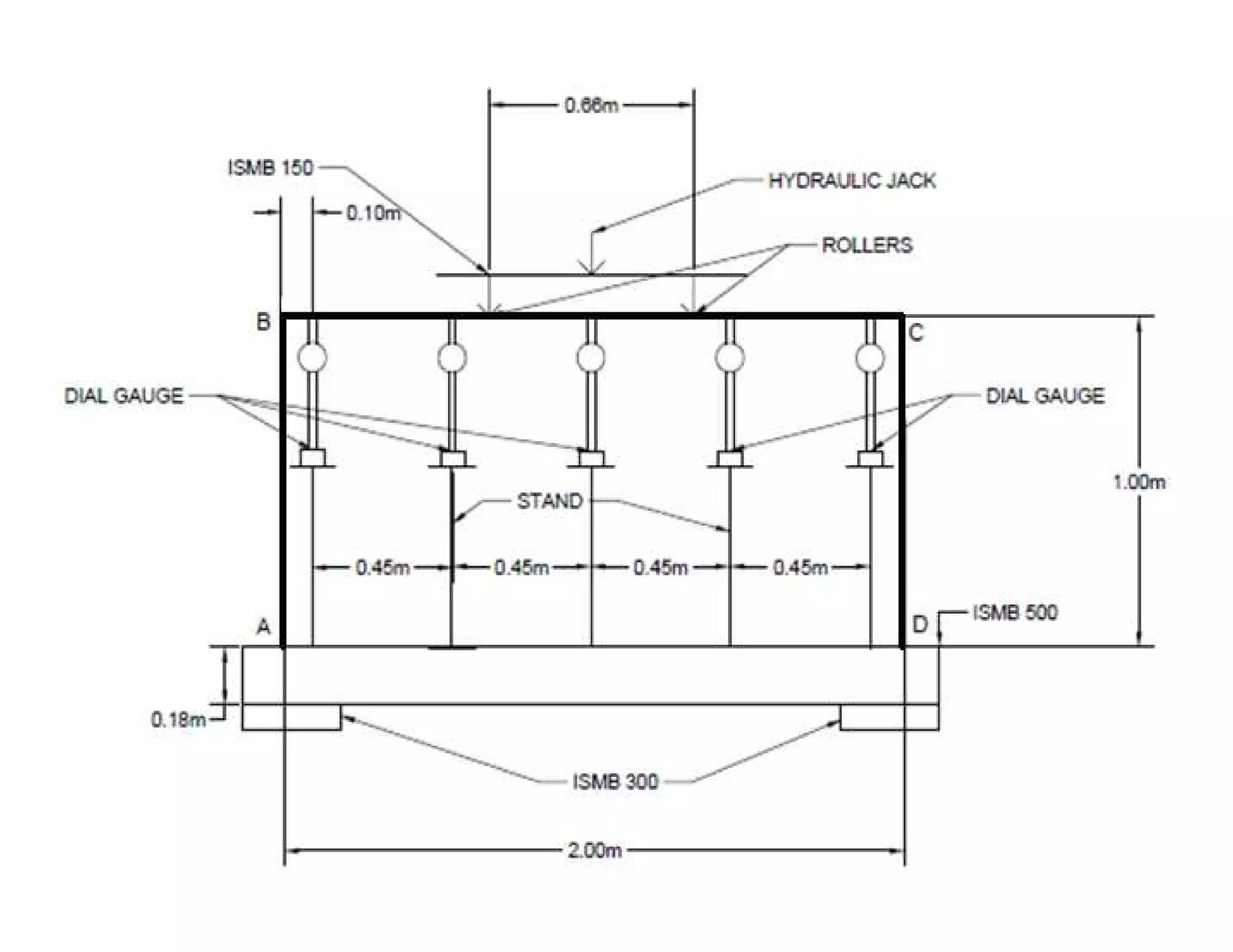
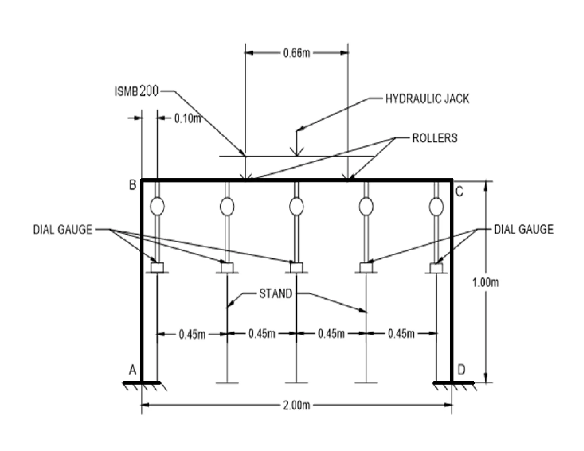
Test Setup
• Test setup consists of loading frame on which four ISMB 150
were rigidly fixed by the means of metal nuts, bolts and wires.
Upon this portal frame having base plate 8mm thick is
connected to the ISMB 150 by the help of clamps.
Furthermore the testing assembly consists of 5 dial gaugesFurthermore the testing assembly consists of 5 dial gauges
placed at 100mm, 450mm, 1000mm, 1450mm and 1900mm
from the left hand side respectively.
• For application of load a 250 kN hydraulic jack is mounted at
the top of the loading frame facing downward side below
which an ISMB 200 section was placed over two roller support
330mm from the middle of the support on either side.
2).Methodology For Precast Portal
Frame without Corbel
•Placing
Reinforcement Cage
into formwork of 900
mm long.
•Bars extending on
both sides of 130mm
long for connecting it
to bars of column.
Different components were arranged in level to have proper connections.
Reinforcing Bars extending from columns and Beams are welded of length 110mm
with the help of mobile welder.
•Placing of form work for Micro Concreting, which were
sealed with M-seal in order to prevent leakage.
Using Micro-concrete in proportion of 1:2 with proper stirring, and
pouring Micro Concrete and curing it for 28 days.
Setting up the Frame in the laboratory with the help of crane which is electrically operated.
Grinding the surface for making it even and checking the verticality with the help of spirit level.
Test Setup
• Two beam of ISMB 300 were kept at end and over it beam of
ISMB 500 were kept and above it specimen were kept. Above
specimen two rollers of 50mm were kept for providing
support and above it beam ISMB 200 were kept and spacer of
100mm were used and then jack of 100kN, 300mm height
were used thus completing full length of 2000mm height.were used thus completing full length of 2000mm height.
• For application of load a 100kN hydraulic jack is mounted at
the top of the loading frame facing downward side below
which an ISMB 200 section was placed over two roller support
330mm from the middle of the support on either side.
3).Methodology For Precast Portal
Frame with Corbel
In this frame
Corbel of size
110*110*200
and two Dowel
Bars of 10mmBars of 10mm
diameter are
designed.
Binding of M10 bolts with Dowel Bars
Placing of PVC pipes in beam for maintaining holes for bolts
Fixing the bolts emerging out from the column into the beam and welding the Reinforcing
Bars of column and beam with the help of mobile welder, then Micro concreting is done.
•After casting of Pre-cast
elements, Micro-concreting is
done by proper stirring in
proportion of 1:2.
•And curing it for 28 days.
•Then setting up the frame in the
laboratory, and test setup islaboratory, and test setup is
similar to that of frame without
corbel.
EXPERIMENTAL RESULTS OFEXPERIMENTAL RESULTS OF
PORTAL FRAMES
Results Of Monolithic Portal
Frame
40
50
60
LOAD(kN)
Load vs Deflection
900L
0
10
20
30
0 5 10 15 20 25 30
LOAD(kN)
DEFLECTION(mm)
900L
450L
centre
900R
450R
Results Portal Frame without
Corbel
Results Portal Frame with Corbel
30
40
50
60
70
80
90
LOAD(KN)
LOAD VS DEFLECTION AT 100 mm FROM LEFT
0
10
20
30
-1 0 1 2 3 4 5 6 7 8
DEFLECTION(mm)
Monolithic Without Corbel With Corbel
40
50
60
70
80
90
LOAD(KN) LOAD VS DEFLECTION AT 550 mm FROM LEFT
0
10
20
30
0 2 4 6 8 10 12 14 16
LOAD(KN)
DEFLECTION
Monolithic Without Corbel With Corbel
40
50
60
70
80
90
LOAD(KN) LOAD VS DEFLECTION AT 1000 mm FROM LEFT
0
10
20
30
0 5 10 15 20 25 30
LOAD(KN)
DEFLECTION
Monolithic Without Corbel With Corbel
40
50
60
70
80
90
LOAD(KN) LOAD VS DEFLECTION AT 1450 mm FROM LEFT
0
10
20
30
0 5 10 15 20
LOAD(KN)
DEFLECTION
Monolithic Without Corbel With Corbel
40
50
60
70
80
90
LOAD(KN)
LOAD VS DEFLECTION AT 1900 mm FROM LEFT
0
10
20
30
0 2 4 6 8 10
DEFLECTION
Monolithic Without Corbel With Corbel
Observation For Cracks Of Monolithic
Portal Frame
Observation For Cracks Of Portal
Frame without Corbel
Shear crack
observed at
52.5 kN. @left
corner of
frame
Tension
Crack
observed
at 60.5
kN @ top
at corner
on both
side
Crack
observed
between point
load and
centre @ 65.0
kN
Crack
observed at
67.5 kN
Crack
observed at
connection @
70 kN
Cracks
Observed
@ 72.5
kN
Major Crack
observed at
connection @
80 kN at point
load
Observation For Cracks Of Portal
Frame with Corbel
Shear
Crack
observed
at 50 kNat 50 kN
Minor Crack
Observed at
point load @
55 kN
Minor Crack
Observed
between center
and point load
@62.5 kN
Major Failure at 67.5 kN
Summary
• In this study taking a building with continuous
slab and designing intermediate portal frame
from it.
• Further casting and testing of one forth scaled
specimen of monolithic portal frame , and twospecimen of monolithic portal frame , and two
precast portal frame one with corbel and one
without corbel were carried out.
• Testing of the portal frames were done as per
experimental setup.
• Based upon experimental data, comparing
portal frames and deriving out conclusion.
Conclusion
• Deflection pattern through out the testing followed
similar pattern i.e. maximum deflection is observed in
case of monolithic frame, than portal frame without
corbel followed by portal frame with corbel.
• This shows that Monolithic Frame is more ductile than
Pre-cast Frame, but carries low load.Pre-cast Frame, but carries low load.
• However it is observed while testing portal frame with
the corbel that deflection at center of span were
similar to deflection at 450mm distance on both side of
center.
• However this could be attributed to presence of the
corbel as due to presence of corbel proper fixity is not
obtained at support and there is rotation which would
results in similar kind of deflection.
28.4
15
20
25
30
Deflection(kN) Maximum Deflection of Portal Frame(mm)
10.1
12.8
0
5
10
15
With Corbel Without Corbel Monolithic
Deflection(kN)
55
67.5
80
40
50
60
70
80
90
UltimateLoad(kN) Ultimate Load
monolithic with corbel without corbel
load 55 67.5 80
0
10
20
30
40
UltimateLoad(kN)
Type of system
• Load carrying capacity of frame without corbel
is 15% more than frame with corbel and 31%
more than monolithic frame.
• Deflection is also between monolithic and
with corbel frame.
• Thus portal frame without corbel is more• Thus portal frame without corbel is more
efficient comparatively.
• After going through study it can be well
concluded that the precast construction can
perform well unconventional to that of the
existing belief.
Thank YouThank YouThank YouThank YouThank YouThank YouThank YouThank You

Experimental study of precast portal frame

  • 1.
    EXPERIMENTAL STUDY OFPRECAST PORTAL FRAME 2CL404 – CIVIL ENGINEERING PROJECT ee Presented By:- SAGAR HALWAWALA (11BCL014) HIMANSHU MANOLKAR (11BCL015) SATISH KAMBALIYA (11BCL016) MEET KOTADIA (11BCL020) Guided By:- Dr. P.V. Patel
  • 2.
    Introduction • Precast concrete:- Construction product produced by casting concrete in a reusable mould or "form" which is then cured in a controlled environment, transported to the construction site and lifted into place. • Increasingly popular in the construction industry.• Increasingly popular in the construction industry. • Also referred to as Modern Methods of Construction (MMC). • Extensively used for a wide variety of projects, from railway sleepers to bridge elements, housing and stadia. • Reduction in waste on construction site by as much as 50% when compared to more traditional approaches.
  • 3.
    Introduction cont... • Itis due among other factors to the advantages related to the reduction in construction times, work force and in situ labors, as well as a more favorable cost-benefit relation, less environmental impacts, and greater control and final quality of the elements. • Utilizing a Precast Concrete system offers many potential• Utilizing a Precast Concrete system offers many potential advantages over site casting of concrete. The production process for Precast Concrete is performed on ground level, which helps with safety throughout a project. • There is a greater control of the quality of materials and workmanship in a precast plant rather than on a construction site.
  • 4.
    Types of PrecastSystem. Depending on the load bearing structure, precast systems can be divided into the following categories: Large-panel systems Frame systems Slab-column systems with walls Mixed systems Volumetric construction
  • 5.
  • 6.
    Precast Building InIndia Pragati Tower is a G+23 storeys fully precast residential building project with 6 towers at6 towers at Bhoiwada, Parel, Mumbai, India to rehabilitate slum dwellers.
  • 7.
    Need Of PrecastConstruction • Precast concrete solutions can provide construction elements that are made of recycled materials that generate small amounts of waste through the manufacturing and erection phases. These precast products are widely used in the following sectors: Residential (floors) StadiaStadia Infrastructure (roads, railways, bridges, sewage) Prisons Medium and high rise building Hospitals Commercial and industrial buildings
  • 8.
    Need Of PrecastConstruction cont. • Their utilization saved construction time and cost, insured better quality control, and suggested the achievement of standardization. • Its fulfills criteria of three “R” of Sustainable Development ie.Development ie. Reduce Recycle Reuse
  • 9.
    Advantage Of PrecastConstruction • Quick erection times. • Reduced need for plant on site. • Easier management of construction sites. • Better overall construction quality.• Better overall construction quality. • Ideal fit for simple and complex structures. • The forms used in a precast plant may be reused hundreds to thousands of times before they have to be replaced, which allow cost of formwork per unit to be lower than for site-cast production.
  • 10.
    Limitations • High Initialcost. • Lack of local availability of elements. • Transportation • Erection• Erection
  • 11.
    Objective Of Project Thekey objectives of study are as follows. • To study the basics of precast joints. • To study the behaviour of joints in precast concrete• To study the behaviour of joints in precast concrete portal frame by experimental study. • To compare experimental results of monolithic specimen and precast specimens (with and without corbel) and derive conclusion which is comparatively efficient.
  • 12.
    Scope Of Study •Analysis and design of the Portal Frames. • Taking a building with continuous slab and designing intermediate portal frame from it.
  • 13.
    Scope Of Study •Designing of a monolithic portal frame and two precast portal frame one with corbel and one without corbel. • Casting of the scaled down specimen of each• Casting of the scaled down specimen of each type of the portal frame. • Testing the portal frame as per experimental setup. • Based upon experimental data, comparing portal frames and deriving out conclusion.
  • 14.
    DESIGN OF PORTALFRAMESDESIGN OF PORTAL FRAMES
  • 15.
    MIX DESIGN • DesignData 1. Characteristic strength required at 28 days = 25 MPa 2. Maximum size of aggregate = 10 mm2. Maximum size of aggregate = 10 mm 3. Degree of workability = medium 4. Degree of quality control = fair 5. Type of exposure = Moderate
  • 16.
    • Test dataof materials:- 1. Compressive strength of OPC cement 53 N/mm2 2. Specific gravity of cement = 3.152. Specific gravity of cement = 3.15 3. Specific gravity of coarse aggregate = 2.78 4. Specific gravity of fine aggregate = 2.54
  • 17.
    Final Mix Design Concrete Grade Cement OPC53 W/C Coarse Aggregate Fine Aggregate grade M-25 1 0.54 2.51 1.96 M-25 390 kg 210.6 978.84 kg 762.61 kg
  • 18.
    Design Consideration • Threetest specimens of one forth scale model were cast and tested under two point load. The design and detailing of portal frame had been done based on the guidelines given in IS: 456-2000, IS: 13920. • Dimension of actual portal frame of :-• Dimension of actual portal frame of :- 1. Span – 8m 2. Height – 4m 3. Cross section of beam- 400x600 4. Cross section of column – 400x800
  • 19.
  • 20.
    Dimensional Analysis andScaling Of Portal Frame • As large specimens were difficult to handle so casting of scaled down specimen for study. • Therefore using Buckhimgam Pie theorem and taking a reduction factor of 1:4 calculation were made and following model was decided for experimental testing. 1. Span – 2m 2. Height – 1m 3. Cross section of beam- 100x150 4. Cross section of column – 100x200
  • 21.
  • 22.
    Reinforcement Detailing OfMonolithic Portal Frame
  • 23.
    Precast Portal Frame 1).WithoutCorbel • This frame design consists of a L shaped column spanning 300 mm out of column with 150mm bars projecting out, accompanied150mm bars projecting out, accompanied with 900mm beam casted separately with 150mm bars projecting out, welding of 110mm on either side of the beam with a gap of 150mm in between the beam approaching beam from column side.
  • 24.
    1). Detailing OfPortal Frame Without Corbel
  • 25.
    2). With Corbel •In this frame corbel of 110 mm long and 200mm depth were designed having two dowel bars in corbel and two M10 bolts were used. • Beam 1770mm long having hole for bolts were designed and welding of 110 mm of columns bar and beam bar were done. • 15mm spacing were kept on both side of beam for concreting.
  • 26.
    Detailing Of PortalFrame With Corbel
  • 27.
    EXPERIMENTAL PROGRAMME OF PORTALFRAME EXPERIMENTAL PROGRAMME OF PORTAL FRAME
  • 28.
    Steps for ExperimentalAnalysis 1. Trial mix for the concrete mix design 2. Casting of covers (20mm) 3. Setting up of form work 4. Tie up the reinforcement cage4. Tie up the reinforcement cage 5. Connection of column and base plate by welding 6. Placement of the reinforcement cage into the formwork 7. Casting of the Portal Frame 8. Curing 9. Setting up of portal frame in test set up frame
  • 29.
    Trial mix forthe concrete mix design Three cubes of 150*150*150mm were150*150*150mm were casted as per obtained mix design for M25 grade of concrete and were tested for 7 days strength.
  • 30.
    The cubes were testedon Universal Testing Machine after seven days and result obtained was 16.5 N/mm^2. Which is 66% of 25N/ N/mm2.66% of 25N/ N/mm .
  • 31.
    Casting of covers (20mm) •Tea cups were used for casting of mortar cover having proportion of 1:2. and then binding wire were inserted in it. • Cups were kept in water and cured for three days.
  • 32.
    1).Methodology For MonolithicPortal Frame Tie up the reinforcement cagereinforcement cage of column •Column with end to end length of 1075mm and beam with end to end length of 2200 mm was casted.
  • 33.
  • 34.
  • 35.
    •8 mm thicksteel plate was used to serve purpose Connection of column and base plate by welding was used to serve purpose of footing for stability of the frame. •Reinforcement bars of column at bottom was welded with plate by 120mm length.
  • 37.
    • Wooden logswere firmly kept for connecting base plate to form work.
  • 38.
    •Casting of framewere performed, vibrator was used for removing the voids. Cubes were arranged on sides of were to prevent expulsion of formwork and to have desired shaped frame. Casting of the Portal Frame Curing •After Casting, curing were done for 28 days and gunny bags were used for this purpose. •After 28 days of casting, the frame was arranged as per set up.
  • 39.
    Setting up of framein test set up and Measuring Verticality of frame with plumb bob.plumb bob.
  • 40.
    Test Setup • Testsetup consists of loading frame on which four ISMB 150 were rigidly fixed by the means of metal nuts, bolts and wires. Upon this portal frame having base plate 8mm thick is connected to the ISMB 150 by the help of clamps. Furthermore the testing assembly consists of 5 dial gaugesFurthermore the testing assembly consists of 5 dial gauges placed at 100mm, 450mm, 1000mm, 1450mm and 1900mm from the left hand side respectively. • For application of load a 250 kN hydraulic jack is mounted at the top of the loading frame facing downward side below which an ISMB 200 section was placed over two roller support 330mm from the middle of the support on either side.
  • 43.
    2).Methodology For PrecastPortal Frame without Corbel •Placing Reinforcement Cage into formwork of 900 mm long. •Bars extending on both sides of 130mm long for connecting it to bars of column.
  • 45.
    Different components werearranged in level to have proper connections. Reinforcing Bars extending from columns and Beams are welded of length 110mm with the help of mobile welder.
  • 46.
    •Placing of formwork for Micro Concreting, which were sealed with M-seal in order to prevent leakage.
  • 47.
    Using Micro-concrete inproportion of 1:2 with proper stirring, and pouring Micro Concrete and curing it for 28 days.
  • 48.
    Setting up theFrame in the laboratory with the help of crane which is electrically operated.
  • 49.
    Grinding the surfacefor making it even and checking the verticality with the help of spirit level.
  • 50.
    Test Setup • Twobeam of ISMB 300 were kept at end and over it beam of ISMB 500 were kept and above it specimen were kept. Above specimen two rollers of 50mm were kept for providing support and above it beam ISMB 200 were kept and spacer of 100mm were used and then jack of 100kN, 300mm height were used thus completing full length of 2000mm height.were used thus completing full length of 2000mm height. • For application of load a 100kN hydraulic jack is mounted at the top of the loading frame facing downward side below which an ISMB 200 section was placed over two roller support 330mm from the middle of the support on either side.
  • 53.
    3).Methodology For PrecastPortal Frame with Corbel In this frame Corbel of size 110*110*200 and two Dowel Bars of 10mmBars of 10mm diameter are designed.
  • 55.
    Binding of M10bolts with Dowel Bars
  • 56.
    Placing of PVCpipes in beam for maintaining holes for bolts
  • 58.
    Fixing the boltsemerging out from the column into the beam and welding the Reinforcing Bars of column and beam with the help of mobile welder, then Micro concreting is done.
  • 59.
    •After casting ofPre-cast elements, Micro-concreting is done by proper stirring in proportion of 1:2. •And curing it for 28 days. •Then setting up the frame in the laboratory, and test setup islaboratory, and test setup is similar to that of frame without corbel.
  • 61.
    EXPERIMENTAL RESULTS OFEXPERIMENTALRESULTS OF PORTAL FRAMES
  • 62.
    Results Of MonolithicPortal Frame 40 50 60 LOAD(kN) Load vs Deflection 900L 0 10 20 30 0 5 10 15 20 25 30 LOAD(kN) DEFLECTION(mm) 900L 450L centre 900R 450R
  • 63.
    Results Portal Framewithout Corbel
  • 64.
  • 65.
    30 40 50 60 70 80 90 LOAD(KN) LOAD VS DEFLECTIONAT 100 mm FROM LEFT 0 10 20 30 -1 0 1 2 3 4 5 6 7 8 DEFLECTION(mm) Monolithic Without Corbel With Corbel
  • 66.
    40 50 60 70 80 90 LOAD(KN) LOAD VSDEFLECTION AT 550 mm FROM LEFT 0 10 20 30 0 2 4 6 8 10 12 14 16 LOAD(KN) DEFLECTION Monolithic Without Corbel With Corbel
  • 67.
    40 50 60 70 80 90 LOAD(KN) LOAD VSDEFLECTION AT 1000 mm FROM LEFT 0 10 20 30 0 5 10 15 20 25 30 LOAD(KN) DEFLECTION Monolithic Without Corbel With Corbel
  • 68.
    40 50 60 70 80 90 LOAD(KN) LOAD VSDEFLECTION AT 1450 mm FROM LEFT 0 10 20 30 0 5 10 15 20 LOAD(KN) DEFLECTION Monolithic Without Corbel With Corbel
  • 69.
    40 50 60 70 80 90 LOAD(KN) LOAD VS DEFLECTIONAT 1900 mm FROM LEFT 0 10 20 30 0 2 4 6 8 10 DEFLECTION Monolithic Without Corbel With Corbel
  • 70.
    Observation For CracksOf Monolithic Portal Frame
  • 77.
    Observation For CracksOf Portal Frame without Corbel Shear crack observed at 52.5 kN. @left corner of frame
  • 78.
    Tension Crack observed at 60.5 kN @top at corner on both side
  • 79.
  • 80.
  • 81.
  • 82.
  • 83.
  • 84.
    Observation For CracksOf Portal Frame with Corbel Shear Crack observed at 50 kNat 50 kN
  • 85.
  • 86.
  • 87.
  • 88.
    Summary • In thisstudy taking a building with continuous slab and designing intermediate portal frame from it. • Further casting and testing of one forth scaled specimen of monolithic portal frame , and twospecimen of monolithic portal frame , and two precast portal frame one with corbel and one without corbel were carried out. • Testing of the portal frames were done as per experimental setup. • Based upon experimental data, comparing portal frames and deriving out conclusion.
  • 89.
    Conclusion • Deflection patternthrough out the testing followed similar pattern i.e. maximum deflection is observed in case of monolithic frame, than portal frame without corbel followed by portal frame with corbel. • This shows that Monolithic Frame is more ductile than Pre-cast Frame, but carries low load.Pre-cast Frame, but carries low load. • However it is observed while testing portal frame with the corbel that deflection at center of span were similar to deflection at 450mm distance on both side of center. • However this could be attributed to presence of the corbel as due to presence of corbel proper fixity is not obtained at support and there is rotation which would results in similar kind of deflection.
  • 90.
    28.4 15 20 25 30 Deflection(kN) Maximum Deflectionof Portal Frame(mm) 10.1 12.8 0 5 10 15 With Corbel Without Corbel Monolithic Deflection(kN)
  • 91.
    55 67.5 80 40 50 60 70 80 90 UltimateLoad(kN) Ultimate Load monolithicwith corbel without corbel load 55 67.5 80 0 10 20 30 40 UltimateLoad(kN) Type of system
  • 92.
    • Load carryingcapacity of frame without corbel is 15% more than frame with corbel and 31% more than monolithic frame. • Deflection is also between monolithic and with corbel frame. • Thus portal frame without corbel is more• Thus portal frame without corbel is more efficient comparatively. • After going through study it can be well concluded that the precast construction can perform well unconventional to that of the existing belief.
  • 93.
    Thank YouThank YouThankYouThank YouThank YouThank YouThank YouThank You