PCI
MANUAL FOR THE DESIGN
         OF
 HOLLOW CORE SLABS

        SECOND EDITION

                    by

Donald R. Buettner and Roger J. Becker
 Computerized Structural Design, S.C.

          Prepared for the
   PCI Hollow Core Slab Producers
             Committee

   John E. Saccoman, Chairperson

James Beerbower               Ernest Markle
Kevin Boyle                   James Markle
Jeffrey Butler                Milo J. Nimmer
Loris Collavino               William C. Richardson, Jr.
Edward J. Gregory             Klaus Rosenstern
Pat Hynes                     Wes Schrooten
Paul Kourajian                Larry Stigler




         PRECAST / PRESTRESSED CONCRETE INSTITUTE
         175 WEST JACKSON BOULEVARD
         CHICAGO, ILLINOIS 60604

         312 786--0300   FAX 312 786--0353
Copyright 1998
         By Precast/Prestressed Concrete Institute


                     First edition, 1985
                   Second edition, 1998



All rights reserved. This book or any part thereof may not be
reproduced in any form without the written permission of the
Precast/Prestressed Concrete Institute.




                 ISBN 0-
                       -937040- -6
                              -57-




                       Printed in U.S.A.
INTRODUCTION

Purpose of Manual

   The application and design of precast, prestressed hollow core slabs is similar to that of other pre-
stressed members. However, there are situations which are unique to hollow core slabs either be-
cause of the way the slabs are produced or because of the application of the slabs.
   For special situations, hollow core producers have developed design criteria and conducted in-
house testing to verify that their approaches are valid. In fact, there is consistency between the many
types of hollow core slabs available. The purpose of this manual is to bring together those things that
are common, that are verified by test and that can be universally applied to hollow core slabs. Be-
cause there are differences, some topics covered will also point to the differences where closer coor-
dination with the local producer is required.
   This manual was prepared by Computerized Structural Design, S.C., Milwaukee, Wisconsin with
input and direction from the PCI Hollow Core Slab Producers Committee. Additionally, the fire and
acoustical sections were prepared by Armand Gustaferro of The Consulting Engineers Group, Inc.,
Mt. Prospect, Illinois and Allen H. Shiner of Shiner and Associates, Inc., Skokie, Illinois, respective-
ly. All reasonable care has been used to verify the accuracy of material contained in this manual.
However, the manual should be used only by those experienced in structural design and should not
replace good structural engineering judgment.

Scope of Manual

   This document is intended to cover the primary design requirements for hollow core floor and
roof systems. In instances where the design is no different than for other prestressed members, the
PCI Design Handbook and the ACI Building Code should be consulted for more in-depth discussion.
   For the architect or consulting engineer, this manual is intended as a guideline for working with
hollow core slabs, a guide for the use and application of hollow core slabs and an indication of some
of the limitations of hollow core slabs. For the plant engineer, the manual will hopefully present
some backup and reference material for dealing with everyday design problems.
TABLE OF CONTENTS
Introduction

Notation

Chapter 1 - Hollow Core Slab Systems
          -
1.1   Methods of Manufacturing . . . . . . . . . . . . . . . . . . . . . . . . . . . . . . . . . . . . . . . . . . . . . . 1-            -1
1.2   Materials . . . . . . . . . . . . . . . . . . . . . . . . . . . . . . . . . . . . . . . . . . . . . . . . . . . . . . . . . . . . 1-
                                                                                                                                         -1
1.3   Advantages of Hollow Core Slabs . . . . . . . . . . . . . . . . . . . . . . . . . . . . . . . . . . . . . . . . . 1-               -3
1.4   Framing Concepts . . . . . . . . . . . . . . . . . . . . . . . . . . . . . . . . . . . . . . . . . . . . . . . . . . . . . 1-      -3
1.5   Wall Panel Applications . . . . . . . . . . . . . . . . . . . . . . . . . . . . . . . . . . . . . . . . . . . . . . . . . 1-       -4
1.6   Design Responsibilities . . . . . . . . . . . . . . . . . . . . . . . . . . . . . . . . . . . . . . . . . . . . . . . . . 1-       -5
1.7   Cross-Sections and Load Tables . . . . . . . . . . . . . . . . . . . . . . . . . . . . . . . . . . . . . . . . . . 1-              -5
1.8   Tolerances . . . . . . . . . . . . . . . . . . . . . . . . . . . . . . . . . . . . . . . . . . . . . . . . . . . . . . . . . . . 1--6

Chapter 2 - Design of Hollow Core Slabs
          -
2.1   General Information . . . . . . . . . . . . . . . . . . . . . . . . . . . . . . . . . . . . . . . . . . . . . . . . . . . . 2-  -1
2.2   Flexural Design . . . . . . . . . . . . . . . . . . . . . . . . . . . . . . . . . . . . . . . . . . . . . . . . . . . . . . . 2--1
      2.2.1 ACI Requirements . . . . . . . . . . . . . . . . . . . . . . . . . . . . . . . . . . . . . . . . . . . . . . . 2-         -1
      2.2.2 Stresses at Transfer . . . . . . . . . . . . . . . . . . . . . . . . . . . . . . . . . . . . . . . . . . . . . . 2-       -2
      2.2.3 Prestress Losses . . . . . . . . . . . . . . . . . . . . . . . . . . . . . . . . . . . . . . . . . . . . . . . . . 2-     -3
      2.2.4 Service Load Stresses . . . . . . . . . . . . . . . . . . . . . . . . . . . . . . . . . . . . . . . . . . . . 2-          -5
      2.2.5 Design Flexural Strength . . . . . . . . . . . . . . . . . . . . . . . . . . . . . . . . . . . . . . . . . . 2-           -6
2.3   Shear Design . . . . . . . . . . . . . . . . . . . . . . . . . . . . . . . . . . . . . . . . . . . . . . . . . . . . . . . . . 2-
                                                                                                                                      -9
      2.3.1 ACI Requirements . . . . . . . . . . . . . . . . . . . . . . . . . . . . . . . . . . . . . . . . . . . . . . . 2-         -9
2.4   Camber and Deflection . . . . . . . . . . . . . . . . . . . . . . . . . . . . . . . . . . . . . . . . . . . . . . . . 2-       -11
      2.4.1 Camber . . . . . . . . . . . . . . . . . . . . . . . . . . . . . . . . . . . . . . . . . . . . . . . . . . . . . . . 2-  -12
      2.4.2 Deflections . . . . . . . . . . . . . . . . . . . . . . . . . . . . . . . . . . . . . . . . . . . . . . . . . . . . 2-   -14
2.5   Composite Design . . . . . . . . . . . . . . . . . . . . . . . . . . . . . . . . . . . . . . . . . . . . . . . . . . . . 2-    -15
2.6   Strand Development . . . . . . . . . . . . . . . . . . . . . . . . . . . . . . . . . . . . . . . . . . . . . . . . . . . 2-    -19
      2.6.1 ACI Requirements . . . . . . . . . . . . . . . . . . . . . . . . . . . . . . . . . . . . . . . . . . . . . . 2-          -19

Chapter 3 - Special Design Considerations
          -
3.1   General Information . . . . . . . . . . . . . . . . . . . . . . . . . . . . . . . . . . . . . . . . . . . . . . . . . . . . 3-     -1
3.2   Load Distribution . . . . . . . . . . . . . . . . . . . . . . . . . . . . . . . . . . . . . . . . . . . . . . . . . . . . . . 3-   -1
      3.2.1 Load Distribution Mechanisms . . . . . . . . . . . . . . . . . . . . . . . . . . . . . . . . . . . . . 3-                    -1
      3.2.2 Design Guidelines . . . . . . . . . . . . . . . . . . . . . . . . . . . . . . . . . . . . . . . . . . . . . . . 3-           -2
3.3   Effect of Openings . . . . . . . . . . . . . . . . . . . . . . . . . . . . . . . . . . . . . . . . . . . . . . . . . . . . . 3-    -8
3.4   Continuity . . . . . . . . . . . . . . . . . . . . . . . . . . . . . . . . . . . . . . . . . . . . . . . . . . . . . . . . . . 3--10
3.5   Cantilevers . . . . . . . . . . . . . . . . . . . . . . . . . . . . . . . . . . . . . . . . . . . . . . . . . . . . . . . . . . 3-
                                                                                                                                       -10
3.6   Horizontal Joints . . . . . . . . . . . . . . . . . . . . . . . . . . . . . . . . . . . . . . . . . . . . . . . . . . . . . 3-   -12

Chapter 4 - Diaphragm Action with Hollow Core Slabs
          -
4.1   General Information . . . . . . . . . . . . . . . . . . . . . . . . . . . . . . . . . . . . . . . . . . . . . . . . . . . . 4-  -1
4.2   Design Loads . . . . . . . . . . . . . . . . . . . . . . . . . . . . . . . . . . . . . . . . . . . . . . . . . . . . . . . . . 4-
                                                                                                                                      -1
4.3   Distribution of Lateral Forces . . . . . . . . . . . . . . . . . . . . . . . . . . . . . . . . . . . . . . . . . . . . 4-       -3
4.4   Structural Integrity . . . . . . . . . . . . . . . . . . . . . . . . . . . . . . . . . . . . . . . . . . . . . . . . . . . . . 4-
                                                                                                                                      -4
4.5   Elements of a Diaphragm . . . . . . . . . . . . . . . . . . . . . . . . . . . . . . . . . . . . . . . . . . . . . . . . 4-      -4
4.6   Diaphragm Strength . . . . . . . . . . . . . . . . . . . . . . . . . . . . . . . . . . . . . . . . . . . . . . . . . . . . 4-   -6
4.6.1 Longitudinal Joints . . . . . . . . . . . . . . . . . . . . . . . . . . . . . . . . . . . . . . . . . . . . . . 4-            -6
          4.6.2 Transverse Joints . . . . . . . . . . . . . . . . . . . . . . . . . . . . . . . . . . . . . . . . . . . . . . . . 4-          -8
4.7       Collectors . . . . . . . . . . . . . . . . . . . . . . . . . . . . . . . . . . . . . . . . . . . . . . . . . . . . . . . . . . . . 4-
                                                                                                                                              -8
4.8       Topped vs. Untopped Diaphragms . . . . . . . . . . . . . . . . . . . . . . . . . . . . . . . . . . . . . . . . . 4-                 -9
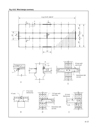
4.9       Design Example . . . . . . . . . . . . . . . . . . . . . . . . . . . . . . . . . . . . . . . . . . . . . . . . . . . . . . . 4-     -9

Chapter 5 - Connections in Hollow Core Slabs
          -
5.1   General . . . . . . . . . . . . . . . . . . . . . . . . . . . . . . . . . . . . . . . . . . . . . . . . . . . . . . . . . . . . . . 5-
                                                                                                                                           -1
5.2   Details . . . . . . . . . . . . . . . . . . . . . . . . . . . . . . . . . . . . . . . . . . . . . . . . . . . . . . . . . . . . . . 5-
                                                                                                                                           -1
5.3   Typical Details with Concrete Beams . . . . . . . . . . . . . . . . . . . . . . . . . . . . . . . . . . . . . . 5-                   -2
5.4   Typical Details with Walls . . . . . . . . . . . . . . . . . . . . . . . . . . . . . . . . . . . . . . . . . . . . . . . 5-          -9
5.5   Typical Details with Steel Beams . . . . . . . . . . . . . . . . . . . . . . . . . . . . . . . . . . . . . . . . 5-                 -15
5.6   Typical Cantilever Details . . . . . . . . . . . . . . . . . . . . . . . . . . . . . . . . . . . . . . . . . . . . . . 5-           -20
5.7   Miscellaneous . . . . . . . . . . . . . . . . . . . . . . . . . . . . . . . . . . . . . . . . . . . . . . . . . . . . . . . 5-      -23

Chapter 6 - Fire Resistance of Assemblies made with Hollow Core Slabs
          -
6.1   Introduction . . . . . . . . . . . . . . . . . . . . . . . . . . . . . . . . . . . . . . . . . . . . . . . . . . . . . . . . . . 6-
                                                                                                                                        -1
6.2   Heat Transmission through Floors or Roofs . . . . . . . . . . . . . . . . . . . . . . . . . . . . . . . . . 6-                    -1
      6.2.1 Equivalent Thickness . . . . . . . . . . . . . . . . . . . . . . . . . . . . . . . . . . . . . . . . . . . . . 6-           -1
      6.2.2 Toppings, Undercoatings, or Roof Insulation . . . . . . . . . . . . . . . . . . . . . . . . . . 6-                          -2
      6.2.3 Ceilings . . . . . . . . . . . . . . . . . . . . . . . . . . . . . . . . . . . . . . . . . . . . . . . . . . . . . . . 6-   -4
6.3   Structural Fire Endurance of Floor or Roof Assemblies . . . . . . . . . . . . . . . . . . . . . . . . 6-                          -4
      6.3.1 Simply Supported Slabs . . . . . . . . . . . . . . . . . . . . . . . . . . . . . . . . . . . . . . . . . . . 6-             -5
      6.3.2 Effect of Spray Applied Coatings . . . . . . . . . . . . . . . . . . . . . . . . . . . . . . . . . . . 6-                   -9
      6.3.3 Structurally Continuous Slabs . . . . . . . . . . . . . . . . . . . . . . . . . . . . . . . . . . . . . . 6-                -9
      6.3.4 Detailing Precautions . . . . . . . . . . . . . . . . . . . . . . . . . . . . . . . . . . . . . . . . . . . . 6-           -11
6.4   Restraint to Thermal Expansion . . . . . . . . . . . . . . . . . . . . . . . . . . . . . . . . . . . . . . . . . . 6-            -12

Chapter 7 - Acoustical Properties of Hollow Core Slabs
          -
7.1   Glossary . . . . . . . . . . . . . . . . . . . . . . . . . . . . . . . . . . . . . . . . . . . . . . . . . . . . . . . . . . . . . 7-
                                                                                                                                          -1
7.2   General . . . . . . . . . . . . . . . . . . . . . . . . . . . . . . . . . . . . . . . . . . . . . . . . . . . . . . . . . . . . . 7--1
7.3   Approaching the Design Process . . . . . . . . . . . . . . . . . . . . . . . . . . . . . . . . . . . . . . . . . . 7-               -2
      7.3.1 Dealing with Sound Levels . . . . . . . . . . . . . . . . . . . . . . . . . . . . . . . . . . . . . . . . 7-                  -2
7.4   Sound Transmission Loss . . . . . . . . . . . . . . . . . . . . . . . . . . . . . . . . . . . . . . . . . . . . . . . 7-            -2
7.5   Impact Noise Reduction . . . . . . . . . . . . . . . . . . . . . . . . . . . . . . . . . . . . . . . . . . . . . . . . . 7-         -3
7.6   Absorption of Sound . . . . . . . . . . . . . . . . . . . . . . . . . . . . . . . . . . . . . . . . . . . . . . . . . . . 7-        -5
7.7   Acceptable Noise Criteria . . . . . . . . . . . . . . . . . . . . . . . . . . . . . . . . . . . . . . . . . . . . . . . 7-          -5
7.8   Establishment of Noise Insulation Objectives . . . . . . . . . . . . . . . . . . . . . . . . . . . . . . . . 7-                     -8
7.9   Leaks and Flanking . . . . . . . . . . . . . . . . . . . . . . . . . . . . . . . . . . . . . . . . . . . . . . . . . . . . 7-       -8
7.10 Human Response to Building Vibrations . . . . . . . . . . . . . . . . . . . . . . . . . . . . . . . . . . . . 7-                     -9
7.11 Vibration Isolation for Mechanical Equipment . . . . . . . . . . . . . . . . . . . . . . . . . . . . . . 7-                         -10

Chapter 8 - Guide Specification for Precast, Prestressed Hollow Core Slabs . . . . . . . . . . 8-
          -                                                                                     -1

References

Index
NOTATION

A    = Cross-sectional area                        fd     = Stress at extreme tension fiber due to
a    = Depth of equivalent compression stress               unfactored member self weight
       block                                       Fi     = Portion of base shear applied at level i
aθ   = Depth of equivalent compression stress      fpc    = Compressive stress in concrete at the
       block under fire conditions                          centroid of the section due to effective
Acr = Area of crack face                                    prestress for non-composite sections or
Ae = Net effective slab bearing area                        due to effective prestress and moments
Aps = Area of prestressed reinforcement                     resisted by the precast section alone for
Avf = Area of shear friction reinforcement                  composite sections
b    = Width of compression face                   fpe    = Compressive stress in concrete at extreme
bw = Net web width of hollow core slab                      fiber where external loads cause tension
C    = Confinement factor                                   due to the effective prestress only
C    = Compressive force                           fps    = Stress in prestressed reinforcement at
C    = Seismic factor dependent on site and                 nominal strength
       structure fundamental period                fpsθ   = Stress in prestressed reinforcement at fire
C    = Factor for calculating steel relaxation              strength
       losses as given in Table 2.2.3.2            f′ps   = Maximum steel stress in partially
c    = Distance from extreme compression                    developed strand
       fiber to neutral axis                       fpu    = Specified tensile strength of
CR = Prestress loss due to concrete creep                   prestressing steel
Cs   = Seismic coefficient                         fpuθ   = Tensile strength of prestressing steel at
D    = Dead load                                            elevated temperatures
d    = Distance from extreme compression fiber     Fpx    = Force applied to diaphragm at level under
       to centroid of non-prestressed                       consideration
       tension reinforcement                       fse    = Effective stress in prestressing steel after
db   = Nominal diameter of reinforcement                    all losses
dp   = Distance from extreme compression fiber     fsi    = Stress in prestressing steel at initial
       to centroid of prestressed                           prestress
       reinforcement                               Ft     = Additional portion of base shear applied at
DW = Distribution width                                     top level
e    = Distance from neutral axis to centroid of   fu     = Usable grout strength in a horizontal joint
       prestressed reinforcement                   fy     = Steel yield strength
Ec   = Modulus of elasticity of concrete           h      = Overall member depth
Eci = Modulus of elasticity of concrete at the     hn     = Net height of grout in keyway between
       time of initial prestress                            slab units
ES = Prestress loss due to elastic shortening of   I      = Occupancy importance factor
       concrete                                    I      = Cross-sectional moment of inertia
Es   = Modulus of elasticity of steel              J      = Factor for calculating steel relaxation
       reinforcement                                        losses as given in Table 2.2.3.1
f′c  = Specified design compressive strength of    k      = Fraction of total load in a horizontal joint
       concrete                                             in a grout column
f′ci = Compressive strength of concrete at the     Kcir   = Factor for calculating elastic shortening
       time of initial prestress                            prestress losses
fcir = Net compressive stress in concrete at       Kcr    = Factor for calculating prestress losses due
       centroid of prestressed reinforcement at             to concrete creep
       time of initial prestress                   Kes    = Factor for calculating prestress losses due
fcds = Stress in concrete at centroid of                    to elastic shortening
       prestressed reinforcement due to            Kre    = Factor for calculating prestress losses due
       superimposed dead load                               to steel relaxation as given in Table 2.2.3.1
Ksh  = Factor for calculating prestress losses due     Vi   = Factored shear force due to externally
       to concrete shrinkage                                  applied loads occurring simultaneously
K′u = Factor from PCI Handbook Fig. 4.12.2 for                with Mmax
       calculating flexural design strength                 = Vu - Vd
                                                                  -
L    = Live load                                       Vn = Nominal shear strength of a member
ℓ = Span length                                        Vs = Nominal shear strength provided by shear
ℓd = Reinforcement development length                         reinforcement
                                                       Vu = Design shear force
ℓe = Strand embedment length from member
                                                       V/S = Volume to surface ratio
       end to point of maximum stress
                                                       w    = Uniformly distributed load
ℓf = Flexural bond length                              w    = Bearing area length
ℓt = Strand transfer length                            W    = Total dead load plus other applicable
M    = Service load moment                                    loads for seismic design
Mcr = Cracking moment                                  wi   = Portion of W at level i
Md = Unfactored dead load moment                       wpx = Portion of W at level under
Mg = Unfactored self-weight moment                            consideration
Mn = Nominal flexural strength                         yb   = Distance from neutral axis to extreme
Mnθ = Flexural strength under fire conditions                 bottom fiber
Mmax = Maximum factored moment due to                  yt   = Used as either distance to top fiber or
       externally applied loads                               tension fiber from neutral axis
     = Mu - Md
            -                                          Z    = Seismic zone factor
Msd = Unfactored moment due to                         β1   = Factor defined in ACI 318-95, Section
       superimposed dead load                                 10.2.7.3
Mu = Factored design moment                            γp   = Factor for type of prestressing strand
Mθ = Applied fire moment                               δall = Limiting free end slip
P    = Effective force in prestressing steel after     δs   = Actual free end slip
       all losses                                      εps = Strain in prestressed reinforcement at
Po   = Effective prestress force at release prior to          nominal flexural strength
       long term losses                                εs   = Strain in prestressed reinforcement
Pi   = Initial prestress force after seating losses    εse = Strain in prestressed reinforcement after
Q    = First moment of area                                   losses
R    = Fire endurance rating                           µ    = Shear friction coefficient
RE = Prestress loss due to steel relaxation            µe   = Effective shear friction coefficient
Re = Reduction factor for load eccentricity in         ρp   = Ratio of prestressed reinforcement
       horizontal joints                               ρ′   = Ratio of compression reinforcement
RH = Ambient relative humidity                         φ    = ACI strength reduction factor
Rw = Seismic coefficient dependent on                  ω    = ρfy/f′c
       structural system type                          ω′   = ρ′fy/f′c
S    = Section modulus                                 ωp = ρpfps/f′c
SH = Prestress loss due to concrete shrinkage          ωw = Reinforcement index for flanged sections
T    = Tensile force                                   ω′w = Reinforcement index for flanged sections
tg   = Width of grout column in horizontal joint       ωpw = Reinforcement index for flanged sections
V    = Seismic base shear                              ωpu = ρp fpu/f′c
Vc = Nominal shear strength of concrete                θ    = Subscript denoting fire conditions
Vci = Nominal shear strength of concrete in a
       shear-flexure failure mode
Vcw = Nominal shear strength of concrete in a
       web shear failure mode
Vd = Shear due to unfactored self weight
Vh = Horizontal beam shear
CHAPTER 1



                               HOLLOW CORE SLAB SYSTEMS

1.1 Methods of Manufacturing                           long. Slabs are then sawcut to the appropriate
   A hollow core slab is a precast, prestressed con-   length for the intended project.
crete member with continuous voids provided to            The economy of the generalized hollow core
reduce weight and, therefore, cost and, as a side      system is in the quantity of slabs that can be pro-
benefit, to use for concealed electrical or mechan-    duced at a given time with a minimum of labor re-
ical runs. Primarily used as floor or roof deck sys-   quired. Each slab on a given casting line will have
tems, hollow core slabs also have applications as      the same number of prestressing strands. There-
wall panels, spandrel members and bridge deck          fore, the greatest production efficiency is obtained
units.                                                 by mixing slabs with the same reinforcing re-
   An understanding of the methods used to             quirements from several projects on a single pro-
manufacture hollow core slabs will aid in the spe-     duction line. This implies that best efficiency for a
cial considerations sometimes required in the use      single project is obtained if slab requirements are
of hollow core slabs. Hollow core slabs are cast       repetitive.
using various methods in the seven major systems       1.2 Materials
available today. Because each production system           As stated previously, hollow core slabs are pro-
is patented, producers are usually set up on a fran-   duced with two basic concrete mixes; low slump
chise or license basis using the background,           and normal slump concrete. For the low slump
knowledge and expertise provided with the ma-          concretes, water content is limited to slightly
chine development. Each producer then has the          more than that required for cement hydration.
technical support of a large network of associated     Water-cement ratios are typically about 0.3. Mix-
producers.                                             ing is critical because the limited water available
   Two basic manufacturing methods are current-        must be well dispersed in the mix. Water reducing
ly in use for the production of hollow core slabs.     admixtures can be used to optimize a mix by re-
One is a dry cast or extrusion system where a very     ducing cement and water requirements while still
low slump concrete is forced through the ma-           retaining adequate workability for proper com-
chine. The cores are formed with augers or tubes       paction of the concrete by the machine. Air en-
with the concrete being compacted around the           trainment admixtures are not effective in the dry
cores. The second system uses a higher slump           mix concrete. With the low water-cement ratios
concrete. Sides are formed either with stationary,     and compaction placing method, air is difficult to
fixed forms or with forms attached to the machine      disperse well and maintain.
with the sides being slip formed. The cores in the
                                                       Table 1.1 Hollow Core Systems
normal slump, or wet cast, systems are formed
with either lightweight aggregate fed through           Manufac-     Machine        Concrete   Core Form
tubes attached to the casting machine, pneumatic          turer         Type      Type/Slump
tubes anchored in a fixed form or long tubes at-       Dy-Core      Extruder     Dry/Low       Tubes
tached to the casting machine which slip form the      Dynaspan     Slip Form    Wet/Normal    Tubes
cores.                                                 Elematic     Extruder     Dry/Low       Auger/Tube
   Table 1.1 lists the seven major hollow core sys-    Flexicore    Fixed Form   Wet/Normal    Pneumatic
tems available today along with the basic in-                                                  Tubes
formation on the casting technique. Various            Spancrete    Slip Form    Dry/Low       Tubes
names may be used by local licensees to describe       SpanDeck     Slip Form    Wet/Normal    Filler
the same products. In most cases, the slabs are                                                 aggregate
cast on long line beds, normally 300 ft to 600 ft      Ultra-Span   Extruder     Dry/Low       Augers



                                                                                                        1-
                                                                                                         -1
The wet cast products (those cast with normal
                                                       slump concrete), have water-cement ratios in the
                                                       range of 0.4 to 0.45. Depending on the slip form-
                                                       ing system used, slumps of 2 to 5 inches (50 - 130
                                                       mm) are used. The mix design and use of admix-
                                                       tures is dependent on achieving a mix that will
                                                       hold its shape consistent with the forming tech-
                                                       nique used.
                                                          Aggregates vary in the various manufacturing
                                                       processes depending on what type is locally avail-
                                                       able. Maximum aggregate size larger than pea
                                                       gravel is rarely used because of the confined areas
Latex feathering ready for direct carpet application
                                                       into which concrete must be placed. Light weight
                                                       aggregates are occasionally used to reduce the
                                                       weight of the sections and to achieve a significant
                                                       reduction in required equivalent thickness in a fire
                                                       rated application. Concrete unit weights ranging
                                                       from 110 to 150 pcf (1760 - 2400 kg/m3) are used
                                                       in the industry.
                                                          Strand use in hollow core slabs includes about
                                                       every size and type of strand produced depending
                                                       on what is available to a particular producer. The
                                                       trend is toward primary use of the larger 1/2 in (13
                                                       mm) diameter, low relaxation strand. The philos-
                                                       ophy of strand use varies from using many strand
                                                       sizes to optimize cost for a given project to using
                                                       only one or two strand sizes for simplicity of in-
                                                       ventory and production.
                                                          Except for special situations, keyway grout is
                                                       normally a sand and Portland cement mixture in
                                                       proportions of about 3:1. The amount of water
                                                       used is a function of the method used to place the
                                                       grout but will generally result in a wet mix so key-
Acoustical spray on exposed slab ceiling
                                                       ways may be easily filled. Shrinkage cracks may
                                                       occur in the keyways, but configuration of the key
                                                       is such that vertical load transfer can still occur
                                                       with the presence of a shrinkage crack. Rarely is
                                                       grout strength required in excess of 2000 psi (13.8
                                                       MPa) for vertical load transfer.
                                                          Although it is discouraged, non-shrink, non-
                                                       staining grout is occasionally specified for use in
                                                       keyways. In evaluating the potential benefits of
                                                       non-shrink grout, the volume of grout must be
                                                       compared to the overall volume of concrete in the
                                                       slabs and support materials. Because the size of
                                                       the keyway is small in relation to a floor or roof as-
                                                       sembly of slabs, total shrinkage will be affected
Electrical and HVAC application                        only to a minor degree. Shrinkage cracks can still



1-
 -2
occur in the keyways and there is little benefit to      acteristics associated with concrete. The Sound
be gained in comparison with the additional cost.        Transmission Class rating ranges from about 47 to
                                                         57 without topping and the Impact Insulation
1.3 Advantages of Hollow Core Slabs                      Class rating starts at about 23 for a plain slab and
    Hollow core slabs are most widely known for          may be increased to over 70 with the addition of
providing economical, efficient floor and roof           carpeting and padding. Detailed information on
systems. The top surface can be prepared for the         the acoustical properties of hollow core slabs is
installation of a floor covering by feathering the       presented in Chapter 7.
joints with a latex cement, installing non-structur-
al fill concretes ranging from 1/2 in to 2 in (13 - 51   1.4 Framing Concepts
mm) thick depending on the material used, or by              The primary consideration in developing a
casting a composite structural concrete topping.         framing scheme using hollow core slabs is the
The underside can be used as a finished ceiling as       span length. For a given loading and fire endur-
installed, by painting, or by applying an acoustical     ance rating, span length and slab thickness may be
spray.                                                   optimized by consulting a producer’s published
    When properly coordinated for alignment, the         load tables. Section 1.7 presents sample load
voids in a hollow core slab may be used for electri-     tables and instructions for the use of the tables.
cal or mechanical runs. For example, routing of a        The PCI Design Handbook1 recommends limits
lighting circuit through the cores can allow fix-        on span-depth ratios for the hollow core slabs. For
tures in an exposed slab ceiling without unsightly       roof slabs, a span-depth ratio limit of 50 is sug-
surface mounted conduit. Slabs used as the heated        gested and for floor slabs, a limit of 40 is sug-
mass in a passive solar application can be detailed      gested. In practice, a span-depth ratio of 45 is
to distribute the heated air through the cores.          common for floors and roofs when fire endurance,
    Structurally, a hollow core slab provides the ef-    openings, or heavy or sustained live loads do not
ficiency of a prestressed member for load capac-         control a design.
ity, span range, and deflection control. In addi-            Consideration must be given to factors which
tion, a basic diaphragm is provided for resisting        affect slab thickness selection for a given span.
lateral loads by the grouted slab assembly pro-          Heavy superimposed loads, as required by the
vided proper connections and details exist. A de-        function of a system, would require a lower span-
tailed discussion of diaphragm capabilities is           depth ratio. Similarly, heavy partitions or a large
presented in Chapter 4.                                  number of openings will result in higher load ca-
    Excellent fire resistance is another attribute of    pacity requirements. The fire resistance rating re-
the hollow core slab. Depending on thickness and         quired for the application will also affect the load
strand cover, ratings up to a 4 hour endurance can       capacity of a slab. As the code required fire rating
be achieved. A fire rating is dependent on equiva-       increases, prestressing strands can be raised for
lent thickness for heat transmission, concrete cov-      more protection from the heat. The smaller effec-
er over the prestressing strands for strength in a       tive strand depth will result in a lower load capac-
high temperature condition, and end restraint.           ity. Alternatively, a rational design procedure can
Underwriters Laboratories publishes fire ratings         be used to consider the elevated strand tempera-
for various assemblies. However, many building           tures during a fire. This fire design condition may
codes allow a rational design procedure for              control a slab design and, again, result in a lower
strength in a fire. This procedure, described in de-     load capacity.
tail in Chapter 6, considers strand temperature in           Once slab thicknesses and spans are selected,
calculating strength. Required fire ratings should       the economics of layout become important.
be clearly specified in the contract documents.          While ends cut at an angle can be designed and
Also, the fire rating should be considered in deter-     supplied, it is most efficient to have the bearing
mining the slab thickness to be used in prelimi-         perpendicular to the span so square cut ends can
nary design.                                             be used.
    Used as floor-ceiling assemblies, hollow core            It is also desirable to have the plan dimensions
slabs have the excellent sound transmission char-        fit the slab module. This is dependent upon the

                                                                                                        1-
                                                                                                         -3
slab systems available in the project area.             ture of the slabs. At the other extreme, if a “flat”
Non-module plan dimensions can be accommo-              floor is required in a structure consisting of multi-
dated using partial width slabs. Some producers         ple bays of varying length and change in slab
intentionally cast narrow widths as filler pieces       direction, the highest point will determine the top
while others use a section split from a full slab.      elevation of the topping. A greater amount of top-
Such a split section might be created by a longitu-     ping will then be required in “low” areas. These
dinal sawcut or a break if the edge will not be ex-     considerations must be dealt with in the planning
posed to view.                                          stages to both control costs and minimize ques-
   Construction tolerances must be accounted for        tions and potential for “extras” during construc-
in developing a plan layout. Tolerance on slab          tion.
length may be taken up by allowing a gap at the            Camber, camber growth, and deflections must
slab ends in the bearing detail. On the non-bearing     be considered when slabs run parallel to a stiff ver-
sides, clearance may be provided by using a detail      tical element such as a wall (e.g. slabs running
where the slabs lap over a wall or beam. If the slab    parallel to the front wall of an elevator). The door
edge butts a wall or beam, a gap should be pro-         rough opening should allow for camber to pro-
vided. Refer to local producers’ information for        duce proper door installation. Alternatively, the
recommendations of proper tolerances.                   slab span might be rearranged so the front wall is a
   When a hollow core slab deck is exposed to           bearing wall. Then door problems would be alle-
weather for a long period of time during construc-      viated.
tion, water can accumulate in the cores. The pri-          Camber, camber growth, and deflections must
mary source of water infiltration is at the butt        be taken into account in roofing details. Where
joints. In cold weather, this water can freeze and      changes in relative slab position can occur, coun-
expand causing localized damage. One remedy             terflashings are suggested to accommodate such
for this situation is to drill weep holes at the slab   changes.
ends under each core. The need for such weep
holes is generally known only after a construction      1.5 Wall Panel Applications
schedule is established. The specifier and the slab        Some hollow core slab systems can also pro-
supplier are not usually in a position to know of       vide slabs to be used as walls. Long line manufac-
such a need in advance.                                 turing can result in economical cladding or load
   Hollow core members will be cambered as with         bearing panels used in manufacturing or commer-
any other prestressed flexural member. In the           cial applications. The hollow core wall panels are
planning stages, consideration should be given to       prestressed with two layers of strands for accom-
the causes of differential camber. For two slabs of     modating handling, structural loadings and bow-
identical length and prestressing, the camber may       ing considerations. Some manufacturers can add
be different because of concrete and curing varia-      2 in to 4 in (51 - 102 mm) of insulation to the hol-
tions. This factor is independent of a framing          low core section with a 1 1/2 in thick to 3 in (38 - 76
scheme. However, joints between slabs of un-            mm) thick concrete facing to create an insulated
equal spans or joints at which a change in the span     sandwich panel.
direction occurs, will cause a potential differential      A variety of architectural finishes are available
camber problem. This must be recognized and             with hollow core wall panels. While the finishes
dealt with in the design layout. Wall locations         can be very good, the variety of finishes available
may hide such a joint, but the door swing might be      is different from those typically available with
directed to the least variable side.                    true architectural precast concrete panels. In
   Camber must also be accommodated when a              judging the quality of finish on hollow core wall
topping is to be provided. The quantity of topping      panels, consideration must be given to the
required must consider the amount of camber and         manufacturing process.
the function of the floor. In occupancies where
flat floors are not a requirement, a constant top-
ping thickness may be used to follow the curva-


1-
 -4
1.6 Design Responsibilities                              Producer load tables define the allowable live
    It is customary in the hollow core industry for   load that a given slab can safely support in addi-
the producer to perform the final engineering for     tion to the slab self weight. The load capacity will
the product to be supplied to the job. This would     be a function of the slab thickness, the amount of
include design for vertical loads and lateral loads   prestressing provided, and the location of the pre-
specified by the Engineer of Record, embedded         stressing strands. Fire rated slabs may require
items for specified connection forces, and han-       additional concrete cover below the strands which
dling and shipping. However, the Engineer of Re-      will affect the load capacity.
cord plays a very important role in the design pro-      The design criteria used to develop these load
cess. Prior to selection of the hollow core produc-   tables is defined by the ACI Building Code2 as
er, enough preliminary planning should be done to     outlined in Chapter 2. Depending on the design
insure that the specified floor and roof system is    criteria controlling a slab’s load capacity, some
achievable. That is, the project should be one that   advantage may be gained by understanding that in
can be engineered without requiring changes from      most applications, superimposed loads will con-
the contract documents.                               sist of both dead and live loads. Where ultimate
    The contract documents must clearly indicate      strength controls, an equivalent live load can be
design criteria to which hollow core slabs will       used to enter a load table. It is calculated as:
have to conform. This is especially important
when the hollow core slabs must interface with           w equivalent = 1.4 superimposed Dead load
                                                                         1.7
other construction materials. When connections                           + Live load
are required, the forces to be transmitted through       However, if bottom fiber tensile stresses con-
the connections must be specified in the contract     trol, no adjustment in superimposed loads may be
documents. The producer is best able to deter-        used.
mine the most efficient connection element to be         Similarly, many loading conditions consist of
embedded in the slab. However, the balance of a       loads other than uniform loads. For preliminary
connection which interfaces with another materi-      design only, an equivalent uniform load may be
al should be detailed in the contract documents.      calculated from the maximum moment caused by
    The Engineer of Record also has a responsibil-    the actual loads.
ity in the review and approval of erection draw-
                                                                         8 M superimposed
ings prepared by the precast producer. Review of         w equivalent =
these drawings is the last opportunity to assure                             ℓ   2

that the producer’s understanding of the project         Shear will not be properly addressed in this sit-
coincides with the intent of design. Erection         uation. Thus, the final design must consider the
drawings should be checked for proper design          actual load pattern.
loads, proper details and bearing conditions, con-       Because of the uniqueness of each hollow core
formance with specified fire ratings, and the loca-   slab system and the many possibilities of strand
tion of openings.                                     patterns available from various producers, a ge-
                                                      neric hollow core slab has been developed to dem-
                                                      onstrate design procedures. Figure 1.7.1 depicts
                                                      the slab section and properties and illustrates a
1.7 Cross-Sections and Load Tables                    typical form for a producer’s load tables.
   Each of the major hollow core slab systems has     Throughout this manual, this section will be used
a standard set of cross-sections that can be pro-     to demonstrate various calculation procedures
duced by their equipment. Available in thick-         where any one of the proprietary cross-sections
nesses ranging from 4 in to 15 in (102 - 380 mm),     could be substituted. It must be emphasized that
core configurations make each system unique.          this cross-section is not available for use and
Each individual producer has additional produc-       should not be specified.
tion practices which may affect the capabilities of      Figures 1.7.2 through 1.7.8 present the propri-
their product. Therefore, most producers prepare      etary slab cross-sections currently available. The
and distribute load tables in their market area.      section properties are as provided by the manufac-

                                                                                                     1-
                                                                                                      -5
turers, but weights are based on 150 pcf (2400          For final design use the methods of Chapter 2
kg/m3) concrete. The actual weights may vary          particularly to check shear.
slightly from those given. The availability of any
particular section in a given area must be verified   1.8 Tolerances3
with the local producers. Figures 1.7.9 present          Figure 1.8.1 shows the dimensional tolerances
charts of the general range of load capacities        for precast hollow core slabs. These tolerances
available in a given slab thickness. As with any      are guidelines only and each project must be con-
chart of this nature, the chart should be carefully   sidered individually to ensure that the tolerances
approached and verified with local producer load      shown are applicable.
tables, especially for the longest and shortest and      Figure 1.8.2 shows erection tolerances for hol-
lightest and heaviest conditions. Special care is     low core slabs. When establishing tolerances, the
also required when fire rated slabs must be used      function of the slabs should be considered. For
on a project. (See Chapter 6)                         example, slabs covered by finish materials may
   The following examples demonstrate the ways        not need the close tolerances required for exposed
in which load tables may be used.                     slabs.
Example 1.7.1 Equivalent Uniform Load
   From the load table in Figure 1.7.1 select a
strand pattern to carry a uniform superimposed
dead load of 20 psf and a uniform live load of 60
psf on a 24 foot span.
   wtotal = 20 + 60 = 80 psf
4-7/16 in dia. strands required: capacity = 118 psf
flexural strength controls

   w equivalent = 1.4 20 + 60 = 77 psf
                  1.7
   Use 4-3/8 in dia. strands: capacity = 79 psf
flexural strength controls.
Example 1.7.2 Non-Uniform Loads
   From the load table in Figure 1.7.1 select a
strand pattern to carry a superimposed uniform
load of 20 psf dead plus 40 psf live and a continu-
ous wall load of 600 plf located perpendicular to
the span and at midspan. The design span is 25
feet.
For preliminary design
                       2
   M superimposed = 25 20 + 40 + 25 600
                     8                 4
                 = 8438 ft-#/ft
                       88438
      w equivalent =
                         25 2
                 = 108 psf
Try 6-3/8 in dia. strands - capacity = 120 psf




1-
 -6
Fig. 1.7.1 Generic hollow core slab




                                                        36"                                         Section Properties
                1 1/2" 5 1/4" 1 1/4"                                                                A     = 154 in2
                                                                                                    I     = 1224.5 in4
                                                                                                    bw = 10.5 in
                                                                                                    yb    = 3.89 in




                                                                                 8"
                                                                                                    Sb = 314.8 in3
                                                                                                    St    = 297.9 in3




                                                                        1"
                                          1 1/2"              1 1/2"                                wt    = 53.5 psf
                                                    4 1/4"




                                                      SAMPLE LOAD TABLE3

                                               Allowable Superimposed Live Loads, psf

                                                                              Spans, ft
  Strands, 270LR φMn, ft-k                         14 15    16           17      18        19     20     21      22       23
      4-3/8″                            45.1       317 270 232          200     174       152    133    116     102       90
      6-3/8″                            65.4               356          311     272       240    212    188     168      150
      4-7/16″                           59.4               320          278     243       214    189    167     148      132
      6-7/16″                           85.0                                    3431      3111   2831   258     231      208
      4-1/2″                            76.7                                    327       289    257    229     204      183
      6-1/2″                           105.3                                                     3171   2901    2671     2471
   Strands, 270LR φMn, ft-k                         24 25         26     27       28       29      30
      4-3/8″                            45.1        79 79         69     61       53       46
      6-3/8″                            65.4       134 120       108     97       87       78     70
      4-7/16″                           59.4       118 105        94     84       75       67     59
      6-7/16″                           85.0       187 169       153    139      126      114    104
      4-1/2″                            76.7       165 148       134    121      109       99     90
      6-1/2″                           105.3       2271 2101     1952   1782     1632     1492   1372
  1 - Values are governed by shear strength.
  2 - Values are governed by allowable tension
  3 - Table based on 5000 psi concrete with 6 f′ c allowable tension. Unless noted, values are
      governed by strength design.


  Note: This slab is for illustration purposes only. Do not specify this slab for a project.




                                                                                                                                1-
                                                                                                                                 -7
Fig. 1.7.2

      Trade name: Dy-Core
      Equipment Manufacturer: Mixer Systems, Inc., Pewaukee, Wisconsin




                                                                      Section             Untopped                 with 2″ topping
                                                                       width
                                                                         x          A       yb       I    wt     yb          I     wt
                                                                       depth       in2      in      in4   psf    in         in4    psf
                                                                    4′-0″ x 6″     142    3.05     661    37    4.45      1475     62
                                                                    4′-0″ x 8″     193    3.97    1581    50    5.43      3017     75
                                                                    4′-0″ x 10″    215    5.40    2783    56    6.89      4614     81
                                                                    4′-0″ x 12″    264    6.37    4773    69    7.89      7313     94
                                                                    4′-0″ x 15″    289    7.37    8604    76    9.21     13225    101




      Note: All sections not available from all producers. Check availability with local manufacturers.

Fig. 1.7.3

      Trade name: Dynaspan
      Equipment Manufacturer: Dynamold Corporation, Salina, Kansas




                                                                      Section              Untopped                   with 2″ topping
                                                                        width
                                                                          x          A       yb      I    wt     yb          I     wt
                                                                        depth       in2      in     in4   psf    in         in4    psf
                                                                     4′-0″ x 4″    133    2.00   235      35    3.08       689     60
                                                                     4′-0″ x 6″    165    3.02   706      43    4.25      1543     68
                                                                     4′-0″ x 8″    233    3.93 1731       61    5.16      3205     86
                                                                     4′-0″ x 10″   260    4.91 3145       68    6.26      5314     93
                                                                     8′-0″ x 6″    338    3.05 1445       44    4.26      3106     69
                                                                     8′-0″ x 8″    470    3.96 3525       61    5.17      6444     86
                                                                     8′-0″ x 10″   532    4.96 6422       69    6.28     10712     94
                                                                     8′-0″ x 12″   615    5.95 10505      80    7.32     16507    105




      Note: All sections not available from all producers. Check availability with local manufacturers.




1-
 -8
Fig. 1.7.4

     Trade name: Elematic
     Equipment Manufacturer: Mixer Systems, Inc., Pewaukee, Wisconsin




                                                                      Section              Untopped                  with 2″ topping
                                                                        width
                                                                          x          A       yb       I    wt      yb        I     wt
                                                                        depth       in2      in      in4   psf     in       in4    psf
                                                                  4′-0″ x 6″       157    3.00     694     41    4.33     1557      66
                                                                  4′-0″ x 8″       196    3.97    1580     51    5.41     3024      76
                                                                  4′-0″ x 10″(5)   238    5.00    3042     62    6.49     5190      87
                                                                  4′-0″ x 10″(6)   249    5.00    3108     65    6.44     5280      90
                                                                  4′-0″ x 12″      274    6.00    5121     71    7.56     8134      96




      Note: Elematic is also availble in 96″ width. All sections not available from all producers. Check availability with local manufacturers.



Fig. 1.7.5

     Trade name: Flexicore
     Licensing Organization: The Flexicore Co. Inc., Dayton, Ohio




                                                                      Section              Untopped                  with 2″ topping
                                                                        width
                                                                          x          A       yb       I    wt      yb        I     wt
                                                                        depth       in2      in      in4   psf     in       in4    psf
                                                                     1′-4″ x 6″     55    3.00     243     43     4.23     523     68
                                                                     2′-0″ x 6″     86    3.00     366     45     4.20     793     70
                                                                     1′-4″ x 8″     73    4.00     560     57     5.26    1028     82
                                                                     2′-0″ x 8″    110    4.00     843     57     5.26    1547     82
                                                                     1′-8″ x 10″    98    5.00    1254     61     6.43    2109     86
                                                                     2′-0″ x 10″   138    5.00    1587     72     6.27    2651     97
                                                                     2′-0″ x 12″   141    6.00    2595     73     7.46    4049     98




     Note: All sections not available from all producers. Check availability with local manufacturers.




                                                                                                                                           1-
                                                                                                                                            -9
Fig. 1.7.6

       Trade name: Spancrete
       Licensing Organization: Spancrete Machinery Corp., Milwaukee, Wisconsin




                                                                      Section              Untopped                 with 2″ topping
                                                                        width
                                                                          x          A      yb       I     wt     yb       I      wt
                                                                        depth       in2     in      in4    psf    in      in4     psf
                                                                     4′-0″ x 4″    138    2.00     238     34    3.14     739    59
                                                                     4′-0″ x 6″    189    2.93     762     46    4.19    1760    71
                                                                     4′-0″ x 8″    258    3.98    1806     63    5.22    3443    88
                     Ultralight Spancrete                           4′-0″ x 10″   312    5.16    3484     76    6.41    5787   101
                                                                     4′-0″ x 12″   355    6.28    5784     86    7.58    8904   111
                                                                     4′-0″ x 15″   370    7.87    9765     90    9.39   14351   115



                                                                     4′-0″ x 8″    246    4.17    1730     60    5.41    3230    85
                                                                     4′-0″ x 10″   277    5.22    3178     67    6.58    5376    92
                                                                     4′-0″ x 12″   316    6.22    5311     77    7.66    8410   102




 Note: Spancrete is also available in 40″ and 96″ widths. All sections are not available from all producers. Check availability with
 local manufacturer.

Fig. 1.7.7


       Trade name: SpanDeck
       Licensing Organization: Fabcon, Incorporated, Savage, Minnesota




                                                                      Section              Untopped                 with 2″ topping
                                                                        width
                                                                          x          A      yb       I     wt     yb       I      wt
                                                                        depth       in2     in      in4    psf    in      in4     psf
                                                                     4′-0″ x 8″    246    3.75 1615        62    5.55    2791    87
                                                                     4′-0″ x 12″   298    5.87 5452        75    8.01    7856   100
                                                                     8′-0″ x 8″    477    3.73 3236        60    5.53    5643    85
                                                                     8′-0″ x 12″   578    5.86 10909       72    7.98   15709    97




       Note: All sections not available from all producers. Check availability with local manufacturers.




1-
 -10
Fig. 1.7.8

     Trade name: Ultra-Span
     Licensing Organization: Ultra-Span Technologies, Inc., Winnipeg, Manitoba, Canada




                                                                      Section                   Untopped                 with 2″ topping
                                                                       width
                                                                         x               A       yb       I     wt     yb       I     wt
                                                                       depth            in2      in      in4    psf    in      in4    psf
                                                                     4′-0″ x 4″     154        2.00     247     40    2.98     723    65
                                                                     4′-0″ x 6″     188        3.00     764     49    4.13    1641    74
                                                                     4′-0″ x 8″     214        4.00    1666     56    5.29    3070    81
                                                                     4′-0″ x 10″    259        5.00    3223     67    6.34    5328    92
                                                                     4′-0″ x 12″    289        6.00    5272     75    7.43    8195   100




     Note: All sections are not available from all producers. Check availability with local manufacturers.




Fig. 1.7.9(a) Slab load ranges


                                        300
                                                                                                       6" Hollow Core Slab
                                                                                                       3/4" Concrete Cover
                                        250
                                                                         ~       = 45
                                                                             h
          Superimposed Live Load, psf




                                        200
                                                                                              6" + 2" Topping

                                        150
                                                                                                  6"

                                        100



                                        50



                                              10                20                       30                     40

                                                                        Span, ft




                                                                                                                                            1-
                                                                                                                                             -11
Fig. 1.7.9 (b) Slab load ranges


                                                                         300
                                                                                                                                       8" Hollow Core Slab
                                                                                                                                       3/4" Concrete Cover
                                                                         250

                                                                                                                            ~       = 45
                                     Superimposed Live Load, psf




                                                                                                                                h
                                                                         200


                                                                                                                                                     8" + 2" Topping
                                                                         150

                                                                                                                                                8"
                                                                         100



                                                                         50



                                                                                    10        20                       30                            40

                                                                                                       Span, ft




Fig. 1.7.9(c) Slab load ranges


                                                                   300
                                                                                                                                                      10" Hollow Core Slab
                                                                                                                                                          3/4" Concrete Cover
                                                                   250

                                                                                                                                                            10" + 2" Topping
       Superimposed Live Load, psf




                                                                   200
                                                                                                                                           ~        = 45
                                                                                                                                               h

                                                                   150
                                                                                                                                                                      10"


                                                                   100



                                                                   50



                                                                               10        20                       30                           40

                                                                                                   Span, ft




1-
 -12
Fig. 1.7.9 (d) Slab load ranges


                                             300
                                                                                                  12" Hollow Core Slab
                                                                                                  3/4" Concrete Cover
                                             250
                                                                                                             12" + 2" Topping
    Superimposed Live Load, psf




                                             200
                                                                                                     ~       = 45
                                                                                                         h
                                                                                                                    12"
                                             150


                                             100



                                             50



                                                        10           20                 30   40

                                                                            Span, ft




Fig. 1.7.9(e) Slab load ranges


                                             200
                                                                                                  15" Hollow Core Slab
                                                                                                   3/4" Concrete Cover
                                             175
                                                             15" + 2 1/2" Topping
               Superimposed Live Load, psf




                                                                    15"
                                             150
                                                                                                         ~       = 45
                                                                                                             h

                                             125


                                             100



                                              75



                                              50
                                                   10   20            30                40   50                     60

                                                                             Span, ft




                                                                                                                            1-
                                                                                                                             -13
Fig. 1.8.1 Product tolerances - hollow core slabs
                              -
a    =   Length . . . . . . . . . . . . . . . . . . . . . . . . . . . . . . . . . . . . . ±1/2 in     j   = Center of gravity of strand group
b    =   Width . . . . . . . . . . . . . . . . . . . . . . . . . . . . . . . . . . . . . . ±1/4 in          The CG of the strand group relative to the top of the plank
c    =   Depth . . . . . . . . . . . . . . . . . . . . . . . . . . . . . . . . . . . . . . ±1/4 in          shall be within ±1/4 in of the nominal strand group CG. The
dt   =   Top flange thickness                                                                               position of any individual strand shall be within ±1/2 in of
         Top flange area defined by the actual measured values of                                           nominal vertical position and ±3/4 in of nominal horizontal
         average dt x b shall not be less than 85% of the nominal area                                      position and shall have a minimum cover of 3/4 in.
         calculated by dt nominal x b nominal.                                                        k = Position of plates . . . . . . . . . . . . . . . . . . . . . . . . . . . . . . ±2 in
db =     Bottom flange thickness                                                                      l   = Tipping and flushness of plates . . . . . . . . . . . . . . . . ±1/4 in
         Bottom flange area defined by the actual measured values                                     m = Local smoothness . . . . . . . . . . . . . . . . . . . . . ±1/4 in in 10 ft
         of average db x b shall not be less than 85% of the nominal
                                                                                                            (does not apply to top deck surface left rough to receive a
         area calculated by db nominal x b nominal.
                                                                                                            topping or to visually concealed surfaces)
e    =   Web thickness
         The total cumulative web thickness defined by the actual                                     Plank weight
         measured value Σe shall not be less than 85% of the nominal                                        Excess concrete material in the plank internal features is
         cumulative width calculated by Σe nominal.                                                         within tolerance as long as the measured weight of the
f    =   Blockout location . . . . . . . . . . . . . . . . . . . . . . . . . . . . . . ±2 in                individual plank does not exceed 110% of the nominal
g    =   Flange angle . . . . . . . . . . . . . . 1/8 in per 12 in, 1/2 in max.                             published unit weight used in the load capacity calculation.
h    =   Variation from specified end squareness                                                      n = Applications requiring close control of differential camber
         or skew . . . . . . . . . . . . . . . . . . . . . . . . . . . . . . . . . . . . ±1/2 in            between adjacent members of the same design should be
i    =   Sweep (variation from straight line parallel to centerline of                                      discussed in detail with the producer to determine applicable
         member) . . . . . . . . . . . . . . . . . . . . . . . . . . . . . . . . . . . ±3/8 in              tolerances.



                                               b
                                         dt




                                                                                           j




                                                                 e
     c




                                                                                                     CGS
                          db




                                                                                                                                                                   l
                                 CROSS SECTION




                                                                                                                                              n
                                                                                                                                                                                       h
           g
                                            10 ft                                 k                                                         ELEVATION
                                                      m




                                                                                          k




                                                                       f
                                           i




                                               a


                                           PLAN




1-
 -14
Fig. 1.8.2 Erection tolerances - hollow core floor and roof members
   a = Plan location from building grid datum . . . . . . . . . . . . . . . . . . . . . . . . . . . . . . . . . . . . . . . . . . . . . . . . . . . . . . . . . . . . . . . . . . . . . ± 1 in
   a1 = Plan location from centerline of steel* . . . . . . . . . . . . . . . . . . . . . . . . . . . . . . . . . . . . . . . . . . . . . . . . . . . . . . . . . . . . . . . . . . . . . ± 1 in
   b = Top elevation from nominal top elevation at member ends
          Covered with topping . . . . . . . . . . . . . . . . . . . . . . . . . . . . . . . . . . . . . . . . . . . . . . . . . . . . . . . . . . . . . . . . . . . . . . . . . . . . . . . . . ± 3/4 in
          Untopped floor . . . . . . . . . . . . . . . . . . . . . . . . . . . . . . . . . . . . . . . . . . . . . . . . . . . . . . . . . . . . . . . . . . . . . . . . . . . . . . . . . . . . . . ± 1/4 in
          Untopped roof . . . . . . . . . . . . . . . . . . . . . . . . . . . . . . . . . . . . . . . . . . . . . . . . . . . . . . . . . . . . . . . . . . . . . . . . . . . . . . . . . . . . . . . ± 3/4 in
   c = Maximum jog in alignment of matching edges
        (both topped and untopped construction) . . . . . . . . . . . . . . . . . . . . . . . . . . . . . . . . . . . . . . . . . . . . . . . . . . . . . . . . . . . . . . . . . . . . 1 in
   d = Joint width
          0 to 40 ft member length . . . . . . . . . . . . . . . . . . . . . . . . . . . . . . . . . . . . . . . . . . . . . . . . . . . . . . . . . . . . . . . . . . . . . . . . . . . . . . ± 1/2 in
          41 to 60 ft member length . . . . . . . . . . . . . . . . . . . . . . . . . . . . . . . . . . . . . . . . . . . . . . . . . . . . . . . . . . . . . . . . . . . . . . . . . . . . . ± 3/4 in
          61 ft plus . . . . . . . . . . . . . . . . . . . . . . . . . . . . . . . . . . . . . . . . . . . . . . . . . . . . . . . . . . . . . . . . . . . . . . . . . . . . . . . . . . . . . . . . . . . . ± 1 in
   e = Differential top elevation as erected
          Covered with topping . . . . . . . . . . . . . . . . . . . . . . . . . . . . . . . . . . . . . . . . . . . . . . . . . . . . . . . . . . . . . . . . . . . . . . . . . . . . . . . . . . 3/4 in
          Untopped floor . . . . . . . . . . . . . . . . . . . . . . . . . . . . . . . . . . . . . . . . . . . . . . . . . . . . . . . . . . . . . . . . . . . . . . . . . . . . . . . . . . . . . . . 1/4 in
          Untopped roof** . . . . . . . . . . . . . . . . . . . . . . . . . . . . . . . . . . . . . . . . . . . . . . . . . . . . . . . . . . . . . . . . . . . . . . . . . . . . . . . . . . . . . . 3/4 in
   f  = Bearing length*** (span direction) . . . . . . . . . . . . . . . . . . . . . . . . . . . . . . . . . . . . . . . . . . . . . . . . . . . . . . . . . . . . . . . . . . . . . . . . ± 3/4 in
   g = Differential bottom elevation of exposed hollow-core slabs**** . . . . . . . . . . . . . . . . . . . . . . . . . . . . . . . . . . . . . . . . . . . . . . . . 1/4 in

         * For precast concrete erected on a steel frame building, this tolerance takes precedence over tolerance on dimension “a”.
        ** It may be necessary to feather the edges to ± 1/4 in to properly apply some roof membranes.
       *** This is a setting tolerance and should not be confused with structural performance requirements set by the architect/engineer.
      **** Untopped installation will require a larger tolerance here.




                                                                                                                               a                             bldg. Y grid datum

                                         bldg. Y grid datum
                           a
                                             bldg. X grid datum



                                                                                                                        a                                                  bldg. X grid datum
                                                       a
                                                                                                                                                 f

                                                                                                                           d
  d
                                                                                                                                   c

                                                        hollow core
                                     c                  floor or roof member                                                                                         hollow core
                                                                                                                                         centerline of               floor or roof member
                     PLAN                                                                                                                steel structure
                                                                                                                                                                               PLAN
                                                                                                                                            a1
                                         clearance
                                                                                                                                         centerline of                                         e
                                                                                                                                         steel structure
                                                                               e

                                                                                                                               f
                                                                                                                                                                                               g
                                    f                 hollow core     g                                                b
       b                                              floor or roof member
                                                     precast or cast in place
                                                     concrete support member
                                           bldg. elevation datum                                                                                              bldg. elevation datum
                ELEVATION

                Precast element to precast or                                                                                                        ELEVATION
                cast-in-place concrete or masonry                                                                                                    Precast element to structural steel




                                                                                                                                                                                                                1-
                                                                                                                                                                                                                 -15
CHAPTER 2



                                      DESIGN OF HOLLOW CORE SLABS
2.1 General                                                                     b) Extreme fiber stress in tension except
   The design of hollow core slabs is governed by                                  as permitted in (c) . . . . . . . . . 3 f′ ci
the ACI (318-95) Building Code Requirements
                                                                                c) Extreme fiber stress in tension at ends
for Structural Concrete.2 As with prestressed con-
                                                                                   of simply supported members . . . . . .
crete members in general, hollow core slabs are
checked for prestress transfer stresses, handling                                   . . . . . . . . . . . . . . . . . . . . . . . . 6 f′ ci
stresses, service load stresses, deflections and de-
                                                                      2.2.1.2 Permissible stresses at service
sign (ultimate) strength in shear and bending. For
uniform load cases, the manufacturer’s load tables                            loads (Section 18.4)
will take into account these various design consid-                           a) Extreme fiber stress in compression
erations and print a load capacity based on the                                  due to prestress plus sustained loads
governing criteria. For loading conditions other                                  . . . . . . . . . . . . . . . . . . . . . . . . 0.45 f′c
than uniform, or for the development of load                                  b) Extreme fiber stress in compression
tables, the design steps presented in this section                               due to prestress plus total load
are used.                                                                         . . . . . . . . . . . . . . . . . . . . . . . . 0.60 f′c
   An excellent reference for prestressed member                              c) Extreme fiber stress in tension in pre-
design exists in the PCI Design Handbook.1                                       compressed tensile zone . . . . . 6 f′ c
Charts and tables provide design aids to shorten                              d) Extreme fiber stress in tension in pre-
the calculation procedures. Another excellent                                    compressed tensile zone where deflec-
source for design information is the PCI Standard                                tions are calculated considering bili-
Design Practice4 which reflects design practices                                 near moment-deflection relationships
in the industry.                                                                  . . . . . . . . . . . . . . . . . . . . . . . . 12 f′ c
   The generic slab presented in Section 1.7 will
be used for the calculations presented in this sec-                   2.2.1.3 Loss of prestress (Section 18.6)
tion. The cross-section was selected to provide a                             Calculation of losses shall consider:
means of demonstrating calculation procedures                                 a) Seating loss
and does not represent any slab currently in use.                             b) Elastic shortening of concrete
Therefore, this generic slab should never be speci-                           c) Creep of concrete
fied for use on a project. See Section 1.7 for the                            d) Shrinkage of concrete
slabs currently available.                                                    e) Steel relaxation
                                                                      2.2.1.4 Design (ultimate) strength
2.2 Flexural Design                                                           a) Load Factors (Section 9.2)
                                                                                 U = 1.4D + 1.7L
                                                                              b) Strength Reduction Factors (Section
2.2.1 ACI Requirements                                                           9.3)
   Chapter 18 of ACI (318-95) presents provi-                                    Flexure φ = 0.9
sions for the flexural design of prestressed con-                             c) Flexural Strength (Section 18.7)
crete members. The applicable limits from ACI
are paraphrased as follows:                                                 Mu ≤ φMn = ÔA psf ps d p − a
                                                                                                       2
                                                                                                                     
                                                                                       A psf ps
2.2.1.1 Permissible stresses at transfer                                         a =
        (Section 18.4).                                                               0.85f′ cb
        a) Extreme fiber stress in compression                                     fps = value calculated by strain
           . . . . . . . . . . . . . . . . . . . . . . . . 0.6 f′ci                      compatibility

                                                                                                                                     2-
                                                                                                                                      -1
or                                            moment 25 in from slab end

                       
          fps = f pu 1 −
                           γ p f pu
                              ρ                        Md      =       30.5 2.08 − 2.08 0.05353′
                                                                          2              2
                                                                                                  2

                           β 1 p f′ c
                                                                = 4.74 ft-k
          Mn > 1.2 Mcr                                            4.7412
                                                        Md
                                                                =
2.2.2 Stresses at Transfer
                                                        S
                                                                         
                                                                     279.9
                                                                     314.8
    When the prestressing strands are cut to apply
the prestressing force to the concrete, only the slab          = +0.191 ksi top fiber
self weight is present to counteract the effects of            = --0.181 ksi bottom fiber
eccentric prestress. A check of stresses is required
                                                        Net concrete stress at transfer point
at this point to determine the concrete strength re-
quired to preclude cracking on the tension side or             = --0.162 ksi top fiber
crushing on the compression side. The concrete                 = +1.542 ksi bottom fiber
strength at the time of transfer may be only 50% to     Self weight at midspan
60% of the 28 day design strength.
                                                                       2
                                                        Md      = 30.5 (0.0535)(3′) = 18.66 ft-k
                                                                    8
Example 2.2.2.1 - Transfer Stresses
                                                        Md        18.6612
   Using the generic hollow core cross-section                  =
defined in Section 1.7, check stresses at transfer of
prestress using the following criteria:
                                                        S
                                                                         
                                                                     279.9
                                                                     314.8

Prestressing steel: 4 - 1/2″ dia. 270 ksi, low relax-          = +0.752 ksi top fiber
ation strands.                                                 = --0.711 ksi bottom fiber
Aps = 4(0.153) = 0.612 in2                              Net concrete stress at midspan
assume 5% initial loss                                         = +0.399 ksi top fiber
dp = 7″                                                        = +1.012 ksi bottom fiber
ℓ = 30′-6″                                              Allowable stresses:
initial stress = 70% fpu                                tension at end = 6 f′ ci

                                                                             
Solution:                                                                         2

  Stresses will be checked at the transfer point             f′ci = − 162             = 729 psi
                                                                      6
and at midspan
                                                        tension at midspan = 3 f′ ci
At release prestress force
                                                           does not control
Po = (0.70)(0.95)(0.612)(270) = 109.9k
Prestress effect                                        compression = 0.6 f′ci
       P
   = o  Po e                                                f′ci = 1542 = 2570 psi
       A         S                                                   0.6
                                                        Concrete strength required at release
                 109.92.89
   = 109.9                                                       = 2570 psi
        154
                   297.9
                    314.8                                  Note that if tension or compression in the end
                                                        region exceeds allowables based on a reasonable
   = -
     -0.353 ksi top fiber                               concrete release strength, strands may be de-
   = +1.723 ksi bottom fiber                            bonded in some manufacturing systems or, for
                                                        tension, top mild reinforcement may be used in
Self weight at transfer point
                                                        some manufacturing systems to resist the total
ℓt = 50db = 50(1/2) = 25 in                             tension force.

2-
 -2
If tension in the midspan region controls, either                             1) Elastic Shortening
a high release strength must be used or mild rein-                                                   Es
forcement must be added to resist the total tension                                    ES = Kes          f
                                                                                                     E ci cir
force. Mild reinforcement should only be used in
the wet cast manufacturing system.                                                     Kes = 1.0 for pretensioned members

2.2.3 Prestress Losses
   The calculation of prestress losses affects the                                     fcir = Kcir      A     I
                                                                                                                 
                                                                                                         P i P ie 2
                                                                                                            +       −
                                                                                                                      M ge
                                                                                                                       I
service load behavior of a slab. The accuracy of
any calculation method is dependent on the pre-                                        Kcir = 0.9 for pretensioned members
ciseness of concrete and prestressing steel materi-
al properties as well as external factors such as hu-
midity used in the calculation procedure. The                                    2) Concrete Creep
accuracy of loss calculations has little effect on                                                Es
the ultimate strength of a member.                                                     CR = Kcr      (f - f )
                                                                                                         -
                                                                                                  E c cir cds
   Prestress loss calculations are required for pre-
diction of camber and for service load stress cal-                                     Kcr = 2.0 for normal weight pretensioned
culations. Since the success of a project is judged                                          members
on service load performance rather than ultimate
strength, it behooves any slab producer to use a                                           = 1.6 for sand lightweight pretensioned
loss calculation procedure which best predicts the                                           members
behavior of the product as produced.
                                                                                          M sde
   For low relaxation strand and for special cases                                     fcds =
(e.g., long spans or special loadings) using stress                                         I
relieved strand, the 1995 ACI Code references                                    3) Shrinkage of Concrete
several sources for prestress loss calculations.
The method presented here was developed by Zia,
                                                                                                                 
                                                                                       SH = 8.2 x 10-6KshEs 1 − 0.06 V
                                                                                                                     S
                                                                                                                             
et al.5 and considers the following parameters:                                             x (100 - RH)
                                                                                                   -


    Fig. 2.2.3.1 Ambient relative humidity




                                                                      80
                                                            70




                                                      70
                                                                                                           80


                                                                                                      70
                                                                                                      70
                                                                 60               75                 75
                                                                            70


                                                       50
                                                 40
                                     80               30
                                                                                          70
                                          70
                                               60 40        40
                                                             50 60
                                                                       70
                                                                            75




                                                                                                                                 2-
                                                                                                                                  -3
Table 2.2.3.1                                         Table 2.2.3.2 Values of C
Type of tendon        Kre psi           J                                 Stress-     Stress-relieved
270 Grade stress-re-                                                     relieved         bar or
lieved strand or wire 20,000          0.15              fsi/fpu         strand or     low-relaxation
250 Grade stress-re-                                                       wire       strand or wire
lieved strand or wire 18,500          0.14               0.80                              1.28
                                                         0.79                              1.22
240 or 235 Grade stress-
                         17,600       0.13               0.78                              1.16
relieved wire
                                                         0.77                              1.11
270 Grade low-relax-                                     0.76                              1.05
ation strand                 5000     0.040
                                                         0.75             1.45             1.00
250 Grade low-relax-                                     0.74             1.36             0.95
ation wire                   4630     0.037              0.73             1.27             0.90
240 or 235 Grade low-re-                                 0.72             1.18             0.85
laxation wire                4400     0.035              0.71             1.09             0.80
145 or 160 Grade stress-                                 0.70             1.00             0.75
relieved bar                 6000     0.05               0.69             0.94             0.70
                                                         0.68             0.89             0.66
      Ksh = 1.0 for pretensioned members                 0.67             0.83             0.61
                                                         0.66             0.78             0.57
      RH = Ambient relative humidity from Fig-           0.65             0.73             0.53
           ure 2.2.3.1                                   0.64             0.68             0.49
4) Steel Relaxation                                      0.63             0.63             0.45
                                                         0.62             0.58             0.41
      RE = [Kre - J (SH + CR + ES)]C
                -                                        0.61             0.53             0.37
                                                         0.60             0.49             0.33
      Kre, J, C = factors from Tables 2.2.3.1
                  and 2.2.3.2                         Solution:
5) Total Loss = ES + CR + SH + RE                     1) Elastic Shortening
                                                          Pi = 0.7(4)(41.3k) = 115.6k
   Observations and experience in a plant may
                                                                   2
provide modifications to loss calculations to bet-        Mg = 30.5 (0.0535)(3′)
                                                                 8
ter predict slab performance.
                                                             = 18.66 ft-k
                                                                  = 224 in-k
Example 2.2.3.1 Loss of Prestress
   Using the generic hollow core cross-section
defined in Section 1.7, calculate the loss of pre-
stress based on the following information:
                                                                         
                                                          fcir = 0.9 115.6 +
                                                                      154
                                                                             115.6(2.89)
                                                                               1224.5
                                                                                         2
                                                                                              
   Prestressing steel: 4-1/2″ dia. 270 ksi, low re-                     2242.89
laxation strands                                                    -
                                                                    -
                                                                        1224.5
Apsfpu = 0.153(270) = 41.3k/strand                                = 0.857 ksi
dp = 7″                                               using Es = 28,500 ksi and Eci = 3250 ksi
initial stress = 70% fpu                                                 Es
                                                          ES = Kes           f
                                                                         E ci cir
ℓ = 30′-6″
Superimposed dead load = 20 psf                                   = (1.0) 28500 (0.857)
                                                                           3250

2-
 -4
= 7.52 ksi                                   % =       25.6       (100) = 13.5%
                                                             0.7270
2) Concrete Creep
          M e
   fcds = sd                                     2.2.4 Service Load Stresses
            I
                                                    Service load concrete stresses are calculated as
            30.5 0.023122.89
               8
                 2
                                                 a measure of performance or serviceability. For
        =                                        the in-service state when deflections must be cal-
                     1224.5                      culated, a stress check must first be made to deter-
        = 0.198 ksi                              mine whether gross section properties or cracked-
using Ec = 4300 ksi and normal weight concrete   transformed section properties are to be used.
                                                    In-service stresses are checked assuming that
              E
    CR = Kcr s (fcir - fcds)
                      -                          all prestress losses have occurred. The calculated
              Ec
                                                 stresses are compared to the permissible stresses
        = (2.0) 28500 (0.857 - 0.198)
                             -                   noted in Section 2.2.1. Hollow core slabs are nor-
                 4300                            mally designed to be uncracked under full service
       = 8.74 ksi                                loads. Tensile stress limits of between 6 f′ c and
3) Shrinkage of Concrete                         7.5 f′ c are commonly used. In special circum-
   V = Area =           154 = 1.75               stances where deflections will not be a problem
   S     Perimeter 236 + 8                     and where cracking will not be of concern, the up-
    use RH = 70%                                 per limit of 12 f′ c can be used.

                            
    SH = 8.2 x 10-6KshEs 1 − 0.06 V
                                  S
                                                Example 2.2.4.1 Service Load Stresses
                                                    Using the generic hollow core cross-section
            x (100 - RH)
                   -                             defined in Section 1.7, calculate the service load
                                                 stresses given the following criteria:
        = 8.2 x 10-6(1.0)28500
                                                 Prestressing steel:
            x (1 - 0.06 x 1.75)(100 - 70)
                 -                  -
                                                 4-1/2″ dia. 270 ksi, low relaxation strands
       = 6.27 ksi
                                                 Apsfpu = 0.153(270) = 41.3k/strand
4) Steel Relaxation
                                                 dp     = 7″
   From Table 2.2.3.1
                                                 Initial stress = 70% fpu
    Kre = 5000, J = 0.04
                                                     f′c = 5000 psi
    From Table 2.2.3.2
                                                      ℓ = 30′-6″
    C   = 0.75 for fsi/fpu = 0.7
                                                 Clear Span = 30′-0″
    RE = [Kre - J(SH + CR + ES)]C
              -                                  Superimposed Dead Load = 20 psf
                                                                Live Load = 50 psf
        =   [ 5000 − 0.04x
              1000                               Solution:
                                                                 2
                                                 Msustained = 30 (0.0535 + 0.020)
                                   ]
            (6.27 + 8.74 + 7.52) 0.75                          8
                                                            = 8.27 ft-k/ft = 99.2 in-k/ft
       = 3.07 ksi
                                                                 2
5) Total Loss at Midspan                         Mservice  = 30 (0.0535 + 0.020 + 0.050)
                                                               8
       = 7.52 + 8.74 + 6.27 + 3.07                         = 13.89 ft-k/ft = 167 in-k/ft
        = 25.6 ksi                               With losses = 13.5% from Example 2.2.3.1

                                                                                                2-
                                                                                                 -5
Apsfse      = (0.7)(4)(41.3)(1 - 0.135)
            = 100.0k
                               -
                                                        Mcr          
                                                               = y P + Pe + 7.5 f′ c
                                                                   I
                                                                    b A      Sb
                                                                                           
Top fiber compression with sustained loads                 This ensures that when the concrete develops
                                                        flexural cracks, the prestressing steel will not have
                    100.02.89) 99.23                 reached its full design stress. Violation of this cri-
ftop     = 100.0 −             +                        teria might result in strand fractures at the point of
            154        297.9     297.9
         = 0.649 - 0.970 + 0.999
                 -                                      flexural cracking with a resulting brittle failure.
                                                        However, ACI (318-95) Section 18.8.3 allows
         = + 0.679 ksi                                  violation of this requirement for flexural members
Permissible compression                                 with shear and flexural strength at least twice that
                                                        required.
         = 0.45f′c                                         The upper limit of reinforcing requires that,
         = 0.45(5000)                                                           ωp or,
         = 2.25 ksi > 0.679 ksi OK
Top fiber compression with total load
                                                                      ω + dd ω − ω′ or
                                                                         p
                                                                                p


ftop     = 100.0 −
                    100.02.89) 1673
                               +
                                                                     ω + dd ω − ω′ 
                                                                         pw
                                                                                p
                                                                                    w        w
            154        297.9     297.9
                                                        be not greater than 0.36β1
         = 0.649 - 0.970 + 1.679
                 -
                                                           The need for an upper limit on reinforcing is re-
         = 1.358 ksi                                    lated to the assumptions of ultimate concrete com-
Permissible compression                                 pressive strain. Using a uniform compression
                                                        stress block forces more concrete to reach ulti-
         = 0.60f′c                                      mate strain as reinforcing ratios increase. There-
         = 0.60(5000)                                   fore when the upper reinforcing limit is exceeded,
                                                        the moment capacity must be based on the com-
         = 3.00 ksi > 1.358 ksi OK
                                                        pression block. For this condition,
Bottom fiber tension
                                                              φMn = φ f′ cbd 20.36β 1 − 0.08β 2
                                                                              p                 1
fbottom = 0.649 + (0.970 - 1.679) 297.9
                          -
                                  314.8                 for rectangular sections or for flanged sections
        = -
          -0.022 ksi (tension)                          with the neutral axis within the flange.
                                                           The stress in the prestressing steel at ultimate
Permissible tension                                     may be calculated in several ways. The ACI equa-
         = 7.5 f′ c                                    tion (18-3) may be used as an approximation,
                                                        charts and tables from the PCI Design Handbook
         = 7.5 5000                                    may be used, or a strain compatibility analysis
                                                        may be made.
         = 0.530 ksi > 0.022 ksi OK
                                                        Example 2.2.5.1 Design Flexural Strength
2.2.5 Design Flexural Strength
                                                           Using the generic hollow core slab defined in
    The moment capacity of a prestressed member         Section 1.7, check the design flexural strength
is a function of the ultimate stress developed in the   given the following criteria:
prestressing strands. As with non-prestressed
                                                           Prestressing steel: 4-1/2″ dia., 270 ksi, low re-
concrete, upper and lower limits are placed on the      laxation strands
amount of reinforcing to ensure that the stress in
                                                        dp = 7″
the strands is compatible with concrete stresses
for ductile behavior.                                   initial stress = 70% fpu
    The lower limit of reinforcing requires that:       f′c = 5000 psi
φMn ≥ 1.2 Mcr                                           ℓ = 30′-6″

2-
 -6
Clear span = 30′-0″                                       φMn ≥ 1.2 Mcr
Superimposed Dead Load = 20 psf                       From Example 2.2.3.1
               Live Load = 50 psf                        Loss = 13.5%
Solution:                                                Apsfse = 0.7(4)(41.3)(1 - 0.135)
                                                                                 -
METHOD 1: ACI Equation (18-3)
                                                                = 100.0 k
    φMn = φApsfps(dp - a/2)
                        -                             Bottom compression

    fps = f pu   1−
                     γp
                     β1
                          
                        ρp
                           f pu
                           f′ c
                                                                = 100.0 +
                                                                   154
                                                                            100.02.89
                                                                              314.8
                                                                = 1.567 ksi
Use γp = 0.28 for low relaxation strands

              -      
    β1 = 0.85 - 5000 − 4000 0.05                                3.89
                                                                            
                                                          Mcr = 1224.5 1.567 +
                                                                               7.5 5000
                                                                                 1000
                                                                                                  
                   1000
                                                                = 660 in-k/slab
         = 0.80
                                                          ÔM n
                                                               = 920 = 1.39 > 1.2 OK
           A ps 40.153                                  M cr   660
    ρp =        =         = 0.0024
           bd p   367
                                                      METHOD 2: PCI Design Handbook
                          
    fps = 270 1 − 0.28 0.0024 270
                  0.80         5
                                                    Using Figure 4.12.2 from the 5th Edition Hand-
                                                      book.
                                                                  A ps f pu
         = 257.7 ksi                                      ωpu =
                                                                  bd p f′ c
            ρpf ps 0.0024257.7                                     441.3
    ωp =          =                                             =
                                                                    3675
             f′ c       5
         = 0.124 < 0.36 β1 = 0.288 OK                           = 0.131
                                                          K′u   = 538
            A psf ps   40.153257.7
    a    =           =                                                   bd 2
           0.85f′ cb     0.85536                                      p
                                                          φMn = K′u
                                                                        12000

                                                                         
          = 1.03 in                                                              2
                                                                          36(7)
Note: If “a” exceeds the top flange thickness, the              = 538
                                                                          12000
compression block will encroach on the core area.
For this situation, multiple compression forces are             = 79.0 ft-k/slab
used for the internal couple as is done with other
flanged members.                                      METHOD 3: Strain Compatibility
                                      
    φMn = 0.9(4)(0.153)(257.7) 7 − 1.03
                                           2
                                                        The stress-strain diagram from Figure 11.2.5 of
                                                      the PCI Design Handbook, shown in Fig. 2.2.5.1,
           = 920 in-k/slab = 76.7 ft-k/slab           will be used for this example. However, the actual
                                                      stress-strain curves received with strand mill re-
    wu = 1.4(0.0535 + 0.02) + 1.7(0.05)               ports should be used when available.
          = 0.188 ksf                                    The concrete ultimate strain is assumed to be
            2                                         0.003 in/in. The method involves a trial and error
    Mu = 30 (0.188)                                   procedure to obtain equilibrium within the section
          8
                                                      where the force in the compression block equals
       = 21.14 ft-k/ft
                                                      the tensile force in the steel. The equations are de-
          = 63.4 ft-k/slab < 76.7 OK                  veloped from the strain diagram shown.
Check minimum reinforcement                                a = β1c

                                                                                                      2-
                                                                                                       -7
Fig. 2.2.5.1 Stress-strain curves, prestressing strand


                                      270
                                                                                                                     270 ksi strand
                                                                                        MINIMUM YIELD STRENGTH AT
                                                          Es = 28,500 ksi               1% ELONGATION FOR 270 ksi
                                      250                                               (ASTM A416)

                                                                                                                     250 ksi strand


                                      230
                                                                                        MINIMUM YIELD STRENGTH AT
                                                                                        1% ELONGATION FOR 250 ksi
               Stress - fps (ksi)




                                                                                        (ASTM A416)

                                      210




                                      190




                                      170




                                      150
                                            0              0.005             0.010                0.015            0.020        0.025         0.030

                                                                                        Strain-   ps   (in./in.)



  These curves can be approximated by the following equations:

                                    250 ksi strand                                                                 270 ksi strand
      εps ≤ 0.0076: fps = 28,500 εps (ksi)                                                             εps ≤ 0.0086: fps = 28,500 εps (ksi)

      εps > 0.0076: fps = 250−                              0.04            (ksi)                      εps > 0.0086: fps = 270 −           0.04        (ksi)
                                                        Á ps − 0.0064                                                                   Á ps − 0.007



                                                                                                       Using 13.5% loss from Example 2.2.3.1
                                                                                                           fse = 0.7(270)(1 - 0.135) = 163.4 ksi
                                                                                                                            -
                                                0.003                0.85 f c’
                                                                                                                     f se
                                                                                                             εse =        = 163.4 = 0.0057
                                                   c       a                        C                                E s 28500
               dp
                                                                                                       Assume c = 1″ then a = 0.80(1) = 0.8″
                                                                                 T
                                                                                                                  dp
                                     s                                                                       εs = c (0.003) - 0.003
                                                                                                                            -

                                                                                                                   = 7 (0.003) - 0.003 = 0.018
                                                                                                                               -
                                                                                                                     1

2-
 -8
εps = εse + εs                                          = 0.0107 in/in
           = 0.0057 + 0.018 = 0.0237                    εps = 0.0057 + 0.0107
                                                             = 0.0164 in/in
From stress-strain curve
                                                        fps = 266 ksi
     fps = 268 ksi
                                                        for bars
     T     = 4(0.153)(268) = 163.8
                                                        εs = 5.5 (0.003) − 0.003
     C     = 0.85(5)(0.8)(36)                                   1.53
                                                             = 0.0078 in/in
           = 122.4k < 163.8k
                                                        yield strain = 60 = 0.002 in/in
Try c = 1.3″ then a = 0.80(1.3) = 1.04″                               29000
                7 (0.003) - 0.003                       T = 4(0.153)(266) + 2(0.2)(60)
     εs =                 -
              1.30                                           = 162.8 + 24
           = 0.0131                                          = 186.8k
     εps = 0.0131 + 0.0057 = 0.0188                     C = 0.85(5)(1.22)(36)
                                                             = 186.7k ≅ 186.8k ok
From stress-strain curve
     fps = 267 ksi                                                         2
                                                                                           
                                                        φMn = 0.9 162.8 7 − 1.22 + 24 5.5 − 1.22
                                                                                             2
                                                                                                         
     T     = 4(0.153)(267) = 163                            = 1042 in-k
     C     = 0.85(5)(1.04)(36)                              = 86.8 ft-k

           = 159k ≈ 163k                                2.3 Shear Design
                                 
     φMn = 0.9(4)(0.153)(267) 7 − 1.04
                                   2
                                                       2.3.1 ACI Requirements
                                                            Hollow core slabs are designed for shear ac-
          = 952 in-k/slab = 79.3 ft-k/slab              cording to the same ACI Code provisions used in
   On occasion, conventional reinforcement is           general for prestressed members. In dry cast sys-
added to a hollow core slab to locally provide add-     tems, the normal practice is to not provide stirrups
ed flexural strength. When required, the bars are       when the applied shear exceeds shear capacity be-
placed in cores right after the slab is cast and con-   cause of the difficulty encountered placing stir-
crete is added to fill the cores with the bars. The     rups in most production processes. The place-
following example illustrates the flexural strength     ment of stirrups in a wet cast system is certainly
calculation.                                            easier than in a dry cast extruded system and is a
                                                        viable shear enhancement method. An alternative
Example 2.2.5.2 Flexural Strength with Bars             used to increase shear capacity is to reduce the
  Repeat Example 2.2.5.1 but add 2 - #4 bars in         number of cores used in a given slab. This may be
cores.                                                  done by either leaving out a core for the entire
Solution:                                               length of a slab or by locally breaking into the
                                                        cores and filling them solid while the concrete is
Use strain compatibility for strength calculation       still in a somewhat plastic state.
with an effective depth of 5.5 in for the #4 bars.          The provisions for shear are found in Chapter
Assume c = 1.53 in.                                     11 of ACI 318-95. With some paraphrasing, the
then a = 0.80(1.53) = 1.22 in                           requirements are:
                                                        Vu ≤ φVn
for strands
                                                        φ = 0.85 for shear
εs    =     7 (0.003) − 0.003
          1.53                                          Vn = Vc + Vs

                                                                                                       2-
                                                                                                        -9
For the purpose of this discussion, Vs, the con-         Using the generic hollow core cross-section
tribution of shear reinforcement, will be taken as       defined in Section 1.7, check the slab for shear
zero. The nominal concrete shear strength may be         given the following information:
found using equation (11-9),                               Prestressing steel: 4-1/2″ dia., 270 ksi, low

       
Vc = 0.6 f′ c + 700
                          V ud
                          Mu w
                               
                               b d             (11-9)
                                                                               relaxation strands.
                                                           Initial stress = 70% fpu              loss = 15%
when the effective prestress force is not less than                    f′c = 5000 psi
40 percent of the tensile strength of the flexural re-                            ℓ = 25′-6″
inforcement. The term Vud/Mu shall not exceed               Clear span = 25′-0″
1.0. The minimum value for Vc may be used as
                                                         Superimposed Dead Load = 20 psf
2 f′ c bwd and the maximum value is the lesser of                     Live Load = 50 psf
5 f′ c bwd or the value obtained from Equation                 Masonry dead load = 800 plf at 3′
(11-12) considering reduced effective prestress in                                 from one support
the transfer zone.                                       Solution:
   Alternatively more refined shear calculations
                                                         Uniform load: wu = 1.4(0.0535 + 0.020)
can be made according to the lesser of Equations
                                                                               + 1.7(0.05)
(11-10) or (11-12).
                                                                        = 0.188 ksf = 0.564 klf
                                V M cr
Vci = 0.6 f′ c b wd + V d + i                (11-10)    Line Load: Pu = 1.4(0.800) = 1.12k/ft
                                 M max
                                                                        = (3′)(1.12) = 3.36k
Vcw = (3.5 f′ c + 0.3fpc) bwd            (11-12)
                                                         Load, shear and moment diagrams for 3′ slab
   Equation (11-10) predicts shear strength for an       width:
inclined shear failure mode. For Equation
(11-10), the following relationships are used:                         1.12 x 3’= 3.36   k


Mcr    =   y(6 f′c + fpe -- fd)
            I                                (11-11)            3’                    0.188 x 3’= 0.564   k
                                                                                                              ft

                                                                                                25’
Vd     = Unfactored self weight shear for                          k
         non-composite sections                               10              k
                                                                         8.31
Vi     = Vu - Vd
            -                                                              4.95
                                                                                  k
                                                         Vu
Mmax = Mu - Md
          -
Md     = Unfactored self weight moment for
          non-composite sections                                                                                          k
                                                                                                                   7.45
   The minimum value for Vci need not be less
than 1.7 f′ c bwd or 2 f′ c bwd when the effective
                                                         Mu

prestress force is not less than 40% of the tensile           27.48 ft-k
strength of the flexural reinforcement. For equa-
                                                                                             49.25 ft-k
tions (11-10), (11-11) and (11-12), the reduction
in prestressing force at the member end due to              Using the more refined approach according to
transfer must be considered. The ACI Code al-            ACI Equations (11-10) or (11-12), φVc is:
lows an assumption that prestressing force in-           φVcw = 0.85 3.5 5000 + 0.3f pc
creases linearly from zero at the member end to                     1000
full effective prestress in a length equal to 50                    x (10.5)(7)                        (11-12)
strand diameters.                                                = 15.46 + 0.0187fpc
                                                         fpc is calculated as a function of the transfer of pre-
Example 2.3.1.1 Shear Design                             stress into the section along the span.

2-
 -10
transfer length = 50 db = 50(1/2) = 25″                            = 11.130 + 26.233fpe - 2.01x + 0.8x2
                                                                                          -
  with bearing length = 3″                                        Mmax = Moment due to factored
  full prestress transfer is achieved 22″ from                           loads minus Md
  the face of support
Apsfse = 4(41,300)(0.70)(1 - 0.150)                               Based on these definitions, φVcw, φVci, and Vu are
              
         x x + 3 to x = 22″
                25
                                                                 calculated at intervals across the span. A summa-
                                                                  ry is presented in Table 2.3.1.1. Figure 2.3.1.1
                                                                  presents the results graphically.
   fpc =
          A psf se 98294 x + 3
            A
                  =
                     154       25
                                                                Table 2.3.1.1 Allowable Shear
                                                                                                   φVcw         φVci
             15.46 + 0.0187 98294 x + 3
                                                                         x                 Vu
φVcw =                                                              h/2 = 0.333′          9.82k   18.81k       59.40k
                              154    25
                                                                    0.5′                  9.72    19.76        45.74
         =   15.46 + 11.96 x + 3 to x = 22″                       1.0′                  9.44    22.64        31.92
                              25
                                                                    1.5′                  9.16    25.51        27.15
φVci =          0.6
                       5000
                        1000
                                              VM
                             10.57 + V d + i cr
                                              M max
                                                                   2.0′
                                                                    2.5′
                                                                                          8.88
                                                                                          8.59
                                                                                                  27.42
                                                                                                  27.42
                                                                                                               23.34
                                                                                                               18.93
             x 0.85                                     (11-10)     3.0′                  8.31    27.42        15.98
                                                                    3.0′                  4.95    27.42        10.02
Vd = Shear due to unfactored self weight
                                                                    3.5′                  4.67    27.42         9.11
     (for non-composite section)
                                                                    4.0′                  4.39    27.42         8.34
                        
     = 3(0.0535) 25 − x = 2.01 - 0.16x
                  2
                                  -     
                                                                    Alternatively, the simplified equation (11-9)
Vi   = Shear due to factored loads minus Vd                       might be used.
       I
        b
          
Mcr = y 6 f′ c + f pe − f d                                                    
                                                                  φVc = 0.85 0.6 5000 + 700         M 7
                                                                                                      V    u
                                                                                                           u

             A
                ey
fpe = Apsfse 1 + b
                 I
                                                                          x
                                                                                10.57
                                                                                 1000
fpe = 98.294 x                                                                             Vu
         154 +
           1           3.89 − 13.89
                                1224.5
                                             x + 3
                                                 25
                                                                        = 2.65 + 306.1
                                                                                           Mu u
                                                                                               (M in in-k).
                                                                  The results of this equation are also shown on Fig-
                                                                  ure 2.3.1.1.
                  
     = 1.541 x + 3 ≤ 1.541 ksi
                25
                                                                    At all points, Vu < φVc so shear strength is ade-
                                                                  quate and stirrups are not required.
fd   = flexural stress due to load used for Vd
      Md                                                          2.4 Camber and Deflection
     =                                                               Camber is the upward deflection of a pre-
       S
                                                                  stressed member and results from the prestressing
      30.0535x                                                force being eccentric from the center of gravity of
                   25 − x
    =       2                                                     the cross-section. Since both prestressing force
              314.8                                               and eccentricity are established by the required
                                                                  design load and span length, camber is a result of
    = 2.01x − 0.08x
                     2
           314.8                                                  the design rather than a design parameter. There-
                                                                  fore, camber requirements should not be speci-
Mcr = 314.8 x
        12                                                        fied.

         
       0.424 + f pe −
                       2.01x − 0.08x 2
                            314.8
                                         12                         Deflections are also affected by the amount of
                                                                  prestressing only because prestressing establishes
                                                                  the load at which a member will crack. If tensile

                                                                                                                   2-
                                                                                                                    -11
Fig. 2.3.1.1 Shear for Example 2.3.1.1




                      25



                                                                   5 f’ bw d
                                                                      c




                      20

                                                                               Eq. (11-10)


                               Eq. (11-12)

                      15                                                           Eq. (11-9)




                      10                                                                     2 f’ bw d
                                                                                                c
        Shear, kips




                                                                                  Vu
                      5




                      0
                           0            1           2                   3                4

                                                    Distance into Span, ft



stresses are kept below cracking, deflections will              tions are not predictable with any degree of accu-
be independent of the prestress level.                          racy and any calculation of long term movements
   Cambers and deflections will change with time                must be considered to be only estimates.
due to concrete creep, prestress loss and other fac-               This section presents calculation procedures
tors. The sustained compression due to the pre-                 for determining long term deflections. From the
stressing will cause camber growth. Balancing                   producer’s standpoint, history and experience
this is the effect of creep on deflections due to self          must be used to modify the procedures to fit the lo-
weight and other sustained loads. It is this time               cal product. From the specifier’s standpoint, these
dependent movement which, in addition to instan-                procedures will allow only approximate estimates
taneous deflections, must be considered in the de-              of long term effects and should be complemented
velopment of framing schemes and detailing.                     with discussions with local producers.
   Instantaneous cambers and deflections are pre-
dictable as long as the material properties are
known. The time dependent cambers and deflec-                   2.4.1 Camber

2-
 -12
Table 2.4.1 Long term multipliers6
                                                                             Without          With
                         Condition                                          Composite       Composite
                                                                             Topping         Topping
        At Erection:
   1.   Deflection (downward) component - apply to the elastic
        deflection due to the member weight at release of prestress           1.85               1.85
   2.   Camber (upward) component - apply to the elastic camber
        due to the prestress at the time of release of prestress              1.80               1.80
        Final:
   3.   Deflection (downward) component - apply to the elastic
        deflection due to the member weight at release of prestress           2.70               2.40
   4.   Camber (upward) component - apply to the elastic camber
        due to prestress at the time of release of prestress                  2.45               2.20
   5.   Deflection (downward) - apply to elastic deflection due to
        superimposed dead load only                                           3.00               3.00
   6.   Deflection (downward) - apply to elastic deflection caused
        by the composite topping                                              - --
                                                                              -- -               2.30

   Hollow core slabs are produced with straight           Solution:
strand patterns rather than using draped or de-              Estimate initial losses at 5% and use Eci = 3250
pressed strands. Using (+) to indicate upward             ksi
movement and (- to indicate downward move-
                 -)                                       Po       = 0.95(0.7)(4)(41.3) = 109.9k
ment, net camber can be calculated as:
                                                                                                    2
                                                                        109.93.89 − 1[30.5(12)]
camber = Peℓ − 5wℓ
             2     4
                                                          camber =
          8EI  384EI                                                         832501224.5
                                                                                             4
   To determine initial camber, the appropriate                             530.0535(30.5) 1728
values for prestress force and modulus of elastic-                      -
                                                                        -
                                                                               38432501224.5
ity of the concrete must be used. When ultimate
moment rather than tensile stresses govern a de-                      = 1.34 - 0.79
                                                                             -
sign, the initial strand stress may be reduced to                   = 0.55″ Say 1/2″ to 3/4″ initial camber
modify the anticipated camber. Additionally, slab            Estimating long term effects is complicated be-
camber is sensitive to support point locations dur-       cause, as time passes, the prestressing force de-
ing storage. Camber will increase as these support        creases due to losses and the modulus of elasticity
points move in from the slab ends.                        of the concrete increases with concrete strength
Example 2.4.1 Initial Camber                              gain. Traditionally, a creep factor of 2.0 has been
   Using the generic hollow core slab defined in          applied to instantaneous deflections to estimate
section 1.7, calculate the initial camber given the       the additional deflection due to creep. This has
following:                                                been modified by Martin6 for prestressed con-
   Prestressing steel: 4-1/2″ dia., 270 ksi, low re-      crete. Table 2.4.1 presents suggested multipliers
laxation strands                                          to determine both long term final deflections and
                                                          position at erection. It should be noted that in us-
Apsfpu = 0.153(270) = 41.3k/strand                        ing these multipliers, a total deflection is calcu-
Initial stress: 70% fpu                                   lated rather than the additional increment due to
                dp = 7″                                   long term effects.
                 ℓ = 30′-6″                               Example 2.4.2 Long Term Camber

                                                                                                        2-
                                                                                                         -13
For the slab of Example 2.4.1, determine the
net camber at erection and the final camber.
Table 2.4.2 Maximum Permissible Computed Deflections1
                Type of member                                       Deflection to be considered                                Deflection limitation
 Flat roofs not supporting or attached to non-            Immediate deflection due to live load L
 structural elements likely to be damaged by                                                                                              ℓ*
 large deflections                                                                                                                       180
 Floors not supporting or attached to non-                Immediate deflection due to live load L
 structural elements likely to be damaged by                                                                                              ℓ
 large deflections                                                                                                                       360
 Roof or floor construction supporting or                That part of the total deflection occurring after
 attached to nonstructural elements likely to            attachment of nonstructural elements (sum of                                     ℓ ***
 be damaged by large deflections                         the long-term deflection due to all sustained                                   480
                                                         loads and the immediate deflection due to any
 Roof or floor construction supporting or at-            additional live load)**
 tached to nonstructural elements not likely to                                                                                           ℓ ****
 be damaged by large deflections                                                                                                         240
 * Limit not intended to safeguard against ponding. Ponding should be checked by suitable calculations of deflection, including added deflections due to ponded
 water, and considering long-term effects of all sustained loads, camber, construction tolerances, and reliability of provisions for drainage.
 ** Long-term deflection shall be determined in accordance with 9.5.2.5 or 9.5.4.2, but may be reduced by amount of deflection calculated to occur before attach-
 ment of nonstructural elements. This amount shall be determined on basis of accepted engineering data relating to time-deflection characteristics of members
 similar to those being considered.
 *** Limit may be exceeded if adequate measures are taken to prevent damage to supported or attached elements.
 **** But not greater than tolerance provided for nonstructural elements. Limit may be exceeded if camber is provided so that total deflection minus camber does
 not exceed limit.


Solution:                                                                              the effective moment of inertia of the section.
At erection,                                                                           Calculations using bilinear moment-deflection
initial camber            = 1.34 - 0.79
                                 -                                                     relationships are required when tension exceeds
                                                                                       6 f′ c and are covered extensively in references 1
                          = 0.55″ from Example 2.4.1                                   and 2. By definition, cracking occurs at a tensile
Erection camber = 1.34(1.80) - 0.79(1.85)
                             -                                                         stress of 7.5 f′ c. While the ACI Code requires
                          = 0.95″                                                      such bilinear calculations when 6 f′ c tension is
                          Say 1″ erection camber                                       exceeded, in effect bilinear behavior is meaning-
                                                                                       less up to a tension of 7.5 f′ c. Since hollow core
Final camber = 1.34(2.45) - 0.79(2.70)
                          -
                                                                                       slabs are normally designed to be uncracked un-
             = 1.15″                                                                   der service loads, the effects of cracking will not
Say approximately 1 1/4″ final camber                                                  be considered here.
                                                                                          Table 2.4.1 includes multipliers for determin-
                                                                                       ing the long term effects for superimposed loads.
2.4.2 Deflections
                                                                                       Again, use of the multipliers gives an estimate of
   As with camber, concrete creep will also affect
                                                                                       total deflection rather than an increment for the
deflections due to sustained superimposed loads.
                                                                                       additional long term deflection.
These long term effects must be considered for
comparison with Table 9.5(b) of the ACI Code to
determine acceptability. This table is reproduced                                      Example 2.4.3
here as Table 2.4.2. Engineering judgement                                                For the slab of Examples 2.4.1 and 2.4.2, deter-
should be used in comparing calculated deflec-                                         mine the total deflection due to a superimposed
tions to the ACI Code limits. Many building code                                       load of 20 psf dead and 50 psf live on a clear span
specified live loads exceed the actual loads in a                                      of 30′-0″ including long term effects. Use Ec =
structure. While it may be implied that the full                                       4300 ksi.
live load be used for comparison to Table 9.5(b),                                      Solution:
situations may arise where it is more reasonable to                                    From Example 2.4.2
use actual anticipated live loads for deflection
comparisons. A further complication for super-                                         Final camber = 1.15″
imposed loads is that flexural cracking will reduce                                    superimposed dead load instantaneous deflection:

2-
 -14
4                                                      4
       50.023(30) 1728                                   50.023(30) 1728
   =                         = 0.208″                     =
        38443001224.5                                      38443002307
                                                           = 0.11″
Final deflection = 0.208 (3.0) = 0.62″                 (Note: 2307 in.4 = composite moment of inertia
Instantaneous live load deflection:                    using a 3000 psi topping on a 5000 psi slab.)
                   4                                   Long term dead load deflection
     50.053(30) 1728
   =                       = 0.52″                         = 0.11(3.0) = 0.33″
      38443001224.5
                                                       Instantaneous live load deflection:
Final position
                                                           = 50 (0.11) = 0.28″
        final camber = + 1.15″                                 20
 sustained dead load = - 0.62
                       -                               Final Position = +1.05 - 0.60 - 0.33 - 0.26 =
                                                                                  -     -       -
          net camber   + 0.53″                         -
                                                       -0.14″ including instantaneous live load.
 live load increment = - 0.52
                       -                               Calculate increment due to differential shrinkage
                       + 0.01″                         assuming shrinkage strain of 500 × 10--6 in/in in
                                                       both the topping and slab:
   For comparison to the provisions of Chapter 9
                                                          If total shrinkage          = 500 × 10-6
of the ACI Code, when non-structural elements
                                                          and erection shrinkage      = 250 × 10-6
are attached to the slabs, the portion of deflection
                                                          differential shrinkage      = 250 × 10-6
after erection may be used for comparison.
                                                          The differential shrinkage can be thought of as
Change in camber = 1.15″ - 0.95″ = + 0.20″
                              -                        a prestress force from the topping where
Sustained dead load =                   - 0.62″
                                        -
Instantaneous live loads =              - 0.52″
                                         -                  P = Atopping (strain)(modulus)
                                        - 0.94″
                                        -                       = 36″(2″)(0.00025)(3320)
   When a composite topping is used, it will be                 = 59.8k
cast after a portion of the slab shrinkage has oc-
                                                          The effect is lessened by concrete creep and,
curred. There will then be differential shrinkage      using a factor of 2.30 from Table 2.4.1, reduces to:
between the topping and slab. This differential
can cause additional deflection and bottom tensile         P = 59.8/2.30 = 26k
stress. These effects will generally be negligible.       The eccentricity of this force is:
                                                          e = 9″ - 3.89″
                                                                    -
Example 2.4.4 Composite Slab
                                                              = 5.11″
   Given the slab of Example 2.4.3, add a 2″ com-
posite topping and recalculate deflections includ-        M = Pe = 26 x 5.11 = 133 in-k
ing the affects of differential shrinkage.
                                                          downward deflection = Mℓ
                                                                                   2
Solution:                                                                       8EI
Final camber = 1.34 x 2.20 - 0.79 x 2.40
                           -                                                                       2
                                                                                       133(30x12)
                                                                                  =
                 = 1.05″                                                              843002307
Instantaneous topping weight deflection:                                          = 0.22″ ≅ 1/4″
                      )4
       50.0253(30 1728                              Considering the span used in this example and
   =                                                   the accuracy of the other camber and deflection
        38443001224.5
                                                       calculations, it can be easily seen that differential
   = 0.26″                                             shrinkage will generally not be significant.
Long term deflection due to topping weight
                                                       2.5 Composite Design
   = 0.26″ (2.30) = 0.60″                                 A composite, structural concrete topping is
Superimposed dead load deflection:                     commonly used in floor construction with hollow

                                                                                                        2-
                                                                                                         -15
core slabs. The composite action is desirable to              Since the composite topping and hollow core
add stiffness and strength for gravity loads and          slabs interact to create the final structural element,
may also be required for load transfer within a dia-      it is imperative that the topping bond well with the
phragm. When a composite topping is used, con-            slabs. While the building designer may only be in-
sideration must be given to its strength, detailing       terested in the final product, the process of achiev-
and quality assurance.                                    ing a well bonded, composite topping is very im-
    The required compressive strength of the top-         portant. The hollow core producer is dependent
ping may be determined from the hollow core slab          on a properly bonded topping, yet is not involved
design requirements. Load tables provided by lo-          in specifying, designing or installing the topping.
cal producers will normally indicate that either a        The hollow core producer is responsible for sup-
3000 psi (20.7 MPa) or 4000 psi (27.6 MPa) con-           plying a slab that is capable of bonding with a top-
crete is required. Diaphragm requirements may             ping. The installer of the topping is responsible
necessitate a higher strength topping concrete.           for surface preparation, topping concrete mix de-
    From a detailing standpoint, the primary con-         sign and curing to assure proper bond.
sideration is that hollow core slabs will have cam-           At a minimum, the slab surface must be clean
ber. If the topping is finished as a level surface, the   and damp at the time of topping installation. It is
camber will reduce the topping thickness in the           recommended that the surface be thoroughly satu-
midspan region which will affect the load capacity        rated prior to topping placement, but all standing
of the slabs. With significant topping thickness          water must be removed. ACI 301-967 specifies
reduction, the integrity of the topping concrete          that a sand and cement grout be scrubbed into the
may also be compromised. A preliminary slab de-           slab surface ahead of topping placement. If this
sign can provide an estimate of camber and the            procedure is used, it is imperative that initial set
minimum topping thickness necessary to support            not be allowed prior to topping placement. If ini-
the design loads. The first option is to provide the      tial set occurs, the grout can become a bond break-
minimum thickness topping at midspan and allow            er. Similarly, bonding agents, which are rarely
the thickness to increase at the slab ends to main-       specified, will also act as a bond breaker if any ini-
tain a flat floor. Finish and bearing elevations can      tial set occurs prior to topping placement.
then be set to this criteria.                                 The topping concrete mix and curing tech-
    A second option to minimize topping concrete          niques will also affect bond of a composite top-
volume is to allow the minimum topping thick-             ping. Curling at topping edges or joints will cause
ness to follow the curvature of the slabs. This will      local delamination. Curling is a result of differen-
result in a finished floor with camber which may          tial shrinkage between the top and bottom sur-
be acceptable in some occupancies. In this option,        faces of the topping. Generally, water is lost more
it is important that all trades be made aware of the      quickly from the top surface causing additional
final camber as it may affect their work. Parti-          drying shrinkage. This can be minimized by prop-
tions, doorways and stairs will be particularly af-       er curing techniques and low shrinkage concrete.
fected in this option.                                        Design of hollow core slabs for composite ac-
    When control joints are used in a structural top-     tion is usually limited to a horizontal shear
ping, they should be located over the joints in the       strength of 80 psi (0.5 MPa) according to section
precast units below where cracks would most nat-          17.5.2.1 of ACI 318-95. Through limited pub-
urally occur in the topping. At the ends of slabs,        lished8 and unpublished testing, the machine fin-
where movement will occur due to camber                   ished surface has been found to meet the require-
changes, deflections, creep, shrinkage or elastic         ments of that section. The horizontal shear check
shortening, control joints are desirable.                 should be based on the shear diagram rather than
    Reinforcing of a topping may be required for          using an average horizontal shear over the dis-
structural design. If not, consideration should be        tance from zero moment to maximum moment
given to using minimum shrinkage reinforcement            when checking compliance with the 80 psi limit.
for crack control.                                            Composite ties are not normally provided giv-
                                                          en the difficulty and expense of installing the ties


2-
 -16
in a machine casting operation. When the horizon-      I = 1224.5 + 154(5.24 - 3.89)2
                                                                             -
tal shear exceeds 80 psi (0.5 MPa) and composite               3
ties are not used, the topping is considered to be          + 2 (27.7) + 2(27.7)(9 - 5.24)2
                                                                                   -
                                                              12
superimposed dead load on a non-composite slab.           = 2307 in4
In a wet cast system, horizontal shear ties with 1/4
in amplitude roughening may be used to take ad-        Calculate prestress losses:
vantage of the higher stresses allowed by ACI.         From Example 2.2.3.1
   Design of a composite section is similar to that    ES = 7.52 ksi
presented in Sections 2.2 and 2.3. The following
example demonstrates the additional consider-          Concrete creep
ations with a composite section.                                2
                                                       Msd = 30 (0.025 + 0.020)(3)
                                                              8
Example 2.5.1 Composite Design                             = 15.19 ft-k
Using the generic hollow core cross-section de-
fined in Section 1.7, add a 2 in structural topping             15.19(12)(2.89)
                                                       fcds =
and check for the following conditions:                              1224.5
Prestressing steel: 4-1/2″ dia., 270 ksi low relax-        =    0.430 ksi
ation strands                                          CR =     (2.0) 28500 (0.857 - 0.430)
                                                                                   -
                                                                       4300
Initial stress: 70% fpu
                                                          =     5.66 ksi
dp: 7 in
                                                       SH =     6.27 ksi
Slab:      f′c = 5000 psi
           Eci = 3250 ksi
                                                                
                                                       RE = 5000 − 0.04(6.27 + 5.66 + 7.52) 0.75
                                                             1000
                                                                                                 
           Ec = 4300 ksi                                  = 3.17 ksi
Topping: f′c = 3000 psi                                Loss = 7.52 + 5.66 + 6.27 + 3.17
           Ec = 3320 ksi                                        = 22.62 ksi = 12%
Slab length: 30′-6″                                    Calculate service load stresses:
Slab span: 30′-0″                                      Apsfse = 0.7(4)(41.3)(1 - 0.12)
                                                                               -
Loads: topping = 25 psf                                         = 101.8k
       dead load = 20 psf                                              2
                                                       Mnon--comp = 30 (0.0535 + 0.025)
       live load = 50 psf                                            8
Calculate section properties:                                     = 8.83 ft-k/ft = 106 in-k/ft
                                                                     2
Base section A = 154 in2                                  Mcomp = 30 (0.020 + 0.050)
             I = 1224.5 in4                                        8
             yb = 3.89 in                                       = 7.88 ft-k/ft = 94.5 in-k/ft
Topping                                                At top of topping
   n = 3320/4300 = 0.77                                      94.5(3)(10 − 5.24)
                                                       ftop =                   (0.77)
                                                                    2307
   use width = 0.77(36)
                                                           = 0.450 ksi
             = 27.7 in
                                                       At top of slab
Composite
                                                                        101.8(2.89)(4.11)
   A = 154 + 2(27.7) = 209.4 in2                       ftop = 101.8 −
                                                               154           1224.5
          154(3.89) + 2(27.7)(9)                                 106(3)(4.11) 94.5(3)(8 − 5.24)
   yb =                                                       +                +
                   209.4                                            1224.5              2307
        = 5.24 in.                                          = 1.080 ksi

                                                                                                     2-
                                                                                                      -17
At bottom of slab
                   101.8(2.89)(3.89)
                                              Vu        =   30 − 2(12)(0.223)(3)
                                                              2
                                                                   10
fbottom = 101.8 +
            154          1224.5                         = 9.8 k < 22 k ok
              106(3)(3.89) 94.5(3)(5.24)      Section is composite
          −               −
                1224.5           2307
                                              Check web shear at h/2:
        = -
          -0.058 ksi
                                              transfer length = 50(0.5) = 25 in
Calculate flexural strength
                                              at h/2 plus 3 in bearing
wu       = 1.4(0.0535 + 0.025 + 0.020)
           + 1.7(0.050)                       Apsfse = 101.8       25 = 32.6 k
                                                                     8
         = 0.223 ksf
                                              for composite section, fpc is calculated at centroid
              2
Mu       = 30 (0.223)(3)                      of composite section
            8
                                                                  32.6(2.89)(5.24 − 3.89)
         = 75.26 ft-k                         fpc       = 32.6 −
                                                          154             1224.5
Using ACI Eq. (18-3)
                                                        = 0.108 ksi
             4(0.153)
ρp       =
              36(9)
                      = 0.0019
                                              φVcw = 0.85       3.5 5000
                                                                   1000
                                                                                          
                                                                           + 0.3(0.108) (10.5)(9)
fps               0.85
                         
         = 270 1 − 0.28 0.0019 270
                                3
                                     
                                                    = 22.5k > 9.8 k ok
         = 254.8 ksi                          Check inclined shear at 4 ft
a        =
           4(0.153)(254.8)
             0.85(3)(36)
                                                    2
                                                               
                                              Vu = 30 − 4 (0.223)(3)
         = 1.7 in                                = 7.36k

φMn                              
         = 0.9(4)(0.153)(254.8) 9 − 1.7
                                     2
                                                             
                                              Vd = 30 − 4 (0.0535 + 0.025 + 0.020)(3)
                                                    2
         = 1144 in-k = 95.3 ft-k                 = 3.25k
Check 1.2 Mcr                                 Vi = 7.36 - 3.25 = 4.11k
                                                        -

fbottom = 101.8 +
           154
                    101.8(2.89)(3.89)
                         1224.5
                                                                          
                                              Mu = 0.223(3)(4) 30 − 4 = 34.8 ft-k
                                                                2   2
        = 1.596 ksi
                                                                                      
                                              Md = (0.0535 + 0.025 + 0.020)(3)(4) 30 − 4          
Mcr                 
         = 2307 1.596 +
           5.24
                        7.5 5000
                          1000
                                                = 12.25 + 3.12 = 15.37 ft-k
                                                                                   2   2

                                              Mmax = 34.8 - 15.37 = 19.43 ft-k
                                                          -
         = 936 in-k                                             101.8(2.89)(3.89)
                                              fpe   = 101.8 +
ÔM n                                                   154           1224.5
      = 1144 = 1.22 > 1.2 ok
M cr      936                                       = 1.596 ksi
Check horizontal shear:                               12.25(12)(3.89) 3.12(12)(5.24)
                                              fd    =                +
φVnh = φ80bvd                                             1224.5           2307
         = 0.85(80)(36)(9)                          = 0.552 ksi
         = 22030 lb
         = 22 k
                                              Mcr = 2307
                                                    5.24
                                                              
                                                         6 5000
                                                           1000
                                                                 + 1.596 − 0.552              
at h/2                                              = 646 in-k = 53.9 ft-k

2-
 -18
φVci = 0.85   
              0.6 5000
                1000
                        (10.5)(9)   
                  
       + 0.85 3.25 +
                       4.11(53.9)
                         19.43
                                    
     = 15.86k > 7.36k ok




                                        2-
                                         -19
Fig. 2.6.1.1                                            Fig. 2.6.1.2



                fps
 Steel Stress




                fse



                      t          f                                 fps
                             d                              fps req’d.
                          Length into span                  greater than
                                                            fps available
                            Strand Development
                                                                                         d



                                                            Section 12.9.2 of the ACI Code limits inves-
2.6 Strand Development                                   tigation of development length to the section near-
                                                         est the end of the member where full design
                                                         strength is required. In conventionally reinforced
2.6.1 ACI Requirements                                   concrete, the rate of moment increase must be
   Section 12.9 of the ACI Code covers develop-          considered in selecting reinforcing bar sizes. This
ment length for prestressing strands. While the          consideration is also valid in prestressed concrete
topic has received considerable discussion9-16,          members. As shown in Figure 2.6.1.2, with a
the ACI Code expression currently remains:               steep rate of moment increase, critical sections
ℓd               = (fps - 2/3fse)db
                        -                                may occur in the strand development length at less
                                                         than maximum moment.
    A further requirement is that the development           Demand on strand strength above fse does not
length shall be doubled when bonding of a strand         occur until after flexural cracking occurs. If flex-
does not extend to the end of the member and the         ural cracking occurs in the transfer length, the
precompressed tensile zone is allowed to be in           strand cannot accept additional stress so bond fail-
tension at service loads.                                ure occurs. Therefore, the limit on member flexu-
    The ACI Code expression for development              ral strength in the strand transfer length is the
length describes two bond mechanisms. The first          cracking moment.
is the transfer length which is the bond length re-         In the flexural bond length, strand stress can in-
quired to transfer the effective prestress after         crease above fse, but not to full fps. Therefore,
losses, fse, to the concrete. This portion of the de-    there is additional flexural strength above the
velopment length is:                                     cracking moment, but less than full nominal
                                                         strength. If flexural cracking occurs at factored
ℓ t = f se d b                                           load in the flexural bond length, the maximum
            3
    With fse equal to 150 ksi (1034 MPa), the trans-     value for fps can be calculated as:
fer length becomes 50db, the length used for shear                       x − ℓt
calculations.                                            f′ps = fse +             (fps - fse)
                                                                                       -
    The second mechanism is for bond length after                           ℓf
the steel stress increases above fse. To develop the     where x = the distance from the end of the
full design strength of the strand, fps, a bond length             member to the section of interest
in addition to the transfer length is required. The
flexural bond length is expressed as:
                                                         The nominal moment capacity is then calculated
ℓ f = (fps -- fse)db                                     on the basis of this maximum strand stress.
   Figure 2.6.1.1 depicts the increase in steel             Martin and Korkosz17 suggest that with partial-
stress along the development length of the strand.       ly developed strand, the full concrete compressive

2-
 -20
failure strain will not be achieved. A strain com-            Hollow core slab systems are often required to
patibility analysis can be performed to determine          carry concentrated or wall loads which may affect
the concrete strain that would be consistent with          the rate of moment increase near the member end.
f′ps and nominal strength can then be calculated           While not required by ACI, it is suggested that the
using that strain.                                         transfer length and flexural bond length regions
   When debonded strands are mixed with fully              be investigated for reduced capacity when the mo-
bonded strands, a similar strain compatibility             ment gradient is high.
analysis may be required in the flexural bond                 The development length equations in the ACI
length for the debonded strands. In this case,             Code are based on testing conducted with mem-
nominal strength can be calculated in two ways:            bers cast with concrete having normal water-ce-
1. Analyze section with all strands at the f′ps for        ment ratios. As noted in the Commentary to the
    the debonded strands.                                  ACI Code, no slump concrete requires extra pre-
                                                           cautions. Hollow core slabs produced with the ex-
2. Analyze section with only fully bonded strands          trusion process fall into this category. As original-
   at their fps and ignore the debonded strands.           ly presented by Anderson and Anderson10 and
The greater of the two results would predict the           reinforced by Brooks, Gerstle and Logan18, a
nominal strength of the section.                           measure of satisfactory bond is the free end slip of
   For hollow core slabs, the strain compatibility         a member after it is cut to length. A limit on free
analysis for partially developed strand will yield         end slip expressed as:
variable results as compared to a traditional ap-                  f sef si
proach where f′ps is used with a full concrete strain      δall =           d
                                                                    6E s b
of 0.003 in/in. If f′ps is close to fse, the strain com-
                                                           has been suggested as a maximum free end strand
patibility analysis will predict moment capacity of
                                                           slip for using the ACI Code development lengths.
about 85% of the traditional analysis. When f′ps is
                                                           This expression approximates the strand shorten-
10% greater than fse, the difference reduces to 5%
                                                           ing that would have to occur over the transfer
or less. The additional complexity of the strain
                                                           length. For a 1/2″ (12.7 mm) dia. strand stressed
compatibility analysis would only seem war-
                                                           initially to 189 ksi (1300 MPa), the free end slip
ranted when flexural cracking is expected near the
                                                           should not exceed about 3/32″ (2.4 mm) if the ACI
transfer point or when debonded strands are used.
                                                           Code transfer and development lengths are to be
   There are several aspects of a bond length dis-
                                                           used.
cussion that are significant to hollow core slab de-
                                                              When free end slip exceeds δall, the transfer
sign. In many framing schemes, there will be a re-
                                                           length and the flexural bond length will increase.
quirement to use very short slabs to fill in an area.
                                                           Shear strength in the transfer length and moment
With fully developed strands, these slabs will nor-
                                                           capacity in the flexural bond length will be de-
mally have very large load capacities. However,
                                                           creased and the length into the span where full
capacity may be reduced because the strands
                                                           moment capacity is provided will be increased.
might only be partially developed. For example,
                                                              If the free end strand slip is known from quality
for a slab prestressed with 1/2″ (12.7 mm) φ, 270
                                                           control measurements, the member capacity can
ksi (1860 MPa) strands with fse = 150 ksi (1034
                                                           be evaluated with consideration of extended
MPa) and fps = 260 ksi (1790 MPa):
                                                           transfer and flexural bond lengths. As a function
ℓ d = f ps − 2 f sed b                                   of measured end slip, the transfer length and flex-
               3                                           ural bond length can be calculated for each strand
       
     = 260 − 2 150 0.5
                 3
                                                          as follows:
                                                           ℓ t = 2δsEs/fsi
     = 80″ = 6′-8″ (2030 mm)
    This slab would have to be two development             ℓ f = 6δsEs(fps -- fse)/(fsifse)
lengths, or 13′-4″ (4.1 m) long in order to develop           Shear strength can be evaluated by substituting
its full design strength. A shorter slab would have        the extended transfer length for 50 db in evaluat-
reduced capacity.                                          ing the rate of increase of prestress. Flexural

                                                                                                          2-
                                                                                                           -21
Fig. 2.6.1.3 Effect of End Slip



                  80.00
  Moment (ft-k)




                  60.00
                                                                                Moment Capacity
                                                                                with 5/32" End Slip
                  40.00
                                                                                                                  Moment Capacity
                  20.00                                       Uniform Load
                                                                                                                  with Normal End Slip
                                                              Moment Diagram
                   0.00
                            0.0                         5.0              10.0                  15.0               20.0              25.0          30.0

                                                                            Distance Along Member Length (ft)
                                                                                            (a)




                                          80.00
                          Moment (ft-k)




                                          60.00
                                                                                           Moment Capacity
                                                                                           with 5/32" End Slip
                                          40.00
                                                                                                         Moment Capacity
                                          20.00                      Uniform Load
                                                                                                         with Normal End Slip
                                                                     Moment Diagram
                                           0.00
                                                  0.0          5.0                  10.0                 15.0              20.0            25.0

                                                                            Distance Along Member Length (ft)
                                                                                           (b)




strength calculations are affected only by the ex-                                                   The following example demonstrates the use of
tension of the strand development length and po-                                                  the Martin and Korkosz strain compatibility anal-
tential reduction of f′ps. The strain compatibility                                               ysis for partially developed strand and the use of
analysis suggested by Martin and Korkosz for                                                      free end slip for evaluating strength. The proce-
sections with partially developed strand becomes                                                  dure illustrated is also valid with normal end slip
more complex as there can be variation in devel-                                                  by using the appropriate transfer and bond
opment lengths within a given member.                                                             lengths.
   Figure 2.6.1.3 illustrates the change in moment
                                                                                                  Example 2.6.1.1 Initial Strand Slip
capacity for the generic slab of Section 1.7 from
                                                                                                     Given the generic hollow core slab defined in
normal slip to 5/32 in (4 mm) slip on all strands. In
                                                                                                  Section 1.7, calculate the design flexural strength
(a), the span length is 30 ft (9.1 m) and there would
                                                                                                  given the following:
be no change in slab capacity for uniform load. In
(b), the span is reduced to 25 ft (7.6 m) and it is                                               Prestressing steel: 4-1/2″ dia., 270 ksi low
clear that the extended development length would                                                                      relaxation strands.
result in reduced capacity even with uniform load.                                                Es = 28500 ksi
End slip in excess of normal slip has a more signif-                                              dp = 7″
icant effect in shorter slabs.                                                                    f′c = 5000 psi


2-
 -22
fsi = 185 ksi                                          T = C
fse = 163.4 ksi                                        Find
fps = 267 ksi                                          c = 2.18″
δs = 3/16 in. all strands
                                                       εc = 0.000929 in/in
Solution:
                                                       Concrete stress at top
ℓ t = 2(3/16)(28500)/185
                                                            = 4300(0.000929)
    = 57.8″
                                                            = 3.995 ksi
ℓ f = 6(3/16)(28500)(267 -- 163.4)/185/163.4
    = 109.9″                                           Concrete stress at top of core
                                                                2.18 − 1.25
ℓ d = 57.8 + 109.9                                          =              (3.995) = 1.704 ksi
                                                                   2.18
    = 167.7″
                                                              3.984 + 1.704
    The minimum slab length required to achieve        C1   =                 (1.25)(36)
full flexural capacity is 2(167.7)/12 or 28 ft. Cal-                  2
culate flexural capacity at 10 ft.                          = 128k
                 10x12 − 57.8                        C2 = 1.704 (10.5)(2.18 - 1.25)
                                                                              -
f′ps = 163.4 +                   (267 - 163.4)
                                      -                       2
                      109.9
     = 222 ksi                                            = 8.3k
Apsf′ps = 4(0.153)(222)                                Mn = (135.9(7 - 0.54) - 8.3(1.56 - 0.54))/12
                                                                     -       -          -
         = 135.9k                                           = 72.45 ft-k
Traditional analysis
a =         135.9 = 0.89 in.
          .85536
Mn = 135.9(7 - 0.89/2)/12
                   -
      = 74.24 ft-k
Strain compatibility analysis
                                 Ec   c
                c                           C1
                                            C2
                            dp
                                   T = Apsf’ps
                    s




εps   = εse + εs
εse   = 163.4/28500
      = 0.00573 in/in
εps = 222/28500
      = 0.00779 in/in
εs    = 0.00779 - 0.00573
                   -
      = 0.00206 in/in
Using trial and error for




                                                                                                 2-
                                                                                                  -23
CHAPTER 3


                            SPECIAL DESIGN CONSIDERATIONS
3.1 General Information                                 slabs will contribute in carrying a given load in a
   The application of hollow core slabs as roof         given location. This section presents a design
and floor deck members creates several situations       method that may be used when the slabs do actual-
for consideration in design which are either not        ly have to support non-uniform loads.
completely covered by ACI Code provisions or
which involve consideration of production pro-          3.2.1 Load Distribution Mechanisms
cesses. This section presents information which            As load is applied to one slab in a system, the
may be used as a guideline for the situations de-       response of the slab system is to deflect and also
scribed but not as hard and fast rules. The criteria    twist if the load is not on the longitudinal center-
presented represent conservative practices and          line of the system. As the loaded slab edges try to
should be verified with local producers. Pub-           move down, the interlock of the grout in the joints
lished data relative to each situation is referenced.   with the keyways formed in the slab edges forces
However, extensive in plant testing has been con-       adjacent slabs to deflect a similar amount. The
ducted by hollow core producers which may al-           flexural and torsional stiffness of the adjacent
low less conservative criteria to be used because       slabs reduce the deflection of the loaded slab from
of the unique characteristics of a particular slab.     what might be expected if the slab were alone.
                                                        Shear forces are developed along the keyways and
3.2 Load Distribution                                   the loaded slab then gets some support from the
    As demonstrated in Chapter 2 of this manual,        adjacent slabs. As this effect trickles through the
hollow core slabs are designed as individual, one       system, the keyways between slabs force equal
way, simple span slabs. When the slabs are              deflections for slab edges at any given keyway.
installed and grouted together at the keyways, the         Many times shrinkage cracks will occur in the
individual slabs become a system that behaves           grouted joints at the interface between the grout
similarly to a monolithic slab. A major benefit of      and slab edge. This cracking does not impair the
the slabs acting together is the ability to transfer    mechanism described above because the configu-
forces from one slab to another. In most hollow         ration of the keyways in the slab edges still pro-
core slab deck applications, non-uniform loading        vides mechanical interlock even with the presence
occurs in the form of line loads, concentrated          of a crack.
loads, or load concentrations at openings. The             Shear forces transferred along keyways cause
ability of individual slabs to interact allows these    two sets of forces that are normally not considered
load concentrations to be shared by several slabs.      in hollow core slab design. The first is torsion
The ability to distribute loads among several slabs     which develops because the shear on one edge of a
has been demonstrated in several published tests        given slab is different in magnitude from the shear
19-25 and many unpublished tests.                       on the opposite edge. As depicted in Figure 3.2.1,
    In many cases, load concentrations do not have      the keyway shears reduce as the distance from the
to be carried by the slabs. For example, a header at    load increases. These torsions cause shear stress
a large opening may be supported directly to a          in the slabs in addition to the direct shear stress.
foundation or vertical support element; a beam             The second set of forces is induced because the
might be installed to directly carry a heavy con-       system is tending to behave as a two way slab.
centrated load; or a heavy wall parallel to a slab      Transverse bending moments occur because of
span might be designed to carry its own weight or       the edge support provided by adjacent slabs. The
any load superimposed on the wall as a deep beam        result is transverse tensile stress developed in the
spanning between vertical supports. However,            bottom of the slab and compressive stress in the
when such loads must be supported by the slab           top. Hollow core slabs are not provided with
system, a method is required to decide how many         transverse reinforcement. Transverse tensile

                                                                                                       3-
                                                                                                        -1
Fig. 3.2.1




                                      V1 V1                         V2 V2                           V3

                                                  V1 > V2 > V3


stresses must then be resisted by plain concrete.             The two basic design parameters considered
The magnitude of load concentration causing the            for hollow core slabs are flexure and shear. De-
transverse tension must be limited to preclude a           sign for flexure is straightforward with the effec-
splitting failure. See Section 3.2.2.                      tive load resisting width being a function of the
    Several factors affect the ability of a slab sys-      span length. Conversely, shear design is compli-
tem to distribute loads to adjacent slabs. As the          cated by torsions developed in the system. If tor-
width of an assembly of slabs gets narrower than           sion is not to be used as a design parameter, direct
the span length, a reduction in the number of slabs        shear must then be modified to reflect the increase
contributing to the support of a concentration of          in shear stress from the torsion.
load occurs. This occurs because the freedom of               Figure 3.2.2 depicts a method of establishing
the free edges of the system to deflect and twist be-      an effective resisting section for any type of load
comes more significant. A second factor is the             to be distributed between slabs. In the midspan re-
spacing of the slab joints. With slabs available in        gions, the effective width is defined as a function
widths ranging from 2 feet to 8 feet (0.6 to 2.4 m),       of span length. At the supports, the effective
some differences in load distribution behavior can         width is defined as an absolute width. The width
be expected. Finally, the span length affects the          at the support is restricted to account for shear
number of contributing slabs. As span length               stresses due to torsion. Use of these resisting sec-
changes for a wide system, the interaction of flex-        tions will result in prediction of peak values of
ural and torsional stiffnesses changes. For longer         moment and shear. That is, the effective width
spans, flexural stiffness reduces relative to tor-         concept is simply a mechanism used to determine
sional stiffness. This results in relatively less slab     the maximum design moments and shears rather
rotation and less transverse curvature. The result         than a depiction of the actual load path through the
is that more slabs can contribute to distribution on       system.
longer spans as long as the system is wide relative           The performance of slab systems indicates that
to its length.                                             shear and moment might affect additional slabs.
                                                           For example, for a load located some distance
                                                           from a free edge, the peak moment due to that load
3.2.2 Design Guidelines                                    can be predicted by assuming the load is resisted
   ACI 318-95 recognizes the load transfer capa-           by a width equal to 0.50ℓ. In reality, in flexure, a
bilities of hollow core slabs in Section 16.3.1.           total width equal to 85% to 90% of the span length
That section specifies that distribution of forces         might have some moment attributable to that load.
be established by analysis or test. The guidelines         In shear, the 1′-0″ (0.3m) effective section at the
presented here were based on extensive, full scale         support at a free edge may be used to predict the
testing of a specific slab system. Additionally, a         peak shear but, because of torsion, the total reac-
comparison of these guidelines to an analytical            tion due to an edge load will not actually be con-
study has been done. Therefore, the guidelines             centrated in the 1′-0″ (0.3m).
presented here should satisfy the requirement of              Several limitations should be recognized for
ACI (318-95) 16.3.1.                                       Figure 3.2.2.

3-
 -2
Fig. 3.2.2 Effective resisting width of slab for load anywhere along span




                                                           0.25
                                                           0.50
                                                           0.25
                                         4’ "
                                           -0                                    1’-0"

                                                                            Interpolate

                                      Interpolate
                                         0.50                                   0.25




 1) As the width of the system becomes narrow-                    tablished by test for each slab system. Ref-
    er than the span length, the effective resist-                erence 23 provides guidance for edge loads.
    ing widths will become narrower.
                                                            The concept of using an effective resisting sec-
 2) For extremely high span-depth ratios (in ex-         tion is subtlely different from the traditional con-
    cess of approximately 50), the effective sec-        cept of load distribution width. Traditionally,
    tion at midspan may be reduced by 10 to 20           loads have been divided by distribution widths for
    percent.                                             design. Using an effective resisting section means
                                                         that a given load is resisted by a varying width de-
 3) For spans less than about 10 ft, the effective       pending on the location of the section being inves-
    width at the support may become narrower.            tigated in the span. This is best illustrated by ex-
                                                         ample.
 4) Local load concentrations can cause longi-
    tudinal splitting failures due to transverse         Example 3.2.1 General Case
    bending in the system. Punching shear type             Given an untopped hollow core system using
    failures can also occur. The magnitude of            36″ wide slabs as shown in Figure 3.2.3, deter-
    concentrated loads must be limited to pre-           mine the slab design loads. Slab weight = 53.5 psf
    clude such failures. These limits are best es-

                                                                                                         3-
                                                                                                          -3
Fig. 3.2.3.




                                             5’ "
                                              -6
                                                         P1




                                  9’ "
                                   -6
                                                         w1
                                                         P2
                        25’ "
                          -0


                                  6’ "
                                   -0                    P2
                                                         w1
                                                         P1
                                  9’ "
                                   -6


                                             5’ "
                                              -6




       DL = 10 psf              w1D      =    650 #/ft   P1D   = 500 #               P2D   = 1000 #
       LL = 40 psf              w1L      =   1040 #/ft   P1L   = 1000 #              P2L   = 3000 #



Solution                                                 DW = 0.5ℓ = 0.5(25) = 12.5 ft
Step 1: Evaluate the shear and moment diagrams
                                                         Between x = 0 and x = 6.25 ft
        for the non-distributable loads.
                                                         DW = 4 + x (12.5 - 4)-
      wu = 1.4(53.5 + 10) + 1.7(40) = 157 psf                      6.25
                                                             = 4 + 1.36x
      Vx = w (ℓ/2 - x) = 0.157(25/2 - x)
                  -                 -                      See Table 3.2.1
                                                         Step 4: Divide the shears and moments from Step
   Mx = w x (ℓ − x) = 0.157x (25 − x)
            2            2                                       2 by the effective width from Step 3 and
  See Table 3.2.1                                                add to the shears and moments in Step 1.
Step 2: Evaluate the shear and moment diagrams              See Table 3.2.1
        for the distributable loads.                     Step 5: Design the slabs for the web shear, in-
      wu = 1.4(650) + 1.7(1040) = 2678#/ft                       clined shear, and moments obtained from
                                                                 Step 4.
      Pu = 1.4(500) + 1.7(1000) = 2400#
                                                            The solution for the general case where the
   Pu = 1.4(1000) + 1.7(3000) = 6500#                    shears and moments are calculated at intervals
  See Table 3.2.1                                        along the span is best suited for use with a comput-
                                                         er. The information could then also be used to cal-
Step 3: Evaluate the effective width along the           culate shear strength at the same time.
        span.                                               For many cases, a general solution is not neces-
At support                                               sary. Simplifying shortcuts can be used to shorten
DW = 4.0 ft                                              the design process. Consider the case where shear
At 0.25ℓ = 0.25(25) = 6.25 ft                            is known not to be a problem.

3-
 -4
Table 3.2.1 Shears and Moments for Example 3.2.1
               Non-distributed                     Distributable          Effective               Final
                    Loads                             Loads                Width
    x          Vux         Mux                   Vux          Mux           DWx           Vu(k/ft)         Mu(ft-k/ft)
   0           1.96        0                    34.34          0            4.0           10.55              0
  h/2          1.91        0.65                 33.45         11.28         4.45           9.43              3.18
   1           1.81        1.88                 31.66         33.0          5.36           7.72              8.04
   2           1.65        3.61                 28.98         63.32         6.72           5.96             13.03
   3           1.49        5.18                 26.31         90.98         8.08           4.75             16.44
   4           1.33        6.59                 23.63        115.94         9.44           3.83             18.87
   5           1.18        7.85                 20.95        138.23        10.80           3.12             20.65
   6           1.02        8.95                 15.87        156.64        12.16           2.32             21.83
   7           0.86        9.89                 13.19        171.17        12.5            1.92             23.58
  10           0.39       11.78                  0           195.78        12.5            0.39             27.44
  11           0.24       12.09                  0           195.78        12.5            0.24             27.75
  12.5         0          12.27                  0           195.78        12.5            0                27.93

Example 3.2.2                                                   Example 3.2.3



                          D = 250 plf                                                    D = 250 plf
                                                                                         L = 200 plf
                                                   25’ "




                                                                                                                  25’ "
                              D = 10 psf                                                      D = 10 psf
                                                     -0




                                                                                                                    -0
                              L = 40 psf                                                      L = 40 psf

                          Slab wt. = 53.5 psf                                            Slab wt. = 53.5 psf
                          Effective width                                                Effective width




   Given the system shown, determine the design                    Given the system shown select a generic slab
load.                                                           from Figure 1.7.1 to support the loads shown.
Solution:                                                       Solution:
                                                                   Make preliminary selection based on flexure:
   Shear is judged to be not critical
   From Figure 3.2.2 the effective width resisting                                                         250 + 200
                                                                  Superimposed w = 10 + 40 +
the line load is 0.50ℓ = 0.50(25) = 12.5 ft                                                                  0.5025
                                                                                      = 86 psf
Determine the design superimposed load:
                                                                   Select 4 - 7/16″, 270 ksi low relaxation strands
    w = 40 + 10 + 250/12.5                                      from Figure 1.7.1
                                                                  First shear check
         = 70 psf
                                                                  effective width at support = 4′-0″ = DW
   Using the generic slab load table in Figure 1.7.1                wu = 1.4(10 + 53.5) + 1.7(40)
select an 8″ slab with 4 - 7/16″ diameter strands.                          + (1.4 x 250 + 1.7 x 200)/DW
   If it is not known whether shear is critical, sim-                     = 157 + 690/DW
ple iterative checks may be made.
                                                                  Using DW = 4.0

                                                                                                                      3-
                                                                                                                       -5
Example 3.2.4

                                           10’          10’




                                                                                                     9’ "
                                                                                                       -6

                                                                                                            25’ "
                                                                                                     6’ "

                                                                                                               -0
                                                                                                       -0
                                                                                                     9’ "
                                                                                                       -6
                         Typ. wall load          Effective
                                                 width                 Typ. point load
                         D = 300 plf
                                                                       D = 1800#
                         L = 400 plf
                                                                       L = 2880#
                                                                               Uniform loads: slab wt = 53.5 psf
                                                                                                   D = 10 psf
                                                                                                   L = 40 psf




      wu = 157 + 690/4.0 = 330 psf                            Therefore, shear check is complete and slab is ad-
                                                              equate.
  Check shear based on this load and find
  @ h/2 Vu = 4.02 k/ft and φVcw = 6.04 k OK                       To summarize the steps taken to check shear in
                                                              Example 3.2.3, distributable loads were divided
  @ 3.0 ft Vu = 3.13 k/ft and φVci = 3.05 k NG                by the effective width at the support to make a
                                                              conservative shear check. If shear along the span
Second Shear Check                                            is found to be satisfactory, no further steps are re-
   Inclined shear did not check at 3.0 ft so deter-           quired and the shear check is complete. If shear in
mine effective width at 3.0 ft, recalculate distrib-          the span at some point is found to be inadequate,
uted load and recheck shear.                                  the effective width at that point is used to calcu-
                                                              lated a new load which will then be conservative
At ℓ/4, DW = 0.5ℓ = 0.5(25) = 12.5 ft                         for points further into the span. Shear is re-
At support, DW = 4.0 ft                                       checked. This iterative approach is used until all
                                                              points further into the span check for shear. If
Interpolate at 3 ft, DW =       3 (12.5 - 4) + 4
                                        -                     shear works for a given situation, generally no
                              25∕4                            more than three cycles will be required.
                           = 8.08 ft                             A combination of loads will be used to further
wu = 157 + 690/DW                                             demonstrate this method in the following exam-
                                                              ple.
      = 157 + 690/8.08
      = 242 psf
                                                              Example 3.2.4
                                                                 Given the center bay of an apartment building
Again check shear at 3.0 ft and beyond and find               as shown, design for the applied loads using the
      φVci > Vu at all points.                                generic slab shown in Figure 1.7.1

3-
 -6
Solution:                                                  x      h/2     1.09′    1.85′   2.61′    3.37′
Select preliminary slab based on flexure:              Vu k/ft    7.11    6.93     6.45    6.12     5.79
   Use DW = 0.50ℓ = 0.5(25) = 12.5 ft                  φVn k/ft 6.30      7.79     8.44    6.09     4.79
   Because wall and point loads are spaced closer
than 12.5 ft, conservatively use spacing of loads as
                                                           Note that web shear at h/2 does not work. No
DW.
                                                       further modifications can be made to adjust the
At design strip:
                                                       shear calculation. Shear enhancement is required
                                                       in the form of stirrups, solid cores, higher concrete
                     468#    468#                      strength or using a deeper section.
                                                           Proceed to check inclined shear which was not
                                                       adequate at 2.61 ft.
             70                     70                     Recalculate effective width at 2.61 ft as:
                        50                                  = 2.61 0.5ℓ − 4 + 4
                                                               0.25ℓ
                                                            = 2.61 (12.5 - 4) + 4 = 7.54′
                                                                            -
                                                               6.25
    1758#                                1758#
                                                       wu = 157 + 1100/7.54 = 303 psf
                                                       Pu = 7416/7.54 = 984 plf
                1800 + 2880
Point loads =                = 468 plf                 Obtain the following results:
                     10
                 300 + 400                               x      2.61    3.37     4.14    4.90     5.66
Parallel walls =             = 70 psf
                      10                               Vu k/ft    3.97    3.74     3.51    3.28     3.05
Uniform load = 10 + 40 = 50 psf                        φVn k/ft 6.07      4.77     3.94    3.36     2.94
M = 11,511 ft-#/ft
equivalent uniform load = 8 x 11511/252                   Inclined shear is now adequate to a distance of
                             = 147 psf                 5.66 ft into the span. Recalculate the effective
                                                       width at 5.66 ft.
Select 4-1/2″, 270 ksi, low relaxation strands
capacity = 148 psf at 25 ft.                            5.66 0.5ℓ − 4 + 4
Check shear                                            0.25ℓ
  For design strip                                         = 11.7 ft
  including slab wt.
    wu = 1.4(10 + 53.5)) + 1.7(40)                        Note that loads are located only 10 ft apart
         + (1.4 x 300 + 1.7 x 400)/DW                  which means that design strips would start to
                                                       overlap. For this case, the maximum effective
        = 157 + 1100/DW
                                                       width might be used as the distance between
    Pu = (1.4 x 1800 + 1.7 x 2880)/DW                  loads, or 10 feet, rather than 0.5 ℓ.
        = 7416/DW                                      wu = 157 + 1100/10 = 267 psf

Start at support where effective width = 4.0 ft        Pu = 7416/10 = 742 plf
wu = 157 + 1100/4 = 432 psf                               With these loads, it is found that Vu < φVn for
Pu = 7416/4 = 1854 plf                                 the balance of the span. Therefore, the slab se-
                                                       lected is adequate except for the shear enhance-
Obtain the following results:                          ment required for web shear as previously noted.

                                                                                                       3-
                                                                                                        -7
3.3 Effect of Openings                                  Fig. 3.3.1 Effects of openings
    Openings may be provided in hollow core sys-
tems by saw cutting after a deck is installed and
grouted, by shoring and saw cutting, by forming
or sawing the openings in the plant or by installing          > 3/8            0.25         0.25
short slabs with steel headers. Some typical head-
er configurations are shown in Section 5.7. In lay-
ing out openings for a project, the least structural
effect will be obtained by orienting the longest di-         > 3/8
mension of an opening parallel to a span, or by
coring small holes to cut the fewest prestressing                                     (a)
strands, or when several openings must be pro-
vided, aligning the openings parallel to the span to
again cut the least number of prestressing strands.
    For slab design, openings cause load con-
centrations which may be distributed over the slab                    < 3/8                                0.25
system as discussed in Section 3.2. As with non-
uniform loads, openings cause torsion in the slabs.
Therefore, the method of determining shear ade-                               0.25           0.25
quacy must also consider the effects of torsion on
the shear stresses. In flexure, the primary consid-
                                                                      < 3/8                                0.25
erations are the length of the opening parallel to
the span and the length of strand embedment
                                                                        1’ "
                                                                          -0                        1’ "
                                                                                                      -0
available from the end of an opening to the point
                                                                                      (b)
of maximum moment.
    Figure 3.3.1 shows some general opening loca-
tions with suggested interpretations of the effec-
tive resisting slab width described in Section 3.2.
Local slab producers may have information which
would allow different design approaches for their                                     0.5
particular slab.
    Figure 3.3.1(a) depicts a relatively small open-
ing located at midspan. In flexure, the load from
the short slabs can be resisted by slabs within                                                             0.25
0.25 ℓ on each side of the opening. As a guideline,
if an end of the opening shown is not closer to the                     1’ "
                                                                          -0                        1’ "
                                                                                                      -0
support than 3/8 ℓ, there will be no special consid-                                  (c)

erations for shear design with only uniform loads.
When non-uniform loads are superimposed near
                                                       slabs. The resulting torsion on the adjacent slabs
the opening, the effective resisting section shown
                                                       requires that a reduced effective width at the sup-
in Figure 3.2.2 would then be used for those non-
                                                       port be used if torsional shear stresses are not di-
uniform loads.
                                                       rectly calculated.
    Figure 3.3.1(b) shows a similar condition
                                                          Figure 3.3.1(c) depicts the extreme where an
where an opening is located with an end closer to
                                                       opening is located right at the end of a span.
the support than 3/8 ℓ. In this case, shear is con-    Again, the reduced shear width adjacent to the
sidered as though the opening created a free edge.     opening is required to reflect torsional shear
That is, load from the short slabs or opening will     stresses. An end opening extending less than the
be transmitted as an edge load to the adjacent
                                                       lesser of 0.125 ℓ or 4 ft (1.2m) into the span may be


3-
 -8
neglected when considering flexure. However,
some capacity reduction might be required for the




                                                                     6’
                                                                                               D = 10 psf
slab with the opening when strand embedment                                                    L = 40 psf




                                                                                                               25’ "
                                                                                                                 -0
length is less than full required development.




                                                                     19’
When non-uniform loads are superimposed in the
area of an end opening, these loads should be con-
sidered as being at a free edge for shear calcula-                                        Slab wt = 53.5 psf
                                                                                   3’
tions.

Example 3.3.1                                           Solution:

                                                           The ends of the opening are closer than 3/8 ℓ to
                               11’ " 2’ 11’ "



                                                        the support on both ends. Therefore, consider the
                                           -6



     D = 10 psf
                                                        opening as though it were a free edge.
                                                25’ "
     L = 40 psf

                          2’                      -0      load on strip with opening
                                  -6




     Slab wt = 53.5 psf
                                                            w = 3(10 + 40 + 53.5)
                                                                 = 311 plf
   Given the slab system shown, select a generic        for flexure and preliminary slab selection use ef-
slab from Figure 1.7.1 to carry the loads given         fective width = 0.25 ℓ to each side
considering the opening.                                                        311∕2
                                                            w = 10 + 40 +
                                                                               0.2525
Solution:
                                                                  = 75 psf
   Check proximity of opening to support
3/8 ℓ = 0.375(25) = 9.38′                               Try 4 - 7/16″ dia., 270 ksi, low relaxation strands
       11.5′ > 9.38′ no special shear                   Check Shear
       considerations                                     effective width at support = 1′-0″ each side
  Distribute load from strip with opening:              wu = 1.4(10 + 53.5) + 1.7(40) +
  superimposed w = 10 + 40 = 50 psf                           3[1.4(10 + 53.5) + 1.740)]∕2
  load on strip with opening =
                                                                          DW
       2(10 + 40 + 53.5) = 207 plf
                                                            = 157 + 235/DW
  distributing 1/2 of strip load each side
                                                        where DW = effective width on each side
             207∕2                                      wu = 157 + 235/1 = 392 psf
    w = 50 +
             0.25ℓ
                                                        Using this load, obtain:
         = 50 + 104
               0.2525                                     x       h/2      1.1        1.85 2.61 3.37 4.14
         = 67 psf                                       Vu k/ft     4.77     4.47 4.17 3.87 3.58 3.28
                                                        φVn k/ft 6.08        7.29 6.62 4.80 3.80 3.15
  Select, from Figure 1.7.1, 4 - 3/8″ dia., 270 ksi,
                                                        Shear is adequate to 4.14 ft into span.
low relaxation strands
                                                        Modify effective width at 4.14 ft
Example 3.3.2                                               DW = 4.14 (0.25ℓ − 1) + 1
                                                                      0.25ℓ
   Given the floor system shown, select a generic
slab from Figure 1.7.1 to carry the loads given.                   = 4.14 (6.25 - 1) + 1
                                                                                  -
                                                                      6.25

                                                                                                                       3-
                                                                                                                        -9
= 4.48 ft                                    duced. A detailed discussion of this is presented
                                                        in Section 6.3.3.
    wu     = 157 + 235/DW
           = 157 + 235/4.48                             3.5 Cantilevers
                                                            Cantilever design in hollow core slabs differs
           = 209 psf                                    from design with conventional precast members
                                                        because of the production procedures used for
Find shear is adequate at 4.14 ft and all points fur-
                                                        hollow core slabs. Guidelines noted here are con-
ther into span. Use 4 - 7/16″ dia., 270 ksi, low re-
                                                        servative and may be exceeded depending on the
laxation strands.
                                                        specific product used.
                                                            Because long line beds are used for the produc-
3.4 Continuity                                          tion of hollow core slabs, top prestressing strands
    Hollow core slabs are normally designed as          may be economical only when full bed capacity is
part of a simple span system. However, continuity       utilized. Even then, substantial amounts of pre-
over supports can be achieved by placing rein-          stressing strand may be used inefficiently because
forcing steel in the grouted keyways, in a compos-      of debonding requirements. The economics of us-
ite structural topping, or by concreting bars into      ing top strand must, therefore, be determined by
cores. Within limits, the result will be better con-    the local producer.
trol of superimposed load deflections and a lower           When top strands are used, the length of the
requirement for positive moment capacity.               cantilever is usually not sufficient to fully develop
    With reinforcing steel in either a composite        a strand. A reduced value for fps is required and
topping or in cores, elastic moments with allow-        the design procedures given in Section 2.6 should
ance for negative moment redistribution deter-          be used. In dry cast systems, the bond of top
mine the amount of reinforcing required. Because        strands may be less than desired so a further re-
of the relative efficiencies of positive prestressing   duction in fps is required. This reduction may be
steel and negative mild reinforcing, it is difficult    substantial and each producer should be consulted
to economically justify a continuous system de-         on top strand bond performance.
sign.                                                       When top strands are not economical,
    When reinforcing is required at supports for        non-prestressed reinforcement may be placed in
reasons such as structural integrity ties or dia-       the cores or directly in the unit in the case of a wet
phragm connections, the reinforcing ratios are          cast product. This is generally done while the slab
generally quite low, and therefore, develop little      concrete is still plastic so bond of the fill concrete
moment capacity. While this reinforcing may be          with the slab may be achieved. The reinforcement
considered in calculating service load deflections,     is selected based on conventional design with due
it is recommended that full simple span positive        consideration given to bar development length.
moment capacity be provided for strength design             With either top strands or reinforcing bars, it
unless moment-curvature relationships existing at       may be necessary to debond portions of the bot-
the supports at ultimate loads are known.               tom prestressing strand in the cantilever zone to
    One situation that seems reasonable for consid-     help minimize the top tension under service loads.
ering a reduction in the positive moment require-       Not all producers have the ability to debond bot-
ments is where the slabs are required to have a fire    tom strands which could potentially limit cantile-
rating developed using the rational design proce-       ver length or load capacity.
dure. In this case, a limit analysis approach would         It is desirable to limit service level tensions in
be reasonable.                                          cantilevers so that uncracked section properties
    The negative moment reinforcing, which is un-       may be used to more accurately predict deflec-
affected by fire loads, can develop full yield mo-      tions. The tensile stress limit may vary for differ-
ment potential and effectively provide a plastic        ent systems used. For example, the practice with
hinge at the support. As a result, the positive mo-     some dry cast systems is to limit tensile stresses to
ment at midspan may be correspondingly re-              100 psi (0.7 MPa). In other dry cast systems and in

3-
 -10
wet cast systems, the limit may be raised to 6 f′ c.                  =-
                                                                        -0.491 ksi (tension)
The tension limit will basically be a function of a               Net tension with fully bonded bottom strands:
producer’s past experience.
                                                                  ft = - -0.176 + 0.463 - 0.491
                                                                                          -
   As a rule of thumb, cantilever lengths falling in
the range of 6 to 12 times the slab thickness will be                  =-
                                                                        -0.204 ksi
workable depending on the superimposed load
and individual producer’s capabilities.                           Allow 6 5000 = 0.424 ksi OK
                                                                   Note that some of the bottom strands could
Example 3.5.1 Cantilever Design                                 have been debonded for the length of the cantile-
   Using the generic hollow core slab section de-               ver if top tensile stresses had exceeded a desirable
fined in Section 1.7, design for the following                  level.
conditions shown in Figure 3.5.1.
                                                                Stresses in backspan:
Fig. 3.5.1
                                200 plf D.L.
                                                                   Because the backspan is long in this example,
                                                                stresses will not be critical in the backspan. When
              40 psf L.L.                                       the backspan is short relative to the cantilever
              15 psf D.L.
                                                                length, stresses may require a check in the back-
                   26’              7’                          span to determine the length of bonding of the top
                                  4.06 ft-k/ft                  strands.
                                         D.L. + L.L.
                                2.87’                           Ultimate Strength
            7.25 ft-k/ft
                                  5.98 ft-k/ft                     At the cantilever, strain compatibility will gen-
                                         Full (D.L. + L.L.) u   erally show that the bottom strands may be ig-
                                2.82’
                                                                nored in determining the nominal moment capac-
           11.02 ft-k/ft
                                  5.98 ft-k/ft                  ity. When the bottom prestress is very heavy or
                                      D.L.u on backspan         the bottom strands are high in the slab, a strain
                                4.79’ (D.L. + L.L.) on
            5.39 ft-k/ft
                                                   u            compatibility analysis should be performed con-
                                      cantilever
                                                                sidering both strand layers.
Solution:                                                          For this example, assume the bottom strands
                                                                may be ignored.
    From the load table in Figure 1.7.1, select 4 -
3/
  8 ″ dia., 270 ksi strands as the primary reinforce-
ment. Try 2 - 3/8″ dia., 270 ksi, low relaxation
                                                                               
                                                                  fps = 270 1 − 0.28
                                                                                 0.8
                                                                                          2(0.085)(270)
                                                                                               (36)(7)(5)
strands as cantilever reinforcement. Assume 15%
losses and 70% initial stress.                                         = 265 ksi

     Check stresses at cantilever:                                         2(0.085)(265)
                                                                  a    =                 = 0.294 in
                                                                           (0.85)(5)(36)
     Bottom strands:
                               154 − 2.89 × 4.11
                                 1                              φMn
                                                                         12
                                                                                               
                                                                       = 0.9 (2)(0.085)(265) 7 − 0.294
                                                                                                   2
                                                                                                           
     ftop = 0.7(0.85)(4)(23)
                                         1224.5
                                                                       = 23.15 ft-k/slab
         =-
          -0.176 ksi (tension)
                                                                  Mu = 3(5.98) = 17.94 ft-k/slab
     Top strands:
     ftop = 0.7(0.85)(2)(23)   154 − 3.11 × 4.11
                                 1
                                         1224.5                        4.11
                                                                              
                                                                Mcr = 1224.5 0.463 − 0.176 +
                                                                                             7.5 5000 1
                                                                                               1000    12
                                                                                                               
         = + 0.463 ksi                                                 = 20.29 ft-k/slab
                                                                ÔM n
     Applied moment:                                                 = 23.15 = 1.14 < 1.2 NG
              4.063(12)(4.11)                                 M cr    20.29
     ftop = -
            -                                                    Add 1 - #4 bar top per slab.
                   1224.5

                                                                                                               3-
                                                                                                                -11
Design summary

                                    2- 38" strands bonded 13’-5" at cantilever end
                                                    Debond                           1- #4 x 12’-5" at cantilever end



                             4-38" strands bonded full length



Check length of top strand to be bonded:                            3.6 Horizontal Joints
  lavailable = 7(12) = 84 in                                            Figure 3.6.1 depicts three conditions typically
                                                                    used in a multistory wall bearing building where
   ℓd = (fps -- 2/3fse)db                                           hollow core slabs are used in a platform detail.
                                                                    Several expressions 27-31 have been proposed to
        = (265 - 2(0.7)(0.85)(270)/3)(0.375)
               -                                                    describe the transfer of axial load through this hor-
        = 59.2 in < 84 in                                           izontal joint.
                                                                        With hollow core slabs used for floors, the most
Therefore, the strand is fully effective in the canti-
                                                                    efficient detail is to build the slab ends into the
lever. The moment capacity would have to be re-
                                                                    wall. Depending on the butt joint size, the
calculated by the procedures of Section 2.6 if the
                                                                    strength of the joint for transfer of vertical loads
development length were found to be greater than
                                                                    can be enhanced with the addition of grout in the
the length available.
                                                                    butt joint, Fig. 3.6.1(b), and in both the joint and
    Bond of the top strands in the backspan must be
                                                                    cores, Fig. 3.6.1(c). Grout fill in the cores in-
long enough to develop the fps required in the can-
tilever design. The top strands should also be                      creases the net slab width and provides confine-
bonded for a distance of one transfer length (50 di-                ment for a grout column.
ameters) past the inflection point under the worst                      The strength of the joint for vertical load trans-
load condition. For this example a bonded length                    fer can be predicted using Eq. 3.6.1 for an un-
of 77 in. would be required.                                        grouted joint, Fig. 3.6.1(a). For a grouted joint,
                                                                    Fig. 3.6.1(b) or (c), the greater of Eq. 3.6.1 and Eq.
Alternate Design                                                    3.6.2 can be used. Both grouted and ungrouted
   Provide mild reinforcement in lieu of top pre-                   joints can have the slab cores either filled or not
stressing strands                                                   filled. Both equations include a capacity reduc-
   Try 2 - #5 Gr 60 bars at d = 7″                                  tion term for load eccentric from the centerline of
            2(0.31)(60)                                             the joint. With single story walls braced at the top
   a =                   = 0.243″                                   and bottom, this eccentricity will be negligible.
           (0.85)(5)(36)
                                                                    φPn = φ0.85Aef′cRe                         (Eq. 3.6.1)
φMn
          12
                              
        = 0.9 (2)(0.31)(60) 7 − 0.243
                                  2
                                                                   φPn = φtg ℓfuCRe/k                       (Eq. 3.6.2)
                                                                    where
        = 19.19 ft-k/slab
                                                                    Pn = nominal strength of the joint
        = 6.4 ft-k/ft > 5.98 OK                                     Ae = effective bearing area of slab in joint = 2wbw
Top stress = -
             -0.176 - 0.491
                    -                                               w = bearing strip width
            = -
              -0.667 ksi with fully bonded                          bw = net web width of slab when cores are not
              bottom strands                                              filled
                                                                        = unit width as solid slab when cores are filled
   Note that a cracked section must be considered                   f′c = design compressive strength of slab con-
in calculating cantilever deflections because the                         crete or grout whichever is less
top stress exceeds a tension of 6 f′ c.                            tg = grout column thickness

3-
 -12
Fig. 3.6.1 Common platform details




                      w         w                                                     w    tg   w




                          (a)                                                             (b)




                                                  w     tg    w




                                                        (c)




ℓ = width of slab being considered                                φ    = 0.7
fu = design compressive strength of wall or grout                     Where bearing strips with a modulus of elastic-
     whichever is less when walls are reinforced                  ity other than 50,000 psi (345 MPa) are used, the
     against splitting and slab cores are filled                  amount of force in the grout column will be al-
                                                                  tered. A theoretical approach presented in Refer-
     = 80% of design compressive strength of wall                 ence 30 considers pad stiffness, grout column
       or design compressive strength of grout,                   strength as compared to grout strength, and con-
       whichever is less when walls are not rein-                 finement of the grout column. A comparison of
       forced against splitting or slab cores are not             this theoretical procedure with the Johal proce-
       filled                                                     dure indicates that conservative capacity will be
C      = 1.0 when cores are not filled                            predicted by substituting the actual pad modulus
                                                                  of elasticity for 50,000 when calculating k.
       = 1.4 2500∕f′ c(grout) ≥ 1.0 when cores are                   The bearing strips need to also be checked
         filled                                                   against manufacturer’s recommended stress lim-
k      = 0.65 + (f′c(grout) - 2500)/50,000
                            -                                     its. Figure 3.6.2 summarizes the forces in the
Re = reduction factor for eccentricity of load                    joint and the recommended effective bearing
                                                                  strip width.
       = 1 - 2e/h
           -
                                                                     Another set of forces acting on the horizontal
e      = eccentricity of applied load measured from               joint develop from the negative moments induced
         joint centerline                                         in the floor slabs due to the clamping effect of a
h      = wall thickness                                           bearing wall on the slab ends. Two consequences

                                                                                                               3-
                                                                                                                -13
Fig. 3.6.2. Force distribution in horizontal joint      Solution:
                                                        Loads
                                                           Roof: wu =     28 (1.4(53.5+15)+1.7(30))
                                                                      =   4.ll klf
                          Pu                               Floors: wu =   28 (1.4(53.5+10)+1.7(40))
                                                                      =   4.39 klf
   V1                                          V2          Walls: wu =    1.4(800)
                                                                      =   1.12 klf/story
                                                        Accumulate loads above floor noted
                                                             Floor               wu            Σwu
                                                              18           4.11 + 1.12          5.23
                                                              17           4.39 + 1.12        10.74
   1-k   Pu + V1                      1-k    Pu + V2
    2                   kPu            2                      16                 5.51         16.25
                                      2/3w                    15                 5.51         21.76
         2/3w
                                                              14                 5.51         27.27
                                                              13                 5.51         32.78
result. The splitting strength of the bearing wall is         12                 5.51         38.29
reduced when the normal force restraining slab                11                 5.51         43.80
end rotation is considered. Secondly, the joint or
slab may crack to relieve the frictional restraint.           10                 5.51         49.31
This condition is undesirable from either the                  9                 5.51         54.82
standpoint of joint or slab integrity. Reinforcing             8                 5.51         60.33
normal to the slab butt joint is most efficient for
controlling this condition. To date, there are no              7                 5.51         65.84
published studies to evaluate effects of this rota-            6                 5.51         71.35
tional restraint. No adverse effects have been                 5                 5.51         76.86
cited when nominal diaphragm or structural integ-
rity reinforcement has been provided across the                4                 5.51         82.37
joint.                                                         3                 5.51         87.88
                                                               2                 5.51         93.39
Example 3.6.1
   Using the generic hollow core slab section de-       a) Evaluate capacity of ungrouted joint (Fig.
fined in Section 1.7, determine the grouting re-           3.6.1(a))
quirements for an interior butt joint as depicted in       bw = 10.5″ for generic slab = 3.5 in/ft of
Figure 3.6.1(a) given the following criteria:              width
Slab span: 28 feet                                         f′c (slab) = 5000 psi
18 story building with:
                                                           3 in bearing strips
   8″ concrete bearing walls
   f′c wall = 5000 psi                                     φPn = φ0.85 Ae f′c Re               (Eq. 3.6.1)
Loads: Roof        - DL = 15 psf LL = 30 psf
                   -
          Floors - DL = 10 psf LL = 40 psf
                 -
                                                                                          
                                                           φPn = 0.7(0.85)(2)(3)(3.5)(5) 1 −
                                                                                                2(0)
                                                                                                 8
                                                                                                       
          Walls    - DL = 800 plf/story
                   -                                            = 62.48 k/ft
LL Reduction: None for example                            Adequate for Floors 8 through roof

3-
 -14
b) Evaluate strength of grouted joint using              Use 1/2 in butt joint with cores filled below 8th
   3000 psi grout for                                    floor.
  1) 2 in butt joint with no filled cores (Fig.
      3.6.1(b))                                             It should be noted that this example may over-
                                                         state the height of building that can be supported
      φPn = φ 0.85Aef′cRe              (Eq. 3.6.1)
                                                         on an ungrouted joint. Concentrated loads due to
                                      
              = 0.7(0.85)(2)(3)(3.5)(5) 1 −
                                              2(0)
                                               8
                                                        corridor lintels, wall openings, or exterior span-
                                                         drels must also be considered in most buildings re-
              = 62.48 k/ft                               sulting in an increase in load to be transferred
   or                                                    through the horizontal joint.

        φPn = φtg ℓfuCRe/k              (Eq. 3.6.2)
        fu  = 3000 psi
        C   = 1.0
        k   = 0.65 + (3000 - 2500)/5000
                             -
            = 0.66
        φPn = 0.7(2)(12)(3)(1.0)
              x 1−    2(0)
                        8
                             
                             ∕0.66

           = 76.36 k/ft > 62.48
   Therefore φPn = 76.36 k/ft
  2) 1/2 in butt joint with cores filled (Fig.
     3.6.1(c))
     φPn = φ 0.85Aef′cRe                (Eq. 3.6.1)

                                     
              = 0.7(0.85)(2)(3)(12)(3) 1 −
                                             2(0)
                                              8
                                                    
              = 128.5 k/ft
   or
        φPn = φtg ℓfuCRe/k               (Eq. 3.6.2)
        fu = 3000 psi
     C = 1.4 2500∕3000 = 1.28
     k = 0.65 + (3000 - 2500)/50,000 = 0.66
                          -
     φPn = 0.7(0.5)(12)(3)(1.28)
             x 1−  2(0)
                      8
                             
                           ∕0.66

          = 24.4 k/ft < 128.5
 Therefore φPn = 128.5 k/ft




                                                                                                      3-
                                                                                                       -15
CHAPTER 4


                 DIAPHRAGM ACTION WITH HOLLOW CORE SLABS


4.1 General Information                                 satisfy Section 7.13 in precast concrete structures.
   When hollow core slabs are used as floor or          For large panel bearing wall structures, minimum
roof decks to support vertical loads, the natural       forces are specified to provide ties throughout the
extension is to use the slabs as a diaphragm to re-     structure. For other types of precast structures,
sist and transmit lateral loads. Lateral loads will     only general detailing philosophies are specified.
be applied to building structures in the form of lat-   In either case, the fundamental requirement is to
eral earth pressures, wind loads or seismic loads.      provide a complete load path from any point in a
The function of a diaphragm is to receive these         structure to the foundation. Clearly, a diaphragm
loads from the building elements to which they          is a significant element in this load path. A tie sys-
have been applied and transmit the loads to the lat-    tem that satisfies the strength and force transfer
eral-resisting elements which carry the lateral         demands on a diaphragm will generally satisfy the
loads to the foundation. The design issues in a         detailing requirements for structural integrity.
hollow core diaphragm are the design of connec-
tions to get loads into the diaphragm, the strength     4.2 Design Loads
and ductility of the slab system to transmit these          Lateral loads imposed on hollow core dia-
loads to the lateral-resisting elements and the de-     phragms can include lateral earth pressures, wind
sign of the connections required to unload the lat-     loads or seismic loads. Lateral earth pressures
eral forces from the diaphragm to the lateral-res-      will be established by the characteristics of the
isting elements.                                        soil being retained. Wind and seismic loads will
   Clear communication is required between the          be dictated by the applicable building code for the
building designer and the hollow core slab suppli-      structure. Soil and wind loads are forces actually
er when the hollow core system is to be used as a       applied to the structure. Seismic forces are gener-
diaphragm. Some elements of the diaphragm de-           ated from within the structure as inertial forces
sign may be delegated to the hollow core slab sup-      due to lateral displacement from ground motions.
plier. However, only the building designer is in        While soil and wind loads can be safely treated as
the position to know all the parameters involved in     static loads, seismic loads must be considered as
generating the applied lateral loads. Because of        dynamic loads. In all cases, the same elements
many design issues, only the building designer          will comprise a complete diaphragm, but the duc-
can determine the location and relative stiffnesses     tility demands on a seismic resistant system are
of the lateral-resisting elements. These parame-        significantly more important.
ters dictate the distribution of forces in the dia-         The balance of the discussion in this chapter
phragm. If any design responsibility will be dele-      will be concerned with lateral loads from wind
gated to the hollow core supplier, the location and     and seismic. This is not intended to slight the im-
magnitude of the lateral loads applied to the dia-      portance of considering unbalanced soil pressures
phragm and the location and magnitude of forces         which can commonly be a significant consider-
to be transmitted to lateral-resisting elements         ation in many projects using hollow core slabs.
must be specified. Where hollow core slabs must         The basic principles of hollow core diaphragms
connect to other building materials, or where de-       which will be discussed are equally applicable to
mands on connections go beyond simple strength          lateral soil pressures.
demands, the connection details should be shown             There are many documents which cover design
in the contract documents.                              for wind and seismic loads. The references used
   An additional consideration in detailing dia-        for this chapter are the 1994 UBC code32 and the
phragms is the need for structural integrity. ACI       1996 BOCA code33. For wind load, both codes
Section 16.5 provides minimum requirements to           are similar in that a basic wind speed is selected

                                                                                                          4-
                                                                                                           -1
based on the building location, an exposure cate-      wpx = portion of W at level under consideration
gory is selected based on the surrounding terrain,        The magnitude of Fpx need not exceed
an importance factor is selected based on the oc-      0.75ZIwpx but shall not be less than 0.35 ZIwpx.
cupancy of the building, modifying factors are de-     Many other requirements are included in the UBC
termined for the geometry of the building and the      code which are not restated in this summary.
design positive and negative wind pressures are           The BOCA code prescribes a seismic design
calculated.                                            procedure. A very important note is that the
   For seismic loads, the two codes take different     BOCA provisions result in forces that are already
approaches. The UBC code allows an equivalent          factored and are intended to be used with ultimate
static load approach for many building types. For      strength design methods with no additional load
others, where certain heights or irregularities are    factors. The base shear is calculated as:
present, a dynamic lateral force procedure is re-      V = CsW                               (Eq. 4.2.3.)
quired. The static force procedure allows design
for a base shear of:                                   where
V = ZIC W                              (Eq. 4.2.1)     Cs = coefficient related to peak velocity-related
        Rw                                                  acceleration, soil profile, structural system
where                                                       type and building fundamental period
Z     = seismic zone factor                            W = total dead load plus other applicable loads
I     = importance factor                                 The base shear is distributed over the height of
C     = factor dependent on site and structure fun-    the building in proportion to the distribution of the
        damental period                                building mass with consideration of the building
                                                       period. A minimum eccentricity of 5% of the per-
Rw = coefficient dependent on structural system        pendicular building dimension is also required by
     type                                              BOCA when distributing forces to the lateral-re-
W = total dead load plus other applicable loads        sisting elements. For Seismic Performance Cate-
   This base shear is then distributed over the        gories B and greater, each floor or roof diaphragm
height of the structure in proportion to the dis-      shall be designed for a minimum load equal to
tribution of weights over the height. Additionally,    50% of the effective peak velocity-related accel-
a minimum eccentricity of 5% of the building di-       eration times the weight attributable to the level
mension perpendicular to the direction being con-      under consideration. The peak velocity-related
sidered shall be included when determining the         acceleration is determined by the project location.
distribution of forces to the lateral-resisting ele-   Again, there are many provisions in the BOCA
ments when the diaphragm is not flexible. Specif-      code which are not covered in this summary.
ic to diaphragms, for Zones 2, 3, and 4, the UBC          In light of the performance of some diaphragms
requires that a floor or roof diaphragm resist a       in recent earthquakes, the seismic demand on dia-
force equal to:                                        phragms is an area of new focus. Preliminary in-
                 n                                     dications are that diaphragms should remain elas-
        Ft + Σ Fi                                      tic during a seismic event to ensure that post-elas-
                i=x
Fpx =       n         w px               (Eq. 4.2.2)   tic behavior can be achieved in the
           Σ wi                                        lateral-resisting elements. By designing a dia-
          i=x
                                                       phragm to remain elastic, several things are ac-
where                                                  complished. Diaphragm flexibility, discussed in
Fpx = force applied to diaphragm at level under        Section 4.3 will be less significant. The ductility
      consideration                                    requirements for connection details will be of less
Ft    = additional portion of base shear applied at    concern. The horizontal distribution of forces to
        top level                                      lateral-resisting elements can be maintained.
                                                          The building code provisions summarized
Fi    = portion of base shear applied at level i       above are based on achieving post-elastic perfor-
wi = portion of W at level i                           mance. To keep a diaphragm compatible with

4-
 -2
Fig. 4.3.1 Diaphragm bending moments
                             w                                                w




                                 M-
    Moment                                              Moment

                   M+                          M+
                                                                     M+                        M+
                        Flexible diaphram on                              Rigid diaphram on
                           Rigid supports                                  flexible supports
                                 (a)                                              (b)

post-elastic performance in the lateral-resisting         to be considered as a flexible diaphragm. Analy-
system system, an analysis can be done to evaluate        sis considering flexible diaphragms is much more
the total potential post-elastic capacity of the lat-     complex than for rigid diaphragms and should be
eral-resisting elements. Providing a diaphragm            considered in light of the project complexity and
with strength beyond this capacity will achieve           seismicity for the project location. For most low
compatibility, but will involve significant analy-        and mid-rise structures in low seismic risk areas,
sis. Alternatively, the diaphragm design forces           an assumption of a rigid diaphragm will be rea-
prescribed by the building codes can be increased         sonable.
by a factor of 2R/5 to keep the diaphragm elastic            The difference in behavior of flexible and rigid
and minimize required analysis. Whether build-            diaphragms is illustrated in Figure 4.3.1. In (a),
ing code provisions are based on service or fac-          the flexible diaphragm with rigid supports be-
tored load levels, use of 2R/5 loads will result in       haves as a continuous beam. Shears and moments
factored loads for design.                                in the diaphragm are a function of the plan geome-
                                                          try. In (b), the deflections of the flexible supports
4.3 Distribution of Lateral Forces                        must be the same because of the rigid diaphragm.
   Once the lateral forces to be applied to the dia-      The diaphragm shears and moments will be a
phragm have been determined, the next problem             function of the relative stiffnesses of the supports.
is to determine the distribution of those lateral         The differences between (a) and (b) can be consid-
forces to the lateral-resisting elements which will       erable. Actual behavior will fall between the two
carry the forces to the foundation. This problem is       cases tending toward one or the other as a function
usually structurally indeterminate which means            of the diaphragm stiffness.
that deformation compatibilities must be consid-             In seismic areas, the topic of diaphragm flexi-
ered for establishing equilibrium. The stiffnesses        bility has become a more significant issue. UBC
to be considered are those of the diaphragm and           requires consideration of the diaphragm flexibil-
the lateral-resisting elements. Concrete dia-             ity for the horizontal distribution of forces. A
phragms are normally considered to be rigid when          flexible diaphragm is defined by the UBC as one
compared to the lateral-resisting elements. De-           having a maximum lateral deformation more than
pending on the type and magnitude of lateral              twice the average story drift for the level under
forces applied, a hollow core diaphragm may need          consideration. It may be inferred from UBC Sec-

                                                                                                           4-
                                                                                                            -3
tion 1631.1 that this consideration would only ap-       Fig. 4.4.1 Tie forces in bearing wall buildings
ply in seismic zones 2, 3, and 4. The BOCA code
simply states that the horizontal distribution of
forces consider the relative stiffnesses of the later-
                                                                            1
al-resisting system and the diaphragm. This pro-
vision would apply to Seismic Performance Cate-                b     T2
gories B and greater. By code then, diaphragm                                                2

flexibility need not be considered when designing                                      T1
                                                                                                           3

for wind or for seismic loads in Zones 0 and 1 un-                  T3
der the UBC or Seismic Performance Category A                                                            T1
under BOCA.                                                                           T3
   When diaphragm flexibility must be consid-                                                            T2
ered, a cracked moment of inertia calculation is
suggested in Reference 34 and a Virendeel truss                                                     T2
model in suggested in Reference 35. Since the
analysis of a structure with a flexible diaphragm is
dependent on so many factors beyond the dia-
phragm itself, such analysis is beyond the scope of         For seismic loading, it is preferable to use con-
this manual.                                             ventional reinforcing steel for these types of ties to
                                                         limit the elongations and deformations. When
                                                         structural integrity requirements control in non-
4.4 Structural Integrity                                 seismic areas, untensioned prestressing strands
   As noted in the introduction to this chapter, the     may be used to satisfy the strength requirements.
ACI code requires consideration of structural in-
tegrity for all precast concrete structures. While
                                                         4.5 Elements of a Diaphragm
proper detailing for lateral loads will satisfy the
                                                            Figure 4.5.1 illustrates the various elements
complete load path philosophy of structural integ-
                                                         which comprise a complete diaphragm. The fol-
rity, there are some minimum provisions in ACI
                                                         lowing definitions will be used to describe the var-
Section 16.5 which must be met. With specific re-
                                                         ious elements:
gard to diaphragms, provisions to be aware of in-
                                                         Boundary Element:Edge member around the pe-
clude:
                                                                             rimeter of a diaphragm or
1. For buildings other than large panel bearing                              the perimeter of an opening
   wall buildings, the connection to the dia-                                in a diaphragm which ties
   phragm of members being laterally braced by                               the diaphragm together. The
   the diaphragm shall have a minimum nominal                                boundary element may func-
   tensile strength of 300 lb per lin ft (4.4KN/m).                          tion as a chord or a drag
                                                                             strut.
2. For large panel bearing wall structures, a sum-                Collector: Elements which transfer
   mary of the tie forces is given in Figure 4.4.1                           shear from the diaphragm to
   and are required to have the following mini-                              a lateral-resisting element.
   mum nominal strengths:                                           Chord: Tension or compression ele-
                                                                             ment creating a flange for
      T1 = nominal strength of 1500 lb per lin ft                            the diaphragm to develop
           (21.9 KN/m) of floor or roof span                                 flexural integrity in the dia-
      T2 = nominal strength of 16,000 lb (71 KN)                             phragm.
                                                                 Drag Strut: Element used to “drag” lat-
     T3 = nominal strength of 1500 lb per lin ft                             eral loads into the lateral-re-
           (21.9 KN/m) of wall                                               sisting elements and to dis-
   These minimum strengths shall not control if                              tribute shears over a greater
   the actual forces in the diaphragm are greater.                           length of the diaphragm

4-
 -4
web. (Also called dia-                   ing element as an axial tension or compression.
                      phragm strut.)                           Drag struts are not required for structural integrity
Longitudinal joint: Joint oriented parallel to the             as long as the diaphragm is connected directly to
                      slab span.                               the lateral-resisting elements. Drag struts simply
  Transverse joint: Joint oriented perpendicular               spread out shears that might otherwise be highly
                      to the slab span.                        localized. Under the UBC code, it is implied that
   To satisfy structural integrity, all diaphragms             drag struts are required elements in Zones 2, 3,
should have boundary elements of some type.                    and 4. The BOCA code is silent on the use of drag
The boundary elements are essential to ensure that             struts, but it can be implied that they are required
a diaphragm will have the strength to transfer lat-            for Seismic Performance Categories B and great-
eral loads to the lateral-resisting system. As a               er.
chord, tension reinforcement is placed in the                      When a bonded structural topping is used with
boundary element to allow the diaphragm to act as              a hollow core slab diaphragm, these elements can
a deep horizontal beam or tied arch. This rein-                be provided directly by reinforcement in the top-
forcement can also provide shear friction steel for            ping. When no topping is provided, these ele-
shear transfer along the longitudinal joints.                  ments are developed as grouted or concrete ele-
   Collectors are required in all diaphragms to                ments external to the hollow core slabs. As a sim-
transfer forces from the diaphragm to the lateral-             ple example, Figure 4.5.2 depicts two common
resisting elements. Such connectors are also re-               boundary conditions. In (a), the boundary rein-
quired for structural integrity to provide a com-              forcement is placed in a masonry bond beam and
plete load path for lateral forces to the foundation.          the collector reinforcement is placed in the key-
Collectors may also function to get forces into a              ways between slabs. In (b), the boundary rein-
diaphragm.                                                     forcement is placed in a grouted or concrete filled
   Drag struts act to engage a longer length of dia-           space at the end of the slabs. The collector rein-
phragm web for transferring diaphragm shears                   forcement is again placed in the keyways between
into the lateral-resisting elements. A drag strut is           slabs. The primary difference between the details
parallel to the applied load, receives load from the           is that the boundary reinforcement in (a) is eccen-
diaphragm and transfers load to the lateral-resist-            tric from the diaphragm web while it is concentric

 Fig. 4.5.1 Diaphragm elements

                                                                    Lateral - Resisting
                                                                    Element
                                                                              Boundary Element
                                     Drag
                                                                              (chord)
                                     Strut

                                                                                                    Drag Strut




                                                                                                    Lateral
                                                                                                    Resisting
                                                                                                    Element

                                                                                                    Transverse
                                                                                                    Joint

                                                                                                    Collector



                                                        Load
                       Lateral - Resisting                                Boundary Element          Longitudinal
                                  Element                                 (chord)                   Joint



                                                                                                                   4-
                                                                                                                    -5
Fig. 4.5.2 Boundary elements




                  (a)                                               (b)

in (b). The concentric boundary element will ex-      Fig. 4.6.1 Shear friction steel in butt joint
hibit better performance in a seismic situation and
should be used in Zones 3 and 4 under the UBC or
Seismic Performance Categories C, D and E un-
der the BOCA code.

4.6 Diaphragm Strength
   The diaphragm must have the strength to trans-
fer imposed lateral loads from the point of ap-
plication to the point of resistance. The dia-
phragm spans between lateral-resisting elements
as a deep beam or tied arch. Shears and tensions
will develop and must be resisted in the dia-
phragm to have a complete system.

4.6.1 Longitudinal Joints                                When the grout strength is exceeded or ductile
   The grouted keyways between slabs do have          behavior is required, shear friction principles may
capacity to transfer longitudinal shear from one      be used to design reinforcement to be placed per-
slab to the next. Using a shear stress of 80 psi      pendicular to the longitudinal joints.36 This rein-
(0.55 MPa), the useable ultimate strength for lon-    forcement may be placed in the transverse joints at
gitudinal shear is:                                   the slab ends rather than being distributed along
                                                      the length of the joints. Placed as shown in Figure
φVn = φ(0.08)hn ℓ                     (Eq. 4.6.1)
                                                      4.6.1, the area of steel is calculated as:
where                                                         V
                                                      Avf = u                                   (Eq. 4.6.2)
ℓ = length of joint under consideration (in)                 Ôf yμ
hn = net height of grout key (in)                     where
φ     = 0.85                                          Vu = factored applied shear

4-
 -6
Fig. 4.6.2 Alternate longitudinal shear                   Fig. 4.6.3 Collector detail
           connections


                                                                                        Bar Spacing
                                                                                        by Design
                                                                                               Intermittent slab
                                                                                               cut-outs

    Reinforcement across      Welded connection
    grout keyway
             (a)                     (b)
                                                                                     Boundary
µ    = 1.0 for shear parallel to longitudinal joints                                 Reinforcement
     = 1.4 for shear parallel to transverse joints
       where concrete can flow into cores
φ    = 0.85
   While the detail shown in Figure 4.6.1 is the
most economical means of providing a mechani-
cal connection across the longitudinal joints, al-       Fig. 4.6.4 Potential effects of rigid lap
ternate connections are available which may be                      connection
desirable in certain circumstances.             Figure
                                                                            Vertically rigid
4.6.2(a) shows reinforcing steel placed across the                              connection
longitudinal joint and grouted into the cores. This
detail might be considered when the amount of re-
inforcement required in the transverse joints is
great enough to cause congestion. Figure 4.6.2(b)                               Potential joint
shows weld anchors in the slabs and a loose plate                               cracking and
                                                                                grinding
welded across the longitudinal joint. Use of this
detail should be carefully coordinated with the
hollow core slab supplier to ensure that proper an-
chorage of the weld plates in the slabs can be ac-
complished.                                              deflection to occur without distress at the connec-
   Where the diaphragm must unload shear into a          tion. Figure 4.6.4 shows potential damage at the
lateral-resisting element, boundary element or in-       first interior longitudinal joint when a vertically
terior drag strut, a condition similar to the longitu-   rigid connection is used. The potential for distress
dinal joint exists. For longitudinal shear, again        is dependent on the slab span and the real applied
shear friction can be used to design reinforcement       loads. Short, lightly loaded spans may experience
as the collector to cross potential crack planes and     no problems.
transfer the shear. Figure 4.6.3 depicts an exam-           The effect of different vertical stiffnesses may
ple of such a collector detail. While drag struts        be accounted for by:
and boundary elements may have a vertical stiff-
ness similar to the slab deck, the lateral-resisting     1. Determining that distress will not affect the
elements will usually have a significantly higher           strength or performance of the system,
vertical stiffness. The collectors connecting di-
rectly to the lateral-resisting elements will tend to    2. Locating vertically rigid connections near the
be rigid vertically. While strength and toughness           slab supports where vertical movement is
at such collectors is certainly important, it is            minimized, or
equally important to consider every day perfor-
mance of the structure. At rigid vertical elements,      3. Providing allowance for vertical movement in
it may be desirable to allow slab camber growth or          the connection detail.


                                                                                                                   4-
                                                                                                                    -7
4.6.2 Transverse Joints                                         Mu
                                                        Vh =                                        (Eq. 4.6.5)
   The transverse joints serve many functions. As                jh
described in Section 4.6.1, reinforcement in the        In the first case, a unit shear is calculated and shear
transverse joints may provide the shear friction re-    friction reinforcement is distributed according to
inforcement for shear in the longitudinal joints.       the shear diagram. In the second case, the total
The transverse joint may also have to act as a drag     shear is calculated as the tension or compression
strut with axial tension or compression to carry di-    of the internal couple. In this case, shear friction
aphragm loads to the lateral-resisting elements. A      reinforcement is uniformly distributed over the
transverse joint may also be the chord member           length between zero moment and maximum mo-
where flexural tension is resisted. Finally, an inte-   ment. It is suggested that the shear friction rein-
rior transverse joint disrupts the web of the hori-     forcement be distributed according to the shear
zontal beam where horizontal shear would have to        diagram in UBC zones 3 and 4 and BOCA Seis-
be transferred to maintain the composite depth of       mic Performance Categories C, D and E to mini-
the diaphragm.                                          mize the force redistribution required with a uni-
   The design of shear friction reinforcement for       form spacing.
longitudinal joint shear is covered in Section             Because of the orientation of the joints and the
4.6.1. Drag strut reinforcement is calculated sim-      loading directions considered, the reinforcement
ply as:                                                 in the transverse joint discussed above is not all
        T                                               additive. Typically, the chord tension and longitu-
As = u                                  (Eq. 4.6.3)     dinal joint shear will be concurrent. The drag strut
        Ôf y
                                                        tension will typically occur with loads applied in
Chord tension is resisted by reinforcement to pro-      the perpendicular direction.
vide flexural strength to the diaphragm. It is sug-
gested that the effective depth of the reinforce-       4.7 Collectors
ment from the compression side of the diaphragm            Collectors function as connections to transfer
be limited to 0.8 times the depth of the diaphragm.     forces into diaphragms and from diaphragms to
Hence, the chord reinforcement is calculated as:        boundary elements, drag struts or lateral-resisting
         Mu                                             elements. The preceding discussion has indicated
As =                                     (Eq. 4.6.4)
       Ô0.8hf y                                         that reinforcing bars may be used as collectors us-
                                                        ing shear friction design procedures. As shear
where                                                   friction reinforcement, the steel is used in tension
h     = depth of the diaphragm                          to resist a shear force. In detailing the steel, a
                                                        crack plane is defined and the bars must be an-
φ = 0.9                                                 chored for full strength on each side of the crack
Because diaphragms tend to act as tied arches           plane. For anchorage at a transverse boundary
rather than beams, tension in the chord reinforce-      element, the bars may be grouted into the keyways
ment does not go to zero at the ends of the dia-        or into slab cores where the top of the core is cut
phragm. The chord reinforcement must be an-             away. Concrete is then used to fill the cores for the
chored at the ends of the diaphragm where a stan-       length of the bar embedment. Based on a review
dard hook at the corner will suffice. For               of the literature, it is not clear when anchorage of
horizontal shear in the web of the diaphragm, a         collector bars in keyways is sufficient and when
shear parallel to the transverse joint is developed.    the collector bars should be placed in slab cores.
Shear friction reinforcement perpendicular to the       There is a concern that as the boundary element
transverse joint and embedded in the slab key-          and keyway crack, anchorage for a collector bar in
ways can be used to reinforce for this shear. The       a keyway may be lost. Deformations and revers-
applied shear can be calculated as:                     ible loading in a seismic event would suggest that
                                                        anchoring collector bars in slab cores would be
       V Q
Vh = u                                                  preferable in more intense seismic areas. In keep-
         I                                              ing with code philosophy, it is suggested that bars
or                                                      be anchored in slab cores in UBC zones 3 and 4

4-
 -8
Fig. 4.9.1 Example Problem

                                               8 @ 25’ "= 200’ "
                                                      -0      -0




                                                                                                   30’
                                                                                                   20’

                                                                                                         80’
    30’




                                                                                                   30’
                                                         30’




and BOCA Seismic Performance Categories C                      design forces. It is suggested that a topping be
and greater.                                                   considered in high seismic zones in buildings with
   In non-seismic and low seismic design situa-                plan irregularities or large diaphragm span to
tions, the collectors need not be reinforcing bars.            depth ratios.
Particularly for direct connections to lateral-re-                Untopped hollow core diaphragms are sug-
sisting elements, welded and bolted connections                gested when the diaphragm force system is
will suffice for the collector connections when                straightforward and the in-plane diaphragm
they are compatible with the slab system used.                 deflections are acceptable. An example at the end
                                                               of this chapter illustrates a procedure for deter-
4.8 Topped vs. Untopped Diaphragms                             mining diaphragm deflections. In high seismic
   When a composite structural topping is pro-                 areas, local codes may limit the use of untopped,
vided, it should have a minimum thickness of 2 to              hollow core diaphragms.
2 1/2 in (50-65 mm). The topping can then be de-
signed as the diaphragm without consideration of
the hollow core slabs. When the topping provides               4.9 Design Example
the strength and stiffness for the diaphragm but                  Given the building plan shown in Figure 4.9.1,
the connections are made in the hollow core slabs,             design and detail the untopped hollow core dia-
shear stresses will be present at the interface of the         phragm assuming:
topping and the hollow core slabs. These stresses
will generally be well distributed throughout the                  a. wind design per UBC
interface, but may be more highly localized near                   b. Zone 2A seismic per UBC.
the connections. As discussed in Chapter 2, hori-
zontal shear stresses should be kept below a nomi-             Building data
nal strength of 80 psi (0.55 MPa).                               6 stories
   The primary benefits of a composite structural                14 ft floor to floor
topping are to increase stiffness and to allow easi-             8 in hollow core floors wt = 53.5 psf
er continuous ties in plans with irregular shapes or             partitions & mechanical wt = 20 psf
large openings. However, in seismic areas, the                   precast framing system wt = 32 psf
additional topping weight increases the seismic                  exterior wall system (avg.) wt = 35 psf

                                                                                                               4-
                                                                                                                -9
Solutions:                                                  Mu       = 1.3(1739) = 2261 ft-k
a. Seismic Zone 0; Basic wind speed 80 mph              • Chord Forces:
   Use Exposure C
                                                          Using the perimeter beams as chords:
   Design wind pressure = P = CeCqqsIw
                                                                      Mu
   where                                                    Tu =
                                                                     Ô0.8h
    Ce =  1.53
                                                                 =       2261     = 39.3k
    Cq =  +0.8, - 0.5
                -                                                    0.9(0.8)(80)
    qs =  16.4
                                                          Connect beams through columns for this force
    Iw =  1.0                                             plus forces due to volume change and gravity
    P =   1.53(0.8)(16.4)(1.0) = 20.1                     loads. (Fig. 4.9.2 Det. C)
       =  1.53(0.5)(16.4)(1.0) = 12.5
                                                          The chord must continue through the center
                                 32.6 psf
                                                          wall.
  Wind to diaphragm = w = 14(0.0326) = 0.46k/ft
                                                                 T
                                                           As = u (φ was included in Tu)
• Consider load applied parallel to the slabs                    fy

  Total V = 200(0.46) = 92k                                      = 39.3
                                                                    60
   Assuming a rigid diaphragm, the shear dis-                    = 0.66 in2
tribution to the walls based on their flexural stiff-
ness is:                                                    Use 2 - #6 (Fig. 4.9.2 Det. F)
                                                        • Connect diaphragm web to chords
  30 ft walls: V = 40k
                                                                         Mu
  20 ft wall: V = 12k                                       Vuh      =
                                                                         jh
  The diaphragm equilibrium is:                                  j ≅ 0.8
                               0.46 k/ft                    Vuh      =    2261
                                                                         0.8(80)
                                                                     = 35.3k

              40 k            12 k         40 k
                                                          Distribute over length from zero moment to
                                                          maximum moment
             40
                              6                            Vuh = 35.3 = 0.41k/ft
                                                                      87
        V
                     87ft
                              6
                                                          Additionally, this connection must resist the
                                            40            negative wind pressure from the exterior wall
                                                          system.
        M
                                                           wu = 1.3(0.0125)(14)

                            1739 ft-k
                                                                 = 0.23k/ft
                                                            Use 300 lb/ft for structural integrity

  The factored design forces are then:                      (Fig. 4.9.2 Det. A)
                                                          The same forces must be resisted at the trans-
    Vu30 = 1.3(40) = 52k
                                                          verse joints. Use shear friction for the shear
    Vu20 = 1.3(6) = 7.8k                                  with bars placed in the keyways perpendicular

4-
 -10
to the transverse joint. With keyways at 3 ft on          Using shear friction reinforcement
   center:
                                                             Avf = 1.02 in2 (from above) or
             3(0.3)        3(0.41)
     As =           +                                                    6
            0.9(60) 0.85(60)(1.4)                            As =             = 0.11 in2 does not control
                                                                      0.9(60)
        = 0.034 in2/keyway
                                                             Use 4 - #5 located near slab ends
    Use #3 at every 2nd keyway
                                                             (Fig. 4.9.2 Det. D)
    (Fig. 4.9.2 Det. B)
                                                            Alternatively, mechanical connections of slab
• Longitudinal shear                                        to wall could be used to transfer the same
                                                            forces.
   The maximum longitudinal joint shear is at the
first slab joint from the 30 ft shear wall. Since con-   • Shear at center 20 ft wall:
nections will be made directly from the center bay         With the rigid diaphragm assumption:
to the shear wall, only the center bay joint length
should be considered.                                        Vu = 7.8k on each side of wall
    Vu = 52k                                                Avf =          7.8
                                                                      0.85(60)(1.0)
   φVn = φ(0.08)hn ℓ
                                                                 = 0.15 in2
        = 0.85(0.08)(8 - 2)(20 x 12)
                       -
                                                            Use 2 - #4 located near slab ends or use
        = 97.9k                                             mechanical connections
   With concerns for shrinkage cracking in joints,          (Fig. 4.9.2 Det. E)
transverse shear friction reinforcement can be           • Consider load applied perpendicular to the
provided in the transverse joints at each end of the       slabs
center bay.
                                                           Total V = 80(0.46) = 36.8k
           Vu
    Avf =
          Ôf yμ                                            Distribution to walls is:

                 52                                          V = 36.8/2
        =
            0.85(60)(1.0)
                                                                 = 18.4k
        = 1.02   in2 /   2 transverse joints
                                                           The diaphragm equilibrium is:
        = 0.51 in2 per joint
                                                                                      0.46 k/ft
        Use 1 - #7 in transverse joint
        (Fig. 4.9.2 Det. B)
• Shear connection to 30 ft wall                                       18.4 k                     18.4 k

    Vu = 52k                                                        18.4

   Additionally, negative wind pressure must be                 V
   resisted across this joint, but would not be con-                                               18.4
   current with shear. Structural integrity ties will
   control for this case.                                       M
     Tu = (0.3)(20)
        = 6k for bay                                                              368 ft-k



                                                                                                           4-
                                                                                                            -11
The factored design forces are then:                    #3 at every 2nd keyway will be adequate
    Vu = 1.3(18.4) = 23.9k                                (Fig. 4.9.2 Det. B)

    Mu = 1.3(368) = 478 ft-k                           b. Seismic Zone 2A
                                                         The building weight attributable to each floor
• Chord force:                                           is:
             Mu                                            wi = 80(200)(0.0535 + 0.020 + 0.032)
    Tu =
            Ô0.8h                                               +14(0.035)(200 + 80)(2)

        =        478                                           = 1962k
            0.9(0.8)(200)
                                                           then
        = 3.3k                                             W = 6(1962)
    As = 3.3 = 0.06 in2                                        = 11772k
         60
                                                       • Base shear
   The #3 bars across the transverse joints will be
   adequate for the chord force. (Fig. 4.9.2 Det. B)      V = ZIC W
                                                              Rw
  Longitudinal shear
                                                          Z    = 0.15
         Mu
   Vuh =                                                  I    = 1.0
         jh
                                                          C    = 2.75
        ≅     478
            0.8(200)                                      Rw = 8
        = 3.0k will not control                                  0.15(1.0)(2.75)
                                                          V =                    (11772)
                                                                        8
• Shear connection to walls
                                                               = 607k
  Using shear friction reinforcement                   • Vertical Distribution
    Vu = 23.9k/30 ft wall                                  Ft = 0.07TV
        = 0.8k/ft controls over parallel wind              with a site coefficient of 1.2 and C = 2.75
  With bars in keyways at 3 ft on center                   T = 0.4 sec < 0.7 sec
               3(0.8)                                      Ft = 0
   Avf =
            0.85(60)(1.4)                                         (V − F t)w xh x
                                                           Fx =          n
        = 0.034 in2 per keyway                                           Σ w ih i
                                                                       i=1
    Use #3 in every 2nd keyway
                                                          wi        hi          wxhx     Fx
    (Fig. 4.9.2 Det. F)
                                                        1962        84         164808    173
• Shear in transverse joint                             1962        70         137340    145
    Vu = 1.3(18.4 - 0.46 × 30)
                  -                                     1962        56         109872    116
        = 6k                                            1962        42          82404      87
                                                        1962        28          54936      58
   Avf =          6
            0.85(60)(1.0)                               1962        14          27468      29
        = 0.12 in2                                                             576828


4-
 -12
Fig. 4.9.2 Wind design summary



                                                   8 @ 25’ " 200’ "
                                                          -0 =   -0

                                           C                 F
                              A




                                                                                                             30’
                                                                 E
   30’




                                                                                                             20’

                                                                                                                       80’
         D




                                                                                                             30’
                              B




                                                           30’




                                                                                                        #4 near each
                                                                                                        end of wall
         0.3k/ft
                   0.41k/ft

                                                         39.3k
                                                       Chord Force

                                                                                                         Intermittent slab
                                                                                                         cut-outs


                   A                           C
                                                                                                E




                              #3 @ every
                              2nd keyway
  #7 cont.                                                           2-#5 near each
                                                                                            #3 every
                                                                     end of bay
                                                                                         2nd keyway




                                                                                               2-#6
                                                                     Intermittent slab
                                                                     cut-outs

                   B                               D                                                F




                                                                                                                             4-
                                                                                                                              -13
• Diaphragm load                                       The diaphragm equilibrium is:
                     n
            Ft + Σ Fi                                                              2.77 k/ft
                    i=x
    Fpx =       n         w px
               Σ wi
              i=x

  wpx       Ft + ΣFi        Σwi     Fpx                          241 k            72 k         241 k

  1962        173           1962    173                        241
                                                                                  36
  1962        318           3924    159
                                                           V
  1962        434           5886    145                                  87ft
                                                                                  36
                                                                                                241
  1962        521           7848    130
  1962        579           9810    116                    M
  1962        607          11772    102
                                                                                10483 ft-k
  Minimum diaphragm load
    Fpx = 0.35ZIwpx                                  • Chord forces:
         = 0.35(0.15)(1.0)(1962)                       Using reinforcement in a perimeter boundary
         = 103k                                        element
                                                                 Mu
  Maximum diaphragm load                                 As =
                                                               Ô0.8hf y
    Fpx = 0.75ZIwpx                                                   10483
                                                            =
                                                                 0.9(0.8)(80)(60)
         = 0.75(0.15)(1.0)(1962)
                                                            = 3.0 in2
         = 221k
                                                       Use 4 - #8
   To keep diaphragm in the elastic range, multi-
                                                       (Fig. 4.9.3 Det. A)
   ply the diaphragm loads by 2R/5. At the roof
    Fpxu = 173(2)(8)/5                               • Connect diaphragm web to chord

            = 554k                                               Mu
                                                        Vuh =
                                                                 jd
   The factored roof diaphragm load by code pro-
   visions is                                               ≅ 10483
                                                              0.8(80)
    Fpxu = (1.1)(1.3)(173)
                                                            = 164k
            = 248k
                                                       Distribute over length from zero moment to
   Design roof diaphragm for a factored load of        maximum moment
   554k to keep in elastic range.                      Vuh = 164 = 1.89k/ft
                                                                87
• For shear parallel to slabs
                                                       Additionally, this connection must resist the
   Using a rigid diaphragm, the shear distribution     outward force from the exterior wall system.
   to the walls is:                                    Conservatively, this force will be:
       30 ft walls: V = 241k                            T = 0.75ZIww
       20 ft wall: V = 72k                                  = 0.75(0.15)(1.0)(14 × 0.035)

4-
 -14
= 0.055k/ft                                     Avf =        269
                                                                0.85(60)(1.0)
    Tu = 0.055(2)(8)/5
                                                            = 5.27 in2 / 4 joints
        = 0.176k/ft
                                                            = 1.32 in2 per joint
           Tu    V
    As =       + u                                     In boundary elements, add chord requirement
           Ôf y Ôf yμ
                                                       At first joint
        = 0.176 +     1.89
          0.9(60) 0.85(60)(1.4)                         Mu = 241(3) - 32(2.77)/2
                                                                      -

        = 0.033 in2/ft                                      = 711 ft-k

                                                         As = 1.32 +            711
  Use #3 at 3 ft on center grouted into cores                             0.9(0.8)(80)(60)
  (Fig. 4.9.3 Det. A)                                       = 1.53 in2
  At the transverse joint, the same shear parallel       4 - #8 ok
  to the transverse joint as at the chord must be
  transferred. However, the tension should con-          (Fig. 4.9.3 Det. A)
  sider the inertial force from the weight of the
                                                       In transverse joints
  exterior bay. Conservatively
                                                         As = 1.32 in2
   T = 0.75ZIwp
                                                         Use 2 - #8
   wp = 14(0.035) + 30(0.0535 + 0.020 + 0.032)
                                                         (Fig. 4.9.3 Det. B)
       = 3.66k/ft
                                                     • Shear connection to 30 ft wall:
   T = 0.75(0.15)(1.0)(3.66)
                                                       Transfer shear to wall and drag strut
       = 0.41k/ft
   Tu = 0.41(2)(8)/5                                     Vu = 253
                                                               80
       = 1.31k/ft                                           = 3.16k/ft

   As =         1.89     + 1.31                         Avf =       3.16
           0.85(60)(1.4)) 0.9(60)                               0.85(60)(1.0)
       = 0.051 in2/ft                                       = 0.062 in2/ft
Use #4 at 3 ft on center in keyways                      Use #4 hairpins at 3 ft on center
   (Fig. 4.9.3 Det. B)                                   (Fig. 4.9.3 Det. D)
• Longitudinal shear                                   Drag strut reinforcement

  The maximum longitudinal shear is at the first              (80 − 30)
                                                         Tu =           (3.16)
  slab joint from the 30 ft wall. Provide shear                   2
  friction reinforcement in the two transverse              = 79k
  joints and the two boundary elements for shear
                                                         As =     79
  resistance. Conservatively consider 5% mini-                  0.9(60)
  mum eccentricity being resisted only in end
  walls.                                                    = 1.46 in2
    Vu = 241 + (0.05 x 200)(554)/200                     Use 2 - #8
        = 269k                                           (Fig. 4.9.3 Det. C)

                                                                                               4-
                                                                                                -15
• Shear connection at 20 ft wall                nAs = 6.74(3.16)
    Vu = 36k
                                                    = 21.3 in2
  over building width
   Vu = 36 = 0.45k/ft                            57(x - 4) + 4.3(x - 8)2/2 = 21.3(956 - x)
                                                      -            -                  -
          80
    Avf =       0.45
            0.85(60)(1.0)                        find x = 87.9 in
        = 0.009    in2/ft
    Use #4 dowels at 8 ft on center              Icr = 57(87.9 - 4)2 + 4.3(87.9 - 8)3/3
                                                               -                -
                                                       + 21.3(956 - 87.9)2
                                                                   -
    (Fig. 4.9.3 Det. F)
  Drag strut reinforcement                          = 17,184,000 in4
          (80 − 20)
   Tu =              (0.45)(2)
               2
                                                    = 829 ft4
      = 27k

    As =      27
            0.9(60)                            As a rigid diaphragm, the factored load deflec-
                                               tion between end shear walls is:
        = 0.5 in2
                                                       (2.77)(200) 4     72(200) 3
    Use 2 - #5                                ∆ = 5                  −
                                                 384 (4300)(829)(12) 48(4300)(829)(12)
    (Fig. 4.9.3 Det. E)
• In-plane deflection of diaphragm               = 1.07 in (ignoring shear deflections)
  Idealize the diaphragm section as
                                               As a flexible diaphragm with rigid supports the
                                               deflection will be substantially smaller. The
                         4.3"         nA s
            8"                                 diaphragm deflection plus the deflection of the
       8"                                      lateral-resisting system is used to evaluate the
                                               gravity load support members for integrity
                         x
                                               when deformed.
                      956"
                                             • Consider load applied perpendicular to the
  with 4000 psi concrete in chord              slabs
   Ec = 3835
  with 5000 psi concrete in slab               Total Vu = 554k
   Ec = 4300
  normalize on slab concrete                   Distribution to walls is
   nchord = 0.89
   ATchord = 0.89(64)
                                                 Vu = 554/2
            = 57   in2
   nsteel   = 6.74                                  = 277k

4-
 -16
The diaphragm equilibrium is:                        Drag strut reinforcement
                                                                (200 − 30)
                                                         Tu =              (1.52)
                           6.93 k/ft                                 2
                                                             = 129.2k

                                                         As = 129.2 = 2.39 in2
              277 k                    277 k                 0.9(60)
                                                        Chord reinforcement from load parallel to
        277                                             slabs controls.
      Vu                                             • Shear in transverse joint
                                        277
                                                       In center bay
      Mu
                                                         wp = 20(200)(0.0535 + 0.020 + 0.032)
                                                              + 20(14)(0.035)(2)
                       5544 ft-k
                                                             = 442k

• Chord force                                          Conservatively use

            Mu                                           V = 0.75ZIw
    Tu =
           Ô0.8h                                             = 0.75(0.15)(1.0)(442)
       =       5544
           0.9(0.8)(200)                                     = 49.7k

       = 38.5k                                           Vu = 49.7(0.55)(2)(8)/5
                                                             = 87.5k per joint including
    As = 38.5 = 0.64 in2
          60                                                   5% eccentricity
  The #4 bars across the transverse joints at 3 ft      Load parallel to slabs will control
  on center will be adequate. (Fig. 4.9.3 Det. B)
                                                     See Figure 4.9.3 for summary
  Longitudinal shear
         Mu
   Vuh =
          jd

       ≅     5544
           0.80(200)
       = 34.7k will not control
• Shear connection to walls
  With 5% eccentricity
    Vu = 1.1(277) = 304.7k
  Transfer shear to wall and drag strut
    Vu = 304.7/200 ft
       = 1.52k/ft
  Loading parallel to slabs controls

                                                                                                4-
                                                                                                 -17
Fig. 4.9.3 Seismic design summary



                                                           8 @ 25’ " 200’ "
                                                                  -0 =   -0

                                                                       G
                             A


          C




                                                                                                                          30’
                                                                          E



                                                                          F
  30’




                                                                                                                          20’

                                                                                                                                 80’
          D




                                                                                                                          30’
                             B




                                                                    30’



                 #3 @ 3ft. o.c.               2-#8 cont.                                                   #3 @3ft o.c.
                                                                    2-#5 cont.            #4 @ 8ft. o.c.
                 grout in cores                                                                                in cores
                                                   #4 @ 3ft. o.c.




 4 - #8                                                                                                    4 - #8 cont.
 cont.                                                        Intermittent slab
                                                              cut-outs



                  A                               C                                E                                      G




                                                                                  #4 @ 3ft. o.c.                            #4 @8ft. o.c.
  2 - #8 cont.               #4 @ 3ft. o.c.
                             in keyways



                                        2 - #8 cont.
                                                                                  Intermittent slab
                                                                                                                            2 - #5 cont.
                                                                                  cut-outs



                   B                                           D                                                F




4-
 -18
CHAPTER 5


                       CONNECTIONS IN HOLLOW CORE SLABS

5.1 General                                           5.2 Details
   Connections will be required in hollow core           Common details are shown in Sections 5.3, 5.4,
slab systems for a wide variety of reasons. Chap-     5.5, and 5.6 to cover a number of conditions where
ter 4 described the connection requirements for a     forces will probably exist that need to be trans-
hollow core diaphragm as an element for lateral       mitted into or through a hollow core slab. The
stability. Most connection requirements will be       conditions cover common detailing situations
for localized forces ranging from bracing a parti-    when hollow core slabs are used and are intended
tion or beam to hanging a ceiling.                    to give the specifier an idea of the possibilities that
   Connections are an expense to a project and, if    exist. The commentary provided with each detail
used improperly, may have detrimental effects by      is intended to give a better understanding of the
not accommodating volume change movements             merits of each detail. The emphasis is that these
that occur in a precast structure. Connections may    provide a guide which can be used as a basis for
develop forces as they restrain these movements.      better discussions with local producers. The de-
In specifying connection requirements, the actual     tails are only conceptual and would require de-
forces in the connection must be addressed. If no     tailed information to be used on a project.
force can be shown to exist, the connection should       Differences between wet cast and dry cast hol-
not be used. Again, cost is reduced and undesir-      low core slabs will be evident in the embedded an-
able restraining forces will not be developed.        chors that can be provided. Without forms to se-
When a connection is determined to be necessary,      cure anchors to, dry cast systems may be limited
the force in the connection should be specified es-   to shallow anchors that can be tied directly to
pecially when at an interface between a hollow        strands or to inserts that can be placed after cast-
core slab and another material. The extent of de-     ing. Wet cast systems can accommodate a wider
tailing to be left to the hollow core slab supplier   variety of anchors placed directly in the form prior
should be those items that will be supplied with      to casting. Therefore, anchor details in the hollow
the product.                                          core slabs are not shown. Connection possibilities
                                                      need to be explored with the local producers.




                                                                                                         5-
                                                                                                          -1
5.3 Typical Details with Concrete Beams


   Design Considerations:

    • Can transfer internal diaphragm forces                                                                with headed
    • Can be designed as structural integrity tie                                                        stud anchors
                                                                      Plate with deformed                                         With
                                                                            bar grouted in                                        returns
                                                                              slab keyway                                   Topping if
    Fabrication Considerations:
                                                                                                                            required
      • Advantageous to have no hardware in slab
      • Beam embedments must line up with slab
        joints
      • Accommodates variations in slab length


    Erection Considerations:                                                                                              Bearing strip

     • Advantageous to have connection completed
       by follow-up crew
     • Difficult for welder to hold loose plate in                      P.C. or C.I.P.
       position                                                         concrete
                                                                        beam



                                                                                                 Fig. 5.3.1




    Design Considerations:

      • Can transfer internal diaphragm forces                                                 Reinforcement
      • Can be designed as structural integrity tie                                            grouted in slab
                                                                                               keyway
                                                                                                                              Topping if
                                                                                                      Grout                   required
    Fabrication Considerations:

      • May increase beam reinforcement for
        shallower beam
      • Layout must have opposing slab joints lined up


                                                                                                                            Bearing strip
    Erection Considerations:

      • Clean and simple
                                                                     P.C. or C.I.P.
                                                                     concrete
                                                                     beam



                                                                                                 Fig. 5.3.2

Other connection details perform functions similar to those shown. Consult the local PCI producer for information on relative economy and
design capabilities.



5-
 -2
5.3 (Continued)


    Design Considerations:

     • With large factors of safety, friction may
       transfer nominal forces
                                                                                                                              Topping if
     • Additional structural integrity ties may be                                                                            required
       required


    Fabrication Considerations:

     • Clean and simple

                                                                                                                            Bearing strip
    Erection Considerations:

     • Clean and simple
                                                                     P.C. or C.I.P.
                                                                     concrete
                                                                     beam




                                                                                                 Fig. 5.3.3




   Design Considerations:
                                                                                              Reinforcement draped
    • Can transfer internal diaphragm forces                                                  over beam and grouted
    • Can be designed as structural integrity tie                                             in slab keyway
    • Consider concrete cover on reinforcement                                                                               Topping if
                                                                                                            Grout
      over beam                                                                                                              required



   Fabrication Considerations:

    • Slab layout must have opposing joints lined up

                                                                         Grout                                             Bearing strip

    Erection Considerations:

     • Clean and simple                                             P.C. or C.I.P.
                                                                    concrete
                                                                    beam




                                                                                                 Fig. 5.3.4


Other connection details perform functions similar to those shown. Consult the local PCI producer for information on relative economy and
design capabilities.



                                                                                                                                      5-
                                                                                                                                       -3
5.3 (Continued)


    Design Considerations:

      • Can transfer internal diaphragm forces
      • Will develop volume change restraint forces
        that must be considered in design of                                                                     Topping if
        connections                                                                                              required

   Fabrication Considerations:

      • Slab manufacturing system must allow bottom
        weld anchors
      • Beam inserts must align with slab inserts
        allowing fabrication tolerances                                                                                  Weld Plate
                                                                                                                         (alt. ends)

                                                                                                                         Bearing strip
    Erection Considerations:
                                                                                                                            with
                                                                                          P.C. or C.I.P.                 headed
      • Connections can be completed by follow-up                                         concrete                       stud anchors
        crew                                                                              beam
      • Access for welding may require ladders or
        scaffold
      • Spacer may be required to make weld


                                                                                                    Fig. 5.3.5




   Design Considerations:
                                                                                             Reinforcement
                                                                                             grouted in
    • Can transfer internal diaphragm forces
                                                                                             slab keyway
    • Can be designed as structural integrity tie
                                                                                                             Reinforcement per
    • Horizontal shear from beam cap must be                                                                 design
                                                                                            Concrete
      transferred                                                                                                     Topping if
    • Opposing slab joints must line up                                                                               required

    Fabrication Considerations:

      • Clean and simple for slabs


                                                                               Dam
                                                                                                                       Bearing strip
   Erection Considerations:                                                    cores

      • Beam may have to be shored until cap is
        cured
      • Horizontal shear reinforcement may present                       P.C. or C.I.P.
        safety hazard for erector                                        concrete
      • Core dams must be placed                                         beam


                                                                                                    Fig. 5.3.6


Other connection details perform functions similar to those shown. Consult the local PCI producer for information on relative economy and
design capabilities.



5-
 -4
5.3 (Continued)


    Design Considerations:
                                                                                           Reinforcement
     • Can transfer internal diaphragm forces                                              grouted in
     • Can be designed as structural integrity tie                                         slab keyway
     • Horizontal shear in composite beam must be
       transferred                                                                                         Reinforcement per
     • Opposing slab joints must line up                                                                   design
                                                                                                                     Topping

   Fabrication Considerations:

    • Clean and simple for slabs



    Erection Considerations:                                                  Dam
                                                                                                                       Bearing strip
                                                                              cores
     • Beam may have to be shored until topping is
       cured
     • Horizontal shear reinforcement may present
       safety hazard for erector                                         P.C. or C.I.P.
     • Core dams must be placed                                          concrete
                                                                         beam



                                                                                                  Fig. 5.3.7




    Design Considerations:                                                            Plate as required
                                                                                                                    with headed
                                                                                             by design
                                                                                                                 stud anchors
     • Can transfer diaphragm shear
                                                                                                                 or deformed bar
     • Can provide lateral brace for beam
     • Potential for negative moment in slabs
                                                                                                                      Topping if
                                                                                                                      required
    Fabrication Considerations:

     • Slab insert difficult to install. Because of
       tolerance on sawcut ends, the insert should be
       installed after slabs are cut to length
     • Beam and slab inserts must align
                                                                             with headed
                                                                          stud anchors                                  Bearing strip

    Erection Considerations:

     • If required for lateral beam stability, welding
       may have to be completed as slabs are set
                                                                         P.C. or C.I.P.
                                                                         concrete
                                                                         beam

                                                                                                  Fig. 5.3.8

Other connection details perform functions similar to those shown. Consult the local PCI producer for information on relative economy and
design capabilities.



                                                                                                                                        5-
                                                                                                                                         -5
5.3 (Continued)



    Design Considerations:
                                                                                             Plate with deformed bar
      • Can transfer diaphragm shear
                                                                                             anchor grouted in
      • Can provide lateral brace for beam
                                                                                             slab keyway
      • Potential to develop negative moment in slabs
                                                                                                                       Topping if
                                                                                                                       required
    Fabrication Considerations:

      • Plates in beam must align with slab joints
        allowing tolerance



    Erection Considerations:                                                                                             Bearing
                                                                      Plate with headed                                  strip
      • Connection can be completed with a follow-up                       stud anchors
        crew
      • Lateral bracing for beam will not be provided
        until keyway grout cures                                           P.C. or C.I.P.
                                                                                concrete
                                                                                   beam



                                                                                                 Fig. 5.3.9




    Design Considerations:
                                                                                            Reinforcement grouted
                                                                                            in slab keyway
      • Can transfer internal diaphragm forces
      • Can be designed as structural integrity tie
                                                                                                                    Topping if
                                                                                                                    required

    Fabrication Considerations:

      • Clean and simple



    Erection Considerations:
                                                                                                                       Bearing
      • Clean and simple                                                                                               strip
      • Keyway dimensions may limit the
        reinforcement diameter
                                                                        P.C. or C.I.P.
                                                                             concrete
                                                                                beam



                                                                                                 Fig. 5.3.10


Other connection details perform functions similar to those shown. Consult the local PCI producer for information on relative economy and
design capabilities.



5-
 -6
5.3 (Continued)



    Design Considerations:
                                                                                                      Reinforcement grouted
     • Can transfer diaphragm shear                                                                   in slab keyway
     • Can be designed as structural integrity tie
                                                                                                                        Topping if
                                                                           Longitudinal                                 required
                                                                            bar as req’d.
    Fabrication Considerations:

     • Clean and simple for both beam and slabs



    Erection Considerations:
                                                                                                                      Bearing
     • Reinforcement must be tied in place
                                                                                                                      strip
     • Concrete must be cast around reinforcement
     • Edge form is required for cast-in-place
       concrete
     • Dowels from beam may present safety hazard                       P.C. or C.I.P.
                                                                             concrete
                                                                                beam



                                                                                                 Fig. 5.3.11




    Design Considerations:                                                                           Weld Plate (alt. ends)
     • Can transfer internal diaphragm forces
     • Will develop volume change restraint forces
       that must be considered in design of                                                                      Topping if
       connection                                                                                                required


    Fabrication Considerations:

     • Slab manufacturing system must allow bottom
       weld inserts
     • Beam and slab inserts must align with
       allowance for tolerance                                                                                           Bearing
                                                                                                                         strip


    Erection Considerations:
                                                                                                                            with headed
     • Connections can be completed by follow-up                     P.C. or C.I.P.                                      stud anchor
       crew                                                               concrete
     • Access for welding may require ladders or                             beam
       scaffold
     • Spacer may be required to make weld
                                                                                                 Fig. 5.3.12


Other connection details perform functions similar to those shown. Consult the local PCI producer for information on relative economy and
design capabilities.



                                                                                                                                      5-
                                                                                                                                       -7
5.3 (Continued)


    Design Considerations:

      • Can transfer diaphragm shear
      • Torsional and lateral beam restraint can be                                                          Weld plate
        provided
      • Will develop volume change restraint forces                                                                Topping if
        that must be considered in design of                                                                       required
        connection
    Fabrication Considerations:                                             Bearing
                                                                               strip
      • Slab manufacturing system must allow bottom
        weld inserts
      • Beam and slab weld anchors must align with
        allowances for tolerance



    Erection Considerations:                                                                                                 with headed
                                                                      P.C. or C.I.P.
                                                                      concrete                                            stud anchors
      • Connections can be completed by follow-up                     beam
        crew
      • Access for welding may require ladders or
        scaffold
      • Spacer may be required to make weld
                                                                                                 Fig. 5.3.13




    Design Considerations:
                                                                           Field bend
      • This detail is not recommended because of                            into slab                             Topping
        installation difficulties which may result in an                  keyway and                                if req’d.
        unreliable connection                                                   grout



    Fabrication Considerations:

      • Great difficulty aligning bars with keyways

                                                                                                                           Bearing
    Erection Considerations:                                                                                               strip
                                                                       Longitudinal
      • Potential difficulties in bending bars                          bar as req’d.
      • Possible fracture of bent bars
      • Second rebar bend may be required to align                     P.C. or C.I.P.
        with slab joints                                                    concrete
      • Cast-in-place concrete required around                                 beam
        reinforcement                                                                          DO NOT USE
      • Edge forming required
                                                                                                 Fig. 5.3.14


Other connection details perform functions similar to those shown. Consult the local PCI producer for information on relative economy and
design capabilities.



5-
 -8
5.4 Typical Details with Walls



    Design Considerations:
                                                                     Reinforcement
     • Can transfer diaphragm shear                                  grouted in                                            Wall
     • Can be designed as structural integrity tie                   slab keyway
     • Can provide lateral brace for wall                                                                                  Grout
     • Consider axial force path through slab ends
     • Opposing slab joints must line up                            Topping if
                                                                      required

    Fabrication Considerations:

     • Clean and simple for slabs
     • Small tolerance for placement of bars in walls
     • Tolerance on length of slabs to accommodate
       bars in joint                                                                                                     Bearing
                                                                         Longitudinal
                                                                                                                         strip
                                                                         bar as req’d

    Erection Considerations:
                                                                            Dowels as
                                                                                                                           P.C. or C.I.P.
     • With longitudinal bar, have potential congestion                     required
                                                                                                                           concrete
     • Slab erection must consider tight tolerance on                                                                      wall
       butt joint gap
     • With precast walls, consider method of
       installing vertical dowel
                                                                                                 Fig. 5.4.1




    Design Considerations:

     • Can transfer diaphragm shear                                 Reinforcement
                                                                    grouted in                          Longitudinal
     • Can be designed as structural integrity tie
                                                                    slab keyway                         bar as req’d
     • Can provide lateral brace for wall
     • Opposing slab joints must line up
                                                                    Topping if
                                                                    required                                     Grout
   Fabrication Considerations:

    • Clean and simple for slabs



                                                                                                                           Bearing
    Erection Considerations:                                                                                               strip
     • Clean and simple
     • Wall is not braced until grout is placed and
                                                                                                                           P.C. or C.I.P.
       cured                                                                Dowels as                                      concrete
                                                                             required                                      wall



                                                                                                 Fig. 5.4.2


Other connection details perform functions similar to those shown. Consult the local PCI producer for information on relative economy and
design capabilities.



                                                                                                                                      5-
                                                                                                                                       -9
5.4 (Continued)


    Design Considerations:

     • Can transfer diaphragm shear
     • Can provide lateral brace for wall with proper                                                                 Mortar bed
       bar detailing                                                                                                  to level
     • Consideration should be given to forces                                                                        block course
       developed as slab ends rotate
                                                                                                                      Topping if
                                                                                                                      required
    Fabrication Considerations:

     • Clean and simple


    Erection Considerations:                                                                                          Reinforcement
                                                                        Bearing                                       grouted in
     • Simple for slab erection                                            wall                                       slab keyway
     • The mason can set bars independent of the
       slab joints                                                                                                    Bearing
     • Some block cutting may be required for bars                      Grouted                                       strip
       from keyways                                                     bearing
                                                                         course



                                                                                                 Fig. 5.4.3




    Design Considerations:

     • Can transfer diaphragm shear                                                                                   Mortar bed
     • Can provide lateral brace for wall with proper                                                                 to level
       detailing                                                                                                      block course
     • Consideration should be given to forces                                                                        Topping if
       developed as slab ends rotate                                                                                  required

    Fabrication Considerations:

     • Clean and simple


    Erection Considerations:                                             Bearing                                       Hooked bar
                                                                            wall                                       grouted in
     • Simple for slab erection                                                                                        slab keyway
                                                                                                                       Bearing
     • The mason can set bars independent of the
                                                                           Solid                                       strip
       slab joints
     • Grout at slab end may be difficult to place                       bearing                                       Hooked bar
                                                                          course                                       in wall



                                                                                                 Fig. 5.4.4


Other connection details perform functions similar to those shown. Consult the local PCI producer for information on relative economy and
design capabilities.



5-
 -10
5.4 (Continued)

                                                                                                                      Bar to be field
    Design Considerations:                                                                                            bent into slab
                                                                                                                      keyway or field
     • This detail is not recommended because of                                                                      drilled into wall
       installation difficulties which may result in                                                                    Topping
       an unreliable connection                                                                                         if req’d



   Fabrication Considerations:




    Erection Considerations:
                                                                       Bearing                                      Bearing
     • Mason will have great difficulty locating bars at                  wall                                      strip
       slab joints
     • Potential difficulties to field bend bars including
       fracture
     • Second bend may be required to align bars
       with joints
                                                                                             DO NOT USE



                                                                                                 Fig. 5.4.5




    Design Considerations:

     • Wall will not be braced at this level

                                                                                                                           Topping
                                                                                                                           if req’d
    Fabrication Considerations:

     • Clean and simple


                                                                                                                          Clearance
    Erection Considerations:
                                                                          Non-bearing
                                                                                 wall
     • Small tolerance in slab layout




                                                                                                 Fig. 5.4.6


Other connection details perform functions similar to those shown. Consult the local PCI producer for information on relative economy and
design capabilities.



                                                                                                                                      5-
                                                                                                                                       -11
5.4 (Continued)


    Design Considerations:

     • Walls may not be laterally braced                                                                  Clearance
     • Consideration should be given to forces




                                                                                                                               for camber
       developed from deflections or camber growth
     • Drypack may be required under slab for axial




                                                                                                                               Allow
                                                                                                                 Topping
       load transfer                                                                                             if req’d


    Fabrication Considerations:

     • Clean and simple

                                                                          Wall
    Erection Considerations:

     • Allowance must be made for slab camber
     • Wall will not be laterally braced at this level
     • Small tolerance in slab layout




                                                                                                 Fig. 5.4.7




    Design Considerations:
                                                                                                                       Deformed bar
     • Can transfer diaphragm shear                                                                                    or steel strap
     • Can provide lateral brace for wall
     • Consideration should be given to forces                           Grout
                                                                                                                       Topping
       developed from deflection or camber growth                                                                      if req’d
     • Consider axial load path


    Fabrication Considerations:

     • If not done in field, slots and holes must be cut
       for steel                                                          Wall                                         Grout
     • In stack casting system slots and holes might
       not be practically cut in plant



    Erection Considerations:

     • Allowance must be made for slab camber
     • If not done in plant, holes and slots must be
       cut for steel
     • Wall is not braced until steel is grouted                                                 Fig. 5.4.8


Other connection details perform functions similar to those shown. Consult the local PCI producer for information on relative economy and
design capabilities.


5-
 -12
5.4 (Continued)


    Design Considerations:

     • Wall thrust from earth pressure can be resisted
     • Can transfer diaphragm shear only with special




                                                                                                                                      for camber
       detailing of keyway and reinforcement




                                                                                                                                      Allow
     • For long spans consider effects of restraint of
       vertical movement

    Fabrication Considerations:

     • Clean and simple



    Erection Considerations:
                                                                     P.C. or C.I.P.
     • Edge joint must be grouted which may not                           concrete
       be standard practice                                                   wall




                                                                                                 Fig. 5.4.9




    Design Considerations:

     • Can transfer diaphragm shear
     • Can provide lateral brace for wall
     • Consideration should be given to forces                                                                      Reinforcement
       developed from deflections or camber growth                                                                  grouted into
                                                                                                                    broken core

                                                                                                                           Topping
    Fabrication Considerations:                                                                                            if req’d

     • If not done in field, edge core must be cut                          Grout at
       open                                                                    bars
     • In stack casting operation, holes might not be
       practically cut in plant

    Erection Considerations:
                                                                         Wall
     • If not done in plant, holes must be field cut into
       edge core
     • Mason may have to cut block to install
       reinforcement

                                                                                                 Fig. 5.4.10

Other connection details perform functions similar to those shown. Consult the local PCI producer for information on relative economy and
design capabilities.



                                                                                                                                       5-
                                                                                                                                        -13
5.4 (Continued)


    Design Considerations:

     • Can transfer diaphragm shear
     • Can provide lateral brace for wall
     • Connection capacity must be verified by test
                                                                          Reinforcing Bar
                                                                          Driven In Hole
    Fabrication Considerations:
                                                                              Field Drill
     • Clean and simple

                                                                                                                      Bearing
                                                                             Bond                                     Strip
    Erection Considerations:                                                 Beam

     • Minimum edge distances must be maintained
     • No interfacing tolerances




                                                                                                 Fig. 5.4.11




    Design Considerations:

     • Can transfer diaphragm shear
     • Can provide lateral brace for wall
     • Consider effects of vertical restraint                              Reinforcing Bar
     • Connection capacity must be verified by test                        Driven In Hole


                                                                               Field Drill
    Fabrication Considerations:

     • Clean and simple                                                                                                  Dry Pack
                                                                            Bond
                                                                            Beam
    Erection Considerations:

     • Minimum edge distances must be maintained
     • No interfacing tolerances




                                                                                                 Fig. 5.4.12

Other connection details perform functions similar to those shown. Consult the local PCI producer for information on relative economy and
design capabilities.



5-
 -14
5.5 Typical Details with Steel Beams


    Design Considerations:

     • Top beam flange should be considered                                                              1" Min. joint
       unbraced

                                                                                                               2" (Min.) topping
                                                                                                               if required
    Fabrication Considerations:

     • Clean and simple for slabs
     • Beam flange width must be sufficient for slab
       bearing length



    Erection Considerations:
                                                                         5" Min. flange
     • Unsymmetrical loading may cause beam                              6" Recommended
                                                                         flange
       instability                                                                                               Steel beam
                                                                                                                 Note: Top flange is
                                                                                                                 unbraced




                                                                                                Fig. 5.5.1




    Design Considerations:

     • Can transfer internal diaphragm forces
     • Provides lateral brace for steel beam                                                              2" Joint


                                                                                Grout
    Fabrication Considerations:                                                                              Reinforcement
                                                                                                             grouted in
                                                                             Topping
     • Slab layout must align slab joints                                                                    slab keyway
                                                                              if req’d
     • Stabilizer bars might be field or shop installed
       depending on local regulations or agreements
     • Beam flange width must be sufficient for
       minimum slab bearing



    Erection Considerations:                                                                                         Steel beam with
                                                                                                                     stabilizer bars
     • Grouting of slabs must include the butt joint                                                                 to brace top flange
     • Steel erection may require that stabilizer bars
       be field installed
     • Steel beam will not be laterally braced until
       grout cures
     • Unsymmetrical loading may cause beam                                                     Fig. 5.5.2
       instability
Many connection details shown perform similar functions. Consult the local PCI producer for information on relative economy and design
capabilities.



                                                                                                                                       5-
                                                                                                                                        -15
5.5 (Continued)



    Design Considerations:

     • Can transfer internal diaphragm forces
     • Provides lateral brace for steel beam
     • Will develop volume change restraint forces                              Grout
                                                                                                                  Weld plate
       that must be considered in design of                                                                       (weld at alternate
       connection                                                             Topping                             ends of slabs)
                                                                               if req’d


    Fabrication Considerations:

     • Slab manufacturing system must allow for
       installation of bottom weld anchors


    Erection Considerations:                                                                                      Steel beam

     • Welding of slabs to beam should be done as
       erection proceeds to laterally brace beams




                                                                                                 Fig. 5.5.3




    Design Considerations:

     • Can transfer diaphragm shear                                                        1" (Min.) past centerline
     • Provides lateral brace for steel beam                                               of beam
     • Potential torsion on steel beam should be
       considered                                                                             Weld plate (weld at alternate ends)
     • Will develop volume change restraint forces                                              Topping
       that must be considered in design of                                                     if req’d
       connection


    Fabrication Considerations:

     • Slab manufacturing system must allow for
       installation of bottom weld anchors


                                                                                                     Steel beam
    Erection Considerations:

     • Welding of slabs to beam should be done as
       erection proceeds to brace beam
     • Spacer may be required to make weld
                                                                                                 Fig. 5.5.4


Other connection details perform functions similar to those shown. Consult the local PCI producer for information on relative economy and
design capabilities.



5-
 -16
5.5 (Continued)


    Design Considerations:

     • Can transfer diaphragm shear
     • Provides lateral brace for steel beam
                                                                                                                    Deformed bar
                                                                                                                    grouted in
                                                                                                                    slab keyway
    Fabrication Considerations:

     • Clean and simple



    Erection Considerations:
                                                                                                                         Steel beam
     • Welding of bars must be coordinated with slab
       erection for alignment
     • Depending on forces to be transferred
       concrete may have to be cast along edge
     • Beam will not be braced until keyway grout
       cures




                                                                                                 Fig. 5.5.5




    Design Considerations:
                                                                                                  1"          1"
     • Internal diaphragm forces can be                                    Additional            Clr.        Clr.
       transferred only through topping                                reinforcement
                                                                                                                       2" (Min.) topping
     • Provides lateral brace for steel beam                                over steel
                                                                                                                       if required
     • Consider potential torsion on beam during                                beam
       slab erection

                                                                                                                                   1/2" Clr.
    Fabrication Considerations:

     • Beam flange width must be sufficient for                               Notch slab
       minimum slab bearing                                                                                               Steel Beam
                                                                            (as required)               6"     Min. flange
     • Slab notching will require a hand operation in
       field or, preferably, in plant                                                                   8"     Recommended
                                                                                                               flange
                                                                                              Note:
                                                                                               Difficult erection if
    Erection Considerations:                                                                   this detail occurs at
                                                                                               both ends of slab
     • Slab erection will be very difficult with this
       detail on both slab ends. Slabs must be slid
       into beams possibly through access holes in
       flanges
                                                                                                 Fig. 5.5.6
     • Beams will not be braced during slab erection

Other connection details perform functions similar to those shown. Consult the local PCI producer for information on relative economy and
design capabilities.



                                                                                                                                               5-
                                                                                                                                                -17
5.5 (Continued)


    Design Considerations:                                                Additional             1"      1"
                                                                      reinforcement             Clr.    Clr.
     • Internal diaphragm forces can be transferred                        over steel                                 2" (Min.) topping
       only through topping                                                    beam                                   if required
     • Provides lateral brace for steel beam
     • Consider potential torsion in beam during slab
       erection




                                                                                                                                 1/2" Clr.
    Fabrication Considerations:
                                                                            Optional
                                                                                                                         Continuous ’s
     • Angle legs must be sufficient for minimum slab                 reinforcement
                                                                                                                         welded to steel
       bearing                                                            grouted in
                                                                                                                         beam
     • Beam depth must be sufficient for clearance                      slab keyway
                                                                                                                        Steel Beam
       under top flange                                                                                 3" Min. Leg
                                                                                                        4" Recommended leg

    Erection Considerations:
                                                                                             Note:
                                                                                              Difficult erection if
     • Slab erection will be very difficult if this detail
                                                                                              this detail occurs at
       occurs at both slab ends. Slabs will have to
                                                                                              both ends of slab
       be slid into beams possibly through access
       holes in flanges
     • Beams will not be braced during slab erection
                                                                                                 Fig. 5.5.7




    Design Considerations:

     • Torsion design must consider erection
       tolerance
     • Lintel must be securely anchored at span ends
     • Connection to slab may be required to brace
       lintel                                                                                                              Topping
                                                                                                                           if req’d
    Fabrication Considerations:
                                                                       Wall
     • Clean and simple



    Erection Considerations:
                                                                                                                      Channel and
     • Watch for stability of lintel prior to slab erection                                                           plate lintel




                                                                                                 Fig. 5.5.8


Other connection details perform functions similar to those shown. Consult the local PCI producer for information on relative economy and
design capabilities.



5-
 -18
5.5 (Continued)



   Design Considerations:

    • Butt joint must be grouted to brace vertical
      angle legs
    • Lintel must be securely anchored at span ends
                                                                                                    Topping if
                                                                                                    req’d

    Fabrication Considerations:

     • Clean and simple



    Erection Considerations:                                                                          Double angle (min. 4" leg)
                                                                                                      or WF (min. 8" flange)
     • Lintel must be securely anchored prior to                                                      lintel
       setting slabs




                                                                                                  Fig. 5.5.9




    Design Considerations:

     • Clearance must be allowed for slab camber
     • Beam will not be braced until topping is cast
                                                                                              Topping

    Fabrication Considerations:
                                                                                                                  for camber




     • Camber must be monitored to stay within                                       Additional
                                                                                                                  Allow




       clearance                                                                 reinforcement



    Erection Considerations:

     • Erection may be very difficult if slab support
       beams are also raised




                                                                                                  Fig. 5.5.10


Other connection details perform functions similar to those shown. Consult the local PCI producer for information on relative economy and
design capabilities.



                                                                                                                                    5-
                                                                                                                                     -19
5.6 Typical Cantilever Details



    Design Considerations:

     • Wall bracing or transmitting diaphragm shear                                                              Cores filled with
       would only be accomplished by questionable                                                                insulation over
       friction                                                                                                  exterior wall
     • Additional structural integrity ties may be
       required


    Fabrication Considerations:

     • None other than top reinforcement required for                                                                         Bearing
       cantilever                                                                                                             strip


                                                                             Wall
    Erection Considerations:

     • Clean and simple




                                                                                                 Fig. 5.6.1




    Design Considerations:

     • Can transfer diaphragm shear                                              Insulation                 Dowel grouted in
     • Provides lateral brace for wall                                                                      slabs at keyway




    Fabrication Considerations:

     • If not field drilled, slots in keyways and
       aligning holes in masonry are required                                                                                 Bearing
     • If not field drilled, alignment will be difficult                                                                      strip
                                                                                Wall


    Erection Considerations:

     • If not preformed, holes must be drilled through
       slabs into masonry
     • Wall may not be braced until grout cures
     • Grout placement may be difficult


                                                                                                 Fig. 5.6.2


Other connection details perform functions similar to those shown. Consult the local PCI producer for information on relative economy and
design capabilities.



5-
 -20
5.6 (Continued)



    Design Considerations:                                                                                             Dowels field bent
                                                                                                                       and grouted in
     • This detail is not recommended because of                                                                       slab keyways
       installation difficulties which may result in
       an unreliable connection



    Fabrication Considerations:
                                                                                                                                   Bearing
                                                                                                                                   strip

                                                                                             Wall
    Erection Considerations:

     •Mason will have great difficulty aligning
       dowels with slab joints
     • Most keyway configurations will require
       notches for dowels
     • Field bending of dowels into keyways will be
       very difficult
                                                                                                         DO NOT USE




                                                                                                          Fig. 5.6.3




    Design Considerations:
                                                                                                    Verify max. dimension
     • Wall will not be braced by slabs                                                             with slab supplier
     • Depending on end support conditions wall may
       have to support edge slab                                                                       Keyway filled
     • No thermal break provided between interior                                                         with grout
       and exterior
    Fabrication Considerations:

     • Depending on bearing conditions the overhang
       dimension may be limited by the producer’s
       ability to install transverse reinforcement
                                                                          Allow for camber




                                                                                                                         Bearing wall
    Erection Considerations:                                                                                             beyond
                                                                                                                         Non-bearing
     • None                                                                                                              wall
                                                                                                                         Preferred end of
                                                                                                                         bearing wall




                                                                                                           Fig. 5.6.4


Other connection details perform functions similar to those shown. Consult the local PCI producer for information on relative economy and
design capabilities.



                                                                                                                                             5-
                                                                                                                                              -21
5.6 (Continued)


    Design Considerations:

     • Wall will not be braced by slabs                                                        Verify max. dimension
     • Depending on end support conditions wall may                                            with slab supplier
       have to support edge slab                                                           Steel strap (weld to
     • No thermal break provided between interior                                          top anchors or expansion
       and exterior                                                                        bolt to slabs)



    Fabrication Considerations:

     • When transverse reinforcement cannot be
       installed, steel strap must serve as external
       reinforcement




                                                                        Allow for camber
     • Anchorage of a steel strap to the slabs will                                                                   Bearing wall
       depend on the producer’s ability to install top                                                                beyond
       weld anchors                                                                                                   Non-bearing
                                                                                                                      wall

    Erection Considerations:                                                                                          Preferred end of
                                                                                                                      bearing wall
     • Depending on end support conditions
       temporary shoring may be required until steel
       strap is installed and keyways are grouted

                                                                                                 Fig. 5.6.5

Other connection details perform functions similar to those shown. Consult the local PCI producer for information on relative economy and
design capabilities.




5-
 -22
5.7 Miscellaneous Details




                                               Bearing
                                                                                                    Feather edge
                                                                    Hollow core                     with latex, conceal
                                                                           slab                     in wall, or
                                                                                                    recess when
                                                                                                    no topping




                                                                                                                Header angles
                           "A"


                                                                             SECTION "A-A"
                           "A"




                             PLAN




                                                      HEADER DETAIL




                                                              Fig. 5.7.1


Other connection details perform functions similar to those shown. Consult the local PCI producer for information on relative economy and
design capabilities.



                                                                                                                                     5-
                                                                                                                                      -23
5.7 (Continued)

                                           Bearing
                                                                        Hollow core
                                                                               slab



            "B"                         "B"



                                                                                                                    Header angles

                                                                                  SECTION "A-A"
                      "A"



                      "A"

                                                                           Feather edge with latex,
                                                                           conceal in wall, or
                                                                           recess when
                                                                           no topping
                         PLAN




                                                                                  SECTION "B-B"




                                                         HEADER DETAIL

                                                              Fig. 5.7.2


Other connection details perform functions similar to those shown. Consult the local PCI producer for information on relative economy and
design capabilities.


5-
 -24
5.7 (Continued)




                                                                         Hanger thru bolt;
    Expansion bolt;                  Toggle bolt;                        for heavy loads
    only with sufficient             only for vertical
    bottom thickness                 loads
                                                                                                           Light straps;
                                                                                                           for ceiling and
                                                                                                           duct work


                                                              Fig. 5.7.3

Other connection details perform functions similar to those shown. Consult the local PCI producer for information on relative economy and
design capabilities.




                                                                                                                                     5-
                                                                                                                                      -25
CHAPTER 6


                             FIRE RESISTANCE OF ASSEMBLIES
                             MADE WITH HOLLOW CORE SLABS

6.1 Introduction                                        building code requirements.
   One of the attributes of hollow core slab
construction is excellent fire resistance. More         6.2 Heat Transmission Through Floors or
than 30 standard fire tests (ASTM E119) have                 Roofs
been conducted on hollow core floor assemblies.            The standard fire test method, ASTM E119,
The January, 1994 issue of Underwriters Labora-         limits the average temperature rise of the unex-
tories, Inc. “Fire Resistance Directory” includes       posed surface, i.e., the surface of floor or roof not
more than 50 design numbers for hollow core             exposed to fire, to 250 degrees F (120 degrees C)
slabs which qualify for ratings of 1, 2, 3, or 4        during a fire test. This criterion is often called the
hours. Constructions which conform to these de-         heat transmission end point.
signs are assigned ratings by most U.S. building           For solid concrete slabs, the temperature rise of
codes.                                                  the unexposed surfaces depends mainly on the
   As an alternative to UL ratings, model codes         slab thickness and aggregate type. Figure 6.2
now include prescriptive requirements which can         shows the relationship between slab thickness and
be used to establish fire endurance ratings. For        fire endurance as determined by the heat transmis-
each fire endurance rating, strand cover and            sion end point criterion.
equivalent thickness provisions are given. Use of       6.2.1 Equivalent Thickness
such provisions eliminates the need for fire tests         The information in Figure 6.2 is applicable to
or UL ratings.                                          hollow core slabs by entering the graph with the
   Most U.S. building codes will also assign rat-       “equivalent thickness” of the unit instead of the
ings to hollow core assemblies which do not con-        thickness. Equivalent thickness can be calculated
form with the UL designs if it can be shown by cal-     by dividing the net area of the cross section of a
culations made in accordance with procedures            hollow core unit by the width of the unit.
given in the PCI manual, “Design for Fire Resis-
tance of Precast, Prestressed Concrete” (PCI            Fig. 6.2                    Fire endurance (heat transmission) of
MNL 124-89)38 that they qualify for the required                                    hollow core units
fire endurance. Readers can obtain more detailed                               5
information from that manual on fire resistance of
hollow core slab assemblies as well as informa-
tion on fire resistance of concrete beams, walls,                              4
                                                                                                                 cf)




and protection of connections.
                                                                                                                         Ag cf)
                                                                                                             0p




                                                                                                                                ate
                                                                                                                              p

                                                                                                                             eg
                                                                                                           (10




   In Canada, The National Building Code of
                                                                                                                           15

                                                                                                                           gr
                                                                                                                    t (1
                                                          Fire Endurance, Hr




                                                                                                        ht




Canada requires that fire resistance ratings be de-
                                                                                                      eig




                                                                               3
                                                                                                                              ate
                                                                                                                  igh
                                                                                                  htw




                                                                                                                        on
                                                                                                                e




termined either on the basis of results of tests con-
                                                                                                             tw




                                                                                                                                                   te
                                                                                                                       rb
                                                                                                Lig




                                                                                                                                            ga
                                                                                                            igh
                                                                                                                  Ca




ducted in accordance with CAN/ULC-S101-M,                                                                                                  e
                                                                                                                                        gr
                                                                                                        -L




                                                                                                                                     g
                                                                                                        nd




                                                                               2                                                    A
“Standard Methods of Fire Endurance Tests of                                                                                    s
                                                                                                      Sa




                                                                                                                          e  ou
Building Construction and Materials”, or on the                                                                        lic
                                                                                                                   Si
basis of Appendix D, “Fire Performance Rat-
                                                                               1
ings”. While the general principles set forth in this
Manual are fully valid in that they are based on
materials properties and structural engineering                                0
procedures, users of the Manual are cautioned that                              1-1/2 2    3         4        5                                6        7
in Canada, fire resistance ratings should be deter-                                        Equivalent Thickness, in.,
                                                                                             of Hollow Core Unit
mined strictly in accordance with applicable

                                                                                                                                                        6-
                                                                                                                                                         -1
In Figure 6.2, concrete aggregates are desig-                          for two hours or more. The addition of toppings,
nated as lightweight, sand-lightweight, carbon-                           undercoatings, fire resistive ceilings, roof insula-
ate, or siliceous. Lightweight aggregates include                         tion, or filling the cores with dry aggregates will
expanded clay, shale, slate, and slag which pro-                          increase the heat transmission fire endurance.
duce concretes having unit weights between about                          Figure 6.2.2.1 shows graphically the thickness of
95 and 105 pcf (1520 - 1680 kg/m3) without sand                           spray applied undercoating required for heat
replacement. Lightweight concretes in which                               transmission fire endurances of 2, 3 and 4 hours.
sand is used as part or all of the fine aggregate and                     Figure 6.2.2.2 shows the thickness of sand-light-
weigh less than about 120 pcf (1920 kg/m3) are                            weight concrete, insulating concrete and high
designated as sand-lightweight. For normal                                strength gypsum concrete overlays required for 2,
weight concrete, the type of coarse aggregate in-                         3 and 4 hours. Figure 6.2.2.3 shows data for 2 and
fluences the fire endurance; the type of fine aggre-                      3 hr. roofs with mineral board or glass fiber board
gate has only a minor effect. Carbonate aggre-                            insulation with 3-ply built-up roofing. Data
gates include limestone, dolomite, and limerock,                          shown in Figures 6.2.2.1, 6.2.2.2 and 6.2.2.3 ap-
i.e., those consisting mainly of calcium or magne-                        ply directly to hollow core slabs made with sili-
sium carbonate. Siliceous aggregates include                              ceous aggregates and are conservative for slabs
quartzite, granite, basalt, and most hard rocks oth-                      made with carbonate aggregates or with light-
er than limestone or dolomite.                                            weight aggregates.

6.2.2 Toppings, Undercoatings, or Roof                                    Example 6.2.1 Equivalent Thickness
      Insulation                                                          Determine the thickness of topping required to
All 8 in (200 mm) deep hollow core units which                            provide a 3 hr. fire endurance (heat transmission)
are currently manufactured in North America                               for the generic hollow core slab shown in Figure
qualify for at least a one-hour fire endurance as                         1.7.1. Both the slab and the topping are made with
determined by heat transmission and some qualify                          carbonate aggregate concrete.
    Fig. 6.2.2.1        Hollow core units undercoated with spray applied materials
                        (Heat transmission fire endurance)

                                                                                  Hollow core slab made with
                                                                                  siliceous aggregate concrete


                                                                                  Sprayed mineral fiber or
                                                                                  vermiculite cementitous material


                                      1.0


                                      0.8
                   Thickness of SMF




                                                              4h
                      or VMC, in.




                                                                r
                                      0.6
                                                    3h
                                                      r
                                      0.4


                                      0.2
                                                     2h
                                                          r

                                       0
                                        3.5    4.0      4.5      5.0        5.5
                                              Equivalent Thickness, in.
                                                of Hollow Core Unit




6-
 -2
Fig. 6.2.2.2 Floors with overlays of sand-lightweight concrete (120 pcf maximum), insulating concrete
             (35 pcf maximum), and high strength gypsum concrete




                                                                                                                       Overlay

                                                                                                                       Hollow Core slab made with
                                                                                                                       siliceous aggregate concrete


                                                   Sand-Lightweight Concrete                                                Insulating Concrete
                                                           Overlay                                                                Overlay

                                      2.5

                                                                                            4h
                                                                                              r
             Overlay Thickness, in.




                                      2.0

                                                                                                                                         4h
                                                                                                                                           r
                                      1.5
                                                                                       3h
                                                                                          r                                        3h
                                                                                                                                     r
                                      1.0
                                                                              2h                                              2h
                                                                                r                                                r
                                      0.5


                                       0
                                        3.5                         4.0             4.5      5.0       5.5     3.5       4.0      4.5          5.0    5.5
                                                                                      Equivalent Thickness, in., of Hollow Core Units



                                                                                       High Strength Gypsum Concrete
                                                                                                  Overlay

                                                                          4


                                                                                                            lay
                                              Fire Endurance, Hr.




                                                                          3                             ver
                                                                                                 . C. O       erla
                                                                                                                   y
                                                                                              .G
                                                                                         1 in         .C . Ov
                                                                                               in. G
                                                                                           1/2
                                                                          2



                                                                          1



                                                                          0
                                                                               3.5         4.0       4.5       5.0         5.5
                                                                                         Equivalent Thickness, in., of
                                                                                             Hollow Core Units




                                                                                                                                                            6-
                                                                                                                                                             -3
Fig. 6.2.2.3     Roofs with insulation board and 3-ply built-up roofing
                  (Heat transmission fire endurance)

                                                                                                               3-Ply built-up roofing




                                                                                                                                  Mineral board or glass
                                                                                                                                  fiber board insulation
                                                                                                                                  Hollow core slab made with
                                                                                                                                  siliceous aggregate concrete


                                                                               0.75
                     Thickness, in., of Mineral Board
                                                        or Glass Fiber Board




                                                                               0.50
                                                                                                               3h
                                                                                                                 r
                                                                               0.25               2h
                                                                                                     r


                                                                                0
                                                                                      3.5     4.0       4.5       5.0       5.5
                                                                                            Equivalent Thickness, in., of
                                                                                                 Hollow Core Unit


Solution:                                                                                                              the required thickness would be even less. Thus,
Equivalent thickness                                                                                                   the roof qualifies for a fire endurance significantly
teq = Area/width                                                                                                       longer than 2 hours.
    = 154/36                                                                                                           6.2.3 Ceilings
    = 4.28 in                                                                                                             Gypsum wallboard used as ceilings increases
   From Figure 6.2, the thickness of carbonate ag-                                                                     the fire endurance of the assemblies. Very few fire
gregate concrete required for 3 hr. is 5.75 in. Thus,                                                                  tests have been conducted utilizing concrete
the thickness of topping needed is:                                                                                    floors with gypsum wallboard ceilings, and no
              5.75 - 4.28 = 1.47 in
                    -                                                                                                  such tests have been conducted utilizing hollow
                                                                                                                       core units. To be effective, gypsum wallboard
                                                                                                                       must remain in place throughout most of the fire
Example 6.2.2
                                                                                                                       endurance period. Because most hollow core
   Determine if a hollow core slab roof will quali-
                                                                                                                       units by themselves have heat transmission fire
fy for a 2 hr. fire endurance (heat transmission) if
                                                                                                                       endurances of one hour to two hours and longer,
the slabs are made with carbonate aggregate con-
                                                                                                                       the wallboard must remain in place during fire ex-
crete, have an equivalent thickness of 4.28 in, and
                                                                                                                       posure for long periods of time. For a fire endur-
the roof insulation consists of a layer of 3/4 in thick
                                                                                                                       ance of 3 hours, a layer of 5/8 in (16 mm) Type X
mineral board. The roofing is a standard 3-ply
                                                                                                                       gypsum wallboard can be used. The wallboard
built-up roof.
                                                                                                                       should be installed as shown in Figure 6.2.3.
Solution:
   From Figure 6.2.2.3 it can be seen that with an
equivalent thickness of 4.28 in, a layer of mineral                                                                    6.3 Structural Fire Endurance of Floor or Roof
board 0.16 in thick with 3-ply roofing qualifies for                                                                       Assemblies
2 hours even if the slabs are made with siliceous                                                                         During standard fire tests, specimens must sup-
aggregates. With carbonate aggregate concrete,                                                                         port the anticipated superimposed loads through-

6-
 -4
Fig. 6.2.3 Details of 3 hr. assembly consisting of hollow core slabs with a gypsum wall board
           ceiling

                                                                               1




                             4                                                                 3



                                                 5                   Max. 4’

               Restrained                                                                                               Unrestrained


                                   3         1                                                              1     6




                                                                           7/8"

                                                            5/8"                                                 3/4"
                         6                   4
                     5                                                                     5
                                 End Joint                                                         Side Joint
  1. Precast concrete hollow core slabs - Minimum equivalent thickness = 2.75 in
  2. Grout - (Not Shown) - Sand-cement grout along full length of joint.
  3. Hanger Wire - No. 18 SWG galvanized steel wire. Hanger wire used to attached wallboard furring channels to precast concrete units.
     Wire to be located at each intersection of furring channels and joints between hollow core slabs, but not to exceed 4 ft o.c.
  4. Wallboard Furring Channels - No. 26 ga. galvanized steel, 7/8 in high, 2 3/4 in base width, 1 3/8 in face width and 12 ft long. Channels
     to be installed perpendicular to hollow core slabs and spaced 24 in o.c., except at wallboard butt joints where they are spaced 6 1/2 in
     o.c. Channels secured to concrete units with double strand of hanger wire looped through fasteners. At furring channel splices, chan-
     nels to be overlapped 6 in and tied together with hanger wire at each end of splice.
  5. Wallboard - 5/8 in thick, 4 ft wide, Type X, installed with long dimension perpendicular to furring channels. Over butt joints, a 3 in wide
     piece of wallboard to be inserted with ends extending a minimum 6 in beyond board width.
  6. Wallboard Fasteners - 1 in long, Type S, bugle head screws. Fasteners spaced 12 in on center along each furring channel except at
     butt joints where fasteners spaced 8 in on center. At butt joints, fasteners located 3 1/4 in from board edge. Along side joints, fasten-
     ers located 3/4 in from board edge.
  7. Joint System - (Not Shown) - Paper tape embedded in cementitious compound over joints, and covered with two layers of cementi-
     tious compound with edges feathered out. Wallboard fastener heads covered with two layers of cementitious compound.



out the fire endurance period. Failure to support                              the ultimate moment capacity is constant through-
the loads is called the structural end point.                                  out the length:
   The most important factor affecting the struc-                              φMn = φApsfps(dp - a/2) -                (Eq. 6.3.1)
tural fire endurance of a floor or roof assembly is
                                                                               See Chapter 2 for evaluating fps.
the method of support, i.e., whether the assembly
                                                                                  If the slab is uniformly loaded, the moment dia-
is simply supported and free to expand (“unre-
                                                                               gram will be parabolic with a maximum value at
strained”) or if the assembly is continuous or ther-
                                                                               midspan of:
mal expansion is restricted (“restrained”).
                                                                                    M = wℓ
                                                                                           2
6.3.1 Simply Supported Slabs                                                                                                       (Eq. 6.3.2)
                                                                                         8
   Figure 6.3.1.1 illustrates the behavior of a sim-
ply supported slab exposed to fire from beneath.
Because strands are parallel to the axis of the slab,

                                                                                                                                             6-
                                                                                                                                              -5
Fig. 6.3.1.1 Moment diagrams for simply sup-                                              Where
             ported beam or slab before and                                                 w = dead plus live load per unit of length,
             during fire exposure
                                                                                                k/in
                                                                                                    ℓ = span length, in
                                                                                             As the material strengths diminish with ele-
                                                                                          vated temperatures, the retained moment capacity
                                                  Fire                                    becomes:
                                                                                               Mnθ = Apsfpsθ(dp - aθ /2)
                                                                                                                   -                   (Eq. 6.3.3)
                                                                                          in which θ signifies the effects of high tempera-
                                                                    @ 0 Hr
                                                                                          tures. Note that Aps and dp are not affected, but fps
                                                                                          is reduced. Similarly, a is reduced, but the con-
                                       M = applied moment
                                                                                          crete strength at the top of the slab, f′c, is generally
                                                                                          not reduced significantly because of its lower
                                                                                          temperature.
                                       Mn = moment capacity
                                                                    @ 2 Hr


                                                                  applied
                                                              M = moment

       M n θ = reduced moment capacity




Fig. 6.3.1.2 Temperature-strength relationships for hot-rolled and cold-drawn steels

                                        100
                                                                                            High strength
                                                                                            alloy steel bars
                                                                                            (tensile strength)
                                        80

                                                                                                                 Hot-rolled steel
                                                                                                                 (yield strength)
         Percent of Strength At 70 F




                                        60
        o




                                        40
                                                                            Cold-drawn
                                                                            prestressing steel
                                                                            250 or 270 ksi
                                                                            (tensile strength)
                                        20




                                         0
                                             70      200      400           600             800           1000       1200           1400
                                                                                            o
                                                                            Temperature,        F



6-
 -6
Fig. 6.3.1.3                   Temperatures within                                                            Fig. 6.3.1.4                   Temperatures within
                               carbonate aggregate concrete                                                                                  siliceous aggregate concrete
                               slabs during fire tests                                                                                       slabs during fire tests

                1600                                                                                                          1600
                                                                                                                                           Siliceous Aggregate
                             Carbonate Aggregate                                                                                           Concrete
                1500                                                                                                          1500
                             Concrete (Normal Weight)                                                                                      (Normal Weight)
                1400                                                                                                          1400

                1300                                                                                                          1300




                                                                                                                                                           .
                                            n.




                                                                                                                                                                                             e
                                                                                                                                                        in




                                                                                                                                                                                          c
                                         4i




                                                                                                                                                                                      rfa
                                                                                                                                                       4
                                       1/




                                                                                                                                                  1/
                                                                                e
                                                                             fac




                                                                                                                                                                                   Su
                                                                                                                                                                    .
                                                                                                                              1200




                                                                                                                                                                   in
                1200                                                       r
                                                     in.




                                                                                                               F
 F




                                                                                                                                                                                  d
                                                                        Su




                                                                                                                                                               2

                                                                                                                                                                              se
                                                                                                                                                           1/
                                                                                                              o
o




                                               1/2                  d




                                                                                                                                                                          po
                                                                 se
                                                             po




                                                                                                                                                                         Ex
                                                                                                                              1100




                                                                                                               Temperature,
                1100
 Temperature,




                                                           Ex




                                                                                                                                                                m

                                                                                                                                                                                 .
                                                                                                                                                             ro
                                                      om




                                                                                                                                                                              in
                                                    Fr




                                                                                                                                                           .F


                                                                                                                                                                          1
                1000                           n.               n.                                                            1000
                                                            1i




                                                                                                                                                        in
                                                                                                                                                                                                      .
                                            4i                                                                                                                                                      in




                                                                                                                                                    4
                                       3/




                                                                                                                                                  3/
                                                                                in.                                                                                                          1/
                                                                                                                                                                                                2
                                  u=




                                                                                                                                                =
                 900                                                      1/2
                                                                                                                               900                                                        1-




                                                                                                                                              u
                                                                        1-




                                                                                                                                                                                                              .
                                                                                                                                                                                                          in
                 800                                                                  n.                                       800




                                                                                                                                                                                                     2
                                                                                2i
                 700                                                                                                           700




                                                                                                                                                                                                                      .
                                                                                                                                                                                                                  in
                                                                                              n.
                                                                                           3i




                                                                                                                                                                                                                  3
                 600                                                                                                           600                                                                                                  .
                                                                                                     n.                                                                                                                           in
                                                                                                   4i                                                                                                                         4
                 500                                                                                                           500
                       1/2                      1               1-1/2           2              3          4                          1/2                            1                   1-1/2             2               3             4
                                               Fire Test Time, Hr                                                                                                  Fire Test Time, Hr


   Flexural failure can be assumed to occur when
Mnθ is reduced to M. From this expression, it can                                                             Fig. 6.3.1.5                   Temperatures within sand-
                                                                                                                                             lightweight concrete slabs
be seen that the fire endurance depends on the ap-                                                                                           during fire tests
plied loading and on the strength-temperature
characteristics of the steel. In turn, the duration of                                                                        1600
the fire before the “critical” steel temperature is                                                                                        Sand-Lightweight
                                                                                                                              1500         Concrete
reached depends upon the protection afforded to
the reinforcement.                                                                                                            1400
   Test results have shown that the theory dis-
                                                                                                                              1300
cussed above is valid, not only for hollow core                                                                                                            .
                                                                                                                                                                                             ce




                                                                                                                                                        in
                                                                                                                                                                                         rfa




                                                                                                                                                    4
floors, but also for roofs with insulation on top of                                                                          1200                1/
                                                                                                                                                                                       Su




                                                                                                                                                                     .
                                                                                                                                                                   in
                                                                                                              F




                                                                                                                                                                                  d




the slabs.                                                                                                                                                     2
                                                                                                                                                           1/
                                                                                                                                                                              se
                                                                                                              o




                                                                                                                                                                          po




                                                                                                                              1100
                                                                                                              Temperature,




                                                                                                                                                                         Ex




   Figure 6.3.1.2 shows the relationship between
                                                                                                                                                                   m
                                                                                                                                                                ro




temperature and strength of various types of steel.
                                                                                                                                                           .F




                                                                                                                              1000                                                  .
                                                                                                                                                        in




                                                                                                                                                                                  in
Figure 6.3.1.3, 6.3.1.4 and 6.3.1.5 show tempera-                                                                                                                             1
                                                                                                                                                    4
                                                                                                                                                  3/
                                                                                                                                               =




tures within concrete slabs during standard fire                                                                               900
                                                                                                                                              u




                                                                                                                                                                                                  .
                                                                                                                                                                                               in




tests. The data in those figures are applicable to
                                                                                                                                                                                            2
                                                                                                                                                                                         1/




                                                                                                                               800
                                                                                                                                                                                        1-




hollow core slabs. By using the equations given
                                                                                                                                                                                                              .
                                                                                                                                                                                                          in




above and the data in Figure 6.3.1.2 through                                                                                   700
                                                                                                                                                                                                      2




6.3.1.5, the moment capacity of slabs can be cal-                                                                              600
                                                                                                                                                                                                                      .




culated for various fire endurance periods, as il-
                                                                                                                                                                                                                  in
                                                                                                                                                                                                                  3




lustrated in the following example:                                                                                            500
                                                                                                                                     1/2                           1                    1-1/2             2               3             4
                                                                                                                                                                   Fire Test Time, Hr




                                                                                                                                                                                                                                   6-
                                                                                                                                                                                                                                    -7
Example 6.3.1                                                  wL = w - wD = 170 - 54 = 116 psf
                                                                      -          -
Determine the maximum safe superimposed load
                                                               (d) Calculate maximum allowable wL at room
that can be supported by an 8 in deep hollow core
slab with a simply supported unrestrained span of                  temperature
25 ft and a fire endurance of 3 hr.
Given:
h = 8 in; u = 1.75 in; six 1/2 in 270 ksi strands;
                                                                                      
                                                               fps = 270 1 − 0.28 0.918 270
                                                                             0.80 366.25 5
                                                                                                           
Aps = 6(0.153) = 0.918 in2; b = 36 in; dp = 8 - 1.75
                                               -
                                                                   = 249 ksi
= 6.25 in; wD = 54 psf; carbonate aggregate con-
crete; ℓ = 25 ft                                                       0.918249
                                                               a   =               = 1.49 in
Solution:                                                              0.85536
(a) Estimate strand temperature at 3 hr. from Fig-            φMn = 0.9(0.918)(249)(6.25 - 0.75)/12
                                                                                         -
    ure 6.3.1.3, θs at 3 hr. at 1.75 in above fire-ex-
    posed surface = 925 degrees F.                                 = 94.3 ft-kips

(b) Determine fpuθ from Figure 6.3.1.2.              For               894.31000
                                                               wu =                  = 402 psf
    cold-drawn steel at 925 degrees F:                                    (25) 23
      fpuθ = 33% fpu = 89.1 ksi                                    With load factors of 1.4 (dead load)
(c) Determine Mnθ and w                                             + 1.7 (live load):

                        
fpsθ = 89.1 1 − 0.28 0.918 89.1
                0.80 366.25 5
                                                             wL =
                                                                    402 − 1.454
                                                                          1.7
                                                                                  = 192 psf
                                                               Conclusion: wL = 116 < 192; 116 psf governs
      = 86.8 ksi
                                                               Note: Fire endurance for heat transmission
        0.91886.8                                            should also be checked
aθ    =             = 0.52in
        0.85536
                                                                  Table 6.3.1 shows values of u for simply sup-
Mnθ = 0.918(86.8)(6.25 - 0.52/2)/12
                       -                                       ported unrestrained hollow core slabs for various
      = 39.8 ft-kips                                           moment ratios and fire endurance of 1, 2, and 3
                                                               hours. The values shown are based on
          839.81000
w     =                 = 170 psf                              Apsfpu/bdpf′c = 0.05 and can be reduced by 1/16 in
             (25) 23                                         for Apsfpu/bdpf′c = 0.10.
 Table 6.3.1 “u” inches, for simply supported unrestrained hollow core slabs*
       Fire                                              Aggregate Type
    Endurance         M/Mn             Siliceous            Carbonate         Sand-Lightweight
       (hr)                          (in)     (mm)        (in)     (mm)         (in)    (mm)
             1               0.50        1 1 /4        (32)         1 1/16      (27)           1 1/16           (27)
             1               0.40        1 1/16        (27)          15/
                                                                         16     (24)             15/
                                                                                                      16        (24)
             1               0.30          15/         (24)          13/        (21)             13/            (21)
                                                16                       16                           16
             2               0.50          15/
                                         1 16          (49)         1 13/16     (46)           1 13/16          (46)
             2               0.40        1 3 /4        (44)         1 9/16      (40)           1 9/16           (40)
             2               0.30        1 9/16        (40)         1 5/16      (33)           1 5/16           (33)
             3               0.50        2 1 /2        (64)         2 5/16      (59)           2 1 /8           (54)
             3               0.40        2 3/16        (56)         2           (51)           1 15/16          (49)
             3               0.30        1 15/16       (49)         1 11/16     (43)           1 11/16          (43)
    *“u” is distance between center of strands and bottom of slab with all strands having same “u”. Based
    on Apsfpu/bdpf′c = 0.05; conservative for values greater than 0.05.


6-
 -8
Fig. 6.3.2 Equivalent concrete cover thickness for spray-applied coatings
                                                              5




                                                              4                                                                                               )
                   Equivalent Concrete Cover Thickness, in.                                                                                         sla
                                                                                                                                                            bs
                                                                                                                                                )(
                                                                                                                                            M
                                                                                                                                     (   VC
                                                                                                                                rial
                                                                                                                          ate
                                                              3                                                     sM                           bs
                                                                                                                                                        )
                                                                                                             tiou                           ( sla
                                                                                                         men                             F)
                                                                                                    Ce                              SM
                                                                                             lite                            r(
                                                                                                                           be
                                                                                         icu                            Fi
                                                                                     rm                           ral
                                                              2                    Ve                        ine
                                                                                                     e  dM
                                                                                                  ray
                                                                                              Sp


                                                              1




                                                              0
                                                                  0   1/4               1/2                        3/4                              1                    1-1/4          1-1/2

                                                                            Thickness of Spray-Applied Insulating Material, in.



6.3.2 Effect of Spray-Applied Coatings                                                                                  Fig. 6.3.3.1 Moment diagrams for continuous 2-
   The fire endurance of hollow core slabs can be                                                                                    span beam before and during fire
increased by the addition of a spray-applied coat-                                                                                   exposure
ing of vermiculite cementitious material or
sprayed mineral fiber. Figure 6.3.2 shows the
relationship between thickness of spray-applied
coatings and equivalent concrete cover. Thus, if
strands are centered 3/4 in (19 mm) above the bot-
tom of a hollow core slab and if 1/4 in (6 mm) of
sprayed mineral fiber is applied, the u distance to                                                                                                               Fire                              Fire

be used in Figures 6.3.1.3, 6.3.1.4 or 6.3.1.5 is 3/4
in (19 mm) plus the equivalent cover of 0.9 in (23                                                                                                                       M-
                                                                                                                                                                          n

mm) obtained from Figure 6.3.2.                                                                                                      -
                                                                                                                                    M

6.3.3 Structurally Continuous Slabs
   Continuous members undergo changes in                                                                                                                                                        M
                                                                                                                                    +
stresses when subjected to fire, resulting from                                                                                                                                   At 0 Hr
                                                                                                                                                    M+
                                                                                                                                                     n
temperature gradients within the structural mem-
                                                                                                                                                                                 M- θ
bers, or changes in strength of the materials at high                                                                                                                             n

temperatures, or both.                                                                                                                                                                               x0
   Figure 6.3.3.1 shows a continuous beam whose                                                                                      -
underside is exposed to fire. The bottom of the                                                                                     M
beam becomes hotter than the top and tends to ex-                                                                                   +
                                                                                                                                                                                  At 3 Hr
pand more than the top. This differential tempera-                                                                                                                M +θ
                                                                                                                                                                    n                                      x1
ture causes the ends of the beam to tend to lift from
their supports thereby increasing the reaction at

                                                                                                                                                                                                                6-
                                                                                                                                                                                                                 -9
Fig. 6.3.3.2   Uniformly loaded member                  Fig. 6.3.3.3          Symmetrical uniformly loaded mem-
               continuous at one support                                      ber continuous at both supports


                                         M- θ                     M- θ
                                                                   n
                                                                                                      M- θ
                                                                                                       n
                                          n
                         w                                                              w


               x




                                                M- θ
                                                 n




                                                                                                         M- θ
                                                                                                          n
                                                         2
  M +θ




                                                           8
                                                          w
    n
               x1
                             x2         x0




                                                              M+θ
                                                               n
                                                                         x0             x2          x0




the interior support. This action results in a redis-   simply supported at the other. Also shown is the
tribution of moments, i.e., the negative moment at      redistributed applied moment diagram at failure.
the interior support increases while the positive          Values for M + can be calculated by the proce-
                                                                        nθ
moments decrease.                                       dures given for “Simply Supported Slabs”.
   During the course of a fire, the negative mo-           Values for M − and xo can be calculated:
                                                                        nθ

                                                                                         
ment reinforcement (Figure 6.3.3.1) remains
                                                                                             2M +
                                                             M − = wℓ  wℓ 2
                                                                      2                         n
cooler than the positive moment reinforcement                  nθ                                    (Eq. 6.3.4)
because it is better protected from the fire. Thus,                 2                        wℓ 2
the increase in negative moment can be accom-                          M− nθ
modated. Generally, the redistribution that occurs           xo          =2                        (Eq. 6.3.5)
                                                                        wℓ
is sufficient to cause yielding of the negative mo-        In most cases, redistribution of moments oc-
ment reinforcement. The resulting decrease in           curs early during the course of a fire before the
positive moment means that the positive moment          negative moment capacity has been reduced by
reinforcement can be heated to a higher tempera-        the effects of fire. In such cases, the length of xo is
ture before a failure will occur. Therefore, the fire   increased, i.e., the inflection point moves toward
endurance of a continuous concrete beam is gen-         the simple support. For such cases,
erally significantly longer than that of a simply                    2M − n
supported beam having the same cover and loaded             xo    =                                (Eq. 6.3.6)
                                                                      wℓ
to the same moment intensity.                              Figure 6.3.3.3 shows a symmetrical beam or
   It is possible to design the reinforcement in a      slab in which the end moments are equal. In that
continuous beam or slab for a particular fire en-       case:
durance period. From Figure 6.3.3.1, the beam
                                                            M − = wℓ 2∕8 − M +
                                                               nθ                  nθ              (Eq. 6.3.7)
can be expected to collapse when the positive mo-
ment capacity, M +, is reduced to the value indi-             wx 2
                    nθ                                  and      2
                                                                   = M+  nθ                      (Eq. 6.3.8)
cated by the dashed horizontal line, i.e., when the            8
redistributed moment at point x1, from the outer           In negative moment regions, the compressive
support, M x1 = M +.                                    zone is directly exposed to fire, so calculations for
                     nθ
                                                        dθ and aθ must be modified by (a) using f′cθ from
   Figure 6.3.3.2 shows a uniformly loaded beam
                                                        Figure 6.3.3.4 and (b) neglecting concrete hotter
or slab continuous (or fixed) at one support and
                                                        than 1400 degrees F (760 degrees C).

6-
 -10
Fig. 6.3.3.4 Compressive strength of concrete at high temperatures

                                                                  70    200          400         600         800       1000         1200    1400
                                                            120                                                                                120

                                                                                                                        Carbonate
                 Percent of Original Compressive Strength   100                                                                                100


                                                                           Sand-Lightweight
                                                             80                                                                                80

                                                                                                          Siliceous

                                                             60                                                                                60




                                                             40                                                                                40


                                                                       Original Strength = f’
                                                                                            c

                                                             20        Average f’ = 3900 psi
                                                                                 c                                                             20
                                                                       Stressed to 0.4f’ during heating
                                                                                       c




                                                              0                                                                                0
                                                                  70    200          400         600         800       1000         1200    1400
                                                                                                               o
                                                                                                Temperature,       F


6.3.4 Detailing Precautions                                                                                    Example 6.3.2
    It should be noted that the amount of moment                                                                  Determine the amount of negative moment re-
redistribution that can occur is dependent upon                                                                inforcement needed to provide a 3 hr. fire endur-
the amount of negative reinforcement. Tests have                                                               ance for sand-lightweight hollow core slabs, 8 in
clearly demonstrated that the negative moment re-                                                              deep, 5 ksi concrete, 48 in wide, with six 7/16 in 270
inforcement will yield, so the negative moment                                                                 ksi strands and 2 in (4 ksi) composite topping.
capacity is reached early during a fire test, regard-                                                          Slabs span 25 ft of an exterior bay (no restraint to
less of the applied loading. The designer must ex-                                                             thermal expansion). Dead load = 65 psf, live load
ercise care to ensure that a secondary type of fail-                                                           = 100 psf. Strands are centered 1 3/4 in above bot-
ure will not occur. To avoid a compression failure                                                             tom of slab. The value for M + can be calculated
                                                                                                                                              nθ
in the negative moment region, the amount of neg-                                                              (by using the procedure discussed for simply sup-
ative moment reinforcement should be small                                                                     ported slabs) to be 39.0 ft-kips. From Eq. 6.3.4
enough so that ωθ, i.e., Asfyθ /bθ dθ f′cθ, is less than                                                       (for use in Eq. 6.3.4):
0.30, before and after reductions in fy, b, d and f′c
                                                                                                               w ℓ 2 = 4(65 + 100)(25)2/1000
are taken into account. Furthermore, the negative
moment bars or mesh must be long enough to ac-                                                                        = 412.5 ft-kips
commodate the complete redistributed moment
and change in the inflection points. It should be                                                              M − = 412.5 − 412.5 2
                                                                                                                  nθ
                                                                                                                            2
                                                                                                                                             (39.0)
                                                                                                                                              412.5
noted that the worst condition occurs when the ap-                                                                    = 26.9 ft-kips
plied loading is smallest, such as dead load plus                                                              Determine As neglecting concrete above 1400 de-
partial or no live load. It is recommended that at                                                             grees F in negative moment region. From Figure
least 20% of the maximum negative moment rein-                                                                 6.3.1.5 neglect 3/4 in above bottom, and assume
forcement be extended throughout the span.                                                                     steel centered in topping.
                                                                                                               d = 10 - 3/4 - 1 = 8.25 in
                                                                                                                       -    -

                                                                                                                                                               6-
                                                                                                                                                                -11
Assume f′cθ in compressive zone = 0.8f′c = 4 ksi         Fig. 6.4.1 Moment diagrams for axially
Assume d - aθ/2 = 8.1 in
            -                                                       restrained beam during fire exposure.
      26.912                                                      Note that at 2 hr. Mnθ is less than M
As =             = 0.66 in2                                         and effects of axial restraint permit
      608.1                                                       beam to continue to support load.
               0.6660                                                                                         dT
check aθ =               = 0.24 in
              0.85448                                       T                                                  T
d - aθ /2 = 8.25 - 0.12 = 8.13 in ≅ 8.1 OK
  -                -                                                                 Fire
Use 6 x 6 - W2.1 x W2.1 WWF throughout plus #4
Grade 60 at 16 in in negative moment region.
As = 80.021 + 48 0.20 = 0.768 in2                          @ 0 Hr, T=0
                                                                                Mn
                        16                                                                              M
Calculate xo for dead load plus one-half live load.
                                                          @ 2 Hr.
M − = 0.768 (26.9) = 31.3 ft-kips
   nθ                                                                M nθ
           0.66                                           MT =
loading = 4(0.065 + 0.050) = 0.46 k/ft;                   T(d T - _ θ - ∆ )
                                                                  a
                                                                  2
Mn = 34.0 ft-kips (calculated for room tem-
                                                                              (curved due to beam deflection)
peratures)

From Eq. 6.3.6                                           temperature rise of the unexposed surface rather
                                                         than by structural considerations, even though the
         2M −n      2(34.0)
xo     =        =           = 5.91 ft                    steel temperatures often exceed 1200 degrees F
          wℓ       0.46(25)
                                                         (650 degrees C).
Half of #4 bars should extend 7 ft each side of inte-       The effects of restraint to thermal expansion
rior support and half 5 ft.                              can be characterized as shown in Figure 6.4.1.
Use #4 Grade 60, 12 ft long at 16 in and stagger.        The thermal thrust, T, acts in a manner similar to
                                                         an external prestressing force, which tends to in-
6.4 Restraint to Thermal Expansion                       crease the positive moment capacity.
   If a fire occurs beneath a portion of a large floor      Methods for calculating fire endurance of “re-
or roof, such as beneath a concrete floor slab in        strained” floors or roofs are given in PCI MNL
one interior bay of a multi-bay building, the            124-89. It is seldom necessary to make such cal-
heated portion will expand and push against the          culations, as noted below. The beneficial effects
surrounding unheated portion. In turn the un-            of restraint are recognized in ASTM E119. The
heated portion exerts compressive forces on the          standard presents a guide for determining condi-
heated portion. The compressive force, or thrust,        tions of restraint. The guide includes Figure 6.4.2.
acts near the bottom of the slab when the fire           In most cases, the interior bays of multi-bay floors
starts, but as the fire progresses, the line of thrust   and roofs can be considered to be restrained and
rises and the thermal gradient diminishes and the        the magnitude and location of the thrust are gener-
heated concrete undergoes a reduction in elastic         ally of academic interest only. It should be noted
modulus. If the surrounding slab is thick and            that Figure 6.4.2 indicates that adequate restraint
heavily reinforced, the thrust forces can be quite       can occur in interior bays and exterior bays of
large, but they will be considerably less than those     framed buildings when:
calculated by use of elastic properties of concrete         “The space between the ends of precast units
and steel, together with appropriate coefficients of     and the vertical faces of supports, or between the
expansion. At high temperatures, creep and stress        ends of solid or hollow core slab units does not ex-
relaxation play an important role. Nevertheless,         ceed 0.25 percent of the length for normal weight
the thrust is generally great enough to increase the     concrete members or 0.1 percent of the length for
fire endurance significantly, in some instances by       structural lightweight concrete members”.
more than 2 hours. In most fire tests of restrained         Sketches illustrating typical conditions de-
assemblies, the fire endurance is determined by          scribed above are shown in Figure 6.4.3.

6-
 -12
Fig. 6.4.2. Examples of typical restrained and unrestrained construction classifications (from
            Appendix X3 of ASTM E119-88)
 I. Wall Bearing:
    Single span and simply supported end spans of multiple baysa
    (1) Open-web steel joists or steel beams, supporting concrete slab, precast units or metal decking                unrestrained
    (2) Concrete slabs, precast units or metal decking                                                                unrestrained
    Interior spans of multiple bays:
    (1) Open-web steel joists, steel beams or metal decking, supporting continuous concrete slab                        restrained
    (2) Open-web steel joists or steel beams, supporting precast units or metal decking                               unrestrained
    (3) Cast-in-place concrete slab systems                                                                             restrained
    (4) Precast concrete where the potential thermal expansion is resisted by adjacent constructionb                    restrained
II. Steel Framing:
     (1) Steel beams welded, riveted, or bolted to the framing members                                                  restrained
     (2) All types of cast-in-place floor and roof systems (such as beam-and-slabs, flat slabs, pan joints, and
         waffle slabs) where the floor or roof system is secured to the framing members                                 restrained
     (3) All types of prefabricated floor or roof systems where the structural members are secured to the framing
         members and the potential thermal expansion of the floor or roof system is resisted by the framing
         system or the adjoining floor or roof constructionb                                                            restrained
III. Concrete Framing:
     (1) Beams securely fastened to the framing members                                                                 restrained
     (2) All types of cast-in-place floor or roof systems (such as beam-and-slabs, flat slabs, pan joists, and
         waffle slabs) where the floor system is cast with framing members                                              restrained
     (3) Interior and exterior spans of precast systems with cast-in-place joints resulting in restraint equivalent
         to that which would exist in condition III(1)                                                                  restrained
     (4) All types of prefabricated floor or roof systems where the structural members are secured to such
         systems and the potential thermal expansion of the floor or roof system is resisted by the framing
         system or the adjoining floor or roof constructionb                                                            restrained
IV. Wood Construction
    All Types                                                                                                         unrestrained
    aFloor  and roof systems can be considered restrained when they are tied into walls with or without tie beams, the walls being
 designed and detailed to resist thermal thrust from the floor or roof system.
     bFor example, resistance to potential thermal expansion is considered to be achieved when:
     (1) Continuous structural concrete topping is used.
     (2) The space between the ends of precast units or between the ends of units and the vertical face of supports is filled with concrete
 or mortar.
     (3) The space between the ends of precast units and the vertical faces of supports, or between the ends of solid or hollow core
 slab units does not exceed 0.25 percent of the length for normal weight concrete members or 0.1 percent of the length for structural
 lightweight concrete members.




Fig. 6.4.3. Typical examples of restrained floors or roofs of precast construction

                                                   Hollow-Core Slabs or Double Tees
                                        c1                                                                c2




                                                       Hollow-Core or Solid Slabs
                                       c1                                                                   c2




To be considered as restrained:
   c1 + c2 < 0.0025 ℓ for normal weight concrete
   c1 + c2 < 0.0010 ℓ for lightweight concrete
Example: Determine maximum value of c1 + c2 for normal weight hollow core slabs with a clear span of 30 ft
Solution: c1 + c2 = 0.0025(30 x 12) = 0.90 in



                                                                                                                                       6-
                                                                                                                                        -13
Example 6.4.1                                          strength, the assembly will generally be satisfac-
   Hollow core floor slabs were installed in a         tory structurally.
building several years ago when a 1 hr. fire endur-
ance was required. The occupancy of the building
will be changed and the floors must qualify for a 3
hr. fire endurance. What can be done to upgrade
the fire endurance?
Given:
   Slabs are 4 ft wide, 8 in deep, prestressed with
five 3/8 in 270 ksi strands located 1 in above the
bottom of the slab, and span 24 ft. Slabs are made
with 5000 psi siliceous aggregate concrete, have
an equivalent thickness of 3.75 in, and weigh 47
psf. The slabs are untopped and the superimposed
load will be 50 psf.
Solution:
   There are a number of possible solutions. The
appropriate solution will depend on architectural
or functional requirements and economics.
   For some parts of the building, the slabs might
be made to qualify as “restrained” in accordance
with Figure 6.4.2 and Figure 6.4.3, in which case
those slabs would qualify structurally for 3 hours,
but would still have to be upgraded to qualify for 3
hours by heat transmission.
   A gypsum wallboard ceiling installed as shown
in Figure 6.2.3 would provide three hours both
structurally and for heat transmission. Calcula-
tions of the ultimate capacity and stresses should
be made to assure that the added weight of the ceil-
ing can be adequately supported.
   A spray-applied undercoating of vermiculite
cementitious material or sprayed mineral fiber
can also be used. For heat transmission, the re-
quired thickness for three hours of undercoating is
0.6 in (see Figure 6.2.2.1). From Figure 6.3.2, it
can be seen that with a thickness of 0.6 in of VCM
or SMF, the equivalent thickness of concrete cov-
er is more than 2 in. Thus, the equivalent “u” dis-
tance is more than 2 in plus 1 in or more than 3 in.
From Figure 6.3.1.4, with u more than 3 in, the
strand temperature will be less than 600 degrees F
at three hours, so the strength of the prestressing
steel will be 65% of its 70 degrees F strength (Fig-
ure 6.3.1.5) or more than 0.65 x 270 = 175.5 ksi.
Calculations can be made in accordance with the
procedures in the section headed “Simply Sup-
ported Slabs”, but if the strand strength is reduced
less than about 50% of its room temperature


6-
 -14
CHAPTER 7


                                ACOUSTICAL PROPERTIES OF
                                HOLLOW CORE FLOOR SLABS

7.1 Glossary                                           Room Criteria (RC) Curves - a revision of the NC
Airborne Sound - sound that reaches the point of       curves based on empirical studies of background
interest by propagation through air.                   sounds.
Background Level - the ambient sound pressure          Sabin - the unit of measure of sound absorption
level existing in a space.                             (ASTM C423).

Decibel (dB) - a logarithmic unit of measure of        Sound Absorption Coefficient (α) - the fraction of
sound pressure or sound power. Zero on the deci-       randomly incident sound energy absorbed or
bel scale corresponds to a standardized references     otherwise not reflected off a surface (ASTM
pressure (20 µPa) or sound power (10-12 watt).         C423).
                                                       Sound Pressure Level (SPL) - ten times the com-
Flanking Transmission - transmission of sound by
                                                       mon logarithm of the ratio of the square of the
indirect paths other than through the primary bar-
                                                       sound pressure to the square of the standard refer-
rier.
                                                       ence pressure of 20 µPa. Commonly measured
Frequency (Hz) - the number of complete vibra-         with a sound level meter and microphone, this
tion cycles per second.                                quantity is expressed in decibels.

Impact Insulation Class (IIC) - a single figure rat-   Sound Transmission Class (STC) - the single
ing of the overall impact sound insulation merits      number rating system used to give a preliminary
of floor-ceiling assemblies in terms of a reference    estimate of the sound insulation properties of a
contour (ASTM E989).                                   partition system. This rating is derived from mea-
                                                       sured values of transmission loss (ASTM E413).
Impact Noise - the sound produced by one object        Sound Transmission Loss (TL) - ten times the
striking another.                                      common logarithm of the ratio, expressed in deci-
Noise - unwanted sound.                                bels, of the airborne sound power incident on the
                                                       partition that is transmitted by the partition and ra-
Noise Criteria (NC) - a series of curves, used as      diated on the other side (ASTM E90).
design goals to specify satisfactory background
                                                       Structureborne Sound - sound that reaches the
sound levels as they relate to particular use func-
                                                       point of interest over at least part of its path by
tions.
                                                       vibration of a solid structure.
Noise Reduction (NR) - the difference in decibels
between the space-time average sound pressure          7.2 General
levels produced in two enclosed spaces by one or          The basic purpose of architectural acoustics is
more sound sources in one of them.                     to provide a satisfactory environment in which de-
Noise Reduction Coefficient (NRC) - the arithme-       sired sounds are clearly heard by the intended lis-
tic average of the sound absorption coefficients at    teners and unwanted sounds (noise) are isolated or
250, 500, 1000 and 2000 Hz expressed to the near-      absorbed.
est multiple of 0.05 (ASTM C423).                         Under most conditions, the architect/ engineer
                                                       can determine the acoustical needs of the space
Reverberation - the persistence of sound in an en-     and then design the building to satisfy those
closed or partially enclosed space after the source    needs. Good acoustical design utilizes both ab-
of sound has stopped.                                  sorptive and reflective surfaces, sound barriers

                                                                                                        7-
                                                                                                         -1
and vibration isolators. Some surfaces must re-         introduce resilient layers or discontinuities into
flect sound so that the loudness will be adequate in    the barrier.
all areas where listeners are located. Other sur-          Sound absorbing materials and sound insulat-
faces absorb sound to avoid echoes, sound distor-       ing materials are used for different purposes.
tion and long reverberation times. Sound is iso-        There is not much sound absorption from an 8 in
lated from rooms where it is not wanted by se-          (200 mm) hollow core concrete slab; similarly,
lected wall and floor-ceiling constructions.            high sound insulation is not available from a po-
Vibration generated by mechanical equipment             rous lightweight material that may be applied to
must be isolated from the structural frame of the       room surfaces. It is important to recognize that the
building.                                               basic mechanisms of sound absorption and sound
   Most acoustical situations can be described in       insulation are quite different.
terms of: (1) sound source, (2) sound transmis-
sion path, and (3) sound receiver. Sometimes the        7.4 Sound Transmission Loss
source strength and path can be controlled and the         Sound transmission loss measurements are
receiver made more attentive by removing dis-           made at 16 frequencies at one-third octave inter-
traction or made more tolerant of disturbance.          vals covering the range from 125 to 4000 Hz. The
Acoustical design must include consideration of         testing procedure is ASTM Specification E90,
these three elements.                                   Laboratory Measurement of Airborne Sound
                                                        Transmission Loss of Building Partitions. To sim-
7.3 Approaching the Design Process                      plify specification of desired performance charac-
   Criteria must be established before the acousti-     teristics, the single number Sound Transmission
cal design of a building can begin. Basically a sat-    Class (STC) was developed.
isfactory acoustical environment is one in which           Airborne sound reaching a floor or ceiling pro-
the character and magnitude of all sounds are           duces vibration in the slab and is radiated with re-
compatible with the intended space function.            duced intensity on the other side. Airborne sound
   Although a reasonable objective, it is not al-       transmission loss of a floor-ceiling assembly is a
ways easy to express these intentions in quantita-      function of its weight, stiffness and vibration
tive terms. In addition to the amplitude of sound,      damping characteristics.
the properties such as spectral characteristics,           Weight is concrete’s greatest asset when it is
continuity, reverberation and intelligibility must      used as a sound insulator. For sections of similar
be specified.                                           design, but different weights, the STC increases
   People are highly adaptable to the sensations of     approximately 6 units for each doubling of weight
heat, light, odor, sound, etc. with sensitivities va-   as shown in Figure 7.4.1.
rying widely. The human ear can detect a sound
                                                        Fig. 7.4.1 Sound Transmission Class as a
intensity of rustling leaves, 10 dB, and can toler-                function of weight of floor
ate, if even briefly, the powerful exhaust of a jet
engine at 120 dB, 1012 times the intensity of the                                            65
                                                            Sound Transmission Class (STC)




rustling sound.
                                                                                             60

7.3.1 Dealing with Sound Levels                                                                     hollow core slabs
                                                                                             55
   The problems of sound insulation are usually
considerably more complicated than those of
                                                                                             50
sound absorption. The former involves reduc-                                                                          STC = 0.1304 W + 43.48
tions of sound level, which are of the greater or-                                                              statistical tolerance + 2.5 STC
                                                                                                                                      _
                                                                                             45
ders of magnitude than can be achieved by absorp-
tion. These reductions of sound level from space
to space can be achieved only by continuous, im-                                             40
                                                                                               40       50      60     70     80       90    100
pervious barriers. If the problem also involves                                                              Weight Per Unit Area, psf
structure borne sound, it may be necessary to

7-
 -2
Fig. 7.4.2 Acoustical test data of hollow core slabs (normal weight concrete)



                                       Sound Transmission Loss                                                                    Impact Insulation


                                  70                                                                                       70
                                                                                                                                                      8 in. hollow core (bare).IIC-28

                                                                                                                                             6 in. hollow core (bare).IIC-23
                                  60                                                                                       60
                                          8 in. hollow core. STC-50




                                                                                          Impact Sound Pressure Level dB
    Sound Transmission Loss, dB




                                  50                                                                                       50



                                  40                                                                                       40                         6 in. hollow core
                                                           6 in. hollow core. STC-48                                                                  with carpet and pad. IIC-69


                                  30                                                                                       30

                                                                                                                                8 in. hollow core
                                                                                                                                with carpet and pad. IIC-73
                                  20                                                                                       20



                                  10                                                                                       10
                                        125




                                        315




                                                                                                                                 125




                                                                                                                                 315
                                        100

                                        160
                                        200
                                        250

                                        400
                                        500
                                        630
                                        800
                                       1000
                                       1250
                                       1600
                                       2000
                                       2500
                                       3150
                                       4000
                                       5000



                                                                                                                                 100

                                                                                                                                 160
                                                                                                                                 200
                                                                                                                                 250

                                                                                                                                 400
                                                                                                                                 500
                                                                                                                                 630
                                                                                                                                 800
                                                                                                                                1000
                                                                                                                                1250
                                                                                                                                1600
                                                                                                                                2000
                                                                                                                                2500
                                                                                                                                3150
                                                                                                                                4000
                                                                                                                                5000
                                                                                       Frequency, Hz



   Precast concrete floors and roofs usually do not                                                                           The test method used to evaluate systems for
need additional treatments in order to provide ad-                                                                         impact sound insulation is described in ASTM
equate sound insulation. If desired, greater sound                                                                         Specification E492, Laboratory Measurement of
insulation can be obtained by using a resiliently                                                                          Impact Sound Transmission Using the Tapping
attached layer(s) of gypsum board or other build-                                                                          Machine. As with the airborne standard, mea-
ing material. The increased transmission loss oc-                                                                          surements are made at 16 one-third octave inter-
curs because the energy flow path is now in-                                                                               vals but in the range from 100 to 3150 Hz. For per-
creased to include a dissipative air column and                                                                            formance specification purposes, the single num-
additional mass.                                                                                                           ber Impact Insulation Class (IIC) is used.
   The acoustical test results of both airborne                                                                               Hollow core floors in combination with resil-
sound transmission loss and impact insulation of 6                                                                         ient materials effectively control impact sound.
and 8 in (150 and 200 mm) hollow core slabs are                                                                            One simple solution consists of good carpeting on
shown in Figure 7.4.2. Table 7.4.1 presents the                                                                            resilient padding. Table 7.4.1 shows that a carpet
ratings for various floor-ceiling assemblies.                                                                              and pad over a bare slab will significantly increase
                                                                                                                           the impact noise reduction. The overall efficiency
                                                                                                                           varies according to the characteristics of the car-
7.5 Impact Noise Reduction                                                                                                 peting and padding such as resilience, thickness
   Footsteps, dragged chairs, dropped objects,                                                                             and weight. So called resilient flooring materials,
slammed doors, and plumbing generate impact                                                                                such as linoleum, rubber, asphalt vinyl, etc. are
noise. Even when airborne sounds are adequately                                                                            not entirely satisfactory directly on concrete, nor
controlled there can be severe impact noise prob-                                                                          are parquet or strip wood floors when applied di-
lems.                                                                                                                      rectly. Impact sound also may be controlled by

                                                                                                                                                                                        7-
                                                                                                                                                                                         -3
Table 7.4.1 Airborne sound transmission and impact insulation class ratings from laboratory
            tests of hollow core slab floor-ceiling assemblies
 Assembly
    No.                                       Description                                  STC IIC
    1.      6 in (150 mm) hollow core slabs                                                 48  23
    2.      Assembly 1 with carpet and pad                                                  48  69
    3.      Assembly 1 with 1/2 in (13 mm) wood block flooring adhered directly             48  48
    4.      Assembly 1 with 1/2 in (13 mm) wood block flooring adhered to 1/2 in (13 mm)
            sound-deadening board underlayment adhered to concrete                         49   49
       5.   Assembly 1 with 3/4 in (19 mm) gypsum concrete                                 50   41
       6.   Assembly 1 with 3/4 in (19 mm) gypsum concrete on 1/2 in (13 mm) sound-
            deadening board underlayment adhered to concrete                               50   50
       7.   Assembly 1 with carpet and pad on 3/4 in (19 mm) gypsum concrete on
            1/ in (13 mm) sound-deadening board underlayment adhered to concrete           50   72
              2

       8.   8 in (200 mm) hollow core slabs                                                50   28
       9.   Assembly 8 with carpet and pad                                                 50   73
      10.   Assembly 8 with 1/2 in (13 mm) wood block flooring adhered directly            51   47
      11.   Assembly 8 with 1/2 in (13 mm) wood block flooring adhered to 1/2 in (13 mm)
            sound-deadening board underlayment adhered to concrete                         52   54
      12.   Assembly 8 with 1/2 in (13 mm) wood block flooring adhered to 1/2 in (13 mm)
            plywood adhered to 7/16 in (11 mm) sound-deadening board underlayment
            adhered to concrete                                                            52   55
      13.   Assembly 8 with 5/16 in (8 mm) wood block flooring adhered to 1/4 in (6 mm)
            polystyrene underlayment adhered to concrete                                   50   51
      14.   Assembly 8 with vinyl tile adhered to 1/2 in (13 mm) plywood adhered to
            7/ in (11 mm) sound-deadening board underlayment adhered to concrete           50   55
              16
      15.   Assembly 8 with vinyl tile adhered to 1/4 in (6 mm) inorganic felt supported
            cushion underlayment adhered to concrete                                       50   51
      16.   Assembly 8 with vinyl tile adhered to 1/8 in (3 mm) polyethylene foam under-
            layment adhered to concrete                                                    50   58
      17.   Assembly 8 with 1 1/2 in (38 mm) concrete topping with carpet and pad          50   76
      18.   Assembly 8 with 1 1/2 in (38 mm) concrete topping with vinyl tile adhered to
            concrete                                                                       50   44
      19.   Assembly 8 with 1 1/2 in (38 mm) concrete topping with vinyl tile adhered
            to 3/8 in (9 mm) plywood adhered to 1/2 in (13 mm) sound-deadening board
            adhered to concrete                                                            52   55
      20.   Assembly 8 with 1 1/2 in (38 mm) concrete with 1/2 in (13 mm) wood block
            flooring adhered to 1/2 in (13 mm) sound-deadening board adhered to concrete   51   53
      21.   Assembly 8 with 1 1/2 in (38 mm) concrete with 5/16 in (8 mm) wood block
             flooring adhered to foam backing adhered to concrete                          51   54
      22.   Assembly 8 with 3/4 in (19 mm) gypsum concrete with 5/16 in (8 mm) wood
            block flooring adhered to foam backing adhered to concrete                     50   53
      23.   Assembly 11 with acoustical ceiling                                            59   61
      24.   Assembly 8 with quarry tile, 1 1/4 in (32 mm) reinforced mortar bed with
            0.4 in (10 mm) nylon and carbon black spinerette matting                       60   54
      25.   Assembly 24 with suspended 5/8 in (16 mm) gypsum board ceiling with
            3 1/2 in (90 mm) insulation                                                    61   62



7-
 -4
providing a discontinuity in the structure such as      same, regardless of the original sound pressure
would be obtained by adding a resilient-mounted         level and depends only on the absorption ratio.
plaster or drywall suspended ceiling.                   This is due to the fact that the decibel scale is itself
                                                        a scale of ratios, rather than difference in sound
7.6 Absorption of Sound                                 energy.
    A sound wave always loses part of its energy as         While a decibel difference is an engineering
it is reflected by a surface. This loss of energy is    quantity which can be physically measured, it is
termed sound absorption. It appears as a decrease       also important to know how the ear judges the
in sound pressure of the reflected wave. The            change in sound energy due to sound condition-
sound absorption coefficient is the fraction of en-     ing. Apart from the subjective annoyance factors
ergy incident but not reflected per unit of surface     associated with excessive sound reflection, the ear
area. Sound absorption can be specified at indi-        can make accurate judgments of the relative loud-
vidual frequencies or as an average of absorption       ness between sounds. An approximate relation
coefficients (NRC).                                     between percentage loudness, reduction of re-
    A dense, non-porous concrete surface typically      flected sound and absorption ratio is plotted in
absorbs 1 to 2% of incident sound and has an NCR        Figure 7.6.2
of 0.015. In the case where additional sound ab-            The percentage loudness reduction does not de-
sorption of precast concrete is desired, a coating      pend on the original loudness, but only on the ab-
of acoustical material can be spray applied, acous-     sorption ratio. (The curve is drawn for loudness
tical tile can be applied with adhesive, or an acous-   within the normal range of hearing and does not
tical ceiling can be suspended. Most of the spray       apply to extremely faint sounds.) Referring again
applied fire retardant materials used to increase       to the absorption ratio of 5, the loudness reduction
the fire resistance of precast concrete and other       is read from Figure 7.6.2 as approximately 40 per-
floor-ceiling systems can also be used to absorb        cent.
sound. The NCR of the sprayed fiber types range
from 0.25 to 0.75. Most cementitious types have
                                                        7.7 Acceptable Noise Criteria
an NCR from 0.25 to 0.50.
                                                           As a rule, a certain amount of continuous sound
    If an acoustical ceiling were added to Assem-
                                                        can be tolerated before it becomes noise. An “ac-
bly 11 of Table 7.4.1 (as in Assembly 23), the
                                                        ceptable” level neither disturbs room occupants
sound entry through a floor or roof would be re-
                                                        nor interferes with the communication of wanted
duced 7dB. In addition, the acoustical ceiling
                                                        sound.
would absorb a portion of the sound after entry
                                                           The most widely accepted and used noise crite-
and provide a few more decibels of quieting. Use
                                                        ria today are expressed as the Noise Criterion
of the following expression can be made to deter-
                                                        (NC) curves, Figure 7.7.1a. The figures in Table
mine the intra-room noise or loudness reduction
                                                        7.7.1 represent general acoustical goals. They can
due to the absorption of sound.
                                                        also be compared with anticipated noise levels in
                       Ao + Aa                          specific rooms to assist in evaluating noise reduc-
        NR = 10 log                      (Eq. 7.6.1)
                          Aa                            tion problems.
where                                                      The main criticism of NC curves is that they are
  NR = sound pressure level reduction, dB               too permissive when the control of low or high
  Ao = original absorption, Sabins                      frequency noise is of concern. For this reason,
                                                        Room Criterion (RC) Curves were developed
   Aa = added absorption, Sabins                        (Figure 7.7.1b).39,40 RC curves are the result of
   Values for Ao and Aa are the products of the ab-     extensive studies based on the human response to
sorption coefficients of the various room materi-       both sound pressure level and frequency and take
als and their surface areas.                            into account the requirements for speech intelligi-
   A plot of this equation is shown in Figure 7.6.1.    bility.
For an absorption ratio of 5, the decibel reduction        A low background level obviously is necessary
is 7dB. Note that the decibel reduction is the          where listening and speech intelligibility is im-

                                                                                                           7-
                                                                                                            -5
Fig. 7.6.1 Relation of decibel reduction of                                                                                                          Fig. 7.7.1b RC (Room Criteria) Curves
           reflected sound to absorption ratio




                                                                                                                                                       Octave Band Sound Pressure Level, dB re 20 micropascals
                                                                                                                                                                                                                 90
                               14
                                                                                                                                                                                                                                 A
                               12                                                                                                                                                                                80
                                                                                                                                                                                                                                 B
                               10
   SPL Reduction, dB




                                                                                                                                                                                                                 70
                               8

                               6                                                                                                                                                                                 60

                               4                                                                                                                                                                                 50
                                                                                                                                                                                                                                                               RC
                               2
                                                                                                                                                                                                                 40                                            50
                               0                                                                                                                                                                                             C
                                                          0                                   2      4      6    8   10   12   14     16   18   20                                                                                                             45
                                                                                                         Absorption Ratio, A2 /A1                                                                                30                                            40
                                                                                                                                                                                                                                                               35
                                                                                                                                                                                                                 20                                            30
Fig. 7.6.2 Relation of percent loudness reduction
                                                                                                                                                                                                                                                               25
           of reflected sound to absorption ratio
                                                                                                                                                                                                                 10
                                                                                                                                                                                                                      16 31.5 63 125 250 500 1000 2000 4000
                                                                                                                                                                                                                          Octave Band Center Frequencies, Hz
  Percent Loudness Reduction




                               60

                               50
                                                                                                                                                     Region A: High probability that noise-induced vibration levels in
                               40
                                                                                                                                                     lightweight wall/ceiling constructions will be clearly feelable; antic-
                               30                                                                                                                    ipate audible rattles in light fixtures, doors, windows, etc.
                                                                                                                                                     Region B: Noise-induced vibration levels in lightweight wall/ceil-
                               20                                                                                                                    ing constructions may be moderately feelable; slight possibility of
                                                                                                                                                     rattles in light fixtures, doors, windows, etc.
                               10                                                                                                                    Region C: Below threshold of hearing for continuous noise.

                               0
                                                                 0                            2      4      6    8   10   12   14     16   18   20
                                                                                                         Absorption Ratio, A 2 /A 1
                                                                                                                                                     portant. Conversely, higher levels can persist in
                                                                                                                                                     large business offices or factories where speech
Fig. 7.7.1a NC (Noise Criteria) Curves
                                                                                                                                                     communication is limited to short distances.
                                                                                                                                                     Often it is just as important to be interested in the
                               Octave Band Sound Pressure Level, dB re 20 micropascals




                                                                                         90                                                          minimum as in the maximum permissible levels
                                                                                                                                                     of Table 7.7.1. In an office or residence, it is desir-
                                                                                         80
                                                                                                                                                     able to have a certain ambient sound level to as-
                                                                                         70                                                          sure adequate acoustical privacy between spaces,
                                                                                                                                      NC-65          thus, minimizing the transmission loss require-
                                                                                         60                                           NC-60          ments of unwanted sound (noise).
                                                                                                                                      NC-55             These undesirable sounds may be from an exte-
                                                                                         50                                           NC-50
                                                                                                                                      NC-45
                                                                                                                                                     rior source such as automobiles or aircraft, or they
                                                                                         40                                           NC-40          may be generated as speech in an adjacent class-
                                                                                                                                      NC-35          room or music in an adjacent apartment. They
                                                                                         30                                           NC-30          may be direct impact-induced sound such as foot-
                                                                                                  Approximate
                                                                                                  threshold of                        NC-25          falls on the floor above, rain impact on a light-
                                                                                         20       hearing for                         NC-20
                                                                                                  continuous
                                                                                                                                      NC-15
                                                                                                                                                     weight roof construction or vibrating mechanical
                                                                                                  noise
                                                                                         10                                                          equipment.
                                                                                                    63 125 250 500      2000     8000
                                                                                                  Octave Band Center Frequencies, Hz



7-
 -6
Thus, the designer must always be ready to ac-                                            Table 7.7.1 Recommended category classi-
cept the task of analyzing the many potential                                                            fication and suggested Noise
sources of intruding sound as related to their fre-                                                      Criteria range for steady back-
quency characteristics and the rates at which they                                                       ground noise as heard in various
occur. The level of toleration that is to be expected                                                    in-door functional activity
by those who will occupy the space must also be                                                          areas*39
established. Figures 7.7.2 and 7.7.3 are the spec-
                                                                                                                                 NC OR RC
tral characteristics of common noise sources.
                                                                                                 TYPE OF SPACE                     CURVE
Fig. 7.7.2 Sound pressure levels - exterior noise                                             1. Private residences               25 to 30
sources
                                                                                              2. Apartments                       30 to 35
                               120                                                            3. Hotels/motels
                                                                      jet aircraft takeoff
                                                                                    500 ft       a. Individual rooms or suites    30 to 35
                                                                                                 b. Meeting/banquet rooms         30 to 35
                               100
                                               bus                                               c. Halls, corridors, lobbies     35 to 40
                                                                                                 d. Service/support areas         40 to 45
 Sound Pressure Level, dB




                                                                  propeller aircraft
                                80                                 takeoff-500 ft             4. Offices
                                          heavy truck - 20 ft
                                                                                                 a. Executive                     25 to 30
                                60                                                               b. Conference rooms              25 to 30
                                           automobiles - 20 ft                                   c. Private                       30 to 35
                                40                                                               d. Open-plan areas               35 to 40
                                                                                                 e. Computer/business
                                                                                                    machine areas                 40 to 45
                                20
                                                                                                 f. Public circulation            40 to 45
                                                                                              5. Hospitals and clinics
                                 0
                                     63     125      250     500 1000 2000 4000 8000             a. Private rooms                 25 to 30
                                                           Frequency, Hz.                        b. Wards                         30 to 35
                                                                                                 c. Operating rooms               25 to 30
                                                                                                 d. Laboratories                  30 to 35
Fig. 7.7.3 Sound pressure levels - interior noise                                                e. Corridors                     30 to 35
                      sources                                                                    f. Public areas                  35 to 40
                                                                                              6. Churches                         25 to 30**
                               120
                                                                                              7. Schools
                                                                            riveting             a. Lecture and classrooms        25 to 30
                                                                                                 b. Open-plan classrooms          30 to 35**
                               100                                                            8. Libraries                        30 to 35
                                                       stero phonograph
                                                       teenager level                         9. Concert Halls                      **
    Sound Pressure Level, dB




                                                                            typical office
                                80                                                           10. Legitimate theatres                **
                                                                                             11. Recording studios                  **
                                60                   business machine                        12. Movie theatres                   30 to 35
                                                     tabulating room
                                                             bed or dining room              * Design goals can be increased by 5 dB when
                                40
                                                                        kitchen                dictated by budget constraints or when noise
                                                                                               intrusion from other sources represents a lim-
                                20                                                             iting condition.
                                                                                             **An acoustical expert should be consulted for
                                 0                                                             guidance on these critical spaces.
                                     63     125      250     500 1000 2000 4000 8000
                                                           Frequency, Hz.




                                                                                                                                         7-
                                                                                                                                          -7
Sound Pressure Level - (dB)
  Frequency (Hz)                      63    125       250    500      1000       2000      4000        8000
  Stereo Source Noise (teenager)      60     72        84     82        82         80        75         60
  (Figure 7.7.3)
  Bedroom Room Criteria               50      45      40       35        30        25          20        15
    RC 30 (Figure 7.7.l)
  Required Insulation                 10      27      44       47        52        55          55        45

                                       Sound Pressure Level - (dB)
  Frequency (Hz)                     125      250       500        1000                 2000           4000
  Required Insulation                 27        44       47          52                   55            55
  8 in H.C. (Figure 7.4.2)            34        39       46          53                   59            64
  Deficiencies                        --
                                      --         5        1          --
                                                                     --                   --
                                                                                          --             --
                                                                                                         --

   With these criteria, the problem of sound isola-         termined analytically by (1) identifying exterior
tion now must be solved, namely, the reduction              and/or interior noise sources, and (2) by establish-
process between the high unwanted noise source              ing acceptable interior noise criteria.
and the desired ambient level. For this solution,
two related yet mutually exclusive processes must           Example 7.8.1
be incorporated, i.e., sound transmission loss and             Assume a precast prestressed concrete apart-
sound absorption.                                           ment building with hollow core floor slabs. The
                                                            first step is to determine the degree of acoustical
7.8 Establishment of Noise Insulation objec-                insulation required of the floor-ceiling assembly
    tives                                                   by using Figures 7.4.1 and 7.7.3
   Often acoustical control is specified as to the             The 500 Hz requirement, 47 dB, can be used as
minimum insulation values of the dividing parti-            the first approximation of the floor STC category.
tion system. Municipal building codes, lending                 The selected floor should meet or exceed the
institutions and the Department of Housing and              insulation needs at 11 frequencies. However, to
Urban Development (HUD) list both airborne                  achieve the most efficient design conditions, cer-
STC and impact IIC values for different living en-          tain limited deficiencies can be tolerated. Experi-
vironments. For example, the HUD minimum                    ence has shown that the maximum deficiencies
property standards41 are:                                   are 3 dB on one frequency point.

          LOCATION                  STC IIC                 7.9 Leaks and Flanking
                                                               The performance of a building section with an
Between living units                45     45               otherwise adequate STC can be seriously reduced
Between living units and            50     50               by a relatively small hole or any other path which
public space                                                allows sound to bypass the acoustical barrier. All
                                                            noise which reaches a space by paths other than
   Once the objectives are established, the design-         through the primary barrier is called flanking.
er then should refer to available data, e.g., Fig.          Common flanking paths are openings around
7.4.2 or Table 7.4.1 and select the system which            doors or windows, at electrical outlets, telephone
best meets these requirements. In this respect,             and television connections, and pipe and duct pe-
concrete systems have superior properties and               netrations. Suspended ceilings in rooms where
can, with minimal effort, comply with these crite-          walls do not extend from the ceiling to the roof or
ria. When the insulation value has not been speci-          floor above allow sound to travel to adjacent
fied, selection of the necessary barrier can be de-         rooms.

7-
 -8
Fig. 7.9.1 Effect of safing insulation seals             structure is much less than in one of steel or wood
                                                         frame.
       concrete floor
                                                            In addition to using basic structural materials,
                                      inorganic
                                      mineral wool       flanking paths can be minimized by:
                                      insulation
                                                         1. Interrupting the continuous flow of energy
                                                            with dissimilar material, i.e., expansion or con-
                                      exterior
                                      wall                  trol joints or air gaps.
          steel bent plate
                             gap                         2. Increasing the resistance to energy flow with
                                                            floating floor systems, full height and/or
                                         Combined
                                                            double partitions and suspended ceilings.
                                     Transmission Loss
 No closure                               14 STC         7.10 Human Response to Building Vibrations
 With steel vent plate closure            28 STC            Modern buildings often use components with
 With 4 in thick safing insulation        30 STC
  steel bent plate added                  42 STC
                                                         low weight-to-strength ratios, which allow longer
 With 6 in thick safing insulation        38 STC         spans with less mass. This trend increasingly re-
  steel bent plate added                  45 STC         sults in transient vibrations which are annoying to
                                                         the occupants. Unlike equipment vibration, a per-
                                                         son often causes the vibration and also senses it.
   Anticipation and prevention of leaks begins at        These vibrations usually have very small ampli-
the design stage. Flanking paths (gaps) at the pe-       tudes (less than 0.05 in [1 mm]) and were not not-
rimeters of interior precast walls and floors are        iced in older structures with heavier framing and
generally sealed during construction with grout or       more numerous and heavier partitions, which pro-
drypack. In addition, all openings around pe-            vided greater damping and other beneficial dy-
netrations through walls or floors should be as          namic characteristics.
small as possible and must be sealed airtight. The          This problem is not well understood. Predict-
higher the STC of the barrier, the greater the effect    ing human response to floor motion and the dy-
of an unsealed opening.                                  namic response to floor motion and the dynamic
   Perimeter leakage more commonly occurs at             response of a floor system to moving loads are de-
the intersection between an exterior curtain wall        veloping technologies. A number of discomfort
and floor slab. It is of vital importance to seal this   criteria have been published44-51, but they often
gap in order to retain the acoustical integrity of the   give contradictory results.
system as well as provide the required fire stop be-        The vibration problem is most effectively
tween floors. One way to achieve this seal is to         treated by modifying the structural system. The
place a 4 pcf (64 kg/m3) density mineral wood            natural period (or its inverse, frequency), stiff-
blanket between the floor slab and the exterior          ness, mass, and damping are the structural param-
wall. Figure 7.9.1 demonstrates the acoustical           eters related to vibration control. Stiffness is in-
isolation effects of this treatment.                     creased by providing greater section properties
   In exterior walls, the proper application of seal-    than may be required for supporting loads. An in-
ant and backup materials in the joints between           crease in mass improves the natural frequency, but
units will not allow sound to flank the wall.            increases deflections and stresses, so by itself is
   If the acoustical design is balanced, the maxi-       only partially effective in controlling vibrations.
mum amount of acoustic energy reaching a space           For example, increasing the depth of a flexural
via flanking should not equal the energy trans-          member will aid greatly in vibration control, but
mitted through the primary barriers.                     increasing the width will not.
   Although not easily quantified, an inverse rela-         Recent research has emphasized the effect that
tionship exists between the performance of an ele-       damping plays in the human perception of vibra-
ment as a primary barrier and its propensity to          tion. In a study of 91 floor systems it was con-
transmit flanking sound. In other words, the prob-       cluded that with damping greater than 5.5 to 6 per-
ability of existing flanking paths in a concrete         cent of critical, structural systems were accept-

                                                                                                        7-
                                                                                                         -9
able; systems with less were not46. Damping is             From the above, the required static deflection
usually attributed to the existence of partitions,      of an isolator can be determined as follows:
supported mechanical work, ceilings and similar
items, but is really not well understood. Guides        fn = fd/3 = 188 1∕∆ i or
for quantifying damping effect are scarce, and
                                                        ∆i = (564/fd)2                       (Eq. 7.11.2)
those that are available are very approximate49-51.
                                                        and:
7.11 Vibration Isolation for Mechanical
       Equipment                                        ∆f ≤     0.15 ∆i                     (Eq. 7.11.3)
    Vibration produced by equipment with unbal-
                                                        where:
anced operating or starting forces can usually be
isolated from the structure by mounting on a            fd = driving frequency of the equipment
heavy concrete slab placed on resilient supports.
This type of slab, called an inertia block, provides    ∆f = static deflection of the floor system caused
a low center of gravity to compensate for thrusts            by the weight of the equipment, including
such as those generated by large fans.                       inertia block, at the location of the equip-
    For equipment with less unbalanced weight, a             ment.
“housekeeping” slab is sometimes used below the
resilient mounts to provide a rigid support for the
mounts and to keep them above the floor so they
are easier to clean and inspect. This slab may also     Example 7.11.1 - Vibration Isolation
be mounted on pads of precompressed glass fiber         Given:
or neoprene.                                               A piece of mechanical equipment has a driving
    The natural frequency of the total load on resil-   frequency of 800 CPM.
ient mounts must be well below the frequency
                                                        Problem:
generated by the equipment. The required weight
of an inertia block depends on the total weight of         Determine the approximate minimum deflec-
the machine and the unbalanced force. For a long        tion of the isolator and the maximum deflection of
stroke compressor, five to seven times its weight       the floor system that should be allowed.
might be needed. For high pressure fans, one to         Solution:
five times the fan weight is usually sufficient.           Isolator, ∆i = (564/800)2 = 0.50 in.
    A floor supporting resiliently mounted equip-          Floor, ∆f = 0.15(0.50) = 0.07 in.
ment must be much stiffer than the isolation sys-
tem. If the static deflection of the floor ap-          Additional Bibliography
proaches the static deflection of the mounts, the       L.L. Beranek; Noise Reduction, McGraw-Hill
floor becomes a part of the vibrating system, and       Book Co., New York, 1960.
little vibration isolation is achieved. In general,
the floor deflection should be limited to about 15      Ceramic Tile Institute of America and American
percent of the deflection of the mounts.                Enka Company unpublished floor/ceiling tests.
    Simplified theory shows that for 90% vibration
isolation, a single resilient supported mass (isola-    C.M. Harris, Handbook of Noise Control,
tor) should have a natural frequency of about 1/3       McGraw-Hill Book Co., New York, 1967.
the driving frequency of the equipment. The natu-
ral frequency of this mass can be calculated by:52      C.M. Harris, C.E. Crede; Shock & Vibration
                                                        Handbook - 2nd ed., McGraw-Hill Book Co.,
fn = 188 1∕∆ i                         (Eq. 7.11.1)    New York, 1976.
where:
                                                        A. Litvin, H.W. Belliston; “Sound Transmission
fn = natural frequency of the isolator, CPM             Loss Through Concrete and Concrete Masonry
∆i = static deflection of the isolator, in              Walls”, ACI Journal, December, 1978.

7-
 -10
CHAPTER 8




                       GUIDE SPECIFICATION FOR PRECAST,
                       PRESTRESSED HOLLOW CORE SLABS


     This Guide Specification is intended to be used as a basis for the development of an office
 master specification or in the preparation of specifications for a particular project. In either
 case, this Guide Specification must be edited to fit the conditions of use.
     Particular attention should be given to the deletion of inapplicable provisions. Necessary
 items related to a particular project should be included. Also, appropriate requirements
 should be added where blank spaces have been provided
     The Guide Specifications are on the left. Notes to Specifiers are on the right.



       GUIDE SPECIFICATIONS                                NOTES TO SPECIFIERS
1. GENERAL
1.01 Description
A. Work Included:                                   1.01.A This Section is to be in Division 3 of
                                                    Construction Specifications Institute format.
   1. These specifications cover manufacture,
      transportation, and erection of precast,
      prestressed concrete hollow core slabs in-
      cluding grouting of joints between adja-
      cent slab units.
B. Related Work Specified Elsewhere:
   1. Cast-in-Place Concrete: Section               1.01.B.1 Includes structural or non-structural
       _________.                                   topping. See Section 2.5 for discussion of com-
                                                    posite, structural topping.
   2. Architectural Precast Concrete: Section
      _________.
   3. Precast Structural Concrete: Section          1.01.B.3 Beams, columns, etc.
      _________.                                    Prestressed concrete may be specified in Section
                                                    _________.
   4. Structural Metal Framing: Section             1.01.B.4 Includes support framework not sup-
      _________.                                    plied by Hollow Core Slab Manufacturer.
   5. Masonry Bearing Walls: Section                1.01.B.5 Include any inserts or anchoring de-
      _________.                                    vices required for slab connections.
   6. Underlayments: Section_________.              1.01.B.6 Underlayment may be any of the follow-
                                                    ing general types: asphaltic concrete, gypsum
                                                    concrete, latex concrete, mastic underlayment.


                                                                                                    8-
                                                                                                     -1
GUIDE SPECIFICATIONS                              NOTES TO SPECIFIERS

      7. Caulking   and      Sealants:   Section    1.01.B.7 Caulking between slab edges at exposed
         _________.                                 underside of floor members and/or perimeter
                                                    caulking may be included in this section.
      8. Holes for Mechanical Equipment: Sec-       1.01.B.8 Holes may be drilled or cut and trimmed
         tion _______.                              with a chisel. Cut outline of hole through lower
                                                    portion of slab from underside, after which the top
                                                    side may be removed from above. Do not cut pre-
                                                    stressing strand without permission of engineer.
      9. Painting: Section _________.               1.01.B.9 Prime coat should be a latex base paint.
                                                    Finish coat may be an oil base, flat wall or emulsi-
                                                    fied finish
      10. Carpet and Pad: Section _________.        1.01.B.10 Specify minimum 55 oz. pad when no
                                                    cast-in-place topping is used
      11. Roofing and Roof Insulation:              1.01.B.11 Non-absorbent rigid board insulation
          Section _________.                        1” or more in thickness should be used on roofs.
                                                    Check local energy code for exact requirements.


1.02 Quality Assurance
A. The precast concrete manufacturing plant         1.02.A Structural Precast Products must meet the
   shall be certified by the Precast/Prestressed    requirements of PCI Manual, MNL-116.
   Concrete Institute (PCI) Plant Certification
   Program. Manufacturer shall be certified at      In Canada, the manufacture, transportation and
   the time of bidding in Category C2.              erection of precast prestressed hollow core slabs
                                                    is governed by the Canadian Standards Associa-
                                                    tion Standard A23.4-94, “Precast Concrete - Ma-
                                                    terials and Construction”.

                                                    Assurance of plant capability to produce quality
                                                    precast concrete products is set by the CSA Stan-
                                                    dard A23.4-94. This Standard forms the basis of a
                                                    certification program which sets rigid capability
                                                    criteria for precast manufacturers, their person-
                                                    nel and operations.
B. Erector Qualifications: Regularly engaged        1.02.B Usually 2 to 5 years.
   for at least _______ years in the erection of
   precast structural concrete similar to the re-
   quirements of this project.
C. Qualifications of Welders:      In accordance    1.02.C Qualified within the past year.
   with AWS D1.1.

D. Testing: In general compliance with applica-
   ble provisions of Precast/Prestressed Con-
   crete Institute MNL-116, Manual for Quality
   Control for Plants and Production of Precast
   Prestressed Concrete Products.


8-
 -2
GUIDE SPECIFICATIONS                                 NOTES TO SPECIFIERS

E. Requirements of Regulatory Agencies: All           1.02.E Always include the specific year or edi-
   local codes plus the following specifications,     tion of the specifications, codes and standards
   standards and codes are a part of these specifi-   used in the design of the project and made part of
   cations:                                           the specifications. Fire safety and resistance re-
   1. ACI 318-Building Code Requirements              quirements are specified in local or model codes.
       for Structural Concrete.                       When required, fire rated products shall be clear-
   2. AWS D1.1-Structural Welding Code -              ly identified on the design drawings.
       Steel.                                         For projects in Canada, the National Building
   3. AWS D1.4-Structural Welding Code - Re-          Code of Canada governs design. Canadian Stan-
       inforcing Steel.                               dards Association Standards A23.3-94, “Design
   4. ASTM Specifications - As referred to in         of Concrete Structures” and A23.4-94, “Precast
       Part 2 - Products, of this Specification.      Concrete - Materials and Construction” also ap-
                                                      ply. Fire resistance is specified in the National
                                                      Building Code and the National Fire Code.


1.03 Submittals

A. Shop Drawings
   1. Erection Drawings
      a. Plans locating and defining all hollow       1.03.A.1.a Openings shown on erection draw-
         core slab units furnished by the             ings are considered in the slab design. Verify slab
         manufacturer, with all openings larger       adequacy for any other openings with the Engi-
         than 10 in (250 mm) shown and lo-            neer of Record.
         cated.
      b. Sections and details showing connec-
         tions, edge conditions and support
         conditions of the hollow core slab
         units.
      c. All dead, live and other applicable
         loads used in the design.
      d. Estimated cambers.                           1.03.A.1.d Floor slabs receiving cast-in-place
                                                      topping. The elevation of top of floor and amount
                                                      of concrete topping must allow for camber of pre-
                                                      stressed concrete members.
   2. Production Drawings                             1.03.A.2 Production drawings are normally sub-
      a. Plan view of each hollow core slab           mitted only upon request.
         unit type.
      b. Sections and details to indicate quanti-
         ties, location and type of reinforcing
         steel and prestressing strands.
      c. Lifting and erection inserts.
       d. Dimensions and finishes.
       e. Prestress for strand and concrete
          strength.


                                                                                                      8-
                                                                                                       -3
GUIDE SPECIFICATIONS                               NOTES TO SPECIFIERS

      f. Estimated camber at release.
      g. Method of transportation.
B. Product Design Criteria                          1.03 B and C Contract drawings normally will be
   1. Loadings for design                           prepared using a local precast prestressed con-
      a. Initial handling and erection stresses.    crete hollow core slab manufacturer’s design data
      b. All dead and live loads as specified on    and load tables. Dimensional changes which
          the contract drawings                     would not materially affect architectural and
      c. All other loads specified for hollow       structural properties or details usually are per-
          core slab units where applicable.         missible.
   2. Design calculations of products not com-          Be sure that loads shown on the contract draw-
      pleted on the contract drawings shall be      ings are easily interpreted. For instance, on mem-
      performed by a registered engineer expe-      bers which are to receive concrete topping, be
      rienced in precast prestressed concrete       sure to state whether all superimposed dead and
      design and submitted for approval upon        live loads on precast prestressed members do or
      request.                                      do not include the weight of the concrete topping.
   3. Design shall be in accordance with ACI        It is best to list the live load, superimposed dead
      318 or applicable codes.                      load, topping weight, and weight of the member,
C. Permissible Design Deviations                    all as separate loads. Where there are two differ-
   1. Design deviations will be permitted only      ent live loads (e.g., roof level of a parking struc-
      after the Architect/Engineer’s written ap-    ture) indicate how they are to be combined.
      proval of the manufacturer’s proposed de-     Where additional structural support is required
      sign supported by complete design cal-        for openings, design headers in accordance with
      culations and drawings.                       hollow core slab manufacturer’s recommenda-
   2. Design deviation shall provide an installa-   tions.
      tion equivalent to the basic intent without
      incurring additional cost to the owner.
D. Test Report: Reports of tests on concrete and
   other materials upon request.


2. PRODUCTS
2.01 Materials                                      2.01 Delete or add materials that may be re-
                                                    quired for the particular job.
A. Portland Cement:
   1. ASTM C150 - Type I or III
B. Admixtures:                                      2.01.B Verify ability of local producer to use ad-
                                                    mixtures
      1. Air-Entraining Admixtures:     ASTM
         C260.
      2. Water Reducing, Retarding, Accelerat-
         ing, High Range Water Reducing Admix-
         tures: ASTM C494.
C. Aggregates:
   1. ASTM C33 or C330.



8-
 -4
GUIDE SPECIFICATIONS                               NOTES TO SPECIFIERS

D. Water:
   Potable or free from foreign materials in
   amounts harmful to concrete and embedded
   steel.
E. Reinforcing Steel:
   1. Bars:                                         2.01.E.1 When welding of bars is required, weld-
      Deformed Billet Steel: ASTM A615.             ability must be established to conform to AWS
      Deformed Rail Steel: ASTM A616.               D1.4.
      Deformed Axle Steel: ASTM A617.
      Deformed Low Alloy Steel: ASTM
      A706.
   2. Wire:
      Cold Drawn Steel: ASTM A82.
F. Prestressing Strand:                             2.01.F Low-relaxation strand is the predominant
   1. Uncoated,      7-Wire,   Stress-Relieved      strand in use. References to stress-relieved strand
      Strand: ASTM A416 (including supple-          are from the ASTM titles.
      ment) - Grade 250K or 270K.
   2. Uncoated, Weldless 2- and 3-Wire Strand:
      ASTM A910
   3. Indented, 7-Wire, Stress-Relieved Strand:
      ASTM A886 (including supplement)
G. Welded Studs: In accordance with AWS
   D1.1.
H. Structural Steel Plates and Shapes: ASTM         2.01.H When required for anchorage or lateral
   A36.                                             bracing to structural steel members, some meth-
                                                    ods of manufacturing hollow core slabs preclude
                                                    the use of anchors and inserts
I. Grout:                                           2.01.I Grout strengths of 2000 psi to 3000 psi
   1. Cement grout: Grout shall be a mixture of     (13.8 - 20.7 MPa) can generally be achieved with
      not less than one part portland cement to     the proportions noted. Rarely is higher strength
      three parts fine sand, and the consistency    grout required. Non-shrink grout is not required
      shall be such that joints can be completely   for satisfactory performance of hollow core slab
      filled but without seepage over adjacent      systems.
      surfaces. Any grout that seeps from the
      joint shall be completely removed before
      it hardens.
J. Bearing Strips:
   1. Random Oriented Fiber Reinforced:             2.01.J.1 Standard guide specifications are not
      Shall support a compressive stress of 3000    available for random-oriented, fiber-reinforced
      psi (20.7 MPa) with no cracking, splitting    pads. Proof testing of a sample from each group
      or delaminating in the internal portions of   of 200 pads is suggested. Normal design working
      the pad. One specimen shall be tested for     stresses are 1500 psi (10.3 MPa), so the 3000 psi
      each 200 pads used in the project.            (20.7 MPa) test load provides a factor of 2 over
                                                    design stress. The shape factor for the test speci-
                                                    mens should not be less than 2.


                                                                                                    8-
                                                                                                     -5
GUIDE SPECIFICATIONS                                NOTES TO SPECIFIERS

      2. Plastic: Multi-monomer plastic strips        2.01.J.2 Plastic pads are widely used with hollow
         shall be non-leaching and support            core slabs. Compression stress in use is not nor-
         construction loads with no visible overall   mally over a few hundred psi and proof testing is
         expansion.                                   not considered necessary. No standard guide
                                                      specifications are available.
      3. Tempered Hardboard.                          2.01.J.3 Hardboard bearing strips should not be
                                                      used in areas where undesirable staining is pos-
                                                      sible or where bearing strips may be continually
                                                      wet.
      4. Untempered Hardboard

2.02 Concrete Mixes
A. 28-day compressive strength: Minimum of            2.02.A and B Verify with local manufacturer.
    ____ psi.                                         5000 (35 MPa) psi for prestressed products is nor-
B. Release strength: Minimum of ____ psi.             mal practice, with release strength of 3000 psi
                                                      (20.7 MPa).
C. Use of calcium chloride, chloride ions or oth-
   er salts is not permitted.


2.03 Manufacture
A. Manufacturing procedures shall be in com-
    pliance with PCI MNL-116.

B. Manufacturing Tolerances: Manufacturing
   tolerances shall comply with PCI MNL-116.
C. Openings: Manufacturer shall provide for           2.03.C This paragraph requires other trades to
   those openings 10 in (250 mm) round or             field drill holes needed for their work, and such
   square or larger as shown on the structural        trades should be alerted to this requirement
   drawings. Other openings shall be located          through proper notation in their sections of the
   and field drilled or cut by the trade requiring    specifications. Some manufacturers prefer to
   them after the hollow core slab units have         install openings smaller than 10 in (250 mm)
   been erected. Openings and/or cutting of pre-      which is acceptable if their locations are properly
   stressing strand shall be approved by Archi-       identified on the contract drawings
   tect/Engineer and manufacturer before dril-
   ling or cutting.
D. Patching: Will be acceptable providing the
   structural adequacy of the hollow core unit is
   not impaired.


3. EXECUTION
3.01 Product Deliver, Storage, and Handling
A. Delivery and Handling:



8-
 -6
GUIDE SPECIFICATIONS                               NOTES TO SPECIFIERS

   1. Hollow core slab units shall be lifted and
      supported during manufacturing, stock-
      piling, transporting and erection opera-
      tions only at the lifting or supporting
      point, or both, as shown on the shop draw-
      ings, and with approved lifting devices.
      Lifting inserts shall have a minimum safe-
      ty factor of 4. Exterior lifting hardware
      shall have a minimum safety factor of 5.
   2. Transportation, site handling, and erec-
      tion shall be performed with acceptable
      equipment and methods, and by qualified
      personnel.
B. Storage:
   1. Store all units off ground.
   2. Place stored units so that identification
      marks are discernible.
   3. Separate stacked members by battens
      across full width of each slab unit.
   4. Stack so that lifting devices are accessible
      and undamaged.
   5. Do not use upper member of stacked tier
      as storage area for shorter member or
      heavy equipment.


3.02 Erection
A. Site Access: The General Contractor shall be
    responsible for providing suitable access to
    the building, proper drainage and firm level
    bearing for the hauling and erection equip-
    ment to operate under their own power.
B. Preparation: The General Contractor shall be      3.02.B Construction tolerances for cast-in-place
   responsible for:                                  concrete, masonry, etc., should be specified in
                                                     those sections of the specifications.
   1. Providing true, level bearing surfaces on
      all field placed bearing walls and other
      field placed supporting members.
   2. All pipes, stacks, conduits and other such     3.02.B.2 Should be in Electrical, Mechanical,
      items shall be stubbed off at a level lower    and Plumbing sections of project specifications.
      than the bearing plane of the prestressed
      concrete products until after the latter are
      set.




                                                                                                  8-
                                                                                                   -7
GUIDE SPECIFICATIONS                                  NOTES TO SPECIFIERS

C. Installation: Installation of hollow core slab
   units shall be performed by the manufacturer
   or a competent erector. Members shall be
   lifted by means of suitable lifting devices at
   points provided by the manufacturer. Bearing
   strips shall be set, where required. Temporary
   shoring and bracing, if necessary, shall com-
   ply with manufacturer’s recommendations.
   Grout keys shall be filled.
D. At Slab Ends (where shown on Drawings):             3.02.D If a bearing wall building, special care
   Provide suitable end cap or dam in voids as re-     must be taken. Delete when end grouting is not re-
   quired.                                             quired.
E. For areas where slab voids are to be used as        3.02.E Delete when voids not used for electrical
   electrical raceways or mechanical ducts pro-        or mechanical.
   vide a taped butt joint at end of slabs, making
   sure the voids are aligned.
F. Alignment: Members shall be properly                3.02.F Tolerances should comply with industry
   aligned and leveled as required by the ap-          tolerances published in ”Tolerances for Precast
   proved shop drawings. Variations between            and Prestressed Concrete”, Prestressed Concrete
   adjacent members shall be reasonably leveled        Institute, JR307, 1985. 3
   out by jacking, loading, or any other feasible
   method as recommended by the manufacturer
   and acceptable to the Architect/Engineer.


3.03 Field Welding
A. Field welding is to be done by qualified weld-
   ers using equipment and materials compatible
   with the base material.


3.04 Attachments
A. Subject to approval of the Architect/Engineer,
    hollow core slab units may be drilled or ”shot”
    provided no contact is made with the pre-
    stressing steel. Should spalling occur, it shall
    be repaired by the trade doing the drilling or
    the shooting.


3.05 Inspection and Acceptance
A. Final observation of erected hollow core slab
    units shall be made by Architect/Engineer for
    purposes of final payment.




8-
 -8
REFERENCES

1.    PCI Design Handbook - Precast and Pre-              bers”, ACI Journal, March, 1977, pp
      stressed Concrete, Fifth Edition, Precast/          136-137.
      Prestressed Concrete Institute, Chicago, IL   12.   Discussion and Closure, “An Assurance
      1997.                                               Criterion for Flexural Bond in Preten-
2.    ACI Committee 318, “Building Code Re-               sioned Hollow Core Units”, ACI Journal,
      quirements for Structural Concrete (ACI             March, 1977, pp 137-140.
      318-95) and Commentary (ACI                   13.   Zia, Paul and Mostafa, Talat, “Develop-
      318R-95)”, American Concrete Institute,             ment Length of Prestressing Strands”, PCI
      Farmington Hills, MI, 1995.                         JOURNAL, September-October, 1977, pp
3.    PCI Committee on Tolerances, “Toler-                54-65.
      ances for Precast and Prestressed Con-        14.   Discussion and Closure, “Development
      crete”, PCI JOURNAL, Vol. 30, No. 1,                Length of Prestressing Strands”, PCI
      January-February, 1985, pp. 26-112.                 JOURNAL, July-August, 1978, pp
4.    PCI Technical Activities Council, PCI               97-107.
      Committee on Building Code, “PCI Stan-        15.   Buckner, C. Dale, “A Review of Strand
      dard Design Practice,” PCI JOURNAL, V.              Development Length for Pretensioned
      42, No. 2, March-April 1997, pp 34-51.              Concrete Members”, PCI JOURNAL, V.
5.    Zia, Paul, Preston, H. Kent, Scott, Norman          40, No. 2, March-April, 1995, pp 84-105.
      L, and Workman, Edwin B., “Estimating         16.   Discussion and Closure, “A Review of
      Prestress Losses”, Concrete International,          Strand Development Length for Preten-
      June, 1979, pp 32-38.                               sioned Concrete Members”, PCI JOUR-
6.    Martin, L.D., “A Rational Method for Es-            NAL, V. 41, No. 2, March-April, 1996, pp
      timating Camber and Deflection of Pre-              112-116.
      cast, Prestressed Concrete Members”, PCI      17.   Martin, Leslie D. and Korkosz, Walter J.,
      JOURNAL, January-February, 1977.                    “Strength of Prestressed Concrete Mem-
7.    ACI Committee 301, “Standard Specifica-             bers at Sections Where Strands are not
      tions for Structural Concrete (ACI                  Fully Developed”, PCI JOURNAL, V. 40,
      301-96)”, American Concrete Institute,              No. 5, September-October, 1995, pp
      Farmington Hills, MI, 1996.                         58-66.
8.    Scott, Norman L., “Performance of Pre-        18.   Brooks, Mark D., Gerstle, Kurt H., and
      cast, Prestressed Hollow Core Slab with             Logan, Donald R., “Effective of Initial
      Composite Concrete Topping”, PCI                    Strand Slip on the Strength of Hollow
      JOURNAL, March-April, 1973, pp 64-77.               Core Slabs”, PCI JOURNAL, V. 33, No.
9.    Martin, Leslie D. and Scott, Norman L.,             1, January-February, 1988, pp 90-111.
      “Development of Prestressing Strand in        19.   LaGue, David J., “Load Distribution Tests
      Pretensioned Members”, ACI Journal, Au-             on Precast Prestressed Hollow Core Slab
      gust 1976, pp 453-456.                              Construction”, PCI JOURNAL, Novem-
10.   Anderson, Arthur R., and Anderson, Rich-            ber-December, 1971, pp 10-18.
      ard G., “An Assurance Criterion for Flex-     20.   Van Acker, A., “Transversal Distribution
      ural Bond in Pretensioned Hollow Core               of Linear Loadings in Prestressed Hollow
      Units”, ACI Journal, August, 1976, pp               Core Floors”, BMA/MKT 84/006, Sep-
      457-464.                                            tember, 1983.
11.   Discussion and Closure, “Development of       21.   Johnson, Ted and Ghadiali, Zohair, “Load
      Prestressing Strand in Pretensioned Mem-            Distribution Test on Precast Hollow Core
Slabs with Openings”, PCI JOURNAL,            31.   PCI Manual for Structural Design of Ar-
      September-October, 1972, pp 9-19.                   chitectural Precast Concrete, PCI
                                                          MNL-121-77, Prestressed Concrete Insti-
22.   Pfeifer, Donald W. and Nelson, Theodore
                                                          tute, Chicago, 1977.
      A., “Tests to Determine the Lateral Dis-
      tribution of Vertical Loads in a Long-Span    32.   Uniform Building Code, “Structural Engi-
      Hollow Core Floor Assembly”, PCI                    neering Design Provisions”, V. 2, Interna-
      JOURNAL, Vol. 28, No. 6, November-De-               tional Conference of Building Officials,
      cember, 1983, pp. 42-57.                            Whittier, CA, 1994.
23.   Aswad, Alex and Jacques, Francis J., “Be-     33.   The BOCA National Building Code,
      havior of Hollow Core Slabs Subject to              Thirteenth Edition, Building Officials &
      Edge Loads”, PCI JOURNAL, V. 37, No.                Code Administrators International, Inc.,
      2, March-April, 1992, pp 72-83.                     Country Club Hills, IL, 1996.
                                                    34.   Cosper, Steven J., Anderson, Arthur R.,
24.   Stanton, John F., “Response of Hollow
      Core Slab Floors to Concentrated Loads”,            Jobse, Harold J., “Shear Diaphragm Ca-
                                                          pacity of Untopped Hollow Core Floor
      PCI JOURNAL, V. 37, No. 4, July-Au-
                                                          Systems”, Concrete Technology
      gust, 1992, pp 98-113.
                                                          Associates, Technical Bulletin 80B3,
25.   Stanton, John F., “Proposed Design Rules            1981.
      for Load Distribution in Precast Concrete     35.   Clough, D.P., “Design of Connections for
      Decks”, ACI Structural Journal, V. 84, No.          Precast Prestressed Concrete Buildings for
      5, September-October, 1987, pp 371-382.             the Effects of Earthquake”, National Sci-
26.   Rosenthal, I., “Full Scale Test of Continu-         ence Foundation, 1985.
      ous Prestressed Hollow Core Slab”, PCI        36.   Moustafa, Saad E., “Effectiveness of
      JOURNAL, Vol. 23, No. 3, May-June,                  Shear-Friction Reinforcement in Shear Di-
      1978, pp. 74-81.                                    aphragm Capacity of Hollow Core Slabs”,
27.   Harris, Harry G., and Iyengar, Srikanth,            PCI JOURNAL, Vol. 26, No. 1, January-
      “Full Scale Tests on Horizontal Joints of           February, 1981, pp 118-132.
      Large Panel Precast Concrete Buildings”,      37.   Design and Detailing of Untopped Hollow
      PCI JOURNAL, Vol 25, No. 2, March-                  Core Slab Systems for Diaphragm Shears,
      April, 1980, pp. 72-92.                             Structural Engineer’s Association of Ari-
28.   Johal, L.S. and Hanson, N.W., “Design for           zona, 1981/82.
      Vertical Load on Horizontal Connections       38.   PCI Fire Committee, “Design for Fire Re-
      in Large Panel Structures”, PCI JOUR-               sistance of Precast Prestressed Concreter-
      NAL, Vol. 27, No. 1, January-February,              Second Edition”, Precast/Prestressed Con-
      1982, pp 62-79.                                     crete Institute, Chicago, IL, 1989.
29.   PCI Committee on Precast Bearing Wall         39.   ASHRAE: ASHRAE Systems Handbook
      Buildings, “Considerations for the Design           for 1984. American Society of Heating,
      of Precast Concrete Bearing Wall Build-             Refrigerating & Air Conditioning Engi-
      ings to Withstand Abnormal Loads”, PCI              neers, Inc., New York, 1984.
      JOURNAL, Vol. 21, No. 2., March-April,        40.   Blazier, W.E., “Revised Noise Criteria for
      1976, pp. 18-51.                                    Design and Rating of HVAC Systems”,
30.   Fintel, Mark and Schultz, Donald M., “A             paper presented at ASHRAE Semiannual
      Philosophy for Structural Integrity of              Meeting, Chicago, IL, January 26, 1981.
      Large Panel Buildings”, PCI JOURNAL,          41.   Berendt, R.D., Winzer, G.E., Burroughs,
      Vol. 21, No. 3, May-June, 1976, pp. 46-69.          C.B.; “A Guide to Airborne, Impact and
Structureborne Noise Control in Multi-       46.   Murray, T.M., “Acceptability Criterion for
      family Dwellings”, prepared for Federal            Occupant-Induced Floor Vibration”,
      Housing Administration, U.S. Govern-               Sound and Vibration, November, 1979.
      ment Printing Office, Washington, D.C.,      47.   “Design and Evaluation of Operation
      1975.                                              Breakthrough Housing Systems”, NBS
42.   Sabine, H.J., Lacher, M.B., Flynn, D.R.,           Report 10200, Amendment 4, September,
      Quindry, T.L.; “Acoustical and Thermal             1970, U.S. Department of Housing and
      Performance of Exterior Residential                Urban Development, Washington, D.C.
      Walls, Doors & Windows”, National Bu-        48.   Wiss, J.F. and Parmelee, R.H., “Human
      reau of Standards, U.S. Government Print-          Perception of Transient Vibrations”, Jour-
      ing Office, Washington D.C., 1975.                 nal of the Structural Division, ASCE, Vol.
                                                         100, No. ST4, April, 1974.
43.   IITRI; “Compendium of Materials for
                                                   49.   “Guide to Floor Vibrations”, Steel Struc-
      Noise Control”, U.S. Department of
                                                         tures for Buildings-Limit States Design
      Health, Education & Welfare, U.S. Gov-
                                                         CSA S16.1-1974, Appendix G. Canadian
      ernment Printing Office, Washington,
                                                         Standards Association, Rexdale, Ontario.
      D.C., 1980.
                                                   50.   “Guide for the Evaluation of Human Ex-
44.   “Vibrations of Concrete Structures”, Pub-          posure to Whole-Body Vibration”, In-
      lication SP-60, American Concrete Insti-           ternational Standard 2631, International
      tute, Detroit, MI.                                 Organization for Standardization, 1974.
45.   Galambos, T.V., Gould, P.C., Ravindra,       51.   Murray, T.M., “Design to Prevent Floor
      M.R., Surgoutomo, H., and Crist, R.A.,             Vibration”, Engineering Journal, AISC,
      “Structural Deflections - A Literature and         Third Quarter, 1975.
      State-of-the-Art Survey”, Building Sci-      52.   Harris, C.M. and Crede, C.E., Shock and
      ence Series, Oct., 1973, National Bureau           Vibration Handbook, 2nd Edition,
      of Standards, Washington, D.C.                     McGraw-Hill, New York, NY, 1976.
INDEX
            A                                                                    Decibel . . . . . . . . . . . . . . . . . . . . . . 7---1, 7---5, 7---6
                                                                                 Deflection . . . . . . . . . 1---3, 1---4, 3---1, 3---10, 3---12
Acoustical properties . . . . . . . . . . . . . . . . 1---3, 7---1
                                                                                 Deflections . 2---1, 2---5, 2---11 to 2---16, 4---3, 4---7,
Admixtures . . . . . . . . . . . . . . . . . . . 1---1, 1---2, 8---4                                                                  4---9
Aggregates . . . . . . . . . . 1---2, 6---1, 6---2, 6---4, 8---4                 Design responsibility . . . . . . . . . . . . . . . . 1---5, 4---1
Air entrainment . . . . . . . . . . . . . . . . . . . . . . . . . 1---1          Design strength . . . . . . . . . . . . . 2---2, 2---19, 2---20
Allowable live load . . . . . . . . . . . . . . . . . . . . . . . 1---5          Details - Cantilevers . . . . . . . . . . . . . . . . . . . . 5---20
                                                                                 Details - Concrete beam . . . . . . . . . . . . . . . . . . 5---2
            B                                                                    Details - Miscellaneous . . . . . . . . . . . . . . . . . . 5---23
                                                                                 Details - Steel beams . . . . . . . . . . . . . . . . . . . . 5---15
Bearing strips . . . . . . 3---12, 3---13, 8---5, 8---6, 8---8
                                                                                 Details - Walls . . . . . . . . . . . . . . . . . . . . . . . . . . . 5---9
Bonding agents . . . . . . . . . . . . . . . . . . . . . . . . . 2---16
                                                                                 Development length . . . 2---19 to 2---21, 3---9, 3---12
Boundary element . . . . . . . . . . . 4---4 to 4---8, 4---15
                                                                                 Diaphragm flexibility . . . . . . . . . . . . . . 4---2 to 4---4
                                                                                 Diaphragms . 1---3, 2---15, 2---16, 3---10, 3---14, 4---1,
            C                                                                                                               to 4---9, 5---1

Camber . . 1---4, 1---14, 2---3, 2---11 to 2---13, 2---14,                       Differential shrinkage . . . . . . . . . . . . . 2---15, 2---16
                               2---15, 2---16, 8---3, 8---4                      Drag strut . . . . . . . . . . . . . . . . 4---4, 4---5, 4---7, 4---8
Cantilevers . . . . . . . . . . . . . . . . . . . . 3---10 to 3---12             Dy-Core . . . . . . . . . . . . . . . . . . . . . . . . . . . 1---1, 1---8
Caulking . . . . . . . . . . . . . . . . . . . . . . . . . . . . . . . 8---2     Dynaspan . . . . . . . . . . . . . . . . . . . . . . . . . 1---1, 1---8
Certification . . . . . . . . . . . . . . . . . . . . . . . . . . . . 8---2
Chord . . . . . . . . . . . . . . . . . . . . . . . . 4---4, 4---5, 4---8                    E
Collector . . . . . . . . . . . . 4---4, 4---5, 4---7, 4---8, 4---9
                                                                                 Effective resisting section . 3---2, 3---3, 3---6 to 3---8
Composite ties . . . . . . . . . . . . . . . . . . . . . . . . . 2---16
                                                                                 Elematic . . . . . . . . . . . . . . . . . . . . . . . . . . 1---1, 1---9
Composite topping 1---3, 2---13, 2---15, 2---16, 3---10,
                                                                                 End restraint . . . . . . . 1---3, 6---5, 6---8, 6---12, 6---13
                                                   4---9
                                                                                 End slip . . . . . . . . . . . . . . . . . . . . . . . . . 2---20, 2---21
Connections 1---3, 1---5, 3---10, 4---1, 4---2, 4---4, 4---7
                                             to 4---9, 5---1                     Equivalent live load . . . . . . . . . . . . . . . . . . . . . . 1---5
Continuity . . . . . . . . . . . . . . 3---10, 6---5, 6---9, 6---10              Equivalent thickness . 1---2, 1---3, 6---1, 6---2, 6---4,
                                                                                                                                   6---14
Contract documents . . . 1---3, 1---5, 4---1, 8---4, 8---6
                                                                                 Equivalent uniform load . . . . . . . . 1---5, 1---6, 3---7
Control joints . . . . . . . . . . . . . . . . . . . . . . . . . . 2---16
                                                                                 Erection drawings . . . . . . . . . . . . . . . . . . 1---5, 8---3
Cracking moment . . . . . . . . . . . . . . . . . . . . . . . 2---19
                                                                                 Extruder . . . . . . . . . . . . . . . . . . . . . . . . . . 1---1, 2---9
Creep . . . . . . . . . . . . . . . . . . . . 2---11 to 2---16, 6---12
Creep losses . . . . . . . . . . . . . . . . . . 2---1, 2---3, 2---5
Curling . . . . . . . . . . . . . . . . . . . . . . . . . . . . . . . . 2---16
                                                                                             F
                                                                                 Finishes . . . . . . . . . . . . . . . . . . . . . . . . . . . . . . . . 1---4
                                                                                 Fire endurance 3---10, 6---1, 6---2, 6---4, 6---5, 6---7 to
            D                                                                                                                        6---14
Damping . . . . . . . . . . . . . . . . . . . . 7---2, 7---9, 7---10             Fire rating . . . . . . . . . . . 1---2, 1---3, 1---5, 1---6, 8---3
Debonded strands . . . . . . 2---2, 2---20, 3---10, 3---11                       Fixed form . . . . . . . . . . . . . . . . . . . . . . . . . . . . . . 1---1
Flanking . . . . . . . . . . . . . . . . . . . . . 7---1, 7---8, 7---9                      M
Flexicore . . . . . . . . . . . . . . . . . . . . . . . . . . 1---1, 1---9      Manufacturing . . 1---1, 1---5, 1---8, 2---2, 2---3, 2---9,
Flexural bond length . . . . . . . . . . . . . . 2---19, 2---20                                  3---1, 3---10, 8---1, 8---2, 8---5, 8---6
Flexural design . . . . . . . . . . . . . . . . . . . . . . . . . . 2---1
Flexural strength . . 1---6, 2---1, 2---6, 2---9, 2---19 to                                 N
                                               2---21, 4---8
                                                                                Non-shrink grout . . . . . . . . . . . . . . . . . . . 1---2, 8---5
                                                                                Normal end slip . . . . . . . . . . . . . . . . . . . . . . . . 2---21
            G
Grout . . . . . . . . . . . . . 1---2, 2---16, 3---12, 4---6, 8---5
                                                                                            O
Grout column . . . . . . . . . . . . . . . . . . . . 3---12, 3---13             Openings . 1---3, 1---5, 3---1, 3---8, 3---9, 3---15, 4---9,
                                                                                                                         8---3, 8---4, 8---6


            H                                                                               P
Headers . . . . . . . . . . . . . . . . . . . . . . . . . . . . . . . . 3---8   Partially developed strand . . . . . . . . 2---19 to 2---21

Heat transmission 1---3, 6---1, 6---2, 6---4, 6---8, 6---14                     PCI Standard Design Practice . . . . . . . . . . . . . 2---1
                                                                                Production drawings . . . . . . . . . . . . . . . . . . . . . 8---3
Horizontal joints . . . . . . . . . . . . . . . 3---12 to 3---15
Horizontal shear . . . . . . . . . . . . . . 2---16, 4---8, 4---9
                                                                                            Q
                                                                                Quality assurance . . . . . . . . . . . . . . . . . . 2---15, 8---2
            I
Impact insulation . . . . . . . . . . . . . . . . . . . . . . . . 7---3                     R
Impact Insulation Class . . . . . 1---3, 7---1, 7---3, 7---4                    Release strength . . . . . . . . . . . . . . . . . . . . 2---2, 2---3
Impact noise . . . . . . . . . . . . . . . . . . . . . . . 7---1, 7---3
Inclined shear . . . . . . . . . . . . 2---10, 3---4, 3---6, 3---7                          S
                                                                                Sandwich panels . . . . . . . . . . . . . . . . . . . . . . . . . 1---4
            K                                                                   Seating losses . . . . . . . . . . . . . . . . . . . . . . . . . . . 2---1
                                                                                Seismic base shear . . . . . . . . . . . . . . . . . . . . . . . 4---2
Keyways . . . 1---2, 1---3, 3---1, 3---10, 4---5, 4---6, 4---8
                                                                                Service load stresses . . . . . . . . . . . . 2---1, 2---3, 2---5
                                                                                Shear friction . . . . . . . . . . . . . . . . . . . . 4---5 to 4---8
            L                                                                   Shear reinforcement . . . . . . . . . . 2---9, 2---11, 3---7
                                                                                Shrinkage . . . . . . . . . . . . . . . . . . 1---2, 2---15, 2---16
Lateral loads . . . . . . . . . . . . . . . . . 4---1, 4---4 to 4---6
                                                                                Shrinkage cracks . . . . . . . . . . . . . . 1---2, 3---1, 4---11
Lateral-resisting elements . . . . . . . . . . 4---1 to 4---9
                                                                                Shrinkage losses . . . . . . . . . . . . . . . . . . . . 2---1, 2---3
Load concentrations . . . . . . 2---20, 3---1, 3---3, 3---8
                                                                                Slab thickness . . . . . . . . . . . . 1---3, 1---5, 1---6, 3---11
Load distribution . . . . . . . . . . . . . . . . . 3---1 to 3---3              Slip form . . . . . . . . . . . . . . . . . . . . . . . . . . 1---1, 1---2
Load tables . . . . . . . 1---3, 1---5 to 1---7, 2---1, 2---16                  Slump . . . . . . . . . . . . . . . . . . . . . . . 1---1, 1---2, 2---20
Longitudinal shear . . . . . . . . . . . . . . . . . . 4---6, 4---7             Sound absorption . . . . . . . . . . 7---1, 7---2, 7---5, 7---8
Loss of Prestress . . 2---1, 2---3 to 2---5, 2---11, 2---13                     Sound insulation . . . . . . . . . . . . . . . . . . 7---1 to 7---3
Sound transmission . . . . . . . . . . . . . . . . . . . . . . 1---3        Transfer stresses . . . . . . . . . . . . . . . . . . . . 2---1, 2---2
Sound Transmission Class . . . 1---3, 7---1, 7---2, 7---4                   Transverse bending . . . . . . . . . . . . . . . . . 3---1, 3---3
Sound transmission loss . . . . . . . . 7---1 to 7---3, 7---8               Transverse reinforcement . . . . . . . . . . . . . . . . . 3---1
Span-depth ratio . . . . . . . . . . . . . . . . . . . . . . . . 3---3
Spancrete . . . . . . . . . . . . . . . . . . . . . . . . 1---1, 1---10
                                                                                        U
Spray-applied coatings . . . . . . . . . . . . . . 6---9, 6---14
                                                                            Ultra-Span . . . . . . . . . . . . . . . . . . . . . . . 1---1, 1---11
Steel relaxation . . . . . . . . . . . . . . . . . . . . . 2---1, 2---4
                                                                            Unit weight . . . . . . . . . . . . . . . . . . . . . . . 1---2, 1---14
Strain compatibility           2---6, 2---7, 2---9, 2---20, 2---21,
                                                            3---11
Stress-strain diagram . . . . . . . . . . . . . . . . 2---7, 2---8                      V
Structural end point . . . . . . . . . . . . . . . . . . . . . . 6---5
                                                                            Vibration isolators . . . . . . . . . . . . . . . . . 7---2, 7---10
Structural integrity . . 3---10, 3---14, 4---1, 4---4, 4---5

                                                                                        W
           T
                                                                            Wall panels . . . . . . . . . . . . . . . . . . . . . . . . 1---1, 1---4
Tolerances . . . 1---4, 1---6, 1---14, 1---15, 8---6 to 8---8
                                                                            Water-cement ratio . . . . . . . . . . . . . . . . . . . . . 2---20
Topping 1---3, 1---4, 2---13, 2---15, 2---16, 3---10, 4---5
                4---9, 6---2, 6---4, 6---11, 8---1 to 8---4                 Web shear . . . . . . . . . . . . . . . . . . . 2---18, 3---4, 3---7
Torsion . . . . . . . . . . . . . . . . . . . . . . . 3---1, 3---2, 3---8   Weep holes . . . . . . . . . . . . . . . . . . . . . . . . . . . . . 1---4
Transfer length . . . . . . 2---10, 2---19 to 2---21, 3---12                Weights . . . . . . . . . . . . . . . . . . . . . . . . . . . 1---2, 1---6

Hollow core slabs

  • 1.
    PCI MANUAL FOR THEDESIGN OF HOLLOW CORE SLABS SECOND EDITION by Donald R. Buettner and Roger J. Becker Computerized Structural Design, S.C. Prepared for the PCI Hollow Core Slab Producers Committee John E. Saccoman, Chairperson James Beerbower Ernest Markle Kevin Boyle James Markle Jeffrey Butler Milo J. Nimmer Loris Collavino William C. Richardson, Jr. Edward J. Gregory Klaus Rosenstern Pat Hynes Wes Schrooten Paul Kourajian Larry Stigler PRECAST / PRESTRESSED CONCRETE INSTITUTE 175 WEST JACKSON BOULEVARD CHICAGO, ILLINOIS 60604 312 786--0300 FAX 312 786--0353
  • 2.
    Copyright 1998 By Precast/Prestressed Concrete Institute First edition, 1985 Second edition, 1998 All rights reserved. This book or any part thereof may not be reproduced in any form without the written permission of the Precast/Prestressed Concrete Institute. ISBN 0- -937040- -6 -57- Printed in U.S.A.
  • 3.
    INTRODUCTION Purpose of Manual The application and design of precast, prestressed hollow core slabs is similar to that of other pre- stressed members. However, there are situations which are unique to hollow core slabs either be- cause of the way the slabs are produced or because of the application of the slabs. For special situations, hollow core producers have developed design criteria and conducted in- house testing to verify that their approaches are valid. In fact, there is consistency between the many types of hollow core slabs available. The purpose of this manual is to bring together those things that are common, that are verified by test and that can be universally applied to hollow core slabs. Be- cause there are differences, some topics covered will also point to the differences where closer coor- dination with the local producer is required. This manual was prepared by Computerized Structural Design, S.C., Milwaukee, Wisconsin with input and direction from the PCI Hollow Core Slab Producers Committee. Additionally, the fire and acoustical sections were prepared by Armand Gustaferro of The Consulting Engineers Group, Inc., Mt. Prospect, Illinois and Allen H. Shiner of Shiner and Associates, Inc., Skokie, Illinois, respective- ly. All reasonable care has been used to verify the accuracy of material contained in this manual. However, the manual should be used only by those experienced in structural design and should not replace good structural engineering judgment. Scope of Manual This document is intended to cover the primary design requirements for hollow core floor and roof systems. In instances where the design is no different than for other prestressed members, the PCI Design Handbook and the ACI Building Code should be consulted for more in-depth discussion. For the architect or consulting engineer, this manual is intended as a guideline for working with hollow core slabs, a guide for the use and application of hollow core slabs and an indication of some of the limitations of hollow core slabs. For the plant engineer, the manual will hopefully present some backup and reference material for dealing with everyday design problems.
  • 4.
    TABLE OF CONTENTS Introduction Notation Chapter1 - Hollow Core Slab Systems - 1.1 Methods of Manufacturing . . . . . . . . . . . . . . . . . . . . . . . . . . . . . . . . . . . . . . . . . . . . . . 1- -1 1.2 Materials . . . . . . . . . . . . . . . . . . . . . . . . . . . . . . . . . . . . . . . . . . . . . . . . . . . . . . . . . . . . 1- -1 1.3 Advantages of Hollow Core Slabs . . . . . . . . . . . . . . . . . . . . . . . . . . . . . . . . . . . . . . . . . 1- -3 1.4 Framing Concepts . . . . . . . . . . . . . . . . . . . . . . . . . . . . . . . . . . . . . . . . . . . . . . . . . . . . . 1- -3 1.5 Wall Panel Applications . . . . . . . . . . . . . . . . . . . . . . . . . . . . . . . . . . . . . . . . . . . . . . . . . 1- -4 1.6 Design Responsibilities . . . . . . . . . . . . . . . . . . . . . . . . . . . . . . . . . . . . . . . . . . . . . . . . . 1- -5 1.7 Cross-Sections and Load Tables . . . . . . . . . . . . . . . . . . . . . . . . . . . . . . . . . . . . . . . . . . 1- -5 1.8 Tolerances . . . . . . . . . . . . . . . . . . . . . . . . . . . . . . . . . . . . . . . . . . . . . . . . . . . . . . . . . . . 1--6 Chapter 2 - Design of Hollow Core Slabs - 2.1 General Information . . . . . . . . . . . . . . . . . . . . . . . . . . . . . . . . . . . . . . . . . . . . . . . . . . . . 2- -1 2.2 Flexural Design . . . . . . . . . . . . . . . . . . . . . . . . . . . . . . . . . . . . . . . . . . . . . . . . . . . . . . . 2--1 2.2.1 ACI Requirements . . . . . . . . . . . . . . . . . . . . . . . . . . . . . . . . . . . . . . . . . . . . . . . 2- -1 2.2.2 Stresses at Transfer . . . . . . . . . . . . . . . . . . . . . . . . . . . . . . . . . . . . . . . . . . . . . . 2- -2 2.2.3 Prestress Losses . . . . . . . . . . . . . . . . . . . . . . . . . . . . . . . . . . . . . . . . . . . . . . . . . 2- -3 2.2.4 Service Load Stresses . . . . . . . . . . . . . . . . . . . . . . . . . . . . . . . . . . . . . . . . . . . . 2- -5 2.2.5 Design Flexural Strength . . . . . . . . . . . . . . . . . . . . . . . . . . . . . . . . . . . . . . . . . . 2- -6 2.3 Shear Design . . . . . . . . . . . . . . . . . . . . . . . . . . . . . . . . . . . . . . . . . . . . . . . . . . . . . . . . . 2- -9 2.3.1 ACI Requirements . . . . . . . . . . . . . . . . . . . . . . . . . . . . . . . . . . . . . . . . . . . . . . . 2- -9 2.4 Camber and Deflection . . . . . . . . . . . . . . . . . . . . . . . . . . . . . . . . . . . . . . . . . . . . . . . . 2- -11 2.4.1 Camber . . . . . . . . . . . . . . . . . . . . . . . . . . . . . . . . . . . . . . . . . . . . . . . . . . . . . . . 2- -12 2.4.2 Deflections . . . . . . . . . . . . . . . . . . . . . . . . . . . . . . . . . . . . . . . . . . . . . . . . . . . . 2- -14 2.5 Composite Design . . . . . . . . . . . . . . . . . . . . . . . . . . . . . . . . . . . . . . . . . . . . . . . . . . . . 2- -15 2.6 Strand Development . . . . . . . . . . . . . . . . . . . . . . . . . . . . . . . . . . . . . . . . . . . . . . . . . . . 2- -19 2.6.1 ACI Requirements . . . . . . . . . . . . . . . . . . . . . . . . . . . . . . . . . . . . . . . . . . . . . . 2- -19 Chapter 3 - Special Design Considerations - 3.1 General Information . . . . . . . . . . . . . . . . . . . . . . . . . . . . . . . . . . . . . . . . . . . . . . . . . . . . 3- -1 3.2 Load Distribution . . . . . . . . . . . . . . . . . . . . . . . . . . . . . . . . . . . . . . . . . . . . . . . . . . . . . . 3- -1 3.2.1 Load Distribution Mechanisms . . . . . . . . . . . . . . . . . . . . . . . . . . . . . . . . . . . . . 3- -1 3.2.2 Design Guidelines . . . . . . . . . . . . . . . . . . . . . . . . . . . . . . . . . . . . . . . . . . . . . . . 3- -2 3.3 Effect of Openings . . . . . . . . . . . . . . . . . . . . . . . . . . . . . . . . . . . . . . . . . . . . . . . . . . . . . 3- -8 3.4 Continuity . . . . . . . . . . . . . . . . . . . . . . . . . . . . . . . . . . . . . . . . . . . . . . . . . . . . . . . . . . 3--10 3.5 Cantilevers . . . . . . . . . . . . . . . . . . . . . . . . . . . . . . . . . . . . . . . . . . . . . . . . . . . . . . . . . . 3- -10 3.6 Horizontal Joints . . . . . . . . . . . . . . . . . . . . . . . . . . . . . . . . . . . . . . . . . . . . . . . . . . . . . 3- -12 Chapter 4 - Diaphragm Action with Hollow Core Slabs - 4.1 General Information . . . . . . . . . . . . . . . . . . . . . . . . . . . . . . . . . . . . . . . . . . . . . . . . . . . . 4- -1 4.2 Design Loads . . . . . . . . . . . . . . . . . . . . . . . . . . . . . . . . . . . . . . . . . . . . . . . . . . . . . . . . . 4- -1 4.3 Distribution of Lateral Forces . . . . . . . . . . . . . . . . . . . . . . . . . . . . . . . . . . . . . . . . . . . . 4- -3 4.4 Structural Integrity . . . . . . . . . . . . . . . . . . . . . . . . . . . . . . . . . . . . . . . . . . . . . . . . . . . . . 4- -4 4.5 Elements of a Diaphragm . . . . . . . . . . . . . . . . . . . . . . . . . . . . . . . . . . . . . . . . . . . . . . . . 4- -4 4.6 Diaphragm Strength . . . . . . . . . . . . . . . . . . . . . . . . . . . . . . . . . . . . . . . . . . . . . . . . . . . . 4- -6
  • 5.
    4.6.1 Longitudinal Joints. . . . . . . . . . . . . . . . . . . . . . . . . . . . . . . . . . . . . . . . . . . . . . 4- -6 4.6.2 Transverse Joints . . . . . . . . . . . . . . . . . . . . . . . . . . . . . . . . . . . . . . . . . . . . . . . . 4- -8 4.7 Collectors . . . . . . . . . . . . . . . . . . . . . . . . . . . . . . . . . . . . . . . . . . . . . . . . . . . . . . . . . . . . 4- -8 4.8 Topped vs. Untopped Diaphragms . . . . . . . . . . . . . . . . . . . . . . . . . . . . . . . . . . . . . . . . . 4- -9 4.9 Design Example . . . . . . . . . . . . . . . . . . . . . . . . . . . . . . . . . . . . . . . . . . . . . . . . . . . . . . . 4- -9 Chapter 5 - Connections in Hollow Core Slabs - 5.1 General . . . . . . . . . . . . . . . . . . . . . . . . . . . . . . . . . . . . . . . . . . . . . . . . . . . . . . . . . . . . . . 5- -1 5.2 Details . . . . . . . . . . . . . . . . . . . . . . . . . . . . . . . . . . . . . . . . . . . . . . . . . . . . . . . . . . . . . . 5- -1 5.3 Typical Details with Concrete Beams . . . . . . . . . . . . . . . . . . . . . . . . . . . . . . . . . . . . . . 5- -2 5.4 Typical Details with Walls . . . . . . . . . . . . . . . . . . . . . . . . . . . . . . . . . . . . . . . . . . . . . . . 5- -9 5.5 Typical Details with Steel Beams . . . . . . . . . . . . . . . . . . . . . . . . . . . . . . . . . . . . . . . . 5- -15 5.6 Typical Cantilever Details . . . . . . . . . . . . . . . . . . . . . . . . . . . . . . . . . . . . . . . . . . . . . . 5- -20 5.7 Miscellaneous . . . . . . . . . . . . . . . . . . . . . . . . . . . . . . . . . . . . . . . . . . . . . . . . . . . . . . . 5- -23 Chapter 6 - Fire Resistance of Assemblies made with Hollow Core Slabs - 6.1 Introduction . . . . . . . . . . . . . . . . . . . . . . . . . . . . . . . . . . . . . . . . . . . . . . . . . . . . . . . . . . 6- -1 6.2 Heat Transmission through Floors or Roofs . . . . . . . . . . . . . . . . . . . . . . . . . . . . . . . . . 6- -1 6.2.1 Equivalent Thickness . . . . . . . . . . . . . . . . . . . . . . . . . . . . . . . . . . . . . . . . . . . . . 6- -1 6.2.2 Toppings, Undercoatings, or Roof Insulation . . . . . . . . . . . . . . . . . . . . . . . . . . 6- -2 6.2.3 Ceilings . . . . . . . . . . . . . . . . . . . . . . . . . . . . . . . . . . . . . . . . . . . . . . . . . . . . . . . 6- -4 6.3 Structural Fire Endurance of Floor or Roof Assemblies . . . . . . . . . . . . . . . . . . . . . . . . 6- -4 6.3.1 Simply Supported Slabs . . . . . . . . . . . . . . . . . . . . . . . . . . . . . . . . . . . . . . . . . . . 6- -5 6.3.2 Effect of Spray Applied Coatings . . . . . . . . . . . . . . . . . . . . . . . . . . . . . . . . . . . 6- -9 6.3.3 Structurally Continuous Slabs . . . . . . . . . . . . . . . . . . . . . . . . . . . . . . . . . . . . . . 6- -9 6.3.4 Detailing Precautions . . . . . . . . . . . . . . . . . . . . . . . . . . . . . . . . . . . . . . . . . . . . 6- -11 6.4 Restraint to Thermal Expansion . . . . . . . . . . . . . . . . . . . . . . . . . . . . . . . . . . . . . . . . . . 6- -12 Chapter 7 - Acoustical Properties of Hollow Core Slabs - 7.1 Glossary . . . . . . . . . . . . . . . . . . . . . . . . . . . . . . . . . . . . . . . . . . . . . . . . . . . . . . . . . . . . . 7- -1 7.2 General . . . . . . . . . . . . . . . . . . . . . . . . . . . . . . . . . . . . . . . . . . . . . . . . . . . . . . . . . . . . . 7--1 7.3 Approaching the Design Process . . . . . . . . . . . . . . . . . . . . . . . . . . . . . . . . . . . . . . . . . . 7- -2 7.3.1 Dealing with Sound Levels . . . . . . . . . . . . . . . . . . . . . . . . . . . . . . . . . . . . . . . . 7- -2 7.4 Sound Transmission Loss . . . . . . . . . . . . . . . . . . . . . . . . . . . . . . . . . . . . . . . . . . . . . . . 7- -2 7.5 Impact Noise Reduction . . . . . . . . . . . . . . . . . . . . . . . . . . . . . . . . . . . . . . . . . . . . . . . . . 7- -3 7.6 Absorption of Sound . . . . . . . . . . . . . . . . . . . . . . . . . . . . . . . . . . . . . . . . . . . . . . . . . . . 7- -5 7.7 Acceptable Noise Criteria . . . . . . . . . . . . . . . . . . . . . . . . . . . . . . . . . . . . . . . . . . . . . . . 7- -5 7.8 Establishment of Noise Insulation Objectives . . . . . . . . . . . . . . . . . . . . . . . . . . . . . . . . 7- -8 7.9 Leaks and Flanking . . . . . . . . . . . . . . . . . . . . . . . . . . . . . . . . . . . . . . . . . . . . . . . . . . . . 7- -8 7.10 Human Response to Building Vibrations . . . . . . . . . . . . . . . . . . . . . . . . . . . . . . . . . . . . 7- -9 7.11 Vibration Isolation for Mechanical Equipment . . . . . . . . . . . . . . . . . . . . . . . . . . . . . . 7- -10 Chapter 8 - Guide Specification for Precast, Prestressed Hollow Core Slabs . . . . . . . . . . 8- - -1 References Index
  • 6.
    NOTATION A = Cross-sectional area fd = Stress at extreme tension fiber due to a = Depth of equivalent compression stress unfactored member self weight block Fi = Portion of base shear applied at level i aθ = Depth of equivalent compression stress fpc = Compressive stress in concrete at the block under fire conditions centroid of the section due to effective Acr = Area of crack face prestress for non-composite sections or Ae = Net effective slab bearing area due to effective prestress and moments Aps = Area of prestressed reinforcement resisted by the precast section alone for Avf = Area of shear friction reinforcement composite sections b = Width of compression face fpe = Compressive stress in concrete at extreme bw = Net web width of hollow core slab fiber where external loads cause tension C = Confinement factor due to the effective prestress only C = Compressive force fps = Stress in prestressed reinforcement at C = Seismic factor dependent on site and nominal strength structure fundamental period fpsθ = Stress in prestressed reinforcement at fire C = Factor for calculating steel relaxation strength losses as given in Table 2.2.3.2 f′ps = Maximum steel stress in partially c = Distance from extreme compression developed strand fiber to neutral axis fpu = Specified tensile strength of CR = Prestress loss due to concrete creep prestressing steel Cs = Seismic coefficient fpuθ = Tensile strength of prestressing steel at D = Dead load elevated temperatures d = Distance from extreme compression fiber Fpx = Force applied to diaphragm at level under to centroid of non-prestressed consideration tension reinforcement fse = Effective stress in prestressing steel after db = Nominal diameter of reinforcement all losses dp = Distance from extreme compression fiber fsi = Stress in prestressing steel at initial to centroid of prestressed prestress reinforcement Ft = Additional portion of base shear applied at DW = Distribution width top level e = Distance from neutral axis to centroid of fu = Usable grout strength in a horizontal joint prestressed reinforcement fy = Steel yield strength Ec = Modulus of elasticity of concrete h = Overall member depth Eci = Modulus of elasticity of concrete at the hn = Net height of grout in keyway between time of initial prestress slab units ES = Prestress loss due to elastic shortening of I = Occupancy importance factor concrete I = Cross-sectional moment of inertia Es = Modulus of elasticity of steel J = Factor for calculating steel relaxation reinforcement losses as given in Table 2.2.3.1 f′c = Specified design compressive strength of k = Fraction of total load in a horizontal joint concrete in a grout column f′ci = Compressive strength of concrete at the Kcir = Factor for calculating elastic shortening time of initial prestress prestress losses fcir = Net compressive stress in concrete at Kcr = Factor for calculating prestress losses due centroid of prestressed reinforcement at to concrete creep time of initial prestress Kes = Factor for calculating prestress losses due fcds = Stress in concrete at centroid of to elastic shortening prestressed reinforcement due to Kre = Factor for calculating prestress losses due superimposed dead load to steel relaxation as given in Table 2.2.3.1
  • 7.
    Ksh =Factor for calculating prestress losses due Vi = Factored shear force due to externally to concrete shrinkage applied loads occurring simultaneously K′u = Factor from PCI Handbook Fig. 4.12.2 for with Mmax calculating flexural design strength = Vu - Vd - L = Live load Vn = Nominal shear strength of a member ℓ = Span length Vs = Nominal shear strength provided by shear ℓd = Reinforcement development length reinforcement Vu = Design shear force ℓe = Strand embedment length from member V/S = Volume to surface ratio end to point of maximum stress w = Uniformly distributed load ℓf = Flexural bond length w = Bearing area length ℓt = Strand transfer length W = Total dead load plus other applicable M = Service load moment loads for seismic design Mcr = Cracking moment wi = Portion of W at level i Md = Unfactored dead load moment wpx = Portion of W at level under Mg = Unfactored self-weight moment consideration Mn = Nominal flexural strength yb = Distance from neutral axis to extreme Mnθ = Flexural strength under fire conditions bottom fiber Mmax = Maximum factored moment due to yt = Used as either distance to top fiber or externally applied loads tension fiber from neutral axis = Mu - Md - Z = Seismic zone factor Msd = Unfactored moment due to β1 = Factor defined in ACI 318-95, Section superimposed dead load 10.2.7.3 Mu = Factored design moment γp = Factor for type of prestressing strand Mθ = Applied fire moment δall = Limiting free end slip P = Effective force in prestressing steel after δs = Actual free end slip all losses εps = Strain in prestressed reinforcement at Po = Effective prestress force at release prior to nominal flexural strength long term losses εs = Strain in prestressed reinforcement Pi = Initial prestress force after seating losses εse = Strain in prestressed reinforcement after Q = First moment of area losses R = Fire endurance rating µ = Shear friction coefficient RE = Prestress loss due to steel relaxation µe = Effective shear friction coefficient Re = Reduction factor for load eccentricity in ρp = Ratio of prestressed reinforcement horizontal joints ρ′ = Ratio of compression reinforcement RH = Ambient relative humidity φ = ACI strength reduction factor Rw = Seismic coefficient dependent on ω = ρfy/f′c structural system type ω′ = ρ′fy/f′c S = Section modulus ωp = ρpfps/f′c SH = Prestress loss due to concrete shrinkage ωw = Reinforcement index for flanged sections T = Tensile force ω′w = Reinforcement index for flanged sections tg = Width of grout column in horizontal joint ωpw = Reinforcement index for flanged sections V = Seismic base shear ωpu = ρp fpu/f′c Vc = Nominal shear strength of concrete θ = Subscript denoting fire conditions Vci = Nominal shear strength of concrete in a shear-flexure failure mode Vcw = Nominal shear strength of concrete in a web shear failure mode Vd = Shear due to unfactored self weight Vh = Horizontal beam shear
  • 8.
    CHAPTER 1 HOLLOW CORE SLAB SYSTEMS 1.1 Methods of Manufacturing long. Slabs are then sawcut to the appropriate A hollow core slab is a precast, prestressed con- length for the intended project. crete member with continuous voids provided to The economy of the generalized hollow core reduce weight and, therefore, cost and, as a side system is in the quantity of slabs that can be pro- benefit, to use for concealed electrical or mechan- duced at a given time with a minimum of labor re- ical runs. Primarily used as floor or roof deck sys- quired. Each slab on a given casting line will have tems, hollow core slabs also have applications as the same number of prestressing strands. There- wall panels, spandrel members and bridge deck fore, the greatest production efficiency is obtained units. by mixing slabs with the same reinforcing re- An understanding of the methods used to quirements from several projects on a single pro- manufacture hollow core slabs will aid in the spe- duction line. This implies that best efficiency for a cial considerations sometimes required in the use single project is obtained if slab requirements are of hollow core slabs. Hollow core slabs are cast repetitive. using various methods in the seven major systems 1.2 Materials available today. Because each production system As stated previously, hollow core slabs are pro- is patented, producers are usually set up on a fran- duced with two basic concrete mixes; low slump chise or license basis using the background, and normal slump concrete. For the low slump knowledge and expertise provided with the ma- concretes, water content is limited to slightly chine development. Each producer then has the more than that required for cement hydration. technical support of a large network of associated Water-cement ratios are typically about 0.3. Mix- producers. ing is critical because the limited water available Two basic manufacturing methods are current- must be well dispersed in the mix. Water reducing ly in use for the production of hollow core slabs. admixtures can be used to optimize a mix by re- One is a dry cast or extrusion system where a very ducing cement and water requirements while still low slump concrete is forced through the ma- retaining adequate workability for proper com- chine. The cores are formed with augers or tubes paction of the concrete by the machine. Air en- with the concrete being compacted around the trainment admixtures are not effective in the dry cores. The second system uses a higher slump mix concrete. With the low water-cement ratios concrete. Sides are formed either with stationary, and compaction placing method, air is difficult to fixed forms or with forms attached to the machine disperse well and maintain. with the sides being slip formed. The cores in the Table 1.1 Hollow Core Systems normal slump, or wet cast, systems are formed with either lightweight aggregate fed through Manufac- Machine Concrete Core Form tubes attached to the casting machine, pneumatic turer Type Type/Slump tubes anchored in a fixed form or long tubes at- Dy-Core Extruder Dry/Low Tubes tached to the casting machine which slip form the Dynaspan Slip Form Wet/Normal Tubes cores. Elematic Extruder Dry/Low Auger/Tube Table 1.1 lists the seven major hollow core sys- Flexicore Fixed Form Wet/Normal Pneumatic tems available today along with the basic in- Tubes formation on the casting technique. Various Spancrete Slip Form Dry/Low Tubes names may be used by local licensees to describe SpanDeck Slip Form Wet/Normal Filler the same products. In most cases, the slabs are aggregate cast on long line beds, normally 300 ft to 600 ft Ultra-Span Extruder Dry/Low Augers 1- -1
  • 9.
    The wet castproducts (those cast with normal slump concrete), have water-cement ratios in the range of 0.4 to 0.45. Depending on the slip form- ing system used, slumps of 2 to 5 inches (50 - 130 mm) are used. The mix design and use of admix- tures is dependent on achieving a mix that will hold its shape consistent with the forming tech- nique used. Aggregates vary in the various manufacturing processes depending on what type is locally avail- able. Maximum aggregate size larger than pea gravel is rarely used because of the confined areas Latex feathering ready for direct carpet application into which concrete must be placed. Light weight aggregates are occasionally used to reduce the weight of the sections and to achieve a significant reduction in required equivalent thickness in a fire rated application. Concrete unit weights ranging from 110 to 150 pcf (1760 - 2400 kg/m3) are used in the industry. Strand use in hollow core slabs includes about every size and type of strand produced depending on what is available to a particular producer. The trend is toward primary use of the larger 1/2 in (13 mm) diameter, low relaxation strand. The philos- ophy of strand use varies from using many strand sizes to optimize cost for a given project to using only one or two strand sizes for simplicity of in- ventory and production. Except for special situations, keyway grout is normally a sand and Portland cement mixture in proportions of about 3:1. The amount of water used is a function of the method used to place the grout but will generally result in a wet mix so key- Acoustical spray on exposed slab ceiling ways may be easily filled. Shrinkage cracks may occur in the keyways, but configuration of the key is such that vertical load transfer can still occur with the presence of a shrinkage crack. Rarely is grout strength required in excess of 2000 psi (13.8 MPa) for vertical load transfer. Although it is discouraged, non-shrink, non- staining grout is occasionally specified for use in keyways. In evaluating the potential benefits of non-shrink grout, the volume of grout must be compared to the overall volume of concrete in the slabs and support materials. Because the size of the keyway is small in relation to a floor or roof as- sembly of slabs, total shrinkage will be affected Electrical and HVAC application only to a minor degree. Shrinkage cracks can still 1- -2
  • 10.
    occur in thekeyways and there is little benefit to acteristics associated with concrete. The Sound be gained in comparison with the additional cost. Transmission Class rating ranges from about 47 to 57 without topping and the Impact Insulation 1.3 Advantages of Hollow Core Slabs Class rating starts at about 23 for a plain slab and Hollow core slabs are most widely known for may be increased to over 70 with the addition of providing economical, efficient floor and roof carpeting and padding. Detailed information on systems. The top surface can be prepared for the the acoustical properties of hollow core slabs is installation of a floor covering by feathering the presented in Chapter 7. joints with a latex cement, installing non-structur- al fill concretes ranging from 1/2 in to 2 in (13 - 51 1.4 Framing Concepts mm) thick depending on the material used, or by The primary consideration in developing a casting a composite structural concrete topping. framing scheme using hollow core slabs is the The underside can be used as a finished ceiling as span length. For a given loading and fire endur- installed, by painting, or by applying an acoustical ance rating, span length and slab thickness may be spray. optimized by consulting a producer’s published When properly coordinated for alignment, the load tables. Section 1.7 presents sample load voids in a hollow core slab may be used for electri- tables and instructions for the use of the tables. cal or mechanical runs. For example, routing of a The PCI Design Handbook1 recommends limits lighting circuit through the cores can allow fix- on span-depth ratios for the hollow core slabs. For tures in an exposed slab ceiling without unsightly roof slabs, a span-depth ratio limit of 50 is sug- surface mounted conduit. Slabs used as the heated gested and for floor slabs, a limit of 40 is sug- mass in a passive solar application can be detailed gested. In practice, a span-depth ratio of 45 is to distribute the heated air through the cores. common for floors and roofs when fire endurance, Structurally, a hollow core slab provides the ef- openings, or heavy or sustained live loads do not ficiency of a prestressed member for load capac- control a design. ity, span range, and deflection control. In addi- Consideration must be given to factors which tion, a basic diaphragm is provided for resisting affect slab thickness selection for a given span. lateral loads by the grouted slab assembly pro- Heavy superimposed loads, as required by the vided proper connections and details exist. A de- function of a system, would require a lower span- tailed discussion of diaphragm capabilities is depth ratio. Similarly, heavy partitions or a large presented in Chapter 4. number of openings will result in higher load ca- Excellent fire resistance is another attribute of pacity requirements. The fire resistance rating re- the hollow core slab. Depending on thickness and quired for the application will also affect the load strand cover, ratings up to a 4 hour endurance can capacity of a slab. As the code required fire rating be achieved. A fire rating is dependent on equiva- increases, prestressing strands can be raised for lent thickness for heat transmission, concrete cov- more protection from the heat. The smaller effec- er over the prestressing strands for strength in a tive strand depth will result in a lower load capac- high temperature condition, and end restraint. ity. Alternatively, a rational design procedure can Underwriters Laboratories publishes fire ratings be used to consider the elevated strand tempera- for various assemblies. However, many building tures during a fire. This fire design condition may codes allow a rational design procedure for control a slab design and, again, result in a lower strength in a fire. This procedure, described in de- load capacity. tail in Chapter 6, considers strand temperature in Once slab thicknesses and spans are selected, calculating strength. Required fire ratings should the economics of layout become important. be clearly specified in the contract documents. While ends cut at an angle can be designed and Also, the fire rating should be considered in deter- supplied, it is most efficient to have the bearing mining the slab thickness to be used in prelimi- perpendicular to the span so square cut ends can nary design. be used. Used as floor-ceiling assemblies, hollow core It is also desirable to have the plan dimensions slabs have the excellent sound transmission char- fit the slab module. This is dependent upon the 1- -3
  • 11.
    slab systems availablein the project area. ture of the slabs. At the other extreme, if a “flat” Non-module plan dimensions can be accommo- floor is required in a structure consisting of multi- dated using partial width slabs. Some producers ple bays of varying length and change in slab intentionally cast narrow widths as filler pieces direction, the highest point will determine the top while others use a section split from a full slab. elevation of the topping. A greater amount of top- Such a split section might be created by a longitu- ping will then be required in “low” areas. These dinal sawcut or a break if the edge will not be ex- considerations must be dealt with in the planning posed to view. stages to both control costs and minimize ques- Construction tolerances must be accounted for tions and potential for “extras” during construc- in developing a plan layout. Tolerance on slab tion. length may be taken up by allowing a gap at the Camber, camber growth, and deflections must slab ends in the bearing detail. On the non-bearing be considered when slabs run parallel to a stiff ver- sides, clearance may be provided by using a detail tical element such as a wall (e.g. slabs running where the slabs lap over a wall or beam. If the slab parallel to the front wall of an elevator). The door edge butts a wall or beam, a gap should be pro- rough opening should allow for camber to pro- vided. Refer to local producers’ information for duce proper door installation. Alternatively, the recommendations of proper tolerances. slab span might be rearranged so the front wall is a When a hollow core slab deck is exposed to bearing wall. Then door problems would be alle- weather for a long period of time during construc- viated. tion, water can accumulate in the cores. The pri- Camber, camber growth, and deflections must mary source of water infiltration is at the butt be taken into account in roofing details. Where joints. In cold weather, this water can freeze and changes in relative slab position can occur, coun- expand causing localized damage. One remedy terflashings are suggested to accommodate such for this situation is to drill weep holes at the slab changes. ends under each core. The need for such weep holes is generally known only after a construction 1.5 Wall Panel Applications schedule is established. The specifier and the slab Some hollow core slab systems can also pro- supplier are not usually in a position to know of vide slabs to be used as walls. Long line manufac- such a need in advance. turing can result in economical cladding or load Hollow core members will be cambered as with bearing panels used in manufacturing or commer- any other prestressed flexural member. In the cial applications. The hollow core wall panels are planning stages, consideration should be given to prestressed with two layers of strands for accom- the causes of differential camber. For two slabs of modating handling, structural loadings and bow- identical length and prestressing, the camber may ing considerations. Some manufacturers can add be different because of concrete and curing varia- 2 in to 4 in (51 - 102 mm) of insulation to the hol- tions. This factor is independent of a framing low core section with a 1 1/2 in thick to 3 in (38 - 76 scheme. However, joints between slabs of un- mm) thick concrete facing to create an insulated equal spans or joints at which a change in the span sandwich panel. direction occurs, will cause a potential differential A variety of architectural finishes are available camber problem. This must be recognized and with hollow core wall panels. While the finishes dealt with in the design layout. Wall locations can be very good, the variety of finishes available may hide such a joint, but the door swing might be is different from those typically available with directed to the least variable side. true architectural precast concrete panels. In Camber must also be accommodated when a judging the quality of finish on hollow core wall topping is to be provided. The quantity of topping panels, consideration must be given to the required must consider the amount of camber and manufacturing process. the function of the floor. In occupancies where flat floors are not a requirement, a constant top- ping thickness may be used to follow the curva- 1- -4
  • 12.
    1.6 Design Responsibilities Producer load tables define the allowable live It is customary in the hollow core industry for load that a given slab can safely support in addi- the producer to perform the final engineering for tion to the slab self weight. The load capacity will the product to be supplied to the job. This would be a function of the slab thickness, the amount of include design for vertical loads and lateral loads prestressing provided, and the location of the pre- specified by the Engineer of Record, embedded stressing strands. Fire rated slabs may require items for specified connection forces, and han- additional concrete cover below the strands which dling and shipping. However, the Engineer of Re- will affect the load capacity. cord plays a very important role in the design pro- The design criteria used to develop these load cess. Prior to selection of the hollow core produc- tables is defined by the ACI Building Code2 as er, enough preliminary planning should be done to outlined in Chapter 2. Depending on the design insure that the specified floor and roof system is criteria controlling a slab’s load capacity, some achievable. That is, the project should be one that advantage may be gained by understanding that in can be engineered without requiring changes from most applications, superimposed loads will con- the contract documents. sist of both dead and live loads. Where ultimate The contract documents must clearly indicate strength controls, an equivalent live load can be design criteria to which hollow core slabs will used to enter a load table. It is calculated as: have to conform. This is especially important when the hollow core slabs must interface with w equivalent = 1.4 superimposed Dead load 1.7 other construction materials. When connections + Live load are required, the forces to be transmitted through However, if bottom fiber tensile stresses con- the connections must be specified in the contract trol, no adjustment in superimposed loads may be documents. The producer is best able to deter- used. mine the most efficient connection element to be Similarly, many loading conditions consist of embedded in the slab. However, the balance of a loads other than uniform loads. For preliminary connection which interfaces with another materi- design only, an equivalent uniform load may be al should be detailed in the contract documents. calculated from the maximum moment caused by The Engineer of Record also has a responsibil- the actual loads. ity in the review and approval of erection draw- 8 M superimposed ings prepared by the precast producer. Review of w equivalent = these drawings is the last opportunity to assure ℓ 2 that the producer’s understanding of the project Shear will not be properly addressed in this sit- coincides with the intent of design. Erection uation. Thus, the final design must consider the drawings should be checked for proper design actual load pattern. loads, proper details and bearing conditions, con- Because of the uniqueness of each hollow core formance with specified fire ratings, and the loca- slab system and the many possibilities of strand tion of openings. patterns available from various producers, a ge- neric hollow core slab has been developed to dem- onstrate design procedures. Figure 1.7.1 depicts the slab section and properties and illustrates a 1.7 Cross-Sections and Load Tables typical form for a producer’s load tables. Each of the major hollow core slab systems has Throughout this manual, this section will be used a standard set of cross-sections that can be pro- to demonstrate various calculation procedures duced by their equipment. Available in thick- where any one of the proprietary cross-sections nesses ranging from 4 in to 15 in (102 - 380 mm), could be substituted. It must be emphasized that core configurations make each system unique. this cross-section is not available for use and Each individual producer has additional produc- should not be specified. tion practices which may affect the capabilities of Figures 1.7.2 through 1.7.8 present the propri- their product. Therefore, most producers prepare etary slab cross-sections currently available. The and distribute load tables in their market area. section properties are as provided by the manufac- 1- -5
  • 13.
    turers, but weightsare based on 150 pcf (2400 For final design use the methods of Chapter 2 kg/m3) concrete. The actual weights may vary particularly to check shear. slightly from those given. The availability of any particular section in a given area must be verified 1.8 Tolerances3 with the local producers. Figures 1.7.9 present Figure 1.8.1 shows the dimensional tolerances charts of the general range of load capacities for precast hollow core slabs. These tolerances available in a given slab thickness. As with any are guidelines only and each project must be con- chart of this nature, the chart should be carefully sidered individually to ensure that the tolerances approached and verified with local producer load shown are applicable. tables, especially for the longest and shortest and Figure 1.8.2 shows erection tolerances for hol- lightest and heaviest conditions. Special care is low core slabs. When establishing tolerances, the also required when fire rated slabs must be used function of the slabs should be considered. For on a project. (See Chapter 6) example, slabs covered by finish materials may The following examples demonstrate the ways not need the close tolerances required for exposed in which load tables may be used. slabs. Example 1.7.1 Equivalent Uniform Load From the load table in Figure 1.7.1 select a strand pattern to carry a uniform superimposed dead load of 20 psf and a uniform live load of 60 psf on a 24 foot span. wtotal = 20 + 60 = 80 psf 4-7/16 in dia. strands required: capacity = 118 psf flexural strength controls w equivalent = 1.4 20 + 60 = 77 psf 1.7 Use 4-3/8 in dia. strands: capacity = 79 psf flexural strength controls. Example 1.7.2 Non-Uniform Loads From the load table in Figure 1.7.1 select a strand pattern to carry a superimposed uniform load of 20 psf dead plus 40 psf live and a continu- ous wall load of 600 plf located perpendicular to the span and at midspan. The design span is 25 feet. For preliminary design 2 M superimposed = 25 20 + 40 + 25 600 8 4 = 8438 ft-#/ft 88438 w equivalent = 25 2 = 108 psf Try 6-3/8 in dia. strands - capacity = 120 psf 1- -6
  • 14.
    Fig. 1.7.1 Generichollow core slab 36" Section Properties 1 1/2" 5 1/4" 1 1/4" A = 154 in2 I = 1224.5 in4 bw = 10.5 in yb = 3.89 in 8" Sb = 314.8 in3 St = 297.9 in3 1" 1 1/2" 1 1/2" wt = 53.5 psf 4 1/4" SAMPLE LOAD TABLE3 Allowable Superimposed Live Loads, psf Spans, ft Strands, 270LR φMn, ft-k 14 15 16 17 18 19 20 21 22 23 4-3/8″ 45.1 317 270 232 200 174 152 133 116 102 90 6-3/8″ 65.4 356 311 272 240 212 188 168 150 4-7/16″ 59.4 320 278 243 214 189 167 148 132 6-7/16″ 85.0 3431 3111 2831 258 231 208 4-1/2″ 76.7 327 289 257 229 204 183 6-1/2″ 105.3 3171 2901 2671 2471 Strands, 270LR φMn, ft-k 24 25 26 27 28 29 30 4-3/8″ 45.1 79 79 69 61 53 46 6-3/8″ 65.4 134 120 108 97 87 78 70 4-7/16″ 59.4 118 105 94 84 75 67 59 6-7/16″ 85.0 187 169 153 139 126 114 104 4-1/2″ 76.7 165 148 134 121 109 99 90 6-1/2″ 105.3 2271 2101 1952 1782 1632 1492 1372 1 - Values are governed by shear strength. 2 - Values are governed by allowable tension 3 - Table based on 5000 psi concrete with 6 f′ c allowable tension. Unless noted, values are governed by strength design. Note: This slab is for illustration purposes only. Do not specify this slab for a project. 1- -7
  • 15.
    Fig. 1.7.2 Trade name: Dy-Core Equipment Manufacturer: Mixer Systems, Inc., Pewaukee, Wisconsin Section Untopped with 2″ topping width x A yb I wt yb I wt depth in2 in in4 psf in in4 psf 4′-0″ x 6″ 142 3.05 661 37 4.45 1475 62 4′-0″ x 8″ 193 3.97 1581 50 5.43 3017 75 4′-0″ x 10″ 215 5.40 2783 56 6.89 4614 81 4′-0″ x 12″ 264 6.37 4773 69 7.89 7313 94 4′-0″ x 15″ 289 7.37 8604 76 9.21 13225 101 Note: All sections not available from all producers. Check availability with local manufacturers. Fig. 1.7.3 Trade name: Dynaspan Equipment Manufacturer: Dynamold Corporation, Salina, Kansas Section Untopped with 2″ topping width x A yb I wt yb I wt depth in2 in in4 psf in in4 psf 4′-0″ x 4″ 133 2.00 235 35 3.08 689 60 4′-0″ x 6″ 165 3.02 706 43 4.25 1543 68 4′-0″ x 8″ 233 3.93 1731 61 5.16 3205 86 4′-0″ x 10″ 260 4.91 3145 68 6.26 5314 93 8′-0″ x 6″ 338 3.05 1445 44 4.26 3106 69 8′-0″ x 8″ 470 3.96 3525 61 5.17 6444 86 8′-0″ x 10″ 532 4.96 6422 69 6.28 10712 94 8′-0″ x 12″ 615 5.95 10505 80 7.32 16507 105 Note: All sections not available from all producers. Check availability with local manufacturers. 1- -8
  • 16.
    Fig. 1.7.4 Trade name: Elematic Equipment Manufacturer: Mixer Systems, Inc., Pewaukee, Wisconsin Section Untopped with 2″ topping width x A yb I wt yb I wt depth in2 in in4 psf in in4 psf 4′-0″ x 6″ 157 3.00 694 41 4.33 1557 66 4′-0″ x 8″ 196 3.97 1580 51 5.41 3024 76 4′-0″ x 10″(5) 238 5.00 3042 62 6.49 5190 87 4′-0″ x 10″(6) 249 5.00 3108 65 6.44 5280 90 4′-0″ x 12″ 274 6.00 5121 71 7.56 8134 96 Note: Elematic is also availble in 96″ width. All sections not available from all producers. Check availability with local manufacturers. Fig. 1.7.5 Trade name: Flexicore Licensing Organization: The Flexicore Co. Inc., Dayton, Ohio Section Untopped with 2″ topping width x A yb I wt yb I wt depth in2 in in4 psf in in4 psf 1′-4″ x 6″ 55 3.00 243 43 4.23 523 68 2′-0″ x 6″ 86 3.00 366 45 4.20 793 70 1′-4″ x 8″ 73 4.00 560 57 5.26 1028 82 2′-0″ x 8″ 110 4.00 843 57 5.26 1547 82 1′-8″ x 10″ 98 5.00 1254 61 6.43 2109 86 2′-0″ x 10″ 138 5.00 1587 72 6.27 2651 97 2′-0″ x 12″ 141 6.00 2595 73 7.46 4049 98 Note: All sections not available from all producers. Check availability with local manufacturers. 1- -9
  • 17.
    Fig. 1.7.6 Trade name: Spancrete Licensing Organization: Spancrete Machinery Corp., Milwaukee, Wisconsin Section Untopped with 2″ topping width x A yb I wt yb I wt depth in2 in in4 psf in in4 psf 4′-0″ x 4″ 138 2.00 238 34 3.14 739 59 4′-0″ x 6″ 189 2.93 762 46 4.19 1760 71 4′-0″ x 8″ 258 3.98 1806 63 5.22 3443 88 Ultralight Spancrete 4′-0″ x 10″ 312 5.16 3484 76 6.41 5787 101 4′-0″ x 12″ 355 6.28 5784 86 7.58 8904 111 4′-0″ x 15″ 370 7.87 9765 90 9.39 14351 115 4′-0″ x 8″ 246 4.17 1730 60 5.41 3230 85 4′-0″ x 10″ 277 5.22 3178 67 6.58 5376 92 4′-0″ x 12″ 316 6.22 5311 77 7.66 8410 102 Note: Spancrete is also available in 40″ and 96″ widths. All sections are not available from all producers. Check availability with local manufacturer. Fig. 1.7.7 Trade name: SpanDeck Licensing Organization: Fabcon, Incorporated, Savage, Minnesota Section Untopped with 2″ topping width x A yb I wt yb I wt depth in2 in in4 psf in in4 psf 4′-0″ x 8″ 246 3.75 1615 62 5.55 2791 87 4′-0″ x 12″ 298 5.87 5452 75 8.01 7856 100 8′-0″ x 8″ 477 3.73 3236 60 5.53 5643 85 8′-0″ x 12″ 578 5.86 10909 72 7.98 15709 97 Note: All sections not available from all producers. Check availability with local manufacturers. 1- -10
  • 18.
    Fig. 1.7.8 Trade name: Ultra-Span Licensing Organization: Ultra-Span Technologies, Inc., Winnipeg, Manitoba, Canada Section Untopped with 2″ topping width x A yb I wt yb I wt depth in2 in in4 psf in in4 psf 4′-0″ x 4″ 154 2.00 247 40 2.98 723 65 4′-0″ x 6″ 188 3.00 764 49 4.13 1641 74 4′-0″ x 8″ 214 4.00 1666 56 5.29 3070 81 4′-0″ x 10″ 259 5.00 3223 67 6.34 5328 92 4′-0″ x 12″ 289 6.00 5272 75 7.43 8195 100 Note: All sections are not available from all producers. Check availability with local manufacturers. Fig. 1.7.9(a) Slab load ranges 300 6" Hollow Core Slab 3/4" Concrete Cover 250 ~ = 45 h Superimposed Live Load, psf 200 6" + 2" Topping 150 6" 100 50 10 20 30 40 Span, ft 1- -11
  • 19.
    Fig. 1.7.9 (b)Slab load ranges 300 8" Hollow Core Slab 3/4" Concrete Cover 250 ~ = 45 Superimposed Live Load, psf h 200 8" + 2" Topping 150 8" 100 50 10 20 30 40 Span, ft Fig. 1.7.9(c) Slab load ranges 300 10" Hollow Core Slab 3/4" Concrete Cover 250 10" + 2" Topping Superimposed Live Load, psf 200 ~ = 45 h 150 10" 100 50 10 20 30 40 Span, ft 1- -12
  • 20.
    Fig. 1.7.9 (d)Slab load ranges 300 12" Hollow Core Slab 3/4" Concrete Cover 250 12" + 2" Topping Superimposed Live Load, psf 200 ~ = 45 h 12" 150 100 50 10 20 30 40 Span, ft Fig. 1.7.9(e) Slab load ranges 200 15" Hollow Core Slab 3/4" Concrete Cover 175 15" + 2 1/2" Topping Superimposed Live Load, psf 15" 150 ~ = 45 h 125 100 75 50 10 20 30 40 50 60 Span, ft 1- -13
  • 21.
    Fig. 1.8.1 Producttolerances - hollow core slabs - a = Length . . . . . . . . . . . . . . . . . . . . . . . . . . . . . . . . . . . . . ±1/2 in j = Center of gravity of strand group b = Width . . . . . . . . . . . . . . . . . . . . . . . . . . . . . . . . . . . . . . ±1/4 in The CG of the strand group relative to the top of the plank c = Depth . . . . . . . . . . . . . . . . . . . . . . . . . . . . . . . . . . . . . . ±1/4 in shall be within ±1/4 in of the nominal strand group CG. The dt = Top flange thickness position of any individual strand shall be within ±1/2 in of Top flange area defined by the actual measured values of nominal vertical position and ±3/4 in of nominal horizontal average dt x b shall not be less than 85% of the nominal area position and shall have a minimum cover of 3/4 in. calculated by dt nominal x b nominal. k = Position of plates . . . . . . . . . . . . . . . . . . . . . . . . . . . . . . ±2 in db = Bottom flange thickness l = Tipping and flushness of plates . . . . . . . . . . . . . . . . ±1/4 in Bottom flange area defined by the actual measured values m = Local smoothness . . . . . . . . . . . . . . . . . . . . . ±1/4 in in 10 ft of average db x b shall not be less than 85% of the nominal (does not apply to top deck surface left rough to receive a area calculated by db nominal x b nominal. topping or to visually concealed surfaces) e = Web thickness The total cumulative web thickness defined by the actual Plank weight measured value Σe shall not be less than 85% of the nominal Excess concrete material in the plank internal features is cumulative width calculated by Σe nominal. within tolerance as long as the measured weight of the f = Blockout location . . . . . . . . . . . . . . . . . . . . . . . . . . . . . . ±2 in individual plank does not exceed 110% of the nominal g = Flange angle . . . . . . . . . . . . . . 1/8 in per 12 in, 1/2 in max. published unit weight used in the load capacity calculation. h = Variation from specified end squareness n = Applications requiring close control of differential camber or skew . . . . . . . . . . . . . . . . . . . . . . . . . . . . . . . . . . . . ±1/2 in between adjacent members of the same design should be i = Sweep (variation from straight line parallel to centerline of discussed in detail with the producer to determine applicable member) . . . . . . . . . . . . . . . . . . . . . . . . . . . . . . . . . . . ±3/8 in tolerances. b dt j e c CGS db l CROSS SECTION n h g 10 ft k ELEVATION m k f i a PLAN 1- -14
  • 22.
    Fig. 1.8.2 Erectiontolerances - hollow core floor and roof members a = Plan location from building grid datum . . . . . . . . . . . . . . . . . . . . . . . . . . . . . . . . . . . . . . . . . . . . . . . . . . . . . . . . . . . . . . . . . . . . . ± 1 in a1 = Plan location from centerline of steel* . . . . . . . . . . . . . . . . . . . . . . . . . . . . . . . . . . . . . . . . . . . . . . . . . . . . . . . . . . . . . . . . . . . . . ± 1 in b = Top elevation from nominal top elevation at member ends Covered with topping . . . . . . . . . . . . . . . . . . . . . . . . . . . . . . . . . . . . . . . . . . . . . . . . . . . . . . . . . . . . . . . . . . . . . . . . . . . . . . . . . ± 3/4 in Untopped floor . . . . . . . . . . . . . . . . . . . . . . . . . . . . . . . . . . . . . . . . . . . . . . . . . . . . . . . . . . . . . . . . . . . . . . . . . . . . . . . . . . . . . . ± 1/4 in Untopped roof . . . . . . . . . . . . . . . . . . . . . . . . . . . . . . . . . . . . . . . . . . . . . . . . . . . . . . . . . . . . . . . . . . . . . . . . . . . . . . . . . . . . . . . ± 3/4 in c = Maximum jog in alignment of matching edges (both topped and untopped construction) . . . . . . . . . . . . . . . . . . . . . . . . . . . . . . . . . . . . . . . . . . . . . . . . . . . . . . . . . . . . . . . . . . . . 1 in d = Joint width 0 to 40 ft member length . . . . . . . . . . . . . . . . . . . . . . . . . . . . . . . . . . . . . . . . . . . . . . . . . . . . . . . . . . . . . . . . . . . . . . . . . . . . . . ± 1/2 in 41 to 60 ft member length . . . . . . . . . . . . . . . . . . . . . . . . . . . . . . . . . . . . . . . . . . . . . . . . . . . . . . . . . . . . . . . . . . . . . . . . . . . . . ± 3/4 in 61 ft plus . . . . . . . . . . . . . . . . . . . . . . . . . . . . . . . . . . . . . . . . . . . . . . . . . . . . . . . . . . . . . . . . . . . . . . . . . . . . . . . . . . . . . . . . . . . . ± 1 in e = Differential top elevation as erected Covered with topping . . . . . . . . . . . . . . . . . . . . . . . . . . . . . . . . . . . . . . . . . . . . . . . . . . . . . . . . . . . . . . . . . . . . . . . . . . . . . . . . . . 3/4 in Untopped floor . . . . . . . . . . . . . . . . . . . . . . . . . . . . . . . . . . . . . . . . . . . . . . . . . . . . . . . . . . . . . . . . . . . . . . . . . . . . . . . . . . . . . . . 1/4 in Untopped roof** . . . . . . . . . . . . . . . . . . . . . . . . . . . . . . . . . . . . . . . . . . . . . . . . . . . . . . . . . . . . . . . . . . . . . . . . . . . . . . . . . . . . . . 3/4 in f = Bearing length*** (span direction) . . . . . . . . . . . . . . . . . . . . . . . . . . . . . . . . . . . . . . . . . . . . . . . . . . . . . . . . . . . . . . . . . . . . . . . . ± 3/4 in g = Differential bottom elevation of exposed hollow-core slabs**** . . . . . . . . . . . . . . . . . . . . . . . . . . . . . . . . . . . . . . . . . . . . . . . . 1/4 in * For precast concrete erected on a steel frame building, this tolerance takes precedence over tolerance on dimension “a”. ** It may be necessary to feather the edges to ± 1/4 in to properly apply some roof membranes. *** This is a setting tolerance and should not be confused with structural performance requirements set by the architect/engineer. **** Untopped installation will require a larger tolerance here. a bldg. Y grid datum bldg. Y grid datum a bldg. X grid datum a bldg. X grid datum a f d d c hollow core c floor or roof member hollow core centerline of floor or roof member PLAN steel structure PLAN a1 clearance centerline of e steel structure e f g f hollow core g b b floor or roof member precast or cast in place concrete support member bldg. elevation datum bldg. elevation datum ELEVATION Precast element to precast or ELEVATION cast-in-place concrete or masonry Precast element to structural steel 1- -15
  • 23.
    CHAPTER 2 DESIGN OF HOLLOW CORE SLABS 2.1 General b) Extreme fiber stress in tension except The design of hollow core slabs is governed by as permitted in (c) . . . . . . . . . 3 f′ ci the ACI (318-95) Building Code Requirements c) Extreme fiber stress in tension at ends for Structural Concrete.2 As with prestressed con- of simply supported members . . . . . . crete members in general, hollow core slabs are checked for prestress transfer stresses, handling . . . . . . . . . . . . . . . . . . . . . . . . 6 f′ ci stresses, service load stresses, deflections and de- 2.2.1.2 Permissible stresses at service sign (ultimate) strength in shear and bending. For uniform load cases, the manufacturer’s load tables loads (Section 18.4) will take into account these various design consid- a) Extreme fiber stress in compression erations and print a load capacity based on the due to prestress plus sustained loads governing criteria. For loading conditions other . . . . . . . . . . . . . . . . . . . . . . . . 0.45 f′c than uniform, or for the development of load b) Extreme fiber stress in compression tables, the design steps presented in this section due to prestress plus total load are used. . . . . . . . . . . . . . . . . . . . . . . . . 0.60 f′c An excellent reference for prestressed member c) Extreme fiber stress in tension in pre- design exists in the PCI Design Handbook.1 compressed tensile zone . . . . . 6 f′ c Charts and tables provide design aids to shorten d) Extreme fiber stress in tension in pre- the calculation procedures. Another excellent compressed tensile zone where deflec- source for design information is the PCI Standard tions are calculated considering bili- Design Practice4 which reflects design practices near moment-deflection relationships in the industry. . . . . . . . . . . . . . . . . . . . . . . . . 12 f′ c The generic slab presented in Section 1.7 will be used for the calculations presented in this sec- 2.2.1.3 Loss of prestress (Section 18.6) tion. The cross-section was selected to provide a Calculation of losses shall consider: means of demonstrating calculation procedures a) Seating loss and does not represent any slab currently in use. b) Elastic shortening of concrete Therefore, this generic slab should never be speci- c) Creep of concrete fied for use on a project. See Section 1.7 for the d) Shrinkage of concrete slabs currently available. e) Steel relaxation 2.2.1.4 Design (ultimate) strength 2.2 Flexural Design a) Load Factors (Section 9.2) U = 1.4D + 1.7L b) Strength Reduction Factors (Section 2.2.1 ACI Requirements 9.3) Chapter 18 of ACI (318-95) presents provi- Flexure φ = 0.9 sions for the flexural design of prestressed con- c) Flexural Strength (Section 18.7) crete members. The applicable limits from ACI are paraphrased as follows: Mu ≤ φMn = ÔA psf ps d p − a 2   A psf ps 2.2.1.1 Permissible stresses at transfer a = (Section 18.4). 0.85f′ cb a) Extreme fiber stress in compression fps = value calculated by strain . . . . . . . . . . . . . . . . . . . . . . . . 0.6 f′ci compatibility 2- -1
  • 24.
    or moment 25 in from slab end  fps = f pu 1 − γ p f pu ρ  Md = 30.5 2.08 − 2.08 0.05353′ 2 2 2 β 1 p f′ c = 4.74 ft-k Mn > 1.2 Mcr 4.7412 Md = 2.2.2 Stresses at Transfer S  279.9 314.8 When the prestressing strands are cut to apply the prestressing force to the concrete, only the slab = +0.191 ksi top fiber self weight is present to counteract the effects of = --0.181 ksi bottom fiber eccentric prestress. A check of stresses is required Net concrete stress at transfer point at this point to determine the concrete strength re- quired to preclude cracking on the tension side or = --0.162 ksi top fiber crushing on the compression side. The concrete = +1.542 ksi bottom fiber strength at the time of transfer may be only 50% to Self weight at midspan 60% of the 28 day design strength. 2 Md = 30.5 (0.0535)(3′) = 18.66 ft-k 8 Example 2.2.2.1 - Transfer Stresses Md 18.6612 Using the generic hollow core cross-section = defined in Section 1.7, check stresses at transfer of prestress using the following criteria: S  279.9 314.8 Prestressing steel: 4 - 1/2″ dia. 270 ksi, low relax- = +0.752 ksi top fiber ation strands. = --0.711 ksi bottom fiber Aps = 4(0.153) = 0.612 in2 Net concrete stress at midspan assume 5% initial loss = +0.399 ksi top fiber dp = 7″ = +1.012 ksi bottom fiber ℓ = 30′-6″ Allowable stresses: initial stress = 70% fpu tension at end = 6 f′ ci   Solution: 2 Stresses will be checked at the transfer point f′ci = − 162 = 729 psi 6 and at midspan tension at midspan = 3 f′ ci At release prestress force does not control Po = (0.70)(0.95)(0.612)(270) = 109.9k Prestress effect compression = 0.6 f′ci P = o  Po e f′ci = 1542 = 2570 psi A S 0.6 Concrete strength required at release 109.92.89 = 109.9  = 2570 psi 154 297.9 314.8 Note that if tension or compression in the end region exceeds allowables based on a reasonable = - -0.353 ksi top fiber concrete release strength, strands may be de- = +1.723 ksi bottom fiber bonded in some manufacturing systems or, for tension, top mild reinforcement may be used in Self weight at transfer point some manufacturing systems to resist the total ℓt = 50db = 50(1/2) = 25 in tension force. 2- -2
  • 25.
    If tension inthe midspan region controls, either 1) Elastic Shortening a high release strength must be used or mild rein- Es forcement must be added to resist the total tension ES = Kes f E ci cir force. Mild reinforcement should only be used in the wet cast manufacturing system. Kes = 1.0 for pretensioned members 2.2.3 Prestress Losses The calculation of prestress losses affects the fcir = Kcir  A I  P i P ie 2 + − M ge I service load behavior of a slab. The accuracy of any calculation method is dependent on the pre- Kcir = 0.9 for pretensioned members ciseness of concrete and prestressing steel materi- al properties as well as external factors such as hu- midity used in the calculation procedure. The 2) Concrete Creep accuracy of loss calculations has little effect on Es the ultimate strength of a member. CR = Kcr (f - f ) - E c cir cds Prestress loss calculations are required for pre- diction of camber and for service load stress cal- Kcr = 2.0 for normal weight pretensioned culations. Since the success of a project is judged members on service load performance rather than ultimate strength, it behooves any slab producer to use a = 1.6 for sand lightweight pretensioned loss calculation procedure which best predicts the members behavior of the product as produced. M sde For low relaxation strand and for special cases fcds = (e.g., long spans or special loadings) using stress I relieved strand, the 1995 ACI Code references 3) Shrinkage of Concrete several sources for prestress loss calculations. The method presented here was developed by Zia,  SH = 8.2 x 10-6KshEs 1 − 0.06 V S  et al.5 and considers the following parameters: x (100 - RH) - Fig. 2.2.3.1 Ambient relative humidity 80 70 70 80 70 70 60 75 75 70 50 40 80 30 70 70 60 40 40 50 60 70 75 2- -3
  • 26.
    Table 2.2.3.1 Table 2.2.3.2 Values of C Type of tendon Kre psi J Stress- Stress-relieved 270 Grade stress-re- relieved bar or lieved strand or wire 20,000 0.15 fsi/fpu strand or low-relaxation 250 Grade stress-re- wire strand or wire lieved strand or wire 18,500 0.14 0.80 1.28 0.79 1.22 240 or 235 Grade stress- 17,600 0.13 0.78 1.16 relieved wire 0.77 1.11 270 Grade low-relax- 0.76 1.05 ation strand 5000 0.040 0.75 1.45 1.00 250 Grade low-relax- 0.74 1.36 0.95 ation wire 4630 0.037 0.73 1.27 0.90 240 or 235 Grade low-re- 0.72 1.18 0.85 laxation wire 4400 0.035 0.71 1.09 0.80 145 or 160 Grade stress- 0.70 1.00 0.75 relieved bar 6000 0.05 0.69 0.94 0.70 0.68 0.89 0.66 Ksh = 1.0 for pretensioned members 0.67 0.83 0.61 0.66 0.78 0.57 RH = Ambient relative humidity from Fig- 0.65 0.73 0.53 ure 2.2.3.1 0.64 0.68 0.49 4) Steel Relaxation 0.63 0.63 0.45 0.62 0.58 0.41 RE = [Kre - J (SH + CR + ES)]C - 0.61 0.53 0.37 0.60 0.49 0.33 Kre, J, C = factors from Tables 2.2.3.1 and 2.2.3.2 Solution: 5) Total Loss = ES + CR + SH + RE 1) Elastic Shortening Pi = 0.7(4)(41.3k) = 115.6k Observations and experience in a plant may 2 provide modifications to loss calculations to bet- Mg = 30.5 (0.0535)(3′) 8 ter predict slab performance. = 18.66 ft-k = 224 in-k Example 2.2.3.1 Loss of Prestress Using the generic hollow core cross-section defined in Section 1.7, calculate the loss of pre- stress based on the following information:  fcir = 0.9 115.6 + 154 115.6(2.89) 1224.5 2  Prestressing steel: 4-1/2″ dia. 270 ksi, low re- 2242.89 laxation strands - - 1224.5 Apsfpu = 0.153(270) = 41.3k/strand = 0.857 ksi dp = 7″ using Es = 28,500 ksi and Eci = 3250 ksi initial stress = 70% fpu Es ES = Kes f E ci cir ℓ = 30′-6″ Superimposed dead load = 20 psf = (1.0) 28500 (0.857) 3250 2- -4
  • 27.
    = 7.52 ksi % = 25.6 (100) = 13.5% 0.7270 2) Concrete Creep M e fcds = sd 2.2.4 Service Load Stresses I Service load concrete stresses are calculated as 30.5 0.023122.89 8 2 a measure of performance or serviceability. For = the in-service state when deflections must be cal- 1224.5 culated, a stress check must first be made to deter- = 0.198 ksi mine whether gross section properties or cracked- using Ec = 4300 ksi and normal weight concrete transformed section properties are to be used. In-service stresses are checked assuming that E CR = Kcr s (fcir - fcds) - all prestress losses have occurred. The calculated Ec stresses are compared to the permissible stresses = (2.0) 28500 (0.857 - 0.198) - noted in Section 2.2.1. Hollow core slabs are nor- 4300 mally designed to be uncracked under full service = 8.74 ksi loads. Tensile stress limits of between 6 f′ c and 3) Shrinkage of Concrete 7.5 f′ c are commonly used. In special circum- V = Area = 154 = 1.75 stances where deflections will not be a problem S Perimeter 236 + 8 and where cracking will not be of concern, the up- use RH = 70% per limit of 12 f′ c can be used.  SH = 8.2 x 10-6KshEs 1 − 0.06 V S  Example 2.2.4.1 Service Load Stresses Using the generic hollow core cross-section x (100 - RH) - defined in Section 1.7, calculate the service load stresses given the following criteria: = 8.2 x 10-6(1.0)28500 Prestressing steel: x (1 - 0.06 x 1.75)(100 - 70) - - 4-1/2″ dia. 270 ksi, low relaxation strands = 6.27 ksi Apsfpu = 0.153(270) = 41.3k/strand 4) Steel Relaxation dp = 7″ From Table 2.2.3.1 Initial stress = 70% fpu Kre = 5000, J = 0.04 f′c = 5000 psi From Table 2.2.3.2 ℓ = 30′-6″ C = 0.75 for fsi/fpu = 0.7 Clear Span = 30′-0″ RE = [Kre - J(SH + CR + ES)]C - Superimposed Dead Load = 20 psf Live Load = 50 psf = [ 5000 − 0.04x 1000 Solution: 2 Msustained = 30 (0.0535 + 0.020) ] (6.27 + 8.74 + 7.52) 0.75 8 = 8.27 ft-k/ft = 99.2 in-k/ft = 3.07 ksi 2 5) Total Loss at Midspan Mservice = 30 (0.0535 + 0.020 + 0.050) 8 = 7.52 + 8.74 + 6.27 + 3.07 = 13.89 ft-k/ft = 167 in-k/ft = 25.6 ksi With losses = 13.5% from Example 2.2.3.1 2- -5
  • 28.
    Apsfse = (0.7)(4)(41.3)(1 - 0.135) = 100.0k - Mcr  = y P + Pe + 7.5 f′ c I b A Sb  Top fiber compression with sustained loads This ensures that when the concrete develops flexural cracks, the prestressing steel will not have 100.02.89) 99.23 reached its full design stress. Violation of this cri- ftop = 100.0 − + teria might result in strand fractures at the point of 154 297.9 297.9 = 0.649 - 0.970 + 0.999 - flexural cracking with a resulting brittle failure. However, ACI (318-95) Section 18.8.3 allows = + 0.679 ksi violation of this requirement for flexural members Permissible compression with shear and flexural strength at least twice that required. = 0.45f′c The upper limit of reinforcing requires that, = 0.45(5000) ωp or, = 2.25 ksi > 0.679 ksi OK Top fiber compression with total load ω + dd ω − ω′ or p p ftop = 100.0 − 100.02.89) 1673 + ω + dd ω − ω′  pw p w w 154 297.9 297.9 be not greater than 0.36β1 = 0.649 - 0.970 + 1.679 - The need for an upper limit on reinforcing is re- = 1.358 ksi lated to the assumptions of ultimate concrete com- Permissible compression pressive strain. Using a uniform compression stress block forces more concrete to reach ulti- = 0.60f′c mate strain as reinforcing ratios increase. There- = 0.60(5000) fore when the upper reinforcing limit is exceeded, the moment capacity must be based on the com- = 3.00 ksi > 1.358 ksi OK pression block. For this condition, Bottom fiber tension φMn = φ f′ cbd 20.36β 1 − 0.08β 2 p 1 fbottom = 0.649 + (0.970 - 1.679) 297.9 - 314.8 for rectangular sections or for flanged sections = - -0.022 ksi (tension) with the neutral axis within the flange. The stress in the prestressing steel at ultimate Permissible tension may be calculated in several ways. The ACI equa- = 7.5 f′ c tion (18-3) may be used as an approximation, charts and tables from the PCI Design Handbook = 7.5 5000 may be used, or a strain compatibility analysis may be made. = 0.530 ksi > 0.022 ksi OK Example 2.2.5.1 Design Flexural Strength 2.2.5 Design Flexural Strength Using the generic hollow core slab defined in The moment capacity of a prestressed member Section 1.7, check the design flexural strength is a function of the ultimate stress developed in the given the following criteria: prestressing strands. As with non-prestressed Prestressing steel: 4-1/2″ dia., 270 ksi, low re- concrete, upper and lower limits are placed on the laxation strands amount of reinforcing to ensure that the stress in dp = 7″ the strands is compatible with concrete stresses for ductile behavior. initial stress = 70% fpu The lower limit of reinforcing requires that: f′c = 5000 psi φMn ≥ 1.2 Mcr ℓ = 30′-6″ 2- -6
  • 29.
    Clear span =30′-0″ φMn ≥ 1.2 Mcr Superimposed Dead Load = 20 psf From Example 2.2.3.1 Live Load = 50 psf Loss = 13.5% Solution: Apsfse = 0.7(4)(41.3)(1 - 0.135) - METHOD 1: ACI Equation (18-3) = 100.0 k φMn = φApsfps(dp - a/2) - Bottom compression fps = f pu 1− γp β1   ρp f pu f′ c = 100.0 + 154 100.02.89 314.8 = 1.567 ksi Use γp = 0.28 for low relaxation strands -  β1 = 0.85 - 5000 − 4000 0.05  3.89  Mcr = 1224.5 1.567 + 7.5 5000 1000  1000 = 660 in-k/slab = 0.80 ÔM n = 920 = 1.39 > 1.2 OK A ps 40.153 M cr 660 ρp = = = 0.0024 bd p 367 METHOD 2: PCI Design Handbook   fps = 270 1 − 0.28 0.0024 270 0.80 5  Using Figure 4.12.2 from the 5th Edition Hand- book. A ps f pu = 257.7 ksi ωpu = bd p f′ c ρpf ps 0.0024257.7 441.3 ωp = = = 3675 f′ c 5 = 0.124 < 0.36 β1 = 0.288 OK = 0.131 K′u = 538 A psf ps 40.153257.7 a = = bd 2 0.85f′ cb 0.85536 p φMn = K′u 12000   = 1.03 in 2 36(7) Note: If “a” exceeds the top flange thickness, the = 538 12000 compression block will encroach on the core area. For this situation, multiple compression forces are = 79.0 ft-k/slab used for the internal couple as is done with other flanged members. METHOD 3: Strain Compatibility  φMn = 0.9(4)(0.153)(257.7) 7 − 1.03 2  The stress-strain diagram from Figure 11.2.5 of the PCI Design Handbook, shown in Fig. 2.2.5.1, = 920 in-k/slab = 76.7 ft-k/slab will be used for this example. However, the actual stress-strain curves received with strand mill re- wu = 1.4(0.0535 + 0.02) + 1.7(0.05) ports should be used when available. = 0.188 ksf The concrete ultimate strain is assumed to be 2 0.003 in/in. The method involves a trial and error Mu = 30 (0.188) procedure to obtain equilibrium within the section 8 where the force in the compression block equals = 21.14 ft-k/ft the tensile force in the steel. The equations are de- = 63.4 ft-k/slab < 76.7 OK veloped from the strain diagram shown. Check minimum reinforcement a = β1c 2- -7
  • 30.
    Fig. 2.2.5.1 Stress-straincurves, prestressing strand 270 270 ksi strand MINIMUM YIELD STRENGTH AT Es = 28,500 ksi 1% ELONGATION FOR 270 ksi 250 (ASTM A416) 250 ksi strand 230 MINIMUM YIELD STRENGTH AT 1% ELONGATION FOR 250 ksi Stress - fps (ksi) (ASTM A416) 210 190 170 150 0 0.005 0.010 0.015 0.020 0.025 0.030 Strain- ps (in./in.) These curves can be approximated by the following equations: 250 ksi strand 270 ksi strand εps ≤ 0.0076: fps = 28,500 εps (ksi) εps ≤ 0.0086: fps = 28,500 εps (ksi) εps > 0.0076: fps = 250− 0.04 (ksi) εps > 0.0086: fps = 270 − 0.04 (ksi) Á ps − 0.0064 Á ps − 0.007 Using 13.5% loss from Example 2.2.3.1 fse = 0.7(270)(1 - 0.135) = 163.4 ksi - 0.003 0.85 f c’ f se εse = = 163.4 = 0.0057 c a C E s 28500 dp Assume c = 1″ then a = 0.80(1) = 0.8″ T dp s εs = c (0.003) - 0.003 - = 7 (0.003) - 0.003 = 0.018 - 1 2- -8
  • 31.
    εps = εse+ εs = 0.0107 in/in = 0.0057 + 0.018 = 0.0237 εps = 0.0057 + 0.0107 = 0.0164 in/in From stress-strain curve fps = 266 ksi fps = 268 ksi for bars T = 4(0.153)(268) = 163.8 εs = 5.5 (0.003) − 0.003 C = 0.85(5)(0.8)(36) 1.53 = 0.0078 in/in = 122.4k < 163.8k yield strain = 60 = 0.002 in/in Try c = 1.3″ then a = 0.80(1.3) = 1.04″ 29000 7 (0.003) - 0.003 T = 4(0.153)(266) + 2(0.2)(60) εs = - 1.30 = 162.8 + 24 = 0.0131 = 186.8k εps = 0.0131 + 0.0057 = 0.0188 C = 0.85(5)(1.22)(36) = 186.7k ≅ 186.8k ok From stress-strain curve fps = 267 ksi   2   φMn = 0.9 162.8 7 − 1.22 + 24 5.5 − 1.22 2  T = 4(0.153)(267) = 163 = 1042 in-k C = 0.85(5)(1.04)(36) = 86.8 ft-k = 159k ≈ 163k 2.3 Shear Design  φMn = 0.9(4)(0.153)(267) 7 − 1.04 2  2.3.1 ACI Requirements Hollow core slabs are designed for shear ac- = 952 in-k/slab = 79.3 ft-k/slab cording to the same ACI Code provisions used in On occasion, conventional reinforcement is general for prestressed members. In dry cast sys- added to a hollow core slab to locally provide add- tems, the normal practice is to not provide stirrups ed flexural strength. When required, the bars are when the applied shear exceeds shear capacity be- placed in cores right after the slab is cast and con- cause of the difficulty encountered placing stir- crete is added to fill the cores with the bars. The rups in most production processes. The place- following example illustrates the flexural strength ment of stirrups in a wet cast system is certainly calculation. easier than in a dry cast extruded system and is a viable shear enhancement method. An alternative Example 2.2.5.2 Flexural Strength with Bars used to increase shear capacity is to reduce the Repeat Example 2.2.5.1 but add 2 - #4 bars in number of cores used in a given slab. This may be cores. done by either leaving out a core for the entire Solution: length of a slab or by locally breaking into the cores and filling them solid while the concrete is Use strain compatibility for strength calculation still in a somewhat plastic state. with an effective depth of 5.5 in for the #4 bars. The provisions for shear are found in Chapter Assume c = 1.53 in. 11 of ACI 318-95. With some paraphrasing, the then a = 0.80(1.53) = 1.22 in requirements are: Vu ≤ φVn for strands φ = 0.85 for shear εs = 7 (0.003) − 0.003 1.53 Vn = Vc + Vs 2- -9
  • 32.
    For the purposeof this discussion, Vs, the con- Using the generic hollow core cross-section tribution of shear reinforcement, will be taken as defined in Section 1.7, check the slab for shear zero. The nominal concrete shear strength may be given the following information: found using equation (11-9), Prestressing steel: 4-1/2″ dia., 270 ksi, low  Vc = 0.6 f′ c + 700 V ud Mu w  b d (11-9) relaxation strands. Initial stress = 70% fpu loss = 15% when the effective prestress force is not less than f′c = 5000 psi 40 percent of the tensile strength of the flexural re- ℓ = 25′-6″ inforcement. The term Vud/Mu shall not exceed Clear span = 25′-0″ 1.0. The minimum value for Vc may be used as Superimposed Dead Load = 20 psf 2 f′ c bwd and the maximum value is the lesser of Live Load = 50 psf 5 f′ c bwd or the value obtained from Equation Masonry dead load = 800 plf at 3′ (11-12) considering reduced effective prestress in from one support the transfer zone. Solution: Alternatively more refined shear calculations Uniform load: wu = 1.4(0.0535 + 0.020) can be made according to the lesser of Equations + 1.7(0.05) (11-10) or (11-12). = 0.188 ksf = 0.564 klf V M cr Vci = 0.6 f′ c b wd + V d + i (11-10) Line Load: Pu = 1.4(0.800) = 1.12k/ft M max = (3′)(1.12) = 3.36k Vcw = (3.5 f′ c + 0.3fpc) bwd (11-12) Load, shear and moment diagrams for 3′ slab Equation (11-10) predicts shear strength for an width: inclined shear failure mode. For Equation (11-10), the following relationships are used: 1.12 x 3’= 3.36 k Mcr = y(6 f′c + fpe -- fd) I (11-11) 3’ 0.188 x 3’= 0.564 k ft 25’ Vd = Unfactored self weight shear for k non-composite sections 10 k 8.31 Vi = Vu - Vd - 4.95 k Vu Mmax = Mu - Md - Md = Unfactored self weight moment for non-composite sections k 7.45 The minimum value for Vci need not be less than 1.7 f′ c bwd or 2 f′ c bwd when the effective Mu prestress force is not less than 40% of the tensile 27.48 ft-k strength of the flexural reinforcement. For equa- 49.25 ft-k tions (11-10), (11-11) and (11-12), the reduction in prestressing force at the member end due to Using the more refined approach according to transfer must be considered. The ACI Code al- ACI Equations (11-10) or (11-12), φVc is: lows an assumption that prestressing force in- φVcw = 0.85 3.5 5000 + 0.3f pc creases linearly from zero at the member end to 1000 full effective prestress in a length equal to 50 x (10.5)(7) (11-12) strand diameters. = 15.46 + 0.0187fpc fpc is calculated as a function of the transfer of pre- Example 2.3.1.1 Shear Design stress into the section along the span. 2- -10
  • 33.
    transfer length =50 db = 50(1/2) = 25″ = 11.130 + 26.233fpe - 2.01x + 0.8x2 - with bearing length = 3″ Mmax = Moment due to factored full prestress transfer is achieved 22″ from loads minus Md the face of support Apsfse = 4(41,300)(0.70)(1 - 0.150) Based on these definitions, φVcw, φVci, and Vu are  x x + 3 to x = 22″ 25  calculated at intervals across the span. A summa- ry is presented in Table 2.3.1.1. Figure 2.3.1.1 presents the results graphically. fpc = A psf se 98294 x + 3 A = 154 25   Table 2.3.1.1 Allowable Shear φVcw φVci 15.46 + 0.0187 98294 x + 3 x Vu φVcw = h/2 = 0.333′ 9.82k 18.81k 59.40k 154 25 0.5′ 9.72 19.76 45.74 = 15.46 + 11.96 x + 3 to x = 22″ 1.0′ 9.44 22.64 31.92 25 1.5′ 9.16 25.51 27.15 φVci =  0.6 5000 1000 VM 10.57 + V d + i cr M max  2.0′ 2.5′ 8.88 8.59 27.42 27.42 23.34 18.93 x 0.85 (11-10) 3.0′ 8.31 27.42 15.98 3.0′ 4.95 27.42 10.02 Vd = Shear due to unfactored self weight 3.5′ 4.67 27.42 9.11 (for non-composite section) 4.0′ 4.39 27.42 8.34  = 3(0.0535) 25 − x = 2.01 - 0.16x 2 -  Alternatively, the simplified equation (11-9) Vi = Shear due to factored loads minus Vd might be used. I b   Mcr = y 6 f′ c + f pe − f d  φVc = 0.85 0.6 5000 + 700 M 7 V u u A ey fpe = Apsfse 1 + b I   x 10.57 1000 fpe = 98.294 x Vu 154 + 1 3.89 − 13.89 1224.5  x + 3 25 = 2.65 + 306.1 Mu u (M in in-k). The results of this equation are also shown on Fig- ure 2.3.1.1.  = 1.541 x + 3 ≤ 1.541 ksi 25  At all points, Vu < φVc so shear strength is ade- quate and stirrups are not required. fd = flexural stress due to load used for Vd Md 2.4 Camber and Deflection = Camber is the upward deflection of a pre- S stressed member and results from the prestressing 30.0535x force being eccentric from the center of gravity of 25 − x = 2 the cross-section. Since both prestressing force 314.8 and eccentricity are established by the required design load and span length, camber is a result of = 2.01x − 0.08x 2 314.8 the design rather than a design parameter. There- fore, camber requirements should not be speci- Mcr = 314.8 x 12 fied.  0.424 + f pe − 2.01x − 0.08x 2 314.8 12  Deflections are also affected by the amount of prestressing only because prestressing establishes the load at which a member will crack. If tensile 2- -11
  • 34.
    Fig. 2.3.1.1 Shearfor Example 2.3.1.1 25 5 f’ bw d c 20 Eq. (11-10) Eq. (11-12) 15 Eq. (11-9) 10 2 f’ bw d c Shear, kips Vu 5 0 0 1 2 3 4 Distance into Span, ft stresses are kept below cracking, deflections will tions are not predictable with any degree of accu- be independent of the prestress level. racy and any calculation of long term movements Cambers and deflections will change with time must be considered to be only estimates. due to concrete creep, prestress loss and other fac- This section presents calculation procedures tors. The sustained compression due to the pre- for determining long term deflections. From the stressing will cause camber growth. Balancing producer’s standpoint, history and experience this is the effect of creep on deflections due to self must be used to modify the procedures to fit the lo- weight and other sustained loads. It is this time cal product. From the specifier’s standpoint, these dependent movement which, in addition to instan- procedures will allow only approximate estimates taneous deflections, must be considered in the de- of long term effects and should be complemented velopment of framing schemes and detailing. with discussions with local producers. Instantaneous cambers and deflections are pre- dictable as long as the material properties are known. The time dependent cambers and deflec- 2.4.1 Camber 2- -12
  • 35.
    Table 2.4.1 Longterm multipliers6 Without With Condition Composite Composite Topping Topping At Erection: 1. Deflection (downward) component - apply to the elastic deflection due to the member weight at release of prestress 1.85 1.85 2. Camber (upward) component - apply to the elastic camber due to the prestress at the time of release of prestress 1.80 1.80 Final: 3. Deflection (downward) component - apply to the elastic deflection due to the member weight at release of prestress 2.70 2.40 4. Camber (upward) component - apply to the elastic camber due to prestress at the time of release of prestress 2.45 2.20 5. Deflection (downward) - apply to elastic deflection due to superimposed dead load only 3.00 3.00 6. Deflection (downward) - apply to elastic deflection caused by the composite topping - -- -- - 2.30 Hollow core slabs are produced with straight Solution: strand patterns rather than using draped or de- Estimate initial losses at 5% and use Eci = 3250 pressed strands. Using (+) to indicate upward ksi movement and (- to indicate downward move- -) Po = 0.95(0.7)(4)(41.3) = 109.9k ment, net camber can be calculated as: 2 109.93.89 − 1[30.5(12)] camber = Peℓ − 5wℓ 2 4 camber = 8EI 384EI 832501224.5 4 To determine initial camber, the appropriate 530.0535(30.5) 1728 values for prestress force and modulus of elastic- - - 38432501224.5 ity of the concrete must be used. When ultimate moment rather than tensile stresses govern a de- = 1.34 - 0.79 - sign, the initial strand stress may be reduced to = 0.55″ Say 1/2″ to 3/4″ initial camber modify the anticipated camber. Additionally, slab Estimating long term effects is complicated be- camber is sensitive to support point locations dur- cause, as time passes, the prestressing force de- ing storage. Camber will increase as these support creases due to losses and the modulus of elasticity points move in from the slab ends. of the concrete increases with concrete strength Example 2.4.1 Initial Camber gain. Traditionally, a creep factor of 2.0 has been Using the generic hollow core slab defined in applied to instantaneous deflections to estimate section 1.7, calculate the initial camber given the the additional deflection due to creep. This has following: been modified by Martin6 for prestressed con- Prestressing steel: 4-1/2″ dia., 270 ksi, low re- crete. Table 2.4.1 presents suggested multipliers laxation strands to determine both long term final deflections and position at erection. It should be noted that in us- Apsfpu = 0.153(270) = 41.3k/strand ing these multipliers, a total deflection is calcu- Initial stress: 70% fpu lated rather than the additional increment due to dp = 7″ long term effects. ℓ = 30′-6″ Example 2.4.2 Long Term Camber 2- -13
  • 36.
    For the slabof Example 2.4.1, determine the net camber at erection and the final camber. Table 2.4.2 Maximum Permissible Computed Deflections1 Type of member Deflection to be considered Deflection limitation Flat roofs not supporting or attached to non- Immediate deflection due to live load L structural elements likely to be damaged by ℓ* large deflections 180 Floors not supporting or attached to non- Immediate deflection due to live load L structural elements likely to be damaged by ℓ large deflections 360 Roof or floor construction supporting or That part of the total deflection occurring after attached to nonstructural elements likely to attachment of nonstructural elements (sum of ℓ *** be damaged by large deflections the long-term deflection due to all sustained 480 loads and the immediate deflection due to any Roof or floor construction supporting or at- additional live load)** tached to nonstructural elements not likely to ℓ **** be damaged by large deflections 240 * Limit not intended to safeguard against ponding. Ponding should be checked by suitable calculations of deflection, including added deflections due to ponded water, and considering long-term effects of all sustained loads, camber, construction tolerances, and reliability of provisions for drainage. ** Long-term deflection shall be determined in accordance with 9.5.2.5 or 9.5.4.2, but may be reduced by amount of deflection calculated to occur before attach- ment of nonstructural elements. This amount shall be determined on basis of accepted engineering data relating to time-deflection characteristics of members similar to those being considered. *** Limit may be exceeded if adequate measures are taken to prevent damage to supported or attached elements. **** But not greater than tolerance provided for nonstructural elements. Limit may be exceeded if camber is provided so that total deflection minus camber does not exceed limit. Solution: the effective moment of inertia of the section. At erection, Calculations using bilinear moment-deflection initial camber = 1.34 - 0.79 - relationships are required when tension exceeds 6 f′ c and are covered extensively in references 1 = 0.55″ from Example 2.4.1 and 2. By definition, cracking occurs at a tensile Erection camber = 1.34(1.80) - 0.79(1.85) - stress of 7.5 f′ c. While the ACI Code requires = 0.95″ such bilinear calculations when 6 f′ c tension is Say 1″ erection camber exceeded, in effect bilinear behavior is meaning- less up to a tension of 7.5 f′ c. Since hollow core Final camber = 1.34(2.45) - 0.79(2.70) - slabs are normally designed to be uncracked un- = 1.15″ der service loads, the effects of cracking will not Say approximately 1 1/4″ final camber be considered here. Table 2.4.1 includes multipliers for determin- ing the long term effects for superimposed loads. 2.4.2 Deflections Again, use of the multipliers gives an estimate of As with camber, concrete creep will also affect total deflection rather than an increment for the deflections due to sustained superimposed loads. additional long term deflection. These long term effects must be considered for comparison with Table 9.5(b) of the ACI Code to determine acceptability. This table is reproduced Example 2.4.3 here as Table 2.4.2. Engineering judgement For the slab of Examples 2.4.1 and 2.4.2, deter- should be used in comparing calculated deflec- mine the total deflection due to a superimposed tions to the ACI Code limits. Many building code load of 20 psf dead and 50 psf live on a clear span specified live loads exceed the actual loads in a of 30′-0″ including long term effects. Use Ec = structure. While it may be implied that the full 4300 ksi. live load be used for comparison to Table 9.5(b), Solution: situations may arise where it is more reasonable to From Example 2.4.2 use actual anticipated live loads for deflection comparisons. A further complication for super- Final camber = 1.15″ imposed loads is that flexural cracking will reduce superimposed dead load instantaneous deflection: 2- -14
  • 37.
    4 4 50.023(30) 1728 50.023(30) 1728 = = 0.208″ = 38443001224.5 38443002307 = 0.11″ Final deflection = 0.208 (3.0) = 0.62″ (Note: 2307 in.4 = composite moment of inertia Instantaneous live load deflection: using a 3000 psi topping on a 5000 psi slab.) 4 Long term dead load deflection 50.053(30) 1728 = = 0.52″ = 0.11(3.0) = 0.33″ 38443001224.5 Instantaneous live load deflection: Final position = 50 (0.11) = 0.28″ final camber = + 1.15″ 20 sustained dead load = - 0.62 - Final Position = +1.05 - 0.60 - 0.33 - 0.26 = - - - net camber + 0.53″ - -0.14″ including instantaneous live load. live load increment = - 0.52 - Calculate increment due to differential shrinkage + 0.01″ assuming shrinkage strain of 500 × 10--6 in/in in both the topping and slab: For comparison to the provisions of Chapter 9 If total shrinkage = 500 × 10-6 of the ACI Code, when non-structural elements and erection shrinkage = 250 × 10-6 are attached to the slabs, the portion of deflection differential shrinkage = 250 × 10-6 after erection may be used for comparison. The differential shrinkage can be thought of as Change in camber = 1.15″ - 0.95″ = + 0.20″ - a prestress force from the topping where Sustained dead load = - 0.62″ - Instantaneous live loads = - 0.52″ - P = Atopping (strain)(modulus) - 0.94″ - = 36″(2″)(0.00025)(3320) When a composite topping is used, it will be = 59.8k cast after a portion of the slab shrinkage has oc- The effect is lessened by concrete creep and, curred. There will then be differential shrinkage using a factor of 2.30 from Table 2.4.1, reduces to: between the topping and slab. This differential can cause additional deflection and bottom tensile P = 59.8/2.30 = 26k stress. These effects will generally be negligible. The eccentricity of this force is: e = 9″ - 3.89″ - Example 2.4.4 Composite Slab = 5.11″ Given the slab of Example 2.4.3, add a 2″ com- posite topping and recalculate deflections includ- M = Pe = 26 x 5.11 = 133 in-k ing the affects of differential shrinkage. downward deflection = Mℓ 2 Solution: 8EI Final camber = 1.34 x 2.20 - 0.79 x 2.40 - 2 133(30x12) = = 1.05″ 843002307 Instantaneous topping weight deflection: = 0.22″ ≅ 1/4″ )4 50.0253(30 1728 Considering the span used in this example and = the accuracy of the other camber and deflection 38443001224.5 calculations, it can be easily seen that differential = 0.26″ shrinkage will generally not be significant. Long term deflection due to topping weight 2.5 Composite Design = 0.26″ (2.30) = 0.60″ A composite, structural concrete topping is Superimposed dead load deflection: commonly used in floor construction with hollow 2- -15
  • 38.
    core slabs. Thecomposite action is desirable to Since the composite topping and hollow core add stiffness and strength for gravity loads and slabs interact to create the final structural element, may also be required for load transfer within a dia- it is imperative that the topping bond well with the phragm. When a composite topping is used, con- slabs. While the building designer may only be in- sideration must be given to its strength, detailing terested in the final product, the process of achiev- and quality assurance. ing a well bonded, composite topping is very im- The required compressive strength of the top- portant. The hollow core producer is dependent ping may be determined from the hollow core slab on a properly bonded topping, yet is not involved design requirements. Load tables provided by lo- in specifying, designing or installing the topping. cal producers will normally indicate that either a The hollow core producer is responsible for sup- 3000 psi (20.7 MPa) or 4000 psi (27.6 MPa) con- plying a slab that is capable of bonding with a top- crete is required. Diaphragm requirements may ping. The installer of the topping is responsible necessitate a higher strength topping concrete. for surface preparation, topping concrete mix de- From a detailing standpoint, the primary con- sign and curing to assure proper bond. sideration is that hollow core slabs will have cam- At a minimum, the slab surface must be clean ber. If the topping is finished as a level surface, the and damp at the time of topping installation. It is camber will reduce the topping thickness in the recommended that the surface be thoroughly satu- midspan region which will affect the load capacity rated prior to topping placement, but all standing of the slabs. With significant topping thickness water must be removed. ACI 301-967 specifies reduction, the integrity of the topping concrete that a sand and cement grout be scrubbed into the may also be compromised. A preliminary slab de- slab surface ahead of topping placement. If this sign can provide an estimate of camber and the procedure is used, it is imperative that initial set minimum topping thickness necessary to support not be allowed prior to topping placement. If ini- the design loads. The first option is to provide the tial set occurs, the grout can become a bond break- minimum thickness topping at midspan and allow er. Similarly, bonding agents, which are rarely the thickness to increase at the slab ends to main- specified, will also act as a bond breaker if any ini- tain a flat floor. Finish and bearing elevations can tial set occurs prior to topping placement. then be set to this criteria. The topping concrete mix and curing tech- A second option to minimize topping concrete niques will also affect bond of a composite top- volume is to allow the minimum topping thick- ping. Curling at topping edges or joints will cause ness to follow the curvature of the slabs. This will local delamination. Curling is a result of differen- result in a finished floor with camber which may tial shrinkage between the top and bottom sur- be acceptable in some occupancies. In this option, faces of the topping. Generally, water is lost more it is important that all trades be made aware of the quickly from the top surface causing additional final camber as it may affect their work. Parti- drying shrinkage. This can be minimized by prop- tions, doorways and stairs will be particularly af- er curing techniques and low shrinkage concrete. fected in this option. Design of hollow core slabs for composite ac- When control joints are used in a structural top- tion is usually limited to a horizontal shear ping, they should be located over the joints in the strength of 80 psi (0.5 MPa) according to section precast units below where cracks would most nat- 17.5.2.1 of ACI 318-95. Through limited pub- urally occur in the topping. At the ends of slabs, lished8 and unpublished testing, the machine fin- where movement will occur due to camber ished surface has been found to meet the require- changes, deflections, creep, shrinkage or elastic ments of that section. The horizontal shear check shortening, control joints are desirable. should be based on the shear diagram rather than Reinforcing of a topping may be required for using an average horizontal shear over the dis- structural design. If not, consideration should be tance from zero moment to maximum moment given to using minimum shrinkage reinforcement when checking compliance with the 80 psi limit. for crack control. Composite ties are not normally provided giv- en the difficulty and expense of installing the ties 2- -16
  • 39.
    in a machinecasting operation. When the horizon- I = 1224.5 + 154(5.24 - 3.89)2 - tal shear exceeds 80 psi (0.5 MPa) and composite 3 ties are not used, the topping is considered to be + 2 (27.7) + 2(27.7)(9 - 5.24)2 - 12 superimposed dead load on a non-composite slab. = 2307 in4 In a wet cast system, horizontal shear ties with 1/4 in amplitude roughening may be used to take ad- Calculate prestress losses: vantage of the higher stresses allowed by ACI. From Example 2.2.3.1 Design of a composite section is similar to that ES = 7.52 ksi presented in Sections 2.2 and 2.3. The following example demonstrates the additional consider- Concrete creep ations with a composite section. 2 Msd = 30 (0.025 + 0.020)(3) 8 Example 2.5.1 Composite Design = 15.19 ft-k Using the generic hollow core cross-section de- fined in Section 1.7, add a 2 in structural topping 15.19(12)(2.89) fcds = and check for the following conditions: 1224.5 Prestressing steel: 4-1/2″ dia., 270 ksi low relax- = 0.430 ksi ation strands CR = (2.0) 28500 (0.857 - 0.430) - 4300 Initial stress: 70% fpu = 5.66 ksi dp: 7 in SH = 6.27 ksi Slab: f′c = 5000 psi Eci = 3250 ksi  RE = 5000 − 0.04(6.27 + 5.66 + 7.52) 0.75 1000  Ec = 4300 ksi = 3.17 ksi Topping: f′c = 3000 psi Loss = 7.52 + 5.66 + 6.27 + 3.17 Ec = 3320 ksi = 22.62 ksi = 12% Slab length: 30′-6″ Calculate service load stresses: Slab span: 30′-0″ Apsfse = 0.7(4)(41.3)(1 - 0.12) - Loads: topping = 25 psf = 101.8k dead load = 20 psf 2 Mnon--comp = 30 (0.0535 + 0.025) live load = 50 psf 8 Calculate section properties: = 8.83 ft-k/ft = 106 in-k/ft 2 Base section A = 154 in2 Mcomp = 30 (0.020 + 0.050) I = 1224.5 in4 8 yb = 3.89 in = 7.88 ft-k/ft = 94.5 in-k/ft Topping At top of topping n = 3320/4300 = 0.77 94.5(3)(10 − 5.24) ftop = (0.77) 2307 use width = 0.77(36) = 0.450 ksi = 27.7 in At top of slab Composite 101.8(2.89)(4.11) A = 154 + 2(27.7) = 209.4 in2 ftop = 101.8 − 154 1224.5 154(3.89) + 2(27.7)(9) 106(3)(4.11) 94.5(3)(8 − 5.24) yb = + + 209.4 1224.5 2307 = 5.24 in. = 1.080 ksi 2- -17
  • 40.
    At bottom ofslab 101.8(2.89)(3.89) Vu = 30 − 2(12)(0.223)(3) 2 10 fbottom = 101.8 + 154 1224.5 = 9.8 k < 22 k ok 106(3)(3.89) 94.5(3)(5.24) Section is composite − − 1224.5 2307 Check web shear at h/2: = - -0.058 ksi transfer length = 50(0.5) = 25 in Calculate flexural strength at h/2 plus 3 in bearing wu = 1.4(0.0535 + 0.025 + 0.020) + 1.7(0.050) Apsfse = 101.8 25 = 32.6 k 8 = 0.223 ksf for composite section, fpc is calculated at centroid 2 Mu = 30 (0.223)(3) of composite section 8 32.6(2.89)(5.24 − 3.89) = 75.26 ft-k fpc = 32.6 − 154 1224.5 Using ACI Eq. (18-3) = 0.108 ksi 4(0.153) ρp = 36(9) = 0.0019 φVcw = 0.85  3.5 5000 1000  + 0.3(0.108) (10.5)(9) fps  0.85  = 270 1 − 0.28 0.0019 270 3  = 22.5k > 9.8 k ok = 254.8 ksi Check inclined shear at 4 ft a = 4(0.153)(254.8) 0.85(3)(36) 2  Vu = 30 − 4 (0.223)(3) = 1.7 in = 7.36k φMn  = 0.9(4)(0.153)(254.8) 9 − 1.7 2    Vd = 30 − 4 (0.0535 + 0.025 + 0.020)(3) 2 = 1144 in-k = 95.3 ft-k = 3.25k Check 1.2 Mcr Vi = 7.36 - 3.25 = 4.11k - fbottom = 101.8 + 154 101.8(2.89)(3.89) 1224.5   Mu = 0.223(3)(4) 30 − 4 = 34.8 ft-k 2 2 = 1.596 ksi  Md = (0.0535 + 0.025 + 0.020)(3)(4) 30 − 4  Mcr  = 2307 1.596 + 5.24 7.5 5000 1000  = 12.25 + 3.12 = 15.37 ft-k 2 2 Mmax = 34.8 - 15.37 = 19.43 ft-k - = 936 in-k 101.8(2.89)(3.89) fpe = 101.8 + ÔM n 154 1224.5 = 1144 = 1.22 > 1.2 ok M cr 936 = 1.596 ksi Check horizontal shear: 12.25(12)(3.89) 3.12(12)(5.24) fd = + φVnh = φ80bvd 1224.5 2307 = 0.85(80)(36)(9) = 0.552 ksi = 22030 lb = 22 k Mcr = 2307 5.24  6 5000 1000 + 1.596 − 0.552  at h/2 = 646 in-k = 53.9 ft-k 2- -18
  • 41.
    φVci = 0.85  0.6 5000 1000 (10.5)(9)   + 0.85 3.25 + 4.11(53.9) 19.43  = 15.86k > 7.36k ok 2- -19
  • 42.
    Fig. 2.6.1.1 Fig. 2.6.1.2 fps Steel Stress fse t f fps d fps req’d. Length into span greater than fps available Strand Development d Section 12.9.2 of the ACI Code limits inves- 2.6 Strand Development tigation of development length to the section near- est the end of the member where full design strength is required. In conventionally reinforced 2.6.1 ACI Requirements concrete, the rate of moment increase must be Section 12.9 of the ACI Code covers develop- considered in selecting reinforcing bar sizes. This ment length for prestressing strands. While the consideration is also valid in prestressed concrete topic has received considerable discussion9-16, members. As shown in Figure 2.6.1.2, with a the ACI Code expression currently remains: steep rate of moment increase, critical sections ℓd = (fps - 2/3fse)db - may occur in the strand development length at less than maximum moment. A further requirement is that the development Demand on strand strength above fse does not length shall be doubled when bonding of a strand occur until after flexural cracking occurs. If flex- does not extend to the end of the member and the ural cracking occurs in the transfer length, the precompressed tensile zone is allowed to be in strand cannot accept additional stress so bond fail- tension at service loads. ure occurs. Therefore, the limit on member flexu- The ACI Code expression for development ral strength in the strand transfer length is the length describes two bond mechanisms. The first cracking moment. is the transfer length which is the bond length re- In the flexural bond length, strand stress can in- quired to transfer the effective prestress after crease above fse, but not to full fps. Therefore, losses, fse, to the concrete. This portion of the de- there is additional flexural strength above the velopment length is: cracking moment, but less than full nominal strength. If flexural cracking occurs at factored ℓ t = f se d b load in the flexural bond length, the maximum 3 With fse equal to 150 ksi (1034 MPa), the trans- value for fps can be calculated as: fer length becomes 50db, the length used for shear x − ℓt calculations. f′ps = fse + (fps - fse) - The second mechanism is for bond length after ℓf the steel stress increases above fse. To develop the where x = the distance from the end of the full design strength of the strand, fps, a bond length member to the section of interest in addition to the transfer length is required. The flexural bond length is expressed as: The nominal moment capacity is then calculated ℓ f = (fps -- fse)db on the basis of this maximum strand stress. Figure 2.6.1.1 depicts the increase in steel Martin and Korkosz17 suggest that with partial- stress along the development length of the strand. ly developed strand, the full concrete compressive 2- -20
  • 43.
    failure strain willnot be achieved. A strain com- Hollow core slab systems are often required to patibility analysis can be performed to determine carry concentrated or wall loads which may affect the concrete strain that would be consistent with the rate of moment increase near the member end. f′ps and nominal strength can then be calculated While not required by ACI, it is suggested that the using that strain. transfer length and flexural bond length regions When debonded strands are mixed with fully be investigated for reduced capacity when the mo- bonded strands, a similar strain compatibility ment gradient is high. analysis may be required in the flexural bond The development length equations in the ACI length for the debonded strands. In this case, Code are based on testing conducted with mem- nominal strength can be calculated in two ways: bers cast with concrete having normal water-ce- 1. Analyze section with all strands at the f′ps for ment ratios. As noted in the Commentary to the the debonded strands. ACI Code, no slump concrete requires extra pre- cautions. Hollow core slabs produced with the ex- 2. Analyze section with only fully bonded strands trusion process fall into this category. As original- at their fps and ignore the debonded strands. ly presented by Anderson and Anderson10 and The greater of the two results would predict the reinforced by Brooks, Gerstle and Logan18, a nominal strength of the section. measure of satisfactory bond is the free end slip of For hollow core slabs, the strain compatibility a member after it is cut to length. A limit on free analysis for partially developed strand will yield end slip expressed as: variable results as compared to a traditional ap- f sef si proach where f′ps is used with a full concrete strain δall = d 6E s b of 0.003 in/in. If f′ps is close to fse, the strain com- has been suggested as a maximum free end strand patibility analysis will predict moment capacity of slip for using the ACI Code development lengths. about 85% of the traditional analysis. When f′ps is This expression approximates the strand shorten- 10% greater than fse, the difference reduces to 5% ing that would have to occur over the transfer or less. The additional complexity of the strain length. For a 1/2″ (12.7 mm) dia. strand stressed compatibility analysis would only seem war- initially to 189 ksi (1300 MPa), the free end slip ranted when flexural cracking is expected near the should not exceed about 3/32″ (2.4 mm) if the ACI transfer point or when debonded strands are used. Code transfer and development lengths are to be There are several aspects of a bond length dis- used. cussion that are significant to hollow core slab de- When free end slip exceeds δall, the transfer sign. In many framing schemes, there will be a re- length and the flexural bond length will increase. quirement to use very short slabs to fill in an area. Shear strength in the transfer length and moment With fully developed strands, these slabs will nor- capacity in the flexural bond length will be de- mally have very large load capacities. However, creased and the length into the span where full capacity may be reduced because the strands moment capacity is provided will be increased. might only be partially developed. For example, If the free end strand slip is known from quality for a slab prestressed with 1/2″ (12.7 mm) φ, 270 control measurements, the member capacity can ksi (1860 MPa) strands with fse = 150 ksi (1034 be evaluated with consideration of extended MPa) and fps = 260 ksi (1790 MPa): transfer and flexural bond lengths. As a function ℓ d = f ps − 2 f sed b of measured end slip, the transfer length and flex- 3 ural bond length can be calculated for each strand  = 260 − 2 150 0.5 3  as follows: ℓ t = 2δsEs/fsi = 80″ = 6′-8″ (2030 mm) This slab would have to be two development ℓ f = 6δsEs(fps -- fse)/(fsifse) lengths, or 13′-4″ (4.1 m) long in order to develop Shear strength can be evaluated by substituting its full design strength. A shorter slab would have the extended transfer length for 50 db in evaluat- reduced capacity. ing the rate of increase of prestress. Flexural 2- -21
  • 44.
    Fig. 2.6.1.3 Effectof End Slip 80.00 Moment (ft-k) 60.00 Moment Capacity with 5/32" End Slip 40.00 Moment Capacity 20.00 Uniform Load with Normal End Slip Moment Diagram 0.00 0.0 5.0 10.0 15.0 20.0 25.0 30.0 Distance Along Member Length (ft) (a) 80.00 Moment (ft-k) 60.00 Moment Capacity with 5/32" End Slip 40.00 Moment Capacity 20.00 Uniform Load with Normal End Slip Moment Diagram 0.00 0.0 5.0 10.0 15.0 20.0 25.0 Distance Along Member Length (ft) (b) strength calculations are affected only by the ex- The following example demonstrates the use of tension of the strand development length and po- the Martin and Korkosz strain compatibility anal- tential reduction of f′ps. The strain compatibility ysis for partially developed strand and the use of analysis suggested by Martin and Korkosz for free end slip for evaluating strength. The proce- sections with partially developed strand becomes dure illustrated is also valid with normal end slip more complex as there can be variation in devel- by using the appropriate transfer and bond opment lengths within a given member. lengths. Figure 2.6.1.3 illustrates the change in moment Example 2.6.1.1 Initial Strand Slip capacity for the generic slab of Section 1.7 from Given the generic hollow core slab defined in normal slip to 5/32 in (4 mm) slip on all strands. In Section 1.7, calculate the design flexural strength (a), the span length is 30 ft (9.1 m) and there would given the following: be no change in slab capacity for uniform load. In (b), the span is reduced to 25 ft (7.6 m) and it is Prestressing steel: 4-1/2″ dia., 270 ksi low clear that the extended development length would relaxation strands. result in reduced capacity even with uniform load. Es = 28500 ksi End slip in excess of normal slip has a more signif- dp = 7″ icant effect in shorter slabs. f′c = 5000 psi 2- -22
  • 45.
    fsi = 185ksi T = C fse = 163.4 ksi Find fps = 267 ksi c = 2.18″ δs = 3/16 in. all strands εc = 0.000929 in/in Solution: Concrete stress at top ℓ t = 2(3/16)(28500)/185 = 4300(0.000929) = 57.8″ = 3.995 ksi ℓ f = 6(3/16)(28500)(267 -- 163.4)/185/163.4 = 109.9″ Concrete stress at top of core 2.18 − 1.25 ℓ d = 57.8 + 109.9 = (3.995) = 1.704 ksi 2.18 = 167.7″ 3.984 + 1.704 The minimum slab length required to achieve C1 = (1.25)(36) full flexural capacity is 2(167.7)/12 or 28 ft. Cal- 2 culate flexural capacity at 10 ft. = 128k 10x12 − 57.8 C2 = 1.704 (10.5)(2.18 - 1.25) - f′ps = 163.4 + (267 - 163.4) - 2 109.9 = 222 ksi = 8.3k Apsf′ps = 4(0.153)(222) Mn = (135.9(7 - 0.54) - 8.3(1.56 - 0.54))/12 - - - = 135.9k = 72.45 ft-k Traditional analysis a = 135.9 = 0.89 in. .85536 Mn = 135.9(7 - 0.89/2)/12 - = 74.24 ft-k Strain compatibility analysis Ec c c C1 C2 dp T = Apsf’ps s εps = εse + εs εse = 163.4/28500 = 0.00573 in/in εps = 222/28500 = 0.00779 in/in εs = 0.00779 - 0.00573 - = 0.00206 in/in Using trial and error for 2- -23
  • 46.
    CHAPTER 3 SPECIAL DESIGN CONSIDERATIONS 3.1 General Information slabs will contribute in carrying a given load in a The application of hollow core slabs as roof given location. This section presents a design and floor deck members creates several situations method that may be used when the slabs do actual- for consideration in design which are either not ly have to support non-uniform loads. completely covered by ACI Code provisions or which involve consideration of production pro- 3.2.1 Load Distribution Mechanisms cesses. This section presents information which As load is applied to one slab in a system, the may be used as a guideline for the situations de- response of the slab system is to deflect and also scribed but not as hard and fast rules. The criteria twist if the load is not on the longitudinal center- presented represent conservative practices and line of the system. As the loaded slab edges try to should be verified with local producers. Pub- move down, the interlock of the grout in the joints lished data relative to each situation is referenced. with the keyways formed in the slab edges forces However, extensive in plant testing has been con- adjacent slabs to deflect a similar amount. The ducted by hollow core producers which may al- flexural and torsional stiffness of the adjacent low less conservative criteria to be used because slabs reduce the deflection of the loaded slab from of the unique characteristics of a particular slab. what might be expected if the slab were alone. Shear forces are developed along the keyways and 3.2 Load Distribution the loaded slab then gets some support from the As demonstrated in Chapter 2 of this manual, adjacent slabs. As this effect trickles through the hollow core slabs are designed as individual, one system, the keyways between slabs force equal way, simple span slabs. When the slabs are deflections for slab edges at any given keyway. installed and grouted together at the keyways, the Many times shrinkage cracks will occur in the individual slabs become a system that behaves grouted joints at the interface between the grout similarly to a monolithic slab. A major benefit of and slab edge. This cracking does not impair the the slabs acting together is the ability to transfer mechanism described above because the configu- forces from one slab to another. In most hollow ration of the keyways in the slab edges still pro- core slab deck applications, non-uniform loading vides mechanical interlock even with the presence occurs in the form of line loads, concentrated of a crack. loads, or load concentrations at openings. The Shear forces transferred along keyways cause ability of individual slabs to interact allows these two sets of forces that are normally not considered load concentrations to be shared by several slabs. in hollow core slab design. The first is torsion The ability to distribute loads among several slabs which develops because the shear on one edge of a has been demonstrated in several published tests given slab is different in magnitude from the shear 19-25 and many unpublished tests. on the opposite edge. As depicted in Figure 3.2.1, In many cases, load concentrations do not have the keyway shears reduce as the distance from the to be carried by the slabs. For example, a header at load increases. These torsions cause shear stress a large opening may be supported directly to a in the slabs in addition to the direct shear stress. foundation or vertical support element; a beam The second set of forces is induced because the might be installed to directly carry a heavy con- system is tending to behave as a two way slab. centrated load; or a heavy wall parallel to a slab Transverse bending moments occur because of span might be designed to carry its own weight or the edge support provided by adjacent slabs. The any load superimposed on the wall as a deep beam result is transverse tensile stress developed in the spanning between vertical supports. However, bottom of the slab and compressive stress in the when such loads must be supported by the slab top. Hollow core slabs are not provided with system, a method is required to decide how many transverse reinforcement. Transverse tensile 3- -1
  • 47.
    Fig. 3.2.1 V1 V1 V2 V2 V3 V1 > V2 > V3 stresses must then be resisted by plain concrete. The two basic design parameters considered The magnitude of load concentration causing the for hollow core slabs are flexure and shear. De- transverse tension must be limited to preclude a sign for flexure is straightforward with the effec- splitting failure. See Section 3.2.2. tive load resisting width being a function of the Several factors affect the ability of a slab sys- span length. Conversely, shear design is compli- tem to distribute loads to adjacent slabs. As the cated by torsions developed in the system. If tor- width of an assembly of slabs gets narrower than sion is not to be used as a design parameter, direct the span length, a reduction in the number of slabs shear must then be modified to reflect the increase contributing to the support of a concentration of in shear stress from the torsion. load occurs. This occurs because the freedom of Figure 3.2.2 depicts a method of establishing the free edges of the system to deflect and twist be- an effective resisting section for any type of load comes more significant. A second factor is the to be distributed between slabs. In the midspan re- spacing of the slab joints. With slabs available in gions, the effective width is defined as a function widths ranging from 2 feet to 8 feet (0.6 to 2.4 m), of span length. At the supports, the effective some differences in load distribution behavior can width is defined as an absolute width. The width be expected. Finally, the span length affects the at the support is restricted to account for shear number of contributing slabs. As span length stresses due to torsion. Use of these resisting sec- changes for a wide system, the interaction of flex- tions will result in prediction of peak values of ural and torsional stiffnesses changes. For longer moment and shear. That is, the effective width spans, flexural stiffness reduces relative to tor- concept is simply a mechanism used to determine sional stiffness. This results in relatively less slab the maximum design moments and shears rather rotation and less transverse curvature. The result than a depiction of the actual load path through the is that more slabs can contribute to distribution on system. longer spans as long as the system is wide relative The performance of slab systems indicates that to its length. shear and moment might affect additional slabs. For example, for a load located some distance from a free edge, the peak moment due to that load 3.2.2 Design Guidelines can be predicted by assuming the load is resisted ACI 318-95 recognizes the load transfer capa- by a width equal to 0.50ℓ. In reality, in flexure, a bilities of hollow core slabs in Section 16.3.1. total width equal to 85% to 90% of the span length That section specifies that distribution of forces might have some moment attributable to that load. be established by analysis or test. The guidelines In shear, the 1′-0″ (0.3m) effective section at the presented here were based on extensive, full scale support at a free edge may be used to predict the testing of a specific slab system. Additionally, a peak shear but, because of torsion, the total reac- comparison of these guidelines to an analytical tion due to an edge load will not actually be con- study has been done. Therefore, the guidelines centrated in the 1′-0″ (0.3m). presented here should satisfy the requirement of Several limitations should be recognized for ACI (318-95) 16.3.1. Figure 3.2.2. 3- -2
  • 48.
    Fig. 3.2.2 Effectiveresisting width of slab for load anywhere along span 0.25 0.50 0.25 4’ " -0 1’-0" Interpolate Interpolate 0.50 0.25 1) As the width of the system becomes narrow- tablished by test for each slab system. Ref- er than the span length, the effective resist- erence 23 provides guidance for edge loads. ing widths will become narrower. The concept of using an effective resisting sec- 2) For extremely high span-depth ratios (in ex- tion is subtlely different from the traditional con- cess of approximately 50), the effective sec- cept of load distribution width. Traditionally, tion at midspan may be reduced by 10 to 20 loads have been divided by distribution widths for percent. design. Using an effective resisting section means that a given load is resisted by a varying width de- 3) For spans less than about 10 ft, the effective pending on the location of the section being inves- width at the support may become narrower. tigated in the span. This is best illustrated by ex- ample. 4) Local load concentrations can cause longi- tudinal splitting failures due to transverse Example 3.2.1 General Case bending in the system. Punching shear type Given an untopped hollow core system using failures can also occur. The magnitude of 36″ wide slabs as shown in Figure 3.2.3, deter- concentrated loads must be limited to pre- mine the slab design loads. Slab weight = 53.5 psf clude such failures. These limits are best es- 3- -3
  • 49.
    Fig. 3.2.3. 5’ " -6 P1 9’ " -6 w1 P2 25’ " -0 6’ " -0 P2 w1 P1 9’ " -6 5’ " -6 DL = 10 psf w1D = 650 #/ft P1D = 500 # P2D = 1000 # LL = 40 psf w1L = 1040 #/ft P1L = 1000 # P2L = 3000 # Solution DW = 0.5ℓ = 0.5(25) = 12.5 ft Step 1: Evaluate the shear and moment diagrams Between x = 0 and x = 6.25 ft for the non-distributable loads. DW = 4 + x (12.5 - 4)- wu = 1.4(53.5 + 10) + 1.7(40) = 157 psf 6.25 = 4 + 1.36x Vx = w (ℓ/2 - x) = 0.157(25/2 - x) - - See Table 3.2.1 Step 4: Divide the shears and moments from Step Mx = w x (ℓ − x) = 0.157x (25 − x) 2 2 2 by the effective width from Step 3 and See Table 3.2.1 add to the shears and moments in Step 1. Step 2: Evaluate the shear and moment diagrams See Table 3.2.1 for the distributable loads. Step 5: Design the slabs for the web shear, in- wu = 1.4(650) + 1.7(1040) = 2678#/ft clined shear, and moments obtained from Step 4. Pu = 1.4(500) + 1.7(1000) = 2400# The solution for the general case where the Pu = 1.4(1000) + 1.7(3000) = 6500# shears and moments are calculated at intervals See Table 3.2.1 along the span is best suited for use with a comput- er. The information could then also be used to cal- Step 3: Evaluate the effective width along the culate shear strength at the same time. span. For many cases, a general solution is not neces- At support sary. Simplifying shortcuts can be used to shorten DW = 4.0 ft the design process. Consider the case where shear At 0.25ℓ = 0.25(25) = 6.25 ft is known not to be a problem. 3- -4
  • 50.
    Table 3.2.1 Shearsand Moments for Example 3.2.1 Non-distributed Distributable Effective Final Loads Loads Width x Vux Mux Vux Mux DWx Vu(k/ft) Mu(ft-k/ft) 0 1.96 0 34.34 0 4.0 10.55 0 h/2 1.91 0.65 33.45 11.28 4.45 9.43 3.18 1 1.81 1.88 31.66 33.0 5.36 7.72 8.04 2 1.65 3.61 28.98 63.32 6.72 5.96 13.03 3 1.49 5.18 26.31 90.98 8.08 4.75 16.44 4 1.33 6.59 23.63 115.94 9.44 3.83 18.87 5 1.18 7.85 20.95 138.23 10.80 3.12 20.65 6 1.02 8.95 15.87 156.64 12.16 2.32 21.83 7 0.86 9.89 13.19 171.17 12.5 1.92 23.58 10 0.39 11.78 0 195.78 12.5 0.39 27.44 11 0.24 12.09 0 195.78 12.5 0.24 27.75 12.5 0 12.27 0 195.78 12.5 0 27.93 Example 3.2.2 Example 3.2.3 D = 250 plf D = 250 plf L = 200 plf 25’ " 25’ " D = 10 psf D = 10 psf -0 -0 L = 40 psf L = 40 psf Slab wt. = 53.5 psf Slab wt. = 53.5 psf Effective width Effective width Given the system shown, determine the design Given the system shown select a generic slab load. from Figure 1.7.1 to support the loads shown. Solution: Solution: Make preliminary selection based on flexure: Shear is judged to be not critical From Figure 3.2.2 the effective width resisting 250 + 200 Superimposed w = 10 + 40 + the line load is 0.50ℓ = 0.50(25) = 12.5 ft 0.5025 = 86 psf Determine the design superimposed load: Select 4 - 7/16″, 270 ksi low relaxation strands w = 40 + 10 + 250/12.5 from Figure 1.7.1 First shear check = 70 psf effective width at support = 4′-0″ = DW Using the generic slab load table in Figure 1.7.1 wu = 1.4(10 + 53.5) + 1.7(40) select an 8″ slab with 4 - 7/16″ diameter strands. + (1.4 x 250 + 1.7 x 200)/DW If it is not known whether shear is critical, sim- = 157 + 690/DW ple iterative checks may be made. Using DW = 4.0 3- -5
  • 51.
    Example 3.2.4 10’ 10’ 9’ " -6 25’ " 6’ " -0 -0 9’ " -6 Typ. wall load Effective width Typ. point load D = 300 plf D = 1800# L = 400 plf L = 2880# Uniform loads: slab wt = 53.5 psf D = 10 psf L = 40 psf wu = 157 + 690/4.0 = 330 psf Therefore, shear check is complete and slab is ad- equate. Check shear based on this load and find @ h/2 Vu = 4.02 k/ft and φVcw = 6.04 k OK To summarize the steps taken to check shear in Example 3.2.3, distributable loads were divided @ 3.0 ft Vu = 3.13 k/ft and φVci = 3.05 k NG by the effective width at the support to make a conservative shear check. If shear along the span Second Shear Check is found to be satisfactory, no further steps are re- Inclined shear did not check at 3.0 ft so deter- quired and the shear check is complete. If shear in mine effective width at 3.0 ft, recalculate distrib- the span at some point is found to be inadequate, uted load and recheck shear. the effective width at that point is used to calcu- lated a new load which will then be conservative At ℓ/4, DW = 0.5ℓ = 0.5(25) = 12.5 ft for points further into the span. Shear is re- At support, DW = 4.0 ft checked. This iterative approach is used until all points further into the span check for shear. If Interpolate at 3 ft, DW = 3 (12.5 - 4) + 4 - shear works for a given situation, generally no 25∕4 more than three cycles will be required. = 8.08 ft A combination of loads will be used to further wu = 157 + 690/DW demonstrate this method in the following exam- ple. = 157 + 690/8.08 = 242 psf Example 3.2.4 Given the center bay of an apartment building Again check shear at 3.0 ft and beyond and find as shown, design for the applied loads using the φVci > Vu at all points. generic slab shown in Figure 1.7.1 3- -6
  • 52.
    Solution: x h/2 1.09′ 1.85′ 2.61′ 3.37′ Select preliminary slab based on flexure: Vu k/ft 7.11 6.93 6.45 6.12 5.79 Use DW = 0.50ℓ = 0.5(25) = 12.5 ft φVn k/ft 6.30 7.79 8.44 6.09 4.79 Because wall and point loads are spaced closer than 12.5 ft, conservatively use spacing of loads as Note that web shear at h/2 does not work. No DW. further modifications can be made to adjust the At design strip: shear calculation. Shear enhancement is required in the form of stirrups, solid cores, higher concrete 468# 468# strength or using a deeper section. Proceed to check inclined shear which was not adequate at 2.61 ft. 70 70 Recalculate effective width at 2.61 ft as: 50 = 2.61 0.5ℓ − 4 + 4 0.25ℓ = 2.61 (12.5 - 4) + 4 = 7.54′ - 6.25 1758# 1758# wu = 157 + 1100/7.54 = 303 psf Pu = 7416/7.54 = 984 plf 1800 + 2880 Point loads = = 468 plf Obtain the following results: 10 300 + 400 x 2.61 3.37 4.14 4.90 5.66 Parallel walls = = 70 psf 10 Vu k/ft 3.97 3.74 3.51 3.28 3.05 Uniform load = 10 + 40 = 50 psf φVn k/ft 6.07 4.77 3.94 3.36 2.94 M = 11,511 ft-#/ft equivalent uniform load = 8 x 11511/252 Inclined shear is now adequate to a distance of = 147 psf 5.66 ft into the span. Recalculate the effective width at 5.66 ft. Select 4-1/2″, 270 ksi, low relaxation strands capacity = 148 psf at 25 ft. 5.66 0.5ℓ − 4 + 4 Check shear 0.25ℓ For design strip = 11.7 ft including slab wt. wu = 1.4(10 + 53.5)) + 1.7(40) Note that loads are located only 10 ft apart + (1.4 x 300 + 1.7 x 400)/DW which means that design strips would start to overlap. For this case, the maximum effective = 157 + 1100/DW width might be used as the distance between Pu = (1.4 x 1800 + 1.7 x 2880)/DW loads, or 10 feet, rather than 0.5 ℓ. = 7416/DW wu = 157 + 1100/10 = 267 psf Start at support where effective width = 4.0 ft Pu = 7416/10 = 742 plf wu = 157 + 1100/4 = 432 psf With these loads, it is found that Vu < φVn for Pu = 7416/4 = 1854 plf the balance of the span. Therefore, the slab se- lected is adequate except for the shear enhance- Obtain the following results: ment required for web shear as previously noted. 3- -7
  • 53.
    3.3 Effect ofOpenings Fig. 3.3.1 Effects of openings Openings may be provided in hollow core sys- tems by saw cutting after a deck is installed and grouted, by shoring and saw cutting, by forming or sawing the openings in the plant or by installing > 3/8 0.25 0.25 short slabs with steel headers. Some typical head- er configurations are shown in Section 5.7. In lay- ing out openings for a project, the least structural effect will be obtained by orienting the longest di- > 3/8 mension of an opening parallel to a span, or by coring small holes to cut the fewest prestressing (a) strands, or when several openings must be pro- vided, aligning the openings parallel to the span to again cut the least number of prestressing strands. For slab design, openings cause load con- centrations which may be distributed over the slab < 3/8 0.25 system as discussed in Section 3.2. As with non- uniform loads, openings cause torsion in the slabs. Therefore, the method of determining shear ade- 0.25 0.25 quacy must also consider the effects of torsion on the shear stresses. In flexure, the primary consid- < 3/8 0.25 erations are the length of the opening parallel to the span and the length of strand embedment 1’ " -0 1’ " -0 available from the end of an opening to the point (b) of maximum moment. Figure 3.3.1 shows some general opening loca- tions with suggested interpretations of the effec- tive resisting slab width described in Section 3.2. Local slab producers may have information which would allow different design approaches for their 0.5 particular slab. Figure 3.3.1(a) depicts a relatively small open- ing located at midspan. In flexure, the load from the short slabs can be resisted by slabs within 0.25 0.25 ℓ on each side of the opening. As a guideline, if an end of the opening shown is not closer to the 1’ " -0 1’ " -0 support than 3/8 ℓ, there will be no special consid- (c) erations for shear design with only uniform loads. When non-uniform loads are superimposed near slabs. The resulting torsion on the adjacent slabs the opening, the effective resisting section shown requires that a reduced effective width at the sup- in Figure 3.2.2 would then be used for those non- port be used if torsional shear stresses are not di- uniform loads. rectly calculated. Figure 3.3.1(b) shows a similar condition Figure 3.3.1(c) depicts the extreme where an where an opening is located with an end closer to opening is located right at the end of a span. the support than 3/8 ℓ. In this case, shear is con- Again, the reduced shear width adjacent to the sidered as though the opening created a free edge. opening is required to reflect torsional shear That is, load from the short slabs or opening will stresses. An end opening extending less than the be transmitted as an edge load to the adjacent lesser of 0.125 ℓ or 4 ft (1.2m) into the span may be 3- -8
  • 54.
    neglected when consideringflexure. However, some capacity reduction might be required for the 6’ D = 10 psf slab with the opening when strand embedment L = 40 psf 25’ " -0 length is less than full required development. 19’ When non-uniform loads are superimposed in the area of an end opening, these loads should be con- sidered as being at a free edge for shear calcula- Slab wt = 53.5 psf 3’ tions. Example 3.3.1 Solution: The ends of the opening are closer than 3/8 ℓ to 11’ " 2’ 11’ " the support on both ends. Therefore, consider the -6 D = 10 psf opening as though it were a free edge. 25’ " L = 40 psf 2’ -0 load on strip with opening -6 Slab wt = 53.5 psf w = 3(10 + 40 + 53.5) = 311 plf Given the slab system shown, select a generic for flexure and preliminary slab selection use ef- slab from Figure 1.7.1 to carry the loads given fective width = 0.25 ℓ to each side considering the opening. 311∕2 w = 10 + 40 + 0.2525 Solution: = 75 psf Check proximity of opening to support 3/8 ℓ = 0.375(25) = 9.38′ Try 4 - 7/16″ dia., 270 ksi, low relaxation strands 11.5′ > 9.38′ no special shear Check Shear considerations effective width at support = 1′-0″ each side Distribute load from strip with opening: wu = 1.4(10 + 53.5) + 1.7(40) + superimposed w = 10 + 40 = 50 psf 3[1.4(10 + 53.5) + 1.740)]∕2 load on strip with opening = DW 2(10 + 40 + 53.5) = 207 plf = 157 + 235/DW distributing 1/2 of strip load each side where DW = effective width on each side 207∕2 wu = 157 + 235/1 = 392 psf w = 50 + 0.25ℓ Using this load, obtain: = 50 + 104 0.2525 x h/2 1.1 1.85 2.61 3.37 4.14 = 67 psf Vu k/ft 4.77 4.47 4.17 3.87 3.58 3.28 φVn k/ft 6.08 7.29 6.62 4.80 3.80 3.15 Select, from Figure 1.7.1, 4 - 3/8″ dia., 270 ksi, Shear is adequate to 4.14 ft into span. low relaxation strands Modify effective width at 4.14 ft Example 3.3.2 DW = 4.14 (0.25ℓ − 1) + 1 0.25ℓ Given the floor system shown, select a generic slab from Figure 1.7.1 to carry the loads given. = 4.14 (6.25 - 1) + 1 - 6.25 3- -9
  • 55.
    = 4.48 ft duced. A detailed discussion of this is presented in Section 6.3.3. wu = 157 + 235/DW = 157 + 235/4.48 3.5 Cantilevers Cantilever design in hollow core slabs differs = 209 psf from design with conventional precast members because of the production procedures used for Find shear is adequate at 4.14 ft and all points fur- hollow core slabs. Guidelines noted here are con- ther into span. Use 4 - 7/16″ dia., 270 ksi, low re- servative and may be exceeded depending on the laxation strands. specific product used. Because long line beds are used for the produc- 3.4 Continuity tion of hollow core slabs, top prestressing strands Hollow core slabs are normally designed as may be economical only when full bed capacity is part of a simple span system. However, continuity utilized. Even then, substantial amounts of pre- over supports can be achieved by placing rein- stressing strand may be used inefficiently because forcing steel in the grouted keyways, in a compos- of debonding requirements. The economics of us- ite structural topping, or by concreting bars into ing top strand must, therefore, be determined by cores. Within limits, the result will be better con- the local producer. trol of superimposed load deflections and a lower When top strands are used, the length of the requirement for positive moment capacity. cantilever is usually not sufficient to fully develop With reinforcing steel in either a composite a strand. A reduced value for fps is required and topping or in cores, elastic moments with allow- the design procedures given in Section 2.6 should ance for negative moment redistribution deter- be used. In dry cast systems, the bond of top mine the amount of reinforcing required. Because strands may be less than desired so a further re- of the relative efficiencies of positive prestressing duction in fps is required. This reduction may be steel and negative mild reinforcing, it is difficult substantial and each producer should be consulted to economically justify a continuous system de- on top strand bond performance. sign. When top strands are not economical, When reinforcing is required at supports for non-prestressed reinforcement may be placed in reasons such as structural integrity ties or dia- the cores or directly in the unit in the case of a wet phragm connections, the reinforcing ratios are cast product. This is generally done while the slab generally quite low, and therefore, develop little concrete is still plastic so bond of the fill concrete moment capacity. While this reinforcing may be with the slab may be achieved. The reinforcement considered in calculating service load deflections, is selected based on conventional design with due it is recommended that full simple span positive consideration given to bar development length. moment capacity be provided for strength design With either top strands or reinforcing bars, it unless moment-curvature relationships existing at may be necessary to debond portions of the bot- the supports at ultimate loads are known. tom prestressing strand in the cantilever zone to One situation that seems reasonable for consid- help minimize the top tension under service loads. ering a reduction in the positive moment require- Not all producers have the ability to debond bot- ments is where the slabs are required to have a fire tom strands which could potentially limit cantile- rating developed using the rational design proce- ver length or load capacity. dure. In this case, a limit analysis approach would It is desirable to limit service level tensions in be reasonable. cantilevers so that uncracked section properties The negative moment reinforcing, which is un- may be used to more accurately predict deflec- affected by fire loads, can develop full yield mo- tions. The tensile stress limit may vary for differ- ment potential and effectively provide a plastic ent systems used. For example, the practice with hinge at the support. As a result, the positive mo- some dry cast systems is to limit tensile stresses to ment at midspan may be correspondingly re- 100 psi (0.7 MPa). In other dry cast systems and in 3- -10
  • 56.
    wet cast systems,the limit may be raised to 6 f′ c. =- -0.491 ksi (tension) The tension limit will basically be a function of a Net tension with fully bonded bottom strands: producer’s past experience. ft = - -0.176 + 0.463 - 0.491 - As a rule of thumb, cantilever lengths falling in the range of 6 to 12 times the slab thickness will be =- -0.204 ksi workable depending on the superimposed load and individual producer’s capabilities. Allow 6 5000 = 0.424 ksi OK Note that some of the bottom strands could Example 3.5.1 Cantilever Design have been debonded for the length of the cantile- Using the generic hollow core slab section de- ver if top tensile stresses had exceeded a desirable fined in Section 1.7, design for the following level. conditions shown in Figure 3.5.1. Stresses in backspan: Fig. 3.5.1 200 plf D.L. Because the backspan is long in this example, stresses will not be critical in the backspan. When 40 psf L.L. the backspan is short relative to the cantilever 15 psf D.L. length, stresses may require a check in the back- 26’ 7’ span to determine the length of bonding of the top 4.06 ft-k/ft strands. D.L. + L.L. 2.87’ Ultimate Strength 7.25 ft-k/ft 5.98 ft-k/ft At the cantilever, strain compatibility will gen- Full (D.L. + L.L.) u erally show that the bottom strands may be ig- 2.82’ nored in determining the nominal moment capac- 11.02 ft-k/ft 5.98 ft-k/ft ity. When the bottom prestress is very heavy or D.L.u on backspan the bottom strands are high in the slab, a strain 4.79’ (D.L. + L.L.) on 5.39 ft-k/ft u compatibility analysis should be performed con- cantilever sidering both strand layers. Solution: For this example, assume the bottom strands may be ignored. From the load table in Figure 1.7.1, select 4 - 3/ 8 ″ dia., 270 ksi strands as the primary reinforce- ment. Try 2 - 3/8″ dia., 270 ksi, low relaxation  fps = 270 1 − 0.28 0.8  2(0.085)(270) (36)(7)(5) strands as cantilever reinforcement. Assume 15% losses and 70% initial stress. = 265 ksi Check stresses at cantilever: 2(0.085)(265) a = = 0.294 in (0.85)(5)(36) Bottom strands: 154 − 2.89 × 4.11 1 φMn 12  = 0.9 (2)(0.085)(265) 7 − 0.294 2  ftop = 0.7(0.85)(4)(23) 1224.5 = 23.15 ft-k/slab =- -0.176 ksi (tension) Mu = 3(5.98) = 17.94 ft-k/slab Top strands: ftop = 0.7(0.85)(2)(23) 154 − 3.11 × 4.11 1 1224.5 4.11  Mcr = 1224.5 0.463 − 0.176 + 7.5 5000 1 1000 12  = + 0.463 ksi = 20.29 ft-k/slab ÔM n Applied moment: = 23.15 = 1.14 < 1.2 NG 4.063(12)(4.11) M cr 20.29 ftop = - - Add 1 - #4 bar top per slab. 1224.5 3- -11
  • 57.
    Design summary 2- 38" strands bonded 13’-5" at cantilever end Debond 1- #4 x 12’-5" at cantilever end 4-38" strands bonded full length Check length of top strand to be bonded: 3.6 Horizontal Joints lavailable = 7(12) = 84 in Figure 3.6.1 depicts three conditions typically used in a multistory wall bearing building where ℓd = (fps -- 2/3fse)db hollow core slabs are used in a platform detail. Several expressions 27-31 have been proposed to = (265 - 2(0.7)(0.85)(270)/3)(0.375) - describe the transfer of axial load through this hor- = 59.2 in < 84 in izontal joint. With hollow core slabs used for floors, the most Therefore, the strand is fully effective in the canti- efficient detail is to build the slab ends into the lever. The moment capacity would have to be re- wall. Depending on the butt joint size, the calculated by the procedures of Section 2.6 if the strength of the joint for transfer of vertical loads development length were found to be greater than can be enhanced with the addition of grout in the the length available. butt joint, Fig. 3.6.1(b), and in both the joint and Bond of the top strands in the backspan must be cores, Fig. 3.6.1(c). Grout fill in the cores in- long enough to develop the fps required in the can- tilever design. The top strands should also be creases the net slab width and provides confine- bonded for a distance of one transfer length (50 di- ment for a grout column. ameters) past the inflection point under the worst The strength of the joint for vertical load trans- load condition. For this example a bonded length fer can be predicted using Eq. 3.6.1 for an un- of 77 in. would be required. grouted joint, Fig. 3.6.1(a). For a grouted joint, Fig. 3.6.1(b) or (c), the greater of Eq. 3.6.1 and Eq. Alternate Design 3.6.2 can be used. Both grouted and ungrouted Provide mild reinforcement in lieu of top pre- joints can have the slab cores either filled or not stressing strands filled. Both equations include a capacity reduc- Try 2 - #5 Gr 60 bars at d = 7″ tion term for load eccentric from the centerline of 2(0.31)(60) the joint. With single story walls braced at the top a = = 0.243″ and bottom, this eccentricity will be negligible. (0.85)(5)(36) φPn = φ0.85Aef′cRe (Eq. 3.6.1) φMn 12  = 0.9 (2)(0.31)(60) 7 − 0.243 2  φPn = φtg ℓfuCRe/k (Eq. 3.6.2) where = 19.19 ft-k/slab Pn = nominal strength of the joint = 6.4 ft-k/ft > 5.98 OK Ae = effective bearing area of slab in joint = 2wbw Top stress = - -0.176 - 0.491 - w = bearing strip width = - -0.667 ksi with fully bonded bw = net web width of slab when cores are not bottom strands filled = unit width as solid slab when cores are filled Note that a cracked section must be considered f′c = design compressive strength of slab con- in calculating cantilever deflections because the crete or grout whichever is less top stress exceeds a tension of 6 f′ c. tg = grout column thickness 3- -12
  • 58.
    Fig. 3.6.1 Commonplatform details w w w tg w (a) (b) w tg w (c) ℓ = width of slab being considered φ = 0.7 fu = design compressive strength of wall or grout Where bearing strips with a modulus of elastic- whichever is less when walls are reinforced ity other than 50,000 psi (345 MPa) are used, the against splitting and slab cores are filled amount of force in the grout column will be al- tered. A theoretical approach presented in Refer- = 80% of design compressive strength of wall ence 30 considers pad stiffness, grout column or design compressive strength of grout, strength as compared to grout strength, and con- whichever is less when walls are not rein- finement of the grout column. A comparison of forced against splitting or slab cores are not this theoretical procedure with the Johal proce- filled dure indicates that conservative capacity will be C = 1.0 when cores are not filled predicted by substituting the actual pad modulus of elasticity for 50,000 when calculating k. = 1.4 2500∕f′ c(grout) ≥ 1.0 when cores are The bearing strips need to also be checked filled against manufacturer’s recommended stress lim- k = 0.65 + (f′c(grout) - 2500)/50,000 - its. Figure 3.6.2 summarizes the forces in the Re = reduction factor for eccentricity of load joint and the recommended effective bearing strip width. = 1 - 2e/h - Another set of forces acting on the horizontal e = eccentricity of applied load measured from joint develop from the negative moments induced joint centerline in the floor slabs due to the clamping effect of a h = wall thickness bearing wall on the slab ends. Two consequences 3- -13
  • 59.
    Fig. 3.6.2. Forcedistribution in horizontal joint Solution: Loads Roof: wu = 28 (1.4(53.5+15)+1.7(30)) = 4.ll klf Pu Floors: wu = 28 (1.4(53.5+10)+1.7(40)) = 4.39 klf V1 V2 Walls: wu = 1.4(800) = 1.12 klf/story Accumulate loads above floor noted Floor wu Σwu 18 4.11 + 1.12 5.23 17 4.39 + 1.12 10.74 1-k Pu + V1 1-k Pu + V2 2 kPu 2 16 5.51 16.25 2/3w 15 5.51 21.76 2/3w 14 5.51 27.27 13 5.51 32.78 result. The splitting strength of the bearing wall is 12 5.51 38.29 reduced when the normal force restraining slab 11 5.51 43.80 end rotation is considered. Secondly, the joint or slab may crack to relieve the frictional restraint. 10 5.51 49.31 This condition is undesirable from either the 9 5.51 54.82 standpoint of joint or slab integrity. Reinforcing 8 5.51 60.33 normal to the slab butt joint is most efficient for controlling this condition. To date, there are no 7 5.51 65.84 published studies to evaluate effects of this rota- 6 5.51 71.35 tional restraint. No adverse effects have been 5 5.51 76.86 cited when nominal diaphragm or structural integ- rity reinforcement has been provided across the 4 5.51 82.37 joint. 3 5.51 87.88 2 5.51 93.39 Example 3.6.1 Using the generic hollow core slab section de- a) Evaluate capacity of ungrouted joint (Fig. fined in Section 1.7, determine the grouting re- 3.6.1(a)) quirements for an interior butt joint as depicted in bw = 10.5″ for generic slab = 3.5 in/ft of Figure 3.6.1(a) given the following criteria: width Slab span: 28 feet f′c (slab) = 5000 psi 18 story building with: 3 in bearing strips 8″ concrete bearing walls f′c wall = 5000 psi φPn = φ0.85 Ae f′c Re (Eq. 3.6.1) Loads: Roof - DL = 15 psf LL = 30 psf - Floors - DL = 10 psf LL = 40 psf -  φPn = 0.7(0.85)(2)(3)(3.5)(5) 1 − 2(0) 8  Walls - DL = 800 plf/story - = 62.48 k/ft LL Reduction: None for example Adequate for Floors 8 through roof 3- -14
  • 60.
    b) Evaluate strengthof grouted joint using Use 1/2 in butt joint with cores filled below 8th 3000 psi grout for floor. 1) 2 in butt joint with no filled cores (Fig. 3.6.1(b)) It should be noted that this example may over- state the height of building that can be supported φPn = φ 0.85Aef′cRe (Eq. 3.6.1) on an ungrouted joint. Concentrated loads due to  = 0.7(0.85)(2)(3)(3.5)(5) 1 − 2(0) 8  corridor lintels, wall openings, or exterior span- drels must also be considered in most buildings re- = 62.48 k/ft sulting in an increase in load to be transferred or through the horizontal joint. φPn = φtg ℓfuCRe/k (Eq. 3.6.2) fu = 3000 psi C = 1.0 k = 0.65 + (3000 - 2500)/5000 - = 0.66 φPn = 0.7(2)(12)(3)(1.0) x 1− 2(0) 8  ∕0.66 = 76.36 k/ft > 62.48 Therefore φPn = 76.36 k/ft 2) 1/2 in butt joint with cores filled (Fig. 3.6.1(c)) φPn = φ 0.85Aef′cRe (Eq. 3.6.1)  = 0.7(0.85)(2)(3)(12)(3) 1 − 2(0) 8  = 128.5 k/ft or φPn = φtg ℓfuCRe/k (Eq. 3.6.2) fu = 3000 psi C = 1.4 2500∕3000 = 1.28 k = 0.65 + (3000 - 2500)/50,000 = 0.66 - φPn = 0.7(0.5)(12)(3)(1.28) x 1−  2(0) 8  ∕0.66 = 24.4 k/ft < 128.5 Therefore φPn = 128.5 k/ft 3- -15
  • 61.
    CHAPTER 4 DIAPHRAGM ACTION WITH HOLLOW CORE SLABS 4.1 General Information satisfy Section 7.13 in precast concrete structures. When hollow core slabs are used as floor or For large panel bearing wall structures, minimum roof decks to support vertical loads, the natural forces are specified to provide ties throughout the extension is to use the slabs as a diaphragm to re- structure. For other types of precast structures, sist and transmit lateral loads. Lateral loads will only general detailing philosophies are specified. be applied to building structures in the form of lat- In either case, the fundamental requirement is to eral earth pressures, wind loads or seismic loads. provide a complete load path from any point in a The function of a diaphragm is to receive these structure to the foundation. Clearly, a diaphragm loads from the building elements to which they is a significant element in this load path. A tie sys- have been applied and transmit the loads to the lat- tem that satisfies the strength and force transfer eral-resisting elements which carry the lateral demands on a diaphragm will generally satisfy the loads to the foundation. The design issues in a detailing requirements for structural integrity. hollow core diaphragm are the design of connec- tions to get loads into the diaphragm, the strength 4.2 Design Loads and ductility of the slab system to transmit these Lateral loads imposed on hollow core dia- loads to the lateral-resisting elements and the de- phragms can include lateral earth pressures, wind sign of the connections required to unload the lat- loads or seismic loads. Lateral earth pressures eral forces from the diaphragm to the lateral-res- will be established by the characteristics of the isting elements. soil being retained. Wind and seismic loads will Clear communication is required between the be dictated by the applicable building code for the building designer and the hollow core slab suppli- structure. Soil and wind loads are forces actually er when the hollow core system is to be used as a applied to the structure. Seismic forces are gener- diaphragm. Some elements of the diaphragm de- ated from within the structure as inertial forces sign may be delegated to the hollow core slab sup- due to lateral displacement from ground motions. plier. However, only the building designer is in While soil and wind loads can be safely treated as the position to know all the parameters involved in static loads, seismic loads must be considered as generating the applied lateral loads. Because of dynamic loads. In all cases, the same elements many design issues, only the building designer will comprise a complete diaphragm, but the duc- can determine the location and relative stiffnesses tility demands on a seismic resistant system are of the lateral-resisting elements. These parame- significantly more important. ters dictate the distribution of forces in the dia- The balance of the discussion in this chapter phragm. If any design responsibility will be dele- will be concerned with lateral loads from wind gated to the hollow core supplier, the location and and seismic. This is not intended to slight the im- magnitude of the lateral loads applied to the dia- portance of considering unbalanced soil pressures phragm and the location and magnitude of forces which can commonly be a significant consider- to be transmitted to lateral-resisting elements ation in many projects using hollow core slabs. must be specified. Where hollow core slabs must The basic principles of hollow core diaphragms connect to other building materials, or where de- which will be discussed are equally applicable to mands on connections go beyond simple strength lateral soil pressures. demands, the connection details should be shown There are many documents which cover design in the contract documents. for wind and seismic loads. The references used An additional consideration in detailing dia- for this chapter are the 1994 UBC code32 and the phragms is the need for structural integrity. ACI 1996 BOCA code33. For wind load, both codes Section 16.5 provides minimum requirements to are similar in that a basic wind speed is selected 4- -1
  • 62.
    based on thebuilding location, an exposure cate- wpx = portion of W at level under consideration gory is selected based on the surrounding terrain, The magnitude of Fpx need not exceed an importance factor is selected based on the oc- 0.75ZIwpx but shall not be less than 0.35 ZIwpx. cupancy of the building, modifying factors are de- Many other requirements are included in the UBC termined for the geometry of the building and the code which are not restated in this summary. design positive and negative wind pressures are The BOCA code prescribes a seismic design calculated. procedure. A very important note is that the For seismic loads, the two codes take different BOCA provisions result in forces that are already approaches. The UBC code allows an equivalent factored and are intended to be used with ultimate static load approach for many building types. For strength design methods with no additional load others, where certain heights or irregularities are factors. The base shear is calculated as: present, a dynamic lateral force procedure is re- V = CsW (Eq. 4.2.3.) quired. The static force procedure allows design for a base shear of: where V = ZIC W (Eq. 4.2.1) Cs = coefficient related to peak velocity-related Rw acceleration, soil profile, structural system where type and building fundamental period Z = seismic zone factor W = total dead load plus other applicable loads I = importance factor The base shear is distributed over the height of C = factor dependent on site and structure fun- the building in proportion to the distribution of the damental period building mass with consideration of the building period. A minimum eccentricity of 5% of the per- Rw = coefficient dependent on structural system pendicular building dimension is also required by type BOCA when distributing forces to the lateral-re- W = total dead load plus other applicable loads sisting elements. For Seismic Performance Cate- This base shear is then distributed over the gories B and greater, each floor or roof diaphragm height of the structure in proportion to the dis- shall be designed for a minimum load equal to tribution of weights over the height. Additionally, 50% of the effective peak velocity-related accel- a minimum eccentricity of 5% of the building di- eration times the weight attributable to the level mension perpendicular to the direction being con- under consideration. The peak velocity-related sidered shall be included when determining the acceleration is determined by the project location. distribution of forces to the lateral-resisting ele- Again, there are many provisions in the BOCA ments when the diaphragm is not flexible. Specif- code which are not covered in this summary. ic to diaphragms, for Zones 2, 3, and 4, the UBC In light of the performance of some diaphragms requires that a floor or roof diaphragm resist a in recent earthquakes, the seismic demand on dia- force equal to: phragms is an area of new focus. Preliminary in- n dications are that diaphragms should remain elas- Ft + Σ Fi tic during a seismic event to ensure that post-elas- i=x Fpx = n w px (Eq. 4.2.2) tic behavior can be achieved in the Σ wi lateral-resisting elements. By designing a dia- i=x phragm to remain elastic, several things are ac- where complished. Diaphragm flexibility, discussed in Fpx = force applied to diaphragm at level under Section 4.3 will be less significant. The ductility consideration requirements for connection details will be of less Ft = additional portion of base shear applied at concern. The horizontal distribution of forces to top level lateral-resisting elements can be maintained. The building code provisions summarized Fi = portion of base shear applied at level i above are based on achieving post-elastic perfor- wi = portion of W at level i mance. To keep a diaphragm compatible with 4- -2
  • 63.
    Fig. 4.3.1 Diaphragmbending moments w w M- Moment Moment M+ M+ M+ M+ Flexible diaphram on Rigid diaphram on Rigid supports flexible supports (a) (b) post-elastic performance in the lateral-resisting to be considered as a flexible diaphragm. Analy- system system, an analysis can be done to evaluate sis considering flexible diaphragms is much more the total potential post-elastic capacity of the lat- complex than for rigid diaphragms and should be eral-resisting elements. Providing a diaphragm considered in light of the project complexity and with strength beyond this capacity will achieve seismicity for the project location. For most low compatibility, but will involve significant analy- and mid-rise structures in low seismic risk areas, sis. Alternatively, the diaphragm design forces an assumption of a rigid diaphragm will be rea- prescribed by the building codes can be increased sonable. by a factor of 2R/5 to keep the diaphragm elastic The difference in behavior of flexible and rigid and minimize required analysis. Whether build- diaphragms is illustrated in Figure 4.3.1. In (a), ing code provisions are based on service or fac- the flexible diaphragm with rigid supports be- tored load levels, use of 2R/5 loads will result in haves as a continuous beam. Shears and moments factored loads for design. in the diaphragm are a function of the plan geome- try. In (b), the deflections of the flexible supports 4.3 Distribution of Lateral Forces must be the same because of the rigid diaphragm. Once the lateral forces to be applied to the dia- The diaphragm shears and moments will be a phragm have been determined, the next problem function of the relative stiffnesses of the supports. is to determine the distribution of those lateral The differences between (a) and (b) can be consid- forces to the lateral-resisting elements which will erable. Actual behavior will fall between the two carry the forces to the foundation. This problem is cases tending toward one or the other as a function usually structurally indeterminate which means of the diaphragm stiffness. that deformation compatibilities must be consid- In seismic areas, the topic of diaphragm flexi- ered for establishing equilibrium. The stiffnesses bility has become a more significant issue. UBC to be considered are those of the diaphragm and requires consideration of the diaphragm flexibil- the lateral-resisting elements. Concrete dia- ity for the horizontal distribution of forces. A phragms are normally considered to be rigid when flexible diaphragm is defined by the UBC as one compared to the lateral-resisting elements. De- having a maximum lateral deformation more than pending on the type and magnitude of lateral twice the average story drift for the level under forces applied, a hollow core diaphragm may need consideration. It may be inferred from UBC Sec- 4- -3
  • 64.
    tion 1631.1 thatthis consideration would only ap- Fig. 4.4.1 Tie forces in bearing wall buildings ply in seismic zones 2, 3, and 4. The BOCA code simply states that the horizontal distribution of forces consider the relative stiffnesses of the later- 1 al-resisting system and the diaphragm. This pro- vision would apply to Seismic Performance Cate- b T2 gories B and greater. By code then, diaphragm 2 flexibility need not be considered when designing T1 3 for wind or for seismic loads in Zones 0 and 1 un- T3 der the UBC or Seismic Performance Category A T1 under BOCA. T3 When diaphragm flexibility must be consid- T2 ered, a cracked moment of inertia calculation is suggested in Reference 34 and a Virendeel truss T2 model in suggested in Reference 35. Since the analysis of a structure with a flexible diaphragm is dependent on so many factors beyond the dia- phragm itself, such analysis is beyond the scope of For seismic loading, it is preferable to use con- this manual. ventional reinforcing steel for these types of ties to limit the elongations and deformations. When structural integrity requirements control in non- 4.4 Structural Integrity seismic areas, untensioned prestressing strands As noted in the introduction to this chapter, the may be used to satisfy the strength requirements. ACI code requires consideration of structural in- tegrity for all precast concrete structures. While 4.5 Elements of a Diaphragm proper detailing for lateral loads will satisfy the Figure 4.5.1 illustrates the various elements complete load path philosophy of structural integ- which comprise a complete diaphragm. The fol- rity, there are some minimum provisions in ACI lowing definitions will be used to describe the var- Section 16.5 which must be met. With specific re- ious elements: gard to diaphragms, provisions to be aware of in- Boundary Element:Edge member around the pe- clude: rimeter of a diaphragm or 1. For buildings other than large panel bearing the perimeter of an opening wall buildings, the connection to the dia- in a diaphragm which ties phragm of members being laterally braced by the diaphragm together. The the diaphragm shall have a minimum nominal boundary element may func- tensile strength of 300 lb per lin ft (4.4KN/m). tion as a chord or a drag strut. 2. For large panel bearing wall structures, a sum- Collector: Elements which transfer mary of the tie forces is given in Figure 4.4.1 shear from the diaphragm to and are required to have the following mini- a lateral-resisting element. mum nominal strengths: Chord: Tension or compression ele- ment creating a flange for T1 = nominal strength of 1500 lb per lin ft the diaphragm to develop (21.9 KN/m) of floor or roof span flexural integrity in the dia- T2 = nominal strength of 16,000 lb (71 KN) phragm. Drag Strut: Element used to “drag” lat- T3 = nominal strength of 1500 lb per lin ft eral loads into the lateral-re- (21.9 KN/m) of wall sisting elements and to dis- These minimum strengths shall not control if tribute shears over a greater the actual forces in the diaphragm are greater. length of the diaphragm 4- -4
  • 65.
    web. (Also calleddia- ing element as an axial tension or compression. phragm strut.) Drag struts are not required for structural integrity Longitudinal joint: Joint oriented parallel to the as long as the diaphragm is connected directly to slab span. the lateral-resisting elements. Drag struts simply Transverse joint: Joint oriented perpendicular spread out shears that might otherwise be highly to the slab span. localized. Under the UBC code, it is implied that To satisfy structural integrity, all diaphragms drag struts are required elements in Zones 2, 3, should have boundary elements of some type. and 4. The BOCA code is silent on the use of drag The boundary elements are essential to ensure that struts, but it can be implied that they are required a diaphragm will have the strength to transfer lat- for Seismic Performance Categories B and great- eral loads to the lateral-resisting system. As a er. chord, tension reinforcement is placed in the When a bonded structural topping is used with boundary element to allow the diaphragm to act as a hollow core slab diaphragm, these elements can a deep horizontal beam or tied arch. This rein- be provided directly by reinforcement in the top- forcement can also provide shear friction steel for ping. When no topping is provided, these ele- shear transfer along the longitudinal joints. ments are developed as grouted or concrete ele- Collectors are required in all diaphragms to ments external to the hollow core slabs. As a sim- transfer forces from the diaphragm to the lateral- ple example, Figure 4.5.2 depicts two common resisting elements. Such connectors are also re- boundary conditions. In (a), the boundary rein- quired for structural integrity to provide a com- forcement is placed in a masonry bond beam and plete load path for lateral forces to the foundation. the collector reinforcement is placed in the key- Collectors may also function to get forces into a ways between slabs. In (b), the boundary rein- diaphragm. forcement is placed in a grouted or concrete filled Drag struts act to engage a longer length of dia- space at the end of the slabs. The collector rein- phragm web for transferring diaphragm shears forcement is again placed in the keyways between into the lateral-resisting elements. A drag strut is slabs. The primary difference between the details parallel to the applied load, receives load from the is that the boundary reinforcement in (a) is eccen- diaphragm and transfers load to the lateral-resist- tric from the diaphragm web while it is concentric Fig. 4.5.1 Diaphragm elements Lateral - Resisting Element Boundary Element Drag (chord) Strut Drag Strut Lateral Resisting Element Transverse Joint Collector Load Lateral - Resisting Boundary Element Longitudinal Element (chord) Joint 4- -5
  • 66.
    Fig. 4.5.2 Boundaryelements (a) (b) in (b). The concentric boundary element will ex- Fig. 4.6.1 Shear friction steel in butt joint hibit better performance in a seismic situation and should be used in Zones 3 and 4 under the UBC or Seismic Performance Categories C, D and E un- der the BOCA code. 4.6 Diaphragm Strength The diaphragm must have the strength to trans- fer imposed lateral loads from the point of ap- plication to the point of resistance. The dia- phragm spans between lateral-resisting elements as a deep beam or tied arch. Shears and tensions will develop and must be resisted in the dia- phragm to have a complete system. 4.6.1 Longitudinal Joints When the grout strength is exceeded or ductile The grouted keyways between slabs do have behavior is required, shear friction principles may capacity to transfer longitudinal shear from one be used to design reinforcement to be placed per- slab to the next. Using a shear stress of 80 psi pendicular to the longitudinal joints.36 This rein- (0.55 MPa), the useable ultimate strength for lon- forcement may be placed in the transverse joints at gitudinal shear is: the slab ends rather than being distributed along the length of the joints. Placed as shown in Figure φVn = φ(0.08)hn ℓ (Eq. 4.6.1) 4.6.1, the area of steel is calculated as: where V Avf = u (Eq. 4.6.2) ℓ = length of joint under consideration (in) Ôf yμ hn = net height of grout key (in) where φ = 0.85 Vu = factored applied shear 4- -6
  • 67.
    Fig. 4.6.2 Alternatelongitudinal shear Fig. 4.6.3 Collector detail connections Bar Spacing by Design Intermittent slab cut-outs Reinforcement across Welded connection grout keyway (a) (b) Boundary µ = 1.0 for shear parallel to longitudinal joints Reinforcement = 1.4 for shear parallel to transverse joints where concrete can flow into cores φ = 0.85 While the detail shown in Figure 4.6.1 is the most economical means of providing a mechani- cal connection across the longitudinal joints, al- Fig. 4.6.4 Potential effects of rigid lap ternate connections are available which may be connection desirable in certain circumstances. Figure Vertically rigid 4.6.2(a) shows reinforcing steel placed across the connection longitudinal joint and grouted into the cores. This detail might be considered when the amount of re- inforcement required in the transverse joints is great enough to cause congestion. Figure 4.6.2(b) Potential joint shows weld anchors in the slabs and a loose plate cracking and grinding welded across the longitudinal joint. Use of this detail should be carefully coordinated with the hollow core slab supplier to ensure that proper an- chorage of the weld plates in the slabs can be ac- complished. deflection to occur without distress at the connec- Where the diaphragm must unload shear into a tion. Figure 4.6.4 shows potential damage at the lateral-resisting element, boundary element or in- first interior longitudinal joint when a vertically terior drag strut, a condition similar to the longitu- rigid connection is used. The potential for distress dinal joint exists. For longitudinal shear, again is dependent on the slab span and the real applied shear friction can be used to design reinforcement loads. Short, lightly loaded spans may experience as the collector to cross potential crack planes and no problems. transfer the shear. Figure 4.6.3 depicts an exam- The effect of different vertical stiffnesses may ple of such a collector detail. While drag struts be accounted for by: and boundary elements may have a vertical stiff- ness similar to the slab deck, the lateral-resisting 1. Determining that distress will not affect the elements will usually have a significantly higher strength or performance of the system, vertical stiffness. The collectors connecting di- rectly to the lateral-resisting elements will tend to 2. Locating vertically rigid connections near the be rigid vertically. While strength and toughness slab supports where vertical movement is at such collectors is certainly important, it is minimized, or equally important to consider every day perfor- mance of the structure. At rigid vertical elements, 3. Providing allowance for vertical movement in it may be desirable to allow slab camber growth or the connection detail. 4- -7
  • 68.
    4.6.2 Transverse Joints Mu Vh = (Eq. 4.6.5) The transverse joints serve many functions. As jh described in Section 4.6.1, reinforcement in the In the first case, a unit shear is calculated and shear transverse joints may provide the shear friction re- friction reinforcement is distributed according to inforcement for shear in the longitudinal joints. the shear diagram. In the second case, the total The transverse joint may also have to act as a drag shear is calculated as the tension or compression strut with axial tension or compression to carry di- of the internal couple. In this case, shear friction aphragm loads to the lateral-resisting elements. A reinforcement is uniformly distributed over the transverse joint may also be the chord member length between zero moment and maximum mo- where flexural tension is resisted. Finally, an inte- ment. It is suggested that the shear friction rein- rior transverse joint disrupts the web of the hori- forcement be distributed according to the shear zontal beam where horizontal shear would have to diagram in UBC zones 3 and 4 and BOCA Seis- be transferred to maintain the composite depth of mic Performance Categories C, D and E to mini- the diaphragm. mize the force redistribution required with a uni- The design of shear friction reinforcement for form spacing. longitudinal joint shear is covered in Section Because of the orientation of the joints and the 4.6.1. Drag strut reinforcement is calculated sim- loading directions considered, the reinforcement ply as: in the transverse joint discussed above is not all T additive. Typically, the chord tension and longitu- As = u (Eq. 4.6.3) dinal joint shear will be concurrent. The drag strut Ôf y tension will typically occur with loads applied in Chord tension is resisted by reinforcement to pro- the perpendicular direction. vide flexural strength to the diaphragm. It is sug- gested that the effective depth of the reinforce- 4.7 Collectors ment from the compression side of the diaphragm Collectors function as connections to transfer be limited to 0.8 times the depth of the diaphragm. forces into diaphragms and from diaphragms to Hence, the chord reinforcement is calculated as: boundary elements, drag struts or lateral-resisting Mu elements. The preceding discussion has indicated As = (Eq. 4.6.4) Ô0.8hf y that reinforcing bars may be used as collectors us- ing shear friction design procedures. As shear where friction reinforcement, the steel is used in tension h = depth of the diaphragm to resist a shear force. In detailing the steel, a crack plane is defined and the bars must be an- φ = 0.9 chored for full strength on each side of the crack Because diaphragms tend to act as tied arches plane. For anchorage at a transverse boundary rather than beams, tension in the chord reinforce- element, the bars may be grouted into the keyways ment does not go to zero at the ends of the dia- or into slab cores where the top of the core is cut phragm. The chord reinforcement must be an- away. Concrete is then used to fill the cores for the chored at the ends of the diaphragm where a stan- length of the bar embedment. Based on a review dard hook at the corner will suffice. For of the literature, it is not clear when anchorage of horizontal shear in the web of the diaphragm, a collector bars in keyways is sufficient and when shear parallel to the transverse joint is developed. the collector bars should be placed in slab cores. Shear friction reinforcement perpendicular to the There is a concern that as the boundary element transverse joint and embedded in the slab key- and keyway crack, anchorage for a collector bar in ways can be used to reinforce for this shear. The a keyway may be lost. Deformations and revers- applied shear can be calculated as: ible loading in a seismic event would suggest that anchoring collector bars in slab cores would be V Q Vh = u preferable in more intense seismic areas. In keep- I ing with code philosophy, it is suggested that bars or be anchored in slab cores in UBC zones 3 and 4 4- -8
  • 69.
    Fig. 4.9.1 ExampleProblem 8 @ 25’ "= 200’ " -0 -0 30’ 20’ 80’ 30’ 30’ 30’ and BOCA Seismic Performance Categories C design forces. It is suggested that a topping be and greater. considered in high seismic zones in buildings with In non-seismic and low seismic design situa- plan irregularities or large diaphragm span to tions, the collectors need not be reinforcing bars. depth ratios. Particularly for direct connections to lateral-re- Untopped hollow core diaphragms are sug- sisting elements, welded and bolted connections gested when the diaphragm force system is will suffice for the collector connections when straightforward and the in-plane diaphragm they are compatible with the slab system used. deflections are acceptable. An example at the end of this chapter illustrates a procedure for deter- 4.8 Topped vs. Untopped Diaphragms mining diaphragm deflections. In high seismic When a composite structural topping is pro- areas, local codes may limit the use of untopped, vided, it should have a minimum thickness of 2 to hollow core diaphragms. 2 1/2 in (50-65 mm). The topping can then be de- signed as the diaphragm without consideration of the hollow core slabs. When the topping provides 4.9 Design Example the strength and stiffness for the diaphragm but Given the building plan shown in Figure 4.9.1, the connections are made in the hollow core slabs, design and detail the untopped hollow core dia- shear stresses will be present at the interface of the phragm assuming: topping and the hollow core slabs. These stresses will generally be well distributed throughout the a. wind design per UBC interface, but may be more highly localized near b. Zone 2A seismic per UBC. the connections. As discussed in Chapter 2, hori- zontal shear stresses should be kept below a nomi- Building data nal strength of 80 psi (0.55 MPa). 6 stories The primary benefits of a composite structural 14 ft floor to floor topping are to increase stiffness and to allow easi- 8 in hollow core floors wt = 53.5 psf er continuous ties in plans with irregular shapes or partitions & mechanical wt = 20 psf large openings. However, in seismic areas, the precast framing system wt = 32 psf additional topping weight increases the seismic exterior wall system (avg.) wt = 35 psf 4- -9
  • 70.
    Solutions: Mu = 1.3(1739) = 2261 ft-k a. Seismic Zone 0; Basic wind speed 80 mph • Chord Forces: Use Exposure C Using the perimeter beams as chords: Design wind pressure = P = CeCqqsIw Mu where Tu = Ô0.8h Ce = 1.53 = 2261 = 39.3k Cq = +0.8, - 0.5 - 0.9(0.8)(80) qs = 16.4 Connect beams through columns for this force Iw = 1.0 plus forces due to volume change and gravity P = 1.53(0.8)(16.4)(1.0) = 20.1 loads. (Fig. 4.9.2 Det. C) = 1.53(0.5)(16.4)(1.0) = 12.5 The chord must continue through the center 32.6 psf wall. Wind to diaphragm = w = 14(0.0326) = 0.46k/ft T As = u (φ was included in Tu) • Consider load applied parallel to the slabs fy Total V = 200(0.46) = 92k = 39.3 60 Assuming a rigid diaphragm, the shear dis- = 0.66 in2 tribution to the walls based on their flexural stiff- ness is: Use 2 - #6 (Fig. 4.9.2 Det. F) • Connect diaphragm web to chords 30 ft walls: V = 40k Mu 20 ft wall: V = 12k Vuh = jh The diaphragm equilibrium is: j ≅ 0.8 0.46 k/ft Vuh = 2261 0.8(80) = 35.3k 40 k 12 k 40 k Distribute over length from zero moment to maximum moment 40 6 Vuh = 35.3 = 0.41k/ft 87 V 87ft 6 Additionally, this connection must resist the 40 negative wind pressure from the exterior wall system. M wu = 1.3(0.0125)(14) 1739 ft-k = 0.23k/ft Use 300 lb/ft for structural integrity The factored design forces are then: (Fig. 4.9.2 Det. A) The same forces must be resisted at the trans- Vu30 = 1.3(40) = 52k verse joints. Use shear friction for the shear Vu20 = 1.3(6) = 7.8k with bars placed in the keyways perpendicular 4- -10
  • 71.
    to the transversejoint. With keyways at 3 ft on Using shear friction reinforcement center: Avf = 1.02 in2 (from above) or 3(0.3) 3(0.41) As = + 6 0.9(60) 0.85(60)(1.4) As = = 0.11 in2 does not control 0.9(60) = 0.034 in2/keyway Use 4 - #5 located near slab ends Use #3 at every 2nd keyway (Fig. 4.9.2 Det. D) (Fig. 4.9.2 Det. B) Alternatively, mechanical connections of slab • Longitudinal shear to wall could be used to transfer the same forces. The maximum longitudinal joint shear is at the first slab joint from the 30 ft shear wall. Since con- • Shear at center 20 ft wall: nections will be made directly from the center bay With the rigid diaphragm assumption: to the shear wall, only the center bay joint length should be considered. Vu = 7.8k on each side of wall Vu = 52k Avf = 7.8 0.85(60)(1.0) φVn = φ(0.08)hn ℓ = 0.15 in2 = 0.85(0.08)(8 - 2)(20 x 12) - Use 2 - #4 located near slab ends or use = 97.9k mechanical connections With concerns for shrinkage cracking in joints, (Fig. 4.9.2 Det. E) transverse shear friction reinforcement can be • Consider load applied perpendicular to the provided in the transverse joints at each end of the slabs center bay. Total V = 80(0.46) = 36.8k Vu Avf = Ôf yμ Distribution to walls is: 52 V = 36.8/2 = 0.85(60)(1.0) = 18.4k = 1.02 in2 / 2 transverse joints The diaphragm equilibrium is: = 0.51 in2 per joint 0.46 k/ft Use 1 - #7 in transverse joint (Fig. 4.9.2 Det. B) • Shear connection to 30 ft wall 18.4 k 18.4 k Vu = 52k 18.4 Additionally, negative wind pressure must be V resisted across this joint, but would not be con- 18.4 current with shear. Structural integrity ties will control for this case. M Tu = (0.3)(20) = 6k for bay 368 ft-k 4- -11
  • 72.
    The factored designforces are then: #3 at every 2nd keyway will be adequate Vu = 1.3(18.4) = 23.9k (Fig. 4.9.2 Det. B) Mu = 1.3(368) = 478 ft-k b. Seismic Zone 2A The building weight attributable to each floor • Chord force: is: Mu wi = 80(200)(0.0535 + 0.020 + 0.032) Tu = Ô0.8h +14(0.035)(200 + 80)(2) = 478 = 1962k 0.9(0.8)(200) then = 3.3k W = 6(1962) As = 3.3 = 0.06 in2 = 11772k 60 • Base shear The #3 bars across the transverse joints will be adequate for the chord force. (Fig. 4.9.2 Det. B) V = ZIC W Rw Longitudinal shear Z = 0.15 Mu Vuh = I = 1.0 jh C = 2.75 ≅ 478 0.8(200) Rw = 8 = 3.0k will not control 0.15(1.0)(2.75) V = (11772) 8 • Shear connection to walls = 607k Using shear friction reinforcement • Vertical Distribution Vu = 23.9k/30 ft wall Ft = 0.07TV = 0.8k/ft controls over parallel wind with a site coefficient of 1.2 and C = 2.75 With bars in keyways at 3 ft on center T = 0.4 sec < 0.7 sec 3(0.8) Ft = 0 Avf = 0.85(60)(1.4) (V − F t)w xh x Fx = n = 0.034 in2 per keyway Σ w ih i i=1 Use #3 in every 2nd keyway wi hi wxhx Fx (Fig. 4.9.2 Det. F) 1962 84 164808 173 • Shear in transverse joint 1962 70 137340 145 Vu = 1.3(18.4 - 0.46 × 30) - 1962 56 109872 116 = 6k 1962 42 82404 87 1962 28 54936 58 Avf = 6 0.85(60)(1.0) 1962 14 27468 29 = 0.12 in2 576828 4- -12
  • 73.
    Fig. 4.9.2 Winddesign summary 8 @ 25’ " 200’ " -0 = -0 C F A 30’ E 30’ 20’ 80’ D 30’ B 30’ #4 near each end of wall 0.3k/ft 0.41k/ft 39.3k Chord Force Intermittent slab cut-outs A C E #3 @ every 2nd keyway #7 cont. 2-#5 near each #3 every end of bay 2nd keyway 2-#6 Intermittent slab cut-outs B D F 4- -13
  • 74.
    • Diaphragm load The diaphragm equilibrium is: n Ft + Σ Fi 2.77 k/ft i=x Fpx = n w px Σ wi i=x wpx Ft + ΣFi Σwi Fpx 241 k 72 k 241 k 1962 173 1962 173 241 36 1962 318 3924 159 V 1962 434 5886 145 87ft 36 241 1962 521 7848 130 1962 579 9810 116 M 1962 607 11772 102 10483 ft-k Minimum diaphragm load Fpx = 0.35ZIwpx • Chord forces: = 0.35(0.15)(1.0)(1962) Using reinforcement in a perimeter boundary = 103k element Mu Maximum diaphragm load As = Ô0.8hf y Fpx = 0.75ZIwpx 10483 = 0.9(0.8)(80)(60) = 0.75(0.15)(1.0)(1962) = 3.0 in2 = 221k Use 4 - #8 To keep diaphragm in the elastic range, multi- (Fig. 4.9.3 Det. A) ply the diaphragm loads by 2R/5. At the roof Fpxu = 173(2)(8)/5 • Connect diaphragm web to chord = 554k Mu Vuh = jd The factored roof diaphragm load by code pro- visions is ≅ 10483 0.8(80) Fpxu = (1.1)(1.3)(173) = 164k = 248k Distribute over length from zero moment to Design roof diaphragm for a factored load of maximum moment 554k to keep in elastic range. Vuh = 164 = 1.89k/ft 87 • For shear parallel to slabs Additionally, this connection must resist the Using a rigid diaphragm, the shear distribution outward force from the exterior wall system. to the walls is: Conservatively, this force will be: 30 ft walls: V = 241k T = 0.75ZIww 20 ft wall: V = 72k = 0.75(0.15)(1.0)(14 × 0.035) 4- -14
  • 75.
    = 0.055k/ft Avf = 269 0.85(60)(1.0) Tu = 0.055(2)(8)/5 = 5.27 in2 / 4 joints = 0.176k/ft = 1.32 in2 per joint Tu V As = + u In boundary elements, add chord requirement Ôf y Ôf yμ At first joint = 0.176 + 1.89 0.9(60) 0.85(60)(1.4) Mu = 241(3) - 32(2.77)/2 - = 0.033 in2/ft = 711 ft-k As = 1.32 + 711 Use #3 at 3 ft on center grouted into cores 0.9(0.8)(80)(60) (Fig. 4.9.3 Det. A) = 1.53 in2 At the transverse joint, the same shear parallel 4 - #8 ok to the transverse joint as at the chord must be transferred. However, the tension should con- (Fig. 4.9.3 Det. A) sider the inertial force from the weight of the In transverse joints exterior bay. Conservatively As = 1.32 in2 T = 0.75ZIwp Use 2 - #8 wp = 14(0.035) + 30(0.0535 + 0.020 + 0.032) (Fig. 4.9.3 Det. B) = 3.66k/ft • Shear connection to 30 ft wall: T = 0.75(0.15)(1.0)(3.66) Transfer shear to wall and drag strut = 0.41k/ft Tu = 0.41(2)(8)/5 Vu = 253 80 = 1.31k/ft = 3.16k/ft As = 1.89 + 1.31 Avf = 3.16 0.85(60)(1.4)) 0.9(60) 0.85(60)(1.0) = 0.051 in2/ft = 0.062 in2/ft Use #4 at 3 ft on center in keyways Use #4 hairpins at 3 ft on center (Fig. 4.9.3 Det. B) (Fig. 4.9.3 Det. D) • Longitudinal shear Drag strut reinforcement The maximum longitudinal shear is at the first (80 − 30) Tu = (3.16) slab joint from the 30 ft wall. Provide shear 2 friction reinforcement in the two transverse = 79k joints and the two boundary elements for shear As = 79 resistance. Conservatively consider 5% mini- 0.9(60) mum eccentricity being resisted only in end walls. = 1.46 in2 Vu = 241 + (0.05 x 200)(554)/200 Use 2 - #8 = 269k (Fig. 4.9.3 Det. C) 4- -15
  • 76.
    • Shear connectionat 20 ft wall nAs = 6.74(3.16) Vu = 36k = 21.3 in2 over building width Vu = 36 = 0.45k/ft 57(x - 4) + 4.3(x - 8)2/2 = 21.3(956 - x) - - - 80 Avf = 0.45 0.85(60)(1.0) find x = 87.9 in = 0.009 in2/ft Use #4 dowels at 8 ft on center Icr = 57(87.9 - 4)2 + 4.3(87.9 - 8)3/3 - - + 21.3(956 - 87.9)2 - (Fig. 4.9.3 Det. F) Drag strut reinforcement = 17,184,000 in4 (80 − 20) Tu = (0.45)(2) 2 = 829 ft4 = 27k As = 27 0.9(60) As a rigid diaphragm, the factored load deflec- tion between end shear walls is: = 0.5 in2 (2.77)(200) 4 72(200) 3 Use 2 - #5 ∆ = 5 − 384 (4300)(829)(12) 48(4300)(829)(12) (Fig. 4.9.3 Det. E) • In-plane deflection of diaphragm = 1.07 in (ignoring shear deflections) Idealize the diaphragm section as As a flexible diaphragm with rigid supports the deflection will be substantially smaller. The 4.3" nA s 8" diaphragm deflection plus the deflection of the 8" lateral-resisting system is used to evaluate the gravity load support members for integrity x when deformed. 956" • Consider load applied perpendicular to the with 4000 psi concrete in chord slabs Ec = 3835 with 5000 psi concrete in slab Total Vu = 554k Ec = 4300 normalize on slab concrete Distribution to walls is nchord = 0.89 ATchord = 0.89(64) Vu = 554/2 = 57 in2 nsteel = 6.74 = 277k 4- -16
  • 77.
    The diaphragm equilibriumis: Drag strut reinforcement (200 − 30) Tu = (1.52) 6.93 k/ft 2 = 129.2k As = 129.2 = 2.39 in2 277 k 277 k 0.9(60) Chord reinforcement from load parallel to 277 slabs controls. Vu • Shear in transverse joint 277 In center bay Mu wp = 20(200)(0.0535 + 0.020 + 0.032) + 20(14)(0.035)(2) 5544 ft-k = 442k • Chord force Conservatively use Mu V = 0.75ZIw Tu = Ô0.8h = 0.75(0.15)(1.0)(442) = 5544 0.9(0.8)(200) = 49.7k = 38.5k Vu = 49.7(0.55)(2)(8)/5 = 87.5k per joint including As = 38.5 = 0.64 in2 60 5% eccentricity The #4 bars across the transverse joints at 3 ft Load parallel to slabs will control on center will be adequate. (Fig. 4.9.3 Det. B) See Figure 4.9.3 for summary Longitudinal shear Mu Vuh = jd ≅ 5544 0.80(200) = 34.7k will not control • Shear connection to walls With 5% eccentricity Vu = 1.1(277) = 304.7k Transfer shear to wall and drag strut Vu = 304.7/200 ft = 1.52k/ft Loading parallel to slabs controls 4- -17
  • 78.
    Fig. 4.9.3 Seismicdesign summary 8 @ 25’ " 200’ " -0 = -0 G A C 30’ E F 30’ 20’ 80’ D 30’ B 30’ #3 @ 3ft. o.c. 2-#8 cont. #3 @3ft o.c. 2-#5 cont. #4 @ 8ft. o.c. grout in cores in cores #4 @ 3ft. o.c. 4 - #8 4 - #8 cont. cont. Intermittent slab cut-outs A C E G #4 @ 3ft. o.c. #4 @8ft. o.c. 2 - #8 cont. #4 @ 3ft. o.c. in keyways 2 - #8 cont. Intermittent slab 2 - #5 cont. cut-outs B D F 4- -18
  • 79.
    CHAPTER 5 CONNECTIONS IN HOLLOW CORE SLABS 5.1 General 5.2 Details Connections will be required in hollow core Common details are shown in Sections 5.3, 5.4, slab systems for a wide variety of reasons. Chap- 5.5, and 5.6 to cover a number of conditions where ter 4 described the connection requirements for a forces will probably exist that need to be trans- hollow core diaphragm as an element for lateral mitted into or through a hollow core slab. The stability. Most connection requirements will be conditions cover common detailing situations for localized forces ranging from bracing a parti- when hollow core slabs are used and are intended tion or beam to hanging a ceiling. to give the specifier an idea of the possibilities that Connections are an expense to a project and, if exist. The commentary provided with each detail used improperly, may have detrimental effects by is intended to give a better understanding of the not accommodating volume change movements merits of each detail. The emphasis is that these that occur in a precast structure. Connections may provide a guide which can be used as a basis for develop forces as they restrain these movements. better discussions with local producers. The de- In specifying connection requirements, the actual tails are only conceptual and would require de- forces in the connection must be addressed. If no tailed information to be used on a project. force can be shown to exist, the connection should Differences between wet cast and dry cast hol- not be used. Again, cost is reduced and undesir- low core slabs will be evident in the embedded an- able restraining forces will not be developed. chors that can be provided. Without forms to se- When a connection is determined to be necessary, cure anchors to, dry cast systems may be limited the force in the connection should be specified es- to shallow anchors that can be tied directly to pecially when at an interface between a hollow strands or to inserts that can be placed after cast- core slab and another material. The extent of de- ing. Wet cast systems can accommodate a wider tailing to be left to the hollow core slab supplier variety of anchors placed directly in the form prior should be those items that will be supplied with to casting. Therefore, anchor details in the hollow the product. core slabs are not shown. Connection possibilities need to be explored with the local producers. 5- -1
  • 80.
    5.3 Typical Detailswith Concrete Beams Design Considerations: • Can transfer internal diaphragm forces with headed • Can be designed as structural integrity tie stud anchors Plate with deformed With bar grouted in returns slab keyway Topping if Fabrication Considerations: required • Advantageous to have no hardware in slab • Beam embedments must line up with slab joints • Accommodates variations in slab length Erection Considerations: Bearing strip • Advantageous to have connection completed by follow-up crew • Difficult for welder to hold loose plate in P.C. or C.I.P. position concrete beam Fig. 5.3.1 Design Considerations: • Can transfer internal diaphragm forces Reinforcement • Can be designed as structural integrity tie grouted in slab keyway Topping if Grout required Fabrication Considerations: • May increase beam reinforcement for shallower beam • Layout must have opposing slab joints lined up Bearing strip Erection Considerations: • Clean and simple P.C. or C.I.P. concrete beam Fig. 5.3.2 Other connection details perform functions similar to those shown. Consult the local PCI producer for information on relative economy and design capabilities. 5- -2
  • 81.
    5.3 (Continued) Design Considerations: • With large factors of safety, friction may transfer nominal forces Topping if • Additional structural integrity ties may be required required Fabrication Considerations: • Clean and simple Bearing strip Erection Considerations: • Clean and simple P.C. or C.I.P. concrete beam Fig. 5.3.3 Design Considerations: Reinforcement draped • Can transfer internal diaphragm forces over beam and grouted • Can be designed as structural integrity tie in slab keyway • Consider concrete cover on reinforcement Topping if Grout over beam required Fabrication Considerations: • Slab layout must have opposing joints lined up Grout Bearing strip Erection Considerations: • Clean and simple P.C. or C.I.P. concrete beam Fig. 5.3.4 Other connection details perform functions similar to those shown. Consult the local PCI producer for information on relative economy and design capabilities. 5- -3
  • 82.
    5.3 (Continued) Design Considerations: • Can transfer internal diaphragm forces • Will develop volume change restraint forces that must be considered in design of Topping if connections required Fabrication Considerations: • Slab manufacturing system must allow bottom weld anchors • Beam inserts must align with slab inserts allowing fabrication tolerances Weld Plate (alt. ends) Bearing strip Erection Considerations: with P.C. or C.I.P. headed • Connections can be completed by follow-up concrete stud anchors crew beam • Access for welding may require ladders or scaffold • Spacer may be required to make weld Fig. 5.3.5 Design Considerations: Reinforcement grouted in • Can transfer internal diaphragm forces slab keyway • Can be designed as structural integrity tie Reinforcement per • Horizontal shear from beam cap must be design Concrete transferred Topping if • Opposing slab joints must line up required Fabrication Considerations: • Clean and simple for slabs Dam Bearing strip Erection Considerations: cores • Beam may have to be shored until cap is cured • Horizontal shear reinforcement may present P.C. or C.I.P. safety hazard for erector concrete • Core dams must be placed beam Fig. 5.3.6 Other connection details perform functions similar to those shown. Consult the local PCI producer for information on relative economy and design capabilities. 5- -4
  • 83.
    5.3 (Continued) Design Considerations: Reinforcement • Can transfer internal diaphragm forces grouted in • Can be designed as structural integrity tie slab keyway • Horizontal shear in composite beam must be transferred Reinforcement per • Opposing slab joints must line up design Topping Fabrication Considerations: • Clean and simple for slabs Erection Considerations: Dam Bearing strip cores • Beam may have to be shored until topping is cured • Horizontal shear reinforcement may present safety hazard for erector P.C. or C.I.P. • Core dams must be placed concrete beam Fig. 5.3.7 Design Considerations: Plate as required with headed by design stud anchors • Can transfer diaphragm shear or deformed bar • Can provide lateral brace for beam • Potential for negative moment in slabs Topping if required Fabrication Considerations: • Slab insert difficult to install. Because of tolerance on sawcut ends, the insert should be installed after slabs are cut to length • Beam and slab inserts must align with headed stud anchors Bearing strip Erection Considerations: • If required for lateral beam stability, welding may have to be completed as slabs are set P.C. or C.I.P. concrete beam Fig. 5.3.8 Other connection details perform functions similar to those shown. Consult the local PCI producer for information on relative economy and design capabilities. 5- -5
  • 84.
    5.3 (Continued) Design Considerations: Plate with deformed bar • Can transfer diaphragm shear anchor grouted in • Can provide lateral brace for beam slab keyway • Potential to develop negative moment in slabs Topping if required Fabrication Considerations: • Plates in beam must align with slab joints allowing tolerance Erection Considerations: Bearing Plate with headed strip • Connection can be completed with a follow-up stud anchors crew • Lateral bracing for beam will not be provided until keyway grout cures P.C. or C.I.P. concrete beam Fig. 5.3.9 Design Considerations: Reinforcement grouted in slab keyway • Can transfer internal diaphragm forces • Can be designed as structural integrity tie Topping if required Fabrication Considerations: • Clean and simple Erection Considerations: Bearing • Clean and simple strip • Keyway dimensions may limit the reinforcement diameter P.C. or C.I.P. concrete beam Fig. 5.3.10 Other connection details perform functions similar to those shown. Consult the local PCI producer for information on relative economy and design capabilities. 5- -6
  • 85.
    5.3 (Continued) Design Considerations: Reinforcement grouted • Can transfer diaphragm shear in slab keyway • Can be designed as structural integrity tie Topping if Longitudinal required bar as req’d. Fabrication Considerations: • Clean and simple for both beam and slabs Erection Considerations: Bearing • Reinforcement must be tied in place strip • Concrete must be cast around reinforcement • Edge form is required for cast-in-place concrete • Dowels from beam may present safety hazard P.C. or C.I.P. concrete beam Fig. 5.3.11 Design Considerations: Weld Plate (alt. ends) • Can transfer internal diaphragm forces • Will develop volume change restraint forces that must be considered in design of Topping if connection required Fabrication Considerations: • Slab manufacturing system must allow bottom weld inserts • Beam and slab inserts must align with allowance for tolerance Bearing strip Erection Considerations: with headed • Connections can be completed by follow-up P.C. or C.I.P. stud anchor crew concrete • Access for welding may require ladders or beam scaffold • Spacer may be required to make weld Fig. 5.3.12 Other connection details perform functions similar to those shown. Consult the local PCI producer for information on relative economy and design capabilities. 5- -7
  • 86.
    5.3 (Continued) Design Considerations: • Can transfer diaphragm shear • Torsional and lateral beam restraint can be Weld plate provided • Will develop volume change restraint forces Topping if that must be considered in design of required connection Fabrication Considerations: Bearing strip • Slab manufacturing system must allow bottom weld inserts • Beam and slab weld anchors must align with allowances for tolerance Erection Considerations: with headed P.C. or C.I.P. concrete stud anchors • Connections can be completed by follow-up beam crew • Access for welding may require ladders or scaffold • Spacer may be required to make weld Fig. 5.3.13 Design Considerations: Field bend • This detail is not recommended because of into slab Topping installation difficulties which may result in an keyway and if req’d. unreliable connection grout Fabrication Considerations: • Great difficulty aligning bars with keyways Bearing Erection Considerations: strip Longitudinal • Potential difficulties in bending bars bar as req’d. • Possible fracture of bent bars • Second rebar bend may be required to align P.C. or C.I.P. with slab joints concrete • Cast-in-place concrete required around beam reinforcement DO NOT USE • Edge forming required Fig. 5.3.14 Other connection details perform functions similar to those shown. Consult the local PCI producer for information on relative economy and design capabilities. 5- -8
  • 87.
    5.4 Typical Detailswith Walls Design Considerations: Reinforcement • Can transfer diaphragm shear grouted in Wall • Can be designed as structural integrity tie slab keyway • Can provide lateral brace for wall Grout • Consider axial force path through slab ends • Opposing slab joints must line up Topping if required Fabrication Considerations: • Clean and simple for slabs • Small tolerance for placement of bars in walls • Tolerance on length of slabs to accommodate bars in joint Bearing Longitudinal strip bar as req’d Erection Considerations: Dowels as P.C. or C.I.P. • With longitudinal bar, have potential congestion required concrete • Slab erection must consider tight tolerance on wall butt joint gap • With precast walls, consider method of installing vertical dowel Fig. 5.4.1 Design Considerations: • Can transfer diaphragm shear Reinforcement grouted in Longitudinal • Can be designed as structural integrity tie slab keyway bar as req’d • Can provide lateral brace for wall • Opposing slab joints must line up Topping if required Grout Fabrication Considerations: • Clean and simple for slabs Bearing Erection Considerations: strip • Clean and simple • Wall is not braced until grout is placed and P.C. or C.I.P. cured Dowels as concrete required wall Fig. 5.4.2 Other connection details perform functions similar to those shown. Consult the local PCI producer for information on relative economy and design capabilities. 5- -9
  • 88.
    5.4 (Continued) Design Considerations: • Can transfer diaphragm shear • Can provide lateral brace for wall with proper Mortar bed bar detailing to level • Consideration should be given to forces block course developed as slab ends rotate Topping if required Fabrication Considerations: • Clean and simple Erection Considerations: Reinforcement Bearing grouted in • Simple for slab erection wall slab keyway • The mason can set bars independent of the slab joints Bearing • Some block cutting may be required for bars Grouted strip from keyways bearing course Fig. 5.4.3 Design Considerations: • Can transfer diaphragm shear Mortar bed • Can provide lateral brace for wall with proper to level detailing block course • Consideration should be given to forces Topping if developed as slab ends rotate required Fabrication Considerations: • Clean and simple Erection Considerations: Bearing Hooked bar wall grouted in • Simple for slab erection slab keyway Bearing • The mason can set bars independent of the Solid strip slab joints • Grout at slab end may be difficult to place bearing Hooked bar course in wall Fig. 5.4.4 Other connection details perform functions similar to those shown. Consult the local PCI producer for information on relative economy and design capabilities. 5- -10
  • 89.
    5.4 (Continued) Bar to be field Design Considerations: bent into slab keyway or field • This detail is not recommended because of drilled into wall installation difficulties which may result in Topping an unreliable connection if req’d Fabrication Considerations: Erection Considerations: Bearing Bearing • Mason will have great difficulty locating bars at wall strip slab joints • Potential difficulties to field bend bars including fracture • Second bend may be required to align bars with joints DO NOT USE Fig. 5.4.5 Design Considerations: • Wall will not be braced at this level Topping if req’d Fabrication Considerations: • Clean and simple Clearance Erection Considerations: Non-bearing wall • Small tolerance in slab layout Fig. 5.4.6 Other connection details perform functions similar to those shown. Consult the local PCI producer for information on relative economy and design capabilities. 5- -11
  • 90.
    5.4 (Continued) Design Considerations: • Walls may not be laterally braced Clearance • Consideration should be given to forces for camber developed from deflections or camber growth • Drypack may be required under slab for axial Allow Topping load transfer if req’d Fabrication Considerations: • Clean and simple Wall Erection Considerations: • Allowance must be made for slab camber • Wall will not be laterally braced at this level • Small tolerance in slab layout Fig. 5.4.7 Design Considerations: Deformed bar • Can transfer diaphragm shear or steel strap • Can provide lateral brace for wall • Consideration should be given to forces Grout Topping developed from deflection or camber growth if req’d • Consider axial load path Fabrication Considerations: • If not done in field, slots and holes must be cut for steel Wall Grout • In stack casting system slots and holes might not be practically cut in plant Erection Considerations: • Allowance must be made for slab camber • If not done in plant, holes and slots must be cut for steel • Wall is not braced until steel is grouted Fig. 5.4.8 Other connection details perform functions similar to those shown. Consult the local PCI producer for information on relative economy and design capabilities. 5- -12
  • 91.
    5.4 (Continued) Design Considerations: • Wall thrust from earth pressure can be resisted • Can transfer diaphragm shear only with special for camber detailing of keyway and reinforcement Allow • For long spans consider effects of restraint of vertical movement Fabrication Considerations: • Clean and simple Erection Considerations: P.C. or C.I.P. • Edge joint must be grouted which may not concrete be standard practice wall Fig. 5.4.9 Design Considerations: • Can transfer diaphragm shear • Can provide lateral brace for wall • Consideration should be given to forces Reinforcement developed from deflections or camber growth grouted into broken core Topping Fabrication Considerations: if req’d • If not done in field, edge core must be cut Grout at open bars • In stack casting operation, holes might not be practically cut in plant Erection Considerations: Wall • If not done in plant, holes must be field cut into edge core • Mason may have to cut block to install reinforcement Fig. 5.4.10 Other connection details perform functions similar to those shown. Consult the local PCI producer for information on relative economy and design capabilities. 5- -13
  • 92.
    5.4 (Continued) Design Considerations: • Can transfer diaphragm shear • Can provide lateral brace for wall • Connection capacity must be verified by test Reinforcing Bar Driven In Hole Fabrication Considerations: Field Drill • Clean and simple Bearing Bond Strip Erection Considerations: Beam • Minimum edge distances must be maintained • No interfacing tolerances Fig. 5.4.11 Design Considerations: • Can transfer diaphragm shear • Can provide lateral brace for wall • Consider effects of vertical restraint Reinforcing Bar • Connection capacity must be verified by test Driven In Hole Field Drill Fabrication Considerations: • Clean and simple Dry Pack Bond Beam Erection Considerations: • Minimum edge distances must be maintained • No interfacing tolerances Fig. 5.4.12 Other connection details perform functions similar to those shown. Consult the local PCI producer for information on relative economy and design capabilities. 5- -14
  • 93.
    5.5 Typical Detailswith Steel Beams Design Considerations: • Top beam flange should be considered 1" Min. joint unbraced 2" (Min.) topping if required Fabrication Considerations: • Clean and simple for slabs • Beam flange width must be sufficient for slab bearing length Erection Considerations: 5" Min. flange • Unsymmetrical loading may cause beam 6" Recommended flange instability Steel beam Note: Top flange is unbraced Fig. 5.5.1 Design Considerations: • Can transfer internal diaphragm forces • Provides lateral brace for steel beam 2" Joint Grout Fabrication Considerations: Reinforcement grouted in Topping • Slab layout must align slab joints slab keyway if req’d • Stabilizer bars might be field or shop installed depending on local regulations or agreements • Beam flange width must be sufficient for minimum slab bearing Erection Considerations: Steel beam with stabilizer bars • Grouting of slabs must include the butt joint to brace top flange • Steel erection may require that stabilizer bars be field installed • Steel beam will not be laterally braced until grout cures • Unsymmetrical loading may cause beam Fig. 5.5.2 instability Many connection details shown perform similar functions. Consult the local PCI producer for information on relative economy and design capabilities. 5- -15
  • 94.
    5.5 (Continued) Design Considerations: • Can transfer internal diaphragm forces • Provides lateral brace for steel beam • Will develop volume change restraint forces Grout Weld plate that must be considered in design of (weld at alternate connection Topping ends of slabs) if req’d Fabrication Considerations: • Slab manufacturing system must allow for installation of bottom weld anchors Erection Considerations: Steel beam • Welding of slabs to beam should be done as erection proceeds to laterally brace beams Fig. 5.5.3 Design Considerations: • Can transfer diaphragm shear 1" (Min.) past centerline • Provides lateral brace for steel beam of beam • Potential torsion on steel beam should be considered Weld plate (weld at alternate ends) • Will develop volume change restraint forces Topping that must be considered in design of if req’d connection Fabrication Considerations: • Slab manufacturing system must allow for installation of bottom weld anchors Steel beam Erection Considerations: • Welding of slabs to beam should be done as erection proceeds to brace beam • Spacer may be required to make weld Fig. 5.5.4 Other connection details perform functions similar to those shown. Consult the local PCI producer for information on relative economy and design capabilities. 5- -16
  • 95.
    5.5 (Continued) Design Considerations: • Can transfer diaphragm shear • Provides lateral brace for steel beam Deformed bar grouted in slab keyway Fabrication Considerations: • Clean and simple Erection Considerations: Steel beam • Welding of bars must be coordinated with slab erection for alignment • Depending on forces to be transferred concrete may have to be cast along edge • Beam will not be braced until keyway grout cures Fig. 5.5.5 Design Considerations: 1" 1" • Internal diaphragm forces can be Additional Clr. Clr. transferred only through topping reinforcement 2" (Min.) topping • Provides lateral brace for steel beam over steel if required • Consider potential torsion on beam during beam slab erection 1/2" Clr. Fabrication Considerations: • Beam flange width must be sufficient for Notch slab minimum slab bearing Steel Beam (as required) 6" Min. flange • Slab notching will require a hand operation in field or, preferably, in plant 8" Recommended flange Note: Difficult erection if Erection Considerations: this detail occurs at both ends of slab • Slab erection will be very difficult with this detail on both slab ends. Slabs must be slid into beams possibly through access holes in flanges Fig. 5.5.6 • Beams will not be braced during slab erection Other connection details perform functions similar to those shown. Consult the local PCI producer for information on relative economy and design capabilities. 5- -17
  • 96.
    5.5 (Continued) Design Considerations: Additional 1" 1" reinforcement Clr. Clr. • Internal diaphragm forces can be transferred over steel 2" (Min.) topping only through topping beam if required • Provides lateral brace for steel beam • Consider potential torsion in beam during slab erection 1/2" Clr. Fabrication Considerations: Optional Continuous ’s • Angle legs must be sufficient for minimum slab reinforcement welded to steel bearing grouted in beam • Beam depth must be sufficient for clearance slab keyway Steel Beam under top flange 3" Min. Leg 4" Recommended leg Erection Considerations: Note: Difficult erection if • Slab erection will be very difficult if this detail this detail occurs at occurs at both slab ends. Slabs will have to both ends of slab be slid into beams possibly through access holes in flanges • Beams will not be braced during slab erection Fig. 5.5.7 Design Considerations: • Torsion design must consider erection tolerance • Lintel must be securely anchored at span ends • Connection to slab may be required to brace lintel Topping if req’d Fabrication Considerations: Wall • Clean and simple Erection Considerations: Channel and • Watch for stability of lintel prior to slab erection plate lintel Fig. 5.5.8 Other connection details perform functions similar to those shown. Consult the local PCI producer for information on relative economy and design capabilities. 5- -18
  • 97.
    5.5 (Continued) Design Considerations: • Butt joint must be grouted to brace vertical angle legs • Lintel must be securely anchored at span ends Topping if req’d Fabrication Considerations: • Clean and simple Erection Considerations: Double angle (min. 4" leg) or WF (min. 8" flange) • Lintel must be securely anchored prior to lintel setting slabs Fig. 5.5.9 Design Considerations: • Clearance must be allowed for slab camber • Beam will not be braced until topping is cast Topping Fabrication Considerations: for camber • Camber must be monitored to stay within Additional Allow clearance reinforcement Erection Considerations: • Erection may be very difficult if slab support beams are also raised Fig. 5.5.10 Other connection details perform functions similar to those shown. Consult the local PCI producer for information on relative economy and design capabilities. 5- -19
  • 98.
    5.6 Typical CantileverDetails Design Considerations: • Wall bracing or transmitting diaphragm shear Cores filled with would only be accomplished by questionable insulation over friction exterior wall • Additional structural integrity ties may be required Fabrication Considerations: • None other than top reinforcement required for Bearing cantilever strip Wall Erection Considerations: • Clean and simple Fig. 5.6.1 Design Considerations: • Can transfer diaphragm shear Insulation Dowel grouted in • Provides lateral brace for wall slabs at keyway Fabrication Considerations: • If not field drilled, slots in keyways and aligning holes in masonry are required Bearing • If not field drilled, alignment will be difficult strip Wall Erection Considerations: • If not preformed, holes must be drilled through slabs into masonry • Wall may not be braced until grout cures • Grout placement may be difficult Fig. 5.6.2 Other connection details perform functions similar to those shown. Consult the local PCI producer for information on relative economy and design capabilities. 5- -20
  • 99.
    5.6 (Continued) Design Considerations: Dowels field bent and grouted in • This detail is not recommended because of slab keyways installation difficulties which may result in an unreliable connection Fabrication Considerations: Bearing strip Wall Erection Considerations: •Mason will have great difficulty aligning dowels with slab joints • Most keyway configurations will require notches for dowels • Field bending of dowels into keyways will be very difficult DO NOT USE Fig. 5.6.3 Design Considerations: Verify max. dimension • Wall will not be braced by slabs with slab supplier • Depending on end support conditions wall may have to support edge slab Keyway filled • No thermal break provided between interior with grout and exterior Fabrication Considerations: • Depending on bearing conditions the overhang dimension may be limited by the producer’s ability to install transverse reinforcement Allow for camber Bearing wall Erection Considerations: beyond Non-bearing • None wall Preferred end of bearing wall Fig. 5.6.4 Other connection details perform functions similar to those shown. Consult the local PCI producer for information on relative economy and design capabilities. 5- -21
  • 100.
    5.6 (Continued) Design Considerations: • Wall will not be braced by slabs Verify max. dimension • Depending on end support conditions wall may with slab supplier have to support edge slab Steel strap (weld to • No thermal break provided between interior top anchors or expansion and exterior bolt to slabs) Fabrication Considerations: • When transverse reinforcement cannot be installed, steel strap must serve as external reinforcement Allow for camber • Anchorage of a steel strap to the slabs will Bearing wall depend on the producer’s ability to install top beyond weld anchors Non-bearing wall Erection Considerations: Preferred end of bearing wall • Depending on end support conditions temporary shoring may be required until steel strap is installed and keyways are grouted Fig. 5.6.5 Other connection details perform functions similar to those shown. Consult the local PCI producer for information on relative economy and design capabilities. 5- -22
  • 101.
    5.7 Miscellaneous Details Bearing Feather edge Hollow core with latex, conceal slab in wall, or recess when no topping Header angles "A" SECTION "A-A" "A" PLAN HEADER DETAIL Fig. 5.7.1 Other connection details perform functions similar to those shown. Consult the local PCI producer for information on relative economy and design capabilities. 5- -23
  • 102.
    5.7 (Continued) Bearing Hollow core slab "B" "B" Header angles SECTION "A-A" "A" "A" Feather edge with latex, conceal in wall, or recess when no topping PLAN SECTION "B-B" HEADER DETAIL Fig. 5.7.2 Other connection details perform functions similar to those shown. Consult the local PCI producer for information on relative economy and design capabilities. 5- -24
  • 103.
    5.7 (Continued) Hanger thru bolt; Expansion bolt; Toggle bolt; for heavy loads only with sufficient only for vertical bottom thickness loads Light straps; for ceiling and duct work Fig. 5.7.3 Other connection details perform functions similar to those shown. Consult the local PCI producer for information on relative economy and design capabilities. 5- -25
  • 104.
    CHAPTER 6 FIRE RESISTANCE OF ASSEMBLIES MADE WITH HOLLOW CORE SLABS 6.1 Introduction building code requirements. One of the attributes of hollow core slab construction is excellent fire resistance. More 6.2 Heat Transmission Through Floors or than 30 standard fire tests (ASTM E119) have Roofs been conducted on hollow core floor assemblies. The standard fire test method, ASTM E119, The January, 1994 issue of Underwriters Labora- limits the average temperature rise of the unex- tories, Inc. “Fire Resistance Directory” includes posed surface, i.e., the surface of floor or roof not more than 50 design numbers for hollow core exposed to fire, to 250 degrees F (120 degrees C) slabs which qualify for ratings of 1, 2, 3, or 4 during a fire test. This criterion is often called the hours. Constructions which conform to these de- heat transmission end point. signs are assigned ratings by most U.S. building For solid concrete slabs, the temperature rise of codes. the unexposed surfaces depends mainly on the As an alternative to UL ratings, model codes slab thickness and aggregate type. Figure 6.2 now include prescriptive requirements which can shows the relationship between slab thickness and be used to establish fire endurance ratings. For fire endurance as determined by the heat transmis- each fire endurance rating, strand cover and sion end point criterion. equivalent thickness provisions are given. Use of 6.2.1 Equivalent Thickness such provisions eliminates the need for fire tests The information in Figure 6.2 is applicable to or UL ratings. hollow core slabs by entering the graph with the Most U.S. building codes will also assign rat- “equivalent thickness” of the unit instead of the ings to hollow core assemblies which do not con- thickness. Equivalent thickness can be calculated form with the UL designs if it can be shown by cal- by dividing the net area of the cross section of a culations made in accordance with procedures hollow core unit by the width of the unit. given in the PCI manual, “Design for Fire Resis- tance of Precast, Prestressed Concrete” (PCI Fig. 6.2 Fire endurance (heat transmission) of MNL 124-89)38 that they qualify for the required hollow core units fire endurance. Readers can obtain more detailed 5 information from that manual on fire resistance of hollow core slab assemblies as well as informa- tion on fire resistance of concrete beams, walls, 4 cf) and protection of connections. Ag cf) 0p ate p eg (10 In Canada, The National Building Code of 15 gr t (1 Fire Endurance, Hr ht Canada requires that fire resistance ratings be de- eig 3 ate igh htw on e termined either on the basis of results of tests con- tw te rb Lig ga igh Ca ducted in accordance with CAN/ULC-S101-M, e gr -L g nd 2 A “Standard Methods of Fire Endurance Tests of s Sa e ou Building Construction and Materials”, or on the lic Si basis of Appendix D, “Fire Performance Rat- 1 ings”. While the general principles set forth in this Manual are fully valid in that they are based on materials properties and structural engineering 0 procedures, users of the Manual are cautioned that 1-1/2 2 3 4 5 6 7 in Canada, fire resistance ratings should be deter- Equivalent Thickness, in., of Hollow Core Unit mined strictly in accordance with applicable 6- -1
  • 105.
    In Figure 6.2,concrete aggregates are desig- for two hours or more. The addition of toppings, nated as lightweight, sand-lightweight, carbon- undercoatings, fire resistive ceilings, roof insula- ate, or siliceous. Lightweight aggregates include tion, or filling the cores with dry aggregates will expanded clay, shale, slate, and slag which pro- increase the heat transmission fire endurance. duce concretes having unit weights between about Figure 6.2.2.1 shows graphically the thickness of 95 and 105 pcf (1520 - 1680 kg/m3) without sand spray applied undercoating required for heat replacement. Lightweight concretes in which transmission fire endurances of 2, 3 and 4 hours. sand is used as part or all of the fine aggregate and Figure 6.2.2.2 shows the thickness of sand-light- weigh less than about 120 pcf (1920 kg/m3) are weight concrete, insulating concrete and high designated as sand-lightweight. For normal strength gypsum concrete overlays required for 2, weight concrete, the type of coarse aggregate in- 3 and 4 hours. Figure 6.2.2.3 shows data for 2 and fluences the fire endurance; the type of fine aggre- 3 hr. roofs with mineral board or glass fiber board gate has only a minor effect. Carbonate aggre- insulation with 3-ply built-up roofing. Data gates include limestone, dolomite, and limerock, shown in Figures 6.2.2.1, 6.2.2.2 and 6.2.2.3 ap- i.e., those consisting mainly of calcium or magne- ply directly to hollow core slabs made with sili- sium carbonate. Siliceous aggregates include ceous aggregates and are conservative for slabs quartzite, granite, basalt, and most hard rocks oth- made with carbonate aggregates or with light- er than limestone or dolomite. weight aggregates. 6.2.2 Toppings, Undercoatings, or Roof Example 6.2.1 Equivalent Thickness Insulation Determine the thickness of topping required to All 8 in (200 mm) deep hollow core units which provide a 3 hr. fire endurance (heat transmission) are currently manufactured in North America for the generic hollow core slab shown in Figure qualify for at least a one-hour fire endurance as 1.7.1. Both the slab and the topping are made with determined by heat transmission and some qualify carbonate aggregate concrete. Fig. 6.2.2.1 Hollow core units undercoated with spray applied materials (Heat transmission fire endurance) Hollow core slab made with siliceous aggregate concrete Sprayed mineral fiber or vermiculite cementitous material 1.0 0.8 Thickness of SMF 4h or VMC, in. r 0.6 3h r 0.4 0.2 2h r 0 3.5 4.0 4.5 5.0 5.5 Equivalent Thickness, in. of Hollow Core Unit 6- -2
  • 106.
    Fig. 6.2.2.2 Floorswith overlays of sand-lightweight concrete (120 pcf maximum), insulating concrete (35 pcf maximum), and high strength gypsum concrete Overlay Hollow Core slab made with siliceous aggregate concrete Sand-Lightweight Concrete Insulating Concrete Overlay Overlay 2.5 4h r Overlay Thickness, in. 2.0 4h r 1.5 3h r 3h r 1.0 2h 2h r r 0.5 0 3.5 4.0 4.5 5.0 5.5 3.5 4.0 4.5 5.0 5.5 Equivalent Thickness, in., of Hollow Core Units High Strength Gypsum Concrete Overlay 4 lay Fire Endurance, Hr. 3 ver . C. O erla y .G 1 in .C . Ov in. G 1/2 2 1 0 3.5 4.0 4.5 5.0 5.5 Equivalent Thickness, in., of Hollow Core Units 6- -3
  • 107.
    Fig. 6.2.2.3 Roofs with insulation board and 3-ply built-up roofing (Heat transmission fire endurance) 3-Ply built-up roofing Mineral board or glass fiber board insulation Hollow core slab made with siliceous aggregate concrete 0.75 Thickness, in., of Mineral Board or Glass Fiber Board 0.50 3h r 0.25 2h r 0 3.5 4.0 4.5 5.0 5.5 Equivalent Thickness, in., of Hollow Core Unit Solution: the required thickness would be even less. Thus, Equivalent thickness the roof qualifies for a fire endurance significantly teq = Area/width longer than 2 hours. = 154/36 6.2.3 Ceilings = 4.28 in Gypsum wallboard used as ceilings increases From Figure 6.2, the thickness of carbonate ag- the fire endurance of the assemblies. Very few fire gregate concrete required for 3 hr. is 5.75 in. Thus, tests have been conducted utilizing concrete the thickness of topping needed is: floors with gypsum wallboard ceilings, and no 5.75 - 4.28 = 1.47 in - such tests have been conducted utilizing hollow core units. To be effective, gypsum wallboard must remain in place throughout most of the fire Example 6.2.2 endurance period. Because most hollow core Determine if a hollow core slab roof will quali- units by themselves have heat transmission fire fy for a 2 hr. fire endurance (heat transmission) if endurances of one hour to two hours and longer, the slabs are made with carbonate aggregate con- the wallboard must remain in place during fire ex- crete, have an equivalent thickness of 4.28 in, and posure for long periods of time. For a fire endur- the roof insulation consists of a layer of 3/4 in thick ance of 3 hours, a layer of 5/8 in (16 mm) Type X mineral board. The roofing is a standard 3-ply gypsum wallboard can be used. The wallboard built-up roof. should be installed as shown in Figure 6.2.3. Solution: From Figure 6.2.2.3 it can be seen that with an equivalent thickness of 4.28 in, a layer of mineral 6.3 Structural Fire Endurance of Floor or Roof board 0.16 in thick with 3-ply roofing qualifies for Assemblies 2 hours even if the slabs are made with siliceous During standard fire tests, specimens must sup- aggregates. With carbonate aggregate concrete, port the anticipated superimposed loads through- 6- -4
  • 108.
    Fig. 6.2.3 Detailsof 3 hr. assembly consisting of hollow core slabs with a gypsum wall board ceiling 1 4 3 5 Max. 4’ Restrained Unrestrained 3 1 1 6 7/8" 5/8" 3/4" 6 4 5 5 End Joint Side Joint 1. Precast concrete hollow core slabs - Minimum equivalent thickness = 2.75 in 2. Grout - (Not Shown) - Sand-cement grout along full length of joint. 3. Hanger Wire - No. 18 SWG galvanized steel wire. Hanger wire used to attached wallboard furring channels to precast concrete units. Wire to be located at each intersection of furring channels and joints between hollow core slabs, but not to exceed 4 ft o.c. 4. Wallboard Furring Channels - No. 26 ga. galvanized steel, 7/8 in high, 2 3/4 in base width, 1 3/8 in face width and 12 ft long. Channels to be installed perpendicular to hollow core slabs and spaced 24 in o.c., except at wallboard butt joints where they are spaced 6 1/2 in o.c. Channels secured to concrete units with double strand of hanger wire looped through fasteners. At furring channel splices, chan- nels to be overlapped 6 in and tied together with hanger wire at each end of splice. 5. Wallboard - 5/8 in thick, 4 ft wide, Type X, installed with long dimension perpendicular to furring channels. Over butt joints, a 3 in wide piece of wallboard to be inserted with ends extending a minimum 6 in beyond board width. 6. Wallboard Fasteners - 1 in long, Type S, bugle head screws. Fasteners spaced 12 in on center along each furring channel except at butt joints where fasteners spaced 8 in on center. At butt joints, fasteners located 3 1/4 in from board edge. Along side joints, fasten- ers located 3/4 in from board edge. 7. Joint System - (Not Shown) - Paper tape embedded in cementitious compound over joints, and covered with two layers of cementi- tious compound with edges feathered out. Wallboard fastener heads covered with two layers of cementitious compound. out the fire endurance period. Failure to support the ultimate moment capacity is constant through- the loads is called the structural end point. out the length: The most important factor affecting the struc- φMn = φApsfps(dp - a/2) - (Eq. 6.3.1) tural fire endurance of a floor or roof assembly is See Chapter 2 for evaluating fps. the method of support, i.e., whether the assembly If the slab is uniformly loaded, the moment dia- is simply supported and free to expand (“unre- gram will be parabolic with a maximum value at strained”) or if the assembly is continuous or ther- midspan of: mal expansion is restricted (“restrained”). M = wℓ 2 6.3.1 Simply Supported Slabs (Eq. 6.3.2) 8 Figure 6.3.1.1 illustrates the behavior of a sim- ply supported slab exposed to fire from beneath. Because strands are parallel to the axis of the slab, 6- -5
  • 109.
    Fig. 6.3.1.1 Momentdiagrams for simply sup- Where ported beam or slab before and w = dead plus live load per unit of length, during fire exposure k/in ℓ = span length, in As the material strengths diminish with ele- vated temperatures, the retained moment capacity Fire becomes: Mnθ = Apsfpsθ(dp - aθ /2) - (Eq. 6.3.3) in which θ signifies the effects of high tempera- @ 0 Hr tures. Note that Aps and dp are not affected, but fps is reduced. Similarly, a is reduced, but the con- M = applied moment crete strength at the top of the slab, f′c, is generally not reduced significantly because of its lower temperature. Mn = moment capacity @ 2 Hr applied M = moment M n θ = reduced moment capacity Fig. 6.3.1.2 Temperature-strength relationships for hot-rolled and cold-drawn steels 100 High strength alloy steel bars (tensile strength) 80 Hot-rolled steel (yield strength) Percent of Strength At 70 F 60 o 40 Cold-drawn prestressing steel 250 or 270 ksi (tensile strength) 20 0 70 200 400 600 800 1000 1200 1400 o Temperature, F 6- -6
  • 110.
    Fig. 6.3.1.3 Temperatures within Fig. 6.3.1.4 Temperatures within carbonate aggregate concrete siliceous aggregate concrete slabs during fire tests slabs during fire tests 1600 1600 Siliceous Aggregate Carbonate Aggregate Concrete 1500 1500 Concrete (Normal Weight) (Normal Weight) 1400 1400 1300 1300 . n. e in c 4i rfa 4 1/ 1/ e fac Su . 1200 in 1200 r in. F F d Su 2 se 1/ o o 1/2 d po se po Ex 1100 Temperature, 1100 Temperature, Ex m . ro om in Fr .F 1 1000 n. n. 1000 1i in . 4i in 4 3/ 3/ in. 1/ 2 u= = 900 1/2 900 1- u 1- . in 800 n. 800 2 2i 700 700 . in n. 3i 3 600 600 . n. in 4i 4 500 500 1/2 1 1-1/2 2 3 4 1/2 1 1-1/2 2 3 4 Fire Test Time, Hr Fire Test Time, Hr Flexural failure can be assumed to occur when Mnθ is reduced to M. From this expression, it can Fig. 6.3.1.5 Temperatures within sand- lightweight concrete slabs be seen that the fire endurance depends on the ap- during fire tests plied loading and on the strength-temperature characteristics of the steel. In turn, the duration of 1600 the fire before the “critical” steel temperature is Sand-Lightweight 1500 Concrete reached depends upon the protection afforded to the reinforcement. 1400 Test results have shown that the theory dis- 1300 cussed above is valid, not only for hollow core . ce in rfa 4 floors, but also for roofs with insulation on top of 1200 1/ Su . in F d the slabs. 2 1/ se o po 1100 Temperature, Ex Figure 6.3.1.2 shows the relationship between m ro temperature and strength of various types of steel. .F 1000 . in in Figure 6.3.1.3, 6.3.1.4 and 6.3.1.5 show tempera- 1 4 3/ = tures within concrete slabs during standard fire 900 u . in tests. The data in those figures are applicable to 2 1/ 800 1- hollow core slabs. By using the equations given . in above and the data in Figure 6.3.1.2 through 700 2 6.3.1.5, the moment capacity of slabs can be cal- 600 . culated for various fire endurance periods, as il- in 3 lustrated in the following example: 500 1/2 1 1-1/2 2 3 4 Fire Test Time, Hr 6- -7
  • 111.
    Example 6.3.1 wL = w - wD = 170 - 54 = 116 psf - - Determine the maximum safe superimposed load (d) Calculate maximum allowable wL at room that can be supported by an 8 in deep hollow core slab with a simply supported unrestrained span of temperature 25 ft and a fire endurance of 3 hr. Given: h = 8 in; u = 1.75 in; six 1/2 in 270 ksi strands;   fps = 270 1 − 0.28 0.918 270 0.80 366.25 5  Aps = 6(0.153) = 0.918 in2; b = 36 in; dp = 8 - 1.75 - = 249 ksi = 6.25 in; wD = 54 psf; carbonate aggregate con- crete; ℓ = 25 ft 0.918249 a = = 1.49 in Solution: 0.85536 (a) Estimate strand temperature at 3 hr. from Fig- φMn = 0.9(0.918)(249)(6.25 - 0.75)/12 - ure 6.3.1.3, θs at 3 hr. at 1.75 in above fire-ex- posed surface = 925 degrees F. = 94.3 ft-kips (b) Determine fpuθ from Figure 6.3.1.2. For 894.31000 wu = = 402 psf cold-drawn steel at 925 degrees F: (25) 23 fpuθ = 33% fpu = 89.1 ksi With load factors of 1.4 (dead load) (c) Determine Mnθ and w + 1.7 (live load):   fpsθ = 89.1 1 − 0.28 0.918 89.1 0.80 366.25 5  wL = 402 − 1.454 1.7 = 192 psf Conclusion: wL = 116 < 192; 116 psf governs = 86.8 ksi Note: Fire endurance for heat transmission 0.91886.8 should also be checked aθ = = 0.52in 0.85536 Table 6.3.1 shows values of u for simply sup- Mnθ = 0.918(86.8)(6.25 - 0.52/2)/12 - ported unrestrained hollow core slabs for various = 39.8 ft-kips moment ratios and fire endurance of 1, 2, and 3 hours. The values shown are based on 839.81000 w = = 170 psf Apsfpu/bdpf′c = 0.05 and can be reduced by 1/16 in (25) 23 for Apsfpu/bdpf′c = 0.10. Table 6.3.1 “u” inches, for simply supported unrestrained hollow core slabs* Fire Aggregate Type Endurance M/Mn Siliceous Carbonate Sand-Lightweight (hr) (in) (mm) (in) (mm) (in) (mm) 1 0.50 1 1 /4 (32) 1 1/16 (27) 1 1/16 (27) 1 0.40 1 1/16 (27) 15/ 16 (24) 15/ 16 (24) 1 0.30 15/ (24) 13/ (21) 13/ (21) 16 16 16 2 0.50 15/ 1 16 (49) 1 13/16 (46) 1 13/16 (46) 2 0.40 1 3 /4 (44) 1 9/16 (40) 1 9/16 (40) 2 0.30 1 9/16 (40) 1 5/16 (33) 1 5/16 (33) 3 0.50 2 1 /2 (64) 2 5/16 (59) 2 1 /8 (54) 3 0.40 2 3/16 (56) 2 (51) 1 15/16 (49) 3 0.30 1 15/16 (49) 1 11/16 (43) 1 11/16 (43) *“u” is distance between center of strands and bottom of slab with all strands having same “u”. Based on Apsfpu/bdpf′c = 0.05; conservative for values greater than 0.05. 6- -8
  • 112.
    Fig. 6.3.2 Equivalentconcrete cover thickness for spray-applied coatings 5 4 ) Equivalent Concrete Cover Thickness, in. sla bs )( M ( VC rial ate 3 sM bs ) tiou ( sla men F) Ce SM lite r( be icu Fi rm ral 2 Ve ine e dM ray Sp 1 0 0 1/4 1/2 3/4 1 1-1/4 1-1/2 Thickness of Spray-Applied Insulating Material, in. 6.3.2 Effect of Spray-Applied Coatings Fig. 6.3.3.1 Moment diagrams for continuous 2- The fire endurance of hollow core slabs can be span beam before and during fire increased by the addition of a spray-applied coat- exposure ing of vermiculite cementitious material or sprayed mineral fiber. Figure 6.3.2 shows the relationship between thickness of spray-applied coatings and equivalent concrete cover. Thus, if strands are centered 3/4 in (19 mm) above the bot- tom of a hollow core slab and if 1/4 in (6 mm) of sprayed mineral fiber is applied, the u distance to Fire Fire be used in Figures 6.3.1.3, 6.3.1.4 or 6.3.1.5 is 3/4 in (19 mm) plus the equivalent cover of 0.9 in (23 M- n mm) obtained from Figure 6.3.2. - M 6.3.3 Structurally Continuous Slabs Continuous members undergo changes in M + stresses when subjected to fire, resulting from At 0 Hr M+ n temperature gradients within the structural mem- M- θ bers, or changes in strength of the materials at high n temperatures, or both. x0 Figure 6.3.3.1 shows a continuous beam whose - underside is exposed to fire. The bottom of the M beam becomes hotter than the top and tends to ex- + At 3 Hr pand more than the top. This differential tempera- M +θ n x1 ture causes the ends of the beam to tend to lift from their supports thereby increasing the reaction at 6- -9
  • 113.
    Fig. 6.3.3.2 Uniformly loaded member Fig. 6.3.3.3 Symmetrical uniformly loaded mem- continuous at one support ber continuous at both supports M- θ M- θ n M- θ n n w w x M- θ n M- θ n 2 M +θ 8 w n x1 x2 x0 M+θ n x0 x2 x0 the interior support. This action results in a redis- simply supported at the other. Also shown is the tribution of moments, i.e., the negative moment at redistributed applied moment diagram at failure. the interior support increases while the positive Values for M + can be calculated by the proce- nθ moments decrease. dures given for “Simply Supported Slabs”. During the course of a fire, the negative mo- Values for M − and xo can be calculated: nθ  ment reinforcement (Figure 6.3.3.1) remains 2M + M − = wℓ  wℓ 2 2 n cooler than the positive moment reinforcement nθ (Eq. 6.3.4) because it is better protected from the fire. Thus, 2 wℓ 2 the increase in negative moment can be accom- M− nθ modated. Generally, the redistribution that occurs xo =2 (Eq. 6.3.5) wℓ is sufficient to cause yielding of the negative mo- In most cases, redistribution of moments oc- ment reinforcement. The resulting decrease in curs early during the course of a fire before the positive moment means that the positive moment negative moment capacity has been reduced by reinforcement can be heated to a higher tempera- the effects of fire. In such cases, the length of xo is ture before a failure will occur. Therefore, the fire increased, i.e., the inflection point moves toward endurance of a continuous concrete beam is gen- the simple support. For such cases, erally significantly longer than that of a simply 2M − n supported beam having the same cover and loaded xo = (Eq. 6.3.6) wℓ to the same moment intensity. Figure 6.3.3.3 shows a symmetrical beam or It is possible to design the reinforcement in a slab in which the end moments are equal. In that continuous beam or slab for a particular fire en- case: durance period. From Figure 6.3.3.1, the beam M − = wℓ 2∕8 − M + nθ nθ (Eq. 6.3.7) can be expected to collapse when the positive mo- ment capacity, M +, is reduced to the value indi- wx 2 nθ and 2 = M+ nθ (Eq. 6.3.8) cated by the dashed horizontal line, i.e., when the 8 redistributed moment at point x1, from the outer In negative moment regions, the compressive support, M x1 = M +. zone is directly exposed to fire, so calculations for nθ dθ and aθ must be modified by (a) using f′cθ from Figure 6.3.3.2 shows a uniformly loaded beam Figure 6.3.3.4 and (b) neglecting concrete hotter or slab continuous (or fixed) at one support and than 1400 degrees F (760 degrees C). 6- -10
  • 114.
    Fig. 6.3.3.4 Compressivestrength of concrete at high temperatures 70 200 400 600 800 1000 1200 1400 120 120 Carbonate Percent of Original Compressive Strength 100 100 Sand-Lightweight 80 80 Siliceous 60 60 40 40 Original Strength = f’ c 20 Average f’ = 3900 psi c 20 Stressed to 0.4f’ during heating c 0 0 70 200 400 600 800 1000 1200 1400 o Temperature, F 6.3.4 Detailing Precautions Example 6.3.2 It should be noted that the amount of moment Determine the amount of negative moment re- redistribution that can occur is dependent upon inforcement needed to provide a 3 hr. fire endur- the amount of negative reinforcement. Tests have ance for sand-lightweight hollow core slabs, 8 in clearly demonstrated that the negative moment re- deep, 5 ksi concrete, 48 in wide, with six 7/16 in 270 inforcement will yield, so the negative moment ksi strands and 2 in (4 ksi) composite topping. capacity is reached early during a fire test, regard- Slabs span 25 ft of an exterior bay (no restraint to less of the applied loading. The designer must ex- thermal expansion). Dead load = 65 psf, live load ercise care to ensure that a secondary type of fail- = 100 psf. Strands are centered 1 3/4 in above bot- ure will not occur. To avoid a compression failure tom of slab. The value for M + can be calculated nθ in the negative moment region, the amount of neg- (by using the procedure discussed for simply sup- ative moment reinforcement should be small ported slabs) to be 39.0 ft-kips. From Eq. 6.3.4 enough so that ωθ, i.e., Asfyθ /bθ dθ f′cθ, is less than (for use in Eq. 6.3.4): 0.30, before and after reductions in fy, b, d and f′c w ℓ 2 = 4(65 + 100)(25)2/1000 are taken into account. Furthermore, the negative moment bars or mesh must be long enough to ac- = 412.5 ft-kips commodate the complete redistributed moment and change in the inflection points. It should be M − = 412.5 − 412.5 2 nθ 2  (39.0) 412.5 noted that the worst condition occurs when the ap- = 26.9 ft-kips plied loading is smallest, such as dead load plus Determine As neglecting concrete above 1400 de- partial or no live load. It is recommended that at grees F in negative moment region. From Figure least 20% of the maximum negative moment rein- 6.3.1.5 neglect 3/4 in above bottom, and assume forcement be extended throughout the span. steel centered in topping. d = 10 - 3/4 - 1 = 8.25 in - - 6- -11
  • 115.
    Assume f′cθ incompressive zone = 0.8f′c = 4 ksi Fig. 6.4.1 Moment diagrams for axially Assume d - aθ/2 = 8.1 in - restrained beam during fire exposure. 26.912 Note that at 2 hr. Mnθ is less than M As = = 0.66 in2 and effects of axial restraint permit 608.1 beam to continue to support load. 0.6660 dT check aθ = = 0.24 in 0.85448 T T d - aθ /2 = 8.25 - 0.12 = 8.13 in ≅ 8.1 OK - - Fire Use 6 x 6 - W2.1 x W2.1 WWF throughout plus #4 Grade 60 at 16 in in negative moment region. As = 80.021 + 48 0.20 = 0.768 in2 @ 0 Hr, T=0 Mn 16 M Calculate xo for dead load plus one-half live load. @ 2 Hr. M − = 0.768 (26.9) = 31.3 ft-kips nθ M nθ 0.66 MT = loading = 4(0.065 + 0.050) = 0.46 k/ft; T(d T - _ θ - ∆ ) a 2 Mn = 34.0 ft-kips (calculated for room tem- (curved due to beam deflection) peratures) From Eq. 6.3.6 temperature rise of the unexposed surface rather than by structural considerations, even though the 2M −n 2(34.0) xo = = = 5.91 ft steel temperatures often exceed 1200 degrees F wℓ 0.46(25) (650 degrees C). Half of #4 bars should extend 7 ft each side of inte- The effects of restraint to thermal expansion rior support and half 5 ft. can be characterized as shown in Figure 6.4.1. Use #4 Grade 60, 12 ft long at 16 in and stagger. The thermal thrust, T, acts in a manner similar to an external prestressing force, which tends to in- 6.4 Restraint to Thermal Expansion crease the positive moment capacity. If a fire occurs beneath a portion of a large floor Methods for calculating fire endurance of “re- or roof, such as beneath a concrete floor slab in strained” floors or roofs are given in PCI MNL one interior bay of a multi-bay building, the 124-89. It is seldom necessary to make such cal- heated portion will expand and push against the culations, as noted below. The beneficial effects surrounding unheated portion. In turn the un- of restraint are recognized in ASTM E119. The heated portion exerts compressive forces on the standard presents a guide for determining condi- heated portion. The compressive force, or thrust, tions of restraint. The guide includes Figure 6.4.2. acts near the bottom of the slab when the fire In most cases, the interior bays of multi-bay floors starts, but as the fire progresses, the line of thrust and roofs can be considered to be restrained and rises and the thermal gradient diminishes and the the magnitude and location of the thrust are gener- heated concrete undergoes a reduction in elastic ally of academic interest only. It should be noted modulus. If the surrounding slab is thick and that Figure 6.4.2 indicates that adequate restraint heavily reinforced, the thrust forces can be quite can occur in interior bays and exterior bays of large, but they will be considerably less than those framed buildings when: calculated by use of elastic properties of concrete “The space between the ends of precast units and steel, together with appropriate coefficients of and the vertical faces of supports, or between the expansion. At high temperatures, creep and stress ends of solid or hollow core slab units does not ex- relaxation play an important role. Nevertheless, ceed 0.25 percent of the length for normal weight the thrust is generally great enough to increase the concrete members or 0.1 percent of the length for fire endurance significantly, in some instances by structural lightweight concrete members”. more than 2 hours. In most fire tests of restrained Sketches illustrating typical conditions de- assemblies, the fire endurance is determined by scribed above are shown in Figure 6.4.3. 6- -12
  • 116.
    Fig. 6.4.2. Examplesof typical restrained and unrestrained construction classifications (from Appendix X3 of ASTM E119-88) I. Wall Bearing: Single span and simply supported end spans of multiple baysa (1) Open-web steel joists or steel beams, supporting concrete slab, precast units or metal decking unrestrained (2) Concrete slabs, precast units or metal decking unrestrained Interior spans of multiple bays: (1) Open-web steel joists, steel beams or metal decking, supporting continuous concrete slab restrained (2) Open-web steel joists or steel beams, supporting precast units or metal decking unrestrained (3) Cast-in-place concrete slab systems restrained (4) Precast concrete where the potential thermal expansion is resisted by adjacent constructionb restrained II. Steel Framing: (1) Steel beams welded, riveted, or bolted to the framing members restrained (2) All types of cast-in-place floor and roof systems (such as beam-and-slabs, flat slabs, pan joints, and waffle slabs) where the floor or roof system is secured to the framing members restrained (3) All types of prefabricated floor or roof systems where the structural members are secured to the framing members and the potential thermal expansion of the floor or roof system is resisted by the framing system or the adjoining floor or roof constructionb restrained III. Concrete Framing: (1) Beams securely fastened to the framing members restrained (2) All types of cast-in-place floor or roof systems (such as beam-and-slabs, flat slabs, pan joists, and waffle slabs) where the floor system is cast with framing members restrained (3) Interior and exterior spans of precast systems with cast-in-place joints resulting in restraint equivalent to that which would exist in condition III(1) restrained (4) All types of prefabricated floor or roof systems where the structural members are secured to such systems and the potential thermal expansion of the floor or roof system is resisted by the framing system or the adjoining floor or roof constructionb restrained IV. Wood Construction All Types unrestrained aFloor and roof systems can be considered restrained when they are tied into walls with or without tie beams, the walls being designed and detailed to resist thermal thrust from the floor or roof system. bFor example, resistance to potential thermal expansion is considered to be achieved when: (1) Continuous structural concrete topping is used. (2) The space between the ends of precast units or between the ends of units and the vertical face of supports is filled with concrete or mortar. (3) The space between the ends of precast units and the vertical faces of supports, or between the ends of solid or hollow core slab units does not exceed 0.25 percent of the length for normal weight concrete members or 0.1 percent of the length for structural lightweight concrete members. Fig. 6.4.3. Typical examples of restrained floors or roofs of precast construction Hollow-Core Slabs or Double Tees c1 c2 Hollow-Core or Solid Slabs c1 c2 To be considered as restrained: c1 + c2 < 0.0025 ℓ for normal weight concrete c1 + c2 < 0.0010 ℓ for lightweight concrete Example: Determine maximum value of c1 + c2 for normal weight hollow core slabs with a clear span of 30 ft Solution: c1 + c2 = 0.0025(30 x 12) = 0.90 in 6- -13
  • 117.
    Example 6.4.1 strength, the assembly will generally be satisfac- Hollow core floor slabs were installed in a tory structurally. building several years ago when a 1 hr. fire endur- ance was required. The occupancy of the building will be changed and the floors must qualify for a 3 hr. fire endurance. What can be done to upgrade the fire endurance? Given: Slabs are 4 ft wide, 8 in deep, prestressed with five 3/8 in 270 ksi strands located 1 in above the bottom of the slab, and span 24 ft. Slabs are made with 5000 psi siliceous aggregate concrete, have an equivalent thickness of 3.75 in, and weigh 47 psf. The slabs are untopped and the superimposed load will be 50 psf. Solution: There are a number of possible solutions. The appropriate solution will depend on architectural or functional requirements and economics. For some parts of the building, the slabs might be made to qualify as “restrained” in accordance with Figure 6.4.2 and Figure 6.4.3, in which case those slabs would qualify structurally for 3 hours, but would still have to be upgraded to qualify for 3 hours by heat transmission. A gypsum wallboard ceiling installed as shown in Figure 6.2.3 would provide three hours both structurally and for heat transmission. Calcula- tions of the ultimate capacity and stresses should be made to assure that the added weight of the ceil- ing can be adequately supported. A spray-applied undercoating of vermiculite cementitious material or sprayed mineral fiber can also be used. For heat transmission, the re- quired thickness for three hours of undercoating is 0.6 in (see Figure 6.2.2.1). From Figure 6.3.2, it can be seen that with a thickness of 0.6 in of VCM or SMF, the equivalent thickness of concrete cov- er is more than 2 in. Thus, the equivalent “u” dis- tance is more than 2 in plus 1 in or more than 3 in. From Figure 6.3.1.4, with u more than 3 in, the strand temperature will be less than 600 degrees F at three hours, so the strength of the prestressing steel will be 65% of its 70 degrees F strength (Fig- ure 6.3.1.5) or more than 0.65 x 270 = 175.5 ksi. Calculations can be made in accordance with the procedures in the section headed “Simply Sup- ported Slabs”, but if the strand strength is reduced less than about 50% of its room temperature 6- -14
  • 118.
    CHAPTER 7 ACOUSTICAL PROPERTIES OF HOLLOW CORE FLOOR SLABS 7.1 Glossary Room Criteria (RC) Curves - a revision of the NC Airborne Sound - sound that reaches the point of curves based on empirical studies of background interest by propagation through air. sounds. Background Level - the ambient sound pressure Sabin - the unit of measure of sound absorption level existing in a space. (ASTM C423). Decibel (dB) - a logarithmic unit of measure of Sound Absorption Coefficient (α) - the fraction of sound pressure or sound power. Zero on the deci- randomly incident sound energy absorbed or bel scale corresponds to a standardized references otherwise not reflected off a surface (ASTM pressure (20 µPa) or sound power (10-12 watt). C423). Sound Pressure Level (SPL) - ten times the com- Flanking Transmission - transmission of sound by mon logarithm of the ratio of the square of the indirect paths other than through the primary bar- sound pressure to the square of the standard refer- rier. ence pressure of 20 µPa. Commonly measured Frequency (Hz) - the number of complete vibra- with a sound level meter and microphone, this tion cycles per second. quantity is expressed in decibels. Impact Insulation Class (IIC) - a single figure rat- Sound Transmission Class (STC) - the single ing of the overall impact sound insulation merits number rating system used to give a preliminary of floor-ceiling assemblies in terms of a reference estimate of the sound insulation properties of a contour (ASTM E989). partition system. This rating is derived from mea- sured values of transmission loss (ASTM E413). Impact Noise - the sound produced by one object Sound Transmission Loss (TL) - ten times the striking another. common logarithm of the ratio, expressed in deci- Noise - unwanted sound. bels, of the airborne sound power incident on the partition that is transmitted by the partition and ra- Noise Criteria (NC) - a series of curves, used as diated on the other side (ASTM E90). design goals to specify satisfactory background Structureborne Sound - sound that reaches the sound levels as they relate to particular use func- point of interest over at least part of its path by tions. vibration of a solid structure. Noise Reduction (NR) - the difference in decibels between the space-time average sound pressure 7.2 General levels produced in two enclosed spaces by one or The basic purpose of architectural acoustics is more sound sources in one of them. to provide a satisfactory environment in which de- Noise Reduction Coefficient (NRC) - the arithme- sired sounds are clearly heard by the intended lis- tic average of the sound absorption coefficients at teners and unwanted sounds (noise) are isolated or 250, 500, 1000 and 2000 Hz expressed to the near- absorbed. est multiple of 0.05 (ASTM C423). Under most conditions, the architect/ engineer can determine the acoustical needs of the space Reverberation - the persistence of sound in an en- and then design the building to satisfy those closed or partially enclosed space after the source needs. Good acoustical design utilizes both ab- of sound has stopped. sorptive and reflective surfaces, sound barriers 7- -1
  • 119.
    and vibration isolators.Some surfaces must re- introduce resilient layers or discontinuities into flect sound so that the loudness will be adequate in the barrier. all areas where listeners are located. Other sur- Sound absorbing materials and sound insulat- faces absorb sound to avoid echoes, sound distor- ing materials are used for different purposes. tion and long reverberation times. Sound is iso- There is not much sound absorption from an 8 in lated from rooms where it is not wanted by se- (200 mm) hollow core concrete slab; similarly, lected wall and floor-ceiling constructions. high sound insulation is not available from a po- Vibration generated by mechanical equipment rous lightweight material that may be applied to must be isolated from the structural frame of the room surfaces. It is important to recognize that the building. basic mechanisms of sound absorption and sound Most acoustical situations can be described in insulation are quite different. terms of: (1) sound source, (2) sound transmis- sion path, and (3) sound receiver. Sometimes the 7.4 Sound Transmission Loss source strength and path can be controlled and the Sound transmission loss measurements are receiver made more attentive by removing dis- made at 16 frequencies at one-third octave inter- traction or made more tolerant of disturbance. vals covering the range from 125 to 4000 Hz. The Acoustical design must include consideration of testing procedure is ASTM Specification E90, these three elements. Laboratory Measurement of Airborne Sound Transmission Loss of Building Partitions. To sim- 7.3 Approaching the Design Process plify specification of desired performance charac- Criteria must be established before the acousti- teristics, the single number Sound Transmission cal design of a building can begin. Basically a sat- Class (STC) was developed. isfactory acoustical environment is one in which Airborne sound reaching a floor or ceiling pro- the character and magnitude of all sounds are duces vibration in the slab and is radiated with re- compatible with the intended space function. duced intensity on the other side. Airborne sound Although a reasonable objective, it is not al- transmission loss of a floor-ceiling assembly is a ways easy to express these intentions in quantita- function of its weight, stiffness and vibration tive terms. In addition to the amplitude of sound, damping characteristics. the properties such as spectral characteristics, Weight is concrete’s greatest asset when it is continuity, reverberation and intelligibility must used as a sound insulator. For sections of similar be specified. design, but different weights, the STC increases People are highly adaptable to the sensations of approximately 6 units for each doubling of weight heat, light, odor, sound, etc. with sensitivities va- as shown in Figure 7.4.1. rying widely. The human ear can detect a sound Fig. 7.4.1 Sound Transmission Class as a intensity of rustling leaves, 10 dB, and can toler- function of weight of floor ate, if even briefly, the powerful exhaust of a jet engine at 120 dB, 1012 times the intensity of the 65 Sound Transmission Class (STC) rustling sound. 60 7.3.1 Dealing with Sound Levels hollow core slabs 55 The problems of sound insulation are usually considerably more complicated than those of 50 sound absorption. The former involves reduc- STC = 0.1304 W + 43.48 tions of sound level, which are of the greater or- statistical tolerance + 2.5 STC _ 45 ders of magnitude than can be achieved by absorp- tion. These reductions of sound level from space to space can be achieved only by continuous, im- 40 40 50 60 70 80 90 100 pervious barriers. If the problem also involves Weight Per Unit Area, psf structure borne sound, it may be necessary to 7- -2
  • 120.
    Fig. 7.4.2 Acousticaltest data of hollow core slabs (normal weight concrete) Sound Transmission Loss Impact Insulation 70 70 8 in. hollow core (bare).IIC-28 6 in. hollow core (bare).IIC-23 60 60 8 in. hollow core. STC-50 Impact Sound Pressure Level dB Sound Transmission Loss, dB 50 50 40 40 6 in. hollow core 6 in. hollow core. STC-48 with carpet and pad. IIC-69 30 30 8 in. hollow core with carpet and pad. IIC-73 20 20 10 10 125 315 125 315 100 160 200 250 400 500 630 800 1000 1250 1600 2000 2500 3150 4000 5000 100 160 200 250 400 500 630 800 1000 1250 1600 2000 2500 3150 4000 5000 Frequency, Hz Precast concrete floors and roofs usually do not The test method used to evaluate systems for need additional treatments in order to provide ad- impact sound insulation is described in ASTM equate sound insulation. If desired, greater sound Specification E492, Laboratory Measurement of insulation can be obtained by using a resiliently Impact Sound Transmission Using the Tapping attached layer(s) of gypsum board or other build- Machine. As with the airborne standard, mea- ing material. The increased transmission loss oc- surements are made at 16 one-third octave inter- curs because the energy flow path is now in- vals but in the range from 100 to 3150 Hz. For per- creased to include a dissipative air column and formance specification purposes, the single num- additional mass. ber Impact Insulation Class (IIC) is used. The acoustical test results of both airborne Hollow core floors in combination with resil- sound transmission loss and impact insulation of 6 ient materials effectively control impact sound. and 8 in (150 and 200 mm) hollow core slabs are One simple solution consists of good carpeting on shown in Figure 7.4.2. Table 7.4.1 presents the resilient padding. Table 7.4.1 shows that a carpet ratings for various floor-ceiling assemblies. and pad over a bare slab will significantly increase the impact noise reduction. The overall efficiency varies according to the characteristics of the car- 7.5 Impact Noise Reduction peting and padding such as resilience, thickness Footsteps, dragged chairs, dropped objects, and weight. So called resilient flooring materials, slammed doors, and plumbing generate impact such as linoleum, rubber, asphalt vinyl, etc. are noise. Even when airborne sounds are adequately not entirely satisfactory directly on concrete, nor controlled there can be severe impact noise prob- are parquet or strip wood floors when applied di- lems. rectly. Impact sound also may be controlled by 7- -3
  • 121.
    Table 7.4.1 Airbornesound transmission and impact insulation class ratings from laboratory tests of hollow core slab floor-ceiling assemblies Assembly No. Description STC IIC 1. 6 in (150 mm) hollow core slabs 48 23 2. Assembly 1 with carpet and pad 48 69 3. Assembly 1 with 1/2 in (13 mm) wood block flooring adhered directly 48 48 4. Assembly 1 with 1/2 in (13 mm) wood block flooring adhered to 1/2 in (13 mm) sound-deadening board underlayment adhered to concrete 49 49 5. Assembly 1 with 3/4 in (19 mm) gypsum concrete 50 41 6. Assembly 1 with 3/4 in (19 mm) gypsum concrete on 1/2 in (13 mm) sound- deadening board underlayment adhered to concrete 50 50 7. Assembly 1 with carpet and pad on 3/4 in (19 mm) gypsum concrete on 1/ in (13 mm) sound-deadening board underlayment adhered to concrete 50 72 2 8. 8 in (200 mm) hollow core slabs 50 28 9. Assembly 8 with carpet and pad 50 73 10. Assembly 8 with 1/2 in (13 mm) wood block flooring adhered directly 51 47 11. Assembly 8 with 1/2 in (13 mm) wood block flooring adhered to 1/2 in (13 mm) sound-deadening board underlayment adhered to concrete 52 54 12. Assembly 8 with 1/2 in (13 mm) wood block flooring adhered to 1/2 in (13 mm) plywood adhered to 7/16 in (11 mm) sound-deadening board underlayment adhered to concrete 52 55 13. Assembly 8 with 5/16 in (8 mm) wood block flooring adhered to 1/4 in (6 mm) polystyrene underlayment adhered to concrete 50 51 14. Assembly 8 with vinyl tile adhered to 1/2 in (13 mm) plywood adhered to 7/ in (11 mm) sound-deadening board underlayment adhered to concrete 50 55 16 15. Assembly 8 with vinyl tile adhered to 1/4 in (6 mm) inorganic felt supported cushion underlayment adhered to concrete 50 51 16. Assembly 8 with vinyl tile adhered to 1/8 in (3 mm) polyethylene foam under- layment adhered to concrete 50 58 17. Assembly 8 with 1 1/2 in (38 mm) concrete topping with carpet and pad 50 76 18. Assembly 8 with 1 1/2 in (38 mm) concrete topping with vinyl tile adhered to concrete 50 44 19. Assembly 8 with 1 1/2 in (38 mm) concrete topping with vinyl tile adhered to 3/8 in (9 mm) plywood adhered to 1/2 in (13 mm) sound-deadening board adhered to concrete 52 55 20. Assembly 8 with 1 1/2 in (38 mm) concrete with 1/2 in (13 mm) wood block flooring adhered to 1/2 in (13 mm) sound-deadening board adhered to concrete 51 53 21. Assembly 8 with 1 1/2 in (38 mm) concrete with 5/16 in (8 mm) wood block flooring adhered to foam backing adhered to concrete 51 54 22. Assembly 8 with 3/4 in (19 mm) gypsum concrete with 5/16 in (8 mm) wood block flooring adhered to foam backing adhered to concrete 50 53 23. Assembly 11 with acoustical ceiling 59 61 24. Assembly 8 with quarry tile, 1 1/4 in (32 mm) reinforced mortar bed with 0.4 in (10 mm) nylon and carbon black spinerette matting 60 54 25. Assembly 24 with suspended 5/8 in (16 mm) gypsum board ceiling with 3 1/2 in (90 mm) insulation 61 62 7- -4
  • 122.
    providing a discontinuityin the structure such as same, regardless of the original sound pressure would be obtained by adding a resilient-mounted level and depends only on the absorption ratio. plaster or drywall suspended ceiling. This is due to the fact that the decibel scale is itself a scale of ratios, rather than difference in sound 7.6 Absorption of Sound energy. A sound wave always loses part of its energy as While a decibel difference is an engineering it is reflected by a surface. This loss of energy is quantity which can be physically measured, it is termed sound absorption. It appears as a decrease also important to know how the ear judges the in sound pressure of the reflected wave. The change in sound energy due to sound condition- sound absorption coefficient is the fraction of en- ing. Apart from the subjective annoyance factors ergy incident but not reflected per unit of surface associated with excessive sound reflection, the ear area. Sound absorption can be specified at indi- can make accurate judgments of the relative loud- vidual frequencies or as an average of absorption ness between sounds. An approximate relation coefficients (NRC). between percentage loudness, reduction of re- A dense, non-porous concrete surface typically flected sound and absorption ratio is plotted in absorbs 1 to 2% of incident sound and has an NCR Figure 7.6.2 of 0.015. In the case where additional sound ab- The percentage loudness reduction does not de- sorption of precast concrete is desired, a coating pend on the original loudness, but only on the ab- of acoustical material can be spray applied, acous- sorption ratio. (The curve is drawn for loudness tical tile can be applied with adhesive, or an acous- within the normal range of hearing and does not tical ceiling can be suspended. Most of the spray apply to extremely faint sounds.) Referring again applied fire retardant materials used to increase to the absorption ratio of 5, the loudness reduction the fire resistance of precast concrete and other is read from Figure 7.6.2 as approximately 40 per- floor-ceiling systems can also be used to absorb cent. sound. The NCR of the sprayed fiber types range from 0.25 to 0.75. Most cementitious types have 7.7 Acceptable Noise Criteria an NCR from 0.25 to 0.50. As a rule, a certain amount of continuous sound If an acoustical ceiling were added to Assem- can be tolerated before it becomes noise. An “ac- bly 11 of Table 7.4.1 (as in Assembly 23), the ceptable” level neither disturbs room occupants sound entry through a floor or roof would be re- nor interferes with the communication of wanted duced 7dB. In addition, the acoustical ceiling sound. would absorb a portion of the sound after entry The most widely accepted and used noise crite- and provide a few more decibels of quieting. Use ria today are expressed as the Noise Criterion of the following expression can be made to deter- (NC) curves, Figure 7.7.1a. The figures in Table mine the intra-room noise or loudness reduction 7.7.1 represent general acoustical goals. They can due to the absorption of sound. also be compared with anticipated noise levels in Ao + Aa specific rooms to assist in evaluating noise reduc- NR = 10 log (Eq. 7.6.1) Aa tion problems. where The main criticism of NC curves is that they are NR = sound pressure level reduction, dB too permissive when the control of low or high Ao = original absorption, Sabins frequency noise is of concern. For this reason, Room Criterion (RC) Curves were developed Aa = added absorption, Sabins (Figure 7.7.1b).39,40 RC curves are the result of Values for Ao and Aa are the products of the ab- extensive studies based on the human response to sorption coefficients of the various room materi- both sound pressure level and frequency and take als and their surface areas. into account the requirements for speech intelligi- A plot of this equation is shown in Figure 7.6.1. bility. For an absorption ratio of 5, the decibel reduction A low background level obviously is necessary is 7dB. Note that the decibel reduction is the where listening and speech intelligibility is im- 7- -5
  • 123.
    Fig. 7.6.1 Relationof decibel reduction of Fig. 7.7.1b RC (Room Criteria) Curves reflected sound to absorption ratio Octave Band Sound Pressure Level, dB re 20 micropascals 90 14 A 12 80 B 10 SPL Reduction, dB 70 8 6 60 4 50 RC 2 40 50 0 C 0 2 4 6 8 10 12 14 16 18 20 45 Absorption Ratio, A2 /A1 30 40 35 20 30 Fig. 7.6.2 Relation of percent loudness reduction 25 of reflected sound to absorption ratio 10 16 31.5 63 125 250 500 1000 2000 4000 Octave Band Center Frequencies, Hz Percent Loudness Reduction 60 50 Region A: High probability that noise-induced vibration levels in 40 lightweight wall/ceiling constructions will be clearly feelable; antic- 30 ipate audible rattles in light fixtures, doors, windows, etc. Region B: Noise-induced vibration levels in lightweight wall/ceil- 20 ing constructions may be moderately feelable; slight possibility of rattles in light fixtures, doors, windows, etc. 10 Region C: Below threshold of hearing for continuous noise. 0 0 2 4 6 8 10 12 14 16 18 20 Absorption Ratio, A 2 /A 1 portant. Conversely, higher levels can persist in large business offices or factories where speech Fig. 7.7.1a NC (Noise Criteria) Curves communication is limited to short distances. Often it is just as important to be interested in the Octave Band Sound Pressure Level, dB re 20 micropascals 90 minimum as in the maximum permissible levels of Table 7.7.1. In an office or residence, it is desir- 80 able to have a certain ambient sound level to as- 70 sure adequate acoustical privacy between spaces, NC-65 thus, minimizing the transmission loss require- 60 NC-60 ments of unwanted sound (noise). NC-55 These undesirable sounds may be from an exte- 50 NC-50 NC-45 rior source such as automobiles or aircraft, or they 40 NC-40 may be generated as speech in an adjacent class- NC-35 room or music in an adjacent apartment. They 30 NC-30 may be direct impact-induced sound such as foot- Approximate threshold of NC-25 falls on the floor above, rain impact on a light- 20 hearing for NC-20 continuous NC-15 weight roof construction or vibrating mechanical noise 10 equipment. 63 125 250 500 2000 8000 Octave Band Center Frequencies, Hz 7- -6
  • 124.
    Thus, the designermust always be ready to ac- Table 7.7.1 Recommended category classi- cept the task of analyzing the many potential fication and suggested Noise sources of intruding sound as related to their fre- Criteria range for steady back- quency characteristics and the rates at which they ground noise as heard in various occur. The level of toleration that is to be expected in-door functional activity by those who will occupy the space must also be areas*39 established. Figures 7.7.2 and 7.7.3 are the spec- NC OR RC tral characteristics of common noise sources. TYPE OF SPACE CURVE Fig. 7.7.2 Sound pressure levels - exterior noise 1. Private residences 25 to 30 sources 2. Apartments 30 to 35 120 3. Hotels/motels jet aircraft takeoff 500 ft a. Individual rooms or suites 30 to 35 b. Meeting/banquet rooms 30 to 35 100 bus c. Halls, corridors, lobbies 35 to 40 d. Service/support areas 40 to 45 Sound Pressure Level, dB propeller aircraft 80 takeoff-500 ft 4. Offices heavy truck - 20 ft a. Executive 25 to 30 60 b. Conference rooms 25 to 30 automobiles - 20 ft c. Private 30 to 35 40 d. Open-plan areas 35 to 40 e. Computer/business machine areas 40 to 45 20 f. Public circulation 40 to 45 5. Hospitals and clinics 0 63 125 250 500 1000 2000 4000 8000 a. Private rooms 25 to 30 Frequency, Hz. b. Wards 30 to 35 c. Operating rooms 25 to 30 d. Laboratories 30 to 35 Fig. 7.7.3 Sound pressure levels - interior noise e. Corridors 30 to 35 sources f. Public areas 35 to 40 6. Churches 25 to 30** 120 7. Schools riveting a. Lecture and classrooms 25 to 30 b. Open-plan classrooms 30 to 35** 100 8. Libraries 30 to 35 stero phonograph teenager level 9. Concert Halls ** Sound Pressure Level, dB typical office 80 10. Legitimate theatres ** 11. Recording studios ** 60 business machine 12. Movie theatres 30 to 35 tabulating room bed or dining room * Design goals can be increased by 5 dB when 40 kitchen dictated by budget constraints or when noise intrusion from other sources represents a lim- 20 iting condition. **An acoustical expert should be consulted for 0 guidance on these critical spaces. 63 125 250 500 1000 2000 4000 8000 Frequency, Hz. 7- -7
  • 125.
    Sound Pressure Level- (dB) Frequency (Hz) 63 125 250 500 1000 2000 4000 8000 Stereo Source Noise (teenager) 60 72 84 82 82 80 75 60 (Figure 7.7.3) Bedroom Room Criteria 50 45 40 35 30 25 20 15 RC 30 (Figure 7.7.l) Required Insulation 10 27 44 47 52 55 55 45 Sound Pressure Level - (dB) Frequency (Hz) 125 250 500 1000 2000 4000 Required Insulation 27 44 47 52 55 55 8 in H.C. (Figure 7.4.2) 34 39 46 53 59 64 Deficiencies -- -- 5 1 -- -- -- -- -- -- With these criteria, the problem of sound isola- termined analytically by (1) identifying exterior tion now must be solved, namely, the reduction and/or interior noise sources, and (2) by establish- process between the high unwanted noise source ing acceptable interior noise criteria. and the desired ambient level. For this solution, two related yet mutually exclusive processes must Example 7.8.1 be incorporated, i.e., sound transmission loss and Assume a precast prestressed concrete apart- sound absorption. ment building with hollow core floor slabs. The first step is to determine the degree of acoustical 7.8 Establishment of Noise Insulation objec- insulation required of the floor-ceiling assembly tives by using Figures 7.4.1 and 7.7.3 Often acoustical control is specified as to the The 500 Hz requirement, 47 dB, can be used as minimum insulation values of the dividing parti- the first approximation of the floor STC category. tion system. Municipal building codes, lending The selected floor should meet or exceed the institutions and the Department of Housing and insulation needs at 11 frequencies. However, to Urban Development (HUD) list both airborne achieve the most efficient design conditions, cer- STC and impact IIC values for different living en- tain limited deficiencies can be tolerated. Experi- vironments. For example, the HUD minimum ence has shown that the maximum deficiencies property standards41 are: are 3 dB on one frequency point. LOCATION STC IIC 7.9 Leaks and Flanking The performance of a building section with an Between living units 45 45 otherwise adequate STC can be seriously reduced Between living units and 50 50 by a relatively small hole or any other path which public space allows sound to bypass the acoustical barrier. All noise which reaches a space by paths other than Once the objectives are established, the design- through the primary barrier is called flanking. er then should refer to available data, e.g., Fig. Common flanking paths are openings around 7.4.2 or Table 7.4.1 and select the system which doors or windows, at electrical outlets, telephone best meets these requirements. In this respect, and television connections, and pipe and duct pe- concrete systems have superior properties and netrations. Suspended ceilings in rooms where can, with minimal effort, comply with these crite- walls do not extend from the ceiling to the roof or ria. When the insulation value has not been speci- floor above allow sound to travel to adjacent fied, selection of the necessary barrier can be de- rooms. 7- -8
  • 126.
    Fig. 7.9.1 Effectof safing insulation seals structure is much less than in one of steel or wood frame. concrete floor In addition to using basic structural materials, inorganic mineral wool flanking paths can be minimized by: insulation 1. Interrupting the continuous flow of energy with dissimilar material, i.e., expansion or con- exterior wall trol joints or air gaps. steel bent plate gap 2. Increasing the resistance to energy flow with floating floor systems, full height and/or Combined double partitions and suspended ceilings. Transmission Loss No closure 14 STC 7.10 Human Response to Building Vibrations With steel vent plate closure 28 STC Modern buildings often use components with With 4 in thick safing insulation 30 STC steel bent plate added 42 STC low weight-to-strength ratios, which allow longer With 6 in thick safing insulation 38 STC spans with less mass. This trend increasingly re- steel bent plate added 45 STC sults in transient vibrations which are annoying to the occupants. Unlike equipment vibration, a per- son often causes the vibration and also senses it. Anticipation and prevention of leaks begins at These vibrations usually have very small ampli- the design stage. Flanking paths (gaps) at the pe- tudes (less than 0.05 in [1 mm]) and were not not- rimeters of interior precast walls and floors are iced in older structures with heavier framing and generally sealed during construction with grout or more numerous and heavier partitions, which pro- drypack. In addition, all openings around pe- vided greater damping and other beneficial dy- netrations through walls or floors should be as namic characteristics. small as possible and must be sealed airtight. The This problem is not well understood. Predict- higher the STC of the barrier, the greater the effect ing human response to floor motion and the dy- of an unsealed opening. namic response to floor motion and the dynamic Perimeter leakage more commonly occurs at response of a floor system to moving loads are de- the intersection between an exterior curtain wall veloping technologies. A number of discomfort and floor slab. It is of vital importance to seal this criteria have been published44-51, but they often gap in order to retain the acoustical integrity of the give contradictory results. system as well as provide the required fire stop be- The vibration problem is most effectively tween floors. One way to achieve this seal is to treated by modifying the structural system. The place a 4 pcf (64 kg/m3) density mineral wood natural period (or its inverse, frequency), stiff- blanket between the floor slab and the exterior ness, mass, and damping are the structural param- wall. Figure 7.9.1 demonstrates the acoustical eters related to vibration control. Stiffness is in- isolation effects of this treatment. creased by providing greater section properties In exterior walls, the proper application of seal- than may be required for supporting loads. An in- ant and backup materials in the joints between crease in mass improves the natural frequency, but units will not allow sound to flank the wall. increases deflections and stresses, so by itself is If the acoustical design is balanced, the maxi- only partially effective in controlling vibrations. mum amount of acoustic energy reaching a space For example, increasing the depth of a flexural via flanking should not equal the energy trans- member will aid greatly in vibration control, but mitted through the primary barriers. increasing the width will not. Although not easily quantified, an inverse rela- Recent research has emphasized the effect that tionship exists between the performance of an ele- damping plays in the human perception of vibra- ment as a primary barrier and its propensity to tion. In a study of 91 floor systems it was con- transmit flanking sound. In other words, the prob- cluded that with damping greater than 5.5 to 6 per- ability of existing flanking paths in a concrete cent of critical, structural systems were accept- 7- -9
  • 127.
    able; systems withless were not46. Damping is From the above, the required static deflection usually attributed to the existence of partitions, of an isolator can be determined as follows: supported mechanical work, ceilings and similar items, but is really not well understood. Guides fn = fd/3 = 188 1∕∆ i or for quantifying damping effect are scarce, and ∆i = (564/fd)2 (Eq. 7.11.2) those that are available are very approximate49-51. and: 7.11 Vibration Isolation for Mechanical Equipment ∆f ≤ 0.15 ∆i (Eq. 7.11.3) Vibration produced by equipment with unbal- where: anced operating or starting forces can usually be isolated from the structure by mounting on a fd = driving frequency of the equipment heavy concrete slab placed on resilient supports. This type of slab, called an inertia block, provides ∆f = static deflection of the floor system caused a low center of gravity to compensate for thrusts by the weight of the equipment, including such as those generated by large fans. inertia block, at the location of the equip- For equipment with less unbalanced weight, a ment. “housekeeping” slab is sometimes used below the resilient mounts to provide a rigid support for the mounts and to keep them above the floor so they are easier to clean and inspect. This slab may also Example 7.11.1 - Vibration Isolation be mounted on pads of precompressed glass fiber Given: or neoprene. A piece of mechanical equipment has a driving The natural frequency of the total load on resil- frequency of 800 CPM. ient mounts must be well below the frequency Problem: generated by the equipment. The required weight of an inertia block depends on the total weight of Determine the approximate minimum deflec- the machine and the unbalanced force. For a long tion of the isolator and the maximum deflection of stroke compressor, five to seven times its weight the floor system that should be allowed. might be needed. For high pressure fans, one to Solution: five times the fan weight is usually sufficient. Isolator, ∆i = (564/800)2 = 0.50 in. A floor supporting resiliently mounted equip- Floor, ∆f = 0.15(0.50) = 0.07 in. ment must be much stiffer than the isolation sys- tem. If the static deflection of the floor ap- Additional Bibliography proaches the static deflection of the mounts, the L.L. Beranek; Noise Reduction, McGraw-Hill floor becomes a part of the vibrating system, and Book Co., New York, 1960. little vibration isolation is achieved. In general, the floor deflection should be limited to about 15 Ceramic Tile Institute of America and American percent of the deflection of the mounts. Enka Company unpublished floor/ceiling tests. Simplified theory shows that for 90% vibration isolation, a single resilient supported mass (isola- C.M. Harris, Handbook of Noise Control, tor) should have a natural frequency of about 1/3 McGraw-Hill Book Co., New York, 1967. the driving frequency of the equipment. The natu- ral frequency of this mass can be calculated by:52 C.M. Harris, C.E. Crede; Shock & Vibration Handbook - 2nd ed., McGraw-Hill Book Co., fn = 188 1∕∆ i (Eq. 7.11.1) New York, 1976. where: A. Litvin, H.W. Belliston; “Sound Transmission fn = natural frequency of the isolator, CPM Loss Through Concrete and Concrete Masonry ∆i = static deflection of the isolator, in Walls”, ACI Journal, December, 1978. 7- -10
  • 128.
    CHAPTER 8 GUIDE SPECIFICATION FOR PRECAST, PRESTRESSED HOLLOW CORE SLABS This Guide Specification is intended to be used as a basis for the development of an office master specification or in the preparation of specifications for a particular project. In either case, this Guide Specification must be edited to fit the conditions of use. Particular attention should be given to the deletion of inapplicable provisions. Necessary items related to a particular project should be included. Also, appropriate requirements should be added where blank spaces have been provided The Guide Specifications are on the left. Notes to Specifiers are on the right. GUIDE SPECIFICATIONS NOTES TO SPECIFIERS 1. GENERAL 1.01 Description A. Work Included: 1.01.A This Section is to be in Division 3 of Construction Specifications Institute format. 1. These specifications cover manufacture, transportation, and erection of precast, prestressed concrete hollow core slabs in- cluding grouting of joints between adja- cent slab units. B. Related Work Specified Elsewhere: 1. Cast-in-Place Concrete: Section 1.01.B.1 Includes structural or non-structural _________. topping. See Section 2.5 for discussion of com- posite, structural topping. 2. Architectural Precast Concrete: Section _________. 3. Precast Structural Concrete: Section 1.01.B.3 Beams, columns, etc. _________. Prestressed concrete may be specified in Section _________. 4. Structural Metal Framing: Section 1.01.B.4 Includes support framework not sup- _________. plied by Hollow Core Slab Manufacturer. 5. Masonry Bearing Walls: Section 1.01.B.5 Include any inserts or anchoring de- _________. vices required for slab connections. 6. Underlayments: Section_________. 1.01.B.6 Underlayment may be any of the follow- ing general types: asphaltic concrete, gypsum concrete, latex concrete, mastic underlayment. 8- -1
  • 129.
    GUIDE SPECIFICATIONS NOTES TO SPECIFIERS 7. Caulking and Sealants: Section 1.01.B.7 Caulking between slab edges at exposed _________. underside of floor members and/or perimeter caulking may be included in this section. 8. Holes for Mechanical Equipment: Sec- 1.01.B.8 Holes may be drilled or cut and trimmed tion _______. with a chisel. Cut outline of hole through lower portion of slab from underside, after which the top side may be removed from above. Do not cut pre- stressing strand without permission of engineer. 9. Painting: Section _________. 1.01.B.9 Prime coat should be a latex base paint. Finish coat may be an oil base, flat wall or emulsi- fied finish 10. Carpet and Pad: Section _________. 1.01.B.10 Specify minimum 55 oz. pad when no cast-in-place topping is used 11. Roofing and Roof Insulation: 1.01.B.11 Non-absorbent rigid board insulation Section _________. 1” or more in thickness should be used on roofs. Check local energy code for exact requirements. 1.02 Quality Assurance A. The precast concrete manufacturing plant 1.02.A Structural Precast Products must meet the shall be certified by the Precast/Prestressed requirements of PCI Manual, MNL-116. Concrete Institute (PCI) Plant Certification Program. Manufacturer shall be certified at In Canada, the manufacture, transportation and the time of bidding in Category C2. erection of precast prestressed hollow core slabs is governed by the Canadian Standards Associa- tion Standard A23.4-94, “Precast Concrete - Ma- terials and Construction”. Assurance of plant capability to produce quality precast concrete products is set by the CSA Stan- dard A23.4-94. This Standard forms the basis of a certification program which sets rigid capability criteria for precast manufacturers, their person- nel and operations. B. Erector Qualifications: Regularly engaged 1.02.B Usually 2 to 5 years. for at least _______ years in the erection of precast structural concrete similar to the re- quirements of this project. C. Qualifications of Welders: In accordance 1.02.C Qualified within the past year. with AWS D1.1. D. Testing: In general compliance with applica- ble provisions of Precast/Prestressed Con- crete Institute MNL-116, Manual for Quality Control for Plants and Production of Precast Prestressed Concrete Products. 8- -2
  • 130.
    GUIDE SPECIFICATIONS NOTES TO SPECIFIERS E. Requirements of Regulatory Agencies: All 1.02.E Always include the specific year or edi- local codes plus the following specifications, tion of the specifications, codes and standards standards and codes are a part of these specifi- used in the design of the project and made part of cations: the specifications. Fire safety and resistance re- 1. ACI 318-Building Code Requirements quirements are specified in local or model codes. for Structural Concrete. When required, fire rated products shall be clear- 2. AWS D1.1-Structural Welding Code - ly identified on the design drawings. Steel. For projects in Canada, the National Building 3. AWS D1.4-Structural Welding Code - Re- Code of Canada governs design. Canadian Stan- inforcing Steel. dards Association Standards A23.3-94, “Design 4. ASTM Specifications - As referred to in of Concrete Structures” and A23.4-94, “Precast Part 2 - Products, of this Specification. Concrete - Materials and Construction” also ap- ply. Fire resistance is specified in the National Building Code and the National Fire Code. 1.03 Submittals A. Shop Drawings 1. Erection Drawings a. Plans locating and defining all hollow 1.03.A.1.a Openings shown on erection draw- core slab units furnished by the ings are considered in the slab design. Verify slab manufacturer, with all openings larger adequacy for any other openings with the Engi- than 10 in (250 mm) shown and lo- neer of Record. cated. b. Sections and details showing connec- tions, edge conditions and support conditions of the hollow core slab units. c. All dead, live and other applicable loads used in the design. d. Estimated cambers. 1.03.A.1.d Floor slabs receiving cast-in-place topping. The elevation of top of floor and amount of concrete topping must allow for camber of pre- stressed concrete members. 2. Production Drawings 1.03.A.2 Production drawings are normally sub- a. Plan view of each hollow core slab mitted only upon request. unit type. b. Sections and details to indicate quanti- ties, location and type of reinforcing steel and prestressing strands. c. Lifting and erection inserts. d. Dimensions and finishes. e. Prestress for strand and concrete strength. 8- -3
  • 131.
    GUIDE SPECIFICATIONS NOTES TO SPECIFIERS f. Estimated camber at release. g. Method of transportation. B. Product Design Criteria 1.03 B and C Contract drawings normally will be 1. Loadings for design prepared using a local precast prestressed con- a. Initial handling and erection stresses. crete hollow core slab manufacturer’s design data b. All dead and live loads as specified on and load tables. Dimensional changes which the contract drawings would not materially affect architectural and c. All other loads specified for hollow structural properties or details usually are per- core slab units where applicable. missible. 2. Design calculations of products not com- Be sure that loads shown on the contract draw- pleted on the contract drawings shall be ings are easily interpreted. For instance, on mem- performed by a registered engineer expe- bers which are to receive concrete topping, be rienced in precast prestressed concrete sure to state whether all superimposed dead and design and submitted for approval upon live loads on precast prestressed members do or request. do not include the weight of the concrete topping. 3. Design shall be in accordance with ACI It is best to list the live load, superimposed dead 318 or applicable codes. load, topping weight, and weight of the member, C. Permissible Design Deviations all as separate loads. Where there are two differ- 1. Design deviations will be permitted only ent live loads (e.g., roof level of a parking struc- after the Architect/Engineer’s written ap- ture) indicate how they are to be combined. proval of the manufacturer’s proposed de- Where additional structural support is required sign supported by complete design cal- for openings, design headers in accordance with culations and drawings. hollow core slab manufacturer’s recommenda- 2. Design deviation shall provide an installa- tions. tion equivalent to the basic intent without incurring additional cost to the owner. D. Test Report: Reports of tests on concrete and other materials upon request. 2. PRODUCTS 2.01 Materials 2.01 Delete or add materials that may be re- quired for the particular job. A. Portland Cement: 1. ASTM C150 - Type I or III B. Admixtures: 2.01.B Verify ability of local producer to use ad- mixtures 1. Air-Entraining Admixtures: ASTM C260. 2. Water Reducing, Retarding, Accelerat- ing, High Range Water Reducing Admix- tures: ASTM C494. C. Aggregates: 1. ASTM C33 or C330. 8- -4
  • 132.
    GUIDE SPECIFICATIONS NOTES TO SPECIFIERS D. Water: Potable or free from foreign materials in amounts harmful to concrete and embedded steel. E. Reinforcing Steel: 1. Bars: 2.01.E.1 When welding of bars is required, weld- Deformed Billet Steel: ASTM A615. ability must be established to conform to AWS Deformed Rail Steel: ASTM A616. D1.4. Deformed Axle Steel: ASTM A617. Deformed Low Alloy Steel: ASTM A706. 2. Wire: Cold Drawn Steel: ASTM A82. F. Prestressing Strand: 2.01.F Low-relaxation strand is the predominant 1. Uncoated, 7-Wire, Stress-Relieved strand in use. References to stress-relieved strand Strand: ASTM A416 (including supple- are from the ASTM titles. ment) - Grade 250K or 270K. 2. Uncoated, Weldless 2- and 3-Wire Strand: ASTM A910 3. Indented, 7-Wire, Stress-Relieved Strand: ASTM A886 (including supplement) G. Welded Studs: In accordance with AWS D1.1. H. Structural Steel Plates and Shapes: ASTM 2.01.H When required for anchorage or lateral A36. bracing to structural steel members, some meth- ods of manufacturing hollow core slabs preclude the use of anchors and inserts I. Grout: 2.01.I Grout strengths of 2000 psi to 3000 psi 1. Cement grout: Grout shall be a mixture of (13.8 - 20.7 MPa) can generally be achieved with not less than one part portland cement to the proportions noted. Rarely is higher strength three parts fine sand, and the consistency grout required. Non-shrink grout is not required shall be such that joints can be completely for satisfactory performance of hollow core slab filled but without seepage over adjacent systems. surfaces. Any grout that seeps from the joint shall be completely removed before it hardens. J. Bearing Strips: 1. Random Oriented Fiber Reinforced: 2.01.J.1 Standard guide specifications are not Shall support a compressive stress of 3000 available for random-oriented, fiber-reinforced psi (20.7 MPa) with no cracking, splitting pads. Proof testing of a sample from each group or delaminating in the internal portions of of 200 pads is suggested. Normal design working the pad. One specimen shall be tested for stresses are 1500 psi (10.3 MPa), so the 3000 psi each 200 pads used in the project. (20.7 MPa) test load provides a factor of 2 over design stress. The shape factor for the test speci- mens should not be less than 2. 8- -5
  • 133.
    GUIDE SPECIFICATIONS NOTES TO SPECIFIERS 2. Plastic: Multi-monomer plastic strips 2.01.J.2 Plastic pads are widely used with hollow shall be non-leaching and support core slabs. Compression stress in use is not nor- construction loads with no visible overall mally over a few hundred psi and proof testing is expansion. not considered necessary. No standard guide specifications are available. 3. Tempered Hardboard. 2.01.J.3 Hardboard bearing strips should not be used in areas where undesirable staining is pos- sible or where bearing strips may be continually wet. 4. Untempered Hardboard 2.02 Concrete Mixes A. 28-day compressive strength: Minimum of 2.02.A and B Verify with local manufacturer. ____ psi. 5000 (35 MPa) psi for prestressed products is nor- B. Release strength: Minimum of ____ psi. mal practice, with release strength of 3000 psi (20.7 MPa). C. Use of calcium chloride, chloride ions or oth- er salts is not permitted. 2.03 Manufacture A. Manufacturing procedures shall be in com- pliance with PCI MNL-116. B. Manufacturing Tolerances: Manufacturing tolerances shall comply with PCI MNL-116. C. Openings: Manufacturer shall provide for 2.03.C This paragraph requires other trades to those openings 10 in (250 mm) round or field drill holes needed for their work, and such square or larger as shown on the structural trades should be alerted to this requirement drawings. Other openings shall be located through proper notation in their sections of the and field drilled or cut by the trade requiring specifications. Some manufacturers prefer to them after the hollow core slab units have install openings smaller than 10 in (250 mm) been erected. Openings and/or cutting of pre- which is acceptable if their locations are properly stressing strand shall be approved by Archi- identified on the contract drawings tect/Engineer and manufacturer before dril- ling or cutting. D. Patching: Will be acceptable providing the structural adequacy of the hollow core unit is not impaired. 3. EXECUTION 3.01 Product Deliver, Storage, and Handling A. Delivery and Handling: 8- -6
  • 134.
    GUIDE SPECIFICATIONS NOTES TO SPECIFIERS 1. Hollow core slab units shall be lifted and supported during manufacturing, stock- piling, transporting and erection opera- tions only at the lifting or supporting point, or both, as shown on the shop draw- ings, and with approved lifting devices. Lifting inserts shall have a minimum safe- ty factor of 4. Exterior lifting hardware shall have a minimum safety factor of 5. 2. Transportation, site handling, and erec- tion shall be performed with acceptable equipment and methods, and by qualified personnel. B. Storage: 1. Store all units off ground. 2. Place stored units so that identification marks are discernible. 3. Separate stacked members by battens across full width of each slab unit. 4. Stack so that lifting devices are accessible and undamaged. 5. Do not use upper member of stacked tier as storage area for shorter member or heavy equipment. 3.02 Erection A. Site Access: The General Contractor shall be responsible for providing suitable access to the building, proper drainage and firm level bearing for the hauling and erection equip- ment to operate under their own power. B. Preparation: The General Contractor shall be 3.02.B Construction tolerances for cast-in-place responsible for: concrete, masonry, etc., should be specified in those sections of the specifications. 1. Providing true, level bearing surfaces on all field placed bearing walls and other field placed supporting members. 2. All pipes, stacks, conduits and other such 3.02.B.2 Should be in Electrical, Mechanical, items shall be stubbed off at a level lower and Plumbing sections of project specifications. than the bearing plane of the prestressed concrete products until after the latter are set. 8- -7
  • 135.
    GUIDE SPECIFICATIONS NOTES TO SPECIFIERS C. Installation: Installation of hollow core slab units shall be performed by the manufacturer or a competent erector. Members shall be lifted by means of suitable lifting devices at points provided by the manufacturer. Bearing strips shall be set, where required. Temporary shoring and bracing, if necessary, shall com- ply with manufacturer’s recommendations. Grout keys shall be filled. D. At Slab Ends (where shown on Drawings): 3.02.D If a bearing wall building, special care Provide suitable end cap or dam in voids as re- must be taken. Delete when end grouting is not re- quired. quired. E. For areas where slab voids are to be used as 3.02.E Delete when voids not used for electrical electrical raceways or mechanical ducts pro- or mechanical. vide a taped butt joint at end of slabs, making sure the voids are aligned. F. Alignment: Members shall be properly 3.02.F Tolerances should comply with industry aligned and leveled as required by the ap- tolerances published in ”Tolerances for Precast proved shop drawings. Variations between and Prestressed Concrete”, Prestressed Concrete adjacent members shall be reasonably leveled Institute, JR307, 1985. 3 out by jacking, loading, or any other feasible method as recommended by the manufacturer and acceptable to the Architect/Engineer. 3.03 Field Welding A. Field welding is to be done by qualified weld- ers using equipment and materials compatible with the base material. 3.04 Attachments A. Subject to approval of the Architect/Engineer, hollow core slab units may be drilled or ”shot” provided no contact is made with the pre- stressing steel. Should spalling occur, it shall be repaired by the trade doing the drilling or the shooting. 3.05 Inspection and Acceptance A. Final observation of erected hollow core slab units shall be made by Architect/Engineer for purposes of final payment. 8- -8
  • 136.
    REFERENCES 1. PCI Design Handbook - Precast and Pre- bers”, ACI Journal, March, 1977, pp stressed Concrete, Fifth Edition, Precast/ 136-137. Prestressed Concrete Institute, Chicago, IL 12. Discussion and Closure, “An Assurance 1997. Criterion for Flexural Bond in Preten- 2. ACI Committee 318, “Building Code Re- sioned Hollow Core Units”, ACI Journal, quirements for Structural Concrete (ACI March, 1977, pp 137-140. 318-95) and Commentary (ACI 13. Zia, Paul and Mostafa, Talat, “Develop- 318R-95)”, American Concrete Institute, ment Length of Prestressing Strands”, PCI Farmington Hills, MI, 1995. JOURNAL, September-October, 1977, pp 3. PCI Committee on Tolerances, “Toler- 54-65. ances for Precast and Prestressed Con- 14. Discussion and Closure, “Development crete”, PCI JOURNAL, Vol. 30, No. 1, Length of Prestressing Strands”, PCI January-February, 1985, pp. 26-112. JOURNAL, July-August, 1978, pp 4. PCI Technical Activities Council, PCI 97-107. Committee on Building Code, “PCI Stan- 15. Buckner, C. Dale, “A Review of Strand dard Design Practice,” PCI JOURNAL, V. Development Length for Pretensioned 42, No. 2, March-April 1997, pp 34-51. Concrete Members”, PCI JOURNAL, V. 5. Zia, Paul, Preston, H. Kent, Scott, Norman 40, No. 2, March-April, 1995, pp 84-105. L, and Workman, Edwin B., “Estimating 16. Discussion and Closure, “A Review of Prestress Losses”, Concrete International, Strand Development Length for Preten- June, 1979, pp 32-38. sioned Concrete Members”, PCI JOUR- 6. Martin, L.D., “A Rational Method for Es- NAL, V. 41, No. 2, March-April, 1996, pp timating Camber and Deflection of Pre- 112-116. cast, Prestressed Concrete Members”, PCI 17. Martin, Leslie D. and Korkosz, Walter J., JOURNAL, January-February, 1977. “Strength of Prestressed Concrete Mem- 7. ACI Committee 301, “Standard Specifica- bers at Sections Where Strands are not tions for Structural Concrete (ACI Fully Developed”, PCI JOURNAL, V. 40, 301-96)”, American Concrete Institute, No. 5, September-October, 1995, pp Farmington Hills, MI, 1996. 58-66. 8. Scott, Norman L., “Performance of Pre- 18. Brooks, Mark D., Gerstle, Kurt H., and cast, Prestressed Hollow Core Slab with Logan, Donald R., “Effective of Initial Composite Concrete Topping”, PCI Strand Slip on the Strength of Hollow JOURNAL, March-April, 1973, pp 64-77. Core Slabs”, PCI JOURNAL, V. 33, No. 9. Martin, Leslie D. and Scott, Norman L., 1, January-February, 1988, pp 90-111. “Development of Prestressing Strand in 19. LaGue, David J., “Load Distribution Tests Pretensioned Members”, ACI Journal, Au- on Precast Prestressed Hollow Core Slab gust 1976, pp 453-456. Construction”, PCI JOURNAL, Novem- 10. Anderson, Arthur R., and Anderson, Rich- ber-December, 1971, pp 10-18. ard G., “An Assurance Criterion for Flex- 20. Van Acker, A., “Transversal Distribution ural Bond in Pretensioned Hollow Core of Linear Loadings in Prestressed Hollow Units”, ACI Journal, August, 1976, pp Core Floors”, BMA/MKT 84/006, Sep- 457-464. tember, 1983. 11. Discussion and Closure, “Development of 21. Johnson, Ted and Ghadiali, Zohair, “Load Prestressing Strand in Pretensioned Mem- Distribution Test on Precast Hollow Core
  • 137.
    Slabs with Openings”,PCI JOURNAL, 31. PCI Manual for Structural Design of Ar- September-October, 1972, pp 9-19. chitectural Precast Concrete, PCI MNL-121-77, Prestressed Concrete Insti- 22. Pfeifer, Donald W. and Nelson, Theodore tute, Chicago, 1977. A., “Tests to Determine the Lateral Dis- tribution of Vertical Loads in a Long-Span 32. Uniform Building Code, “Structural Engi- Hollow Core Floor Assembly”, PCI neering Design Provisions”, V. 2, Interna- JOURNAL, Vol. 28, No. 6, November-De- tional Conference of Building Officials, cember, 1983, pp. 42-57. Whittier, CA, 1994. 23. Aswad, Alex and Jacques, Francis J., “Be- 33. The BOCA National Building Code, havior of Hollow Core Slabs Subject to Thirteenth Edition, Building Officials & Edge Loads”, PCI JOURNAL, V. 37, No. Code Administrators International, Inc., 2, March-April, 1992, pp 72-83. Country Club Hills, IL, 1996. 34. Cosper, Steven J., Anderson, Arthur R., 24. Stanton, John F., “Response of Hollow Core Slab Floors to Concentrated Loads”, Jobse, Harold J., “Shear Diaphragm Ca- pacity of Untopped Hollow Core Floor PCI JOURNAL, V. 37, No. 4, July-Au- Systems”, Concrete Technology gust, 1992, pp 98-113. Associates, Technical Bulletin 80B3, 25. Stanton, John F., “Proposed Design Rules 1981. for Load Distribution in Precast Concrete 35. Clough, D.P., “Design of Connections for Decks”, ACI Structural Journal, V. 84, No. Precast Prestressed Concrete Buildings for 5, September-October, 1987, pp 371-382. the Effects of Earthquake”, National Sci- 26. Rosenthal, I., “Full Scale Test of Continu- ence Foundation, 1985. ous Prestressed Hollow Core Slab”, PCI 36. Moustafa, Saad E., “Effectiveness of JOURNAL, Vol. 23, No. 3, May-June, Shear-Friction Reinforcement in Shear Di- 1978, pp. 74-81. aphragm Capacity of Hollow Core Slabs”, 27. Harris, Harry G., and Iyengar, Srikanth, PCI JOURNAL, Vol. 26, No. 1, January- “Full Scale Tests on Horizontal Joints of February, 1981, pp 118-132. Large Panel Precast Concrete Buildings”, 37. Design and Detailing of Untopped Hollow PCI JOURNAL, Vol 25, No. 2, March- Core Slab Systems for Diaphragm Shears, April, 1980, pp. 72-92. Structural Engineer’s Association of Ari- 28. Johal, L.S. and Hanson, N.W., “Design for zona, 1981/82. Vertical Load on Horizontal Connections 38. PCI Fire Committee, “Design for Fire Re- in Large Panel Structures”, PCI JOUR- sistance of Precast Prestressed Concreter- NAL, Vol. 27, No. 1, January-February, Second Edition”, Precast/Prestressed Con- 1982, pp 62-79. crete Institute, Chicago, IL, 1989. 29. PCI Committee on Precast Bearing Wall 39. ASHRAE: ASHRAE Systems Handbook Buildings, “Considerations for the Design for 1984. American Society of Heating, of Precast Concrete Bearing Wall Build- Refrigerating & Air Conditioning Engi- ings to Withstand Abnormal Loads”, PCI neers, Inc., New York, 1984. JOURNAL, Vol. 21, No. 2., March-April, 40. Blazier, W.E., “Revised Noise Criteria for 1976, pp. 18-51. Design and Rating of HVAC Systems”, 30. Fintel, Mark and Schultz, Donald M., “A paper presented at ASHRAE Semiannual Philosophy for Structural Integrity of Meeting, Chicago, IL, January 26, 1981. Large Panel Buildings”, PCI JOURNAL, 41. Berendt, R.D., Winzer, G.E., Burroughs, Vol. 21, No. 3, May-June, 1976, pp. 46-69. C.B.; “A Guide to Airborne, Impact and
  • 138.
    Structureborne Noise Controlin Multi- 46. Murray, T.M., “Acceptability Criterion for family Dwellings”, prepared for Federal Occupant-Induced Floor Vibration”, Housing Administration, U.S. Govern- Sound and Vibration, November, 1979. ment Printing Office, Washington, D.C., 47. “Design and Evaluation of Operation 1975. Breakthrough Housing Systems”, NBS 42. Sabine, H.J., Lacher, M.B., Flynn, D.R., Report 10200, Amendment 4, September, Quindry, T.L.; “Acoustical and Thermal 1970, U.S. Department of Housing and Performance of Exterior Residential Urban Development, Washington, D.C. Walls, Doors & Windows”, National Bu- 48. Wiss, J.F. and Parmelee, R.H., “Human reau of Standards, U.S. Government Print- Perception of Transient Vibrations”, Jour- ing Office, Washington D.C., 1975. nal of the Structural Division, ASCE, Vol. 100, No. ST4, April, 1974. 43. IITRI; “Compendium of Materials for 49. “Guide to Floor Vibrations”, Steel Struc- Noise Control”, U.S. Department of tures for Buildings-Limit States Design Health, Education & Welfare, U.S. Gov- CSA S16.1-1974, Appendix G. Canadian ernment Printing Office, Washington, Standards Association, Rexdale, Ontario. D.C., 1980. 50. “Guide for the Evaluation of Human Ex- 44. “Vibrations of Concrete Structures”, Pub- posure to Whole-Body Vibration”, In- lication SP-60, American Concrete Insti- ternational Standard 2631, International tute, Detroit, MI. Organization for Standardization, 1974. 45. Galambos, T.V., Gould, P.C., Ravindra, 51. Murray, T.M., “Design to Prevent Floor M.R., Surgoutomo, H., and Crist, R.A., Vibration”, Engineering Journal, AISC, “Structural Deflections - A Literature and Third Quarter, 1975. State-of-the-Art Survey”, Building Sci- 52. Harris, C.M. and Crede, C.E., Shock and ence Series, Oct., 1973, National Bureau Vibration Handbook, 2nd Edition, of Standards, Washington, D.C. McGraw-Hill, New York, NY, 1976.
  • 139.
    INDEX A Decibel . . . . . . . . . . . . . . . . . . . . . . 7---1, 7---5, 7---6 Deflection . . . . . . . . . 1---3, 1---4, 3---1, 3---10, 3---12 Acoustical properties . . . . . . . . . . . . . . . . 1---3, 7---1 Deflections . 2---1, 2---5, 2---11 to 2---16, 4---3, 4---7, Admixtures . . . . . . . . . . . . . . . . . . . 1---1, 1---2, 8---4 4---9 Aggregates . . . . . . . . . . 1---2, 6---1, 6---2, 6---4, 8---4 Design responsibility . . . . . . . . . . . . . . . . 1---5, 4---1 Air entrainment . . . . . . . . . . . . . . . . . . . . . . . . . 1---1 Design strength . . . . . . . . . . . . . 2---2, 2---19, 2---20 Allowable live load . . . . . . . . . . . . . . . . . . . . . . . 1---5 Details - Cantilevers . . . . . . . . . . . . . . . . . . . . 5---20 Details - Concrete beam . . . . . . . . . . . . . . . . . . 5---2 B Details - Miscellaneous . . . . . . . . . . . . . . . . . . 5---23 Details - Steel beams . . . . . . . . . . . . . . . . . . . . 5---15 Bearing strips . . . . . . 3---12, 3---13, 8---5, 8---6, 8---8 Details - Walls . . . . . . . . . . . . . . . . . . . . . . . . . . . 5---9 Bonding agents . . . . . . . . . . . . . . . . . . . . . . . . . 2---16 Development length . . . 2---19 to 2---21, 3---9, 3---12 Boundary element . . . . . . . . . . . 4---4 to 4---8, 4---15 Diaphragm flexibility . . . . . . . . . . . . . . 4---2 to 4---4 Diaphragms . 1---3, 2---15, 2---16, 3---10, 3---14, 4---1, C to 4---9, 5---1 Camber . . 1---4, 1---14, 2---3, 2---11 to 2---13, 2---14, Differential shrinkage . . . . . . . . . . . . . 2---15, 2---16 2---15, 2---16, 8---3, 8---4 Drag strut . . . . . . . . . . . . . . . . 4---4, 4---5, 4---7, 4---8 Cantilevers . . . . . . . . . . . . . . . . . . . . 3---10 to 3---12 Dy-Core . . . . . . . . . . . . . . . . . . . . . . . . . . . 1---1, 1---8 Caulking . . . . . . . . . . . . . . . . . . . . . . . . . . . . . . . 8---2 Dynaspan . . . . . . . . . . . . . . . . . . . . . . . . . 1---1, 1---8 Certification . . . . . . . . . . . . . . . . . . . . . . . . . . . . 8---2 Chord . . . . . . . . . . . . . . . . . . . . . . . . 4---4, 4---5, 4---8 E Collector . . . . . . . . . . . . 4---4, 4---5, 4---7, 4---8, 4---9 Effective resisting section . 3---2, 3---3, 3---6 to 3---8 Composite ties . . . . . . . . . . . . . . . . . . . . . . . . . 2---16 Elematic . . . . . . . . . . . . . . . . . . . . . . . . . . 1---1, 1---9 Composite topping 1---3, 2---13, 2---15, 2---16, 3---10, End restraint . . . . . . . 1---3, 6---5, 6---8, 6---12, 6---13 4---9 End slip . . . . . . . . . . . . . . . . . . . . . . . . . 2---20, 2---21 Connections 1---3, 1---5, 3---10, 4---1, 4---2, 4---4, 4---7 to 4---9, 5---1 Equivalent live load . . . . . . . . . . . . . . . . . . . . . . 1---5 Continuity . . . . . . . . . . . . . . 3---10, 6---5, 6---9, 6---10 Equivalent thickness . 1---2, 1---3, 6---1, 6---2, 6---4, 6---14 Contract documents . . . 1---3, 1---5, 4---1, 8---4, 8---6 Equivalent uniform load . . . . . . . . 1---5, 1---6, 3---7 Control joints . . . . . . . . . . . . . . . . . . . . . . . . . . 2---16 Erection drawings . . . . . . . . . . . . . . . . . . 1---5, 8---3 Cracking moment . . . . . . . . . . . . . . . . . . . . . . . 2---19 Extruder . . . . . . . . . . . . . . . . . . . . . . . . . . 1---1, 2---9 Creep . . . . . . . . . . . . . . . . . . . . 2---11 to 2---16, 6---12 Creep losses . . . . . . . . . . . . . . . . . . 2---1, 2---3, 2---5 Curling . . . . . . . . . . . . . . . . . . . . . . . . . . . . . . . . 2---16 F Finishes . . . . . . . . . . . . . . . . . . . . . . . . . . . . . . . . 1---4 Fire endurance 3---10, 6---1, 6---2, 6---4, 6---5, 6---7 to D 6---14 Damping . . . . . . . . . . . . . . . . . . . . 7---2, 7---9, 7---10 Fire rating . . . . . . . . . . . 1---2, 1---3, 1---5, 1---6, 8---3 Debonded strands . . . . . . 2---2, 2---20, 3---10, 3---11 Fixed form . . . . . . . . . . . . . . . . . . . . . . . . . . . . . . 1---1
  • 140.
    Flanking . .. . . . . . . . . . . . . . . . . . . 7---1, 7---8, 7---9 M Flexicore . . . . . . . . . . . . . . . . . . . . . . . . . . 1---1, 1---9 Manufacturing . . 1---1, 1---5, 1---8, 2---2, 2---3, 2---9, Flexural bond length . . . . . . . . . . . . . . 2---19, 2---20 3---1, 3---10, 8---1, 8---2, 8---5, 8---6 Flexural design . . . . . . . . . . . . . . . . . . . . . . . . . . 2---1 Flexural strength . . 1---6, 2---1, 2---6, 2---9, 2---19 to N 2---21, 4---8 Non-shrink grout . . . . . . . . . . . . . . . . . . . 1---2, 8---5 Normal end slip . . . . . . . . . . . . . . . . . . . . . . . . 2---21 G Grout . . . . . . . . . . . . . 1---2, 2---16, 3---12, 4---6, 8---5 O Grout column . . . . . . . . . . . . . . . . . . . . 3---12, 3---13 Openings . 1---3, 1---5, 3---1, 3---8, 3---9, 3---15, 4---9, 8---3, 8---4, 8---6 H P Headers . . . . . . . . . . . . . . . . . . . . . . . . . . . . . . . . 3---8 Partially developed strand . . . . . . . . 2---19 to 2---21 Heat transmission 1---3, 6---1, 6---2, 6---4, 6---8, 6---14 PCI Standard Design Practice . . . . . . . . . . . . . 2---1 Production drawings . . . . . . . . . . . . . . . . . . . . . 8---3 Horizontal joints . . . . . . . . . . . . . . . 3---12 to 3---15 Horizontal shear . . . . . . . . . . . . . . 2---16, 4---8, 4---9 Q Quality assurance . . . . . . . . . . . . . . . . . . 2---15, 8---2 I Impact insulation . . . . . . . . . . . . . . . . . . . . . . . . 7---3 R Impact Insulation Class . . . . . 1---3, 7---1, 7---3, 7---4 Release strength . . . . . . . . . . . . . . . . . . . . 2---2, 2---3 Impact noise . . . . . . . . . . . . . . . . . . . . . . . 7---1, 7---3 Inclined shear . . . . . . . . . . . . 2---10, 3---4, 3---6, 3---7 S Sandwich panels . . . . . . . . . . . . . . . . . . . . . . . . . 1---4 K Seating losses . . . . . . . . . . . . . . . . . . . . . . . . . . . 2---1 Seismic base shear . . . . . . . . . . . . . . . . . . . . . . . 4---2 Keyways . . . 1---2, 1---3, 3---1, 3---10, 4---5, 4---6, 4---8 Service load stresses . . . . . . . . . . . . 2---1, 2---3, 2---5 Shear friction . . . . . . . . . . . . . . . . . . . . 4---5 to 4---8 L Shear reinforcement . . . . . . . . . . 2---9, 2---11, 3---7 Shrinkage . . . . . . . . . . . . . . . . . . 1---2, 2---15, 2---16 Lateral loads . . . . . . . . . . . . . . . . . 4---1, 4---4 to 4---6 Shrinkage cracks . . . . . . . . . . . . . . 1---2, 3---1, 4---11 Lateral-resisting elements . . . . . . . . . . 4---1 to 4---9 Shrinkage losses . . . . . . . . . . . . . . . . . . . . 2---1, 2---3 Load concentrations . . . . . . 2---20, 3---1, 3---3, 3---8 Slab thickness . . . . . . . . . . . . 1---3, 1---5, 1---6, 3---11 Load distribution . . . . . . . . . . . . . . . . . 3---1 to 3---3 Slip form . . . . . . . . . . . . . . . . . . . . . . . . . . 1---1, 1---2 Load tables . . . . . . . 1---3, 1---5 to 1---7, 2---1, 2---16 Slump . . . . . . . . . . . . . . . . . . . . . . . 1---1, 1---2, 2---20 Longitudinal shear . . . . . . . . . . . . . . . . . . 4---6, 4---7 Sound absorption . . . . . . . . . . 7---1, 7---2, 7---5, 7---8 Loss of Prestress . . 2---1, 2---3 to 2---5, 2---11, 2---13 Sound insulation . . . . . . . . . . . . . . . . . . 7---1 to 7---3
  • 141.
    Sound transmission .. . . . . . . . . . . . . . . . . . . . . 1---3 Transfer stresses . . . . . . . . . . . . . . . . . . . . 2---1, 2---2 Sound Transmission Class . . . 1---3, 7---1, 7---2, 7---4 Transverse bending . . . . . . . . . . . . . . . . . 3---1, 3---3 Sound transmission loss . . . . . . . . 7---1 to 7---3, 7---8 Transverse reinforcement . . . . . . . . . . . . . . . . . 3---1 Span-depth ratio . . . . . . . . . . . . . . . . . . . . . . . . 3---3 Spancrete . . . . . . . . . . . . . . . . . . . . . . . . 1---1, 1---10 U Spray-applied coatings . . . . . . . . . . . . . . 6---9, 6---14 Ultra-Span . . . . . . . . . . . . . . . . . . . . . . . 1---1, 1---11 Steel relaxation . . . . . . . . . . . . . . . . . . . . . 2---1, 2---4 Unit weight . . . . . . . . . . . . . . . . . . . . . . . 1---2, 1---14 Strain compatibility 2---6, 2---7, 2---9, 2---20, 2---21, 3---11 Stress-strain diagram . . . . . . . . . . . . . . . . 2---7, 2---8 V Structural end point . . . . . . . . . . . . . . . . . . . . . . 6---5 Vibration isolators . . . . . . . . . . . . . . . . . 7---2, 7---10 Structural integrity . . 3---10, 3---14, 4---1, 4---4, 4---5 W T Wall panels . . . . . . . . . . . . . . . . . . . . . . . . 1---1, 1---4 Tolerances . . . 1---4, 1---6, 1---14, 1---15, 8---6 to 8---8 Water-cement ratio . . . . . . . . . . . . . . . . . . . . . 2---20 Topping 1---3, 1---4, 2---13, 2---15, 2---16, 3---10, 4---5 4---9, 6---2, 6---4, 6---11, 8---1 to 8---4 Web shear . . . . . . . . . . . . . . . . . . . 2---18, 3---4, 3---7 Torsion . . . . . . . . . . . . . . . . . . . . . . . 3---1, 3---2, 3---8 Weep holes . . . . . . . . . . . . . . . . . . . . . . . . . . . . . 1---4 Transfer length . . . . . . 2---10, 2---19 to 2---21, 3---12 Weights . . . . . . . . . . . . . . . . . . . . . . . . . . . 1---2, 1---6