Combined diagrams from Team
Interviews
11 March 1998
Manufacturing
Level 1 Gane & Sarson Models
Current System State
SIZ FSCM NO DWG NO REV
E+ 2.1
SCALE 1 : 1 SHEET 1 OF 2
Idea
Generation
P1-01
Concept
Development
P1-02
Resource
Plan
P1-03
Prepare
to
Sell
P1-04
Component Availability
Master Product Plan
Sales History
Product Ideas
Competitive Analysis
Physical Mockups
Project Cost
Sales Volumes
Mfg Techniques
Target Pricing
Test Results
Prod Specs
3D Models
2D Drawings
Tooling
Project Schedule
Introduction Dates
Key Items
3D Models
Spec / Design Freeze
Produce Key Items
Costing
Testing
Packaging
Prelim BOM
Model Numbers
NC programs
2D Shop Dwgs
Potential Vendors
Part # Assigned
Prelim Routings
Sales Budget
Customer Service Plans
Training Plans
Order Processing Plan
Pilot Run Plan
Vendor Determination
Mstr Prod Schedule
Mfg Material Plan
QA Plan
Shipping Plan
Lead Time Plan
Cmplt Cust Srv Plan
Cmplt Purch Plan
Cmplt Mstr Prod Plan
Cmplt QA Plan
Cmplt Lead Time Plan
Cmplt Logistics Plan
Finalize Wghts / Cubes
Finalize BOM's
Finalize
Dwgs
Finalize
NC Pgms
Finalize
Inst Shts
Production Training
Finalize Wrk Inst
6
P0
6
P0
Routings
Planning BOM's
6
P0
Planning Information
1
3
2
1
Product
Planning
P1-00
Market
Research
Product Changes
P1-06
ECR Form
Necessary
Changes
ECR Form
ECR Form
Notification of Change to
Effected Areas:
(P-01,02,03,04,05,07)
NOTE:
ECR's can come from any
process after product
introduction, including the
following:
Develop Products, Take Orders,
Plan Production, Producer
Product, Deliver Products, &
Service the Customer
Design/Proto Review
Pilot Run Findings
System verification
Production Design Validation
BIFMA Certification
Final test Results
Receive Order from
SAP
P2-04
Receive Outside
Order
(Hard Copy)
P2-01
Enter Order Into
EN44
P2-03
Archive Fulfilled
Order
P2-06
Credit Check
P2-07
Logia Updates Copics
(Order Dependent)
P2-10
Allocate Logia ATP
Date in EN44
P2-09
Send
Acknowledgement to
Customer
P2-11
Copics Confirms
Receipt to Logia
P2-12
Logia Send Demand
to Copics
P2-13
To Master Schedule
Deliver the Product
Run Logia BOM
Purge Process
P2-15
Update Activity
Status in Logia
P2-16
Audit Promise Date
File
P2-17
Send File Back To
SAP
P2-18
Generate Price and
Cost File
P2-19
Send File Back to SAP
P2-20
To Master Schedule
Audit Order
P2-02
Deliver the Product
D1
Product Definition Data Base
End Items
Bill of Materials
Routings
P2-14
Warehouse Removes
Demand from Copics
Produt_ID
D1
Master Schedule Database
Quantity
Demand Data
4
P4
4
P4
5
P3
5
P3
Product Information
2
1
3
2
Enter Order Into
Logia
(Automated)
P2-04
Generate ATP
Update
(Automated)
P2-08
Enter Order Into
Logia
(Manual)
P2-04
Generate ATP
Update
(Automated)
P2-08
Ship Information
13
P5
6
9
P5
12
P5
ATP Information
Master Schedule Information
KOG Sales
Outside Sales
Harpers
Review Ordered
Enter Order into
MacPac
P2-03
Adjust Shipment
Date
P2-09
Audit Order
Generate Manual
ATP
Create
Manufacturing
Orders
To Master Schedule
5
P3
3
Order Information is
sent to Product_ID
P2-21
Resource Planning
P3-01
Time Phased
Requirement (MRP)
Records
P3-07
Detailed Capacity
Planning
(Machine Center
Constraints)
P3-08
Production Planning
(Capacity Lead
Planning)
P3-03
Detailed Material
Planning
P3-05
Vendor / Supplier
Systems
P3-10
Shop Floor
Scheduling
(Shop Order Release
- SOR)
P3-09
Demand
Management
P3-02
Bookings
Inventory Lvl
Shipments
Production Sums
or $
Master Production
Scheduling
P3-04
Customer
Orders
< Lead
Times
Configured Model
Confirmed Orders
Net of
Forecast
Forecast
Input for Shop
Floor
Planning
Information
Key
Constraint
Wrk Ctr
Shop Floor Reqmt's
Material
Requirements
Inventory Information
D2 Bills of Material
D3
Routing
Information
Machined
Parts
Unit
Assemblies
Cell Level Planning
Provide ATP
P3-06
D1 Planning BOM
Allocation
Schedule Resources
Shop Floor
Scheduling
SOP
Confirmed Ship date
Sales
Forecast
Sales
Forecast
PO's
SUM's
SOR
Docs
Master Schedule Information
Product ID Labels
Material Plan
Independent
Reqmt's, Qty & Due
Date
Min/Max
5
P2
1
P2
Master Schedule Updates
Current Production Schedule (Pre SOP)
5
2
BOM's
Order Entry
from SAP
Purchasing Plan
Routing Info
3
P2
2
P2
Inv
Info
Customer Order
within Lead Times
Machine
Components
P4-02
Storage
P4-01
Build Products
P4-03
Finish Products
P4-04
Trim Subassemblies
P4-05
Pack Product for
Shipment or
Warehouse
P4-06
Receiving
Raw
Materials
Purchased Parts
Purchased Parts
Assemblies
and Units
Metal Components
Laminates
Fabricated Metal
Finished
Units
Machined
Wood
Parts
SOR (M.O.)
Work Instructions
Drawings
Inventory Information
Inventory
Information
Inventory
Information
Inventory
Information
Work
Instructions
Product Cost
Mstr Sched Update
Shipping Info
Invoice
Info
Finished
Units
BOM
BOM
BOM
Finished
BOM
Drawings
Assemblies
and Units
Work
Instructions
Laminates
4
P3
11
P1
10
P1
Drawings
1
P5
Work Instructions
BOM
Laminates
Purchased
Parts
Dwgs
SOR (JIT List)
CNC Programs
Fab Metal
SOR (JIT)
Fabricated Metal
Finished Units
BOM
Drawings
Work
Instructions
Finished
Units
SOR (M.O.)
Purchased Parts
Purchased
Parts
1
3
5
5
12
P1
Q Parts
Q Parts
Q Parts
xx
P5
6
Harpers
3
P5
4
P5
Product ID Labels
Ship
Product
P5-07
Prepare for Shipment
P5-06
Crate Product for
Overseas Shipments
P5-05
Stage
Products
P5-01
Warehouse
Products
P5-04
Shuttle
Products
P5-03
Schedule Truck
(Loading Plan)
P5-02
Barcoded
Information
Shuttle Report
(Max PayLoad)
Delivery Date
Barcode Scan
Cube / Weight
Ship To Information
Inventory Location
Shipping Labels
Confirmation of
Pick List (Final Scan)
Pick List
(Max Payload)
Crate Report
(Max Payload)
Bingo List (Artec)
Bill of Lading
Packaging List Release Delivery
Export
Documents
Ford, Sal, FL, KUP1
NOF, SC, Artec, KUP2, Bor
Harpers
NOF-SC, Artec, KUP2, Bor
Product
Shipment
Ford, Sal, FL, KUP1&2
NOF, SC, Artec, KUP1&2, Bor
NOF-SC, Artec, KUP2, Bor
Harpers
Ford, Sal, FL, KUP1
Consolidate
Shipment
1
P4
1
A1
1
A1
1
A1
Harpers
Release Finished
Goods Inventory
Owned by KOG Sales
P5-08
Harpers
1
2
1
4
5
6
7
8
11
14
15
3
2
16
17
18
2
P4
4
P4
3
P4
Inventory Information
Inc & Ready to Ship
(Max Payload)16
Stop Number
Product Reserve for SO17
Q parts
1
P4
18
Invoice Created
On Time Calc 5
4
NOF-SC, Artec, KUP1&2, Bor
HarpersShuttle Product
Shuttle
Accept Call from
Dealer
P7-01
Accept Call from
Customer
P7-02
Locate Product
Information
P7-03
Identify Quality
Issues
P7-04
Enter Issue Into QTS
P7-05
Locate Technical
Information
P7-06
Locate General
Information
P7-07
Locate Installation
Information
P7-08
Respond to
Customer
P7-09
Call Plant
Price List
Other PDA
KRL
Magic
Copics
Price List
PQA Member
Call Plant
Call Plant
Magic / Copics
Kimball Care
Other PQA
Generate Service
Orders
P7-10
Generate
Replacement Orders
P7-11
Approve Repair
Changes
P7-12
Additional Discount
P7-13
Notify Service Via
Resolution
Form
P7-14
Customer Service
Issues Credit
P7-15
Look Parts in Copics
P7-16
Put Information in
Description of Order
P7-17
Send KForm to Data
Mot Team
P7-18
Process Order
P7-19
Enter Orders
P7-20
Setup
Model
D1 SAP D2 Legacy
Notify Customer Via
Resolution
Form
P7-16
PQA or Customer
Service Issues Credit
P7-18
5
P1
1
Credit Check
P6-01
Take Order Ship Product
Establish Credit
For Customer
P6-02
Enter Customer
into EN01
P6-03
Invoice
Customer
P6-05
Receive
Payment
P6-08
Review A/R
File
P6-07
Collection of
Undisputed Accts.
P6-09
Post to A/R
File
P6-06
Credit Hold
P6-10
Maintain
Credit File
P6-04
Purchase
Request
P6-11
Issue P.O.
P6-12
Record in
GL Account
P6-13
Send to
Customer
P6-14
Petty Cash
Request
P6-18
Petty Cash
Process
P6-17
Check Request
P6-16
Expense Report
P6-15
A/P File Update
P6-20
Receiving
P6-24
Return Rejected
Material
P6-25
Match Invoice to P.O.
& Receiving
Documents
P6-19
Issue Check
P6-22
Update Check
Register
P6-23
Void Check
P6-21
Material Input
P6-26
AVendor
Invoice
Accounts Payable
Accounts Receivable
B.O.L.
Packing List
QA Report
Capital Request
MRP Request
Purchase
Request Form
Customer Order
Request For Credit
D & B Report
Credit References
A
Credit Check Prior to
Shipping
P6-01
4
P1
2
8
P1
1
4
P1
3
7
7
P1
1
P1
4
3
P3
2
2
P4
3
6
P4
2
P3
6
2
P3
5
7
P4
1
7
1
P3
1
P6
4
1
2
3
4
5
6
4
P3
7
6
P1
6
7
7
P3
8
1
P3
7
7
P3
6
6
P3
5
1
P7
8
1
P4
19
P5
1
8
P3
4
P5
5
P4
19
Master Scheduling
4
P4
3
4
P4
4
P5
3
1
P6
4
4
P5
2
5
P4
Invoice Information Invoice Information
2
P2
4
P2
5
5
P3
4
9
P5
4
12
P5
13
P5
4
P2
9
4
P2
13
4
P2
12
13
P1
10
13
10
P5
8
P1
4
7
P1
1
15
12
1
P4
11
1
P4
10
3
P4
9
4
P4
2
P3
4
14
1
P2
5
P4
id
Project Folder
2
P3
Copy of PO
Stop Number
01 Master Product Plan
02 Competitive Analysis
03 Product IDEAS
04 Sales History
05
Tollgate Findings &
Sign Off Doc.
06
Product Line Offering
Conceptual Sketches
MS
Project
MS
Word
IDEAS
SDRC
MS
Excel
07
Estimated Project
Costs (return map)
IDEA Generation
P1-01
08
Estimated Sales
Volume
09 Target Pricing
10
Product Spec's
(Prelim.)
11
3D Solid Models / 2D
Drawings
12
Prelim. ProductTest
Results
13
Product Line Offering
Document
14
Updated Project
Schedule
01
Product Line Offering
Document
02 3D Solid Models
03 2D Drawings
04
Product
Specifications
15
Preliminary Routings
& NC Programs
16
Test Results of
Key Items
MS
Project
Copics
IDEAS
SDRC
MS
Excel
Data IN Data OUT
Data USERS
07
Finalized Product
Line Package
Concept
Development
P1-02
08
Finalized Project
Objectives
09
Finalize Sales
Projections
10
Collateral &
Promotional Plan
11
Solid Models of
Key Items
12
Drawings of
Key Items
13
BOM's of
Key Items
14 Preliminary costing
05 Target Pricing
06
Estimated Sales
Volume
18
Tollgate Findings &
Sign Off Doc.
19
Preliminary Packing
Requirements
17
Updated Project
Schedule
OV
Email
Logia
01 Spec Freeze
02
Phase III Tollgate
Findings/Approval
03
Project Plan
(Targeted Intro. Date)
04 Sales Strategy Plan
MS
Project
MS
Word
07
Sales/Mfg.
Training Plan
Resource Planning
P1-03
08
Mfg. Materials
Plan
09 Production Plan
10
Quality Assurance
Plan
11
Marketed Leadtime
Plan
12
Logistics/Shipping
Plan
13
Update Master
Project Schedule
14
Tollgate Findings &
Sign Off Doc.
05
Customer Service
Plan
06 Order Process Plan
OV
Email
01
Completed Plans
From Planning Phase
02
Outputs From
Concept
Development Phase
03 2D Drawings
04 NC Programs
15
Installation
Instruction Sheets
16
Product Cubes &
Weights
MS
Word
Copics
IDEAS
SDRC
MS
Excel
Data IN
07
Finalized Packaging
Designs
Prepare to Sell
P1-04
08 Routings
09 Actual Product Cost
10 Collateral Materials
11 Planning Data
12 Planning BOM's
13 BOM's
14
Completed Plans
From Planning Phase
05 Pilot Run Findings
06 3D Solid Models
18
Tollgate Findings &
Sign Off Doc.
17 Final Test Results
OV
Email
Logia
01
Sales & Operation
Plan
02 Market Research
03 Product Spec's
04 Design Criteria
05 Sales Projection
06 Price Target
MS
Project
MS
Word/
Excel
IDEASEmail
01 Product Spec's
02 Design Criteria
03 Sales Projection
Seating
Engineering
P1-03
01
SEE OUTPUUT from
CONCEPT
07
Budgeted Tooling
Cost
Seating Concept
Phase
P1-02
Seating Planning
Phase
P1-01
06
Product Spec's
* Team Make-up
* Model No.
07
Digital Models
* Test Matrix
* FTSG Testing Req.
08 Sketches
09 Scale Models
10
Product Spec's
(Briefs)
04 Price Target
05 Budgeted Tooling
MS
Project
MS
Office
IDEASEmail
11
Product Schedules
* Concept Phase
* Approval Form
MS
Project
MS
Office
IDEASEmail
02
Product Spec's
Patent Search
03
Projected Income
Product Name
Mktng. Dvlp. Plan
04 Training Plan
05
Feasibility Verify
Price To Sales
Short List Mtrl
06
Prototypes
QA Plan Dvlp.
Test Criteria
07
Final Mtrl ??????
Quote Proc. Bid
Tollgate Form
01
Requisition Tooling
Tooled Part Verify
Testing
02
List of Models for Pilot
Run
Model Spec's
03
Devel. Uphol. Spec
Cover Patterns
FAB Foam Pattern
Glue Spec's
Hand Cut Patterns
04
Potential Restrictions
Sewing Spec's
Model info Doc.
IDEAS
MS Office
Projects
PM & C
SOR
EN44
SAP
Logia
Copics
05
Model # Setup
Pilot Run Walk list
Prepare to Produce
& Sell
P1-04
EMAIL
06 Tollgate Signoff
01
Introduce Product to
Market
02
ACK Orders
MFG. PO's
03 Production Schedules
Copics
SOR
PM & C
SAPLogia
Implement
P1-05
MRP
Leland
01 ECR Form
Copics
Logia
Dem. Sol
Share File
Notelog
EMAIL
Seating Maintenance
P1-06
Take Orders
Specials For KOF
Casegoods
P - 02
01 TIF Report
02
Quote Request
Form
03
Model Request
Set-up
04
C & C
(Change &
Cancel)
Dyna
Plan
Copics
Data IN Data OUT
Data USERS
05 Factory Order
06
Dyna Plan
Spreadsheet
EN44 O.V.TIF MRP
Prod.
ID
IDEAS
Master Production
Scheduling
P3-04
01 EN44
02
Wkly Release &
SAP
Demand
Mgmt.
03 Capacity Report
04
Capacity Plan
sums
05 Planning Data
06 Line Schedules
07
Product ID
Labels
08 Manifests
09 Reports
Dyna
Plan
O.V.
Legacy
(EN44)
Mac
Pac
SAP
Provide ATP
P3-06
01
Capacity Report
(SAP)
02 Sums Report
03
Scheduled
Prod. Report
04
Confirmation
Report (SAP)
Dyna
Plan
SAP
MRP
P3-0701 Routings
02 BOM
03 Planning Data
05 Reports
Dyna
Plan
Copics
04
Dyna Plan
Schedule
Shop Floor
Scheduling
P3-09
01
Parm Card
Updates
07
SOR Documents /
Shop Ticket
Copics
(SOR)
08 Shop Drawing
09
Product ID
Labels
10 Reports
Vendor Supplier
System
P3-10
01 Min/Max
04 PO #'s
MRP
05 Inventory Info
02
Mat. Req.
(MRP)
03 Supplier Info
Leland
Produce Product
P-04
01 CNC Program
02 Drawings
03 SOR #
04 Shop Paper
05 NI's
07 Inventory Rec.
08 MS Updates
09 Cost
10 Shipping Info
O.V. -
shared
MagicSOR
Data IN Data OUT
Data USERS
06
Shop Ticket
Sum Report
CopicsLogia MRP
Prod.
ID- Max
payload
Deliver the Product
P5 - 00
01
Inventory Info
(Order Level Detail)
02 Shipping Info
03 Product Cost
10 Bill of Lading
Product
ID
Logistics
&
Maxpa-
load
04 Shuttle Report
05
Shipping Label
(Manifest)
Product ID Label
06 Pick List
11 Packing List
12 Bingo Sheet
13
Export Documents
(Furnished by Logistics)
Finished
Goods
Ship
System
Manifest
07
Orders Ready For
Shipment Report
08 Print Bill of Lading
09
Print Packing List
(Bingo Sheet)
Establish Credit
For Customers
(#2)
P6-00
01 Customer Info
02
Dunn &
Bradstreet
Report
03
Service Order
Parts Listing
04 Credit Limit
05
Enter Customer
Info into System
EN01
Mac
Pac
06 Credit Info
Maintain Credit
Files
(#4)
P6-00
01
Financial
Statement
(Out of Date
Report)
02
Credit Line
(Out of Date
Report)
03
Update Info in
EN01
Review Aging
Report File
Weekly
(#7)
P6-00
01
Accts Received
Aging Report
02 10 Day Letter
03
Turned Over to
Collection
Collection of
Undisputed
Accounts
(#9)
P6-00
04
Due & Payable
Letter
01
Past Due
Invoices
02 Order List
03
Customer
Credit Line
O.V.
Purchase
Request
(#11)
P6-00
01
Rec.
Purchasing Info
02 Capital Request
03
Purchase
Request Form
04 MRP Request
05 Issue PO
Leland
Vendor
Remittances
(#19)
P6-00
01 Vendor Invoices
02 Rec. Records
03 Packing List
04
Invoice
Approval
05
Buyer
Exception
Reports
Leland
Petty Cash
(#18)
P6-00
01
Petty Cash
Receipts
02 Check Request
Service the Customer
P7-00
01 QTS Info
02
Kimball Care
Tool (KCT)
03
Service Order
Parts Listing
04 Order Info
05 KRL Info
07 QTS Report
08
Kimball Care
Tool
09
Service Order
ACK's
10 KRL
Legacy
(EN44)
Mac
Pac
SAP
06 Copics
Combined diagrams from Team
Interviews
17 March 1998
Manufacturing
Level 1 Gane & Sarson
Data Model Relationships
SIZ FSCM NO DWG NO REV
E+ 2.1
SCALE 1 : 1 SHEET 2 OF 2

ERP System Process and Data Flow in Gane & Sarson Notation

  • 1.
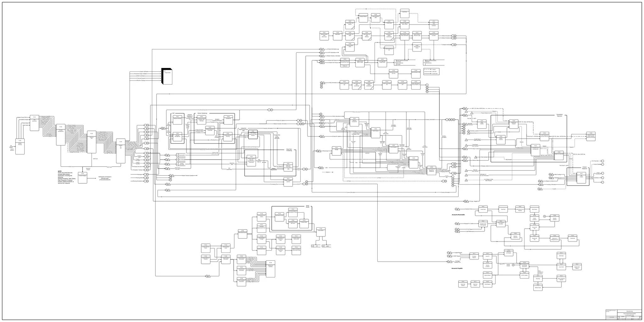
    Combined diagrams fromTeam Interviews 11 March 1998 Manufacturing Level 1 Gane & Sarson Models Current System State SIZ FSCM NO DWG NO REV E+ 2.1 SCALE 1 : 1 SHEET 1 OF 2 Idea Generation P1-01 Concept Development P1-02 Resource Plan P1-03 Prepare to Sell P1-04 Component Availability Master Product Plan Sales History Product Ideas Competitive Analysis Physical Mockups Project Cost Sales Volumes Mfg Techniques Target Pricing Test Results Prod Specs 3D Models 2D Drawings Tooling Project Schedule Introduction Dates Key Items 3D Models Spec / Design Freeze Produce Key Items Costing Testing Packaging Prelim BOM Model Numbers NC programs 2D Shop Dwgs Potential Vendors Part # Assigned Prelim Routings Sales Budget Customer Service Plans Training Plans Order Processing Plan Pilot Run Plan Vendor Determination Mstr Prod Schedule Mfg Material Plan QA Plan Shipping Plan Lead Time Plan Cmplt Cust Srv Plan Cmplt Purch Plan Cmplt Mstr Prod Plan Cmplt QA Plan Cmplt Lead Time Plan Cmplt Logistics Plan Finalize Wghts / Cubes Finalize BOM's Finalize Dwgs Finalize NC Pgms Finalize Inst Shts Production Training Finalize Wrk Inst 6 P0 6 P0 Routings Planning BOM's 6 P0 Planning Information 1 3 2 1 Product Planning P1-00 Market Research Product Changes P1-06 ECR Form Necessary Changes ECR Form ECR Form Notification of Change to Effected Areas: (P-01,02,03,04,05,07) NOTE: ECR's can come from any process after product introduction, including the following: Develop Products, Take Orders, Plan Production, Producer Product, Deliver Products, & Service the Customer Design/Proto Review Pilot Run Findings System verification Production Design Validation BIFMA Certification Final test Results Receive Order from SAP P2-04 Receive Outside Order (Hard Copy) P2-01 Enter Order Into EN44 P2-03 Archive Fulfilled Order P2-06 Credit Check P2-07 Logia Updates Copics (Order Dependent) P2-10 Allocate Logia ATP Date in EN44 P2-09 Send Acknowledgement to Customer P2-11 Copics Confirms Receipt to Logia P2-12 Logia Send Demand to Copics P2-13 To Master Schedule Deliver the Product Run Logia BOM Purge Process P2-15 Update Activity Status in Logia P2-16 Audit Promise Date File P2-17 Send File Back To SAP P2-18 Generate Price and Cost File P2-19 Send File Back to SAP P2-20 To Master Schedule Audit Order P2-02 Deliver the Product D1 Product Definition Data Base End Items Bill of Materials Routings P2-14 Warehouse Removes Demand from Copics Produt_ID D1 Master Schedule Database Quantity Demand Data 4 P4 4 P4 5 P3 5 P3 Product Information 2 1 3 2 Enter Order Into Logia (Automated) P2-04 Generate ATP Update (Automated) P2-08 Enter Order Into Logia (Manual) P2-04 Generate ATP Update (Automated) P2-08 Ship Information 13 P5 6 9 P5 12 P5 ATP Information Master Schedule Information KOG Sales Outside Sales Harpers Review Ordered Enter Order into MacPac P2-03 Adjust Shipment Date P2-09 Audit Order Generate Manual ATP Create Manufacturing Orders To Master Schedule 5 P3 3 Order Information is sent to Product_ID P2-21 Resource Planning P3-01 Time Phased Requirement (MRP) Records P3-07 Detailed Capacity Planning (Machine Center Constraints) P3-08 Production Planning (Capacity Lead Planning) P3-03 Detailed Material Planning P3-05 Vendor / Supplier Systems P3-10 Shop Floor Scheduling (Shop Order Release - SOR) P3-09 Demand Management P3-02 Bookings Inventory Lvl Shipments Production Sums or $ Master Production Scheduling P3-04 Customer Orders < Lead Times Configured Model Confirmed Orders Net of Forecast Forecast Input for Shop Floor Planning Information Key Constraint Wrk Ctr Shop Floor Reqmt's Material Requirements Inventory Information D2 Bills of Material D3 Routing Information Machined Parts Unit Assemblies Cell Level Planning Provide ATP P3-06 D1 Planning BOM Allocation Schedule Resources Shop Floor Scheduling SOP Confirmed Ship date Sales Forecast Sales Forecast PO's SUM's SOR Docs Master Schedule Information Product ID Labels Material Plan Independent Reqmt's, Qty & Due Date Min/Max 5 P2 1 P2 Master Schedule Updates Current Production Schedule (Pre SOP) 5 2 BOM's Order Entry from SAP Purchasing Plan Routing Info 3 P2 2 P2 Inv Info Customer Order within Lead Times Machine Components P4-02 Storage P4-01 Build Products P4-03 Finish Products P4-04 Trim Subassemblies P4-05 Pack Product for Shipment or Warehouse P4-06 Receiving Raw Materials Purchased Parts Purchased Parts Assemblies and Units Metal Components Laminates Fabricated Metal Finished Units Machined Wood Parts SOR (M.O.) Work Instructions Drawings Inventory Information Inventory Information Inventory Information Inventory Information Work Instructions Product Cost Mstr Sched Update Shipping Info Invoice Info Finished Units BOM BOM BOM Finished BOM Drawings Assemblies and Units Work Instructions Laminates 4 P3 11 P1 10 P1 Drawings 1 P5 Work Instructions BOM Laminates Purchased Parts Dwgs SOR (JIT List) CNC Programs Fab Metal SOR (JIT) Fabricated Metal Finished Units BOM Drawings Work Instructions Finished Units SOR (M.O.) Purchased Parts Purchased Parts 1 3 5 5 12 P1 Q Parts Q Parts Q Parts xx P5 6 Harpers 3 P5 4 P5 Product ID Labels Ship Product P5-07 Prepare for Shipment P5-06 Crate Product for Overseas Shipments P5-05 Stage Products P5-01 Warehouse Products P5-04 Shuttle Products P5-03 Schedule Truck (Loading Plan) P5-02 Barcoded Information Shuttle Report (Max PayLoad) Delivery Date Barcode Scan Cube / Weight Ship To Information Inventory Location Shipping Labels Confirmation of Pick List (Final Scan) Pick List (Max Payload) Crate Report (Max Payload) Bingo List (Artec) Bill of Lading Packaging List Release Delivery Export Documents Ford, Sal, FL, KUP1 NOF, SC, Artec, KUP2, Bor Harpers NOF-SC, Artec, KUP2, Bor Product Shipment Ford, Sal, FL, KUP1&2 NOF, SC, Artec, KUP1&2, Bor NOF-SC, Artec, KUP2, Bor Harpers Ford, Sal, FL, KUP1 Consolidate Shipment 1 P4 1 A1 1 A1 1 A1 Harpers Release Finished Goods Inventory Owned by KOG Sales P5-08 Harpers 1 2 1 4 5 6 7 8 11 14 15 3 2 16 17 18 2 P4 4 P4 3 P4 Inventory Information Inc & Ready to Ship (Max Payload)16 Stop Number Product Reserve for SO17 Q parts 1 P4 18 Invoice Created On Time Calc 5 4 NOF-SC, Artec, KUP1&2, Bor HarpersShuttle Product Shuttle Accept Call from Dealer P7-01 Accept Call from Customer P7-02 Locate Product Information P7-03 Identify Quality Issues P7-04 Enter Issue Into QTS P7-05 Locate Technical Information P7-06 Locate General Information P7-07 Locate Installation Information P7-08 Respond to Customer P7-09 Call Plant Price List Other PDA KRL Magic Copics Price List PQA Member Call Plant Call Plant Magic / Copics Kimball Care Other PQA Generate Service Orders P7-10 Generate Replacement Orders P7-11 Approve Repair Changes P7-12 Additional Discount P7-13 Notify Service Via Resolution Form P7-14 Customer Service Issues Credit P7-15 Look Parts in Copics P7-16 Put Information in Description of Order P7-17 Send KForm to Data Mot Team P7-18 Process Order P7-19 Enter Orders P7-20 Setup Model D1 SAP D2 Legacy Notify Customer Via Resolution Form P7-16 PQA or Customer Service Issues Credit P7-18 5 P1 1 Credit Check P6-01 Take Order Ship Product Establish Credit For Customer P6-02 Enter Customer into EN01 P6-03 Invoice Customer P6-05 Receive Payment P6-08 Review A/R File P6-07 Collection of Undisputed Accts. P6-09 Post to A/R File P6-06 Credit Hold P6-10 Maintain Credit File P6-04 Purchase Request P6-11 Issue P.O. P6-12 Record in GL Account P6-13 Send to Customer P6-14 Petty Cash Request P6-18 Petty Cash Process P6-17 Check Request P6-16 Expense Report P6-15 A/P File Update P6-20 Receiving P6-24 Return Rejected Material P6-25 Match Invoice to P.O. & Receiving Documents P6-19 Issue Check P6-22 Update Check Register P6-23 Void Check P6-21 Material Input P6-26 AVendor Invoice Accounts Payable Accounts Receivable B.O.L. Packing List QA Report Capital Request MRP Request Purchase Request Form Customer Order Request For Credit D & B Report Credit References A Credit Check Prior to Shipping P6-01 4 P1 2 8 P1 1 4 P1 3 7 7 P1 1 P1 4 3 P3 2 2 P4 3 6 P4 2 P3 6 2 P3 5 7 P4 1 7 1 P3 1 P6 4 1 2 3 4 5 6 4 P3 7 6 P1 6 7 7 P3 8 1 P3 7 7 P3 6 6 P3 5 1 P7 8 1 P4 19 P5 1 8 P3 4 P5 5 P4 19 Master Scheduling 4 P4 3 4 P4 4 P5 3 1 P6 4 4 P5 2 5 P4 Invoice Information Invoice Information 2 P2 4 P2 5 5 P3 4 9 P5 4 12 P5 13 P5 4 P2 9 4 P2 13 4 P2 12 13 P1 10 13 10 P5 8 P1 4 7 P1 1 15 12 1 P4 11 1 P4 10 3 P4 9 4 P4 2 P3 4 14 1 P2 5 P4 id Project Folder 2 P3 Copy of PO Stop Number
  • 2.
    01 Master ProductPlan 02 Competitive Analysis 03 Product IDEAS 04 Sales History 05 Tollgate Findings & Sign Off Doc. 06 Product Line Offering Conceptual Sketches MS Project MS Word IDEAS SDRC MS Excel 07 Estimated Project Costs (return map) IDEA Generation P1-01 08 Estimated Sales Volume 09 Target Pricing 10 Product Spec's (Prelim.) 11 3D Solid Models / 2D Drawings 12 Prelim. ProductTest Results 13 Product Line Offering Document 14 Updated Project Schedule 01 Product Line Offering Document 02 3D Solid Models 03 2D Drawings 04 Product Specifications 15 Preliminary Routings & NC Programs 16 Test Results of Key Items MS Project Copics IDEAS SDRC MS Excel Data IN Data OUT Data USERS 07 Finalized Product Line Package Concept Development P1-02 08 Finalized Project Objectives 09 Finalize Sales Projections 10 Collateral & Promotional Plan 11 Solid Models of Key Items 12 Drawings of Key Items 13 BOM's of Key Items 14 Preliminary costing 05 Target Pricing 06 Estimated Sales Volume 18 Tollgate Findings & Sign Off Doc. 19 Preliminary Packing Requirements 17 Updated Project Schedule OV Email Logia 01 Spec Freeze 02 Phase III Tollgate Findings/Approval 03 Project Plan (Targeted Intro. Date) 04 Sales Strategy Plan MS Project MS Word 07 Sales/Mfg. Training Plan Resource Planning P1-03 08 Mfg. Materials Plan 09 Production Plan 10 Quality Assurance Plan 11 Marketed Leadtime Plan 12 Logistics/Shipping Plan 13 Update Master Project Schedule 14 Tollgate Findings & Sign Off Doc. 05 Customer Service Plan 06 Order Process Plan OV Email 01 Completed Plans From Planning Phase 02 Outputs From Concept Development Phase 03 2D Drawings 04 NC Programs 15 Installation Instruction Sheets 16 Product Cubes & Weights MS Word Copics IDEAS SDRC MS Excel Data IN 07 Finalized Packaging Designs Prepare to Sell P1-04 08 Routings 09 Actual Product Cost 10 Collateral Materials 11 Planning Data 12 Planning BOM's 13 BOM's 14 Completed Plans From Planning Phase 05 Pilot Run Findings 06 3D Solid Models 18 Tollgate Findings & Sign Off Doc. 17 Final Test Results OV Email Logia 01 Sales & Operation Plan 02 Market Research 03 Product Spec's 04 Design Criteria 05 Sales Projection 06 Price Target MS Project MS Word/ Excel IDEASEmail 01 Product Spec's 02 Design Criteria 03 Sales Projection Seating Engineering P1-03 01 SEE OUTPUUT from CONCEPT 07 Budgeted Tooling Cost Seating Concept Phase P1-02 Seating Planning Phase P1-01 06 Product Spec's * Team Make-up * Model No. 07 Digital Models * Test Matrix * FTSG Testing Req. 08 Sketches 09 Scale Models 10 Product Spec's (Briefs) 04 Price Target 05 Budgeted Tooling MS Project MS Office IDEASEmail 11 Product Schedules * Concept Phase * Approval Form MS Project MS Office IDEASEmail 02 Product Spec's Patent Search 03 Projected Income Product Name Mktng. Dvlp. Plan 04 Training Plan 05 Feasibility Verify Price To Sales Short List Mtrl 06 Prototypes QA Plan Dvlp. Test Criteria 07 Final Mtrl ?????? Quote Proc. Bid Tollgate Form 01 Requisition Tooling Tooled Part Verify Testing 02 List of Models for Pilot Run Model Spec's 03 Devel. Uphol. Spec Cover Patterns FAB Foam Pattern Glue Spec's Hand Cut Patterns 04 Potential Restrictions Sewing Spec's Model info Doc. IDEAS MS Office Projects PM & C SOR EN44 SAP Logia Copics 05 Model # Setup Pilot Run Walk list Prepare to Produce & Sell P1-04 EMAIL 06 Tollgate Signoff 01 Introduce Product to Market 02 ACK Orders MFG. PO's 03 Production Schedules Copics SOR PM & C SAPLogia Implement P1-05 MRP Leland 01 ECR Form Copics Logia Dem. Sol Share File Notelog EMAIL Seating Maintenance P1-06 Take Orders Specials For KOF Casegoods P - 02 01 TIF Report 02 Quote Request Form 03 Model Request Set-up 04 C & C (Change & Cancel) Dyna Plan Copics Data IN Data OUT Data USERS 05 Factory Order 06 Dyna Plan Spreadsheet EN44 O.V.TIF MRP Prod. ID IDEAS Master Production Scheduling P3-04 01 EN44 02 Wkly Release & SAP Demand Mgmt. 03 Capacity Report 04 Capacity Plan sums 05 Planning Data 06 Line Schedules 07 Product ID Labels 08 Manifests 09 Reports Dyna Plan O.V. Legacy (EN44) Mac Pac SAP Provide ATP P3-06 01 Capacity Report (SAP) 02 Sums Report 03 Scheduled Prod. Report 04 Confirmation Report (SAP) Dyna Plan SAP MRP P3-0701 Routings 02 BOM 03 Planning Data 05 Reports Dyna Plan Copics 04 Dyna Plan Schedule Shop Floor Scheduling P3-09 01 Parm Card Updates 07 SOR Documents / Shop Ticket Copics (SOR) 08 Shop Drawing 09 Product ID Labels 10 Reports Vendor Supplier System P3-10 01 Min/Max 04 PO #'s MRP 05 Inventory Info 02 Mat. Req. (MRP) 03 Supplier Info Leland Produce Product P-04 01 CNC Program 02 Drawings 03 SOR # 04 Shop Paper 05 NI's 07 Inventory Rec. 08 MS Updates 09 Cost 10 Shipping Info O.V. - shared MagicSOR Data IN Data OUT Data USERS 06 Shop Ticket Sum Report CopicsLogia MRP Prod. ID- Max payload Deliver the Product P5 - 00 01 Inventory Info (Order Level Detail) 02 Shipping Info 03 Product Cost 10 Bill of Lading Product ID Logistics & Maxpa- load 04 Shuttle Report 05 Shipping Label (Manifest) Product ID Label 06 Pick List 11 Packing List 12 Bingo Sheet 13 Export Documents (Furnished by Logistics) Finished Goods Ship System Manifest 07 Orders Ready For Shipment Report 08 Print Bill of Lading 09 Print Packing List (Bingo Sheet) Establish Credit For Customers (#2) P6-00 01 Customer Info 02 Dunn & Bradstreet Report 03 Service Order Parts Listing 04 Credit Limit 05 Enter Customer Info into System EN01 Mac Pac 06 Credit Info Maintain Credit Files (#4) P6-00 01 Financial Statement (Out of Date Report) 02 Credit Line (Out of Date Report) 03 Update Info in EN01 Review Aging Report File Weekly (#7) P6-00 01 Accts Received Aging Report 02 10 Day Letter 03 Turned Over to Collection Collection of Undisputed Accounts (#9) P6-00 04 Due & Payable Letter 01 Past Due Invoices 02 Order List 03 Customer Credit Line O.V. Purchase Request (#11) P6-00 01 Rec. Purchasing Info 02 Capital Request 03 Purchase Request Form 04 MRP Request 05 Issue PO Leland Vendor Remittances (#19) P6-00 01 Vendor Invoices 02 Rec. Records 03 Packing List 04 Invoice Approval 05 Buyer Exception Reports Leland Petty Cash (#18) P6-00 01 Petty Cash Receipts 02 Check Request Service the Customer P7-00 01 QTS Info 02 Kimball Care Tool (KCT) 03 Service Order Parts Listing 04 Order Info 05 KRL Info 07 QTS Report 08 Kimball Care Tool 09 Service Order ACK's 10 KRL Legacy (EN44) Mac Pac SAP 06 Copics Combined diagrams from Team Interviews 17 March 1998 Manufacturing Level 1 Gane & Sarson Data Model Relationships SIZ FSCM NO DWG NO REV E+ 2.1 SCALE 1 : 1 SHEET 2 OF 2