Atomic Emission Spectroscopy 
1 
By: Bijaya Kumar Uprety
Introduction 
•Atomicemissionspectroscopy(AES)isamethodofchemicalanalysisthatusestheintensityoflightemittedfromaflame,plasma,arc,orsparkataparticularwavelengthtodeterminethequantityofanelementinasample.Thewavelengthoftheatomicspectrallinegivestheidentityoftheelementwhiletheintensityoftheemittedlightisproportionaltothenumberofatomsoftheelement. 
•TheprincipleofAESisthatatoms(orsometimesions)arethermallyexcitedtohigherelectronicenergylevels,andthenrelaxbacktolowerelectronicenergylevelsbyemittingradiationintheUV-visibleregion. 
•Theemittedradiationisdetectedandusedtodeterminewhichelementsarepresent,andtheirconcentration.TheinstrumentationforAESrangesfromtheverysimpleandcompactflamephotometer,tosophisticatedandexpensiveplasmaspectrometers. 
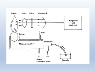
2
1. Flame Photometry 
•FlamephotometryisthesimplesttechniqueinAES, havingtheadvantageofcheapnessandsimplicity.Itisapplicabletosolutionsonly,andisverylimitedintherangeofelementswhichcanbeanalysed,thesebeingprincipallyNaandKandalsoLiandCa. 
•Theseelementsareeasilyionisedandthereforeonlyrequirelowtemperatureatomisationmethods.ThemajorapplicationofflamephotometryisinclinicallaboratoriesfordeterminingNa,K,LiandCainbodyfluids,althoughthistechniqueisbeingsuperseded(replaced)byion-selectiveelectrodes.Adiagramofaflamephotometerisgivenbelow. 
3
•Thesamplesolutionisdrawnupintothenebuliserbyairflowingatconstantpressure,whichhasasuctioneffect.Theairandthenebulisedsamplesolutionaremixedwiththefuel(whichisusuallypropane),inthemixingchamberbeforepassingintotheburner.Theemittedradiationisfocussedbyalens,thenpassesthroughanopticalfilterwhichtransmitsonlyonestrongresonancelineoftheelementofinterest.Thedetectorisusuallyaphotocell. 
•Theadvantagesofflamephotometryarethelowcost,beingconsiderablycheaperthananyotherAAorAEspectrometer; freedomfromspectralinterferences,thelowflametemperaturemeaningthatonlythegroup1andgroup2elementsproducelinesofintensity;andfreedomfromionisationinterferences,becauseionisationbecomesaproblemonlyathighertemperatures. 4
5
2. Inductively Coupled plasma Atomic Emission Spectroscopy (ICP-AES) 
•Therearethreeplasmaatomisationmethodswhichhavebeendeveloped, namelyinductively-coupledplasmaAES(ICP);direct-currentplasmaAES(DCP);andmicrowaveplasmaAES.Ofthethree,ICPisnowthemostwidelyused,DCPislesscommonandmicrowaveplasmaAESisseldomused. 
•Inductivelycoupledplasmaatomicemissionspectroscopy(ICP-AES)usesaninductivelycoupledplasma(orplasmatorch)toproduceexcitedatomsandionsthatemitelectromagneticradiationatwavelengthscharacteristicofaparticularelement. 
•Itissimilartoflameemission.However,aplasmatorchisusedforexcitationratherthanaflame.Theplasmaismuchhotterandhasseveralotheradvantages. 
•Aplasmaisaconductinggaseousmixturecontainingasignificantquantityofcationsandelectrons.Theargonionsandelectronsformtheprincipalchargecarriersthoughthesamplecationsalsocontribute. 
6
•Oncetheplasmahasformed,theargonionswithinitarecapableofabsorbingsufficientenergyfromanexternalsourcetomaintainatemperaturewherefurtherionizationcansustaintheplasmaindefinitely.Plasmatemperaturesashighas10,000Kelvincanbereached. 
•TheICPtorchconsistsofthreeconcentricquartztubeswhicharecalledthe‘outertube’,‘intermediatetube’and‘innertube’or‘carriergastube’. 
•Thesamplesolutionisnebulisedbyaflowofargonwhichcarriesthesampleupinsidetheinnertube.Anangledflowofargonbetweentheouterandmiddletubeskeepsthesampleflowandplasmastable. 
•Atthetopofthetorchthereisaninductioncoilwhichgeneratestheplasma;oncethishasformed,theplasmabecomesself-sustaining.Thesampleintheargonflowreachestheplasmawheretheveryhightemperaturesatomisethesamplecompletely. 
7
•Thetemperatureofplasmavariesfrom2000Katthetopofthetorchto10000Katthebottomwhichismuchmoregreaterthanwegetusingaconventionalflame. 
•Thismeansatomisationofthesamplewilloccurtoamuchgreaterextent(nearlytocompletion). 
•ICP-AESalsohastheadvantageofhavingalargedynamicrange,i.e.sampleswithconcentrationsoverseveralordersofmagnitudecanbeanalysedfromthesamecalibrationcurve. 
8
Fig showing Plasma torch 
9
•Thepreviousslidefigureshowsaninductivelycoupledplasmatorch.Therearethreeconcentricquartztubesthroughwhichargonflows,thecombinedflowratebeing11-17litersperminute. 
•Thetopoftheoutertubeissurroundedbyawater-cooledinductioncoil,whichispoweredbyaradio-frequencygeneratorcapableofproviding2kWofenergyatafrequencyof27MHz. 
10
•Plasmainitiation-TheionisationoftheflowingargonhastobeinitiatedbyasparkprovidedbyaTeslacoil.Theresultingionsandelectronsfromthesparkinteractwiththefluctuatingmagneticfield.Thiscausesthemtoflowinclosedannularpaths.Astheenvironmentbecomesmoreconductivethereisresistancetothechargemovementthatresultsinthegenerationofohmicheating. TheheatgeneratedisgreatenoughtoformaplasmawhichwillbesustainedprovidedthereiscontinuedpowerfromtheRFsourceandsufficientargon.Thetemperaturewouldbesufficienttodamagethequartzwallsbutthisisovercomebyhavingasecondaryflowofargon,whichcirclestheinnertubeandcoolsthewall.Thisflowalsohelpstostabilizetheplasmaradially. 
•Anewformofignitionusesahightensioncoil(60Kv)surroundingthegasinlet.Thisvoltageissufficienttoionizetheargonwhichstartstomoveincloseannularpathsonceitreachesthemagneticfield. 
11

Emission spectroscopy