CHAPTER 5 Operational Amplifier
Operational  Amplifiers Buffer Amplifier Summing Amplifier Differential Amplifier Positive & negative Feedback
OPERATIONAL AMPLIFIER Block Diagram of Op-amp
A signal voltage at the inverting(–) input tends to produce an output voltage Vout that is in opposite polarity to Vi (Voltage at inverting input). A signal voltage at the non inverting(+) input tends to produce a Vout that is the  same polarity as Vni (Voltage at non inverting input).
Ideal Op-Amp Model Assume,A VOL  is very large~approximate 20 000 Generally, Vo  =A VOL (V ni -V i ) Vo  =A V diff V diff =Vo/A VOL   =15/200000 = ~0.07mV(quite small) Since Rin is considered infinity (~1MOhm), I i =V diff /R in = ~0V/1MOhm   = 0 A
Inverting amplifier -the inverting amplifier, will amplify the input,Vs and invert(sonsang) the value which is going to be negative value.
Inverting amplifier I R1 =V R1 /R 1 = (V S -V i )/R 1 = ( V S -~0)/R 1 = V S /R 1 = 0.5/1kOhm = 0.5mA I R F = (V i  -V OUT )/ R F = (0-V OUT )/ R F = -V OUT / R F So, V OUT = -I RF R F = -I R1 R F (I RF =I R1 ) = - (0.5mA) (20kOhm) = -10V (Since it is inverting, the  output will be –ve) Closed loop voltage   gain ,A VCL = V OUT  /Vs = -10V/0.5V = -20 A VCL = V OUT  /Vs = -V S  (R F /R 1 ) /Vs  A VCL = -R F /R 1 =-20
Non inverting amplifier V-term= Vs I R1 =V S /R 1 So,  V S =I R1 R 1 I RF = (V OUT -V S )/R F But I R1 = I RF V S /R 1 = (V OUT -V S )/R F V OUT -V S = (R F /R 1 )V S V OUT  = (R F /R 1 )V S +V S = V S [(R F /R 1 )+1] V OUT / Vs = (R F /R 1 )+1 = 1+ R F /R 1 = A V So, A V = 1+ R F /R 1 Thus, for R 1 = 1kOhm and R F =20kOhm,  Vs= 0.5V as before, the non inverting amplifier provide voltage gain of  A V = 1+ 20k/1k = 21 V OUT = 21Vs = 21(0.5) = 10.5V -the value,Vs will be amplify but not going to be invert.
Op amp summing amplifier I1=V1/R1 I2=V2/R2 IT=(0-V OUT )/RF but IT= I1+ I2 -V OUT / RF =V1/R1+V2/R2 -V OUT = [V1/R1+V2/R2] RF Let R1=10kOhm, R2=20kOhm, RF=40kOhm, V1=1.2V, V2= -1.9V So, -V OUT = [V1/R1+V2/R2] RF -V OUT = [1.2/10k+(-1.9)/20k] 40k =1V V OUT = -1V
Differential amplifier - amplify the difference between two signal -the difference between this two signal is considered an error -this error is going to be Vout. The gain is 1 since it only comparing. V OUT =(V 2 -V 1 ) X R F /R 1 -Example: V1=2.2V ,V2=1.5V ,RD=RF=86kohm, VOUT=?  R1=R2=10kohm VOUT=(1.5-2.2)X(86k/10k) = (0.7) X 8.6 = -6V
Integrator for standard amplifier,which use two resistor has output nearly  instantaneous. -but output of integrator is not instantaneous,  it is function of time, which is  controlled by the resistor capacitor network, R1 and C1.   -When input signal change, the capacitor changes to a new value and the time it  takes to charge to a new value is T, the integral time.  V OUT =-(1/R1C1) X ∫V IN  dt Cut off frequency, fc=1/(2  R F C1) - Stop act as integrator when f < fc and act as inverting amplifier.
Example.  Sketch and label the values of the output signal Vout for Vin that is 1kHz  square wave with a peak voltage of  +  1 V (2Vp-p) Solution.  The input signal is specified as square wave varying between +1V and -1V at 1 kHz rate, T= 1/f = 1/1kHz = 1ms. which means that the input will be +1V for half time, or 0.5ms and at -1V at 0.5ms.
For t=0 to 0.5ms, Vi=1V Vo1= -(1/R1C1) X ∫VIN dt + Vo(0) =-1/(10kΩ x 0.01µF) x  + 0 = -10000 x = -10000 x 0.5ms = -5V For t =0.5ms to 1.0ms Vo2= -(1/R1C1) X ∫VIN dt + Vo1 =-1/(10kΩ x 0.01µF) x  + (-5V) = [-10000 x  ] - 5V = [-10000 x (-0.5ms)] -5V = 0 V
Op Amp differentiator -The output of differentiator is proportional to the rate of change of  input;  VOUT= - (RFC1) x dVIN/dt -Cut off frequency, fc=1/2  R1C1 -If f > fc , it stops acting as  differentiator and act as inverting amplifier. Example: Calculate VOUT in figure above where RF=2.2k Ohm and C= 0.001uF and where VIN is ramp input that goes from +5V to -5V in time given from figure shown above.
Solution. For t= 0 to 50us Vout= - (RFC1) x dVIN/dt = -(2.2k)(0.001u) x 10/(50u) = -0.44V For t=50us to 100us Vout= -(2.2k)(0.001u) x [-10/(50u)] = 0.44V For t=100us to 150us Vout=-(2.2k)(0.001u) x 10/(50u) = -0.44V For t= 150us to 200us Vout= -(2.2k)(0.001u) x [-10/(50u)] = 0.44V
Voltage follower -Output is connected directly to its inverting input, thus producing the output  that is equal to the non inverting input voltage in both amplitude and  polarity.  Output = Input, so Gain, A=1
Offset value of op amp -the offset value is a unique value for each  op amp. -the original value of new op amp normally  not zero as what is suppose to be. -This offset value will interrupt the operation of  the circuit if not modify appropriately. -the way to modify is add certain value of  resistor across the op amp to achieve value  of zero.
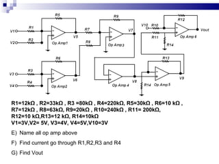
R1=y , R2= 2y , R3 =4y , R4=6y , R5=8y , R6=10y , R7=12y , R8=14y, R9=16y , R10=18y , R11= 20y, R12=22y, R13=24y, R14=26y V1=x , V2 =2x , V3=4x ,V4=8x, V8=10x Note: Please simplified your answer. Name types of all five op amp above.  Give values/expression for current flows through  R1,R2,R3,R4,R5  Give expression/value for V5, V6, V7 and V9, Vout
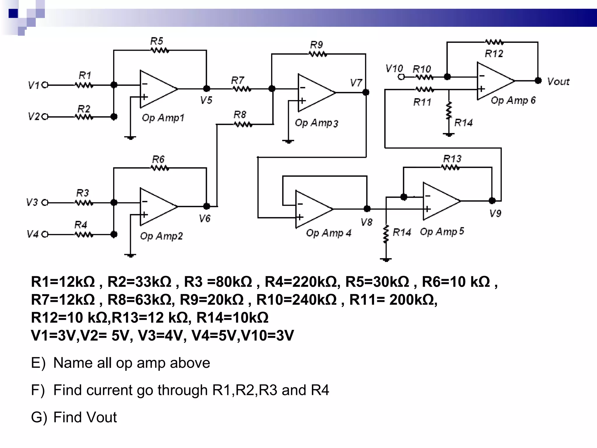
R1=12kΩ , R2=33kΩ , R3 =80kΩ , R4=220kΩ, R5=30kΩ , R6=10 kΩ ,  R7=12kΩ , R8=63kΩ,  R9=20k Ω  , R10=240k Ω  , R11= 200k Ω, R12=10 kΩ,R13=12 kΩ, R14=10kΩ V1=3V,V2= 5V, V3=4V, V4=5V,V10=3V Name all op amp above Find current go through R1,R2,R3 and R4 Find Vout
Consider the integrator circuit in Figure given. The input signal, Vi to the circuit is a 10kHz square  wave with 2Vp-p. Determine each of the following: Sketch and label the values of the output signal,Vo. At what freq. will the circuit stop acting as an integrator. Sketch the output signal,Vo when it is not acting as a integrator and what it is acting now.
Example: Calculate VOUT in figure above where RF=1.7k Ohm,R1=10kOhm and C= 0.008uF and where V IN  is ramp input shown in figure below. At what freq. it will stop acting as differentiator?What its gain now?

Chapter 5 operational amplifier

  • 1.
  • 2.
    Operational AmplifiersBuffer Amplifier Summing Amplifier Differential Amplifier Positive & negative Feedback
  • 3.
    OPERATIONAL AMPLIFIER BlockDiagram of Op-amp
  • 4.
    A signal voltageat the inverting(–) input tends to produce an output voltage Vout that is in opposite polarity to Vi (Voltage at inverting input). A signal voltage at the non inverting(+) input tends to produce a Vout that is the same polarity as Vni (Voltage at non inverting input).
  • 5.
    Ideal Op-Amp ModelAssume,A VOL is very large~approximate 20 000 Generally, Vo =A VOL (V ni -V i ) Vo =A V diff V diff =Vo/A VOL =15/200000 = ~0.07mV(quite small) Since Rin is considered infinity (~1MOhm), I i =V diff /R in = ~0V/1MOhm = 0 A
  • 6.
    Inverting amplifier -theinverting amplifier, will amplify the input,Vs and invert(sonsang) the value which is going to be negative value.
  • 7.
    Inverting amplifier IR1 =V R1 /R 1 = (V S -V i )/R 1 = ( V S -~0)/R 1 = V S /R 1 = 0.5/1kOhm = 0.5mA I R F = (V i -V OUT )/ R F = (0-V OUT )/ R F = -V OUT / R F So, V OUT = -I RF R F = -I R1 R F (I RF =I R1 ) = - (0.5mA) (20kOhm) = -10V (Since it is inverting, the output will be –ve) Closed loop voltage gain ,A VCL = V OUT /Vs = -10V/0.5V = -20 A VCL = V OUT /Vs = -V S (R F /R 1 ) /Vs A VCL = -R F /R 1 =-20
  • 8.
    Non inverting amplifierV-term= Vs I R1 =V S /R 1 So, V S =I R1 R 1 I RF = (V OUT -V S )/R F But I R1 = I RF V S /R 1 = (V OUT -V S )/R F V OUT -V S = (R F /R 1 )V S V OUT = (R F /R 1 )V S +V S = V S [(R F /R 1 )+1] V OUT / Vs = (R F /R 1 )+1 = 1+ R F /R 1 = A V So, A V = 1+ R F /R 1 Thus, for R 1 = 1kOhm and R F =20kOhm, Vs= 0.5V as before, the non inverting amplifier provide voltage gain of A V = 1+ 20k/1k = 21 V OUT = 21Vs = 21(0.5) = 10.5V -the value,Vs will be amplify but not going to be invert.
  • 9.
    Op amp summingamplifier I1=V1/R1 I2=V2/R2 IT=(0-V OUT )/RF but IT= I1+ I2 -V OUT / RF =V1/R1+V2/R2 -V OUT = [V1/R1+V2/R2] RF Let R1=10kOhm, R2=20kOhm, RF=40kOhm, V1=1.2V, V2= -1.9V So, -V OUT = [V1/R1+V2/R2] RF -V OUT = [1.2/10k+(-1.9)/20k] 40k =1V V OUT = -1V
  • 10.
    Differential amplifier -amplify the difference between two signal -the difference between this two signal is considered an error -this error is going to be Vout. The gain is 1 since it only comparing. V OUT =(V 2 -V 1 ) X R F /R 1 -Example: V1=2.2V ,V2=1.5V ,RD=RF=86kohm, VOUT=? R1=R2=10kohm VOUT=(1.5-2.2)X(86k/10k) = (0.7) X 8.6 = -6V
  • 11.
    Integrator for standardamplifier,which use two resistor has output nearly instantaneous. -but output of integrator is not instantaneous, it is function of time, which is controlled by the resistor capacitor network, R1 and C1. -When input signal change, the capacitor changes to a new value and the time it takes to charge to a new value is T, the integral time. V OUT =-(1/R1C1) X ∫V IN dt Cut off frequency, fc=1/(2 R F C1) - Stop act as integrator when f < fc and act as inverting amplifier.
  • 12.
    Example. Sketchand label the values of the output signal Vout for Vin that is 1kHz square wave with a peak voltage of + 1 V (2Vp-p) Solution. The input signal is specified as square wave varying between +1V and -1V at 1 kHz rate, T= 1/f = 1/1kHz = 1ms. which means that the input will be +1V for half time, or 0.5ms and at -1V at 0.5ms.
  • 13.
    For t=0 to0.5ms, Vi=1V Vo1= -(1/R1C1) X ∫VIN dt + Vo(0) =-1/(10kΩ x 0.01µF) x + 0 = -10000 x = -10000 x 0.5ms = -5V For t =0.5ms to 1.0ms Vo2= -(1/R1C1) X ∫VIN dt + Vo1 =-1/(10kΩ x 0.01µF) x + (-5V) = [-10000 x ] - 5V = [-10000 x (-0.5ms)] -5V = 0 V
  • 14.
    Op Amp differentiator-The output of differentiator is proportional to the rate of change of input; VOUT= - (RFC1) x dVIN/dt -Cut off frequency, fc=1/2 R1C1 -If f > fc , it stops acting as differentiator and act as inverting amplifier. Example: Calculate VOUT in figure above where RF=2.2k Ohm and C= 0.001uF and where VIN is ramp input that goes from +5V to -5V in time given from figure shown above.
  • 15.
    Solution. For t=0 to 50us Vout= - (RFC1) x dVIN/dt = -(2.2k)(0.001u) x 10/(50u) = -0.44V For t=50us to 100us Vout= -(2.2k)(0.001u) x [-10/(50u)] = 0.44V For t=100us to 150us Vout=-(2.2k)(0.001u) x 10/(50u) = -0.44V For t= 150us to 200us Vout= -(2.2k)(0.001u) x [-10/(50u)] = 0.44V
  • 16.
    Voltage follower -Outputis connected directly to its inverting input, thus producing the output that is equal to the non inverting input voltage in both amplitude and polarity. Output = Input, so Gain, A=1
  • 17.
    Offset value ofop amp -the offset value is a unique value for each op amp. -the original value of new op amp normally not zero as what is suppose to be. -This offset value will interrupt the operation of the circuit if not modify appropriately. -the way to modify is add certain value of resistor across the op amp to achieve value of zero.
  • 18.
    R1=y , R2=2y , R3 =4y , R4=6y , R5=8y , R6=10y , R7=12y , R8=14y, R9=16y , R10=18y , R11= 20y, R12=22y, R13=24y, R14=26y V1=x , V2 =2x , V3=4x ,V4=8x, V8=10x Note: Please simplified your answer. Name types of all five op amp above. Give values/expression for current flows through R1,R2,R3,R4,R5 Give expression/value for V5, V6, V7 and V9, Vout
  • 19.
    R1=12kΩ , R2=33kΩ, R3 =80kΩ , R4=220kΩ, R5=30kΩ , R6=10 kΩ , R7=12kΩ , R8=63kΩ, R9=20k Ω , R10=240k Ω , R11= 200k Ω, R12=10 kΩ,R13=12 kΩ, R14=10kΩ V1=3V,V2= 5V, V3=4V, V4=5V,V10=3V Name all op amp above Find current go through R1,R2,R3 and R4 Find Vout
  • 20.
    Consider the integratorcircuit in Figure given. The input signal, Vi to the circuit is a 10kHz square wave with 2Vp-p. Determine each of the following: Sketch and label the values of the output signal,Vo. At what freq. will the circuit stop acting as an integrator. Sketch the output signal,Vo when it is not acting as a integrator and what it is acting now.
  • 21.
    Example: Calculate VOUTin figure above where RF=1.7k Ohm,R1=10kOhm and C= 0.008uF and where V IN is ramp input shown in figure below. At what freq. it will stop acting as differentiator?What its gain now?