Dr.Y.NARASIMHA MURTHY Ph.D
                                                                    yayavaram@yahoo.com


                           Sensors and Interfacing techniques
Introduction

Sensors are sophisticated devices which will detect and measure any non-electrical physical
quantity .A Sensor converts the physical parameter (for example: temperature, blood pressure,
humidity, speed, etc.) into a signal which can be measured electrically.

Sensor is sometimes called a primary measuring element, which can be found simply as a
mercury thermometer to measure the temperature. It may be embedded in the transducer to
perform its function. That means the transducer consists of a primary element (sensor) plus a
secondary element (signal conditioning circuit) that transforms the passive change or small
voltage signal into active signal range that can be easily used in other chains of the control loop.
So, we can write that
                        Transducer = Sensor + Signal conditioning circuit

The important characteristics of sensors are

        Accuracy :High accuracy is needed
        Environmental condition – The performance of the sensor should not depend on
        environmental conditions like temperature or humidity etc..
        Wide Range –.Measurement limit of sensor . The range should be high.
        Calibration - Essential for most of the measuring devices as the readings changes with
        time
        Resolution – Sensor must be able to detect even small changes in the input signal.
        Cost- Sensor should not be very expensive.
        Repeatability – The sensor must be able to reproduce the same output at similar
        conditions.
        Linearity : The output of the sensor must be linear .

There are various types of sensors available , which measures various physical parameters.

    Sensor type                   Physical Parameter

     Temperature                      Temperature

     Light                                 Light / dark

     Pressure                      Pressure or barometric pressure or blood pressure

     Moisture                      amount of moisture present in air

1
Dr.Y.NARASIMHA MURTHY Ph.D
                                                                      yayavaram@yahoo.com


    Water-level                    How full / empty a container is

    Movement                       Movement nearby

    Proximity                      How close or far something is

Types of Sensors : Based on the principle of working the sensors are divided into

        Resistor type
        Capacitor Type &
        Inductor type etc..

Resistor type Sensors: A sensor whose resistance changes with the input signal .i.e based on the
vatiation of the resistance of the sensor element , the physical parameter is detected.

For example , Themistor , Platinum resistance thermometer or Thermocouple etc.. are used to
measure the temperature with respect to the variation in the resistance of the material. In the case
of a thermistor the temperature is given by

                        Rt = R0.e β (1/T - 1/T0 ) Here ,β is the constant of the thermistor. Rt is the
resistance of the thermistor at a temperature t. The variation of resistance of a thermistor with
temperature is given by the following graph.




A strain gauge is a thin metal foil that changes resistance with applied strain. Strain gauges are
the preferred choice in stress analysis due to their small size and relatively low cost. Strain
gauges can measure strain levels from a few micro-strain (μe) to over 100,000 micro-strain.

2
Dr.Y.NARASIMHA MURTHY Ph.D
                                                                      yayavaram@yahoo.com


The changes of resistance associated with strain gauges are small and present measurement
situation. A Wheatstone bridge arrangement is commonly used to measure the small changes
in resistance associated with strain gauges.


Capacitive type Sensors: These sensors work on the principle of variation of capacitance with
the external input signal.

The basic operation of capacitive type sensors can be seen from the familiar equation for a
parallel-plate capacitor.

                             C = Kε0 A /d

Here K is the dielectric constant of the material, ε0 is the permittivity of the free space and d is
the distance between the parallel plates and A is the area of cross section.

The capacitive type sensors are used to detect the physical parameters like Humidity or pressure
or proximity etc..

Inductive type Sensors: These sensors are based on the principle that the inductance of a coil
varies with the change input signal.

For example, if a permeable core is inserted into an inductor the net inductance is increases.
The best example is the LVDT (Linear Variable Differential Transducer) which is used to
measure displacements accurately. LVDTs can measure displacements from a few microns to
several feet in a wide variety of environments.
Inductive proximity sensors use an electromagnetic field to detect the presence of metal objects.
Inductive proximity sensors are available in a variety of sizes and configurations to meet varying
applications. The sensor incorporates an electromagnetic coil which is used to detect the
presence of a conductive metal object. The sensor will ignore the presence of an object if it is not
metal.
Limitations of Sensors : The sensors have certain limitations based on their working and
construction.

         Some sensors require complex signal conditioning circuitry.
         The output of the certain ssensors is not linear and hence additional circuitry is needed.
         The response time of sensors is some times very high

3
Dr.Y.NARASIMHA MURTHY Ph.D
                                                                   yayavaram@yahoo.com


        The size of some sensors is large and occupies more space.
        Many times a sensor may respond to more than to one parameter. For example, gas
        sensors respond to more than one gas at a time.
        Reliability of a sensor is also a serious problem in some cases.


Need and Advantages of IC sensors: With the developments in semiconductor technology and
with the advent of high speed processors ,the need of IC sensors is rapidly increasing. The
Integrated sensors provide significant advantages in terms of overall size and the ability to use
small signals from the transduction element.
(i)They do not require complicated signal conditioning circuitry.
(ii).The response time of IC sensors is low.
(iii).The IC sensors are also more stable and accurate.
(iv).The response of IC sensors is more linear than normal sensors.
(v).The IC sensors support many latest communication protocols(I2C , SPI ,Single wire pulse
width modulation etc..), so that they can be interfaced easily with microprocessors and
microcontrollers.
(vi).Provide better noise immunity.
(vii)The smart sensors available today will also provide an alert when the sensed value exceeds
certain critical value.
(viii).IC Sensors are relatively simple and inexpensive.
Interfacing of temperature Sensor LM 35:
The LM35 series sensors are precision integrated-circuit temperature sensors, whose output
voltage is linearly proportional to the Centigrade temperature. It gives 10mV of output voltage
for every 10C. The LM35 does not require any external calibration or trimming to provide typical
accuracies of ±¼°C at room temperature and ±¾°C over a full -55 to +150°C temperature range.
The LM35's low output impedance, linear output, and precise inherent calibration make
interfacing to readout or control circuitry especially easy. It can be used with single power
supplies, or with dual supplies. As it draws only 60 µA from its supply, it has very low self-
heating, less than 0.1°C in still air. The LM35 is rated to operate over a -55° to +150°C
temperature range. The LM35 IC sensor is available at a Low cost .
LM35 is a three terminal IC with ,Vcc ,Ground & Vout .



4
Dr.Y.NARASIMHA MURTHY Ph.D
                                                                     yayavaram@yahoo.com




The LM 35 IC gives        a 10mV analog output voltage for every degree Celsius change in
temperature. The Output of the temperature sensor is analog in nature so we need an analog to
digital converter for converting the analog input to its equivalent binary output.
Since the output of LM35 is analog voltage, it should be converted into digital before it is
applied to a microcontroller port pin. So,with proper circuitry an ADC chip is used as shown
below.




As shown in the circuit ADC0809 is used to convert the analog voltage into its equivalent digital
voltage.For this necessary signal conditioning circuit is developed using an operational
amplifier.The ADC0809 is an 8-input channel system. A clock signal of 100KHz is applied.The

5
Dr.Y.NARASIMHA MURTHY Ph.D
                                                                    yayavaram@yahoo.com


voltage drop across the LM Zener is buffered by an op-amp LM741to produce a Vcc and Vref
of around 5V to 12Vfor the A/D converter .With this reference voltage the A/D converter will
have 256 steps of 20mV each. Since the temperature sensor signal is amplified by 2 ,each degree
Celsius of temperature change will produce an output change of 20mV.or one step on the A/D
converter. This gives us a resolution of 10C ,which is about the typical accuracy of the
sensor.The advantage of using Vref as Vcc for the device is that this voltage will not have the
switching noise that the digital Vcc lines have. The control inputs and data outputs of the ADC
are connected to the Ports of the Microcontroller as shown in the circuit.

A relay is used to control the temperature. When the temperature of the bath is reached a set
temperature, the microcontroller sends a High bit to the relay so that the Relay will switch off the
power supply to the heater and automatically the temperature starts decreasing. The vice- versa
takes place when the temperature falls below the set value.
A 2x16 LCD module is interfaced to the Microcontroller to display the temperature .Suitable
program is developed to control and measure the temperature. The temperature at which the
water bath is to be maintained is set as (Ts).The measured temperature is compared with this Ts
and if measured temperature is higher than the set temperature, a signal is sent to the relay to
switch-off the power. Otherwise the power is switched on. This temperature is displayed on
the LCD module.

Assembly Language Program :

Address(Hex) Label            Mnemonics       Operands           Comments
9000              START       SETB            P3.4               Send ALE & SOC high
                              NOP                                No operation
                              NOP                                No operation
                              CLR             P3.4               ALE &SOC low
                 LOOP1        JNB             P3.5 , LOOP1       Is conversion over ?
                              MOV             A,P1               Read digital data
                              CLR             C                  Clear carry bit
                              SUBB            A,#SET POINT       Compare the measured with
                                                                 Set temp.


6
Dr.Y.NARASIMHA MURTHY Ph.D
                                                                  yayavaram@yahoo.com


                             JNC            OFF
                ON           SETB           P3.0               Switch on heater
                             CALL           CONV               Convert the hex value into
                                                               Decimal value
                             CALL           DISPLAY            Display subroutine to display
                                                               temp .on LCD
                OFF          CLRB           P3.0               Switch off heater
                             SJMP           START              Start sensing the temperature
                DISPLAY LCALL               675F
                             MOV            R7, #00
                             MOV            A, #Set point
                             MOV            R6,60H             Display set temp.
                             RET                               Return to main program




Interfacing of Humidity Sensor :
    A humidity sensor measures the relative humidity and expressed as a percent (RH %). It is
the ratio of actual moisture in the air to the highest amount of moisture in air can hold at that
temperature. The most common type of humidity sensor used is the “capacitive sensor.” This
sensor is based on electrical capacitance . The sensor is composed of two metal plates with a
non-conductive polymer film between them. The film collects moisture from the air, and the
moisture causes minute changes in the voltage between the two plates. The changes in voltage
are used to know the amount of moisture in the air. Humidity sensors are of three types.
Resistive, Capacitive, and Thermal     Conductivity sensing. Resistive sensors are useful      in
remote locations. Capacitive sensors are useful for wide RH range and condensation tolerance.
Thermal conductivity sensors are beneficial in corrosive environments that have high
temperatures.
The SY-HS-220 series Humidity sensor is a simple to use sensor based on capacitive technology.
This module converts relative humidity to output voltage. Its operating voltage is 5V DC. Its
operating temperature is 0 - 60˚ C and its operating humidity is 30- 90% RH. Its standard out put
at 25˚C and 60%RH is 1980mV DC.

7
Dr.Y.NARASIMHA MURTHY Ph.D
                                                                  yayavaram@yahoo.com


The circuit details of the humidity sensor are given in Fig.below.This is a three pin IC sensor .
Among the three pins one is (B) connected to ground, the other (R) is to +5 volts and the third
one (W) gives the analog output voltage based on the humidity levels.




The interfacing of Humidity sensor with 8051 microcontroller using ADC0809 is shown below.




Interfacing of Pressure Sensor :

8
Dr.Y.NARASIMHA MURTHY Ph.D
                                                                    yayavaram@yahoo.com


Pressure Sensors convert absolute atmospheric pressure into a linear, proportional voltage, which
may be used in any meteorological application. Pressure sensors can be classified in terms of
pressure ranges they measure, temperature ranges of operation, and most importantly the type of
pressure they measure.In terms of pressure type, pressure sensors can be divided into five
categories.
       Absolute pressure sensor
       This sensor measures the pressure relative to perfect vacuum pressure (0 PSI or no
pressure). Atmospheric pressure, is 101.325 kPa (14.7 PSI) at sea level with reference to
vacuum.

       Gauge pressure sensor
       This sensor is used in different applications because it can be calibrated to measure the
pressure relative to a given atmospheric pressure at a given location. A tire pressure gauge is an
example of gauge pressure indication. When the tire pressure gauge reads 0 PSI, there is really
14.7 PSI (atmospheric pressure) in the tire.

       Vacuum pressure sensor
       This sensor is used to measure pressure less than the atmospheric pressure at a given
location. This has the potential to cause some confusion as industry may refer to a vacuum
sensor as one which is referenced to either atmospheric pressure (i.e. measure Negative gauge
pressure) or relative to absolute vacuum.

        Differential pressure sensor
        This sensor measures the difference between two or more pressures introduced as inputs
to the sensing unit, for example, measuring the pressure drop across an oil filter. Differential
pressure is also used to measure flow or level in pressurized vessels.

       Sealed pressure sensor
       This sensor is the same as the gauge pressure sensor except that it is previously calibrated
by manufacturers to measure pressure relative to sea level pressure.

The NPC-1220 is a solid state IC Pressure Sensor used to measure pressure.series of solid state
pressure sensors are designed to provide a cost effective solution for applications that require
calibrated performance over a wide temperature range. Packaged in a dual-in-line configuration,
the NPC-1220 series is intended for printed circuit board mounting. The NPC-1220 offers the
added advantage of superior temperature performance over the temperature compensated range
of 0°C to +60°C.


9
Dr.Y.NARASIMHA MURTHY Ph.D
                                                                   yayavaram@yahoo.com


NPC-1220 sensor is available as an 8-pin DIP chip and the circuit connections of this pressure
sensor are given below.




       To interface the pressure sensor with a microcontroller ,a signal conditioning circuit is
necessary. The signal conditioning circuit is shown below. The signal conditioning of the
pressure sensor   consists of LM324 operational amplifiers, which are high gain, internally
frequency compensated amplifiers designed specifically to operate from a single power supply
over a wide voltage range. The analog output voltage of the sensor is given to ADC. The
pressure sensor generates 0 to 50 mV of output voltage for a 0- to 15-psi pressure range.




10
Dr.Y.NARASIMHA MURTHY Ph.D
                                                                 yayavaram@yahoo.com




The interfacing circuit of the Pressure sensor NPC1220 to the Microcontroller using ADC0809 is
shown below.




Interfacing of Proximity Sensor :
A proximity sensor is used to detect an object when the object approaches within the detection
range of the sensor. Proximity sensors are mainly used for detecting the approach of metal


11
Dr.Y.NARASIMHA MURTHY Ph.D
                                                                      yayavaram@yahoo.com


objects. There are various types of proximity sensors that are used for detecting the presence or
absence of an object. The design of a proximity sensor can be based on principles like variable
reluctance, eddy current loss, saturated core, and Hall effect etc..

       Common types of non-contact proximity sensors include inductive proximity sensors,
capacitive proximity sensors, ultrasonic proximity sensors, and photoelectric sensors. Hall-effect
sensors detect a change in a polarity of a magnetic field. Variable reluctance sensors typically
include a U-type core and coils wound around the core legs. Inductive proximity sensors have a
lossy resonant circuit (oscillator) at the input side whose loss resistance can be changed by the
proximity of an electrically conductive medium.

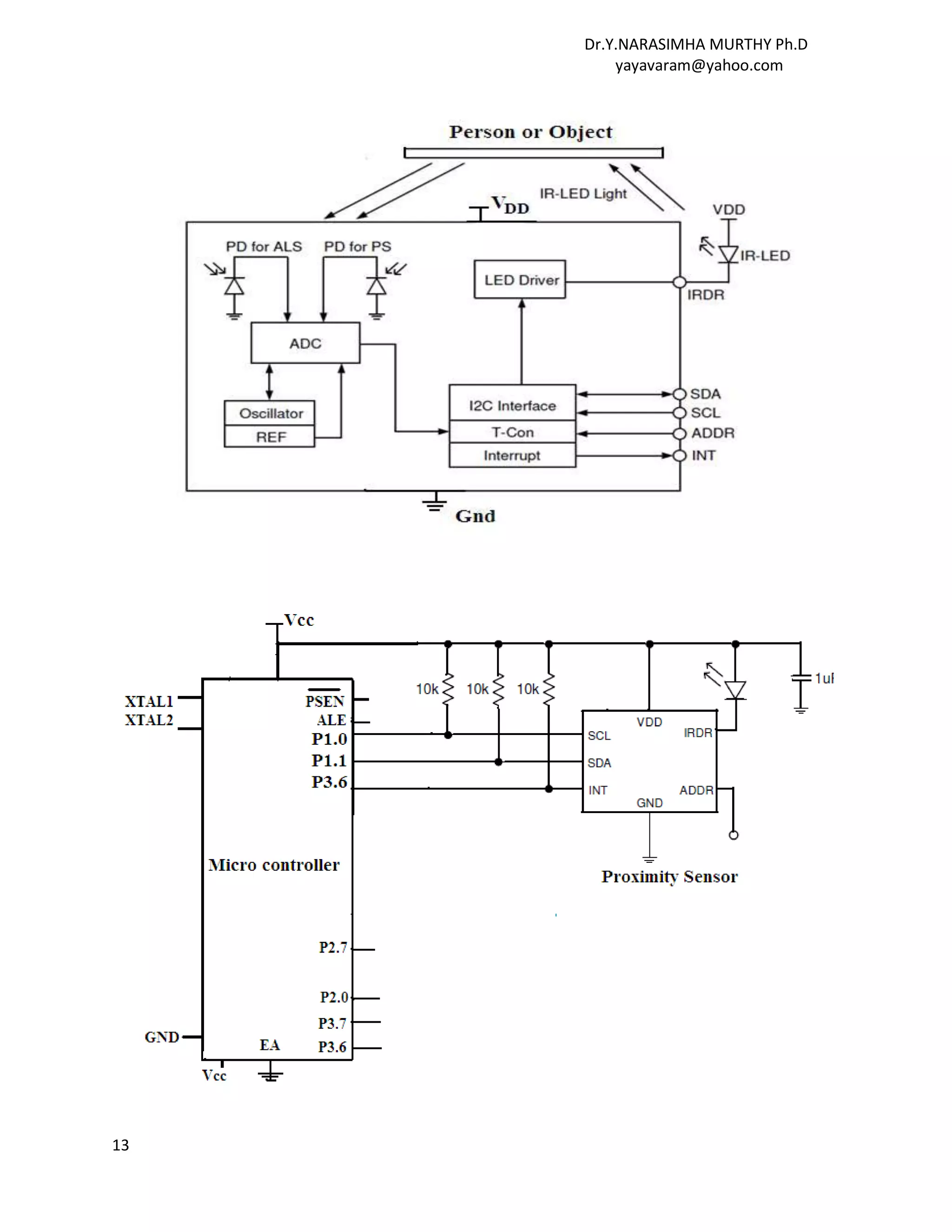
The VCNL4010 is a fully integrated proximity and ambient light sensor. Fully integrated means
that the infrared emitteris included in the package. It has 16 bit resolution and it     includes a
signal processing IC and features standard I2Ccommunication interface. It features an interrupt
function. This IC sensor has a built-in infrared emitter and photo-pin-diode for proximity
function. Its 16 bit effective resolution for proximity detection range ensures excellent cross talk
immunity .The programmable LED drive current is from 10 mA to 200 mA in steps of 10 mA .It
has excellent ambient light suppression by modulating the infrared signal .The maximum
Proximity distance of this sensor is up to 200 mm. It has 100 Hz and 120 Hz flicker noise
rejection. This sensor has excellent temperature compensation, robust refresh rate setting without
any external RC low-pass filter. Connected with an infrared LED (IR-LED), the built-in
proximity sensor can reveal the closeness of approaching/departing objects. This device is
intended primarily for use in applications in which measurement of ambient light and proximity
sensing is a necessary, such as laptop computers, PDA, camcorders, mobile phone, smart phones
etc... The sensor contains an eight 8-bit registers accessed via the I2C bus. All operations can be
controlled by the command register. The sample command structure makes the user easy to
program the operation setting and latch the light data from the sensor. The block diagram of the
sensor is shown below in figure1.The interfacing of the proximity sensor and signal conditioning
is shown in figure2. below.




12
Dr.Y.NARASIMHA MURTHY Ph.D
         yayavaram@yahoo.com




13
Dr.Y.NARASIMHA MURTHY Ph.D
                                                                       yayavaram@yahoo.com


The interfacing is done using two wired I2C technique. the SCL and SDA signals are connected
to the port1.0 and port 1.1 pins of the microcontroller. After detecting the object the sensor sends
an interrupt signal to the microcontroller. Since the Sensor is a digital IC ,its output is in digital
form .So, no ADC is required and the output voltage can be directly given to the microcontroller.


Interfacing of Flow Sensor:
A flow sensor is a device for sensing the rate or quantity of fluid flow whether it be a gas, steam ,
liquid or solid .Flow sensor configurations are available for use in liquids or gases with flow
rates from ultra low flow sensing to fast transient flow sensors . The flow rate is determined
directly by measuring the liquid's velocity or the change in kinetic energy. Velocity depends on
the pressure differential that is forcing the liquid through a pipe . Because the pipe's cross-
sectional area is known and remains constant ,the average velocity is an indication of the flow
rate. Flow sensors are sometimes related to sensors called velocimeters that measure speed of
fluids flowing through them, these use units like ft/sec . A very basic relationship for
determining the fluid's flow rate in such cases is     Q= VXA where Q is the liquid flow through
the pipe ; V = average velocity of the flow; A = cross-sectional area of the pipe.
There are three basic types of flow sensors and flow meters. Mass flow sensors measure flow
rate in terms of the mass of the fluid substance , Volumetric flow sensors measure flow rate in
terms of how much of the material is flowing, Velocity flow sensors measure flow rate as in
terms of how fast the material is moving.
An effective way to measure the flow rate through a pipe is to place some type of restriction
within the pipe and to measure the pressure difference between the low velocity, high-pressure
upstream section, and the high-velocity, low-pressure downstream section. One common method
is the use of an orifice plate as shown below.




The volumetric flow rate (Q) is given by
14
Dr.Y.NARASIMHA MURTHY Ph.D
                                                                   yayavaram@yahoo.com




Where
A1 = Area of pipe upstream from restriction
A2 = Flow area of pipe at restriction
p1 = pressure upstream from restriction
p2 = pressure at restriction
ρ = density of fluid
C = correction factor for energy losses
The differential pressure sensors
The SDPx108 series sensors are a high-performance sensors , specially designed for air flow
measurements.The SDPx108 sensor provides an analog output signal with a range of 0-4 V and
is fully calibrated and temperature compensated. In addition, it has a high resolution.The
SDPx108 sensor series achieves outstanding sensitivity and accuracy even at extremely low
differential pressures and exhibits very high stability and has zero point drift. Furthermore, the
SDPx108 series offers square-root output characteristics for a wider dynamic measurement
range. The faster response time - compared to the SDP1000 series - makes the differential
pressure sensor a perfect alternative for respiratory devices and time-critical process automation
applications. The simple differential pressure sensor used to measure flow rate is shown below.




It is a 3-pin CMOS IC, whose output is at the pin 3. It has internal temperature compensation, on
chip ADC and on chip DAC .



15
Dr.Y.NARASIMHA MURTHY Ph.D
                                                                     yayavaram@yahoo.com


Interfacing Circuit: The output of the sensor is applied to the ADC0809 and this digital output
is given to the ports of the Microcontroller .




The analog output of the sensor is applied to channel 0 (IN0) of the ADC and the output of the
ADC is given to the Port1 of the microcontroller as shown in the diagram. a 2X16 LCD module
is interfaced to the microcontroller to display the flow rate.




16

Sensors-Interfacing Techniques

  • 1.
    Dr.Y.NARASIMHA MURTHY Ph.D yayavaram@yahoo.com Sensors and Interfacing techniques Introduction Sensors are sophisticated devices which will detect and measure any non-electrical physical quantity .A Sensor converts the physical parameter (for example: temperature, blood pressure, humidity, speed, etc.) into a signal which can be measured electrically. Sensor is sometimes called a primary measuring element, which can be found simply as a mercury thermometer to measure the temperature. It may be embedded in the transducer to perform its function. That means the transducer consists of a primary element (sensor) plus a secondary element (signal conditioning circuit) that transforms the passive change or small voltage signal into active signal range that can be easily used in other chains of the control loop. So, we can write that Transducer = Sensor + Signal conditioning circuit The important characteristics of sensors are Accuracy :High accuracy is needed Environmental condition – The performance of the sensor should not depend on environmental conditions like temperature or humidity etc.. Wide Range –.Measurement limit of sensor . The range should be high. Calibration - Essential for most of the measuring devices as the readings changes with time Resolution – Sensor must be able to detect even small changes in the input signal. Cost- Sensor should not be very expensive. Repeatability – The sensor must be able to reproduce the same output at similar conditions. Linearity : The output of the sensor must be linear . There are various types of sensors available , which measures various physical parameters. Sensor type Physical Parameter Temperature Temperature Light Light / dark Pressure Pressure or barometric pressure or blood pressure Moisture amount of moisture present in air 1
  • 2.
    Dr.Y.NARASIMHA MURTHY Ph.D yayavaram@yahoo.com Water-level How full / empty a container is Movement Movement nearby Proximity How close or far something is Types of Sensors : Based on the principle of working the sensors are divided into Resistor type Capacitor Type & Inductor type etc.. Resistor type Sensors: A sensor whose resistance changes with the input signal .i.e based on the vatiation of the resistance of the sensor element , the physical parameter is detected. For example , Themistor , Platinum resistance thermometer or Thermocouple etc.. are used to measure the temperature with respect to the variation in the resistance of the material. In the case of a thermistor the temperature is given by Rt = R0.e β (1/T - 1/T0 ) Here ,β is the constant of the thermistor. Rt is the resistance of the thermistor at a temperature t. The variation of resistance of a thermistor with temperature is given by the following graph. A strain gauge is a thin metal foil that changes resistance with applied strain. Strain gauges are the preferred choice in stress analysis due to their small size and relatively low cost. Strain gauges can measure strain levels from a few micro-strain (μe) to over 100,000 micro-strain. 2
  • 3.
    Dr.Y.NARASIMHA MURTHY Ph.D yayavaram@yahoo.com The changes of resistance associated with strain gauges are small and present measurement situation. A Wheatstone bridge arrangement is commonly used to measure the small changes in resistance associated with strain gauges. Capacitive type Sensors: These sensors work on the principle of variation of capacitance with the external input signal. The basic operation of capacitive type sensors can be seen from the familiar equation for a parallel-plate capacitor. C = Kε0 A /d Here K is the dielectric constant of the material, ε0 is the permittivity of the free space and d is the distance between the parallel plates and A is the area of cross section. The capacitive type sensors are used to detect the physical parameters like Humidity or pressure or proximity etc.. Inductive type Sensors: These sensors are based on the principle that the inductance of a coil varies with the change input signal. For example, if a permeable core is inserted into an inductor the net inductance is increases. The best example is the LVDT (Linear Variable Differential Transducer) which is used to measure displacements accurately. LVDTs can measure displacements from a few microns to several feet in a wide variety of environments. Inductive proximity sensors use an electromagnetic field to detect the presence of metal objects. Inductive proximity sensors are available in a variety of sizes and configurations to meet varying applications. The sensor incorporates an electromagnetic coil which is used to detect the presence of a conductive metal object. The sensor will ignore the presence of an object if it is not metal. Limitations of Sensors : The sensors have certain limitations based on their working and construction. Some sensors require complex signal conditioning circuitry. The output of the certain ssensors is not linear and hence additional circuitry is needed. The response time of sensors is some times very high 3
  • 4.
    Dr.Y.NARASIMHA MURTHY Ph.D yayavaram@yahoo.com The size of some sensors is large and occupies more space. Many times a sensor may respond to more than to one parameter. For example, gas sensors respond to more than one gas at a time. Reliability of a sensor is also a serious problem in some cases. Need and Advantages of IC sensors: With the developments in semiconductor technology and with the advent of high speed processors ,the need of IC sensors is rapidly increasing. The Integrated sensors provide significant advantages in terms of overall size and the ability to use small signals from the transduction element. (i)They do not require complicated signal conditioning circuitry. (ii).The response time of IC sensors is low. (iii).The IC sensors are also more stable and accurate. (iv).The response of IC sensors is more linear than normal sensors. (v).The IC sensors support many latest communication protocols(I2C , SPI ,Single wire pulse width modulation etc..), so that they can be interfaced easily with microprocessors and microcontrollers. (vi).Provide better noise immunity. (vii)The smart sensors available today will also provide an alert when the sensed value exceeds certain critical value. (viii).IC Sensors are relatively simple and inexpensive. Interfacing of temperature Sensor LM 35: The LM35 series sensors are precision integrated-circuit temperature sensors, whose output voltage is linearly proportional to the Centigrade temperature. It gives 10mV of output voltage for every 10C. The LM35 does not require any external calibration or trimming to provide typical accuracies of ±¼°C at room temperature and ±¾°C over a full -55 to +150°C temperature range. The LM35's low output impedance, linear output, and precise inherent calibration make interfacing to readout or control circuitry especially easy. It can be used with single power supplies, or with dual supplies. As it draws only 60 µA from its supply, it has very low self- heating, less than 0.1°C in still air. The LM35 is rated to operate over a -55° to +150°C temperature range. The LM35 IC sensor is available at a Low cost . LM35 is a three terminal IC with ,Vcc ,Ground & Vout . 4
  • 5.
    Dr.Y.NARASIMHA MURTHY Ph.D yayavaram@yahoo.com The LM 35 IC gives a 10mV analog output voltage for every degree Celsius change in temperature. The Output of the temperature sensor is analog in nature so we need an analog to digital converter for converting the analog input to its equivalent binary output. Since the output of LM35 is analog voltage, it should be converted into digital before it is applied to a microcontroller port pin. So,with proper circuitry an ADC chip is used as shown below. As shown in the circuit ADC0809 is used to convert the analog voltage into its equivalent digital voltage.For this necessary signal conditioning circuit is developed using an operational amplifier.The ADC0809 is an 8-input channel system. A clock signal of 100KHz is applied.The 5
  • 6.
    Dr.Y.NARASIMHA MURTHY Ph.D yayavaram@yahoo.com voltage drop across the LM Zener is buffered by an op-amp LM741to produce a Vcc and Vref of around 5V to 12Vfor the A/D converter .With this reference voltage the A/D converter will have 256 steps of 20mV each. Since the temperature sensor signal is amplified by 2 ,each degree Celsius of temperature change will produce an output change of 20mV.or one step on the A/D converter. This gives us a resolution of 10C ,which is about the typical accuracy of the sensor.The advantage of using Vref as Vcc for the device is that this voltage will not have the switching noise that the digital Vcc lines have. The control inputs and data outputs of the ADC are connected to the Ports of the Microcontroller as shown in the circuit. A relay is used to control the temperature. When the temperature of the bath is reached a set temperature, the microcontroller sends a High bit to the relay so that the Relay will switch off the power supply to the heater and automatically the temperature starts decreasing. The vice- versa takes place when the temperature falls below the set value. A 2x16 LCD module is interfaced to the Microcontroller to display the temperature .Suitable program is developed to control and measure the temperature. The temperature at which the water bath is to be maintained is set as (Ts).The measured temperature is compared with this Ts and if measured temperature is higher than the set temperature, a signal is sent to the relay to switch-off the power. Otherwise the power is switched on. This temperature is displayed on the LCD module. Assembly Language Program : Address(Hex) Label Mnemonics Operands Comments 9000 START SETB P3.4 Send ALE & SOC high NOP No operation NOP No operation CLR P3.4 ALE &SOC low LOOP1 JNB P3.5 , LOOP1 Is conversion over ? MOV A,P1 Read digital data CLR C Clear carry bit SUBB A,#SET POINT Compare the measured with Set temp. 6
  • 7.
    Dr.Y.NARASIMHA MURTHY Ph.D yayavaram@yahoo.com JNC OFF ON SETB P3.0 Switch on heater CALL CONV Convert the hex value into Decimal value CALL DISPLAY Display subroutine to display temp .on LCD OFF CLRB P3.0 Switch off heater SJMP START Start sensing the temperature DISPLAY LCALL 675F MOV R7, #00 MOV A, #Set point MOV R6,60H Display set temp. RET Return to main program Interfacing of Humidity Sensor : A humidity sensor measures the relative humidity and expressed as a percent (RH %). It is the ratio of actual moisture in the air to the highest amount of moisture in air can hold at that temperature. The most common type of humidity sensor used is the “capacitive sensor.” This sensor is based on electrical capacitance . The sensor is composed of two metal plates with a non-conductive polymer film between them. The film collects moisture from the air, and the moisture causes minute changes in the voltage between the two plates. The changes in voltage are used to know the amount of moisture in the air. Humidity sensors are of three types. Resistive, Capacitive, and Thermal Conductivity sensing. Resistive sensors are useful in remote locations. Capacitive sensors are useful for wide RH range and condensation tolerance. Thermal conductivity sensors are beneficial in corrosive environments that have high temperatures. The SY-HS-220 series Humidity sensor is a simple to use sensor based on capacitive technology. This module converts relative humidity to output voltage. Its operating voltage is 5V DC. Its operating temperature is 0 - 60˚ C and its operating humidity is 30- 90% RH. Its standard out put at 25˚C and 60%RH is 1980mV DC. 7
  • 8.
    Dr.Y.NARASIMHA MURTHY Ph.D yayavaram@yahoo.com The circuit details of the humidity sensor are given in Fig.below.This is a three pin IC sensor . Among the three pins one is (B) connected to ground, the other (R) is to +5 volts and the third one (W) gives the analog output voltage based on the humidity levels. The interfacing of Humidity sensor with 8051 microcontroller using ADC0809 is shown below. Interfacing of Pressure Sensor : 8
  • 9.
    Dr.Y.NARASIMHA MURTHY Ph.D yayavaram@yahoo.com Pressure Sensors convert absolute atmospheric pressure into a linear, proportional voltage, which may be used in any meteorological application. Pressure sensors can be classified in terms of pressure ranges they measure, temperature ranges of operation, and most importantly the type of pressure they measure.In terms of pressure type, pressure sensors can be divided into five categories. Absolute pressure sensor This sensor measures the pressure relative to perfect vacuum pressure (0 PSI or no pressure). Atmospheric pressure, is 101.325 kPa (14.7 PSI) at sea level with reference to vacuum. Gauge pressure sensor This sensor is used in different applications because it can be calibrated to measure the pressure relative to a given atmospheric pressure at a given location. A tire pressure gauge is an example of gauge pressure indication. When the tire pressure gauge reads 0 PSI, there is really 14.7 PSI (atmospheric pressure) in the tire. Vacuum pressure sensor This sensor is used to measure pressure less than the atmospheric pressure at a given location. This has the potential to cause some confusion as industry may refer to a vacuum sensor as one which is referenced to either atmospheric pressure (i.e. measure Negative gauge pressure) or relative to absolute vacuum. Differential pressure sensor This sensor measures the difference between two or more pressures introduced as inputs to the sensing unit, for example, measuring the pressure drop across an oil filter. Differential pressure is also used to measure flow or level in pressurized vessels. Sealed pressure sensor This sensor is the same as the gauge pressure sensor except that it is previously calibrated by manufacturers to measure pressure relative to sea level pressure. The NPC-1220 is a solid state IC Pressure Sensor used to measure pressure.series of solid state pressure sensors are designed to provide a cost effective solution for applications that require calibrated performance over a wide temperature range. Packaged in a dual-in-line configuration, the NPC-1220 series is intended for printed circuit board mounting. The NPC-1220 offers the added advantage of superior temperature performance over the temperature compensated range of 0°C to +60°C. 9
  • 10.
    Dr.Y.NARASIMHA MURTHY Ph.D yayavaram@yahoo.com NPC-1220 sensor is available as an 8-pin DIP chip and the circuit connections of this pressure sensor are given below. To interface the pressure sensor with a microcontroller ,a signal conditioning circuit is necessary. The signal conditioning circuit is shown below. The signal conditioning of the pressure sensor consists of LM324 operational amplifiers, which are high gain, internally frequency compensated amplifiers designed specifically to operate from a single power supply over a wide voltage range. The analog output voltage of the sensor is given to ADC. The pressure sensor generates 0 to 50 mV of output voltage for a 0- to 15-psi pressure range. 10
  • 11.
    Dr.Y.NARASIMHA MURTHY Ph.D yayavaram@yahoo.com The interfacing circuit of the Pressure sensor NPC1220 to the Microcontroller using ADC0809 is shown below. Interfacing of Proximity Sensor : A proximity sensor is used to detect an object when the object approaches within the detection range of the sensor. Proximity sensors are mainly used for detecting the approach of metal 11
  • 12.
    Dr.Y.NARASIMHA MURTHY Ph.D yayavaram@yahoo.com objects. There are various types of proximity sensors that are used for detecting the presence or absence of an object. The design of a proximity sensor can be based on principles like variable reluctance, eddy current loss, saturated core, and Hall effect etc.. Common types of non-contact proximity sensors include inductive proximity sensors, capacitive proximity sensors, ultrasonic proximity sensors, and photoelectric sensors. Hall-effect sensors detect a change in a polarity of a magnetic field. Variable reluctance sensors typically include a U-type core and coils wound around the core legs. Inductive proximity sensors have a lossy resonant circuit (oscillator) at the input side whose loss resistance can be changed by the proximity of an electrically conductive medium. The VCNL4010 is a fully integrated proximity and ambient light sensor. Fully integrated means that the infrared emitteris included in the package. It has 16 bit resolution and it includes a signal processing IC and features standard I2Ccommunication interface. It features an interrupt function. This IC sensor has a built-in infrared emitter and photo-pin-diode for proximity function. Its 16 bit effective resolution for proximity detection range ensures excellent cross talk immunity .The programmable LED drive current is from 10 mA to 200 mA in steps of 10 mA .It has excellent ambient light suppression by modulating the infrared signal .The maximum Proximity distance of this sensor is up to 200 mm. It has 100 Hz and 120 Hz flicker noise rejection. This sensor has excellent temperature compensation, robust refresh rate setting without any external RC low-pass filter. Connected with an infrared LED (IR-LED), the built-in proximity sensor can reveal the closeness of approaching/departing objects. This device is intended primarily for use in applications in which measurement of ambient light and proximity sensing is a necessary, such as laptop computers, PDA, camcorders, mobile phone, smart phones etc... The sensor contains an eight 8-bit registers accessed via the I2C bus. All operations can be controlled by the command register. The sample command structure makes the user easy to program the operation setting and latch the light data from the sensor. The block diagram of the sensor is shown below in figure1.The interfacing of the proximity sensor and signal conditioning is shown in figure2. below. 12
  • 13.
    Dr.Y.NARASIMHA MURTHY Ph.D yayavaram@yahoo.com 13
  • 14.
    Dr.Y.NARASIMHA MURTHY Ph.D yayavaram@yahoo.com The interfacing is done using two wired I2C technique. the SCL and SDA signals are connected to the port1.0 and port 1.1 pins of the microcontroller. After detecting the object the sensor sends an interrupt signal to the microcontroller. Since the Sensor is a digital IC ,its output is in digital form .So, no ADC is required and the output voltage can be directly given to the microcontroller. Interfacing of Flow Sensor: A flow sensor is a device for sensing the rate or quantity of fluid flow whether it be a gas, steam , liquid or solid .Flow sensor configurations are available for use in liquids or gases with flow rates from ultra low flow sensing to fast transient flow sensors . The flow rate is determined directly by measuring the liquid's velocity or the change in kinetic energy. Velocity depends on the pressure differential that is forcing the liquid through a pipe . Because the pipe's cross- sectional area is known and remains constant ,the average velocity is an indication of the flow rate. Flow sensors are sometimes related to sensors called velocimeters that measure speed of fluids flowing through them, these use units like ft/sec . A very basic relationship for determining the fluid's flow rate in such cases is Q= VXA where Q is the liquid flow through the pipe ; V = average velocity of the flow; A = cross-sectional area of the pipe. There are three basic types of flow sensors and flow meters. Mass flow sensors measure flow rate in terms of the mass of the fluid substance , Volumetric flow sensors measure flow rate in terms of how much of the material is flowing, Velocity flow sensors measure flow rate as in terms of how fast the material is moving. An effective way to measure the flow rate through a pipe is to place some type of restriction within the pipe and to measure the pressure difference between the low velocity, high-pressure upstream section, and the high-velocity, low-pressure downstream section. One common method is the use of an orifice plate as shown below. The volumetric flow rate (Q) is given by 14
  • 15.
    Dr.Y.NARASIMHA MURTHY Ph.D yayavaram@yahoo.com Where A1 = Area of pipe upstream from restriction A2 = Flow area of pipe at restriction p1 = pressure upstream from restriction p2 = pressure at restriction ρ = density of fluid C = correction factor for energy losses The differential pressure sensors The SDPx108 series sensors are a high-performance sensors , specially designed for air flow measurements.The SDPx108 sensor provides an analog output signal with a range of 0-4 V and is fully calibrated and temperature compensated. In addition, it has a high resolution.The SDPx108 sensor series achieves outstanding sensitivity and accuracy even at extremely low differential pressures and exhibits very high stability and has zero point drift. Furthermore, the SDPx108 series offers square-root output characteristics for a wider dynamic measurement range. The faster response time - compared to the SDP1000 series - makes the differential pressure sensor a perfect alternative for respiratory devices and time-critical process automation applications. The simple differential pressure sensor used to measure flow rate is shown below. It is a 3-pin CMOS IC, whose output is at the pin 3. It has internal temperature compensation, on chip ADC and on chip DAC . 15
  • 16.
    Dr.Y.NARASIMHA MURTHY Ph.D yayavaram@yahoo.com Interfacing Circuit: The output of the sensor is applied to the ADC0809 and this digital output is given to the ports of the Microcontroller . The analog output of the sensor is applied to channel 0 (IN0) of the ADC and the output of the ADC is given to the Port1 of the microcontroller as shown in the diagram. a 2X16 LCD module is interfaced to the microcontroller to display the flow rate. 16