Embed presentation
Downloaded 46 times








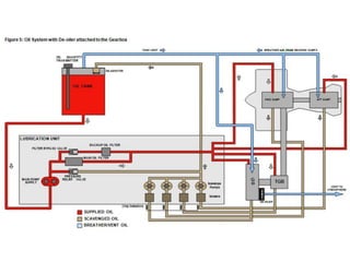
Turbine engine lubrication systems have three sub-systems: the pressure system supplies clean oil at the proper pressure and temperature to bearings and gears. The scavenge system picks up used oil and returns it to the tank to be recirculated. The breather/vent system removes contaminated air from bearing housings through a de-oiler before blowing it overboard.







