Need of Seal Oil System
• Generators cooled with Hydrogen are provided
with Seal Oil System.
• To arrest the escape of hydrogen from inside
the Generator.
• Shaft seals are provided at both sides (TE/EE)
of Generator.
Seal Oil System
• Sealing oil system is especially used to provide oil to the sealing pad of the
generator, and to make the oil pressure be higher appropriately than the
hydrogen pressure.
• Hydrogen losses between rotating shaft and seal ring is prevented
by maintaining a continuous film of oil.
• The sealing oil system is determined by the form of the sealing pad, and
for this machine, it is the single-ring type sealing oil system.
EQUIPMENTS IN SEAL OIL
SYSTEM
• Oil pump (Two AC & One DC)
• Oil filter
• Differential pressure regulating valve
• Recirculation pump
• Vacuum pump
• Vacuum oil tank
• Expansion slot
• Floater oil tank
• Gas extraction tank
Oil Pump
• Two AC Pump -> Normal Operation
• One DC Pump -> Emergency Operation
Rating :-
AC DC
Power :- 7.5Kw 5.42Kw
Current:- 14.2A 40 A
Voltage:- 415V 220V dc
Differential pressure regulating valve
• This regulating valve is used to adjust the oil filling pressure of the sealing pad
automatically, so that the pressure shall track the gas pressure in the generator
automatically, and stabilize the pressure difference between the oil and the air within the
desired range.
• The differential pressure between oil and gas is set by compression of the spring with
help of the adjusting nut.
• Compression of the spring leads to down movement of the valve stem and valve cone.
• This movement reduces the pressure through the valve as the valve closes and increases
the pressure through the line.
• Increase in H2 pressure will lead to compression of the main operating bellow which in
turn will move the valve head in turn valve and valve cone to close the valve
• Closing of the valve will reduce the pressure of the oil at the out let of the valve while oil
pressure going to the seals will increase.
Treatment for low differential pressure between the oil and the hydrogen
(1) If the oil pump output is not sufficient, switch to the sealing oil main oil pump.
(2) Bad tracking performance of differential pressure regulating valve may leads to low oil-
hydrogen differential pressure. Contact the maintenance personnel to Re-commission
the differential pressure regulating valve.
(3) Jammed oil filter may also cause low oil-hydrogen differential pressure, so clean the oil
filter.
(4) Reverify the differential pressure meter.
Recirculation pump
The oil in the vacuum oil tank passing through the pipeline shall form a
partial circulating loop, so that the oil can be better purified.
Vacuum pump
• The vacuum pump works constantly so as to hold the vacuum degree in the vacuum
oil tank.
• Meanwhile, extract and drain off the air and the moisture (water-vapor)
Motor Ratings
R/C Pump :- 4.2Kw/10.6A/415V
Vacuum Pump:-1.5Kw/3.65A/415V
Vacuum oil tank
• In normal working conditions the bearing lubricating oil shall be filled into the
vacuum oil tank constantly,
• The air and the moisture contained in the lubricating oil shall be separated in
the vacuum oil tank, and be discharged to outside the plant through the vacuum
pump and the vacuum pipeline, to purify the oil entering the sealing pad, and
prevent the air and the moisture from polluting the hydrogen in the generator.
• The oil level in the vacuum oil tank shall be controlled automatically by the
float valve equipped in the oil tank.
• The floater of the float valve shall rise and drop along with the oil level, so as
to adjust the opening of the float valve, and to control the oil filling speed, so
that the oil level in the vacuum oil tank can be controlled accordingly.
• The other main accessory of the vacuum oil tank is the liquid level
annunciator, which shall send alarming signal when the oil level is high or
low.
• When the oil level changes, the liquid level annunciator shall output the
analog signal.
• In order to accelerate the release of the air and moisture from the oil, the
inside of the vacuum oil tank shall be equipped with several nozzles
• The replenished oil entering the vacuum oil tank through the nozzle at the
tube end of the oil filling pipe, and the recirculating oil through the nozzle
at the recirculating pipe end shall be spreaded to accelerate the separation
of the gas and the water from the oil.
Expansion slot or Enlargement Tank
• The turbine end (T for short) and the exciter end (G for short) at the hydrogen
side of the generator are connected separately to the expansion slot with a oil
drain tube, and the discharged oil from the sealing ring shall expand in this slot,
so that the return oil containing the hydrogen can separate the hydrogen (H2).
• There is a horizontal clapboard in the expansion slot to divide the oil slot into
two compartments that can be connected with U-shaped tube outside, which is
aimed to prevent the gas from circulating in sealing oil discharge pipes caused by
the pressure difference of the fan between two ends of the generator.
• The expansion slot is linked with a pipeline and an oil-water detection and
alarming device, and when the oil level in the expansion slot rises to exceed the
preset value, it shall send an alarm signal.
• Volume:- 0.26m3
Floater oil tank
• The return oil at hydrogen side shall enter the floater oil tank through
expansion slot, and the purpose of this oil tank is to separate further the
hydrogen from the oil.
• The inside of the floater oil tank is equipped with a float valve controlling the
oil level automatically to maintain the oil level in the oil tank within a certain
range.
• The outside of the floater oil tank is equipped with hand-operated bypass valve
and liquid level view window, for the ease of controlling the oil level manually
when necessary.
Float oil Tank Volume ->0.23 m3
Requirement of sealing oil system
(1) Sealing oil will be put into operation before turning gear of turbine and air
exchange of generator.
(2) Maintain the pressure of sealing oil when generator is filling with hydrogen or
rotor is rotating.
(3) Fume exhaust fan will be operated continuously when hydrogen is available
within generator.
(4) Put lubricating oil system into operation before put sealing oil system into
operation.
(5) Discharge hydrogen in generator completely before drain oil of lubricating oil
tank.
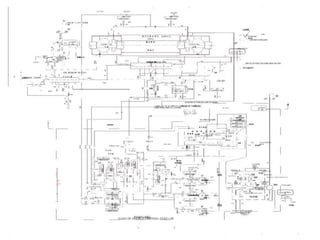
Seal oil flow circuit
Oil circuit during normal operation:-
• Bearing lubrication oil pipeline ->vacuum oil
tank->main seal oil pump oil filter –>DPR -
>Generator seal oil bush -> Generator inside (
Hydrogen side)->Enlargement tank –>floater
oil tank –> Air detraining tank (mixed with
generator lubricating oil drain)->turbine main
oil tank.
Seal oil flow circuit
Oil circuit when emergency Oil pump is in
service:-
• Bearing lubrication oil pipeline –>Emergency
seal oil pump (DC) ->oil filter –>DPR-
>Generator seal oil bush –>Generator inside (
Hydrogen side) –>Enlargement tank –>floater oil
tank –>Air detraining tank (mixed with generator
lubricating oil drain)->turbine main oil tank.
Seal oil flow circuit
Oil circuit when both Main SOP & DC SOP
stop:-
• Bearing lubrication oil pipeline –>oil filter –
>DPR->Generator seal oil bush–>Generator
inside(Hydrogen side) –>Enlargement tank -
>floater oil tank –>Air detraining tank (mixed
with generator lubricating oil drain) ->main oil
tank.
Seal oil flow circuit
• Oil self circulation circuit:-
when Lube Oil System of the turbine Fails.
Checking before startup
(1) Make sure lubricating oil system operates normally.
(2) Valve is in right position, pipeline is not blocked, primary valve of instrument is
in opened state and differential pressure valve is in good condition. Filter screen,
safety valve and oil tank (hydrogen side) has been put into operation. Oil drain
valve of system is in closed state.
(3) Make sure all the safety valves, relief valves, regulating valves (for differential
pressure) and pressure balancing valves are in right condition.
(4) Make sure oil supply valve (from lubricating oil of turbine to vacuum oil tank)
is in closed state.
(5) To prevent the oil go into the Generator, keep inside Generator at low pressure as
0.03MPa around befor start-up of seal oil system.
Startup of sealing oil system
(1) Start one sealing oil smoke exhaust fan, and prepare the other one for backup.
Check whether the negative pressure of the air exhaust slot is normal.
(2) Open the lubricating oil of the steam turbine to oil supply valve of the vacuum
oil tank
(3) Fill oil in the vacuum oil tank to the normal oil level, which should be 60mm
above the centerline of the vacuum oil tank, and make sure the action of the oil
supplementary valve of the vacuum oil tank is normal.
(4) Put in vacuum pump cooling water into the vacuum oil tank, and then start the
vacuum pump.
(5) Check the vacuum in the vacuum oil tank reaches the normal value, about –90~–
96KPa
(6) Start one sealing oil main oil pump, and check whether the outlet pressure is
normal. When starting the first sealing oil pump, adopt close to start method, i.e.
before starting the pump, first close the outlet valves of this pump, then open slightly
the valves (open the hand wheel of the valves for 1.5~2.5 cycles), then switch on the
motor of the oil pump, then fully open the outlet valves of the pump gradually after the
output pressure of the oil pump is higher than 0.6Mpa.
(7) Make sure the recirculating oil pump starts up automatically, and check whether it
is running normally.
(8) Make sure the oil supply pressure of the sealing oil is normal, and the differential
pressure regulating valve for hydrogen and oil is working normally, about 0.056Mpa.
Shutdown of sealing oil system
(1) Turning gear has been stopped and gas exchange of generator has been completed,
sealing oil pump can be stopped.
2) After stopping the backup condition of the sealing oil pump, stop the operation of the
sealing oil pump.
(3) Stop recirculating pump in the vacuum oil tank.
(4) Stop vacuum pump in the vacuum oil tank.
(5) Stop sealing oil smoke exhaust fan.
6) Close the lubricating oil of the steam turbine to oil filling valve of the vaccum oil tank.
(7) Determine to discharge the oil according to the working needs.
Alarms and Interlock
1. Gen. vacuum oil tank level lower than -75mm,alarm will be triggered, interlock stop
main seal oil pump and interlock start emergency oil pump;if the level higher than
75mm, alarm will be triggered and interlock stop vacuum pump of seal oil system.
2. Gen. vacuum oil tank pressure higher than -89.73Kpa, alarm will be triggered.
3. Gen. seal oil-gas differential pressure lower than 0.0347Kpa, alarm will be triggered.
4. Seal oil filter resistance higher than 0.011Mpa, alarm will be triggered.
5. Gen. seal oil drain enlargement section level higher than 800mm, alarm will be
triggered.
Permissive For Starting Main seal oil pump
1. Start permit condition (1) Gen. vacuum oil tank level not low(>-75mm) or input
spare
2. Interlock start condition (1) Spare input, the pump tripped (2) Spare input, Pressure
low of main oil pump(0.734Mpa)
Permissive For Emergence oil pump system
Interlock start condition
(1) Interlock input, main seal oil pump tripped ,another pump not input spare
(2) Interlock input, two main seal oil pump stopped, or Pressure low of main oil pump
Permissive For Circulation oil pump motor
Interlock start condition
(1) Main seal oil pump running
Interlock stop condition
(1) Emergency oil pump running
Permissive For Vapour extractor
Interlock start condition
Spare input , vapour extractor tripped
Permissive For Vacuum pump motor
Start permit condition -.Gen. vacuum oil tank level normal
Interlock stop condition -> Gen. vacuum oil tank level high (75mm)
Treatment for accident and abnormal condition
1) Low vacuum in the vacuum oil tank Cause:
• One is that the sealing of the pipelines and the valves are not tight;
• The next is that the extraction capacity of the vacuum pump decreases.
Oil level of vacuum oil tank is too high
• It is because float ball valve of vacuum oil tank has failed and maintenance is
required.
Oil level of vacuum oil tank is too low
• The first is that the float valve has failed;
• the second is that the nozzle at the outlet end of the float valve is jammed by dirty
things.
Seal oil system taken service procedure for 0 KSC pressure (ATT purpose)
1) Mot oil to seal oil system pressurised for very gradually max 1.6system side
Top side 13.7mtr 1.2ksc
2) Gas side Air pressurized for very gradually 0 to 0.5ksc.
(0.81 maximum)
3)Float trap taken in service before inlet and outlet by pass open condition gas side pre
0.5ksc came after bypass closed in necessary not close air pressure not built up going to
Ovef Exhaust
4)Gas side pressure -1.2ksc reached taken seal oil system then pump started dp checking
before mot to seal oil tank Miv open .
5) gas side pressure 1.8ksc taken turning gear service
6)gas side pressure- 2.0ksc Stator water system taken service
7)gas side pressure raised 4.2 maximum
8) checking All area air leakage & drop rate of trend..
Thank You

Seal Oil System.pptx

  • 1.
    Need of SealOil System • Generators cooled with Hydrogen are provided with Seal Oil System. • To arrest the escape of hydrogen from inside the Generator. • Shaft seals are provided at both sides (TE/EE) of Generator.
  • 2.
    Seal Oil System •Sealing oil system is especially used to provide oil to the sealing pad of the generator, and to make the oil pressure be higher appropriately than the hydrogen pressure. • Hydrogen losses between rotating shaft and seal ring is prevented by maintaining a continuous film of oil. • The sealing oil system is determined by the form of the sealing pad, and for this machine, it is the single-ring type sealing oil system.
  • 3.
    EQUIPMENTS IN SEALOIL SYSTEM • Oil pump (Two AC & One DC) • Oil filter • Differential pressure regulating valve • Recirculation pump • Vacuum pump • Vacuum oil tank • Expansion slot • Floater oil tank • Gas extraction tank
  • 5.
    Oil Pump • TwoAC Pump -> Normal Operation • One DC Pump -> Emergency Operation Rating :- AC DC Power :- 7.5Kw 5.42Kw Current:- 14.2A 40 A Voltage:- 415V 220V dc
  • 6.
    Differential pressure regulatingvalve • This regulating valve is used to adjust the oil filling pressure of the sealing pad automatically, so that the pressure shall track the gas pressure in the generator automatically, and stabilize the pressure difference between the oil and the air within the desired range. • The differential pressure between oil and gas is set by compression of the spring with help of the adjusting nut. • Compression of the spring leads to down movement of the valve stem and valve cone. • This movement reduces the pressure through the valve as the valve closes and increases the pressure through the line. • Increase in H2 pressure will lead to compression of the main operating bellow which in turn will move the valve head in turn valve and valve cone to close the valve • Closing of the valve will reduce the pressure of the oil at the out let of the valve while oil pressure going to the seals will increase.
  • 8.
    Treatment for lowdifferential pressure between the oil and the hydrogen (1) If the oil pump output is not sufficient, switch to the sealing oil main oil pump. (2) Bad tracking performance of differential pressure regulating valve may leads to low oil- hydrogen differential pressure. Contact the maintenance personnel to Re-commission the differential pressure regulating valve. (3) Jammed oil filter may also cause low oil-hydrogen differential pressure, so clean the oil filter. (4) Reverify the differential pressure meter.
  • 9.
    Recirculation pump The oilin the vacuum oil tank passing through the pipeline shall form a partial circulating loop, so that the oil can be better purified. Vacuum pump • The vacuum pump works constantly so as to hold the vacuum degree in the vacuum oil tank. • Meanwhile, extract and drain off the air and the moisture (water-vapor) Motor Ratings R/C Pump :- 4.2Kw/10.6A/415V Vacuum Pump:-1.5Kw/3.65A/415V
  • 10.
    Vacuum oil tank •In normal working conditions the bearing lubricating oil shall be filled into the vacuum oil tank constantly, • The air and the moisture contained in the lubricating oil shall be separated in the vacuum oil tank, and be discharged to outside the plant through the vacuum pump and the vacuum pipeline, to purify the oil entering the sealing pad, and prevent the air and the moisture from polluting the hydrogen in the generator. • The oil level in the vacuum oil tank shall be controlled automatically by the float valve equipped in the oil tank. • The floater of the float valve shall rise and drop along with the oil level, so as to adjust the opening of the float valve, and to control the oil filling speed, so that the oil level in the vacuum oil tank can be controlled accordingly.
  • 11.
    • The othermain accessory of the vacuum oil tank is the liquid level annunciator, which shall send alarming signal when the oil level is high or low. • When the oil level changes, the liquid level annunciator shall output the analog signal. • In order to accelerate the release of the air and moisture from the oil, the inside of the vacuum oil tank shall be equipped with several nozzles • The replenished oil entering the vacuum oil tank through the nozzle at the tube end of the oil filling pipe, and the recirculating oil through the nozzle at the recirculating pipe end shall be spreaded to accelerate the separation of the gas and the water from the oil.
  • 12.
    Expansion slot orEnlargement Tank • The turbine end (T for short) and the exciter end (G for short) at the hydrogen side of the generator are connected separately to the expansion slot with a oil drain tube, and the discharged oil from the sealing ring shall expand in this slot, so that the return oil containing the hydrogen can separate the hydrogen (H2). • There is a horizontal clapboard in the expansion slot to divide the oil slot into two compartments that can be connected with U-shaped tube outside, which is aimed to prevent the gas from circulating in sealing oil discharge pipes caused by the pressure difference of the fan between two ends of the generator. • The expansion slot is linked with a pipeline and an oil-water detection and alarming device, and when the oil level in the expansion slot rises to exceed the preset value, it shall send an alarm signal. • Volume:- 0.26m3
  • 13.
    Floater oil tank •The return oil at hydrogen side shall enter the floater oil tank through expansion slot, and the purpose of this oil tank is to separate further the hydrogen from the oil. • The inside of the floater oil tank is equipped with a float valve controlling the oil level automatically to maintain the oil level in the oil tank within a certain range. • The outside of the floater oil tank is equipped with hand-operated bypass valve and liquid level view window, for the ease of controlling the oil level manually when necessary. Float oil Tank Volume ->0.23 m3
  • 14.
    Requirement of sealingoil system (1) Sealing oil will be put into operation before turning gear of turbine and air exchange of generator. (2) Maintain the pressure of sealing oil when generator is filling with hydrogen or rotor is rotating. (3) Fume exhaust fan will be operated continuously when hydrogen is available within generator. (4) Put lubricating oil system into operation before put sealing oil system into operation. (5) Discharge hydrogen in generator completely before drain oil of lubricating oil tank.
  • 15.
    Seal oil flowcircuit Oil circuit during normal operation:- • Bearing lubrication oil pipeline ->vacuum oil tank->main seal oil pump oil filter –>DPR - >Generator seal oil bush -> Generator inside ( Hydrogen side)->Enlargement tank –>floater oil tank –> Air detraining tank (mixed with generator lubricating oil drain)->turbine main oil tank.
  • 16.
    Seal oil flowcircuit Oil circuit when emergency Oil pump is in service:- • Bearing lubrication oil pipeline –>Emergency seal oil pump (DC) ->oil filter –>DPR- >Generator seal oil bush –>Generator inside ( Hydrogen side) –>Enlargement tank –>floater oil tank –>Air detraining tank (mixed with generator lubricating oil drain)->turbine main oil tank.
  • 17.
    Seal oil flowcircuit Oil circuit when both Main SOP & DC SOP stop:- • Bearing lubrication oil pipeline –>oil filter – >DPR->Generator seal oil bush–>Generator inside(Hydrogen side) –>Enlargement tank - >floater oil tank –>Air detraining tank (mixed with generator lubricating oil drain) ->main oil tank.
  • 18.
    Seal oil flowcircuit • Oil self circulation circuit:- when Lube Oil System of the turbine Fails.
  • 19.
    Checking before startup (1)Make sure lubricating oil system operates normally. (2) Valve is in right position, pipeline is not blocked, primary valve of instrument is in opened state and differential pressure valve is in good condition. Filter screen, safety valve and oil tank (hydrogen side) has been put into operation. Oil drain valve of system is in closed state. (3) Make sure all the safety valves, relief valves, regulating valves (for differential pressure) and pressure balancing valves are in right condition. (4) Make sure oil supply valve (from lubricating oil of turbine to vacuum oil tank) is in closed state. (5) To prevent the oil go into the Generator, keep inside Generator at low pressure as 0.03MPa around befor start-up of seal oil system.
  • 20.
    Startup of sealingoil system (1) Start one sealing oil smoke exhaust fan, and prepare the other one for backup. Check whether the negative pressure of the air exhaust slot is normal. (2) Open the lubricating oil of the steam turbine to oil supply valve of the vacuum oil tank (3) Fill oil in the vacuum oil tank to the normal oil level, which should be 60mm above the centerline of the vacuum oil tank, and make sure the action of the oil supplementary valve of the vacuum oil tank is normal. (4) Put in vacuum pump cooling water into the vacuum oil tank, and then start the vacuum pump. (5) Check the vacuum in the vacuum oil tank reaches the normal value, about –90~– 96KPa
  • 21.
    (6) Start onesealing oil main oil pump, and check whether the outlet pressure is normal. When starting the first sealing oil pump, adopt close to start method, i.e. before starting the pump, first close the outlet valves of this pump, then open slightly the valves (open the hand wheel of the valves for 1.5~2.5 cycles), then switch on the motor of the oil pump, then fully open the outlet valves of the pump gradually after the output pressure of the oil pump is higher than 0.6Mpa. (7) Make sure the recirculating oil pump starts up automatically, and check whether it is running normally. (8) Make sure the oil supply pressure of the sealing oil is normal, and the differential pressure regulating valve for hydrogen and oil is working normally, about 0.056Mpa.
  • 22.
    Shutdown of sealingoil system (1) Turning gear has been stopped and gas exchange of generator has been completed, sealing oil pump can be stopped. 2) After stopping the backup condition of the sealing oil pump, stop the operation of the sealing oil pump. (3) Stop recirculating pump in the vacuum oil tank. (4) Stop vacuum pump in the vacuum oil tank. (5) Stop sealing oil smoke exhaust fan. 6) Close the lubricating oil of the steam turbine to oil filling valve of the vaccum oil tank. (7) Determine to discharge the oil according to the working needs.
  • 23.
    Alarms and Interlock 1.Gen. vacuum oil tank level lower than -75mm,alarm will be triggered, interlock stop main seal oil pump and interlock start emergency oil pump;if the level higher than 75mm, alarm will be triggered and interlock stop vacuum pump of seal oil system. 2. Gen. vacuum oil tank pressure higher than -89.73Kpa, alarm will be triggered. 3. Gen. seal oil-gas differential pressure lower than 0.0347Kpa, alarm will be triggered. 4. Seal oil filter resistance higher than 0.011Mpa, alarm will be triggered. 5. Gen. seal oil drain enlargement section level higher than 800mm, alarm will be triggered. Permissive For Starting Main seal oil pump 1. Start permit condition (1) Gen. vacuum oil tank level not low(>-75mm) or input spare 2. Interlock start condition (1) Spare input, the pump tripped (2) Spare input, Pressure low of main oil pump(0.734Mpa)
  • 24.
    Permissive For Emergenceoil pump system Interlock start condition (1) Interlock input, main seal oil pump tripped ,another pump not input spare (2) Interlock input, two main seal oil pump stopped, or Pressure low of main oil pump Permissive For Circulation oil pump motor Interlock start condition (1) Main seal oil pump running Interlock stop condition (1) Emergency oil pump running Permissive For Vapour extractor Interlock start condition Spare input , vapour extractor tripped Permissive For Vacuum pump motor Start permit condition -.Gen. vacuum oil tank level normal Interlock stop condition -> Gen. vacuum oil tank level high (75mm)
  • 25.
    Treatment for accidentand abnormal condition 1) Low vacuum in the vacuum oil tank Cause: • One is that the sealing of the pipelines and the valves are not tight; • The next is that the extraction capacity of the vacuum pump decreases. Oil level of vacuum oil tank is too high • It is because float ball valve of vacuum oil tank has failed and maintenance is required. Oil level of vacuum oil tank is too low • The first is that the float valve has failed; • the second is that the nozzle at the outlet end of the float valve is jammed by dirty things.
  • 27.
    Seal oil systemtaken service procedure for 0 KSC pressure (ATT purpose) 1) Mot oil to seal oil system pressurised for very gradually max 1.6system side Top side 13.7mtr 1.2ksc 2) Gas side Air pressurized for very gradually 0 to 0.5ksc. (0.81 maximum) 3)Float trap taken in service before inlet and outlet by pass open condition gas side pre 0.5ksc came after bypass closed in necessary not close air pressure not built up going to Ovef Exhaust 4)Gas side pressure -1.2ksc reached taken seal oil system then pump started dp checking before mot to seal oil tank Miv open . 5) gas side pressure 1.8ksc taken turning gear service 6)gas side pressure- 2.0ksc Stator water system taken service 7)gas side pressure raised 4.2 maximum 8) checking All area air leakage & drop rate of trend..
  • 28.