CHAPTER 1 
INTRODUCTION 
1.1 OBJECTIVE OF THE PROJECT 
Our project aims at reducing traffic congestion and unwanted long time delay during the 
traffic light switch overs especially when the traffic is very low. It is designed to be implemented in 
places nearing the junctions where the traffic signals are placed, in order to reduce the congestion in 
these junctions. It keeps a track of the vehicles in each road and accordingly adjusts the time for 
each traffic light signals. The higher the number of vehicles on the road the longer will be the time 
delay allotted for that corresponding traffic light signal. 
1 
1.2 OVERVIEW 
The overview of this project is to implement Density based traffic control system using IR 
technology and 89C51 microcontroller. 89C51 has very efficient architecture which can be used 
for low end security systems and IR is widely adapted technology for communicat ion. 
1.3 PURPOSE 
Purpose of the current work is to study and analyse the counting and controlling system by 
using 89C51 controller. 
1.4 SCOPE 
Current work focuses on how to use effectively IR and 89C51 controllers for digital 
security systems.
2 
1.5 PROBLEM FORMULATION 
The problem with the traffic system is that for every minute the vehicles at the 4-way road 
will be heavy and the traffic lights shall be changed to each side for some fixed time. Even though 
there are no vehicles at particular side, the traffic signals will glow for given fixed time. Due to 
that there is time waste process. Due to this other side vehicles have to wait for the time to 
complete the process. So to reduce the wastage of time, we can implement the system that 
controls the traffic based on the heavy flow of vehicles at any particular side. With this system, 
we shall count the number of vehicles at each side at the junction and give the path to the 
particular side which has heavy flow of vehicles and keep remaining stop position. So that for 
this to count the number of vehicles at side of the junction, we shall use IR technology 
1.6 DESCRIPTION OF PROJECT 
1.6.1 Existing System 
Nowadays traffic lights are set on in the different directions with fixed time delay, following a 
particular cycle while switching from one signal to other. This creates unwanted congestion during 
peak hours. This is a time consuming system. 
1.6.2 Proposed System 
Our project density based traffic light control is an automated way of controlling signals in 
accordance to the density of traffic in the roads. IR sensors are placed in the entire intersecting road 
at fixed distances from the signal placed in the junction. The time delay in the traffic signal is set 
based on the density of vehicles on the roads. 
The IR sensors are used to sense the number of vehicles on the road. According to the IR count, 
microcontroller takes appropriate decisions as to which road is to be given the highest priority and 
the longest time delay for the corresponding traffic light.
3 
1.7 PROCESS DESCRIPTION 
As per our process diagram, initially the signals are started by giving the power supply. The 
first step is to make sure that the signals are all in ON condition. During this all the traffic signals 
will blink in yellow light. This indicates that they are all in the working condition. 
The next step is to check for the density of traffic in these roads. By density what we are 
trying to mean in that the number of vehicles available in a particular at a certain period of time. 
The density is calculated over here by means of using an IR circuit. Depending on the number of 
vehicles that cut the light travelling from the receiver to transmitter of the IR circuit the count of the 
vehicles is registered in the microcontroller. 
This is followed by the next step in which the microcontroller decides as to which road should 
be given the highest priority. This is based on the density of traffic on each road and also it depends 
on the speed at which an IR circuit registers the count. 
The very next step is to assign time delays for each road. The time delays have already been 
set for certain specific counts in the microcontroller. As soon as the microcontroller receives the 
counts from the IR circuit it will immediately detect the density of each road and accordingly allot 
the time delays for which each signal will show the green light. The higher the traffic density, the 
longer will be the time delay allotted. 
In the final step, the microcontroller makes sure that the lowest density road is also opened 
and that the delay of the green light for that particular signal also comes to an end. Once all the 
roads are opened in a sequence, then the microcontroller again goes back to the second step where it 
checks for the density of traffic in each road. The whole process is repeated like a cycle. The main 
point that is to be noted regarding this process is that, whenever a particular road has no traffic, 
correspondingly, the yellow light in the traffic signal will glow.
FIGURE 1.1: Process diagram 
4
5 
1.8 PARAMETERS CONSIDERED 
Density of roads 
Density of roads is classified as: 
 Low 
 Medium 
 High 
Priority of roads 
 If two or more roads of equal high priority any one road is opened. 
 If all roads are having no traffic, yellow signal appears. 
 No road is allowed to be closed continuously for more than maximum duration 
 Without considering the density. 
Delay of roads 
The delay of each road is chosen according to the density 
 Low-20seconds 
 Medium-30seconds 
 High-60seconds
6 
1.9 BLOCK DIAGRAM 
FIGURE 1.2: BLOCK DIAGRAM
CHAPTER-2 
SURVEY REPORT 
7 
2.1 SUFFERINGS 
97% 
120 
100 
80 
60 
40 
20 
FIGURE 2.1: SUFFERED FROM TRAFFIC CONGESTION VS NOT SUFFERED 
FROM TRAFFIC CONGESTION 
3% 
0 
suffered traffic congestion not suffered 
Series 1
8 
2.2 TROUBLE VS SATISFACTION 
94% 
6% 
problem with the current system 
satisfied with the current system 
FIGURE 2.2: TROUBLE VS SATISFACTION WITH THE CURRENT SYSTEM
9 
2.3 PUBLIC’S OPINION 
FIGURE 2.3: WASTING FUEL VS WASTING TIME 
80 
70 
60 
50 
40 
30 
20 
10 
0 
wasting time 
wasting fuel 
79% 
21% 
publics opinion
CHAPTER-3 
LITERATURE SURVEY 
10 
3.1 EMBEDDED SYSTEMS 
An embedded system is a special-purpose computer system designed to perform one or a few 
dedicated functions, often with real-time computing constraints. It is usually embedded as part of a 
complete device including hardware and mechanical parts. In contrast, a general-purpose computer, 
such as a personal computer, can do many different tasks depending on programming. Embedded 
systems control many of the common devices in use today. 
Since the embedded system is dedicated to specific tasks, design engineers can optimize it, 
reducing the size and cost of the product, or increasing the reliability and performance. Some 
embedded systems are mass-produced, benefiting from economics of scale. Physically, embedded 
systems range from portable devices such as digital watches and mp4 players, to large stationary 
installations like traffic lights, factory controllers, or the systems controlling nuclear power 
stations. Complexity varies from low, with a single microcontroller chip, to very high with multiple 
units, peripherals and networks mounted inside a large chassis or enclosure. 
In general, "embedded system" is not an exactly defined term, as many systems have some 
element of programmability. For example, handheld computers share some elements with 
embedded systems such as the operating systems and microprocessors which power them but are 
not truly embedded systems, because they allow different applications to be loaded and peripherals 
to be connected.
11 
3.2 CHARACTERISTICS 
1. Embedded systems are designed to do some specific task, rather than be a general-purpose 
computer for multiple tasks. Some also have real-time performance constraints that must be met, 
for reasons such as safety and usability; others may have low or no performance requirements, 
allowing the system hardware to be simplified to reduce costs. 
2. Embedded systems are not always standalone devices. Many embedded systems consist of 
small, computerized parts within a larger device that serves a more general purpose. For example, 
the features an embedded system for tuning the strings, but the overall purpose of the Robot Guitar 
is, of course, to play music. Similarly, an embedded system in automobiles provides a specific 
function as a subsystem of the car itself. 
3. The program instructions written for embedded systems are referred to as firmware, and are 
stored in read-only memory or flash memory chips. They run with limited computer hardware 
resources: little memory, small or non-existent keyboard and/or screen. 
FIGURE 3.1 A TYPICAL EMBEDDED SYSTEM BLOCK DIAGRAM
12 
3.3 MICROCONTROLLER 
Microcontroller is a general purpose device, which integrates a number of the components 
of a microprocessor system on to a single chip. It has inbuilt CPU, memory and peripherals to 
make it as a mini computer. A microcontroller combines on to the same microchip: 
 The CPU core 
 Memory (both ROM and RAM) 
 Some parallel digital i/o 
Microcontrollers will combine other devices such as: 
 A timer module to allow the microcontroller to perform tasks certain time periods. 
 A serial I/O port to allow data to flow between the controller and other devices such as a 
PIC or another microcontroller. 
 An ADC to allow the microcontroller to accept analog input data processing. 
Microcontrollers are: 
 Smaller in size 
 Consume less power 
 Inexpensive 
Microcontroller is a standalone unit, which can perform functions on its own without any 
requirement for additional hardware like I/O ports and external memory. 
The heart of the microcontroller is the CPU core. In the past, this has traditionally been 
based on an 8-bit microprocessor unit. For example, Motorola uses a basic 6800 microprocessor 
core in their 6805/6808 microcontroller devices. 
In the recent years microcontrollers have been developed around specifically designed CPU 
cores, for example the microchip PIC range of microcontrollers. 
The micro controller, nowadays, is an indispensable device for electrical/electronic 
engineers and also for technicians in the area, because of its versatility and its enormous 
application. .Born of parallel developments in computer architecture and integrated circuit 
fabricat ion, the microprocessor or computer on chip first becomes a commercial realit y in 1971.
With the introduction of the 4 bit 4004 by a small, unknown company by the name of Intel 
Corporation. Other, well established, semiconductor firms soon followed Intel's pioneering 
technology so that by the late 1970's we could choose from a half dozen or so micro processor 
type. The 1970s also saw the growth of the number of personal computer users from a Handful of 
hobbyists and hackers to millions of business, industrial, governmental, defense, and educational 
and private users now enjoying the advantages of inexpensive computing. 
A bye product of microprocessor development was the micro controller. The same 
fabrication techniques and programming concepts that make possible general-purpose 
microprocessor also yielded the micro controller. 
Among the applications of a micro controller we can mention industrial automation, 
mobile telephones, radios, microwave ovens and VCRs. Besides, the present trend in digital 
electronics is toward restricting to micro controllers and chips that concentrate a great quantity of 
logical circuits, like PLDs (Programmable Logic Devices) and GALs (Gate Array Logic). In 
dedicated systems, the micro controller is the best solution, because it is cheap and easy to 
manage. 
13 
3.4 COMMUNICATION 
Communication refers to the sending, receiving and processing of information by 
electric means. As such, it started with wire telegraphy in the early 80's, developing with 
telephony and radio some decades later. Radio communication became the most widely used 
and refined through the invention of and use of transistor, integrated circuit, and other semi-conductor 
devices. Most recently, the use of satellites and fiber optics has made 
communication even more wide spread, with an increasing emphasis on computer and other 
data communications. 
A modern communications system is first concerned with the sorting, processing and 
storing of information before its transmission. The actual transmission then follows, with 
further processing and the filtering of noise. Finally we have reception, which may include 
processing steps such as decoding, storage and interpretation. In this context, forms of 
communications include radio, telephony and telegraphy, broadcast, point to point and mobile 
communications (commercial and military), computer communications, radar, radio telemetry 
and radio aids to navigation. It is also important to consider the human factors influencing a 
particular system,
Since they can always affect its design, planning and use. Wireless communication has 
become an important feature for commercial products and a popular research topic within the last 
ten years. There are now more mobile phone subscriptions than wired-line subscriptions. Lately, 
one area of commercial interest has been low-cost, low-power, and short-distance wireless 
communication used for personal wireless networks." Technology advancements are providing 
smaller and more cost effective devices for integrating computational processing, wireless 
communication, and a host of other functionalities. These embedded communications devices will 
be integrated into applications ranging from homeland security to industry automation and 
monitoring. They will also enable custom tailored engineering solutions, creating a 
revolutionary way of disseminating and processing information. With new technologies and 
devices come new business activities, and the need for employees in these technological areas. 
Engineers who have knowledge of embedded systems and wireless communications will be in 
high demand. Unfortunately, there are few adorable environments available for development and 
classroom use, so students often do not learn about these technologies during hands-on lab 
exercises. The communication mediums were twisted pair, optical fiber, infrared, and generally 
wireless radio. 
14 
3.5 IR REMOTE THEORY 
IR sensor is the combination of IR LED with Photo Diode. After this combination we 
are connecting the Darlington Pair Transistor. End of the IR sensor we have to connect a 
NOT gate for the inverting purpose means low input have corresponding low output. At last 
this entire connector is connected to any one external interrupt to generating the interruption 
of the main program. 
Infra-Red actually is normal light with a particular colour. We humans can't see this 
colour because its wave length of 950nm is below the visible spectrum. That's one of the reasons 
why IR is chosen for remote control purposes, we want to use it but we're not interested in seeing 
it. Another reason is because IR LEDs are quite easy to make, and therefore can be very cheap.IR 
LED wave length range 1.6m to 7.4m. Materials used for IR LED are InSB, Ge,Si, GaAs, CdSe . 
This IR is not in visible range for observation purpose.
CHAPTER-4 
SYSTEM SPECIFICATION 
15 
4.1 89C51 MICROCONTROLLER 
4.1.1 Features 
 Compatible with MCS 51™ Products 
 4K Bytes of In System Reprogrammable Flash Memory 
 Endurance: 1,000 Write/Erase Cycles 
 Fully Static Operation: 0 Hz to 24 MHz 
 Three level Program Memory Lock 
 128 x 8·bit Internal RAM 
 32 Programmable I/O Lines 
 Two 16·bit Timer/Counters 
 Six Interrupt Sources 
 Programmable Serial Channel 
 Low power Idle and Power down Modes 
4.1.2 Description 
The AT89C51 is a low-power, high-performance CMOS 8-bit microcomputer with 4K 
bytes of Flash programmable and erasable read only memory (PEROM). The device is 
manufactured using Atmel's high-density non-volatile memory technology and is compatible 
with the industry-standard MCS-51 instruction set and pinout. The on-chip Flash allows the 
program memory to be reprogrammed in-system or by a conventional non-volatile memory 
programmer. By combining a versatile 8-bit CPU with Flash on a monolithic chip, the Atmel 
AT89C51 is a powerful microcomputer which provides a highly-flexible and cost-effective 
solution to many embedded control applications.
16 
4.1.3 Architecture 
FIGURE4.1 ARCHITECTURE OF 89C51 MICROCONTROLLER
17 
4.1.4 Pin configurations 
FIGURE 4.2: PIN CONFIGURATION
18 
4.1.5 Pin descriptions 
VCC 
Pin 40 provides +5v input supply voltage 
PORT 0 
Port 0 is an 8-bit open drain bidirectional I/O port. As an output port, each pin can sink 
eight TTL inputs. When 1s are written to port 0 pins, the pins can be used as high impedance 
inputs. Port 0 can also be configured to be the multiplexed low order address/data bus during 
accesses to external program and data memory. In this mode, P0 has internal pull ups. Port 0 also 
receives the code bytes during Flash programming and outputs the code bytes during program 
verification. External pull ups are required during program verification. 
PORT 1 
Port 1 is an 8-bit bidirectional I/O port with internal pull ups. The Port 1 output buffers 
can sink/source four TTL inputs. When 1s are written to Port 1 pins, they are pulled high by the 
internal pull ups and can be used as inputs. As inputs, Port 1 pins that are externally being 
pulled low will source current (IIL) because of the internal pull ups. In addition, P1.0 and P1.1 
can be configured to be the timer/counter 2 external count input (P1.0/T2) and the timer/counter 2 
trigger input (P1.1/T2EX).Port 1 also receives the low-order address bytes during Flash 
programming and verification 
PORT 2 
Port 2 is an 8-bit bidirectional I/O port with internal pull ups. The Port 2 output buffers 
can sink/source four TTL inputs. When 1s are written to Port 2 pins, they are pulled high by the 
internal pull- ups and can be used as inputs. As inputs, Port 2 pins that are externally being 
pulled low will source current (IIL) because of the internal pull-ups.
Port 2 emits the high-order address byte during fetches from external program 
memory and during accesses to external data memory that uses 16-bit addresses (MOVX 
@ DPTR). In this application, Port 2 uses strong internal pull-ups when emitting 1s. During 
accesses to external data memory that uses 8-bit addresses (MOVX @ RI), Port 2 emits the 
contents of the P2 Special Function Register. 
Port 2 also receives the high-order address bits and some control signals during 
19 
Flash programming and verification. 
PORT 3 
Port 3 is an 8-bit bidirectional I/O port with internal pull-ups. The Port 3 output buffers 
can sink/source four TTL inputs. When 1s are written to Port 3 pins, they are pulled high by the 
internal pull- ups and can be used as inputs. As inputs, Port 3 pins that are externally being 
pulled low will source current (IIL) because of the pull-ups. 
Port 3 also serves the functions of various special features of the AT89S52, as shown in the 
following table. 
TABLE 4.1: PORT 3 FUNCTIONS 
Port Pin Alternate Functions 
P3.0 RXD (serial input port) 
P3.1 TXD (serial output port) 
P3.2 INT0 (external interrupt 0) 
P3.3 INT1 (external interrupt 1) 
P3.4 T0 (timer 0 external input) 
P3.5 T1 (timer 1 external input) 
P3.6 WR (external data memory write 
P3.7 sRtrDo b(ee)x ternal data memory read strobe) 
Port 3 also receives some control signals for Flash programming and verification. 
RST 
Reset input. A high on this pin for two machine cycles while the oscillator is running 
resets the device. This pin drives High for 96 oscillator periods after the Watchdog times out. 
The DISRTO bit in SFR AUXR (address 8EH) can be used to disable this feature. In the 
default state of bit DISRTO, the RESET HIGH out feature is enabled
20 
ALE/PROG 
Address Latch Enable (ALE) is an output pulse for latching the low byte of the 
address during accesses to external memory. This pin is also the program pulse input 
(PROG) during flash programming. 
In normal operation, ALE is emitted at a constant rate of 1/6 the oscillator frequency and 
may be used for external timing or clocking purposes. Note, however, that one ALE pulse is 
skipped during each access to external data memory. 
. 
PSEN 
Program Store Enable (PSEN) is the read strobe to external program memory. When the 
AT89S52 is executing code from external program memory, PSEN is activated twice each 
machine cycle, except that two PSEN activations are skipped during each access to external data 
memory. 
EA/VPP 
External access enables. EA must be strapped to GND in order to enable the device to 
fetch code from external program memory locations starting at OOOOH up to FFFFH. Note, 
however, that if lock bit 1 is programmed, EA will be internally latched on reset. EA should be 
strapped to VCC for internal program executions. This pin also receives the 12-volt 
programming enable voltage (VPP) during Flash programming. 
XTALl 
Input to the inverting oscillator amplifier 
XTAL2 
Output from the inverting oscillator amplifier 
4.1.6 Oscillator Characteristics 
XTAL1 and XTAL2 are the input and output, respectively, of an inverting amplifier which 
can be configured for use as an on-chip oscillator, as shown in Figure 4.3. Either a quartz crystal or 
ceramic resonator may be used. To drive the device from an external clock source, XTAL2 
should be left unconnected while XTAL1 is driven as shown in Figure 4.4.
There are no requirements on the duty cycle of the external clock signal, since the input to the 
internal clocking circuitry is through a divide by two flip-flops, but minimum and maximum voltage 
high and low time specificatio ns must be observed. 
C2 
C1 
XTAL1 
XTAL1 
GND 
FIGURE 4. 3: OSCILLATOR CONNECTIONS 
21 
4.1.7 Power memory lock bits 
NC 
FIGURE 4. 4: EXTERNAL CLOCK DRIVE 
CONFIGURATION 
On the chip are three lock bits which can be left unprogrammed (U) or can be programmed 
(P) to obtain the additional features listed in the table below. 
When lock bit is programmed, the logic level at the EA pin is sampled and latched during 
reset. If the device is powered up without a reset, the latch initializes to a random value, and holds 
the value until reset is activated. It is necessary that the latched value of EA be in agreement wi 
the current logic level at that pin in order for the device to function properly. 
TABLE 4.2: PROGRAM LOCK BITS AND ITS PROTECTION 
Program Lock Bits 
Protection Type 
LB 
1 
LB 
2 
LB 
3 
1 U u u No program lock features 
2 P u u MOV instructions executed from external program memory 
are disabled from fetching code bytes from internal memory, 
EA is sampled and latched on reset, and further programming 
of the Flash is disabled 
3 P p u Same as mode 2, also verify is disabled 
4 P p p Same as mode 3, also external execution is disabled
22 
4.2 MODES 
4.2.1 Idle Mode 
In idle mode, the CPU puts itself to sleep while all the on- chip peripherals remain 
active. The mode is invoked by software. The content of the on-chip RAM and all the special 
functions registers remain unchanged during this mode. The idle mode can be terminated 
by any enabled interrupt or by a hardware reset. 
It should be noted that when idle is terminated by a hard ware reset, the device normally 
resumes program execution, from where it left off, up to two machine cycles before the internal 
reset algorithm takes control. On-chip hardware inhibits access to internal RAM in this event, 
but access to the port pins is not inhibited. 
To eliminate the possibility of an unexpected write to a port pin when Idle is terminated by 
reset, the instruction following the one that invokes Idle should not be one that writes to a 
port pin or to external memory. 
4.2.2 Power-down Mode 
In the power-down mode, the oscillator is stopped, and the instruction that invokes power-down 
is the last instruction executed. The on-chip RAM and Special Function Registers retain 
their values until the power-down mode is terminated. The only exit from power-down is a 
hardware reset. Reset redefines the SFRs but does not change the on-chip RAM. The reset 
should not be activated before VCC is restored to its normal operating level and must be held 
active long enough to allow the oscillator to restart and stabilize. 
TABLE 4.3: Status of External Pins during Idle and Power-down Modes 
Mode Program 
Memory 
ALE PSEN PORTO PORT1 PORT2 PORT3 
Idle Internal 1 1 Data Data Data Data 
Idle External 1 1 Float Data Address Data 
Power-down 
Internal 0 0 Data Data Data Data 
Power-down 
External 0 0 Float Data Data Data
23 
4.3 PROGRAMMING THE FLASH 
The AT89C51 is normally shipped with the on-chip Flash memory array in the erased 
state (that is, contents = FFH) and ready to be programmed. The programming interface accepts 
either a high-voltage (12-volt) or a low-voltage (VCC) program enable signal. The low-voltage 
programming mode provides a convenient way to program the AT89C51 inside the 
user's system, while the high-voltage programming mode is compatible with conventional third-party 
Flash or EPROM programmers. 
The AT89C51 is shipped with either the high-voltage or low-voltage programming 
mode enabled. The respective top-side marking and device signature codes are listed in the 
following table. 
TABLE 4.4: DEVICE SIGNATURE CODES 
VPP = 12V 
VPP = 5V 
Top-side 
Mark 
AT89C51 
xxxx yyww 
AT89C51 
xxxx-5 yyww 
Signature 
(030H) = 1EH 
(031H) = 51H 
(032H) = FFH 
(030H) = 1EH 
(031H) = 51H 
(032H) = 05H
24 
4.4 UART 
Serial data communication uses two methods, asynchronous and synchronous. The 
synchronous method transfers a block of data (characters) at a time, while the asynchronous 
method transfers a single byte at a time. It is possible to write software to use either of these 
methods, but programs can be tedious and long. For this reason, there are special IC chips made 
by the manufacturers for the serial data communications. These chips are commonly referred to as 
UART (universal asynchronous receiver- transmitter) and USART (universal synchronous 
receiver-transmitter).
CHAPTER-5 
PERIPHERAL DEVICES 
25 
5.1 INFRARED LED 
IR sensor is the combination of IR LED with PHOTO DIODE. After this combination 
we are connecting the DARLINGTON PAIR TRANSISTOR. End of the IR sensor we have to 
connect a NOT gate for the inverting purpose means low input have corresponding low output 
Infra-Red actually is normal light with a particular colour. We humans can't see this colour 
because its wave length of 950nm is below the visible spectrum. That's one of the reasons why 
IR is chosen for remote control purposes, we want to use it but we're not interested in seeing it. 
Another reason is because IR LEDs are quite easy to make, and therefore can be very cheap. 
Although we humans can't see the Infra-Red light emitted from a remote control doesn't 
mean we can't make it visible. A video camera or digital photo camera can "see" the Infra-Red 
light as you can see in this picture. If you own a web cam, point your remote to it, press any 
button and you‘ll see the LED flicker. They do dozens of different jobs and are found in all kind 
of devices. Among other things they form the numbers on digital clocks, transmit information 
from remote controls, light up watches and tell you when your appliances are turned on. 
Collected together, they can from images on a jumbo television screen or illuminate a traffic 
light. 
FIGURE: 5.1 IR LED USED IN REMOTE CONTROL
26 
5.1.1 Darlington pair 
An emitter follower offers high impedance of 500Kohms. For applications requiring still 
higher input impedance, we may use what is called Darlington in place of conventional transistor. 
This Darlington pair basically consists of two transistors cascaded in cc configuration. In the 
figure shown below the input impedance of the second transistor constitutes the load impedance 
of the first. 
We thus conclude that in comparison with a conventional single transistor emitter follower 
has in higher current gain, higher input impedance and almost the same voltage gain lower out 
put impedances. 
FIGURE: 5.2 Darlington Pair 
5.2 MODULATION 
Modulation is the answer to make our signal stand out above the noise. With 
modulation we make the IR light source blink in a particular frequency. The IR receiver will 
be tuned to that frequency, so it can ignore everything else. You can think of this blinking as 
attracting the receiver's attention. We humans also notice the blinking of yellow lights at 
construction sites instantly, even in bright daylight.
In the picture above you can see a modulated signal driving the IR LED of the transmitter on 
the left side. The detected signal is coming out of the receiver at the other side. 
FIGURE 5.3: modulated signal driving LED 
In serial communication we usually speak of 'marks' and 'spaces'. The 'space' is the 
default signal, which is the off state in the transmitter case. No light is emitted during the 
'space' state. During the 'mark' state of the signal the IR light is pulsed on and off at a 
particular frequency. Frequencies between 30 kHz and 60 kHz are commonly used in 
consumer electronics. At the receiver side a 'space' is represented by a high level of the 
receiver's output. A 'mark' is then automatically represented by a low level. 
Please note that the 'marks' and 'spaces' are not the I-s and 0-s we want to transmit. The 
real relationship between the 'marks' and 'spaces' and the I-s and 0-s depends on the protocol 
that's being used. More information about that can be found on the pages that describe the 
protocols. 
27 
5.3 TRANSMITTER 
In the picture below we can see a modulated signal driving the IR LED of the transmitter 
on the left side. The detected signal is coming out of the receiver at the other side. 
FIGURE 5.4: IR TRANSMITTER
The transmitter usually is a battery powered handset. It should consume as little power as 
possible, and the IR signal should also be as strong as possible to achieve an acceptable control 
distance. Preferably it should be shock proof as well. 
Many chips are designed to be used as IR transmitters. The older chips were dedicated to 
only one of the many protocols that were invented. Nowadays very low power microcontrollers 
are used in IR transmitters for the simple reason that they are more flexible in their use. When no 
button is pressed they are in a very low power sleep mode, in which hardly any current is 
consumed. The processor when wakes up to transmit the appropriate IR command only a key is 
pressed. 
FIGURE 5.5: TRANSISTOR CIRCUIT USED TO DRIVE IR LED 
Quartz crystals are seldom used in such handsets. They are very fragile and tend to break 
easily when the handset is dropped. Ceramic resonators are much more suitable here, because 
they can withstand larger physical shocks. The fact that they are a little less accurate is not 
important. 
The current through the LED (or LEDs) can vary from 100mA to well over IA! In order 
to get an acceptable control distance the LED currents have to be as high as possible. A trade-off 
should be made between LED parameters, battery lifetime and maximum control distance. LED 
currents can be that high because the pulses driving the LEDs are very short. Average power 
dissipation of the LED should not exceed the maximum value though. You should also see to it 
that the maximum peek current for the LED is not exceeded. All these parameters can be found 
in the LED's data sheet. 
28
A simple transistor circuit can be used to drive the LED. A transistor with a suitable hfe 
and switching speed should be selected for this purpose. The resistor values can simply be 
calculated using Ohm’s law. Remember that the nominal voltage drop over an IR LED is 
approximately 1.1V. The normal driver, described above, has one disadvantage. As the battery 
voltage drops, the current through the LED will decrease as well. This will result in a shorter 
control distance that can be covered. 
An emitter follower circuit can avoid this. The 2 diodes in series will limit the pulses on 
the base of the transistor to 1.2V. The base-emitter voltage of the transistor subtracts O.6V 
from that, resulting in constant amplitude of O.6V at the emitter. This constant amplitude across 
a constant resistor results in current pulses of a constant magnitude. Calculating the current 
through the LED is simply applying ohm' law. 
29 
5.4 PHOTODIODES 
Unfortunately for us there are many more sources of Infrared light. The sun is the brightest 
source of all, but there are many others, like: light bulbs, candles, central heating system, and 
even our body radiate Infrared light. In fact everything that radiates heat, also radiates Infrared 
light. Therefore we have to take some precautions to guarantee that our IR message gets across to 
the receiver without errors. 
UV enhanced photodiodes are optimized for the UV and blue spectral regions, 
Photodiodes are a two- electrode, radiation-sensitive junction formed in a semiconductor 
material in which the reverse current varies with illumination. Photodiodes are used for the 
detection of optical power and for the conversion of optical power to electrical power. 
Photodiodes can be PN, PIN, or avalanche. 
PN photodiodes feature a two-electrode, radiation-sensitive PN junction formed in a 
semiconductor material in which the reverse current varies with illumination. PIN 
photodiodes are diodes with a large intrinsic region sandwiched between P-doped and 
N-doped semiconducting regions. Photons absorbed in this region create electron-hole pairs that 
are then separated by an electric field, thus generating an electric current in a load circuit.
30 
5.5 SEVEN SEGMENT DISPLAY 
FIGURE 5.6: SEVEN SEGMENT DISPLAY 
A seven-segment display (SSD), or seven-segment indicator, is a form of electronic display 
device for displaying decimal numerals that is an alternative to the more complex dot-matrix 
displays. Seven-segment displays are widely used in digital clocks, electronic meters, and 
other electronic devices for displaying numerical information. 
5.5.1 CONCEPT AND VISUAL STRUCTURE 
FIGURE 5.7: THE SEGMENTS OF A SEVEN-SEGMENT DISPLAY 
The seven elements of the display can be lit in different combinations to represent 
the Arabic numerals. Often the seven segments are arranged in an oblique (slanted) arrangement, 
which aids readability.
In most applications, the seven segments are of nearly uniform shape and size (usually 
elongated hexagons, though trapezoids and rectangles can also be used), though in the case 
of adding machines, the vertical segments are longer and more oddly shaped at the ends in an effort 
to further enhance readability. 
The numerals 0, 1, 6, 7 and 9 may be represented by two or more different glyphs on seven-segment 
displays. 
The seven segments are arranged as a rectangle of two vertical segments on each side with 
one horizontal segment on the top, middle, and bottom. Additionally, the seventh segment bisects 
the rectangle horizontally. There are also fourteen-segment displays and sixteen-segment 
displays (for full alphanumeric); however, these have mostly been replaced by dot-matrix displays. 
The segments of a 7-segment display are referred to by the letters A to G, where the 
optional DP decimal point (an "eighth segment") is used for the display of non-integer numbers. 
31 
5.5.2 DISPLAYING LETTERS 
FIGURE 5.8: LED BASED 7-SEGMENT DISPLAY 
LED-based 7-segment display which cycles through the common glyphs of the ten decimal 
numerals and the six hexadecimal" letter digits" (A–F) 
Hexadecimal digits can be displayed on seven-segment displays. Both uppercase and 
lowercase letters are used for A–F; this is done to obtain a unique, unambiguous shape for each 
letter (otherwise, a capital D would look identical to an 0 (or less likely O) and a capital B would 
look identical to an 8). 
Similar displays with fourteen or sixteen segments are available allowing less-ambiguous 
representations of the alphabet. 
Using a restricted range of letters that look like (upside-down) digits, seven-segment 
displays are commonly used by school children to form words and phrases using a technique 
known as "calculator spelling".
TABLE 5.1: HEXADECIMAL ENCODINGS 
Hexadecimal encodings for displaying the digits 0 to 9 
Digit gfedcba abcdefg A b c d e f g 
0 0×3F 0×7E On on on on on on off 
1 0×06 0×30 Off on on off off off off 
2 0×5B 0×6D On on off on on off on 
3 0×4F 0×79 On on on on off off on 
4 0×66 0×33 Off on on off off on on 
5 0×6D 0×5B On off on on off on on 
6 0×7D 0×5F On off on on on on on 
7 0×07 0×70 On on on off off off off 
8 0×7F 0×7F On on on on on on on 
9 0×6F 0×7B On on on on off on on 
32
TABLE 5.2: HEXADECIMAL ENCODINGS (A-F) 
A 0×77 0×77 on on on off on On on 
B 0×7C 0×1F off off on on on On on 
C 0×39 0×4E on off off on on On off 
D 0×5E 0×3D off on on on on off on 
E 0×79 0×4F on off off on on On on 
F 0×71 0×47 on off off off on On on 
33
CHAPTER 6 
POWER SUPPLY 
34 
6.1 INTRODUCTION 
The present chapter introduces the operation of power supply circuits built using filters, 
rectifiers and then voltage regulators. Starting with an ac voltage, then filtering to a dc voltage is 
obtained by rectifying the ac voltage, then filtering to a dc level and finally, regulating to obtain a 
desired fixed dc voltage. The regulation is usually obtained from an IC voltage regulator unit, 
which takes a dc voltage and provides a somewhat lower dc voltage, which remains the same even 
if the input dc varies, or the output load connected to the dc voltage changes. 
FIGURE 6.1: COMPONENTS OF LINEAR POWER SUPPLY
35 
6.2 TRANSFORMER: 
A transformer is an electrical device which is used to convert electrical power from 
one Electrical circuit to another without change in frequency. 
Transformers convert AC electricity from one voltage to another with little loss of power. 
Transformers work only with AC and this is one of the reasons why mains electricity is AC. 
Step-up transformers increase in output voltage, step-down transformers decrease in output 
voltage. Most power supplies use a step-down transformer to reduce the dangerously high mains 
voltage to a safer low voltage. The input coil is called the primary and the output coil is called 
the secondary. There is no electrical connection between the two coils; instead they are linked by 
an alternating magnetic field created in the soft-iron core of the transformer. The two lines in the 
middle of the circuit symbol represent the core. Transformers waste very little power so the 
power out is (almost) equal to the power in. Note that as voltage is stepped down current is 
stepped up. 
FIGURE 6.2: AN ELECTRICAL TRANSFORMER 
The ratio of the number of turns on each coil, called the turn's ratio, determines the ratio 
of the voltages. A step-down transformer has a large number of turns on its primary (input) coil 
which is connected to the high voltage mains supply, and a small number of turns on its 
secondary (output) coil to give a low output voltage.
36 
Turns ratio = Vp/VS = Np/NS 
Power Out= Power In 
VS * IS=VP * IP 
Vp = primary (input) voltage 
Np = number of turns on primary coil 
Ip = primary (input) current 
6.3 RECTIFIER 
A circuit which is used to convert ac to dc is known as RECTIFIER. The process of 
conversion ac to dc is called "rectification" 
6.3.1 Types of rectifiers 
• Half wave Rectifier 
• Full wave Rectifier 
1. Centre tap full wave rectifier. 
2. Bridge type full bridge rectifier. 
Full-wave Rectifier: 
From the above comparison we came to know that full wave bridge rectifier as more 
advantages than the other two rectifiers. So, in our project we are using full wave bridge rectifier 
circuit.
TABLE 6.1: COMPARISON OF RECTIFIER CIRCUITS 
37 
Parameter 
Type of Rectifier 
Half wave Full wave Bridge 
Number of diodes 
1 
2 
4 
PIV of diodes 
Vm 
2Vm 
Vm 
D.C output voltage 
Vm/z 
2Vm/ 
2Vm/ 
Vdc at no-load 
0.318Vm 
0.636Vm 
0.636Vm 
Ripple factor 
1.21 
0.482 
0.482 
Ripple frequency 
F 
2f 
2f 
Rectification efficiency 
0.406 
0.812 
0.812 
Transformer Utilization 
Factor{TUF) 
0.287 
0.693 
0.812 
RMS voltage Vrms 
Vm/2 
Vm/V2 
Vm/V2
38 
Bridge Rectifier: 
A bridge rectifier makes use of four diodes in a bridge arrangement to achieve full-wave 
rectification. This is a widely used configuration, both with individual diodes wired as 
shown and with single component bridges where the diode bridge is wired internally. 
A bridge rectifier makes use of four diodes in a bridge arrangement as shown in fig (6.3) 
to achieve full-wave rectification. This is a widely used configuration, both with individual 
diodes wired as shown and with single component bridges where the diode bridge is wired 
internally. 
FIGURE 6.3: BRIDGE RECTIFIER 
6.3.1 Operation 
During positive half cycle of secondary, the diodes D2 and D3 are in forward biased 
while D1 and D4 are in reverse biased as shown in the fig(b). The current flow direction is 
shown in the fig (6.4) with dotted arrows.
FIGURE 6.4: POSITIVE HALF CYCLE 
During negative half cycle of secondary voltage, the diodes D1 and D4 are in forward 
biased while D2 and D3 are in reverse biased as shown in the fig(c). The current flow direction 
is shown in the fig (c) with dotted arrows. 
FIGURE 6.5: NEGATIVE HALF CYCLE 
39 
6.4 FILTER 
A Filter is a device which removes the ac component of rectifier output but allows the 
dc component to reach the load.
40 
6.4.1 Capacitor Filter 
We have seen that the ripple content in the rectified output of half wave rectifier is 121% 
or that of full-wave or bridge rectifier or bridge rectifier is 48% such high percentages of ripples 
is not acceptable for most of the applications. Ripples can be removed by one of the following 
methods of filtering. 
(a) A capacitor, in parallel to the load, provides an easier by -pass for the ripples voltage 
though it due to low impedance. At ripple frequency and leave the D.C. to appear at the load. 
(b) An inductor, in series with the load, prevents the passage of the ripple current (due 
to high impedance at ripple frequency) while allowing the dc (due to low resistance to dc). 
(c) Various combinations of capacitor and inductor, such as L-section filter section filter, 
multiple section filter etc. which make use of both the properties mentioned in (a) and (b) above. 
Two cases of capacitor filter, one applied on half wave rectifier and another with full wave 
rectifier. 
Filtering is performed by a large value electrolytic capacitor connected across the DC 
supply to act as a reservoir, supplying current to the output when the varying DC voltage 
from the rectifier is falling. The capacitor charges quickly near the peak of the varying DC, and 
then discharges as it supplies current to the output. Filtering significantly increases the average 
DC voltage to almost the peak value (1.4 x RMS value). 
To calculate the value of capacitor(C), 
C = NOP3OfOrORl 
Where, 
f =supply frequency, 
r = ripple factor, 
Rl = load resistance 
Note: In our circuit we are using 1000QF hence large value of capacitor is placed to reduce 
ripples and to improve the DC component.
41 
6.5 REGULATOR 
Voltage regulator ICs is available with fixed (typically 5, 12 and 15V) or 
variable output voltages. The maximum current they can pass also rates them. Negative voltage 
regulators are available, mainly for use in dual supplies. Most regulators include some 
automatic protection from excessive current (‘overload protection’) and overheating (‘thermal 
protection’). Many of the fixed voltage regulators ICs have 3 leads and look like power 
transistors, such as the 7805 +5V 1A regulator shown on the right. The LM7805 is simple to 
use. You simply connect the positive lead of your unregulated DC power supply (anything 
from 9VDC to 24VDC) to the Input pin, connect the negative lead to the Common pin 
and then when you turn on the power, you get a 5 volt supply from the output pin. 
FIGURE 6.6: A THREE TERMINAL VOLTAGE REGULATOR 
78XX 
The Bay Linear LM78XX is integrated linear positive regulator with three terminals. The 
LM78XX offer several fixed output voltages making them useful in wide range of applications. 
When used as a zener diode/resistor combination replacement, the LM78XX usually results in an 
effective output impedance improvement of two orders of magnitude, lower quiescent current. 
The LM78XX is available in the TO-252, TO-220 & TO-263packages,
42 
6.5.1 Features: 
 Output Current of 1.54 
 Output voltage Tolerance of 5% 
 Internal thermal overload protection 
 Internal Short-Circuit Limited 
 Output Voltage 0V,6V,8V,9V,10V,12V,15V,18V,24V
CHAPTER-7 
SYTEM DESIGN 
Designing of this system is possible when you select the specific controller to suite. 
For this we selected 89C51 controller. With the help of 89C51 controller traffic control 
system can be implemented successfully with the help IR technology. To the controller we 
connected IR transmitter and receiver circuit. Instead of IR transmitter and receiver we can 
go with photo diode and photo transmitters also. Here we are using four IR pairs for each 
side. 
Whenever vehicles reach the junction on each side, then IR detects the vehicle by 
sending signal to controller and the controller will counts the count of vehicles. And 
calculate the maximum count from them and give the path to side which has maximum count 
by glowing green LED and other LED and other three sides red LED shall be glow. 
FIGURE 7.1: OVERALL BLOCK DIAGRAM 
43
44 
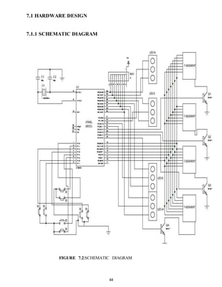
7.1 HARDWARE DESIGN 
7.1.1 SCHEMATIC DIAGRAM 
FIGURE 7.2:SCHEMATIC DIAGRAM
45 
7.1.2 Schematic description 
The main aim of this power supply is to convert the 230V AC into 5V DC in order to give 
supply for the TTL. This schematic explanation includes the detailed pin connections of every 
device with the microcontroller. 
This schematic explanation includes the detailed pin connections of every device 
with the microcontroller. Let us see the pin connections of each and every device with the 
microcontroller in detail. 
Power Supply 
In this process we are using a step down transformer, a bridge rectifier, a smoothing 
circuit and the RPS. At the primary of the transformer we are giving the 230V AC supply. The 
secondary is connected to the opposite terminals of the Bridge rectifier as the input. From other 
set of opposite terminals we are taking the output to the rectifier. 
The bridge rectifier converts the AC coming from the secondary of the 
Transformer into pulsating DC. The output of this rectifier is further given to the smoother 
circuit which is capacitor in our project. The smoothing circuit eliminates the ripples from the 
pulsating DC and gives the pure DC to the RPS to get a constant output DC voltage. The RPS 
regulates the voltage as per our requirement. 
Microcontroller 
The microcontroller AT89S52 with Pull up resistors at Port0 and crystal oscillator of 
11.0592MHz crystal in conjunction with couple of capacitors of is placed at 18th & 19th pins 
of 89S51 to make it work (execute) properly.
46 
IR Module: 
The IR transmitter and receiver are input and output devices. This is connected to the port 
P2 of the Microcontroller. 
LEDs: 
Here the LEDs are connected to one of microcontroller port by using resistor. 
7.2 SOFTWARE COMPONENTS 
7.2.1. ABOUT SOFTWARE 
Software used is: 
 Keil software for C programming 
 Proteus for schematic design 
KEIL μVision3 
μVision3 is an IDE (Integrated Development Environment) that helps you write, compile, 
and debug embedded programs. It encapsulates the following components: 
 Project Manager 
 Facility 
 Tool configuration 
 Editor 
 A powerful debugger 
This software is used for execution of microcontroller programs.Keil development tools 
for the MC architecture support every level of software developer from the professional 
applications engineer to the student just learning about embedded software development.
The industry-standard Keil C compilers, macro assemblers, debuggers, real, time Kernels, 
Single-board computers and emulators support all derivatives and help you to get more projects 
completed on schedule. The Keil software development tools are designed to solve the complex 
problems facing embedded software developers. 
 When starting a new project, simply select the microcontroller you the device 
database and the μvision IDE sets all compiler, assembler, linker, and memory 
options for you. 
 Numerous example programs are included to help you get started with the most 
47 
popular embedded avr devices. 
 The Keil μVision debugger accurately simulates on-chip peripherals (PC, CAN, and 
UART, SPl, interrupts, I/O ports, A/D converter, D /A converter and PWM modules) of 
your avr device. Simulation helps you understand h/w configurations and avoids time 
wasted on setup problems. Additionally, with simulation, you can write and test 
applications before target h/w is available. 
 When you are ready to begin testing your s/w application with target h/w, use the 
MONS1, MON390, MONADl, or flash MONS1 target monitors, the lSDS1 in-System 
 Debugger or the ULlNK USB- RTAG adapter to download and test program code on 
your target system. 
PROTEUS 
Proteus is software for microprocessor simulation, schematic capture, and printed circuit 
board (PCB) design. It is developed by Labcenter Electronics.
48 
EMBEDDED C: 
The programming Language used here in this project is an Embedded C Language. This 
Embedded C Language is different from the generic C language in few things like 
a) Data types 
b) Access over the architecture addresses. 
The Embedded C Programming Language forms the user friendly language with access 
over Port addresses, SFR Register addresses etc. 
Signed char: 
 Used to represent the – or + values 
 As a result, we have only 7 bits for the magnitude of the signed number, giving us values 
from -128 to +127. Embedded C data types: 
TABLE 7.1: DATA TYPES IN EMBEDDED C 
Data Types 
Size in Bits 
Data Range/Usage 
unsigned char 8-bit 0-255 
signed char 8-bit -128 to +127 
unsigned int 16-bit 0 to 65535 
signed int 16-bit -32,768 to +32,767 
Sbit 1-bit SFR bit addressable only 
Bit 1-bit RAM bit addressable only 
Sfr 8-bit RAM addresses 80-FFH only
CHAPTER-8 
IMPLEMENTATION 
The applications as discussed in the design are implemented and the source code related 
to the current work is included the forthcoming chapter. 
49 
8.1 SOFTWARE 
8.1.1 μVision3 
μvision3 is an IDE (Integrated Development Environment) that helps you write, 
compile, and debug embedded programs. It encapsulates the following components: 
 Project Manager 
 Facility 
 Tool configuration 
 Editor 
 A powerful debugger 
To help you get started, several example programs (located in the C51Examples, 
C251Examples,C166Examples, and ARM...Examples) are provided. 
! HELLO is a simple program that prints the string "Hello World" using the Serial Interface.
50 
8.1.2 μVision2 
Building an Application in μVision2 
To build (compile, assemble, and link) an application in μvisionz, you must: 
1. Select Project - (for example, 166EXAMPLESHELLOHELLO.UV2). z. Select Project - 
Rebuild all target files or Build target. 
μvisionz compiles, assembles, and links the files in your project. 
Creating Your Own Application in μVision2 
To create a new project in μVision2 you must: 
1. Select Project - New Project. 
2. Select a directory and enter the name of the project file. 
3. Select Project - Select Device and select an 8051, 251, or C16x/ST10 device from the 
Device Database™. 
4. Create source files to add to the project. 
5. Select Project - Targets, Groups, Files, Add/Files, select Source Group1, and add the source 
files to the project. 
6. Select Project - Options and set the tool options. Note when you select the target device 
from the Device Database™ all special options are set automatically. You typically only need 
to configure the memory map of your target hardware. Default memory model settings are 
optimal for most applications. 
7. Select Project - Rebuild all target files or Build target.
Debugging an Application in μVision2 
To debug an application created using uvision2, you must: 
51 
1. Select Debug - Start/Stop Debug Session. 
2. Use the Step toolbar buttons to single-step through your program. You may enter G, main 
in the Output Window to execute to the main C function. 
3. Open the Serial Window using the Serial #1 button on the 
toolbar. Debug your program using standard options like Step, Go, 
Break, and so on. 
Starting μVision2 and creating a Project 
μVision2 is a standard Windows application and started by clicking on the program icon. 
To create a new project file select from the uvision2 menu 
Project - New Project. This opens a standard Windows dialog that asks you for the new 
project file name. 
We suggest that you use a separate folder for each project. You can simply use the icon 
Create New Folder in this dialog to get a new empty folder. Then select this folder and enter 
the file name for the new project, i.e. Project1. 
μVision2 creates a new project file with the name PROJECT1.Uv2 which contains a 
default target and file group name. You can see these names in the Project 
Window - Files. 
Now use from the menu Project - Select Device for Target and select a CPU for your 
project. The Select Device dialog box shows the uvisionz device database. Just select the 
microcontroller you use. We are using for our examples the Philips 80C51RD+ CPU. This 
selection sets necessary tool options for the 80C51RD+ device and simplifies in this way the tool 
Configuration
Building Projects and Creating a HEX Files 
Typical, the tool settings under Options - Target are all you need to start a new 
application. You may translate all source files and line the application with a click on the Build 
Target toolbar icon. When you build an application with syntax errors, uvisionz will display 
errors and warning messages in the Output Window - Build page. A double click on a message 
line opens the source file on the correct location in a μvisionz editor window. Once you have 
successfully generated your application you can start debugging. 
After you have tested your application, it is required to create an Intel HEX file to 
download the software into an EPROM programmer or simulator. uvisionz creates HEX files 
with each build process when Create HEX files under Options for Target - Output is 
enabled. You may start your PROM programming utility after the make process when you 
specify the program under the option Run User Program #1. 
52 
CPU Simulation 
μvisionz simulates up to 16 Mbytes of memory from which areas can be mapped 
for read, write, or code execution access. The uvisionz simulator traps and reports illegal 
memory accesses being done. 
In addition to memory mapping, the simulator also provides support for the integrated 
peripherals of the various 8051 derivatives. The on-chip peripherals of the CPU you have 
selected are configured from the Device 
Database selection 
You have made when you create your project target. Refer to page 58 for more 
Information about selecting a device. You may select and display the on-chip peripheral 
components using the Debug menu. You can also change the aspects of each peripheral using 
the controls in the dialog boxes.
53 
Start Debugging 
You start the debug mode of uvisionz with the Debug - Start/Stop Debug Session 
command. Depending on the Options for Target - Debug Configuration, uvisionz will load the 
application program and run the start up code uvisionz saves the editor screen layout and 
restores the screen layout of the last debug session. If the program execution stops, uvisionz 
opens an editor window with the source text or shows CPU instructions in the disassembly 
window. The next executable statement is marked with a yellow arrow. During debugging, 
most editor features are still available. 
For example, you can use the find command or correct program errors. Program source text 
of your application is shown in the same windows. The μvisionz debug mode differs from the 
edit mode in the following aspects: 
 The "Debug Menu and Debug Commands" described on page z8 are Available. The 
additional debug windows are discussed in the following. 
 The project structure or tool parameters cannot be modified. All build Commands 
are disabled. 
Disassembly Window 
The Disassembly window shows your target program as mixed source and assembly 
program or just assembly code. A trace history of previously executed instructions may be 
displayed with Debug - view Trace Records. To enable the trace history, set Debug - 
Enable/Disable Trace Recording. 
If you select the Disassembly Window as the active window all program step commands 
work on CPU instruction level rather than program source lines. You can select a text line and 
set or modify code breakpoints using toolbar buttons or the context menu commands. 
You may use the dialog Debug - Inline Assembly. to modify the CPU instructions. That 
allows you to correct mistakes or to make temporary changes to the target program you are 
debugging
CHAPTER-9 
SYSTEM TESTING 
Density based traffic control system is a system which shall be able to count the 
vehicles at each side of the junction road when vehicles are reached near to that junction. After 
connecting the circuit and writing the code, then test it by sensing the IR sensor dated term 
used to describe an opto-electronic means of sensing something, most commonly a photo 
detector of some type. The system can be tested with the use of KEIL compiler. This one we 
are using to write programs for 89C51 controller. After writing programs using 89C51 
programmer we can dump code into the controller. Now develop the system by using IR 
transmitter and receiver, we can use photo diode and photo transistors. 
After initializing all the devices connected to the controller, while testing keep the 
transmitter & receiver aligned in a straight position facing each other about a distance more 
than 2 meter but not less than that. 
If the transmitter and receiver are not in a aligned position data communication is 
not possible. Connect the output of IR receiver to the controller port pin. If there is no intruder 
the output pin will show low value. If there is any introduce it will show high value. 
54
CHAPTER-10 
PROGRAMMING 
55 
Program code 
# include<reg51.h> 
# define density_level P1 
//void green_delay(); 
//Lights declaration 
sbit ar = P0^0; 
sbit ag = P0^1; 
sbit br = P0^2; 
sbit bg = P0^3; 
sbit cr = P0^4; 
sbit cg = P0^5; 
sbit dr = P0^6; 
sbit dg = P0^7; 
//sensors declarartion 
sbit IRaa=P1^0; 
sbit IRab=P1^1; 
sbit IRba=P1^2; 
sbit IRbb=P1^3; 
sbit IRca=P1^4; 
sbit IRcb=P1^5; 
sbit IRda=P1^6; 
sbit IRdb=P1^7; 
int a[]={ 
void main() 
{ 
P1=0XFF; 
P3=0X00; 
P0=0X00;
56 
P2=0X00; 
ar=1; 
br=1; 
cr=1; 
dr=1; 
while(1) 
{ 
int check_high; 
bit 
a=0,b=0,c=0,d=0,hi 
gh=0; 
int 
lane_a,lane_b,lane_ 
c,lane_d; 
for 
(check_high=0;chec 
k_high<3;check_hig 
h++) 
{ 
switch 
(density_level) 
{ 
case 0XFC : 
if(a==0) 
{ ar = 0; 
a=1; 
for(lane_a=0;lane_a<9;lane_a++) 
{ 
ag = 1; 
} 
ag = 0;
57 
} 
break; 
case 0XF3 : 
if(b==0) 
{ 
br = 0; 
b=1; 
for(lane_b=0;lane_b<9;lane_b++) 
{ 
bg = 1; 
} 
} 
bg = 0; 
break; 
case 0XCF : 
if(c==0) 
{ 
cr = 0; 
c=1; 
for(lane_c=0;lane_c<9;lane_c++) 
{ 
cg = 1; 
} 
} 
cg = 0; 
break; 
case 0X3F : 
if(d==0) 
{ 
dr = 0; 
d=1; 
for(lane_d=0;lane_d<9;lane_d++)
58 
{ 
dg = 1; 
} } 
dg = 0; 
break; 
} 
P0 = P0&0XFF; 
} 
} } 
/*{ 
while(high==1) 
{ 
int check2; 
for (check2=0;check2<2;check2++) 
{ 
{ 
if(IRaa==0) 
//check 
lane a 
{ 
if(IRab==0) 
{ 
ar = 0; 
ag = 1; 
green_delay(); 
ag = 0; 
} 
else 
{ 
ag = 0;
59 
//ay = 1; 
//yellow_delay(); 
//ay = 0; 
ar = 1; 
}}} 
{ 
if(IRba==0) 
//check lane b 
{ 
if(IRbb==0) 
{ 
br = 0; 
bg = 1; 
} 
else 
{ 
bg = 0; 
//by = 1; 
//yellow_delay(); 
//by = 0; 
br = 1; 
}}} 
{ 
if(IRca==0) 
//check lane c 
{ 
if(IRcb==0) 
{ 
cr = 0;
60 
cg = 1; 
} 
else 
{ 
cg = 0; 
//cy = 1; 
//yellow_delay(); 
//cy = 0; 
cr = 1; 
}}} 
{ 
if(IRda==0) 
//check lane d 
{ 
if(IRdb==0) 
{ 
dr = 0; 
dg = 1; 
} 
else 
{ 
dg = 0; 
//dy = 1; 
//yellow_delay(); 
//dy = 0; 
dr = 1; 
}}}}}} 
}*/ 
/*void green_delay()
61 
{ 
int y; 
for (y=0; y<1000; y++); 
} */
RESULTS 
From the series of experiments we have conducted the following results were obtained: 
 Fuel is saved to about 70% compared to normal timer based traffic control 
 Traffic can be cleared without any irregularities 
 Time can be shared evenly for all intersections 
62 
 Effective time management
CONCLUSION 
To reduce the congestion and unwanted time delay in traffic, an advanced system is required. 
One such advanced technology is automatic signalling using IR sensors. The sensors help in 
Keeping Count of vehicles entering roads and subsequently allot time delay thereby giving 
accurate priority to each road for the time being. With this technique we have entered a 
new era of automatic traffic signal control. 
63
BIBLIOGRAPHY 
[Ben-Akiva et al., 2003] Ben-Akiva, M., Cuneo, D., Hasan, M., Jha, M., and Yang, 
Q. (2003).Evaluation of freeway control using a microscopic simulation 
la b o r a t o r y . Transportation research Part C: emerging technologies, 11-1:29-50. 
[Broucke and Varaiya, 1996] Broucke, M. and Varaiya, P. (1996). A theory of 
traffic flow in automated highway systems. Transportation research Part C: emerging 
technologies, V4:181-210. 
[Choi et al., 2002] Choi, W., Yoon, H., Kim, K., Chung, I., and Lee, S. (2002). A 
traffic light controlling FLC considering the traffic congestion. In Pal, N. and 
Sugeno, M., editors, Advances in Soft Computing - AFSS 2002, International 
Conference on Fuzzy Systems, pages 69-75. 
[Findler and Stapp, 1992] Findler, N. and Stapp, J. (1992). A distributed approach 
to Optimized control of street traffic signals. Journal of Transportation Engineering, 
118-1:99-110. 
[Horowitz and Varaiya, 2000] Horowitz, R. and Varaiya, P. (2000). 
Control design of an automated highway system. In Proc. IEEE, v ol . 88. 
[Jin and Zhang, 2003] Jin, W. L. and Zhang, H. M. (2003). The formation and 
structure of vehicle clusters in the payne-whitham traffic flow model. 
Transportat ion Research Part B: Methodological, 37-3:207-223. 
64
[Levinson, 2003] Levinson, D. (2003). The value of advanced traveler information 
systems for route choice. Transportation Research Part C: Emerging Technologies, 
11-1:75-87. 
[Lighthill and Whitham, 1955] Lighthill, M. J. and Whitham, G. B. (1955). On 
kinematic waves: Ii. a theory of traffic flow on long crowded roads. Proceeding of 
the Royal Society A, 229:317-345. 
65
APPENDIX-A 
QUESTIONNAIRES PREPARED FOR THE SURVEY 
RESPONSE SHEET 
Name: ________________________ date: ___________________ 
66 
Age: ___________________________ 
Place ___________________________ 
Profession: ____________________ 
1.) Do you think traffic light controller is necessary? (Yes /no) ________________ 
2.) Have you suffered from traffic congestion?(Yes/no) ___________________ 
3.) Do you think that you are wasting your time and fuel while waiting in a signal? (Yes/no) ______ 
4.) Is there any need to change the current timer based traffic Light controller? (Yes/no) ______ 
5.) If so what is the trouble you feel? 
_________________________________________________________________________ 
_________________________________________________________________________
67
68
APPENDIX-B 
PHOTO COPY OF THE MODEL 
69
70

Density based traffic light control

  • 1.
    CHAPTER 1 INTRODUCTION 1.1 OBJECTIVE OF THE PROJECT Our project aims at reducing traffic congestion and unwanted long time delay during the traffic light switch overs especially when the traffic is very low. It is designed to be implemented in places nearing the junctions where the traffic signals are placed, in order to reduce the congestion in these junctions. It keeps a track of the vehicles in each road and accordingly adjusts the time for each traffic light signals. The higher the number of vehicles on the road the longer will be the time delay allotted for that corresponding traffic light signal. 1 1.2 OVERVIEW The overview of this project is to implement Density based traffic control system using IR technology and 89C51 microcontroller. 89C51 has very efficient architecture which can be used for low end security systems and IR is widely adapted technology for communicat ion. 1.3 PURPOSE Purpose of the current work is to study and analyse the counting and controlling system by using 89C51 controller. 1.4 SCOPE Current work focuses on how to use effectively IR and 89C51 controllers for digital security systems.
  • 2.
    2 1.5 PROBLEMFORMULATION The problem with the traffic system is that for every minute the vehicles at the 4-way road will be heavy and the traffic lights shall be changed to each side for some fixed time. Even though there are no vehicles at particular side, the traffic signals will glow for given fixed time. Due to that there is time waste process. Due to this other side vehicles have to wait for the time to complete the process. So to reduce the wastage of time, we can implement the system that controls the traffic based on the heavy flow of vehicles at any particular side. With this system, we shall count the number of vehicles at each side at the junction and give the path to the particular side which has heavy flow of vehicles and keep remaining stop position. So that for this to count the number of vehicles at side of the junction, we shall use IR technology 1.6 DESCRIPTION OF PROJECT 1.6.1 Existing System Nowadays traffic lights are set on in the different directions with fixed time delay, following a particular cycle while switching from one signal to other. This creates unwanted congestion during peak hours. This is a time consuming system. 1.6.2 Proposed System Our project density based traffic light control is an automated way of controlling signals in accordance to the density of traffic in the roads. IR sensors are placed in the entire intersecting road at fixed distances from the signal placed in the junction. The time delay in the traffic signal is set based on the density of vehicles on the roads. The IR sensors are used to sense the number of vehicles on the road. According to the IR count, microcontroller takes appropriate decisions as to which road is to be given the highest priority and the longest time delay for the corresponding traffic light.
  • 3.
    3 1.7 PROCESSDESCRIPTION As per our process diagram, initially the signals are started by giving the power supply. The first step is to make sure that the signals are all in ON condition. During this all the traffic signals will blink in yellow light. This indicates that they are all in the working condition. The next step is to check for the density of traffic in these roads. By density what we are trying to mean in that the number of vehicles available in a particular at a certain period of time. The density is calculated over here by means of using an IR circuit. Depending on the number of vehicles that cut the light travelling from the receiver to transmitter of the IR circuit the count of the vehicles is registered in the microcontroller. This is followed by the next step in which the microcontroller decides as to which road should be given the highest priority. This is based on the density of traffic on each road and also it depends on the speed at which an IR circuit registers the count. The very next step is to assign time delays for each road. The time delays have already been set for certain specific counts in the microcontroller. As soon as the microcontroller receives the counts from the IR circuit it will immediately detect the density of each road and accordingly allot the time delays for which each signal will show the green light. The higher the traffic density, the longer will be the time delay allotted. In the final step, the microcontroller makes sure that the lowest density road is also opened and that the delay of the green light for that particular signal also comes to an end. Once all the roads are opened in a sequence, then the microcontroller again goes back to the second step where it checks for the density of traffic in each road. The whole process is repeated like a cycle. The main point that is to be noted regarding this process is that, whenever a particular road has no traffic, correspondingly, the yellow light in the traffic signal will glow.
  • 4.
  • 5.
    5 1.8 PARAMETERSCONSIDERED Density of roads Density of roads is classified as:  Low  Medium  High Priority of roads  If two or more roads of equal high priority any one road is opened.  If all roads are having no traffic, yellow signal appears.  No road is allowed to be closed continuously for more than maximum duration  Without considering the density. Delay of roads The delay of each road is chosen according to the density  Low-20seconds  Medium-30seconds  High-60seconds
  • 6.
    6 1.9 BLOCKDIAGRAM FIGURE 1.2: BLOCK DIAGRAM
  • 7.
    CHAPTER-2 SURVEY REPORT 7 2.1 SUFFERINGS 97% 120 100 80 60 40 20 FIGURE 2.1: SUFFERED FROM TRAFFIC CONGESTION VS NOT SUFFERED FROM TRAFFIC CONGESTION 3% 0 suffered traffic congestion not suffered Series 1
  • 8.
    8 2.2 TROUBLEVS SATISFACTION 94% 6% problem with the current system satisfied with the current system FIGURE 2.2: TROUBLE VS SATISFACTION WITH THE CURRENT SYSTEM
  • 9.
    9 2.3 PUBLIC’SOPINION FIGURE 2.3: WASTING FUEL VS WASTING TIME 80 70 60 50 40 30 20 10 0 wasting time wasting fuel 79% 21% publics opinion
  • 10.
    CHAPTER-3 LITERATURE SURVEY 10 3.1 EMBEDDED SYSTEMS An embedded system is a special-purpose computer system designed to perform one or a few dedicated functions, often with real-time computing constraints. It is usually embedded as part of a complete device including hardware and mechanical parts. In contrast, a general-purpose computer, such as a personal computer, can do many different tasks depending on programming. Embedded systems control many of the common devices in use today. Since the embedded system is dedicated to specific tasks, design engineers can optimize it, reducing the size and cost of the product, or increasing the reliability and performance. Some embedded systems are mass-produced, benefiting from economics of scale. Physically, embedded systems range from portable devices such as digital watches and mp4 players, to large stationary installations like traffic lights, factory controllers, or the systems controlling nuclear power stations. Complexity varies from low, with a single microcontroller chip, to very high with multiple units, peripherals and networks mounted inside a large chassis or enclosure. In general, "embedded system" is not an exactly defined term, as many systems have some element of programmability. For example, handheld computers share some elements with embedded systems such as the operating systems and microprocessors which power them but are not truly embedded systems, because they allow different applications to be loaded and peripherals to be connected.
  • 11.
    11 3.2 CHARACTERISTICS 1. Embedded systems are designed to do some specific task, rather than be a general-purpose computer for multiple tasks. Some also have real-time performance constraints that must be met, for reasons such as safety and usability; others may have low or no performance requirements, allowing the system hardware to be simplified to reduce costs. 2. Embedded systems are not always standalone devices. Many embedded systems consist of small, computerized parts within a larger device that serves a more general purpose. For example, the features an embedded system for tuning the strings, but the overall purpose of the Robot Guitar is, of course, to play music. Similarly, an embedded system in automobiles provides a specific function as a subsystem of the car itself. 3. The program instructions written for embedded systems are referred to as firmware, and are stored in read-only memory or flash memory chips. They run with limited computer hardware resources: little memory, small or non-existent keyboard and/or screen. FIGURE 3.1 A TYPICAL EMBEDDED SYSTEM BLOCK DIAGRAM
  • 12.
    12 3.3 MICROCONTROLLER Microcontroller is a general purpose device, which integrates a number of the components of a microprocessor system on to a single chip. It has inbuilt CPU, memory and peripherals to make it as a mini computer. A microcontroller combines on to the same microchip:  The CPU core  Memory (both ROM and RAM)  Some parallel digital i/o Microcontrollers will combine other devices such as:  A timer module to allow the microcontroller to perform tasks certain time periods.  A serial I/O port to allow data to flow between the controller and other devices such as a PIC or another microcontroller.  An ADC to allow the microcontroller to accept analog input data processing. Microcontrollers are:  Smaller in size  Consume less power  Inexpensive Microcontroller is a standalone unit, which can perform functions on its own without any requirement for additional hardware like I/O ports and external memory. The heart of the microcontroller is the CPU core. In the past, this has traditionally been based on an 8-bit microprocessor unit. For example, Motorola uses a basic 6800 microprocessor core in their 6805/6808 microcontroller devices. In the recent years microcontrollers have been developed around specifically designed CPU cores, for example the microchip PIC range of microcontrollers. The micro controller, nowadays, is an indispensable device for electrical/electronic engineers and also for technicians in the area, because of its versatility and its enormous application. .Born of parallel developments in computer architecture and integrated circuit fabricat ion, the microprocessor or computer on chip first becomes a commercial realit y in 1971.
  • 13.
    With the introductionof the 4 bit 4004 by a small, unknown company by the name of Intel Corporation. Other, well established, semiconductor firms soon followed Intel's pioneering technology so that by the late 1970's we could choose from a half dozen or so micro processor type. The 1970s also saw the growth of the number of personal computer users from a Handful of hobbyists and hackers to millions of business, industrial, governmental, defense, and educational and private users now enjoying the advantages of inexpensive computing. A bye product of microprocessor development was the micro controller. The same fabrication techniques and programming concepts that make possible general-purpose microprocessor also yielded the micro controller. Among the applications of a micro controller we can mention industrial automation, mobile telephones, radios, microwave ovens and VCRs. Besides, the present trend in digital electronics is toward restricting to micro controllers and chips that concentrate a great quantity of logical circuits, like PLDs (Programmable Logic Devices) and GALs (Gate Array Logic). In dedicated systems, the micro controller is the best solution, because it is cheap and easy to manage. 13 3.4 COMMUNICATION Communication refers to the sending, receiving and processing of information by electric means. As such, it started with wire telegraphy in the early 80's, developing with telephony and radio some decades later. Radio communication became the most widely used and refined through the invention of and use of transistor, integrated circuit, and other semi-conductor devices. Most recently, the use of satellites and fiber optics has made communication even more wide spread, with an increasing emphasis on computer and other data communications. A modern communications system is first concerned with the sorting, processing and storing of information before its transmission. The actual transmission then follows, with further processing and the filtering of noise. Finally we have reception, which may include processing steps such as decoding, storage and interpretation. In this context, forms of communications include radio, telephony and telegraphy, broadcast, point to point and mobile communications (commercial and military), computer communications, radar, radio telemetry and radio aids to navigation. It is also important to consider the human factors influencing a particular system,
  • 14.
    Since they canalways affect its design, planning and use. Wireless communication has become an important feature for commercial products and a popular research topic within the last ten years. There are now more mobile phone subscriptions than wired-line subscriptions. Lately, one area of commercial interest has been low-cost, low-power, and short-distance wireless communication used for personal wireless networks." Technology advancements are providing smaller and more cost effective devices for integrating computational processing, wireless communication, and a host of other functionalities. These embedded communications devices will be integrated into applications ranging from homeland security to industry automation and monitoring. They will also enable custom tailored engineering solutions, creating a revolutionary way of disseminating and processing information. With new technologies and devices come new business activities, and the need for employees in these technological areas. Engineers who have knowledge of embedded systems and wireless communications will be in high demand. Unfortunately, there are few adorable environments available for development and classroom use, so students often do not learn about these technologies during hands-on lab exercises. The communication mediums were twisted pair, optical fiber, infrared, and generally wireless radio. 14 3.5 IR REMOTE THEORY IR sensor is the combination of IR LED with Photo Diode. After this combination we are connecting the Darlington Pair Transistor. End of the IR sensor we have to connect a NOT gate for the inverting purpose means low input have corresponding low output. At last this entire connector is connected to any one external interrupt to generating the interruption of the main program. Infra-Red actually is normal light with a particular colour. We humans can't see this colour because its wave length of 950nm is below the visible spectrum. That's one of the reasons why IR is chosen for remote control purposes, we want to use it but we're not interested in seeing it. Another reason is because IR LEDs are quite easy to make, and therefore can be very cheap.IR LED wave length range 1.6m to 7.4m. Materials used for IR LED are InSB, Ge,Si, GaAs, CdSe . This IR is not in visible range for observation purpose.
  • 15.
    CHAPTER-4 SYSTEM SPECIFICATION 15 4.1 89C51 MICROCONTROLLER 4.1.1 Features  Compatible with MCS 51™ Products  4K Bytes of In System Reprogrammable Flash Memory  Endurance: 1,000 Write/Erase Cycles  Fully Static Operation: 0 Hz to 24 MHz  Three level Program Memory Lock  128 x 8·bit Internal RAM  32 Programmable I/O Lines  Two 16·bit Timer/Counters  Six Interrupt Sources  Programmable Serial Channel  Low power Idle and Power down Modes 4.1.2 Description The AT89C51 is a low-power, high-performance CMOS 8-bit microcomputer with 4K bytes of Flash programmable and erasable read only memory (PEROM). The device is manufactured using Atmel's high-density non-volatile memory technology and is compatible with the industry-standard MCS-51 instruction set and pinout. The on-chip Flash allows the program memory to be reprogrammed in-system or by a conventional non-volatile memory programmer. By combining a versatile 8-bit CPU with Flash on a monolithic chip, the Atmel AT89C51 is a powerful microcomputer which provides a highly-flexible and cost-effective solution to many embedded control applications.
  • 16.
    16 4.1.3 Architecture FIGURE4.1 ARCHITECTURE OF 89C51 MICROCONTROLLER
  • 17.
    17 4.1.4 Pinconfigurations FIGURE 4.2: PIN CONFIGURATION
  • 18.
    18 4.1.5 Pindescriptions VCC Pin 40 provides +5v input supply voltage PORT 0 Port 0 is an 8-bit open drain bidirectional I/O port. As an output port, each pin can sink eight TTL inputs. When 1s are written to port 0 pins, the pins can be used as high impedance inputs. Port 0 can also be configured to be the multiplexed low order address/data bus during accesses to external program and data memory. In this mode, P0 has internal pull ups. Port 0 also receives the code bytes during Flash programming and outputs the code bytes during program verification. External pull ups are required during program verification. PORT 1 Port 1 is an 8-bit bidirectional I/O port with internal pull ups. The Port 1 output buffers can sink/source four TTL inputs. When 1s are written to Port 1 pins, they are pulled high by the internal pull ups and can be used as inputs. As inputs, Port 1 pins that are externally being pulled low will source current (IIL) because of the internal pull ups. In addition, P1.0 and P1.1 can be configured to be the timer/counter 2 external count input (P1.0/T2) and the timer/counter 2 trigger input (P1.1/T2EX).Port 1 also receives the low-order address bytes during Flash programming and verification PORT 2 Port 2 is an 8-bit bidirectional I/O port with internal pull ups. The Port 2 output buffers can sink/source four TTL inputs. When 1s are written to Port 2 pins, they are pulled high by the internal pull- ups and can be used as inputs. As inputs, Port 2 pins that are externally being pulled low will source current (IIL) because of the internal pull-ups.
  • 19.
    Port 2 emitsthe high-order address byte during fetches from external program memory and during accesses to external data memory that uses 16-bit addresses (MOVX @ DPTR). In this application, Port 2 uses strong internal pull-ups when emitting 1s. During accesses to external data memory that uses 8-bit addresses (MOVX @ RI), Port 2 emits the contents of the P2 Special Function Register. Port 2 also receives the high-order address bits and some control signals during 19 Flash programming and verification. PORT 3 Port 3 is an 8-bit bidirectional I/O port with internal pull-ups. The Port 3 output buffers can sink/source four TTL inputs. When 1s are written to Port 3 pins, they are pulled high by the internal pull- ups and can be used as inputs. As inputs, Port 3 pins that are externally being pulled low will source current (IIL) because of the pull-ups. Port 3 also serves the functions of various special features of the AT89S52, as shown in the following table. TABLE 4.1: PORT 3 FUNCTIONS Port Pin Alternate Functions P3.0 RXD (serial input port) P3.1 TXD (serial output port) P3.2 INT0 (external interrupt 0) P3.3 INT1 (external interrupt 1) P3.4 T0 (timer 0 external input) P3.5 T1 (timer 1 external input) P3.6 WR (external data memory write P3.7 sRtrDo b(ee)x ternal data memory read strobe) Port 3 also receives some control signals for Flash programming and verification. RST Reset input. A high on this pin for two machine cycles while the oscillator is running resets the device. This pin drives High for 96 oscillator periods after the Watchdog times out. The DISRTO bit in SFR AUXR (address 8EH) can be used to disable this feature. In the default state of bit DISRTO, the RESET HIGH out feature is enabled
  • 20.
    20 ALE/PROG AddressLatch Enable (ALE) is an output pulse for latching the low byte of the address during accesses to external memory. This pin is also the program pulse input (PROG) during flash programming. In normal operation, ALE is emitted at a constant rate of 1/6 the oscillator frequency and may be used for external timing or clocking purposes. Note, however, that one ALE pulse is skipped during each access to external data memory. . PSEN Program Store Enable (PSEN) is the read strobe to external program memory. When the AT89S52 is executing code from external program memory, PSEN is activated twice each machine cycle, except that two PSEN activations are skipped during each access to external data memory. EA/VPP External access enables. EA must be strapped to GND in order to enable the device to fetch code from external program memory locations starting at OOOOH up to FFFFH. Note, however, that if lock bit 1 is programmed, EA will be internally latched on reset. EA should be strapped to VCC for internal program executions. This pin also receives the 12-volt programming enable voltage (VPP) during Flash programming. XTALl Input to the inverting oscillator amplifier XTAL2 Output from the inverting oscillator amplifier 4.1.6 Oscillator Characteristics XTAL1 and XTAL2 are the input and output, respectively, of an inverting amplifier which can be configured for use as an on-chip oscillator, as shown in Figure 4.3. Either a quartz crystal or ceramic resonator may be used. To drive the device from an external clock source, XTAL2 should be left unconnected while XTAL1 is driven as shown in Figure 4.4.
  • 21.
    There are norequirements on the duty cycle of the external clock signal, since the input to the internal clocking circuitry is through a divide by two flip-flops, but minimum and maximum voltage high and low time specificatio ns must be observed. C2 C1 XTAL1 XTAL1 GND FIGURE 4. 3: OSCILLATOR CONNECTIONS 21 4.1.7 Power memory lock bits NC FIGURE 4. 4: EXTERNAL CLOCK DRIVE CONFIGURATION On the chip are three lock bits which can be left unprogrammed (U) or can be programmed (P) to obtain the additional features listed in the table below. When lock bit is programmed, the logic level at the EA pin is sampled and latched during reset. If the device is powered up without a reset, the latch initializes to a random value, and holds the value until reset is activated. It is necessary that the latched value of EA be in agreement wi the current logic level at that pin in order for the device to function properly. TABLE 4.2: PROGRAM LOCK BITS AND ITS PROTECTION Program Lock Bits Protection Type LB 1 LB 2 LB 3 1 U u u No program lock features 2 P u u MOV instructions executed from external program memory are disabled from fetching code bytes from internal memory, EA is sampled and latched on reset, and further programming of the Flash is disabled 3 P p u Same as mode 2, also verify is disabled 4 P p p Same as mode 3, also external execution is disabled
  • 22.
    22 4.2 MODES 4.2.1 Idle Mode In idle mode, the CPU puts itself to sleep while all the on- chip peripherals remain active. The mode is invoked by software. The content of the on-chip RAM and all the special functions registers remain unchanged during this mode. The idle mode can be terminated by any enabled interrupt or by a hardware reset. It should be noted that when idle is terminated by a hard ware reset, the device normally resumes program execution, from where it left off, up to two machine cycles before the internal reset algorithm takes control. On-chip hardware inhibits access to internal RAM in this event, but access to the port pins is not inhibited. To eliminate the possibility of an unexpected write to a port pin when Idle is terminated by reset, the instruction following the one that invokes Idle should not be one that writes to a port pin or to external memory. 4.2.2 Power-down Mode In the power-down mode, the oscillator is stopped, and the instruction that invokes power-down is the last instruction executed. The on-chip RAM and Special Function Registers retain their values until the power-down mode is terminated. The only exit from power-down is a hardware reset. Reset redefines the SFRs but does not change the on-chip RAM. The reset should not be activated before VCC is restored to its normal operating level and must be held active long enough to allow the oscillator to restart and stabilize. TABLE 4.3: Status of External Pins during Idle and Power-down Modes Mode Program Memory ALE PSEN PORTO PORT1 PORT2 PORT3 Idle Internal 1 1 Data Data Data Data Idle External 1 1 Float Data Address Data Power-down Internal 0 0 Data Data Data Data Power-down External 0 0 Float Data Data Data
  • 23.
    23 4.3 PROGRAMMINGTHE FLASH The AT89C51 is normally shipped with the on-chip Flash memory array in the erased state (that is, contents = FFH) and ready to be programmed. The programming interface accepts either a high-voltage (12-volt) or a low-voltage (VCC) program enable signal. The low-voltage programming mode provides a convenient way to program the AT89C51 inside the user's system, while the high-voltage programming mode is compatible with conventional third-party Flash or EPROM programmers. The AT89C51 is shipped with either the high-voltage or low-voltage programming mode enabled. The respective top-side marking and device signature codes are listed in the following table. TABLE 4.4: DEVICE SIGNATURE CODES VPP = 12V VPP = 5V Top-side Mark AT89C51 xxxx yyww AT89C51 xxxx-5 yyww Signature (030H) = 1EH (031H) = 51H (032H) = FFH (030H) = 1EH (031H) = 51H (032H) = 05H
  • 24.
    24 4.4 UART Serial data communication uses two methods, asynchronous and synchronous. The synchronous method transfers a block of data (characters) at a time, while the asynchronous method transfers a single byte at a time. It is possible to write software to use either of these methods, but programs can be tedious and long. For this reason, there are special IC chips made by the manufacturers for the serial data communications. These chips are commonly referred to as UART (universal asynchronous receiver- transmitter) and USART (universal synchronous receiver-transmitter).
  • 25.
    CHAPTER-5 PERIPHERAL DEVICES 25 5.1 INFRARED LED IR sensor is the combination of IR LED with PHOTO DIODE. After this combination we are connecting the DARLINGTON PAIR TRANSISTOR. End of the IR sensor we have to connect a NOT gate for the inverting purpose means low input have corresponding low output Infra-Red actually is normal light with a particular colour. We humans can't see this colour because its wave length of 950nm is below the visible spectrum. That's one of the reasons why IR is chosen for remote control purposes, we want to use it but we're not interested in seeing it. Another reason is because IR LEDs are quite easy to make, and therefore can be very cheap. Although we humans can't see the Infra-Red light emitted from a remote control doesn't mean we can't make it visible. A video camera or digital photo camera can "see" the Infra-Red light as you can see in this picture. If you own a web cam, point your remote to it, press any button and you‘ll see the LED flicker. They do dozens of different jobs and are found in all kind of devices. Among other things they form the numbers on digital clocks, transmit information from remote controls, light up watches and tell you when your appliances are turned on. Collected together, they can from images on a jumbo television screen or illuminate a traffic light. FIGURE: 5.1 IR LED USED IN REMOTE CONTROL
  • 26.
    26 5.1.1 Darlingtonpair An emitter follower offers high impedance of 500Kohms. For applications requiring still higher input impedance, we may use what is called Darlington in place of conventional transistor. This Darlington pair basically consists of two transistors cascaded in cc configuration. In the figure shown below the input impedance of the second transistor constitutes the load impedance of the first. We thus conclude that in comparison with a conventional single transistor emitter follower has in higher current gain, higher input impedance and almost the same voltage gain lower out put impedances. FIGURE: 5.2 Darlington Pair 5.2 MODULATION Modulation is the answer to make our signal stand out above the noise. With modulation we make the IR light source blink in a particular frequency. The IR receiver will be tuned to that frequency, so it can ignore everything else. You can think of this blinking as attracting the receiver's attention. We humans also notice the blinking of yellow lights at construction sites instantly, even in bright daylight.
  • 27.
    In the pictureabove you can see a modulated signal driving the IR LED of the transmitter on the left side. The detected signal is coming out of the receiver at the other side. FIGURE 5.3: modulated signal driving LED In serial communication we usually speak of 'marks' and 'spaces'. The 'space' is the default signal, which is the off state in the transmitter case. No light is emitted during the 'space' state. During the 'mark' state of the signal the IR light is pulsed on and off at a particular frequency. Frequencies between 30 kHz and 60 kHz are commonly used in consumer electronics. At the receiver side a 'space' is represented by a high level of the receiver's output. A 'mark' is then automatically represented by a low level. Please note that the 'marks' and 'spaces' are not the I-s and 0-s we want to transmit. The real relationship between the 'marks' and 'spaces' and the I-s and 0-s depends on the protocol that's being used. More information about that can be found on the pages that describe the protocols. 27 5.3 TRANSMITTER In the picture below we can see a modulated signal driving the IR LED of the transmitter on the left side. The detected signal is coming out of the receiver at the other side. FIGURE 5.4: IR TRANSMITTER
  • 28.
    The transmitter usuallyis a battery powered handset. It should consume as little power as possible, and the IR signal should also be as strong as possible to achieve an acceptable control distance. Preferably it should be shock proof as well. Many chips are designed to be used as IR transmitters. The older chips were dedicated to only one of the many protocols that were invented. Nowadays very low power microcontrollers are used in IR transmitters for the simple reason that they are more flexible in their use. When no button is pressed they are in a very low power sleep mode, in which hardly any current is consumed. The processor when wakes up to transmit the appropriate IR command only a key is pressed. FIGURE 5.5: TRANSISTOR CIRCUIT USED TO DRIVE IR LED Quartz crystals are seldom used in such handsets. They are very fragile and tend to break easily when the handset is dropped. Ceramic resonators are much more suitable here, because they can withstand larger physical shocks. The fact that they are a little less accurate is not important. The current through the LED (or LEDs) can vary from 100mA to well over IA! In order to get an acceptable control distance the LED currents have to be as high as possible. A trade-off should be made between LED parameters, battery lifetime and maximum control distance. LED currents can be that high because the pulses driving the LEDs are very short. Average power dissipation of the LED should not exceed the maximum value though. You should also see to it that the maximum peek current for the LED is not exceeded. All these parameters can be found in the LED's data sheet. 28
  • 29.
    A simple transistorcircuit can be used to drive the LED. A transistor with a suitable hfe and switching speed should be selected for this purpose. The resistor values can simply be calculated using Ohm’s law. Remember that the nominal voltage drop over an IR LED is approximately 1.1V. The normal driver, described above, has one disadvantage. As the battery voltage drops, the current through the LED will decrease as well. This will result in a shorter control distance that can be covered. An emitter follower circuit can avoid this. The 2 diodes in series will limit the pulses on the base of the transistor to 1.2V. The base-emitter voltage of the transistor subtracts O.6V from that, resulting in constant amplitude of O.6V at the emitter. This constant amplitude across a constant resistor results in current pulses of a constant magnitude. Calculating the current through the LED is simply applying ohm' law. 29 5.4 PHOTODIODES Unfortunately for us there are many more sources of Infrared light. The sun is the brightest source of all, but there are many others, like: light bulbs, candles, central heating system, and even our body radiate Infrared light. In fact everything that radiates heat, also radiates Infrared light. Therefore we have to take some precautions to guarantee that our IR message gets across to the receiver without errors. UV enhanced photodiodes are optimized for the UV and blue spectral regions, Photodiodes are a two- electrode, radiation-sensitive junction formed in a semiconductor material in which the reverse current varies with illumination. Photodiodes are used for the detection of optical power and for the conversion of optical power to electrical power. Photodiodes can be PN, PIN, or avalanche. PN photodiodes feature a two-electrode, radiation-sensitive PN junction formed in a semiconductor material in which the reverse current varies with illumination. PIN photodiodes are diodes with a large intrinsic region sandwiched between P-doped and N-doped semiconducting regions. Photons absorbed in this region create electron-hole pairs that are then separated by an electric field, thus generating an electric current in a load circuit.
  • 30.
    30 5.5 SEVENSEGMENT DISPLAY FIGURE 5.6: SEVEN SEGMENT DISPLAY A seven-segment display (SSD), or seven-segment indicator, is a form of electronic display device for displaying decimal numerals that is an alternative to the more complex dot-matrix displays. Seven-segment displays are widely used in digital clocks, electronic meters, and other electronic devices for displaying numerical information. 5.5.1 CONCEPT AND VISUAL STRUCTURE FIGURE 5.7: THE SEGMENTS OF A SEVEN-SEGMENT DISPLAY The seven elements of the display can be lit in different combinations to represent the Arabic numerals. Often the seven segments are arranged in an oblique (slanted) arrangement, which aids readability.
  • 31.
    In most applications,the seven segments are of nearly uniform shape and size (usually elongated hexagons, though trapezoids and rectangles can also be used), though in the case of adding machines, the vertical segments are longer and more oddly shaped at the ends in an effort to further enhance readability. The numerals 0, 1, 6, 7 and 9 may be represented by two or more different glyphs on seven-segment displays. The seven segments are arranged as a rectangle of two vertical segments on each side with one horizontal segment on the top, middle, and bottom. Additionally, the seventh segment bisects the rectangle horizontally. There are also fourteen-segment displays and sixteen-segment displays (for full alphanumeric); however, these have mostly been replaced by dot-matrix displays. The segments of a 7-segment display are referred to by the letters A to G, where the optional DP decimal point (an "eighth segment") is used for the display of non-integer numbers. 31 5.5.2 DISPLAYING LETTERS FIGURE 5.8: LED BASED 7-SEGMENT DISPLAY LED-based 7-segment display which cycles through the common glyphs of the ten decimal numerals and the six hexadecimal" letter digits" (A–F) Hexadecimal digits can be displayed on seven-segment displays. Both uppercase and lowercase letters are used for A–F; this is done to obtain a unique, unambiguous shape for each letter (otherwise, a capital D would look identical to an 0 (or less likely O) and a capital B would look identical to an 8). Similar displays with fourteen or sixteen segments are available allowing less-ambiguous representations of the alphabet. Using a restricted range of letters that look like (upside-down) digits, seven-segment displays are commonly used by school children to form words and phrases using a technique known as "calculator spelling".
  • 32.
    TABLE 5.1: HEXADECIMALENCODINGS Hexadecimal encodings for displaying the digits 0 to 9 Digit gfedcba abcdefg A b c d e f g 0 0×3F 0×7E On on on on on on off 1 0×06 0×30 Off on on off off off off 2 0×5B 0×6D On on off on on off on 3 0×4F 0×79 On on on on off off on 4 0×66 0×33 Off on on off off on on 5 0×6D 0×5B On off on on off on on 6 0×7D 0×5F On off on on on on on 7 0×07 0×70 On on on off off off off 8 0×7F 0×7F On on on on on on on 9 0×6F 0×7B On on on on off on on 32
  • 33.
    TABLE 5.2: HEXADECIMALENCODINGS (A-F) A 0×77 0×77 on on on off on On on B 0×7C 0×1F off off on on on On on C 0×39 0×4E on off off on on On off D 0×5E 0×3D off on on on on off on E 0×79 0×4F on off off on on On on F 0×71 0×47 on off off off on On on 33
  • 34.
    CHAPTER 6 POWERSUPPLY 34 6.1 INTRODUCTION The present chapter introduces the operation of power supply circuits built using filters, rectifiers and then voltage regulators. Starting with an ac voltage, then filtering to a dc voltage is obtained by rectifying the ac voltage, then filtering to a dc level and finally, regulating to obtain a desired fixed dc voltage. The regulation is usually obtained from an IC voltage regulator unit, which takes a dc voltage and provides a somewhat lower dc voltage, which remains the same even if the input dc varies, or the output load connected to the dc voltage changes. FIGURE 6.1: COMPONENTS OF LINEAR POWER SUPPLY
  • 35.
    35 6.2 TRANSFORMER: A transformer is an electrical device which is used to convert electrical power from one Electrical circuit to another without change in frequency. Transformers convert AC electricity from one voltage to another with little loss of power. Transformers work only with AC and this is one of the reasons why mains electricity is AC. Step-up transformers increase in output voltage, step-down transformers decrease in output voltage. Most power supplies use a step-down transformer to reduce the dangerously high mains voltage to a safer low voltage. The input coil is called the primary and the output coil is called the secondary. There is no electrical connection between the two coils; instead they are linked by an alternating magnetic field created in the soft-iron core of the transformer. The two lines in the middle of the circuit symbol represent the core. Transformers waste very little power so the power out is (almost) equal to the power in. Note that as voltage is stepped down current is stepped up. FIGURE 6.2: AN ELECTRICAL TRANSFORMER The ratio of the number of turns on each coil, called the turn's ratio, determines the ratio of the voltages. A step-down transformer has a large number of turns on its primary (input) coil which is connected to the high voltage mains supply, and a small number of turns on its secondary (output) coil to give a low output voltage.
  • 36.
    36 Turns ratio= Vp/VS = Np/NS Power Out= Power In VS * IS=VP * IP Vp = primary (input) voltage Np = number of turns on primary coil Ip = primary (input) current 6.3 RECTIFIER A circuit which is used to convert ac to dc is known as RECTIFIER. The process of conversion ac to dc is called "rectification" 6.3.1 Types of rectifiers • Half wave Rectifier • Full wave Rectifier 1. Centre tap full wave rectifier. 2. Bridge type full bridge rectifier. Full-wave Rectifier: From the above comparison we came to know that full wave bridge rectifier as more advantages than the other two rectifiers. So, in our project we are using full wave bridge rectifier circuit.
  • 37.
    TABLE 6.1: COMPARISONOF RECTIFIER CIRCUITS 37 Parameter Type of Rectifier Half wave Full wave Bridge Number of diodes 1 2 4 PIV of diodes Vm 2Vm Vm D.C output voltage Vm/z 2Vm/ 2Vm/ Vdc at no-load 0.318Vm 0.636Vm 0.636Vm Ripple factor 1.21 0.482 0.482 Ripple frequency F 2f 2f Rectification efficiency 0.406 0.812 0.812 Transformer Utilization Factor{TUF) 0.287 0.693 0.812 RMS voltage Vrms Vm/2 Vm/V2 Vm/V2
  • 38.
    38 Bridge Rectifier: A bridge rectifier makes use of four diodes in a bridge arrangement to achieve full-wave rectification. This is a widely used configuration, both with individual diodes wired as shown and with single component bridges where the diode bridge is wired internally. A bridge rectifier makes use of four diodes in a bridge arrangement as shown in fig (6.3) to achieve full-wave rectification. This is a widely used configuration, both with individual diodes wired as shown and with single component bridges where the diode bridge is wired internally. FIGURE 6.3: BRIDGE RECTIFIER 6.3.1 Operation During positive half cycle of secondary, the diodes D2 and D3 are in forward biased while D1 and D4 are in reverse biased as shown in the fig(b). The current flow direction is shown in the fig (6.4) with dotted arrows.
  • 39.
    FIGURE 6.4: POSITIVEHALF CYCLE During negative half cycle of secondary voltage, the diodes D1 and D4 are in forward biased while D2 and D3 are in reverse biased as shown in the fig(c). The current flow direction is shown in the fig (c) with dotted arrows. FIGURE 6.5: NEGATIVE HALF CYCLE 39 6.4 FILTER A Filter is a device which removes the ac component of rectifier output but allows the dc component to reach the load.
  • 40.
    40 6.4.1 CapacitorFilter We have seen that the ripple content in the rectified output of half wave rectifier is 121% or that of full-wave or bridge rectifier or bridge rectifier is 48% such high percentages of ripples is not acceptable for most of the applications. Ripples can be removed by one of the following methods of filtering. (a) A capacitor, in parallel to the load, provides an easier by -pass for the ripples voltage though it due to low impedance. At ripple frequency and leave the D.C. to appear at the load. (b) An inductor, in series with the load, prevents the passage of the ripple current (due to high impedance at ripple frequency) while allowing the dc (due to low resistance to dc). (c) Various combinations of capacitor and inductor, such as L-section filter section filter, multiple section filter etc. which make use of both the properties mentioned in (a) and (b) above. Two cases of capacitor filter, one applied on half wave rectifier and another with full wave rectifier. Filtering is performed by a large value electrolytic capacitor connected across the DC supply to act as a reservoir, supplying current to the output when the varying DC voltage from the rectifier is falling. The capacitor charges quickly near the peak of the varying DC, and then discharges as it supplies current to the output. Filtering significantly increases the average DC voltage to almost the peak value (1.4 x RMS value). To calculate the value of capacitor(C), C = NOP3OfOrORl Where, f =supply frequency, r = ripple factor, Rl = load resistance Note: In our circuit we are using 1000QF hence large value of capacitor is placed to reduce ripples and to improve the DC component.
  • 41.
    41 6.5 REGULATOR Voltage regulator ICs is available with fixed (typically 5, 12 and 15V) or variable output voltages. The maximum current they can pass also rates them. Negative voltage regulators are available, mainly for use in dual supplies. Most regulators include some automatic protection from excessive current (‘overload protection’) and overheating (‘thermal protection’). Many of the fixed voltage regulators ICs have 3 leads and look like power transistors, such as the 7805 +5V 1A regulator shown on the right. The LM7805 is simple to use. You simply connect the positive lead of your unregulated DC power supply (anything from 9VDC to 24VDC) to the Input pin, connect the negative lead to the Common pin and then when you turn on the power, you get a 5 volt supply from the output pin. FIGURE 6.6: A THREE TERMINAL VOLTAGE REGULATOR 78XX The Bay Linear LM78XX is integrated linear positive regulator with three terminals. The LM78XX offer several fixed output voltages making them useful in wide range of applications. When used as a zener diode/resistor combination replacement, the LM78XX usually results in an effective output impedance improvement of two orders of magnitude, lower quiescent current. The LM78XX is available in the TO-252, TO-220 & TO-263packages,
  • 42.
    42 6.5.1 Features:  Output Current of 1.54  Output voltage Tolerance of 5%  Internal thermal overload protection  Internal Short-Circuit Limited  Output Voltage 0V,6V,8V,9V,10V,12V,15V,18V,24V
  • 43.
    CHAPTER-7 SYTEM DESIGN Designing of this system is possible when you select the specific controller to suite. For this we selected 89C51 controller. With the help of 89C51 controller traffic control system can be implemented successfully with the help IR technology. To the controller we connected IR transmitter and receiver circuit. Instead of IR transmitter and receiver we can go with photo diode and photo transmitters also. Here we are using four IR pairs for each side. Whenever vehicles reach the junction on each side, then IR detects the vehicle by sending signal to controller and the controller will counts the count of vehicles. And calculate the maximum count from them and give the path to side which has maximum count by glowing green LED and other LED and other three sides red LED shall be glow. FIGURE 7.1: OVERALL BLOCK DIAGRAM 43
  • 44.
    44 7.1 HARDWAREDESIGN 7.1.1 SCHEMATIC DIAGRAM FIGURE 7.2:SCHEMATIC DIAGRAM
  • 45.
    45 7.1.2 Schematicdescription The main aim of this power supply is to convert the 230V AC into 5V DC in order to give supply for the TTL. This schematic explanation includes the detailed pin connections of every device with the microcontroller. This schematic explanation includes the detailed pin connections of every device with the microcontroller. Let us see the pin connections of each and every device with the microcontroller in detail. Power Supply In this process we are using a step down transformer, a bridge rectifier, a smoothing circuit and the RPS. At the primary of the transformer we are giving the 230V AC supply. The secondary is connected to the opposite terminals of the Bridge rectifier as the input. From other set of opposite terminals we are taking the output to the rectifier. The bridge rectifier converts the AC coming from the secondary of the Transformer into pulsating DC. The output of this rectifier is further given to the smoother circuit which is capacitor in our project. The smoothing circuit eliminates the ripples from the pulsating DC and gives the pure DC to the RPS to get a constant output DC voltage. The RPS regulates the voltage as per our requirement. Microcontroller The microcontroller AT89S52 with Pull up resistors at Port0 and crystal oscillator of 11.0592MHz crystal in conjunction with couple of capacitors of is placed at 18th & 19th pins of 89S51 to make it work (execute) properly.
  • 46.
    46 IR Module: The IR transmitter and receiver are input and output devices. This is connected to the port P2 of the Microcontroller. LEDs: Here the LEDs are connected to one of microcontroller port by using resistor. 7.2 SOFTWARE COMPONENTS 7.2.1. ABOUT SOFTWARE Software used is:  Keil software for C programming  Proteus for schematic design KEIL μVision3 μVision3 is an IDE (Integrated Development Environment) that helps you write, compile, and debug embedded programs. It encapsulates the following components:  Project Manager  Facility  Tool configuration  Editor  A powerful debugger This software is used for execution of microcontroller programs.Keil development tools for the MC architecture support every level of software developer from the professional applications engineer to the student just learning about embedded software development.
  • 47.
    The industry-standard KeilC compilers, macro assemblers, debuggers, real, time Kernels, Single-board computers and emulators support all derivatives and help you to get more projects completed on schedule. The Keil software development tools are designed to solve the complex problems facing embedded software developers.  When starting a new project, simply select the microcontroller you the device database and the μvision IDE sets all compiler, assembler, linker, and memory options for you.  Numerous example programs are included to help you get started with the most 47 popular embedded avr devices.  The Keil μVision debugger accurately simulates on-chip peripherals (PC, CAN, and UART, SPl, interrupts, I/O ports, A/D converter, D /A converter and PWM modules) of your avr device. Simulation helps you understand h/w configurations and avoids time wasted on setup problems. Additionally, with simulation, you can write and test applications before target h/w is available.  When you are ready to begin testing your s/w application with target h/w, use the MONS1, MON390, MONADl, or flash MONS1 target monitors, the lSDS1 in-System  Debugger or the ULlNK USB- RTAG adapter to download and test program code on your target system. PROTEUS Proteus is software for microprocessor simulation, schematic capture, and printed circuit board (PCB) design. It is developed by Labcenter Electronics.
  • 48.
    48 EMBEDDED C: The programming Language used here in this project is an Embedded C Language. This Embedded C Language is different from the generic C language in few things like a) Data types b) Access over the architecture addresses. The Embedded C Programming Language forms the user friendly language with access over Port addresses, SFR Register addresses etc. Signed char:  Used to represent the – or + values  As a result, we have only 7 bits for the magnitude of the signed number, giving us values from -128 to +127. Embedded C data types: TABLE 7.1: DATA TYPES IN EMBEDDED C Data Types Size in Bits Data Range/Usage unsigned char 8-bit 0-255 signed char 8-bit -128 to +127 unsigned int 16-bit 0 to 65535 signed int 16-bit -32,768 to +32,767 Sbit 1-bit SFR bit addressable only Bit 1-bit RAM bit addressable only Sfr 8-bit RAM addresses 80-FFH only
  • 49.
    CHAPTER-8 IMPLEMENTATION Theapplications as discussed in the design are implemented and the source code related to the current work is included the forthcoming chapter. 49 8.1 SOFTWARE 8.1.1 μVision3 μvision3 is an IDE (Integrated Development Environment) that helps you write, compile, and debug embedded programs. It encapsulates the following components:  Project Manager  Facility  Tool configuration  Editor  A powerful debugger To help you get started, several example programs (located in the C51Examples, C251Examples,C166Examples, and ARM...Examples) are provided. ! HELLO is a simple program that prints the string "Hello World" using the Serial Interface.
  • 50.
    50 8.1.2 μVision2 Building an Application in μVision2 To build (compile, assemble, and link) an application in μvisionz, you must: 1. Select Project - (for example, 166EXAMPLESHELLOHELLO.UV2). z. Select Project - Rebuild all target files or Build target. μvisionz compiles, assembles, and links the files in your project. Creating Your Own Application in μVision2 To create a new project in μVision2 you must: 1. Select Project - New Project. 2. Select a directory and enter the name of the project file. 3. Select Project - Select Device and select an 8051, 251, or C16x/ST10 device from the Device Database™. 4. Create source files to add to the project. 5. Select Project - Targets, Groups, Files, Add/Files, select Source Group1, and add the source files to the project. 6. Select Project - Options and set the tool options. Note when you select the target device from the Device Database™ all special options are set automatically. You typically only need to configure the memory map of your target hardware. Default memory model settings are optimal for most applications. 7. Select Project - Rebuild all target files or Build target.
  • 51.
    Debugging an Applicationin μVision2 To debug an application created using uvision2, you must: 51 1. Select Debug - Start/Stop Debug Session. 2. Use the Step toolbar buttons to single-step through your program. You may enter G, main in the Output Window to execute to the main C function. 3. Open the Serial Window using the Serial #1 button on the toolbar. Debug your program using standard options like Step, Go, Break, and so on. Starting μVision2 and creating a Project μVision2 is a standard Windows application and started by clicking on the program icon. To create a new project file select from the uvision2 menu Project - New Project. This opens a standard Windows dialog that asks you for the new project file name. We suggest that you use a separate folder for each project. You can simply use the icon Create New Folder in this dialog to get a new empty folder. Then select this folder and enter the file name for the new project, i.e. Project1. μVision2 creates a new project file with the name PROJECT1.Uv2 which contains a default target and file group name. You can see these names in the Project Window - Files. Now use from the menu Project - Select Device for Target and select a CPU for your project. The Select Device dialog box shows the uvisionz device database. Just select the microcontroller you use. We are using for our examples the Philips 80C51RD+ CPU. This selection sets necessary tool options for the 80C51RD+ device and simplifies in this way the tool Configuration
  • 52.
    Building Projects andCreating a HEX Files Typical, the tool settings under Options - Target are all you need to start a new application. You may translate all source files and line the application with a click on the Build Target toolbar icon. When you build an application with syntax errors, uvisionz will display errors and warning messages in the Output Window - Build page. A double click on a message line opens the source file on the correct location in a μvisionz editor window. Once you have successfully generated your application you can start debugging. After you have tested your application, it is required to create an Intel HEX file to download the software into an EPROM programmer or simulator. uvisionz creates HEX files with each build process when Create HEX files under Options for Target - Output is enabled. You may start your PROM programming utility after the make process when you specify the program under the option Run User Program #1. 52 CPU Simulation μvisionz simulates up to 16 Mbytes of memory from which areas can be mapped for read, write, or code execution access. The uvisionz simulator traps and reports illegal memory accesses being done. In addition to memory mapping, the simulator also provides support for the integrated peripherals of the various 8051 derivatives. The on-chip peripherals of the CPU you have selected are configured from the Device Database selection You have made when you create your project target. Refer to page 58 for more Information about selecting a device. You may select and display the on-chip peripheral components using the Debug menu. You can also change the aspects of each peripheral using the controls in the dialog boxes.
  • 53.
    53 Start Debugging You start the debug mode of uvisionz with the Debug - Start/Stop Debug Session command. Depending on the Options for Target - Debug Configuration, uvisionz will load the application program and run the start up code uvisionz saves the editor screen layout and restores the screen layout of the last debug session. If the program execution stops, uvisionz opens an editor window with the source text or shows CPU instructions in the disassembly window. The next executable statement is marked with a yellow arrow. During debugging, most editor features are still available. For example, you can use the find command or correct program errors. Program source text of your application is shown in the same windows. The μvisionz debug mode differs from the edit mode in the following aspects:  The "Debug Menu and Debug Commands" described on page z8 are Available. The additional debug windows are discussed in the following.  The project structure or tool parameters cannot be modified. All build Commands are disabled. Disassembly Window The Disassembly window shows your target program as mixed source and assembly program or just assembly code. A trace history of previously executed instructions may be displayed with Debug - view Trace Records. To enable the trace history, set Debug - Enable/Disable Trace Recording. If you select the Disassembly Window as the active window all program step commands work on CPU instruction level rather than program source lines. You can select a text line and set or modify code breakpoints using toolbar buttons or the context menu commands. You may use the dialog Debug - Inline Assembly. to modify the CPU instructions. That allows you to correct mistakes or to make temporary changes to the target program you are debugging
  • 54.
    CHAPTER-9 SYSTEM TESTING Density based traffic control system is a system which shall be able to count the vehicles at each side of the junction road when vehicles are reached near to that junction. After connecting the circuit and writing the code, then test it by sensing the IR sensor dated term used to describe an opto-electronic means of sensing something, most commonly a photo detector of some type. The system can be tested with the use of KEIL compiler. This one we are using to write programs for 89C51 controller. After writing programs using 89C51 programmer we can dump code into the controller. Now develop the system by using IR transmitter and receiver, we can use photo diode and photo transistors. After initializing all the devices connected to the controller, while testing keep the transmitter & receiver aligned in a straight position facing each other about a distance more than 2 meter but not less than that. If the transmitter and receiver are not in a aligned position data communication is not possible. Connect the output of IR receiver to the controller port pin. If there is no intruder the output pin will show low value. If there is any introduce it will show high value. 54
  • 55.
    CHAPTER-10 PROGRAMMING 55 Program code # include<reg51.h> # define density_level P1 //void green_delay(); //Lights declaration sbit ar = P0^0; sbit ag = P0^1; sbit br = P0^2; sbit bg = P0^3; sbit cr = P0^4; sbit cg = P0^5; sbit dr = P0^6; sbit dg = P0^7; //sensors declarartion sbit IRaa=P1^0; sbit IRab=P1^1; sbit IRba=P1^2; sbit IRbb=P1^3; sbit IRca=P1^4; sbit IRcb=P1^5; sbit IRda=P1^6; sbit IRdb=P1^7; int a[]={ void main() { P1=0XFF; P3=0X00; P0=0X00;
  • 56.
    56 P2=0X00; ar=1; br=1; cr=1; dr=1; while(1) { int check_high; bit a=0,b=0,c=0,d=0,hi gh=0; int lane_a,lane_b,lane_ c,lane_d; for (check_high=0;chec k_high<3;check_hig h++) { switch (density_level) { case 0XFC : if(a==0) { ar = 0; a=1; for(lane_a=0;lane_a<9;lane_a++) { ag = 1; } ag = 0;
  • 57.
    57 } break; case 0XF3 : if(b==0) { br = 0; b=1; for(lane_b=0;lane_b<9;lane_b++) { bg = 1; } } bg = 0; break; case 0XCF : if(c==0) { cr = 0; c=1; for(lane_c=0;lane_c<9;lane_c++) { cg = 1; } } cg = 0; break; case 0X3F : if(d==0) { dr = 0; d=1; for(lane_d=0;lane_d<9;lane_d++)
  • 58.
    58 { dg= 1; } } dg = 0; break; } P0 = P0&0XFF; } } } /*{ while(high==1) { int check2; for (check2=0;check2<2;check2++) { { if(IRaa==0) //check lane a { if(IRab==0) { ar = 0; ag = 1; green_delay(); ag = 0; } else { ag = 0;
  • 59.
    59 //ay =1; //yellow_delay(); //ay = 0; ar = 1; }}} { if(IRba==0) //check lane b { if(IRbb==0) { br = 0; bg = 1; } else { bg = 0; //by = 1; //yellow_delay(); //by = 0; br = 1; }}} { if(IRca==0) //check lane c { if(IRcb==0) { cr = 0;
  • 60.
    60 cg =1; } else { cg = 0; //cy = 1; //yellow_delay(); //cy = 0; cr = 1; }}} { if(IRda==0) //check lane d { if(IRdb==0) { dr = 0; dg = 1; } else { dg = 0; //dy = 1; //yellow_delay(); //dy = 0; dr = 1; }}}}}} }*/ /*void green_delay()
  • 61.
    61 { inty; for (y=0; y<1000; y++); } */
  • 62.
    RESULTS From theseries of experiments we have conducted the following results were obtained:  Fuel is saved to about 70% compared to normal timer based traffic control  Traffic can be cleared without any irregularities  Time can be shared evenly for all intersections 62  Effective time management
  • 63.
    CONCLUSION To reducethe congestion and unwanted time delay in traffic, an advanced system is required. One such advanced technology is automatic signalling using IR sensors. The sensors help in Keeping Count of vehicles entering roads and subsequently allot time delay thereby giving accurate priority to each road for the time being. With this technique we have entered a new era of automatic traffic signal control. 63
  • 64.
    BIBLIOGRAPHY [Ben-Akiva etal., 2003] Ben-Akiva, M., Cuneo, D., Hasan, M., Jha, M., and Yang, Q. (2003).Evaluation of freeway control using a microscopic simulation la b o r a t o r y . Transportation research Part C: emerging technologies, 11-1:29-50. [Broucke and Varaiya, 1996] Broucke, M. and Varaiya, P. (1996). A theory of traffic flow in automated highway systems. Transportation research Part C: emerging technologies, V4:181-210. [Choi et al., 2002] Choi, W., Yoon, H., Kim, K., Chung, I., and Lee, S. (2002). A traffic light controlling FLC considering the traffic congestion. In Pal, N. and Sugeno, M., editors, Advances in Soft Computing - AFSS 2002, International Conference on Fuzzy Systems, pages 69-75. [Findler and Stapp, 1992] Findler, N. and Stapp, J. (1992). A distributed approach to Optimized control of street traffic signals. Journal of Transportation Engineering, 118-1:99-110. [Horowitz and Varaiya, 2000] Horowitz, R. and Varaiya, P. (2000). Control design of an automated highway system. In Proc. IEEE, v ol . 88. [Jin and Zhang, 2003] Jin, W. L. and Zhang, H. M. (2003). The formation and structure of vehicle clusters in the payne-whitham traffic flow model. Transportat ion Research Part B: Methodological, 37-3:207-223. 64
  • 65.
    [Levinson, 2003] Levinson,D. (2003). The value of advanced traveler information systems for route choice. Transportation Research Part C: Emerging Technologies, 11-1:75-87. [Lighthill and Whitham, 1955] Lighthill, M. J. and Whitham, G. B. (1955). On kinematic waves: Ii. a theory of traffic flow on long crowded roads. Proceeding of the Royal Society A, 229:317-345. 65
  • 66.
    APPENDIX-A QUESTIONNAIRES PREPAREDFOR THE SURVEY RESPONSE SHEET Name: ________________________ date: ___________________ 66 Age: ___________________________ Place ___________________________ Profession: ____________________ 1.) Do you think traffic light controller is necessary? (Yes /no) ________________ 2.) Have you suffered from traffic congestion?(Yes/no) ___________________ 3.) Do you think that you are wasting your time and fuel while waiting in a signal? (Yes/no) ______ 4.) Is there any need to change the current timer based traffic Light controller? (Yes/no) ______ 5.) If so what is the trouble you feel? _________________________________________________________________________ _________________________________________________________________________
  • 67.
  • 68.
  • 69.
    APPENDIX-B PHOTO COPYOF THE MODEL 69
  • 70.