Digital Technique Mrs. Sunita M Dol
Page 1
HANDOUT#3b
AIM:
Implementation of half subtractor and full subtractor using basic gate and universal
gates.
LEARNING OBJECTIVES:
- Realize the subtractor circuits using basic gates and universal gates
COMPONENT REQUIRED:
- Logic gates (IC) trainer kit.
- Connecting patch chords.
- IC 7400, IC 7408, IC 7432, IC 7402, IC 7404, IC 7486
Sr. No. Component Specification
1 NOT gate IC7404
2 AND gate IC7408
3 OR gate IC7432
4 NAND gate IC 7400
5 NOR gate IC7402
6 EX-OR gate IC7486
THEORY:
Half Subtractor: A logic circuit for the subtraction of B (subtrahend) from
A(minuend) where A and B are 1-bit numbers is referred to as a half subtractor. In
the following truth table, A and B are two inputs and D (difference) and C(borrow)
Truth table
A B S(sum) C(carry)
0 0 0 0
0 1 1 1
1 0 1 0
1 1 0 0
S(sum) = A B
C(borrow) =
Digital Technique Mrs. Sunita M Dol
Page 2
Half Subtractor using basic gates:
Half subtractor using NAND gate only
Digital Technique Mrs. Sunita M Dol
Page 3
Using only NOR gate
Full Subtractor: Just like Full Adder, we require full subtractor circuit for
performing multibit subtraction wherein a borrow from the previous bit position
may also there.
A full subtractor will have three inputs An (minuend), Bn(subtrahend) and Cn-1
(borrow from previous stage) and two outputs Dn (difference) & Cn(borrow)
Truth table
An Bn Cn-1 Sn(sum) Cn(carry)
0 0 0 0 0
0 0 1 1 0
0 1 0 1 0
0 1 1 0 1
1 0 0 1 0
1 0 1 0 1
1 1 0 0 1
1 1 1 1 1
Digital Technique Mrs. Sunita M Dol
Page 4
Logic Equation:
Digital Technique Mrs. Sunita M Dol
Page 5
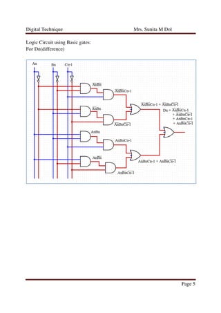
Logic Circuit using Basic gates:
For Dn(difference)
Digital Technique Mrs. Sunita M Dol
Page 6
For Cn(borrow)
For Sn and Cn using two half subtractor
Digital Technique Mrs. Sunita M Dol
Page 7
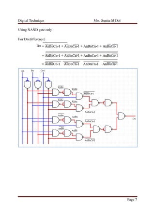
Using NAND gate only
For Dn(difference)
Digital Technique Mrs. Sunita M Dol
Page 8
For Cn(borrow)
Digital Technique Mrs. Sunita M Dol
Page 9
Using only NOR gates:
For Dn(difference)
Digital Technique Mrs. Sunita M Dol
Page 10
For Cn(borrow)
PROCEDURE:
1. Check the components for their working.
2. Insert the appropriate IC into the IC base.
3. Make connections as shown in the circuit diagram.
4. Provide the input data via the input switches and observe the output on
output LEDs
5. Give various combinations of inputs and note down the output with help of
LED for all gate ICs one by one.
RESULT:
Thus we have implemented half subtractor and full subtractor using basic gate and
universal gates

Assignment#3b

  • 1.
    Digital Technique Mrs.Sunita M Dol Page 1 HANDOUT#3b AIM: Implementation of half subtractor and full subtractor using basic gate and universal gates. LEARNING OBJECTIVES: - Realize the subtractor circuits using basic gates and universal gates COMPONENT REQUIRED: - Logic gates (IC) trainer kit. - Connecting patch chords. - IC 7400, IC 7408, IC 7432, IC 7402, IC 7404, IC 7486 Sr. No. Component Specification 1 NOT gate IC7404 2 AND gate IC7408 3 OR gate IC7432 4 NAND gate IC 7400 5 NOR gate IC7402 6 EX-OR gate IC7486 THEORY: Half Subtractor: A logic circuit for the subtraction of B (subtrahend) from A(minuend) where A and B are 1-bit numbers is referred to as a half subtractor. In the following truth table, A and B are two inputs and D (difference) and C(borrow) Truth table A B S(sum) C(carry) 0 0 0 0 0 1 1 1 1 0 1 0 1 1 0 0 S(sum) = A B C(borrow) =
  • 2.
    Digital Technique Mrs.Sunita M Dol Page 2 Half Subtractor using basic gates: Half subtractor using NAND gate only
  • 3.
    Digital Technique Mrs.Sunita M Dol Page 3 Using only NOR gate Full Subtractor: Just like Full Adder, we require full subtractor circuit for performing multibit subtraction wherein a borrow from the previous bit position may also there. A full subtractor will have three inputs An (minuend), Bn(subtrahend) and Cn-1 (borrow from previous stage) and two outputs Dn (difference) & Cn(borrow) Truth table An Bn Cn-1 Sn(sum) Cn(carry) 0 0 0 0 0 0 0 1 1 0 0 1 0 1 0 0 1 1 0 1 1 0 0 1 0 1 0 1 0 1 1 1 0 0 1 1 1 1 1 1
  • 4.
    Digital Technique Mrs.Sunita M Dol Page 4 Logic Equation:
  • 5.
    Digital Technique Mrs.Sunita M Dol Page 5 Logic Circuit using Basic gates: For Dn(difference)
  • 6.
    Digital Technique Mrs.Sunita M Dol Page 6 For Cn(borrow) For Sn and Cn using two half subtractor
  • 7.
    Digital Technique Mrs.Sunita M Dol Page 7 Using NAND gate only For Dn(difference)
  • 8.
    Digital Technique Mrs.Sunita M Dol Page 8 For Cn(borrow)
  • 9.
    Digital Technique Mrs.Sunita M Dol Page 9 Using only NOR gates: For Dn(difference)
  • 10.
    Digital Technique Mrs.Sunita M Dol Page 10 For Cn(borrow) PROCEDURE: 1. Check the components for their working. 2. Insert the appropriate IC into the IC base. 3. Make connections as shown in the circuit diagram. 4. Provide the input data via the input switches and observe the output on output LEDs 5. Give various combinations of inputs and note down the output with help of LED for all gate ICs one by one. RESULT: Thus we have implemented half subtractor and full subtractor using basic gate and universal gates