Programmable Logic Controller
• Block diagram
• Types
• I/O Module
• Programming Languages
• Instructions
( XIC, XIO, OTE, OTL, OUT, TON, TOF, RTO, RES, CTU, CTD, HSC, MOV,
MVM, AND, OR, XOR, NOT, CLR, EQU, NEQ, LES, GRT, LEQ, GEQ)
• Ladder Logic diagrams
What is a Programmable Logic Controller?
A programmable logic controller (PLC) is a digital
computer used for automation of
electromechanical processes, such as control of
machinery on factory assembly lines,
amusement rides, or lighting fixtures.
PLCs are used in many industries and machines.
(Definition according to NEMA standard ICS3-1978)
A digitally operating electronic apparatus which uses a
programming memory for the internal storage of instructions
for implementing specific functions such as logic,
sequencing, timing, counting and arithmetic to control
through digital or analog modules, various types of machines
or process.
Definition of PLC
Block Diagram of PLC
I/O Section
Input Module
 Forms the interface by
which input field devices
are connected to the
controller.
 The terms “field” and “real world” are used to distinguish
actual external devices that exist and must be physically
wired into the system.
5
I/O Section
Output Module
 Forms the interface by
which output field
devices are connected
to the controller.
 PLCs employ an optical
isolator which uses
light to electrically
isolate the internal
components from the
input and output
terminals.
Programming Device
PC with appropriate
software
 A personal computer (PC) is the most commonly used
programming device.
 The personal computer communicates with the PLC
processor via a serial or parallel data communications link.
 The computer monitor is used to display the logic on the
screen.
Memory in PLC
PLC Scan Cycle
Types of PLC
Fixed PLC:
 A Fixed PLC has all of its components-the input
section,
supply,
CPU and associated memory, power
and output section-built into one self-
contained unit.
 All input and output terminals are built into the
PLC package and are fixed, not removable.
Types of PLC
Modular PLC:
 The modular PLC comes as separate pieces. A
modular PLC is purchased piece by piece.
 There may be two or three power supplies to
choose from, a handful of different processors
(CPUs), many separate input and output cards or
modules, and selection of assemblies, called racks,
chassis, or base plates to hold the pieces together.
Block diagram of AC input module
Bridge
Rectifier
Noise &
Debounce
Filter
Threshold
Detector
Optical
Isolation Logic CPU
LED
Input
Status
Table
Input
Signal
AC Input Module Specifications
 Points per common: This is the number of input points
that share the same common connection. As an
example, one 16 point input module could have all
input points sharing one common, and a different 16
point input module might have two groups of 8 input
points. Each group of 8 would have its own separate
common.
AC Input Module Specifications
 Backplane Current Draw: Each module takes power
from the PLCs power supply to operate the electronics
on the module. This specification will be used when
calculating power supply loading.
 Maximum signal delay: Signal delay is the time it takes
for the PLC to pick up the field input signal, digitize it,
and store it in the memory. This specification is usually
listed for signal turning on and for a signal turning off.
AC Input Module Specifications
 Nominal input current: this is the current drawn by an
input point at nominal input voltage.
 Maximum Inrush Current: this is the maximum inrush
current the module can handle.
 Maximum off state current: this is the maximum
amount of current, typically from leakage from a solid
state input device, that a module can accept while
remaining in an OFF state.
Block diagram of DC input module
Power
Conversion
Noise &
Debounce
Filter
Threshold
Detector
Optical
Isolation Logic CPU
LED
Input
Status
Table
Input
Signal
+
-
DC Input Module Specifications
 Maximum Off state current: This is the maximum
amount of leakage current allowed in an input circuit
from an input device that will keep the input circuit in
an OFF state.
Block diagram of AC output Module
Latch
Logic
Circuit
Triac
Switching
Circuit
Optical
Isolation
Filter
Controlled
Device
Fuse
Signal
From
CPU
LED
Block diagram of DC output module
Latch
Logic
Circuit
Power
Transistor
Switching
Circuit
Optical
Isolation
Filter
Controlled
Device
Fuse
Signal
From
CPU
LED
Programming Languages
 Ladder Diagram (LD):a graphical depiction of a process
with rungs of logic, similar to the relay ladder logic
schemes that were replaced by PLCs.
 Sequential Function Charts (SFC): a graphical depiction of
interconnecting steps, actions, and transitions.
 Instruction List (IL): assembler type, text based language
for building small applications or optimizing complex
systems.
Programming Languages
 Function Block Diagram (FBD): a graphical depiction of
process flow using simple and complex
interconnecting blocks.
 Structured Text (ST): a high-level, text-based language
such as BASIC, C, or PASCAL specifically developed for
industrial control applications.
PLC Ladder Programming
 A very commonly used method of programming PLCs
is based on the use of ladder diagrams.
 Writing a program is then equivalent to drawing a
switching circuit.
 The ladder diagram consists of two vertical lines
representing the power rails.
 Circuits are connected as horizontal lines, that is, the
rungs of the ladder, between these two verticals.
Relay Type Instructions
Sr. No. Instruction Description
1 XIC Examine if closed
2 XIO Examine if open
3 OTE Output Energize
4 OTL Output Latch
5 OTU Output Unlatch
Fundamental Symbols
Figure : Relay Contact Figure : Relay Contact
Figure : Relay Coil
Examine If Closed (XIC) Examine If Open (XIO)
Output Energize (OTE)
OTL and OTU Instructions
Instruction Name Symbol Description
OTL
Output
Latch
L
OTL sets the bit to "1"
when the rung
becomes true and
retains its state when
the rung loses
continuity or a power
cycle occurs.
OTU
Output
Unlatch
U
OTU resets the bit to
"0" when the rung
becomes true and
retains it.
Timer Instructions
Sr.
No.
Instruction Name Description
1 TON On Delay Timer
Counts time-based intervals when
the instruction is true.
2 TOF Off Delay Timer
Counts time-based intervals when
the instruction is false.
3 RTO Retentive Timer
Counts time-based intervals when
the instruction is true and retains
the accumulated value when the
instruction goes false or when
power cycle occurs.
4 RES Reset
Resets a retentive timer’s
accumulated value to zero.
On Delay Timer Sequence
Input Timer
Rung Condition
Time Period
Timed Output Bit
False
True
On Delay
Timed
Duration
True
False
On (Logic 1)
Off (Logic 0)
Preset Value= Accumulated Value
TON – On Delay Timer Instruction
TON
EN
DN
TIMER ON DELAY
Timer
Time Base
Preset
Accumulated
T4:0
1:0
15
0
 The On delay timer operates such that when the rung
containing timer is true, the timer timed out period
commences.
 At the end of the timer time out period, an output is made
active.
 Timer number —This number must come from the timer file. In the example
shown, the timer number is T4:0, which represents timer file 4, timer 0 in
that file. The timer address must be unique for this timer and may not be
used for any other timer.
 Time base —The time base (which is always expressed in seconds) may be
either 1.0 s or 0.01 s. In the example shown, the time base is 1.0 s.
 Preset value —In the example shown, the preset value is 15. The timer
preset value can range from 0 through 32,767.
 Accumulated value —In the example shown, the accumulated value is 0. The
timer’s accumulated value normally is entered as 0, although it is possible to
enter a value from 0 through 32,767. Regardless of the value that is
preloaded, the timer value will become 0 whenever the timer is reset.
TON – On Delay Timer Instruction
Off Delay Timer Sequence
Input Timer
Rung Condition
Timed Period
Timed Output Bit
False
True
Off Delay
Timed
Duration
True
False
On (Logic 1)
Off (Logic 0)
Preset Value= Accumulated Value
TOF – Off Delay Timer Instruction
TOF
EN
DN
TIMER OFF DELAY
Timer
Time Base
Preset
Accumulated
T4:0
1:0
15
0
 The Off delay timer operation will keep the output
energized for a time period after the rung containing
the timer has gone false.
RTO – Retentive Timer
 A retentive timer accumulates time whenever the
device receives power, and it maintains the current
time should power be removed from the device.
 Once the device accumulates time equal to its preset
value, the contacts of the device change state.
RTO
EN
DN
RETENTIVE TIMER ON
Timer
Time Base
Preset
Accumulated
T4:0
1:0
15
0
RTO – Timer Programmed Logic
RTO
EN
DN
RETENTIVE TIMER ON
Timer
Time Base
Preset
Accumulated
T4:0
1:0
7
0
PB1
T4:2 PL
DN
RTO – Timer Sequence
0
2
1
3
4
5
6
7
Time Input
Timer T4:2
Enable Bit
Accumulated
Value
Accumulated Value retained
When rung condition goes false
Acc Value = Pre Value
Timer T4:2
Done Bit
PL Output
False
True
On
Off
On
Off
On
Off
RES – Reset Instruction
 Because the retentive timer does not reset to 0 when the
timer is de-energized, the reset instruction RES must be
used to reset the timer.
 The RES instruction given the same address (T4:2) as the
RTO.
 When reset pushbutton closes, RES resets the accumulated
time to 0 and DN bit to 0, turning output off.
Reset
RES
T4:2
Counter Instructions
Sr.
No.
Instruction Name Description
1 CTU Up counter
Increments the accumulated value at
each false-to-true transition and
retains the accumulated value when
an off/on power cycle occurs.
2 CTD Down counter
Decrements the accumulated value at
each false-to-true transition and
retains the accumulated value when
an on/off power cycle occurs.
3 HSC High Speed Counter
Counts high-speed pulses from a high-
speed input.
4 RES Reset
Resets a counter’s accumulated
value to zero.
UP Counter Counting Sequence
Limit Switch Counter UP
Counter
Value
+4
Accumulated Value= preset = output
OFF
ON
CTU – Up Counter Instruction
CTU
CU
DN
COUNT – UP COUNTER
Counter
Preset
Accumulated
C5:0
7
0
RES
C5:0/CU
C5:0/DN
C5:0/OV
C5:0
Counter Enable Bit
Counter Done Bit
Overflow Status Bit
Counter Reset
Instruction
CTU – Up Counter Sequence
Count Up
Input
DN Bit of
Counter
Reset
Accumulated
Value
1
PRE Value =7
7
6
5
4
3
2
5 6 7
TRUE 1 2 3 4
FALSE
CTU – UP Counter Instruction
 Counter Number —This number must come from the counter fi le. In
the example shown, the counter number is C5:0, which represents
counter file 5, counter 0 in that file. The address for this counter
should not be used for any other count-up counter.
 Preset Value —The preset value can range from 232,768 to 132,767.
In the example shown, the preset value is 10.
 Accumulated Value —The accumulated value can also range from
232,768 through 132,767. Typically, as in this example, the value
entered in the accumulated word is 0. Regardless of what value is
entered, the reset instruction will reset the accumulated value to 0.
CTU – UP Counter Instruction Control Word
C5:N Bit 15 14 13 12 11 10 09 08 07 06 05 04 03 02 01 00
C5:N:0
Word
0
CU CD DN OV UN UA INTERNAL USE (not addressable)
C5:N:1
Word
1
PRESET VALUE
C5:N:2
Word
2
ACCUMULATED VALUE
CTU – UP Counter Instruction Control Word
 Count-Up (CU) Enable Bit —The count-up enable bit is
used with the count-up counter and is true whenever
the count-up counter instruction is true. If the count-
up counter instruction is false, the CU bit is false.
 Done (DN) Bit —The done bit is true whenever the
accumulated value is equal to or greater than the
preset value of the counter, for either the count-up or
the count-down counter.
 Overflow (OV) Bit —The overflow bit is true whenever the
counter counts past its maximum value, which is 32,767. On the
next count, the counter will wrap around to 32,768 and will
continue counting from there toward 0 on successive false-to-
true transitions of the count-up counter.
 Update Accumulator (UA) Bit —The update accumulator bit is
used only in conjunction with an external HSC (high-speed
counter).
CTU – UP Counter Instruction Control Word
DOWN Counter Counting Sequence
Proximity Switch Counter Down
Counter
Value
-5
Accumulated Value= Preset = output
OFF
ON
CTD – Down Counter Instruction
CTD
CD
DN
COUNT – DOWNCOUNTER
Counter
Preset
Accumulated
C5:0
7
0
RES
C5:0/CD
C5:0/DN
C5:0/UN
C5:0
Counter Enable Bit
Counter Done Bit
Underflow Status Bit
Counter Reset
Instruction
CTD – Down Counter Sequence
Count Down
Input
Accumulated
Value
DN Bit of
Counter
Reset
7
6
5
4
3
2
1
PRE Value
5 6 7
TRUE 1 2 3 4
FALSE
CTD – Down Counter Instruction
 Counter Number —This number must come from the counter fi le. In
the example shown, the counter number is C5:0, which represents
counter file 5, counter 0 in that file. The address for this counter
should not be used for any other count-up counter.
 Preset Value —The preset value can range from 232,768 to 132,767.
In the example shown, the preset value is 10.
 Accumulated Value —The accumulated value can also range from
232,768 through 132,767. Typically, as in this example, the value
entered in the accumulated word is 0. Regardless of what value is
entered, the reset instruction will reset the accumulated value to 0.
CTD – Down Counter Instruction Control Word
C5:N Bit 15 14 13 12 11 10 09 08 07 06 05 04 03 02 01 00
C5:N:0
Word
0
CU CD DN OV UN UA INTERNAL USE (not addressable)
C5:N:1
Word
1
PRESET VALUE
C5:N:2
Word
2
ACCUMULATED VALUE
 Count-Down (CD) Enable Bit —The count-down enable bit
is used with the count-down counter and is true whenever
the count-down counter instruction is true. If the count-
down counter instruction is false, the CD bit is false.
 Done (DN) Bit —The done bit is true whenever the
accumulated value is equal to or greater than the preset
value of the counter, for either the count-up or the count-
down counter.
CTU – UP Counter Instruction Control Word
CTU – UP Counter Instruction Control Word
 Underflow (UN) Bit —The underflow bit will go true
when the counter counts below 32,768. The counter
will wrap around to 132,767 and continue counting
down toward 0 on successive false-to-true rung
transitions of the count-down counter.
 Update Accumulator (UA) Bit —The update
accumulator bit is used only in conjunction with an
external HSC (high-speed counter).
Data Handling Instructions
Sr.
No.
Instruction Name Description
1 MOV Move
Moves the source value to
the destination.
2 MVM Masked Move
Moves data from a source
location to a selected portion
of the destination.
MOV Instruction
 When the rung is true, input switch A closed, the value stored at the
source address, N7:30, is copied into the destination address, N7:20.
 When the rung goes false, input switch A opened, the destination
address will retain the value unless it is changed elsewhere in the
program.
 The source value remains unchanged and no data conversion occurs.
MOV
MOVE
Source
Destination
N7:30
N7:20
PB1 N7:30
N7:20
MVM Instruction
 The move with mask (MVM) instruction differs slightly
from the MOV instruction because a mask word is
involved in the move.
 The data being moved must pass through the mask to
get to their destination address.
 Masking refers to the action of hiding a portion of a
binary word before transferring it to the destination
address.
MVM Instruction
 The pattern of characters in the mask determines which source
bits will be passed through to the destination address.
 The bits in the mask that are set to zero (0) do not pass data.
 Only the bits in the mask that are set to one (1) will pass the
source data through to the destination.
 Bits in the destination are not affected when the corresponding
bits in the mask are zero.
 The MVM instruction is used to copy the desired part of a 16-bit
word by masking the rest of the value.
MVM
B3:0
MASKED MOVE
Source
1010101010101010
Mask B3:1
FF0F
B3:4
Destination
1010101011001010
MVM Instruction
MVM
B3:0
MASKED MOVE
Source
1010101010101010
Mask B3:1
FF0F
B3:4
Destination
1010101011001010
PB1
1 0 1 0 1 0 1 0 1 0 1 0 1 0 1 0
1 1 1 1 1 1 1 1 0 0 0 0 1 1 1 1
1 1 0 0 1 1 0 0 1 1 0 0 1 1 0 0
1 0 1 0 1 0 1 0 1 1 0 0 1 0 1 0
Source B3:0
Mask FF0F
Destination B3:4 before instruction
went true
Destination B3:4 after instruction
went true
Logical Instructions
Sr.
No.
Instruction Name Description
1 AND Logical AND
Perform
operation
Bitwise AND
2 OR Logical OR
Perform
operation
Bitwise OR
3 XOR Logical XOR
Perform
operation
Bitwise XOR
Logical Instructions
Sr.
No.
Instruction Name Description
4 NOT Inversion
Perform inversion of
given source
5 CLR Clear Clear destination
AND – Logical AND Instruction
AND
B3:0
Destination B3:2
 The AND command is used to perform the logic AND instruction on
each bit of the value in source A with each bit of the value of source
B, storing the output logic in the destination.
B3:1
BITWISE AND
Source A
Source B
B3:0 0 0 0 0 0 0 0 0 0 0 1 0 1 0 1 0
B3:1 0 0 0 0 0 0 0 0 0 0 1 1 1 1 1 0
B3:2 0 0 0 0 0 0 0 0 0 0 1 0 1 0 1 0
OR – Logical OR Instruction
OR
B3:0
Destination B3:2
 The OR command is used to perform the logic OR instruction on each
bit of the value in source A with each bit of the value of source B,
storing the output logic in the destination.
B3:1
BITWISE INCLUSIVEOR
Source A
Source B
B3:0 0 0 0 0 0 0 0 0 0 0 1 0 1 0 1 0
B3:1 0 0 0 0 0 0 0 0 0 0 1 1 1 1 1 0
B3:2 0 0 0 0 0 0 0 0 0 0 1 1 1 1 1 0
XOR – Logical XOR Instruction
XOR
B3:0
Destination B3:2
 The XOR command is used to perform the logic XOR instruction on
each bit of the value in source A with each bit of the value of source
B, storing the output logic in the destination.
B3:1
BITWISE EXCLUSIVEOR
Source A
Source B
B3:0 0 0 0 0 0 0 0 0 0 0 1 0 1 0 1 0
B3:1 0 0 0 0 0 0 0 0 0 0 1 1 1 1 1 0
B3:2 0 0 0 0 0 0 0 0 0 0 0 1 0 1 0 0
NOT – Inversion Instruction
NOT
NOT
Source B3:0
Destination B3:1
 The NOT instruction is used to perform the NOT logic on the value in
the source, bit by bit. The output logic value returned in the
destination is the one's complement or opposite of the value in the
source.
B3:0 0 0 0 0 0 0 0 0 0 0 1 0 1 0 1 0
B3:1 1 1 1 1 1 1 1 1 1 1 0 1 0 1 0 1
CLR – Clear Instruction
 The CLR instruction is used to set the destination value of a word to
zero.
CLR
CLEAR
Destination B3:1
0 0 0 0 0 0 0 0 0 0 0 0 0 0 0 0
B3:1
XIC, XIO, OTE, OTL, OUT, TON, TOF, RTO, RES, CTU, CTD, HSC,
MOV, MVM, AND, OR, XOR, NOT, CLR, EQU, NEQ, LES, GRT, LEQ,
GEQ,
Data Compare Instructions
Sr.
No.
Instruction Name Description
1 EQU Equal
Tests whether two values are
equal.
2 NEQ Not Equal
Tests whether one value is
not equal to a second value.
3 LES Less Than
Tests whether one value is
less than a second value.
Data Compare Instructions
Sr.
No.
Instruction Name Description
4 GRT Greater Than
Tests whether one value is
greater than a second value.
5 LEQ Less Than or Equal
Tests whether one value is
less than or equal to a
second value.
6 GEQ
Greater Than or
Equal
Tests whether one value is
greater than or equal to a
second value.
EQU – Equal Instruction
EQU
EQUAL
Source A T4:0.ACC
Source B N7:40
 The equal (EQU) instruction is an input instruction that
compares source A to source B: when source A is
equal to source B, the instruction is logically true;
otherwise it is logically false.
NEQ – Not Equal Instruction
NEQ
NOT EQUAL
Source A N7:5
Source B 25
 The not equal (NEQ) instruction is an input instruction
that compares source A to source B: when source A is
not equal to source B, the instruction is logically true;
otherwise it is logically false.
GRT – Greater Than Instruction
 The greater than (GRT) instruction is an input
instruction that compares source A to source B: when
source A is greater than source B, the instruction is
logically true; otherwise it is logically false.
GRT
GREATER THAN
Source A
Source B
T4:0.ACC
200
LES – Less Than Instruction
LES
LESS THAN
Source A C5:10.ACC
Source B 350
 The less than (LES) instruction is an input instruction
that compares source A to source B: when source A is
less than source B, the instruction is logically true;
otherwise it is logically false.
GEQ – Greater Than or Equal Instruction
 The greater than or equal (GEQ) instruction is an input
instruction that compares source A to source B: when
source A is greater than or equal to source B, the
instruction is logically true; otherwise it is logically
false.
Source B
GEQ
GREATER THAN OR EQUAL
Source A N7:55
N7:12
LEQ – Less Than or Equal Instruction
LEQ
LESS THAN OR EQUAL
Source A C5:1.ACC
Source B 457
 The less than or equal (LEQ) instruction is an input
instruction that compares source A to source B: when
source A is less than or equal to source B, the
instruction is logically true; otherwise it is logically
false.
Ladder Diagram for AND Gate
Input Input
A B
Output
Input
B
Output
Applied
Voltage
(a)
Input
A
(b)
(c)
Ladder Diagram for OR Gate
B
Applied
Voltage
Input A
Input B
Output
Input
A
Input
B
Output
Input B
Output
Input A
(a)
(b)
(c)
(d)
Ladder Diagram for NOT Gate
A
Applied
Voltage
(a)
Input
A
Output
Input
A
Output
(b)
(c)
Ladder Diagram for NAND Gate
Input A
Input B
Output Input
A
Input
B
Output
(a) (b)
Ladder Diagram for NOR Gate
Input A Input B
Output
Input
A
Input
B
Output
(a) (b)
Ladder Diagram for Ex-OR Gate
t A Input B
Output
Input
A
Input
B
Output
Inpu
Input A Input B
(a)
(b)
Ladder Diagram for Ex-NOR Gate
t A Input B
Output
Input
A
Input
B
Output
Inpu
Input A Input B
(a)
(b)
Example 1
Draw Ladder diagram for given logic diagram
A
B C
Y
A C Y
B
Example 2
Draw Ladder diagram for given logic diagram
A
B
C
D
Y
A C Y
B D
Example 3
Draw Ladder diagram for given logic diagram
A
B
C
Y
A B Y
C
Example 4
Draw Ladder diagram for given logic diagram
A
B
Y
A B Y
C
C
D
D
Example 7
Draw Ladder diagram for given Boolean Expression
Y  A B C  D
A B Y
C
D
Example 14
Draw Ladder diagram for given Boolean Expression
Y  A ( B  C )  B ( A  C )
B A Y
A B
C
C
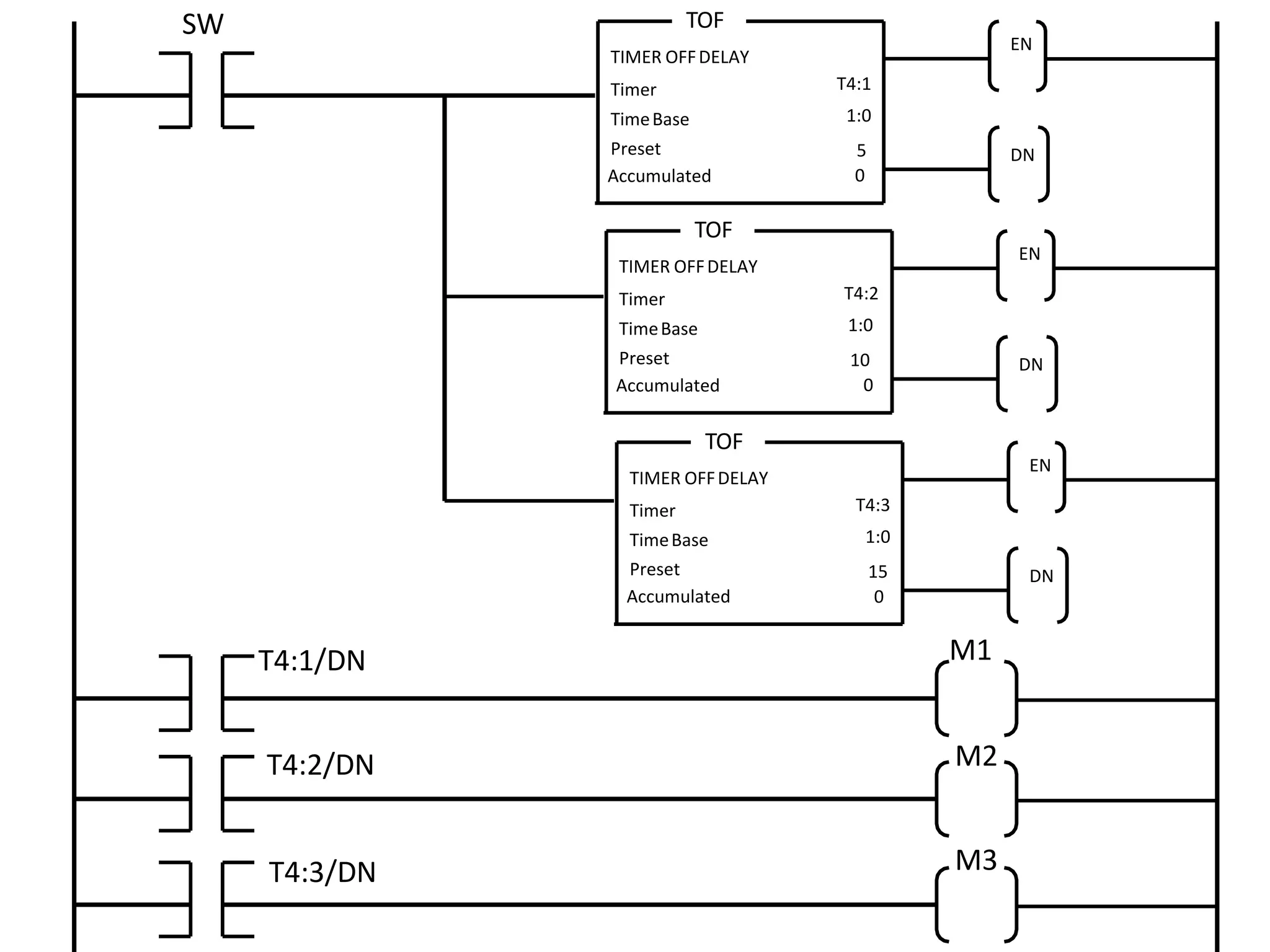
Example 21
Draw Ladder diagram to switch off three motors sequentially at 5
seconds interval
EN
DN
TIMER OFFDELAY
Timer
TimeBase
Preset
Accumulated
T4:1
1:0
5
0
TOF
EN
DN
TIMER OFFDELAY
Timer
TimeBase
Preset
Accumulated
T4:2
1:0
10
0
TOF
EN
DN
TIMER OFFDELAY
Timer
TimeBase
Preset
Accumulated
T4:3
1:0
15
0
TOF
SW
T4:1/DN
T4:2/DN
T4:3/DN
M1
M2
M3
Example 22
Draw Ladder diagram for 2 motor operations for
following conditions
1. Start push button starts motors M1 and M2
2. Stop push button stop motors M1 first and after 10 sec
motor M2
EN
DN
TIMER OFF DELAY
Timer
Time Base
Preset
Accumulated
T4:1
1:0
10
0
TOF
Start
T4:1/DN M2
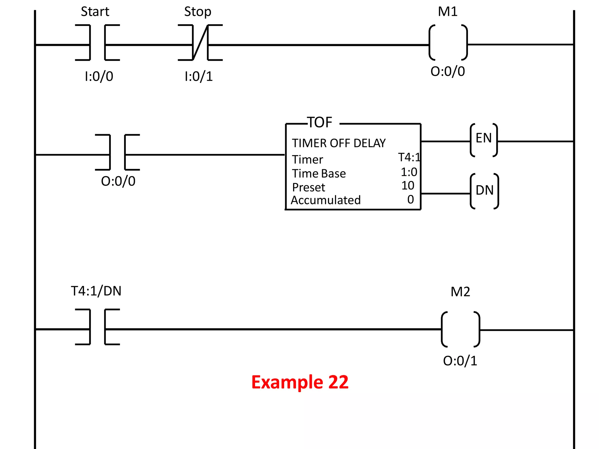
Example 22
M1
I:0/0
Stop
I:0/1 O:0/0
O:0/0
O:0/1

Programmable Logic Controller | Ladder Logic diagrams| Block diagram | I/O Module | Programming

  • 1.
    Programmable Logic Controller •Block diagram • Types • I/O Module • Programming Languages • Instructions ( XIC, XIO, OTE, OTL, OUT, TON, TOF, RTO, RES, CTU, CTD, HSC, MOV, MVM, AND, OR, XOR, NOT, CLR, EQU, NEQ, LES, GRT, LEQ, GEQ) • Ladder Logic diagrams
  • 2.
    What is aProgrammable Logic Controller? A programmable logic controller (PLC) is a digital computer used for automation of electromechanical processes, such as control of machinery on factory assembly lines, amusement rides, or lighting fixtures. PLCs are used in many industries and machines.
  • 3.
    (Definition according toNEMA standard ICS3-1978) A digitally operating electronic apparatus which uses a programming memory for the internal storage of instructions for implementing specific functions such as logic, sequencing, timing, counting and arithmetic to control through digital or analog modules, various types of machines or process. Definition of PLC
  • 4.
  • 5.
    I/O Section Input Module Forms the interface by which input field devices are connected to the controller.  The terms “field” and “real world” are used to distinguish actual external devices that exist and must be physically wired into the system. 5
  • 6.
    I/O Section Output Module Forms the interface by which output field devices are connected to the controller.  PLCs employ an optical isolator which uses light to electrically isolate the internal components from the input and output terminals.
  • 7.
    Programming Device PC withappropriate software  A personal computer (PC) is the most commonly used programming device.  The personal computer communicates with the PLC processor via a serial or parallel data communications link.  The computer monitor is used to display the logic on the screen.
  • 8.
  • 9.
  • 10.
    Types of PLC FixedPLC:  A Fixed PLC has all of its components-the input section, supply, CPU and associated memory, power and output section-built into one self- contained unit.  All input and output terminals are built into the PLC package and are fixed, not removable.
  • 11.
    Types of PLC ModularPLC:  The modular PLC comes as separate pieces. A modular PLC is purchased piece by piece.  There may be two or three power supplies to choose from, a handful of different processors (CPUs), many separate input and output cards or modules, and selection of assemblies, called racks, chassis, or base plates to hold the pieces together.
  • 12.
    Block diagram ofAC input module Bridge Rectifier Noise & Debounce Filter Threshold Detector Optical Isolation Logic CPU LED Input Status Table Input Signal
  • 13.
    AC Input ModuleSpecifications  Points per common: This is the number of input points that share the same common connection. As an example, one 16 point input module could have all input points sharing one common, and a different 16 point input module might have two groups of 8 input points. Each group of 8 would have its own separate common.
  • 14.
    AC Input ModuleSpecifications  Backplane Current Draw: Each module takes power from the PLCs power supply to operate the electronics on the module. This specification will be used when calculating power supply loading.  Maximum signal delay: Signal delay is the time it takes for the PLC to pick up the field input signal, digitize it, and store it in the memory. This specification is usually listed for signal turning on and for a signal turning off.
  • 15.
    AC Input ModuleSpecifications  Nominal input current: this is the current drawn by an input point at nominal input voltage.  Maximum Inrush Current: this is the maximum inrush current the module can handle.  Maximum off state current: this is the maximum amount of current, typically from leakage from a solid state input device, that a module can accept while remaining in an OFF state.
  • 16.
    Block diagram ofDC input module Power Conversion Noise & Debounce Filter Threshold Detector Optical Isolation Logic CPU LED Input Status Table Input Signal + -
  • 17.
    DC Input ModuleSpecifications  Maximum Off state current: This is the maximum amount of leakage current allowed in an input circuit from an input device that will keep the input circuit in an OFF state.
  • 18.
    Block diagram ofAC output Module Latch Logic Circuit Triac Switching Circuit Optical Isolation Filter Controlled Device Fuse Signal From CPU LED
  • 19.
    Block diagram ofDC output module Latch Logic Circuit Power Transistor Switching Circuit Optical Isolation Filter Controlled Device Fuse Signal From CPU LED
  • 20.
    Programming Languages  LadderDiagram (LD):a graphical depiction of a process with rungs of logic, similar to the relay ladder logic schemes that were replaced by PLCs.  Sequential Function Charts (SFC): a graphical depiction of interconnecting steps, actions, and transitions.  Instruction List (IL): assembler type, text based language for building small applications or optimizing complex systems.
  • 21.
    Programming Languages  FunctionBlock Diagram (FBD): a graphical depiction of process flow using simple and complex interconnecting blocks.  Structured Text (ST): a high-level, text-based language such as BASIC, C, or PASCAL specifically developed for industrial control applications.
  • 22.
    PLC Ladder Programming A very commonly used method of programming PLCs is based on the use of ladder diagrams.  Writing a program is then equivalent to drawing a switching circuit.  The ladder diagram consists of two vertical lines representing the power rails.  Circuits are connected as horizontal lines, that is, the rungs of the ladder, between these two verticals.
  • 23.
    Relay Type Instructions Sr.No. Instruction Description 1 XIC Examine if closed 2 XIO Examine if open 3 OTE Output Energize 4 OTL Output Latch 5 OTU Output Unlatch
  • 24.
    Fundamental Symbols Figure :Relay Contact Figure : Relay Contact Figure : Relay Coil Examine If Closed (XIC) Examine If Open (XIO) Output Energize (OTE)
  • 25.
    OTL and OTUInstructions Instruction Name Symbol Description OTL Output Latch L OTL sets the bit to "1" when the rung becomes true and retains its state when the rung loses continuity or a power cycle occurs. OTU Output Unlatch U OTU resets the bit to "0" when the rung becomes true and retains it.
  • 26.
    Timer Instructions Sr. No. Instruction NameDescription 1 TON On Delay Timer Counts time-based intervals when the instruction is true. 2 TOF Off Delay Timer Counts time-based intervals when the instruction is false. 3 RTO Retentive Timer Counts time-based intervals when the instruction is true and retains the accumulated value when the instruction goes false or when power cycle occurs. 4 RES Reset Resets a retentive timer’s accumulated value to zero.
  • 27.
    On Delay TimerSequence Input Timer Rung Condition Time Period Timed Output Bit False True On Delay Timed Duration True False On (Logic 1) Off (Logic 0) Preset Value= Accumulated Value
  • 28.
    TON – OnDelay Timer Instruction TON EN DN TIMER ON DELAY Timer Time Base Preset Accumulated T4:0 1:0 15 0  The On delay timer operates such that when the rung containing timer is true, the timer timed out period commences.  At the end of the timer time out period, an output is made active.
  • 29.
     Timer number—This number must come from the timer file. In the example shown, the timer number is T4:0, which represents timer file 4, timer 0 in that file. The timer address must be unique for this timer and may not be used for any other timer.  Time base —The time base (which is always expressed in seconds) may be either 1.0 s or 0.01 s. In the example shown, the time base is 1.0 s.  Preset value —In the example shown, the preset value is 15. The timer preset value can range from 0 through 32,767.  Accumulated value —In the example shown, the accumulated value is 0. The timer’s accumulated value normally is entered as 0, although it is possible to enter a value from 0 through 32,767. Regardless of the value that is preloaded, the timer value will become 0 whenever the timer is reset. TON – On Delay Timer Instruction
  • 30.
    Off Delay TimerSequence Input Timer Rung Condition Timed Period Timed Output Bit False True Off Delay Timed Duration True False On (Logic 1) Off (Logic 0) Preset Value= Accumulated Value
  • 31.
    TOF – OffDelay Timer Instruction TOF EN DN TIMER OFF DELAY Timer Time Base Preset Accumulated T4:0 1:0 15 0  The Off delay timer operation will keep the output energized for a time period after the rung containing the timer has gone false.
  • 32.
    RTO – RetentiveTimer  A retentive timer accumulates time whenever the device receives power, and it maintains the current time should power be removed from the device.  Once the device accumulates time equal to its preset value, the contacts of the device change state. RTO EN DN RETENTIVE TIMER ON Timer Time Base Preset Accumulated T4:0 1:0 15 0
  • 33.
    RTO – TimerProgrammed Logic RTO EN DN RETENTIVE TIMER ON Timer Time Base Preset Accumulated T4:0 1:0 7 0 PB1 T4:2 PL DN
  • 34.
    RTO – TimerSequence 0 2 1 3 4 5 6 7 Time Input Timer T4:2 Enable Bit Accumulated Value Accumulated Value retained When rung condition goes false Acc Value = Pre Value Timer T4:2 Done Bit PL Output False True On Off On Off On Off
  • 35.
    RES – ResetInstruction  Because the retentive timer does not reset to 0 when the timer is de-energized, the reset instruction RES must be used to reset the timer.  The RES instruction given the same address (T4:2) as the RTO.  When reset pushbutton closes, RES resets the accumulated time to 0 and DN bit to 0, turning output off. Reset RES T4:2
  • 36.
    Counter Instructions Sr. No. Instruction NameDescription 1 CTU Up counter Increments the accumulated value at each false-to-true transition and retains the accumulated value when an off/on power cycle occurs. 2 CTD Down counter Decrements the accumulated value at each false-to-true transition and retains the accumulated value when an on/off power cycle occurs. 3 HSC High Speed Counter Counts high-speed pulses from a high- speed input. 4 RES Reset Resets a counter’s accumulated value to zero.
  • 37.
    UP Counter CountingSequence Limit Switch Counter UP Counter Value +4 Accumulated Value= preset = output OFF ON
  • 38.
    CTU – UpCounter Instruction CTU CU DN COUNT – UP COUNTER Counter Preset Accumulated C5:0 7 0 RES C5:0/CU C5:0/DN C5:0/OV C5:0 Counter Enable Bit Counter Done Bit Overflow Status Bit Counter Reset Instruction
  • 39.
    CTU – UpCounter Sequence Count Up Input DN Bit of Counter Reset Accumulated Value 1 PRE Value =7 7 6 5 4 3 2 5 6 7 TRUE 1 2 3 4 FALSE
  • 40.
    CTU – UPCounter Instruction  Counter Number —This number must come from the counter fi le. In the example shown, the counter number is C5:0, which represents counter file 5, counter 0 in that file. The address for this counter should not be used for any other count-up counter.  Preset Value —The preset value can range from 232,768 to 132,767. In the example shown, the preset value is 10.  Accumulated Value —The accumulated value can also range from 232,768 through 132,767. Typically, as in this example, the value entered in the accumulated word is 0. Regardless of what value is entered, the reset instruction will reset the accumulated value to 0.
  • 41.
    CTU – UPCounter Instruction Control Word C5:N Bit 15 14 13 12 11 10 09 08 07 06 05 04 03 02 01 00 C5:N:0 Word 0 CU CD DN OV UN UA INTERNAL USE (not addressable) C5:N:1 Word 1 PRESET VALUE C5:N:2 Word 2 ACCUMULATED VALUE
  • 42.
    CTU – UPCounter Instruction Control Word  Count-Up (CU) Enable Bit —The count-up enable bit is used with the count-up counter and is true whenever the count-up counter instruction is true. If the count- up counter instruction is false, the CU bit is false.  Done (DN) Bit —The done bit is true whenever the accumulated value is equal to or greater than the preset value of the counter, for either the count-up or the count-down counter.
  • 43.
     Overflow (OV)Bit —The overflow bit is true whenever the counter counts past its maximum value, which is 32,767. On the next count, the counter will wrap around to 32,768 and will continue counting from there toward 0 on successive false-to- true transitions of the count-up counter.  Update Accumulator (UA) Bit —The update accumulator bit is used only in conjunction with an external HSC (high-speed counter). CTU – UP Counter Instruction Control Word
  • 44.
    DOWN Counter CountingSequence Proximity Switch Counter Down Counter Value -5 Accumulated Value= Preset = output OFF ON
  • 45.
    CTD – DownCounter Instruction CTD CD DN COUNT – DOWNCOUNTER Counter Preset Accumulated C5:0 7 0 RES C5:0/CD C5:0/DN C5:0/UN C5:0 Counter Enable Bit Counter Done Bit Underflow Status Bit Counter Reset Instruction
  • 46.
    CTD – DownCounter Sequence Count Down Input Accumulated Value DN Bit of Counter Reset 7 6 5 4 3 2 1 PRE Value 5 6 7 TRUE 1 2 3 4 FALSE
  • 47.
    CTD – DownCounter Instruction  Counter Number —This number must come from the counter fi le. In the example shown, the counter number is C5:0, which represents counter file 5, counter 0 in that file. The address for this counter should not be used for any other count-up counter.  Preset Value —The preset value can range from 232,768 to 132,767. In the example shown, the preset value is 10.  Accumulated Value —The accumulated value can also range from 232,768 through 132,767. Typically, as in this example, the value entered in the accumulated word is 0. Regardless of what value is entered, the reset instruction will reset the accumulated value to 0.
  • 48.
    CTD – DownCounter Instruction Control Word C5:N Bit 15 14 13 12 11 10 09 08 07 06 05 04 03 02 01 00 C5:N:0 Word 0 CU CD DN OV UN UA INTERNAL USE (not addressable) C5:N:1 Word 1 PRESET VALUE C5:N:2 Word 2 ACCUMULATED VALUE
  • 49.
     Count-Down (CD)Enable Bit —The count-down enable bit is used with the count-down counter and is true whenever the count-down counter instruction is true. If the count- down counter instruction is false, the CD bit is false.  Done (DN) Bit —The done bit is true whenever the accumulated value is equal to or greater than the preset value of the counter, for either the count-up or the count- down counter. CTU – UP Counter Instruction Control Word
  • 50.
    CTU – UPCounter Instruction Control Word  Underflow (UN) Bit —The underflow bit will go true when the counter counts below 32,768. The counter will wrap around to 132,767 and continue counting down toward 0 on successive false-to-true rung transitions of the count-down counter.  Update Accumulator (UA) Bit —The update accumulator bit is used only in conjunction with an external HSC (high-speed counter).
  • 51.
    Data Handling Instructions Sr. No. InstructionName Description 1 MOV Move Moves the source value to the destination. 2 MVM Masked Move Moves data from a source location to a selected portion of the destination.
  • 52.
    MOV Instruction  Whenthe rung is true, input switch A closed, the value stored at the source address, N7:30, is copied into the destination address, N7:20.  When the rung goes false, input switch A opened, the destination address will retain the value unless it is changed elsewhere in the program.  The source value remains unchanged and no data conversion occurs. MOV MOVE Source Destination N7:30 N7:20 PB1 N7:30 N7:20
  • 53.
    MVM Instruction  Themove with mask (MVM) instruction differs slightly from the MOV instruction because a mask word is involved in the move.  The data being moved must pass through the mask to get to their destination address.  Masking refers to the action of hiding a portion of a binary word before transferring it to the destination address.
  • 54.
    MVM Instruction  Thepattern of characters in the mask determines which source bits will be passed through to the destination address.  The bits in the mask that are set to zero (0) do not pass data.  Only the bits in the mask that are set to one (1) will pass the source data through to the destination.  Bits in the destination are not affected when the corresponding bits in the mask are zero.  The MVM instruction is used to copy the desired part of a 16-bit word by masking the rest of the value. MVM B3:0 MASKED MOVE Source 1010101010101010 Mask B3:1 FF0F B3:4 Destination 1010101011001010
  • 55.
    MVM Instruction MVM B3:0 MASKED MOVE Source 1010101010101010 MaskB3:1 FF0F B3:4 Destination 1010101011001010 PB1 1 0 1 0 1 0 1 0 1 0 1 0 1 0 1 0 1 1 1 1 1 1 1 1 0 0 0 0 1 1 1 1 1 1 0 0 1 1 0 0 1 1 0 0 1 1 0 0 1 0 1 0 1 0 1 0 1 1 0 0 1 0 1 0 Source B3:0 Mask FF0F Destination B3:4 before instruction went true Destination B3:4 after instruction went true
  • 56.
    Logical Instructions Sr. No. Instruction NameDescription 1 AND Logical AND Perform operation Bitwise AND 2 OR Logical OR Perform operation Bitwise OR 3 XOR Logical XOR Perform operation Bitwise XOR
  • 57.
    Logical Instructions Sr. No. Instruction NameDescription 4 NOT Inversion Perform inversion of given source 5 CLR Clear Clear destination
  • 58.
    AND – LogicalAND Instruction AND B3:0 Destination B3:2  The AND command is used to perform the logic AND instruction on each bit of the value in source A with each bit of the value of source B, storing the output logic in the destination. B3:1 BITWISE AND Source A Source B B3:0 0 0 0 0 0 0 0 0 0 0 1 0 1 0 1 0 B3:1 0 0 0 0 0 0 0 0 0 0 1 1 1 1 1 0 B3:2 0 0 0 0 0 0 0 0 0 0 1 0 1 0 1 0
  • 59.
    OR – LogicalOR Instruction OR B3:0 Destination B3:2  The OR command is used to perform the logic OR instruction on each bit of the value in source A with each bit of the value of source B, storing the output logic in the destination. B3:1 BITWISE INCLUSIVEOR Source A Source B B3:0 0 0 0 0 0 0 0 0 0 0 1 0 1 0 1 0 B3:1 0 0 0 0 0 0 0 0 0 0 1 1 1 1 1 0 B3:2 0 0 0 0 0 0 0 0 0 0 1 1 1 1 1 0
  • 60.
    XOR – LogicalXOR Instruction XOR B3:0 Destination B3:2  The XOR command is used to perform the logic XOR instruction on each bit of the value in source A with each bit of the value of source B, storing the output logic in the destination. B3:1 BITWISE EXCLUSIVEOR Source A Source B B3:0 0 0 0 0 0 0 0 0 0 0 1 0 1 0 1 0 B3:1 0 0 0 0 0 0 0 0 0 0 1 1 1 1 1 0 B3:2 0 0 0 0 0 0 0 0 0 0 0 1 0 1 0 0
  • 61.
    NOT – InversionInstruction NOT NOT Source B3:0 Destination B3:1  The NOT instruction is used to perform the NOT logic on the value in the source, bit by bit. The output logic value returned in the destination is the one's complement or opposite of the value in the source. B3:0 0 0 0 0 0 0 0 0 0 0 1 0 1 0 1 0 B3:1 1 1 1 1 1 1 1 1 1 1 0 1 0 1 0 1
  • 62.
    CLR – ClearInstruction  The CLR instruction is used to set the destination value of a word to zero. CLR CLEAR Destination B3:1 0 0 0 0 0 0 0 0 0 0 0 0 0 0 0 0 B3:1
  • 63.
    XIC, XIO, OTE,OTL, OUT, TON, TOF, RTO, RES, CTU, CTD, HSC, MOV, MVM, AND, OR, XOR, NOT, CLR, EQU, NEQ, LES, GRT, LEQ, GEQ,
  • 64.
    Data Compare Instructions Sr. No. InstructionName Description 1 EQU Equal Tests whether two values are equal. 2 NEQ Not Equal Tests whether one value is not equal to a second value. 3 LES Less Than Tests whether one value is less than a second value.
  • 65.
    Data Compare Instructions Sr. No. InstructionName Description 4 GRT Greater Than Tests whether one value is greater than a second value. 5 LEQ Less Than or Equal Tests whether one value is less than or equal to a second value. 6 GEQ Greater Than or Equal Tests whether one value is greater than or equal to a second value.
  • 66.
    EQU – EqualInstruction EQU EQUAL Source A T4:0.ACC Source B N7:40  The equal (EQU) instruction is an input instruction that compares source A to source B: when source A is equal to source B, the instruction is logically true; otherwise it is logically false.
  • 67.
    NEQ – NotEqual Instruction NEQ NOT EQUAL Source A N7:5 Source B 25  The not equal (NEQ) instruction is an input instruction that compares source A to source B: when source A is not equal to source B, the instruction is logically true; otherwise it is logically false.
  • 68.
    GRT – GreaterThan Instruction  The greater than (GRT) instruction is an input instruction that compares source A to source B: when source A is greater than source B, the instruction is logically true; otherwise it is logically false. GRT GREATER THAN Source A Source B T4:0.ACC 200
  • 69.
    LES – LessThan Instruction LES LESS THAN Source A C5:10.ACC Source B 350  The less than (LES) instruction is an input instruction that compares source A to source B: when source A is less than source B, the instruction is logically true; otherwise it is logically false.
  • 70.
    GEQ – GreaterThan or Equal Instruction  The greater than or equal (GEQ) instruction is an input instruction that compares source A to source B: when source A is greater than or equal to source B, the instruction is logically true; otherwise it is logically false. Source B GEQ GREATER THAN OR EQUAL Source A N7:55 N7:12
  • 71.
    LEQ – LessThan or Equal Instruction LEQ LESS THAN OR EQUAL Source A C5:1.ACC Source B 457  The less than or equal (LEQ) instruction is an input instruction that compares source A to source B: when source A is less than or equal to source B, the instruction is logically true; otherwise it is logically false.
  • 72.
    Ladder Diagram forAND Gate Input Input A B Output Input B Output Applied Voltage (a) Input A (b) (c)
  • 73.
    Ladder Diagram forOR Gate B Applied Voltage Input A Input B Output Input A Input B Output Input B Output Input A (a) (b) (c) (d)
  • 74.
    Ladder Diagram forNOT Gate A Applied Voltage (a) Input A Output Input A Output (b) (c)
  • 75.
    Ladder Diagram forNAND Gate Input A Input B Output Input A Input B Output (a) (b)
  • 76.
    Ladder Diagram forNOR Gate Input A Input B Output Input A Input B Output (a) (b)
  • 77.
    Ladder Diagram forEx-OR Gate t A Input B Output Input A Input B Output Inpu Input A Input B (a) (b)
  • 78.
    Ladder Diagram forEx-NOR Gate t A Input B Output Input A Input B Output Inpu Input A Input B (a) (b)
  • 79.
    Example 1 Draw Ladderdiagram for given logic diagram A B C Y A C Y B
  • 80.
    Example 2 Draw Ladderdiagram for given logic diagram A B C D Y A C Y B D
  • 81.
    Example 3 Draw Ladderdiagram for given logic diagram A B C Y A B Y C
  • 82.
    Example 4 Draw Ladderdiagram for given logic diagram A B Y A B Y C C D D
  • 83.
    Example 7 Draw Ladderdiagram for given Boolean Expression Y  A B C  D A B Y C D
  • 84.
    Example 14 Draw Ladderdiagram for given Boolean Expression Y  A ( B  C )  B ( A  C ) B A Y A B C C
  • 85.
    Example 21 Draw Ladderdiagram to switch off three motors sequentially at 5 seconds interval
  • 86.
  • 87.
    Example 22 Draw Ladderdiagram for 2 motor operations for following conditions 1. Start push button starts motors M1 and M2 2. Stop push button stop motors M1 first and after 10 sec motor M2
  • 88.
    EN DN TIMER OFF DELAY Timer TimeBase Preset Accumulated T4:1 1:0 10 0 TOF Start T4:1/DN M2 Example 22 M1 I:0/0 Stop I:0/1 O:0/0 O:0/0 O:0/1