Unit 1
ELECTROMAGNETISM
 ( Keelektromagnetan )
General Objective

To understand the basic principles of
         electromagnetism.
1.0 INTRODUCTION
             Arah uratdaya magnet




The pattern of magnetic field of bar a magnet.
Tarikan




Tolakan


          Attraction and Repulsion
          ( tarikan dan tolakan )
1.1   CURRENT-CARRYING CONDUCTOR AND
          ELECTROMAGNETISM
       ( keelektromagnetan ke atas pengalir
               yang membawa arus )

• A flow of current through a wire
  produces a magnetic field in a circular
  path around the wire.The direction of
  magnetic line of flux around the wire
  is best remembered by the screw
  rule or the grip rule.
Arus masuk




Arus keluar




 The field pattern of current flowing in the wire
tarikan                       tolakan

( a) flow in the same direction   ( b) opposite direction
If two closed current-carrying conductors
 flow in the same direction, magnetic flux
   around that conductor will combine to
create attraction between them. If closed
     current-carrying conductors flow in
  opposite direction, these two conductors
           will repulse each other
1.2. MAGNETIC FIELD STRENGTH, H
            (MAGNETISING FORCE)

• Magnetic field strength is defined as
  magnetomotive force, Fm

         Fm NI
      H=    =                   ampere turn / metre
          l   l
      N = bilangan lilitan pengalir
      I = arus yang mengalir
      l = panjang bahan magnet
1.3. MAGNETIC QUANTITY AND THEIR
             RELEVANT FORMULAE

•   1.3.1 Magnetic Flux and Flux density
    -Magnetic flux,Φ is the amount of magnetic
    filed produced by a magnetic source.


    - Flux density,B is the amount of flux
      passing through a defined area


       unit for flux is the weber, wb
Φ
-   Flux density, B   =       Tesla
                          A
• Example 1.1
• A current of 500mA is passed through a
  600 turn coil wound of a iron of mean
  diameter 10cm. Calculate the magnetic
  field strength.
Example 1.2
• An iron ring has a cross-sectional area of
  400 mm2 and a mean diameter of 25 cm.
  it is wound with 500 turns. If the value of
  relative permeability is 250, find the total
  flux set up in the ring. The coil resistance
  is 474 Ω and the supply voltage is 20 V.
Fig. 1.1.
● 1.3.2 Permeability ( ketelapan )
 ( Kebolehan sesuatu bahan magnet untuk
     menghasilkan uratdaya magnet )
  the ratio of magnetic flux density to
  magnetic field strength is constant

       B
              = a constant
       H
For air, free space and any other
non-magnetic medium, the ratio
   B
     = μ 0 = 4π x 10-7 H/m
   H


For all media other than free pace,
       B
         = μ0μr
       H
Cast iron μr = 100 – 250
Mild steel μr = 200 – 800
Cast steel μr = 300 – 900
 μr for a vacuum is 1

 μ - absolute permeability
 μr - relative permeability
 μo - air permeability

 where μ = μoμr
•   1.3.3 Reluctance ( Engganan )
    Reluctance, S is the magnetic resistance
    of a magnetic circuit
        Fm   Hl   H l   1 l
    S =    =    =     =
        Φ    BA   B A μ ομ r A
        unit for reluctance is H-1
Perbadingan di antara Litar Elekrik
     Dengan Litar magnet
  Litar Elektrik     Litar Magnet
1. Arus            1. Uratdaya ( Fluks )
2. Dge             2. Dgm
3. Rintangan       3. Engganan
• Example 1.3
  A magnetic pole face has rectangular section
  having dimensions 200mm by 100mm. If the
  total flux emerging from the the pole is 150μWb,
  calculate the flux density.
  Example 1.4
  A flux density of 1.2 T is produced in a piece of
  cast steel by a magnetizing force of 1250 A/m.
  Find the relative permeability of the steel under
  these conditions.
• Example 1.5
 Determine the reluctance of a piece of metal of
 length 150mm, and cross sectional is 100mm2
 when the relative permeability is 4000. Find also
 the absolute permeability of the metal.
  Exersice 1
  The maximum working flux density of a lifting
  electromagnet is 1.8 T and the effective area
  of a pole face is circular in cross-section.
  If the total magnetic flux produced is 353 mWb,
  determine the radius of the pole.
1.4 ELECTROMAGNETIC INDUCTION

When a conductor is moved across a magnetic
field so as to cut through the flux,
an electromagnetic force (e.m.f.) is produced
in the conductor. This effect is known as
electromagnetic induction. The effect of
electromagnetic induction will cause
induced current.
Two laws of electromagnetic induction
  i. Faraday’s law




             Conductor cuts flux
Flux cuts conductor
This induced electromagnetic field is given by
                                θ°
  Where ,

  B     =     flux density, T
        =     length of the conductor in
               the magnetic field, m
  v     =     conductor velocity, m/s
ii. Lenz’z Law




      Bar magnet move in and move out
              from a solenoid
Example 1.6
A conductor 300mm long moves at a uniform
speed of 4m/s at right-angles to a uniform
magnetic field of flux density 1.25T. Determine
the current flowing in the conductor when
 i. its ends are open-circuited
 ii. its ends are connected to a load of 20 Ω
resistance.
Exersice 2

   A conductor of length 0.5 m situated in and at
   right angles to a uniform magnetic field of flux
   density 1 wb/m2 moves with a velocity of 40
   m/s. Calculate the e.m.f induced in the
   conductor. What will be the e.m.f induced if the
   conductor moves at an angle 60º to the field.
Solution to Example 1.3
Magnetic flux, Φ = 150 μWb = 150 x 10-6 Wb
Cross sectional area, A = 200mm x 100mm
                        = 20 000 x 10-6m2

                  Φ    150 × 10 − 6
Flux density, B =   =
                  A   20000 × 10 − 6
               = 7.5 mT
Solution to Example 1.4

              B = μ0μr H
                     B          1.2
              μr =      =
                   μ 0 H (4π × 10−2 )(1250)
                 = 764
Solution to Example 1.5
                                                 l
   Reluctance, S    =
                                       μ    0   μ    r   A

                                     150 × 10 − 3
               =
                        ( 4π × 10 − 7 )( 4000 )(100 × 10 − 6 )

               =              H-1
     Absolute permeability,   μ = μ0μr
                                 ( 4π × 10 − 7 )( 4000 )
                                = 5.027 x 10-3 H/m
Solution To Example 1.6




       i. If the ends of the conductor are open
          circuited, no current will flow even though
          1.5 V has been induced.


       ii. From Ohm’s law
                        E   1 .5
                  I =     =      75 mA
                        R    20
Unit 2

GENERATOR
• OBJECTIVES


 To apply the basic principle of DC
       generator, construction
principle and types of DC generator.
2.0 Introduction

• A generator is a machine that converts
 mechanical energy into electrical energy
    by using the principle of magnetic
                 induction.
Penjana Arus Terus

Rajah Blok

  Sumber         Tenaga       Tenaga
  Tenaga         Mekanikal    Elektrikal

             Rajah Blok Penjana
Pengalir    Medan Magnet




The Princple of the DC Generator
 ( base on the Faraday’s Law )
The Princple of the DC Generator
The Princple of the AC Generator
• Whenever a conductor is moved within a
     magnetic field in such a way that the
   conductor cuts across magnetic lines of
 flux, voltage is generated in the conductor.
            - Faraday’s Law
• The POLARITY of the voltage depends on
   the direction of the magnetic lines of flux
     and the direction of movement of the
   conductor. To determine the direction of
  current in a given situation, the RIHGT-HAND
         RULE FOR GENERATORS is used.
Right-Hand Rule
• The AMOUNT of voltage generated
  depends on :
   i. the strength of the magnetic field,
   ii. the angle at which the conductor cuts
        the magnetic field,
   iii. the speed at which the conductor is
         moved, and
   iv. the length of the conductor within the
        magnetic field.
Model DC Generator
The Princple of the Generating AC Voltage
The Princple of the Generating DC Voltage
2.1 THE PATHS OF THE DC GENERATOR

   1. Armature ( angker )
2. Stator ( penetap )
Cross sectional of the DC Generator
Steam Turbine Generator
Hidro Electric Station
Alternator
Nuclear Power Generator
Wind Power Generator
Small Generator
2.2. Types of DC Generator

     Gelung Medan




              Stator ( penetap )
(Gelung angker)


        Armature ( Angker )
Stator and Armature
Bahagian Angker
( Gelung Angker )




                    Bahagian Stator
                    (Gelung Medan)
Types of DC Generator

• Separately-excited generators
• Self-excited generators
     i. Shunt-wound generator
    ii. Series-wound generator
   iii. Compound-wound generator
       a. Short compound generator
       b. Long compound generator
1. Penjana Ujaan Berasingan
                               Angker
                  Medan




       DC Power
       Supply




            Penjana Ujaan Berasingan
2. Penjana Ujaan Diri




          1. Series-wound generator
2. Shunt-wound generator
3. Compound-wound generator
Example 2.1

       A shunt generator supplies a 20 kW
       load at 200 V. If the field winding
       resistance, Rf = 50Ω and the
       armature resistance Ra = 40 mΩ,
       determine
         (a) the terminal voltage
         (b) the e.m.f. generated in the armature
2.3. E.m.f generated ( Voltan janaan, dge )
                            2p Φ Zn
  generated e.m.f, Eg   =
                                c
   Where ; Z = number of armature conductors,
           Φ = useful flux per pole in Webers
          Ρ = number of pairs of poles
          n = armature speed in rev/s


            ( c=2 for a wave winding and
              c= 2p for a lap winding )
Example 2.2.

 An 8-pole generator, wave winding
 connected armature has 600 conductor
 and is driven 625 rev/min. If the flux per
 pole is 20mWb, determine the generated
 e.m.f.
Solution
Z = 600, c = 2 for a wave winding
P = 4 pairs, n = 625/60 rev/min, Φ = 30 × 10-3 Wb

               2p Φ Zn
 Dge, Eg =
                  c
                              625
              2(4)(20 × 10 )(
                           -3
                                  )
                               60
                        2
Example 2.3.
 A 4-pole generator has a lap winding
 armature, with 50 slots and 16 conductors
 per slot. The useful flux per pole is
 30mWb. Determine the speed at which the
 machine must be driven to generate an
 e.m.f. of 240 volts.
E = 240 V, Z = 50 x 16 = 800
c = 2p (for a lap winding), Φ = 30 × 10-3 Wb



                   Ans : ( 10 rev/s )
2.4 Power Losses and Efficiency

  For any type of machine, output power is
 different from input power. The difference is
 caused by power losses that had happened
  whenever one type of energy is converted
         or delivered to the other type.
The principal losses of machine are:
• Copper loss ( I2R )
• Iron losses, due to hysteresis and eddy
  current
• Friction and windage losses
• Brush and contact losses ( vB )
2.4.1. Efficiency of DC generator
       The efficiency of an electrical
     machine is the ratio of the output
    power and input. The greek letter ‘η’
   (eta) is used to signify efficiency, the
           efficiency has no units.
output power
efficiency, η = (              ) × 100 %
                   input power

                    Vo
             η =(         ) × 100%
                  Vo + VD

                           VL I L
       η=    (                                ) × 100 %
               VL I L + I a R a + I f V f + C
                          2
Example 2.4

   A shunt generator supplies 96 A at a terminal voltage
   of 200 volts. The armature and shunt field resistances
   are 0.1Ω and 50Ω respectively. The iron and frictional
   losses are 2500 W.
   Find :
                  (i)   e.m.f generated.
                  (ii)  copper losses
                  (iii) efficiency
Example 2.5
   A 75 kW shunt generator is operated at 230
   V. The stray losses are 1810 W and shunt
   field circuit draws 5.35 A. The armature
   circuit has a resistance of 0.035 Ω and
   brush drop is 2.2 V. Calculate :
        1. total losses
        2. input of prime mover
        3. efficiency at rated load.
Unit 3
DC Motor
DC motors are very
      useful in many
    applications of our
     everyday life, for
example controlling, such
 as crane, tape driver, lift
   system and others.
OBJECTIVES

• General Objective
  To apply the basic principles of DC motor
    operation, types of DC motor and their
                  application
• Specific Objectives

• Explain the principle operation of DC
  motor
• List the types of DC motor
• State the left-handed rule for motors
• List the advantages and disadvantages of
  the different types of DC motors.
• State typical applications of DC motors
3.1 INTRODUCTION


DC Motor is a machine that converts
  electrical energy into mechanical
               energy.
Electrical    Mechanical
Load
    Energy          Energy

                Blok Diagram
Electrical DC Motor
3. 2 THE PARTS OF DC MOTOR


Stator




                                armature
                                ( rotor )
Commutator      Carbon Brush




shaft




        Fan      Stator    Rotor
field coil




Cross sectional of the Stator
Armature
Armature coil


Commutator


shaft



                        Armature
Armature
TEST YOUR UNDERSTANDING

      1 . What is a DC motor?


      2. State the uses of DC motors.


      3. What are the parts of DC motors?
3. 3 PRINCIPLE OF OPERATION

Fleming′s Left Hand Rule
When a wire carrying current sits into a magnetic field, a
       force is created on the wire causing it to move
 perpendicular ( tegak lurus ) to the magnetic field. The
greater the current in the wire, or the greater the magnetic
  field, the faster the wire moves because of the greater
 force created. If the wire sits parallel with the magnetic
           field, there will be no force on the wire.
conductor




( field )




 Left-hand rule for DC motors
field diretion




power supply
DC motor rotation
3.4 TYPES OF DC MOTOR


• The series DC motor
• The shunt DC motor
• The compound DC motor
Series DC motor
Shunt DC motor
Compound DC motor
Question

  1. What are three major types of DC
 motor?

   2. Draw the schematic diagram of series,
      shunt and compound of DC motors.
3.5 BACK ELECTROMOTIVE FORCE

              2Φ N r p
         Eb =
                60

• Φ =    useful flux per pole in webers
• Nr =   the speed in revolution per minute
• P =    the number of pairs of poles
• Torque ( Daya kilas )

             60 E b I a
        Ta =
              2Π n
Example

  A 350 V shunt motor runs at its normal speed of 12rev/s
  when the armature current is 90 A. The resistance of
  the armature is 0.3 Ω.
    Find the speed when the armature current is 45 A and
   a resistance of 0.4 Ω is connected in series with the
   armature, the shunt field remaining constant.
3.6 FACTORS THAT INFLUENCE SPEED
    CONTROL OF DC MOTOR


   The speed of a dc motor is changed
   by changing the current in the field or
   by changing the current in the
   armature.
Controlling motor speed.
3.7 REVERSE DIRECTION METHOD

• The direction of rotation of a dc motor
  depends on the direction of the magnetic
  field and the direction of current flow in the
  armature.
3.8 EFFICIENCY AND POWER LOSSES

Kecekapan
                  output power
  efficiency, η =              × 100%
                  input power

        VI − I R a − I f V − C
              2

 η =(                            ) × 100 %
              a

                  VI
Example

 A 320 V shunt motor takes a total current of 80 A
 and runs at 1000 rev/min. If the iron, friction and
 windage losses amount to 1.5 kW, the shunt
 field resistance is 40 Ω and the armature
 resistance is 0.2 Ω, determine the overall
 efficiency of the motor.
Unit 4
AC ELECTRIC MACHINES
OBJECTIVES

To analyze the basic principles of operation
   of an AC generator and the differences
  between DC generator and AC generator
      by using commutator and slip ring.
4.1 INTRODUCTION

An electric generator is a device used to
convert mechanical energy into electrical
energy.
The generator is based on the principle of
"electromagnetic induction" discovered by
Michael Faraday Law’s.
The simple of Electric Generator
AC Generator
COMMUTATOR




DC generator
Output voltage
(AC waveform)




(DC waveform)
The amount of voltage generated
     depends on the following:

•   The strength of the magnetic field.
•   The angle at which the conductor cuts the
    magnetic field.
•   The speed at which the conductor is moved
•   The length of the conductor within the
    magnetic field.
4.2 THE DIFFERENCES BETWEEN AC
   GENERATOR AND DC GENERATOR

  The difference between AC and DC generator is
  that the DC generator results when you replace
   the slip rings of an elementary generator with
              commutator, changing the
           output from AC to pulsating DC.
       AC generator is also called Alternator.
4.3 E.M.F. Equation of an Alternator
      E rms / phase = 2.22 KdKp f Φ Z volts
       where, Z = No. of conductors or coil
              Φ = Flux per pole in webers
              P = Number of rotor poles
              N = Rotor speed in r.p.m
              Kd = Distribution factor
              Kp = Pitch factor

                    ⎛    120 f   ⎞
                    ⎜N =
                    ⎜            ⎟
                                 ⎟
                    ⎝      p     ⎠
Star-connected   Delta-connected
Example 4.1
   A 3-phase, 50 Hz star-connected
   alternator has 180 conductors per phase
   and flux per pole is 0.0543 wb.
  Find:-
  a) e.m.f. generated per phase
  b) e.m.f. between line terminals.
     Assume the winding to be full pitched
     and distribution factor to be 0.96.
Exersice 1
  Find the number of armature conductors
   in series per phase required for the
   armature of a 3-phase, 50Hz, 10-pole
   alternator. The winding is star-connected
   to give a line voltage of 11000. The flux
   per pole is 0.16 wb. Assume Kp = 1 and
  Kd = 0.96.
4.4 AC motor




 Stator for an AC motor.
Rotor
Rotor
Differences between AC Motor and DC motor


In general, AC motors cost less than DC
motors. Some types of AC motors do not
use brush carbon and commutators.

  What is the advantage of AC motor over DC motor ?
4.5 Types of AC Motor
1. Series AC Motor
2. Synchoronous Motors
3. Induction Motors
Types of starting induction motor

1. Capasitor-Start
2. Resistance-Start.
• Slip
     The actual mechanical speed (nr) of the
     rotor is often expressed as a fraction of
     the synchronous speed (ns) as related by
     slip (s), defined as

                      n   s    − n   r
               S=
                              n s
120 f
     where ns   =
                    P
                      n s − nr
Percent slip, %s =                × 100%
                         ns
                and     fr = sf

                 fr = frequency rotor
Example 4.2

 Determine the synchronous speed of the
 six pole motor operating from a 220V,
 50Hz source.
Example 4.3
   The stator of a 3-phase, 4 pole induction motor is
    connected to a 50 Hz supply. The rotor runs at 1455
    rev/min at full load. Determine:
      a) the synchronous speed
      b) the slip
Example 4.4

The frequency of the supply to the stator of an 8-pole
induction motor is 50 Hz and the rotor frequency is 3 Hz.
Determine
i. the slip
ii. the rotor speed
Example 4.5

   A 4-pole, 3 phase, 50 Hz induction motor runs at 1440
   rev/min at full load. Calculate
   a) the synchronous speed
   b) the percent of slip
   c) the frequency of the rotor.
Unit 5
TRANSFORMER
OBJECTIVES

To understand the basic principles of
     a transformer, construction
 principle, transformer ratio, current
  and core, type of transformer and
                 uses.
At the end of the unit you will be able to :
• explain the operating principles of a
  transformer
• describe transformer construction
• explain transformer ratio for voltage,
  current and winding coil.
• calculating of the efficiency.
• describe auto transformer
Primary                         Secondary
winding                          winding


                                     Core
 Coil /
Winding



          transformer construction
5.1 Introduction


    The basic transformer is an electrical
  device that transfers alternating-current
  energy from one circuit to another circuit
     by magnetic flux of the primary and
   secondary windings of the transformer.
A transformer circuit
A transformer circuit



Primary                           Secondary
winding                            winding
Primary                               Secondary




          Simbol of the transformer
The uses of the transformer
A transformer is a device which used to
change the values of alternating voltages
or currents to step-up or step-down.
High-voltage transformer
Sub-station transformer
5.2 Transformer Ratio, K
• Ep = 4.44 Np f Φm volts
• Es = 4.44 Ns f Φm volts

• If K < 1 i.e. Ns < Np : step-down
• If K > 1 i.e. Ns > Np : step-up
• If K = 1 i.e. Ns = Np : coupling
equations of ideal transformer
       V p Np     Is
               =        =
          Vs       Νs       I   p


Transformer rating :
  The rating of the input power of the transformer.
  example : 25     kVA ( kV x Arus )
Example 5.1
 A 2000/200V, 20kVA transformer has 66 turns in the
  secondary. Calculate
 (i) primary turns
 (ii)   primary and secondary


Example 5.2
 A 250 kVA, 1100 V / 400 V, 50 Hz single-phase
 transformer has 80 turns on a secondary. Calculate :
          a) the values of the primary and secondary
        currents.
          b) the number of primary turns.
          c) the maximum values of flux.
Example 5.3


  An ideal 25 kVA transformer has 500 turns on the
  primary winding and 40 turns on the secondary winding.
  The primary is connected to 3000 V, 50 Hz supply.
  Calculate
  (i) primary and secondary currents
  (ii) secondary e.m.f. and
  (iii) the maximum core flux
Michael-Faraday
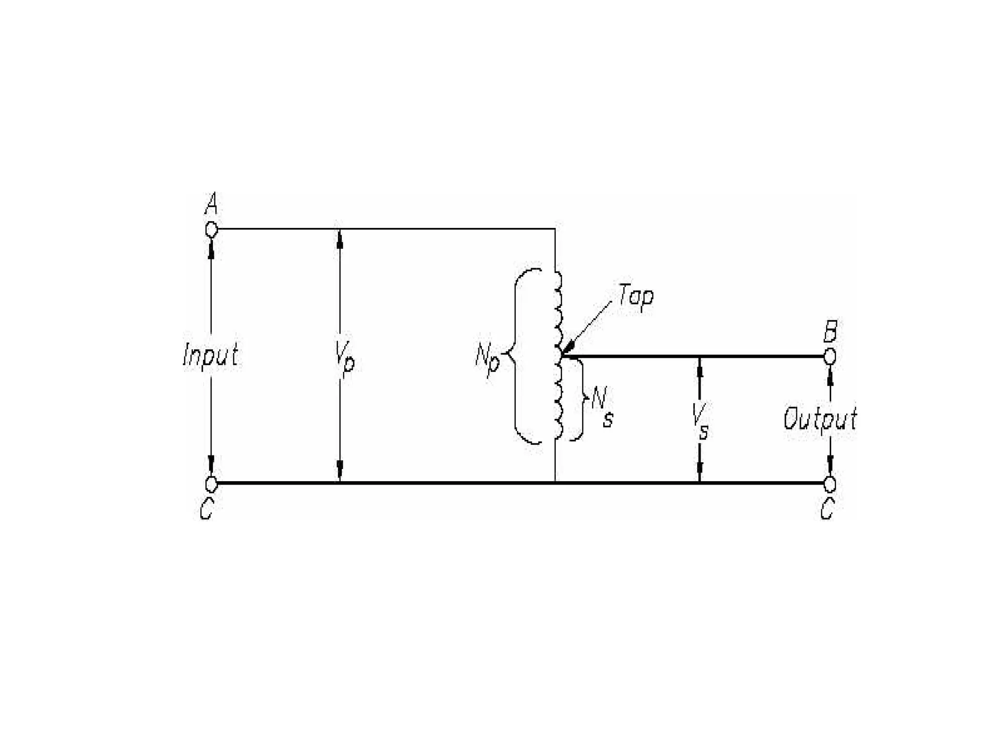
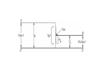
5.3 Auto-transformer



 An auto-transformer is a transformer
 having a part of its winding common to the
 primary and secondary circuits
auto-transformer
Advantages and disadvantages of auto
transformers

- a saving in a cost
- less volume, hence less weight.
- higher efficiency
- a continuously variable output
- a smaller percentage voltage regulation.
5.4 Efficiency and losses of a transformer

 The losses which occur in the transformer :-
   i. copper losses, I2R
  ii. Core losses , Pc
       - hysterises
       - eddy current
output power
Efficiency =
                input power

                   output power
          =
               output power + losses
                               I sVs × p.f.
          =
               I sVs × p.f. + Pc + I p R p + I s Rs
                                      2         2
Example 5.4

 The primary and secondary windings of a 500
 kVA transformer have resistances of 0.42 Ω and
 0.0019 Ω respectively. The primary and
 secondary voltages are 11 000 V and 400 V
 respectively and the core loss is 2.9 kW,
 assuming the power factor of the load to be 0.8.
 Calculate the efficiency on :
     i. full load
     ii. half load
‘Manusia tidak pernah merancang
  untuk gagal, tetapi gagal untuk
           merancang’

     “Selamat maju jaya”

Lecture note e2063

  • 1.
    Unit 1 ELECTROMAGNETISM (Keelektromagnetan )
  • 2.
    General Objective To understandthe basic principles of electromagnetism.
  • 3.
    1.0 INTRODUCTION Arah uratdaya magnet The pattern of magnetic field of bar a magnet.
  • 4.
    Tarikan Tolakan Attraction and Repulsion ( tarikan dan tolakan )
  • 5.
    1.1 CURRENT-CARRYING CONDUCTOR AND ELECTROMAGNETISM ( keelektromagnetan ke atas pengalir yang membawa arus ) • A flow of current through a wire produces a magnetic field in a circular path around the wire.The direction of magnetic line of flux around the wire is best remembered by the screw rule or the grip rule.
  • 6.
    Arus masuk Arus keluar The field pattern of current flowing in the wire
  • 7.
    tarikan tolakan ( a) flow in the same direction ( b) opposite direction
  • 8.
    If two closedcurrent-carrying conductors flow in the same direction, magnetic flux around that conductor will combine to create attraction between them. If closed current-carrying conductors flow in opposite direction, these two conductors will repulse each other
  • 9.
    1.2. MAGNETIC FIELDSTRENGTH, H (MAGNETISING FORCE) • Magnetic field strength is defined as magnetomotive force, Fm Fm NI H= = ampere turn / metre l l N = bilangan lilitan pengalir I = arus yang mengalir l = panjang bahan magnet
  • 10.
    1.3. MAGNETIC QUANTITYAND THEIR RELEVANT FORMULAE • 1.3.1 Magnetic Flux and Flux density -Magnetic flux,Φ is the amount of magnetic filed produced by a magnetic source. - Flux density,B is the amount of flux passing through a defined area unit for flux is the weber, wb
  • 11.
    Φ - Flux density, B = Tesla A
  • 12.
    • Example 1.1 •A current of 500mA is passed through a 600 turn coil wound of a iron of mean diameter 10cm. Calculate the magnetic field strength.
  • 13.
    Example 1.2 • Aniron ring has a cross-sectional area of 400 mm2 and a mean diameter of 25 cm. it is wound with 500 turns. If the value of relative permeability is 250, find the total flux set up in the ring. The coil resistance is 474 Ω and the supply voltage is 20 V.
  • 14.
  • 15.
    ● 1.3.2 Permeability( ketelapan ) ( Kebolehan sesuatu bahan magnet untuk menghasilkan uratdaya magnet ) the ratio of magnetic flux density to magnetic field strength is constant B = a constant H
  • 16.
    For air, freespace and any other non-magnetic medium, the ratio B = μ 0 = 4π x 10-7 H/m H For all media other than free pace, B = μ0μr H
  • 17.
    Cast iron μr= 100 – 250 Mild steel μr = 200 – 800 Cast steel μr = 300 – 900 μr for a vacuum is 1 μ - absolute permeability μr - relative permeability μo - air permeability where μ = μoμr
  • 18.
    1.3.3 Reluctance ( Engganan ) Reluctance, S is the magnetic resistance of a magnetic circuit Fm Hl H l 1 l S = = = = Φ BA B A μ ομ r A unit for reluctance is H-1
  • 19.
    Perbadingan di antaraLitar Elekrik Dengan Litar magnet Litar Elektrik Litar Magnet 1. Arus 1. Uratdaya ( Fluks ) 2. Dge 2. Dgm 3. Rintangan 3. Engganan
  • 20.
    • Example 1.3 A magnetic pole face has rectangular section having dimensions 200mm by 100mm. If the total flux emerging from the the pole is 150μWb, calculate the flux density. Example 1.4 A flux density of 1.2 T is produced in a piece of cast steel by a magnetizing force of 1250 A/m. Find the relative permeability of the steel under these conditions.
  • 21.
    • Example 1.5 Determine the reluctance of a piece of metal of length 150mm, and cross sectional is 100mm2 when the relative permeability is 4000. Find also the absolute permeability of the metal. Exersice 1 The maximum working flux density of a lifting electromagnet is 1.8 T and the effective area of a pole face is circular in cross-section. If the total magnetic flux produced is 353 mWb, determine the radius of the pole.
  • 22.
    1.4 ELECTROMAGNETIC INDUCTION Whena conductor is moved across a magnetic field so as to cut through the flux, an electromagnetic force (e.m.f.) is produced in the conductor. This effect is known as electromagnetic induction. The effect of electromagnetic induction will cause induced current.
  • 23.
    Two laws ofelectromagnetic induction i. Faraday’s law Conductor cuts flux
  • 24.
  • 25.
    This induced electromagneticfield is given by θ° Where , B = flux density, T = length of the conductor in the magnetic field, m v = conductor velocity, m/s
  • 26.
    ii. Lenz’z Law Bar magnet move in and move out from a solenoid
  • 27.
    Example 1.6 A conductor300mm long moves at a uniform speed of 4m/s at right-angles to a uniform magnetic field of flux density 1.25T. Determine the current flowing in the conductor when i. its ends are open-circuited ii. its ends are connected to a load of 20 Ω resistance.
  • 28.
    Exersice 2 A conductor of length 0.5 m situated in and at right angles to a uniform magnetic field of flux density 1 wb/m2 moves with a velocity of 40 m/s. Calculate the e.m.f induced in the conductor. What will be the e.m.f induced if the conductor moves at an angle 60º to the field.
  • 29.
    Solution to Example1.3 Magnetic flux, Φ = 150 μWb = 150 x 10-6 Wb Cross sectional area, A = 200mm x 100mm = 20 000 x 10-6m2 Φ 150 × 10 − 6 Flux density, B = = A 20000 × 10 − 6 = 7.5 mT
  • 30.
    Solution to Example1.4 B = μ0μr H B 1.2 μr = = μ 0 H (4π × 10−2 )(1250) = 764
  • 31.
    Solution to Example1.5 l Reluctance, S = μ 0 μ r A 150 × 10 − 3 = ( 4π × 10 − 7 )( 4000 )(100 × 10 − 6 ) = H-1 Absolute permeability, μ = μ0μr ( 4π × 10 − 7 )( 4000 ) = 5.027 x 10-3 H/m
  • 32.
    Solution To Example1.6 i. If the ends of the conductor are open circuited, no current will flow even though 1.5 V has been induced. ii. From Ohm’s law E 1 .5 I = = 75 mA R 20
  • 33.
  • 34.
    • OBJECTIVES Toapply the basic principle of DC generator, construction principle and types of DC generator.
  • 35.
    2.0 Introduction • Agenerator is a machine that converts mechanical energy into electrical energy by using the principle of magnetic induction.
  • 36.
    Penjana Arus Terus RajahBlok Sumber Tenaga Tenaga Tenaga Mekanikal Elektrikal Rajah Blok Penjana
  • 37.
    Pengalir Medan Magnet The Princple of the DC Generator ( base on the Faraday’s Law )
  • 38.
    The Princple ofthe DC Generator
  • 39.
    The Princple ofthe AC Generator
  • 40.
    • Whenever aconductor is moved within a magnetic field in such a way that the conductor cuts across magnetic lines of flux, voltage is generated in the conductor. - Faraday’s Law
  • 41.
    • The POLARITYof the voltage depends on the direction of the magnetic lines of flux and the direction of movement of the conductor. To determine the direction of current in a given situation, the RIHGT-HAND RULE FOR GENERATORS is used.
  • 42.
  • 44.
    • The AMOUNTof voltage generated depends on : i. the strength of the magnetic field, ii. the angle at which the conductor cuts the magnetic field, iii. the speed at which the conductor is moved, and iv. the length of the conductor within the magnetic field.
  • 45.
  • 46.
    The Princple ofthe Generating AC Voltage
  • 47.
    The Princple ofthe Generating DC Voltage
  • 48.
    2.1 THE PATHSOF THE DC GENERATOR 1. Armature ( angker )
  • 49.
    2. Stator (penetap )
  • 50.
    Cross sectional ofthe DC Generator
  • 51.
  • 52.
  • 53.
  • 54.
  • 55.
  • 56.
  • 57.
    2.2. Types ofDC Generator Gelung Medan Stator ( penetap )
  • 58.
    (Gelung angker) Armature ( Angker )
  • 59.
  • 60.
    Bahagian Angker ( GelungAngker ) Bahagian Stator (Gelung Medan)
  • 61.
    Types of DCGenerator • Separately-excited generators • Self-excited generators i. Shunt-wound generator ii. Series-wound generator iii. Compound-wound generator a. Short compound generator b. Long compound generator
  • 62.
    1. Penjana UjaanBerasingan Angker Medan DC Power Supply Penjana Ujaan Berasingan
  • 63.
    2. Penjana UjaanDiri 1. Series-wound generator
  • 64.
  • 65.
  • 66.
    Example 2.1 A shunt generator supplies a 20 kW load at 200 V. If the field winding resistance, Rf = 50Ω and the armature resistance Ra = 40 mΩ, determine (a) the terminal voltage (b) the e.m.f. generated in the armature
  • 67.
    2.3. E.m.f generated( Voltan janaan, dge ) 2p Φ Zn generated e.m.f, Eg = c Where ; Z = number of armature conductors, Φ = useful flux per pole in Webers Ρ = number of pairs of poles n = armature speed in rev/s ( c=2 for a wave winding and c= 2p for a lap winding )
  • 69.
    Example 2.2. An8-pole generator, wave winding connected armature has 600 conductor and is driven 625 rev/min. If the flux per pole is 20mWb, determine the generated e.m.f.
  • 70.
    Solution Z = 600,c = 2 for a wave winding P = 4 pairs, n = 625/60 rev/min, Φ = 30 × 10-3 Wb 2p Φ Zn Dge, Eg = c 625 2(4)(20 × 10 )( -3 ) 60 2
  • 71.
    Example 2.3. A4-pole generator has a lap winding armature, with 50 slots and 16 conductors per slot. The useful flux per pole is 30mWb. Determine the speed at which the machine must be driven to generate an e.m.f. of 240 volts.
  • 72.
    E = 240V, Z = 50 x 16 = 800 c = 2p (for a lap winding), Φ = 30 × 10-3 Wb Ans : ( 10 rev/s )
  • 73.
    2.4 Power Lossesand Efficiency For any type of machine, output power is different from input power. The difference is caused by power losses that had happened whenever one type of energy is converted or delivered to the other type.
  • 74.
    The principal lossesof machine are: • Copper loss ( I2R ) • Iron losses, due to hysteresis and eddy current • Friction and windage losses • Brush and contact losses ( vB )
  • 75.
    2.4.1. Efficiency ofDC generator The efficiency of an electrical machine is the ratio of the output power and input. The greek letter ‘η’ (eta) is used to signify efficiency, the efficiency has no units.
  • 76.
    output power efficiency, η= ( ) × 100 % input power Vo η =( ) × 100% Vo + VD VL I L η= ( ) × 100 % VL I L + I a R a + I f V f + C 2
  • 77.
    Example 2.4 A shunt generator supplies 96 A at a terminal voltage of 200 volts. The armature and shunt field resistances are 0.1Ω and 50Ω respectively. The iron and frictional losses are 2500 W. Find : (i) e.m.f generated. (ii) copper losses (iii) efficiency
  • 78.
    Example 2.5 A 75 kW shunt generator is operated at 230 V. The stray losses are 1810 W and shunt field circuit draws 5.35 A. The armature circuit has a resistance of 0.035 Ω and brush drop is 2.2 V. Calculate : 1. total losses 2. input of prime mover 3. efficiency at rated load.
  • 79.
  • 80.
    DC motors arevery useful in many applications of our everyday life, for example controlling, such as crane, tape driver, lift system and others.
  • 81.
    OBJECTIVES • General Objective To apply the basic principles of DC motor operation, types of DC motor and their application
  • 82.
    • Specific Objectives •Explain the principle operation of DC motor • List the types of DC motor • State the left-handed rule for motors • List the advantages and disadvantages of the different types of DC motors. • State typical applications of DC motors
  • 83.
    3.1 INTRODUCTION DC Motoris a machine that converts electrical energy into mechanical energy.
  • 84.
    Electrical Mechanical Load Energy Energy Blok Diagram
  • 85.
  • 87.
    3. 2 THEPARTS OF DC MOTOR Stator armature ( rotor )
  • 88.
    Commutator Carbon Brush shaft Fan Stator Rotor
  • 89.
  • 90.
  • 91.
  • 92.
  • 93.
    TEST YOUR UNDERSTANDING 1 . What is a DC motor? 2. State the uses of DC motors. 3. What are the parts of DC motors?
  • 94.
    3. 3 PRINCIPLEOF OPERATION Fleming′s Left Hand Rule
  • 95.
    When a wirecarrying current sits into a magnetic field, a force is created on the wire causing it to move perpendicular ( tegak lurus ) to the magnetic field. The greater the current in the wire, or the greater the magnetic field, the faster the wire moves because of the greater force created. If the wire sits parallel with the magnetic field, there will be no force on the wire.
  • 96.
    conductor ( field ) Left-hand rule for DC motors
  • 97.
  • 98.
  • 99.
    3.4 TYPES OFDC MOTOR • The series DC motor • The shunt DC motor • The compound DC motor
  • 100.
  • 101.
  • 102.
  • 103.
    Question 1.What are three major types of DC motor? 2. Draw the schematic diagram of series, shunt and compound of DC motors.
  • 104.
    3.5 BACK ELECTROMOTIVEFORCE 2Φ N r p Eb = 60 • Φ = useful flux per pole in webers • Nr = the speed in revolution per minute • P = the number of pairs of poles
  • 105.
    • Torque (Daya kilas ) 60 E b I a Ta = 2Π n
  • 106.
    Example A350 V shunt motor runs at its normal speed of 12rev/s when the armature current is 90 A. The resistance of the armature is 0.3 Ω. Find the speed when the armature current is 45 A and a resistance of 0.4 Ω is connected in series with the armature, the shunt field remaining constant.
  • 107.
    3.6 FACTORS THATINFLUENCE SPEED CONTROL OF DC MOTOR The speed of a dc motor is changed by changing the current in the field or by changing the current in the armature.
  • 108.
  • 109.
    3.7 REVERSE DIRECTIONMETHOD • The direction of rotation of a dc motor depends on the direction of the magnetic field and the direction of current flow in the armature.
  • 110.
    3.8 EFFICIENCY ANDPOWER LOSSES Kecekapan output power efficiency, η = × 100% input power VI − I R a − I f V − C 2 η =( ) × 100 % a VI
  • 111.
    Example A 320V shunt motor takes a total current of 80 A and runs at 1000 rev/min. If the iron, friction and windage losses amount to 1.5 kW, the shunt field resistance is 40 Ω and the armature resistance is 0.2 Ω, determine the overall efficiency of the motor.
  • 112.
  • 113.
    OBJECTIVES To analyze thebasic principles of operation of an AC generator and the differences between DC generator and AC generator by using commutator and slip ring.
  • 114.
    4.1 INTRODUCTION An electricgenerator is a device used to convert mechanical energy into electrical energy. The generator is based on the principle of "electromagnetic induction" discovered by Michael Faraday Law’s.
  • 115.
    The simple ofElectric Generator
  • 116.
  • 117.
  • 119.
  • 120.
  • 121.
    The amount ofvoltage generated depends on the following: • The strength of the magnetic field. • The angle at which the conductor cuts the magnetic field. • The speed at which the conductor is moved • The length of the conductor within the magnetic field.
  • 122.
    4.2 THE DIFFERENCESBETWEEN AC GENERATOR AND DC GENERATOR The difference between AC and DC generator is that the DC generator results when you replace the slip rings of an elementary generator with commutator, changing the output from AC to pulsating DC. AC generator is also called Alternator.
  • 123.
    4.3 E.M.F. Equationof an Alternator E rms / phase = 2.22 KdKp f Φ Z volts where, Z = No. of conductors or coil Φ = Flux per pole in webers P = Number of rotor poles N = Rotor speed in r.p.m Kd = Distribution factor Kp = Pitch factor ⎛ 120 f ⎞ ⎜N = ⎜ ⎟ ⎟ ⎝ p ⎠
  • 124.
    Star-connected Delta-connected
  • 125.
    Example 4.1 A 3-phase, 50 Hz star-connected alternator has 180 conductors per phase and flux per pole is 0.0543 wb. Find:- a) e.m.f. generated per phase b) e.m.f. between line terminals. Assume the winding to be full pitched and distribution factor to be 0.96.
  • 126.
    Exersice 1 Find the number of armature conductors in series per phase required for the armature of a 3-phase, 50Hz, 10-pole alternator. The winding is star-connected to give a line voltage of 11000. The flux per pole is 0.16 wb. Assume Kp = 1 and Kd = 0.96.
  • 127.
    4.4 AC motor Stator for an AC motor.
  • 128.
  • 129.
  • 130.
    Differences between ACMotor and DC motor In general, AC motors cost less than DC motors. Some types of AC motors do not use brush carbon and commutators. What is the advantage of AC motor over DC motor ?
  • 131.
    4.5 Types ofAC Motor 1. Series AC Motor
  • 132.
  • 133.
  • 134.
    Types of startinginduction motor 1. Capasitor-Start
  • 135.
  • 136.
    • Slip The actual mechanical speed (nr) of the rotor is often expressed as a fraction of the synchronous speed (ns) as related by slip (s), defined as n s − n r S= n s
  • 137.
    120 f where ns = P n s − nr Percent slip, %s = × 100% ns and fr = sf fr = frequency rotor
  • 138.
    Example 4.2 Determinethe synchronous speed of the six pole motor operating from a 220V, 50Hz source.
  • 139.
    Example 4.3 The stator of a 3-phase, 4 pole induction motor is connected to a 50 Hz supply. The rotor runs at 1455 rev/min at full load. Determine: a) the synchronous speed b) the slip
  • 140.
    Example 4.4 The frequencyof the supply to the stator of an 8-pole induction motor is 50 Hz and the rotor frequency is 3 Hz. Determine i. the slip ii. the rotor speed
  • 141.
    Example 4.5 A 4-pole, 3 phase, 50 Hz induction motor runs at 1440 rev/min at full load. Calculate a) the synchronous speed b) the percent of slip c) the frequency of the rotor.
  • 142.
  • 143.
    OBJECTIVES To understand thebasic principles of a transformer, construction principle, transformer ratio, current and core, type of transformer and uses.
  • 144.
    At the endof the unit you will be able to : • explain the operating principles of a transformer • describe transformer construction • explain transformer ratio for voltage, current and winding coil. • calculating of the efficiency. • describe auto transformer
  • 145.
    Primary Secondary winding winding Core Coil / Winding transformer construction
  • 147.
    5.1 Introduction The basic transformer is an electrical device that transfers alternating-current energy from one circuit to another circuit by magnetic flux of the primary and secondary windings of the transformer.
  • 150.
  • 151.
    A transformer circuit Primary Secondary winding winding
  • 152.
    Primary Secondary Simbol of the transformer
  • 153.
    The uses ofthe transformer A transformer is a device which used to change the values of alternating voltages or currents to step-up or step-down.
  • 155.
  • 156.
  • 157.
  • 159.
    • Ep =4.44 Np f Φm volts • Es = 4.44 Ns f Φm volts • If K < 1 i.e. Ns < Np : step-down • If K > 1 i.e. Ns > Np : step-up • If K = 1 i.e. Ns = Np : coupling
  • 160.
    equations of idealtransformer V p Np Is = = Vs Νs I p Transformer rating : The rating of the input power of the transformer. example : 25 kVA ( kV x Arus )
  • 161.
    Example 5.1 A2000/200V, 20kVA transformer has 66 turns in the secondary. Calculate (i) primary turns (ii) primary and secondary Example 5.2 A 250 kVA, 1100 V / 400 V, 50 Hz single-phase transformer has 80 turns on a secondary. Calculate : a) the values of the primary and secondary currents. b) the number of primary turns. c) the maximum values of flux.
  • 162.
    Example 5.3 An ideal 25 kVA transformer has 500 turns on the primary winding and 40 turns on the secondary winding. The primary is connected to 3000 V, 50 Hz supply. Calculate (i) primary and secondary currents (ii) secondary e.m.f. and (iii) the maximum core flux
  • 163.
  • 164.
    5.3 Auto-transformer Anauto-transformer is a transformer having a part of its winding common to the primary and secondary circuits
  • 165.
  • 166.
    Advantages and disadvantagesof auto transformers - a saving in a cost - less volume, hence less weight. - higher efficiency - a continuously variable output - a smaller percentage voltage regulation.
  • 167.
    5.4 Efficiency andlosses of a transformer The losses which occur in the transformer :- i. copper losses, I2R ii. Core losses , Pc - hysterises - eddy current
  • 168.
    output power Efficiency = input power output power = output power + losses I sVs × p.f. = I sVs × p.f. + Pc + I p R p + I s Rs 2 2
  • 169.
    Example 5.4 Theprimary and secondary windings of a 500 kVA transformer have resistances of 0.42 Ω and 0.0019 Ω respectively. The primary and secondary voltages are 11 000 V and 400 V respectively and the core loss is 2.9 kW, assuming the power factor of the load to be 0.8. Calculate the efficiency on : i. full load ii. half load
  • 170.
    ‘Manusia tidak pernahmerancang untuk gagal, tetapi gagal untuk merancang’ “Selamat maju jaya”