Chapter-1
Magnetic Circuits
Dr. Atif Iqbal
Dept. of Electrical Engineering
Qatar University
8/10/2021
ELEC
312-Electric
Machines
1
Content of Chapter-1
1
• Introduction
• Magnetic Circuit
2
• Hysteresis Properties
• Inductance
• Hysteresis Losses
3
• Eddy Current Losses
• Permanent Magnets
8/10/2021
ELEC
312-Electric
Machines
2
1. Introduction
• Materials that can be magnetized, which are also the
ones that are strongly attracted to a magnet, are
called magnetic/ferromagnetic.
• In all electrical machines, magnetic materials are used
to enhance magnetic field for better energy
conversion.
• High flux density can be obtained in the machine by
using magnetic material which results in high torque
or high machine output per unit machine volume.
• In other words, the size of the machine is greatly
reduced by the use of magnetic materials.
8/10/2021
ELEC
312-Electric
Machines
3
• Magnetic fields are the fundamental mechanism by
which energy is converted from one form to other form
in motors, generators and transformers.
• Magnetic materials are classified in terms of their
magnetic properties and their uses. If a material is
easily magnetized and demagnetized then it is referred
to as a soft magnetic material, whereas if it is difficult to
demagnetize then it is referred to as a hard (or
permanent) magnetic material.
• E.g. Iron, Nickle, Cobalt and their Alloys
8/10/2021
ELEC
312-Electric
Machines
4
• A current carrying conductor produces a magnetic
field around it.
• A time varying magnetic field induces a voltage in
a coil of wire if it passes through that coil
(Transformer action)
• A current carrying wire in the presence of a
magnetic field has a force induced in it (Motor
action)
• A moving conductor in the presence of a magnetic
field has a voltage induced in it. (Generator action)
8/10/2021
ELEC
312-Electric
Machines
5
Right Hand Rule
• The magnetic field lines around a long wire which carries an
electric current form concentric circles around the wire.
• The direction of the magnetic field is perpendicular to the
wire and is in the direction the fingers of your right hand
would curl if you wrapped them around the wire with your
thumb in the direction of the current.
8/10/2021
ELEC
312-Electric
Machines
6
8/10/2021
ELEC
312-Electric
Machines
7
Electric Field and Magnetic
Field
• A static charge produces electric field around its vicinity
• A magnet produces magnetic field around it
• A moving charge produces both electric and magnetic fields.
The electric and magnetic field are perpendicular to each
other. The resultant field is the vector sum of the two fields.
• The electric field lines originate from positive charges and
sinks into negative charges.
• The magnetic field lines originate from North Pole and sink
into South Pole (outside the magnet) and reverse inside the
magnet body.
8/10/2021
ELEC
312-Electric
Machines
8
Magnetic Circuits
• In electric machines, the magnetic circuits is formed by
ferromagnetic materials only (as in transformers)
• In rotating machine magnetic circuit is formed by
ferromagnetic materials in conjunction with an air gap.
• The magnetic field (or flux) is produced by passing an
electrical current through coils wound on ferromagnetic
materials.
• In permanent magnet machines magnetic flux is produced by
PM.
8/10/2021
ELEC
312-Electric
Machines
9
Examples of Magnetic Circuit
8/10/2021
ELEC
312-Electric
Machines
10
Magnetic Circuit without Air-gap
Magnetic Circuit with Air-gap
Rotating Machine Magnetic
Circuit
8/10/2021
ELEC
312-Electric
Machines
11
Magnetic Circuits
8/10/2021
ELEC
312-Electric
Machines
12
Fig. 1. A simple magnetic core
Terms related to the
magnetism
• Magnetic Field or flux (Wb)
• Magnetic flux density B (Wb/sq m) or Tesla
• Magnetic field Intensity H Amp/m, Am-turn/m or
AT/m
• Magnetomotive Force mmf F Amp-turn, or AT
• Reluctance R Amp-turn/wb
• Permeance P wb/AT
• Permeability µ henery/m
• Absolute Permeability
• Core length, Core Cross sectional area
8/10/2021
ELEC
312-Electric
Machines
13

7
10
4 
 X
o 

8/10/2021
ELEC
312-Electric
Machines
14
H is Magnetic field intensity that represents the effort made by
current to establish the flux. It is independent of the medium.
1.1 i−H RELATION
• The relationship between current (i) and field intensity (H) can be
obtained by using Ampère’s circuit law.
• Which states that the line integral of the magnetic field intensity
H around a closed path is equal to the total current enclosed by
the contour.
Prof.
Adel
Gastli
Electrical
Machines
Chapter1:
Magnetic
Circuits
15
Ampère’s circuit law 3
2
1 i
i
i
i
l
d
H 



 




 

 i
dl
H 
cos
1.1 i−H RELATION
• For the circular path case, at each point on
this circular contour, H and dl are in the same
direction, that is, θ=0.
• Because of symmetry, H will be the same at
all points on this contour.
Prof.
Adel
Gastli
Electrical
Machines
Chapter1:
Magnetic
Circuits
16
i
dl
H
Hdl 
 
 i
r
H 

2
r
i
H

2

1.2 B−H RELATION
• The magnetic field intensity H produces a magnetic flux density
B everywhere it exists.
• These quantities are functionally related by:
Prof.
Adel
Gastli
Electrical
Machines
Chapter1:
Magnetic
Circuits
17
Tesla
or
m
Weber/ 2
H
B 

T
or
Wb/m2
0 H
B r



 μ is a characteristic of the medium and is called the
permeability of the medium.
 μ0 is the permeability of free space and is 4π10−7
henry/meter.
 μr is the relative permeability of the medium.
1.2 B−H RELATION
• For free space or electrical conductors (such as aluminum or
copper) or insulators, the value of μr is unity.
• However, for ferromagnetic materials such as iron, cobalt, and
nickel, the value of μr varies from several hundred to several
thousand.
• For materials used in electrical machines, μr varies in the
range of 2000 to 6000.
• A large value of μr implies that a small current can produce a
large flux density in the machine.
Prof.
Adel
Gastli
Electrical
Machines
Chapter1:
Magnetic
Circuits
18
H
B r

0

1.3 MAGNETIC EQUIVALENT CIRCUIT
• Example: Toroid Magnetic Circuit.
• Assumptions:
• When current i flows through the
coil of N turns, magnetic flux is
mostly confined in the core material.
• The flux outside the toroid, called
leakage flux, is so small that for all
practical purposes it can be
neglected.
Prof.
Adel
Gastli
Electrical
Machines
Chapter1:
Magnetic
Circuits
19
Toroid magnetic circuit
1.3 MAGNETIC EQUIVALENT CIRCUIT
• Consider a path at a radius r.
• The magnetic field intensity on
this path is H and, from Ampère’s
circuit law:
Prof.
Adel
Gastli
Electrical
Machines
Chapter1:
Magnetic
Circuits
20
Ni
l
d
H
 



Ni
Hl 
F
Ni
r
H 


2 The quantity Ni is called the magnetomotive
force (mmf ) F, and its unit is ampere‐turn.
Ni
Hl 
(At/m)
l
Ni
H  (T)
l
Ni
B


1.3 MAGNETIC EQUIVALENT CIRCUIT
• Magnetic Flux:
• If no leakage flux:
Prof.
Adel
Gastli
Electrical
Machines
Chapter1:
Magnetic
Circuits
21
 

 dA
B
(Web)
BA


where B is the average flux density in the
core and A is the area of cross section of
the toroid.
R
F
R
Ni
A
l
Ni
A
l
Ni







/
P
A
l
R
1



R is called reluctance of the magnetic path,
and P is called the permeance of the
magnetic path.
1.3 MAGNETIC EQUIVALENT CIRCUIT
• Previous equations suggest that the driving force
in the magnetic circuit is the magnetomotive
force F =Ni, which produces a flux  against a
magnetic reluctance R.
• The magnetic circuit of the toroid can therefore
be represented by a magnetic equivalent circuit
as shown below:
Prof.
Adel
Gastli
Electrical
Machines
Chapter1:
Magnetic
Circuits
22
1.1.3 MAGNETIC EQUIVALENT CIRCUIT
Prof.
Adel
Gastli
Electrical
Machines
Chapter1:
Magnetic
Circuits
23
• In Fig. 1 the source of magnetic field is the ampre turn or mmf
Ni acting on the circuit. The mmf is given as (Ampere’s law);
•
8/10/2021
ELEC
312-Electric
Machines
24
etc
N
Hl
i
l
Ni
H
l
R
H
R
Hl
Ni
F
dl
H
Ni
F
c
c
c
c









 
;
;
.
8/10/2021
ELEC
312-Electric
Machines
25
Note: Inverse of Reluctance is permeance
8/10/2021
ELEC
312-Electric
Machines
26
 The element of R in the magnetic circuit analogy is similar in
concept to the electrical resistance. It is basically the measure of
material resistance to the flow of magnetic flux. Reluctance in
this analogy obeys the rule of electrical resistance (Series and
Parallel Rules). Reluctance is measured in Ampere-turns per
weber.
Series Reluctance Req = R1 + R2 + R3 + ….
Parallel Reluctance,
1 2 3
1 1 1 1
...
eq
R R R R
   
8/10/2021
ELEC
312-Electric
Machines
27
 Magnetic circuit approach simplifies the calculations related
to the magnetic field in a ferromagnetic material, however, this
approach has inaccuracy embedded into it due to assumptions
made in creating this approach (within 5% of the real answer).
Possible reason of inaccuracy is due to:
1. The magnetic circuit assumes that all flux are confined
within the core, but in reality a small fraction of the flux
escapes from the core into the surrounding low-
permeability air, and this flux is called leakage flux.
2. The reluctance calculation assumes a certain mean path
length and cross sectional area (csa) of the core. This is
correct if the core is just one block of ferromagnetic
material with no corners, for practical ferromagnetic cores
which have corners due to its design, this assumption is
not accurate.
8/10/2021
ELEC
312-Electric
Machines
28
3. In ferromagnetic materials, the permeability varies with the
amount of flux already in the material. The material
permeability is not constant hence there is an existence of
non-linearity of permeability.
4. For ferromagnetic core which has air gaps, there are
fringing effects that should be taken into account as
shown:
c
g A
A 
If fringing is neglected
then the area of core
and area of airgap is
same
If fringing is considered
then the area of airgap
will be about 2% to 5%
higher
)
1.05(
to
02
.
1 c
g A
A 
ELEC
312-Electric
Machines
8/10/2021
29
Example 1
30
ELEC
312-Electric
Machines
8/10/2021
31
ELEC
312-Electric
Machines
8/10/2021
32
ELEC
312-Electric
Machines
8/10/2021
8/10/2021
ELEC
312-Electric
Machines
33
Example 2
A ferromagnetic core is shown. Three sides of this core are of
uniform width, while the fourth side is somewhat thinner. The
depth of the core is 10cm, and the other dimensions are shown
in the figure. There is a 200 turn coil wrapped around the left
side of the core. Assuming relative permeability µr of 2500, how
much flux will be produced by a 1A input current?
Solution: 3 sides of the core have the same cross sectional
area, while the 4th side has a different area. Thus the core can
be divided into 2 regions:
(1) the single thinner side
(2) the other 3 sides taken together
8/10/2021
ELEC
312-Electric
Machines
34
8/10/2021
ELEC
312-Electric
Machines
35
The magnetic circuit corresponding to this core:
8/10/2021
ELEC
312-Electric
Machines
36
8/10/2021
ELEC
312-Electric
Machines
37
1.5 MAGNETIC CIRCUIT WITH AIR GAP
• In electric machines, the rotor is
physically isolated from the stator
by the air gap.
• Practically the same flux is
present in the poles (made of
magnetic core) and the air gap.
Prof.
Adel
Gastli
Electrical
Machines
Chapter1:
Magnetic
Circuits
38
 To maintain the same flux density, the air gap will require
much more mmf than the core.
 If the flux density is high, the core portion of the magnetic
circuit may exhibit a saturation effect.
 However, the air gap remains unsaturated, since the B−H
curve for the air medium is linear (μ is constant).
1.5 MAGNETIC CIRCUIT WITH AIR GAP
• A magnetic circuit having two or more media is known as
a composite structure.
• For the purpose of analysis, a magnetic equivalent circuit
can be derived for the composite structure.
• Let us consider the following simple composite structure
with its equivalent electric circuit:
Prof.
Adel
Gastli
Electrical
Machines
Chapter1:
Magnetic
Circuits
39
1.5 MAGNETIC CIRCUIT WITH AIR GAP
• The driving force in this magnetic circuit is the mmf, F=Ni,
and the core medium and the air gap medium can be
represented by their corresponding reluctances:
Prof.
Adel
Gastli
Electrical
Machines
Chapter1:
Magnetic
Circuits
40
c
c
c
c
A
l
R


g
g
g
A
l
R
0


1.5 MAGNETIC CIRCUIT WITH AIR GAP
Prof.
Adel
Gastli
Electrical
Machines
Chapter1:
Magnetic
Circuits
41
g
c R
R
Ni


 g
g
c
c l
H
l
H
Ni 

c
C
A
B


g
g
A
B


8/10/2021
ELEC
312-Electric
Machines
42
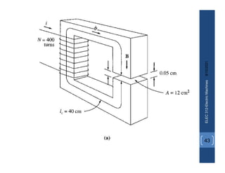
Example 2
Figure shows a ferromagnetic core whose mean path length is
40cm. There is a small gap of 0.05cm in the structure of the
otherwise whole core. The csa of the core is 12cm2, the relative
permeability of the core is 4000, and the coil of wire on the core
has 400 turns. Assume that fringing in the air gap increases the
effective csa of the gap by 5%. Given this information, find
1.the total reluctance of the flux path (iron plus air gap)
2.the current required to produce a flux density of 0.5T in
the air gap.
8/10/2021
ELEC
312-Electric
Machines
43
8/10/2021
ELEC
312-Electric
Machines
44
Solution:
The magnetic circuit corresponding to this core is shown below:
8/10/2021
ELEC
312-Electric
Machines
45
8/10/2021
ELEC
312-Electric
Machines
46
8/10/2021
ELEC
312-Electric
Machines
47
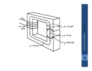
Example 3
Figure shows a simplified rotor and stator for a dc motor. The
mean path length of the stator is 50cm, and its csa is 12cm2.
The mean path length of the rotor is 5 cm, and its csa also may
be assumed to be 12cm2. Each air gap between the rotor and
the stator is 0.05cm wide, and the csa of each air gap (including
fringing) is 14cm2. The iron of the core has a relative
permeability of 2000, and there are 200 turns of wire on the core.
If the current in the wire is adjusted to be 1A, what will the
resulting flux density in the air gaps be?
8/10/2021
ELEC
312-Electric
Machines
48
8/10/2021
ELEC
312-Electric
Machines
49
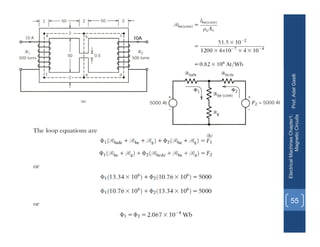
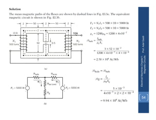
Solution:
To determine the flux density in the air gap, it is necessary to
first calculate the mmf applied to the core and the total
reluctance of the flux path. With this information, the total flux
in the core can be found. Finally, knowing the csa of the air
gaps enables the flux density to be calculated.
The magnetic ckt corresponding to this machine is
shown below.
8/10/2021
ELEC
312-Electric
Machines
50
8/10/2021
ELEC
312-Electric
Machines
51
8/10/2021
ELEC
312-Electric
Machines
52
Prof.
Adel
Gastli
Electrical
Machines
Chapter1:
Magnetic
Circuits
53
FIGURE E1.3
10A
Prof.
Adel
Gastli
Electrical
Machines
Chapter1:
Magnetic
Circuits
54
10A
Prof.
Adel
Gastli
Electrical
Machines
Chapter1:
Magnetic
Circuits
55
10A
Prof.
Adel
Gastli
Electrical
Machines
Chapter1:
Magnetic
Circuits
56
1.6 INDUCTANCE
• A coil wound on a magnetic core, such as that shown below, is
frequently used in electric circuits.
• This coil may be represented by an ideal electric circuit element,
called inductance, which is defined as the flux linkage of the coil
per ampere of its current.
Prof.
Adel
Gastli
Electrical
Machines
Chapter1:
Magnetic
Circuits
57
Inductance of a coil–core assembly.
(a) Coil–core assembly. (b) Equivalent inductance.

=N
i


1.6 INDUCTANCE
Prof.
Adel
Gastli
Electrical
Machines
Chapter1:
Magnetic
Circuits
58

 N

linkage
Flux
i
L


Inductance
)
/
(
)
(
)
(
N
Hl
HA
N
i
A
H
N
i
BA
N
i
N
L







R
N
A
l
N
L
2
2
/



(Henri, Flux
linkage per
ampere)

=N
i


Hl
Ni 
Prof.
Adel
Gastli
Electrical
Machines
Chapter1:
Magnetic
Circuits
59
Prof.
Adel
Gastli
Electrical
Machines
Chapter1:
Magnetic
Circuits
60
61
ELEC
312-Electric
Machines
8/10/2021
Solution
62
ELEC
312-Electric
Machines
8/10/2021
Magnetic property of Ferromagnetic
material-Magnetization Curve
8/10/2021
ELEC
312-Electric
Machines
63
Magnetization Curve
64
ELEC
312-Electric
Machines
8/10/2021
Magnetization Curve
• Small increase in the mmf produces large increase in the flux‐Linear
region
• After a certain point further increase in mmf does not change the
flux‐saturation region
• Transition point between saturation and unsaturated region is called
Knee point.
• All Electric machine core is designed to operate at knee point.
8/10/2021
ELEC
312-Electric
Machines
65
8/10/2021
ELEC
312-Electric
Machines
66
Hysteresis Loss
Consider AC current, there will
be residual flux when moving from
the positive half cycle to the
negative cycle of the ac current
flow and vice versa.
Energy Losses in a Ferromagnetic Core
• Hysteresis Losses
• Eddy current losses
8/10/2021
ELEC
312-Electric
Machines
67
Explanation of Hysteresis Loop
 Apply AC current. Assume flux in the core is initially zero.
 As current increases, the flux traces the path ab.
(saturation curve)
 When the current decreases, the flux traces out a different
path from the one when the current increases (path bcd).
 When the current increases again, it traces out path deb.
 HYSTERESIS is the dependence on the preceding flux
history and the resulting failure to retrace flux paths.
 When a large mmf is first applied to the core and then
removed, the flux path in the core will be abc.
 When mmf is removed, the flux does not go to zero –
residual flux. This is how permanent magnets are produced.
 To force the flux to zero, an amount of mmf known as
coercive mmf must be applied in the opposite direction.
8/10/2021
ELEC
312-Electric
Machines
68
Why does hysteresis occur?
To understand hysteresis in a ferromagnetic core, we have to
look into the behaviour of its atomic structure before, during,
and after the presence of a magnetic field.
The atoms of iron and similar metals (cobalt, nickel, and
some of their alloys) tend to have their magnetic fields closely
aligned with each other. Within the metal, there is an
existence of small regions known as domains where in each
domain there is a presence of a small magnetic field which
randomly aligned through the metal structure.
This as shown below:
8/10/2021
ELEC
312-Electric
Machines
69
Hysteresis Loss
• The hysteresis loops are obtained by slowly varying the
current i of the coil over a cycle.
• When i is varied through a cycle, during some interval of
time, energy flows from the source to the coil–core
assembly, and during some other interval of time, energy
returns to the source.
• However, the energy flowing in is greater than the
energy returned back.
8/10/2021
ELEC
312-Electric
Machines
70
• Therefore, during a cycle of variation of i (hence H), there
is a net energy flow from the source to the coil–core
assembly.
• This energy loss heat the core.
• The loss of power in the core due to the hysteresis effect
is called hysteresis loss.
• The amount of the hysteresis loss is proportional to the
hysteresis loop size (or the area of loop).
8/10/2021
ELEC
312-Electric
Machines
71
2.1 HYSTERESIS LOSS
• Assume that the coil has no
resistance and the flux in the
core is Φ.
• The voltage e across the coil,
according to Faraday’s law, is:
Prof.
Adel
Gastli
Electrical
Machines
Chapter1:
Magnetic
Circuits
72
dt
d
N
e


The energy transfer during an interval of time t1
to t2 is:












2
1
2
1
2
1
2
1
Nid
idt
dt
d
N
eidt
pdt
W
t
t
t
t
t
t
2.1 HYSTERESIS LOSS
• where Vcore =Al represents the volume of
the core.
• The integral term in this equation
represents the hatched area.
• The energy transfer over one cycle of
variation is:
Prof.
Adel
Gastli
Electrical
Machines
Chapter1:
Magnetic
Circuits
73
BA


N
Hl
i 

 

2
1
2
1
B
B
B
B
HdB
lA
AdB
N
Hl
N
W


2
1
B
B
core HdB
V
W
h
core
core
core
cycle
W
V
B-H
V
HdB
V
W 


  loop
of
area
2.1 HYSTERESIS LOSS
• The power loss in the core due to the hysteresis effect is:
Prof.
Adel
Gastli
Electrical
Machines
Chapter1:
Magnetic
Circuits
74
f
W
V
P h
core
h 

 HdB
Wh
is the energy density in the core
(= area of the B−H loop).
Frequency of variation
of the current i.
Note: It is difficult to evaluate the area of the hysteresis
loop, because the B−H characteristic is nonlinear and
multivalued, and no simple mathematical expression can
describe the loop.
2.1 HYSTERESIS LOSS
Prof.
Adel
Gastli
Electrical
Machines
Chapter1:
Magnetic
Circuits
75
n
KB
B-H max
loop
of
Area 
 Both n and K can be empirically determined.
• Charles Steinmetz of the General Electric Company
performed a large number of experiments and found that
for magnetic materials used in electric machines an
approximate relation is:
f
B
K
P n
h
h max

where Kh is a constant whose value depends on the
ferromagnetic material and the volume of the core.
where Bmax is the maximum flux density, n varies in the
range 1.5 to 2.5, and K is a constant. Usually it is taken
as 1.6
f
W
V
P h
core
h 
Higher f 
higher Ph
8/10/2021
ELEC
312-Electric
Machines
76
A time-changing flux induces voltage within a ferromagnetic
core.
These voltages cause swirls of current to flow within the core
– eddy currents.
Energy is dissipated (in the form of heat) because these eddy
currents are flowing in a resistive material (iron)
The amount of energy lost to eddy currents is proportional to
the size of the paths they follow within the core.
 To reduce energy loss, ferromagnetic core should be broken
up into small strips, or laminations, and build the core up out of
these strips. An insulating oxide or resin is used between the
strips, so that the current paths for eddy currents are limited to
small areas.
Eddy Current Loss
8/10/2021
ELEC
312-Electric
Machines
77
2.2 EDDY CURRENT LOSS
• The eddy current loss in a magnetic core
subjected to a time‐varying flux is:
Prof.
Adel
Gastli
Electrical
Machines
Chapter1:
Magnetic
Circuits
78
 The lamination thickness varies from 0.5 to 5 mm
in electrical machines and from 0.01 to 5 mm in
devices used in electronic circuits operating at
higher frequencies.
where Ke is a constant whose value depends
on the type of material and its lamination
thickness.
2
2
max f
B
K
P e
e 
2.3 CORE LOSS
Prof.
Adel
Gastli
Electrical
Machines
Chapter1:
Magnetic
Circuits
79
Hysteresis Loss
Eddy Current Loss
Core or iron Loss
e
h
c P
P
P 

8/10/2021
ELEC
312-Electric
Machines
80
8/10/2021
ELEC
312-Electric
Machines
81
8/10/2021
ELEC
312-Electric
Machines
82
8/10/2021
ELEC
312-Electric
Machines
83
1.3 SINUSOIDAL EXCITATION
• In ac electric machines as well as many other applications, the
voltages and fluxes vary sinusoidally with time.
• Consider the following coil–core assembly:
Prof.
Adel
Gastli
Electrical
Machines
Chapter1:
Magnetic
Circuits
84
• Assume that the core flux Φ(t) varies sinusoidally with time.
Prof.
Adel
Gastli
Electrical
Machines
Chapter1:
Magnetic
Circuits
85
t
t 
sin
)
( max



max is the magnitude of the core flux
=2f is the angular frequency
f is the frequency
From Faraday’s law, the
voltage induced in the N-turn
coil is:
   
max max
cos sin
2
d
e t N N t E t
dt

  
  
      
 
 
Induced voltage lags behind the flux by 90 degree

E
• The root‐mean‐square (rms) value of the induced voltage is:
Prof.
Adel
Gastli
Electrical
Machines
Chapter1:
Magnetic
Circuits
86
max
max
max
2
2
2
2




 Nf
N
E
Erms


Note: This is an important equation and will be
referred to frequently in the theory of ac machines.
max
44
.
4 
 Nf
Erms
Prof.
Adel
Gastli
Electrical
Machines
Chapter1:
Magnetic
Circuits
87
Note: Induced emf is
considered equal to the
applied voltage
Prof.
Adel
Gastli
Electrical
Machines
Chapter1:
Magnetic
Circuits
88
max
44
.
4 
 Nf
Erms
0
max
max

r
B
H 
1.3.1 EXCITING CURRENT
• If a coil is connected to a
sinusoidal voltage source, a
current flows in the coil to
establish a sinusoidal flux in the
core.
Prof.
Adel
Gastli
Electrical
Machines
Chapter1:
Magnetic
Circuits
89
 This current is called the exciting current, iΦ.
 If the B−H characteristic of the ferromagnetic core
is nonlinear, the exciting current will be
nonsinusoidal.
Without Hysteresis With Hysteresis
Current waveforms differ!
3.1 EXCITING CURRENT
Prof.
Adel
Gastli
Electrical
Machines
Chapter1:
Magnetic
Circuits
90

i
1
2
3
4
5
6
7 1
2
3
4
5
6
7
8
9 11
10
12
13
8
9
11
10
12
, 13
11
12
10
9
8

i
2
3
4
5
6
FIGURE 1.18 Exciting current for no hysteresis: Φ−i characteristic and exciting
current.
 Without Hysteresis Loop:
• Without Hysteresis Loop:
• The exciting current iΦ is nonsinusoidal, but it is in phase with the
flux wave and is symmetrical with respect to voltage e.
• The fundamental component iφ1 of the exciting current lags the
voltage e by 90o. Therefore no power loss is involved.
Prof.
Adel
Gastli
Electrical
Machines
Chapter1:
Magnetic
Circuits
91
FIGURE 1.18 Exciting current for no hysteresis. (a) Φ−i characteristic and
exciting
current. (b) Equivalent circuit. (c) Phasor diagram.
• With Hysteresis Loop:
• The exciting current is nonsinusoidal as well as nonsymmetrical with
respect to the voltage waveform.
• The exciting current can be split into two components, one (ic) in
phase with voltage e accounting for the core loss and the other (im)
in phase with Φ and symmetrical with respect to e, accounting for
the magnetization of the core.
Prof.
Adel
Gastli
Electrical
Machines
Chapter1:
Magnetic
Circuits
92
FIGURE 1.18 Exciting current with hysteresis loop. (a) Φ−i loop and exciting
current. (b) Phasor diagram. (c) Equivalent circuit..
• With Hysteresis Loop:
• The magnetizing component im is the
same as the exciting current if the
hysteresis loop is neglected.
• The exciting current can therefore be
represented by a resistance Rc, to
represent core loss, and a magnetizing
inductance Lm, to represent the
magnetization of the core.
• Usually, in the phasor diagram only
the fundamental component of the
magnetizing current im is considered.
Prof.
Adel
Gastli
Electrical
Machines
Chapter1:
Magnetic
Circuits
93
Practice Problems
8/10/2021
ELEC
312-Electric
Machines
94
8/10/2021
ELEC
312-Electric
Machines
95
8/10/2021
ELEC
312-Electric
Machines
96
Permanent Magnets
• A permanent magnet is capable of maintaining a magnetic
field without any excitation mmf provided to it.
• Permanent magnets are normally alloys of iron, nickel, and
cobalt.
• They are characterized by a large B−H loop, high retentivity
(high value of Br), and high coercive force (high value Hc).
• These alloys are subjected to heat treatment, resulting in
mechanical hardness of the material.
• Permanent magnets are often referred to as hard iron, and
other magnetic materials as soft iron.
• E.g. of PM materials: Alnico (al‐nickel‐cobalt), Neodymium‐
iron‐cobalt, Samirium‐cobalt etc
8/10/2021
ELEC
312-Electric
Machines
97
• A good permanent magnet should produce a high magnetic
field with a low mass, and should be stable against the
influences which would demagnetize it. The desirable
properties of such magnets are typically stated in terms of the
remanence and coercivity of the magnet materials.
8/10/2021
ELEC
312-Electric
Machines
98
•
8/10/2021
ELEC
312-Electric
Machines
99
Total Amp-turn or MMF is = 0 (Because it is PM)
Hc lc –MM of Iron portion
Hglg ---MMF of Aig-gap porition
)
1
(





c
g
g
c
l
l
H
H
)
2
(
0
0
0











g
c
c
g
g
c
c
g
g
g
g
c
c
g
g
g
c
c
A
A
B
H
A
A
B
H
Hence
H
B
A
A
B
B
A
B
A
B




MMF is same in Iron and Airgap
Put Hg in (1)
•
8/10/2021
ELEC
312-Electric
Machines
100
B (T)
H (AT/m)

Air‐gap line or
Permeance line
Bc
Hc
•
8/10/2021
ELEC
312-Electric
Machines
101
Recoil Line
• If a current is applied and reduced in the coil, then a
small loop is locally formed.
• After a few cycle line is stabilized, it is called Recoil line.
8/10/2021
ELEC
312-Electric
Machines
102
PM Material
• Alnico (Alnico-5 and Alnico-8)-Alloy of
Al+Cobalt+Nickle+Fe---Characterized by High Br and
Low Hc
• Ferrite (Ceramic) Magnet—Characterized by Low Br and
High Hc
• Samarium Cobalt (rare earth magnet)—Characterized by
High Br and High Hc
• Ne-Fe-B (rare earth magnet) )—Characterized by High
Br and High Hc
8/10/2021
ELEC
312-Electric
Machines
103
8/10/2021
ELEC
312-Electric
Machines
104
• B.H = Energy stored per unit volume (Energy Density)
• For compact size of a PM machine, BH (product of B and
H) should be maximized.
• The operating point should be chosen at maximum value
of BH (as shown in the next slide). Rare Earth magnet
has highest BH but it is costly.
• Curie Temperature-is the temperature at which material
looses its magnetic property.
• Rare earth magnet has lowest Curie temp.
8/10/2021
ELEC
312-Electric
Machines
105
8/10/2021
ELEC
312-Electric
Machines
106
PM Material Curie Temp (degree celcius)
Rare earth (Nieodium (Ne)+Fe+Boron) 350
Samarium Cobalt (rare earth) 700
Ferrite Magnet 450
Alnico 890
8/10/2021
ELEC
312-Electric
Machines
107
• Thanks
8/10/2021
ELEC
312-Electric
Machines
108

Chapter 1 - Magnetic Circuits.pdf

  • 1.
    Chapter-1 Magnetic Circuits Dr. AtifIqbal Dept. of Electrical Engineering Qatar University 8/10/2021 ELEC 312-Electric Machines 1
  • 2.
    Content of Chapter-1 1 •Introduction • Magnetic Circuit 2 • Hysteresis Properties • Inductance • Hysteresis Losses 3 • Eddy Current Losses • Permanent Magnets 8/10/2021 ELEC 312-Electric Machines 2
  • 3.
    1. Introduction • Materialsthat can be magnetized, which are also the ones that are strongly attracted to a magnet, are called magnetic/ferromagnetic. • In all electrical machines, magnetic materials are used to enhance magnetic field for better energy conversion. • High flux density can be obtained in the machine by using magnetic material which results in high torque or high machine output per unit machine volume. • In other words, the size of the machine is greatly reduced by the use of magnetic materials. 8/10/2021 ELEC 312-Electric Machines 3
  • 4.
    • Magnetic fieldsare the fundamental mechanism by which energy is converted from one form to other form in motors, generators and transformers. • Magnetic materials are classified in terms of their magnetic properties and their uses. If a material is easily magnetized and demagnetized then it is referred to as a soft magnetic material, whereas if it is difficult to demagnetize then it is referred to as a hard (or permanent) magnetic material. • E.g. Iron, Nickle, Cobalt and their Alloys 8/10/2021 ELEC 312-Electric Machines 4
  • 5.
    • A currentcarrying conductor produces a magnetic field around it. • A time varying magnetic field induces a voltage in a coil of wire if it passes through that coil (Transformer action) • A current carrying wire in the presence of a magnetic field has a force induced in it (Motor action) • A moving conductor in the presence of a magnetic field has a voltage induced in it. (Generator action) 8/10/2021 ELEC 312-Electric Machines 5
  • 6.
    Right Hand Rule •The magnetic field lines around a long wire which carries an electric current form concentric circles around the wire. • The direction of the magnetic field is perpendicular to the wire and is in the direction the fingers of your right hand would curl if you wrapped them around the wire with your thumb in the direction of the current. 8/10/2021 ELEC 312-Electric Machines 6
  • 7.
  • 8.
    Electric Field andMagnetic Field • A static charge produces electric field around its vicinity • A magnet produces magnetic field around it • A moving charge produces both electric and magnetic fields. The electric and magnetic field are perpendicular to each other. The resultant field is the vector sum of the two fields. • The electric field lines originate from positive charges and sinks into negative charges. • The magnetic field lines originate from North Pole and sink into South Pole (outside the magnet) and reverse inside the magnet body. 8/10/2021 ELEC 312-Electric Machines 8
  • 9.
    Magnetic Circuits • Inelectric machines, the magnetic circuits is formed by ferromagnetic materials only (as in transformers) • In rotating machine magnetic circuit is formed by ferromagnetic materials in conjunction with an air gap. • The magnetic field (or flux) is produced by passing an electrical current through coils wound on ferromagnetic materials. • In permanent magnet machines magnetic flux is produced by PM. 8/10/2021 ELEC 312-Electric Machines 9
  • 10.
    Examples of MagneticCircuit 8/10/2021 ELEC 312-Electric Machines 10 Magnetic Circuit without Air-gap Magnetic Circuit with Air-gap
  • 11.
  • 12.
  • 13.
    Terms related tothe magnetism • Magnetic Field or flux (Wb) • Magnetic flux density B (Wb/sq m) or Tesla • Magnetic field Intensity H Amp/m, Am-turn/m or AT/m • Magnetomotive Force mmf F Amp-turn, or AT • Reluctance R Amp-turn/wb • Permeance P wb/AT • Permeability µ henery/m • Absolute Permeability • Core length, Core Cross sectional area 8/10/2021 ELEC 312-Electric Machines 13  7 10 4   X o  
  • 14.
    8/10/2021 ELEC 312-Electric Machines 14 H is Magneticfield intensity that represents the effort made by current to establish the flux. It is independent of the medium.
  • 15.
    1.1 i−H RELATION •The relationship between current (i) and field intensity (H) can be obtained by using Ampère’s circuit law. • Which states that the line integral of the magnetic field intensity H around a closed path is equal to the total current enclosed by the contour. Prof. Adel Gastli Electrical Machines Chapter1: Magnetic Circuits 15 Ampère’s circuit law 3 2 1 i i i i l d H               i dl H  cos
  • 16.
    1.1 i−H RELATION •For the circular path case, at each point on this circular contour, H and dl are in the same direction, that is, θ=0. • Because of symmetry, H will be the same at all points on this contour. Prof. Adel Gastli Electrical Machines Chapter1: Magnetic Circuits 16 i dl H Hdl     i r H   2 r i H  2 
  • 17.
    1.2 B−H RELATION •The magnetic field intensity H produces a magnetic flux density B everywhere it exists. • These quantities are functionally related by: Prof. Adel Gastli Electrical Machines Chapter1: Magnetic Circuits 17 Tesla or m Weber/ 2 H B   T or Wb/m2 0 H B r     μ is a characteristic of the medium and is called the permeability of the medium.  μ0 is the permeability of free space and is 4π10−7 henry/meter.  μr is the relative permeability of the medium.
  • 18.
    1.2 B−H RELATION •For free space or electrical conductors (such as aluminum or copper) or insulators, the value of μr is unity. • However, for ferromagnetic materials such as iron, cobalt, and nickel, the value of μr varies from several hundred to several thousand. • For materials used in electrical machines, μr varies in the range of 2000 to 6000. • A large value of μr implies that a small current can produce a large flux density in the machine. Prof. Adel Gastli Electrical Machines Chapter1: Magnetic Circuits 18 H B r  0 
  • 19.
    1.3 MAGNETIC EQUIVALENTCIRCUIT • Example: Toroid Magnetic Circuit. • Assumptions: • When current i flows through the coil of N turns, magnetic flux is mostly confined in the core material. • The flux outside the toroid, called leakage flux, is so small that for all practical purposes it can be neglected. Prof. Adel Gastli Electrical Machines Chapter1: Magnetic Circuits 19 Toroid magnetic circuit
  • 20.
    1.3 MAGNETIC EQUIVALENTCIRCUIT • Consider a path at a radius r. • The magnetic field intensity on this path is H and, from Ampère’s circuit law: Prof. Adel Gastli Electrical Machines Chapter1: Magnetic Circuits 20 Ni l d H      Ni Hl  F Ni r H    2 The quantity Ni is called the magnetomotive force (mmf ) F, and its unit is ampere‐turn. Ni Hl  (At/m) l Ni H  (T) l Ni B  
  • 21.
    1.3 MAGNETIC EQUIVALENTCIRCUIT • Magnetic Flux: • If no leakage flux: Prof. Adel Gastli Electrical Machines Chapter1: Magnetic Circuits 21     dA B (Web) BA   where B is the average flux density in the core and A is the area of cross section of the toroid. R F R Ni A l Ni A l Ni        / P A l R 1    R is called reluctance of the magnetic path, and P is called the permeance of the magnetic path.
  • 22.
    1.3 MAGNETIC EQUIVALENTCIRCUIT • Previous equations suggest that the driving force in the magnetic circuit is the magnetomotive force F =Ni, which produces a flux  against a magnetic reluctance R. • The magnetic circuit of the toroid can therefore be represented by a magnetic equivalent circuit as shown below: Prof. Adel Gastli Electrical Machines Chapter1: Magnetic Circuits 22
  • 23.
    1.1.3 MAGNETIC EQUIVALENTCIRCUIT Prof. Adel Gastli Electrical Machines Chapter1: Magnetic Circuits 23
  • 24.
    • In Fig.1 the source of magnetic field is the ampre turn or mmf Ni acting on the circuit. The mmf is given as (Ampere’s law); • 8/10/2021 ELEC 312-Electric Machines 24 etc N Hl i l Ni H l R H R Hl Ni F dl H Ni F c c c c            ; ; .
  • 25.
  • 26.
    8/10/2021 ELEC 312-Electric Machines 26  The elementof R in the magnetic circuit analogy is similar in concept to the electrical resistance. It is basically the measure of material resistance to the flow of magnetic flux. Reluctance in this analogy obeys the rule of electrical resistance (Series and Parallel Rules). Reluctance is measured in Ampere-turns per weber. Series Reluctance Req = R1 + R2 + R3 + …. Parallel Reluctance, 1 2 3 1 1 1 1 ... eq R R R R    
  • 27.
    8/10/2021 ELEC 312-Electric Machines 27  Magnetic circuitapproach simplifies the calculations related to the magnetic field in a ferromagnetic material, however, this approach has inaccuracy embedded into it due to assumptions made in creating this approach (within 5% of the real answer). Possible reason of inaccuracy is due to: 1. The magnetic circuit assumes that all flux are confined within the core, but in reality a small fraction of the flux escapes from the core into the surrounding low- permeability air, and this flux is called leakage flux. 2. The reluctance calculation assumes a certain mean path length and cross sectional area (csa) of the core. This is correct if the core is just one block of ferromagnetic material with no corners, for practical ferromagnetic cores which have corners due to its design, this assumption is not accurate.
  • 28.
    8/10/2021 ELEC 312-Electric Machines 28 3. In ferromagneticmaterials, the permeability varies with the amount of flux already in the material. The material permeability is not constant hence there is an existence of non-linearity of permeability. 4. For ferromagnetic core which has air gaps, there are fringing effects that should be taken into account as shown: c g A A  If fringing is neglected then the area of core and area of airgap is same If fringing is considered then the area of airgap will be about 2% to 5% higher ) 1.05( to 02 . 1 c g A A 
  • 29.
  • 30.
  • 31.
  • 32.
  • 33.
    8/10/2021 ELEC 312-Electric Machines 33 Example 2 A ferromagneticcore is shown. Three sides of this core are of uniform width, while the fourth side is somewhat thinner. The depth of the core is 10cm, and the other dimensions are shown in the figure. There is a 200 turn coil wrapped around the left side of the core. Assuming relative permeability µr of 2500, how much flux will be produced by a 1A input current? Solution: 3 sides of the core have the same cross sectional area, while the 4th side has a different area. Thus the core can be divided into 2 regions: (1) the single thinner side (2) the other 3 sides taken together
  • 34.
  • 35.
  • 36.
  • 37.
  • 38.
    1.5 MAGNETIC CIRCUITWITH AIR GAP • In electric machines, the rotor is physically isolated from the stator by the air gap. • Practically the same flux is present in the poles (made of magnetic core) and the air gap. Prof. Adel Gastli Electrical Machines Chapter1: Magnetic Circuits 38  To maintain the same flux density, the air gap will require much more mmf than the core.  If the flux density is high, the core portion of the magnetic circuit may exhibit a saturation effect.  However, the air gap remains unsaturated, since the B−H curve for the air medium is linear (μ is constant).
  • 39.
    1.5 MAGNETIC CIRCUITWITH AIR GAP • A magnetic circuit having two or more media is known as a composite structure. • For the purpose of analysis, a magnetic equivalent circuit can be derived for the composite structure. • Let us consider the following simple composite structure with its equivalent electric circuit: Prof. Adel Gastli Electrical Machines Chapter1: Magnetic Circuits 39
  • 40.
    1.5 MAGNETIC CIRCUITWITH AIR GAP • The driving force in this magnetic circuit is the mmf, F=Ni, and the core medium and the air gap medium can be represented by their corresponding reluctances: Prof. Adel Gastli Electrical Machines Chapter1: Magnetic Circuits 40 c c c c A l R   g g g A l R 0  
  • 41.
    1.5 MAGNETIC CIRCUITWITH AIR GAP Prof. Adel Gastli Electrical Machines Chapter1: Magnetic Circuits 41 g c R R Ni    g g c c l H l H Ni   c C A B   g g A B  
  • 42.
    8/10/2021 ELEC 312-Electric Machines 42 Example 2 Figure showsa ferromagnetic core whose mean path length is 40cm. There is a small gap of 0.05cm in the structure of the otherwise whole core. The csa of the core is 12cm2, the relative permeability of the core is 4000, and the coil of wire on the core has 400 turns. Assume that fringing in the air gap increases the effective csa of the gap by 5%. Given this information, find 1.the total reluctance of the flux path (iron plus air gap) 2.the current required to produce a flux density of 0.5T in the air gap.
  • 43.
  • 44.
  • 45.
  • 46.
  • 47.
    8/10/2021 ELEC 312-Electric Machines 47 Example 3 Figure showsa simplified rotor and stator for a dc motor. The mean path length of the stator is 50cm, and its csa is 12cm2. The mean path length of the rotor is 5 cm, and its csa also may be assumed to be 12cm2. Each air gap between the rotor and the stator is 0.05cm wide, and the csa of each air gap (including fringing) is 14cm2. The iron of the core has a relative permeability of 2000, and there are 200 turns of wire on the core. If the current in the wire is adjusted to be 1A, what will the resulting flux density in the air gaps be?
  • 48.
  • 49.
    8/10/2021 ELEC 312-Electric Machines 49 Solution: To determine theflux density in the air gap, it is necessary to first calculate the mmf applied to the core and the total reluctance of the flux path. With this information, the total flux in the core can be found. Finally, knowing the csa of the air gaps enables the flux density to be calculated. The magnetic ckt corresponding to this machine is shown below.
  • 50.
  • 51.
  • 52.
  • 53.
  • 54.
  • 55.
  • 56.
  • 57.
    1.6 INDUCTANCE • Acoil wound on a magnetic core, such as that shown below, is frequently used in electric circuits. • This coil may be represented by an ideal electric circuit element, called inductance, which is defined as the flux linkage of the coil per ampere of its current. Prof. Adel Gastli Electrical Machines Chapter1: Magnetic Circuits 57 Inductance of a coil–core assembly. (a) Coil–core assembly. (b) Equivalent inductance.  =N i  
  • 58.
  • 59.
  • 60.
  • 61.
  • 62.
  • 63.
    Magnetic property ofFerromagnetic material-Magnetization Curve 8/10/2021 ELEC 312-Electric Machines 63
  • 64.
  • 65.
    Magnetization Curve • Smallincrease in the mmf produces large increase in the flux‐Linear region • After a certain point further increase in mmf does not change the flux‐saturation region • Transition point between saturation and unsaturated region is called Knee point. • All Electric machine core is designed to operate at knee point. 8/10/2021 ELEC 312-Electric Machines 65
  • 66.
    8/10/2021 ELEC 312-Electric Machines 66 Hysteresis Loss Consider ACcurrent, there will be residual flux when moving from the positive half cycle to the negative cycle of the ac current flow and vice versa. Energy Losses in a Ferromagnetic Core • Hysteresis Losses • Eddy current losses
  • 67.
    8/10/2021 ELEC 312-Electric Machines 67 Explanation of HysteresisLoop  Apply AC current. Assume flux in the core is initially zero.  As current increases, the flux traces the path ab. (saturation curve)  When the current decreases, the flux traces out a different path from the one when the current increases (path bcd).  When the current increases again, it traces out path deb.  HYSTERESIS is the dependence on the preceding flux history and the resulting failure to retrace flux paths.  When a large mmf is first applied to the core and then removed, the flux path in the core will be abc.  When mmf is removed, the flux does not go to zero – residual flux. This is how permanent magnets are produced.  To force the flux to zero, an amount of mmf known as coercive mmf must be applied in the opposite direction.
  • 68.
    8/10/2021 ELEC 312-Electric Machines 68 Why does hysteresisoccur? To understand hysteresis in a ferromagnetic core, we have to look into the behaviour of its atomic structure before, during, and after the presence of a magnetic field. The atoms of iron and similar metals (cobalt, nickel, and some of their alloys) tend to have their magnetic fields closely aligned with each other. Within the metal, there is an existence of small regions known as domains where in each domain there is a presence of a small magnetic field which randomly aligned through the metal structure. This as shown below:
  • 69.
  • 70.
    Hysteresis Loss • Thehysteresis loops are obtained by slowly varying the current i of the coil over a cycle. • When i is varied through a cycle, during some interval of time, energy flows from the source to the coil–core assembly, and during some other interval of time, energy returns to the source. • However, the energy flowing in is greater than the energy returned back. 8/10/2021 ELEC 312-Electric Machines 70
  • 71.
    • Therefore, duringa cycle of variation of i (hence H), there is a net energy flow from the source to the coil–core assembly. • This energy loss heat the core. • The loss of power in the core due to the hysteresis effect is called hysteresis loss. • The amount of the hysteresis loss is proportional to the hysteresis loop size (or the area of loop). 8/10/2021 ELEC 312-Electric Machines 71
  • 72.
    2.1 HYSTERESIS LOSS •Assume that the coil has no resistance and the flux in the core is Φ. • The voltage e across the coil, according to Faraday’s law, is: Prof. Adel Gastli Electrical Machines Chapter1: Magnetic Circuits 72 dt d N e   The energy transfer during an interval of time t1 to t2 is:             2 1 2 1 2 1 2 1 Nid idt dt d N eidt pdt W t t t t t t
  • 73.
    2.1 HYSTERESIS LOSS •where Vcore =Al represents the volume of the core. • The integral term in this equation represents the hatched area. • The energy transfer over one cycle of variation is: Prof. Adel Gastli Electrical Machines Chapter1: Magnetic Circuits 73 BA   N Hl i      2 1 2 1 B B B B HdB lA AdB N Hl N W   2 1 B B core HdB V W h core core core cycle W V B-H V HdB V W      loop of area
  • 74.
    2.1 HYSTERESIS LOSS •The power loss in the core due to the hysteresis effect is: Prof. Adel Gastli Electrical Machines Chapter1: Magnetic Circuits 74 f W V P h core h    HdB Wh is the energy density in the core (= area of the B−H loop). Frequency of variation of the current i. Note: It is difficult to evaluate the area of the hysteresis loop, because the B−H characteristic is nonlinear and multivalued, and no simple mathematical expression can describe the loop.
  • 75.
    2.1 HYSTERESIS LOSS Prof. Adel Gastli Electrical Machines Chapter1: Magnetic Circuits 75 n KB B-Hmax loop of Area   Both n and K can be empirically determined. • Charles Steinmetz of the General Electric Company performed a large number of experiments and found that for magnetic materials used in electric machines an approximate relation is: f B K P n h h max  where Kh is a constant whose value depends on the ferromagnetic material and the volume of the core. where Bmax is the maximum flux density, n varies in the range 1.5 to 2.5, and K is a constant. Usually it is taken as 1.6 f W V P h core h  Higher f  higher Ph
  • 76.
    8/10/2021 ELEC 312-Electric Machines 76 A time-changing fluxinduces voltage within a ferromagnetic core. These voltages cause swirls of current to flow within the core – eddy currents. Energy is dissipated (in the form of heat) because these eddy currents are flowing in a resistive material (iron) The amount of energy lost to eddy currents is proportional to the size of the paths they follow within the core.  To reduce energy loss, ferromagnetic core should be broken up into small strips, or laminations, and build the core up out of these strips. An insulating oxide or resin is used between the strips, so that the current paths for eddy currents are limited to small areas. Eddy Current Loss
  • 77.
  • 78.
    2.2 EDDY CURRENTLOSS • The eddy current loss in a magnetic core subjected to a time‐varying flux is: Prof. Adel Gastli Electrical Machines Chapter1: Magnetic Circuits 78  The lamination thickness varies from 0.5 to 5 mm in electrical machines and from 0.01 to 5 mm in devices used in electronic circuits operating at higher frequencies. where Ke is a constant whose value depends on the type of material and its lamination thickness. 2 2 max f B K P e e 
  • 79.
  • 80.
  • 81.
  • 82.
  • 83.
  • 84.
    1.3 SINUSOIDAL EXCITATION •In ac electric machines as well as many other applications, the voltages and fluxes vary sinusoidally with time. • Consider the following coil–core assembly: Prof. Adel Gastli Electrical Machines Chapter1: Magnetic Circuits 84
  • 85.
    • Assume thatthe core flux Φ(t) varies sinusoidally with time. Prof. Adel Gastli Electrical Machines Chapter1: Magnetic Circuits 85 t t  sin ) ( max    max is the magnitude of the core flux =2f is the angular frequency f is the frequency From Faraday’s law, the voltage induced in the N-turn coil is:     max max cos sin 2 d e t N N t E t dt                   Induced voltage lags behind the flux by 90 degree  E
  • 86.
    • The root‐mean‐square(rms) value of the induced voltage is: Prof. Adel Gastli Electrical Machines Chapter1: Magnetic Circuits 86 max max max 2 2 2 2      Nf N E Erms   Note: This is an important equation and will be referred to frequently in the theory of ac machines. max 44 . 4   Nf Erms
  • 87.
  • 88.
  • 89.
    1.3.1 EXCITING CURRENT •If a coil is connected to a sinusoidal voltage source, a current flows in the coil to establish a sinusoidal flux in the core. Prof. Adel Gastli Electrical Machines Chapter1: Magnetic Circuits 89  This current is called the exciting current, iΦ.  If the B−H characteristic of the ferromagnetic core is nonlinear, the exciting current will be nonsinusoidal. Without Hysteresis With Hysteresis Current waveforms differ!
  • 90.
    3.1 EXCITING CURRENT Prof. Adel Gastli Electrical Machines Chapter1: Magnetic Circuits 90  i 1 2 3 4 5 6 71 2 3 4 5 6 7 8 9 11 10 12 13 8 9 11 10 12 , 13 11 12 10 9 8  i 2 3 4 5 6 FIGURE 1.18 Exciting current for no hysteresis: Φ−i characteristic and exciting current.  Without Hysteresis Loop:
  • 91.
    • Without HysteresisLoop: • The exciting current iΦ is nonsinusoidal, but it is in phase with the flux wave and is symmetrical with respect to voltage e. • The fundamental component iφ1 of the exciting current lags the voltage e by 90o. Therefore no power loss is involved. Prof. Adel Gastli Electrical Machines Chapter1: Magnetic Circuits 91 FIGURE 1.18 Exciting current for no hysteresis. (a) Φ−i characteristic and exciting current. (b) Equivalent circuit. (c) Phasor diagram.
  • 92.
    • With HysteresisLoop: • The exciting current is nonsinusoidal as well as nonsymmetrical with respect to the voltage waveform. • The exciting current can be split into two components, one (ic) in phase with voltage e accounting for the core loss and the other (im) in phase with Φ and symmetrical with respect to e, accounting for the magnetization of the core. Prof. Adel Gastli Electrical Machines Chapter1: Magnetic Circuits 92 FIGURE 1.18 Exciting current with hysteresis loop. (a) Φ−i loop and exciting current. (b) Phasor diagram. (c) Equivalent circuit..
  • 93.
    • With HysteresisLoop: • The magnetizing component im is the same as the exciting current if the hysteresis loop is neglected. • The exciting current can therefore be represented by a resistance Rc, to represent core loss, and a magnetizing inductance Lm, to represent the magnetization of the core. • Usually, in the phasor diagram only the fundamental component of the magnetizing current im is considered. Prof. Adel Gastli Electrical Machines Chapter1: Magnetic Circuits 93
  • 94.
  • 95.
  • 96.
  • 97.
    Permanent Magnets • Apermanent magnet is capable of maintaining a magnetic field without any excitation mmf provided to it. • Permanent magnets are normally alloys of iron, nickel, and cobalt. • They are characterized by a large B−H loop, high retentivity (high value of Br), and high coercive force (high value Hc). • These alloys are subjected to heat treatment, resulting in mechanical hardness of the material. • Permanent magnets are often referred to as hard iron, and other magnetic materials as soft iron. • E.g. of PM materials: Alnico (al‐nickel‐cobalt), Neodymium‐ iron‐cobalt, Samirium‐cobalt etc 8/10/2021 ELEC 312-Electric Machines 97
  • 98.
    • A goodpermanent magnet should produce a high magnetic field with a low mass, and should be stable against the influences which would demagnetize it. The desirable properties of such magnets are typically stated in terms of the remanence and coercivity of the magnet materials. 8/10/2021 ELEC 312-Electric Machines 98
  • 99.
    • 8/10/2021 ELEC 312-Electric Machines 99 Total Amp-turn orMMF is = 0 (Because it is PM) Hc lc –MM of Iron portion Hglg ---MMF of Aig-gap porition ) 1 (      c g g c l l H H ) 2 ( 0 0 0            g c c g g c c g g g g c c g g g c c A A B H A A B H Hence H B A A B B A B A B     MMF is same in Iron and Airgap Put Hg in (1)
  • 100.
  • 101.
  • 102.
    Recoil Line • Ifa current is applied and reduced in the coil, then a small loop is locally formed. • After a few cycle line is stabilized, it is called Recoil line. 8/10/2021 ELEC 312-Electric Machines 102
  • 103.
    PM Material • Alnico(Alnico-5 and Alnico-8)-Alloy of Al+Cobalt+Nickle+Fe---Characterized by High Br and Low Hc • Ferrite (Ceramic) Magnet—Characterized by Low Br and High Hc • Samarium Cobalt (rare earth magnet)—Characterized by High Br and High Hc • Ne-Fe-B (rare earth magnet) )—Characterized by High Br and High Hc 8/10/2021 ELEC 312-Electric Machines 103
  • 104.
  • 105.
    • B.H =Energy stored per unit volume (Energy Density) • For compact size of a PM machine, BH (product of B and H) should be maximized. • The operating point should be chosen at maximum value of BH (as shown in the next slide). Rare Earth magnet has highest BH but it is costly. • Curie Temperature-is the temperature at which material looses its magnetic property. • Rare earth magnet has lowest Curie temp. 8/10/2021 ELEC 312-Electric Machines 105
  • 106.
  • 107.
    PM Material CurieTemp (degree celcius) Rare earth (Nieodium (Ne)+Fe+Boron) 350 Samarium Cobalt (rare earth) 700 Ferrite Magnet 450 Alnico 890 8/10/2021 ELEC 312-Electric Machines 107
  • 108.