P a g e | 1
Introduction
The shaper is a reciprocating type of machine tool intended primarily to produce flat surfaces.
These surfaces may be horizontal, vertical, or inclined. In general the shaper can produce any
surface compost of straight line element. Modern shaper can generate contoured surface.
The metal working shaper was developed in the year 1836 by James Nasmyth an, Englishman.
History
Roe (1916) credits James Nasmyth with the invention of the shaper in 1836. Shapers were very
common in industrial production from the mid-19th century through the mid-20th. In current
industrial practice, shapers have been largely superseded by other machine tools (especially of
the CNC type), including milling machines, grinding machines, and broaching machines. But the
basic function of a shaper is still sound; tooling for them is minimal and very cheap to reproduce;
and they are simple and robust in construction, making their repair and upkeep easily achievable.
Thus they are still popular in many machine shops, from jobbing shops or repair shops to tool
and die shops, where only one or a few pieces are required to be produced and the alternative
methods are cost- or tooling-intensive. They also have considerable retro appeal to many
hobbyist machinists, who are happy to obtain a used shaper or, in some cases, even to build a
new one from scratch.
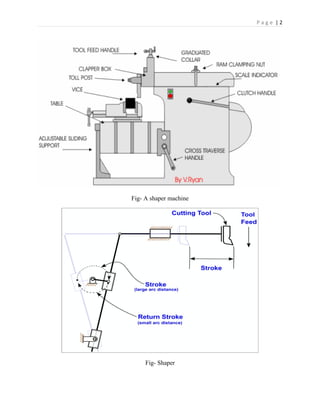
Shaper
A shaper is a type of machine tool that uses linear relative motion between the work piece and
a single-point cutting tool to machine a linear tool path. Its cut is analogous to that of a lathe,
except that it is (archetypal) linear instead of helical. (Adding axes of motion can yield helical
tool paths, as also done in helical planning.) A shaper is analogous to a planer, but smaller, and
with the cutter riding a ram that moves above a stationary work piece, rather than the entire work
piece moving beneath the cutter. The ram is moved back and forth typically by a crank inside the
column; actuated shapers also exist.
P a g e | 2
Fig- A shaper machine
Fig- Shaper
P a g e | 3
Types of shaper
Shapers are classified in number of ways depending upon the general features of design or the
purpose for which they are intended. Shapers are classified under the following headings.
1. According to the type of mechanism used for giving reciprocating motion to the ram:
(a) Crank type (b) Geared type (c) Hydraulic type
2. According to the position and travel of ram:
(a) Horizontal type (b) Vertical type (c) Traveling head type
3. According to the type of design of the table:
(a) Standard shaper (b) Universal shaper
4. According to the type of cutting stroke:
(a) Push type (b) Draw type
1. Crank type shaper
This is the most common type of shaper in which a single point cutting tool is given a
reciprocating equal to the length of the stroke desired while the work is clamped in position on
an adjustable table. In construction, the crank shaper employs a crank mechanism to change
circular motion of a large gear called “bull gear” incorporated in the machine to reciprocating
motion of the ram. The bull gear receives power either from an individual motor or from an
overhead line shaft if it is a belt driven shaper.
2. Geared type shaper
The reciprocating motion of the ram in some type of shaper is effected by means of arrack and
pinion. The rack teeth which are cut directly below the ram mesh with a spur gear. The pinion
meshing with the rack is driven by a gear train. The speed and the direction in which the machine
will traverse depend on the number of gears in the gear train. This type of shaper in not very
widely used
3. Hydraulic type shaper
In a hydraulic shaper, reciprocating movement of the ram is obtained by hydraulic power. Oil
under high pressure is pumped into the operating cylinder fitted with a piston. The end of the
piston red is connected to the ram. The high pressure oil first acts on one side of the piston and
then on the other causing the piston to reciprocate and the motion ist5ransmitted to the ram. The
piston speed is changed by varying the amount of liquid delivered by the pump. One of the most
important advantages of this type of shaper is that the cutting speed and force of the ram drive
P a g e | 4
are constant from the very beginning to the end of the cut. It also offers great flexibility of speed
and feed control., eliminates shock and permits slip or slowing up of motion when the cutting
tool is overloaded, protecting the parts or the tools from breakage. Another advantage is that the
machine does not make any noise and operates very quietly.
4. Horizontal type shaper
In a horizontal shaper, the ram holding the tool reciprocates in a horizontal axis. Horizontal
shapers are mainly used to produce flat surfaces.
5. Vertical type shaper
In a vertical shaper, the ram holding the tool reciprocates in a vertical axis. In some of the
vertical machines provision is made to allow adjustment of the ram to an angle of about10
degrees from the vertical position. Vertical shapers may be crank driven, rack driven, screw
driven or hydraulic power driven. The work table of a vertical shaper can be given cross,
longitudinal, and rotary movement. The tool used on a vertical shaper is entirely different from
that used on a horizontal shaper. Vertical shapers are very convenient for machining internal
surface, keyways, slots or groves. Large internal and external gears may also be machined by
indexing arrangement of the rotary table.
6. Traveling head type shaper
In a traveling head shaper, the ram carrying the tool while it reciprocates moves crosswise to
give the required feed. Heavy and unwieldy jobs which are very difficult to hold on the table of a
standard fed past the tool are held static on the basement of the machine while the reciprocates
and supplies the feeding movements.
7. Standard shaper shaper
A shaper is termed as standard or plain when the table has only two movements, vertical and
horizontal, to give the feed. The table may or may not be supported at the outer end.
8. Universal shaper
In a universal shaper, in addition to the two movements provided on the table of a standard
shaper, the table can be swiveled about an axis parallel to the ram ways, and upper portion of the
table can be tilted about a second horizontal axis perpendicular to the first axis. As the work
P a g e | 5
mounted on the table can be adjusted in different planes, the machine is most suitable for
different types of work and is given name "Universal". A universal is mostly used in tool room
work.
9. Push type shaper
This is the most general type of shaper used in common practice. The metal is removed when the
ram moves away from the column, i.e. pushes the work.
10. Draw type shaper
In a draw shaper, the metal is removed when the ram moves towards the column of the machine,
i.e., draws the work towards the machine. The tool is set in a reversed direction to that of a
standard shaper. The ram is generally supported by an overhead arm which ensures rigidity and
eliminates deflection of the tool. In this shaper the cutting pressure acts towards the column
which relieves the cross rail and other bearings from excessive lading and allows taking deep
cuts. Vibration in these machines is practically eliminated.
Principle parts of shaper machine
Base
The base is the necessary bed or support required for all machine tools. The base may be rigidly
bolted to the floor of the shop or on the bench according to the size of the machine. It is so
designed that it can take up the entire load of the machine and the forces setup by the cutting tool
over the work. It is made of cast iron to resist vibration and take up high compressive lad.
Column
The column is a box like casting mounted upon the base. It encloses the ram driving mechanism.
Two accurately machined guide ways are provided on the top of the column on which the ram
reciprocates. The front vertical face of the column which serves as the guide ways for the cross
rail is also accurately machined. The lid on the left side of the column may be opened for
inspection and oiling of the internal mechanism with the column. The other side of the column
contains levers, handles, etc. for operating the machine.
Fig:-
P a g e | 6
1. Table support, 2. Table, 3. Clapper box, 4. Apron clamping bolts, 5. Down feed hand wheel, 6.
Swivel base degree graduations, 7. Position of stroke adjustment hand wheel, 8. Ram block
locking handle, 9. Ram, 10. Column, 11. Driving pulley, 12. Base, 13.Feed disc, 14. Pawl
mechanism, 15. Elevating screw.
Cross rail
The cross rail is mounted on the front vertical guide ways of the column. It two parallel guide
ways on its top in the vertical plane that are perpendicular to the ram axis. The table may be
raised or lowered to accommodate different sizes of jobs by rotating an elevating screw which
causes the cross rail to slide up and down on the vertical face of the column. A horizontal cross
feed screw which is fitted within the cross rail and parallel to the top guide ways of the cross rail
actuates the table to move in a crosswise direction.
Saddle
The saddle is mounted on the cross rail which holds the table firmly on its top. Crosswise
movement of the saddle by rotating the cross feed screw by hand or power causes the table to
move sideways.
Table
The table which is bolted to the saddle receives crosswise and vertical movements from the
saddle and cross rail. It is a box like casting having T – slots both on the top and sides for
clamping the work. In a universal shaper the may be swiveled on a horizontal axis and the upper
part of the table may be tilted up or down. In heavier type shaper, the front face of the table is
clamped with a table support to make it more rigid.
P a g e | 7
Ram
The ram is the reciprocating member of the shaper. This is semi- cylindrical in form and heavily
ribbed inside to make it more rigid. It slides on the accurately machined dovetail guide ways on
the top of the column and is connected to the reciprocating mechanism contained within the
column. It houses a screwed shaft for altering the position of the ram with respect to the work
and hoods the tools head at the extreme forward end.
Tool head
The tool head of a shaper holds the tool rigidly, provides vertical and angular feed movement of
the tool and allows the tool to have an automatic relief during its return stroke. The vertical slide
of the swivel base which is held on a circular seat on the ram. The swivel base is graduated in
degrees, so that the vertical slide may be set perpendicular to the work surface or at any desired
angle. By rotating the down feed screw handle, the vertical slide carrying the tool executes down
feed or angular feed movement while machining vertical or angular surface. The amount of feed
or depth of cut may be adjusted by a micrometer dial on the top of the down feed screw. Apron
consisting of by a screw. By releasing the clamping screw, the apron may be swiveled upon the
apron swivel pin either towards left or towards right with respect to the vertical slide. This
arrangement is necessary to provide relief to the tool while making vertical or angular cuts. The
two vertical walls on the apron called clapper box houses the clapper block which is connected
to it by means of hinge pin. The tool post dismounted upon the clapper block. On the forward
cutting stroke the clapper block fits securely to the clapper box to make a rigid tool on the work
lifts the block –out of
theclapper box a sufficient amount preventing the tool cutting edge form dragging andconsequen
t wear. The work surface is also prevented from any damage due to dragging.
Tool head of
shaper:
P a g e | 8
1. Down feed screw micrometer dial.
2. Down feed Screed
3. Vertical Slide
4. Apron
5. Apron Clamping bolt
6. Clapper Block
7. Tool post
8. Washer
9. Apron swivel pin
10. Swivel base
Specification of shaper
The size of a shaper is determined by the maximum length of stroke or cut it can make. The
usual size ranges from 175 to 900 mm. The length of stroke indicates, in addition to the general
size of the machine, the size of a cube that can be held and planed I the shaper. Thus in a 250
mm shaper the length of stroke may be adjusted from 0 to 250 mm, the cross feed adjusted of the
table will be 250 mm and the extreme bottom position of the cross rail will permit the table to
accommodate a work piece 250 mm high. The length of stroke of a shaper merely indicates the
overall size of the shaper other particulars, such as the type of drive : belt or individual motor
drive, power input, floor space required, weight of the machine, cutting to return stroke ratio,
number and amount of feed etc. are also sometimes necessary.
Shaper mechanism
In a shaper, rotary movement of the drive is converted into reciprocating movement byte
mechanism contained within the column of the machine. The ram holding the tool gets the
reciprocating movement. In a standard shaper metal is removed in the forward cutting stroke,
while the return stroke goes idle and no metal is removed during this period. To deduce the total
machining time it is necessary to reduce the time taken by the stroke. Thus the shaper
mechanism should be so designed that it can allow the ram holding the tool to move at a
comparatively slower speed during the forward cutting stroke, the cutting speed depending upon
the type of material and machining condition., whereas during the return stroke it can allow the
ram to move at a faster rate to reduce the idle return time. This mechanism is known as quick
return mechanism. The reciprocating movement of the remand the quick return mechanism of the
machine are usually obtained by :Whitworth quick return mechanism
Whitworth quick return mechanism
P a g e | 9
The Whitworth quick return mechanism is shown in Figure and a simple line diagram of the
mechanism is shown in Fig. 7.8. The bull gear is mounted on a large fixed pin A upon which it is
free to rotate. The crank plate 4 is pivoted eccentrically upon the fixed pin at 5.Fitted on the face
of the bull gear is the crank pin 2 on the top of which is mounted the sliding block 3. Sliding
block 3 fits into the slot provided on the crank plate4. At the other end of the crank plate 4, a
connecting rod 6 connects the crank plate by a pin 9 and the ram 8 by a pin 7.
1.Driving pinion, 2. Crank pin, 3. Sliding block, 4. Crank plate, 5. Pivot for crank plate, 6.
Connecting rod, 7. Connecting pin for ram, 8. Ram, 9.Pin, A. Fixed pin.
When bull gear will rotate at a constant speed the crank pin 2 with the sliding block 3will rotate
on a crank circle of radius A2 and the sliding block 3 will cause the crank plate rotate about the
point 5 with a variable angular velocity. Pin 9 fitted on the other end of the crank plate 4 will
rotate in a circle and the rotary motion of the pin 9 will be converted into reciprocating
movement of the ram similar to the crank and connecting rod mechanism. The axis of
reciprocating of the ram passes through the pin 5 and is normal to the line A5.When the pin 2 is
at the position C the ram will be at the extreme backward position but when the pin is at the
position B, the extreme forward position of the ram will have been reached. When the pin 2
travels from C to B the crank pi 9 passes through the backward position to the forward position
in the cutting stroke, and the return stroke is completed when the pin 2 travels from B to C or the
pin 9 passes from the forward position to the backward position. As the angular velocity of the
crank pin is uniform, the time taken by the crank pin2to travel through an are covering CEB
is greater then the time taken to move through an are covering BDC. Thus a quick return motion
is obtained by the mechanism. The length of stroke of the ram may be changed by shifting the
position of pin 9 closer or away from the pivot 5. The position of stroke may be altered by
shifting the position of pin 7 on the ram.
Automatic feed mechanism
P a g e | 10
In a shaper both down feed and cross feed movements may be obtained. Unlike a lathe, these
feed movements are provided intermittently and during the end of return stroke only. Vertical or
bevel surfaces are produced by rotating the down feed screw of the tool head by hand. Cross feed
movement is used to machine a flat horizontal surface. This is done by rotating the cross feed
screw either by hand or power. Rotation of the cross feed screw causes the table mounted upon
the saddle to move stroke so as bring the uncut surface of the work in the direct path of the
reciprocating tool.
1.Knob, 2. Pin, 3.Helical spring, 4.Pawl, 5. Ratchet wheel, 6.Rocker Arm Fulcrum, 7.Rocker are
connecting pin, 8.Driving disc. 9. Crank Pin.
Figure illustrates the automatic cross feed mechanism of a shaper. The rotation of the bull gear
causes the driving disc 8 to rotate in a particular direction. The driving disc 8 its- slotted and
position of the crank pin 9 attached to the connecting rod may be altered to give different throw
of eccentricity. The other end of the connecting rod is attached t the rocking arm by a pin 7. The
rocking arm is fulcrum at 6, the centre of the ratchet wheel 5.The ratchet wheel 5 is keyed to the
cross feed screw. The rocking arm houses a spring loaded pawl 4 which is straight on one side
and bevel on the other rotates, the connecting rod starts reciprocating and the rocking arm rocks
on the fulcrum 6. When the driving disc rotates through half of the revolution in the clock wise
direction, top part of the rocking are move sin the clockwise direction and the pawl 4 being slant
on side slips over the tee5th of the ratchet wheel 5 imparting it no movement. As the driving disc
rotates through the other half, the top of the rocking arm now moves in the anticlockwise
direction and the straight side
of the pawl engages with the teeth of the ratchet wheel causing the wheel to move inanticlockwis
e direction only. As the driving disc is connected to the bull gear the table feed movement is
effected when the bull gear or the diving disc rotates through half of
therevolution, i.e., during return stroke only. Rotation through other half imparts no feedmoveme
nt. To reverse the direction of rotation of ratchet wheel and consequently the feed, a knob / on
P a g e | 11
the top of the pawl 4 after removing the pin 2 is rotated through 180 degrees. The amount of feed
may be altered by shifting the position of crank pin 9 with respect to the centre. Greater the
throw of eccentricity, more will be the rocking movement of the arm and the pawl will pass
through three or four teeth on the wheel at a time imparting greater feed movement.
Uses
The most common use is to machine straight, flat surfaces, but with ingenuity and some
accessories a wide range of work can be done. Other examples of its use are:
ď‚§ Keyways in the boss of a pulley or gear can be machined without resorting to a
dedicated broaching setup.
ď‚§ Dovetail slides
ď‚§ Internal spines
ď‚§ Keyway cutting in blind holes
ď‚§ Cam drums with tool paths of the type that in CNC milling terms would require 4- or 5-
axis contouring or turn-mill cylindrical interpolation
ď‚§ It is even possible to obviate wire EDM work in some cases. Starting from a drilled or
cored hole, a shaper with a boring-bar type tool can cut internal features that don't lend
themselves to milling or boring (such as irregularly shaped holes with tight corners)
Conclusion
From the study of Shaper and its Mechanism we got some idea about shaper machine.
References
• Www.shaper machine. Wiki
• en.wikipedia.org/wiki/Shaper
• www.technologystudent.com/cams/crank2.htm
• seminarprojects.com/s/abstract-in-shaper-machine-pdf-file
• www.4shared.com/office/0-pM7tP1/shaping_machine

shaper machine

  • 1.
    P a ge | 1 Introduction The shaper is a reciprocating type of machine tool intended primarily to produce flat surfaces. These surfaces may be horizontal, vertical, or inclined. In general the shaper can produce any surface compost of straight line element. Modern shaper can generate contoured surface. The metal working shaper was developed in the year 1836 by James Nasmyth an, Englishman. History Roe (1916) credits James Nasmyth with the invention of the shaper in 1836. Shapers were very common in industrial production from the mid-19th century through the mid-20th. In current industrial practice, shapers have been largely superseded by other machine tools (especially of the CNC type), including milling machines, grinding machines, and broaching machines. But the basic function of a shaper is still sound; tooling for them is minimal and very cheap to reproduce; and they are simple and robust in construction, making their repair and upkeep easily achievable. Thus they are still popular in many machine shops, from jobbing shops or repair shops to tool and die shops, where only one or a few pieces are required to be produced and the alternative methods are cost- or tooling-intensive. They also have considerable retro appeal to many hobbyist machinists, who are happy to obtain a used shaper or, in some cases, even to build a new one from scratch. Shaper A shaper is a type of machine tool that uses linear relative motion between the work piece and a single-point cutting tool to machine a linear tool path. Its cut is analogous to that of a lathe, except that it is (archetypal) linear instead of helical. (Adding axes of motion can yield helical tool paths, as also done in helical planning.) A shaper is analogous to a planer, but smaller, and with the cutter riding a ram that moves above a stationary work piece, rather than the entire work piece moving beneath the cutter. The ram is moved back and forth typically by a crank inside the column; actuated shapers also exist.
  • 2.
    P a ge | 2 Fig- A shaper machine Fig- Shaper
  • 3.
    P a ge | 3 Types of shaper Shapers are classified in number of ways depending upon the general features of design or the purpose for which they are intended. Shapers are classified under the following headings. 1. According to the type of mechanism used for giving reciprocating motion to the ram: (a) Crank type (b) Geared type (c) Hydraulic type 2. According to the position and travel of ram: (a) Horizontal type (b) Vertical type (c) Traveling head type 3. According to the type of design of the table: (a) Standard shaper (b) Universal shaper 4. According to the type of cutting stroke: (a) Push type (b) Draw type 1. Crank type shaper This is the most common type of shaper in which a single point cutting tool is given a reciprocating equal to the length of the stroke desired while the work is clamped in position on an adjustable table. In construction, the crank shaper employs a crank mechanism to change circular motion of a large gear called “bull gear” incorporated in the machine to reciprocating motion of the ram. The bull gear receives power either from an individual motor or from an overhead line shaft if it is a belt driven shaper. 2. Geared type shaper The reciprocating motion of the ram in some type of shaper is effected by means of arrack and pinion. The rack teeth which are cut directly below the ram mesh with a spur gear. The pinion meshing with the rack is driven by a gear train. The speed and the direction in which the machine will traverse depend on the number of gears in the gear train. This type of shaper in not very widely used 3. Hydraulic type shaper In a hydraulic shaper, reciprocating movement of the ram is obtained by hydraulic power. Oil under high pressure is pumped into the operating cylinder fitted with a piston. The end of the piston red is connected to the ram. The high pressure oil first acts on one side of the piston and then on the other causing the piston to reciprocate and the motion ist5ransmitted to the ram. The piston speed is changed by varying the amount of liquid delivered by the pump. One of the most important advantages of this type of shaper is that the cutting speed and force of the ram drive
  • 4.
    P a ge | 4 are constant from the very beginning to the end of the cut. It also offers great flexibility of speed and feed control., eliminates shock and permits slip or slowing up of motion when the cutting tool is overloaded, protecting the parts or the tools from breakage. Another advantage is that the machine does not make any noise and operates very quietly. 4. Horizontal type shaper In a horizontal shaper, the ram holding the tool reciprocates in a horizontal axis. Horizontal shapers are mainly used to produce flat surfaces. 5. Vertical type shaper In a vertical shaper, the ram holding the tool reciprocates in a vertical axis. In some of the vertical machines provision is made to allow adjustment of the ram to an angle of about10 degrees from the vertical position. Vertical shapers may be crank driven, rack driven, screw driven or hydraulic power driven. The work table of a vertical shaper can be given cross, longitudinal, and rotary movement. The tool used on a vertical shaper is entirely different from that used on a horizontal shaper. Vertical shapers are very convenient for machining internal surface, keyways, slots or groves. Large internal and external gears may also be machined by indexing arrangement of the rotary table. 6. Traveling head type shaper In a traveling head shaper, the ram carrying the tool while it reciprocates moves crosswise to give the required feed. Heavy and unwieldy jobs which are very difficult to hold on the table of a standard fed past the tool are held static on the basement of the machine while the reciprocates and supplies the feeding movements. 7. Standard shaper shaper A shaper is termed as standard or plain when the table has only two movements, vertical and horizontal, to give the feed. The table may or may not be supported at the outer end. 8. Universal shaper In a universal shaper, in addition to the two movements provided on the table of a standard shaper, the table can be swiveled about an axis parallel to the ram ways, and upper portion of the table can be tilted about a second horizontal axis perpendicular to the first axis. As the work
  • 5.
    P a ge | 5 mounted on the table can be adjusted in different planes, the machine is most suitable for different types of work and is given name "Universal". A universal is mostly used in tool room work. 9. Push type shaper This is the most general type of shaper used in common practice. The metal is removed when the ram moves away from the column, i.e. pushes the work. 10. Draw type shaper In a draw shaper, the metal is removed when the ram moves towards the column of the machine, i.e., draws the work towards the machine. The tool is set in a reversed direction to that of a standard shaper. The ram is generally supported by an overhead arm which ensures rigidity and eliminates deflection of the tool. In this shaper the cutting pressure acts towards the column which relieves the cross rail and other bearings from excessive lading and allows taking deep cuts. Vibration in these machines is practically eliminated. Principle parts of shaper machine Base The base is the necessary bed or support required for all machine tools. The base may be rigidly bolted to the floor of the shop or on the bench according to the size of the machine. It is so designed that it can take up the entire load of the machine and the forces setup by the cutting tool over the work. It is made of cast iron to resist vibration and take up high compressive lad. Column The column is a box like casting mounted upon the base. It encloses the ram driving mechanism. Two accurately machined guide ways are provided on the top of the column on which the ram reciprocates. The front vertical face of the column which serves as the guide ways for the cross rail is also accurately machined. The lid on the left side of the column may be opened for inspection and oiling of the internal mechanism with the column. The other side of the column contains levers, handles, etc. for operating the machine. Fig:-
  • 6.
    P a ge | 6 1. Table support, 2. Table, 3. Clapper box, 4. Apron clamping bolts, 5. Down feed hand wheel, 6. Swivel base degree graduations, 7. Position of stroke adjustment hand wheel, 8. Ram block locking handle, 9. Ram, 10. Column, 11. Driving pulley, 12. Base, 13.Feed disc, 14. Pawl mechanism, 15. Elevating screw. Cross rail The cross rail is mounted on the front vertical guide ways of the column. It two parallel guide ways on its top in the vertical plane that are perpendicular to the ram axis. The table may be raised or lowered to accommodate different sizes of jobs by rotating an elevating screw which causes the cross rail to slide up and down on the vertical face of the column. A horizontal cross feed screw which is fitted within the cross rail and parallel to the top guide ways of the cross rail actuates the table to move in a crosswise direction. Saddle The saddle is mounted on the cross rail which holds the table firmly on its top. Crosswise movement of the saddle by rotating the cross feed screw by hand or power causes the table to move sideways. Table The table which is bolted to the saddle receives crosswise and vertical movements from the saddle and cross rail. It is a box like casting having T – slots both on the top and sides for clamping the work. In a universal shaper the may be swiveled on a horizontal axis and the upper part of the table may be tilted up or down. In heavier type shaper, the front face of the table is clamped with a table support to make it more rigid.
  • 7.
    P a ge | 7 Ram The ram is the reciprocating member of the shaper. This is semi- cylindrical in form and heavily ribbed inside to make it more rigid. It slides on the accurately machined dovetail guide ways on the top of the column and is connected to the reciprocating mechanism contained within the column. It houses a screwed shaft for altering the position of the ram with respect to the work and hoods the tools head at the extreme forward end. Tool head The tool head of a shaper holds the tool rigidly, provides vertical and angular feed movement of the tool and allows the tool to have an automatic relief during its return stroke. The vertical slide of the swivel base which is held on a circular seat on the ram. The swivel base is graduated in degrees, so that the vertical slide may be set perpendicular to the work surface or at any desired angle. By rotating the down feed screw handle, the vertical slide carrying the tool executes down feed or angular feed movement while machining vertical or angular surface. The amount of feed or depth of cut may be adjusted by a micrometer dial on the top of the down feed screw. Apron consisting of by a screw. By releasing the clamping screw, the apron may be swiveled upon the apron swivel pin either towards left or towards right with respect to the vertical slide. This arrangement is necessary to provide relief to the tool while making vertical or angular cuts. The two vertical walls on the apron called clapper box houses the clapper block which is connected to it by means of hinge pin. The tool post dismounted upon the clapper block. On the forward cutting stroke the clapper block fits securely to the clapper box to make a rigid tool on the work lifts the block –out of theclapper box a sufficient amount preventing the tool cutting edge form dragging andconsequen t wear. The work surface is also prevented from any damage due to dragging. Tool head of shaper:
  • 8.
    P a ge | 8 1. Down feed screw micrometer dial. 2. Down feed Screed 3. Vertical Slide 4. Apron 5. Apron Clamping bolt 6. Clapper Block 7. Tool post 8. Washer 9. Apron swivel pin 10. Swivel base Specification of shaper The size of a shaper is determined by the maximum length of stroke or cut it can make. The usual size ranges from 175 to 900 mm. The length of stroke indicates, in addition to the general size of the machine, the size of a cube that can be held and planed I the shaper. Thus in a 250 mm shaper the length of stroke may be adjusted from 0 to 250 mm, the cross feed adjusted of the table will be 250 mm and the extreme bottom position of the cross rail will permit the table to accommodate a work piece 250 mm high. The length of stroke of a shaper merely indicates the overall size of the shaper other particulars, such as the type of drive : belt or individual motor drive, power input, floor space required, weight of the machine, cutting to return stroke ratio, number and amount of feed etc. are also sometimes necessary. Shaper mechanism In a shaper, rotary movement of the drive is converted into reciprocating movement byte mechanism contained within the column of the machine. The ram holding the tool gets the reciprocating movement. In a standard shaper metal is removed in the forward cutting stroke, while the return stroke goes idle and no metal is removed during this period. To deduce the total machining time it is necessary to reduce the time taken by the stroke. Thus the shaper mechanism should be so designed that it can allow the ram holding the tool to move at a comparatively slower speed during the forward cutting stroke, the cutting speed depending upon the type of material and machining condition., whereas during the return stroke it can allow the ram to move at a faster rate to reduce the idle return time. This mechanism is known as quick return mechanism. The reciprocating movement of the remand the quick return mechanism of the machine are usually obtained by :Whitworth quick return mechanism Whitworth quick return mechanism
  • 9.
    P a ge | 9 The Whitworth quick return mechanism is shown in Figure and a simple line diagram of the mechanism is shown in Fig. 7.8. The bull gear is mounted on a large fixed pin A upon which it is free to rotate. The crank plate 4 is pivoted eccentrically upon the fixed pin at 5.Fitted on the face of the bull gear is the crank pin 2 on the top of which is mounted the sliding block 3. Sliding block 3 fits into the slot provided on the crank plate4. At the other end of the crank plate 4, a connecting rod 6 connects the crank plate by a pin 9 and the ram 8 by a pin 7. 1.Driving pinion, 2. Crank pin, 3. Sliding block, 4. Crank plate, 5. Pivot for crank plate, 6. Connecting rod, 7. Connecting pin for ram, 8. Ram, 9.Pin, A. Fixed pin. When bull gear will rotate at a constant speed the crank pin 2 with the sliding block 3will rotate on a crank circle of radius A2 and the sliding block 3 will cause the crank plate rotate about the point 5 with a variable angular velocity. Pin 9 fitted on the other end of the crank plate 4 will rotate in a circle and the rotary motion of the pin 9 will be converted into reciprocating movement of the ram similar to the crank and connecting rod mechanism. The axis of reciprocating of the ram passes through the pin 5 and is normal to the line A5.When the pin 2 is at the position C the ram will be at the extreme backward position but when the pin is at the position B, the extreme forward position of the ram will have been reached. When the pin 2 travels from C to B the crank pi 9 passes through the backward position to the forward position in the cutting stroke, and the return stroke is completed when the pin 2 travels from B to C or the pin 9 passes from the forward position to the backward position. As the angular velocity of the crank pin is uniform, the time taken by the crank pin2to travel through an are covering CEB is greater then the time taken to move through an are covering BDC. Thus a quick return motion is obtained by the mechanism. The length of stroke of the ram may be changed by shifting the position of pin 9 closer or away from the pivot 5. The position of stroke may be altered by shifting the position of pin 7 on the ram. Automatic feed mechanism
  • 10.
    P a ge | 10 In a shaper both down feed and cross feed movements may be obtained. Unlike a lathe, these feed movements are provided intermittently and during the end of return stroke only. Vertical or bevel surfaces are produced by rotating the down feed screw of the tool head by hand. Cross feed movement is used to machine a flat horizontal surface. This is done by rotating the cross feed screw either by hand or power. Rotation of the cross feed screw causes the table mounted upon the saddle to move stroke so as bring the uncut surface of the work in the direct path of the reciprocating tool. 1.Knob, 2. Pin, 3.Helical spring, 4.Pawl, 5. Ratchet wheel, 6.Rocker Arm Fulcrum, 7.Rocker are connecting pin, 8.Driving disc. 9. Crank Pin. Figure illustrates the automatic cross feed mechanism of a shaper. The rotation of the bull gear causes the driving disc 8 to rotate in a particular direction. The driving disc 8 its- slotted and position of the crank pin 9 attached to the connecting rod may be altered to give different throw of eccentricity. The other end of the connecting rod is attached t the rocking arm by a pin 7. The rocking arm is fulcrum at 6, the centre of the ratchet wheel 5.The ratchet wheel 5 is keyed to the cross feed screw. The rocking arm houses a spring loaded pawl 4 which is straight on one side and bevel on the other rotates, the connecting rod starts reciprocating and the rocking arm rocks on the fulcrum 6. When the driving disc rotates through half of the revolution in the clock wise direction, top part of the rocking are move sin the clockwise direction and the pawl 4 being slant on side slips over the tee5th of the ratchet wheel 5 imparting it no movement. As the driving disc rotates through the other half, the top of the rocking arm now moves in the anticlockwise direction and the straight side of the pawl engages with the teeth of the ratchet wheel causing the wheel to move inanticlockwis e direction only. As the driving disc is connected to the bull gear the table feed movement is effected when the bull gear or the diving disc rotates through half of therevolution, i.e., during return stroke only. Rotation through other half imparts no feedmoveme nt. To reverse the direction of rotation of ratchet wheel and consequently the feed, a knob / on
  • 11.
    P a ge | 11 the top of the pawl 4 after removing the pin 2 is rotated through 180 degrees. The amount of feed may be altered by shifting the position of crank pin 9 with respect to the centre. Greater the throw of eccentricity, more will be the rocking movement of the arm and the pawl will pass through three or four teeth on the wheel at a time imparting greater feed movement. Uses The most common use is to machine straight, flat surfaces, but with ingenuity and some accessories a wide range of work can be done. Other examples of its use are:  Keyways in the boss of a pulley or gear can be machined without resorting to a dedicated broaching setup.  Dovetail slides  Internal spines  Keyway cutting in blind holes  Cam drums with tool paths of the type that in CNC milling terms would require 4- or 5- axis contouring or turn-mill cylindrical interpolation  It is even possible to obviate wire EDM work in some cases. Starting from a drilled or cored hole, a shaper with a boring-bar type tool can cut internal features that don't lend themselves to milling or boring (such as irregularly shaped holes with tight corners) Conclusion From the study of Shaper and its Mechanism we got some idea about shaper machine. References • Www.shaper machine. Wiki • en.wikipedia.org/wiki/Shaper • www.technologystudent.com/cams/crank2.htm • seminarprojects.com/s/abstract-in-shaper-machine-pdf-file • www.4shared.com/office/0-pM7tP1/shaping_machine