Introduction
to
Refrigeration & Air Conditioning
Dr.-Ing Rohit	Singh	Lather,	Ph.D.
Introduction
• Cooling of food stores and cargo
• Cooling of electronic spaces and equipment
• CIC (computers and consoles)
• Radio (communications gear)
• Radars
• Servers
• Sonar
• Electronic controls
• Air conditioning for crew comfort
Refrigeration
• Refrigeration may be defined as the process of achieving and maintaining a temperature below
that of the surroundings, the aim being to cool some product or space to the required temperature
• The rating of a refrigeration machine is obtained by refrigerating effect or amount of heat
extracted in a given time from body
• It is defined as the refrigerating effect produced by melting of 1 tonne of ice from and at 0°C in
24 hours.
• Since L = 336kJ/kg
• 1 TR= 3.88kW
Objectives of Refrigerator
Win
Q1
Q2
Refrigerated Space
Warm Environment
Refrig
erator
Desired Output
Condenser
Evaporator
Expansion
Valve
Compressor Wc
T < T atm.
T = T atm.
Refrigerator
Throttle
Compressor
QR/Q2
Refrigerator
W
• In nature, heat flows from high-temperature regions to low-temperature ones
• The reverse process, however, cannot occur by itself
• The transfer of heat from a low- temperature region to a high-temperature one requires special
devices called refrigerators
Refrigerators are cyclic devices, and the working fluids used in the cycles are called refrigerant
Condenser
QC/Q1
Refrigeration Systems
• Vapor Compression Refrigeration (VCR): uses mechanical energy
- Highly compressed fluids tend to get colder when allowed to expand
- If pressure high enough
- Compressed air hotter than source of cooling
- Expanded gas cooler than desired cold temperature
Condenser
Evaporator
High Pressure
Side
Low
Pressure
Side
Compressor
Expansion Device
1
2
3
4
• Point 1-2 (Evaporation): Constant pressure and temperature are maintained, i.e., saturation.
When heat is transferred at saturation, the result is a change in phase
• Point 2-3 (Compression): Compressing the gaseous Freon produces a concomitant increase in
thermal energy represented by a rise in the enthalpy and the temperature of the Freon
- This is the heat of compression resulting from the added energy to the Freon vapor
- Compression provides the thermal driving head to sustain the flow of Freon through the cycle
• Point 3-4 (Condensation): In passing through the dome from the right side to the left, the
refrigerant cools from 51°C to 40°C and changes phase from a superheated vapor to a slightly
sub-cooled liquid
• Point 4-1 (Expansion): The refrigerant is expanded by passing through an expansion valve where
its pressure is reduced from 10 bar to 1.5 bar.
- In the process of expanding, the Freon cools from 40°C to -20°C (cold of expansion) and
crosses into the dome where both saturated liquid and gaseous Freon can coexist
- About 25% of the fluid vaporizes into a gas during the process
Vapor Compression Refrigeration Cycle
High Pressure
Side
Low Pressure
Side
Compressor
Expansion Device
1
2
3
4
Low pressure liquid refrigerant in
evaporator absorbs heat and changes
to a gas
The superheated vapor
enters the compressor
where its pressure is
raised
The high pressure superheated gas is
cooled in several stages in the condenser
Liquid passes through
expansion device, which
reduces its pressure and
controls the flow into the
evaporator
Evaporator
Condenser
Typical Refrigeration Cycle
• Components:-
- Refrigerant
- Evaporator/Chiller
- Compressor
- Condenser
- Receiver
- Thermostatic expansion valve (TXV)
• Choice of compressor, design of condenser, evaporator
determined by
• Refrigerant
• Required cooling
• Load
• Ease of maintenance
• Physical space requirements
• Availability of utilities (water, power)
Refrigerant
• Desirable properties:
• High latent heat of vaporization - max cooling
• Non-toxicity (no health hazard)
• Desirable saturation temp (for operating pressure)
• Chemical stability (non-flammable/non-explosive)
• Ease of leak detection
• Low cost
• Readily available
• Commonly use FREON (R-12, R-114, etc.)
Compression and Compressor
• The low pressure, superheated refrigerant vapor is discharged from the evaporator to the suction
side of the compressor
• The compressor is the mechanical unit which keeps the refrigerant circulating through the system
by increasing the fluid’s pressure and thermal potential energies
• In the compressor (either reciprocating or centrifugal), the refrigerant is compressed from a low
pressure vapor to a high pressure vapor, and its temperature rises accordingly from the heat of
compression
• This increase in energy provides the driving force to allow the refrigerant to flow through the
system
Evaporation
• The boiling point of the refrigerant under low pressure in the evaporator is extremely low, much
lower than the temperature of the spaces in which the cooling coils are installed
• The temperature differential between the -20.5°C refrigerant in the coils and the air in the
freeze box slightly above -17°C causes heat to be transferred from the freeze box to the
refrigerant
• It absorbs its latent heat of vaporization from the surroundings, thereby cooling the space
• The refrigerant continues to absorb heat until all the liquid has boiled and vaporized
• To ensure all the refrigerant changes phase to vapor, the refrigerant must be slightly superheated
• As a rule, 6°F to 10°F of superheat is added to the refrigerant
• The refrigerant leaves the evaporator as a low pressure superheated vapor, having cooled the
space
• The remainder of the cycle is concerned with disposing of this heat and getting the refrigerant
back into a liquid state so that it can again vaporize in the evaporator and thus again absorb heat
from the space
Evaporator/Chiller
• Located in space to be refrigerated
• Cooling coil acts as an indirect heat exchanger
• Absorbs heat from surroundings and vaporizes
• Latent Heat of Vaporization
• Sensible Heat of surroundings
• Slightly superheated (-12°C) - ensures no liquid carryover into compressor
Condensation and Condenser
• The refrigerant must be thermodynamically returned to its starting point as a high pressure (10
bar) and high temperature (40°C) sub-cooled liquid from a higher temperature (-4°C) superheated
vapor
• There is a significant amount of heat to extract in transforming the refrigerant from a gas to a
liquid in the form of latent heat of condensation (LHC)
• Since this extraneous heat must be disposed, a heat exchanger is used to absorb the LHC and
discharge it overboard
• The heat removal from the refrigerant causes it to condense into a liquid at a constant pressure of
10 bar
• The refrigerant, still at a high pressure, is now a sub-cooled liquid ready to commence the process
again
• From the condenser, the refrigerant flows into a receiver, which serves as a storage place for the
liquid refrigerant and as a seal between the high and low pressure sides of the refrigerant loop
• From the receiver, the refrigerant returns to the expansion valve and the cycle begins again
• All refrigeration and air conditioning systems follow this simple process no matter what type of
refrigerant is used. The operating parameters will change, but it still is the same basic cycle.
Expansion
• Liquid refrigerant enters the expansion valve at high pressure.
• The refrigerant leaves the outlet of the expansion valve at a much lower pressure and enters the
low pressure side of the system
• Because the pressure release has decreased the refrigerant’s potential energy, the liquid
refrigerant manifests this energy conversion by beginning to boil and to flash into vapor.
• The refrigerant is still saturated and at a very low temperature of -20°C entering the evaporator,
or chiller, coils
• It is now a mixture of liquid and vapor refrigerant. This temperature gives us a thermal
differential to cool, or keep cool, a space which must be maintained at required temperature
• The refrigerant is now ready to absorb the unnecessary heat from the space by entering the
evaporator coils located in the space to be cooled
Expansion Device
• Thermostatic Expansion Valve (TXV)
• Liquid Freon enters the expansion valve at high pressure and leaves as a low pressure wet vapor
(vapor forms as refrigerant enters saturation region)
• Controls:
• Pressure reduction
• Amount of refrigerant entering evaporator controls capacity
refrigerant as a saturated
mixture of liquid and vapor
Cooling Coils
EXPANSION VALVE
Receiver
• Temporary storage space & surge volume for the sub-cooled refrigerant
• Serves as a vapor seal to prevent vapor from entering the expansion valve
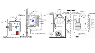
Air Conditioning
• Purpose: maintain the atmosphere of an enclosed space at a required temp, humidity and purity
• Refrigeration system is at heart of AC system
A Typical Window Air Conditioner
Split Air Conditioner
Car Air Conditioner

Air conditioning

  • 1.
    Introduction to Refrigeration & AirConditioning Dr.-Ing Rohit Singh Lather, Ph.D.
  • 2.
    Introduction • Cooling offood stores and cargo • Cooling of electronic spaces and equipment • CIC (computers and consoles) • Radio (communications gear) • Radars • Servers • Sonar • Electronic controls • Air conditioning for crew comfort
  • 3.
    Refrigeration • Refrigeration maybe defined as the process of achieving and maintaining a temperature below that of the surroundings, the aim being to cool some product or space to the required temperature • The rating of a refrigeration machine is obtained by refrigerating effect or amount of heat extracted in a given time from body • It is defined as the refrigerating effect produced by melting of 1 tonne of ice from and at 0°C in 24 hours. • Since L = 336kJ/kg • 1 TR= 3.88kW
  • 4.
    Objectives of Refrigerator Win Q1 Q2 RefrigeratedSpace Warm Environment Refrig erator Desired Output Condenser Evaporator Expansion Valve Compressor Wc T < T atm. T = T atm.
  • 5.
    Refrigerator Throttle Compressor QR/Q2 Refrigerator W • In nature,heat flows from high-temperature regions to low-temperature ones • The reverse process, however, cannot occur by itself • The transfer of heat from a low- temperature region to a high-temperature one requires special devices called refrigerators Refrigerators are cyclic devices, and the working fluids used in the cycles are called refrigerant Condenser QC/Q1
  • 6.
    Refrigeration Systems • VaporCompression Refrigeration (VCR): uses mechanical energy - Highly compressed fluids tend to get colder when allowed to expand - If pressure high enough - Compressed air hotter than source of cooling - Expanded gas cooler than desired cold temperature Condenser Evaporator High Pressure Side Low Pressure Side Compressor Expansion Device 1 2 3 4
  • 7.
    • Point 1-2(Evaporation): Constant pressure and temperature are maintained, i.e., saturation. When heat is transferred at saturation, the result is a change in phase • Point 2-3 (Compression): Compressing the gaseous Freon produces a concomitant increase in thermal energy represented by a rise in the enthalpy and the temperature of the Freon - This is the heat of compression resulting from the added energy to the Freon vapor - Compression provides the thermal driving head to sustain the flow of Freon through the cycle • Point 3-4 (Condensation): In passing through the dome from the right side to the left, the refrigerant cools from 51°C to 40°C and changes phase from a superheated vapor to a slightly sub-cooled liquid • Point 4-1 (Expansion): The refrigerant is expanded by passing through an expansion valve where its pressure is reduced from 10 bar to 1.5 bar. - In the process of expanding, the Freon cools from 40°C to -20°C (cold of expansion) and crosses into the dome where both saturated liquid and gaseous Freon can coexist - About 25% of the fluid vaporizes into a gas during the process
  • 8.
    Vapor Compression RefrigerationCycle High Pressure Side Low Pressure Side Compressor Expansion Device 1 2 3 4 Low pressure liquid refrigerant in evaporator absorbs heat and changes to a gas The superheated vapor enters the compressor where its pressure is raised The high pressure superheated gas is cooled in several stages in the condenser Liquid passes through expansion device, which reduces its pressure and controls the flow into the evaporator Evaporator Condenser
  • 9.
    Typical Refrigeration Cycle •Components:- - Refrigerant - Evaporator/Chiller - Compressor - Condenser - Receiver - Thermostatic expansion valve (TXV) • Choice of compressor, design of condenser, evaporator determined by • Refrigerant • Required cooling • Load • Ease of maintenance • Physical space requirements • Availability of utilities (water, power)
  • 10.
    Refrigerant • Desirable properties: •High latent heat of vaporization - max cooling • Non-toxicity (no health hazard) • Desirable saturation temp (for operating pressure) • Chemical stability (non-flammable/non-explosive) • Ease of leak detection • Low cost • Readily available • Commonly use FREON (R-12, R-114, etc.)
  • 11.
    Compression and Compressor •The low pressure, superheated refrigerant vapor is discharged from the evaporator to the suction side of the compressor • The compressor is the mechanical unit which keeps the refrigerant circulating through the system by increasing the fluid’s pressure and thermal potential energies • In the compressor (either reciprocating or centrifugal), the refrigerant is compressed from a low pressure vapor to a high pressure vapor, and its temperature rises accordingly from the heat of compression • This increase in energy provides the driving force to allow the refrigerant to flow through the system
  • 12.
    Evaporation • The boilingpoint of the refrigerant under low pressure in the evaporator is extremely low, much lower than the temperature of the spaces in which the cooling coils are installed • The temperature differential between the -20.5°C refrigerant in the coils and the air in the freeze box slightly above -17°C causes heat to be transferred from the freeze box to the refrigerant • It absorbs its latent heat of vaporization from the surroundings, thereby cooling the space • The refrigerant continues to absorb heat until all the liquid has boiled and vaporized • To ensure all the refrigerant changes phase to vapor, the refrigerant must be slightly superheated • As a rule, 6°F to 10°F of superheat is added to the refrigerant • The refrigerant leaves the evaporator as a low pressure superheated vapor, having cooled the space • The remainder of the cycle is concerned with disposing of this heat and getting the refrigerant back into a liquid state so that it can again vaporize in the evaporator and thus again absorb heat from the space
  • 13.
    Evaporator/Chiller • Located inspace to be refrigerated • Cooling coil acts as an indirect heat exchanger • Absorbs heat from surroundings and vaporizes • Latent Heat of Vaporization • Sensible Heat of surroundings • Slightly superheated (-12°C) - ensures no liquid carryover into compressor
  • 14.
    Condensation and Condenser •The refrigerant must be thermodynamically returned to its starting point as a high pressure (10 bar) and high temperature (40°C) sub-cooled liquid from a higher temperature (-4°C) superheated vapor • There is a significant amount of heat to extract in transforming the refrigerant from a gas to a liquid in the form of latent heat of condensation (LHC) • Since this extraneous heat must be disposed, a heat exchanger is used to absorb the LHC and discharge it overboard • The heat removal from the refrigerant causes it to condense into a liquid at a constant pressure of 10 bar • The refrigerant, still at a high pressure, is now a sub-cooled liquid ready to commence the process again • From the condenser, the refrigerant flows into a receiver, which serves as a storage place for the liquid refrigerant and as a seal between the high and low pressure sides of the refrigerant loop • From the receiver, the refrigerant returns to the expansion valve and the cycle begins again • All refrigeration and air conditioning systems follow this simple process no matter what type of refrigerant is used. The operating parameters will change, but it still is the same basic cycle.
  • 15.
    Expansion • Liquid refrigerantenters the expansion valve at high pressure. • The refrigerant leaves the outlet of the expansion valve at a much lower pressure and enters the low pressure side of the system • Because the pressure release has decreased the refrigerant’s potential energy, the liquid refrigerant manifests this energy conversion by beginning to boil and to flash into vapor. • The refrigerant is still saturated and at a very low temperature of -20°C entering the evaporator, or chiller, coils • It is now a mixture of liquid and vapor refrigerant. This temperature gives us a thermal differential to cool, or keep cool, a space which must be maintained at required temperature • The refrigerant is now ready to absorb the unnecessary heat from the space by entering the evaporator coils located in the space to be cooled
  • 16.
    Expansion Device • ThermostaticExpansion Valve (TXV) • Liquid Freon enters the expansion valve at high pressure and leaves as a low pressure wet vapor (vapor forms as refrigerant enters saturation region) • Controls: • Pressure reduction • Amount of refrigerant entering evaporator controls capacity refrigerant as a saturated mixture of liquid and vapor Cooling Coils EXPANSION VALVE
  • 17.
    Receiver • Temporary storagespace & surge volume for the sub-cooled refrigerant • Serves as a vapor seal to prevent vapor from entering the expansion valve
  • 18.
    Air Conditioning • Purpose:maintain the atmosphere of an enclosed space at a required temp, humidity and purity • Refrigeration system is at heart of AC system A Typical Window Air Conditioner
  • 20.
  • 21.