TRANSFORMERS
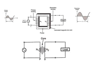
The transformer is a static piece of apparatus by means of which an electrical
power is transformed from one alternating current circuit to another with the
desired change in voltage and current without any change in frequency.
•Mutual induction states that when two coils are inductively coupled and if
current in one coil changed uniformly then an e.m.f gets induced in the other
coil.
•The e.m.f can drive a current, when a closed path is provided to it.
•Transformer consists of two inductive coils which are eclectically separated
but linked thorough a common magnetic circuit.
•The two coils have high mutual inductance.
•One of the two coils is connected to a source of a.c voltage is called primary
winding.
•The other winding is connected to load the electrical energy is transferred to
drive the load is called secondary winding.
•There is no electrical contact between the two windings
•The frequency of mutually induced e.m.f is same
Constructional Details of the Transformer
• Parts of the transformer
1. core:
• It is made up of high grade silicon steel laminations.
• Its function is to carry the flux.
• Providing low reluctance.
• “L” Shaped and “I” shaped laminations.
1.1 Limb :
• It is the vertical portion of the core
• Function is to carry the windings
1.2 Yoke:
• The top and bottom horizontal portion of the core
• Function is to carry the flux produced by one winding to reach the
other winding.
• Providing low reluctance path to the flux
2. Windings:
• The coils used are wound on the limbs and are insulated from each
other.
• The function of the windings is to carry the current and produce the
flux necessary for the function of the transformer
3. Conservator
• The oil in the transformer expands when temperature inside the
transformer increases due to heat while it contracts when temperature
decreases.
• The function of the conservator is to take up the expansion and contraction
of the oil without allowing it to come in contact with the ambient air.
4. Breather
• transformers are not fully filled with oil and some space remains between
the oil level and tank.
• The tank is connected to atmosphere by vent pipe.
• When oil expands air goes out while when oil contracts the air is taken in.
• The breather is a device which extracts the moisture from the air
• When the air is taken in and does not allow oil to come in contact with the
moisture.
• The breathers contains the silica gel crystals which immediately absorb the
atmosphere moisture
5. Explosion vent
• It is a bent pipe fitted on the main tank which acts as a relief valve.
• It uses non metallic diaphragm which bursts when pressure inside the
transformer becomes excessive which release the pressure and
protects the transformer
6. Buchholz Relay
• It is a safety gas operated relay connected to transformer
• When fault gets developed inside the transformer, the gases are
released.
• The buchholz relay is operated with these gases and trips the circuit
breaker to protect the device
Constructional Features:
• The cross section of the limb depends on the type of coil used either
circular or rectangular.
• To avoid high reluctance at the joint, the alternate layers are stacked
differently to eliminate the joints. This is called staggering. The butt joints
are staggered in alternate layers.
• Avoid continuous air gap.
• Reduce the magnetic circuit reluctance
• Continuous air gap reduces the mechanical strength of the core. The
staggering helps to increase the mechanical strength of the core
Types of Windings
• The coils are wound on the limbs and are insulated
from each other.
• The two windings are wound on two different
limbs.
• Due to leakge flux increases which increases which
affects the transformer.
• The windings should have very close to each other
to have high mutual inductance.
• Windings are split into number of coils and are
wound and are adjacent to each other on same
limb.
Cylindrical Concentric Coils
•Cylindrical coils are used in core type transformer.
•Coils are mechanically strong
•Different layers are insulated from other by paper, cloth or mica
•The LV winding is placed near the core
Sandwich Coils
•Each HV lies between two LV portions
•Reduces leakage flux
•Higher the degree of subdivision, smaller is the reluctance
•The top and bottom coils are LV
Construction of Single Phase Transformer
1. Core Type 2. Shell Type 3. Berry Type
Core Type Transformer
•It is a single magnetic circuit.
•Rectangular core having two limbs
•The winding encircles the core
•The coils used are cylindrical type
•The coils are wound in helical layers with different layers insulated from each other by
paper or mica
•Both the coils are placed on both the limbs.
•The LV coils coil is placed inside near the core while HV coils surrounds LV coil
•Core made up of lare number of thin laminations
•Windings are uniformly distributed over the two limbs. The natural cooling is more
effective
• Shell Type Transformer
• Double magnetic circuit. Three limbs
• Both windings are placed central limb
• Core encircles most part of the windings
• The coils used are multilayer disc type or sandwich coils
• Each HV coils is in between two LV coils and LV coils are
nearest to top sand bottom of the yokes
• The core is laminated, while arranging the laminations of
the core all the joints at alternate layers are staggered.
S.No Core Type Shell Type
1. The winding encircles the core The core encir4cles the most
part of the windings
2. Cylindrical type of coils are used Sandwich coils are used
3. Core has two limbs Core has three limbs
4. Single magnetic circuit Double magnetic circuit
5. Preferred for LV transformers Preferred for HV transformers
6. Natural cooling is effective Natural cooling does not
effective
7. Coils are easily removed from
maintenance point of view
Large number of laminations
are required to be removed.
This is difficult
E.M.F Equation
• When the primary winding is excited by an a.c V1, it
circulars alternating current, producing alternating flux(ϕ)
• The flux ϕ linking the primary winding itself induces and
e.m.f E1. This is self induced e.m.f
• The flux links with secondary winding through common
core produces induced e.m.f E2. This is mutually induced
e.m.f
Φ = flux
Φm = Maximum Value of flux
N1 = Number of Primary winding turns
N2 = Number of secondary turns
F = Frequency of the supply
E1 =R.M.S value of the primary induced e.m.f
E2 = R.M.S value of the Secondary induced e.m.f
From Faradays law,
Average e.m.f induced in each turn is proportional to the average
rate of change of flux.
Average e.m.f per turn = Average rate of change of flux =
Completer cycle is 1/f seconds. In 1/4th time period the change in flux
is from 0 to Φm
Average e.m.f per turn = 4 f Φm
as Φ is sinusoidal, induced e.m.f is also sinusoidal.
There are N1 number of primary turns
There are N2 number of secondary turns
Ideal Transformer
• It has no losses
• Windings have zero resistance
• Leakage flux is zero. i.e 100% flux produced by primary links with
the secondary
• Permeability of core is so high that negligible current is required to
establish the flux in it.
Rations of transformer:
1. Voltage Ratio:
The ratio of secondary induced e.m.f to primary induced e.m.f is
known as voltage transformation ratio(K)
• If N2 > N1 i.e., k>1, Step up transformer
• If N1 > N2 i.e., k<1 step down transformer
• N1 = N2 k=1 1:1 transformer or isolation transformer
Current Rations:
For ideal case. The product of primary voltage V1 and current I1 is
same as secondary.
V1I1 = Input VA
V2I2 = Output VA V1I1 = V2I2
Full Load Currents:
The full load primary and secondary currents indicate the safe maxi
mum values of current, keeping the temperature rise below the limiting
value
A 100kVA, 3300V/240V, 50Hz, Single phase transformer has 990
turns on the primary. Calculate the number of turns on secondary
and the appropriate value of primary and secondary currents.
Solution:
Given:
Transformation Ratio,
The e.m.f per turn of a single phase 6.6kV, 440V, 50Hz transformer
is approximately 12V. Calculate number of turns in the HV and LV
windings and the net cross sectional area of the core for a
maximum flux density of 1.5T
Solution:
Methods of cooling
• The power loss occurs due to iron and copper loss appears in the
form of heat. This heat increases the temperature of the transformer.
• A suitable coolant and cooling method is important for each
transformer to dissipate the heat.
• There two types of transformers
1. Dry type transformers
2. Oil immersed transformers
• In dry type, the heat is taken to the walls of tank and dissipated to
the air through convection
• In oil immersed type, the oil is used as a coolant. The entire assembly
including core and windings is kept immersed on oil. The heat is taken
to the walls of tank by convection through oil. Finally heat is
transferred to surroundings by radiation
• The various cooling methods are designated using letter symbols
which depend on, (i)cooling medium used and (ii)type of circulation
employed
• The various coolants along with symbols are,
• There are two types of circulations which are
• Natural – N
• Forced – F
• In natural cooling, the coolant circulating inside the transformer
transfers entire heat to the tank walls and transformer gets
cooled by natural air circulation
• In forced cooling, the coolant circulating inside the transformer
gets heated as it comes in contact with windings and core. The
coolant partly transfers heat to the tank walls but mainly
coolant is taken to the external heat exchanger where air or
water is used in order to dissipate heat of the coolant.
COOLANTS
SYMBOL
S
COOLANTS SYMBOLS
Air A Mineral oil O
Gas G Solid insulation S
Synthetic oil L Water W
Cooling Methods for Dry Type Transformer
1. Air Natural (AN)
• Uses atmospheric air as cooling medium.
• The natural air surrounding the tank walls is used
to carry away the heat by natural convection.
• Used for small voltage transformers
• Due to the available insulating materials like glass
and silicon resins, the method can be used for the
transformers upto 1.5 MVA
1. Air Blast (AB)
2. Air Blast (AB)
• In large transformers, natural cooling is
inadequate.
• The transformer is located above the air chamber
and a blast of compressed air is forced to the core
and windings with the help of blowers or fans.
• It improves the heat dissipation and higher
specific loadings are allowed .
• This reduces the size of the transformers.
• The air supply must be properly filtered to prevent
accumulation of dust particles
Cooling Methods for Oil Immersed Transformers
• The advantages of using oil are
1. Good conductor of heat than air
2. It has high coefficient of volume expansion. Due to this
adequate circulation is easily obtained
3. The oil acts as an insulating medium, which increases
the insulating strength.
• The limitation is that these transformers cannot be used at
places like mines where there are chances of fire hazard.
• The various cooling methods for oil immersed type
• Oil Natural (ON)
• Oil Natural Air Forced (ONAF)
• Oil Natural Water Forced (ONWF)
• Oil Natural (ON)
• The transformer is immersed in oil so that the heat
generated in core and windings is passed on to oil by
conduction. The heated oil transfers heat to the tank
wall from where it is taken away to the surrounding
air.
• Tubes are provided for the sides of the transformer tank.
The oil in the tank is taken to the tubes. The circulation
of oil through tubes causes the cooling.
• The temperature of transformer can be reduced by
a) Increasing the area of heat dissipation
b) Decreasing the cooling coefficient
• As the rating of transformer increases, the plain walled
tank cannot be used. It is necessary to reduce the
cooling coefficient. This is achieved by use of some
improved methods of cooling
• The transformers upto 30 KVA can use plain walled
tanks. But transformers with higher ratings above 30
KVA use corrugations, fins, tubes and radiator tanks.
• The heat inside the transformer is taken outside with
the help of oil. The oil is cooled with the help of fins,
tubes or external radiators by natural circulation of
air. This is called oil natural and air natural (ONAN)
methods. Tubes are used for transformers upto 5
MVA .
• Oil Natural Air Forced (ONAF):
• The tank is made of hollow and compressed air is
blown into the hollow space to cool the transformer.
• The heat is taken to the tank walls by oil.
• This method is effective and used for large rating
transformers.
• Another way to force air blast is to use elliptical tubes
separated from tank walls through which air is forced
by fans.
• Oil Natural Water Forced (ONWF):
• The copper cooling coils or pipes are fitted above the
core but below the oil surface.
• The cool water is forced through the coils or pipes which
provides the additional cooling where natural water
head is available. This is a very low expensive method.
• The pipes are provided with fans to increase conduction
of heat from oil to pipes.
• The major disadvantage of this method is, in case of
leakage of water, the water can contaminate the oil
which can reduce the dielectric strength of the oil.
Oil Forced Methods with heat Exchangers
• In these methods, forced circulation oil (OF) is the main feature.
The motor driven pump is used to force the oil from top of
transformer to the external heat exchanger. In the heat
exchanger, the oil is cooled with some methods like use of air
blast, water blast etc. the cold oil is circulated back to the
transformer from the bottom.
• The oil forced method are classified depending on how the oil is
cooled in the heat exchangers. These methods are,
• Oil Forced Air Natural (OFAN):
• The oil is circulated with the help of pump and in the heat
exchanger it is cooled with the help of natural air. This
method is rarely used in practice.
• Oil Forced Air Forced (OFAF):
• In the external heat exchanger the compressed air is blasted
with the help of fans to cool is the oil. The advantage is at low
loads when losses are less there is no need to use the fans to
cool the oil. The natural air is sufficient. At higher loads, both
fans and pumps are switched on by sensing the temperature
which improves the cooling. Hence the efficiency is higher.
• Oil Forced Water Forced (OFWF):
• In the heat exchanger instead of air blast, water blast is used to
cool the oil. The pressure oil is kept higher than water so oil
mixes with water in case of leakage but water does not mix with
oil. Due to this method, smaller transformer size is sufficient as
it is not necessary to employ water tubes inside the transformer
tank. The method is suitable for transformers having ratings
more than 30 MVA.

Unit-II-Transformers.ppt

  • 1.
    TRANSFORMERS The transformer isa static piece of apparatus by means of which an electrical power is transformed from one alternating current circuit to another with the desired change in voltage and current without any change in frequency. •Mutual induction states that when two coils are inductively coupled and if current in one coil changed uniformly then an e.m.f gets induced in the other coil. •The e.m.f can drive a current, when a closed path is provided to it. •Transformer consists of two inductive coils which are eclectically separated but linked thorough a common magnetic circuit. •The two coils have high mutual inductance. •One of the two coils is connected to a source of a.c voltage is called primary winding. •The other winding is connected to load the electrical energy is transferred to drive the load is called secondary winding. •There is no electrical contact between the two windings •The frequency of mutually induced e.m.f is same
  • 3.
    Constructional Details ofthe Transformer • Parts of the transformer 1. core: • It is made up of high grade silicon steel laminations. • Its function is to carry the flux. • Providing low reluctance. • “L” Shaped and “I” shaped laminations.
  • 4.
    1.1 Limb : •It is the vertical portion of the core • Function is to carry the windings 1.2 Yoke: • The top and bottom horizontal portion of the core • Function is to carry the flux produced by one winding to reach the other winding. • Providing low reluctance path to the flux 2. Windings: • The coils used are wound on the limbs and are insulated from each other. • The function of the windings is to carry the current and produce the flux necessary for the function of the transformer
  • 5.
    3. Conservator • Theoil in the transformer expands when temperature inside the transformer increases due to heat while it contracts when temperature decreases. • The function of the conservator is to take up the expansion and contraction of the oil without allowing it to come in contact with the ambient air. 4. Breather • transformers are not fully filled with oil and some space remains between the oil level and tank. • The tank is connected to atmosphere by vent pipe. • When oil expands air goes out while when oil contracts the air is taken in. • The breather is a device which extracts the moisture from the air • When the air is taken in and does not allow oil to come in contact with the moisture. • The breathers contains the silica gel crystals which immediately absorb the atmosphere moisture
  • 6.
    5. Explosion vent •It is a bent pipe fitted on the main tank which acts as a relief valve. • It uses non metallic diaphragm which bursts when pressure inside the transformer becomes excessive which release the pressure and protects the transformer 6. Buchholz Relay • It is a safety gas operated relay connected to transformer • When fault gets developed inside the transformer, the gases are released. • The buchholz relay is operated with these gases and trips the circuit breaker to protect the device
  • 9.
    Constructional Features: • Thecross section of the limb depends on the type of coil used either circular or rectangular. • To avoid high reluctance at the joint, the alternate layers are stacked differently to eliminate the joints. This is called staggering. The butt joints are staggered in alternate layers. • Avoid continuous air gap. • Reduce the magnetic circuit reluctance • Continuous air gap reduces the mechanical strength of the core. The staggering helps to increase the mechanical strength of the core
  • 10.
    Types of Windings •The coils are wound on the limbs and are insulated from each other. • The two windings are wound on two different limbs. • Due to leakge flux increases which increases which affects the transformer. • The windings should have very close to each other to have high mutual inductance. • Windings are split into number of coils and are wound and are adjacent to each other on same limb.
  • 11.
    Cylindrical Concentric Coils •Cylindricalcoils are used in core type transformer. •Coils are mechanically strong •Different layers are insulated from other by paper, cloth or mica •The LV winding is placed near the core
  • 12.
    Sandwich Coils •Each HVlies between two LV portions •Reduces leakage flux •Higher the degree of subdivision, smaller is the reluctance •The top and bottom coils are LV
  • 13.
    Construction of SinglePhase Transformer 1. Core Type 2. Shell Type 3. Berry Type Core Type Transformer •It is a single magnetic circuit. •Rectangular core having two limbs •The winding encircles the core •The coils used are cylindrical type •The coils are wound in helical layers with different layers insulated from each other by paper or mica •Both the coils are placed on both the limbs. •The LV coils coil is placed inside near the core while HV coils surrounds LV coil •Core made up of lare number of thin laminations •Windings are uniformly distributed over the two limbs. The natural cooling is more effective
  • 14.
    • Shell TypeTransformer • Double magnetic circuit. Three limbs • Both windings are placed central limb • Core encircles most part of the windings • The coils used are multilayer disc type or sandwich coils • Each HV coils is in between two LV coils and LV coils are nearest to top sand bottom of the yokes • The core is laminated, while arranging the laminations of the core all the joints at alternate layers are staggered.
  • 15.
    S.No Core TypeShell Type 1. The winding encircles the core The core encir4cles the most part of the windings 2. Cylindrical type of coils are used Sandwich coils are used 3. Core has two limbs Core has three limbs 4. Single magnetic circuit Double magnetic circuit 5. Preferred for LV transformers Preferred for HV transformers 6. Natural cooling is effective Natural cooling does not effective 7. Coils are easily removed from maintenance point of view Large number of laminations are required to be removed. This is difficult
  • 16.
    E.M.F Equation • Whenthe primary winding is excited by an a.c V1, it circulars alternating current, producing alternating flux(ϕ) • The flux ϕ linking the primary winding itself induces and e.m.f E1. This is self induced e.m.f • The flux links with secondary winding through common core produces induced e.m.f E2. This is mutually induced e.m.f
  • 17.
    Φ = flux Φm= Maximum Value of flux N1 = Number of Primary winding turns N2 = Number of secondary turns F = Frequency of the supply E1 =R.M.S value of the primary induced e.m.f E2 = R.M.S value of the Secondary induced e.m.f From Faradays law, Average e.m.f induced in each turn is proportional to the average rate of change of flux. Average e.m.f per turn = Average rate of change of flux = Completer cycle is 1/f seconds. In 1/4th time period the change in flux is from 0 to Φm
  • 18.
    Average e.m.f perturn = 4 f Φm as Φ is sinusoidal, induced e.m.f is also sinusoidal. There are N1 number of primary turns There are N2 number of secondary turns
  • 19.
    Ideal Transformer • Ithas no losses • Windings have zero resistance • Leakage flux is zero. i.e 100% flux produced by primary links with the secondary • Permeability of core is so high that negligible current is required to establish the flux in it. Rations of transformer: 1. Voltage Ratio: The ratio of secondary induced e.m.f to primary induced e.m.f is known as voltage transformation ratio(K)
  • 20.
    • If N2> N1 i.e., k>1, Step up transformer • If N1 > N2 i.e., k<1 step down transformer • N1 = N2 k=1 1:1 transformer or isolation transformer Current Rations: For ideal case. The product of primary voltage V1 and current I1 is same as secondary. V1I1 = Input VA V2I2 = Output VA V1I1 = V2I2 Full Load Currents: The full load primary and secondary currents indicate the safe maxi mum values of current, keeping the temperature rise below the limiting value
  • 21.
    A 100kVA, 3300V/240V,50Hz, Single phase transformer has 990 turns on the primary. Calculate the number of turns on secondary and the appropriate value of primary and secondary currents. Solution: Given: Transformation Ratio,
  • 22.
    The e.m.f perturn of a single phase 6.6kV, 440V, 50Hz transformer is approximately 12V. Calculate number of turns in the HV and LV windings and the net cross sectional area of the core for a maximum flux density of 1.5T Solution:
  • 23.
    Methods of cooling •The power loss occurs due to iron and copper loss appears in the form of heat. This heat increases the temperature of the transformer. • A suitable coolant and cooling method is important for each transformer to dissipate the heat. • There two types of transformers 1. Dry type transformers 2. Oil immersed transformers • In dry type, the heat is taken to the walls of tank and dissipated to the air through convection • In oil immersed type, the oil is used as a coolant. The entire assembly including core and windings is kept immersed on oil. The heat is taken to the walls of tank by convection through oil. Finally heat is transferred to surroundings by radiation • The various cooling methods are designated using letter symbols which depend on, (i)cooling medium used and (ii)type of circulation employed
  • 24.
    • The variouscoolants along with symbols are, • There are two types of circulations which are • Natural – N • Forced – F • In natural cooling, the coolant circulating inside the transformer transfers entire heat to the tank walls and transformer gets cooled by natural air circulation • In forced cooling, the coolant circulating inside the transformer gets heated as it comes in contact with windings and core. The coolant partly transfers heat to the tank walls but mainly coolant is taken to the external heat exchanger where air or water is used in order to dissipate heat of the coolant. COOLANTS SYMBOL S COOLANTS SYMBOLS Air A Mineral oil O Gas G Solid insulation S Synthetic oil L Water W
  • 25.
    Cooling Methods forDry Type Transformer 1. Air Natural (AN) • Uses atmospheric air as cooling medium. • The natural air surrounding the tank walls is used to carry away the heat by natural convection. • Used for small voltage transformers • Due to the available insulating materials like glass and silicon resins, the method can be used for the transformers upto 1.5 MVA
  • 26.
    1. Air Blast(AB) 2. Air Blast (AB) • In large transformers, natural cooling is inadequate. • The transformer is located above the air chamber and a blast of compressed air is forced to the core and windings with the help of blowers or fans. • It improves the heat dissipation and higher specific loadings are allowed . • This reduces the size of the transformers. • The air supply must be properly filtered to prevent accumulation of dust particles
  • 27.
    Cooling Methods forOil Immersed Transformers • The advantages of using oil are 1. Good conductor of heat than air 2. It has high coefficient of volume expansion. Due to this adequate circulation is easily obtained 3. The oil acts as an insulating medium, which increases the insulating strength. • The limitation is that these transformers cannot be used at places like mines where there are chances of fire hazard. • The various cooling methods for oil immersed type • Oil Natural (ON) • Oil Natural Air Forced (ONAF) • Oil Natural Water Forced (ONWF)
  • 28.
    • Oil Natural(ON) • The transformer is immersed in oil so that the heat generated in core and windings is passed on to oil by conduction. The heated oil transfers heat to the tank wall from where it is taken away to the surrounding air.
  • 29.
    • Tubes areprovided for the sides of the transformer tank. The oil in the tank is taken to the tubes. The circulation of oil through tubes causes the cooling. • The temperature of transformer can be reduced by a) Increasing the area of heat dissipation b) Decreasing the cooling coefficient • As the rating of transformer increases, the plain walled tank cannot be used. It is necessary to reduce the cooling coefficient. This is achieved by use of some improved methods of cooling
  • 30.
    • The transformersupto 30 KVA can use plain walled tanks. But transformers with higher ratings above 30 KVA use corrugations, fins, tubes and radiator tanks.
  • 31.
    • The heatinside the transformer is taken outside with the help of oil. The oil is cooled with the help of fins, tubes or external radiators by natural circulation of air. This is called oil natural and air natural (ONAN) methods. Tubes are used for transformers upto 5 MVA . • Oil Natural Air Forced (ONAF): • The tank is made of hollow and compressed air is blown into the hollow space to cool the transformer. • The heat is taken to the tank walls by oil. • This method is effective and used for large rating transformers. • Another way to force air blast is to use elliptical tubes separated from tank walls through which air is forced by fans.
  • 32.
    • Oil NaturalWater Forced (ONWF): • The copper cooling coils or pipes are fitted above the core but below the oil surface. • The cool water is forced through the coils or pipes which provides the additional cooling where natural water head is available. This is a very low expensive method. • The pipes are provided with fans to increase conduction of heat from oil to pipes. • The major disadvantage of this method is, in case of leakage of water, the water can contaminate the oil which can reduce the dielectric strength of the oil.
  • 33.
    Oil Forced Methodswith heat Exchangers • In these methods, forced circulation oil (OF) is the main feature. The motor driven pump is used to force the oil from top of transformer to the external heat exchanger. In the heat exchanger, the oil is cooled with some methods like use of air blast, water blast etc. the cold oil is circulated back to the transformer from the bottom. • The oil forced method are classified depending on how the oil is cooled in the heat exchangers. These methods are, • Oil Forced Air Natural (OFAN): • The oil is circulated with the help of pump and in the heat exchanger it is cooled with the help of natural air. This method is rarely used in practice.
  • 34.
    • Oil ForcedAir Forced (OFAF): • In the external heat exchanger the compressed air is blasted with the help of fans to cool is the oil. The advantage is at low loads when losses are less there is no need to use the fans to cool the oil. The natural air is sufficient. At higher loads, both fans and pumps are switched on by sensing the temperature which improves the cooling. Hence the efficiency is higher.
  • 35.
    • Oil ForcedWater Forced (OFWF): • In the heat exchanger instead of air blast, water blast is used to cool the oil. The pressure oil is kept higher than water so oil mixes with water in case of leakage but water does not mix with oil. Due to this method, smaller transformer size is sufficient as it is not necessary to employ water tubes inside the transformer tank. The method is suitable for transformers having ratings more than 30 MVA.