Unit II
Introduction
• An electrical machine which deals with energy
transfer either from mechanical to electrical or
vice versa is called EMEC.
• An electric machine which converts mechanical
into electrical energy is called Electric Generator.
• An electric machine which converts electrical into
mechanical energy is called Electric Motor.
• Such machines related to electrical energy ofan
alternating is called ac machines or may be related
to an electrical energy of direct type is called dc
machines.
Principle of Operation of A DC Generator
• All the generators work on a principle of
dynamically induced emf. This is nothing but the
Faraday’s law of electromagnetic induction. i.e.
‘Whenever the flux linking with conductor or a coil
changes, an emf is induced in it’.
• The change in flux associated with the coil can
exist only when there is a relative motion between
the coil and flux.
• The relative motion can be achieved by rotating
conductor w.r.t flux or vice versa.
• So the voltage gets generated in a conductor as
long as the relative motion can exists.
• An emf which is due to physical movement of coil
w.r.t flux or flux w.r.t coil is called dynamically
induced emf.
• In practical generators, the conductors are rotated
to cut the magnetic flux, keeping flux stationary.
• No of coils are connected together to form a
winding to get large output voltage. This winding is
called armature winding. The part on which this
winding is called armature of DC machine.
• The conductors placed on the armature are rotated
with the help of some external device which is
called prime mover. Prime mover may be diesel
engine, steam engines, steam turbines, water
turbines etc.,
• The necessary flux is produced by current carrying
conductor is called field winding. The direction of
induced emf can be obtained by Fleming’s right
hand rule.
Fleming’s Right Hand Rule
• Thumb, index and middle finger of the right hand is
at right angles with each other.
In this position ,
• ‘Index finger is made to point the direction of lines
of force’.
• ‘Thumb in the direction of relative motion’, and
• ‘Middle finger gives the direction of emf’.
• This rule mainly gives the direction of current which
induced emf in conductor will set up when closed
path is provided.
• The magnitude of the emf is,
• Where
• The active length means the length of conductor
which is under the influence of magnetic field. In all
the cases, direction of motion of conductor is
perpendicular to the plane of flux.
•
• But if it is not perpendicular then the component
velocity which is perpendicular to the plane of flux,
is only responsible for inducing emf in the
conductor.
• The velocity is v, and its component v’ is
perpendicular to the flux lines is only responsible
for the induced emf.
• If the plane of the rotation of conductor is parallel to the
plane of flux, there will not be any cutting of flux and hence
there cannot be any induced emf in the conductor.
• If angle between the plane of rotation and the plane of the
flux is θ as measured from the axis of plane of flux then the
induced emf is,
• Where v sin θ is the component of velocity which is
perpendicular to the plane of flux and hence responsible
for the induced emf.
• From the equation , the basic nature of the induced
emf in a generator is purely sinusoidal i.e.
alternating. To have d.c voltage, a device is used in a
dc generator to convert the alternating emf to
unidirectional emf. This device is called
commutator.
Constructional Features of a D.C. Machine
• The construction is same for both DC generator and
DC motor.
• The dc machine consists of following parts:
1. Yoke
2. Poles
3. Field Winding
4. Armature
5. Commutator
6. Brushes and Brush gear
7. Bearings
Construction in detail(D.C Machines)
D.C. Machines
i)D.C.Generator
ii)D.C.Motor
YOKE
a. Functions
1. It serves the purpose of outer most cover of dc
machine. So that the insulating material protected from
harmful atmospheric elements.
2. It provides mechanical support to the poles.
3. It forms a part of the magnetic circuit. It provides a
path of reluctance for magnetic flux. The low
reluctance path is important to avoid wastage of power
to provide same flux. Large current and hence the
power is necessary if the path has high reluctance, to
produce the same flux.
a. Fgjghn
b. Choice of material: To provide low reluctance
path, it must be made up some magnetic
material.it is prepared by using cast iron because it
is cheapest. For larger machines rolled steel, cast
steel, silicon steel is used which provides high
permeability i.e. low reluctance and gives good
mechanical strength.
POLES
• Each pole is divided into two parts
(i) Pole core
(ii) Pole shoe
a. Functions of pole core and pole shoe
1. Pole core carries a field winding which is necessary to
produce the flux.
2. It directs the flux produced through air gap to
armature core, to the next pole.
3. Pole shoe enlarges the area of armature core to come
across the flux, which is necessary to produce larger
induced emf. To achieve this, pole shoe has been given
a particular shape.
a. Choice of material:
b. Choice of material: It is made up of magnetic
material like cast iron or cast steel. As it requires a
definite shape and size, laminated construction is
used. The laminations are stamped together to get
a pole which is then bolted to the yoke.
FIELD WINDING (F1 – F2)
The field winding is wound on the pole core with a
definite direction.
a. Functions
To carry current due to which pole core, on which
the field winding is placed behaves as an electro magnet,
producing necessary flux.
As it helps in producing the magnetic field i.e
exciting the pole as an electromagnet is called field
winding or exciting winding.
a. Sdgdfg
b. Choice of material: It has to carry current hence made
up of conducting material. So aluminum or copper is
the choice. But field coils are required to take any type
of shape and bend about pole core and copper has
good pliability. So copper is the proper choice.
ARMATURE
• It is further divided into two parts
(i) Armature core
(ii) Armature winding
i. Armature core
it is cylindrical in shape mounted on the shaft. It
consists of slots on its periphery and the air ducts to
permit the air flow through armature which serves
cooling purpose.
a) Functions:
1. Armature core provides house for armature
winding.
2. To provide a path of low reluctance to flux
produced by field winding
a. Hgv
b. Choice of material:
As it has to provide a loe reluctance path to flux, it
is made up of magnetic material like cast iron or cast
steel.
It is made up of laminated construction to keep
eddy current loss as low as possible. A single circular
lamination used for the construction of armature core.
i. Ar
ii. Armature winding
It is nothing but the interconnection of the
armature conductors, placed in the slots provided on the
armature core periphery. When the armature is rotated,
in case of generator, magnetic flux gets cut by armature
conductors and emf gets induced in it.
a. Functions
1. Generation of emf takes place in the armature
winding in case of generator.
2. To carry the current supplied in case of motors.
a. Dcjkhf
b. Choice of material:
As armature winding carries entire current which
depends on external load, it has to be made up of conducting
material, which is copper. Armature winding is generally
former wound. The conductors are placed in the armature
slots which are lined with insulating material.
COMMUTATOR
The basic nature of emf induced in the armature
conductors is alternating. This needs rectification in case of
generator, which is done by commutator.
a. Functions
1. To facilitate the collection of current from the armature
conductors.
2. To convert internally developed alternating emf to
unidirectional (dc) emf.
3. To produce unidirectional torque in case of motors.
1. fgjgh
a. Choice of material:
b. Choice of material:
As it collects current from armature, it is made up of
copper segments. It is cylindrical in shape and is made up of
wedge shaped segments of hard drawn, high conductivity
copper. These segments are insulated from each other by thin
layer of mica. Each commutator segment is connected to the
armature conductor by means of copper strip.
BRUSHES AND BRUSH GEAR
• Brushes are stationary and resting on the surface of the
commutator.
a. Functions
To collect current from commutator and make it
available to the stationary external circuit.
a. Choice of material:
b. Choice of material:
Brushes are made up of soft silicon material like
carbon.
Brushes are rectangular in shape. They are housed
in brush holders, which are usually of box type. The
brushes are made to press on the commutator surface by
means of spring. A flexible copper conductor called pig
tail is used to connect the brush to the external circuit. To
avoid wear and tear of commutator.
BEARINGS
• Ball – bearings are usually used. Because they are more
reliable. For heavy duty machines, roller bearings are
preferred.
Types of Armature Winding
• No of armature conductors are connected in specific
manner as per the requirement is called armature
winding. According to the way of connecting the
conductors, armature winding has two types;
1. Lap winding
2. Wave winding
• Lap winding:
In this case, if connection is started from conductor in
slot 1 then connections overlap with each other as winding
proceeds, till starting point is reached again.
• Large no of parallel paths indicate high current
capacity. Hence it is preferred for high current rating
generators.
• Wave winding
Here winding travels ahead to avoid
overlapping. It travels like a progressive wave hence
called wave winding.
• The no of parallel path are divided due to lap or
wave fashion of connection is denoted as A. so,
•
Comparison of Lap and Wave Type Winding
Lap winding Wave winding
No of parallel paths (A) = poles (P) No of parallel paths (A) = 2
Number of brush sets required
is equal to number of poles.
Number of brush sets required
is always equal to two.
Preferable for high current.
low voltage capacity generators.
Preferable for high voltage.
low current capacity generators.
Normally used for generators of
capacity more than 500 A.
Preferred for generation of
capacity is Less than 500 A.
EMF equation of DC Generator:
Let,
P = Number of poles
φ = Flux produced by each pole in wb
N = Speed of armature in RPM
Z = Total number of armature conductors
A = Number of parallel paths
A = P for lap winding
A = 2 for wave winding
According to faradays law, the average value of e.m.f
induced in each armature conductor,
e = Rate of cutting the flux = dφ/dt
Consider one revolution of conductor,
In one revolution, conductor will cut total flux
produced by all the poles i.e., φ * P.
Time required to complete one revolution is 60/N sec
As speed is N RPM.
This is the emf induced in one conductor. Now the
conductors in one parallel path are always in series.
There are total Z conductors with A parallel paths,
hence Z/A no. of conductors are always in series and
emf remains same across all the parallel paths.
• Total emf can be expressed as,
• So,
1) A 4 pole, lap wound, d.c generator has useful flux of 0.07 Wb
per pole. Calculate the generated emf when it is rotated at a
speed of 900 r.p.m. with the help of prime mover. Armature
consists of 440 no of conductors. Also calculate the generated
emf. if lap wound armature is replaced by wave wound armature.
• Sol:
Symbolic representation of dc generators
• The armature is denoted by a circle with two
brushes. Mechanically it is connected to another
device called prime mover. The two ends of
armature are denoted as A1 – A2. The field winding
is shown near armature and the two ends are
denoted as . The field winding is shown near
armature and the two ends are denoted as F1 – F2.
The representation of field very little bit, depending
on the type of generator.
• The symbolic representation is shown in the Fig. 1. Many
times an arrow (?) is indicated near armature. This arrow
denotes the direction of current which induced e.m.f. will set
up, when connected to an external load.
• Note : Every practical generator needs a prime mover to
rotate its armature. Hence to avoid complexity of the
diagram, prime mover need not to be included in the
symbolic representation of generator
Methods of excitation
• The magnetic field required for the operation of a d.c.
generator is produced by an electromagnet. This
electromagnet carries a field winding which produces
required magnetic flux when current is passed through it.
• The field winding is also called exciting winding and current
carried by the field winding is called an exciting current.
• Thus supplying current to the field winding is called excitation
and the way of supplying the exciting current is called method
of excitation.
• There are two methods of excitation used for d.c. generators,
– 1. Separate excitation
– 2. Self excitation
• Depending on the method of excitation used, the d.c.
generators are classified as,
– 1. Separately excited generators
– 2. Self excited generators
• In separately excited generators, a separate external
d.c. supply is used to provide exciting current
through the field winding.
• The d.c. generators produces d.c. voltage. If this
generated voltage itself is used to excite the filed
winding of the same d.c. generator, it is called self
excited generator.
Separately excited generator
• When the field winding is supplied from external,
separate d.c. supply i.e. then the generator is called
separately excited generator. Schematic
representaexcitation of field winding is separate
tion of this type is
• The field winding of this type of generator has large number
of turns of thin wire. So length of such winding is more with
less cross-sectional area. So resistance of this field winding is
high in order to limit the field current.
Voltage and Current Relations
• The field winding is excited separately, so the field current
depends on supply voltage and resistance of the field
winding.
• For armature side, we can see that it is supplying a load,
demanding a load current of IL at a voltage of Vt which is
called terminal voltage.
• Now Ia = IL
• The internally induced e.m.f. E is supplying the voltage of the
load hence terminal voltage Vt is a part of E. But E is not equal
to Vt while supplying a load. This is because when armature
current Ia flows through armature winding, due to armature
winding resistance Ra ohms, there is a voltage drop across
armature winding equal to Ia Ra volts.
self excited generator
• When the field winding is supplied from the armature of
the generator itself then it is said to be self excited
generator. Now without generated emf field cannot be
excited in such generator and without excitation there
cannot be generated emf.
• How this type of generator works?
Residual magnetism possessed by the field poles,
under normal condition.
• Though the generator is not working, without any current
through field winding, the field poles possess some
magnetic flux called residual flux and the property is
called residual magnetism.
• When generator is started due to residual flux, it
• This process is cumulative and continues till the
generator develops rated voltage across its armature.
This is voltage building process in self excited
generators.
• Based on connection of field winding to the armature
to derive its excitation, this type is further divided into
three types, that are,
1. Shunt generator
2. Series generator
3. Compound generator
Shunt Generator:
• When the field winding is connected in parallel with the
armature and the combination across the load then the
generator is called shunt generator.
• The field winding has large number of turns of thin wire
so it has high resistance. Let Rsh be the resistance of the
field winding.
Voltage and Current Relations
• From the Fig, we can write
• Now voltage across load is Vt which is same across
field winding as both are in parallel with each other
• While induced e.m.f. E, still requires to supply voltage
drop Ia Ra and brush contact drop.
• In practical, brush contact drop can be neglected.
Series generator
• When the field winding is connected in series with the
armature winding while supplying the load then the
generator is called series generator. It is shown in the
Fig. 1.
• Field winding, in this case is denoted as S1 and S2. The
resistance of series field winding is very small and
hence naturally it has less number of turns of thick
cross-section wire
• Let Rse be the resistance of the series field winding.
Voltage and current Relations
• As all armature, field and load are in series they
carry the same current.
• Where Ise = Current through series field winding.
• Now in addition to drop Ia Ra, induced e.m.f. has to
supply voltage drop across series field winding too.
This is Ise Rse i.e. Ia Rse as Ia = Ise. So voltage equations
are,
Compound generator
• In this type, the part of the field winding is connected
in parallel with armature and part in series with the
armature. Both series and shunt field windings are
mounted on the same poles. Depending upon the
connection of shunt and series field winding,
compound generator is further classified as :
– Long shunt compound generator,
– Short shunt compound generator.
Long Shunt Compound Generator
• In this type, shunt field winding is connected across the
series combination of armature and series field winding
• Voltage and current relations are
• Voltage across shunt field winding is Vt.
• where Rsh = Resistance of shunt field winding
• And voltage equation is,
Where Rse = Resistance of series field winding
Short Shunt Compound Generator
• In this type, shunt field winding is connected, only
across the armature, excluding series field winding
• Voltage and current relations are as follows.
• The drop across shunt field winding is drop across
the armature only and not the total Vt, in this case.
So drop across shunt field winding is E -Ia Ra .
• Now the voltage equation is
• Neglecting Vbrush , we can write,
• Any of the two above expression of Ish can be used,
depending on the quantities known while solving the
problems.
Cumulative and Differential Compound Generator
• It is mentioned earlier that the two windings, shunt
and series field are wound on the same pole.
Depending on the direction of winding on the pole,
two fluxes produced by shunt and series field may
help or may oppose each other. This facts decides
whether generator is cumulative or differential
compound. If the two fluxes help each other as
shown in Fig. 3 the generator is called cumulative
compound generator.
• If the two windings are wound in such a direction
that the fluxes produced by them oppose each
other then the generator is called differential
compound generator.
S.N
o
Shunt Generator Series Generator
1 High Resistance Low Resistance
2 Small Cross sectional area Large Cross sectional area
3 Large number of turns.
High length
Less number of turns. Small length
4 Low current rating High current rating
5 Connected in parallel with
armature winding
Connected in series with armature
winding
A 4-pole, lap wound DC shunt generator has a useful
flux/pole of 0.6wb. The armature winding consists of
200 turns, each turn having a resistance of 0.003Ω.
Calculate the terminal voltage when running at 1000
rpm. If armature current is 45A A.
A four pole lap wound shunt generator supplies 60 lamps of 100W,
240V each; the field and armature resistances are 55Ω and 0.18Ω
respectively. If the brush drop is 1 V for each brush find i) Armature
current ii) Current per path iii) Generated emf iv) Power output of
the machine:
Vt = 240 V Load = 100 * 60
i) Armature Current
ii) Current Per
Path
iii) Generated emf
iV) Power Output
A DC series generator has armature resistance of 0.5Ω and series field
resistance of 0.03Ω. It drives a load of 50A. If it has 6 turns/coil and
total 540 coils on the armature and is driven at 1500RPM, calculate the
terminal voltage at the load. Assume 4 pole, lap type winding, flux per
pole is 2mWband total brush drop is 2V.
Solution:
=2
• Types of DC Motor
Similar to the d.c. generators, the d.c. motors are
classified depending upon the way of connecting
the field winding with the armature winding. The
difference types of d.c. motors are
a.Separately Excited D.C motor
b.Self Excited D.C motor.
1. Shunt motor
2. Series motors
3. Compound motors
The compound motors are further classified as ;
1. Short shunt compound
2. Long shunt compound
DC Shunt Motor:
• Field winding is connected across the armature.
• Rsh be the shunt field winding resistance.
• Ra be the armature winding resistance.
• Shunt field winding has large number of turns and
less cross sectional area.
Voltage and current Relations:
Voltage across shunt and armature winding is equal to
V.
Total current drawn form the supply is,
Flux produced by the field winding is proportional to
field current.
As long as the supply voltage is constant the flux
produced by the machine is also constant. Hence it
is called as constant flux motor.
D.C Series Motor:
Series field winding is connected in series with the
armature.
Rse be the resistance of the field winding,
which is very small and it is made up of small
number of turns having large cross sectional area.
Voltage and current relation:
The entire armature current is flow through the field
winding. Flux produced is proportional to armature
current.
Long Shunt Compound Motor:
The shunt filed winding is connected across the
Series combination of armature and series field
winding
Short Shunt Compound Motor:
The shunt field winding is connected only
Parallel with armature and the series field
Winding is connected both armature and
Shunt field winding.
Drop across shunt field winding
Cumulative compound motor:
If the two field windings are connected in such a way
that the flux produced by the two is always help
each other.
Differential compound motor:
If the two field windings are connected in such a way
that the flux produced by the two is always oppose
each other. i.e., they trying to cancel each other.
A 4 pole, lap wound d.c. motor has 540 conductors. Its speed found
to be 1000 r.p.m. when it is made to run light. The flux per pole is
25 mWb. It is connected to
i) Induced e.m.f. ii) Armature current iii) Stray losses iv) Lost torque
Solution : P = 4, A = P = 4
Running light means it is on no load.
... N0 = 1000 r.p.m.
Z = 540 and ? = 25 x 10-3 Wb
... = (?PN0 Z)/(60A) = (25 x 10-3 x 4 x 1000 x 540)/(60 x 4) = 225 V
• i) Induced e.m.f., Eb0 = 225 V
• ii) From voltage equation, V = Eb + Ia Ra
... V = Eb0 + Ia0 Ra
... 230 = 225 + Ia0 x 0.8
... Ia0 = 6.25 A
• iii) On no load, power developed is fully the power required to
overcome stray losses.
... Stray losses = Eb0 Ia0 = 225 x 6.25 = 1406.25 W
• iv) Lost torque = (Eb0 Ia0)/ ?a0 = 1406.25/(2?N0 /60) = (1406.25 x
60)/(2×1000) = 13.428 N-m.
The back e.m.f of a shunt motor is 230V, the field
resistance is 160Ω and the field current is 1.5A. If the
line current is 37A, find the armature resistance. Also
find the armature current when the motor is
stationary.
Given:
A 4 pole series motor has 944 wave connected
armature conductors. At a certain load the flux per
pole is 34.6 mwb and the total mechanical torque
developed is 209NM. Calculate the line current taken
by the motor and the speed at which it will run with
an applied voltage of 500V. Total motor resistance is
3Ω.
Solution:
A 4 pole, 220V lap wound DC Shunt motor has 960
conductors, the flux per pole is 20mWb, determine
the torque developed by the armature and the
useful torque in NM when the current drawn by the
motor is 28A. The armature resistance is 0.1Ω and
the shunt field resistance is 125 Ω. The rotational
losses of the machine is 800watts.
Solution:
TORQUE AND SPEED EQUATIONS OF DC MOTOR
• Before analyzing the various characteristics of motors, let us
revise the torque and speed equations are applied to various
types of motors.
T α ф Ia from torque equation.
• This is because, 0.159(PZ)/A is a constant for a given motor.
• Now ф is the flux produced by the field winding and is
proportional to the current passing through the field winding.
ф α Ifield
• But for various types of motors, current through the field
winding is different. Accordingly torque equation must be
modified.
• For a d.c. shunt motor, Ish is constant as long as supply
voltage is constant. Hence ф flux is also constant.
T α Ia ….for shunt motors
• For a d.c. series motor, Ise is same as Ia. Hence flux ф is
proportional to the armature current Ia.
T α Ia α Ia
2 ….for series motors.
• Similarly as
Eb = (фPNZ)/(60A)
• we can write the speed equation as,
Eb α ф N
N α Eb/ ф
But
V = Eb + Ia Ra
• By neglecting brush drop
Eb = V – Ia Ra
• Speed equation becomes,
N α (V - Ia Ra)/ф
• So for shunt motor as flux is constant,
N α V – Ia Ra
• While for series motor, flux ф is proportional to Ia
• These relations play an important role in understanding
the various characteristics of different types of motors.
Speed Regulation
• The speed regulation for a d.c. motor is defined as the
ratio of change in speed corresponding to no load and
full load condition to speed corresponding to full load.
• Mathematically it is expressed as,
D.C. MOTOR CHARACTERISTICS
• The performance of a D.C. motor under various conditions
can be judged by the following characteristics
i) Torque – Armature current characteristics (T Vs Ia ) :
• The graph showing the relationship between the torque and
the armature current is called a torque-armature current
characteristic. These are also called electrical characteristics.
ii) Speed – Armature current characteristics(N Vs Ia ) :
• The graph showing the relationship between the speed and
armature current characteristic.
iii) Speed – Torque characteristics(N Vs T) :
• The graph showing the relationship between the speed and
the torque of the motor is called speed-torque characteristics
of the motor. These are also called mechanical characteristic.
• The nature of these characteristics can easily be obtained by
using speed and torque equations derived in previous post.
These characteristics play a very important role in selecting a
type of motor for a particular application.
Characteristics of D.C. Shunt Motor
i) Torque – Armature current characteristics
• For a d.c. motor
T α ф Ia
• For a constant values of Rsh and supply voltage V, Ish is also
constant and hence flux is also constant.
Ta α ф Ia
• The equation represents a straight line, passing through the
origin. Torque increases linearly with armature current. It is
seen earlier that armature current is decided by the load. So
as load increases, armature current increases, increasing the
torque developed linearly.
• Now if shaft torque is plotted against armature current, it is
known that shaft torque is less than the armature torque and
the difference between the two is loss torque Tf as shown. On
no load Tsh = 0 but armature torque is present which is just
enough to overcome stray losses shown as Ta0. The current
required is Ia0 on no load to produce Ta0 and hence Tsh graph
has an intercept of Ia0 on the current axis.
• To generate high starting torque, this type of motor
requires a large value of armature current at start. This
may damage the motor hence d.c. shunt motors can
develop moderate starting torque and hence suitable
for such applications where starting torque
requirement is moderate.
ii) Speed – Armature current characteristics
• From the speed equation we get,
N α (V – Ia Ra)/ф
αV – Ia Ra …..as ф is constant
• So as load increases, the armature current increases
and hence drop Ia Ra also increases.
• Hence for constant supply voltage, V – Ia Ra decreases
and hence speed reduces. But as Ra is very small, for
change in Ia from no load to full load, drop Ia Ra is very
small and hence drop in speed is also not significant
from no load to full load.
• So the characteristics is slightly dropping.
• But for all practical purposes these type of motors are
considered to be a constant speed motors.
iii) Speed – Torque characteristics
• These characteristics can be derived from the above
two characteristics. This graph is similar to speed-
armature current characteristics as torque is
proportional to the armature current. This curve shows
that the speed almost remains constant through torque
changes from no load to full load conditions.
Characteristics of D.C. Series Motor
i) Torque – Armature current Characteristics
• In case of series motor the series field winding is carrying the
entire armature current. So flux produced is proportional to
the armature current.
ф α Ia
Hence
Ta α ф Ia α Ia
2
• Thus torque in case of series motor is proportional to the
square of the armature current. This relation is parabolic in
nature As load increases, armature current increases and
torque produced increases proportional to the square of the
armature current upto a certain limit.
• As the entire Ia passes through the series field, there is a
property of an electromagnet called saturation, may occur.
Saturation means though the current through the winding
increases, the flux produced remains constant. Hence after
saturation the characteristics take the place of straight line as
flux becomes constant, as shown. The difference
between Ta and Tsh is loss torque Tf
• At start as Ta αIa
2 , these types of motors can
produce high torque for small amount of armature
current hence the series motors are suitable for the
applications which demand high starting torque.
ii) Speed – Armature current characteristics
• From the speed equation we get,
N α (Eb/ф) ) α V – Ia Ra – Ia Rse)/ Ia as ф α Ia in
case of series motor
• Hence in the speed equation, Eb ≈ Vand can be
assumed constant. So speed equation reduced to,
N α 1/Ia
So speed-armature current characteristics is
rectangular hyperbola type Fig. 2
iii) Speed – Torque characteristics
• In case of series motors,
T α Ia
2 and N α 1/Ia
• Hence we can write,
N α 1/√T
• Thus as torque increases when load increases, the speed
decreases. On no load, torque is very less and hence speed
increases to dangerously high value. Thus the nature of the
speed-torque characteristics is similar to the nature of the
speed-armature current characteristics.
Why Series Motor Is Never Started On No Load?
• It is seen earlier that motor armature current is decided by
the load. On light load or no load, the armature current
drawn by the motor is very small.
• In case of a d.c. series motor,
ф α Ia and
• on no load as Ia is small hence flux produced is also very
small.
• According to speed equation,
N α 1/ф ……as Eb is almost
constant.
• So on very light load or no load as flux is very small, the
motor tries to run at dangerously high speed which may
damage the motor mechanically. This can be seen from the
speed-armature current and the speed-torque characteristics
that on low armature current and low torque condition motor
shows a tendency to rotate with dangerously high speed.
• This is the reason why series motor should never be started
on light loads or no load conditions. Foe this reason it is not
selected for belt drives as breaking or slipping of belt causes
to throw the entire load off on the motor and made to run
motor with no load which is dangerous.
Characteristics of D.C. Compound Motor
• Compound motor characteristics basically depends on the
fact whether the motor is cumulatively compound or
differential compound. All the characteristics of the
compound motor are the combination of the shunt and series
characteristic.
• Cumulative compound motor is capable of developing large
amount of torque at low speeds just like series motor.
However it is not having a disadvantages of series motor even
at light or no load. The shunt field winding produces the
definite flux and series flux helps the shunt field flux to
increase the total flux level.
• So cumulative compound motor can run at reasonable speed
and will not run with dangerously high speed like series
motor, on light or no load condition.
• In differential compound motor, as two fluxes oppose each
other, the resultant flux decreases as load increases, thus the
machine runs at a higher speed with increase in the load. This
property is dangerous as on full load, the motor may try to
run with dangerously high speed. So differential compound
motor is generally not used in practice.
• The various characteristics of both the types of compound
motors cumulative and the differential are shown in the Fig
• The exact shape of these characteristics depends on
the relative contribution of series and shunt field
windings. If the shunt field winding is more dominant
then the characteristics take the shape of the shunt
motor characteristics. While if the series field winding
is more dominant then the characteristics take the
shape of the series characteristics.
A DC Series motor is running with a speed of 800RPM
while taking a current of 20Afrom the supply. if the
load is changed such that the current drawn by the
motor is increased to 50A, calculate the speed of the
motor on new load. The armature and field
resistances are 0.2 and 0.3 Ω respectively. Assume
flux produced is proportional to current and supply
voltage is 250V.
APPLICATIONS OF D.C. MOTORS
Instead of just stating the applications, the behaviour of the
various characteristics like speed, starting torque etc., which
makes the motor more suitable for the applications,
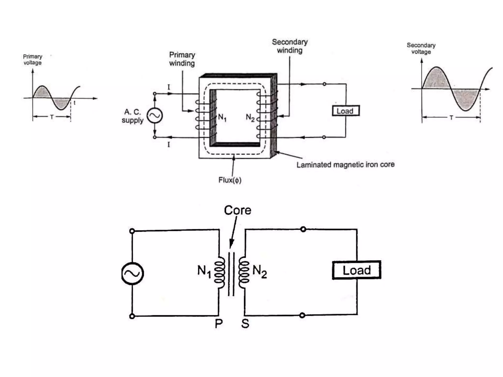
TRANSFORMERS
The transformer is a static piece of apparatus by means of which an electrical
power is transformed from one alternating current circuit to another with
the desired change in voltage and current without any change in frequency.
•Mutual induction states that when two coils are inductively coupled and if
current in one coil changed uniformly then an e.m.f gets induced in the other
coil.
•The e.m.f can drive a current, when a closed path is provided to it.
•Transformer consists of two inductive coils which are eclectically separated
but linked thorough a common magnetic circuit.
•The two coils have high mutual inductance.
•One of the two coils is connected to a source of a.c voltage is called primary
winding.
•The other winding is connected to load the electrical energy is transferred to
drive the load is called secondary winding.
•There is no electrical contact between the two windings
•The frequency of mutually induced e.m.f is same
Constructional Details of the Transformer
• Parts of the transformer
1. core:
• It is made up of high grade silicon steel laminations.
• Its function is to carry the flux.
• Providing low reluctance.
• “L” Shaped and “I” shaped laminations.
1.1 Limb :
• It is the vertical portion of the core
• Function is to carry the windings
1.2 Yoke:
• The top and bottom horizontal portion of the core
• Function is to carry the flux produced by one winding to reach the
other winding.
• Providing low reluctance path to the flux
2. Windings:
• The coils used are wound on the limbs and are insulated from each
other.
• The function of the windings is to carry the current and produce the
flux necessary for the function of the transformer
3. Conservator
• The oil in the transformer expands when temperature inside the
transformer increases due to heat while it contracts when temperature
decreases.
• The function of the conservator is to take up the expansion and contraction
of the oil without allowing it to come in contact with the ambient air.
4. Breather
• transformers are not fully filled with oil and some space remains between
the oil level and tank.
• The tank is connected to atmosphere by vent pipe.
• When oil expands air goes out while when oil contracts the air is taken in.
• The breather is a device which extracts the moisture from the air
• When the air is taken in and does not allow oil to come in contact with the
moisture.
• The breathers contains the silica gel crystals which immediately absorb the
atmosphere moisture
5. Explosion vent
• It is a bent pipe fitted on the main tank which acts as a relief valve.
• It uses non metallic diaphragm which bursts when pressure inside
the transformer becomes excessive which release the pressure and
protects the transformer
6. Buchholz Relay
• It is a safety gas operated relay connected to transformer
• When fault gets developed inside the transformer, the gases are
released.
• The buchholz relay is operated with these gases and trips the circuit
breaker to protect the device
Constructional Features:
• The cross section of the limb depends on the type of coil used either
circular or rectangular.
• To avoid high reluctance at the joint, the alternate layers are stacked
differently to eliminate the joints. This is called staggering. The butt joints
are staggered in alternate layers.
• Avoid continuous air gap.
• Reduce the magnetic circuit reluctance
• Continuous air gap reduces the mechanical strength of the core. The
staggering helps to increase the mechanical strength of the core
Types of Windings
• The coils are wound on the limbs and are insulated
from each other.
• The two windings are wound on two different
limbs.
• Due to leakge flux increases which increases which
affects the transformer.
• The windings should have very close to each other
to have high mutual inductance.
• Windings are split into number of coils and are
wound and are adjacent to each other on same
limb.
Cylindrical Concentric Coils
•Cylindrical coils are used in core type transformer.
•Coils are mechanically strong
•Different layers are insulated from other by paper, cloth or mica
•The LV winding is placed near the core
Sandwich Coils
•Each HV lies between two LV portions
•Reduces leakage flux
•Higher the degree of subdivision, smaller is the reluctance
•The top and bottom coils are LV
Construction of Single Phase Transformer
1. Core Type 2. Shell Type 3. Berry Type
Core Type Transformer
•It is a single magnetic circuit.
•Rectangular core having two limbs
•The winding encircles the core
•The coils used are cylindrical type
•The coils are wound in helical layers with different layers insulated from each other by
paper or mica
•Both the coils are placed on both the limbs.
•The LV coils coil is placed inside near the core while HV coils surrounds LV coil
•Core made up of lare number of thin laminations
•Windings are uniformly distributed over the two limbs. The natural cooling is more
effective
• Shell Type Transformer
• Double magnetic circuit. Three limbs
• Both windings are placed central limb
• Core encircles most part of the windings
• The coils used are multilayer disc type or sandwich coils
• Each HV coils is in between two LV coils and LV coils are
nearest to top sand bottom of the yokes
• The core is laminated, while arranging the laminations of
the core all the joints at alternate layers are staggered.
S.No Core Type Shell Type
1. The winding encircles the core The core encir4cles the most
part of the windings
2. Cylindrical type of coils are used Sandwich coils are used
3. Core has two limbs Core has three limbs
4. Single magnetic circuit Double magnetic circuit
5. Preferred for LV transformers Preferred for HV transformers
6. Natural cooling is effective Natural cooling does not
effective
7. Coils are easily removed from
maintenance point of view
Large number of laminations
are required to be removed.
This is difficult
E.M.F Equation
• When the primary winding is excited by an a.c V1, it
circulars alternating current, producing alternating flux(ϕ)
• The flux ϕ linking the primary winding itself induces and
e.m.f E1. This is self induced e.m.f
• The flux links with secondary winding through common
core produces induced e.m.f E2. This is mutually induced
e.m.f
Φ = flux
Φm = Maximum Value of flux
N1 = Number of Primary winding turns
N2 = Number of secondary turns
F = Frequency of the supply
E1 =R.M.S value of the primary induced e.m.f
E2 = R.M.S value of the Secondary induced e.m.f
From Faradays law,
Average e.m.f induced in each turn is proportional to the average
rate of change of flux.
Average e.m.f per turn = Average rate of change of flux =
Completer cycle is 1/f seconds. In 1/4th time period the change in flux
is from 0 to Φm
Average e.m.f per turn = 4 f Φm
as Φ is sinusoidal, induced e.m.f is also sinusoidal.
There are N1 number of primary turns
There are N2 number of secondary turns
Ideal Transformer
• It has no losses
• Windings have zero resistance
• Leakage flux is zero. i.e 100% flux produced by primary links with
the secondary
• Permeability of core is so high that negligible current is required to
establish the flux in it.
Rations of transformer:
1. Voltage Ratio:
The ratio of secondary induced e.m.f to primary induced e.m.f is
known as voltage transformation ratio(K)
• If N2 > N1 i.e., k>1, Step up transformer
• If N1 > N2 i.e., k<1 step down transformer
• N1 = N2 k=1 1:1 transformer or isolation transformer
Current Rations:
For ideal case. The product of primary voltage V1 and current I1 is
same as secondary.
V1I1 = Input VA
V2I2 = Output VA V1I1 = V2I2
Full Load Currents:
The full load primary and secondary currents indicate the safe maxi
mum values of current, keeping the temperature rise below the limiting
value
A 100kVA, 3300V/240V, 50Hz, Single phase transformer has 990
turns on the primary. Calculate the number of turns on secondary
and the appropriate value of primary and secondary currents.
Solution:
Given:
Transformation Ratio,
The e.m.f per turn of a single phase 6.6kV, 440V, 50Hz transformer is
approximately 12V. Calculate number of turns in the HV and LV windings
and the net cross sectional area of the core for a maximum flux density of
1.5T
Solution:
Ideal Transformer on No Load
•The supply voltage V1 as it no load the secondary current I2 = 0
•The primary draws a current I1 used to produce flux in the core
•This current is magnetizing current(Im)
•The Im is small and lags V1 by 900 winding is purely inductive
•The flux links both the winding producing E1 and E2
•The induced emf’s opposes the cause producing it V1
•E1 antiphase with V1 but equal magnitude
•E2 also opposes V1
•E1 and E2 are in Phase.
•Total power input is Zero. No losses. Power Factor is zero lagging
Single-Phase Motors
These motors, have output less than one horse-power
or one kilowatt, hence are called fractional horse-
power or fractional kilowatt motors.
AC single-phase, fractional kilowatt motors perform
variety of services in the homes, offices, business
concerns, factories etc.
Almost in all the domestic appliances such as
refrigerators, fans, washing machines, hair driers,
mixer grinders etc., only 1-phase induction motors are
employed.
Classification of Single-phase Motors
1. Single-phase induction motors
(i) split-phase type (ii) capacitor type
(iii) Shaded-pole type
2. AC series motors or universal motors
3. Repulsion motors
(i) Repulsion-start induction-run motors
(ii) Repulsion-induction motors
4. Synchronous motors
(i) Reluctance motors
(ii) Hysteresis motors.
Single-phase Induction Motors
A single-phase induction motor is very similar to a 3-
phase squirrel cage induction motor in construction.
• Similar to 3-phase induction motor it consists of two
main parts namely stator and rotor.
1. Stator: It is the stationary part of the motor. It has
three main parts, namely.
(i) Outer frame (ii) Stator core and
(iii) Stator winding.
(i) Outer frame: It is the outer body of the motor. Its
function is to support the stator core and to protect
the inner parts of the machine.
• Usually, it is made of cost iron.
• To place the motor on the foundation, feet are
provided in the outer frame as shown
(ii) Stator core:
• The stator core is to carry the alternating magnetic field which
produces hysteresis and eddy current losses.
• To minimise these losses high grade silicon steel stampings are used
to build core.
• The stampings are assembled under hydraulic pressure and are keyed
to the outer frame.
• The stampings are insulated from each other by a thin varnish layer.
• The thickness of the stamping usually varies from 0.3 to 0.5 mm.
• Slots are punched on the inner periphery of the stampings to
accommodate stator winding.
(iii) Stator winding:
• The stator core carries a single phase winding which
is usually supplied from a single phase AC supply
system.
• The terminals of the winding are connected in the
terminal box of the machine.
• The stator of the motor is wound for definite
number of poles, as per the need of speed.
2. Rotor: It is the rotating part of the motor.
• A squirrel cage rotor is used in single phase
induction motors.
• It consists of a laminated cylindrical core of some
high quality magnetic material.
• Semi-closed circular slots are punched at the outer
periphery.
• Aluminium bar conductors are placed in these slots
and short circuited at each end by aluminium rings,
called short circuiting rings
• Thus, the rotor winding is permanently short
circuited.
The rotor slots are usually not parallel to the shaft but
are skewed. Skewing of rotor has the following
advantages:
(a) It reduces humming thus ensuring quiet running of
a motor
(b) It results in a smoother torque curves for different
positions of the rotor
(c) It reduces the magnetic locking of the stator and
rotor
(d) It increases the rotor resistance due to the
increased length of the rotor bar conductors.
Nature of Field Produced in Single Phase Induction Motors
Torque Produced by Single-phase Induction Motor
• The two revolving fields will produce torques in opposite
directions. Let the two revolving fields be field No. 1 and field
No. 2 revolving in clockwise and anticlockwise direction.
• The clockwise field produces torque in clockwise direction,
whereas, the anticlockwise field produces torque in
anticlockwise direction.
• The clockwise torque is plotted as positive and anticlockwise
as negative.
• At stand still, slip for both fields is one. At synchronous speed,
for clockwise direction, the field-1 will give condition of zero
slip but it will give slip = 2 for field No. 2.
• At synchronous speed in a counter clockwise direction, will
give condition of zero slip for field -2 but slip = 2 for field No.
1.
• The resultant torque developed in the rotor is shown by the
curve passing through zero position as shown in Fig. 11.4.
• The resultant torque it is observed that the starting
torque (torque at slip = 1) is zero. And except at
starting there is always some magnitude of
resultant torque,
• At position 1-1’, the torque developed by field-1 is
dominating, therefore, motor will pick-up the speed
in clockwise direction.
• At position 2-2’, the torque developed by field-2 is
dominating, therefore, motor will pick-up the speed
in anti-clockwise direction).
• This shows that if this type of motor is once started
(rotated) in either direction it will develop torque in
that direction and rotor will pick-up the required
speed.
• The above analysis shows that single phase
induction motor with single winding develops no
starting torque
• but if the rotor is rotated in any direction by some
auxiliary means in will develop torque in the same
direction and will start rotating in that direction.
• So the problem is to find out the auxiliary means to
give the starting torque to the motor.
Methods to make Single-phase Induction Motor Self-starting
• A single-phase induction motor inherently is not self-starting.
• To make it self-starting, some method is required to be evolved to produce a
revolving magnetic field in the stator core.
• This may be obtained by converting a single-phase supply into two-phase
supply which can be achieved by using an additional winding (this additional
winding may be or may not be disconnected once the motor starts and picks-
up the speed) or by creating another field (by induction) using a short
circuiting band or ring.
• Accordingly, depending upon the method used to make a 1-phase induction
• motor self-starting, single-phase induction motors can be classified as:
1. Split-phase motors: These motors are started by employing two-phase
motor action through the use of an auxiliary winding called starting winding.
2. Capacitor motors: These motors are started by employing two-phase motor
action through the use of an auxiliary winding with capacitor.
3. Shaded-pole motors: These motors are started by the interaction of the
field produced by a shading band or short circuiting ring placed around a
portion of the pole structure.
Split-phase induction motor
The direction of rotation of a 1-phase (split phase) induction motor can
be reversed by reversing (interchanging) the connections of either
starting winding or running winding.
Capacitor Motors
Capacitor start motors
Performance and characteristics:
Speed is almost constant with in 5% slip. This type of
motor develops high starting torque about 4 to 5
times the full load torque. It draw low starting
current.
The direction of rotation can be changed by
interchanging the connection of either starting or
running winding.
Capacitor run motors (fan motors):
• A paper capacitor is permanently connected in the
starting winding. In this case, electrolytic capacitor
cannot be used since this type of capacitor is
designed only for short time rating and hence
cannot be permanently connected in the winding.
• Both main as well as starting winding is of equal
rating.
Performance and characteristics.
• Starting torque is lower about 50 to 100% of full
load torque.
• Power factor is improved may be about unity.
Efficiency is improved to about 75%.
Capacitor start and capacitor run motors
• In this case, two capacitors are used one for starting
purpose and other for running purpose.
• For starting purpose an electrolytic type capacitor (Cs)
is used which is disconnected from the supply when
the motor attains 75% of synchronous speed with the
help of centrifugal switch S.
• Whereas, a paper capacitor CR is used for running
purpose which remains in the circuit of starting
winding during running conditions.
• This type of motor gives best running and starting
operation.
• Starting capacitor CS which is of higher value than the
value of running capacitor CR.
Performance and characteristics:
• Such motors operate as two phase motors giving
best performance and noiseless operation.
• Starting torque is high, starting current is low and
give better efficiency and higher p.f.
• The only disadvantage is high cost.
Shaded Pole Motor
Construction
• Shaded pole motor is constructed with salient poles
in stator.
• Each pole has its own exciting winding
• A 1/3rd portion of each pole core is surrounded by
a copper strip forming a closed loop called the
shading band
• Rotor is usually squirrel cage type.
• When a single phase supply is given to the stator
(exciting) winding, it produces alternating flux.
• When the flux is increasing in the pole, a portion of
the flux attempts to pass through the shaded
portion of the pole.
• This flux induces an emf and hence current in the
shading band or copper ring.
• As per Lenz’s law the direction of this current is such
that it opposes the cause which produces it i.e.,
increase of flux in shaded portion. Hence in the
beginning, the greater portion of flux passes
through unshaded side of each pole and resultant
lies on unshaded side of the pole.
• When the flux reaches its maximum value, its rate of
change is zero, thereby the emf and hence current in
the shading coil becomes zero.
• Flux is uniformly distributed over the pole face and the
resultant field lies at the centre of the pole.
• After this the main flux tends to decrease, the emf and
hence the current induced in the shading coil now
tends to increase the flux on the shaded portion of the
pole and resultant lies on the shaded portion of the
pole
• Hence, a revolving field is set up which rotates from
unshaded portion of the pole to the shaded portion of
the pole as marked by the arrow head
• Thus, by electromagnetic induction, a starting torque
develops in the rotor and the rotor starts rotating.
• After that its rotor picks up the speed.
Split Phase Capacitor
Start
Capacitor run Capacitor
start and run
Shaded pole
Characteristi
cs
Low and
medium
starting
torque
High Starting
torque
Medium
torque
High starting
torque
Low starting
torqu
Starting
torque
100% to 250%
of rated value
250% to 400%
of rated value
100% to 200%
of rated value
200% to 300%
of rated value
40% to 60%
of rated value
Braking
torque
Upto 300% Upto 350% Upto 250% Upto 250% Upto 10%
Power
factor
0.5 to 0.65 0.5 to 0.65 0.75 to 0.9 0.75 to 0.9 0.25 to 0.4
Efficiency 55% to 65% 55% to 65% 60% to 70% 60% to 70% 25% to 40%
Rating 0.5 to 1 HP 0.125 to 1 HP 0.125 to 1 HP 0.125 to 1 HP Upto 40W
Applications Fans,
blowers,
Centrifugal
pumps,
washing
machines
Compressors,
Pumps,
Conveyors,
Refrigerators,
AC and
Washing
Machines
Fans,
blowers,
Centrifugal
pumps,
Compressors,
Pumps,
Conveyors,
Refrigerators
Fans, turn
Tables, Hair
driers,
Motion
picture
projectors,
Blowers,

UNIT-2.pptx

  • 1.
  • 18.
    Introduction • An electricalmachine which deals with energy transfer either from mechanical to electrical or vice versa is called EMEC. • An electric machine which converts mechanical into electrical energy is called Electric Generator. • An electric machine which converts electrical into mechanical energy is called Electric Motor. • Such machines related to electrical energy ofan alternating is called ac machines or may be related to an electrical energy of direct type is called dc machines.
  • 19.
    Principle of Operationof A DC Generator • All the generators work on a principle of dynamically induced emf. This is nothing but the Faraday’s law of electromagnetic induction. i.e. ‘Whenever the flux linking with conductor or a coil changes, an emf is induced in it’. • The change in flux associated with the coil can exist only when there is a relative motion between the coil and flux. • The relative motion can be achieved by rotating conductor w.r.t flux or vice versa. • So the voltage gets generated in a conductor as long as the relative motion can exists.
  • 21.
    • An emfwhich is due to physical movement of coil w.r.t flux or flux w.r.t coil is called dynamically induced emf. • In practical generators, the conductors are rotated to cut the magnetic flux, keeping flux stationary. • No of coils are connected together to form a winding to get large output voltage. This winding is called armature winding. The part on which this winding is called armature of DC machine. • The conductors placed on the armature are rotated with the help of some external device which is called prime mover. Prime mover may be diesel engine, steam engines, steam turbines, water turbines etc.,
  • 22.
    • The necessaryflux is produced by current carrying conductor is called field winding. The direction of induced emf can be obtained by Fleming’s right hand rule. Fleming’s Right Hand Rule • Thumb, index and middle finger of the right hand is at right angles with each other. In this position , • ‘Index finger is made to point the direction of lines of force’. • ‘Thumb in the direction of relative motion’, and • ‘Middle finger gives the direction of emf’.
  • 23.
    • This rulemainly gives the direction of current which induced emf in conductor will set up when closed path is provided.
  • 24.
    • The magnitudeof the emf is, • Where • The active length means the length of conductor which is under the influence of magnetic field. In all the cases, direction of motion of conductor is perpendicular to the plane of flux. •
  • 25.
    • But ifit is not perpendicular then the component velocity which is perpendicular to the plane of flux, is only responsible for inducing emf in the conductor. • The velocity is v, and its component v’ is perpendicular to the flux lines is only responsible for the induced emf.
  • 26.
    • If theplane of the rotation of conductor is parallel to the plane of flux, there will not be any cutting of flux and hence there cannot be any induced emf in the conductor. • If angle between the plane of rotation and the plane of the flux is θ as measured from the axis of plane of flux then the induced emf is,
  • 27.
    • Where vsin θ is the component of velocity which is perpendicular to the plane of flux and hence responsible for the induced emf.
  • 28.
    • From theequation , the basic nature of the induced emf in a generator is purely sinusoidal i.e. alternating. To have d.c voltage, a device is used in a dc generator to convert the alternating emf to unidirectional emf. This device is called commutator.
  • 29.
    Constructional Features ofa D.C. Machine • The construction is same for both DC generator and DC motor. • The dc machine consists of following parts: 1. Yoke 2. Poles 3. Field Winding 4. Armature 5. Commutator 6. Brushes and Brush gear 7. Bearings
  • 30.
    Construction in detail(D.CMachines) D.C. Machines i)D.C.Generator ii)D.C.Motor
  • 31.
    YOKE a. Functions 1. Itserves the purpose of outer most cover of dc machine. So that the insulating material protected from harmful atmospheric elements. 2. It provides mechanical support to the poles. 3. It forms a part of the magnetic circuit. It provides a path of reluctance for magnetic flux. The low reluctance path is important to avoid wastage of power to provide same flux. Large current and hence the power is necessary if the path has high reluctance, to produce the same flux.
  • 32.
    a. Fgjghn b. Choiceof material: To provide low reluctance path, it must be made up some magnetic material.it is prepared by using cast iron because it is cheapest. For larger machines rolled steel, cast steel, silicon steel is used which provides high permeability i.e. low reluctance and gives good mechanical strength.
  • 33.
    POLES • Each poleis divided into two parts (i) Pole core (ii) Pole shoe a. Functions of pole core and pole shoe 1. Pole core carries a field winding which is necessary to produce the flux. 2. It directs the flux produced through air gap to armature core, to the next pole. 3. Pole shoe enlarges the area of armature core to come across the flux, which is necessary to produce larger induced emf. To achieve this, pole shoe has been given a particular shape.
  • 34.
    a. Choice ofmaterial: b. Choice of material: It is made up of magnetic material like cast iron or cast steel. As it requires a definite shape and size, laminated construction is used. The laminations are stamped together to get a pole which is then bolted to the yoke.
  • 35.
    FIELD WINDING (F1– F2) The field winding is wound on the pole core with a definite direction. a. Functions To carry current due to which pole core, on which the field winding is placed behaves as an electro magnet, producing necessary flux. As it helps in producing the magnetic field i.e exciting the pole as an electromagnet is called field winding or exciting winding. a. Sdgdfg b. Choice of material: It has to carry current hence made up of conducting material. So aluminum or copper is the choice. But field coils are required to take any type of shape and bend about pole core and copper has good pliability. So copper is the proper choice.
  • 36.
    ARMATURE • It isfurther divided into two parts (i) Armature core (ii) Armature winding i. Armature core it is cylindrical in shape mounted on the shaft. It consists of slots on its periphery and the air ducts to permit the air flow through armature which serves cooling purpose. a) Functions: 1. Armature core provides house for armature winding. 2. To provide a path of low reluctance to flux produced by field winding
  • 37.
    a. Hgv b. Choiceof material: As it has to provide a loe reluctance path to flux, it is made up of magnetic material like cast iron or cast steel. It is made up of laminated construction to keep eddy current loss as low as possible. A single circular lamination used for the construction of armature core.
  • 38.
    i. Ar ii. Armaturewinding It is nothing but the interconnection of the armature conductors, placed in the slots provided on the armature core periphery. When the armature is rotated, in case of generator, magnetic flux gets cut by armature conductors and emf gets induced in it. a. Functions 1. Generation of emf takes place in the armature winding in case of generator. 2. To carry the current supplied in case of motors.
  • 39.
    a. Dcjkhf b. Choiceof material: As armature winding carries entire current which depends on external load, it has to be made up of conducting material, which is copper. Armature winding is generally former wound. The conductors are placed in the armature slots which are lined with insulating material. COMMUTATOR The basic nature of emf induced in the armature conductors is alternating. This needs rectification in case of generator, which is done by commutator. a. Functions 1. To facilitate the collection of current from the armature conductors. 2. To convert internally developed alternating emf to unidirectional (dc) emf. 3. To produce unidirectional torque in case of motors.
  • 40.
    1. fgjgh a. Choiceof material: b. Choice of material: As it collects current from armature, it is made up of copper segments. It is cylindrical in shape and is made up of wedge shaped segments of hard drawn, high conductivity copper. These segments are insulated from each other by thin layer of mica. Each commutator segment is connected to the armature conductor by means of copper strip.
  • 41.
    BRUSHES AND BRUSHGEAR • Brushes are stationary and resting on the surface of the commutator. a. Functions To collect current from commutator and make it available to the stationary external circuit. a. Choice of material: b. Choice of material: Brushes are made up of soft silicon material like carbon. Brushes are rectangular in shape. They are housed in brush holders, which are usually of box type. The brushes are made to press on the commutator surface by means of spring. A flexible copper conductor called pig tail is used to connect the brush to the external circuit. To avoid wear and tear of commutator.
  • 42.
    BEARINGS • Ball –bearings are usually used. Because they are more reliable. For heavy duty machines, roller bearings are preferred. Types of Armature Winding • No of armature conductors are connected in specific manner as per the requirement is called armature winding. According to the way of connecting the conductors, armature winding has two types; 1. Lap winding 2. Wave winding • Lap winding: In this case, if connection is started from conductor in slot 1 then connections overlap with each other as winding proceeds, till starting point is reached again.
  • 43.
    • Large noof parallel paths indicate high current capacity. Hence it is preferred for high current rating generators. • Wave winding Here winding travels ahead to avoid overlapping. It travels like a progressive wave hence called wave winding.
  • 44.
    • The noof parallel path are divided due to lap or wave fashion of connection is denoted as A. so, •
  • 46.
    Comparison of Lapand Wave Type Winding Lap winding Wave winding No of parallel paths (A) = poles (P) No of parallel paths (A) = 2 Number of brush sets required is equal to number of poles. Number of brush sets required is always equal to two. Preferable for high current. low voltage capacity generators. Preferable for high voltage. low current capacity generators. Normally used for generators of capacity more than 500 A. Preferred for generation of capacity is Less than 500 A.
  • 47.
    EMF equation ofDC Generator: Let, P = Number of poles φ = Flux produced by each pole in wb N = Speed of armature in RPM Z = Total number of armature conductors A = Number of parallel paths A = P for lap winding A = 2 for wave winding According to faradays law, the average value of e.m.f induced in each armature conductor, e = Rate of cutting the flux = dφ/dt
  • 48.
    Consider one revolutionof conductor, In one revolution, conductor will cut total flux produced by all the poles i.e., φ * P. Time required to complete one revolution is 60/N sec As speed is N RPM. This is the emf induced in one conductor. Now the conductors in one parallel path are always in series. There are total Z conductors with A parallel paths, hence Z/A no. of conductors are always in series and emf remains same across all the parallel paths.
  • 49.
    • Total emfcan be expressed as, • So,
  • 50.
    1) A 4pole, lap wound, d.c generator has useful flux of 0.07 Wb per pole. Calculate the generated emf when it is rotated at a speed of 900 r.p.m. with the help of prime mover. Armature consists of 440 no of conductors. Also calculate the generated emf. if lap wound armature is replaced by wave wound armature. • Sol:
  • 53.
    Symbolic representation ofdc generators • The armature is denoted by a circle with two brushes. Mechanically it is connected to another device called prime mover. The two ends of armature are denoted as A1 – A2. The field winding is shown near armature and the two ends are denoted as . The field winding is shown near armature and the two ends are denoted as F1 – F2. The representation of field very little bit, depending on the type of generator.
  • 54.
    • The symbolicrepresentation is shown in the Fig. 1. Many times an arrow (?) is indicated near armature. This arrow denotes the direction of current which induced e.m.f. will set up, when connected to an external load. • Note : Every practical generator needs a prime mover to rotate its armature. Hence to avoid complexity of the diagram, prime mover need not to be included in the symbolic representation of generator
  • 55.
    Methods of excitation •The magnetic field required for the operation of a d.c. generator is produced by an electromagnet. This electromagnet carries a field winding which produces required magnetic flux when current is passed through it. • The field winding is also called exciting winding and current carried by the field winding is called an exciting current. • Thus supplying current to the field winding is called excitation and the way of supplying the exciting current is called method of excitation. • There are two methods of excitation used for d.c. generators, – 1. Separate excitation – 2. Self excitation • Depending on the method of excitation used, the d.c. generators are classified as, – 1. Separately excited generators – 2. Self excited generators
  • 56.
    • In separatelyexcited generators, a separate external d.c. supply is used to provide exciting current through the field winding. • The d.c. generators produces d.c. voltage. If this generated voltage itself is used to excite the filed winding of the same d.c. generator, it is called self excited generator. Separately excited generator • When the field winding is supplied from external, separate d.c. supply i.e. then the generator is called separately excited generator. Schematic representaexcitation of field winding is separate tion of this type is
  • 57.
    • The fieldwinding of this type of generator has large number of turns of thin wire. So length of such winding is more with less cross-sectional area. So resistance of this field winding is high in order to limit the field current. Voltage and Current Relations • The field winding is excited separately, so the field current depends on supply voltage and resistance of the field winding. • For armature side, we can see that it is supplying a load, demanding a load current of IL at a voltage of Vt which is called terminal voltage. • Now Ia = IL • The internally induced e.m.f. E is supplying the voltage of the load hence terminal voltage Vt is a part of E. But E is not equal to Vt while supplying a load. This is because when armature current Ia flows through armature winding, due to armature winding resistance Ra ohms, there is a voltage drop across armature winding equal to Ia Ra volts.
  • 58.
    self excited generator •When the field winding is supplied from the armature of the generator itself then it is said to be self excited generator. Now without generated emf field cannot be excited in such generator and without excitation there cannot be generated emf. • How this type of generator works? Residual magnetism possessed by the field poles, under normal condition. • Though the generator is not working, without any current through field winding, the field poles possess some magnetic flux called residual flux and the property is called residual magnetism. • When generator is started due to residual flux, it
  • 59.
    • This processis cumulative and continues till the generator develops rated voltage across its armature. This is voltage building process in self excited generators. • Based on connection of field winding to the armature to derive its excitation, this type is further divided into three types, that are, 1. Shunt generator 2. Series generator 3. Compound generator Shunt Generator: • When the field winding is connected in parallel with the armature and the combination across the load then the generator is called shunt generator. • The field winding has large number of turns of thin wire so it has high resistance. Let Rsh be the resistance of the field winding.
  • 60.
    Voltage and CurrentRelations • From the Fig, we can write • Now voltage across load is Vt which is same across field winding as both are in parallel with each other
  • 61.
    • While inducede.m.f. E, still requires to supply voltage drop Ia Ra and brush contact drop. • In practical, brush contact drop can be neglected. Series generator • When the field winding is connected in series with the armature winding while supplying the load then the generator is called series generator. It is shown in the Fig. 1. • Field winding, in this case is denoted as S1 and S2. The resistance of series field winding is very small and hence naturally it has less number of turns of thick cross-section wire • Let Rse be the resistance of the series field winding.
  • 62.
    Voltage and currentRelations • As all armature, field and load are in series they carry the same current. • Where Ise = Current through series field winding. • Now in addition to drop Ia Ra, induced e.m.f. has to supply voltage drop across series field winding too. This is Ise Rse i.e. Ia Rse as Ia = Ise. So voltage equations are,
  • 63.
    Compound generator • Inthis type, the part of the field winding is connected in parallel with armature and part in series with the armature. Both series and shunt field windings are mounted on the same poles. Depending upon the connection of shunt and series field winding, compound generator is further classified as : – Long shunt compound generator, – Short shunt compound generator. Long Shunt Compound Generator • In this type, shunt field winding is connected across the series combination of armature and series field winding • Voltage and current relations are
  • 64.
    • Voltage acrossshunt field winding is Vt. • where Rsh = Resistance of shunt field winding • And voltage equation is, Where Rse = Resistance of series field winding
  • 65.
    Short Shunt CompoundGenerator • In this type, shunt field winding is connected, only across the armature, excluding series field winding • Voltage and current relations are as follows. • The drop across shunt field winding is drop across the armature only and not the total Vt, in this case. So drop across shunt field winding is E -Ia Ra .
  • 66.
    • Now thevoltage equation is • Neglecting Vbrush , we can write, • Any of the two above expression of Ish can be used, depending on the quantities known while solving the problems.
  • 67.
    Cumulative and DifferentialCompound Generator • It is mentioned earlier that the two windings, shunt and series field are wound on the same pole. Depending on the direction of winding on the pole, two fluxes produced by shunt and series field may help or may oppose each other. This facts decides whether generator is cumulative or differential compound. If the two fluxes help each other as shown in Fig. 3 the generator is called cumulative compound generator.
  • 68.
    • If thetwo windings are wound in such a direction that the fluxes produced by them oppose each other then the generator is called differential compound generator.
  • 69.
    S.N o Shunt Generator SeriesGenerator 1 High Resistance Low Resistance 2 Small Cross sectional area Large Cross sectional area 3 Large number of turns. High length Less number of turns. Small length 4 Low current rating High current rating 5 Connected in parallel with armature winding Connected in series with armature winding
  • 70.
    A 4-pole, lapwound DC shunt generator has a useful flux/pole of 0.6wb. The armature winding consists of 200 turns, each turn having a resistance of 0.003Ω. Calculate the terminal voltage when running at 1000 rpm. If armature current is 45A A.
  • 71.
    A four polelap wound shunt generator supplies 60 lamps of 100W, 240V each; the field and armature resistances are 55Ω and 0.18Ω respectively. If the brush drop is 1 V for each brush find i) Armature current ii) Current per path iii) Generated emf iv) Power output of the machine: Vt = 240 V Load = 100 * 60 i) Armature Current
  • 72.
    ii) Current Per Path iii)Generated emf iV) Power Output
  • 73.
    A DC seriesgenerator has armature resistance of 0.5Ω and series field resistance of 0.03Ω. It drives a load of 50A. If it has 6 turns/coil and total 540 coils on the armature and is driven at 1500RPM, calculate the terminal voltage at the load. Assume 4 pole, lap type winding, flux per pole is 2mWband total brush drop is 2V. Solution: =2
  • 75.
    • Types ofDC Motor Similar to the d.c. generators, the d.c. motors are classified depending upon the way of connecting the field winding with the armature winding. The difference types of d.c. motors are a.Separately Excited D.C motor b.Self Excited D.C motor. 1. Shunt motor 2. Series motors 3. Compound motors The compound motors are further classified as ; 1. Short shunt compound 2. Long shunt compound
  • 76.
    DC Shunt Motor: •Field winding is connected across the armature. • Rsh be the shunt field winding resistance. • Ra be the armature winding resistance. • Shunt field winding has large number of turns and less cross sectional area. Voltage and current Relations: Voltage across shunt and armature winding is equal to V. Total current drawn form the supply is,
  • 77.
    Flux produced bythe field winding is proportional to field current. As long as the supply voltage is constant the flux produced by the machine is also constant. Hence it is called as constant flux motor. D.C Series Motor: Series field winding is connected in series with the armature. Rse be the resistance of the field winding, which is very small and it is made up of small number of turns having large cross sectional area.
  • 78.
    Voltage and currentrelation: The entire armature current is flow through the field winding. Flux produced is proportional to armature current.
  • 79.
    Long Shunt CompoundMotor: The shunt filed winding is connected across the Series combination of armature and series field winding
  • 80.
    Short Shunt CompoundMotor: The shunt field winding is connected only Parallel with armature and the series field Winding is connected both armature and Shunt field winding. Drop across shunt field winding
  • 81.
    Cumulative compound motor: Ifthe two field windings are connected in such a way that the flux produced by the two is always help each other. Differential compound motor: If the two field windings are connected in such a way that the flux produced by the two is always oppose each other. i.e., they trying to cancel each other.
  • 82.
    A 4 pole,lap wound d.c. motor has 540 conductors. Its speed found to be 1000 r.p.m. when it is made to run light. The flux per pole is 25 mWb. It is connected to i) Induced e.m.f. ii) Armature current iii) Stray losses iv) Lost torque Solution : P = 4, A = P = 4 Running light means it is on no load. ... N0 = 1000 r.p.m. Z = 540 and ? = 25 x 10-3 Wb ... = (?PN0 Z)/(60A) = (25 x 10-3 x 4 x 1000 x 540)/(60 x 4) = 225 V • i) Induced e.m.f., Eb0 = 225 V • ii) From voltage equation, V = Eb + Ia Ra ... V = Eb0 + Ia0 Ra ... 230 = 225 + Ia0 x 0.8 ... Ia0 = 6.25 A • iii) On no load, power developed is fully the power required to overcome stray losses. ... Stray losses = Eb0 Ia0 = 225 x 6.25 = 1406.25 W • iv) Lost torque = (Eb0 Ia0)/ ?a0 = 1406.25/(2?N0 /60) = (1406.25 x 60)/(2×1000) = 13.428 N-m.
  • 83.
    The back e.m.fof a shunt motor is 230V, the field resistance is 160Ω and the field current is 1.5A. If the line current is 37A, find the armature resistance. Also find the armature current when the motor is stationary. Given:
  • 84.
    A 4 poleseries motor has 944 wave connected armature conductors. At a certain load the flux per pole is 34.6 mwb and the total mechanical torque developed is 209NM. Calculate the line current taken by the motor and the speed at which it will run with an applied voltage of 500V. Total motor resistance is 3Ω. Solution:
  • 85.
    A 4 pole,220V lap wound DC Shunt motor has 960 conductors, the flux per pole is 20mWb, determine the torque developed by the armature and the useful torque in NM when the current drawn by the motor is 28A. The armature resistance is 0.1Ω and the shunt field resistance is 125 Ω. The rotational losses of the machine is 800watts. Solution:
  • 87.
    TORQUE AND SPEEDEQUATIONS OF DC MOTOR • Before analyzing the various characteristics of motors, let us revise the torque and speed equations are applied to various types of motors. T α ф Ia from torque equation. • This is because, 0.159(PZ)/A is a constant for a given motor. • Now ф is the flux produced by the field winding and is proportional to the current passing through the field winding. ф α Ifield • But for various types of motors, current through the field winding is different. Accordingly torque equation must be modified. • For a d.c. shunt motor, Ish is constant as long as supply voltage is constant. Hence ф flux is also constant. T α Ia ….for shunt motors
  • 88.
    • For ad.c. series motor, Ise is same as Ia. Hence flux ф is proportional to the armature current Ia. T α Ia α Ia 2 ….for series motors. • Similarly as Eb = (фPNZ)/(60A) • we can write the speed equation as, Eb α ф N N α Eb/ ф But V = Eb + Ia Ra • By neglecting brush drop Eb = V – Ia Ra • Speed equation becomes, N α (V - Ia Ra)/ф
  • 89.
    • So forshunt motor as flux is constant, N α V – Ia Ra • While for series motor, flux ф is proportional to Ia • These relations play an important role in understanding the various characteristics of different types of motors. Speed Regulation • The speed regulation for a d.c. motor is defined as the ratio of change in speed corresponding to no load and full load condition to speed corresponding to full load. • Mathematically it is expressed as,
  • 90.
    D.C. MOTOR CHARACTERISTICS •The performance of a D.C. motor under various conditions can be judged by the following characteristics i) Torque – Armature current characteristics (T Vs Ia ) : • The graph showing the relationship between the torque and the armature current is called a torque-armature current characteristic. These are also called electrical characteristics. ii) Speed – Armature current characteristics(N Vs Ia ) : • The graph showing the relationship between the speed and armature current characteristic. iii) Speed – Torque characteristics(N Vs T) : • The graph showing the relationship between the speed and the torque of the motor is called speed-torque characteristics of the motor. These are also called mechanical characteristic.
  • 91.
    • The natureof these characteristics can easily be obtained by using speed and torque equations derived in previous post. These characteristics play a very important role in selecting a type of motor for a particular application. Characteristics of D.C. Shunt Motor i) Torque – Armature current characteristics • For a d.c. motor T α ф Ia • For a constant values of Rsh and supply voltage V, Ish is also constant and hence flux is also constant. Ta α ф Ia • The equation represents a straight line, passing through the origin. Torque increases linearly with armature current. It is seen earlier that armature current is decided by the load. So as load increases, armature current increases, increasing the torque developed linearly.
  • 92.
    • Now ifshaft torque is plotted against armature current, it is known that shaft torque is less than the armature torque and the difference between the two is loss torque Tf as shown. On no load Tsh = 0 but armature torque is present which is just enough to overcome stray losses shown as Ta0. The current required is Ia0 on no load to produce Ta0 and hence Tsh graph has an intercept of Ia0 on the current axis.
  • 93.
    • To generatehigh starting torque, this type of motor requires a large value of armature current at start. This may damage the motor hence d.c. shunt motors can develop moderate starting torque and hence suitable for such applications where starting torque requirement is moderate. ii) Speed – Armature current characteristics • From the speed equation we get, N α (V – Ia Ra)/ф αV – Ia Ra …..as ф is constant • So as load increases, the armature current increases and hence drop Ia Ra also increases. • Hence for constant supply voltage, V – Ia Ra decreases and hence speed reduces. But as Ra is very small, for change in Ia from no load to full load, drop Ia Ra is very small and hence drop in speed is also not significant from no load to full load.
  • 94.
    • So thecharacteristics is slightly dropping. • But for all practical purposes these type of motors are considered to be a constant speed motors. iii) Speed – Torque characteristics • These characteristics can be derived from the above two characteristics. This graph is similar to speed- armature current characteristics as torque is proportional to the armature current. This curve shows that the speed almost remains constant through torque changes from no load to full load conditions.
  • 95.
    Characteristics of D.C.Series Motor i) Torque – Armature current Characteristics • In case of series motor the series field winding is carrying the entire armature current. So flux produced is proportional to the armature current. ф α Ia Hence Ta α ф Ia α Ia 2
  • 96.
    • Thus torquein case of series motor is proportional to the square of the armature current. This relation is parabolic in nature As load increases, armature current increases and torque produced increases proportional to the square of the armature current upto a certain limit. • As the entire Ia passes through the series field, there is a property of an electromagnet called saturation, may occur. Saturation means though the current through the winding increases, the flux produced remains constant. Hence after saturation the characteristics take the place of straight line as flux becomes constant, as shown. The difference between Ta and Tsh is loss torque Tf
  • 97.
    • At startas Ta αIa 2 , these types of motors can produce high torque for small amount of armature current hence the series motors are suitable for the applications which demand high starting torque. ii) Speed – Armature current characteristics • From the speed equation we get, N α (Eb/ф) ) α V – Ia Ra – Ia Rse)/ Ia as ф α Ia in case of series motor
  • 98.
    • Hence inthe speed equation, Eb ≈ Vand can be assumed constant. So speed equation reduced to, N α 1/Ia So speed-armature current characteristics is rectangular hyperbola type Fig. 2 iii) Speed – Torque characteristics • In case of series motors, T α Ia 2 and N α 1/Ia • Hence we can write, N α 1/√T
  • 99.
    • Thus astorque increases when load increases, the speed decreases. On no load, torque is very less and hence speed increases to dangerously high value. Thus the nature of the speed-torque characteristics is similar to the nature of the speed-armature current characteristics. Why Series Motor Is Never Started On No Load? • It is seen earlier that motor armature current is decided by the load. On light load or no load, the armature current drawn by the motor is very small. • In case of a d.c. series motor, ф α Ia and • on no load as Ia is small hence flux produced is also very small. • According to speed equation, N α 1/ф ……as Eb is almost constant.
  • 100.
    • So onvery light load or no load as flux is very small, the motor tries to run at dangerously high speed which may damage the motor mechanically. This can be seen from the speed-armature current and the speed-torque characteristics that on low armature current and low torque condition motor shows a tendency to rotate with dangerously high speed. • This is the reason why series motor should never be started on light loads or no load conditions. Foe this reason it is not selected for belt drives as breaking or slipping of belt causes to throw the entire load off on the motor and made to run motor with no load which is dangerous. Characteristics of D.C. Compound Motor • Compound motor characteristics basically depends on the fact whether the motor is cumulatively compound or differential compound. All the characteristics of the compound motor are the combination of the shunt and series characteristic.
  • 101.
    • Cumulative compoundmotor is capable of developing large amount of torque at low speeds just like series motor. However it is not having a disadvantages of series motor even at light or no load. The shunt field winding produces the definite flux and series flux helps the shunt field flux to increase the total flux level. • So cumulative compound motor can run at reasonable speed and will not run with dangerously high speed like series motor, on light or no load condition. • In differential compound motor, as two fluxes oppose each other, the resultant flux decreases as load increases, thus the machine runs at a higher speed with increase in the load. This property is dangerous as on full load, the motor may try to run with dangerously high speed. So differential compound motor is generally not used in practice. • The various characteristics of both the types of compound motors cumulative and the differential are shown in the Fig
  • 102.
    • The exactshape of these characteristics depends on the relative contribution of series and shunt field windings. If the shunt field winding is more dominant then the characteristics take the shape of the shunt motor characteristics. While if the series field winding is more dominant then the characteristics take the shape of the series characteristics.
  • 103.
    A DC Seriesmotor is running with a speed of 800RPM while taking a current of 20Afrom the supply. if the load is changed such that the current drawn by the motor is increased to 50A, calculate the speed of the motor on new load. The armature and field resistances are 0.2 and 0.3 Ω respectively. Assume flux produced is proportional to current and supply voltage is 250V.
  • 106.
    APPLICATIONS OF D.C.MOTORS Instead of just stating the applications, the behaviour of the various characteristics like speed, starting torque etc., which makes the motor more suitable for the applications,
  • 108.
    TRANSFORMERS The transformer isa static piece of apparatus by means of which an electrical power is transformed from one alternating current circuit to another with the desired change in voltage and current without any change in frequency. •Mutual induction states that when two coils are inductively coupled and if current in one coil changed uniformly then an e.m.f gets induced in the other coil. •The e.m.f can drive a current, when a closed path is provided to it. •Transformer consists of two inductive coils which are eclectically separated but linked thorough a common magnetic circuit. •The two coils have high mutual inductance. •One of the two coils is connected to a source of a.c voltage is called primary winding. •The other winding is connected to load the electrical energy is transferred to drive the load is called secondary winding. •There is no electrical contact between the two windings •The frequency of mutually induced e.m.f is same
  • 112.
    Constructional Details ofthe Transformer • Parts of the transformer 1. core: • It is made up of high grade silicon steel laminations. • Its function is to carry the flux. • Providing low reluctance. • “L” Shaped and “I” shaped laminations.
  • 113.
    1.1 Limb : •It is the vertical portion of the core • Function is to carry the windings 1.2 Yoke: • The top and bottom horizontal portion of the core • Function is to carry the flux produced by one winding to reach the other winding. • Providing low reluctance path to the flux 2. Windings: • The coils used are wound on the limbs and are insulated from each other. • The function of the windings is to carry the current and produce the flux necessary for the function of the transformer
  • 114.
    3. Conservator • Theoil in the transformer expands when temperature inside the transformer increases due to heat while it contracts when temperature decreases. • The function of the conservator is to take up the expansion and contraction of the oil without allowing it to come in contact with the ambient air. 4. Breather • transformers are not fully filled with oil and some space remains between the oil level and tank. • The tank is connected to atmosphere by vent pipe. • When oil expands air goes out while when oil contracts the air is taken in. • The breather is a device which extracts the moisture from the air • When the air is taken in and does not allow oil to come in contact with the moisture. • The breathers contains the silica gel crystals which immediately absorb the atmosphere moisture
  • 115.
    5. Explosion vent •It is a bent pipe fitted on the main tank which acts as a relief valve. • It uses non metallic diaphragm which bursts when pressure inside the transformer becomes excessive which release the pressure and protects the transformer 6. Buchholz Relay • It is a safety gas operated relay connected to transformer • When fault gets developed inside the transformer, the gases are released. • The buchholz relay is operated with these gases and trips the circuit breaker to protect the device
  • 116.
    Constructional Features: • Thecross section of the limb depends on the type of coil used either circular or rectangular. • To avoid high reluctance at the joint, the alternate layers are stacked differently to eliminate the joints. This is called staggering. The butt joints are staggered in alternate layers. • Avoid continuous air gap. • Reduce the magnetic circuit reluctance • Continuous air gap reduces the mechanical strength of the core. The staggering helps to increase the mechanical strength of the core
  • 117.
    Types of Windings •The coils are wound on the limbs and are insulated from each other. • The two windings are wound on two different limbs. • Due to leakge flux increases which increases which affects the transformer. • The windings should have very close to each other to have high mutual inductance. • Windings are split into number of coils and are wound and are adjacent to each other on same limb.
  • 118.
    Cylindrical Concentric Coils •Cylindricalcoils are used in core type transformer. •Coils are mechanically strong •Different layers are insulated from other by paper, cloth or mica •The LV winding is placed near the core
  • 119.
    Sandwich Coils •Each HVlies between two LV portions •Reduces leakage flux •Higher the degree of subdivision, smaller is the reluctance •The top and bottom coils are LV
  • 120.
    Construction of SinglePhase Transformer 1. Core Type 2. Shell Type 3. Berry Type Core Type Transformer •It is a single magnetic circuit. •Rectangular core having two limbs •The winding encircles the core •The coils used are cylindrical type •The coils are wound in helical layers with different layers insulated from each other by paper or mica •Both the coils are placed on both the limbs. •The LV coils coil is placed inside near the core while HV coils surrounds LV coil •Core made up of lare number of thin laminations •Windings are uniformly distributed over the two limbs. The natural cooling is more effective
  • 121.
    • Shell TypeTransformer • Double magnetic circuit. Three limbs • Both windings are placed central limb • Core encircles most part of the windings • The coils used are multilayer disc type or sandwich coils • Each HV coils is in between two LV coils and LV coils are nearest to top sand bottom of the yokes • The core is laminated, while arranging the laminations of the core all the joints at alternate layers are staggered.
  • 122.
    S.No Core TypeShell Type 1. The winding encircles the core The core encir4cles the most part of the windings 2. Cylindrical type of coils are used Sandwich coils are used 3. Core has two limbs Core has three limbs 4. Single magnetic circuit Double magnetic circuit 5. Preferred for LV transformers Preferred for HV transformers 6. Natural cooling is effective Natural cooling does not effective 7. Coils are easily removed from maintenance point of view Large number of laminations are required to be removed. This is difficult
  • 123.
    E.M.F Equation • Whenthe primary winding is excited by an a.c V1, it circulars alternating current, producing alternating flux(ϕ) • The flux ϕ linking the primary winding itself induces and e.m.f E1. This is self induced e.m.f • The flux links with secondary winding through common core produces induced e.m.f E2. This is mutually induced e.m.f
  • 124.
    Φ = flux Φm= Maximum Value of flux N1 = Number of Primary winding turns N2 = Number of secondary turns F = Frequency of the supply E1 =R.M.S value of the primary induced e.m.f E2 = R.M.S value of the Secondary induced e.m.f From Faradays law, Average e.m.f induced in each turn is proportional to the average rate of change of flux. Average e.m.f per turn = Average rate of change of flux = Completer cycle is 1/f seconds. In 1/4th time period the change in flux is from 0 to Φm
  • 125.
    Average e.m.f perturn = 4 f Φm as Φ is sinusoidal, induced e.m.f is also sinusoidal. There are N1 number of primary turns There are N2 number of secondary turns
  • 126.
    Ideal Transformer • Ithas no losses • Windings have zero resistance • Leakage flux is zero. i.e 100% flux produced by primary links with the secondary • Permeability of core is so high that negligible current is required to establish the flux in it. Rations of transformer: 1. Voltage Ratio: The ratio of secondary induced e.m.f to primary induced e.m.f is known as voltage transformation ratio(K)
  • 127.
    • If N2> N1 i.e., k>1, Step up transformer • If N1 > N2 i.e., k<1 step down transformer • N1 = N2 k=1 1:1 transformer or isolation transformer Current Rations: For ideal case. The product of primary voltage V1 and current I1 is same as secondary. V1I1 = Input VA V2I2 = Output VA V1I1 = V2I2 Full Load Currents: The full load primary and secondary currents indicate the safe maxi mum values of current, keeping the temperature rise below the limiting value
  • 128.
    A 100kVA, 3300V/240V,50Hz, Single phase transformer has 990 turns on the primary. Calculate the number of turns on secondary and the appropriate value of primary and secondary currents. Solution: Given: Transformation Ratio,
  • 129.
    The e.m.f perturn of a single phase 6.6kV, 440V, 50Hz transformer is approximately 12V. Calculate number of turns in the HV and LV windings and the net cross sectional area of the core for a maximum flux density of 1.5T Solution:
  • 130.
    Ideal Transformer onNo Load •The supply voltage V1 as it no load the secondary current I2 = 0 •The primary draws a current I1 used to produce flux in the core •This current is magnetizing current(Im) •The Im is small and lags V1 by 900 winding is purely inductive •The flux links both the winding producing E1 and E2 •The induced emf’s opposes the cause producing it V1 •E1 antiphase with V1 but equal magnitude •E2 also opposes V1 •E1 and E2 are in Phase. •Total power input is Zero. No losses. Power Factor is zero lagging
  • 131.
    Single-Phase Motors These motors,have output less than one horse-power or one kilowatt, hence are called fractional horse- power or fractional kilowatt motors. AC single-phase, fractional kilowatt motors perform variety of services in the homes, offices, business concerns, factories etc. Almost in all the domestic appliances such as refrigerators, fans, washing machines, hair driers, mixer grinders etc., only 1-phase induction motors are employed.
  • 132.
    Classification of Single-phaseMotors 1. Single-phase induction motors (i) split-phase type (ii) capacitor type (iii) Shaded-pole type 2. AC series motors or universal motors 3. Repulsion motors (i) Repulsion-start induction-run motors (ii) Repulsion-induction motors 4. Synchronous motors (i) Reluctance motors (ii) Hysteresis motors.
  • 133.
    Single-phase Induction Motors Asingle-phase induction motor is very similar to a 3- phase squirrel cage induction motor in construction. • Similar to 3-phase induction motor it consists of two main parts namely stator and rotor. 1. Stator: It is the stationary part of the motor. It has three main parts, namely. (i) Outer frame (ii) Stator core and (iii) Stator winding. (i) Outer frame: It is the outer body of the motor. Its function is to support the stator core and to protect the inner parts of the machine. • Usually, it is made of cost iron. • To place the motor on the foundation, feet are provided in the outer frame as shown
  • 134.
    (ii) Stator core: •The stator core is to carry the alternating magnetic field which produces hysteresis and eddy current losses. • To minimise these losses high grade silicon steel stampings are used to build core. • The stampings are assembled under hydraulic pressure and are keyed to the outer frame. • The stampings are insulated from each other by a thin varnish layer. • The thickness of the stamping usually varies from 0.3 to 0.5 mm. • Slots are punched on the inner periphery of the stampings to accommodate stator winding.
  • 135.
    (iii) Stator winding: •The stator core carries a single phase winding which is usually supplied from a single phase AC supply system. • The terminals of the winding are connected in the terminal box of the machine. • The stator of the motor is wound for definite number of poles, as per the need of speed.
  • 136.
    2. Rotor: Itis the rotating part of the motor. • A squirrel cage rotor is used in single phase induction motors.
  • 137.
    • It consistsof a laminated cylindrical core of some high quality magnetic material. • Semi-closed circular slots are punched at the outer periphery. • Aluminium bar conductors are placed in these slots and short circuited at each end by aluminium rings, called short circuiting rings • Thus, the rotor winding is permanently short circuited.
  • 138.
    The rotor slotsare usually not parallel to the shaft but are skewed. Skewing of rotor has the following advantages: (a) It reduces humming thus ensuring quiet running of a motor (b) It results in a smoother torque curves for different positions of the rotor (c) It reduces the magnetic locking of the stator and rotor (d) It increases the rotor resistance due to the increased length of the rotor bar conductors.
  • 139.
    Nature of FieldProduced in Single Phase Induction Motors
  • 142.
    Torque Produced bySingle-phase Induction Motor
  • 143.
    • The tworevolving fields will produce torques in opposite directions. Let the two revolving fields be field No. 1 and field No. 2 revolving in clockwise and anticlockwise direction. • The clockwise field produces torque in clockwise direction, whereas, the anticlockwise field produces torque in anticlockwise direction. • The clockwise torque is plotted as positive and anticlockwise as negative. • At stand still, slip for both fields is one. At synchronous speed, for clockwise direction, the field-1 will give condition of zero slip but it will give slip = 2 for field No. 2. • At synchronous speed in a counter clockwise direction, will give condition of zero slip for field -2 but slip = 2 for field No. 1. • The resultant torque developed in the rotor is shown by the curve passing through zero position as shown in Fig. 11.4.
  • 144.
    • The resultanttorque it is observed that the starting torque (torque at slip = 1) is zero. And except at starting there is always some magnitude of resultant torque, • At position 1-1’, the torque developed by field-1 is dominating, therefore, motor will pick-up the speed in clockwise direction. • At position 2-2’, the torque developed by field-2 is dominating, therefore, motor will pick-up the speed in anti-clockwise direction). • This shows that if this type of motor is once started (rotated) in either direction it will develop torque in that direction and rotor will pick-up the required speed.
  • 145.
    • The aboveanalysis shows that single phase induction motor with single winding develops no starting torque • but if the rotor is rotated in any direction by some auxiliary means in will develop torque in the same direction and will start rotating in that direction. • So the problem is to find out the auxiliary means to give the starting torque to the motor.
  • 146.
    Methods to makeSingle-phase Induction Motor Self-starting • A single-phase induction motor inherently is not self-starting. • To make it self-starting, some method is required to be evolved to produce a revolving magnetic field in the stator core. • This may be obtained by converting a single-phase supply into two-phase supply which can be achieved by using an additional winding (this additional winding may be or may not be disconnected once the motor starts and picks- up the speed) or by creating another field (by induction) using a short circuiting band or ring. • Accordingly, depending upon the method used to make a 1-phase induction • motor self-starting, single-phase induction motors can be classified as: 1. Split-phase motors: These motors are started by employing two-phase motor action through the use of an auxiliary winding called starting winding. 2. Capacitor motors: These motors are started by employing two-phase motor action through the use of an auxiliary winding with capacitor. 3. Shaded-pole motors: These motors are started by the interaction of the field produced by a shading band or short circuiting ring placed around a portion of the pole structure.
  • 148.
  • 150.
    The direction ofrotation of a 1-phase (split phase) induction motor can be reversed by reversing (interchanging) the connections of either starting winding or running winding.
  • 151.
  • 152.
  • 154.
    Performance and characteristics: Speedis almost constant with in 5% slip. This type of motor develops high starting torque about 4 to 5 times the full load torque. It draw low starting current. The direction of rotation can be changed by interchanging the connection of either starting or running winding.
  • 156.
    Capacitor run motors(fan motors): • A paper capacitor is permanently connected in the starting winding. In this case, electrolytic capacitor cannot be used since this type of capacitor is designed only for short time rating and hence cannot be permanently connected in the winding. • Both main as well as starting winding is of equal rating. Performance and characteristics. • Starting torque is lower about 50 to 100% of full load torque. • Power factor is improved may be about unity. Efficiency is improved to about 75%.
  • 158.
    Capacitor start andcapacitor run motors • In this case, two capacitors are used one for starting purpose and other for running purpose. • For starting purpose an electrolytic type capacitor (Cs) is used which is disconnected from the supply when the motor attains 75% of synchronous speed with the help of centrifugal switch S. • Whereas, a paper capacitor CR is used for running purpose which remains in the circuit of starting winding during running conditions. • This type of motor gives best running and starting operation. • Starting capacitor CS which is of higher value than the value of running capacitor CR.
  • 159.
    Performance and characteristics: •Such motors operate as two phase motors giving best performance and noiseless operation. • Starting torque is high, starting current is low and give better efficiency and higher p.f. • The only disadvantage is high cost.
  • 160.
    Shaded Pole Motor Construction •Shaded pole motor is constructed with salient poles in stator. • Each pole has its own exciting winding • A 1/3rd portion of each pole core is surrounded by a copper strip forming a closed loop called the shading band • Rotor is usually squirrel cage type.
  • 162.
    • When asingle phase supply is given to the stator (exciting) winding, it produces alternating flux. • When the flux is increasing in the pole, a portion of the flux attempts to pass through the shaded portion of the pole. • This flux induces an emf and hence current in the shading band or copper ring. • As per Lenz’s law the direction of this current is such that it opposes the cause which produces it i.e., increase of flux in shaded portion. Hence in the beginning, the greater portion of flux passes through unshaded side of each pole and resultant lies on unshaded side of the pole.
  • 163.
    • When theflux reaches its maximum value, its rate of change is zero, thereby the emf and hence current in the shading coil becomes zero. • Flux is uniformly distributed over the pole face and the resultant field lies at the centre of the pole. • After this the main flux tends to decrease, the emf and hence the current induced in the shading coil now tends to increase the flux on the shaded portion of the pole and resultant lies on the shaded portion of the pole • Hence, a revolving field is set up which rotates from unshaded portion of the pole to the shaded portion of the pole as marked by the arrow head • Thus, by electromagnetic induction, a starting torque develops in the rotor and the rotor starts rotating. • After that its rotor picks up the speed.
  • 166.
    Split Phase Capacitor Start Capacitorrun Capacitor start and run Shaded pole Characteristi cs Low and medium starting torque High Starting torque Medium torque High starting torque Low starting torqu Starting torque 100% to 250% of rated value 250% to 400% of rated value 100% to 200% of rated value 200% to 300% of rated value 40% to 60% of rated value Braking torque Upto 300% Upto 350% Upto 250% Upto 250% Upto 10% Power factor 0.5 to 0.65 0.5 to 0.65 0.75 to 0.9 0.75 to 0.9 0.25 to 0.4 Efficiency 55% to 65% 55% to 65% 60% to 70% 60% to 70% 25% to 40% Rating 0.5 to 1 HP 0.125 to 1 HP 0.125 to 1 HP 0.125 to 1 HP Upto 40W Applications Fans, blowers, Centrifugal pumps, washing machines Compressors, Pumps, Conveyors, Refrigerators, AC and Washing Machines Fans, blowers, Centrifugal pumps, Compressors, Pumps, Conveyors, Refrigerators Fans, turn Tables, Hair driers, Motion picture projectors, Blowers,