Embed presentation
Download to read offline




















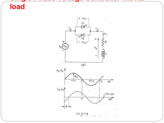
This document discusses different types of AC voltage controllers and cycloconverters. It covers the principles of phase control and integral cycle control. It also examines single-phase voltage controllers with R and RL loads as well as three-phase AC voltage controllers with star and delta loads. The document focuses on the operation and applications of various AC voltage controllers and cycloconverters in power electronics.



















