Of Bangladesh
Introduction
Submitted By:
Name:……..
Id:…………
 Dept. of EEE
Submitted To:
 …………..
….
 Advisor,Dept. Of
EEE
THREE PHASE
TRANSFORMERS
Three Phase Transformers
• Almost all major generation & Distribution Systems in the
world are three phase ac systems
• Three phase transformers play an important role in these
systems
• Transformer for 3 phase is either:
(a) constructed from 3 single phase transformers, or
(b) another approach is to employ a common core for
the three sets of windings of the three phases
• There is an advantage of bank of three single phase that
each unit in the bank could be replaced individually in the
event of a fault, however this does not outweigh the other
advantages of combined 3 ph. unit
• The construction of a single three phase
transformer is preferred today, it is lighter,
smaller, cheaper and slightly more efficient.
Disadvatages
• Difficult to handle, ship and set in place for
operation
• Difficult and costly to repair
Three Phase Transformers
A three-phase transformer is made of three sets of primary and
secondary windings, each set wound around one leg of an iron core
assembly. Essentially it looks like three single-phase transformers
sharing a joined core as in Figure.
Three phase transformer core has three sets of windings.
Those sets of primary and secondary windings will be connected in
either Δ or Y configurations to form a complete unit. The various
combinations of ways that these windings can be connected together in
will be the focus of this section.
Three Phase Transformers
• How the core of compact three phase is built
• φa+φb+φc=0 and central leg can be removed
Three Phase Transformers
• The two constructions
Three Phase Transformers
• 3 phase transformer connections
• The windings of primary and secondary (in any
construction) can be connected in either a wye (Y) or
delta (Δ)
• This provides a total of 4 possible connections for 3
phase transformer (if Neutral is not grounded):
(a) Wye-wye Y-Y
(b) Wye-delta Y-Δ
(c) Delta-wye Δ-Y
(d) Delta-Delta Δ-Δ
Primary - Secondary
Y - Y
Y - Δ
Δ - Y
Δ - Δ
The reasons for choosing a Y or Δ configuration
for transformer winding connections are the
same as for any other three-phase application: Y
connections provide the opportunity for multiple
voltages, while Δ connections enjoy a higher
level of reliability (if one winding fails open, the
other two can still maintain full line voltages to
the load).
Three Phase Transformers
WYE-WYE connection-economical for small rating, high
voltage transformers as the no. of turns per phase and amount
of insulation required is less.
• In Y-Y connection, primary voltage on each phase is
VφP=VLP/√3
• Primary phase voltage is related to secondary phase voltage by
turns ratio of transformer
• Phase voltage of secondary is related to Line voltage of
secondary by VLS=√3 VφS
• Overall the voltage ratio of transformer is:
Three Phase Transformers
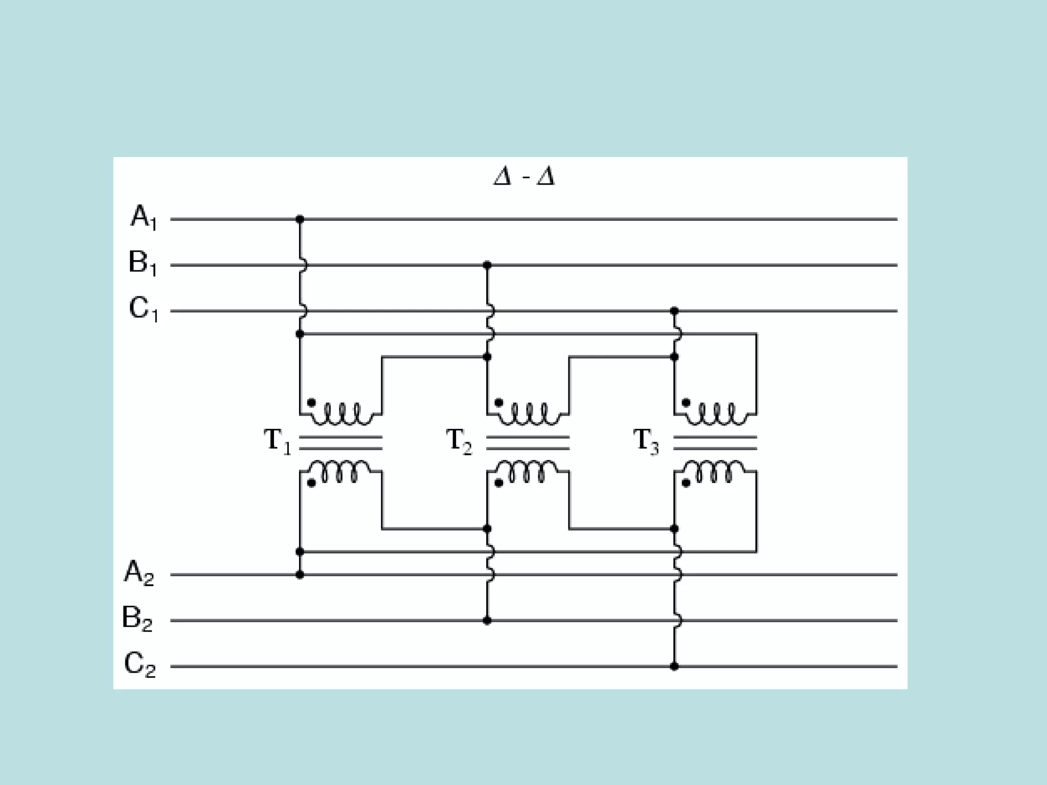
Δ- Δ Connection
• In Δ-Δ connection VLP= VφP and VLS= VφS
• Voltage ratio : VLP/VLS= VφP / VφS =a Δ-Δ
• This configuration has no phase shift and
there is no concern about unbalanced loads.
• Used in systems which carry large currents on
low voltages and where continuity of service
is to be maintained even when one of the
phase develop fault.
• Less conductor reqd. as I φ P=ILP/√3
Three Phase Transformers
• WYE-DELTA CONNECTION
• Such connections are used where voltage is to be
stepped down, e.g.at the end of transmission line.
• The neutral of primary winding is earthed.
• Y; VLP=√3 VφP, while : for Δ; VLS= VφS
• Voltage ratio of each phase : VφP/ VφS=a
• VLP/ VLS= √3 VφP/ VφS= √3 a Y-Δ
• This configuration causes secondary voltage to be
shifted 30◦ relative to primary voltage
Three Phase Transformers
• WYE-DELTA CONNECTION
• Neutral of primary winding is earthed
• Saving in insulation on primary side as insulation
is stressed to 57.7% of line voltage
• Y-Δ doesn’t have shortcomings of Y-Y regarding
generation of third harmonic voltage since the Δ
provide a circulating path for 3rd Harmonic
• Y-Δ is more stable w.r.t. unbalanced loads, since
Δ partially redistributes any imbalance that
occurs
• This configuration causes secondary voltage to
be shifted 30◦ relative to primary voltage
Three Phase Transformers
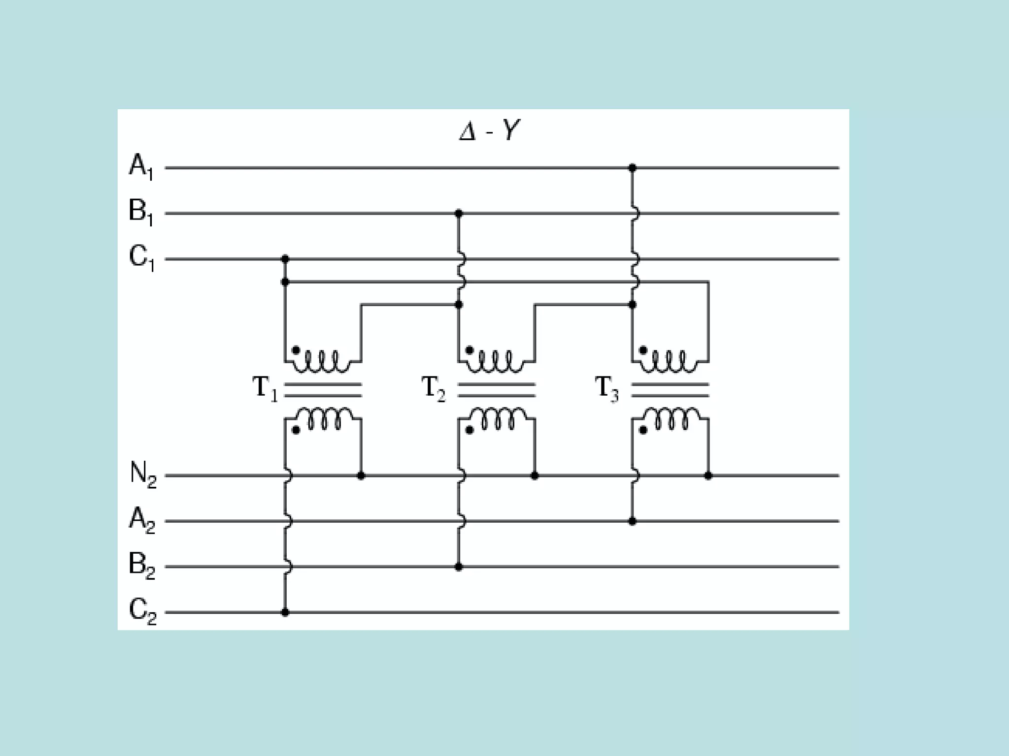
Δ-Y Connection
• In Δ-Y primary line voltage is equal to primary
phase voltage VLP=VφP, in secondary VLS=√3VφS
• Line to line voltage ratio ;
• VLP/ VLS = VφP/ [√3 VφS ]=a/√3 Δ-Y
• This connection has the same advantages &
phase shifts as Y- Δ
• And Secondary voltage lags primary voltage by
30◦ with abc phase sequence
Such connections are used where it is
necessary to step-up the voltage, e.g. at the
beginning of h.v. transmission line.
Popular in distribution system because it
can serve both the three phase power
equipment and the single phase lightning
circuits.

THREE PHASE TRANSFORMERS

  • 1.
  • 2.
    Introduction Submitted By: Name:…….. Id:…………  Dept.of EEE Submitted To:  ………….. ….  Advisor,Dept. Of EEE
  • 3.
  • 4.
    Three Phase Transformers •Almost all major generation & Distribution Systems in the world are three phase ac systems • Three phase transformers play an important role in these systems • Transformer for 3 phase is either: (a) constructed from 3 single phase transformers, or (b) another approach is to employ a common core for the three sets of windings of the three phases • There is an advantage of bank of three single phase that each unit in the bank could be replaced individually in the event of a fault, however this does not outweigh the other advantages of combined 3 ph. unit
  • 5.
    • The constructionof a single three phase transformer is preferred today, it is lighter, smaller, cheaper and slightly more efficient. Disadvatages • Difficult to handle, ship and set in place for operation • Difficult and costly to repair
  • 6.
    Three Phase Transformers Athree-phase transformer is made of three sets of primary and secondary windings, each set wound around one leg of an iron core assembly. Essentially it looks like three single-phase transformers sharing a joined core as in Figure. Three phase transformer core has three sets of windings. Those sets of primary and secondary windings will be connected in either Δ or Y configurations to form a complete unit. The various combinations of ways that these windings can be connected together in will be the focus of this section.
  • 7.
    Three Phase Transformers •How the core of compact three phase is built • φa+φb+φc=0 and central leg can be removed
  • 8.
    Three Phase Transformers •The two constructions
  • 9.
    Three Phase Transformers •3 phase transformer connections • The windings of primary and secondary (in any construction) can be connected in either a wye (Y) or delta (Δ) • This provides a total of 4 possible connections for 3 phase transformer (if Neutral is not grounded): (a) Wye-wye Y-Y (b) Wye-delta Y-Δ (c) Delta-wye Δ-Y (d) Delta-Delta Δ-Δ
  • 10.
    Primary - Secondary Y- Y Y - Δ Δ - Y Δ - Δ The reasons for choosing a Y or Δ configuration for transformer winding connections are the same as for any other three-phase application: Y connections provide the opportunity for multiple voltages, while Δ connections enjoy a higher level of reliability (if one winding fails open, the other two can still maintain full line voltages to the load).
  • 11.
    Three Phase Transformers WYE-WYEconnection-economical for small rating, high voltage transformers as the no. of turns per phase and amount of insulation required is less. • In Y-Y connection, primary voltage on each phase is VφP=VLP/√3 • Primary phase voltage is related to secondary phase voltage by turns ratio of transformer • Phase voltage of secondary is related to Line voltage of secondary by VLS=√3 VφS • Overall the voltage ratio of transformer is:
  • 13.
    Three Phase Transformers Δ-Δ Connection • In Δ-Δ connection VLP= VφP and VLS= VφS • Voltage ratio : VLP/VLS= VφP / VφS =a Δ-Δ • This configuration has no phase shift and there is no concern about unbalanced loads. • Used in systems which carry large currents on low voltages and where continuity of service is to be maintained even when one of the phase develop fault. • Less conductor reqd. as I φ P=ILP/√3
  • 15.
    Three Phase Transformers •WYE-DELTA CONNECTION • Such connections are used where voltage is to be stepped down, e.g.at the end of transmission line. • The neutral of primary winding is earthed. • Y; VLP=√3 VφP, while : for Δ; VLS= VφS • Voltage ratio of each phase : VφP/ VφS=a • VLP/ VLS= √3 VφP/ VφS= √3 a Y-Δ • This configuration causes secondary voltage to be shifted 30◦ relative to primary voltage
  • 16.
    Three Phase Transformers •WYE-DELTA CONNECTION
  • 17.
    • Neutral ofprimary winding is earthed • Saving in insulation on primary side as insulation is stressed to 57.7% of line voltage • Y-Δ doesn’t have shortcomings of Y-Y regarding generation of third harmonic voltage since the Δ provide a circulating path for 3rd Harmonic • Y-Δ is more stable w.r.t. unbalanced loads, since Δ partially redistributes any imbalance that occurs • This configuration causes secondary voltage to be shifted 30◦ relative to primary voltage
  • 18.
    Three Phase Transformers Δ-YConnection • In Δ-Y primary line voltage is equal to primary phase voltage VLP=VφP, in secondary VLS=√3VφS • Line to line voltage ratio ; • VLP/ VLS = VφP/ [√3 VφS ]=a/√3 Δ-Y • This connection has the same advantages & phase shifts as Y- Δ • And Secondary voltage lags primary voltage by 30◦ with abc phase sequence
  • 20.
    Such connections areused where it is necessary to step-up the voltage, e.g. at the beginning of h.v. transmission line. Popular in distribution system because it can serve both the three phase power equipment and the single phase lightning circuits.