THAKRAL COLLEGE OF
TECHNOLOGY
ACKNOWLEDGEMENT
It is a privilege to express our deep sense of gratitude to our guide Mr. Amit
Shrivastav, Department of Electrical & electronics Engineering, TCT, Bhopal, M.P.
for his constant encouragement, valuable guidance and benevolent help, which was of
greatest support to bring this work in its present shape. This work is the result of
inspiration, support, guidance, motivation, cooperation and facilities that were
extended to us at their best at all levels. The discussion with them regarding various
issues of our project has been very beneficial and gave us a new direction of thinking.
All these discussions have indeed played a vital role in progress of our work at many
critical points during my endeavor.
We are highly indebted to Mr. AMIT SHRIVASTAV, Head, Department of Electrical
& Electronics Engineering, TCT, Bhopal for providing us all the necessary facilities
and guidance.
We are thankful to our faculties for their valuable lectures in
Microcontroller , Energy conservation & management, switch gear and
EDC etc. which helped us in designing this project. We would also like
to acknowledge ones, who, from behind the scenes have contributed
their ideas and energies.
VYOMESH UPADHYAY
0126EX101066
- 1 -
ABSTRACT
Intelligent Energy Saving System can be used in places like where lighting is
very important. The libraries will be well illuminated with many lamps. When people
are not present at a reading place the lighting can be made OFF and when they are
present, the lighting made ON. All these can be done through by Dimming circuit and
PIR sensor.
If a person entering to the monitored area, the PIR sensors activates and sense
the person, gives to the micro controller. The Infrared energy emitted from the living
body is focused by a Fresnel lens segment. Then only the PIR sensor activates. After
sensing the person LDR checks the light intensity of the monitored area, whether it
is bright or dark. Depending on the LDR output, the lamp may be ON / OFF by using
Dimmer circuit.
By using this system we can adjust the speed of Fan according to the room
temperature measured by Thermostat, which is connected to the micro controller.
To display the room temperature of PIR mode operation we are using the LCD
display.
- 2 -
INDEX
1. INTRODUCTION
1.1 Objective of the Project
1.2 Block Diagram
1.3 Pinciple Of Operation
1.4 System Features
1.5 Equipments
2. DESCRIPTION OF THE PROJECT
2.1 Block Diagram Description
2.2 Schematic Diagrams
2.3 Schematic Explanation
3. HARDWARE DESCRIPTION
3.1 Microcontroller (ATMEGA 8A)
3.2 Passive Infrared Sensor
3.3 Light Dependent Resistor
3.4 LM 324
3.5 ULN 2003
3.6 Potentiometer
3.7 LM 7805
4. SOWFTWARE DESCRIPTION
4.1 Source Code
5. RESULT
6. CONCLUSION AND FUTURE DIRECTIONS
BIBLIOGRAPHY
- 3 -
LIST OF FIGURES
1. Block Diagram
2. Schematic Diagram
3. Architecture 0f atmega8bA
4. Pin Diagram of atmega8bA
5. Operation of PIR Diagram
6. Operation of LDR Diagram
7. Operation of LM 324 Diagram
8. Operation of ULN 2003 Diagram
9. Operation of Potentiometer Diagram
10.Operation of LM 7805 Diagram
- 4 -
INTRODUCTION
Intelligent Energy Saving System, the aim of the project is to save the
energy. In this project we are using various sensors, controlling and display.
However, in this project work the basic signal processing of various
parameters which are temperature, LDR, for measuring various parameters values,
various sensors are used and the output of these sensors are converted to control the
parameters. The control circuit is designed using micro-controller. The outputs of all
the two parameters are fed to micro-controller. This relay energizes and de-energizes
automatically according to the condition of the parameter.
1.1 OBJECTIVE OF THE PROJECT: -
The aim of the project is to save the energy or power, used in places like
libraries where lighting is very important for the people who come to read books. So,
the libraries will be well illuminated with many lamps.
At the same time when people are not present at a particular reading place the
lighting can be made off by using relay and when people come to that area, according
to the LDR lighting can be made sufficiently brighter.
- 5 -
1.2 PRINCIPLE OF OPERATION
Consider a particular table in the library, which is connected with our
experimental kit .When a person entering into that place the PIR sensor absorbs the
black body radiation emitted by that person and activates it. The LCD display will
displays the “PIR ON”.
After some time delay the light will glows for some time by using the Dimmer
circuit and with the help of LDR sensor it checks the room lightening , and it takes the
condition when the light is sufficient the lamp will be in OFF state and when light is
insufficient the lamp will be in ON state.
When a person is leaving that place, the PIR sensor will activate again and
firstly the Fan will be OFF and after some time delay the lamp also will be OFF.. And
the main supply power will be switched OFF.
- 6 -
1.3 BLOCK DIAGRAM:
1.
- 7 -
MICROCONTRMICROCONTR
OLLEROLLER
ATMEGA 8AATMEGA 8A
MICROCONTRMICROCONTR
OLLEROLLER
ATMEGA 8AATMEGA 8A
PIRPIR
MOTIONMOTION
SENSORSENSOR
PIRPIR
MOTIONMOTION
SENSORSENSOR
LDRLDR
CIRCUITCIRCUIT
LDRLDR
CIRCUITCIRCUIT
FANFAN
LOADLOAD
FANFAN
LOADLOAD
POWER
SUPPLY
POWER
SUPPLY
RELAYRELAYRELAYRELAY
RELAYRELAYRELAYRELAY
LAMPLAMP
LOADLOAD
LAMPLAMP
LOADLOAD
4 System Features:
• Easy operation
• Convenient
• Affordable
Required Skills:
• Understanding of Micro controller
• Embedded C Programming
• Understanding Interfacing Techniques
• Knowledge on Sensors
• Design and Fabrication of PCB
Project phase: -
• Schematic design and drawing of PCB
• Design and Interfacing Circuits for Micro controller
• Preparation of PCB
• Assembling and Testing of Interfacing Circuits
• Code for the Application
• Debugging and Testing
• Project Report
- 8 -
1.4 EQUIPMENTS: -
 Printed Circuit Board
 Micro controller à atmega8A
 5V, 12V Dc Power supply
 IR sensor à Passive Infrared Sensor
 LDR à Light Dependent Resistor
 Relay 12V
 LM324
 IC 7805
 ULN 2003
 Potentiometer
 Lamp
 Fan
- 9 -
DESCRIPTION OF THE PROJECT
2.1 BLOCK DIAGRAM EXPLANATION: -
PIR SENSOR: -
A PIR detector is a motion detector that senses the heat emitted by a
living body. These are often fitted to security lights so that they will switch on
automatically if approached. They are very effective in enhancing home security
systems.
The sensor is passive because, instead of emitting a beam of light or
microwave energy that must be interrupted by a passing person in order to “sense”
that person, the PIR is simply sensitive to the infrared energy emitted by every living
thing. When an intruder walks into the detector’s field of vision, the detector “sees” a
sharp increase in infrared energy.
LDR: -
LDR’s or Light Dependent Resistors are very useful especially in
light/dark sensor circuits. These help in automatically switching ON /OFF the street
lights and etc., normally the resistance of an LDR is very high, sometimes as very
high as 1000000 ohms, but when they are illuminated with light, resistance drop
dramatically. Electronic opto sensors are the devices that alter their electrical
characteristics, in the presence of visible or invisible light. The best-known devices of
- 10 -
these types are the light dependent resistor (LDR), the photo diode and the
phototransistors.
RELAY
A relay is an electrically operated switch. Many relays use an electromagnet to
operate switching operation mechanically.
It is 5 terminal device consisting of 1 coil.
When coil is enerzised then a slit is moves from one point to another point
LM324
LM324 is a 14pin IC consisting of four independent operational amplifiers (op-
amps) compensated in a single package. Op-amps are high gain electronic
voltage amplifier with differential input and, usually, a single-ended output.
The output voltage is many times higher than the voltage difference between
input terminals of an op-amp.
These op-amps are operated by a single power supply LM324 and need for a
dual supply is eliminated. They can be used as amplifiers, comparators,
oscillators, rectifiers etc. The conventional op-amp applications can be more
easily implemented with LM324.
POTENTIOMETER
The humble potentiometer (or pot, as it is more commonly known) is a simple electro-
mechanical transducer. It converts rotary or linear motion from the operator into a
change of resistance, and this change is (or can be) used to control anything from the
volume of a hi-fi system to the direction of a huge container ship.
The pot as we know it was originally known as a rheostat (or reostat in some texts) -
essentially a variable wirewound resistor. The array of different types is now quite
astonishing, and it can be very difficult for the beginner (in particular) to work out
which type is suitable for a given task. The fact that quite a few different pot types can
all be used for the same task makes the job that much harder - freedom of choice is at
best confusing when you don't know what the choices actually are, or why you should
make them. This article is not about to cover every aspect of pots, but is an
introduction to the subject. For anyone wanting to know more, visit manufacturers'
web sites, and have a look at the specifications and available types.
- 11 -
The very first variable resistors were either a block of carbon (or some other resistive
material) with a sliding contact, or a box full of carbon granules, with a threaded
screw to compress the granules. More compression leads to lower resistance, and vice
versa. These are rare in modern equipment, so we shall limit ourselves to the more
common types
IC 7805
IC 7805 is a 5v voltage regulator that restricts the voltage output to 5v. It
is a member of 78xx series of fixed linear voltage regulator ICs.
Genraly it is used for the protection of ICs and other electronic elements
because it works on under 5v. if supply is more than 5v so it can harm to
the microcontroller.
ULN 2003
1.SEVEN DARLINGTONS PER PACKAGE OUTPUT CURRENT 500mA PER
DRIVER
2.(600mA PEAK) .OUTPUT VOLTAGE 50V INTEGRATED SUPPRESSION
DIODES FOR
3.INDUCTIVE LOADS OUTPUTS CAN BE PARALLELED FOR
4.HIGHER CURRENT .TTL/CMOS/PMOS/DTL COMPATIBLE INPUTS
INPUTS PINNED OPPOSITE OUTPUTS TO
SIMPLIFY LAYOUT
LOAD
In this intelligent energy saving system we are using two loads, lamp and Fan.
According to the light intensity of the particular room or cabin the LDR will senses,
depending on the LDR output the lamp will be ON/OFF. This system is only
applicable for lamps and not applicable for tube lights, because the starting voltage of
the tube lights is high compared to lamps.
- 12 -
.2 SCHEMATIC DIAGRAM: -
- 13 -
HARDWARE DESCRIPTION
MICROCONTROLLER-ATMEGA-8A
Features
• High-performance, Low-power Atmel® AVR® 8-bit Microcontroller
• Advanced RISC Architecture
– 130 Powerful Instructions – Most Single-clock Cycle Execution
– 32 x 8 General Purpose Working Registers
– Fully Static Operation
– Up to 16MIPS Throughput at 16MHz
– On-chip 2-cycle Multiplier
• High Endurance Non-volatile Memory segments
– 8KBytes of In-System Self-programmable Flash program memory
– 512Bytes EEPROM
– 1KByte Internal SRAM
– Write/Erase Cycles: 10,000 Flash/100,000 EEPROM
– Data retention: 20 years at 85C/100 years at 25C(1)
– Optional Boot Code Section with Independent Lock Bits
• In-System Programming by On-chip Boot Program
• True Read-While-Write Operation
– Programming Lock for Software Security
• Atmel QTouch® library support
– Capacitive touch buttons, sliders and wheels
– Atmel QTouch and QMatrix acquisition
– Up to 64 sense channels
• Peripheral Features
– Two 8-bit Timer/Counters with Separate Prescaler, one Compare Mode
– One 16-bit Timer/Counter with Separate Prescaler, Compare Mode, and
Capture Mode
– Real Time Counter with Separate Oscillator
– Three PWM Channels
– 8-channel ADC in TQFP and QFN/MLF package
• Eight Channels 10-bit Accuracy
- 14 -
– 6-channel ADC in PDIP package
• Six Channels 10-bit Accuracy
– Byte-oriented Two-wire Serial Interface
– Programmable Serial USART
– Master/Slave SPI Serial Interface
– Programmable Watchdog Timer with Separate On-chip Oscillator
– On-chip Analog Comparator
• Special Microcontroller Features
– Power-on Reset and Programmable Brown-out Detection
– Internal Calibrated RC Oscillator
– External and Internal Interrupt Sources
– Five Sleep Modes: Idle, ADC Noise Reduction, Power-save, Power-down,
and Standby
• I/O and Packages
– 23 Programmable I/O Lines
– 28-lead PDIP, 32-lead TQFP, and 32-pad QFN/MLF
• Operating Voltages
– 2.7 - 5.5V
– 0 - 16MHz
• Power Consumption at 4MHz, 3V, 25C
– Active: 3.6mA
– Idle Mode: 1.0mA
PIN DIAGRAM
- 15 -
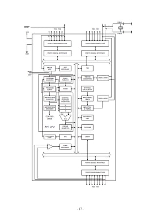
ARCHITECTURE
- 16 -
- 17 -
3.2 PASSIVE INFRARED SENSOR (PIR): -
A PIR detector is a motion detector that senses the heat emitted by a living
body. These are often fitted to security lights so that they will switch on automatically
if approached. They are very effective in enhancing home security systems.
The sensor is passive because, instead of emitting a beam of light or
microwave energy that must be interrupted by a passing person in order to “sense”
that person, the PIR is simply sensitive to the infrared energy emitted by every living
thing. When an intruder walks into the detector’s field of vision, the detector “sees” a
sharp increase in infrared energy.
A PIR sensor light is designed to turn on when a person approaches, but will
not react to a person standing still. The lights are designed this way. A moving person
exhibits a sudden change in infrared energy, but a slower change is emitted by a
motionless body. Slower changes are also caused by gradual fluctuations in the
temperature of the environment. If the light were sensitive to these slower changes, it
would react to the sidewalk cooling off at night, instead of the motion of a burglar.
If you have a PIR light, you may notice that it is more sensitive on cold days
than on warm days. This is because the difference in temperature between the ambient
air and the human body is greater on cold days, making the rise in temperature easier
for the sensor to detect. This has drawbacks, though; if the sensor is too sensitive, it
will pick up things you don’t want it to such as the movement of small animals.
Passive infrared sensor is an electronic device, which measures infrared light
radiating from objects in its field of view. PIRs are often used in the construction of
PIR-based motion detectors. Apparent motion is detected when an infrared source
with one
temperature, such as a human, passes in front of an infrared source with another
temperature, such as a wall.
- 18 -
All objects emit what is known as black body radiation. This energy is
invisible to the human eye but can be detected by electronic devices designed for such
a purpose. The term 'Passive' in this instance means the PIR does not emit energy of
any type but merely accepts incoming infrared radiation.
Infrared radiation enters through the front of the sensor, known as the sensor
face. At the core of a PIR is a solid state sensor or set of sensors, made from
approximately 1/4 inches square of natural or artificial pyroelectric materials, usually
in the form of a thin film, out of gallium nitride (GaN), caesium nitrate (CsNO3),
polyvinyl fluorides, derivatives of phenylpyrazine, and cobalt phthalocyanine. (See
pyroelectric crystals.) Lithium tantalate (LiTaO3) is a crystal exhibiting both
piezoelectric and pyroelectric properties.
The sensor is often manufactured as part of an integrated circuit and may
consist of one (1), two (2) or four (4) 'pixels' of equal areas of the pyroelectric
material. Pairs of the sensor pixels may be wired as opposite inputs to a differential
amplifier. In such a configuration, the PIR measurements cancel each other so that the
average temperature of the field of view is removed from the electrical signal; an
increase of IR energy across the entire sensor is self-cancelling and will not trigger the
device. This allows the device to resist false indications of change in the event of
being exposed to flashes of light or field-wide illumination. (Continuous bright light
could still saturate the sensor materials and render the sensor unable to register further
information.)
At the same time, this differential arrangement minimizes common-mode
interference; this allows the device to resist triggering due to nearby electric fields.
However, a differential pair of sensors cannot measure temperature in that
configuration and therefore this configuration is specialized for motion detectors.
In a PIR-based motion detector, the PIR sensor is typically mounted on a
printed circuit board, which also contains the necessary electronics required to
interpret the signals from the chip. The complete circuit is contained in a housing,
which is then mounted in a location where the sensor can view the area to be
- 19 -
monitored. Infrared energy is able to reach the sensor through the window because the
plastic used is transparent to infrared radiation (but only translucent to visible light).
This plastic sheet prevents the introduction of dust and insects, which could obscure
the sensor's field of view.
OPERATION OF PIR SENSOR:
A few mechanisms have been used to focus the distant infrared energy onto
the sensor surface. The window may have Fresnel lenses molded into it. Alternatively,
sometimes PIR sensors are used with plastic segmented parabolic mirrors to focus the
infrared energy; when mirrors are used, the plastic window cover has no Fresnel
lenses molded into it. A filtering window (or lens) may be used to limit the
wavelengths to 8-14 micrometers, which is most sensitive to human infrared radiation
(9.4 micrometers being the strongest).
The PIR device can be thought of as a kind of infrared ‘camera’, which
remembers the amount of infrared energy focused on its surface. Once power is
applied to the PIR the electronics in the PIR shortly settle into a quiescent state and
energize a small relay. This relay controls a set of electrical contacts, which are
usually connected to the detection input of an alarm control panel. If the amount of
infrared energy focused on the sensor changes within a configured time period, the
device will switch the state of the alarm output relay. The alarm output relay is
typically a "normally closed (NC)" relay; also know as a "Form B" relay.
A person entering the monitored area is detected when the infrared energy
emitted from the intruder's body is focused by a Fresnel lens or a mirror segment and
overlaps a section on the chip, which had previously been looking at some much
cooler part of the protected area. That portion of the chip is now much warmer than
when the intruder wasn't there. As the intruder moves, so does the hot spot on the
surface of the chip. This moving hot spot causes the electronics connected to the chip
to de-energize the relay, operating its contacts, thereby activating the detection input
on the alarm control panel. Conversely, if an intruder were to try to defeat a PIR
perhaps
- 20 -
By holding some sort of thermal shield between himself and the PIR, a corresponding
'cold' spot moving across the face of the chip will also cause the relay to de-energize
unless the thermal shield has the same temperature as the objects behind it.
Manufacturers recommend careful placement of their products to prevent false
alarms. They suggest mounting the PIRs in such a way that the PIR cannot 'see' out of
a window. Although the wavelength of infrared radiation to which the chips are
sensitive does not penetrate glass very well, a strong infrared source (a vehicle
headlight, sunlight reflecting from a vehicle window) can overload the chip with
enough infrared energy to fool the electronics and cause a false (non-intruder caused)
alarm. A person moving on the other side of the glass however would not be 'seen' by
the PIR.
They also recommended that the PIR not be placed in such a position that an
HVAC vent would blow hot or cold air onto the surface of the plastic, which covers
the housing's window. Although air has very low emissivity (emits very small
- 21 -
amounts of infrared energy), the air blowing on the plastic window cover could
change the plastic's temperature enough to, once again, fool the electronics.
PIRs come in many configurations for a wide variety of applications. The
most common used in home security systems has numerous Fresnel lenses or mirror
segments and has an effective range of about thirty feet. Some larger PIRs are made
with single segment mirrors and can sense changes in infrared energy over one
hundred feet away from the PIR. There are also PIRs designed with reversible
orientation mirrors, which allow either broad coverage (110° wide) or very narrow
'curtain' coverage.
PIRs can have more than one internal sensing element so that, with the
appropriate electronics and Fresnel lens, it can detect direction. Left to right, right to
left, up or down and provide an appropriate output signal.
3.3 LIGHT DEPENDENT RESISTOR: -
LDRs or Light Dependent Resistors are very useful especially in light/dark
sensor circuits. Normally the resistance of an LDR is very high, sometimes as high as
1000 000 ohms, but when they are illuminated with light resistance drops
dramatically.
Electronic opto sensors are the devices that alter their electrical characteristics,
in the presences of visible or invisible light. The best-known devices of this type are
the light dependent resistor (LDR), the photo diode and the phototransistors.
Light dependent resistor as the name suggests depends on light for the
variation of resistance.
• LDR are made by depositing a film of cadmium sulphide or cadmium selenide
on a substrate of ceramic containing no or very few free electrons when not
illuminated. The film is deposited in a zig zag fashion in the form of a strip. The
longer the strip the more the value of resistance.
- 22 -
• When light falls on the strip, the resistance decreases. In the absence of light
the resistance can be in the order of 10K ohm to 15K ohm and is called the dark
resistance.
Depending on the exposure of light the resistance can fall down to value of
500 ohms. The power ratings are usually smaller and are in the range 50mw to .5w.
Though very sensitive to light, the switching time is very high and hence cannot be
used for high frequency applications. They are used in chopper amplifiers.
Light dependent resistors are available as discs 0.5cm to 2.5cm. The resistance
rises to several Mega ohms under dark conditions.
The below figure shoes that when the torch is turned on, the resistance of the
LDR falls, allowing current to pass through it is shown in figure.
The basic construction and symbol for LDR are shown in above figures
respectively. The device consists of a pair of metal film contacts. Separated by a
snakelike track of cadmium sulphide film, designed to provide the maximum possible
contact area with the two metal films. The structure is housed in a clear plastic or
resin case, to provide free access to external light. Practical LDRs are available in
variety of sizes and packages styles, the most popular size having a face diameter of
roughly 10mm. practical LDR is shown in below figure.
- 23 -
Spectral response:
The resistors are only light dependent over a limited range of wavelengths.
LDRs have their maximum response at about 680nm.
Temperature dependency:
Electrons can be excited not only by photons but also by thermal agitation.
The dark resistance is therefore not infinite at normal temperatures. It increases with
the ambient temperature coefficient is, however, very small and can be neglected.
Recovery rate:
When an LDR is brought from a certain illuminating level into total darkness,
the resistance does not increase immediately to the dark value. The recovery rate is
specified in k ohm/second and for current LDR types it is more than 200k
ohm/second. The recovery rate is much greater in the reverse direction, e.g. going
from darkness to illumination level of 300 lux, it takes less than 10ms to reach a
resistance which corresponds with a light level of 400 lux.
LDRs are sensitive, inexpensive, and readily available devices. They have
good power and voltage handling capabilities, similar to those of a conventional
resistor. Their only siginificant defect is that they are fairly low acting, taking tens or
hundreds of LDR include light and dark-activated switches and alarms, light beam
- 24 -
alarms and reflective smoke alarms etc. A LDR may be connected either way round
and no special precautions are required when soldering.
• Darkness: Maximum resistance, about 1Mohm.
• Very bright light: Minimum resistance, about 100 ohm.
The LDR is a variable resistor whose resistance decreases with the increase in
light intensity. Two cadmium sulphide (cds) photoconductive cells with spectral
response similar to that of the human eye. The cell resistance falls with increasing
light intensity.
LDR Circuit Diagram: -
Features:
• High reliability
• Light weight
• Wide spectral response
• Wide ambient temperature range
- 25 -
Applications:
• Smoke detection
• Automatic lighting control
• Burglar alarm systems
• Camera (electronic shutter)
• Strobe (color temperature reading)
LM324
LM324 is a 14pin IC consisting of four independent operational amplifiers (op-
amps) compensated in a single package. Op-amps are high gain electronic
voltage amplifier with differential input and, usually, a single-ended output.
The output voltage is many times higher than the voltage difference between
input terminals of an op-amp.
These op-amps are operated by a single power supply LM324 and need for a
dual supply is eliminated. They can be used as amplifiers, comparators,
oscillators, rectifiers etc. The conventional op-amp applications can be more
easily implemented with LM324.
- 26 -
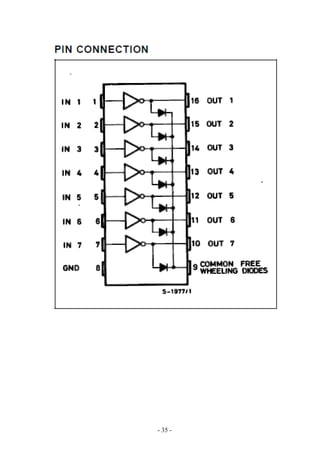
Pin Diagram:
Pin Description:
Pin
No
Function Name
1 Output of 1st
comparator Output 1
2 Inverting input of 1st
comparator Input 1-
3 Non-inverting input of 1st
comparator Input 1+
4 Supply voltage; 5V (up to 32V) Vcc
5 Non-inverting input of 2nd
comparator Input 2+
6 Inverting input of 2nd
comparator Input 2-
7 Output of 2nd
comparator Output 2
8 Output of 3rd
comparator Output 3
9 Inverting input of 3rd
comparator Input 3-
10 Non-inverting input of 3rd
comparator Input 3+
11 Ground (0V) Ground
12 Non-inverting input of 4th
comparator Input 4+
13 Inverting input of 4th
comparator Input 4-
14 Output of 4th
comparator Output 4
POTENTIOMETER
Introduction
The humble potentiometer (or pot, as it is more commonly known) is a simple electro-
mechanical transducer. It converts rotary or linear motion from the operator into a
- 27 -
change of resistance, and this change is (or can be) used to control anything from the
volume of a hi-fi system to the direction of a huge container ship.
The pot as we know it was originally known as a rheostat (or reostat in some texts) -
essentially a variable wirewound resistor. The array of different types is now quite
astonishing, and it can be very difficult for the beginner (in particular) to work out
which type is suitable for a given task. The fact that quite a few different pot types can
all be used for the same task makes the job that much harder - freedom of choice is at
best confusing when you don't know what the choices actually are, or why you should
make them. This article is not about to cover every aspect of pots, but is an
introduction to the subject. For anyone wanting to know more, visit manufacturers'
web sites, and have a look at the specifications and available types.
The very first variable resistors were either a block of carbon (or some other resistive
material) with a sliding contact, or a box full of carbon granules, with a threaded
screw to compress the granules. More compression leads to lower resistance, and vice
versa. These are rare in modern equipment, so we shall limit ourselves to the more
common types
Basic Pots and Knobs
It is worthwhile to have a look at a few of the common pot types that are available.
Figure 1 shows an array of conventional pots - both PCB and panel mounting.
Figure 1 - Some Examples of Pots
Note that these are not to scale, although the relative sizes are passably close. Apart
from the different body shapes and sizes, there are also many "standard" mounting
hole and shaft sizes. Probably the most common of all is the one in the centre of the
picture. A panel mount, 25 millimetre (1") diameter pot. This uses a 10mm (3/8")
mounting hole, and has a 6.35mm (1/4") shaft. These pots have been with us almost
unchanged for 40 years or more.
The remainder show a few of the many variations available. The fluted shaft types are
commonly referred to as "metric", but will accept a standard 1/4" knob - albeit with a
little play (it is less than a perfect fit, but is acceptable if the grub screw is tight
enough). Metric pots are also available in 16mm round and 25mm round formats.
Most rotary pots have 270 degrees of rotation from one extreme to the other. A
"single turn" pot is therefore really only a 3/4 turn device, despite the name. There are
- 28 -
some other rotary types with only 200 degrees or so, and some specialty types may
have less than that again.
The standard schematic symbol for a pot is shown to the left (although
some people insist on using zig-zag lines for resistors and pots, I don't
and never have, so don't expect me to start now . A little later, we
shall look at the many ways a standard pot may be wired, as well as
some further explanations of the different "law" or taper used. Project
01 has been on this site for a long time now, and is a simple and
effective way to create an almost logarithmic taper from a linear pot -
but I am getting ahead of myself here.
First, we need to continue with the examination of the basic types (and you thought
the above small sample was enough ) Well, as they say ... "You ain't seen nothin'
yet!"
Knobs
Before we look at other pot types, a quick sample of knobs. Yes, I know that everyone
has seen knobs, but a dissertation on pots would be less than complete if I didn't
include these.
Figure 2 - Some Examples of Knobs
Of these, only one deserves special mention - the one on the left. This is a multi turn
vernier readout (analogue in this case) for a standard pot. Typically used with
precision wirewound or conductive plastic pots, these used to be common on
equipment where very accurate (and repeatable) settings were required. They are
expensive, but in their day were almost indispensable. Now, a digital panel meter is
cheaper, and considered much more "high tech" - such is progress, but at the expense
of the "olde worlde" charm of a mechanical contrivance. And yes, you can still get
them!
The remainder are perfectly ordinary knobs, and again, are but a very small sample of
those available from a multiplicity of manufacturers. Most cheap knobs are plastic,
but they are available with brass inserts, in solid aluminium (brushed, anodised, etc.),
plastic innards with a thin aluminium outer shell or just an insert. You can even buy
audiophool audiophile solid wood knobs, optionally coated with special lacquer that is
designed to make you think the sound has improved (nudge-nudge, wink-wink ).
The list is endless, but I shall end it here.
- 29 -
Putting Pot to Use
Well, that part is simple, isn't it? Judging from the number of e-mails I get asking
about how to wire pots, the answer is obviously "no". Being 3 terminal devices (for a
single gang), there are quite a few different ways that they can be wired. Connection
to a single terminal is rather pointless, so at least that eliminates three "possibilities".
At this point, a diagram is needed ...
Figure 6 - Potentiometer Terminals and Connections
As shown in Figure 6, a pot is usually wired using all three terminals, and I have used
the same numbering scheme as in Figure 5. One terminal (1) is earthed (grounded) for
use as a volume control - the most common usage. This allows the wiper to be turned
all the way to zero signal for maximum attenuation. Note that if the earth terminal
were to be left disconnected, all we have is a variable series resistance, whose
effectiveness will be minimal in typical circuitry. This is still a common usage
however, but for different reasons (see below).
Turning the shaft clockwise (CW - by convention, to move pin 2 physically closer to
pin 3, and increase (for example) volume) will select a different point along the
resistance element, and forms a voltage divider, so the attenuation of the signal is
proportional to the rotation of the shaft. At the fully clockwise position, there is close
to zero ohms in series with the signal, and the full resistance of the pot to earth.
Attenuation at this setting is zero (assuming a zero or low impedance source - this is
often overlooked!), and this is full volume (maximum signal level).
The source impedance should normally be no greater than 1/10th (0.1) of the pot's
stated resistance. Further, the load resistance or impedance should be 10 times the
pot's resistance to prevent the taper from being adversely affected. You may (of
course) be deliberately loading the pot as described below, but the following stage
must still present a high impedance unless its impedance has been included in your
calculations.
The second form of connection is a variable resistor. Not usable as a volume control,
but still extensively used for other applications. It is common (and preferable) to join
two of the leads together - the wiper, and one end or the other. The actual connection
depends on what you are trying to achieve, and since there are so many possibilities, I
won't even try to explain them all. When used in this mode it is most commonly
- 30 -
refererred to as a variable resistance or resistor - the word rheostat is somewhat dated
(to put it mildly) and is not a term that I use in any of my articles.
To get an idea of the different configurations that are in common use, have a look at
the ESP Projects pages, and those on other web sites. The number of possibilities is
actually not that great, but people use different conventions as well. For example, in
Australia, we use the term "anti-clockwise" or ACW. In the US, this is "counter-
clockwise" or CCW. At least the term clockwise seems to be common to both
countries :-) Naturally enough, these are only two conventions, and I am unsure of the
terminology in other countries - especially if they don't use English (and why would
they, if they already have a language of their own).
As a completely irrelevant side issue, the Web is changing this quite quickly, as the
majority of web sites are in English.
Figure 7 - Volume and Balance Controls
Figure 7 assumes the use of a log pot for volume. The balance control can be done in
many different ways, with that shown being but one. Quite a lot of Japanese
equipment uses a dual gang pot for balance, but the resistance element only goes for
half the travel. When set in the centre position, there is no loss at all, and rotation in
either direction attenuates the appropriate channel, but leaves the other unaffected.
This is yet another type of custom pot, made for a specific purpose. I know of no
manufacturer that sells such an item through the normal distribution channels, so
home builders have to come up with different ways to achieve the same (or similar)
things. The balance control as shown above (with the values shown) will give a
response very similar to the more complex version described in the next section.
Changing the Law of a Pot
Using pots can be done in the conventional way, or you can get adventurous and
achieve a lot more. A good example is the "Better Volume Control" shown in Project
01. The other ideas presented also show how you can make modifications to the way a
pot behaves, just by adding a resistor (R). The "ideal" value by calculation is 22k for a
100k pot, and this gives a maximum deviation of +1.58 and -1.7dB from a real log
curve. This is contrast to the original article, where 15k was suggested, and although
- 31 -
the error is greater (+2.89dB and -1.12dB), the overall behaviour is almost ideal in
listening tests.
Figure 8 - A Better Volume Control
Take a look at the balance control (below) as an example. The conventional balance
control requires either a log/antilog pot (virtually impossible to obtain), or one of the
special types commonly used in Japanese consumer hi-fi gear. About the only way
you'll get one of those is to remove it from the equipment - again, they are virtually
impossible to get from normal hobbyist suppliers.
Add a couple of resistors to a dual gang linear pot, and the problem is solved. Not
only is the pot heavily "centre weighted", but will also maintain a relatively constant
sound level as the balance is changed from full Left to full Right. The centre
weighting means that for most of the pot's travel, the balance is shifted subtly, so it
provides a very fine resolution around the central position - there is little requirement
for only one channel (other than testing), but that is still available. In short, lots of
benefits, and few drawbacks.
Figure 9- Centre Weighted Balance Control
Needless to say there are many other configurations that can be used, and this is but
one. The resistor value (RL and RR) is fairly important - it really should be 35k for a
100k pot, but the error when using 33k is minimal (about 0.16 dB at centre position).
- 32 -
One of the goals of circuit design is to utilise available components. This is not
necessary if you make 10,000 of something, since at these quantities special orders
will cost little or no more than the normally available components. When you are
making one for yourself (or perhaps two - one for a friend for example), specially
designed components are not an option due to the setup costs (this could easily be
thousands of dollars / euro / pounds). Even in quantities of several hundred, available
components are still (usually) cheaper.
The balance control above is an example of a dual log / reverse log pot, created with a
standard dual gang pot and a couple of resistors ... and it works better than a
commercial offering is likely to - even if you managed to find one.
For more information on this configuration, see Project 01. Note that as shown, the
balance control here is not optimised for any significant impedance at the output, so
its performance will change if you connect a volume control to the output.
Figure 10 - Creating an "S" Curve for Lighting
Another example of modifying a pot to make it do what you want is shown in the LX-
800 Lighting Controller. The faders need an "S" curve, to compensate for the non-
linear behaviour of lamps and our eye's sensitivity to light levels. This is also
achieved with a couple of resistors across a normal linear pot.
If you don't like the shape (because of the lamps you use, for example), you can
simply change the resistor values and modify the curve to suit your exact needs. Since
even ordinary log pots are not actually logarithmic anyway, can you imagine getting a
pot that would give you an S-Curve? Even worse, if you found that it was not suited
to certain lamps, then you would be hard pressed to modify the law to get what you
needed. In some cases it would be impossible.
IC 7805:-
IC 7805 is a 5v voltage regulator that restricts the voltage output
to 5v. It is a member of 78xx series of fixed linear voltage
regulator ICs.
- 33 -
Genraly it is used for the protection of ICs and other electronic
elements because it works on under 5v. if supply is more than 5v
so it can harm to the microcontroller.
Pin diagram:-
3.10 LOADS: -
ULN 2003
1.SEVEN DARLINGTONS PER PACKAGE OUTPUT CURRENT 500mA PER
DRIVER
2.(600mA PEAK) .OUTPUT VOLTAGE 50V INTEGRATED SUPPRESSION
DIODES FOR
3.INDUCTIVE LOADS OUTPUTS CAN BE PARALLELED FOR
4.HIGHER CURRENT .TTL/CMOS/PMOS/DTL COMPATIBLE INPUTS
INPUTS PINNED OPPOSITE OUTPUTS TO
SIMPLIFY LAYOUT
- 34 -
FUNCTION NAME
PIN
NO
1
2
3
INPUT VOLTAGE(5V-18V)
GROUND(0V)
RAGULATED OUTPUT
VOLTAGE;5V(4.8V-5.2)
INPUT
GND
OUTPUT
- 35 -
- 36 -
RELAY
A relay is an electrically operated switch. Many relays use an electromagnet to
operate switching operation mechanically.
It is 5 terminal device consisting of 1 coil.
When coil is enerzised then a slit is moves from one point to another point
LOAD
In this intelligent energy saving system we are using two loads, lamp and Fan.
According to the light intensity of the particular room or cabin the LDR will senses,
depending on the LDR output the lamp will be ON/OFF. This system is only
applicable for lamps and not applicable for tube lights, because the starting voltage of
the tube lights is high compared to lamps.
- 37 -
4. SOFTWARE DESCRIPTION: -
EMBEDDED C CODE
#include <mega8.h>
#include <delay.h>
// Declare your global variables here
void pir();
void pir1();
void main(void)
{
// Declare your local variables here
// Input/Output Ports initialization
// Port B initialization
// Func7=Out Func6=Out Func5=Out Func4=Out Func3=Out Func2=Out Func1=Out
Func0=Out
// State7=0 State6=0 State5=0 State4=0 State3=0 State2=0 State1=0 State0=0
PORTB=0x00;
DDRB=0xFF;
// Port C initialization
// Func6=In Func5=In Func4=In Func3=In Func2=In Func1=In Func0=In
// State6=T State5=T State4=T State3=T State2=T State1=T State0=T
PORTC=0x00;
DDRC=0x00;
// Port D initialization
// Func7=In Func6=In Func5=In Func4=In Func3=In Func2=In Func1=In Func0=In
// State7=T State6=T State5=T State4=T State3=T State2=T State1=T State0=T
PORTD=0x00;
DDRD=0x00;
- 38 -
// Timer/Counter 0 initialization
// Clock source: System Clock
// Clock value: Timer 0 Stopped
TCCR0=0x00;
TCNT0=0x00;
// Timer/Counter 1 initialization
// Clock source: System Clock
// Clock value: Timer1 Stopped
// Mode: Normal top=0xFFFF
// OC1A output: Discon.
// OC1B output: Discon.
// Noise Canceler: Off
// Input Capture on Falling Edge
// Timer1 Overflow Interrupt: Off
// Input Capture Interrupt: Off
// Compare A Match Interrupt: Off
// Compare B Match Interrupt: Off
TCCR1A=0x00;
TCCR1B=0x00;
TCNT1H=0x00;
TCNT1L=0x00;
ICR1H=0x00;
ICR1L=0x00;
OCR1AH=0x00;
OCR1AL=0x00;
OCR1BH=0x00;
OCR1BL=0x00;
// Timer/Counter 2 initialization
// Clock source: System Clock
// Clock value: Timer2 Stopped
// Mode: Normal top=0xFF
- 39 -
// OC2 output: Disconnected
ASSR=0x00;
TCCR2=0x00;
TCNT2=0x00;
OCR2=0x00;
// External Interrupt(s) initialization
// INT0: Off
// INT1: Off
MCUCR=0x00;
// Timer(s)/Counter(s) Interrupt(s) initialization
TIMSK=0x00;
// USART initialization
// USART disabled
UCSRB=0x00;
// Analog Comparator initialization
// Analog Comparator: Off
// Analog Comparator Input Capture by Timer/Counter 1: Off
ACSR=0x80;
SFIOR=0x00;
// ADC initialization
// ADC disabled
ADCSRA=0x00;
// SPI initialization
// SPI disabled
SPCR=0x00;
// TWI initialization
// TWI disabled
- 40 -
TWCR=0x00;
while (1)
{
int i;
if(PINC.5==1)
{
pir();
}
else
{
pir1();
//PORTB.2=0;
//PORTB.3=0;
}
}
}
void pir()
{
if(PINC.4==0)
{
PORTB.2=1;
PORTB.3=1;
delay_ms(15000);
}
else
{
- 41 -
PORTB.2=0;
PORTB.3=1;
delay_ms(15000);
}
}
void pir1()
{
int i;
for(i=0;i<=1;i++)
{
if(PINC.5==1)
{
pir();
break;
}
else
{
delay_ms(100);
}
if(i==1)
{
PORTB.1=0;
PORTB.2=0;
delay_ms(15000);
}
}
}
- 42 -
CONCLUSION:
Intelligent Energy Saving System is not limited for any particular application,
it can be used any where in a process industries with little modifications in software
coding according to the requirements. This concept not only ensures that our work
will be usable in the future but also provides the flexibility to adapt and extend, as
needs change.
In this project work we have studied and implemented a complete working
model using a PIC microcontroller. The programming and interfering of PIC
microcontroller has been mastered during the implementation. This work includes the
study of energy saving system in many applications
FUTURE DIRECTIONS:
We except that our next generation will develop this energy saving system
with wire less network.
In our project we connected all the sensors to micro controller with the wires.
This can be developed with wire less such that we can place different sensors in
different places. This sensor will activate the micro controller with the signals instead
of using wires.
This system can also be applicable to various loads like pressure, force and
etc. by increasing the number of ports of the micro controller.
- 43 -
BIBLIOGRAPHY
BOOKS REFERRED:
1) Adler, R. B., A. C. Smith, and R. L. Longani: “Introduction to Semiconductor
Physics,” vol. 1, p. 78, Semiconductor Electronics Education Comitee, John
Wiley & Sons, Inc., New York ,1964.
2) Schade, O. H.: “Analysis of Rectifier Operation”, proc. IRE, vol.31, pp. 341-361,
July, 1943.
3) Stout, M. B.: “Analysis of Rectifier Circuits”, Elec. Eng., vol. 54, September,
1935.
4) Jacob Millman Christos C. Halkias.: “Electronic Devices And Circuits”, Tata
McGraw-Hill Publishing Company Ltd. Sep, 2003.
5) Jan Axelson: “Parallel Port Complete”, McGraw Hill Book Company, New
York, 1989.
Journals Referred
1) Innovation: Magazine of Research & Technology,2000
2) Printed Circuit Design Online (Magazine).
3) Design Magazine.
4) Microcontroller solutions.
DATA SHEETS
1. PIR sensor dat sheet
2. LM 324 dat sheet
3. ULN 2003 dat sheet t
4. POT dat sheet
5. Microcontroller atmega 8A dat sheet
6. IC 7805 dat sheet
- 44 -

report on intelligent energy conservation system

  • 1.
    THAKRAL COLLEGE OF TECHNOLOGY ACKNOWLEDGEMENT Itis a privilege to express our deep sense of gratitude to our guide Mr. Amit Shrivastav, Department of Electrical & electronics Engineering, TCT, Bhopal, M.P. for his constant encouragement, valuable guidance and benevolent help, which was of greatest support to bring this work in its present shape. This work is the result of inspiration, support, guidance, motivation, cooperation and facilities that were extended to us at their best at all levels. The discussion with them regarding various issues of our project has been very beneficial and gave us a new direction of thinking. All these discussions have indeed played a vital role in progress of our work at many critical points during my endeavor. We are highly indebted to Mr. AMIT SHRIVASTAV, Head, Department of Electrical & Electronics Engineering, TCT, Bhopal for providing us all the necessary facilities and guidance. We are thankful to our faculties for their valuable lectures in Microcontroller , Energy conservation & management, switch gear and EDC etc. which helped us in designing this project. We would also like to acknowledge ones, who, from behind the scenes have contributed their ideas and energies. VYOMESH UPADHYAY 0126EX101066 - 1 -
  • 2.
    ABSTRACT Intelligent Energy SavingSystem can be used in places like where lighting is very important. The libraries will be well illuminated with many lamps. When people are not present at a reading place the lighting can be made OFF and when they are present, the lighting made ON. All these can be done through by Dimming circuit and PIR sensor. If a person entering to the monitored area, the PIR sensors activates and sense the person, gives to the micro controller. The Infrared energy emitted from the living body is focused by a Fresnel lens segment. Then only the PIR sensor activates. After sensing the person LDR checks the light intensity of the monitored area, whether it is bright or dark. Depending on the LDR output, the lamp may be ON / OFF by using Dimmer circuit. By using this system we can adjust the speed of Fan according to the room temperature measured by Thermostat, which is connected to the micro controller. To display the room temperature of PIR mode operation we are using the LCD display. - 2 -
  • 3.
    INDEX 1. INTRODUCTION 1.1 Objectiveof the Project 1.2 Block Diagram 1.3 Pinciple Of Operation 1.4 System Features 1.5 Equipments 2. DESCRIPTION OF THE PROJECT 2.1 Block Diagram Description 2.2 Schematic Diagrams 2.3 Schematic Explanation 3. HARDWARE DESCRIPTION 3.1 Microcontroller (ATMEGA 8A) 3.2 Passive Infrared Sensor 3.3 Light Dependent Resistor 3.4 LM 324 3.5 ULN 2003 3.6 Potentiometer 3.7 LM 7805 4. SOWFTWARE DESCRIPTION 4.1 Source Code 5. RESULT 6. CONCLUSION AND FUTURE DIRECTIONS BIBLIOGRAPHY - 3 -
  • 4.
    LIST OF FIGURES 1.Block Diagram 2. Schematic Diagram 3. Architecture 0f atmega8bA 4. Pin Diagram of atmega8bA 5. Operation of PIR Diagram 6. Operation of LDR Diagram 7. Operation of LM 324 Diagram 8. Operation of ULN 2003 Diagram 9. Operation of Potentiometer Diagram 10.Operation of LM 7805 Diagram - 4 -
  • 5.
    INTRODUCTION Intelligent Energy SavingSystem, the aim of the project is to save the energy. In this project we are using various sensors, controlling and display. However, in this project work the basic signal processing of various parameters which are temperature, LDR, for measuring various parameters values, various sensors are used and the output of these sensors are converted to control the parameters. The control circuit is designed using micro-controller. The outputs of all the two parameters are fed to micro-controller. This relay energizes and de-energizes automatically according to the condition of the parameter. 1.1 OBJECTIVE OF THE PROJECT: - The aim of the project is to save the energy or power, used in places like libraries where lighting is very important for the people who come to read books. So, the libraries will be well illuminated with many lamps. At the same time when people are not present at a particular reading place the lighting can be made off by using relay and when people come to that area, according to the LDR lighting can be made sufficiently brighter. - 5 -
  • 6.
    1.2 PRINCIPLE OFOPERATION Consider a particular table in the library, which is connected with our experimental kit .When a person entering into that place the PIR sensor absorbs the black body radiation emitted by that person and activates it. The LCD display will displays the “PIR ON”. After some time delay the light will glows for some time by using the Dimmer circuit and with the help of LDR sensor it checks the room lightening , and it takes the condition when the light is sufficient the lamp will be in OFF state and when light is insufficient the lamp will be in ON state. When a person is leaving that place, the PIR sensor will activate again and firstly the Fan will be OFF and after some time delay the lamp also will be OFF.. And the main supply power will be switched OFF. - 6 -
  • 7.
    1.3 BLOCK DIAGRAM: 1. -7 - MICROCONTRMICROCONTR OLLEROLLER ATMEGA 8AATMEGA 8A MICROCONTRMICROCONTR OLLEROLLER ATMEGA 8AATMEGA 8A PIRPIR MOTIONMOTION SENSORSENSOR PIRPIR MOTIONMOTION SENSORSENSOR LDRLDR CIRCUITCIRCUIT LDRLDR CIRCUITCIRCUIT FANFAN LOADLOAD FANFAN LOADLOAD POWER SUPPLY POWER SUPPLY RELAYRELAYRELAYRELAY RELAYRELAYRELAYRELAY LAMPLAMP LOADLOAD LAMPLAMP LOADLOAD
  • 8.
    4 System Features: •Easy operation • Convenient • Affordable Required Skills: • Understanding of Micro controller • Embedded C Programming • Understanding Interfacing Techniques • Knowledge on Sensors • Design and Fabrication of PCB Project phase: - • Schematic design and drawing of PCB • Design and Interfacing Circuits for Micro controller • Preparation of PCB • Assembling and Testing of Interfacing Circuits • Code for the Application • Debugging and Testing • Project Report - 8 -
  • 9.
    1.4 EQUIPMENTS: - Printed Circuit Board  Micro controller à atmega8A  5V, 12V Dc Power supply  IR sensor à Passive Infrared Sensor  LDR à Light Dependent Resistor  Relay 12V  LM324  IC 7805  ULN 2003  Potentiometer  Lamp  Fan - 9 -
  • 10.
    DESCRIPTION OF THEPROJECT 2.1 BLOCK DIAGRAM EXPLANATION: - PIR SENSOR: - A PIR detector is a motion detector that senses the heat emitted by a living body. These are often fitted to security lights so that they will switch on automatically if approached. They are very effective in enhancing home security systems. The sensor is passive because, instead of emitting a beam of light or microwave energy that must be interrupted by a passing person in order to “sense” that person, the PIR is simply sensitive to the infrared energy emitted by every living thing. When an intruder walks into the detector’s field of vision, the detector “sees” a sharp increase in infrared energy. LDR: - LDR’s or Light Dependent Resistors are very useful especially in light/dark sensor circuits. These help in automatically switching ON /OFF the street lights and etc., normally the resistance of an LDR is very high, sometimes as very high as 1000000 ohms, but when they are illuminated with light, resistance drop dramatically. Electronic opto sensors are the devices that alter their electrical characteristics, in the presence of visible or invisible light. The best-known devices of - 10 -
  • 11.
    these types arethe light dependent resistor (LDR), the photo diode and the phototransistors. RELAY A relay is an electrically operated switch. Many relays use an electromagnet to operate switching operation mechanically. It is 5 terminal device consisting of 1 coil. When coil is enerzised then a slit is moves from one point to another point LM324 LM324 is a 14pin IC consisting of four independent operational amplifiers (op- amps) compensated in a single package. Op-amps are high gain electronic voltage amplifier with differential input and, usually, a single-ended output. The output voltage is many times higher than the voltage difference between input terminals of an op-amp. These op-amps are operated by a single power supply LM324 and need for a dual supply is eliminated. They can be used as amplifiers, comparators, oscillators, rectifiers etc. The conventional op-amp applications can be more easily implemented with LM324. POTENTIOMETER The humble potentiometer (or pot, as it is more commonly known) is a simple electro- mechanical transducer. It converts rotary or linear motion from the operator into a change of resistance, and this change is (or can be) used to control anything from the volume of a hi-fi system to the direction of a huge container ship. The pot as we know it was originally known as a rheostat (or reostat in some texts) - essentially a variable wirewound resistor. The array of different types is now quite astonishing, and it can be very difficult for the beginner (in particular) to work out which type is suitable for a given task. The fact that quite a few different pot types can all be used for the same task makes the job that much harder - freedom of choice is at best confusing when you don't know what the choices actually are, or why you should make them. This article is not about to cover every aspect of pots, but is an introduction to the subject. For anyone wanting to know more, visit manufacturers' web sites, and have a look at the specifications and available types. - 11 -
  • 12.
    The very firstvariable resistors were either a block of carbon (or some other resistive material) with a sliding contact, or a box full of carbon granules, with a threaded screw to compress the granules. More compression leads to lower resistance, and vice versa. These are rare in modern equipment, so we shall limit ourselves to the more common types IC 7805 IC 7805 is a 5v voltage regulator that restricts the voltage output to 5v. It is a member of 78xx series of fixed linear voltage regulator ICs. Genraly it is used for the protection of ICs and other electronic elements because it works on under 5v. if supply is more than 5v so it can harm to the microcontroller. ULN 2003 1.SEVEN DARLINGTONS PER PACKAGE OUTPUT CURRENT 500mA PER DRIVER 2.(600mA PEAK) .OUTPUT VOLTAGE 50V INTEGRATED SUPPRESSION DIODES FOR 3.INDUCTIVE LOADS OUTPUTS CAN BE PARALLELED FOR 4.HIGHER CURRENT .TTL/CMOS/PMOS/DTL COMPATIBLE INPUTS INPUTS PINNED OPPOSITE OUTPUTS TO SIMPLIFY LAYOUT LOAD In this intelligent energy saving system we are using two loads, lamp and Fan. According to the light intensity of the particular room or cabin the LDR will senses, depending on the LDR output the lamp will be ON/OFF. This system is only applicable for lamps and not applicable for tube lights, because the starting voltage of the tube lights is high compared to lamps. - 12 -
  • 13.
  • 14.
    HARDWARE DESCRIPTION MICROCONTROLLER-ATMEGA-8A Features • High-performance,Low-power Atmel® AVR® 8-bit Microcontroller • Advanced RISC Architecture – 130 Powerful Instructions – Most Single-clock Cycle Execution – 32 x 8 General Purpose Working Registers – Fully Static Operation – Up to 16MIPS Throughput at 16MHz – On-chip 2-cycle Multiplier • High Endurance Non-volatile Memory segments – 8KBytes of In-System Self-programmable Flash program memory – 512Bytes EEPROM – 1KByte Internal SRAM – Write/Erase Cycles: 10,000 Flash/100,000 EEPROM – Data retention: 20 years at 85C/100 years at 25C(1) – Optional Boot Code Section with Independent Lock Bits • In-System Programming by On-chip Boot Program • True Read-While-Write Operation – Programming Lock for Software Security • Atmel QTouch® library support – Capacitive touch buttons, sliders and wheels – Atmel QTouch and QMatrix acquisition – Up to 64 sense channels • Peripheral Features – Two 8-bit Timer/Counters with Separate Prescaler, one Compare Mode – One 16-bit Timer/Counter with Separate Prescaler, Compare Mode, and Capture Mode – Real Time Counter with Separate Oscillator – Three PWM Channels – 8-channel ADC in TQFP and QFN/MLF package • Eight Channels 10-bit Accuracy - 14 -
  • 15.
    – 6-channel ADCin PDIP package • Six Channels 10-bit Accuracy – Byte-oriented Two-wire Serial Interface – Programmable Serial USART – Master/Slave SPI Serial Interface – Programmable Watchdog Timer with Separate On-chip Oscillator – On-chip Analog Comparator • Special Microcontroller Features – Power-on Reset and Programmable Brown-out Detection – Internal Calibrated RC Oscillator – External and Internal Interrupt Sources – Five Sleep Modes: Idle, ADC Noise Reduction, Power-save, Power-down, and Standby • I/O and Packages – 23 Programmable I/O Lines – 28-lead PDIP, 32-lead TQFP, and 32-pad QFN/MLF • Operating Voltages – 2.7 - 5.5V – 0 - 16MHz • Power Consumption at 4MHz, 3V, 25C – Active: 3.6mA – Idle Mode: 1.0mA PIN DIAGRAM - 15 -
  • 16.
  • 17.
  • 18.
    3.2 PASSIVE INFRAREDSENSOR (PIR): - A PIR detector is a motion detector that senses the heat emitted by a living body. These are often fitted to security lights so that they will switch on automatically if approached. They are very effective in enhancing home security systems. The sensor is passive because, instead of emitting a beam of light or microwave energy that must be interrupted by a passing person in order to “sense” that person, the PIR is simply sensitive to the infrared energy emitted by every living thing. When an intruder walks into the detector’s field of vision, the detector “sees” a sharp increase in infrared energy. A PIR sensor light is designed to turn on when a person approaches, but will not react to a person standing still. The lights are designed this way. A moving person exhibits a sudden change in infrared energy, but a slower change is emitted by a motionless body. Slower changes are also caused by gradual fluctuations in the temperature of the environment. If the light were sensitive to these slower changes, it would react to the sidewalk cooling off at night, instead of the motion of a burglar. If you have a PIR light, you may notice that it is more sensitive on cold days than on warm days. This is because the difference in temperature between the ambient air and the human body is greater on cold days, making the rise in temperature easier for the sensor to detect. This has drawbacks, though; if the sensor is too sensitive, it will pick up things you don’t want it to such as the movement of small animals. Passive infrared sensor is an electronic device, which measures infrared light radiating from objects in its field of view. PIRs are often used in the construction of PIR-based motion detectors. Apparent motion is detected when an infrared source with one temperature, such as a human, passes in front of an infrared source with another temperature, such as a wall. - 18 -
  • 19.
    All objects emitwhat is known as black body radiation. This energy is invisible to the human eye but can be detected by electronic devices designed for such a purpose. The term 'Passive' in this instance means the PIR does not emit energy of any type but merely accepts incoming infrared radiation. Infrared radiation enters through the front of the sensor, known as the sensor face. At the core of a PIR is a solid state sensor or set of sensors, made from approximately 1/4 inches square of natural or artificial pyroelectric materials, usually in the form of a thin film, out of gallium nitride (GaN), caesium nitrate (CsNO3), polyvinyl fluorides, derivatives of phenylpyrazine, and cobalt phthalocyanine. (See pyroelectric crystals.) Lithium tantalate (LiTaO3) is a crystal exhibiting both piezoelectric and pyroelectric properties. The sensor is often manufactured as part of an integrated circuit and may consist of one (1), two (2) or four (4) 'pixels' of equal areas of the pyroelectric material. Pairs of the sensor pixels may be wired as opposite inputs to a differential amplifier. In such a configuration, the PIR measurements cancel each other so that the average temperature of the field of view is removed from the electrical signal; an increase of IR energy across the entire sensor is self-cancelling and will not trigger the device. This allows the device to resist false indications of change in the event of being exposed to flashes of light or field-wide illumination. (Continuous bright light could still saturate the sensor materials and render the sensor unable to register further information.) At the same time, this differential arrangement minimizes common-mode interference; this allows the device to resist triggering due to nearby electric fields. However, a differential pair of sensors cannot measure temperature in that configuration and therefore this configuration is specialized for motion detectors. In a PIR-based motion detector, the PIR sensor is typically mounted on a printed circuit board, which also contains the necessary electronics required to interpret the signals from the chip. The complete circuit is contained in a housing, which is then mounted in a location where the sensor can view the area to be - 19 -
  • 20.
    monitored. Infrared energyis able to reach the sensor through the window because the plastic used is transparent to infrared radiation (but only translucent to visible light). This plastic sheet prevents the introduction of dust and insects, which could obscure the sensor's field of view. OPERATION OF PIR SENSOR: A few mechanisms have been used to focus the distant infrared energy onto the sensor surface. The window may have Fresnel lenses molded into it. Alternatively, sometimes PIR sensors are used with plastic segmented parabolic mirrors to focus the infrared energy; when mirrors are used, the plastic window cover has no Fresnel lenses molded into it. A filtering window (or lens) may be used to limit the wavelengths to 8-14 micrometers, which is most sensitive to human infrared radiation (9.4 micrometers being the strongest). The PIR device can be thought of as a kind of infrared ‘camera’, which remembers the amount of infrared energy focused on its surface. Once power is applied to the PIR the electronics in the PIR shortly settle into a quiescent state and energize a small relay. This relay controls a set of electrical contacts, which are usually connected to the detection input of an alarm control panel. If the amount of infrared energy focused on the sensor changes within a configured time period, the device will switch the state of the alarm output relay. The alarm output relay is typically a "normally closed (NC)" relay; also know as a "Form B" relay. A person entering the monitored area is detected when the infrared energy emitted from the intruder's body is focused by a Fresnel lens or a mirror segment and overlaps a section on the chip, which had previously been looking at some much cooler part of the protected area. That portion of the chip is now much warmer than when the intruder wasn't there. As the intruder moves, so does the hot spot on the surface of the chip. This moving hot spot causes the electronics connected to the chip to de-energize the relay, operating its contacts, thereby activating the detection input on the alarm control panel. Conversely, if an intruder were to try to defeat a PIR perhaps - 20 -
  • 21.
    By holding somesort of thermal shield between himself and the PIR, a corresponding 'cold' spot moving across the face of the chip will also cause the relay to de-energize unless the thermal shield has the same temperature as the objects behind it. Manufacturers recommend careful placement of their products to prevent false alarms. They suggest mounting the PIRs in such a way that the PIR cannot 'see' out of a window. Although the wavelength of infrared radiation to which the chips are sensitive does not penetrate glass very well, a strong infrared source (a vehicle headlight, sunlight reflecting from a vehicle window) can overload the chip with enough infrared energy to fool the electronics and cause a false (non-intruder caused) alarm. A person moving on the other side of the glass however would not be 'seen' by the PIR. They also recommended that the PIR not be placed in such a position that an HVAC vent would blow hot or cold air onto the surface of the plastic, which covers the housing's window. Although air has very low emissivity (emits very small - 21 -
  • 22.
    amounts of infraredenergy), the air blowing on the plastic window cover could change the plastic's temperature enough to, once again, fool the electronics. PIRs come in many configurations for a wide variety of applications. The most common used in home security systems has numerous Fresnel lenses or mirror segments and has an effective range of about thirty feet. Some larger PIRs are made with single segment mirrors and can sense changes in infrared energy over one hundred feet away from the PIR. There are also PIRs designed with reversible orientation mirrors, which allow either broad coverage (110° wide) or very narrow 'curtain' coverage. PIRs can have more than one internal sensing element so that, with the appropriate electronics and Fresnel lens, it can detect direction. Left to right, right to left, up or down and provide an appropriate output signal. 3.3 LIGHT DEPENDENT RESISTOR: - LDRs or Light Dependent Resistors are very useful especially in light/dark sensor circuits. Normally the resistance of an LDR is very high, sometimes as high as 1000 000 ohms, but when they are illuminated with light resistance drops dramatically. Electronic opto sensors are the devices that alter their electrical characteristics, in the presences of visible or invisible light. The best-known devices of this type are the light dependent resistor (LDR), the photo diode and the phototransistors. Light dependent resistor as the name suggests depends on light for the variation of resistance. • LDR are made by depositing a film of cadmium sulphide or cadmium selenide on a substrate of ceramic containing no or very few free electrons when not illuminated. The film is deposited in a zig zag fashion in the form of a strip. The longer the strip the more the value of resistance. - 22 -
  • 23.
    • When lightfalls on the strip, the resistance decreases. In the absence of light the resistance can be in the order of 10K ohm to 15K ohm and is called the dark resistance. Depending on the exposure of light the resistance can fall down to value of 500 ohms. The power ratings are usually smaller and are in the range 50mw to .5w. Though very sensitive to light, the switching time is very high and hence cannot be used for high frequency applications. They are used in chopper amplifiers. Light dependent resistors are available as discs 0.5cm to 2.5cm. The resistance rises to several Mega ohms under dark conditions. The below figure shoes that when the torch is turned on, the resistance of the LDR falls, allowing current to pass through it is shown in figure. The basic construction and symbol for LDR are shown in above figures respectively. The device consists of a pair of metal film contacts. Separated by a snakelike track of cadmium sulphide film, designed to provide the maximum possible contact area with the two metal films. The structure is housed in a clear plastic or resin case, to provide free access to external light. Practical LDRs are available in variety of sizes and packages styles, the most popular size having a face diameter of roughly 10mm. practical LDR is shown in below figure. - 23 -
  • 24.
    Spectral response: The resistorsare only light dependent over a limited range of wavelengths. LDRs have their maximum response at about 680nm. Temperature dependency: Electrons can be excited not only by photons but also by thermal agitation. The dark resistance is therefore not infinite at normal temperatures. It increases with the ambient temperature coefficient is, however, very small and can be neglected. Recovery rate: When an LDR is brought from a certain illuminating level into total darkness, the resistance does not increase immediately to the dark value. The recovery rate is specified in k ohm/second and for current LDR types it is more than 200k ohm/second. The recovery rate is much greater in the reverse direction, e.g. going from darkness to illumination level of 300 lux, it takes less than 10ms to reach a resistance which corresponds with a light level of 400 lux. LDRs are sensitive, inexpensive, and readily available devices. They have good power and voltage handling capabilities, similar to those of a conventional resistor. Their only siginificant defect is that they are fairly low acting, taking tens or hundreds of LDR include light and dark-activated switches and alarms, light beam - 24 -
  • 25.
    alarms and reflectivesmoke alarms etc. A LDR may be connected either way round and no special precautions are required when soldering. • Darkness: Maximum resistance, about 1Mohm. • Very bright light: Minimum resistance, about 100 ohm. The LDR is a variable resistor whose resistance decreases with the increase in light intensity. Two cadmium sulphide (cds) photoconductive cells with spectral response similar to that of the human eye. The cell resistance falls with increasing light intensity. LDR Circuit Diagram: - Features: • High reliability • Light weight • Wide spectral response • Wide ambient temperature range - 25 -
  • 26.
    Applications: • Smoke detection •Automatic lighting control • Burglar alarm systems • Camera (electronic shutter) • Strobe (color temperature reading) LM324 LM324 is a 14pin IC consisting of four independent operational amplifiers (op- amps) compensated in a single package. Op-amps are high gain electronic voltage amplifier with differential input and, usually, a single-ended output. The output voltage is many times higher than the voltage difference between input terminals of an op-amp. These op-amps are operated by a single power supply LM324 and need for a dual supply is eliminated. They can be used as amplifiers, comparators, oscillators, rectifiers etc. The conventional op-amp applications can be more easily implemented with LM324. - 26 -
  • 27.
    Pin Diagram: Pin Description: Pin No FunctionName 1 Output of 1st comparator Output 1 2 Inverting input of 1st comparator Input 1- 3 Non-inverting input of 1st comparator Input 1+ 4 Supply voltage; 5V (up to 32V) Vcc 5 Non-inverting input of 2nd comparator Input 2+ 6 Inverting input of 2nd comparator Input 2- 7 Output of 2nd comparator Output 2 8 Output of 3rd comparator Output 3 9 Inverting input of 3rd comparator Input 3- 10 Non-inverting input of 3rd comparator Input 3+ 11 Ground (0V) Ground 12 Non-inverting input of 4th comparator Input 4+ 13 Inverting input of 4th comparator Input 4- 14 Output of 4th comparator Output 4 POTENTIOMETER Introduction The humble potentiometer (or pot, as it is more commonly known) is a simple electro- mechanical transducer. It converts rotary or linear motion from the operator into a - 27 -
  • 28.
    change of resistance,and this change is (or can be) used to control anything from the volume of a hi-fi system to the direction of a huge container ship. The pot as we know it was originally known as a rheostat (or reostat in some texts) - essentially a variable wirewound resistor. The array of different types is now quite astonishing, and it can be very difficult for the beginner (in particular) to work out which type is suitable for a given task. The fact that quite a few different pot types can all be used for the same task makes the job that much harder - freedom of choice is at best confusing when you don't know what the choices actually are, or why you should make them. This article is not about to cover every aspect of pots, but is an introduction to the subject. For anyone wanting to know more, visit manufacturers' web sites, and have a look at the specifications and available types. The very first variable resistors were either a block of carbon (or some other resistive material) with a sliding contact, or a box full of carbon granules, with a threaded screw to compress the granules. More compression leads to lower resistance, and vice versa. These are rare in modern equipment, so we shall limit ourselves to the more common types Basic Pots and Knobs It is worthwhile to have a look at a few of the common pot types that are available. Figure 1 shows an array of conventional pots - both PCB and panel mounting. Figure 1 - Some Examples of Pots Note that these are not to scale, although the relative sizes are passably close. Apart from the different body shapes and sizes, there are also many "standard" mounting hole and shaft sizes. Probably the most common of all is the one in the centre of the picture. A panel mount, 25 millimetre (1") diameter pot. This uses a 10mm (3/8") mounting hole, and has a 6.35mm (1/4") shaft. These pots have been with us almost unchanged for 40 years or more. The remainder show a few of the many variations available. The fluted shaft types are commonly referred to as "metric", but will accept a standard 1/4" knob - albeit with a little play (it is less than a perfect fit, but is acceptable if the grub screw is tight enough). Metric pots are also available in 16mm round and 25mm round formats. Most rotary pots have 270 degrees of rotation from one extreme to the other. A "single turn" pot is therefore really only a 3/4 turn device, despite the name. There are - 28 -
  • 29.
    some other rotarytypes with only 200 degrees or so, and some specialty types may have less than that again. The standard schematic symbol for a pot is shown to the left (although some people insist on using zig-zag lines for resistors and pots, I don't and never have, so don't expect me to start now . A little later, we shall look at the many ways a standard pot may be wired, as well as some further explanations of the different "law" or taper used. Project 01 has been on this site for a long time now, and is a simple and effective way to create an almost logarithmic taper from a linear pot - but I am getting ahead of myself here. First, we need to continue with the examination of the basic types (and you thought the above small sample was enough ) Well, as they say ... "You ain't seen nothin' yet!" Knobs Before we look at other pot types, a quick sample of knobs. Yes, I know that everyone has seen knobs, but a dissertation on pots would be less than complete if I didn't include these. Figure 2 - Some Examples of Knobs Of these, only one deserves special mention - the one on the left. This is a multi turn vernier readout (analogue in this case) for a standard pot. Typically used with precision wirewound or conductive plastic pots, these used to be common on equipment where very accurate (and repeatable) settings were required. They are expensive, but in their day were almost indispensable. Now, a digital panel meter is cheaper, and considered much more "high tech" - such is progress, but at the expense of the "olde worlde" charm of a mechanical contrivance. And yes, you can still get them! The remainder are perfectly ordinary knobs, and again, are but a very small sample of those available from a multiplicity of manufacturers. Most cheap knobs are plastic, but they are available with brass inserts, in solid aluminium (brushed, anodised, etc.), plastic innards with a thin aluminium outer shell or just an insert. You can even buy audiophool audiophile solid wood knobs, optionally coated with special lacquer that is designed to make you think the sound has improved (nudge-nudge, wink-wink ). The list is endless, but I shall end it here. - 29 -
  • 30.
    Putting Pot toUse Well, that part is simple, isn't it? Judging from the number of e-mails I get asking about how to wire pots, the answer is obviously "no". Being 3 terminal devices (for a single gang), there are quite a few different ways that they can be wired. Connection to a single terminal is rather pointless, so at least that eliminates three "possibilities". At this point, a diagram is needed ... Figure 6 - Potentiometer Terminals and Connections As shown in Figure 6, a pot is usually wired using all three terminals, and I have used the same numbering scheme as in Figure 5. One terminal (1) is earthed (grounded) for use as a volume control - the most common usage. This allows the wiper to be turned all the way to zero signal for maximum attenuation. Note that if the earth terminal were to be left disconnected, all we have is a variable series resistance, whose effectiveness will be minimal in typical circuitry. This is still a common usage however, but for different reasons (see below). Turning the shaft clockwise (CW - by convention, to move pin 2 physically closer to pin 3, and increase (for example) volume) will select a different point along the resistance element, and forms a voltage divider, so the attenuation of the signal is proportional to the rotation of the shaft. At the fully clockwise position, there is close to zero ohms in series with the signal, and the full resistance of the pot to earth. Attenuation at this setting is zero (assuming a zero or low impedance source - this is often overlooked!), and this is full volume (maximum signal level). The source impedance should normally be no greater than 1/10th (0.1) of the pot's stated resistance. Further, the load resistance or impedance should be 10 times the pot's resistance to prevent the taper from being adversely affected. You may (of course) be deliberately loading the pot as described below, but the following stage must still present a high impedance unless its impedance has been included in your calculations. The second form of connection is a variable resistor. Not usable as a volume control, but still extensively used for other applications. It is common (and preferable) to join two of the leads together - the wiper, and one end or the other. The actual connection depends on what you are trying to achieve, and since there are so many possibilities, I won't even try to explain them all. When used in this mode it is most commonly - 30 -
  • 31.
    refererred to asa variable resistance or resistor - the word rheostat is somewhat dated (to put it mildly) and is not a term that I use in any of my articles. To get an idea of the different configurations that are in common use, have a look at the ESP Projects pages, and those on other web sites. The number of possibilities is actually not that great, but people use different conventions as well. For example, in Australia, we use the term "anti-clockwise" or ACW. In the US, this is "counter- clockwise" or CCW. At least the term clockwise seems to be common to both countries :-) Naturally enough, these are only two conventions, and I am unsure of the terminology in other countries - especially if they don't use English (and why would they, if they already have a language of their own). As a completely irrelevant side issue, the Web is changing this quite quickly, as the majority of web sites are in English. Figure 7 - Volume and Balance Controls Figure 7 assumes the use of a log pot for volume. The balance control can be done in many different ways, with that shown being but one. Quite a lot of Japanese equipment uses a dual gang pot for balance, but the resistance element only goes for half the travel. When set in the centre position, there is no loss at all, and rotation in either direction attenuates the appropriate channel, but leaves the other unaffected. This is yet another type of custom pot, made for a specific purpose. I know of no manufacturer that sells such an item through the normal distribution channels, so home builders have to come up with different ways to achieve the same (or similar) things. The balance control as shown above (with the values shown) will give a response very similar to the more complex version described in the next section. Changing the Law of a Pot Using pots can be done in the conventional way, or you can get adventurous and achieve a lot more. A good example is the "Better Volume Control" shown in Project 01. The other ideas presented also show how you can make modifications to the way a pot behaves, just by adding a resistor (R). The "ideal" value by calculation is 22k for a 100k pot, and this gives a maximum deviation of +1.58 and -1.7dB from a real log curve. This is contrast to the original article, where 15k was suggested, and although - 31 -
  • 32.
    the error isgreater (+2.89dB and -1.12dB), the overall behaviour is almost ideal in listening tests. Figure 8 - A Better Volume Control Take a look at the balance control (below) as an example. The conventional balance control requires either a log/antilog pot (virtually impossible to obtain), or one of the special types commonly used in Japanese consumer hi-fi gear. About the only way you'll get one of those is to remove it from the equipment - again, they are virtually impossible to get from normal hobbyist suppliers. Add a couple of resistors to a dual gang linear pot, and the problem is solved. Not only is the pot heavily "centre weighted", but will also maintain a relatively constant sound level as the balance is changed from full Left to full Right. The centre weighting means that for most of the pot's travel, the balance is shifted subtly, so it provides a very fine resolution around the central position - there is little requirement for only one channel (other than testing), but that is still available. In short, lots of benefits, and few drawbacks. Figure 9- Centre Weighted Balance Control Needless to say there are many other configurations that can be used, and this is but one. The resistor value (RL and RR) is fairly important - it really should be 35k for a 100k pot, but the error when using 33k is minimal (about 0.16 dB at centre position). - 32 -
  • 33.
    One of thegoals of circuit design is to utilise available components. This is not necessary if you make 10,000 of something, since at these quantities special orders will cost little or no more than the normally available components. When you are making one for yourself (or perhaps two - one for a friend for example), specially designed components are not an option due to the setup costs (this could easily be thousands of dollars / euro / pounds). Even in quantities of several hundred, available components are still (usually) cheaper. The balance control above is an example of a dual log / reverse log pot, created with a standard dual gang pot and a couple of resistors ... and it works better than a commercial offering is likely to - even if you managed to find one. For more information on this configuration, see Project 01. Note that as shown, the balance control here is not optimised for any significant impedance at the output, so its performance will change if you connect a volume control to the output. Figure 10 - Creating an "S" Curve for Lighting Another example of modifying a pot to make it do what you want is shown in the LX- 800 Lighting Controller. The faders need an "S" curve, to compensate for the non- linear behaviour of lamps and our eye's sensitivity to light levels. This is also achieved with a couple of resistors across a normal linear pot. If you don't like the shape (because of the lamps you use, for example), you can simply change the resistor values and modify the curve to suit your exact needs. Since even ordinary log pots are not actually logarithmic anyway, can you imagine getting a pot that would give you an S-Curve? Even worse, if you found that it was not suited to certain lamps, then you would be hard pressed to modify the law to get what you needed. In some cases it would be impossible. IC 7805:- IC 7805 is a 5v voltage regulator that restricts the voltage output to 5v. It is a member of 78xx series of fixed linear voltage regulator ICs. - 33 -
  • 34.
    Genraly it isused for the protection of ICs and other electronic elements because it works on under 5v. if supply is more than 5v so it can harm to the microcontroller. Pin diagram:- 3.10 LOADS: - ULN 2003 1.SEVEN DARLINGTONS PER PACKAGE OUTPUT CURRENT 500mA PER DRIVER 2.(600mA PEAK) .OUTPUT VOLTAGE 50V INTEGRATED SUPPRESSION DIODES FOR 3.INDUCTIVE LOADS OUTPUTS CAN BE PARALLELED FOR 4.HIGHER CURRENT .TTL/CMOS/PMOS/DTL COMPATIBLE INPUTS INPUTS PINNED OPPOSITE OUTPUTS TO SIMPLIFY LAYOUT - 34 - FUNCTION NAME PIN NO 1 2 3 INPUT VOLTAGE(5V-18V) GROUND(0V) RAGULATED OUTPUT VOLTAGE;5V(4.8V-5.2) INPUT GND OUTPUT
  • 35.
  • 36.
  • 37.
    RELAY A relay isan electrically operated switch. Many relays use an electromagnet to operate switching operation mechanically. It is 5 terminal device consisting of 1 coil. When coil is enerzised then a slit is moves from one point to another point LOAD In this intelligent energy saving system we are using two loads, lamp and Fan. According to the light intensity of the particular room or cabin the LDR will senses, depending on the LDR output the lamp will be ON/OFF. This system is only applicable for lamps and not applicable for tube lights, because the starting voltage of the tube lights is high compared to lamps. - 37 -
  • 38.
    4. SOFTWARE DESCRIPTION:- EMBEDDED C CODE #include <mega8.h> #include <delay.h> // Declare your global variables here void pir(); void pir1(); void main(void) { // Declare your local variables here // Input/Output Ports initialization // Port B initialization // Func7=Out Func6=Out Func5=Out Func4=Out Func3=Out Func2=Out Func1=Out Func0=Out // State7=0 State6=0 State5=0 State4=0 State3=0 State2=0 State1=0 State0=0 PORTB=0x00; DDRB=0xFF; // Port C initialization // Func6=In Func5=In Func4=In Func3=In Func2=In Func1=In Func0=In // State6=T State5=T State4=T State3=T State2=T State1=T State0=T PORTC=0x00; DDRC=0x00; // Port D initialization // Func7=In Func6=In Func5=In Func4=In Func3=In Func2=In Func1=In Func0=In // State7=T State6=T State5=T State4=T State3=T State2=T State1=T State0=T PORTD=0x00; DDRD=0x00; - 38 -
  • 39.
    // Timer/Counter 0initialization // Clock source: System Clock // Clock value: Timer 0 Stopped TCCR0=0x00; TCNT0=0x00; // Timer/Counter 1 initialization // Clock source: System Clock // Clock value: Timer1 Stopped // Mode: Normal top=0xFFFF // OC1A output: Discon. // OC1B output: Discon. // Noise Canceler: Off // Input Capture on Falling Edge // Timer1 Overflow Interrupt: Off // Input Capture Interrupt: Off // Compare A Match Interrupt: Off // Compare B Match Interrupt: Off TCCR1A=0x00; TCCR1B=0x00; TCNT1H=0x00; TCNT1L=0x00; ICR1H=0x00; ICR1L=0x00; OCR1AH=0x00; OCR1AL=0x00; OCR1BH=0x00; OCR1BL=0x00; // Timer/Counter 2 initialization // Clock source: System Clock // Clock value: Timer2 Stopped // Mode: Normal top=0xFF - 39 -
  • 40.
    // OC2 output:Disconnected ASSR=0x00; TCCR2=0x00; TCNT2=0x00; OCR2=0x00; // External Interrupt(s) initialization // INT0: Off // INT1: Off MCUCR=0x00; // Timer(s)/Counter(s) Interrupt(s) initialization TIMSK=0x00; // USART initialization // USART disabled UCSRB=0x00; // Analog Comparator initialization // Analog Comparator: Off // Analog Comparator Input Capture by Timer/Counter 1: Off ACSR=0x80; SFIOR=0x00; // ADC initialization // ADC disabled ADCSRA=0x00; // SPI initialization // SPI disabled SPCR=0x00; // TWI initialization // TWI disabled - 40 -
  • 41.
    TWCR=0x00; while (1) { int i; if(PINC.5==1) { pir(); } else { pir1(); //PORTB.2=0; //PORTB.3=0; } } } voidpir() { if(PINC.4==0) { PORTB.2=1; PORTB.3=1; delay_ms(15000); } else { - 41 -
  • 42.
  • 43.
    CONCLUSION: Intelligent Energy SavingSystem is not limited for any particular application, it can be used any where in a process industries with little modifications in software coding according to the requirements. This concept not only ensures that our work will be usable in the future but also provides the flexibility to adapt and extend, as needs change. In this project work we have studied and implemented a complete working model using a PIC microcontroller. The programming and interfering of PIC microcontroller has been mastered during the implementation. This work includes the study of energy saving system in many applications FUTURE DIRECTIONS: We except that our next generation will develop this energy saving system with wire less network. In our project we connected all the sensors to micro controller with the wires. This can be developed with wire less such that we can place different sensors in different places. This sensor will activate the micro controller with the signals instead of using wires. This system can also be applicable to various loads like pressure, force and etc. by increasing the number of ports of the micro controller. - 43 -
  • 44.
    BIBLIOGRAPHY BOOKS REFERRED: 1) Adler,R. B., A. C. Smith, and R. L. Longani: “Introduction to Semiconductor Physics,” vol. 1, p. 78, Semiconductor Electronics Education Comitee, John Wiley & Sons, Inc., New York ,1964. 2) Schade, O. H.: “Analysis of Rectifier Operation”, proc. IRE, vol.31, pp. 341-361, July, 1943. 3) Stout, M. B.: “Analysis of Rectifier Circuits”, Elec. Eng., vol. 54, September, 1935. 4) Jacob Millman Christos C. Halkias.: “Electronic Devices And Circuits”, Tata McGraw-Hill Publishing Company Ltd. Sep, 2003. 5) Jan Axelson: “Parallel Port Complete”, McGraw Hill Book Company, New York, 1989. Journals Referred 1) Innovation: Magazine of Research & Technology,2000 2) Printed Circuit Design Online (Magazine). 3) Design Magazine. 4) Microcontroller solutions. DATA SHEETS 1. PIR sensor dat sheet 2. LM 324 dat sheet 3. ULN 2003 dat sheet t 4. POT dat sheet 5. Microcontroller atmega 8A dat sheet 6. IC 7805 dat sheet - 44 -