Pumps Performance
Curve
 When faced with the need to increase volume flow rate or pressure
rise by a small amount, we might consider adding an additional small
pump in parallel or in series with the original pump.
 However, to avoid pump damage and loss of combined capacity, any
individual pump should be shutoff at net heads larger than that that
pump’s shutoff heads as indicated by the horizontal dashed lines.
That pump’s branch should also be blocked with a valve to avoid
reverse flow.
Pumps in Parallel and in Series
 If the three pumps are identical, it would not be necessary to turn
off any off of the pumps, since the shutoff head of each pump would
occur at the same net head.
A pump head-characteristic curve is a graphical representation of the
total head versus the discharge that a pump can supply. These curves, which
are determined from pump tests, are supplied by the pump manufacturer.
Two points of interest on the pump curve are the shutoff head and the
normal discharge or rated capacity.
 The shutoff head is the head output by the pump at zero discharge,
while the normal discharge (or head) or rated capacity is the discharge
(or head) where the pump is operating at its most efficient
 Variable speed motors can drive pumps at a series of rotative speeds,
which would result in a set of pump curves for the single pump, as
illustrated in the following curve.
Definitions
Flow Rates
₪ Volume flow rate: is the volume of fluid flowing past a
section per unit time.
₪ Mass flow rate: is the mass of fluid flowing past a
section per unit time.
₪ Weight flow rate: is the weight of fluid flowing past a
section per unit time.


Pump hS
Flow rate
Head
System-head-capacity Curve with Negative Lift
The figure illustrates a system-head-
curve with a negative lift.
Friction, Fitting,
and Valve Losses


Pump
hS
Total Static Head
Flow rate
Head
System-head-capacity Curve with Positive Lift
The figure illustrates a system-head-
curve in which the head is the sum of
friction, fitting, and valve losses.
The figure illustrates a system-head-
curve in which the head is the sum of
friction, fitting, and valve losses.
For Max. Lift
For Min. Lift
Flow rate
Head
System-head-capacity Curve with Varying Static Lift
Z (max)
Z (min)


Pump
hS (min)

hS (max)
hS (max)
hS (min)
The figure illustrates a system-head-
curve with a varying static lift. One for
the minimum lift and the second for
the maximum
System Throttled by Valve Operation


Valve
Flow rate
Head
The figure illustrates a system-head-curve
for a throttled system in which various
valve opening are used to vary the head-
discharge curve.
 When “n” pumps operated in series, the combined net head is
simply the sum of the net head of each pump (at a given
volume flow rate),
Pumps in Series / Parallel



n
1
i
i
combined H
H
 When “n” pumps operated in parallel, their individual volume
flow rates (rather than heads) are assumed,




 n
1
i
i
combined V
V
Pumps Operating in Parallel or in Series
 Pump manufacturers also provide curves relating to the break
horsepower (required by pump) to the pump discharge. The break
horsepower is calculating using
550
H
Q
g
bhp
e 



Where:
Q is the pump discharge in cfs,
H is the total head in ft,
.g is the specific weight of water
in Ib / ft3, and
e is the pump efficiency.
Where:
Q is the pump discharge in m3/s,
H is the total head in m,
.g is the specific weight of water in
kilonewtons/m3, and
e is the pump efficiency.
e
H
Q
g
bhp



The break horse power (bhp) The (bhp) in SI unites is given in
kilowatts
Pumps in Parallel
Volume Flow- rate V
.
Performance Curve “one pump”
Performance Curve “two pump”
System Curve
A
B
Head
H
For two identical pumps in parallel, the combined performance curve is
obtained by adding flow-rates at the same head. As shown in the figure above,
the flow-rate for the system will not be doubled with the addition of two pumps
in parallel (if the same system curve applies). However, for a relatively flat
system curve (see the shown figure), a significant increase in flow-rate can be
obtained as the operating point moves from point “A” to point “B”.
For two pumps in parallel,
added flow-rates
Pumps in Series
Volume Flow- rate V
.
Performance Curve “one pump”
Performance Curve “two pump”
System Curve
A
B
Head
H
When two pumps are placed in series, the resulting pump performance curve is
obtained by adding heads at the same flow-rate. As shown in the figure, for two
identical pumps in series, both the actual head gained by the fluid and the flow-
rate increased, but neither will be doubled if the system curve remains the
same. The operating point is at “A” for one pump and moves to “B” for two
pumps in series.
For two pumps in series,
added heads

V
Head
H
Fig. ( ) – Pumps Operating in Parallel
Q1 Q2

V
Head
H
H1
H2
Fig. ( ) – Pumps Operating in Series
For pumps operating in parallel, the head-
characteristic curves are added horizontally
with respective heads remaining the same.
For pumps operating in parallel, the
head-characteristic curves are added
horizontally with respective heads
remaining the same.
Pumps Operating in Parallel or in Series

V
Head
H
500 rev/min
800 rev/min
1000 rev/min
1200 rev/min
Fig. ( ) - Pump Performance Curves for Variable-speed Pumps.
Pump Performance Curves for Variable-speed Pumps.
Pumps Operating in Parallel or in Series
A better course of action is to
 Increase the original pumps speed and/or input power
(large electric motor),
 Replace the impeller with a larger one, or
 Replace the enter pump with a larger one.
hS
System Head Curve
Pump Characteristic Curve
Volume Flow Rate
Efficiency
Head
Efficiency
Determination of Operating Points for a Single Speed Pump
For a Fixed Static Lift (head) hS
Determination of Operating Points for a Single Speed Pump
 In order to determine the operating point for a pump or
pumps in a piping system, the characteristic curve is
superimposed on the system curve as illustrated in the figure.
 The point of intersection of the two curves is the pump
operating point.
 The pump operating point should be at or near the maximum
efficiency of the
hS Max.
Characteristic Curve for
two Pumps
Volume Flow Rate
Head
Determination of Operating Points for Two Single Speed Pumps
Pumps in Parallel and a Variable Static Lift (head) hS
Characteristic Curve for
one Pump
hS Min.
Maximum System Curve
Minimum System Curve
Operating Points
Possible range of
operation for one pump
Possible range of
operation for two pumps
Determination of Operating Points for Two Single Speed Pumps
 The figure illustrates the operating points for two single-
speed pumps operating in parallel for piping system that has
a range of static lift
 The system curves are shown for the maximum lift and the
minimum lift.
 Also shown is the range of operating points (between
minimum and maximum static lift) for a single pump.

V
Head
H
100% speed
System with a Single Pump Operating at Variable-speed
95% speed
90% speed
85% speed
Operating Points
hS
System Curve
 The Figure illustrates the operating points for a variable-speed pump
with a system curve. The affinity laws can be used to determine the
rotational at any desired operating points.
Pump “1”
Pump “2”
Pump “3”
Combined
Capacity
Shutoff head of combined pumps
Free delivery of combined pumps
Pump Performance Curve for Three Dissimilar Pumps in Parallel
Pump “3” is the strongest & Pump “1” is the weakest
Pump “3”
Pump “1”

V


 2
3 V
V




 1
2
3 V
V
V
H
 At low values of net head, the combined capacity is equal to
the sum of the capacity of each pump by itself,
 However, to avoid pump damage and loss of combined
capacity, any individual pump should be shut off at net heads
larger than that pump’s shutoff heads as indicated by the
horizontal dashed lines. That pumps branch should also be
blocked with a valve to avoid reverse
 If the three pumps are identical, it would not be necessary to
turn off any off any of the pumps, since the shutoff head of
each pump would occur at the same net head.
Pump Performance Curve for Three Dissimilar Pumps in Parallel
Pump “1”
Pump “2”
Pump “3”
Shutoff head of combined pumps
Free delivery of
combined pumps
Pump Performance Curve for Three Dissimilar Pumps in Series
Pump “3” is the strongest & Pump “1” is the weakest
Pump 3
Pump 1
H
1
2
3 H
H
H 

2
3 H
H 
only
H3

V
 At low values of volume flow rate, the combined net head is
equal to the sum of the net head of each pump by itself.
 However, to avoid pump damage and loss of combined net
head, any individual pump should be shut off and bypassed at
flow rates larger than that pump’s free delivery, as indicated by
the vertical dashed lines.
 If the three pumps were identical, it would not be necessary to
turn off any of the pumps, since the free delivery of each pump
would occur at the same volume flow rate.
Pump Performance Curve for Three Dissimilar Pumps in Series
Pumps Operating in Parallel or in Series
 Arranging dissimilar pumps in series may create problems
because the volume flow rate through each pump must be
the same, but the overall pressure rise is equal to the present
rise of one pump plus that of the other. If the pumps have
widely different performance curves, the smaller pump may
be forced to operate beyond its free delivery flow rate,
whereupon it acts like a head loss, reducing the total volume
flow rate.
 Arranging dissimilar pumps in parallel may create problems
because the overall pressure rise must be the same, but the
net volume flow rate is the sum of that through each branch.
Operating Characteristics
 Operating characteristics of pumps are dependent upon their:
 Size  Speed  and design
 In centrifugal pumps, similar flow patterns occur in geometrically
similar pumps. Through dimensional analysis the following three
independent coefficients can be derived to describe the operation
of pumps.
3
Q
D
N
Q
C
:
t
coefficien
Discharge
- 
2
2
H
D
N
H
C
:
t
coefficien
Head
- 
ess)
correction
l
dimensiona
(for
D
N
H
g
C
or 2
2
H 
5
3
H
D
N
P
C
:
t
coefficien
Power
-


Affinity laws
Even though it is not dimensionally
correct, it is commonly used
Operating Characteristics
3
1
2
1
2
1
2










D
D
N
N
Q
Q
2
1
2
2
1
2
1
2


















D
D
N
N
H
H
5
1
2
3
1
2
1
2
1
2



















D
D
N
N
P
P


 If pump “1” and pump “2” are from the same geometric family and
are operating at homologous points (the same dimensionless
position), their flow rates, heads, and powers will be related as
follows:
These are the similarity
rules, which can be used to
estimate the effect of
changing the fluid, speed,
or size on any dynamic
turbo machine-pump or
turbine within a
geometrically similar family
Operating Characteristics
 These equations are the same either in SI of BG units, but with
different values.
ft3/s
m3/s
is pump capacity
Q
r.p.m
radians /
second
is the speed
N
ft
m
is the impeller diameter
D
32.2ft3/s
9.81m3/s
is the acceleration due to gravity
g
horsepower
kilowatts
is the power
P
Slugs/ft3
Kg/m3
is the density

Operating Characteristics
 The coefficients mentioned before can be used to define the
affinity laws for a pump operating at two different speeds and the
same diameter. Consider the ratios (CQ)1 = (CQ)2 for the same
diameter and different speeds N1 and N2. (where 1 and 2 represent
corresponding points)
2
1
2
1
N
N
Q
Q

Similarly for (CH)1= (CH)2:
2
2
1
2
1
N
N
H
H









and similarly for (CP)1= (CP)2:
3
2
1
2
1
N
N
P
P









Affinity laws for
discharge and for head
equation are accurate
The affinity laws for power
may not be accurate
Operating Characteristics
 These relationships assume that the efficiency remains the same
for one point on a pump curve to a homologous point on another
pump curve.
Specific Speed “NS”
 The specific speed NS is not really representative of any meaningful
or measurable speed in a machine, so some practitioners refer to it
as “type number”, since it is used in selection of pump type.
 The value of NS for a particular machine is calculated for the
conditions obtained at its point of optimum efficiency, since ideally
this should coincide with the installed operating point of pump.
 The wide variety of units are used in calculating values of NS. The
engineer needs to check this point carefully with the pump
manufacturer.
Specific Speed “NS”
3
Q
D
N
Q
C  2
2
H
D
N
H
C 
can be eliminated by dividing CQ
1/2 by CH
1/2 as so the specific
speed becomes
H
Q
N
)
D
N
H
(
)
ND
Q
(
C
C
N 4
3
4
3
2
2
2
1
3
4
3
H
2
1
Q
S 


The discharge and head coefficients
Historically the “g”
term was disregarded
4
3
2
1
4
3 /
/
S
ft
min)
/
gal
(
)
m
.
p
.
r
(
H
Q
N
N



Note:
NS is applied
only to BEP
Best Efficient
Point
Specific Speed “NS”
a very rough guide to the range of duties covered by the different
machine is as follows:
Taking
N: revolution/ min Q: in m3/s and H: in m
 10 ˂ NS ˂ 70 : centrifugal pump (high head, low to moderate discharge)
 70 ˂ NS ˂ 165 : mixed flow pump (moderate head, moderate discharge)
 NS ˂ 165 : axial flow pump (low head, high discharge)
Worked Example
 A 6.85-in pump, running at 3500 r.p.m, has the following measured
performance for water:
450
400
350
300
250
200
150
100
50
Q,
(gal/min)
139
156
169
181
189
194
198
200
201
H ( ft)
74
79
81
80
77
72
64
50
29
 %
A. Estimate the horsepower at BEP.
B. If this pump is rescaled in water to provide 20hp at
3000 r.p.m, determine the appropriate:
C. Impeller diameter,
D. Flow rate, and
E. Efficiency for this new condition.
  hp
.
.
.
)
.
.
(
/
H
Q
g
power 47
18
550
81
0
169
10
228
2
350
2
32
94
1 3













Worked Example
From the table given:  at best efficient point = 81% and the
corresponding flow rate = 350 gal/min and the head = 169 ft. The
corresponding horsepower
N = 3000 r.p.m
N = 3500 r.p.m
D2 = ??-in
D1 = 6.85-in
Q2 = ??? gal/min
Q1 = 350 gal/min
(Power) 2 = 20 hp
(Power) 1 = 18.47 hp
The given data can be tabulated in the following table:
3
1
2
1
2
1
2










D
D
N
N
Q
Q
Worked Example
Applying the similarity laws:
gives
min
/
gal
.
.
D
D
N
N
Q
Q 415
85
6
63
7
3000
3500
350
3
3
1
2
1
2
1
2 





















5
1
2
3
1
2
1
2
1
2



















D
D
N
N
P
P

 gives
5
2
3
85
6
3500
3000
47
18
20














.
D
.
 which gives in
.
D 
 63
7
2
The efficiency for this new condition have to be = 81%:
Worked Example
 Tests on a 14.62-in-diameter centrifugal water pump at 2134 r.p.m
yields the following data:
10
8
6
4
2
0
Q, (ft3/sec)
220
300
330
340
340
340
H ( ft)
330
330
255
205
160
135
bhp
A. What is the BEP?
B. What is the specific speed?
C. Estimate the maximum discharge possible.
Table (1)

 /
H
Q
g
power
horse
break 

Worked Example
550
2
32
94
1
H
Q
.
.
bhp
/
H
Q
g
or




 

 Substituting the given values (Table 1) into Eq. (1) for 2134 r.p.m
gives :
10
8
6
4
2
0
Q, (ft3/sec)
220
300
330
340
340
340
H ( ft)
330
330
255
205
160
135
bhp
76
83
88
75
48
0
 %
1.0 gallon/min=
2.22810-3 ft3 / sec
……………….….. (1)
4
3
2
1
4
3 /
/
S
ft
min)
/
gal
(
)
m
.
p
.
r
(
H
Q
N
N



sec
/
ft
.
.
3
3
3
10
69
2
10
228
2
6
gal./min
in
Q 


 

The specific speed NS can be determined using
Worked Example
1430
330
10
69
2
2134
4
3
2
1
3
4
3





 /
/
S
)
(
)
.
(
H
Q
N
N

 /
H
Q
g
power
horse
break 

s
/
ft
.
.
H
g
Q
3
6
330
2
32
94
1
550
88
255
550
power
horse
break














Pump hS


Pump
hS
Z (max)
Z (min)


Pump
hS (min)

hS (max)


Valve

dy
T
dA
dA/dy = T
 3 to 4ycr
ycr
ycr
Example Locations of Critical Flow
Critical Depth near Overfall
Flow over a Broad-crested Weir
Example Locations of Critical Flow
ycr
Hydraulic Jump

Flow Through a Hydraulic Jump
ycr
Chang in the Bottom Slope of the Channel
 3 to 4ycr
ycr
ycr
Example Locations of Critic
Critical Depth near Overfall
Flow over a Broad-crested Weir
 3 to 4ycr
ycr
ycr
Example Locations of Critical Flo
Critical Depth near Overfall
Flow over a Broad-crested Weir
Example Locations of Critical Flow
ycr
Hydraulic Jump

Flow Through a Hydraulic Jump
ycr
Chang in the Bottom Slope of the Channel
Example Locations of Critical Flow
ycr
Hydraulic Jump

Flow Through a Hydraulic Jump
ycr
Chang in the Bottom Slope of the Channel
Example Locations of Critical Flow
hp
EGL
Z1- Zo
Zo=0
P0 = 14.7 psi
P0/g = 34ft
EGL
Pv = 0.506 psi
Pv/g = 1.17ft
For water at T=27oC
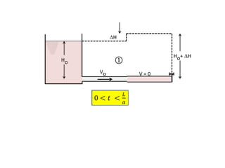
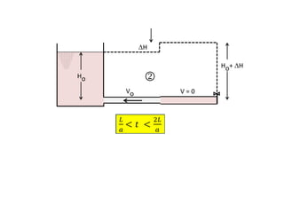
Ho
Ho+ H
Vo V = 0

H
Ho
Ho+ H
Vo V = 0

H
Ho
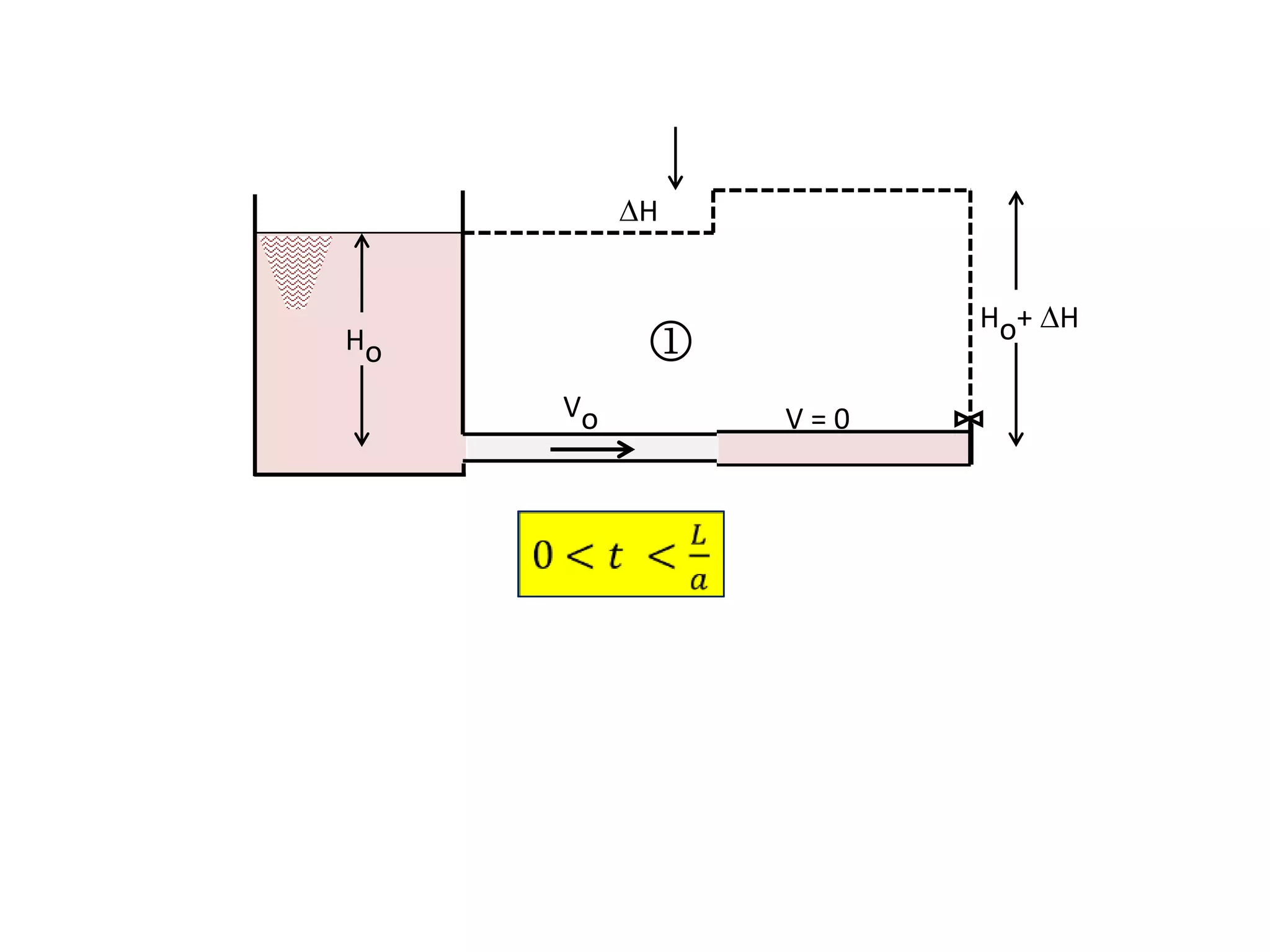
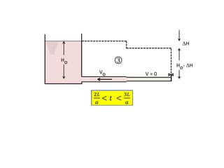
Ho- H
H
Vo V = 0

Ho
Ho- H
H
Vo V = 0

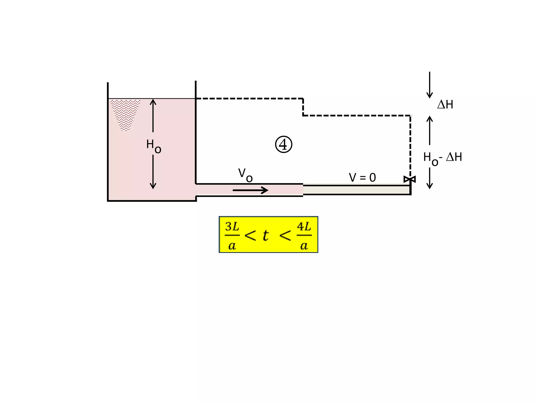
Ho- H
Ho+ H
Ho
L
V
Valve
Reservoir
L
V
Valve
Reservoir
Hydraulic Grade Line
Static Pressure Line
Surge Pressure Line
(a)
(b)
(a) Pipeline System,
(b) Surge Pressure at Valve.
f1 & D1 & L1
f2 & D2 & L2 f3 & D3 & L3


  
EGL
B
A



 L
h
H
B
A
Q Q
F2 & D2 & L2 & Q2
A B
F1 & D1 & L1 & Q1
90o

12 cm

10 ft
2 ft
3 in
1 in
h
Water
Mercury


 mercury"
"
liquid
indicating
the
in
Z
Z
at
P
P 4
3
4
3 

1.0m
1.5m
1.2m
pump







R = 0.6m
 
3.0m
A
A
Sec. A-A
30o
Expansion Joints
Concrete Anchors
Bend
30o

P1
P2
V1
V2
y
x
The general momentum equation
for steady one-dimensional flow
is:
30o
The continuity equation gives:
A pipe has a 30o horizontal bend in it
Control Surface




A Fitting between Two Pipes of Different Size (TRANSITION)
The continuity equation gives:
The general momentum equation
for steady one-dimensional flow
is:
x
y
P1
V1 V2
P2
)
V
V
(
Q
F
p
p
1
2
bold
2
1






B
F
c.g F
2/3 h
c.p
h
2/3 y
Hmin
Hmax
H
Q i
Q out
P3
P2
P1
x
y
s
c
B
A
x
y
z
Patm.
weight
P
B
/2 H
1H : 4V
H
H/4

Crest Level
 Water Level
B
dh
H
h
Crest Level
 Water Level
B
dh
H
h

Performance curve.ppt

  • 1.
  • 3.
     When facedwith the need to increase volume flow rate or pressure rise by a small amount, we might consider adding an additional small pump in parallel or in series with the original pump.  However, to avoid pump damage and loss of combined capacity, any individual pump should be shutoff at net heads larger than that that pump’s shutoff heads as indicated by the horizontal dashed lines. That pump’s branch should also be blocked with a valve to avoid reverse flow. Pumps in Parallel and in Series  If the three pumps are identical, it would not be necessary to turn off any off of the pumps, since the shutoff head of each pump would occur at the same net head.
  • 4.
    A pump head-characteristiccurve is a graphical representation of the total head versus the discharge that a pump can supply. These curves, which are determined from pump tests, are supplied by the pump manufacturer. Two points of interest on the pump curve are the shutoff head and the normal discharge or rated capacity.  The shutoff head is the head output by the pump at zero discharge, while the normal discharge (or head) or rated capacity is the discharge (or head) where the pump is operating at its most efficient  Variable speed motors can drive pumps at a series of rotative speeds, which would result in a set of pump curves for the single pump, as illustrated in the following curve. Definitions
  • 5.
    Flow Rates ₪ Volumeflow rate: is the volume of fluid flowing past a section per unit time. ₪ Mass flow rate: is the mass of fluid flowing past a section per unit time. ₪ Weight flow rate: is the weight of fluid flowing past a section per unit time.
  • 6.
      Pump hS Flow rate Head System-head-capacityCurve with Negative Lift The figure illustrates a system-head- curve with a negative lift.
  • 7.
    Friction, Fitting, and ValveLosses   Pump hS Total Static Head Flow rate Head System-head-capacity Curve with Positive Lift The figure illustrates a system-head- curve in which the head is the sum of friction, fitting, and valve losses. The figure illustrates a system-head- curve in which the head is the sum of friction, fitting, and valve losses.
  • 8.
    For Max. Lift ForMin. Lift Flow rate Head System-head-capacity Curve with Varying Static Lift Z (max) Z (min)   Pump hS (min)  hS (max) hS (max) hS (min) The figure illustrates a system-head- curve with a varying static lift. One for the minimum lift and the second for the maximum
  • 9.
    System Throttled byValve Operation   Valve Flow rate Head The figure illustrates a system-head-curve for a throttled system in which various valve opening are used to vary the head- discharge curve.
  • 10.
     When “n”pumps operated in series, the combined net head is simply the sum of the net head of each pump (at a given volume flow rate), Pumps in Series / Parallel    n 1 i i combined H H  When “n” pumps operated in parallel, their individual volume flow rates (rather than heads) are assumed,      n 1 i i combined V V
  • 11.
    Pumps Operating inParallel or in Series  Pump manufacturers also provide curves relating to the break horsepower (required by pump) to the pump discharge. The break horsepower is calculating using 550 H Q g bhp e     Where: Q is the pump discharge in cfs, H is the total head in ft, .g is the specific weight of water in Ib / ft3, and e is the pump efficiency. Where: Q is the pump discharge in m3/s, H is the total head in m, .g is the specific weight of water in kilonewtons/m3, and e is the pump efficiency. e H Q g bhp    The break horse power (bhp) The (bhp) in SI unites is given in kilowatts
  • 12.
    Pumps in Parallel VolumeFlow- rate V . Performance Curve “one pump” Performance Curve “two pump” System Curve A B Head H For two identical pumps in parallel, the combined performance curve is obtained by adding flow-rates at the same head. As shown in the figure above, the flow-rate for the system will not be doubled with the addition of two pumps in parallel (if the same system curve applies). However, for a relatively flat system curve (see the shown figure), a significant increase in flow-rate can be obtained as the operating point moves from point “A” to point “B”. For two pumps in parallel, added flow-rates
  • 13.
    Pumps in Series VolumeFlow- rate V . Performance Curve “one pump” Performance Curve “two pump” System Curve A B Head H When two pumps are placed in series, the resulting pump performance curve is obtained by adding heads at the same flow-rate. As shown in the figure, for two identical pumps in series, both the actual head gained by the fluid and the flow- rate increased, but neither will be doubled if the system curve remains the same. The operating point is at “A” for one pump and moves to “B” for two pumps in series. For two pumps in series, added heads
  • 14.
     V Head H Fig. ( )– Pumps Operating in Parallel Q1 Q2  V Head H H1 H2 Fig. ( ) – Pumps Operating in Series For pumps operating in parallel, the head- characteristic curves are added horizontally with respective heads remaining the same. For pumps operating in parallel, the head-characteristic curves are added horizontally with respective heads remaining the same. Pumps Operating in Parallel or in Series
  • 15.
     V Head H 500 rev/min 800 rev/min 1000rev/min 1200 rev/min Fig. ( ) - Pump Performance Curves for Variable-speed Pumps. Pump Performance Curves for Variable-speed Pumps.
  • 16.
    Pumps Operating inParallel or in Series A better course of action is to  Increase the original pumps speed and/or input power (large electric motor),  Replace the impeller with a larger one, or  Replace the enter pump with a larger one.
  • 17.
    hS System Head Curve PumpCharacteristic Curve Volume Flow Rate Efficiency Head Efficiency Determination of Operating Points for a Single Speed Pump For a Fixed Static Lift (head) hS
  • 18.
    Determination of OperatingPoints for a Single Speed Pump  In order to determine the operating point for a pump or pumps in a piping system, the characteristic curve is superimposed on the system curve as illustrated in the figure.  The point of intersection of the two curves is the pump operating point.  The pump operating point should be at or near the maximum efficiency of the
  • 19.
    hS Max. Characteristic Curvefor two Pumps Volume Flow Rate Head Determination of Operating Points for Two Single Speed Pumps Pumps in Parallel and a Variable Static Lift (head) hS Characteristic Curve for one Pump hS Min. Maximum System Curve Minimum System Curve Operating Points Possible range of operation for one pump Possible range of operation for two pumps
  • 20.
    Determination of OperatingPoints for Two Single Speed Pumps  The figure illustrates the operating points for two single- speed pumps operating in parallel for piping system that has a range of static lift  The system curves are shown for the maximum lift and the minimum lift.  Also shown is the range of operating points (between minimum and maximum static lift) for a single pump.
  • 21.
     V Head H 100% speed System witha Single Pump Operating at Variable-speed 95% speed 90% speed 85% speed Operating Points hS System Curve  The Figure illustrates the operating points for a variable-speed pump with a system curve. The affinity laws can be used to determine the rotational at any desired operating points.
  • 22.
    Pump “1” Pump “2” Pump“3” Combined Capacity Shutoff head of combined pumps Free delivery of combined pumps Pump Performance Curve for Three Dissimilar Pumps in Parallel Pump “3” is the strongest & Pump “1” is the weakest Pump “3” Pump “1”  V    2 3 V V      1 2 3 V V V H
  • 23.
     At lowvalues of net head, the combined capacity is equal to the sum of the capacity of each pump by itself,  However, to avoid pump damage and loss of combined capacity, any individual pump should be shut off at net heads larger than that pump’s shutoff heads as indicated by the horizontal dashed lines. That pumps branch should also be blocked with a valve to avoid reverse  If the three pumps are identical, it would not be necessary to turn off any off any of the pumps, since the shutoff head of each pump would occur at the same net head. Pump Performance Curve for Three Dissimilar Pumps in Parallel
  • 24.
    Pump “1” Pump “2” Pump“3” Shutoff head of combined pumps Free delivery of combined pumps Pump Performance Curve for Three Dissimilar Pumps in Series Pump “3” is the strongest & Pump “1” is the weakest Pump 3 Pump 1 H 1 2 3 H H H   2 3 H H  only H3  V
  • 25.
     At lowvalues of volume flow rate, the combined net head is equal to the sum of the net head of each pump by itself.  However, to avoid pump damage and loss of combined net head, any individual pump should be shut off and bypassed at flow rates larger than that pump’s free delivery, as indicated by the vertical dashed lines.  If the three pumps were identical, it would not be necessary to turn off any of the pumps, since the free delivery of each pump would occur at the same volume flow rate. Pump Performance Curve for Three Dissimilar Pumps in Series
  • 26.
    Pumps Operating inParallel or in Series  Arranging dissimilar pumps in series may create problems because the volume flow rate through each pump must be the same, but the overall pressure rise is equal to the present rise of one pump plus that of the other. If the pumps have widely different performance curves, the smaller pump may be forced to operate beyond its free delivery flow rate, whereupon it acts like a head loss, reducing the total volume flow rate.  Arranging dissimilar pumps in parallel may create problems because the overall pressure rise must be the same, but the net volume flow rate is the sum of that through each branch.
  • 27.
    Operating Characteristics  Operatingcharacteristics of pumps are dependent upon their:  Size  Speed  and design  In centrifugal pumps, similar flow patterns occur in geometrically similar pumps. Through dimensional analysis the following three independent coefficients can be derived to describe the operation of pumps. 3 Q D N Q C : t coefficien Discharge -  2 2 H D N H C : t coefficien Head -  ess) correction l dimensiona (for D N H g C or 2 2 H  5 3 H D N P C : t coefficien Power -   Affinity laws Even though it is not dimensionally correct, it is commonly used
  • 28.
    Operating Characteristics 3 1 2 1 2 1 2           D D N N Q Q 2 1 2 2 1 2 1 2                   D D N N H H 5 1 2 3 1 2 1 2 1 2                    D D N N P P    Ifpump “1” and pump “2” are from the same geometric family and are operating at homologous points (the same dimensionless position), their flow rates, heads, and powers will be related as follows: These are the similarity rules, which can be used to estimate the effect of changing the fluid, speed, or size on any dynamic turbo machine-pump or turbine within a geometrically similar family
  • 29.
    Operating Characteristics  Theseequations are the same either in SI of BG units, but with different values. ft3/s m3/s is pump capacity Q r.p.m radians / second is the speed N ft m is the impeller diameter D 32.2ft3/s 9.81m3/s is the acceleration due to gravity g horsepower kilowatts is the power P Slugs/ft3 Kg/m3 is the density 
  • 30.
    Operating Characteristics  Thecoefficients mentioned before can be used to define the affinity laws for a pump operating at two different speeds and the same diameter. Consider the ratios (CQ)1 = (CQ)2 for the same diameter and different speeds N1 and N2. (where 1 and 2 represent corresponding points) 2 1 2 1 N N Q Q  Similarly for (CH)1= (CH)2: 2 2 1 2 1 N N H H          and similarly for (CP)1= (CP)2: 3 2 1 2 1 N N P P          Affinity laws for discharge and for head equation are accurate The affinity laws for power may not be accurate
  • 31.
    Operating Characteristics  Theserelationships assume that the efficiency remains the same for one point on a pump curve to a homologous point on another pump curve.
  • 32.
    Specific Speed “NS” The specific speed NS is not really representative of any meaningful or measurable speed in a machine, so some practitioners refer to it as “type number”, since it is used in selection of pump type.  The value of NS for a particular machine is calculated for the conditions obtained at its point of optimum efficiency, since ideally this should coincide with the installed operating point of pump.  The wide variety of units are used in calculating values of NS. The engineer needs to check this point carefully with the pump manufacturer.
  • 33.
    Specific Speed “NS” 3 Q D N Q C 2 2 H D N H C  can be eliminated by dividing CQ 1/2 by CH 1/2 as so the specific speed becomes H Q N ) D N H ( ) ND Q ( C C N 4 3 4 3 2 2 2 1 3 4 3 H 2 1 Q S    The discharge and head coefficients Historically the “g” term was disregarded 4 3 2 1 4 3 / / S ft min) / gal ( ) m . p . r ( H Q N N    Note: NS is applied only to BEP Best Efficient Point
  • 34.
    Specific Speed “NS” avery rough guide to the range of duties covered by the different machine is as follows: Taking N: revolution/ min Q: in m3/s and H: in m  10 ˂ NS ˂ 70 : centrifugal pump (high head, low to moderate discharge)  70 ˂ NS ˂ 165 : mixed flow pump (moderate head, moderate discharge)  NS ˂ 165 : axial flow pump (low head, high discharge)
  • 35.
    Worked Example  A6.85-in pump, running at 3500 r.p.m, has the following measured performance for water: 450 400 350 300 250 200 150 100 50 Q, (gal/min) 139 156 169 181 189 194 198 200 201 H ( ft) 74 79 81 80 77 72 64 50 29  % A. Estimate the horsepower at BEP. B. If this pump is rescaled in water to provide 20hp at 3000 r.p.m, determine the appropriate: C. Impeller diameter, D. Flow rate, and E. Efficiency for this new condition.
  • 36.
      hp . . . ) . . ( / H Q g power47 18 550 81 0 169 10 228 2 350 2 32 94 1 3              Worked Example From the table given:  at best efficient point = 81% and the corresponding flow rate = 350 gal/min and the head = 169 ft. The corresponding horsepower N = 3000 r.p.m N = 3500 r.p.m D2 = ??-in D1 = 6.85-in Q2 = ??? gal/min Q1 = 350 gal/min (Power) 2 = 20 hp (Power) 1 = 18.47 hp The given data can be tabulated in the following table:
  • 37.
    3 1 2 1 2 1 2           D D N N Q Q Worked Example Applying thesimilarity laws: gives min / gal . . D D N N Q Q 415 85 6 63 7 3000 3500 350 3 3 1 2 1 2 1 2                       5 1 2 3 1 2 1 2 1 2                    D D N N P P   gives 5 2 3 85 6 3500 3000 47 18 20               . D .  which gives in . D   63 7 2 The efficiency for this new condition have to be = 81%:
  • 38.
    Worked Example  Testson a 14.62-in-diameter centrifugal water pump at 2134 r.p.m yields the following data: 10 8 6 4 2 0 Q, (ft3/sec) 220 300 330 340 340 340 H ( ft) 330 330 255 205 160 135 bhp A. What is the BEP? B. What is the specific speed? C. Estimate the maximum discharge possible. Table (1)
  • 39.
      / H Q g power horse break   WorkedExample 550 2 32 94 1 H Q . . bhp / H Q g or         Substituting the given values (Table 1) into Eq. (1) for 2134 r.p.m gives : 10 8 6 4 2 0 Q, (ft3/sec) 220 300 330 340 340 340 H ( ft) 330 330 255 205 160 135 bhp 76 83 88 75 48 0  % 1.0 gallon/min= 2.22810-3 ft3 / sec ……………….….. (1)
  • 40.
    4 3 2 1 4 3 / / S ft min) / gal ( ) m . p . r ( H Q N N    sec / ft . . 3 3 3 10 69 2 10 228 2 6 gal./min in Q      The specific speed NS can be determined using Worked Example 1430 330 10 69 2 2134 4 3 2 1 3 4 3       / / S ) ( ) . ( H Q N N   / H Q g power horse break   s / ft . . H g Q 3 6 330 2 32 94 1 550 88 255 550 power horse break            
  • 41.
  • 42.
  • 43.
  • 44.
  • 45.
  • 46.
     3 to4ycr ycr ycr Example Locations of Critical Flow Critical Depth near Overfall Flow over a Broad-crested Weir
  • 47.
    Example Locations ofCritical Flow ycr Hydraulic Jump  Flow Through a Hydraulic Jump ycr Chang in the Bottom Slope of the Channel
  • 48.
     3 to4ycr ycr ycr Example Locations of Critic Critical Depth near Overfall Flow over a Broad-crested Weir  3 to 4ycr ycr ycr Example Locations of Critical Flo Critical Depth near Overfall Flow over a Broad-crested Weir Example Locations of Critical Flow ycr Hydraulic Jump  Flow Through a Hydraulic Jump ycr Chang in the Bottom Slope of the Channel Example Locations of Critical Flow ycr Hydraulic Jump  Flow Through a Hydraulic Jump ycr Chang in the Bottom Slope of the Channel Example Locations of Critical Flow
  • 49.
    hp EGL Z1- Zo Zo=0 P0 =14.7 psi P0/g = 34ft EGL Pv = 0.506 psi Pv/g = 1.17ft For water at T=27oC
  • 50.
    Ho Ho+ H Vo V= 0  H
  • 51.
    Ho Ho+ H Vo V= 0  H
  • 52.
  • 53.
  • 54.
  • 55.
  • 56.
    L V Valve Reservoir Hydraulic Grade Line StaticPressure Line Surge Pressure Line (a) (b) (a) Pipeline System, (b) Surge Pressure at Valve.
  • 58.
    f1 & D1& L1 f2 & D2 & L2 f3 & D3 & L3      EGL B A     L h H B A
  • 59.
    Q Q F2 &D2 & L2 & Q2 A B F1 & D1 & L1 & Q1
  • 60.
  • 61.
     10 ft 2 ft 3in 1 in h Water Mercury    mercury" " liquid indicating the in Z Z at P P 4 3 4 3  
  • 62.
  • 63.
      R = 0.6m  3.0m A A Sec. A-A 30o
  • 64.
    Expansion Joints Concrete Anchors Bend 30o  P1 P2 V1 V2 y x Thegeneral momentum equation for steady one-dimensional flow is: 30o The continuity equation gives: A pipe has a 30o horizontal bend in it
  • 65.
    Control Surface     A Fittingbetween Two Pipes of Different Size (TRANSITION) The continuity equation gives: The general momentum equation for steady one-dimensional flow is: x y P1 V1 V2 P2 ) V V ( Q F p p 1 2 bold 2 1     
  • 68.
  • 70.
  • 72.
  • 74.
  • 75.
  • 76.
    B /2 H 1H :4V H H/4 
  • 77.
    Crest Level  WaterLevel B dh H h
  • 78.
    Crest Level  WaterLevel B dh H h