L
Oil, depth “h”
Moving bell, width “b”
V
A B
Mercury
Air, 180 Pa abs.
Water
h
80 cm
C
D
Plan View
Water
B
4 cm
3 cm
B.C
D
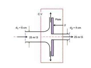
25 m/ S 25 m/ S
F
Plate
d2 = 4 cm
d1 = 6 cm
C.V
W. S
R
B
C
D
A
y2
2 m Orifice “1”
Orifice “2”
W. S
10 m
Z = 25
m
Z = 0
L = 70 m
Valve
L = 100 m
10 m
30 m
Water
A B
C
(a) (b) (c) (d)
If the motion of devices, shown in the figure, is restricted to x-direction
alone, state whether each will move in +x or –x direction. Assume
pressure at entrance and exit to be essentially same.
Determine the torque about point “O” required to prevent the rotation
of sprinkler, shown in the figure. (2 A  𝑈2 ∙ 𝑥)
𝜔
x
x
U
U
A vane with a turning angle of 60𝑜 moves with a constant velocity of
6.0 m/s as shown in the figure. Water flowing out from a nozzle 60 mm
diameter strikes the vane tangentially at 30m/s. Determine the force
on the vane?
(1624.425 N @ -60o with x-axis). `
600
6.0 m/s
30 m/s
If all the losses are neglected, the pressure at the summit of a siphon
is:
a) Independent of liquid density
b) Is independent of Q in siphon
c) Depends on height of summit above reservoir level, velocity
and mass density.
If head over the triangular notch is doubled, discharge will increase to:
a) 2 Q
b) 2.828 Q
c) 5.657 Q
d) 4 Q.
A body floats in between the plane of separation of two fluids of unit
weights 𝛾1 and 𝛾2 and if 𝑉1 and 𝑉2 are the volumes of the body in the
two fluids, the buoyant force is given by:
a) FB = γ1 ∙ V1 − γ2 ∙ V2
b) FB = γ1 ∙ V1 /γ2 ∙ V2
c) FB = γ1 ∙ V1 + γ2 ∙ V2
d) FB = γ1 ∙ V2 +γ2 ∙ V1

Presentation on MCQ on fluid

  • 2.
    L Oil, depth “h” Movingbell, width “b” V
  • 3.
    A B Mercury Air, 180Pa abs. Water h 80 cm
  • 4.
  • 5.
    25 m/ S25 m/ S F Plate d2 = 4 cm d1 = 6 cm C.V
  • 6.
  • 7.
    y2 2 m Orifice“1” Orifice “2” W. S 10 m
  • 8.
    Z = 25 m Z= 0 L = 70 m Valve L = 100 m 10 m 30 m Water A B C
  • 9.
    (a) (b) (c)(d) If the motion of devices, shown in the figure, is restricted to x-direction alone, state whether each will move in +x or –x direction. Assume pressure at entrance and exit to be essentially same.
  • 10.
    Determine the torqueabout point “O” required to prevent the rotation of sprinkler, shown in the figure. (2 A  𝑈2 ∙ 𝑥) 𝜔 x x U U
  • 11.
    A vane witha turning angle of 60𝑜 moves with a constant velocity of 6.0 m/s as shown in the figure. Water flowing out from a nozzle 60 mm diameter strikes the vane tangentially at 30m/s. Determine the force on the vane? (1624.425 N @ -60o with x-axis). ` 600 6.0 m/s 30 m/s
  • 12.
    If all thelosses are neglected, the pressure at the summit of a siphon is: a) Independent of liquid density b) Is independent of Q in siphon c) Depends on height of summit above reservoir level, velocity and mass density. If head over the triangular notch is doubled, discharge will increase to: a) 2 Q b) 2.828 Q c) 5.657 Q d) 4 Q.
  • 13.
    A body floatsin between the plane of separation of two fluids of unit weights 𝛾1 and 𝛾2 and if 𝑉1 and 𝑉2 are the volumes of the body in the two fluids, the buoyant force is given by: a) FB = γ1 ∙ V1 − γ2 ∙ V2 b) FB = γ1 ∙ V1 /γ2 ∙ V2 c) FB = γ1 ∙ V1 + γ2 ∙ V2 d) FB = γ1 ∙ V2 +γ2 ∙ V1