Chapter 7 Logic Circuits State the advantages of digital technology compared to analog technology. 2 .  Understand the terminology of digital circuits. 3 .  Convert numbers between decimal, binary, and other forms.
5 .  Understand the binary arithmetic operations used in computers and other digital systems. 6 .  Interconnect logic gates of various types to  implement a given logic function. 7 .  Use Karnaugh maps to minimize the number of gates needed to implement a logic function. 8 .  Understand how gates are connected together  to form flip-flops and registers.
 
 
 
Advantages of the Digital Approach Provided that the noise amplitude is not too large, the logic values represented by a digital signal can still be determined after noise is added. With modern IC technology, it is possible to manufacture exceedingly complex digital circuits economically containing 10s of millions of transistors.
Definitions Positive versus Negative Logic Digital Words In  parallel transmission , an  n -bit word is transferred on  n  wires, one wire for each bit, plus a common or ground wire. In  serial transmission , the successive bits of the word are transferred one after the other with a single pair of wires.
Binary Numbers
 
 
 
 
 
 
Gray Code
 
 
 
Complement Arithmetic The  one’s complement  of a binary number is obtained by replacing 1s by 0s, and vice versa. 01001101 10110010 (one’s complement)
The  two’s complement  of a binary number is obtained by adding 1 to the one’s complement, neglecting the carry (if any) out of the most significant bit. Complements are useful for representing negative numbers and performing subtraction in computers.
Subtraction Using Two’s-Complement Arithmetic
Overflow and Underflow In performing arithmetic using two’s-complement arithmetic, we must be aware of the possibility of  overflow  in which the result exceeds the maximum value that can be represented by the word length in use.
 
 
 
 
 
 
 
 
 
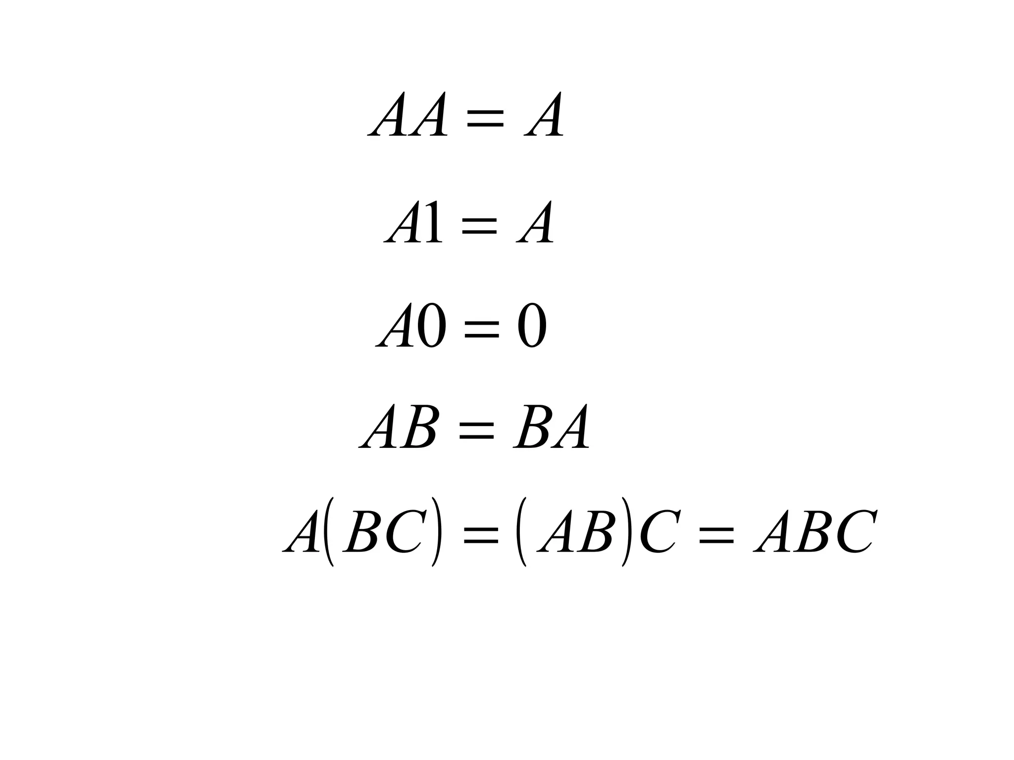
Boolean algebra expressions can be implemented by interconnection of AND gates, OR gates, and inverters.
 
 
De Morgan’s Laws If the variables in a logic expression are replaced by their inverses, the AND operation is replaced by OR, the OR operation is replaced by AND, and the entire expression is inverted, the resulting logic expression yields the same values as before the changes.
 
Chapter 12 Field-Effect Transistors  Understand MOSFET operation and small signal model (compare to BJTs). See how FETs are used to build gates in CMOS Integrated Circuits (ICs) for computers.
NMOS AND PMOS TRANSISTORS
MOSFET Summary
The Fixed- Plus Self-Bias Circuit
 
 
The Small-Signal Equivalent Circuit In small-signal midband analysis of FET amplifiers, the coupling capacitors, bypass capacitors, and dc voltage sources are replaced by short circuits. The FET is replaced with its small-signal equivalent circuit. Then, we write circuit equations and derive useful expressions for gains, input impedance, and output impedance (like earlier BJTs).
 
CMOS Inverter
 
CMOS NAND Gate
 
CMOS NOR Gate
 
NAND, NOR, and XOR Gates
 
 
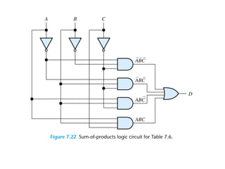
Sum-of-Products Implementation Product terms that include all of the input variables (or their inverses) are called  minterms . In a sum-of-products expression, we form a product of all the input variables (or their inverses) for each row of the truth table for which the result is logic 1. The output is the sum of these products.
 
 
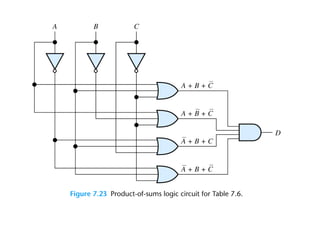
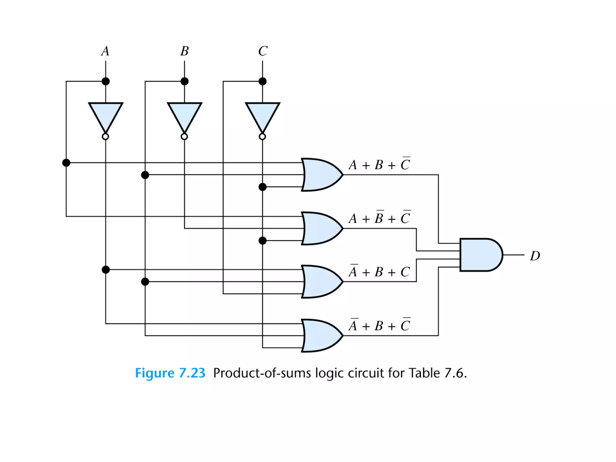
Product-of-Sums Implementation Sum terms that include all of the input variables (or their inverses) are called  maxterms . In a product-of-sums expression, we form a sum of all the input variables (or their inverses) for each row of the truth table for which the result is logic 0. The output is the product of these sums.
 
 
 
 
 
Many useful combinatorial circuits known as  decoders ,  encoders , or  translators  are available as integrated circuits.
 
 
Karnaugh Maps
 
 
 
 
 
 
 
 
 
 
 
 
 
 
 
 
 
 
 
 
 
 
 
 
DIGITAL SIGNAL PROCESSING
 
Conversion of Signals from Analog to Digital Form If a signal contains no components with frequencies higher than  f H , the signal can be exactly reconstructed from its samples, provided that the sampling rate  f s   is selected to be more than twice  f H .
 
 
Digital Lowpass Filter
 
 
 
 
 
Chapter 8 Microcomputers 1 .  Identify and describe the functional blocks of a microcomputer. 2 .  Select the type of memory needed for a given  application.
An embedded computer is part of a product, such as an automobile, printer, or bread machine, that is not called a computer. A microcomputer or microcontroller is a complete computer containing the CPU, memory, and I/O on a single silicon chip.
 
This computer, in which the instructions and data are stored in the same memory, has von Neumann architecture (also known as Princeton architecture).
 
 
 
MEMORY TYPES Read-and-write memory (RAM) (2) Read-only memory (ROM) (3) Mass storage - Disk, Flash (non volatile)
Selection of Memory 1. The trade-off between speed and cost 2.  Whether the information is to be stored permanently or must be changed frequently 3.  Whether data are to be accessed in random order or in sequence
 
 
ASSEMBLY-LANGUAGE PROGRAMMING In general, assembly language statements take the form: LABEL  INSTRUCTION/DIRECTIVE  OPERAND  COMMENT Directives  are used to give commands to the assembler.
 
 
Compilers translate a higher level language, such as C and convert it into assembly (machine language) for a particular computer. Typically one C statement will generate several (5-10) assembly language statements Most work is currently done using compilers and C. It’s faster and more cost effective to develop new applications. Some tools like Labview can automatically generate C code.

Logic Fe Tcom

  • 1.
    Chapter 7 LogicCircuits State the advantages of digital technology compared to analog technology. 2 . Understand the terminology of digital circuits. 3 . Convert numbers between decimal, binary, and other forms.
  • 2.
    5 . Understand the binary arithmetic operations used in computers and other digital systems. 6 . Interconnect logic gates of various types to implement a given logic function. 7 . Use Karnaugh maps to minimize the number of gates needed to implement a logic function. 8 . Understand how gates are connected together to form flip-flops and registers.
  • 3.
  • 4.
  • 5.
  • 6.
    Advantages of theDigital Approach Provided that the noise amplitude is not too large, the logic values represented by a digital signal can still be determined after noise is added. With modern IC technology, it is possible to manufacture exceedingly complex digital circuits economically containing 10s of millions of transistors.
  • 7.
    Definitions Positive versusNegative Logic Digital Words In parallel transmission , an n -bit word is transferred on n wires, one wire for each bit, plus a common or ground wire. In serial transmission , the successive bits of the word are transferred one after the other with a single pair of wires.
  • 8.
  • 9.
  • 10.
  • 11.
  • 12.
  • 13.
  • 14.
  • 15.
  • 16.
  • 17.
  • 18.
  • 19.
    Complement Arithmetic The one’s complement of a binary number is obtained by replacing 1s by 0s, and vice versa. 01001101 10110010 (one’s complement)
  • 20.
    The two’scomplement of a binary number is obtained by adding 1 to the one’s complement, neglecting the carry (if any) out of the most significant bit. Complements are useful for representing negative numbers and performing subtraction in computers.
  • 21.
  • 22.
    Overflow and UnderflowIn performing arithmetic using two’s-complement arithmetic, we must be aware of the possibility of overflow in which the result exceeds the maximum value that can be represented by the word length in use.
  • 23.
  • 24.
  • 25.
  • 26.
  • 27.
  • 28.
  • 29.
  • 30.
  • 31.
  • 32.
    Boolean algebra expressionscan be implemented by interconnection of AND gates, OR gates, and inverters.
  • 33.
  • 34.
  • 35.
    De Morgan’s LawsIf the variables in a logic expression are replaced by their inverses, the AND operation is replaced by OR, the OR operation is replaced by AND, and the entire expression is inverted, the resulting logic expression yields the same values as before the changes.
  • 36.
  • 37.
    Chapter 12 Field-EffectTransistors Understand MOSFET operation and small signal model (compare to BJTs). See how FETs are used to build gates in CMOS Integrated Circuits (ICs) for computers.
  • 38.
    NMOS AND PMOSTRANSISTORS
  • 39.
  • 40.
    The Fixed- PlusSelf-Bias Circuit
  • 41.
  • 42.
  • 43.
    The Small-Signal EquivalentCircuit In small-signal midband analysis of FET amplifiers, the coupling capacitors, bypass capacitors, and dc voltage sources are replaced by short circuits. The FET is replaced with its small-signal equivalent circuit. Then, we write circuit equations and derive useful expressions for gains, input impedance, and output impedance (like earlier BJTs).
  • 44.
  • 45.
  • 46.
  • 47.
  • 48.
  • 49.
  • 50.
  • 51.
    NAND, NOR, andXOR Gates
  • 52.
  • 53.
  • 54.
    Sum-of-Products Implementation Productterms that include all of the input variables (or their inverses) are called minterms . In a sum-of-products expression, we form a product of all the input variables (or their inverses) for each row of the truth table for which the result is logic 1. The output is the sum of these products.
  • 55.
  • 56.
  • 57.
    Product-of-Sums Implementation Sumterms that include all of the input variables (or their inverses) are called maxterms . In a product-of-sums expression, we form a sum of all the input variables (or their inverses) for each row of the truth table for which the result is logic 0. The output is the product of these sums.
  • 58.
  • 59.
  • 60.
  • 61.
  • 62.
  • 63.
    Many useful combinatorialcircuits known as decoders , encoders , or translators are available as integrated circuits.
  • 64.
  • 65.
  • 66.
  • 67.
  • 68.
  • 69.
  • 70.
  • 71.
  • 72.
  • 73.
  • 74.
  • 75.
  • 76.
  • 77.
  • 78.
  • 79.
  • 80.
  • 81.
  • 82.
  • 83.
  • 84.
  • 85.
  • 86.
  • 87.
  • 88.
  • 89.
  • 90.
  • 91.
  • 92.
  • 93.
    Conversion of Signalsfrom Analog to Digital Form If a signal contains no components with frequencies higher than f H , the signal can be exactly reconstructed from its samples, provided that the sampling rate f s is selected to be more than twice f H .
  • 94.
  • 95.
  • 96.
  • 97.
  • 98.
  • 99.
  • 100.
  • 101.
  • 102.
    Chapter 8 Microcomputers1 . Identify and describe the functional blocks of a microcomputer. 2 . Select the type of memory needed for a given application.
  • 103.
    An embedded computeris part of a product, such as an automobile, printer, or bread machine, that is not called a computer. A microcomputer or microcontroller is a complete computer containing the CPU, memory, and I/O on a single silicon chip.
  • 104.
  • 105.
    This computer, inwhich the instructions and data are stored in the same memory, has von Neumann architecture (also known as Princeton architecture).
  • 106.
  • 107.
  • 108.
  • 109.
    MEMORY TYPES Read-and-writememory (RAM) (2) Read-only memory (ROM) (3) Mass storage - Disk, Flash (non volatile)
  • 110.
    Selection of Memory1. The trade-off between speed and cost 2. Whether the information is to be stored permanently or must be changed frequently 3. Whether data are to be accessed in random order or in sequence
  • 111.
  • 112.
  • 113.
    ASSEMBLY-LANGUAGE PROGRAMMING Ingeneral, assembly language statements take the form: LABEL INSTRUCTION/DIRECTIVE OPERAND COMMENT Directives are used to give commands to the assembler.
  • 114.
  • 115.
  • 116.
    Compilers translate ahigher level language, such as C and convert it into assembly (machine language) for a particular computer. Typically one C statement will generate several (5-10) assembly language statements Most work is currently done using compilers and C. It’s faster and more cost effective to develop new applications. Some tools like Labview can automatically generate C code.