Bioprocess Control(On-line, off-line and in-line)14th. July 2010CEPP, UTM Skudai, JohorProf. Dr. Hesham A. El EnshasyFaculty of Chemical EngineeringCEPP, UTM, Skudai, Malaysia
Main Items of PresentationCell Input and Cell out-put (conditions and nutrients requirements)Parameters for measurements and control for cultivation systemSensors used for bioreactors Feed back loops for bioprocess control Summary screen for different control system SCADA system for control using ethernet platform
Cell In-put and Cell Out-put
Substrate(s) Input and OutputOxygenCarbon dioxide Carbon and Energy Sources  BiomassCELLMetabolite(s)Nitrogen SourceWater Other requirements(P, S,Na,K,Mg,etc…)Heat
Different Parameters for cultivation system
Integrated of Mathematical Methods for Advanced Process Control Ref. (Clementschitsch and Bayer. Microbial Cell Factories 5:19 (2006)
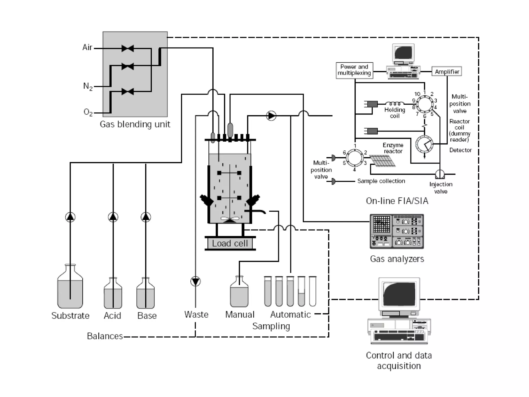
Input and Output of Bioreactor system (General overview)
Main in situ sensors used for measuring cultivation parameters
Exhaust gasAnalyzerFeed pump(s)pHTemperatureDOAerationPressurePower consumptionWeight / volumeStirrer SpeedMeasurement and open or closed loop controlMeasurement onlyCommon measurement and control of bioreactors as generally accepted as routine equipment
Lower ports for in situ sterilizable STR
Upper/lower ports and Headplate
pH values of different liquids
pH and hydrogen ion concentration
pH measuring circuit and pH meter construction
Temperature Effect on pH value
Temperature Error Table
DO meter construction
The relation between DO and Temperature
Standard Antifoam SensorType of foam:  Early foaming  Late foamingAntifoam effects on: DO Growth morphology  (Filamentous MO)Foam sensors:  Low foam sensor  High foam sensor
On-line cell mass determination methods
On-line cell mass and viability measurementTheory: Cells with intact plama membranes act like tiny capacitors under the influence of electric field. The nonconducting nature of plasma membranes allows charge to build up. The resulting capacitance can be measured and is usually expressed in picofarad per centimeter (pF/cm). It depends on the cell type and is directly proportional to membrane bound volume of viable cells.
Controlling stat-culture
Feedback and Feedforward controllersFeedback control:A control algorithm to reduce the error between the set point and the controlled variable (most often PID or model predictive controller algorithm is used)Feedforward control: A computation of the manipulated variable from a measurement of the disturbance (most often corrected by a PID or model predictive controller)
Basic feedback loops for a fungal culture for antibiotic production
Basic feedback loops for microbial high cell density formation
Bioreactor Input and Output for basic PID control  feed
Connections to USB, controller software and Ethernet for SCADA
Supervisory Control and Data Acquisition syste (SCADA)
Thank You

Lecture 3 bioprocess control