Submitted by:
Rouf Ahmad
Crystallization & Whole broth
processing
CRYSTALLIZATION:
 Crystallization is important as an industrial process
because of the number of materials that are and can be
marketed are in the form of crystals.
 Crystallization may be carried out from a vapor, from a
melt, or from a solution.
 More than 80% of the substances used in
pharmaceuticals, fine chemicals, agrochemicals, food
and cosmetics are isolated or formulated in their solid
form.
 Crystallization is in general the last chemical purification
step in the production of ingredients.
 Crystallization is the (natural or artificial) process of
formation of solid crystals precipitating from a solution,
melt or more rarely deposited directly from a gas.
 Crystallization is also a chemical solid-liquid separation
technique, in which mass transfer of a solute from the
liquid solution to a pure solid crystalline phase occurs.
 Its extensive use is based on the fact that this single
operation is both a separation and a purification process
whereby a solid crystalline product can be isolated with
high purity and with relatively low capital and operating
costs.
Crystals
 A crystal may be defined as a solid composed of atoms arranged
in an orderly, repetitive array.
 Crystals are grown in many shapes, which are dependent upon
downstream processing or final product requirements
 Crystal shapes can include
cubic, tetragonal, orthorhombic, hexagonal, monoclinic, triclinic
, and trigonal.
 In order for crystallization to take place a solution must be
"supersaturated".
 Supersaturation refers to a state in which the liquid (solvent)
contains more dissolved solids (solute) than can ordinarily be
accomodated at that temperature
 The crystallization process consists of two major
events, nucleation and crystal growth.
Nucleation
 Nucleation is the step where the solute molecules dispersed
in the solvent start to gather into clusters, on the
nanometer scale (elevating solute concentration in a small
region), that becomes stable under the current operating
conditions.
 the clusters reach a critical size in order to become stable
nuclei.This is dictated by the operating conditions
(temperature, supersaturation, etc)
 Total nucleation is the sum effect of two categories of
nucleation - primary and secondary.
Primary nucleation
 Primary nucleation is the initial formation of a crystal
where there are no other crystals present or where, if
there are crystals present in the system, they do not
have any influence on the process.
 This can occur in two conditions:
1. homogeneous nucleation
2. heterogeneous nucleation
Secondary nucleation
 Secondary nucleation is the formation of nuclei
attributable to the influence of the existing
microscopic crystals in the magma.
 first type of known secondary crystallization is
attributable to fluid shear, the other due to collisions
between already existing crystals with either a solid
surface of the crystallizer or with other crystals
themselves.
Crystal growth
 Once the first small crystal, the nucleus, forms it
acts as a convergence point for molecules of solute
touching - or adjacent to - the crystal so that it
increases its own dimension in successive layers.
 Growth rate is influenced by several physical
factors, such as surface tension of
solution, pressure, temperature, relative crystal
velocity in the solution.
Artificial methods
 For crystallization to occur from a solution it must be
supersaturated
 This can be achieved by various methods:
1. solution cooling,
2. addition of a second solvent to reduce the solubility of
the solute
3. chemical reaction
4. solvent evaporation
Applications
 There are two major groups of applications for the
artificialcrystallization process:
1. crystal production and
2. purification.
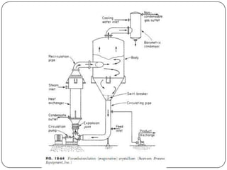
Equipment for crystallization
 Tank Crystallizers
 Forced circulation crystallizer
 Scraped surface crystallizers
 Circulating-magma vacuum crystallizer
 Oslo crystallizer
DTB (Draft Tube and Baffle) crystallizer
Oslo-Krystal Cooling crystallizers
Whole broth processing
 The concept of recovering a metabolite directly from
an unfiltered fermentation broth is of considerable
interest because of its simplicity, the reduction in
process stages and the potential cost savings.
 It may also be possible to remove the desired
fermentation product continuously from a broth
during fermentation so that inhibitory effects due to
product formation and product degradation can be
minimized throughout the production phase.
Methods
 Ion exchange resins
 Dialysis
 Expanded-Bed Adsorption
 Resin method.
Ion exchange resins
 Ion exchange resins are polymers that are capable of exchanging
particular ions within the polymer with ions in a solution that is
passed through them
 The resins are prepared as spherical beads 0.5 to 1.0 mm in diameter.
 These appear solid even under the microscope, but on a molecular scale
the structure is quite open.
 This means that a solution passed down a resin bed can flow through
the crosslinked polymer, bringing it into intimate contact with the
exchange sites.
Dialysis
 Removal of soluble impurities from solution by the use
of semipermeable membrane is known as dialysis
 Solutes present in a solution(broth) can pass through
a semipermeable membrane.
 Cycloheximide was extracted using methylene
chloride. Methylene chloride was circulated in a
dialysis tubing loop which passed through a
fermentor.
 The product yield increased by almost double by this
dialysis-solvent extraction method.
Resin Method
 Sterile beads of an acrylic resin, as dispersed beads
or beads wrapped in ultrafiltration method, were
put in fermentors 48 hours after inoculation.
 Some of the cycloheximide formed in broth was
absorbed in resin.
 Recovery of antibiotic from resin is achieved by
solvents or by changing temperature.
Electrodialysis(ED)
 Electrodialysis(ED) is a well known separation
process where ionized compounds are separated from
non ionized compounds in aqueous solutions based on
transport through ion exchange membranes in an
electric field.
 Since in a fermentation broth the lactate salt is
ionized, whereas the carbohydrates and proteins and
amino acids are either non ionized or weakly ionized,
recovery and purification of lactate salts from a
fermentation broth by electrodialysis is feasible.
Expanded-Bed Adsorption Theory
Expanded-Bed Adsorption Theory
When the resin has packed in the column, the beads are close together (1). As the
column is fluidized, the resin beads establish a concentration gradient (2). The sample
feedlot is injected, and particulates and cell debris (green dots) move past the resin and
out of the column, while the compound of interest (red dots) interacts with the beads
(3). The column is then repacked, the flow is reversed, and the compound is eluted
from the beads (4).
47805741 crystallization-whole-broth-processing

47805741 crystallization-whole-broth-processing

  • 1.
  • 2.
    CRYSTALLIZATION:  Crystallization isimportant as an industrial process because of the number of materials that are and can be marketed are in the form of crystals.  Crystallization may be carried out from a vapor, from a melt, or from a solution.  More than 80% of the substances used in pharmaceuticals, fine chemicals, agrochemicals, food and cosmetics are isolated or formulated in their solid form.  Crystallization is in general the last chemical purification step in the production of ingredients.
  • 3.
     Crystallization isthe (natural or artificial) process of formation of solid crystals precipitating from a solution, melt or more rarely deposited directly from a gas.  Crystallization is also a chemical solid-liquid separation technique, in which mass transfer of a solute from the liquid solution to a pure solid crystalline phase occurs.  Its extensive use is based on the fact that this single operation is both a separation and a purification process whereby a solid crystalline product can be isolated with high purity and with relatively low capital and operating costs.
  • 4.
    Crystals  A crystalmay be defined as a solid composed of atoms arranged in an orderly, repetitive array.  Crystals are grown in many shapes, which are dependent upon downstream processing or final product requirements  Crystal shapes can include cubic, tetragonal, orthorhombic, hexagonal, monoclinic, triclinic , and trigonal.  In order for crystallization to take place a solution must be "supersaturated".  Supersaturation refers to a state in which the liquid (solvent) contains more dissolved solids (solute) than can ordinarily be accomodated at that temperature  The crystallization process consists of two major events, nucleation and crystal growth.
  • 5.
    Nucleation  Nucleation isthe step where the solute molecules dispersed in the solvent start to gather into clusters, on the nanometer scale (elevating solute concentration in a small region), that becomes stable under the current operating conditions.  the clusters reach a critical size in order to become stable nuclei.This is dictated by the operating conditions (temperature, supersaturation, etc)  Total nucleation is the sum effect of two categories of nucleation - primary and secondary.
  • 6.
    Primary nucleation  Primarynucleation is the initial formation of a crystal where there are no other crystals present or where, if there are crystals present in the system, they do not have any influence on the process.  This can occur in two conditions: 1. homogeneous nucleation 2. heterogeneous nucleation
  • 7.
    Secondary nucleation  Secondarynucleation is the formation of nuclei attributable to the influence of the existing microscopic crystals in the magma.  first type of known secondary crystallization is attributable to fluid shear, the other due to collisions between already existing crystals with either a solid surface of the crystallizer or with other crystals themselves.
  • 8.
    Crystal growth  Oncethe first small crystal, the nucleus, forms it acts as a convergence point for molecules of solute touching - or adjacent to - the crystal so that it increases its own dimension in successive layers.  Growth rate is influenced by several physical factors, such as surface tension of solution, pressure, temperature, relative crystal velocity in the solution.
  • 9.
    Artificial methods  Forcrystallization to occur from a solution it must be supersaturated  This can be achieved by various methods: 1. solution cooling, 2. addition of a second solvent to reduce the solubility of the solute 3. chemical reaction 4. solvent evaporation
  • 10.
    Applications  There aretwo major groups of applications for the artificialcrystallization process: 1. crystal production and 2. purification.
  • 11.
    Equipment for crystallization Tank Crystallizers  Forced circulation crystallizer  Scraped surface crystallizers  Circulating-magma vacuum crystallizer  Oslo crystallizer
  • 13.
    DTB (Draft Tubeand Baffle) crystallizer
  • 15.
  • 16.
    Whole broth processing The concept of recovering a metabolite directly from an unfiltered fermentation broth is of considerable interest because of its simplicity, the reduction in process stages and the potential cost savings.  It may also be possible to remove the desired fermentation product continuously from a broth during fermentation so that inhibitory effects due to product formation and product degradation can be minimized throughout the production phase.
  • 17.
    Methods  Ion exchangeresins  Dialysis  Expanded-Bed Adsorption  Resin method.
  • 18.
    Ion exchange resins Ion exchange resins are polymers that are capable of exchanging particular ions within the polymer with ions in a solution that is passed through them  The resins are prepared as spherical beads 0.5 to 1.0 mm in diameter.  These appear solid even under the microscope, but on a molecular scale the structure is quite open.  This means that a solution passed down a resin bed can flow through the crosslinked polymer, bringing it into intimate contact with the exchange sites.
  • 19.
    Dialysis  Removal ofsoluble impurities from solution by the use of semipermeable membrane is known as dialysis  Solutes present in a solution(broth) can pass through a semipermeable membrane.  Cycloheximide was extracted using methylene chloride. Methylene chloride was circulated in a dialysis tubing loop which passed through a fermentor.  The product yield increased by almost double by this dialysis-solvent extraction method.
  • 20.
    Resin Method  Sterilebeads of an acrylic resin, as dispersed beads or beads wrapped in ultrafiltration method, were put in fermentors 48 hours after inoculation.  Some of the cycloheximide formed in broth was absorbed in resin.  Recovery of antibiotic from resin is achieved by solvents or by changing temperature.
  • 21.
    Electrodialysis(ED)  Electrodialysis(ED) isa well known separation process where ionized compounds are separated from non ionized compounds in aqueous solutions based on transport through ion exchange membranes in an electric field.  Since in a fermentation broth the lactate salt is ionized, whereas the carbohydrates and proteins and amino acids are either non ionized or weakly ionized, recovery and purification of lactate salts from a fermentation broth by electrodialysis is feasible.
  • 22.
    Expanded-Bed Adsorption Theory Expanded-BedAdsorption Theory When the resin has packed in the column, the beads are close together (1). As the column is fluidized, the resin beads establish a concentration gradient (2). The sample feedlot is injected, and particulates and cell debris (green dots) move past the resin and out of the column, while the compound of interest (red dots) interacts with the beads (3). The column is then repacked, the flow is reversed, and the compound is eluted from the beads (4).