Generator Protection
Presented by:
Professor Dr. Saady Abd-El hamid
Lecture 2
From Lecture 1, We can say:
Generator hazards and problems are as follows:
A. Internal faults
1. Phase or ground faults in the stator and associated areas
(required primary and backup protection )
2. Ground faults in the rotor and loss-of-field excitation
(Mention the relay types according to generator rating)
B. System disturbances and operational hazards
1. Loss of prime-mover; generator motoring (32)
2. Overexcitation: volts or hertz protection (24)
3. Inadvertent energization: non synchronized connection (67)
4. Unbalanced currents: negative sequence (46); breaker pole
flashover (61)
5. Thermal overload (49)
Reverse Phase Relay
Thermal Relay
Continue
Generator hazards and problems are as follows:
6. Off-frequency operation for large steam turbines
7. Un cleared system faults: backup distance (21); voltage
controlled time over-current (50V)
8. Overvoltage (59)
9. Loss of synchronism: out of step
10. Sub-synchronous oscillations
11. Loss of voltage transformer signal to relaying or voltage
regulator
12. Generator breaker failure
Cut the fues of V.T
In the case of DG, additional protection is required at
the point of common coupling (PCC).
This protection also serves to protect the generator from
events that may originate on the utility power system.
Facilities at the PCC will typically consist of protection to
A- prevent islanded operation of the DG and part of the utility
system,
B- To assure that:
(1) the generator does not cause voltage and frequency on the
utility system to be outside the acceptable limits,
(2) the generator trips for required faults on the intertie line,
(3) faults on the distributed generator system are cleared by
the PCC breaker rather than by interrupting devices located on
the utility power system.
© ABB Group
June 26, 2020 | Slide 5
Type of fault ANSI Device
No.
Protection Functions
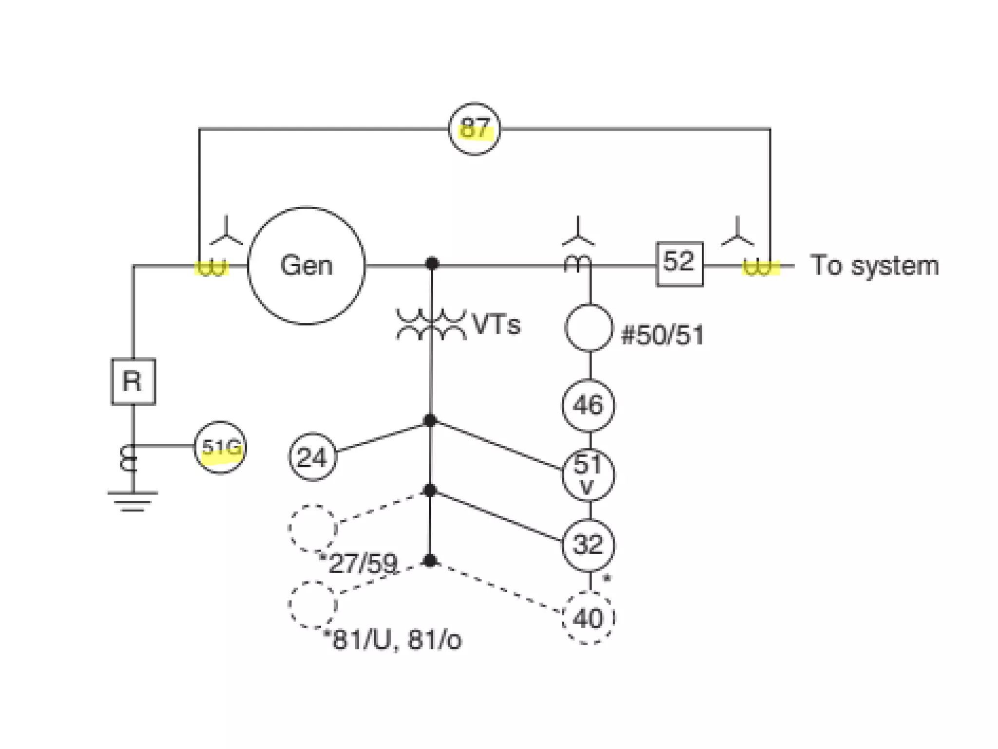
GENERATOR
STATOR
Short Circuits 87G
87GT
21G
51 / 27 G
Generator differential
Overall differential
Minimum impedance (or alternatively
Over current / under voltage)
Asymmetry
Stator overload
Earth fault stator
46G
51G
64G1
64G2
Negative sequence
Overload
95% stator earth fault
100% stator earth fault
• Following are the various protections recommended
for the generator and generator transformer protection:
© ABB Group
June 26, 2020 | Slide 6
Loss of excitation 40G Loss of excitation
Out of step 98G Pole slip
Monitoring 32G / 37G Low forward power / reverse power
(double protection for large generators)
Blade fatigue 81G Minimum frequency
Inter turn fault 95G Over voltage or over current
Mag. Circuits 99G Overfluxing volt / Hz
Higher voltage 59G Over voltage
Accidental
energisation
27 / 50 G Dead machine
Monitoring 60 G PT fuse failure
© ABB Group
June 26, 2020 | Slide 7
GENERATOR
ROTOR
Rotor ground 64F Rotor earth fault
GENERATOR
TRANSFORMER
Short Circuits 87GT
51GT
87T
Overall differential
Overcurrent
Transformer differential
Ground fault 51NGT
87NT
Earth fault over-current
Restricted earth fault
Overhang 87HV HV winding cum overhang differential
UNIT AUXILIARY
TRANSFORMER
Short circuit 87 UAT
51 UAT
Transformer differential
Over-current
Ground fault 51 UAT
64 UAT
Restricted over-current
Restricted earth fault
I- Stator fault Protection
1. Stator phase faults
2. Stator ground faults
3- Stator Open circuit or unbalance current
4- Stator over heating
5- Stator over voltage
6-Inter - Turn Faults
II- Field fault Protection
1. Field ground faults
III- External faults (backup protection)
Over speed protection, Motoring, Loss of
Synchronism protection
Generator Fault Protection
1-
A- Differential protection for small generator units with flux
summation current transformers and an instantaneous over
current (50 relay). (Self-Balancing Differential)
▪The limitation is the ability to pass the two conductors
through the window or opening of the CT. Typical opening
diameters are about 4–8 in. However, where this is possible,
high-sensitivity, high-speed protection is obtained, and CT
performance does not have to be matched, for there is only one
involved per phase.
➢ The flux summation CT ratio (commonly 50:5) is
independent of generator load current.
➢Typical sensitivities in the order of 5 A primary current can
be obtained.
➢This provides protection for both phase- and ground-fault
currents as long as the fault level for faults within the
differential zone is greater than the sensitivity.
Be Careful
This scheme does not provide protection to the connections
from the flux summation CT to the generator breaker, unless
the CT is on the bus side of the breaker and the generator
neutral side leads are carried to that point.
This is seldom practical, so other protection must be provided
for this area between the flux summation CT and the breaker.
In general, this scheme is more sensitive as long as the
generator CT ratio is greater than 150:5 to 200:5.
If the flux summation CT is not applicable and differential
protection is desired, the scheme of next Figure can be
used.
B- Typical differential (87) connections for the protection of
wye - and delta connected generators
Modified Percentage-differential relaying for a wye-connected generator with only
four leads brought out.
Generator differential relaying with a double-breaker bus.
➢Usually, the differential CTs have the same ratio, and they
should preferably be of the same type and manufacture to
minimize mismatch errors for external faults. This is possible
for the unit generators
➢Generally, the impedance of the restraint winding of
differential relays is low. All this contributes to a totally low-
burden and increased performance margins for the CTs.
➢The application recommendations permit the use of sensitive
generator differential relays with low percentage
characteristics, typically 10%–25% for the fixed percentage
types and the equivalent or lower for the variable types.
Relay sensitivities (pickup current) are near 0.14–0.18 A for
the 10% and variable percentage types and about 0.50 A for
the 25% types.
The function of the restraining coil is to avoid
the malfunctioning of the main relay.
Restraining current is flowing through the
restraining coil is to prevent the external faults.
The increase the current increases the
restraining torque.
➢The operating time should be fast to open the breaker(s),
remove the field, and initiate reduction of the prime-mover
input.
➢Unfortunately, the flux in the machine continues to supply
the fault for several seconds (about 8–16 sec), so instantaneous
de-energization of generator faults is not possible.
➢Problems with magnetizing inrush generally are not severe
because the voltage on the machine is developed gradually,
and the generator is carefully synchronized to the power
system.
The Minimum Pickup region is used between zero and
approximately 0.5 per unit restraint current. It provides
security against CT remanence and accuracy errors and is
usually set between 0.3 and 0.5pu.
• The Slope 1 region is used between the minimum pickup
region and the slope 2 breakpoint. Slope 1 provides security
against false tripping due to CT accuracy. Class C CT
accuracy is +/‐10%, therefore 20% should be the absolute
minimum setting with greater than 30% preferred.
• The Slope 2 region is used above the slope 2 breakpoint,
which is normally set at 2pu. Slope 2 provides security
against false tripping during through fault events where CT
saturation is likely.
Above 2pu current, a significant DC current component will
be present and therefore saturation is likely. Slope 2 is
normally set at 60‐80%.
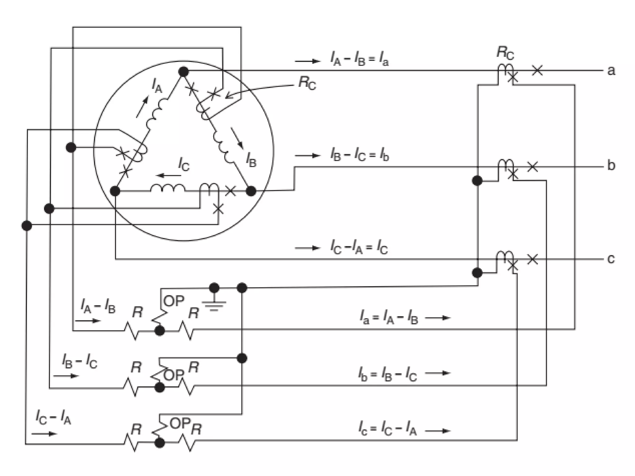
C- HIGH-IMPEDANCE VOLTAGE DIFFERENTIAL
PROTECTION FOR GENERATORS
The high-impedance voltage type of differential protection scheme can
be applied as an alternative to the current differential type described. The
relays are connected between phase and neutral leads of paralleled CTs.
For external faults, the voltage across the relay will be low, because the
current circulates between the two sets of CTs (see Figure 8.7).
For internal faults, the fault currents must pass through the exciting
branch and high impedance relay of each CT, so that the CTs are
saturated for most faults, producing a high voltage to operate the relay.
This protection scheme is widely used for bus protection and is described
further in Chapter 10. The CT requirements are more or less critical.
They should have identical characteristics, negligible leakage reactance,
and fully distributed secondary windings.
Transverse differential protection of a generator
(three c.t.'s only are used)
Split-winding generators, where the two winding
halves are available with CTs in one of the halves
(Figure 8.8), can be protected with two separate
differentials. By comparing one winding half against
the total, as shown, protection for shorted turns and
open-circuited windings is possible. This is difficult or
impossible for conventional relaying until the fault
develops into the other phases or the ground. Where a
2:1 CT ratio is not available, auxiliary CTs can be
used.
Connection diagram for transverse differential
protection of a generator
PHASE-FAULT BACKUP PROTECTION (51V) OR (21)
Backup protection for the generator and connected system
can be provided by a voltage-controlled or voltage-restraint
time-over current relay (51V) or by phase distance relays
(21). These two types are in wide use, with 51V generally
applied to medium and smaller generators, and 21V for
large-unit generators.
VOLTAGE-CONTROLLED OR VOLTAGE-RESTRAINT
TIME–OVERCURRENT (51V) BACKUP PROTECTION
This is a non directional relay; therefore, it can be connected
to CTs at the ground terminal or at the neutral end as in
Figure generator connection. Voltage is from the generator
voltage transformers (VTs) and is used to prevent the time
over current unit from operating, until a fault decreases the
voltage.
PHASE-DISTANCE (21) BACKUP PROTECTION
On large generators, especially the unit types, phase-fault
backup is usually provided by phase-distance units (21). When
connected to CTs on the neutral side, backup is provided for
both the generator and the system. When using a three-phase
type 21 relay, the phase shift of the transformer does not affect
the reach, as it does for single-phase-type units. Voltage is
obtained from the VTs at the generator terminals.
For distance relays, the location of the CTs determines the
directional sensing, whereas distance is measured from the
location of the VTs. Thus, if CTs at the generator leads were
used, backup could be provided only for the system or for the
generator, but not both, depending on the connections. When
it is set such that it looks into the system, a fixed timer
provides the necessary time delay to coordinate with all the
relays its setting overreaches.
Generator protection  LEC 2
Generator protection  LEC 2
Generator protection  LEC 2
Generator protection  LEC 2

Generator protection LEC 2

  • 1.
    Generator Protection Presented by: ProfessorDr. Saady Abd-El hamid Lecture 2
  • 2.
    From Lecture 1,We can say: Generator hazards and problems are as follows: A. Internal faults 1. Phase or ground faults in the stator and associated areas (required primary and backup protection ) 2. Ground faults in the rotor and loss-of-field excitation (Mention the relay types according to generator rating) B. System disturbances and operational hazards 1. Loss of prime-mover; generator motoring (32) 2. Overexcitation: volts or hertz protection (24) 3. Inadvertent energization: non synchronized connection (67) 4. Unbalanced currents: negative sequence (46); breaker pole flashover (61) 5. Thermal overload (49) Reverse Phase Relay Thermal Relay
  • 3.
    Continue Generator hazards andproblems are as follows: 6. Off-frequency operation for large steam turbines 7. Un cleared system faults: backup distance (21); voltage controlled time over-current (50V) 8. Overvoltage (59) 9. Loss of synchronism: out of step 10. Sub-synchronous oscillations 11. Loss of voltage transformer signal to relaying or voltage regulator 12. Generator breaker failure Cut the fues of V.T
  • 4.
    In the caseof DG, additional protection is required at the point of common coupling (PCC). This protection also serves to protect the generator from events that may originate on the utility power system. Facilities at the PCC will typically consist of protection to A- prevent islanded operation of the DG and part of the utility system, B- To assure that: (1) the generator does not cause voltage and frequency on the utility system to be outside the acceptable limits, (2) the generator trips for required faults on the intertie line, (3) faults on the distributed generator system are cleared by the PCC breaker rather than by interrupting devices located on the utility power system.
  • 5.
    © ABB Group June26, 2020 | Slide 5 Type of fault ANSI Device No. Protection Functions GENERATOR STATOR Short Circuits 87G 87GT 21G 51 / 27 G Generator differential Overall differential Minimum impedance (or alternatively Over current / under voltage) Asymmetry Stator overload Earth fault stator 46G 51G 64G1 64G2 Negative sequence Overload 95% stator earth fault 100% stator earth fault • Following are the various protections recommended for the generator and generator transformer protection:
  • 6.
    © ABB Group June26, 2020 | Slide 6 Loss of excitation 40G Loss of excitation Out of step 98G Pole slip Monitoring 32G / 37G Low forward power / reverse power (double protection for large generators) Blade fatigue 81G Minimum frequency Inter turn fault 95G Over voltage or over current Mag. Circuits 99G Overfluxing volt / Hz Higher voltage 59G Over voltage Accidental energisation 27 / 50 G Dead machine Monitoring 60 G PT fuse failure
  • 7.
    © ABB Group June26, 2020 | Slide 7 GENERATOR ROTOR Rotor ground 64F Rotor earth fault GENERATOR TRANSFORMER Short Circuits 87GT 51GT 87T Overall differential Overcurrent Transformer differential Ground fault 51NGT 87NT Earth fault over-current Restricted earth fault Overhang 87HV HV winding cum overhang differential UNIT AUXILIARY TRANSFORMER Short circuit 87 UAT 51 UAT Transformer differential Over-current Ground fault 51 UAT 64 UAT Restricted over-current Restricted earth fault
  • 8.
    I- Stator faultProtection 1. Stator phase faults 2. Stator ground faults 3- Stator Open circuit or unbalance current 4- Stator over heating 5- Stator over voltage 6-Inter - Turn Faults II- Field fault Protection 1. Field ground faults III- External faults (backup protection) Over speed protection, Motoring, Loss of Synchronism protection Generator Fault Protection
  • 9.
  • 10.
    A- Differential protectionfor small generator units with flux summation current transformers and an instantaneous over current (50 relay). (Self-Balancing Differential)
  • 13.
    ▪The limitation isthe ability to pass the two conductors through the window or opening of the CT. Typical opening diameters are about 4–8 in. However, where this is possible, high-sensitivity, high-speed protection is obtained, and CT performance does not have to be matched, for there is only one involved per phase. ➢ The flux summation CT ratio (commonly 50:5) is independent of generator load current. ➢Typical sensitivities in the order of 5 A primary current can be obtained. ➢This provides protection for both phase- and ground-fault currents as long as the fault level for faults within the differential zone is greater than the sensitivity.
  • 14.
    Be Careful This schemedoes not provide protection to the connections from the flux summation CT to the generator breaker, unless the CT is on the bus side of the breaker and the generator neutral side leads are carried to that point. This is seldom practical, so other protection must be provided for this area between the flux summation CT and the breaker. In general, this scheme is more sensitive as long as the generator CT ratio is greater than 150:5 to 200:5. If the flux summation CT is not applicable and differential protection is desired, the scheme of next Figure can be used.
  • 15.
    B- Typical differential(87) connections for the protection of wye - and delta connected generators
  • 17.
    Modified Percentage-differential relayingfor a wye-connected generator with only four leads brought out.
  • 18.
    Generator differential relayingwith a double-breaker bus.
  • 19.
    ➢Usually, the differentialCTs have the same ratio, and they should preferably be of the same type and manufacture to minimize mismatch errors for external faults. This is possible for the unit generators ➢Generally, the impedance of the restraint winding of differential relays is low. All this contributes to a totally low- burden and increased performance margins for the CTs. ➢The application recommendations permit the use of sensitive generator differential relays with low percentage characteristics, typically 10%–25% for the fixed percentage types and the equivalent or lower for the variable types. Relay sensitivities (pickup current) are near 0.14–0.18 A for the 10% and variable percentage types and about 0.50 A for the 25% types. The function of the restraining coil is to avoid the malfunctioning of the main relay. Restraining current is flowing through the restraining coil is to prevent the external faults. The increase the current increases the restraining torque.
  • 20.
    ➢The operating timeshould be fast to open the breaker(s), remove the field, and initiate reduction of the prime-mover input. ➢Unfortunately, the flux in the machine continues to supply the fault for several seconds (about 8–16 sec), so instantaneous de-energization of generator faults is not possible. ➢Problems with magnetizing inrush generally are not severe because the voltage on the machine is developed gradually, and the generator is carefully synchronized to the power system.
  • 22.
    The Minimum Pickupregion is used between zero and approximately 0.5 per unit restraint current. It provides security against CT remanence and accuracy errors and is usually set between 0.3 and 0.5pu. • The Slope 1 region is used between the minimum pickup region and the slope 2 breakpoint. Slope 1 provides security against false tripping due to CT accuracy. Class C CT accuracy is +/‐10%, therefore 20% should be the absolute minimum setting with greater than 30% preferred. • The Slope 2 region is used above the slope 2 breakpoint, which is normally set at 2pu. Slope 2 provides security against false tripping during through fault events where CT saturation is likely. Above 2pu current, a significant DC current component will be present and therefore saturation is likely. Slope 2 is normally set at 60‐80%.
  • 23.
    C- HIGH-IMPEDANCE VOLTAGEDIFFERENTIAL PROTECTION FOR GENERATORS The high-impedance voltage type of differential protection scheme can be applied as an alternative to the current differential type described. The relays are connected between phase and neutral leads of paralleled CTs. For external faults, the voltage across the relay will be low, because the current circulates between the two sets of CTs (see Figure 8.7). For internal faults, the fault currents must pass through the exciting branch and high impedance relay of each CT, so that the CTs are saturated for most faults, producing a high voltage to operate the relay. This protection scheme is widely used for bus protection and is described further in Chapter 10. The CT requirements are more or less critical. They should have identical characteristics, negligible leakage reactance, and fully distributed secondary windings.
  • 28.
    Transverse differential protectionof a generator (three c.t.'s only are used)
  • 30.
    Split-winding generators, wherethe two winding halves are available with CTs in one of the halves (Figure 8.8), can be protected with two separate differentials. By comparing one winding half against the total, as shown, protection for shorted turns and open-circuited windings is possible. This is difficult or impossible for conventional relaying until the fault develops into the other phases or the ground. Where a 2:1 CT ratio is not available, auxiliary CTs can be used.
  • 32.
    Connection diagram fortransverse differential protection of a generator
  • 33.
    PHASE-FAULT BACKUP PROTECTION(51V) OR (21) Backup protection for the generator and connected system can be provided by a voltage-controlled or voltage-restraint time-over current relay (51V) or by phase distance relays (21). These two types are in wide use, with 51V generally applied to medium and smaller generators, and 21V for large-unit generators. VOLTAGE-CONTROLLED OR VOLTAGE-RESTRAINT TIME–OVERCURRENT (51V) BACKUP PROTECTION This is a non directional relay; therefore, it can be connected to CTs at the ground terminal or at the neutral end as in Figure generator connection. Voltage is from the generator voltage transformers (VTs) and is used to prevent the time over current unit from operating, until a fault decreases the voltage.
  • 35.
    PHASE-DISTANCE (21) BACKUPPROTECTION On large generators, especially the unit types, phase-fault backup is usually provided by phase-distance units (21). When connected to CTs on the neutral side, backup is provided for both the generator and the system. When using a three-phase type 21 relay, the phase shift of the transformer does not affect the reach, as it does for single-phase-type units. Voltage is obtained from the VTs at the generator terminals. For distance relays, the location of the CTs determines the directional sensing, whereas distance is measured from the location of the VTs. Thus, if CTs at the generator leads were used, backup could be provided only for the system or for the generator, but not both, depending on the connections. When it is set such that it looks into the system, a fixed timer provides the necessary time delay to coordinate with all the relays its setting overreaches.