GENERATOR
PROTECTION
Prepared By
Priten Vasa
Introduction:
 In a generating station the generator and transformer are the most
expensive equipments and hence it is desirable to employ a
protective system to isolate the faulty equipment as quickly as
possible to keep the healthy section in normal operation and to
ensure uninterruptable power supply.
 The basic electrical quantities those are likely to change during
abnormal fault conditions are current, voltage, phase angle and
frequency . Protective relays utilizes one or more of these quantities
to detect abnormal conditions in a power system.
 Protective system cost is 4-5%of the total cost
Switchgear
• Switchgear is a general term covering a wide
range of equipments concerned with switching
and protection.
• Eg: Circuit breaker, Isolator, Earth switch etc.
•Desirable Protection Attributes
• Reliability
• Selectivity
• Speed
• Simplicity
RELAYS & CIRCUIT BREAKERS
• TYPES OF RELAYS
1. Reed relay
2. Latching relay
3. Solid state relay
4. Solid state contact relay
5. Ratchet relay
6. Coaxial relay
7. Overload protection relay
8. Forced guided contact relay
9. Buchholz relay
• CIRCUIT BREAKERS TYPES BASED
ON VOLTAGE CLASS AND CURRENT
RATING
1.Air breaker circuit breaker
2.Miniature circuit breaker
3.Air blast circuit breaker
4.SF6 circuit breaker
5.Low oil circuit breaker
6.Vaccum circuit breaker
Advantages Of Digital Relay
Multifunctional
Compatibility with
digital integrated
systems
Low maintenance
(self-supervision)
Highly sensitive,
secure, and
selective
Adaptive
Highly reliable
(self-supervision)
Reduced burden
on
CTs and VTs
Programmable
Versatile
Low Cost
GEN
UA
T
AVR
220 kv HVCB
6.6 KV CB
NGT
10.5 KV
220 KV
GT
EXT
TR
SER TR
440 V AC
LA
Single line Diagram of generator connection
Protection Zones
7
GE Consumer & Industrial
Multilin
1. Generator or Generator-Transformer Units
2. Transformers
3. Buses
4. Lines (transmission and distribution)
5. Utilization equipment (motors, static loads, etc.)
6. Capacitor or reactor (when separately protected)
Unit Generator-Tx zone
Bus zone
Line zone
Bus zone
Transformer zone
Transformer zone
Bus zone
Generator
~
XFMR Bus Line Bus XFMR Bus Motor
Motor zone
SCHEME OF GENERATOR PROTECTION
• CLASS A TRIPPING
 This is adopted for those electrical faults of Generator and Generator transformer unit
auxiliary transformer for which tripping can not be delayed.
· This leads to simultaneous tripping of
- Generator Transformer HV side CB
- Field Circuit Breaker
- LV side incomer breakers of UAT
- Auto changeover from unit to station for unit auxiliaries and tripping of turbine
• CLASS B TRIPPING
 This is adopted for all turbine faults (Mechanical) and for some Electrical faults of Generator,
Generator transformer and unit Auxiliary transformer for which it is safe to trip the turbine.
 ·Subsequently the Generator is tripped through low forward powerInterlock
 Ensures that unit does not over speed due to trapped steam in the Turbine during the
shutdown and also the loss of power to the grid From the generator is not sudden.
CLASS C TRIPPING
• This is adopted for all faults beyond the Generator system which can be cleared
by tripping of Generator transformer HV side CB alone.
• In this case the TG set runs with HP-LP bypass system in operation and the
Generator continues to feed the unit auxiliary load through unit auxiliary
transformers.
The
"Wild"
Power
System
G
Exciter
Loss of Field
Loss of Field
Overexcitation
Overexcitation
Overexcitation
Open
Circuits
Loss of
Synchronism
Inadvertent
Energizing,
Pole Flashover
Abnormal
Frequency
Abnormal
Frequency
Breaker
Failure
Reverse
Power
Over
Power
Abnormal Operating Conditions
FAULT OCURRENCE & FAULT CLASSIFICATION
• Insulation failure.
• Tends to deteriate with rising temp.
• Insulation failure may cause inter-turn
fault, ph to ph or earth fault.
• Bring winding in to direct contact with
core plates.
• Any failure to restrict earth fault may
result into core plate damage.
• Insulation of rotor winding is also
important
• Stator Fault
• Rotor fault
• Abnormal Running Condition
1) Unbalanced Loading
2) Over loading
3) Over Speed
4) Over Voltage
5) Failure of Primer Mover
6) Loss Of Excitation
7) Excessive vibration
8) Difference in expansion
between rotating and
stationary parts
9) Loss of synchronism
• Limits overvoltages
• Limits difference in electric potential through local area
conducting objects
• Several methods
i. Ungrounded
ii. Reactance Coil Grounded
iii. High Z Grounded
iv. Low Z Grounded
v. Solidly Grounded
System Grounding
1. Ungrounded: There is no intentional
ground applied to the system-however it’s
grounded through natural capacitance.
Found in 2.4-15kV systems.
2.Reactance Grounded: Total system
capacitance is cancelled by equal inductance.
This decreases the current at the fault and
limits voltage across the arc at the fault to
decrease damage.
X0 <= 10 * X1
4.High Resistance Grounded: Limits ground
fault current to 10A-20A. Used to limit transient
overvoltages due to arcing ground faults.
5.Low Resistance Grounded: To limit current to
25-400A
3.Solidly Grounded: There is a connection of
transformer or generator neutral directly to
station ground
Protection Relay – ANSI Standards
1.Current protection functions
 ANSI 50/51 – Phase overcurrent
 ANSI 50N/51N or 50G/51G – Earth fault or sensitive earth fault
 ANSI 50BF – Breaker failure ANSI 46 -Negative sequence / unbalance ANSI 49RMS – Thermal overload
2.Directional power protection functions
• ANSI 32P – Directional active overpower
• ANSI 32Q/40 – Directional reactive overpower
3.Voltage protection functions
 ANSI 79 – Reclose the circuit breaker after tripping
4.Machine protection functions
 ANSI 37 – Phase undercurrent
 ANSI 48/51LR/14 – Locked rotor / excessive starting time
 ANSI 66 – Starts per hour
 ANSI 50V/51V – Voltage-restrained overcurrent
 ANSI 26/63 – Thermostat, Buchholz, gas, pressure, temperature detection
 ANSI 38/49T – Temperature monitoring by RTD
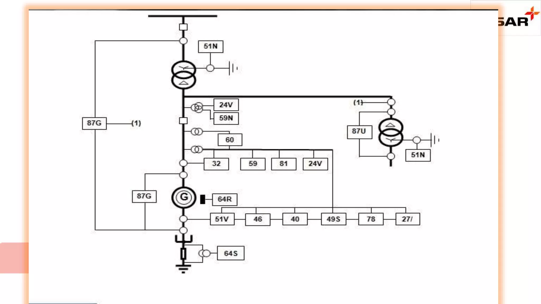
Stator protection
Stator faults include the following-
i. Phase-to-earth faults
ii. Phase-to-phase faults
iii. Inter-turn faults
From these phase faults and inter turn
faults are less common ,these
usually develop into an earth faults.
This causes-
I. Arcing to core
II. Damage of conductor and insulation
Generator Stator Ground Fault Protection
87N, 51N, 59N & 27-3N
Generator Stator Phase Fault Protection
87G
•Inter-turn fault on the same phase of
the stator winding cannot be detected
by transverse differential protection
as it does not disturb the balance
between the currents in neutral and
high voltage CTs.
•For protection against inter-turn
faults the following protection
schemes are used.
(1)Cross differential protection.
(2)Residual voltage protection.
Stator inter-turn fault protection
Stator Earth Fault Relay
Typical Example Stator Earth Fault
Rotor Earth Fault E/F Protection
•DC injection method or AC injection method.
•The dc or ac voltage is impressed between the
field circuit and ground through a sensitive
overvoltage relay and current limiting resistor
or capacitor(in case of ac).
•But dc source is generally used as over-current
relay in case of dc is more sensitive than ac.
•A single earth fault in rotor circuit will
complete the path and the fault is sensed by
the relay.
LOSS OF EXCITATION
CAUSES
• Field open circuit
• Field short circuit
• AVR control Failure
• Accidental tripping of field Breaker
• Loss of supply to main Exciter
• Poor Brush contact in Exciter
• Field Current Breaker Latch Failure
• Slip ring Flash Over
Consequences
• With mechanical power remaining
intact and field excitation is loss it
would attempt to remain in
synchronization by acting as a
INDUCTION GENERATOR
• This phenomenon can be explained
by following energy flows
Exciter
FUSE T1
T2
FUSE
TRIP
SHUNT
FILED WDG
Field failure protection
Types of Differential Protection.
Differential Protection protection using Balancing Resistors
Biased Differential Protection
Over Voltage Protection
 Overvoltage protection is required in case of hydro-electric or gas
turbine generators but not in case of turbo generators.
Over voltage may be caused due to-
 Transient over voltage in the transmission line due to lightening.
 Defective operation of the voltage regulator.
 Sudden loss of load due to line tripping.
The protection is provided with an over voltage relay.
It is usually of induction pattern with an IDMT(Inverse Definite Minimum
Time) Here current is Inversely proportional to time
More the rise off current or voltage faster the relay will be operated
Overcurrent protection:
• Overloading of the machine causes overheating in the stator
winding.
• This can be prevented by using over-current relay with time delay
adjustment.
• But overheating not only depends on over-current but also the
failure of the cooling system in the generator.
• So temperature detector coils such as thermistors or
thermocouples are used at various points in stator winding for
indication of the temperature.
Over /Under Frequency Protection 81 O/U
• Causes:
Significant load addition
Sudden reduction in mechanical input
power
Loss of generation
Loss of load
•Underfrequency can cause:
Higher generator load currents
Overexcitation
Turbine blade fatigue
•Overfrequency can cause:
 Overvoltage on hydro turbines
 Abnormal frequency presents hazards
to other parts of the plant such as:
 Steam turbine vibrations and
increased stresses on blades
Reduced capacity of auxiliary
equipment
 High temperatures caused by
increased excitation current
Overexcitation of transformers
Out of step Protection(78)
• High peak currents and off-frequency operation can occur
when a generator losses synchronism
• Causes winding stress, high rotor iron currents, pulsating
torques and mechanical resonances
• Conventional relaying approach – analyzing variations in
apparent impedance as viewed at generator terminals
• Variation in impedance can be detected by impedance
relaying and generator separated before the completion of one
slip cycle
Impedance Variation Detection
m
m
46
mm
Zc ZA
A
B
C
Ia
Ib
Ic
VZC
VZA
POSITIVE SEQ
Ia
IbIc
VZC
VZA
VZA+VZC
X Y
NEGATIVE SEQUENCE
Negative phase sequence protection
Inadvertent Energization Protection
(27, 50, 60, 81U, 62 and 86)
 Protects against closing of the generator breaker while
machine is not spinning / on turning gear
 Caused by operator error, breaker flash-over, control circuit
malfunction.
 Two schemes illustrated:
 Frequency supervised overcurrent
 Voltage supervised overcurrent
Inadvertent Energization Protection
Frequency Supervised Overcurrent
Frequency Supervised Overcurrent &
• Uses an underfrequency relay (81U) to enable
a sensitive instantaneous overcurrent relay
(50)
• Overcurrent relay picks up at 50% or less of
expected inadvertent energizing current.
• Frequency relay contacts must remain closed
if sensing voltage goes to zero
• Voltage balance relay (60) protects against
loss of sensing
• Time delay relay (62) protects against sudden
application of nominal voltage during
inadvertent energization,
allowing overcurrent to trip lockout relay (86)
• Lockout relay must be manually reset
 Same illustration as frequency supervised
overcurrent except 81U replaced by 27
• Undervoltage setpoint of 85% of the
lowest expected emergency operating
level
Voltage Supervised Overcurrent
Loss of Voltage Transformer Protection (60)
Common practice on large systems to use two
or more VTs
• One used for relays and metering
• The other used for AVR
• VTs normally fused
• Most common cause of failure is fuse failure
• Loss of VT protection blocks voltage based
protective
functions (21, 32, 40 …etc)
• Loss of VT protection measure voltage
unbalance, typical setting is 15%
 When prime-mover fails machine starts motoring and draws
electrical power from the system and this is known as inverted
operation .
 The generator can be protected from inverted operation by using
single-element directional power relay(reverse power relay) which
senses the direction of power flow.
 Failure of the prime mover of a generator set ,will keep the set
running as a synchronous compensator, taking the necessary
active power from the net work and could be detrimental to to the
safety of the set, if maintained for any length of time. The amount
of power taken will depend on the type of prime mover involved.
It ranges from 5% to 25%.
Reverse Power Protection
STEAM
VALVE
C.B
TRIP
Protective relay
Reverse power relay
Reverse power relay scheme
ThankYou

Generator Protection

  • 1.
  • 2.
    Introduction:  In agenerating station the generator and transformer are the most expensive equipments and hence it is desirable to employ a protective system to isolate the faulty equipment as quickly as possible to keep the healthy section in normal operation and to ensure uninterruptable power supply.  The basic electrical quantities those are likely to change during abnormal fault conditions are current, voltage, phase angle and frequency . Protective relays utilizes one or more of these quantities to detect abnormal conditions in a power system.  Protective system cost is 4-5%of the total cost
  • 3.
    Switchgear • Switchgear isa general term covering a wide range of equipments concerned with switching and protection. • Eg: Circuit breaker, Isolator, Earth switch etc. •Desirable Protection Attributes • Reliability • Selectivity • Speed • Simplicity
  • 4.
    RELAYS & CIRCUITBREAKERS • TYPES OF RELAYS 1. Reed relay 2. Latching relay 3. Solid state relay 4. Solid state contact relay 5. Ratchet relay 6. Coaxial relay 7. Overload protection relay 8. Forced guided contact relay 9. Buchholz relay • CIRCUIT BREAKERS TYPES BASED ON VOLTAGE CLASS AND CURRENT RATING 1.Air breaker circuit breaker 2.Miniature circuit breaker 3.Air blast circuit breaker 4.SF6 circuit breaker 5.Low oil circuit breaker 6.Vaccum circuit breaker
  • 5.
    Advantages Of DigitalRelay Multifunctional Compatibility with digital integrated systems Low maintenance (self-supervision) Highly sensitive, secure, and selective Adaptive Highly reliable (self-supervision) Reduced burden on CTs and VTs Programmable Versatile Low Cost
  • 6.
    GEN UA T AVR 220 kv HVCB 6.6KV CB NGT 10.5 KV 220 KV GT EXT TR SER TR 440 V AC LA Single line Diagram of generator connection
  • 7.
    Protection Zones 7 GE Consumer& Industrial Multilin 1. Generator or Generator-Transformer Units 2. Transformers 3. Buses 4. Lines (transmission and distribution) 5. Utilization equipment (motors, static loads, etc.) 6. Capacitor or reactor (when separately protected) Unit Generator-Tx zone Bus zone Line zone Bus zone Transformer zone Transformer zone Bus zone Generator ~ XFMR Bus Line Bus XFMR Bus Motor Motor zone
  • 8.
    SCHEME OF GENERATORPROTECTION • CLASS A TRIPPING  This is adopted for those electrical faults of Generator and Generator transformer unit auxiliary transformer for which tripping can not be delayed. · This leads to simultaneous tripping of - Generator Transformer HV side CB - Field Circuit Breaker - LV side incomer breakers of UAT - Auto changeover from unit to station for unit auxiliaries and tripping of turbine • CLASS B TRIPPING  This is adopted for all turbine faults (Mechanical) and for some Electrical faults of Generator, Generator transformer and unit Auxiliary transformer for which it is safe to trip the turbine.  ·Subsequently the Generator is tripped through low forward powerInterlock  Ensures that unit does not over speed due to trapped steam in the Turbine during the shutdown and also the loss of power to the grid From the generator is not sudden.
  • 9.
    CLASS C TRIPPING •This is adopted for all faults beyond the Generator system which can be cleared by tripping of Generator transformer HV side CB alone. • In this case the TG set runs with HP-LP bypass system in operation and the Generator continues to feed the unit auxiliary load through unit auxiliary transformers.
  • 11.
    The "Wild" Power System G Exciter Loss of Field Lossof Field Overexcitation Overexcitation Overexcitation Open Circuits Loss of Synchronism Inadvertent Energizing, Pole Flashover Abnormal Frequency Abnormal Frequency Breaker Failure Reverse Power Over Power Abnormal Operating Conditions
  • 13.
    FAULT OCURRENCE &FAULT CLASSIFICATION • Insulation failure. • Tends to deteriate with rising temp. • Insulation failure may cause inter-turn fault, ph to ph or earth fault. • Bring winding in to direct contact with core plates. • Any failure to restrict earth fault may result into core plate damage. • Insulation of rotor winding is also important • Stator Fault • Rotor fault • Abnormal Running Condition 1) Unbalanced Loading 2) Over loading 3) Over Speed 4) Over Voltage 5) Failure of Primer Mover 6) Loss Of Excitation 7) Excessive vibration 8) Difference in expansion between rotating and stationary parts 9) Loss of synchronism
  • 16.
    • Limits overvoltages •Limits difference in electric potential through local area conducting objects • Several methods i. Ungrounded ii. Reactance Coil Grounded iii. High Z Grounded iv. Low Z Grounded v. Solidly Grounded System Grounding
  • 17.
    1. Ungrounded: Thereis no intentional ground applied to the system-however it’s grounded through natural capacitance. Found in 2.4-15kV systems. 2.Reactance Grounded: Total system capacitance is cancelled by equal inductance. This decreases the current at the fault and limits voltage across the arc at the fault to decrease damage. X0 <= 10 * X1 4.High Resistance Grounded: Limits ground fault current to 10A-20A. Used to limit transient overvoltages due to arcing ground faults. 5.Low Resistance Grounded: To limit current to 25-400A 3.Solidly Grounded: There is a connection of transformer or generator neutral directly to station ground
  • 18.
    Protection Relay –ANSI Standards 1.Current protection functions  ANSI 50/51 – Phase overcurrent  ANSI 50N/51N or 50G/51G – Earth fault or sensitive earth fault  ANSI 50BF – Breaker failure ANSI 46 -Negative sequence / unbalance ANSI 49RMS – Thermal overload 2.Directional power protection functions • ANSI 32P – Directional active overpower • ANSI 32Q/40 – Directional reactive overpower 3.Voltage protection functions  ANSI 79 – Reclose the circuit breaker after tripping 4.Machine protection functions  ANSI 37 – Phase undercurrent  ANSI 48/51LR/14 – Locked rotor / excessive starting time  ANSI 66 – Starts per hour  ANSI 50V/51V – Voltage-restrained overcurrent  ANSI 26/63 – Thermostat, Buchholz, gas, pressure, temperature detection  ANSI 38/49T – Temperature monitoring by RTD
  • 19.
    Stator protection Stator faultsinclude the following- i. Phase-to-earth faults ii. Phase-to-phase faults iii. Inter-turn faults From these phase faults and inter turn faults are less common ,these usually develop into an earth faults. This causes- I. Arcing to core II. Damage of conductor and insulation Generator Stator Ground Fault Protection 87N, 51N, 59N & 27-3N Generator Stator Phase Fault Protection 87G
  • 20.
    •Inter-turn fault onthe same phase of the stator winding cannot be detected by transverse differential protection as it does not disturb the balance between the currents in neutral and high voltage CTs. •For protection against inter-turn faults the following protection schemes are used. (1)Cross differential protection. (2)Residual voltage protection. Stator inter-turn fault protection
  • 21.
  • 22.
  • 23.
    Rotor Earth FaultE/F Protection •DC injection method or AC injection method. •The dc or ac voltage is impressed between the field circuit and ground through a sensitive overvoltage relay and current limiting resistor or capacitor(in case of ac). •But dc source is generally used as over-current relay in case of dc is more sensitive than ac. •A single earth fault in rotor circuit will complete the path and the fault is sensed by the relay.
  • 24.
    LOSS OF EXCITATION CAUSES •Field open circuit • Field short circuit • AVR control Failure • Accidental tripping of field Breaker • Loss of supply to main Exciter • Poor Brush contact in Exciter • Field Current Breaker Latch Failure • Slip ring Flash Over Consequences • With mechanical power remaining intact and field excitation is loss it would attempt to remain in synchronization by acting as a INDUCTION GENERATOR • This phenomenon can be explained by following energy flows
  • 27.
  • 28.
    Types of DifferentialProtection. Differential Protection protection using Balancing Resistors
  • 29.
  • 30.
    Over Voltage Protection Overvoltage protection is required in case of hydro-electric or gas turbine generators but not in case of turbo generators. Over voltage may be caused due to-  Transient over voltage in the transmission line due to lightening.  Defective operation of the voltage regulator.  Sudden loss of load due to line tripping. The protection is provided with an over voltage relay. It is usually of induction pattern with an IDMT(Inverse Definite Minimum Time) Here current is Inversely proportional to time More the rise off current or voltage faster the relay will be operated
  • 31.
    Overcurrent protection: • Overloadingof the machine causes overheating in the stator winding. • This can be prevented by using over-current relay with time delay adjustment. • But overheating not only depends on over-current but also the failure of the cooling system in the generator. • So temperature detector coils such as thermistors or thermocouples are used at various points in stator winding for indication of the temperature.
  • 32.
    Over /Under FrequencyProtection 81 O/U • Causes: Significant load addition Sudden reduction in mechanical input power Loss of generation Loss of load •Underfrequency can cause: Higher generator load currents Overexcitation Turbine blade fatigue •Overfrequency can cause:  Overvoltage on hydro turbines  Abnormal frequency presents hazards to other parts of the plant such as:  Steam turbine vibrations and increased stresses on blades Reduced capacity of auxiliary equipment  High temperatures caused by increased excitation current Overexcitation of transformers
  • 33.
    Out of stepProtection(78) • High peak currents and off-frequency operation can occur when a generator losses synchronism • Causes winding stress, high rotor iron currents, pulsating torques and mechanical resonances • Conventional relaying approach – analyzing variations in apparent impedance as viewed at generator terminals • Variation in impedance can be detected by impedance relaying and generator separated before the completion of one slip cycle
  • 34.
  • 35.
    m m 46 mm Zc ZA A B C Ia Ib Ic VZC VZA POSITIVE SEQ Ia IbIc VZC VZA VZA+VZC XY NEGATIVE SEQUENCE Negative phase sequence protection
  • 36.
    Inadvertent Energization Protection (27,50, 60, 81U, 62 and 86)  Protects against closing of the generator breaker while machine is not spinning / on turning gear  Caused by operator error, breaker flash-over, control circuit malfunction.  Two schemes illustrated:  Frequency supervised overcurrent  Voltage supervised overcurrent
  • 37.
  • 38.
    Frequency Supervised Overcurrent& • Uses an underfrequency relay (81U) to enable a sensitive instantaneous overcurrent relay (50) • Overcurrent relay picks up at 50% or less of expected inadvertent energizing current. • Frequency relay contacts must remain closed if sensing voltage goes to zero • Voltage balance relay (60) protects against loss of sensing • Time delay relay (62) protects against sudden application of nominal voltage during inadvertent energization, allowing overcurrent to trip lockout relay (86) • Lockout relay must be manually reset  Same illustration as frequency supervised overcurrent except 81U replaced by 27 • Undervoltage setpoint of 85% of the lowest expected emergency operating level Voltage Supervised Overcurrent
  • 39.
    Loss of VoltageTransformer Protection (60) Common practice on large systems to use two or more VTs • One used for relays and metering • The other used for AVR • VTs normally fused • Most common cause of failure is fuse failure • Loss of VT protection blocks voltage based protective functions (21, 32, 40 …etc) • Loss of VT protection measure voltage unbalance, typical setting is 15%
  • 40.
     When prime-moverfails machine starts motoring and draws electrical power from the system and this is known as inverted operation .  The generator can be protected from inverted operation by using single-element directional power relay(reverse power relay) which senses the direction of power flow.  Failure of the prime mover of a generator set ,will keep the set running as a synchronous compensator, taking the necessary active power from the net work and could be detrimental to to the safety of the set, if maintained for any length of time. The amount of power taken will depend on the type of prime mover involved. It ranges from 5% to 25%. Reverse Power Protection
  • 41.
  • 42.