1
GE Consumer & Industrial
Protection Fundamentals
By
Craig Wester, John Levine
2
GE Consumer & Industrial
Outline
• Introductions
• Tools
– Enervista Launchpad
– On – Line Store
– Demo Relays at ISO / Levine
• Discussion of future classes
• Protection Fundamentals
• ANSI number handout, Training CD’s
3
GE Consumer & Industrial
Introduction
• Speakers:
– Craig Wester – GE Multilin Regional Manager
– John Levine – GE Multilin Account Manager
4
GE Consumer & Industrial
Objective
• We are here to help make your job easier.
This is very informal and designed around
ISO Applications. Please ask question.
We are not here to “preach” to you.
• The knowledge base on GE Multilin
Relays varies greatly at ISO. If you have
a question, there is a good chance there
are 3 or 4 other people that have the same
question. Please ask it.
5
GE Consumer & Industrial
Tools
6
GE Consumer & Industrial
7
GE Consumer & Industrial
8
GE Consumer & Industrial
Demo Relays with Ethernet
• Working with James McRoy and Dave
Curtis
• SR 489
• SR 750
• G30
• MIF II
• Training CD’s
9
GE Consumer & Industrial
Demo Relays at L-3
10
GE Consumer & Industrial
Future Classes
• GE Multilin Training will be the 2nd Friday of
every month. We will cover:
– March – Basics, Enervista Launchpad, ANSI number
and what they represent, Uploading, downloading,
Training CD’s, etc.
– April – 489 Relay
– May – MIF II relay
– June - 750 Relay
– July - UR relay basic including Enervista Engineer
– August – UR F60 and F35 relays
– September – G30 and G60 including Transformer and
Generator in same zone
– October – Communications and security
– November - Neutral Grounding Resistors
– December – Ct’s and PT’s
11
GE Consumer & Industrial
Protection Fundamentals
12
GE Consumer & Industrial
Desirable Protection Attributes
• Reliability: System operate properly
– Security: Don’t trip when you shouldn’t
– Dependability: Trip when you should
• Selectivity: Trip the minimal amount to clear the
fault or abnormal operating condition
• Speed: Usually the faster the better in terms of
minimizing equipment damage and maintaining
system integrity
• Simplicity: KISS
• Economics: Don’t break the bank
13
GE Consumer & Industrial
Selection of protective relays requires compromises:
• Maximum and Reliable protection at minimumequipment
cost
• High Sensitivity to faults and insensitivity to maximum
load currents
• High-speed fault clearance with correct selectivity
• Selectivity in isolating small faulty area
• Ability to operate correctly underall predictable power
system conditions
Art & Science of Protection
14
GE Consumer & Industrial
• Cost of protective relays should be balanced
against risks involved if protection is not
sufficient and not enough redundancy.
• Primary objectives is to have faulted zone’s
primary protection operate first, but if there are
protective relays failures, some formof backup
protection is provided.
• Backup protection is local (if local primary
protection fails to clearfault) and remote (if
remote protection fails to operate to clearfault)
Art & Science of Protection
15
GE Consumer & Industrial
Primary Equipment & Components
• Transformers - to step up or step down voltage level
• Breakers - to energize equipment and interrupt fault current
to isolate faulted equipment
• Insulators - to insulate equipment from ground and other
phases
• Isolators (switches) - to create a visible and permanent
isolation of primary equipment for maintenance purposes
and route power flow over certain buses.
• Bus - to allow multiple connections (feeders) to the same
source of power (transformer).
16
GE Consumer & Industrial
Primary Equipment & Components
• Grounding - to operate and maintain equipment safely
• Arrester - to protect primary equipment of sudden
overvoltage (lightning strike).
• Switchgear – integrated components to switch, protect,
meter and control power flow
• Reactors - to limit fault current (series) or compensate for
charge current (shunt)
• VT and CT - to measure primary current and voltage and
supply scaled down values to P&C, metering, SCADA, etc.
• Regulators - voltage, current, VAR, phase angle, etc.
17
GE Consumer & Industrial
Types of Protection
Overcurrent
• Uses current to determine magnitude of fault
– Simple
– May employ definite time or inverse time curves
– May be slow
– Selectivity at the cost of speed (coordination stacks)
– Inexpensive
– May use various polarizing voltages or ground current
for directionality
– Communication aided schemes make more selective
18
GE Consumer & Industrial
Instantaneous Overcurrent Protection (IOC) &
Definite Time Overcurrent
t
I
CTI
50
+2
50
+2
CTI
• Relay closest to fault operates
first
• Relays closer to source
operate slower
• Time between operating for
same current is called CTI
(Clearing Time Interval)
Distribution
Substation
19
GE Consumer & Industrial
(TOC) Coordination
t
I
CTI
• Relay closest to fault operates
first
• Relays closer to source
operate slower
• Time between operating for
same current is called CTI
Distribution
Substation
20
GE Consumer & Industrial
• Selection of the curves
uses what is termed as a
“ time multiplier” or
“time dial” to effectively
shift the curve up or
down on the time axis
• Operate region lies
above selected curve,
while no-operate region
lies below it
• Inverse curves can
approximate fuse curve
shapes
Time Overcurrent Protection (TOC)
21
GE Consumer & Industrial
Multiples of pick-up
Time Overcurrent Protection
(51, 51N, 51G)
23
GE Consumer & Industrial
Types of Protection
Differential
– current in = current out
– Simple
– Very fast
– Very defined clearing area
– Expensive
– Practical distance limitations
• Line differential systems overcome this using
digital communications
24
GE Consumer & Industrial
Differential
• Note CT polarity
dots
• This is a
through-current
representation
• Perfect
waveforms, no
saturation
IP
IS
IR-X
IP
IS
IR-Y
Relay
CT-X CT-Y
1 + (-1) = 0
+1
-1
0
Current,pu
DIFF CURRENT
1 pu
25
GE Consumer & Industrial
Differential
• Note CT
polarity dots
• This is an
internal fault
representation
• Perfect
waveforms, no
saturation
FaultIP
IS
IR-X
IP
IS
IR-Y
Relay
2 + (+2) = 4
+2
-2
0
Current,pu
X
2 pu 2 pu
CT-X CT-Y
DIFF CURRENT
26
GE Consumer & Industrial
Types of Protection
Voltage
• Uses voltage to infer fault or abnormal
condition
• May employ definite time or inverse time
curves
• May also be used for undervoltage load
shedding
– Simple
– May be slow
– Selectivity at the cost of speed (coordination
stacks)
– Inexpensive
27
GE Consumer & Industrial
Types of Protection
Frequency
• Uses frequency of voltage to detect power
balance condition
• May employ definite time or inverse time
curves
• Used for load shedding & machinery
under/overspeed protection
– Simple
– May be slow
– Selectivity at the cost of speed can be expensive
28
GE Consumer & Industrial
Types of Protection
Power
• Uses voltage and current to determine
power flow magnitude and direction
• Typically definite time
– Complex
– May be slow
– Accuracy important for many applications
– Can be expensive
29
GE Consumer & Industrial
Types of Protection
Distance (Impedance)
– Uses voltage and current to determine impedance of
fault
– Set on impedance [R-X] plane
– Uses definite time
– Impedance related to distance from relay
– Complicated
– Fast
– Somewhat defined clearing area with reasonable
accuracy
– Expensive
– Communication aided schemes make more selective
30
GE Consumer & Industrial
Impedance
• Relay in Zone 1 operates first
• Time between Zones is called
CTI
Source
A B
21 21
T1
T2
ZA
ZB
R
X ZL
Generation-typically at 4-20kV
Transmission-typically at 230-765kV
Subtransmission-typically at 69-161kV
Receives powerfrom transmission systemand
transforms into subtransmission level
Receives powerfrom subtransmission systemand
transforms into primary feedervoltage
Distribution network-typically 2.4-69kV
Low voltage (service)-typically 120-600V
Typical
Bulk
Power
System
33
GE Consumer & Industrial
Multilin
34
GE Consumer & Industrial
1. GeneratororGenerator-TransformerUnits
2. Transformers
3. Buses
4. Lines (transmission and distribution)
5. Utilization equipment (motors, static loads, etc.)
6. Capacitororreactor(when separately protected)
Unit Generator-Tx zone
Bus zone
Line zone
Bus zone
Transformer zone
Transformer zone
Bus zone
Generator
~
XFMR Bus Line Bus XFMR Bus Motor
Motor zone
Protection Zones
35
GE Consumer & Industrial
1. Overlap is accomplished by the locations of CTs, the key source forprotective
relays.
2. In some cases a fault might involve a CT ora circuit breakeritself, which
means it can not be cleared until adjacent breakers (local orremote) are
opened.
Zone A Zone B
Relay Zone A
Relay Zone B
CTs are located at both sides of CB-fault
between CTs is cleared fromboth remote sides
Zone A Zone B
Relay Zone A
Relay Zone B
CTs are located at one side of CB-
fault between CTs is sensed by both relays,
remote right side operate only.
Zone Overlap
40
GE Consumer & Industrial
1. One-line diagramof the systemorarea involved
2. Impedances and connections of powerequipment, systemfrequency,
voltage level and phase sequence
3. Existing schemes
4. Operating procedures and practices affecting protection
5. Importance of protection required and maximumallowed clearance
times
6. System fault studies
7. Maximumload and systemswing limits
8. CTs and VTs locations, connections and ratios
9. Future expansion expectance
10. Any special considerations forapplication.
What Info is Required to Apply Protection
C37.2:
Device
Numbers
• Partial listing
41
GE Consumer & Industrial
Multilin
42
GE Consumer & Industrial
One Line Diagram
• Non-dimensioned diagram showing how
pieces of electrical equipment are
connected
• Simplification of actual system
• Equipment is shown as boxes, circles and
other simple graphic symbols
• Symbols should follow ANSI or IEC
conventions
43
GE Consumer & Industrial
1-Line Symbols [1]
44
GE Consumer & Industrial
1-Line Symbols [2]
45
GE Consumer & Industrial
1-Line Symbols [3]
46
GE Consumer & Industrial
1-Line Symbols [4]
47
GE Consumer & Industrial
1-Line [1]
1-Line [2]
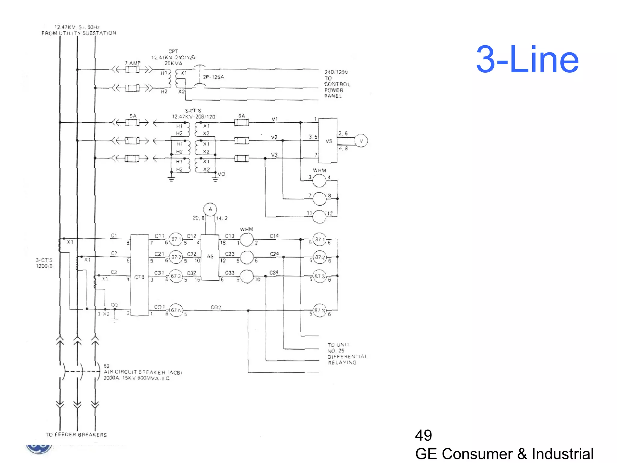
49
GE Consumer & Industrial
3-Line
52
GE Consumer & Industrial
CB Trip Circuit (Simplified)
55
GE Consumer & Industrial
Lock Out Relay
56
GE Consumer & Industrial
CB Coil Circuit Monitoring:
T with CB Closed; C with CB Opened
Coil Monitor
Input
Trip/Close
Contact
+
T/C
Coil
-
52/a
or
52/b
Breaker
Relay
52/a for trip circuit
52/b for close circuit
57
GE Consumer & Industrial
CB Coil Circuit Monitoring:
Both T&C Regardless of CB state
Breaker
Relay
Breaker
Relay
58
GE Consumer & Industrial
• Current transformers are used to step primary systemcurrents to
values usable by relays, meters, SCADA, transducers, etc.
• CT ratios are expressed as primary to secondary; 2000:5, 1200:5,
600:5, 300:5
• A 2000:5 CT has a “CTR” of 400
Current Transformers
59
GE Consumer & Industrial
• IEEE relay class is defined in terms of the voltage a CT
can deliver at 20 times the nominal current rating
without exceeding a 10% composite ratio error.
For example, a relay class of C100 on a 1200:5 CT means that
the CT can develop 100 volts at 24,000 primary amps
(1200*20) without exceeding a 10% ratio error. Maximum
burden = 1 ohm.
100 V = 20 * 5 * (1ohm)
200 V = 20 * 5 * (2 ohms)
400 V = 20 * 5 * (4 ohms)
800 V = 20 * 5 * (8 ohms)
Standard IEEE CT Relay
Accuracy
61
GE Consumer & Industrial
Application Burden
Designation
Impedance
(Ohms)
VA @
5 amps
Power
Factor
Metering B0.1 0.1 2.5 0.9
B0.2 0.2 5 0.9
B0.5 0.5 12.5 0.9
B0.9 0.9 22.5 0.9
B1.8 1.8 45 0.9
Relaying B1 1 25 0.5
B2 2 50 0.5
B4 4 100 0.5
B8 8 200 0.5
Standard IEEE CT Burdens (5 Amp)
(Per IEEE Std. C57.13-1993)
62
GE Consumer & Industrial
Current into the Dot, Out of the Dot
Current out of the dot, in to the dot
Forward Power
IP
IS
IR
Relay
or Meter
Forward Power
IP
IS
IR
Relay
or Meter
63
GE Consumer & Industrial
VVPP
VVSS
Relay
• Voltage (potential) transformers are used to isolate and step down
and accurately reproduce the scaled voltage forthe protective
device orrelay
• VT ratios are typically expressed as primary to secondary;
14400:120, 7200:120
• A 4160:120 VT has a “VTR” of 34.66
Voltage Transformers
64
GE Consumer & Industrial
Typical CT/VT Circuits
Courtesy of Blackburn, Protective Relay: Principles and Applications
65
GE Consumer & Industrial
CT/VT Circuit vs. Casing Ground
• Case ground made at IT location
• Secondary circuit ground made at first point of
use
Case
Secondary Circuit
66
GE Consumer & Industrial
Equipment Grounding
– Prevents shock exposure of personnel
– Provides current carrying capability for the
ground-fault current
– Grounding includes design and construction of
substation ground mat and CT and VT safety
grounding
67
GE Consumer & Industrial
System Grounding
– Limits overvoltages
– Limits difference in electric potential through local
area conducting objects
– Several methods
• Ungrounded
• Reactance Coil Grounded
• High Z Grounded
• Low Z Grounded
• Solidly Grounded
68
GE Consumer & Industrial
1. Ungrounded: There is no intentional
ground applied to the system-however
it’s grounded through natural
capacitance. Found in 2.4-15kV
systems.
2. Reactance Grounded: Total system
capacitance is cancelled by equal
inductance. This decreases the current
at the fault and limits voltage across the
arc at the fault to decrease damage.
X0 <= 10 * X1
System Grounding
69
GE Consumer & Industrial
3. High Resistance Grounded: Limits
ground fault current to 10A-20A. Used
to limit transient overvoltages due to
arcing ground faults.
R0 <= X0C/3, X0C is capacitive zero
sequence reactance
4. Low Resistance Grounded: To limit
current to 25-400A
R0 >= 2X0
System Grounding
70
GE Consumer & Industrial
5. Solidly Grounded: There is a
connection of transformeror
generatorneutral directly to station
ground.
Effectively Grounded: R0 <= X1, X0 <=
3X1, where Ris the systemfault
resistance
System Grounding
76
GE Consumer & Industrial
Basic Current Connections:
How System is Grounded
Determines How Ground Fault is Detected
Medium/High
Resistance Ground
Low/No
Resistance Ground
77
GE Consumer & Industrial
Substation Types
• Single Supply
• Multiple Supply
• Mobile Substations foremergencies
• Types are defined by numberof transformers,
buses, breakers to provide adequate service
forapplication
78
GE Consumer & Industrial
Industrial Substation Arrangements
(Typical)
79
GE Consumer & Industrial
Industrial Substation Arrangements
(Typical)
80
GE Consumer & Industrial
Utility Substation Arrangements
Single Bus, 1 Tx, Dual supply Single Bus, 2 Tx, Dual
Supply
2-sections Bus with HS Tie-Breaker,
2 Tx, Dual Supply
(Typical)
81
GE Consumer & Industrial
Breaker-and-a-half –allows reduction of
equipment cost by using 3 breakers for
each 2 circuits. For load transfer and
operation is simple, but relaying is
complex as middle breaker is responsible
to both circuits
Utility Substation Arrangements
Bus
1
Bus 2
Ring bus –advantage that one
breaker per circuit. Also each
outgoing circuit (Tx) has 2 sources
of supply. Any breaker can be taken
from service without disrupting
others.
(Typical)
82
GE Consumer & Industrial
Double Bus: Upper Main and
Transfer, bottom Double Main bus
Main bus
Aux. bus
Bus 1
Bus 2
Tie
breaker
Utility Substation ArrangementsUtility Substation Arrangements
Main
Reserve
Transfer
Main-Reserved and Transfer
Bus: Allows maintenance of any
bus and any breaker
(Typical)
83
GE Consumer & Industrial
Switchgear Defined
• Assemblies containing electrical switching,
protection, metering and management devices
• Used in three-phase, high-power industrial,
commercial and utility applications
• Covers a variety of actual uses, including motor
control, distribution panels and outdoor
switchyards
• The term "switchgear" is plural, even when
referring to a single switchgear assembly (never
say, "switchgears")
• May be a described in terms of use:
– "the generator switchgear"
– "the stamping line switchgear"
91
GE Consumer & Industrial
A Good Day in System
Protection……
– CTs and VTs bring electrical info to relays
– Relays sense current and voltage and declare
fault
– Relays send signals through control circuits to
circuit breakers
– Circuit breaker(s) correctly trip
What CouldGo WrongHere????
92
GE Consumer & Industrial
A Bad Day in System
Protection……
– CTs or VTs are shorted, opened, or their wiring is
– Relays do not declare fault due to setting errors,
faulty relay, CT saturation
– Control wires cut or batteries dead so no signal is
sent from relay to circuit breaker
– Circuit breakers do not have power, burnt trip coil
or otherwise fail to trip
ProtectionSystems Typicallyare
DesignedforN-1
93
GE Consumer & Industrial
Protection Performance Statistics
• Correct and desired: 92.2%
• Correct but undesired: 5.3%
• Incorrect: 2.1%
• Fail to trip: 0.4%
94
GE Consumer & Industrial
Contribution to Faults
95
GE Consumer & Industrial
Fault Types (Shunt)
99
GE Consumer & Industrial
AC & DC Current Components
of Fault Current
100
GE Consumer & Industrial
Variation of current with time
during a fault
102
GE Consumer & Industrial
Useful Conversions
103
GE Consumer & Industrial
Per Unit System
Establish two base quantities:
 Standard practice is to define
– Base power – 3 phase
– Base voltage – line to line
 Other quantities derived with basic power
equations
104
GE Consumer & Industrial
Per Unit Basics
105
GE Consumer & Industrial
Short Circuit Calculations
Per Unit System
Per Unit Value = Actual Quantity
Base Quantity
Vpu = Vactual
Vbase
Ipu = Iactual
Ibase
Zpu = Zactual
Zbase
106
GE Consumer & Industrial
Short Circuit Calculations
Per Unit System
√3 x kV L-L base
I base =
x 1000MVAbase
Z base =
kV2
L-L base
MVAbase
107
GE Consumer & Industrial
Short Circuit Calculations
Per Unit System – Base Conversion
Zpu = Zactual
Zbase
Zbase = kV 2
base
MVAbase
Zpu1 = MVAbase1
kV 2
base1
X Zactual
Zpu2 = MVAbase2
kV 2
base2
X Zactual
 Zpu2 =Zpu1 x kV 2
base1 x MVAbase2
kV 2
base2 MVAbase1
120
GE Consumer & Industrial
A Study of a Fault…….
Fault Interruption and Arcing
121
GE Consumer & Industrial
Multilin
122
GE Consumer & Industrial
Arc Flash Hazard
123
GE Consumer & Industrial
Arc Flash Mitigation:
Problem Description
– An electric arc flash can occur if a conductive object gets
too close to a high-amp current source or by equipment
failure (ex., while opening or closing disconnects, racking
out)
• The arc can heat the air to temperatures as high as 35,000 F, and
vaporize metal in equipment
• The arc flash can cause severe skin burns by direct heat exposure
and by igniting clothing
• The heating of the air and vaporization of metal creates a pressure
wave (arc blast) that can damage hearing and cause memory loss
(from concussion) and other injuries.
• Flying metal parts are also a hazard.
124
GE Consumer & Industrial
Methods to Reduce
Arc Flash Hazard
– Arc flash energy may be expressed in I2
t terms, so
you can decrease the I or decrease the t to lessen
the energy
– Protective relays can help lessen the t by
optimizing sensitivity and decreasing clearing time
• Protective Relay Techniques
– Other means can lessen the I by limiting fault
current
• “Non-Protective Relay Techniques”
125
GE Consumer & Industrial
Non-Protective Relaying Methods
of Reducing Arc Flash Hazard
– System design
modifications increase
power transformer
impedance
• Addition of phase reactors
• Faster operating breakers
• Splitting of buses
– Current limiting fuses
(provides partial protection
only for a limited current
range)
– Electronic current limiters
(these devices sense
overcurrent and interrupt very
high currents with replaceable
conductor links (explosive
charge)
– Arc-resistant switchgear (this
really doesn't reduce arc flash
energy; it deflects the energy
away from personnel)
– Optical arc flash protection via
fiber sensors
– Optical arc flash protection via
lens sensors
126
GE Consumer & Industrial
Protective Relaying Methods
of Reducing Arc Flash Hazard
– Bus differential protection (this
reduces the arc flash energy by
reducing the clearing time
– Zone interlock schemes where
bus relay selectively is allowed
to trip or block depending on
location of faults as identified
from feeder relays
– Temporary setting changes to
reduce clearing time during
maintenance
• Sacrifices coordination
– FlexCurve for improved
coordination opportunities
– Employ 51VC/VR on feeders
fed from small generation to
improve sensitivity and
coordination
– Employ UV light detectors with
current disturbance detectors
for selective gear tripping
Arc Flash Hazards
128
GE Consumer & Industrial
Multilin
Arc Pressure Wave
129
GE Consumer & Industrial
Multilin
133
GE Consumer & Industrial
Copy of this presentation are at:
www.L-3.comprivateLevine
134
GE Consumer & Industrial
Protection Fundamentals
QUESTIONS?

Power System Protection basics

  • 1.
    1 GE Consumer &Industrial Protection Fundamentals By Craig Wester, John Levine
  • 2.
    2 GE Consumer &Industrial Outline • Introductions • Tools – Enervista Launchpad – On – Line Store – Demo Relays at ISO / Levine • Discussion of future classes • Protection Fundamentals • ANSI number handout, Training CD’s
  • 3.
    3 GE Consumer &Industrial Introduction • Speakers: – Craig Wester – GE Multilin Regional Manager – John Levine – GE Multilin Account Manager
  • 4.
    4 GE Consumer &Industrial Objective • We are here to help make your job easier. This is very informal and designed around ISO Applications. Please ask question. We are not here to “preach” to you. • The knowledge base on GE Multilin Relays varies greatly at ISO. If you have a question, there is a good chance there are 3 or 4 other people that have the same question. Please ask it.
  • 5.
    5 GE Consumer &Industrial Tools
  • 6.
    6 GE Consumer &Industrial
  • 7.
    7 GE Consumer &Industrial
  • 8.
    8 GE Consumer &Industrial Demo Relays with Ethernet • Working with James McRoy and Dave Curtis • SR 489 • SR 750 • G30 • MIF II • Training CD’s
  • 9.
    9 GE Consumer &Industrial Demo Relays at L-3
  • 10.
    10 GE Consumer &Industrial Future Classes • GE Multilin Training will be the 2nd Friday of every month. We will cover: – March – Basics, Enervista Launchpad, ANSI number and what they represent, Uploading, downloading, Training CD’s, etc. – April – 489 Relay – May – MIF II relay – June - 750 Relay – July - UR relay basic including Enervista Engineer – August – UR F60 and F35 relays – September – G30 and G60 including Transformer and Generator in same zone – October – Communications and security – November - Neutral Grounding Resistors – December – Ct’s and PT’s
  • 11.
    11 GE Consumer &Industrial Protection Fundamentals
  • 12.
    12 GE Consumer &Industrial Desirable Protection Attributes • Reliability: System operate properly – Security: Don’t trip when you shouldn’t – Dependability: Trip when you should • Selectivity: Trip the minimal amount to clear the fault or abnormal operating condition • Speed: Usually the faster the better in terms of minimizing equipment damage and maintaining system integrity • Simplicity: KISS • Economics: Don’t break the bank
  • 13.
    13 GE Consumer &Industrial Selection of protective relays requires compromises: • Maximum and Reliable protection at minimumequipment cost • High Sensitivity to faults and insensitivity to maximum load currents • High-speed fault clearance with correct selectivity • Selectivity in isolating small faulty area • Ability to operate correctly underall predictable power system conditions Art & Science of Protection
  • 14.
    14 GE Consumer &Industrial • Cost of protective relays should be balanced against risks involved if protection is not sufficient and not enough redundancy. • Primary objectives is to have faulted zone’s primary protection operate first, but if there are protective relays failures, some formof backup protection is provided. • Backup protection is local (if local primary protection fails to clearfault) and remote (if remote protection fails to operate to clearfault) Art & Science of Protection
  • 15.
    15 GE Consumer &Industrial Primary Equipment & Components • Transformers - to step up or step down voltage level • Breakers - to energize equipment and interrupt fault current to isolate faulted equipment • Insulators - to insulate equipment from ground and other phases • Isolators (switches) - to create a visible and permanent isolation of primary equipment for maintenance purposes and route power flow over certain buses. • Bus - to allow multiple connections (feeders) to the same source of power (transformer).
  • 16.
    16 GE Consumer &Industrial Primary Equipment & Components • Grounding - to operate and maintain equipment safely • Arrester - to protect primary equipment of sudden overvoltage (lightning strike). • Switchgear – integrated components to switch, protect, meter and control power flow • Reactors - to limit fault current (series) or compensate for charge current (shunt) • VT and CT - to measure primary current and voltage and supply scaled down values to P&C, metering, SCADA, etc. • Regulators - voltage, current, VAR, phase angle, etc.
  • 17.
    17 GE Consumer &Industrial Types of Protection Overcurrent • Uses current to determine magnitude of fault – Simple – May employ definite time or inverse time curves – May be slow – Selectivity at the cost of speed (coordination stacks) – Inexpensive – May use various polarizing voltages or ground current for directionality – Communication aided schemes make more selective
  • 18.
    18 GE Consumer &Industrial Instantaneous Overcurrent Protection (IOC) & Definite Time Overcurrent t I CTI 50 +2 50 +2 CTI • Relay closest to fault operates first • Relays closer to source operate slower • Time between operating for same current is called CTI (Clearing Time Interval) Distribution Substation
  • 19.
    19 GE Consumer &Industrial (TOC) Coordination t I CTI • Relay closest to fault operates first • Relays closer to source operate slower • Time between operating for same current is called CTI Distribution Substation
  • 20.
    20 GE Consumer &Industrial • Selection of the curves uses what is termed as a “ time multiplier” or “time dial” to effectively shift the curve up or down on the time axis • Operate region lies above selected curve, while no-operate region lies below it • Inverse curves can approximate fuse curve shapes Time Overcurrent Protection (TOC)
  • 21.
    21 GE Consumer &Industrial Multiples of pick-up Time Overcurrent Protection (51, 51N, 51G)
  • 22.
    23 GE Consumer &Industrial Types of Protection Differential – current in = current out – Simple – Very fast – Very defined clearing area – Expensive – Practical distance limitations • Line differential systems overcome this using digital communications
  • 23.
    24 GE Consumer &Industrial Differential • Note CT polarity dots • This is a through-current representation • Perfect waveforms, no saturation IP IS IR-X IP IS IR-Y Relay CT-X CT-Y 1 + (-1) = 0 +1 -1 0 Current,pu DIFF CURRENT 1 pu
  • 24.
    25 GE Consumer &Industrial Differential • Note CT polarity dots • This is an internal fault representation • Perfect waveforms, no saturation FaultIP IS IR-X IP IS IR-Y Relay 2 + (+2) = 4 +2 -2 0 Current,pu X 2 pu 2 pu CT-X CT-Y DIFF CURRENT
  • 25.
    26 GE Consumer &Industrial Types of Protection Voltage • Uses voltage to infer fault or abnormal condition • May employ definite time or inverse time curves • May also be used for undervoltage load shedding – Simple – May be slow – Selectivity at the cost of speed (coordination stacks) – Inexpensive
  • 26.
    27 GE Consumer &Industrial Types of Protection Frequency • Uses frequency of voltage to detect power balance condition • May employ definite time or inverse time curves • Used for load shedding & machinery under/overspeed protection – Simple – May be slow – Selectivity at the cost of speed can be expensive
  • 27.
    28 GE Consumer &Industrial Types of Protection Power • Uses voltage and current to determine power flow magnitude and direction • Typically definite time – Complex – May be slow – Accuracy important for many applications – Can be expensive
  • 28.
    29 GE Consumer &Industrial Types of Protection Distance (Impedance) – Uses voltage and current to determine impedance of fault – Set on impedance [R-X] plane – Uses definite time – Impedance related to distance from relay – Complicated – Fast – Somewhat defined clearing area with reasonable accuracy – Expensive – Communication aided schemes make more selective
  • 29.
    30 GE Consumer &Industrial Impedance • Relay in Zone 1 operates first • Time between Zones is called CTI Source A B 21 21 T1 T2 ZA ZB R X ZL
  • 30.
    Generation-typically at 4-20kV Transmission-typicallyat 230-765kV Subtransmission-typically at 69-161kV Receives powerfrom transmission systemand transforms into subtransmission level Receives powerfrom subtransmission systemand transforms into primary feedervoltage Distribution network-typically 2.4-69kV Low voltage (service)-typically 120-600V Typical Bulk Power System 33 GE Consumer & Industrial Multilin
  • 31.
    34 GE Consumer &Industrial 1. GeneratororGenerator-TransformerUnits 2. Transformers 3. Buses 4. Lines (transmission and distribution) 5. Utilization equipment (motors, static loads, etc.) 6. Capacitororreactor(when separately protected) Unit Generator-Tx zone Bus zone Line zone Bus zone Transformer zone Transformer zone Bus zone Generator ~ XFMR Bus Line Bus XFMR Bus Motor Motor zone Protection Zones
  • 32.
    35 GE Consumer &Industrial 1. Overlap is accomplished by the locations of CTs, the key source forprotective relays. 2. In some cases a fault might involve a CT ora circuit breakeritself, which means it can not be cleared until adjacent breakers (local orremote) are opened. Zone A Zone B Relay Zone A Relay Zone B CTs are located at both sides of CB-fault between CTs is cleared fromboth remote sides Zone A Zone B Relay Zone A Relay Zone B CTs are located at one side of CB- fault between CTs is sensed by both relays, remote right side operate only. Zone Overlap
  • 33.
    40 GE Consumer &Industrial 1. One-line diagramof the systemorarea involved 2. Impedances and connections of powerequipment, systemfrequency, voltage level and phase sequence 3. Existing schemes 4. Operating procedures and practices affecting protection 5. Importance of protection required and maximumallowed clearance times 6. System fault studies 7. Maximumload and systemswing limits 8. CTs and VTs locations, connections and ratios 9. Future expansion expectance 10. Any special considerations forapplication. What Info is Required to Apply Protection
  • 34.
  • 35.
    42 GE Consumer &Industrial One Line Diagram • Non-dimensioned diagram showing how pieces of electrical equipment are connected • Simplification of actual system • Equipment is shown as boxes, circles and other simple graphic symbols • Symbols should follow ANSI or IEC conventions
  • 36.
    43 GE Consumer &Industrial 1-Line Symbols [1]
  • 37.
    44 GE Consumer &Industrial 1-Line Symbols [2]
  • 38.
    45 GE Consumer &Industrial 1-Line Symbols [3]
  • 39.
    46 GE Consumer &Industrial 1-Line Symbols [4]
  • 40.
    47 GE Consumer &Industrial 1-Line [1]
  • 41.
  • 42.
    49 GE Consumer &Industrial 3-Line
  • 43.
    52 GE Consumer &Industrial CB Trip Circuit (Simplified)
  • 44.
    55 GE Consumer &Industrial Lock Out Relay
  • 45.
    56 GE Consumer &Industrial CB Coil Circuit Monitoring: T with CB Closed; C with CB Opened Coil Monitor Input Trip/Close Contact + T/C Coil - 52/a or 52/b Breaker Relay 52/a for trip circuit 52/b for close circuit
  • 46.
    57 GE Consumer &Industrial CB Coil Circuit Monitoring: Both T&C Regardless of CB state Breaker Relay Breaker Relay
  • 47.
    58 GE Consumer &Industrial • Current transformers are used to step primary systemcurrents to values usable by relays, meters, SCADA, transducers, etc. • CT ratios are expressed as primary to secondary; 2000:5, 1200:5, 600:5, 300:5 • A 2000:5 CT has a “CTR” of 400 Current Transformers
  • 48.
    59 GE Consumer &Industrial • IEEE relay class is defined in terms of the voltage a CT can deliver at 20 times the nominal current rating without exceeding a 10% composite ratio error. For example, a relay class of C100 on a 1200:5 CT means that the CT can develop 100 volts at 24,000 primary amps (1200*20) without exceeding a 10% ratio error. Maximum burden = 1 ohm. 100 V = 20 * 5 * (1ohm) 200 V = 20 * 5 * (2 ohms) 400 V = 20 * 5 * (4 ohms) 800 V = 20 * 5 * (8 ohms) Standard IEEE CT Relay Accuracy
  • 49.
    61 GE Consumer &Industrial Application Burden Designation Impedance (Ohms) VA @ 5 amps Power Factor Metering B0.1 0.1 2.5 0.9 B0.2 0.2 5 0.9 B0.5 0.5 12.5 0.9 B0.9 0.9 22.5 0.9 B1.8 1.8 45 0.9 Relaying B1 1 25 0.5 B2 2 50 0.5 B4 4 100 0.5 B8 8 200 0.5 Standard IEEE CT Burdens (5 Amp) (Per IEEE Std. C57.13-1993)
  • 50.
    62 GE Consumer &Industrial Current into the Dot, Out of the Dot Current out of the dot, in to the dot Forward Power IP IS IR Relay or Meter Forward Power IP IS IR Relay or Meter
  • 51.
    63 GE Consumer &Industrial VVPP VVSS Relay • Voltage (potential) transformers are used to isolate and step down and accurately reproduce the scaled voltage forthe protective device orrelay • VT ratios are typically expressed as primary to secondary; 14400:120, 7200:120 • A 4160:120 VT has a “VTR” of 34.66 Voltage Transformers
  • 52.
    64 GE Consumer &Industrial Typical CT/VT Circuits Courtesy of Blackburn, Protective Relay: Principles and Applications
  • 53.
    65 GE Consumer &Industrial CT/VT Circuit vs. Casing Ground • Case ground made at IT location • Secondary circuit ground made at first point of use Case Secondary Circuit
  • 54.
    66 GE Consumer &Industrial Equipment Grounding – Prevents shock exposure of personnel – Provides current carrying capability for the ground-fault current – Grounding includes design and construction of substation ground mat and CT and VT safety grounding
  • 55.
    67 GE Consumer &Industrial System Grounding – Limits overvoltages – Limits difference in electric potential through local area conducting objects – Several methods • Ungrounded • Reactance Coil Grounded • High Z Grounded • Low Z Grounded • Solidly Grounded
  • 56.
    68 GE Consumer &Industrial 1. Ungrounded: There is no intentional ground applied to the system-however it’s grounded through natural capacitance. Found in 2.4-15kV systems. 2. Reactance Grounded: Total system capacitance is cancelled by equal inductance. This decreases the current at the fault and limits voltage across the arc at the fault to decrease damage. X0 <= 10 * X1 System Grounding
  • 57.
    69 GE Consumer &Industrial 3. High Resistance Grounded: Limits ground fault current to 10A-20A. Used to limit transient overvoltages due to arcing ground faults. R0 <= X0C/3, X0C is capacitive zero sequence reactance 4. Low Resistance Grounded: To limit current to 25-400A R0 >= 2X0 System Grounding
  • 58.
    70 GE Consumer &Industrial 5. Solidly Grounded: There is a connection of transformeror generatorneutral directly to station ground. Effectively Grounded: R0 <= X1, X0 <= 3X1, where Ris the systemfault resistance System Grounding
  • 59.
    76 GE Consumer &Industrial Basic Current Connections: How System is Grounded Determines How Ground Fault is Detected Medium/High Resistance Ground Low/No Resistance Ground
  • 60.
    77 GE Consumer &Industrial Substation Types • Single Supply • Multiple Supply • Mobile Substations foremergencies • Types are defined by numberof transformers, buses, breakers to provide adequate service forapplication
  • 61.
    78 GE Consumer &Industrial Industrial Substation Arrangements (Typical)
  • 62.
    79 GE Consumer &Industrial Industrial Substation Arrangements (Typical)
  • 63.
    80 GE Consumer &Industrial Utility Substation Arrangements Single Bus, 1 Tx, Dual supply Single Bus, 2 Tx, Dual Supply 2-sections Bus with HS Tie-Breaker, 2 Tx, Dual Supply (Typical)
  • 64.
    81 GE Consumer &Industrial Breaker-and-a-half –allows reduction of equipment cost by using 3 breakers for each 2 circuits. For load transfer and operation is simple, but relaying is complex as middle breaker is responsible to both circuits Utility Substation Arrangements Bus 1 Bus 2 Ring bus –advantage that one breaker per circuit. Also each outgoing circuit (Tx) has 2 sources of supply. Any breaker can be taken from service without disrupting others. (Typical)
  • 65.
    82 GE Consumer &Industrial Double Bus: Upper Main and Transfer, bottom Double Main bus Main bus Aux. bus Bus 1 Bus 2 Tie breaker Utility Substation ArrangementsUtility Substation Arrangements Main Reserve Transfer Main-Reserved and Transfer Bus: Allows maintenance of any bus and any breaker (Typical)
  • 66.
    83 GE Consumer &Industrial Switchgear Defined • Assemblies containing electrical switching, protection, metering and management devices • Used in three-phase, high-power industrial, commercial and utility applications • Covers a variety of actual uses, including motor control, distribution panels and outdoor switchyards • The term "switchgear" is plural, even when referring to a single switchgear assembly (never say, "switchgears") • May be a described in terms of use: – "the generator switchgear" – "the stamping line switchgear"
  • 67.
    91 GE Consumer &Industrial A Good Day in System Protection…… – CTs and VTs bring electrical info to relays – Relays sense current and voltage and declare fault – Relays send signals through control circuits to circuit breakers – Circuit breaker(s) correctly trip What CouldGo WrongHere????
  • 68.
    92 GE Consumer &Industrial A Bad Day in System Protection…… – CTs or VTs are shorted, opened, or their wiring is – Relays do not declare fault due to setting errors, faulty relay, CT saturation – Control wires cut or batteries dead so no signal is sent from relay to circuit breaker – Circuit breakers do not have power, burnt trip coil or otherwise fail to trip ProtectionSystems Typicallyare DesignedforN-1
  • 69.
    93 GE Consumer &Industrial Protection Performance Statistics • Correct and desired: 92.2% • Correct but undesired: 5.3% • Incorrect: 2.1% • Fail to trip: 0.4%
  • 70.
    94 GE Consumer &Industrial Contribution to Faults
  • 71.
    95 GE Consumer &Industrial Fault Types (Shunt)
  • 72.
    99 GE Consumer &Industrial AC & DC Current Components of Fault Current
  • 73.
    100 GE Consumer &Industrial Variation of current with time during a fault
  • 74.
    102 GE Consumer &Industrial Useful Conversions
  • 75.
    103 GE Consumer &Industrial Per Unit System Establish two base quantities:  Standard practice is to define – Base power – 3 phase – Base voltage – line to line  Other quantities derived with basic power equations
  • 76.
    104 GE Consumer &Industrial Per Unit Basics
  • 77.
    105 GE Consumer &Industrial Short Circuit Calculations Per Unit System Per Unit Value = Actual Quantity Base Quantity Vpu = Vactual Vbase Ipu = Iactual Ibase Zpu = Zactual Zbase
  • 78.
    106 GE Consumer &Industrial Short Circuit Calculations Per Unit System √3 x kV L-L base I base = x 1000MVAbase Z base = kV2 L-L base MVAbase
  • 79.
    107 GE Consumer &Industrial Short Circuit Calculations Per Unit System – Base Conversion Zpu = Zactual Zbase Zbase = kV 2 base MVAbase Zpu1 = MVAbase1 kV 2 base1 X Zactual Zpu2 = MVAbase2 kV 2 base2 X Zactual  Zpu2 =Zpu1 x kV 2 base1 x MVAbase2 kV 2 base2 MVAbase1
  • 80.
    120 GE Consumer &Industrial A Study of a Fault…….
  • 81.
    Fault Interruption andArcing 121 GE Consumer & Industrial Multilin
  • 82.
    122 GE Consumer &Industrial Arc Flash Hazard
  • 83.
    123 GE Consumer &Industrial Arc Flash Mitigation: Problem Description – An electric arc flash can occur if a conductive object gets too close to a high-amp current source or by equipment failure (ex., while opening or closing disconnects, racking out) • The arc can heat the air to temperatures as high as 35,000 F, and vaporize metal in equipment • The arc flash can cause severe skin burns by direct heat exposure and by igniting clothing • The heating of the air and vaporization of metal creates a pressure wave (arc blast) that can damage hearing and cause memory loss (from concussion) and other injuries. • Flying metal parts are also a hazard.
  • 84.
    124 GE Consumer &Industrial Methods to Reduce Arc Flash Hazard – Arc flash energy may be expressed in I2 t terms, so you can decrease the I or decrease the t to lessen the energy – Protective relays can help lessen the t by optimizing sensitivity and decreasing clearing time • Protective Relay Techniques – Other means can lessen the I by limiting fault current • “Non-Protective Relay Techniques”
  • 85.
    125 GE Consumer &Industrial Non-Protective Relaying Methods of Reducing Arc Flash Hazard – System design modifications increase power transformer impedance • Addition of phase reactors • Faster operating breakers • Splitting of buses – Current limiting fuses (provides partial protection only for a limited current range) – Electronic current limiters (these devices sense overcurrent and interrupt very high currents with replaceable conductor links (explosive charge) – Arc-resistant switchgear (this really doesn't reduce arc flash energy; it deflects the energy away from personnel) – Optical arc flash protection via fiber sensors – Optical arc flash protection via lens sensors
  • 86.
    126 GE Consumer &Industrial Protective Relaying Methods of Reducing Arc Flash Hazard – Bus differential protection (this reduces the arc flash energy by reducing the clearing time – Zone interlock schemes where bus relay selectively is allowed to trip or block depending on location of faults as identified from feeder relays – Temporary setting changes to reduce clearing time during maintenance • Sacrifices coordination – FlexCurve for improved coordination opportunities – Employ 51VC/VR on feeders fed from small generation to improve sensitivity and coordination – Employ UV light detectors with current disturbance detectors for selective gear tripping
  • 87.
    Arc Flash Hazards 128 GEConsumer & Industrial Multilin
  • 88.
    Arc Pressure Wave 129 GEConsumer & Industrial Multilin
  • 89.
    133 GE Consumer &Industrial Copy of this presentation are at: www.L-3.comprivateLevine
  • 90.
    134 GE Consumer &Industrial Protection Fundamentals QUESTIONS?

Editor's Notes

  • #53 O1 trip handle, pr1 and pr2 electromechnincal with phase and ground, s1 seal in ts1 is the seal in coil
  • #59 Current Turns Ratio (CTR)
  • #101 Figure 2.4 Variation of current with time during a fault
  • #102 Fig. 2.5 Variation of generator reactance with time during a fault