Dr.V.V.P.F’s
College of Pharmacy
Vilad Ghat, Ahmednagar.
Presented by,
P.B.Rapanwad
(M.Pharm. Sem-I)
(Quality Assurance
Technique)
(Roll no.:11)
Guided by,
Dr. R L.Sawant
(M.Pharm. Ph.D)
(Pharmaceutical
Chemistry)
GAS CHROMATOGRAPHY
GC is currently one of the most popular methods for separating
and analyzing compounds.
This is due to its high resolution, low limits of detection,
speed, accuracy and reproducibility.
GC can be applied to the separation of any compound that is
either naturally volatile (i.e., readily goes into the gas phase)
or can be converted to a volatile derivative.
Principle
The organic compounds are separated due to
differences in their partitioning behavior between
the mobile gas phase and the stationary phase in the
column.
This makes GC useful in the separation of a number of small
organic and inorganic compounds (They can big compounds if
you can make them small before separation).
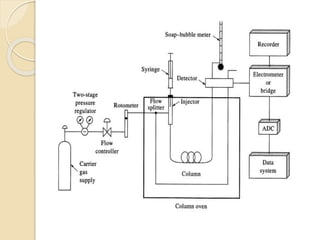
A simple GC system consists of:
 Gas source (with pressure and flow regulators)
 Injector or sample application system (sample inlet)
 Chromatographic column (with oven for temperature
control)
 Detector & computer or recorder
GC History
 Development of GC (1941) by Martin and Synge
 Theory of Capillary GC (1957) by Golay
 Capillary GC Instruments (1977)
 Fused Silica Capillary Columns (1979)
Archer J. P. Martin
1910-2002
Richard L. M. Synge
1914-1994
6
Gas - Solid Chromatography (GSC)
The stationary phase, in this case, is a solid like silica or
alumina. It is the affinity of solutes towards adsorption onto
the stationary phase which determines, in part, the retention
time. The mobile phase is, of course, a suitable carrier gas.
This gas chromatographic technique is most useful for the
separation and analysis of gases like CH4, CO2, CO, ... etc.
The use of GSC in practice is considered marginal when
compared to gas liquid chromatography.
Advantages:
 long column lifetimes
 ability to retain and separate some compounds not easily
resolved by other GC methods
geometrical isomers
permanent gases
Disadvantages:
 very strong retention of low volatility or polar solutes
 catalytic changes that can occur on GSC supports
 GSC supports have a range of chemical and physical
environments
different strength retention sites
non-symmetrical peaks
variable retention times
8
Gas - Liquid Chromatography (GLC)
The stationary phase is a liquid with very low volatility while
the mobile phase is a suitable carrier gas. GLC is the most
widely used technique for separation of volatile species. The
presence of a wide variety of stationary phases with
contrasting selectivity's and easy column preparation add to
the assets of GLC or simply GC.
Disadvantages:
 liquid may slowly bleed off with time,
especially if high temperatures are used
contribute to background change characteristics of the
column with time
Instrumentation:-
 It may be wise to introduce instrumental components before
proceeding further in theoretical background.
 It should also be noted that a detector will require special gas
cylinders depending on the detector type utilized. The
column temperature controller is simply an oven, the
temperature of which can be varied or programmed.
Three temperature zones can be identified:
1. Injector temperature, TI, where TI should allow flash
vaporization of all sample components.
2. Column temperature, Tc, which is adjusted as the average
boiling points of sample components.
3. Detector Temperature, TD, which should exclude any possible
condensation inside the detector.
Generally, an intuitive equation can be used to adjust all three
zones depending on the average boiling point of the sample
components.
This equation is formulated as:
TI = TD = Tc + 50 oC
14
The Carrier Gas
 The mobile phase (carrier gas) should be chemically
inert, dry and free from O2 (helium, argon, nitrogen and
hydrogen).
 Helium is commonly used in GC.
 The carrier gas should be of high purity; impurities in the
carrier gas such as water vapour, air and trace gaseous
hydrocarbons can cause reactions with sample and cause
column deterioration and affect detector performance.
 The gas supply is associated with pressure regulator and
flow controller.
16
A carrier gas should have the following properties:
 Highly pure (> 99.9%)
 Inert so that no reaction with stationary phase or
instrumental components can take place, especially at high
temperatures.
 A higher density (larger viscosity) carrier gas is preferred.
 Compatible with the detector since some detectors require
the use of a specific carrier gas.
 A cheap and available carrier gas is an advantage.
 Should not cause the risk of fire or explosion hazard.
 Septum type injectors are the most common.
 These are composed of a glass tube where vaporization of
the sample takes place.
 The sample is introduced into the injector through a self-sealing
silicone rubber septum.
 The carrier gas flows through the injector carrying vaporized
solutes. The temperature of the injector should be adjusted so that
flash vaporization of all solutes occurs.
 If the temperature of the injector is not high enough (at least 50
degrees above highest boiling component), band broadening will
take place.
Sample Injection
Auto Sampler
• Automation
• Up to 150 samples
• Instantaneous injection
• Same amount of sample injected every time
Split Injection
 Only a small portion (1/1000 - 1/20) of sample goes through
the column
 Used for concentrated samples (>0.1%)
 Can be performed isothermally.
 Fast injection speed
 Injector and septa contamination not usually noticed
Splitless Injection
 Most of the sample goes through the column (85-100%)
 Used for dilute samples (<0.1%)
 Injection speed slow
 Should not be performed isothermally
 Solvent focusing is important
 Controlled by solenoid valve
 Requires careful optimisation
GC Columns
 The GC column on which the actual separation of sample
components is effected.
 Most GC columns are made from high-purity fused silica capillary,
the inner wall of the capillary coated with the stationary phase.
 GC columns vary in length from less than 2 m to 50 m or more.
 In order to fit into the column oven, they are usually formed as coils.
 The control of column’s temperature is critical to attain a good
separation in GC, thus the column is located inside a thermo stated
oven to control the temperature.
Oven
Column
GC Columns
Capillary columnsPacked columns
 Typically a glass or stainless
steel coil.
 1-5 total length and 5 mm
inner diameter.
 Filled with the st. ph. or a
packing coated with the st.ph.
 Thin fused-silica.
 Typically 10-100 m in length
and 250 mm inner diameter.
 St. ph. coated on the inner
surface.
 Provide much higher
separation eff.
 But more easily overloaded by
too much sample.
Polyamide--provides great
mechanical strength and
flexibility
Fused silica--pure form of glass
that is very inert but fragile
Capillary column
Advantages:
Higher resolution.
Shorter analysis time.
Greater Sensitivity.
Disadvantages:
 Smaller sample capacity.
 Need better experience.
Solid support Materials
Ideally solid support material is:
Large surface area.
Has a good mechanical stability.
Thermally stable.
Particle size range from 100-400µm.
Selection of Stationary Phase
 Nature of solute
 Very low volatility liquid that have good absolute and
differential solubility for analytes are required for
successful separation.
 Non-volatile liquid assure minimum bleeding of the
stationary phase.
 Film thickness in the range from 0.1-5µm are common.
Liquid of Stationary Phase
 The polarity of stationary phase should match that of the
sample consists (“like” dissolves “like”).
 Most stationary phase based on Polydimethylsiloxane or
Polyethylene glycol(PEG) backbone.
Common Stationary phase in capillary gas chromatography
Temperature programming
Temperature programming gas
chromatography(TPGC).
Van-deemter equation
H
(flow rate)
A
C
B
H min
A term
‘Multipath Effect’
A ∞ Ce dp
Ce = particle shape
dp = diameter of particle
A term
• Entirely dependent on column
• Only important in LC
B term
‘Longitudinal diffusion’
B
DMP

∞
DMP = diffusivity of mobile phase
B term
• Inversely proportional to flow rate (fast)
• Only important in GC (DMP of a gas)
• Typical LC flow rate 0.2-0.5 mL/min
• Typical GC flow rate 1-2 mL/min
C term
‘Mass transfer’
dt = diameter of tube
DMP = diffusivity of MP
GC C
dt
2
DMP
∞ m
dp = diameter of particles
DMP = diffusivity of MP
 = tortuosityLC C
dp
2
∞ mDMP
Detector
Characteristics of the Ideal Detector:
The ideal detector for gas chromatography has
the following characteristics:
1. Adequate sensitivity
2. Good stability and reproducibility.
3. A linear response to solutes that extends over several
orders of magnitude.
4. A temperature range from room temperature to at
least 400oC.
The following devices are common types of GC detectors:
1. Thermal Conductivity Detector (TCD)
2. Flame Ionization Detector (FID)
3. Nitrogen-phosphorus Detector
4. Electron Capture Detector (ECD)
5. Mass Spectrometers
The choice of detector will depend on the analyte and how the
GC method is being used (i.e., analytical or preparative scale)
Thermal Conductivity Detector (TCD)
- hot-wire detector
- first universal detector developed for GC
Process
- measures a bulk property of the mobile phase leaving the
column.
- measures ability to conduct heat away from a hot-wire (i.e.,
thermal conductivity)
- thermal conductivity changes with presence of other
components in the mobile phase
Atomic emission detector (AED)
Flame Photometric Detector (FPD)
Mass Spectrometry Detector
Concentration-sensitive vs
Mass-sensitive Detector
 Concentration-sensitive detector responds to the
concentration of the analyte in the mobile phase (the mobile
phase is directly involved in the signal formation). (e.g. TCD
and ECD).
 Mass-sensitive detector responds to the number of molecules
or ions that contact with the detector (the mobile phase is not
directly involved in the signal formation). (e.g. FID, AED,
and FPD).
Interfacing Gas Chromatography
with Spectroscopic Methods
Gas chromatography is often coupled with the selective techniques of
spectroscopy, thus giving so-called hyphenated methods that provide
the chemist with powerful tools for identifying the components of
complex mixtures.
Gas Chromatography/Mass
Spectrometry (GC/MS)
The flow rate from capillary columns is generally low enough that the
column output can be fed directly into the ionization chamber of the
mass spectrometer. For packed columns and megabore capillary
columns however, a jet separator must be employed to remove most of
the carrier gas from the analyte.
Applications
 Analysis of pesticide residues in soil, water, and food is crucial for
maintaining safe levels in the environment. The Pestisides in the
ECD mode is highly selective for monitoring electron capturing
compounds such as chlorinated pesticides and other halogens.
Sample: Pesticide calibration mix Detector mode: Electron capture
Detector temp: 330°C Column: 25 m x 0.32 mm x 25 µm, HP-5
Column temp: 150°C to 300°C at 10°C/min Sample volume: 1 µL,
10:1 split Discharge gas: Helium, 30 mL/min Dopant gas: 5%
methane in helium, 2.4 mL/min Attenuation: 1
Pesticides
Pesticide separations
Retention time (sec)
Food analysis
 Analysis of foods is concerned with the assay of lipids, proteins,
carbohydrates, preservatives, flavours, colorants and texture
modifiers, and also vitamins, steroids, drugs and pesticide residues
and trace elements. Most of the components are non-volatile and
although HPLC is now used routinely for much food analysis, GC is
still frequently used. For examples, derivatization of lipids and fatty
acid to their methyl esters(FAMEs), of proteins by acid hydrolysis
followed by esterification (N-propyl esters) and of carbohydrates by
silylation to produce volatile samples suitable for GC analysis.
GC Food
 GC quality control analysis of food products can confirm the
presence and quantities of the analytes For example, fruits, fruit
derived foodstuffs, vegetables and soft drinks, tea and coffee, were
analyzed for their polybasic and hydroxy acid contents (citric,
maleic acids) as TMS derivatives.
 All food and beverage products on sale today must be carefully
assayed for contamination with pesticides, herbicides and many
other materials that are considered a health risk. The analysis of
food involves separating and identifying very complex mixtures, the
components of which are present at very low concentrations. GC is
the ideal technique for use in food and beverage assays and tests.
Food and Cancer
 Chemicals that can cause cancer have a wide variety
of molecular structures and include hydrocarbons,
amines, certain drugs, some metals and even some
substances occurring naturally in plants and molds.
In this way, many nitrosamines have carcinogenic
properties and these are produced in a number of
ways such as cigarette smoke. GC can be used to
identify these nitro-compounds in trace quantities.
Drugs
 There are still numerous GC applications involving both quantitative
and qualitative identification of the active components and possible
contaminants, adulterants or characteristic features which may indicate
the source of the particular sample.
 Forensic analysis frequently users GC to characterize drugs of abuse,
in some cases the characteristic chromatographic fingerprint gives an
indication of the source of manufacture of the sample or worldwide
source of a vegetable material such as cannabis.
Metal chelates and inorganic materials
 Although inorganic compounds are generally non-
volatile, GC analysis can be achieved by converting
the metal species into volatile derivatives. Only some
metal hydrides and chlorides have sufficient volatility
for GC. Organometallics other than chelates, which
can be analyzed directly, include boranes, silanes,
germanes, organotin and lead compounds.
Reference
 G.R.Chatwal and S.K.Anand,“Instrumental methods of
chemical analysis”, fifth edition, Himalaya publicating
house, page no.:- 2.673-2.699
GAS CHROMATOGRAPHY

GAS CHROMATOGRAPHY

  • 1.
    Dr.V.V.P.F’s College of Pharmacy ViladGhat, Ahmednagar. Presented by, P.B.Rapanwad (M.Pharm. Sem-I) (Quality Assurance Technique) (Roll no.:11) Guided by, Dr. R L.Sawant (M.Pharm. Ph.D) (Pharmaceutical Chemistry)
  • 2.
    GAS CHROMATOGRAPHY GC iscurrently one of the most popular methods for separating and analyzing compounds. This is due to its high resolution, low limits of detection, speed, accuracy and reproducibility. GC can be applied to the separation of any compound that is either naturally volatile (i.e., readily goes into the gas phase) or can be converted to a volatile derivative.
  • 3.
    Principle The organic compoundsare separated due to differences in their partitioning behavior between the mobile gas phase and the stationary phase in the column.
  • 4.
    This makes GCuseful in the separation of a number of small organic and inorganic compounds (They can big compounds if you can make them small before separation). A simple GC system consists of:  Gas source (with pressure and flow regulators)  Injector or sample application system (sample inlet)  Chromatographic column (with oven for temperature control)  Detector & computer or recorder
  • 5.
    GC History  Developmentof GC (1941) by Martin and Synge  Theory of Capillary GC (1957) by Golay  Capillary GC Instruments (1977)  Fused Silica Capillary Columns (1979) Archer J. P. Martin 1910-2002 Richard L. M. Synge 1914-1994
  • 6.
    6 Gas - SolidChromatography (GSC) The stationary phase, in this case, is a solid like silica or alumina. It is the affinity of solutes towards adsorption onto the stationary phase which determines, in part, the retention time. The mobile phase is, of course, a suitable carrier gas. This gas chromatographic technique is most useful for the separation and analysis of gases like CH4, CO2, CO, ... etc. The use of GSC in practice is considered marginal when compared to gas liquid chromatography.
  • 7.
    Advantages:  long columnlifetimes  ability to retain and separate some compounds not easily resolved by other GC methods geometrical isomers permanent gases Disadvantages:  very strong retention of low volatility or polar solutes  catalytic changes that can occur on GSC supports  GSC supports have a range of chemical and physical environments different strength retention sites non-symmetrical peaks variable retention times
  • 8.
    8 Gas - LiquidChromatography (GLC) The stationary phase is a liquid with very low volatility while the mobile phase is a suitable carrier gas. GLC is the most widely used technique for separation of volatile species. The presence of a wide variety of stationary phases with contrasting selectivity's and easy column preparation add to the assets of GLC or simply GC.
  • 9.
    Disadvantages:  liquid mayslowly bleed off with time, especially if high temperatures are used contribute to background change characteristics of the column with time
  • 11.
    Instrumentation:-  It maybe wise to introduce instrumental components before proceeding further in theoretical background.  It should also be noted that a detector will require special gas cylinders depending on the detector type utilized. The column temperature controller is simply an oven, the temperature of which can be varied or programmed.
  • 13.
    Three temperature zonescan be identified: 1. Injector temperature, TI, where TI should allow flash vaporization of all sample components. 2. Column temperature, Tc, which is adjusted as the average boiling points of sample components. 3. Detector Temperature, TD, which should exclude any possible condensation inside the detector. Generally, an intuitive equation can be used to adjust all three zones depending on the average boiling point of the sample components. This equation is formulated as: TI = TD = Tc + 50 oC
  • 14.
  • 15.
    The Carrier Gas The mobile phase (carrier gas) should be chemically inert, dry and free from O2 (helium, argon, nitrogen and hydrogen).  Helium is commonly used in GC.  The carrier gas should be of high purity; impurities in the carrier gas such as water vapour, air and trace gaseous hydrocarbons can cause reactions with sample and cause column deterioration and affect detector performance.  The gas supply is associated with pressure regulator and flow controller.
  • 16.
    16 A carrier gasshould have the following properties:  Highly pure (> 99.9%)  Inert so that no reaction with stationary phase or instrumental components can take place, especially at high temperatures.  A higher density (larger viscosity) carrier gas is preferred.  Compatible with the detector since some detectors require the use of a specific carrier gas.  A cheap and available carrier gas is an advantage.  Should not cause the risk of fire or explosion hazard.
  • 17.
     Septum typeinjectors are the most common.  These are composed of a glass tube where vaporization of the sample takes place.  The sample is introduced into the injector through a self-sealing silicone rubber septum.  The carrier gas flows through the injector carrying vaporized solutes. The temperature of the injector should be adjusted so that flash vaporization of all solutes occurs.  If the temperature of the injector is not high enough (at least 50 degrees above highest boiling component), band broadening will take place. Sample Injection
  • 19.
    Auto Sampler • Automation •Up to 150 samples • Instantaneous injection • Same amount of sample injected every time
  • 20.
    Split Injection  Onlya small portion (1/1000 - 1/20) of sample goes through the column  Used for concentrated samples (>0.1%)  Can be performed isothermally.  Fast injection speed  Injector and septa contamination not usually noticed
  • 21.
    Splitless Injection  Mostof the sample goes through the column (85-100%)  Used for dilute samples (<0.1%)  Injection speed slow  Should not be performed isothermally  Solvent focusing is important  Controlled by solenoid valve  Requires careful optimisation
  • 22.
    GC Columns  TheGC column on which the actual separation of sample components is effected.  Most GC columns are made from high-purity fused silica capillary, the inner wall of the capillary coated with the stationary phase.  GC columns vary in length from less than 2 m to 50 m or more.  In order to fit into the column oven, they are usually formed as coils.  The control of column’s temperature is critical to attain a good separation in GC, thus the column is located inside a thermo stated oven to control the temperature. Oven Column
  • 23.
    GC Columns Capillary columnsPackedcolumns  Typically a glass or stainless steel coil.  1-5 total length and 5 mm inner diameter.  Filled with the st. ph. or a packing coated with the st.ph.  Thin fused-silica.  Typically 10-100 m in length and 250 mm inner diameter.  St. ph. coated on the inner surface.  Provide much higher separation eff.  But more easily overloaded by too much sample.
  • 24.
    Polyamide--provides great mechanical strengthand flexibility Fused silica--pure form of glass that is very inert but fragile
  • 26.
    Capillary column Advantages: Higher resolution. Shorteranalysis time. Greater Sensitivity. Disadvantages:  Smaller sample capacity.  Need better experience.
  • 27.
    Solid support Materials Ideallysolid support material is: Large surface area. Has a good mechanical stability. Thermally stable. Particle size range from 100-400µm.
  • 28.
    Selection of StationaryPhase  Nature of solute  Very low volatility liquid that have good absolute and differential solubility for analytes are required for successful separation.  Non-volatile liquid assure minimum bleeding of the stationary phase.  Film thickness in the range from 0.1-5µm are common.
  • 29.
    Liquid of StationaryPhase  The polarity of stationary phase should match that of the sample consists (“like” dissolves “like”).  Most stationary phase based on Polydimethylsiloxane or Polyethylene glycol(PEG) backbone.
  • 30.
    Common Stationary phasein capillary gas chromatography
  • 31.
  • 32.
  • 33.
    A term ‘Multipath Effect’ A∞ Ce dp Ce = particle shape dp = diameter of particle A term • Entirely dependent on column • Only important in LC
  • 34.
    B term ‘Longitudinal diffusion’ B DMP  ∞ DMP= diffusivity of mobile phase B term • Inversely proportional to flow rate (fast) • Only important in GC (DMP of a gas) • Typical LC flow rate 0.2-0.5 mL/min • Typical GC flow rate 1-2 mL/min
  • 35.
    C term ‘Mass transfer’ dt= diameter of tube DMP = diffusivity of MP GC C dt 2 DMP ∞ m dp = diameter of particles DMP = diffusivity of MP  = tortuosityLC C dp 2 ∞ mDMP
  • 36.
    Detector Characteristics of theIdeal Detector: The ideal detector for gas chromatography has the following characteristics: 1. Adequate sensitivity 2. Good stability and reproducibility. 3. A linear response to solutes that extends over several orders of magnitude. 4. A temperature range from room temperature to at least 400oC.
  • 37.
    The following devicesare common types of GC detectors: 1. Thermal Conductivity Detector (TCD) 2. Flame Ionization Detector (FID) 3. Nitrogen-phosphorus Detector 4. Electron Capture Detector (ECD) 5. Mass Spectrometers The choice of detector will depend on the analyte and how the GC method is being used (i.e., analytical or preparative scale)
  • 38.
    Thermal Conductivity Detector(TCD) - hot-wire detector - first universal detector developed for GC Process - measures a bulk property of the mobile phase leaving the column. - measures ability to conduct heat away from a hot-wire (i.e., thermal conductivity) - thermal conductivity changes with presence of other components in the mobile phase
  • 39.
  • 40.
  • 41.
  • 42.
    Concentration-sensitive vs Mass-sensitive Detector Concentration-sensitive detector responds to the concentration of the analyte in the mobile phase (the mobile phase is directly involved in the signal formation). (e.g. TCD and ECD).  Mass-sensitive detector responds to the number of molecules or ions that contact with the detector (the mobile phase is not directly involved in the signal formation). (e.g. FID, AED, and FPD).
  • 43.
    Interfacing Gas Chromatography withSpectroscopic Methods Gas chromatography is often coupled with the selective techniques of spectroscopy, thus giving so-called hyphenated methods that provide the chemist with powerful tools for identifying the components of complex mixtures. Gas Chromatography/Mass Spectrometry (GC/MS) The flow rate from capillary columns is generally low enough that the column output can be fed directly into the ionization chamber of the mass spectrometer. For packed columns and megabore capillary columns however, a jet separator must be employed to remove most of the carrier gas from the analyte.
  • 44.
    Applications  Analysis ofpesticide residues in soil, water, and food is crucial for maintaining safe levels in the environment. The Pestisides in the ECD mode is highly selective for monitoring electron capturing compounds such as chlorinated pesticides and other halogens. Sample: Pesticide calibration mix Detector mode: Electron capture Detector temp: 330°C Column: 25 m x 0.32 mm x 25 µm, HP-5 Column temp: 150°C to 300°C at 10°C/min Sample volume: 1 µL, 10:1 split Discharge gas: Helium, 30 mL/min Dopant gas: 5% methane in helium, 2.4 mL/min Attenuation: 1 Pesticides
  • 45.
  • 46.
    Food analysis  Analysisof foods is concerned with the assay of lipids, proteins, carbohydrates, preservatives, flavours, colorants and texture modifiers, and also vitamins, steroids, drugs and pesticide residues and trace elements. Most of the components are non-volatile and although HPLC is now used routinely for much food analysis, GC is still frequently used. For examples, derivatization of lipids and fatty acid to their methyl esters(FAMEs), of proteins by acid hydrolysis followed by esterification (N-propyl esters) and of carbohydrates by silylation to produce volatile samples suitable for GC analysis.
  • 47.
    GC Food  GCquality control analysis of food products can confirm the presence and quantities of the analytes For example, fruits, fruit derived foodstuffs, vegetables and soft drinks, tea and coffee, were analyzed for their polybasic and hydroxy acid contents (citric, maleic acids) as TMS derivatives.  All food and beverage products on sale today must be carefully assayed for contamination with pesticides, herbicides and many other materials that are considered a health risk. The analysis of food involves separating and identifying very complex mixtures, the components of which are present at very low concentrations. GC is the ideal technique for use in food and beverage assays and tests.
  • 48.
    Food and Cancer Chemicals that can cause cancer have a wide variety of molecular structures and include hydrocarbons, amines, certain drugs, some metals and even some substances occurring naturally in plants and molds. In this way, many nitrosamines have carcinogenic properties and these are produced in a number of ways such as cigarette smoke. GC can be used to identify these nitro-compounds in trace quantities.
  • 49.
    Drugs  There arestill numerous GC applications involving both quantitative and qualitative identification of the active components and possible contaminants, adulterants or characteristic features which may indicate the source of the particular sample.  Forensic analysis frequently users GC to characterize drugs of abuse, in some cases the characteristic chromatographic fingerprint gives an indication of the source of manufacture of the sample or worldwide source of a vegetable material such as cannabis.
  • 50.
    Metal chelates andinorganic materials  Although inorganic compounds are generally non- volatile, GC analysis can be achieved by converting the metal species into volatile derivatives. Only some metal hydrides and chlorides have sufficient volatility for GC. Organometallics other than chelates, which can be analyzed directly, include boranes, silanes, germanes, organotin and lead compounds.
  • 51.
    Reference  G.R.Chatwal andS.K.Anand,“Instrumental methods of chemical analysis”, fifth edition, Himalaya publicating house, page no.:- 2.673-2.699