BUCK BOOST CONVERTER
WORKING
MODE 1
MODE 2
What is a Flyback Converter
• The flyback converter is a power supply topology that uses mutually
coupled inductor, to store energy when current passes through and
releasing the energy when the power is removed.
• The flyback converters are similar to the booster converters in
architecture and performance.
• However, the primary winding of the transformer replaces inductor
while the secondary provides the output.
• In the flyback configuration, the primary and secondary windings are
utilized as two separate inductors.
PRINCIPLE
• When the current flowing through an
inductor is cut off, the energy stored in the
magnetic field is released by a sudden
reversal of the terminal voltage.
• If a diode is in place to conduct the stored
energy somewhere useful, the diode is
called a flyback diode.
• This only requires one winding on the
inductor, so the inductor would be called a
flyback transformer.
• This arrangement has the interesting
property of transferring energy to the
secondary side of the power supply only
when the primary switch is off.
• The basic flyback converter uses a
relatively small number of components.
• A switching device chops the input DC
voltage and the energy in the primary is
transferred to the secondary through the
switching transformer.
• A diode in the secondary rectifies the
voltage while the capacitor smoothes the
rectified voltage
The transformer polarity is usually reversed such that
when the transistor is on, current flows in the primary
winding, however, the secondary diode is reverse biased
and current does not flow in this winding. The energy is
stored in the transformer until when the MOSFET is turned
off. The stored energy produces a current that forward
biases the diode which rectifies it to produce a DC output.
Advantages
• The primary is isolated from the output.
• Capable of supplying multiple output voltages, all isolated from
the primary.
• Ability to regulate the multiple output voltages with a single
control.
• Can operate on a wide range of input voltages
• The Flyback converters use very few components compared to
the other types of SMPSs.
Disadvantages of Flyback converters
• The voltage feedback loop needs a minimal bandwidth because
of the right-sided half plane zero in the converter's response
• There has to be slope compensation when the duty cycle is
more than 50 percent
• Since the positive current flow operates the power switches, the
switches' turn-on speed is crucial to minimize switching
component waste heat
• The inductor will have a peak level of currents, RMS, and flux
excursions
APPLICATIONS
• The flyback converter are used for a wide range of electronics
applications such as:
• Television sets which consume small amount of power of up to
about 250W
• Standby power supplies for computers
• Cell phone and mobile device chargers
• High-voltage supplies in TV and Monitor CRTs, Lasers, Xenon
flashlights, copiers, etc.
FORWARD CONVERTER
• A forward converter is a switching power supply circuit that transfers the energy
from the primary to the secondary while the switching element is “on,” which is
the opposite of a flyback converter.
• Forward and fly back converters are the two commonly used topologies used to
either increase or decrease D.C voltages, or convert a single voltage to multiple
D.C output voltages.
• A typical forward converter consists of a:
• Transformer which is either a step-up or step-down with a single or multiple
secondary windings. The type used depends on the available input voltage and
desired output voltage. It also provides isolation of the load from the input
voltage.
• Transistor such as a MOSFET which acts as the switching device
• Diodes
• Capacitors
• Inductor
• Energy is passed directly through the transformer during the transistor’s
conduction phase. The output voltage is determined by the input voltage, the
transformer turns ratio and the duty cycle.
Single Switch Forward Converter
• When the transistor switch Q1 is
ON, current flows in the primary
winding and causes a
secondary current to flow,
through DR and the output filter.
• This gives an output voltage Vo.
When the transistor is switched
off, the transformer voltage will
tend to reverse the action and
increase the voltage at the
cathode of Diode DTR until it
turns on.
Advantages and Disadvantages
Advantages of single switch converter
• Simple construction and operation
• Low input capacitor ripple current
• Lower current on the secondary diodes
Disadvantages
• Requires a high transistor rating (twice the input voltage)
• Requirement for an active snubbers circuits for resetting the
transformer core
• higher conduction losses
• Bigger transformer
Applications of Forward converters
• Off-line supplies
• Solar Power Systems
• Hybrid Charging Techniques
• Computer power supply
• Aerospace supply
HALF BRIDGE CONVERTER
• A half-bridge converter is a type of DC-DC converter
that, like flyback and forward converters, can supply
an output voltage either higher or lower than the
input voltage and provide electrical isolation via a
transformer
• The primary side capacitors are used to produce a constant mid-
point voltage – half the input voltage – across the primary winding.
• This means that the switching elements need only withstand half
the voltage that those of an equivalent forward converter must
handle.
• The converter’s two switching elements alternate back and forth,
switching the voltage (0.5 Vin) across the primary winding.
• The primary therefore experiences a positive and negative voltage
swing, which necessitates a full-wave bridge circuit for the output.
• This is an advantage of half-bridge converters; they fully utilize the
core flux and the secondary winding.
• Additionally, due to its full-wave nature, the secondary side of the
circuit operates at twice the frequency of the basic switching
frequency.
• This allows for the inductor and capacitor on the secondary side to
be much smaller than a forward converter, saving cost and space.
Applications of Half-Bridge converters
• They are suitable for high input voltage applications up to 440 V
mains
• It Finds use in large computer supplies
• It finds use in lab equipment supplies
Full Bridge Forward Converter
There are four modes of operation:
(1) mode 1 when switches Q1 and Q4 are on while Q2 and
Q3 are off;
(2) (2) mode 2 when all switches are off;
(3) (3) mode 3 when switches Q1 and Q4 are off, while
Q2 and Q3 are on; and
(4) (4) mode 4 when all switches are off.
(5) Switches turn on and off accordingly to produce a
square-wave ac at the primary side of the transformer.
The output voltage steps up (or down), rectified, and
then filtered to produce a DC output voltage.
(6) The capacitor C1 balances the volt-second integrals
during the two half-cycles and prevents the
transformer from becoming driven into saturation.
Advantages of Full-Bridge converters
• They require one mains smoothing capacitor compared to two
for the half-bridge, thereby saving space
• They manage a wide range of input and output voltage levels
• No limits to the conversion ratio
• High core utilization(full flux swing in quadrants 1 and 3) and
allows small core use
Disadvantages of Full-Bridge converters
• Switching devices can be expensive, so it makes sense to
include proper control circuits that offer good device protection,
soft-start capability, and fast, high-current driver circuits
• The timing circuit is complex, and two high-side drivers are
needed
• They have a higher component count, particularly with multiple
regulated outputs
• Expensive as compared to other converters since it uses more
components
Applications of Full-Bridge converters
• They are flexible and operate in power supplies above 150W
• Operates in DC servo motor drives, generating ac voltage for ac
motor drives, RF heating, and isolated switched-mode power
supplies
• They are present in hybrid electric vehicles, rail-guided shuttles,
and automatic industrial applications
PUSH- PULL CONVERTER • When Q1 is on, Vs appears across one-half
of the primary.
• When Q2 is on, Vs applies across the other
half of the transformer.
• The voltage of a primary winding swings
from -Vs to Vs.
• The average current through the transformer
should be zero.
• Transistors Q1 and Q2 operate with a 50
percent duty cycle.
• The open-circuit voltage is Voc = 2Vs, the
average current of a transistor is IA = Is/2,
and the peak transistor current is Ip = Is.,
• This configuration is suitable for low-voltage
applications because the open-circuit
transistor voltage is twice the supply
voltage.
• A constant current source often drives the
push-pull converter, and the primary current
is a square wave that produces a secondary
voltage.
Advantages of Push-Pull converters
• No need for an isolated power supply to drive the MOSFETs
push-pull
• Peak current sensing ensures the core does not drift into
saturation
• Push-Pull finds use for freeway access latch release cables and
security brake cables
• The Push-pull converter is inexpensive
• The needed transformer rating is smaller than the forward
converter
Disadvantages of Push-Pull converters
• Push-pull uses two switches which are of occasional use in flux
walking phenomena
• Use of a central tap transformer
Applications of Push-Pull converters
• It operates with greater efficiency and less noise and is
available in middle to high power applications
• Power Supplies
• DC to AC inverter
• DC to DC converter
• Equipment
Cuk Converter
A Cuk converter is formed by combining the circuits of buck and
boost converters.
A Cuk converter is a dc-to-dc converter similar to a buck-boost
converter by which we can obtain an output voltage either greater or
lesser than the applied input voltage.
In a buck-boost converter, the energy transfer is associated with an
inductor, whereas in the Cuk converter, the energy transfer is
associated with a capacitor. The input current is continuous in the
Cuk converter.
• The Cuk converter consists of more
components compared to
a buck, boost, and buck-boost
converter
• i.e., two inductors, two capacitors,
one diode, and one switch
(MOSFET).
• The PWM pulses are given to the
gate terminal of MOSFET to turn ON
and OFF by which the output
voltage is regulated.
• The output voltage can be more or
less than the input voltage i.e., the
circuit can work in buck and boost
mode which depends upon the duty
ratio.
• The polarity of the output voltage in
a Cuk converter is inverted (opposite
of the input voltage).
MODE 1
MODE 2
MODE 3
MODE 4
• Compared to the buck-boost converter, the efficiency of a Cuk
converter is high.
• The two inductors present on the input and output sides of the
converter reduce ripples in the current.
• The two inductors can be made to share a common core which in
turn simplifies construction.
• The LC components in the circuit filter both input and output
currents thus reducing electromagnetic interference.
• The input and output current both are continuous.
• The switching losses are less in the Cuk converter.
Advantages of Cuk Converter
Disadvantages of Cuk Converter
• High-rating capacitor is needed in high-power applications.
• All the current from the source to load as to go through
capacitor C1 and the voltage across the capacitor reverses each
half cycle, thus the capacitor must be non-polarized.
• Since MOSFET has to carry the currents of two inductors high
peak current will flow through it.
Applications of Cuk Converter
• The Cuk converter circuit is used to maintain fixed output
voltage in dc applications services.
• This type of converter circuit is used as a voltage regulator in
renewable energy-based power generation systems to supply
constant output voltage to the load.
• It can be used as the power factor correction circuit.
SEPIC CONVERTER
SEPIC stands for single-ended primary-inductor converter.
SEPIC is basically a type of dc-to-dc converter similar to buck-boost and
Cuk converters which provide an output voltage greater than, less than,
or equal to its input voltage.
Compared to the buck-boost converter, a SEPIC converter offers some
advantages like the polarities of the input and output voltages being the
same, high efficiency, and the capacitor isolating the input and output
side.
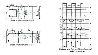
SEPIC CONVERTER • Two inductors
• Two capacitors
• One Transistor
Switch
• One Diode
• The positions of
Diode and
Inductor L2 are
interchanged
compared to Cuk
Converter
MODE 1
MODE 2
Advantages of SEPIC Converter
• In buck-boost and Cuk converters the polarity of the output voltage will be
opposite of the input voltage i.e., an inverted output voltage will be obtained.
Whereas in SEPIC the polarity of the output voltage will be the same as the
input voltage.
• The capacitor C1 will isolate the input and output sides from each other i.e., an
abnormal condition occurring on any side of the circuit will not affect the
other side.
• Reduced input current ripple.
• Cuk and buck-boost converter operation cause a large amount of electrical
stress on the components which can be overcome in SEPIC.
• High efficiency and stable operation.
• The use of coupled inductor instead of two inductors (two inductors wound
onto the single core) makes the circuit compact.
Disadvantages of SEPIC Converter
• Similar to the buck-boost converter, the output current of SEPIC
can be pulsating. Whereas in the Cuk converter the output
current is continuous.
• All the current from the source to load has to go through
capacitor C1, thus a capacitor of high capacitance and current
handling capability is required.
• Since the voltage across the capacitor C1 reverses for every cycle
it should be of a non-polarized type.
Applications of SEPIC Converter
• DC power supply systems with unregulated inputs.
• Battery-operated equipment.
• Lighting applications.

forward converters and flyback converters.pptx

  • 2.
  • 3.
  • 4.
    What is aFlyback Converter • The flyback converter is a power supply topology that uses mutually coupled inductor, to store energy when current passes through and releasing the energy when the power is removed. • The flyback converters are similar to the booster converters in architecture and performance. • However, the primary winding of the transformer replaces inductor while the secondary provides the output. • In the flyback configuration, the primary and secondary windings are utilized as two separate inductors.
  • 5.
    PRINCIPLE • When thecurrent flowing through an inductor is cut off, the energy stored in the magnetic field is released by a sudden reversal of the terminal voltage. • If a diode is in place to conduct the stored energy somewhere useful, the diode is called a flyback diode. • This only requires one winding on the inductor, so the inductor would be called a flyback transformer. • This arrangement has the interesting property of transferring energy to the secondary side of the power supply only when the primary switch is off. • The basic flyback converter uses a relatively small number of components. • A switching device chops the input DC voltage and the energy in the primary is transferred to the secondary through the switching transformer. • A diode in the secondary rectifies the voltage while the capacitor smoothes the rectified voltage The transformer polarity is usually reversed such that when the transistor is on, current flows in the primary winding, however, the secondary diode is reverse biased and current does not flow in this winding. The energy is stored in the transformer until when the MOSFET is turned off. The stored energy produces a current that forward biases the diode which rectifies it to produce a DC output.
  • 6.
    Advantages • The primaryis isolated from the output. • Capable of supplying multiple output voltages, all isolated from the primary. • Ability to regulate the multiple output voltages with a single control. • Can operate on a wide range of input voltages • The Flyback converters use very few components compared to the other types of SMPSs.
  • 7.
    Disadvantages of Flybackconverters • The voltage feedback loop needs a minimal bandwidth because of the right-sided half plane zero in the converter's response • There has to be slope compensation when the duty cycle is more than 50 percent • Since the positive current flow operates the power switches, the switches' turn-on speed is crucial to minimize switching component waste heat • The inductor will have a peak level of currents, RMS, and flux excursions
  • 8.
    APPLICATIONS • The flybackconverter are used for a wide range of electronics applications such as: • Television sets which consume small amount of power of up to about 250W • Standby power supplies for computers • Cell phone and mobile device chargers • High-voltage supplies in TV and Monitor CRTs, Lasers, Xenon flashlights, copiers, etc.
  • 9.
    FORWARD CONVERTER • Aforward converter is a switching power supply circuit that transfers the energy from the primary to the secondary while the switching element is “on,” which is the opposite of a flyback converter. • Forward and fly back converters are the two commonly used topologies used to either increase or decrease D.C voltages, or convert a single voltage to multiple D.C output voltages. • A typical forward converter consists of a: • Transformer which is either a step-up or step-down with a single or multiple secondary windings. The type used depends on the available input voltage and desired output voltage. It also provides isolation of the load from the input voltage. • Transistor such as a MOSFET which acts as the switching device • Diodes • Capacitors • Inductor • Energy is passed directly through the transformer during the transistor’s conduction phase. The output voltage is determined by the input voltage, the transformer turns ratio and the duty cycle.
  • 10.
    Single Switch ForwardConverter • When the transistor switch Q1 is ON, current flows in the primary winding and causes a secondary current to flow, through DR and the output filter. • This gives an output voltage Vo. When the transistor is switched off, the transformer voltage will tend to reverse the action and increase the voltage at the cathode of Diode DTR until it turns on.
  • 11.
    Advantages and Disadvantages Advantagesof single switch converter • Simple construction and operation • Low input capacitor ripple current • Lower current on the secondary diodes Disadvantages • Requires a high transistor rating (twice the input voltage) • Requirement for an active snubbers circuits for resetting the transformer core • higher conduction losses • Bigger transformer
  • 12.
    Applications of Forwardconverters • Off-line supplies • Solar Power Systems • Hybrid Charging Techniques • Computer power supply • Aerospace supply
  • 13.
  • 14.
    • A half-bridgeconverter is a type of DC-DC converter that, like flyback and forward converters, can supply an output voltage either higher or lower than the input voltage and provide electrical isolation via a transformer • The primary side capacitors are used to produce a constant mid- point voltage – half the input voltage – across the primary winding. • This means that the switching elements need only withstand half the voltage that those of an equivalent forward converter must handle. • The converter’s two switching elements alternate back and forth, switching the voltage (0.5 Vin) across the primary winding. • The primary therefore experiences a positive and negative voltage swing, which necessitates a full-wave bridge circuit for the output. • This is an advantage of half-bridge converters; they fully utilize the core flux and the secondary winding. • Additionally, due to its full-wave nature, the secondary side of the circuit operates at twice the frequency of the basic switching frequency. • This allows for the inductor and capacitor on the secondary side to be much smaller than a forward converter, saving cost and space.
  • 16.
    Applications of Half-Bridgeconverters • They are suitable for high input voltage applications up to 440 V mains • It Finds use in large computer supplies • It finds use in lab equipment supplies
  • 17.
    Full Bridge ForwardConverter There are four modes of operation: (1) mode 1 when switches Q1 and Q4 are on while Q2 and Q3 are off; (2) (2) mode 2 when all switches are off; (3) (3) mode 3 when switches Q1 and Q4 are off, while Q2 and Q3 are on; and (4) (4) mode 4 when all switches are off. (5) Switches turn on and off accordingly to produce a square-wave ac at the primary side of the transformer. The output voltage steps up (or down), rectified, and then filtered to produce a DC output voltage. (6) The capacitor C1 balances the volt-second integrals during the two half-cycles and prevents the transformer from becoming driven into saturation.
  • 18.
    Advantages of Full-Bridgeconverters • They require one mains smoothing capacitor compared to two for the half-bridge, thereby saving space • They manage a wide range of input and output voltage levels • No limits to the conversion ratio • High core utilization(full flux swing in quadrants 1 and 3) and allows small core use
  • 19.
    Disadvantages of Full-Bridgeconverters • Switching devices can be expensive, so it makes sense to include proper control circuits that offer good device protection, soft-start capability, and fast, high-current driver circuits • The timing circuit is complex, and two high-side drivers are needed • They have a higher component count, particularly with multiple regulated outputs • Expensive as compared to other converters since it uses more components
  • 20.
    Applications of Full-Bridgeconverters • They are flexible and operate in power supplies above 150W • Operates in DC servo motor drives, generating ac voltage for ac motor drives, RF heating, and isolated switched-mode power supplies • They are present in hybrid electric vehicles, rail-guided shuttles, and automatic industrial applications
  • 21.
    PUSH- PULL CONVERTER• When Q1 is on, Vs appears across one-half of the primary. • When Q2 is on, Vs applies across the other half of the transformer. • The voltage of a primary winding swings from -Vs to Vs. • The average current through the transformer should be zero. • Transistors Q1 and Q2 operate with a 50 percent duty cycle. • The open-circuit voltage is Voc = 2Vs, the average current of a transistor is IA = Is/2, and the peak transistor current is Ip = Is., • This configuration is suitable for low-voltage applications because the open-circuit transistor voltage is twice the supply voltage. • A constant current source often drives the push-pull converter, and the primary current is a square wave that produces a secondary voltage.
  • 22.
    Advantages of Push-Pullconverters • No need for an isolated power supply to drive the MOSFETs push-pull • Peak current sensing ensures the core does not drift into saturation • Push-Pull finds use for freeway access latch release cables and security brake cables • The Push-pull converter is inexpensive • The needed transformer rating is smaller than the forward converter
  • 23.
    Disadvantages of Push-Pullconverters • Push-pull uses two switches which are of occasional use in flux walking phenomena • Use of a central tap transformer
  • 24.
    Applications of Push-Pullconverters • It operates with greater efficiency and less noise and is available in middle to high power applications • Power Supplies • DC to AC inverter • DC to DC converter • Equipment
  • 25.
    Cuk Converter A Cukconverter is formed by combining the circuits of buck and boost converters. A Cuk converter is a dc-to-dc converter similar to a buck-boost converter by which we can obtain an output voltage either greater or lesser than the applied input voltage. In a buck-boost converter, the energy transfer is associated with an inductor, whereas in the Cuk converter, the energy transfer is associated with a capacitor. The input current is continuous in the Cuk converter.
  • 26.
    • The Cukconverter consists of more components compared to a buck, boost, and buck-boost converter • i.e., two inductors, two capacitors, one diode, and one switch (MOSFET). • The PWM pulses are given to the gate terminal of MOSFET to turn ON and OFF by which the output voltage is regulated. • The output voltage can be more or less than the input voltage i.e., the circuit can work in buck and boost mode which depends upon the duty ratio. • The polarity of the output voltage in a Cuk converter is inverted (opposite of the input voltage).
  • 27.
  • 28.
  • 30.
    • Compared tothe buck-boost converter, the efficiency of a Cuk converter is high. • The two inductors present on the input and output sides of the converter reduce ripples in the current. • The two inductors can be made to share a common core which in turn simplifies construction. • The LC components in the circuit filter both input and output currents thus reducing electromagnetic interference. • The input and output current both are continuous. • The switching losses are less in the Cuk converter. Advantages of Cuk Converter
  • 31.
    Disadvantages of CukConverter • High-rating capacitor is needed in high-power applications. • All the current from the source to load as to go through capacitor C1 and the voltage across the capacitor reverses each half cycle, thus the capacitor must be non-polarized. • Since MOSFET has to carry the currents of two inductors high peak current will flow through it.
  • 32.
    Applications of CukConverter • The Cuk converter circuit is used to maintain fixed output voltage in dc applications services. • This type of converter circuit is used as a voltage regulator in renewable energy-based power generation systems to supply constant output voltage to the load. • It can be used as the power factor correction circuit.
  • 33.
    SEPIC CONVERTER SEPIC standsfor single-ended primary-inductor converter. SEPIC is basically a type of dc-to-dc converter similar to buck-boost and Cuk converters which provide an output voltage greater than, less than, or equal to its input voltage. Compared to the buck-boost converter, a SEPIC converter offers some advantages like the polarities of the input and output voltages being the same, high efficiency, and the capacitor isolating the input and output side.
  • 34.
    SEPIC CONVERTER •Two inductors • Two capacitors • One Transistor Switch • One Diode • The positions of Diode and Inductor L2 are interchanged compared to Cuk Converter
  • 35.
  • 37.
    Advantages of SEPICConverter • In buck-boost and Cuk converters the polarity of the output voltage will be opposite of the input voltage i.e., an inverted output voltage will be obtained. Whereas in SEPIC the polarity of the output voltage will be the same as the input voltage. • The capacitor C1 will isolate the input and output sides from each other i.e., an abnormal condition occurring on any side of the circuit will not affect the other side. • Reduced input current ripple. • Cuk and buck-boost converter operation cause a large amount of electrical stress on the components which can be overcome in SEPIC. • High efficiency and stable operation. • The use of coupled inductor instead of two inductors (two inductors wound onto the single core) makes the circuit compact.
  • 38.
    Disadvantages of SEPICConverter • Similar to the buck-boost converter, the output current of SEPIC can be pulsating. Whereas in the Cuk converter the output current is continuous. • All the current from the source to load has to go through capacitor C1, thus a capacitor of high capacitance and current handling capability is required. • Since the voltage across the capacitor C1 reverses for every cycle it should be of a non-polarized type.
  • 39.
    Applications of SEPICConverter • DC power supply systems with unregulated inputs. • Battery-operated equipment. • Lighting applications.