Proceedings of the 2nd International Conference on Current Trends in Engineering and Management ICCTEM -2014 
INTERNATIONAL JOURNAL OF ELECTRICAL ENGINEERING & 
17 – 19, July 2014, Mysore, Karnataka, India 
TECHNOLOGY (IJEET) 
ISSN 0976 – 6545(Print) 
ISSN 0976 – 6553(Online) 
Volume 5, Issue 8, August (2014), pp. 148-160 
© IAEME: www.iaeme.com/IJEET.asp 
Journal Impact Factor (2014): 6.8310 (Calculated by GISI) 
www.jifactor.com 
IJEET 
© I A E M E 
ENERGY SAVING IN COOLING TOWERS BY USING VARIABLE 
FREQUENCY DRIVES 
Sowmya G1, S.Nagendra prasad2, N.Kumar3 
1(E & E Department, VVIET, Mysore, Karnataka, India) 
2, 3(E & E Department, NIE, Mysore, Karnataka, India) 
148 
ABSTRACT 
This paper deals with energy savings in cooling towers by using variable frequency drives. 
An economic evaluation has been performed to determine the potential annual savings of 25% is 
achieved by using adjustable-speed AC drives on cooling tower fans to track water temperature 
throughout the year. PWM was found to be the optimum solution for efficiency, harmonic distortion 
feedback, and power-factor considerations. The digital drive also offered the control options 
necessary to successfully operate with two fans in parallel on one drive. These options included the 
capability for bypass starters, automatic transfer, and selectable fault condition responses. In addition 
to the energy savings offered by the digital drives, being able to adjust the speed of the fans would 
result in smoother plant operations due to constant water temperatures. The adjustable-speed drives 
also enable the fans to be soft started. 
Closed loop PWM controlled Inverter fed 3 phase Induction Motor model is developed 
followed by simulation results using Matlab/Simulink. The control block diagram of the proposed 
system is given in this paper. 
Keywords: Cooling Tower, Model Simulation, Variable operating conditions, Variable Frequency 
Drive. 
I. INTRODUCTION 
The manufacturing industry can be classified as the process industry and discrete 
manufacturing. The process industry transforms the inputs, through various conversion methods, into 
a new product with significantly different physical and chemical properties from the unprocessed 
substance. It can be further categorized into various market segments including food and beverages, 
chemicals, petrochemicals, paper, pesticides, fertilizers, dyes and pigments and drugs and
Proceedings of the 2nd International Conference on Current Trends in Engineering and Management ICCTEM -2014 
17 – 19, July 2014, Mysore, Karnataka, India 
pharmaceuticals. The end products usually act as inputs for the discrete manufacturing industry, 
which includes electronic, power equipment, automobiles and a range of consumer goods. 
To sustain in the increasingly competitive environment, the process industry needs to reduce 
its operational costs without impacting profitability and product quality. This multiproduct industry 
is energy intensive and provides a major opportunity to implement energy efficiency solutions. 
Through strategic investments in energy efficiency initiatives, the process industry can reap the 
benefits of reduced energy consumption- lower energy and operation and maintenance costs. In 
addition, these initiatives have a positive impact in terms of reduced dependence on fossil fuels and 
lower carbon emissions. 
149 
Solutions for achieving energy efficiency 
Every plant has a unique configuration for process equipment, input supply pattern, a power 
generation and distribution system and grid power supply pattern. Therefore, the energy saving 
solution needs to be customized for each facility. 
The equipment and systems used in process industries are usually old and inefficient. Since 
energy consumption is barely monitored in these industries, the management, in most cases, is not 
aware of the energy inefficiency in the systems. Thus, the first step towards adopting an energy 
efficiency solution is measuring both electrical and thermal energy consumption through regular 
audits. Following this, the organization needs to prepare a road map highlighting future energy 
efficiency projects, the requisite investments in these projects, and the payback period. 
Process industries can also adopt specific and generic energy efficiency improvement 
solutions. The specific solutions are related to process improvement, process integration and control, 
combined heat and power methods, load distribution and optimization and process automation. 
Generic energy efficiency improvement solutions are related to the replacement, modification 
and installation of heaters, furnaces, motors, pipes, lights, turbines, boilers, cooling towers and other 
components used in the process industry. These solutions typically do not entail significant 
investments. For instance, the installation of variable frequency drives (VFDs) in motors offers 
significant energy savings. The operating speed of a motor connected to a VFD is changed by 
varying the frequency of motor supply voltage, which allows continuous process speed control. 
Another generic low investment measure includes the replacement of metallic blades with 
fibre- reinforced plastic (FRP) blades in the cooling towers. Metallic blades are heavy and consume 
more power. Replacing them with the lightweight FRP blades helps in reducing power consumption 
by 20-40 percent. Similarly, the replacement of shell and tube heat exchangers increases the rate of 
heat transfer, leading to thermal energy savings. Further, the replacement of exhaust fans with 
natural air draft turbo ventilators reduces the power requirement. The ventilators run on wind while 
the exhaust fans use electrical energy to operate the motor. 
The other cost effective measures include the replacement of sodium vapour lamps with 
compact fluorescent lamps, switching off equipment when not in use, installation of a centralized air 
conditioner (AC) in place of separate ACs, and the use of fiberglass sheets on rooftops for better 
lighting on plants premises during daytime. In addition, process industries can deploy renewable 
energy-based power systems to reduce their dependence on the grid supply. For instance, solar water 
heaters can be installed to meet hot water requirements. 
II. BACKGROUND INFORMATION 
The purpose of a cooling tower is to provide process cooling water within a specified 
temperature range, usually between 28-29ºC. Since the cooling tower will operate most of the time at 
less than design capability, an economic evaluation was performed to determine the potential annual 
savings achieved by using adjustable speed AC drives on the cooling tower fans. The outcome of this 
evaluation had to not only justify the increased capital expenditure for the adjustable speed drives,
Proceedings of the 2nd International Conference on Current Trends in Engineering and Management ICCTEM -2014 
17 – 19, July 2014, Mysore, Karnataka, India 
but also had to maintain a very high level of reliability due to the critical nature of the cooling tower. 
This paper reviews the key points of the economic evaluation, and then discusses the application of 
adjustable speed drives to cooling tower fans. 
150 
The cooling Water System 
The cooling tower [1],[2] is used to provide process cooling water to heat exchangers for five 
separate production plants. Loss of this system would create a process upset in these plants. The 
cooling tower had to be designed with the highest degree of reliability possible to insure the integrity 
of the cooling water system. 
COOLING TOWER PAHARPUR MODEL NO --23204 T--0 
SERIAL NO---004--20--0025 
GEAR BOX MODLE---22.2 
NOZZLE SET----1. 
DRIVE SET--------1 
DRIVE SOFT SET --1. 
6 Q BUSH---8 NOS 
HOT WATER BASIN SET---1. 
MOTOR DETAILS FRAME NO—200L, H P---20, 
KW-15, RPM—1765, DUTY---S1. 
PUMP BEARING 6307 --2z- &- 6308--2z. 
COOLING TOWER PUMP IMPELLER - KDS 2050 
PUMP DETAILS TYPE K D S 2050 
SIZE 100X80, IMP DIA 197. 0 
R P M 2915 
HEAD RANGE--M----30--46.0 
CAPACITY RANGE lps ---29--16. 
KW/HP----15/20. 
COOLING TOWER WATER TREATMENT CHEMICAL 
SISIL--CT--104 8 LTRS PER DAY. 
SISIL--CT--101 3 LTRS PER DAY 
QUENCH OIL HEAT EXCHANGER PLATES TYPE M6 - M D F 
GEAR BOX BEARING 34306, 34500 (CUP) 
Electrical System 
Incoming power at the 66 kV level is provided by means of overhead distribution from two 
separate busses in a powerhouse. Each of the two feeders is capable of carrying the entire load 
individually. 5 MVA transformer steps down this voltage to a level of 11kV and 5 distribution 
transformers step down 11kV to 415 volt level. A secondary three breaker transfer scheme with a 
normally open tie breaker is used to switch between the feeders in the event of an outage on one of 
them. This system will provide high electrical reliability for the tower to reduce the possibility of a 
power interruption due to the loss of one feeder.
Proceedings of the 2nd International Conference on Current Trends in Engineering and Management ICCTEM -2014 
17 – 19, July 2014, Mysore, Karnataka, India 
151 
The Control System 
The cooling tower controlled by means of a star/delta starter and the cooling tower fan 
operates at the same speed throughout the day irrespective of the weather condition. Cooling tower 
fans gain a special advantage from the Variable Speed AC Drive. The cooling tower is outdoors 
exposed to sun, wind, rain, sleet, and all kinds of other things. It is expected to dispose of a variable 
amount of heat in a variable environment. The amount of forced air cooling required can be easily 
controlled, it is not necessary to run the fan at 100% when the load is much lower due to a cool rainy 
day. If the installation is in a northern climate, or in the mountains, the Variable Speed AC Drive 
provides an easy way to reverse the fan, and dispose of any build up of ice. 
III. VARIABLE FREQUENCY DRIVE 
variable-frequency drive (VFD) (also termed adjustable-frequency drive, variable-speed 
drive, AC drive, micro drive or inverter drive) is a type of adjustable-speed drive used in electro-mechanical 
drive systems to control AC motor speed and torque by varying motor input frequency 
and voltage. 
VFDs are used in applications ranging from small appliances to the largest of mine mill 
drives and compressors. However, about a third of the world's electrical energy is consumed by 
electric motors in fixed-speed centrifugal pump, fan and compressor applications and VFDs' global 
market penetration for all applications is still relatively small. This highlights especially significant 
energy efficiency improvement opportunities for retrofitted and new VFD installations. 
Over the last four decades, power electronics technology has reduced VFD cost and size and 
improved performance through advances in semiconductor switching devices, drive topologies, 
simulation and control techniques, and control hardware and software. 
Although space vector pulse-width modulation (SVPWM) is becoming increasingly popular,] 
sinusoidal PWM (SPWM) is the most straightforward method used to vary drives' motor voltage (or 
current) and frequency. With SPWM control quasi-sinusoidal, variable-pulse-width output is 
constructed from intersections of a saw-toothed carrier frequency signal with a modulating sinusoidal 
signal which is variable in operating frequency as well as in voltage (or current). 
An embedded microprocessor governs the overall operation of the VFD controller. Basic 
programming of the microprocessor is provided as user inaccessible firmware. User programming of 
display, variable and function block parameters is provided to control, protect and monitor the VFD, 
motor and driven equipment. 
Powerflex 400 
PowerFlex 400 AC Drives are optimized for control of commercial and industrial fans and 
pumps. Built-in features such as purge and damper input provide a cost-effective solution for speed 
control in a broad range of variable torque fan and pump applications. An available packaged 
PowerFlex 400 Fan and Pump drive provides additional control, power, and enclosure options in 
standardized designs for a cost-effective solution for speed control in variable torque fan and pump 
applications. 
Operator interface 
The operator interface provides a means for an operator to start and stop the motor and adjust 
the operating speed. Additional operator control functions might include reversing, and switching 
between manual speed adjustment and automatic control from an external process control signal. The 
operator interface often includes an alphanumeric display and/or indication lights and meters to 
provide information about the operation of the drive. An operator interface keypad and display unit is 
often provided on the front of the VFD controller. The keypad display can often be cable-connected 
and mounted a short distance from the VFD controller. Most are also provided with input and output
Proceedings of the 2nd International Conference on Current Trends in Engineering and Management ICCTEM -2014 
17 – 19, July 2014, Mysore, Karnataka, India 
(I/O) terminals for connecting pushbuttons, switches and other operator interface devices or control 
signals. 
152 
IV. ANALYSIS AND DISCUSSION 
On studying the meteorological data of Mysore, it was observed that the variation of weather 
conditions between day & night & also seasonal variation was quite substantial. A rough idea about 
the same can be made in table below. 
Table 1: Meteorological data of Mysore city & temperature distribution in Primary and 
Secondary circuit of cooling system 
Month Wet Bulb Temp 
(ºC) 
CTW- Cold water 
return temp (ºC) 
Secondary Coolant Cold 
Water return temp (ºC) 
Max Min Max Min Max Min Desired 
Temp 
Jan 21.5 16.0 22.6 17.4 25.8 17.8 31.0 
Feb 20.0 18.5 23.2 19.2 27.0 22.8 31.0 
Mar 21.0 17.0 26.8 20.5 27.3 24.0 31.0 
Apr 25.5 21.0 30.6 22.2 28.0 24.4 31.0 
May 24.5 19.5 24.6 21.8 28.4 25.2 31.0 
Jun 24.5 21.5 26.5 22.2 29.7 25.3 31.0 
Jul 24.0 21.0 29.3 22.3 29.4 24.3 31.0 
Aug 23.5 21.0 21.8 21.2 27.0 23.4 31.0 
Sep 22.5 19.5 21.8 21.8 27.6 24.7 31.0 
Oct 22.5 20.5 25.5 21.8 28.2 24.3 31.0 
Nov 21.0 16.5 24.0 23.0 26.6 25.0 31.0 
Dec 21.5 16.0 23.6 19.3 25.8 18.6 31.0 
The design cold water inlet temperature in the secondary circuit of the cooling system, to 
various systems is approx. between 31-32 ºC and the maintenance of this design temperature was 
very important from the point of view of process performance. However, due to the wide fluctuation 
of weather conditions & also due to the partial loading of cooling tower, it had virtually become 
impossible to maintain optimum cooling tower cold water return temperature i.e. 28-29 ºC and 
operating cold water inlet temperature to various system i.e. 31-32 ºC. A rough idea about the extent 
of variations that has been taking place can be made from the following table below. 
From table 1 & the graph shown, it can be due to the partial loading of the cooling tower and 
also due to seasonal fluctuation of weather conditions frequently, it is not able to maintain the
Proceedings of the 2nd International Conference on Current Trends in Engineering and Management ICCTEM -2014 
17 – 19, July 2014, Mysore, Karnataka, India 
optimum cooling tower cold water return temperature. So, the main objective was to take some 
measures in order to achieve optimum cooling tower cold water return temperature. 
By using VFD, the fan speed & the quantity of air being supplied to the cooling tower can be 
varied in the entire range from zero speed to maximum fan speed & from zero air supply to 
maximum air supply as per the requirement of the process. By varying the frequency of the supply 
power with the help of VDF, the speed of motor can be varied. 
For achieving the optimum CTW return temperature, it was necessary to operate the cooling 
tower at zero fan speed & at full fan speed in order to see the extent the temperature control possible 
with the installation of a VFD. The result of the experiment is described in the Table below. 
Table 2: Variation cooling system temp with respect full speed & zero speed of cooling tower 
fan 
Fan Speed CTW return 
temperature(ºC) 

%	$#
%# 
153 
Secondary Coolant Cold 
Water return temp (ºC) 
FULL 22.5 28 
ZERO 32 37 
So, from table.2, it is clear that the extent temperature control possible, by varying the speed 
of the fan full speed to zero speed is approx, 9-10ºC  the same fulfills the requirements. 
On the basis of above study, to operate the cooling tower fans at variable speed SPWM drive 
were installed. The VFD device has the facility to operate both in fixed drive (FD) mode. So, 
depending upon the requirements, the VDF device can be operated at full speed in FD mode or at 
variable speed in VD mode between 6Hz to 60Hz to fulfill the temperature requirement. 
 
 
 
 
 
 
 
 
		 !	
	 
 

	 
#$	 
			 
 ! 
Fig 1: Graph Showing Monthly Distribution of Coolant Temperature
Proceedings of the 2nd International Conference on Current Trends in Engineering and Management ICCTEM -2014 
17 – 19, July 2014, Mysore, Karnataka, India 
Table 3: Seasonal variations of fan speed over a period of 1-year and cooling tower return 
temperature 
154 
Months Period 
(Months) 
Fan Speed (Hz) CTW 
return 
Temp. 
Secondary ckt. 
Inlet Temp. 
Day Night Avg ºC 
ºC 
Mar Apr 
May June 
4 40-50 35-40 40 26-29 29-31 
July Aug 
Sep Oct 
4 30-35 25-30 35 26-29 29-31 
Nov Dec 
Jan Feb 
4 35-40 20-30 30 26-29 29-31 
Considering fluctuation of weather conditions  also the partial loading of cooling 
tower(depending on the Production), it is decided to run the Cooling tower fan at the following 
frequencies in order to have the CTW return temperature approximately equal to the design 
temperature. 
So, from the above table, it is concluded that the regulation of cooling tower fan speed and  
air flow using a VFD -device helps in maintaining optimum cooling tower return temperature even in 
the circumstances when cooling tower is partially loaded and also weather  climatic condition 
fluctuation is substantial. 
V. MATLAB/SIMULINK MODEL 
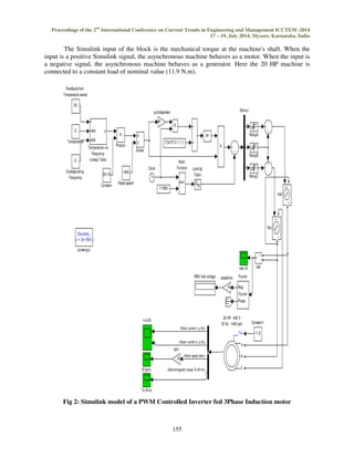
SPWM Control of an induction motor 
In Sinusoidal PWM three phase reference modulation signals are compared against a 
common triangular carrier wave to generate the PWM signals for the three phases. Fig:3 represents 
the closed loop speed control of 3 phase IM (represents the fan of the Cooling Tower). To have 
closed loop control temperature sensor is used to sense the temperature of the inlet water to the 
cooling tower and the feedback is given to VFD to accordingly set the speed (frequency settings) of 
the IM to get the constant water outlet from the Cooling Tower. 
To get the constant water outlet from the Cooling Tower, model consists of a dynamic lookup 
table. The dynamic parameters of the lookup table are Temperature and the corresponding Frequency 
at which the 3 phase IM has to run. From the detailed analysis and discussion made in the previous 
chapter, lookup table has been derived. The inlet water temperature of the Cooling Tower varies 
between 40 ºC to 55 ºC and the corresponding frequency at which the motor has to run to get the 
constant water outlet temperature of 28 ºC to 29 ºC has been arrived by running motor at full speed 
and zero speed. Table below gives the temperature and the corresponding frequency. 
The machine's rotor is short-circuited, and the stator is fed by a PWM inverter, built with 
Simulink blocks and interfaced to the Asynchronous Machine block through the Controlled Voltage 
Source block. 
The inverter uses sinusoidal pulse-width modulation. The base frequency of the sinusoidal 
reference wave is set at 50 Hz and the triangular carrier wave's frequency is set at 1980 Hz.
Proceedings of the 2nd International Conference on Current Trends in Engineering and Management ICCTEM -2014 
17 – 19, July 2014, Mysore, Karnataka, India 
The Simulink input of the block is the mechanical torque at the machine's shaft. When the 
input is a positive Simulink signal, the asynchronous machine behaves as a motor. When the input is 
a negative signal, the asynchronous machine behaves as a generator. Here the 20 HP machine is 
connected to a constant load of nominal value (11.9 N.m). 
RelayA 
RelayB 
+ 
- 
vab 
+ - 
+ - 
2*pi/3*[ 0,-1,1 ] 
Math 
Function Look-Up 
Demux 
Fourier 
Mag 
Feedback from 
Temperature sensor 
Constant1 
20 HP - 400 V 
50 Hz - 1460 rpm 
Tm 
Fig 2: Simulink model of a PWM Controlled Inverter fed 3Phase Induction motor 
155 
vab (V) 
v 
-K-rpm 
-K-pu2radpersec 
Discrete, 
Ts = 2e-006 s. 
powergui 
-K-peak2rms 
ir,is (A) 
s 
Vbc 
s 
Vab 
sin 
x 
xdat 
ydat 
y 
Temperature v/s 
Frequency 
Lookup Table 
-C-Temperature 
Te (N.m) 
RelayC 
1460 
Rated speed 
RMS Vab voltage 
Product 
N (rpm) 
rem 
Table 
Fourier 
Phase 
50 
Divide 
Demux 
-C-Corresponding 
Frequency 
1/1980 
11.9 
29.19 
Constant 
Clock 
m 
A 
B 
C 
Rotor current ir_a (A) 
Stator current is_a (A) 
Rotor speed (wm) 
Electromagnetic torque Te (N*m)
Proceedings of the 2nd International Conference on Current Trends in Engineering and Management ICCTEM -2014 
17 – 19, July 2014, Mysore, Karnataka, India 
Table 4: Temperature and corresponding frequency of dynamic lookup table 
156 
Temperature in 
ºC 
Frequency in Hz Speed in rpm Outlet water 
Temperature in 
ºC 
40 20 584 28-29 ºC 
41 22 642 28-29 ºC 
42 24 700 28-29 ºC 
43 26 759 28-29 ºC 
44 28 817 28-29 ºC 
45 30 876 28-29 ºC 
46 32 934 28-29 ºC 
47 34 992 28-29 ºC 
48 36 1050 28-29 ºC 
49 38 1110 28-29 ºC 
50 40 1168 28-29 ºC 
51 42 1225 28-29 ºC 
52 44 1284 28-29 ºC 
53 46 1342 28-29 ºC 
54 48 1400 28-29 ºC 
55 50 1459 28-29 ºC 
IV. SIMULATION AND EXPERIMENTAL RESULTS 
The modeling of a PWM Controlled Inverter fed 3Phase Induction motor is done. The results 
of the simulation are as shown below. 
Simulation results show better speed response of three phase induction motor (representing 
cooling tower fan) with the change in temperature. The model also provides the better torque 
response.The various currents, voltage response is obtained from the simulation results are as 
follows. 
Fig:4 shows the machine's speed going from 0 to 800 rpm at certain temperature and as the 
temperature increases the speed increases automatically. Fig:5 shows the electromagnetic torque 
developed by the machine for the same temperature change. Because the stator is fed by a PWM 
inverter, a noisy torque is observed.
Proceedings of the 2nd International Conference on Current Trends in Engineering and Management ICCTEM -2014 
17 – 19, July 2014, Mysore, Karnataka, India 
Fig 3: Output voltage of the SPWM Controlled Inverter 
Fig 4: Speed Response of SPWM Controlled Inverter Fed I.M 
157
Proceedings of the 2nd International Conference on Current Trends in Engineering and Management ICCTEM -2014 
17 – 19, July 2014, Mysore, Karnataka, India 
Fig 5: Torque Response of SPWM Controlled Inverter Fed I.M 
Fig 6: Rotor Current of SPWM Controlled Inverter fed I.M 
However, this noise is not visible in the speed because it is filtered out by the machine's 
inertia, but it can also be seen in the stator and rotor currents, which are observed next. 
158
Proceedings of the 2nd International Conference on Current Trends in Engineering and Management ICCTEM -2014 
17 – 19, July 2014, Mysore, Karnataka, India 
Fig 7: Stator Current of SPWM Controlled Inverter Fed I.M 
Fig 6 and 7 shows the Rotor and Stator Line current response coming out from SPWM 
controlled Inverter fed I.M for the different temperatures. We observe that initially variations occur 
in the line currents and later it reaches the steady state within 0.1s. Initially Induction motor is at 
rest, so it draws more current at the beginning. 
159 
VI. CONCLUSION 
The Third Law of Affinity for fans states the ratio of the horse power for two operating 
conditions is equal to the cube of the ratio of the flow rate at those conditions. Since flow rate is 
proportional to speed and horse power is proportional to power (kVA), then the power used is 
proportional to the cube of the speed. Therefore, reducing the fan speed by one-half requires only 
one-eighth of the power. 
Using any adjustable speed drive technology to track the wet bulb temperature throughout the 
year will result in an annual energy savings of 25% when compared with running the fan at full-speed 
all the time. This factor alone justified the additional capital expenditure for the drives. 
However, due to the critical nature of the cooling tower other factors had to be weighed. In addition 
to the tremendous annual energy savings offered by the drives, other operating criteria dictated the 
necessity of using adjustable speed drives. Being able to adjust the speed of the fans would result in 
smoother plant operations due to constant water temperatures. 
Modeling and simulation of SPWM controlled Inverter fed 3 phase I.M drive has been done 
by using MATLABSIMULINK. Simulation and experimental results presented are in agreement 
with the theoretical analysis. 
VII. REFERENCE 
[1] The energy-saving benefit and economic evaluation analysis of cooling tower with flue gas 
injection by Han, Q. ; Liu, D.Y. ; Chen, F.S. ; Yang, Z. 
[2] DIII-D water-cooling system upgrades through modeling and power saving projects by Yip, 
H.H. ; Mauzey, P.S. ; Anderson, P.M. ; Le, T. ; Hegstad, T. ; Thomas, A.; Leung, D.

Energy saving in cooling towers by using variable frequency drives

  • 1.
    Proceedings of the2nd International Conference on Current Trends in Engineering and Management ICCTEM -2014 INTERNATIONAL JOURNAL OF ELECTRICAL ENGINEERING & 17 – 19, July 2014, Mysore, Karnataka, India TECHNOLOGY (IJEET) ISSN 0976 – 6545(Print) ISSN 0976 – 6553(Online) Volume 5, Issue 8, August (2014), pp. 148-160 © IAEME: www.iaeme.com/IJEET.asp Journal Impact Factor (2014): 6.8310 (Calculated by GISI) www.jifactor.com IJEET © I A E M E ENERGY SAVING IN COOLING TOWERS BY USING VARIABLE FREQUENCY DRIVES Sowmya G1, S.Nagendra prasad2, N.Kumar3 1(E & E Department, VVIET, Mysore, Karnataka, India) 2, 3(E & E Department, NIE, Mysore, Karnataka, India) 148 ABSTRACT This paper deals with energy savings in cooling towers by using variable frequency drives. An economic evaluation has been performed to determine the potential annual savings of 25% is achieved by using adjustable-speed AC drives on cooling tower fans to track water temperature throughout the year. PWM was found to be the optimum solution for efficiency, harmonic distortion feedback, and power-factor considerations. The digital drive also offered the control options necessary to successfully operate with two fans in parallel on one drive. These options included the capability for bypass starters, automatic transfer, and selectable fault condition responses. In addition to the energy savings offered by the digital drives, being able to adjust the speed of the fans would result in smoother plant operations due to constant water temperatures. The adjustable-speed drives also enable the fans to be soft started. Closed loop PWM controlled Inverter fed 3 phase Induction Motor model is developed followed by simulation results using Matlab/Simulink. The control block diagram of the proposed system is given in this paper. Keywords: Cooling Tower, Model Simulation, Variable operating conditions, Variable Frequency Drive. I. INTRODUCTION The manufacturing industry can be classified as the process industry and discrete manufacturing. The process industry transforms the inputs, through various conversion methods, into a new product with significantly different physical and chemical properties from the unprocessed substance. It can be further categorized into various market segments including food and beverages, chemicals, petrochemicals, paper, pesticides, fertilizers, dyes and pigments and drugs and
  • 2.
    Proceedings of the2nd International Conference on Current Trends in Engineering and Management ICCTEM -2014 17 – 19, July 2014, Mysore, Karnataka, India pharmaceuticals. The end products usually act as inputs for the discrete manufacturing industry, which includes electronic, power equipment, automobiles and a range of consumer goods. To sustain in the increasingly competitive environment, the process industry needs to reduce its operational costs without impacting profitability and product quality. This multiproduct industry is energy intensive and provides a major opportunity to implement energy efficiency solutions. Through strategic investments in energy efficiency initiatives, the process industry can reap the benefits of reduced energy consumption- lower energy and operation and maintenance costs. In addition, these initiatives have a positive impact in terms of reduced dependence on fossil fuels and lower carbon emissions. 149 Solutions for achieving energy efficiency Every plant has a unique configuration for process equipment, input supply pattern, a power generation and distribution system and grid power supply pattern. Therefore, the energy saving solution needs to be customized for each facility. The equipment and systems used in process industries are usually old and inefficient. Since energy consumption is barely monitored in these industries, the management, in most cases, is not aware of the energy inefficiency in the systems. Thus, the first step towards adopting an energy efficiency solution is measuring both electrical and thermal energy consumption through regular audits. Following this, the organization needs to prepare a road map highlighting future energy efficiency projects, the requisite investments in these projects, and the payback period. Process industries can also adopt specific and generic energy efficiency improvement solutions. The specific solutions are related to process improvement, process integration and control, combined heat and power methods, load distribution and optimization and process automation. Generic energy efficiency improvement solutions are related to the replacement, modification and installation of heaters, furnaces, motors, pipes, lights, turbines, boilers, cooling towers and other components used in the process industry. These solutions typically do not entail significant investments. For instance, the installation of variable frequency drives (VFDs) in motors offers significant energy savings. The operating speed of a motor connected to a VFD is changed by varying the frequency of motor supply voltage, which allows continuous process speed control. Another generic low investment measure includes the replacement of metallic blades with fibre- reinforced plastic (FRP) blades in the cooling towers. Metallic blades are heavy and consume more power. Replacing them with the lightweight FRP blades helps in reducing power consumption by 20-40 percent. Similarly, the replacement of shell and tube heat exchangers increases the rate of heat transfer, leading to thermal energy savings. Further, the replacement of exhaust fans with natural air draft turbo ventilators reduces the power requirement. The ventilators run on wind while the exhaust fans use electrical energy to operate the motor. The other cost effective measures include the replacement of sodium vapour lamps with compact fluorescent lamps, switching off equipment when not in use, installation of a centralized air conditioner (AC) in place of separate ACs, and the use of fiberglass sheets on rooftops for better lighting on plants premises during daytime. In addition, process industries can deploy renewable energy-based power systems to reduce their dependence on the grid supply. For instance, solar water heaters can be installed to meet hot water requirements. II. BACKGROUND INFORMATION The purpose of a cooling tower is to provide process cooling water within a specified temperature range, usually between 28-29ºC. Since the cooling tower will operate most of the time at less than design capability, an economic evaluation was performed to determine the potential annual savings achieved by using adjustable speed AC drives on the cooling tower fans. The outcome of this evaluation had to not only justify the increased capital expenditure for the adjustable speed drives,
  • 3.
    Proceedings of the2nd International Conference on Current Trends in Engineering and Management ICCTEM -2014 17 – 19, July 2014, Mysore, Karnataka, India but also had to maintain a very high level of reliability due to the critical nature of the cooling tower. This paper reviews the key points of the economic evaluation, and then discusses the application of adjustable speed drives to cooling tower fans. 150 The cooling Water System The cooling tower [1],[2] is used to provide process cooling water to heat exchangers for five separate production plants. Loss of this system would create a process upset in these plants. The cooling tower had to be designed with the highest degree of reliability possible to insure the integrity of the cooling water system. COOLING TOWER PAHARPUR MODEL NO --23204 T--0 SERIAL NO---004--20--0025 GEAR BOX MODLE---22.2 NOZZLE SET----1. DRIVE SET--------1 DRIVE SOFT SET --1. 6 Q BUSH---8 NOS HOT WATER BASIN SET---1. MOTOR DETAILS FRAME NO—200L, H P---20, KW-15, RPM—1765, DUTY---S1. PUMP BEARING 6307 --2z- &- 6308--2z. COOLING TOWER PUMP IMPELLER - KDS 2050 PUMP DETAILS TYPE K D S 2050 SIZE 100X80, IMP DIA 197. 0 R P M 2915 HEAD RANGE--M----30--46.0 CAPACITY RANGE lps ---29--16. KW/HP----15/20. COOLING TOWER WATER TREATMENT CHEMICAL SISIL--CT--104 8 LTRS PER DAY. SISIL--CT--101 3 LTRS PER DAY QUENCH OIL HEAT EXCHANGER PLATES TYPE M6 - M D F GEAR BOX BEARING 34306, 34500 (CUP) Electrical System Incoming power at the 66 kV level is provided by means of overhead distribution from two separate busses in a powerhouse. Each of the two feeders is capable of carrying the entire load individually. 5 MVA transformer steps down this voltage to a level of 11kV and 5 distribution transformers step down 11kV to 415 volt level. A secondary three breaker transfer scheme with a normally open tie breaker is used to switch between the feeders in the event of an outage on one of them. This system will provide high electrical reliability for the tower to reduce the possibility of a power interruption due to the loss of one feeder.
  • 4.
    Proceedings of the2nd International Conference on Current Trends in Engineering and Management ICCTEM -2014 17 – 19, July 2014, Mysore, Karnataka, India 151 The Control System The cooling tower controlled by means of a star/delta starter and the cooling tower fan operates at the same speed throughout the day irrespective of the weather condition. Cooling tower fans gain a special advantage from the Variable Speed AC Drive. The cooling tower is outdoors exposed to sun, wind, rain, sleet, and all kinds of other things. It is expected to dispose of a variable amount of heat in a variable environment. The amount of forced air cooling required can be easily controlled, it is not necessary to run the fan at 100% when the load is much lower due to a cool rainy day. If the installation is in a northern climate, or in the mountains, the Variable Speed AC Drive provides an easy way to reverse the fan, and dispose of any build up of ice. III. VARIABLE FREQUENCY DRIVE variable-frequency drive (VFD) (also termed adjustable-frequency drive, variable-speed drive, AC drive, micro drive or inverter drive) is a type of adjustable-speed drive used in electro-mechanical drive systems to control AC motor speed and torque by varying motor input frequency and voltage. VFDs are used in applications ranging from small appliances to the largest of mine mill drives and compressors. However, about a third of the world's electrical energy is consumed by electric motors in fixed-speed centrifugal pump, fan and compressor applications and VFDs' global market penetration for all applications is still relatively small. This highlights especially significant energy efficiency improvement opportunities for retrofitted and new VFD installations. Over the last four decades, power electronics technology has reduced VFD cost and size and improved performance through advances in semiconductor switching devices, drive topologies, simulation and control techniques, and control hardware and software. Although space vector pulse-width modulation (SVPWM) is becoming increasingly popular,] sinusoidal PWM (SPWM) is the most straightforward method used to vary drives' motor voltage (or current) and frequency. With SPWM control quasi-sinusoidal, variable-pulse-width output is constructed from intersections of a saw-toothed carrier frequency signal with a modulating sinusoidal signal which is variable in operating frequency as well as in voltage (or current). An embedded microprocessor governs the overall operation of the VFD controller. Basic programming of the microprocessor is provided as user inaccessible firmware. User programming of display, variable and function block parameters is provided to control, protect and monitor the VFD, motor and driven equipment. Powerflex 400 PowerFlex 400 AC Drives are optimized for control of commercial and industrial fans and pumps. Built-in features such as purge and damper input provide a cost-effective solution for speed control in a broad range of variable torque fan and pump applications. An available packaged PowerFlex 400 Fan and Pump drive provides additional control, power, and enclosure options in standardized designs for a cost-effective solution for speed control in variable torque fan and pump applications. Operator interface The operator interface provides a means for an operator to start and stop the motor and adjust the operating speed. Additional operator control functions might include reversing, and switching between manual speed adjustment and automatic control from an external process control signal. The operator interface often includes an alphanumeric display and/or indication lights and meters to provide information about the operation of the drive. An operator interface keypad and display unit is often provided on the front of the VFD controller. The keypad display can often be cable-connected and mounted a short distance from the VFD controller. Most are also provided with input and output
  • 5.
    Proceedings of the2nd International Conference on Current Trends in Engineering and Management ICCTEM -2014 17 – 19, July 2014, Mysore, Karnataka, India (I/O) terminals for connecting pushbuttons, switches and other operator interface devices or control signals. 152 IV. ANALYSIS AND DISCUSSION On studying the meteorological data of Mysore, it was observed that the variation of weather conditions between day & night & also seasonal variation was quite substantial. A rough idea about the same can be made in table below. Table 1: Meteorological data of Mysore city & temperature distribution in Primary and Secondary circuit of cooling system Month Wet Bulb Temp (ºC) CTW- Cold water return temp (ºC) Secondary Coolant Cold Water return temp (ºC) Max Min Max Min Max Min Desired Temp Jan 21.5 16.0 22.6 17.4 25.8 17.8 31.0 Feb 20.0 18.5 23.2 19.2 27.0 22.8 31.0 Mar 21.0 17.0 26.8 20.5 27.3 24.0 31.0 Apr 25.5 21.0 30.6 22.2 28.0 24.4 31.0 May 24.5 19.5 24.6 21.8 28.4 25.2 31.0 Jun 24.5 21.5 26.5 22.2 29.7 25.3 31.0 Jul 24.0 21.0 29.3 22.3 29.4 24.3 31.0 Aug 23.5 21.0 21.8 21.2 27.0 23.4 31.0 Sep 22.5 19.5 21.8 21.8 27.6 24.7 31.0 Oct 22.5 20.5 25.5 21.8 28.2 24.3 31.0 Nov 21.0 16.5 24.0 23.0 26.6 25.0 31.0 Dec 21.5 16.0 23.6 19.3 25.8 18.6 31.0 The design cold water inlet temperature in the secondary circuit of the cooling system, to various systems is approx. between 31-32 ºC and the maintenance of this design temperature was very important from the point of view of process performance. However, due to the wide fluctuation of weather conditions & also due to the partial loading of cooling tower, it had virtually become impossible to maintain optimum cooling tower cold water return temperature i.e. 28-29 ºC and operating cold water inlet temperature to various system i.e. 31-32 ºC. A rough idea about the extent of variations that has been taking place can be made from the following table below. From table 1 & the graph shown, it can be due to the partial loading of the cooling tower and also due to seasonal fluctuation of weather conditions frequently, it is not able to maintain the
  • 6.
    Proceedings of the2nd International Conference on Current Trends in Engineering and Management ICCTEM -2014 17 – 19, July 2014, Mysore, Karnataka, India optimum cooling tower cold water return temperature. So, the main objective was to take some measures in order to achieve optimum cooling tower cold water return temperature. By using VFD, the fan speed & the quantity of air being supplied to the cooling tower can be varied in the entire range from zero speed to maximum fan speed & from zero air supply to maximum air supply as per the requirement of the process. By varying the frequency of the supply power with the help of VDF, the speed of motor can be varied. For achieving the optimum CTW return temperature, it was necessary to operate the cooling tower at zero fan speed & at full fan speed in order to see the extent the temperature control possible with the installation of a VFD. The result of the experiment is described in the Table below. Table 2: Variation cooling system temp with respect full speed & zero speed of cooling tower fan Fan Speed CTW return temperature(ºC) % $#
  • 7.
    %# 153 SecondaryCoolant Cold Water return temp (ºC) FULL 22.5 28 ZERO 32 37 So, from table.2, it is clear that the extent temperature control possible, by varying the speed of the fan full speed to zero speed is approx, 9-10ºC the same fulfills the requirements. On the basis of above study, to operate the cooling tower fans at variable speed SPWM drive were installed. The VFD device has the facility to operate both in fixed drive (FD) mode. So, depending upon the requirements, the VDF device can be operated at full speed in FD mode or at variable speed in VD mode between 6Hz to 60Hz to fulfill the temperature requirement. ! #$ ! Fig 1: Graph Showing Monthly Distribution of Coolant Temperature
  • 8.
    Proceedings of the2nd International Conference on Current Trends in Engineering and Management ICCTEM -2014 17 – 19, July 2014, Mysore, Karnataka, India Table 3: Seasonal variations of fan speed over a period of 1-year and cooling tower return temperature 154 Months Period (Months) Fan Speed (Hz) CTW return Temp. Secondary ckt. Inlet Temp. Day Night Avg ºC ºC Mar Apr May June 4 40-50 35-40 40 26-29 29-31 July Aug Sep Oct 4 30-35 25-30 35 26-29 29-31 Nov Dec Jan Feb 4 35-40 20-30 30 26-29 29-31 Considering fluctuation of weather conditions also the partial loading of cooling tower(depending on the Production), it is decided to run the Cooling tower fan at the following frequencies in order to have the CTW return temperature approximately equal to the design temperature. So, from the above table, it is concluded that the regulation of cooling tower fan speed and air flow using a VFD -device helps in maintaining optimum cooling tower return temperature even in the circumstances when cooling tower is partially loaded and also weather climatic condition fluctuation is substantial. V. MATLAB/SIMULINK MODEL SPWM Control of an induction motor In Sinusoidal PWM three phase reference modulation signals are compared against a common triangular carrier wave to generate the PWM signals for the three phases. Fig:3 represents the closed loop speed control of 3 phase IM (represents the fan of the Cooling Tower). To have closed loop control temperature sensor is used to sense the temperature of the inlet water to the cooling tower and the feedback is given to VFD to accordingly set the speed (frequency settings) of the IM to get the constant water outlet from the Cooling Tower. To get the constant water outlet from the Cooling Tower, model consists of a dynamic lookup table. The dynamic parameters of the lookup table are Temperature and the corresponding Frequency at which the 3 phase IM has to run. From the detailed analysis and discussion made in the previous chapter, lookup table has been derived. The inlet water temperature of the Cooling Tower varies between 40 ºC to 55 ºC and the corresponding frequency at which the motor has to run to get the constant water outlet temperature of 28 ºC to 29 ºC has been arrived by running motor at full speed and zero speed. Table below gives the temperature and the corresponding frequency. The machine's rotor is short-circuited, and the stator is fed by a PWM inverter, built with Simulink blocks and interfaced to the Asynchronous Machine block through the Controlled Voltage Source block. The inverter uses sinusoidal pulse-width modulation. The base frequency of the sinusoidal reference wave is set at 50 Hz and the triangular carrier wave's frequency is set at 1980 Hz.
  • 9.
    Proceedings of the2nd International Conference on Current Trends in Engineering and Management ICCTEM -2014 17 – 19, July 2014, Mysore, Karnataka, India The Simulink input of the block is the mechanical torque at the machine's shaft. When the input is a positive Simulink signal, the asynchronous machine behaves as a motor. When the input is a negative signal, the asynchronous machine behaves as a generator. Here the 20 HP machine is connected to a constant load of nominal value (11.9 N.m). RelayA RelayB + - vab + - + - 2*pi/3*[ 0,-1,1 ] Math Function Look-Up Demux Fourier Mag Feedback from Temperature sensor Constant1 20 HP - 400 V 50 Hz - 1460 rpm Tm Fig 2: Simulink model of a PWM Controlled Inverter fed 3Phase Induction motor 155 vab (V) v -K-rpm -K-pu2radpersec Discrete, Ts = 2e-006 s. powergui -K-peak2rms ir,is (A) s Vbc s Vab sin x xdat ydat y Temperature v/s Frequency Lookup Table -C-Temperature Te (N.m) RelayC 1460 Rated speed RMS Vab voltage Product N (rpm) rem Table Fourier Phase 50 Divide Demux -C-Corresponding Frequency 1/1980 11.9 29.19 Constant Clock m A B C Rotor current ir_a (A) Stator current is_a (A) Rotor speed (wm) Electromagnetic torque Te (N*m)
  • 10.
    Proceedings of the2nd International Conference on Current Trends in Engineering and Management ICCTEM -2014 17 – 19, July 2014, Mysore, Karnataka, India Table 4: Temperature and corresponding frequency of dynamic lookup table 156 Temperature in ºC Frequency in Hz Speed in rpm Outlet water Temperature in ºC 40 20 584 28-29 ºC 41 22 642 28-29 ºC 42 24 700 28-29 ºC 43 26 759 28-29 ºC 44 28 817 28-29 ºC 45 30 876 28-29 ºC 46 32 934 28-29 ºC 47 34 992 28-29 ºC 48 36 1050 28-29 ºC 49 38 1110 28-29 ºC 50 40 1168 28-29 ºC 51 42 1225 28-29 ºC 52 44 1284 28-29 ºC 53 46 1342 28-29 ºC 54 48 1400 28-29 ºC 55 50 1459 28-29 ºC IV. SIMULATION AND EXPERIMENTAL RESULTS The modeling of a PWM Controlled Inverter fed 3Phase Induction motor is done. The results of the simulation are as shown below. Simulation results show better speed response of three phase induction motor (representing cooling tower fan) with the change in temperature. The model also provides the better torque response.The various currents, voltage response is obtained from the simulation results are as follows. Fig:4 shows the machine's speed going from 0 to 800 rpm at certain temperature and as the temperature increases the speed increases automatically. Fig:5 shows the electromagnetic torque developed by the machine for the same temperature change. Because the stator is fed by a PWM inverter, a noisy torque is observed.
  • 11.
    Proceedings of the2nd International Conference on Current Trends in Engineering and Management ICCTEM -2014 17 – 19, July 2014, Mysore, Karnataka, India Fig 3: Output voltage of the SPWM Controlled Inverter Fig 4: Speed Response of SPWM Controlled Inverter Fed I.M 157
  • 12.
    Proceedings of the2nd International Conference on Current Trends in Engineering and Management ICCTEM -2014 17 – 19, July 2014, Mysore, Karnataka, India Fig 5: Torque Response of SPWM Controlled Inverter Fed I.M Fig 6: Rotor Current of SPWM Controlled Inverter fed I.M However, this noise is not visible in the speed because it is filtered out by the machine's inertia, but it can also be seen in the stator and rotor currents, which are observed next. 158
  • 13.
    Proceedings of the2nd International Conference on Current Trends in Engineering and Management ICCTEM -2014 17 – 19, July 2014, Mysore, Karnataka, India Fig 7: Stator Current of SPWM Controlled Inverter Fed I.M Fig 6 and 7 shows the Rotor and Stator Line current response coming out from SPWM controlled Inverter fed I.M for the different temperatures. We observe that initially variations occur in the line currents and later it reaches the steady state within 0.1s. Initially Induction motor is at rest, so it draws more current at the beginning. 159 VI. CONCLUSION The Third Law of Affinity for fans states the ratio of the horse power for two operating conditions is equal to the cube of the ratio of the flow rate at those conditions. Since flow rate is proportional to speed and horse power is proportional to power (kVA), then the power used is proportional to the cube of the speed. Therefore, reducing the fan speed by one-half requires only one-eighth of the power. Using any adjustable speed drive technology to track the wet bulb temperature throughout the year will result in an annual energy savings of 25% when compared with running the fan at full-speed all the time. This factor alone justified the additional capital expenditure for the drives. However, due to the critical nature of the cooling tower other factors had to be weighed. In addition to the tremendous annual energy savings offered by the drives, other operating criteria dictated the necessity of using adjustable speed drives. Being able to adjust the speed of the fans would result in smoother plant operations due to constant water temperatures. Modeling and simulation of SPWM controlled Inverter fed 3 phase I.M drive has been done by using MATLABSIMULINK. Simulation and experimental results presented are in agreement with the theoretical analysis. VII. REFERENCE [1] The energy-saving benefit and economic evaluation analysis of cooling tower with flue gas injection by Han, Q. ; Liu, D.Y. ; Chen, F.S. ; Yang, Z. [2] DIII-D water-cooling system upgrades through modeling and power saving projects by Yip, H.H. ; Mauzey, P.S. ; Anderson, P.M. ; Le, T. ; Hegstad, T. ; Thomas, A.; Leung, D.