1 | P a g e
One: Introduction and features
1.1 Introduction
This work concerns the improvement of aircraft called convertiplanes which can take off
vertically, hover, and then fly horizontally at high speed. In particular, it is part of an
ongoing effort directed towards uncovering and developing a convertiplane type which
inherently belongs to both flight realms, consisting as such of congruous dual-use
components of minimal number.
In this thesis a bi-copter hover control system normally associated with electronic
stability augmentation is investigated for its natural stabilization capability. Using
linearized mathematical models, pitch stability is proven analytically and roll-yaw
stability is established for a range of parameter values. It is found that such a system will
automatically incorporate dynamic control elements (gyroscopic and momentum wheel)
in hover – thereby increasing control effectiveness in that mode – and static airplane-like
elements about the same axes in fast forward flight using the same control components.
This behavior can be emulated using electronics so is not restricted to just naturally
stabilized systems. It is also found that this dual phase control – termed here biphasic
control – voids the need for control swapping during transition; roll control in hover is
obtained by the same device and its operation as roll control in fast forward flight. The
same is true of yaw. So, though natural or self-stabilization may or may not be useful on
its own, its investigation has produced a control prescription for effective operation in the
two flight realms.
1.2 Features:
 Weight (w/o Rx or Lipo) 48oz.
 Motors – 1100kV
 Props – 12X4.5
 ESCs – 20 amp
 1000mAh 3S lipo required (not included)
 Aluminum fasteners with custom machined frame spacers
 Kydex canopy with PETG windshield, damaged but still flyable
 Impact absorbing landing gear
2 | P a g e
Two: Block diagram of bi-copter
2 . Block diagram of bi-copter
Fig no.2.1 Block diagram of bicopter
a) Battery – Power Source:
LiPo (Lithium Polymer) batteries are used because it is light. NiMH(Nickel Metal
Hydride) is also possible. They are cheaper, butt heavier than LiPo. LiPobatteries also
have a C rating and a power rating in mAh (which stands for milliamps per hour). The C
rating describes the rate at which power can be drawn from the battery, and the power
rating describes how much power the battery can supply. Larger batteries weigh more so
there is always a tradeoff between
flight duration and total weight.
Fig no.2.2 1000 mah lipo Battery
3 | P a g e
b) ESC- Electronic Speed Controller:
The electronic speed controller controls the speed of the motor or tells the motor show
fast to spin at a given time. For a Bi-copter, 2 ESCs are needed, one connected to each
motor. The ESCs are then connected directly to the battery through either a wiring
harness or power distribution board. Many ESCs come with a built in battery eliminator
circuit (BEC), which allows to power things like the flight control board and radio
receiver without connecting them directly to the battery. Because the motors on a Bi-
copter must all spin at precise speeds to achieve accurate flight, the ESC is very
important. This firmware in a ESC changes the refresh rate of the ESC so the motors get
many more instructions per second from the ESC, thus have greater control over the Bi-
copter’s behavior. The frequency of the signals also vary a lot, but for a Bi-copter it is
preferred if the controller supports high enough frequency signal, so the motor speed can
be adjusted quick enough for optimal stability.
Fig no.2.3 ESC of 20 amps
c) Propellers:
A Bi-copter has 2 propellers that spin counter clockwise, and two “pusher” propellers that
spin clockwise to avoid body spinning. By making the propeller pairs spin in each
direction, but also having opposite tilting, all of them will provide lifting thrust without
spinning in the same direction. This makes it possible for the Bi-copter to stabilize the
yaw rotation, which is the rotation around it self. The propellers come in different
diameters and pitches (tilting effect). The larger diameter and pitch is, the more thrust the
propeller can generate. It also requires more power to drive it, but it will be able to lift
more weight .When using high RPM (Revolutions per minute) motors, the smaller or
mid-sized propellers. When using low RPM motors the larger propellers can be used as
there could be trouble with the small ones not being able to lift the Bi-copter at low
speed.
Fig no.2.4 Propeller
4 | P a g e
d) Rotors or Motors :
The purpose of motors is to spin the propellers. Brushless DC motors provide the
necessary thrust to propel the craft. Each rotor needs to be controlled separately by a
speed controller. They are a bit similar to normal DC motors in the way that coils and
magnets are used to drive the shaft. Though the brushless motors do not have a brush on
the shaft which takes care of switching the power direction in the coils, and that’s why
they are called brushless. Instead the brushless motor shave three coils on the inner
(center) of the motor, which is fixed to the mounting. On the outer side, it contains a
number of magnets mounted to a cylinder that is
attached to the rotating shaft. So the coils are fixed which means wires can go directly to
them and therefore there is no need for a brush. Brushless motors spin in much higher
speed and use less power at the same speed than DC motors. Also they don’t lose power
in the brush-transition like the DC motors do, so it’s more energy efficient. The
Kv(kilovolts)-rating in a motor indicates how many RPMs (Revolutions per minute) the
motor will do if provided with x-number of volts. The higher the kV rating is, faster the
motor spins at a constant voltage. Usually out runners are used –brushless motors used
for model planes and copters.
Fig no.2.5 Brushless Motor
e) Servomotor
A servomotor is a rotary actuator that allows for precise control of angular position,
velocity and acceleration. It consists of a suitable motor coupled to a sensor for position
feedback. It also requires a relatively sophisticated controller, often a dedicated module
designed specifically for use with servomotors. Servomotors are not a specific class of
motor although the term servomotor is often used to refer to a motor suitable for use in a
closed-loop control system.
5 | P a g e
Fig no.2.5 Servo motor
f) Flight control board
KK 2.1 Multi-Rotor Control Board
Introduction:
The next evolution of the rotor revolution is here!! The KK2.1 is packing new found
power with updated sensors, memory and header pins. Designed exclusively for
HobbyKing by the grandfather of the KK revolution, Rolf R Bakke, the KK2.1 is the next
evolution of the first generation KK flight control boards and has been engineered from
the ground-up to bring multi-rotor flight to everyone, not just the experts. The LCD
screen and built-in software makes installation and set-up easier than ever. The original
KK gyro system has been updated to the incredibly sensitive 6050 MPU system making
this the most stable KK board ever and adds the addition of an auto-level function. At the
heart of the KK2.1 is the ATMEL Mega 644PA 8-bit AVR RISC-based microcontroller
with 64k of memory. An additional header has been added for voltage detection, so now
there is no need for on-board soldering. A handy piezo buzzer is also included with the
board for audio warning when activating and deactivating the board, which can be
supplemented with an LED for visual signalling. A host of multi-rotor craft types are pre-
installed, simply select your craft type, check motor layout/propeller direction, calibrate
your ESCs and radio and you’re ready to go! All of which is done with easy to follow on
screen prompts! If you’re new to multi-rotor flight or have been unsure about how to
setup a KK board then the KK2.1 was built for you. The 6 Pin USB asp AVR
programming interface ensures future software updates will be quick and easy. Go ahead
and get started.
Fig no.2.6 Flight controlling board
6 | P a g e
The HobbyKing KK2.1 Multi-Rotor controller manages the flight of (mostly) multi-rotor
Aircraft (Tric-opters, Quad copters, Hex copters etc). Its purpose is to stabilize the
aircraft during flight and to do this, it takes signals from on-board gyroscopes (roll, pitch
and yaw) and passes these signals to the Atmega324PA processor, which in-turn
processes signals according the users selected firmware (e.g. Quad copter) and passes the
control signals to the installed Electronic Speed Controllers (ESCs) and the combination
of these signals instructs the ESCs to make fine adjustments to the motors rotational
speeds which in-turn stabilizes the craft.
The HobbyKing KK2.1 Multi-Rotor control board also uses signals from your radio
system via a receiver (Rx) and passes these signals together with stabilization signals to
the Atmega324PA IC via the aileron; elevator; throttle and rudder user demand inputs.
Once processed, this information is sent to the ESCs which in turn adjust the rotational
speed of each motor to control flight orientation (up, down, backwards, forwards, left,
right, yaw).
Initial Set-Up
STEP-1 Mount the FC on the frame with the LCD facing front and the buttons facing
back. You can use the supplied anti-static foam container as a form of protective case for
the Flight Controller on the craft.
STEP-2 Connect the receiver outputs to the corresponding left-hand side of the controller
board. The pins are defined as:
7 | P a g e
Fig no.2.7 Pin description
Ensure the negative (black or brown) is orientated so that it is on the pin that is nearest to
the edge of the Flight Controller Board, so looking at the board the color sequence will be
Black, Red and Orange. The channels are connected as follows from the front of the
board towards the push buttons: -
Receiver channel Flight Controller
Aileron --- Aileron
Elevator --- Elevator
Throttle --- Throttle
Rudder --- Rudder
AUX1 --- AUX
Typical receiver servo connections are:
Fig no.2.8 Typical receiver servo connection
STEP-3 Connect the ESC’s to the right side of the Flight Controller Board. M1 is towards
the front of the board and M8 is nearest to the push buttons. The negative (black or brown)
lead towards the edge of the FC. The negative (black or brown) lead is connected to the
edge of the Flight Controller.
DO NOT MOUNT THE PROPELLERS AT THIS STAGE – FOR SAFETY REASONS
The completed Receiver and Motor wiring (for a Bi-Copter) looks like this:
8 | P a g e
Fig no.2.9 Connection detail
The Flight Controller Board must always have a source of +5v from an ESC, either one
of the motors ESC or from a separate unit feeding the Receiver. If each ESC has a BEC
(normal unless OPTO types) then it may be necessary to remove the power feed from the
other ESC, usually by cutting the power line (RED) Cable on the other ESC.
STEP-4 Set up a new model on your transmitter and use a normal airplane profile and
bind the Receiver to the Transmitter.
STEP-5 Turn on the power and press the ‘Menu’ button, then using the ‘Up’ and ‘Down’
buttons highlight ‘Receiver Test sub-menu and press Enter. Now move each channel on
your transmitter and check that the displayed direction corresponds with the stick
movements on the Flight Controller, if any are reversed, then go to your Transmitter and
reverse that channel. Check that the AUX channel is showing "ON" when you activate
the AUX Switch on your transmitter, if not, reverse the AUX channel on your transmitter.
Use the trim or sub-trim controls on your transmitter to adjust the channel values shown
on the LCD to zero.
STEP-6 Scroll down to and enter the "Load Motor Layout" sub-menu and choose the
configuration you want. If the configuration you want is not listed, use the "Mixer Editor"
sub-menu to make one. See later for more on that.
STEP-7 Enter the "Show Motor Layout" sub-menu and confirm the following. Is the
configuration correct? Are the motors and servos connected the correct output? Correct
rotation direction? Does the motor speed up when dropping the arm it is mounted on?
STEP-8 Enter the “Receiver test" and check for nominal values on each channel, move
your Transmitter sticks around to ensure they are all working, including AUX1.
STEP-9 Enter the "PI Editor” sub-menu and check PI gain values using this option to
adjust the gain settings. The PREV and NEXT buttons to select the parameter to change,
9 | P a g e
then press CHANGE. To adjust both Roll and Pitch at the same time, see the "Mode
Settings "sub-menu.
At this stage the propellers can be fitted to test the Flight Control board. Hold the craft (!)
and Arm with right rudder and zero throttle for a few seconds, it will beep and the RED
LED will turn on. Usually you should not arm it until you have put the Multi-copter on
the ground and stepped 5 meters away. After landing, place it in SAFE Mode by holding
the rudder to left with zero throttle, it beeps and the RED LED will turn off, always do
this before you approach the Multi-copter. If the craft wants to tip over right away, check
the connections and your custom made mixer table if you have one. If it shakes and
climbs after it’s airborne, adjust the Roll and Pitch Pgain down or if it easily tips over
after its airborne, adjust up. If it drifts away, use the trims to keep the drift down. It will
normally drift with the wind. If you need excessive trim, check if the arms and motors
have the correct angles and that the motors are good. Increase the Roll and Pitch I gain
(note the difference from P gain) until it flies straight forward without pitching up or
down. Turn on the Self-levelling by holding right aileron while arming or disarming it.
Turn it off by holding left aileron. Alternatively you can assign this to the AUX channel.
See below so Sub-
STEP-10 Enter the "Mode Settings" and check and adjust: "Self-Level": Determines how
the self-leveling function will be controlled, either by STICK or an AUX Channel.
"STICK MODE": Self-leveling is turned on by holding the aileron to the right when
arming or disarming. Turn it off with left aileron. "AUX": Self-leveling is turned on/off
by the AUX Channel. "Auto Disarm": If set to YES then Flight Control board will
automatically disarm itself after 10-mins of inactivity. "CPPM Enabled": Determine if the
Flight Control Board is to use CPPM data input.
STEP-11 Enter the "Stick Scaling" option, where you can adjust the response from the
stick to your liking. Higher number gives higher response and lower numbers the
converse. This is similar to the endpoint or volume adjustment on your transmitter, where
you can adjust your transmitter to adjust the stick response and use the stick scaling if
you want more or less response from stick inputs. "Misc. Settings": "Minimum Throttle":
Adjust the setting so that the motors just keep running when the Transmitter throttle stick
is at a minimum. "Height Dampening": This option uses the Z accelerometer to dampen
vertical movements caused by wind or when tilting the craft. A recommended setting is
30. "Height D. Limit": Adjust to limit control for Height Dampening to prevent over
control, this limits how much power is available for dampening. A recommended setting
is 10 (10%). "Alarm 1/10 volts”: Adjusts the battery alarm voltage set-point. When set to
0 (zero) the alarm is disabled. Adjust this value to suit the battery in use and monitored
by the Flight Control Board sensor input. For a standard 3-cell LiPo battery of 11.1volts
use a value of 3.60 volts per cell to denote an empty battery and then set this value (in
1/10’s) to (3.6 x 3 * 10) = 108 and when the supply voltage drops to 10.8volts the alarm
will sound. Note, if you set this value above zero and no battery is attached / monitored
then the alarm will sound. As the voltage being monitored nears the set point the time
between beeps will shorten, so a long time between pulses when the alarm voltage is
getting close to very short time intervals when the voltage is at the alarm set point.
“Servo Filter”: This setting is a Low-Pass Filter, that enables channel jitter to be ignored,
a good setting to start off with is 50 (mS). If you experience channel jitter then increase
this value, if Sensor Test": Displays the output from the sensors. See if all shows "OK".
10 | P a g e
Move the FC around and see that the numbers change. "ACC Calibration": Follow the
instructions on the LCD to calibrate the Acceleration Sensors, which is only necessary to
do once at initial setup.CPPM Settings": This menu allows different Transmitter
manufacturers standards for
CPPM channels to be re-assigned, thus:
Roll (Ail): 1 to 2 (an example)
Pitch (Ele): 2 to 1 (an example)
Throttle: 3 to 4 (an example)
Yaw(Rud): 4 to 5 (an example)
AUX: 5 to 3 (an example)
This enables the Flight Control board to match any supplier’s standard.
“Mixer Editor”:
“Channel”: Select the channel to be adjusted.
"Throttle": Amount of throttle command. Usually 100% if the output channel is
connected to an ESC. "Aileron": Amount of aileron/roll command. Use positive value for
motors on the right side of the roll axis and negative for the left side of the roll axis. The
value is given by the motor's distance from the roll axis. Increased values denote a further
distance. "Elevator": Amount of elevator/pitch command. Use a positive value for motors
on the front side of the pitch axis and negative value for the back side of the pitch axis.
The value is given by the motor's distance from the pitch axis. More is further away.
"Rudder": The amount of rudder/yaw command. Usually 100%. Use a positive value for
a CW spinning propeller and negative for a CCW spinning propeller. "Offset" Item:
Applies a constant offset to the channel. Keep this zero when it is an ESC channel and
around 50% when connected to a servo or on the AUX channel. You can fine tune the
channels position by adjusting this value. "Type:" Item: Set it to the type (servo or ESC)
connected to the channel. For ESC: Output PWM rate is always high. Outputs zero when
disarmed or throttle is at idle. Applies the "Minimum Throttle" item from the "Misc.
Settings" sub-menu when armed and throttle is above zero. For the Servo setting: Output
PWM rate can be high or low. Outputs the offset value when disarmed or throttle is at
idle. "Rate": High rate (400Hz) for ESC or digital servos, or low rate (80Hz) for analogue
servos.
Tuning Guide
1: Make sure the KK2 reads the transmitter stick neutrals. Go to the "Receiver Test"
menu and use the trims to get the values to zero.
2: Go to the "PI Editor" menu and set P to 50 and I to zero for both the Roll and Pitch
Axis. It is only necessary to edit the roll axis, pitch axis will be automatically changed to
the same values as the roll axis. Leave the P-limit and I-limit alone, it is not necessary to
change them.
3: Hover the aircraft and compare the response and adjust accordingly if required.
If you are a new flier and the craft is not yet flying around, just leave the I-gain at zero or
the default value. Also the Yaw PI-gains can be left at default, but remember to zero them
11 | P a g e
if you use the ‘string’ (the craft suspended from a piece of string along one of its axis)
tuning method.
Recommended / Default PI editor settings for first flight:
Roll/Pitch Axis:
Pgain = 50
Plimit = 100
Igain = 25
Ilimit = 20
Yaw Axis:
Pgain = 50
Plimit = 20
Igain = 25
Ilimit = 10
Default gains are set to 50/50/50 (roll/pitch/yaw) P-term, and 25, 25, 50 I-term.
Limits are used to limit the maximum value of the control that can be used to make
corrections and a value of 100 means 100%. The "I limit" value is also known as "anti
wind-up" in PID theory and use of Limits is most important on the yaw axis to prevent a
yaw correction from saturating the motors (giving full or no throttle), then causing no
control to the roll/pitch axis. The default values permit 30% ("P Limit" 20 + "I limit" 10)
of the motor power to be used to make a yaw correction, with 70% available for the
roll/pitch axis. The “Yaw P Limit" can be increased for faster Yaw response, but note
Yaw response is limited by the craft dynamics Itself.
You can increase "Roll/Pitch/Yaw I Limit" for increased heading-hold "memory", that is
how far it can deviate and still return to the original attitude. However, if set too high,
problems occur as the controller tries to correct with opposite control input and then
when the conditions disappear, the craft will try to return to an unknown attitude. It is
recommended to leave the limit values as default. Default values have no impact on The
PI tuning process. Also leave the self-level "I gain" and "I limit" at zero
Tuning P and I settings
P-gain too low:
- Craft is hard to control
- When flying it is easy to over-correct a command and the craft is jittery
- Craft lacks overall stability
- Control inputs feels slow and imprecise when the craft responds
P-gain too high:
- Craft suffers from side to side oscillation
- Craft easily gains or loses height
- It is hard to maintain any given height
P-gain correct:
- Craft is easy to control
- Craft takes off easily and smoothly straight into a stable hover
- Craft is easy to fly and feels stable
12 | P a g e
I-gain too high:
- Similar flight characteristics to P-gain that is too high
- Craft oscillates with a low frequency, shakes
- Craft flies a ‘toilet-bowel’ circuit
Aerobatic flight PI Settings:
Increase the P setting slightly from its stable flight value
Decrease the I setting from its stable flight value
Gentle smooth flight:
Decrease the P setting slightly from its stable flight value Increase the I setting a slightly
from its stable flight value Proportional Gain coefficient –is needed for relatively stable
flight and is an essential parameter. This coefficient determines the mix between on-
board controls from the gyros and user stick inputs. As the coefficient is increased the
craft will be more sensitive and reactive to angular changes. If too low, the craft will be
sluggish and difficult to keep steady and if too high, may oscillate with a high frequency.
Integral Gain coefficient – is needed to increase the precision of an angular position. For
example when the craft is disturbed by wind and its angular position changes by say 20
degrees, it in theory remembers how much the angle changed and will attempt to return
by 20 degrees. In practice if the craft goes forward and then command a stop, it will
continue for some time to counteract the action. Without this term, the opposition does
not last as long. This term is especially useful with irregular wind, and ground effect
(turbulence from motors). If the However, when the ‘I’ value gets too high your craft will
begin to have slow reactions and will decrease the effect of the Proportional gain as
consequence, it will also start to oscillate as if it has the P gain set to high, but with a
lower frequency.
Gimbal Connection Guide
Enable the Camera Control by turning it on by going to "Cam Stab Settings" screen and
set the gains to a non-zero value. Start with 500. A negative value reverses servo
direction. Adjust value until camera is steady.
1. The Gimbal Roll servo is connected to Motor-7 output.
2. The Gimbal Pitch servo is connected to Motor-8 output.
Fig no.2.10 connection of servo Propeller & ESC
13 | P a g e
3. Use the offset values to trim servo position, but keep the values close to 50% by
adjusting servo linkage first.
4. The camera stabilization starts as soon as you move the Throttle any stick
5. If you put the Throttle at Idle/Minimum the camera stabilization will be switched-OFF.
NOTE: If you are using an “OPTO” ESC you may need an external 5v power source
from an SBEC.
Accessing the Self-Leveling Mode
1. You can access the self-leveling mode either from the settings of STICK or AUX
channel.
2. When set to AUX Mode you must connect a spare channel usually CH5 or Ch6 and
changing the Transmitter switch position will enable/disable Self-Leveling mode.
3. When set to STICK Mode to go into Self-Leveling Mode, you must set the Throttle to
Minimum and set maximum Left Rudder whilst at the same time, setting maximum Left
Aileron to disable SL or maximum Right Aileron to enable SL.
Flight Controller Sounds
1. One Beep (short beep, 2 sec delay) is emitted when the board is armed and the throttle
is closed, this is for safety reasons so you know it’s armed.
2. One Long Beep is emitted when the board is either Armed or Disarmed.
Status Screen
1. Displays the message "SAFE" and the KK2 will not arm unless it says "OK"
General Points
1. Error messages can only be reset by cycling the power, except for the "sensors not
calibrated" message, which is reset after a successful sensor calibration.
2. Error messages include lost RX connection.
3. The KK2.1 has an auto-disarm function and will disarm itself after 20 sec if throttle is
at idle. For extra safety. Can be turned on/off in "Mode Settings" menu.
Lost Model Alarm
1. The KK2.1 has a lost aircraft alarm and starts to beep (1 sec on and 4 sec off) after
30min of no activity (arm/disarm).
Model Types Supported
Dualcopte
Tricopter
Y6 Quadcopter +
Quadcopter X
14 | P a g e
Hexcopter +
Hexcopter X
Octocopter +
Octocopter
15 | P a g e
Three: Circuit Description
3. Circuit diagram
3.1 Circuit diagram transmitter
Fig 3.1 Transmitter
In transmitter, 16 mhz crystal connect to the pin no.13 and 14 of PIC16F877A with 33pf
of capacitor. Two rf transmitter are interface** with PIC16F8777A controller with help
of CODEC (ST12) and encoder (HT12D) to receive 12 bit data(8 bit data and 4 bit
respectively).
ST12 CODEC interface with PORT B AND HT12 decoder interface with lower ports of
PORT C. Through these ports controller transmitter data, on which controller generate
code on which generate and varies the PWM (pulse width modulation) signal for the
servo and for ESC (to vary the speed of the brushless motor) at receiver end.
16 | P a g e
3.2 Circuit diagram of receiver
Fig 3.2 Receiver.
In the receiver, two rf receivers are interface** with PIC16F8777A controller with help
of CODEC (ST12) and decoder (HT12D) to receive 12 bit data(8 bit data and 4 bit
respectively).
ST12 CODEC interface with PORT B AND HT12 decoder interface with lower ports of
PORT C. Through these ports controller receive data, on which controller generate and
varies the PWM(pulse width modulation) signal for the servo and for ESC (to vary the
speed of the brushless motor) .
**Interface codec and decode according to description define in the chapter 4 of
component description.
17 | P a g e
Four: Component Description
4. List of components:-
 Pic micro controller
 Ht 12E
 HT12D
 ST12 CODEC
4.1 PIC MICROCONROLLER
PIC is a family of modified Harvard architecture microcontrollers made by Microchip
Technology, derived from the PIC1650 originally developed by General Instrument's
Microelectronics Division. The name PIC initially referred to Peripheral Interface
Controller. The first parts of the family were available in 1976; by 2013 the company had
shipped more than twelve billion individual parts, used in a wide variety of embedded
systems
Fig.4.1.1 PIC Microcontroller
Devices Included in this Data Sheet:
High-Performance RISC CPU:
• Only 35 single-word instructions to learn
• All single-cycle instructions except for program branches, which are two-cycle
• Operating speed: DC – 20 MHz clock input DC – 200 ns instruction cycle
• Up to 8K x 14 words of Flash Program Memory, Up to 368 x 8 bytes of Data Memory
(RAM),
Up to 256 x 8 bytes of EEPROM Data Memory
• Pinout compatible to other 28-pin or 40/44-pin PIC16CXXX and PIC16FXXX
microcontrollers
18 | P a g e
Peripheral Features:
• Timer0: 8-bit timer/counter with 8-bit prescaler
• Timer1: 16-bit timer/counter with prescaler,can be incremented during Sleep via
external
crystal/clock
• Timer2: 8-bit timer/counter with 8-bit period register, presale and postscaler
• Two Capture, Compare, PWM modules
- Capture is 16-bit, max. resolution is 12.5 ns
- Compare is 16-bit, max. resolution is 200 ns
- PWM max. resolution is 10-bit
• Synchronous Serial Port (SSP) with SPI™(Master mode) and I2C™ (Master/Slave)
• Universal Synchronous Asynchronous Receiver Transmitter (USART/SCI) with 9-bit
address
detection
• Parallel Slave Port (PSP) – 8 bits wide with external RD, WR and CS controls (40/44-
pin only)
• Brown-out detection circuitry for Brown-out Reset (BOR)
Analog Features:
• 10-bit, up to 8-channel Analog-to-Digital Converter (A/D)
• Brown-out Reset (BOR)
• Analog Comparator module with:
- Two analog comparators
- Programmable on-chip voltage reference(VREF) module
- Programmable input multiplexing from device inputs and internal voltage reference
- Comparator outputs are externally accessible
Special Microcontroller Features:
• 100,000 erase/write cycle Enhanced Flash program memory typical
• 1,000,000 erase/write cycle Data EEPROM memory typical
• Data EEPROM Retention > 40 years
• Self-reprogrammable under software control
• In-Circuit Serial Programming™ (ICSP™)via two pins
• Single-supply 5V In-Circuit Serial Programming
• Watchdog Timer (WDT) with its own on-chip RC
oscillator for reliable operation
• Programmable code protection
• Power saving Sleep mode
• Selectable oscillator options
• In-Circuit Debug (ICD) via two pins
CMOS Technology:
• Low-power, high-speed Flash/EEPROM technology
• Fully static design
• Wide operating voltage range (2.0V to 5.5V)
• Commercial and Industrial temperature
19 | P a g e
4.1.2 PIN DIAGRAM:
Fig no.4.1.2 Pin Diagram
20 | P a g e
21 | P a g e
22 | P a g e
23 | P a g e
This document contains device specific information about the following devices:
1. PIC16F873A 2.PIC16F874A
3. PIC16F876A 3. PIC16F877A
4.1.3 MEMORY ORGANIZATION
There are three memory blocks in each of thePIC16F87XA devices. The program memory and
data memory have separate buses so that concurrent access can occur and is detailed in this
section. The EEPROM data memory block is detailed in Section 3.0 “Data EEPROM and Flash
Program Memory”.
Additional information on device memory may be found in the PIC micro® Mid-Range MCU
Family Reference Manual (DS33023).
a. Program Memory Organization
The PIC16F87XA devices have a 13-bit
program counter capable of addressing an
8K word x 14 bit program memory space.
The PIC16F876A/877A devices have 8K
words x 14 bits of Flash program
memory, while PIC16F873A/874A
devices have 4K words x 14 bits.
Accessing a location above the physically
implemented address will cause a wrap
around..
The Reset vector is at 0000h and the
interrupt vector is at 0004h.
b. Data Memory Organization
The data memory is partitioned into
24 | P a g e
multiple banks which contain the General Purpose Registers and the Special Function
Registers. Bits RP1 (Status<6>) and RP0 (Status<5>) are the bank select bits.
Each bank extends up to 7Fh (128 bytes). The lower locations of each bank are reserved
for the Special Function Registers. Above the Special Function Registers are General
Purpose Registers, implemented as static RAM. All implemented banks contain Special
Function Registers. Some frequently used Special Function Registers from one bank may
be mirrored in another bank for code reduction and quicker access.
4.1.4 SPECIAL FUNCTION REGISTERS
The Special Function Registers are registers used by the CPU and peripheral modules for
controlling the desired operation of the device. These registers are implemented as static
RAM. A list of these registers is given in Table 2-1.
The Special Function Registers can be classified into two sets: core (CPU) and peripheral.
Those registers associated with the core functions are described in detail in this section.
Those related to the operation of the peripheral features are described in detail in the
peripheral features section.
25 | P a g e
26 | P a g e
27 | P a g e
28 | P a g e
GENERAL PURPOSE REGISTER FILE
The register file can be accessed either directly, or indirectly, through the File Select
Register (FSR).
3.5 Status Register
The Status register contains the arithmetic status of the ALU, the Reset status and the
bank select bits for data memory.
29 | P a g e
The Status register can be the destination for any instruction, as with any other register. If
the Status register is the destination for an instruction that affects the Z, DC or C bits,
then the write to these three bits is disabled. These bits are set or cleared according to the
device logic. Furthermore, the Toad PD bits are not writable, therefore, the result of an
instruction with the Status register as destination may be different than intended.
For example, CLRF STATUS, will clear the upper three bits and set the Z bit. This leaves
the Status register as000u u1uu(where u= unchanged).
It is recommended, therefore, that only BCF, BSF,SWAPF and MOVW Finstructions
are used to alter the Status register because these instructions do not affect the Z, C or DC
bits from the Status register.
REGISTER 2-2: OPTION_REG REGISTER (ADDRESS 81h, 181h)
Note: To achieve a 1:1 prescaler assignment for
the TMR0 register, assign the prescaler to
the Watchdog Timer.
R/W-1 R/W-1 R/W-1 R/W-1 R/W-1 R/W-1 R/W-1 R/W-1
RBPU INTEDG T0CS T0SE PSA PS2 PS1 PS0
bit 7 bit 0
bit 7 RBPU:PORTB Pull-up Enable bit
1= PORTB pull-ups are disabled
0= PORTB pull-ups are enabled by individual port latch values
bit 6 INTEDG: Interrupt Edge Select bit
1= Interrupt on rising edge of RB0/INT pin
0= Interrupt on falling edge of RB0/INT pin
bit 5 T0CS: TMR0 Clock Source Select bit
1= Transition on RA4/T0CKI pin
0= Internal instruction cycle clock (CLKO)
bit 4 T0SE: TMR0 Source Edge Select bit
1= Increment on high-to-low transition on RA4/T0CKI pin
0= Increment on low-to-high transition on RA4/T0CKI pin
bit 3 PSA: Prescaler Assignment bit
30 | P a g e
1= Prescaler is assigned to the WDT
0= Prescaler is assigned to the Timer0 module
bit 2-0 PS2:PS0: Prescaler Rate Select bits
4.2 HT12E
HT12E is an encoder integrated circuit of 212 series of encoders. They are paired with
212 series of decoders for use in remote control system applications. It is mainly used in
interfacing RF and infrared circuits. The chosen pair of encoder/decoder should have
same number of addresses and data format.
Simply put, HT12E converts the parallel inputs into serial output. It encodes the 12 bit
parallel data into serial for transmission through an RF transmitter. These 12 bits are
divided into 8 address bits and 4 data bits.
HT12E has a transmission enable pin which is active low. When a trigger signal is
received on TE pin, the programmed addresses/data are transmitted together with the
header bits via an RF or an infrared transmission medium. HT12E begins a 4-word
transmission cycle upon receipt of a transmission enable. This cycle is repeated as long as
TE is kept low. As soon as TE returns to high, the encoder output completes its final
cycle and then stops.
Fig no.4.2.1 HT 12E
31 | P a g e
PIN DISCRIPTION:-
4.3 HT12D:-
HT12D is a decoder integrated circuit that belongs to 212 series of decoders. This series
of decoders are mainly used for remote control system applications, like burglar alarm,
car door controller, security system etc. It is mainly provided to interface RF and infrared
circuits. They are paired with 212 series of encoders. The chosen pair of encoder/decoder
should have same number of addresses and data format.
In simple terms, HT12D converts the serial input into parallel outputs. It decodes the
serial addresses and data received by, say, an RF receiver, into parallel data and sends
them to output data pins. The serial input data is compared with the local addresses three
times continuously. The input data code is decoded when no error or unmatched codes
are found. A valid transmission in indicated by a high signal at VT pin.
HT12D is capable of decoding 12 bits, of which 8 are address bits and 4 are data bits. The
data on 4 bit latch type output pins remain unchanged until new is received.
Fig no.4.3.1 HT 12D
32 | P a g e
4.4 Transmitter and Receiveric
ST12 CODEC – IR/RF Remote Control Encoder/Decoder IC
1. Overview
ST12 CODEC is Radio Frequency and Infrared encoder/decoder IC for remote control
applications having unique features and flexibility not available with other remote control
encoder decoder ICs. ST12 is truly a single-chip remote control solution. Transmitter and
Receiver can operate over Radio Frequency or Infrared having four address and eight
data bits. Transmission and Reception over Infrared is achieved by commonly available
Infrared LED Detector and for RF any general purpose RF Transmitter-Receiver pair
would suffice. The ST12 combines the functionality of both encoder and decoder in a
single package with several unique features for enhanced operation and a reduced
component count for transmitter and receiver circuits. The ENC-DEC pin configures the
ST12 IC for encode or decode operation automatically at power up.
Fig no.4.4.1 ST 12E
33 | P a g e
2. Features
· Encode / Decode on single chip
· Built in Oscillator
· Minimum External Components
· Wide operating voltage range. (2.0 - 5.5V)
· Single chip Encoding Decoding Mode
· 40kHz carrier for infrared transmission medium
· 18 pin DIP package
3. Applications
· Burglar alarm system
· Smoke and fire alarm system
· Garage door controllers
· Car door controllers
· Car alarm system
· Security system
· Cordless telephones
· Other remote control systems
4. Pin Definitions
Pin Number Description
1-4 A0-A3 - 4 bit Address Input
5 GND – Ground
6-13 D0-D7 – 8 bit Data input if configured as Encoder D0-D7 – 8 bit Data output if
configured as Decoder
14 VCC - +5V DC
15 ENC-DEC – Configure chip as Encoder or Decoder Encoder if pin is tied to VCC
Decoder if pin is tied to GND
16 DATA RX-TX – Transmit data or Receive Data from this pin through IR/RF Interface
17 LATCH-MOM – Applicable in Decoder Mode Latching output (Toggle Output) if pin
is tied to VCC Momentary output if pin is tied to GND In encoder mode tie this pin to
GND or VCC and do not leave it floating
18 Mode IR/RF – Selects Transmit / Receive by Infrared or Radio Frequency IR Mode if
pin is tied to VCC RF Mode if pin is tied to GND Encoder sends 40khz Modulation
signal in IR Mode for driving IR LED Decoder inverts received data in IR Mode
5. Encoder When configured as Encoder the chip will transmit signal containing 4 bit
Address A0-A4 and 8 bit of Data D0-D7 from its DATA RX-TX pin. Removing ground
from a data input will end the transmission. Infrared transmission will include data
modulated for 40 kHz frequency for driving Infrared LED. Radio Frequency
Transmission mode will transmit data in bi-phase Manchester encoding.
5.1. Latching Key-Press
34 | P a g e
With the decoder in latch mode, data inputs D0-D7 of the encoder must be pressed &
released one at a time to toggle decoder outputs on or off individually. Multiple key
presses are not allowed on the encoder when the decoder is configured for latch mode.
5.2. Momentary Key-Press
In momentary mode, any combination of the encoder data inputs D0-D7 may be
grounded
simultaneously.
6. Decoder
Decoder outputs can sink or source up to 25mA per pin with a total combined device
package maximum of 200mA allowing direct remote control of LED’s, solid-state relays,
and other logic devices without the need for secondary driver circuits.
Data & Address Validation
Encoder address pins A0-A3 must be set to the same logic levels as decoder address pins
A0-A3. If these do not match, the decoder will ignore data sent from the encoder. The
decoder receives two consecutive & matching data/address packets before transferring
data to the D0-D7 outputs. Each 13-bit packet transmit time requires approximately
48mS. Care should be taken not to violate these timing requirements when the ST12 is
controlled by high-speed logic circuits or embedded controllers such as the PIC, BASIC
Stamp or 8051. Important: Address input pins A0-A3 &configuration selection input
must always be connected to Vdd or circuit ground depending on the mode required.
Allowing any of these input pins to “float” (leaving them un-connected) will cause erratic
results.
Transmitter Circuit diagram
Fig no 4.4.2 Transmitter Circuit diagram
35 | P a g e
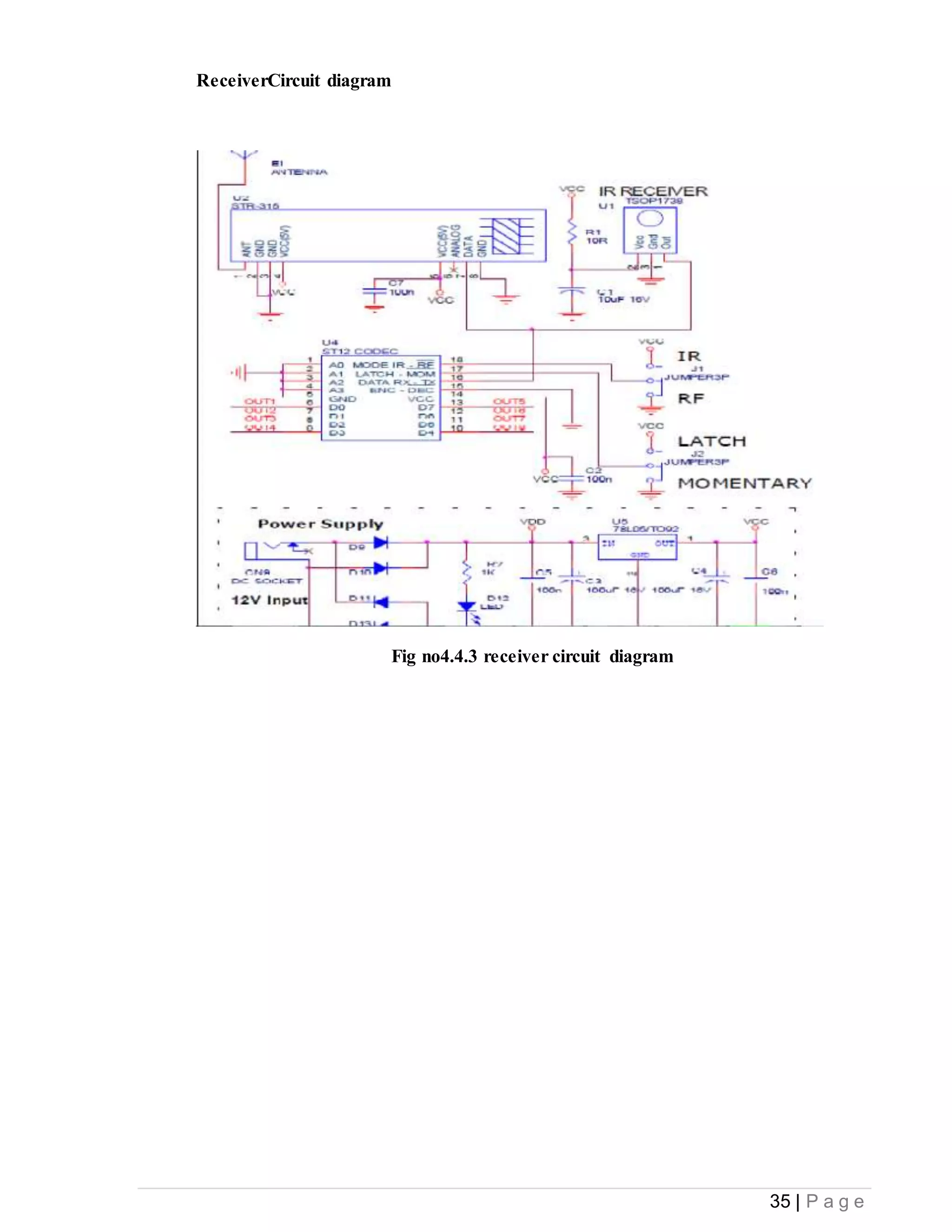
ReceiverCircuit diagram
Fig no4.4.3 receiver circuit diagram
36 | P a g e
FIVE: Software tool
5. Software tool
There are many types of software use.
1.Eagle software
2 .Proteus 8 Professional
3. MPLAB IDE
5.1. Eagle software
PCB design in EAGLE is a two-step process. First you design your schematic, then you
lay out a PCB based on that schematic. EAGLE’s board and schematic editors work
hand-in-hand. A well-designed schematic is critical to the overall PCB design process. It
will help you catch errors before the board is fabricated, and it’ll help you debug a board
when something doesn’t work. This tutorial is the first of a two-part Using EAGLE series,
and it’s devoted entirely to the schematic-designing side of EAGLE. In part 2, Using
EAGLE: Board Layout, we’ll use the schematic designed in this tutorial as the basis for
our example board layout.
Fig no 5.1.1 eagle software open window
Create a Project
We’ll start by making a new project folder for our design. In the control panel, under the
“Projects” tree, right click on the directory where you want the project to live (by default
EAGLE creates an “eagle” directory in your home folder), and select “New Project”.
37 | P a g e
Fig no.5.1.2 new create projects
The Library Editor Window
The Library Editor window opens when you load a library for creating or editing
components. A library normally has three different elements :packages, symbols and
devices.
• A package is a device’s housing, as will be used in the Layout Editor (on the board).
• The symbol contains the way in which the device will be shown in the schematic.
• The device represents the link between one (or more) symbol(s) and a package. Here we
define the connection between a pin of a symbol and the referring pad of the package. We
call it a Device set if the component exists in more than one
package and/or technology variant. Even if you do not have the schematic module, you
can still create and
edit symbols and devices. A library need not contain only real components. Ground or
supply symbols as well as drawing frames can also be stored as devices in a library.
These symbols do not normally contain any pins. There are also libraries that only
contain packages. Extensive examples of the definition of library elements are to be
found in a sectionentitled Component Design Explained through Examples,starting on
page 157 in this manual.
A First Look at EAGLE
When a library is loaded the following windowappears first:
38 | P a g e
Fig no.5.1.3 schematic diagram window
After some time we select the electronics components. Components are many types
available in eagle software for PCB designing.
Fig no.5.1.4 select components
And all the components select. Then all components join with wire. We show this
diagram.
39 | P a g e
Fig no.5.1.5.complete schematic diagram
Preparing the board layout
Now it’s time to draw the board. You need to transfer your schematic diagram into a
drawing of your printed circuit board. Drawing PCB’s is artwork. Take your time, and
make sure it looks good. Follow the design guidelines for drawing circuit boards. Most
PCB software will have tools that will help you draw your board from the schematic. I
can’t cover them all, but I’ve written a PCB design tutorial for Eagle to help you learn
Fig no5.1.6 complete PCB designing board
After complete circuit .then use proteus software so that check the program is doing
work properly or not. When open the window of proteus this types of show
40 | P a g e
5.2 .Proteus 8 Professional
Proteus 8 is the latest release of the Proteus Design Suite CAD Software. It includes:
 A completely new application module for Project Notes. This serves as the
documentation centre for your work and is fully template for re-use across projects.
 Major rework of the Bill of Materials report module to support Project Notes, physical
layout configuration and dialogue driven style management.

 New import tools for Library parts via BSDL for schematic components and PADS
ASCII for PCB footprints. Fully compatible with the PCB Library Expert tool
 Introduction of a new family with support for ARM® Cortex™-M0 variants from NXP.
 Addition of over 35 pre-supplied schematic clips for popular Adriano™ shields and
breakout boards
Fig no.5.2.1 proteus design window open
And after some time open the window then open the new projects. We show this diagram.
41 | P a g e
Fig no.5.2.2 Select isis in proteus software
Then the window is look like this types.
Fig no.5.2.3 Open new projects in proteus software
After that select the component for our use.This components meet in library.
42 | P a g e
Fig no.5.2.4 Select components in proteus software
After some time complete circuit look like this types
43 | P a g e
Fig no.5.2.5 assemble of components in proteus software
5.3 MP LAB
MPLAB is a free integrated development environment for the development of embedded
applications on PIC and ds PIC microcontrollers, and is developed by Microchip
Technology. MPLAB X is the latest edition of MPLAB, and is developed on the Net
Beans platform. MPLAB and MPLAB X support project management, code editing,
debugging and programming of Microchip 8-bit, 16-bit and 32-bit PIC microcontrollers.
MPLAB is designed to work with MPLAB-certified devices such as the MPLAB ICD
3 and MPLAB REAL ICE, for programming and debugging PIC microcontrollers using a
personal computer. PIC Kit programmers are also supported by MPLAB.
When open the Mplab window look like this types. we show.
44 | P a g e
Fig no.5.3.1 MP lab window
After some time complete embedded c program. Look like this type window.
Fig no.5.3.2 complete program window
45 | P a g e
When program is complete in embedded c. then run we get output
Fig no.5.3.3 complete program window out put
46 | P a g e
SIX: Working Terminology
6.1 Gyroscopic Bi-copters: Oblique Active Tilting (OAT)
In 1999 the author began experimenting with electric-powered, radio-controlled vertical
take-off and landing (VTOL) aircraft models, which – as a challenge – were restricted to
a configuration of two rigid, laterally displaced and tillable prop rotors (non-cyclic rotors
and propellers will be referred to as prop rotors in this thesis). The attraction of these
aircraft, called bi-copters, is their conduciveness to transitioning to and flying in airplane
mode.
It was obvious that stability of a bi-copter was achievable using cyclic helicopter rotors
(the bi-copter essentially becoming two helicopters attached together), but the goal was to
first explore it without this complication and understand why such aircraft were not
operational. Control of these models in hover was initially planned as follows:
1. pitch via collective longitudinal tilting of the prop rotors
2. yaw via differential longitudinal tilting
3. altitude via collective speed control of the prop motors
4. roll via differential speed control
However, the models were unstable in pitch, even with the assistance of proportional and
derivative feedback sensors of the model’s attitude (Grass, 2002, 2007). There was no
apparent damping, and airframe pitching in an opposite direction to prop rotor
longitudinal tilting dominated the behavior.
But in 2001 pitch stability was finally achieved by having the prop rotors tilt obliquely,
that is, in (symmetric) directions part-way between longitudinal and lateral. In
conjunction with a proportional pitch sensor, the lateral tilting component introduced
gyroscopic pitching moment which damped the aircraft’s oscillations. And intentional
oblique tilting by the pilot increased the control power immensely; it generated
gyroscopically-amplified pitching moments, adding to the conventional thrust vectored
ones.
By eliminating cyclic this new stabilization system – termed oblique active tilting (OAT)
– greatly simplified the rotor heads. It also allowed the prop rotor diameters to be reduced
and their speeds increased relative to helicopter rotors, thereby eliminating the reduction
gearboxes as well. In terms of the number of parts, the models were now much closer to
airplanes than helicopters.
6.2 Pitch Stabilization in OAT
The OAT system uses two gyroscopes types to stabilize aircraft pitch. The first is the
electronic pitch sensor, generally referred to as a “gyro” in the hobby industry – as it will
be here – but in reality is an oscillating piezo crystal which generates measurable carioles
forces when rotated. Included with it will be a feedback control algorithm, usually
derivative or proportional – or a combination of both – by which it sends corrective
instructions to the tilt servos based on the aircraft pitch rate that it measures (and angle
that it calculates).
47 | P a g e
The second is the mechanical actuator gyroscope – or control effector – which consists
collectively of the two prop rotor tilt servos which receive the instructions sent by the
piezo gyro, and the prop-motors and prop rotors that they tilt. However, this arrangement
is somewhat redundant and perhaps unnecessary, as will be discussed in the next section.
6.3 Self-Stabilization of Bi-copters
6.3.1 The Potential for Self-stabilization
It is well known that a mechanical gyroscope can act as a sensor as well as an actuator.
Forcibly tilt a gyroscope about an axis (perpendicular to its spin axis) and it will generate
a moment about a third axis perpendicular to the first two. This is the actuator feature of a
gyroscope, utilized by several stabilization devices, including OAT.
But apply a moment to a gyroscope about an axis perpendicular to its spin axis and it will
process or tilt – if it is free to do so – about a third axis which is perpendicular to the first
two. This is the sensor feature of a gyroscope, the precession in turn generating a new
moment which opposes the originally applied one. It is only approximated in OAT since
the prop rotor is never free to tilt on its own.
It was with this understanding that the author questioned the need for the electronic piezo
gyro, and whether the spinning prop rotors couldn’t be used as both actuators and
sensors. Perhaps the prop rotors could tilt by themselves and stabilize the aircraft. In 2009
an OAT model was modified by disconnecting the (roll and pitch) piezo gyros and
replacing the rigid servo linkages with flexible ones, allowing the prop rotors to tilt on
their own. Holding the model in hand – with prop rotors spinning – a resistance to rolling
and pitching was observed which increased with prop rotor speed. Though the model
could not be flown as such (it was difficult to stabilize yaw because of the freely-tilting
prop rotors), roll and pitch stabilization were clearly discernable – and the ramifications
very encouraging. If this behavior could be harnessed in practice then the prop rotors
would no longer have to be actively tilted for stabilization, and the only tilting would be
for intentional, directional control. Such a change could make the control method more
suitable for full-size aircraft, and perhaps be even beneficial for hobby models; it could
eliminate the electronic attitude sensors, and reduce stresses, energy consumption and
associated costs. It was with these possibilities in mind that the author decided to
investigate self-stabilization analytically, and to determine the conditions under which it
may be utilized and implemented.
6.3.2 Merits of Self-stabilization
More fully, a self-stabilized system could be:
1. be free of time delays, making for potentially better flight characteristics.
2. be free of the large stresses associated with forced, active tilting of rigid prop rotors. In
self-stabilization, by definition, the prop rotors tilt by themselves.
3. be lower in energy consumption.
4. be self-adapting to varying flying conditions such as aircraft weight and air density.
48 | P a g e
5. be lower in cost. The electronic controller constitutes about half the cost of a hobby bi-
copter such as the Nymbus, with the ratio increasing as the model becomes smaller.
6. be automatically scalable. There are limits to scale reduction with electronics because
of the higher frequencies involved.
As will be seen in later chapters there are further merits; the self-stabilized system is self-
decoupling in roll and yaw and is stable in fast forward flight.
6.3.4 Initial Embodiment and Self-stabilization in Pitch
The self-stabilized bi-copter concept’s basic elements are depicted i and consist of a
hypothetical hovering aircraft equipped with rotors which can tilt freely about oblique
axes.
Fig no.6.3.4.1 Bi-copter
External pitch disturbances applied to a hovering bi-copter will cause its spinning prop
rotors to process laterally if they are allowed to do so. In turn, a gyroscopic moment is
created that opposes the original pitching
49 | P a g e
Fig no.6.3.4.2 Top: Free-tilt aircraft hovering undisturbed with rotors level. bottom:
rotors processing inward and consequently forward due to externally applied
moment.
The gyroscopic resisting moments are generated only during the tilting, whereas the
thrust and drag-torque moments are functions of the tilt angles. These latter moments are
here termed the static moments. For this discussion it is assumed that the aircrafts center
of mass is located below the tilt axes such that the thrust moment is in the proper,
corrective direction. For as long as the disturbance is applied, the rotors will continue to
process until the static moments counteract it. At that point a new equilibrium, with the
aircraft pitched, will be reached. The challenges are to determine if this characteristic can
be harnessed to enable self-stabilization of the aircraft, and whether the pilot can still
effect intentional control without interfering with this stabilization.
50 | P a g e
6.3.5 Self-stabilization in Roll
Here the sequence of events following a roll disturbance is analyzed, and from it roll
stability is surmised qualitatively. If the aircraft with freely tilting prop rotors is suddenly
subjected to an external rolling moment the prop rotors will respond by tilting
(processing) in the directions . This tilting of course generates gyroscopic moments on
the aircraft which tend to resist or oppose the rolling moment.
Fig no.6.3.5.1 Applied external rolling moment and resulting prop rotor tilting.
If the aircraft had a conventionally low center of mass, then, in terms of thrust vectoring,
these tilt directions would be wrong – they would exacerbate the rolling of the vehicle.
With the center of mass raised as shown in Figure 1-5, however, the thrust vector
moments would tend to oppose the original roll disturbance
Fig no.6.3.5.2 Static roll stability requires a raised center of mass, the amount of
which is reduced by the presence of prop rotor drag-torques ( shown
In actuality, the requirement for a high mass center is not quite so extreme as it is
tempered by the presence of the prop rotor drag torques . Their components about the
aircraft longitudinal axis both oppose the disturbing moment – the opposition by is
readily visualized from Figure 6.3.5.2. Therefore the aircraft mass center does not need to
be raised above the prop rotor tilt axes to enable static stability, and therefore the aircraft
51 | P a g e
can still be statically stable in pitch per the previous section. As a result of the differential
tilting initiated by the roll disturbance, the prop rotor thrust vectors will also begin to yaw
the aircraft in the positive direction as shown in Figure Fig no.6.3.5.3
Fig no.6.3.5.3 Differential tilting initiated by roll disturbance begins to yaw the
aircraft.
It is assumed here that the bi-copter contains an onboard yaw gyro, just as radio
controlled conventional and coaxial helicopters do. It is also assumed that the gyro
operates the prop rotor speed controls differentially. Justification for inclusion of the gyro
while maintaining that the aircraft is self-stabilized will be made Chapter 6. The gyro,
sensing this yawing of the aircraft, will signal drive-motor 1 to speed up and 2 to slow
down, thereby increasing and lowering . As intended, the resulting net torque opposes the
yawing motion. But a consequence of the ensuing speed difference is that prop rotor
thrust increases and decreases, which of course opposes the original roll disturbance.
Therefore, one can surmise that, with the aid of the electronic yaw gyro, roll can be
stabilized. In summary, the events following a roll disturbance are:
1. Differential precession of prop rotors and generation of gyroscopic moments opposing
roll disturbance. (This is the dynamic response).
2. From the above tilting, the generation of thrust vector moments and drag-torque
components that oppose roll disturbance. The former require a raised aircraft mass center.
(these are static stability response).
3. Yawing of the aircraft due to differential tilts.
4. Yaw gyro signaling differential motor speeds, thereby generating a net torque
repressing the yaw. 5. Consequent generation of thrust differential, which also opposes
roll disturbance.
6.3.5 Sequence of Events Following a Yaw Disturbance
The events following a positive yaw disturbance would be:
52 | P a g e
1. Yaw gyro signaling differential motor speeds, thereby generating a net torque opposing
the yaw disturbance. 2. Consequent generation of a thrust differential, which creates a
(negative) rolling moment. 3. Differential precession of prop rotors (in opposite direction
to that shown in previous section), caused by and opposing the rolling moment in 2. 4.
From tilting in 3, generation of thrust-vector moments and drag-torque components
opposing rolling moment in 2. 5. Also from tilting in 3, creation of yawing moment
opposing the original yaw disturbance.
1.4 Objectives
The objectives of the research presented in this thesis document are to: investigate self-
stabilization of bi-copters analytically and prove it mathematically wherever possible;
substantiate these proofs with simulations, and to; determine the conditions under which
self-stabilization may be utilized and implemented. Of equal importance is determining
how control of the aircraft by the pilot can be implemented without interfering with – or
being interfered by – the self-stabilization system.
1.5 Organization
This dissertation is organized as follows: Chapter 2 contains a literature review of VTOL
aircraft control and stabilization, especially in regards to their simplicity and
effectiveness in the context of convertiplanes (which can transition to fast forward flight).
It discusses gyroscopic as a means of providing such control and stabilization, and
contains a background of the author’s relevant work with OAT. Chapter 2 also contains a
description of one other known implementation in history of passive stabilization using
gyroscopic: the Fieux passive ship stabilizer of the 1930s. Chapter 3 develops the
mathematical model of a bi-copter’s angular motion in three-dimensional (3D) space. It
provides for the free tilting - or any other tilting prescription - of the prop rotors relative
to the airframe. This model is then linearized so that equations of angular motion in one
dimension may be extracted – and characteristic equations developed - in subsequent
chapters. Chapter 4 analyzes hover pitch stability of the bi-copter through inspection of
the characteristic equation. Passive dampers and springs are subsequently added between
airframe and prop rotor tilting, and a Simulink model is constructed to corroborate the
mathematical results A root locus plot (vs. spring constant) of the aircraft response is
drawn and compared to handling quality boundaries specified for US military VTOL
aircraft. A flow chart of this work is shown in Figure 1-7.
2.4 Oblique Active Tilting (OAT)
2.4.1 Gyroscopic in OAT, Orbital Satellite Attitude Control and Ground Vehicle/Ship
Stabilization
In work prior to this thesis the author extensively investigated OAT, including
performing a theoretical analysis of pitch stability and experimentation using radio
controlled(R/C) models (Gress, 2002, 2003, 2007, 2008). Figure 2-6 shows the
Nymbus650 (referred to here as simply the Nymbus), designed in 2011 and which is the
53 | P a g e
latest incarnation of aircraft employing OAT. Its data and specifications, contained
inAppendix B, will be used extensively in this thesis.
Fig no.6.3.5.4 (a) Nymbus OAT radio-controlled VTOL model aircraft by the
author.
Fig no.6.3.5.5 (b) Propeller pod close up showing how oblique tilting arises from
bent spar-end.
The primary function of the lateral component of oblique tilting is to generate gyroscopic
pitch-control moments which dynamically assist conventional thrust vectoring arising
from the longitudinal component. This generation has parallels in the use of control
moment gyroscopes (CMGs) for the attitude control of orbital satellites, the Hubble
Space Telescope and the International Space Station (ISS) as shown in Figure 2- 7.
54 | P a g e
Fig no. 6.3.5.6 Oppositely spinning control moment gyroscopes of orbital satellite.
Each is tilted towards the other at rate together generating net moment M on
vehicle (from Gress, 2007).
(Jacot, 1966) is a good early description of the use of CMGs for attitude control in space.
(Gurrisi, 2010) discusses the practical operation of CMGs aboard the ISS. Since the first
appearance of CMGs and up to the present time, there has been considerable research on
the design of their feedback control laws; some of these are surveyed in (Kurokawa,
2007). Considerable work has also been done regarding the avoidance of singularities and
saturation in CMGs (e.g., Yoon, 2004). CMGs in orbital satellites are a prominent and
successful example of the use forced precession of the gyroscopes. A passive
stabilization system for these vehicle types is usually not possible because a perturbed
roll angle from the vertical implies a lower energy state. Only in the case of ships has
there been use of gyroscopes in a passive way, where the gyroscope becomes both
attitude sensor and control effector, these actions usually being moderated by springs and
dampers. This is because the vessel is continually receiving energy in the form of waves.
Passive ship stabilization will be discussed in more detail in Section 2.4.3 since it applies
directly to the subject of this thesis. Of gyroscopic for attitude control and stabilization of
vehicles. But there have been many other proposed and implemented applications,
especially in the roll stabilization of monorail trains (Brennan, 1905, Shivoliskii, 1924),
two-wheeled ground vehicles (Karnopp, 2002, Spry, 2008), and of ships (Ferry, 1933,
Adams, 2005). In all of the ground vehicles, attitude sensing (of the vehicle) has been by
means other than the gyroscopes themselves, and stabilization is effected by the
6.4.2 Gyroscopic for Control and Stabilization of Aircraft: Internal CMGs vs.
External Propellers
Research into using internal CMGs to augment the control of aircraft has also been
conducted. Of them Lim (2007) stated their useful torque is very transient, and that there
is no net change in vehicle angular momentum. Any bias will result in the CMGs storing
angular momentum, reducing gimbal mobility. To restore high-frequency control the
CMGs must be DE saturated by applying an external torque, usually through a lower
frequency aerodynamic control effector. In OAT the propellers are both the CMGs and
the aerodynamic control effectors, constantly interacting with the environment and
imparting an external torque. The lateral tilt component creates a drag-torque pitching
moment, complementing the conventional thrust vectoring from the longitudinal
component. Figure 2-8 shows how the propellers spin directions and tilt paths must be
55 | P a g e
oriented. Gyroscopic rolling moments will cancel one another when they are tilted
equally and collectively in the forward or rearward oblique directions. The same is true of
the gyroscopic pitching moments when the propellers are tilted equally but differentially.
Fig no 6.4.2.1. Top views of OAT aircraft showing the two possible spin directions
relative to aircraft, and the associated proper tilt directions for generating the
reinforcing gyroscopic and drag-torque control moments.
The oblique direction of the tilting – usually 45 degrees from either longitudinal or
lateral – is of course a compromise. For control of aircraft pitch, effective thrust vectoring
favors purely longitudinal tilting, whereas the gyroscopic and drag-torque pitching
moments are zero for this direction but maximum for purely lateral tilting.
6.4.3 OAT aircraft pitch model
56 | P a g e
Figure 2-9 shows the OAT aircraft schematic of Gress (2007) which accompanies its
formulation of the aircraft pitch model or equation. The prop rotors in this model are
confined to tilt simultaneously and equally as shown in the figure. The model assumes
that electromechanical servos – governed by a pitch feedback algorithm accompanying
an electronic pitch sensor– exactly prescribe the tilt angle of the prop rotors.
Fig no.6.4.3.1 OAT stick aircraft. Pitch angle and tilt angles both shown positive.
From (Gress, 2007).
In terms of the symbols used in this thesis, and using the short forms and , this linearized
(small angle) model is where is the prop rotor tilt angle from the aircraft vertical (in
oblique direction ), is the aircraft pitch angle. , and are the airframe, propeller pod and
propeller mass moment of inertias about the pitch, tilt and spin axes respectively. is the
propeller thrust, its drag torque, and is the height of the tilt axes above the aircraft center
of mass. Equation (2.1) applies to a balanced aircraft having no externally applied
pitching moments. As expected, it shows that the adverse pod inertial effect – represented
by the second-order tilt term – is most severe for longitudinal tilting, , and that the
beneficial gyroscopic pitching moment (the first-order tilt term) vanishes for this tilt
direction.
57 | P a g e
Conclusion
Drones will soon take on be an imperative existence in the coming future. They will be
seen taking up larger roles for a variety of jobs including business in the immediate future.
They could become a part of our daily lives, from smallest details like delivering
groceries to changing the way farmers manage their crops to revolutionizing private
security, or maybe even aerial advertising. Today, Bi-copters are capturing news video,
recording vacation travel logs, filming movies, providing disaster relief, surveying real
estate and delivering packages. They are categorized according to their corresponding
uses. Some are for military purposes provided with missiles and bombs, some for
surveillance and reconnaissance purposes. Agriculture is predicted to be the dominant
market for UAV operations. In Japan drones are flown for the past 20 years. Lot of the
farmlands over there are on steep hillsides, and those vehicles can treat an acre in five
minutes which is very difficult or even impossible to do so with a tractor. The
innumerable advantages of drones lead to their growth in a short span of time. They have
a few demerits but those can be rectified. Today most drones are controlled by either
software’s or other computer programs. The components of a drone also vary based on
what type of work needs to be done and how much payload needs to be carried. Out
runners, batteries, electronic speed controllers all come in different ranges according to
the type of work needed to be done by the Bi-copter. Bi-copters are a great provisional
craft that could get in between airplanes and helicopters and are hence easier to fly all the
time. Beside real time 3Dflight, such as inverted flight, Bi-copters give a more acrobatic
feel to its flyers. Bi-copters offers to be a great balance between cost , capability, and
performance. The only problem is when funds are coupled with highly ambitious projects.
A solution for this could be to gradually improvise on inventing Bi-copters with new
enhancements and new designs. Hence Bi-copters have an exemplarily bright future. The
onus lies upon us whether we productively use it or destructively use it.
58 | P a g e
REFERENCES
1. Gonzalez, I., et al. Real-time altitude robust controller for a Quad-rotor aircraft using
Sliding mode control technique. in Unmanned Aircraft Systems (ICUAS), 2013
International Conference
on. 2013.
2. Jiang, J., et al. Control platform design and experiment of a Bi-copter. In Control
Conference(CCC), 2013 32nd Chinese. 2013.
3. Mitchell, G., The Raspberry Pi single-board computer will revolutionize computer
science teaching [For &Against]. Engineering & Technology, 2012. 7(3): p. 26-26.
4. Berezny, N., et al. Accessible aerial autonomy. in Technologies for Practical Robot
Applications(Tephra), 2012 IEEE International Conference on. 2012.
5. Sarik, J. and I. Kymissis. Lab kits using the Arduino prototyping platform.in Frontiers
in Education Conference (FIE), 2010 IEEE. 2010.
6. Reinhardt, K.C., et al. Solar-powered unmanned aerial vehicles. In Energy Conversion
Engineering Conference, 1996. IECEC 96., Proceedings of the 31st Intersociety. 1996.
7. Uragun, B. Energy Efficiency for Unmanned Aerial Vehicles. in Machine Learning
and
Applications and Workshops (ICMLA), 2011 10th International Conference on. 2011.
8. Uragun, B. Energy efficiency in Nano Aerial Vehicles. in Aerospace Conference, 2012
IEEE.
9. Buchmann, I., What The Best Battery? 2012.
10. Edwards, C., Not-so-humble raspberry pi gets big ideas. Engineering & Technology,
2013. 8(3):
11. Krajnik, T., et al. A simple visual navigation system for an UAV.in Systems, Signals
and Devices(SSD), 2012 9th International Multi-Conference on. 2012.
12. Leishman, R., et al. Relative navigation and control of a hexacopter. In Robotics and
Automation(ICRA), 2012 IEEE International Conference on. 2012.
13. Guowei, C., et al., Modeling and Control of the Yaw Channel of a UAV Helicopter.
Industrial Electronics, IEEE Transactions on, 2008. 55(9): p. 3426-3434.
59 | P a g e
14. Al-Jarrah, M.A., et al. Autonomous aerial vehicles, guidance, control and signal
processing platform. in Systems, Signals and Devices (SSD), 2011 8th International
Multi-Conference on.2011.
15. Cheng, H., et al. Autonomous take off, tracking and landing of a UAV on a moving
UGV using onboard monocular vision. in Control Conference (CCC), 2013 32nd Chinese.
2013.
16. Daewon, L., T. Ryan, and H.J. Kim. Autonomous landing of a VTOL UAV on a
moving platform using image-based visual servoing.in Robotics and Automation (ICRA),
2012 IEEE International Conference on. 2012.
17. Mortimer, G., German multicopter makes first manned flight. sUAS News 2011.
18. Baranek, R. and F. Solc. Modelling and control of a hexa-copter.in Carpathian
Control Conference (ICCC), 2012 13th International. 2012.
19. Oosedo, A., et al. Design and simulation of a quad rotor tail-sitter unmanned aerial
vehicle. inSystem Integration (SII), 2010 IEEE/SICE International Symposium on. 2010.
20. Gaponov, I. and A. Razinkova. Bi-copter design and implementation as a
multidisciplinary engineering course.in Teaching, Assessment and Learning for
Engineering (TALE), 2012 IEEE International Conference on. 2012.
21. Sebesta, K. and N. Boizot, A Real-Time Adaptive High-gain EKF, Applied to a Bi-
copter Inertial Navigation System. Industrial Electronics, IEEE Transactions on, 2013.
PP(99): p. 1-1.
22. Morar, I. and I. Nascu. Model simplification of an unmanned aerial vehicle.in
Automation Quality and Testing Robotics (AQTR), 2012 IEEE International Conference
on. 2012.
23. Achtelik, M.C., et al. Design of a flexible high performance Bi-copter platform
breaking the MAV endurance record with laser power beaming. in Intelligent Robots and
Systems (IROS), 2011 IEEE/RSJ International Conference on. 2011.
24. Achtelik, M., et al. Visual tracking and control of a Bi-copter using a stereo camera
system andinertial sensors. in Mechatronics and Automation, 2009. ICMA
2009.International Conference on. 2009.
25. Jie-Tong, Z. and T. Yu-Chiung. Visual Track System Applied in Bi-coptar Aerial
Robot. In Digital Manufacturing and Automation (ICDMA), 2012 Third International
Conference on. 2012.

bi copter Major project report ER.Abhishek upadhyay b.tech (ECE)

  • 1.
    1 | Pa g e One: Introduction and features 1.1 Introduction This work concerns the improvement of aircraft called convertiplanes which can take off vertically, hover, and then fly horizontally at high speed. In particular, it is part of an ongoing effort directed towards uncovering and developing a convertiplane type which inherently belongs to both flight realms, consisting as such of congruous dual-use components of minimal number. In this thesis a bi-copter hover control system normally associated with electronic stability augmentation is investigated for its natural stabilization capability. Using linearized mathematical models, pitch stability is proven analytically and roll-yaw stability is established for a range of parameter values. It is found that such a system will automatically incorporate dynamic control elements (gyroscopic and momentum wheel) in hover – thereby increasing control effectiveness in that mode – and static airplane-like elements about the same axes in fast forward flight using the same control components. This behavior can be emulated using electronics so is not restricted to just naturally stabilized systems. It is also found that this dual phase control – termed here biphasic control – voids the need for control swapping during transition; roll control in hover is obtained by the same device and its operation as roll control in fast forward flight. The same is true of yaw. So, though natural or self-stabilization may or may not be useful on its own, its investigation has produced a control prescription for effective operation in the two flight realms. 1.2 Features:  Weight (w/o Rx or Lipo) 48oz.  Motors – 1100kV  Props – 12X4.5  ESCs – 20 amp  1000mAh 3S lipo required (not included)  Aluminum fasteners with custom machined frame spacers  Kydex canopy with PETG windshield, damaged but still flyable  Impact absorbing landing gear
  • 2.
    2 | Pa g e Two: Block diagram of bi-copter 2 . Block diagram of bi-copter Fig no.2.1 Block diagram of bicopter a) Battery – Power Source: LiPo (Lithium Polymer) batteries are used because it is light. NiMH(Nickel Metal Hydride) is also possible. They are cheaper, butt heavier than LiPo. LiPobatteries also have a C rating and a power rating in mAh (which stands for milliamps per hour). The C rating describes the rate at which power can be drawn from the battery, and the power rating describes how much power the battery can supply. Larger batteries weigh more so there is always a tradeoff between flight duration and total weight. Fig no.2.2 1000 mah lipo Battery
  • 3.
    3 | Pa g e b) ESC- Electronic Speed Controller: The electronic speed controller controls the speed of the motor or tells the motor show fast to spin at a given time. For a Bi-copter, 2 ESCs are needed, one connected to each motor. The ESCs are then connected directly to the battery through either a wiring harness or power distribution board. Many ESCs come with a built in battery eliminator circuit (BEC), which allows to power things like the flight control board and radio receiver without connecting them directly to the battery. Because the motors on a Bi- copter must all spin at precise speeds to achieve accurate flight, the ESC is very important. This firmware in a ESC changes the refresh rate of the ESC so the motors get many more instructions per second from the ESC, thus have greater control over the Bi- copter’s behavior. The frequency of the signals also vary a lot, but for a Bi-copter it is preferred if the controller supports high enough frequency signal, so the motor speed can be adjusted quick enough for optimal stability. Fig no.2.3 ESC of 20 amps c) Propellers: A Bi-copter has 2 propellers that spin counter clockwise, and two “pusher” propellers that spin clockwise to avoid body spinning. By making the propeller pairs spin in each direction, but also having opposite tilting, all of them will provide lifting thrust without spinning in the same direction. This makes it possible for the Bi-copter to stabilize the yaw rotation, which is the rotation around it self. The propellers come in different diameters and pitches (tilting effect). The larger diameter and pitch is, the more thrust the propeller can generate. It also requires more power to drive it, but it will be able to lift more weight .When using high RPM (Revolutions per minute) motors, the smaller or mid-sized propellers. When using low RPM motors the larger propellers can be used as there could be trouble with the small ones not being able to lift the Bi-copter at low speed. Fig no.2.4 Propeller
  • 4.
    4 | Pa g e d) Rotors or Motors : The purpose of motors is to spin the propellers. Brushless DC motors provide the necessary thrust to propel the craft. Each rotor needs to be controlled separately by a speed controller. They are a bit similar to normal DC motors in the way that coils and magnets are used to drive the shaft. Though the brushless motors do not have a brush on the shaft which takes care of switching the power direction in the coils, and that’s why they are called brushless. Instead the brushless motor shave three coils on the inner (center) of the motor, which is fixed to the mounting. On the outer side, it contains a number of magnets mounted to a cylinder that is attached to the rotating shaft. So the coils are fixed which means wires can go directly to them and therefore there is no need for a brush. Brushless motors spin in much higher speed and use less power at the same speed than DC motors. Also they don’t lose power in the brush-transition like the DC motors do, so it’s more energy efficient. The Kv(kilovolts)-rating in a motor indicates how many RPMs (Revolutions per minute) the motor will do if provided with x-number of volts. The higher the kV rating is, faster the motor spins at a constant voltage. Usually out runners are used –brushless motors used for model planes and copters. Fig no.2.5 Brushless Motor e) Servomotor A servomotor is a rotary actuator that allows for precise control of angular position, velocity and acceleration. It consists of a suitable motor coupled to a sensor for position feedback. It also requires a relatively sophisticated controller, often a dedicated module designed specifically for use with servomotors. Servomotors are not a specific class of motor although the term servomotor is often used to refer to a motor suitable for use in a closed-loop control system.
  • 5.
    5 | Pa g e Fig no.2.5 Servo motor f) Flight control board KK 2.1 Multi-Rotor Control Board Introduction: The next evolution of the rotor revolution is here!! The KK2.1 is packing new found power with updated sensors, memory and header pins. Designed exclusively for HobbyKing by the grandfather of the KK revolution, Rolf R Bakke, the KK2.1 is the next evolution of the first generation KK flight control boards and has been engineered from the ground-up to bring multi-rotor flight to everyone, not just the experts. The LCD screen and built-in software makes installation and set-up easier than ever. The original KK gyro system has been updated to the incredibly sensitive 6050 MPU system making this the most stable KK board ever and adds the addition of an auto-level function. At the heart of the KK2.1 is the ATMEL Mega 644PA 8-bit AVR RISC-based microcontroller with 64k of memory. An additional header has been added for voltage detection, so now there is no need for on-board soldering. A handy piezo buzzer is also included with the board for audio warning when activating and deactivating the board, which can be supplemented with an LED for visual signalling. A host of multi-rotor craft types are pre- installed, simply select your craft type, check motor layout/propeller direction, calibrate your ESCs and radio and you’re ready to go! All of which is done with easy to follow on screen prompts! If you’re new to multi-rotor flight or have been unsure about how to setup a KK board then the KK2.1 was built for you. The 6 Pin USB asp AVR programming interface ensures future software updates will be quick and easy. Go ahead and get started. Fig no.2.6 Flight controlling board
  • 6.
    6 | Pa g e The HobbyKing KK2.1 Multi-Rotor controller manages the flight of (mostly) multi-rotor Aircraft (Tric-opters, Quad copters, Hex copters etc). Its purpose is to stabilize the aircraft during flight and to do this, it takes signals from on-board gyroscopes (roll, pitch and yaw) and passes these signals to the Atmega324PA processor, which in-turn processes signals according the users selected firmware (e.g. Quad copter) and passes the control signals to the installed Electronic Speed Controllers (ESCs) and the combination of these signals instructs the ESCs to make fine adjustments to the motors rotational speeds which in-turn stabilizes the craft. The HobbyKing KK2.1 Multi-Rotor control board also uses signals from your radio system via a receiver (Rx) and passes these signals together with stabilization signals to the Atmega324PA IC via the aileron; elevator; throttle and rudder user demand inputs. Once processed, this information is sent to the ESCs which in turn adjust the rotational speed of each motor to control flight orientation (up, down, backwards, forwards, left, right, yaw). Initial Set-Up STEP-1 Mount the FC on the frame with the LCD facing front and the buttons facing back. You can use the supplied anti-static foam container as a form of protective case for the Flight Controller on the craft. STEP-2 Connect the receiver outputs to the corresponding left-hand side of the controller board. The pins are defined as:
  • 7.
    7 | Pa g e Fig no.2.7 Pin description Ensure the negative (black or brown) is orientated so that it is on the pin that is nearest to the edge of the Flight Controller Board, so looking at the board the color sequence will be Black, Red and Orange. The channels are connected as follows from the front of the board towards the push buttons: - Receiver channel Flight Controller Aileron --- Aileron Elevator --- Elevator Throttle --- Throttle Rudder --- Rudder AUX1 --- AUX Typical receiver servo connections are: Fig no.2.8 Typical receiver servo connection STEP-3 Connect the ESC’s to the right side of the Flight Controller Board. M1 is towards the front of the board and M8 is nearest to the push buttons. The negative (black or brown) lead towards the edge of the FC. The negative (black or brown) lead is connected to the edge of the Flight Controller. DO NOT MOUNT THE PROPELLERS AT THIS STAGE – FOR SAFETY REASONS The completed Receiver and Motor wiring (for a Bi-Copter) looks like this:
  • 8.
    8 | Pa g e Fig no.2.9 Connection detail The Flight Controller Board must always have a source of +5v from an ESC, either one of the motors ESC or from a separate unit feeding the Receiver. If each ESC has a BEC (normal unless OPTO types) then it may be necessary to remove the power feed from the other ESC, usually by cutting the power line (RED) Cable on the other ESC. STEP-4 Set up a new model on your transmitter and use a normal airplane profile and bind the Receiver to the Transmitter. STEP-5 Turn on the power and press the ‘Menu’ button, then using the ‘Up’ and ‘Down’ buttons highlight ‘Receiver Test sub-menu and press Enter. Now move each channel on your transmitter and check that the displayed direction corresponds with the stick movements on the Flight Controller, if any are reversed, then go to your Transmitter and reverse that channel. Check that the AUX channel is showing "ON" when you activate the AUX Switch on your transmitter, if not, reverse the AUX channel on your transmitter. Use the trim or sub-trim controls on your transmitter to adjust the channel values shown on the LCD to zero. STEP-6 Scroll down to and enter the "Load Motor Layout" sub-menu and choose the configuration you want. If the configuration you want is not listed, use the "Mixer Editor" sub-menu to make one. See later for more on that. STEP-7 Enter the "Show Motor Layout" sub-menu and confirm the following. Is the configuration correct? Are the motors and servos connected the correct output? Correct rotation direction? Does the motor speed up when dropping the arm it is mounted on? STEP-8 Enter the “Receiver test" and check for nominal values on each channel, move your Transmitter sticks around to ensure they are all working, including AUX1. STEP-9 Enter the "PI Editor” sub-menu and check PI gain values using this option to adjust the gain settings. The PREV and NEXT buttons to select the parameter to change,
  • 9.
    9 | Pa g e then press CHANGE. To adjust both Roll and Pitch at the same time, see the "Mode Settings "sub-menu. At this stage the propellers can be fitted to test the Flight Control board. Hold the craft (!) and Arm with right rudder and zero throttle for a few seconds, it will beep and the RED LED will turn on. Usually you should not arm it until you have put the Multi-copter on the ground and stepped 5 meters away. After landing, place it in SAFE Mode by holding the rudder to left with zero throttle, it beeps and the RED LED will turn off, always do this before you approach the Multi-copter. If the craft wants to tip over right away, check the connections and your custom made mixer table if you have one. If it shakes and climbs after it’s airborne, adjust the Roll and Pitch Pgain down or if it easily tips over after its airborne, adjust up. If it drifts away, use the trims to keep the drift down. It will normally drift with the wind. If you need excessive trim, check if the arms and motors have the correct angles and that the motors are good. Increase the Roll and Pitch I gain (note the difference from P gain) until it flies straight forward without pitching up or down. Turn on the Self-levelling by holding right aileron while arming or disarming it. Turn it off by holding left aileron. Alternatively you can assign this to the AUX channel. See below so Sub- STEP-10 Enter the "Mode Settings" and check and adjust: "Self-Level": Determines how the self-leveling function will be controlled, either by STICK or an AUX Channel. "STICK MODE": Self-leveling is turned on by holding the aileron to the right when arming or disarming. Turn it off with left aileron. "AUX": Self-leveling is turned on/off by the AUX Channel. "Auto Disarm": If set to YES then Flight Control board will automatically disarm itself after 10-mins of inactivity. "CPPM Enabled": Determine if the Flight Control Board is to use CPPM data input. STEP-11 Enter the "Stick Scaling" option, where you can adjust the response from the stick to your liking. Higher number gives higher response and lower numbers the converse. This is similar to the endpoint or volume adjustment on your transmitter, where you can adjust your transmitter to adjust the stick response and use the stick scaling if you want more or less response from stick inputs. "Misc. Settings": "Minimum Throttle": Adjust the setting so that the motors just keep running when the Transmitter throttle stick is at a minimum. "Height Dampening": This option uses the Z accelerometer to dampen vertical movements caused by wind or when tilting the craft. A recommended setting is 30. "Height D. Limit": Adjust to limit control for Height Dampening to prevent over control, this limits how much power is available for dampening. A recommended setting is 10 (10%). "Alarm 1/10 volts”: Adjusts the battery alarm voltage set-point. When set to 0 (zero) the alarm is disabled. Adjust this value to suit the battery in use and monitored by the Flight Control Board sensor input. For a standard 3-cell LiPo battery of 11.1volts use a value of 3.60 volts per cell to denote an empty battery and then set this value (in 1/10’s) to (3.6 x 3 * 10) = 108 and when the supply voltage drops to 10.8volts the alarm will sound. Note, if you set this value above zero and no battery is attached / monitored then the alarm will sound. As the voltage being monitored nears the set point the time between beeps will shorten, so a long time between pulses when the alarm voltage is getting close to very short time intervals when the voltage is at the alarm set point. “Servo Filter”: This setting is a Low-Pass Filter, that enables channel jitter to be ignored, a good setting to start off with is 50 (mS). If you experience channel jitter then increase this value, if Sensor Test": Displays the output from the sensors. See if all shows "OK".
  • 10.
    10 | Pa g e Move the FC around and see that the numbers change. "ACC Calibration": Follow the instructions on the LCD to calibrate the Acceleration Sensors, which is only necessary to do once at initial setup.CPPM Settings": This menu allows different Transmitter manufacturers standards for CPPM channels to be re-assigned, thus: Roll (Ail): 1 to 2 (an example) Pitch (Ele): 2 to 1 (an example) Throttle: 3 to 4 (an example) Yaw(Rud): 4 to 5 (an example) AUX: 5 to 3 (an example) This enables the Flight Control board to match any supplier’s standard. “Mixer Editor”: “Channel”: Select the channel to be adjusted. "Throttle": Amount of throttle command. Usually 100% if the output channel is connected to an ESC. "Aileron": Amount of aileron/roll command. Use positive value for motors on the right side of the roll axis and negative for the left side of the roll axis. The value is given by the motor's distance from the roll axis. Increased values denote a further distance. "Elevator": Amount of elevator/pitch command. Use a positive value for motors on the front side of the pitch axis and negative value for the back side of the pitch axis. The value is given by the motor's distance from the pitch axis. More is further away. "Rudder": The amount of rudder/yaw command. Usually 100%. Use a positive value for a CW spinning propeller and negative for a CCW spinning propeller. "Offset" Item: Applies a constant offset to the channel. Keep this zero when it is an ESC channel and around 50% when connected to a servo or on the AUX channel. You can fine tune the channels position by adjusting this value. "Type:" Item: Set it to the type (servo or ESC) connected to the channel. For ESC: Output PWM rate is always high. Outputs zero when disarmed or throttle is at idle. Applies the "Minimum Throttle" item from the "Misc. Settings" sub-menu when armed and throttle is above zero. For the Servo setting: Output PWM rate can be high or low. Outputs the offset value when disarmed or throttle is at idle. "Rate": High rate (400Hz) for ESC or digital servos, or low rate (80Hz) for analogue servos. Tuning Guide 1: Make sure the KK2 reads the transmitter stick neutrals. Go to the "Receiver Test" menu and use the trims to get the values to zero. 2: Go to the "PI Editor" menu and set P to 50 and I to zero for both the Roll and Pitch Axis. It is only necessary to edit the roll axis, pitch axis will be automatically changed to the same values as the roll axis. Leave the P-limit and I-limit alone, it is not necessary to change them. 3: Hover the aircraft and compare the response and adjust accordingly if required. If you are a new flier and the craft is not yet flying around, just leave the I-gain at zero or the default value. Also the Yaw PI-gains can be left at default, but remember to zero them
  • 11.
    11 | Pa g e if you use the ‘string’ (the craft suspended from a piece of string along one of its axis) tuning method. Recommended / Default PI editor settings for first flight: Roll/Pitch Axis: Pgain = 50 Plimit = 100 Igain = 25 Ilimit = 20 Yaw Axis: Pgain = 50 Plimit = 20 Igain = 25 Ilimit = 10 Default gains are set to 50/50/50 (roll/pitch/yaw) P-term, and 25, 25, 50 I-term. Limits are used to limit the maximum value of the control that can be used to make corrections and a value of 100 means 100%. The "I limit" value is also known as "anti wind-up" in PID theory and use of Limits is most important on the yaw axis to prevent a yaw correction from saturating the motors (giving full or no throttle), then causing no control to the roll/pitch axis. The default values permit 30% ("P Limit" 20 + "I limit" 10) of the motor power to be used to make a yaw correction, with 70% available for the roll/pitch axis. The “Yaw P Limit" can be increased for faster Yaw response, but note Yaw response is limited by the craft dynamics Itself. You can increase "Roll/Pitch/Yaw I Limit" for increased heading-hold "memory", that is how far it can deviate and still return to the original attitude. However, if set too high, problems occur as the controller tries to correct with opposite control input and then when the conditions disappear, the craft will try to return to an unknown attitude. It is recommended to leave the limit values as default. Default values have no impact on The PI tuning process. Also leave the self-level "I gain" and "I limit" at zero Tuning P and I settings P-gain too low: - Craft is hard to control - When flying it is easy to over-correct a command and the craft is jittery - Craft lacks overall stability - Control inputs feels slow and imprecise when the craft responds P-gain too high: - Craft suffers from side to side oscillation - Craft easily gains or loses height - It is hard to maintain any given height P-gain correct: - Craft is easy to control - Craft takes off easily and smoothly straight into a stable hover - Craft is easy to fly and feels stable
  • 12.
    12 | Pa g e I-gain too high: - Similar flight characteristics to P-gain that is too high - Craft oscillates with a low frequency, shakes - Craft flies a ‘toilet-bowel’ circuit Aerobatic flight PI Settings: Increase the P setting slightly from its stable flight value Decrease the I setting from its stable flight value Gentle smooth flight: Decrease the P setting slightly from its stable flight value Increase the I setting a slightly from its stable flight value Proportional Gain coefficient –is needed for relatively stable flight and is an essential parameter. This coefficient determines the mix between on- board controls from the gyros and user stick inputs. As the coefficient is increased the craft will be more sensitive and reactive to angular changes. If too low, the craft will be sluggish and difficult to keep steady and if too high, may oscillate with a high frequency. Integral Gain coefficient – is needed to increase the precision of an angular position. For example when the craft is disturbed by wind and its angular position changes by say 20 degrees, it in theory remembers how much the angle changed and will attempt to return by 20 degrees. In practice if the craft goes forward and then command a stop, it will continue for some time to counteract the action. Without this term, the opposition does not last as long. This term is especially useful with irregular wind, and ground effect (turbulence from motors). If the However, when the ‘I’ value gets too high your craft will begin to have slow reactions and will decrease the effect of the Proportional gain as consequence, it will also start to oscillate as if it has the P gain set to high, but with a lower frequency. Gimbal Connection Guide Enable the Camera Control by turning it on by going to "Cam Stab Settings" screen and set the gains to a non-zero value. Start with 500. A negative value reverses servo direction. Adjust value until camera is steady. 1. The Gimbal Roll servo is connected to Motor-7 output. 2. The Gimbal Pitch servo is connected to Motor-8 output. Fig no.2.10 connection of servo Propeller & ESC
  • 13.
    13 | Pa g e 3. Use the offset values to trim servo position, but keep the values close to 50% by adjusting servo linkage first. 4. The camera stabilization starts as soon as you move the Throttle any stick 5. If you put the Throttle at Idle/Minimum the camera stabilization will be switched-OFF. NOTE: If you are using an “OPTO” ESC you may need an external 5v power source from an SBEC. Accessing the Self-Leveling Mode 1. You can access the self-leveling mode either from the settings of STICK or AUX channel. 2. When set to AUX Mode you must connect a spare channel usually CH5 or Ch6 and changing the Transmitter switch position will enable/disable Self-Leveling mode. 3. When set to STICK Mode to go into Self-Leveling Mode, you must set the Throttle to Minimum and set maximum Left Rudder whilst at the same time, setting maximum Left Aileron to disable SL or maximum Right Aileron to enable SL. Flight Controller Sounds 1. One Beep (short beep, 2 sec delay) is emitted when the board is armed and the throttle is closed, this is for safety reasons so you know it’s armed. 2. One Long Beep is emitted when the board is either Armed or Disarmed. Status Screen 1. Displays the message "SAFE" and the KK2 will not arm unless it says "OK" General Points 1. Error messages can only be reset by cycling the power, except for the "sensors not calibrated" message, which is reset after a successful sensor calibration. 2. Error messages include lost RX connection. 3. The KK2.1 has an auto-disarm function and will disarm itself after 20 sec if throttle is at idle. For extra safety. Can be turned on/off in "Mode Settings" menu. Lost Model Alarm 1. The KK2.1 has a lost aircraft alarm and starts to beep (1 sec on and 4 sec off) after 30min of no activity (arm/disarm). Model Types Supported Dualcopte Tricopter Y6 Quadcopter + Quadcopter X
  • 14.
    14 | Pa g e Hexcopter + Hexcopter X Octocopter + Octocopter
  • 15.
    15 | Pa g e Three: Circuit Description 3. Circuit diagram 3.1 Circuit diagram transmitter Fig 3.1 Transmitter In transmitter, 16 mhz crystal connect to the pin no.13 and 14 of PIC16F877A with 33pf of capacitor. Two rf transmitter are interface** with PIC16F8777A controller with help of CODEC (ST12) and encoder (HT12D) to receive 12 bit data(8 bit data and 4 bit respectively). ST12 CODEC interface with PORT B AND HT12 decoder interface with lower ports of PORT C. Through these ports controller transmitter data, on which controller generate code on which generate and varies the PWM (pulse width modulation) signal for the servo and for ESC (to vary the speed of the brushless motor) at receiver end.
  • 16.
    16 | Pa g e 3.2 Circuit diagram of receiver Fig 3.2 Receiver. In the receiver, two rf receivers are interface** with PIC16F8777A controller with help of CODEC (ST12) and decoder (HT12D) to receive 12 bit data(8 bit data and 4 bit respectively). ST12 CODEC interface with PORT B AND HT12 decoder interface with lower ports of PORT C. Through these ports controller receive data, on which controller generate and varies the PWM(pulse width modulation) signal for the servo and for ESC (to vary the speed of the brushless motor) . **Interface codec and decode according to description define in the chapter 4 of component description.
  • 17.
    17 | Pa g e Four: Component Description 4. List of components:-  Pic micro controller  Ht 12E  HT12D  ST12 CODEC 4.1 PIC MICROCONROLLER PIC is a family of modified Harvard architecture microcontrollers made by Microchip Technology, derived from the PIC1650 originally developed by General Instrument's Microelectronics Division. The name PIC initially referred to Peripheral Interface Controller. The first parts of the family were available in 1976; by 2013 the company had shipped more than twelve billion individual parts, used in a wide variety of embedded systems Fig.4.1.1 PIC Microcontroller Devices Included in this Data Sheet: High-Performance RISC CPU: • Only 35 single-word instructions to learn • All single-cycle instructions except for program branches, which are two-cycle • Operating speed: DC – 20 MHz clock input DC – 200 ns instruction cycle • Up to 8K x 14 words of Flash Program Memory, Up to 368 x 8 bytes of Data Memory (RAM), Up to 256 x 8 bytes of EEPROM Data Memory • Pinout compatible to other 28-pin or 40/44-pin PIC16CXXX and PIC16FXXX microcontrollers
  • 18.
    18 | Pa g e Peripheral Features: • Timer0: 8-bit timer/counter with 8-bit prescaler • Timer1: 16-bit timer/counter with prescaler,can be incremented during Sleep via external crystal/clock • Timer2: 8-bit timer/counter with 8-bit period register, presale and postscaler • Two Capture, Compare, PWM modules - Capture is 16-bit, max. resolution is 12.5 ns - Compare is 16-bit, max. resolution is 200 ns - PWM max. resolution is 10-bit • Synchronous Serial Port (SSP) with SPI™(Master mode) and I2C™ (Master/Slave) • Universal Synchronous Asynchronous Receiver Transmitter (USART/SCI) with 9-bit address detection • Parallel Slave Port (PSP) – 8 bits wide with external RD, WR and CS controls (40/44- pin only) • Brown-out detection circuitry for Brown-out Reset (BOR) Analog Features: • 10-bit, up to 8-channel Analog-to-Digital Converter (A/D) • Brown-out Reset (BOR) • Analog Comparator module with: - Two analog comparators - Programmable on-chip voltage reference(VREF) module - Programmable input multiplexing from device inputs and internal voltage reference - Comparator outputs are externally accessible Special Microcontroller Features: • 100,000 erase/write cycle Enhanced Flash program memory typical • 1,000,000 erase/write cycle Data EEPROM memory typical • Data EEPROM Retention > 40 years • Self-reprogrammable under software control • In-Circuit Serial Programming™ (ICSP™)via two pins • Single-supply 5V In-Circuit Serial Programming • Watchdog Timer (WDT) with its own on-chip RC oscillator for reliable operation • Programmable code protection • Power saving Sleep mode • Selectable oscillator options • In-Circuit Debug (ICD) via two pins CMOS Technology: • Low-power, high-speed Flash/EEPROM technology • Fully static design • Wide operating voltage range (2.0V to 5.5V) • Commercial and Industrial temperature
  • 19.
    19 | Pa g e 4.1.2 PIN DIAGRAM: Fig no.4.1.2 Pin Diagram
  • 20.
    20 | Pa g e
  • 21.
    21 | Pa g e
  • 22.
    22 | Pa g e
  • 23.
    23 | Pa g e This document contains device specific information about the following devices: 1. PIC16F873A 2.PIC16F874A 3. PIC16F876A 3. PIC16F877A 4.1.3 MEMORY ORGANIZATION There are three memory blocks in each of thePIC16F87XA devices. The program memory and data memory have separate buses so that concurrent access can occur and is detailed in this section. The EEPROM data memory block is detailed in Section 3.0 “Data EEPROM and Flash Program Memory”. Additional information on device memory may be found in the PIC micro® Mid-Range MCU Family Reference Manual (DS33023). a. Program Memory Organization The PIC16F87XA devices have a 13-bit program counter capable of addressing an 8K word x 14 bit program memory space. The PIC16F876A/877A devices have 8K words x 14 bits of Flash program memory, while PIC16F873A/874A devices have 4K words x 14 bits. Accessing a location above the physically implemented address will cause a wrap around.. The Reset vector is at 0000h and the interrupt vector is at 0004h. b. Data Memory Organization The data memory is partitioned into
  • 24.
    24 | Pa g e multiple banks which contain the General Purpose Registers and the Special Function Registers. Bits RP1 (Status<6>) and RP0 (Status<5>) are the bank select bits. Each bank extends up to 7Fh (128 bytes). The lower locations of each bank are reserved for the Special Function Registers. Above the Special Function Registers are General Purpose Registers, implemented as static RAM. All implemented banks contain Special Function Registers. Some frequently used Special Function Registers from one bank may be mirrored in another bank for code reduction and quicker access. 4.1.4 SPECIAL FUNCTION REGISTERS The Special Function Registers are registers used by the CPU and peripheral modules for controlling the desired operation of the device. These registers are implemented as static RAM. A list of these registers is given in Table 2-1. The Special Function Registers can be classified into two sets: core (CPU) and peripheral. Those registers associated with the core functions are described in detail in this section. Those related to the operation of the peripheral features are described in detail in the peripheral features section.
  • 25.
    25 | Pa g e
  • 26.
    26 | Pa g e
  • 27.
    27 | Pa g e
  • 28.
    28 | Pa g e GENERAL PURPOSE REGISTER FILE The register file can be accessed either directly, or indirectly, through the File Select Register (FSR). 3.5 Status Register The Status register contains the arithmetic status of the ALU, the Reset status and the bank select bits for data memory.
  • 29.
    29 | Pa g e The Status register can be the destination for any instruction, as with any other register. If the Status register is the destination for an instruction that affects the Z, DC or C bits, then the write to these three bits is disabled. These bits are set or cleared according to the device logic. Furthermore, the Toad PD bits are not writable, therefore, the result of an instruction with the Status register as destination may be different than intended. For example, CLRF STATUS, will clear the upper three bits and set the Z bit. This leaves the Status register as000u u1uu(where u= unchanged). It is recommended, therefore, that only BCF, BSF,SWAPF and MOVW Finstructions are used to alter the Status register because these instructions do not affect the Z, C or DC bits from the Status register. REGISTER 2-2: OPTION_REG REGISTER (ADDRESS 81h, 181h) Note: To achieve a 1:1 prescaler assignment for the TMR0 register, assign the prescaler to the Watchdog Timer. R/W-1 R/W-1 R/W-1 R/W-1 R/W-1 R/W-1 R/W-1 R/W-1 RBPU INTEDG T0CS T0SE PSA PS2 PS1 PS0 bit 7 bit 0 bit 7 RBPU:PORTB Pull-up Enable bit 1= PORTB pull-ups are disabled 0= PORTB pull-ups are enabled by individual port latch values bit 6 INTEDG: Interrupt Edge Select bit 1= Interrupt on rising edge of RB0/INT pin 0= Interrupt on falling edge of RB0/INT pin bit 5 T0CS: TMR0 Clock Source Select bit 1= Transition on RA4/T0CKI pin 0= Internal instruction cycle clock (CLKO) bit 4 T0SE: TMR0 Source Edge Select bit 1= Increment on high-to-low transition on RA4/T0CKI pin 0= Increment on low-to-high transition on RA4/T0CKI pin bit 3 PSA: Prescaler Assignment bit
  • 30.
    30 | Pa g e 1= Prescaler is assigned to the WDT 0= Prescaler is assigned to the Timer0 module bit 2-0 PS2:PS0: Prescaler Rate Select bits 4.2 HT12E HT12E is an encoder integrated circuit of 212 series of encoders. They are paired with 212 series of decoders for use in remote control system applications. It is mainly used in interfacing RF and infrared circuits. The chosen pair of encoder/decoder should have same number of addresses and data format. Simply put, HT12E converts the parallel inputs into serial output. It encodes the 12 bit parallel data into serial for transmission through an RF transmitter. These 12 bits are divided into 8 address bits and 4 data bits. HT12E has a transmission enable pin which is active low. When a trigger signal is received on TE pin, the programmed addresses/data are transmitted together with the header bits via an RF or an infrared transmission medium. HT12E begins a 4-word transmission cycle upon receipt of a transmission enable. This cycle is repeated as long as TE is kept low. As soon as TE returns to high, the encoder output completes its final cycle and then stops. Fig no.4.2.1 HT 12E
  • 31.
    31 | Pa g e PIN DISCRIPTION:- 4.3 HT12D:- HT12D is a decoder integrated circuit that belongs to 212 series of decoders. This series of decoders are mainly used for remote control system applications, like burglar alarm, car door controller, security system etc. It is mainly provided to interface RF and infrared circuits. They are paired with 212 series of encoders. The chosen pair of encoder/decoder should have same number of addresses and data format. In simple terms, HT12D converts the serial input into parallel outputs. It decodes the serial addresses and data received by, say, an RF receiver, into parallel data and sends them to output data pins. The serial input data is compared with the local addresses three times continuously. The input data code is decoded when no error or unmatched codes are found. A valid transmission in indicated by a high signal at VT pin. HT12D is capable of decoding 12 bits, of which 8 are address bits and 4 are data bits. The data on 4 bit latch type output pins remain unchanged until new is received. Fig no.4.3.1 HT 12D
  • 32.
    32 | Pa g e 4.4 Transmitter and Receiveric ST12 CODEC – IR/RF Remote Control Encoder/Decoder IC 1. Overview ST12 CODEC is Radio Frequency and Infrared encoder/decoder IC for remote control applications having unique features and flexibility not available with other remote control encoder decoder ICs. ST12 is truly a single-chip remote control solution. Transmitter and Receiver can operate over Radio Frequency or Infrared having four address and eight data bits. Transmission and Reception over Infrared is achieved by commonly available Infrared LED Detector and for RF any general purpose RF Transmitter-Receiver pair would suffice. The ST12 combines the functionality of both encoder and decoder in a single package with several unique features for enhanced operation and a reduced component count for transmitter and receiver circuits. The ENC-DEC pin configures the ST12 IC for encode or decode operation automatically at power up. Fig no.4.4.1 ST 12E
  • 33.
    33 | Pa g e 2. Features · Encode / Decode on single chip · Built in Oscillator · Minimum External Components · Wide operating voltage range. (2.0 - 5.5V) · Single chip Encoding Decoding Mode · 40kHz carrier for infrared transmission medium · 18 pin DIP package 3. Applications · Burglar alarm system · Smoke and fire alarm system · Garage door controllers · Car door controllers · Car alarm system · Security system · Cordless telephones · Other remote control systems 4. Pin Definitions Pin Number Description 1-4 A0-A3 - 4 bit Address Input 5 GND – Ground 6-13 D0-D7 – 8 bit Data input if configured as Encoder D0-D7 – 8 bit Data output if configured as Decoder 14 VCC - +5V DC 15 ENC-DEC – Configure chip as Encoder or Decoder Encoder if pin is tied to VCC Decoder if pin is tied to GND 16 DATA RX-TX – Transmit data or Receive Data from this pin through IR/RF Interface 17 LATCH-MOM – Applicable in Decoder Mode Latching output (Toggle Output) if pin is tied to VCC Momentary output if pin is tied to GND In encoder mode tie this pin to GND or VCC and do not leave it floating 18 Mode IR/RF – Selects Transmit / Receive by Infrared or Radio Frequency IR Mode if pin is tied to VCC RF Mode if pin is tied to GND Encoder sends 40khz Modulation signal in IR Mode for driving IR LED Decoder inverts received data in IR Mode 5. Encoder When configured as Encoder the chip will transmit signal containing 4 bit Address A0-A4 and 8 bit of Data D0-D7 from its DATA RX-TX pin. Removing ground from a data input will end the transmission. Infrared transmission will include data modulated for 40 kHz frequency for driving Infrared LED. Radio Frequency Transmission mode will transmit data in bi-phase Manchester encoding. 5.1. Latching Key-Press
  • 34.
    34 | Pa g e With the decoder in latch mode, data inputs D0-D7 of the encoder must be pressed & released one at a time to toggle decoder outputs on or off individually. Multiple key presses are not allowed on the encoder when the decoder is configured for latch mode. 5.2. Momentary Key-Press In momentary mode, any combination of the encoder data inputs D0-D7 may be grounded simultaneously. 6. Decoder Decoder outputs can sink or source up to 25mA per pin with a total combined device package maximum of 200mA allowing direct remote control of LED’s, solid-state relays, and other logic devices without the need for secondary driver circuits. Data & Address Validation Encoder address pins A0-A3 must be set to the same logic levels as decoder address pins A0-A3. If these do not match, the decoder will ignore data sent from the encoder. The decoder receives two consecutive & matching data/address packets before transferring data to the D0-D7 outputs. Each 13-bit packet transmit time requires approximately 48mS. Care should be taken not to violate these timing requirements when the ST12 is controlled by high-speed logic circuits or embedded controllers such as the PIC, BASIC Stamp or 8051. Important: Address input pins A0-A3 &configuration selection input must always be connected to Vdd or circuit ground depending on the mode required. Allowing any of these input pins to “float” (leaving them un-connected) will cause erratic results. Transmitter Circuit diagram Fig no 4.4.2 Transmitter Circuit diagram
  • 35.
    35 | Pa g e ReceiverCircuit diagram Fig no4.4.3 receiver circuit diagram
  • 36.
    36 | Pa g e FIVE: Software tool 5. Software tool There are many types of software use. 1.Eagle software 2 .Proteus 8 Professional 3. MPLAB IDE 5.1. Eagle software PCB design in EAGLE is a two-step process. First you design your schematic, then you lay out a PCB based on that schematic. EAGLE’s board and schematic editors work hand-in-hand. A well-designed schematic is critical to the overall PCB design process. It will help you catch errors before the board is fabricated, and it’ll help you debug a board when something doesn’t work. This tutorial is the first of a two-part Using EAGLE series, and it’s devoted entirely to the schematic-designing side of EAGLE. In part 2, Using EAGLE: Board Layout, we’ll use the schematic designed in this tutorial as the basis for our example board layout. Fig no 5.1.1 eagle software open window Create a Project We’ll start by making a new project folder for our design. In the control panel, under the “Projects” tree, right click on the directory where you want the project to live (by default EAGLE creates an “eagle” directory in your home folder), and select “New Project”.
  • 37.
    37 | Pa g e Fig no.5.1.2 new create projects The Library Editor Window The Library Editor window opens when you load a library for creating or editing components. A library normally has three different elements :packages, symbols and devices. • A package is a device’s housing, as will be used in the Layout Editor (on the board). • The symbol contains the way in which the device will be shown in the schematic. • The device represents the link between one (or more) symbol(s) and a package. Here we define the connection between a pin of a symbol and the referring pad of the package. We call it a Device set if the component exists in more than one package and/or technology variant. Even if you do not have the schematic module, you can still create and edit symbols and devices. A library need not contain only real components. Ground or supply symbols as well as drawing frames can also be stored as devices in a library. These symbols do not normally contain any pins. There are also libraries that only contain packages. Extensive examples of the definition of library elements are to be found in a sectionentitled Component Design Explained through Examples,starting on page 157 in this manual. A First Look at EAGLE When a library is loaded the following windowappears first:
  • 38.
    38 | Pa g e Fig no.5.1.3 schematic diagram window After some time we select the electronics components. Components are many types available in eagle software for PCB designing. Fig no.5.1.4 select components And all the components select. Then all components join with wire. We show this diagram.
  • 39.
    39 | Pa g e Fig no.5.1.5.complete schematic diagram Preparing the board layout Now it’s time to draw the board. You need to transfer your schematic diagram into a drawing of your printed circuit board. Drawing PCB’s is artwork. Take your time, and make sure it looks good. Follow the design guidelines for drawing circuit boards. Most PCB software will have tools that will help you draw your board from the schematic. I can’t cover them all, but I’ve written a PCB design tutorial for Eagle to help you learn Fig no5.1.6 complete PCB designing board After complete circuit .then use proteus software so that check the program is doing work properly or not. When open the window of proteus this types of show
  • 40.
    40 | Pa g e 5.2 .Proteus 8 Professional Proteus 8 is the latest release of the Proteus Design Suite CAD Software. It includes:  A completely new application module for Project Notes. This serves as the documentation centre for your work and is fully template for re-use across projects.  Major rework of the Bill of Materials report module to support Project Notes, physical layout configuration and dialogue driven style management.   New import tools for Library parts via BSDL for schematic components and PADS ASCII for PCB footprints. Fully compatible with the PCB Library Expert tool  Introduction of a new family with support for ARM® Cortex™-M0 variants from NXP.  Addition of over 35 pre-supplied schematic clips for popular Adriano™ shields and breakout boards Fig no.5.2.1 proteus design window open And after some time open the window then open the new projects. We show this diagram.
  • 41.
    41 | Pa g e Fig no.5.2.2 Select isis in proteus software Then the window is look like this types. Fig no.5.2.3 Open new projects in proteus software After that select the component for our use.This components meet in library.
  • 42.
    42 | Pa g e Fig no.5.2.4 Select components in proteus software After some time complete circuit look like this types
  • 43.
    43 | Pa g e Fig no.5.2.5 assemble of components in proteus software 5.3 MP LAB MPLAB is a free integrated development environment for the development of embedded applications on PIC and ds PIC microcontrollers, and is developed by Microchip Technology. MPLAB X is the latest edition of MPLAB, and is developed on the Net Beans platform. MPLAB and MPLAB X support project management, code editing, debugging and programming of Microchip 8-bit, 16-bit and 32-bit PIC microcontrollers. MPLAB is designed to work with MPLAB-certified devices such as the MPLAB ICD 3 and MPLAB REAL ICE, for programming and debugging PIC microcontrollers using a personal computer. PIC Kit programmers are also supported by MPLAB. When open the Mplab window look like this types. we show.
  • 44.
    44 | Pa g e Fig no.5.3.1 MP lab window After some time complete embedded c program. Look like this type window. Fig no.5.3.2 complete program window
  • 45.
    45 | Pa g e When program is complete in embedded c. then run we get output Fig no.5.3.3 complete program window out put
  • 46.
    46 | Pa g e SIX: Working Terminology 6.1 Gyroscopic Bi-copters: Oblique Active Tilting (OAT) In 1999 the author began experimenting with electric-powered, radio-controlled vertical take-off and landing (VTOL) aircraft models, which – as a challenge – were restricted to a configuration of two rigid, laterally displaced and tillable prop rotors (non-cyclic rotors and propellers will be referred to as prop rotors in this thesis). The attraction of these aircraft, called bi-copters, is their conduciveness to transitioning to and flying in airplane mode. It was obvious that stability of a bi-copter was achievable using cyclic helicopter rotors (the bi-copter essentially becoming two helicopters attached together), but the goal was to first explore it without this complication and understand why such aircraft were not operational. Control of these models in hover was initially planned as follows: 1. pitch via collective longitudinal tilting of the prop rotors 2. yaw via differential longitudinal tilting 3. altitude via collective speed control of the prop motors 4. roll via differential speed control However, the models were unstable in pitch, even with the assistance of proportional and derivative feedback sensors of the model’s attitude (Grass, 2002, 2007). There was no apparent damping, and airframe pitching in an opposite direction to prop rotor longitudinal tilting dominated the behavior. But in 2001 pitch stability was finally achieved by having the prop rotors tilt obliquely, that is, in (symmetric) directions part-way between longitudinal and lateral. In conjunction with a proportional pitch sensor, the lateral tilting component introduced gyroscopic pitching moment which damped the aircraft’s oscillations. And intentional oblique tilting by the pilot increased the control power immensely; it generated gyroscopically-amplified pitching moments, adding to the conventional thrust vectored ones. By eliminating cyclic this new stabilization system – termed oblique active tilting (OAT) – greatly simplified the rotor heads. It also allowed the prop rotor diameters to be reduced and their speeds increased relative to helicopter rotors, thereby eliminating the reduction gearboxes as well. In terms of the number of parts, the models were now much closer to airplanes than helicopters. 6.2 Pitch Stabilization in OAT The OAT system uses two gyroscopes types to stabilize aircraft pitch. The first is the electronic pitch sensor, generally referred to as a “gyro” in the hobby industry – as it will be here – but in reality is an oscillating piezo crystal which generates measurable carioles forces when rotated. Included with it will be a feedback control algorithm, usually derivative or proportional – or a combination of both – by which it sends corrective instructions to the tilt servos based on the aircraft pitch rate that it measures (and angle that it calculates).
  • 47.
    47 | Pa g e The second is the mechanical actuator gyroscope – or control effector – which consists collectively of the two prop rotor tilt servos which receive the instructions sent by the piezo gyro, and the prop-motors and prop rotors that they tilt. However, this arrangement is somewhat redundant and perhaps unnecessary, as will be discussed in the next section. 6.3 Self-Stabilization of Bi-copters 6.3.1 The Potential for Self-stabilization It is well known that a mechanical gyroscope can act as a sensor as well as an actuator. Forcibly tilt a gyroscope about an axis (perpendicular to its spin axis) and it will generate a moment about a third axis perpendicular to the first two. This is the actuator feature of a gyroscope, utilized by several stabilization devices, including OAT. But apply a moment to a gyroscope about an axis perpendicular to its spin axis and it will process or tilt – if it is free to do so – about a third axis which is perpendicular to the first two. This is the sensor feature of a gyroscope, the precession in turn generating a new moment which opposes the originally applied one. It is only approximated in OAT since the prop rotor is never free to tilt on its own. It was with this understanding that the author questioned the need for the electronic piezo gyro, and whether the spinning prop rotors couldn’t be used as both actuators and sensors. Perhaps the prop rotors could tilt by themselves and stabilize the aircraft. In 2009 an OAT model was modified by disconnecting the (roll and pitch) piezo gyros and replacing the rigid servo linkages with flexible ones, allowing the prop rotors to tilt on their own. Holding the model in hand – with prop rotors spinning – a resistance to rolling and pitching was observed which increased with prop rotor speed. Though the model could not be flown as such (it was difficult to stabilize yaw because of the freely-tilting prop rotors), roll and pitch stabilization were clearly discernable – and the ramifications very encouraging. If this behavior could be harnessed in practice then the prop rotors would no longer have to be actively tilted for stabilization, and the only tilting would be for intentional, directional control. Such a change could make the control method more suitable for full-size aircraft, and perhaps be even beneficial for hobby models; it could eliminate the electronic attitude sensors, and reduce stresses, energy consumption and associated costs. It was with these possibilities in mind that the author decided to investigate self-stabilization analytically, and to determine the conditions under which it may be utilized and implemented. 6.3.2 Merits of Self-stabilization More fully, a self-stabilized system could be: 1. be free of time delays, making for potentially better flight characteristics. 2. be free of the large stresses associated with forced, active tilting of rigid prop rotors. In self-stabilization, by definition, the prop rotors tilt by themselves. 3. be lower in energy consumption. 4. be self-adapting to varying flying conditions such as aircraft weight and air density.
  • 48.
    48 | Pa g e 5. be lower in cost. The electronic controller constitutes about half the cost of a hobby bi- copter such as the Nymbus, with the ratio increasing as the model becomes smaller. 6. be automatically scalable. There are limits to scale reduction with electronics because of the higher frequencies involved. As will be seen in later chapters there are further merits; the self-stabilized system is self- decoupling in roll and yaw and is stable in fast forward flight. 6.3.4 Initial Embodiment and Self-stabilization in Pitch The self-stabilized bi-copter concept’s basic elements are depicted i and consist of a hypothetical hovering aircraft equipped with rotors which can tilt freely about oblique axes. Fig no.6.3.4.1 Bi-copter External pitch disturbances applied to a hovering bi-copter will cause its spinning prop rotors to process laterally if they are allowed to do so. In turn, a gyroscopic moment is created that opposes the original pitching
  • 49.
    49 | Pa g e Fig no.6.3.4.2 Top: Free-tilt aircraft hovering undisturbed with rotors level. bottom: rotors processing inward and consequently forward due to externally applied moment. The gyroscopic resisting moments are generated only during the tilting, whereas the thrust and drag-torque moments are functions of the tilt angles. These latter moments are here termed the static moments. For this discussion it is assumed that the aircrafts center of mass is located below the tilt axes such that the thrust moment is in the proper, corrective direction. For as long as the disturbance is applied, the rotors will continue to process until the static moments counteract it. At that point a new equilibrium, with the aircraft pitched, will be reached. The challenges are to determine if this characteristic can be harnessed to enable self-stabilization of the aircraft, and whether the pilot can still effect intentional control without interfering with this stabilization.
  • 50.
    50 | Pa g e 6.3.5 Self-stabilization in Roll Here the sequence of events following a roll disturbance is analyzed, and from it roll stability is surmised qualitatively. If the aircraft with freely tilting prop rotors is suddenly subjected to an external rolling moment the prop rotors will respond by tilting (processing) in the directions . This tilting of course generates gyroscopic moments on the aircraft which tend to resist or oppose the rolling moment. Fig no.6.3.5.1 Applied external rolling moment and resulting prop rotor tilting. If the aircraft had a conventionally low center of mass, then, in terms of thrust vectoring, these tilt directions would be wrong – they would exacerbate the rolling of the vehicle. With the center of mass raised as shown in Figure 1-5, however, the thrust vector moments would tend to oppose the original roll disturbance Fig no.6.3.5.2 Static roll stability requires a raised center of mass, the amount of which is reduced by the presence of prop rotor drag-torques ( shown In actuality, the requirement for a high mass center is not quite so extreme as it is tempered by the presence of the prop rotor drag torques . Their components about the aircraft longitudinal axis both oppose the disturbing moment – the opposition by is readily visualized from Figure 6.3.5.2. Therefore the aircraft mass center does not need to be raised above the prop rotor tilt axes to enable static stability, and therefore the aircraft
  • 51.
    51 | Pa g e can still be statically stable in pitch per the previous section. As a result of the differential tilting initiated by the roll disturbance, the prop rotor thrust vectors will also begin to yaw the aircraft in the positive direction as shown in Figure Fig no.6.3.5.3 Fig no.6.3.5.3 Differential tilting initiated by roll disturbance begins to yaw the aircraft. It is assumed here that the bi-copter contains an onboard yaw gyro, just as radio controlled conventional and coaxial helicopters do. It is also assumed that the gyro operates the prop rotor speed controls differentially. Justification for inclusion of the gyro while maintaining that the aircraft is self-stabilized will be made Chapter 6. The gyro, sensing this yawing of the aircraft, will signal drive-motor 1 to speed up and 2 to slow down, thereby increasing and lowering . As intended, the resulting net torque opposes the yawing motion. But a consequence of the ensuing speed difference is that prop rotor thrust increases and decreases, which of course opposes the original roll disturbance. Therefore, one can surmise that, with the aid of the electronic yaw gyro, roll can be stabilized. In summary, the events following a roll disturbance are: 1. Differential precession of prop rotors and generation of gyroscopic moments opposing roll disturbance. (This is the dynamic response). 2. From the above tilting, the generation of thrust vector moments and drag-torque components that oppose roll disturbance. The former require a raised aircraft mass center. (these are static stability response). 3. Yawing of the aircraft due to differential tilts. 4. Yaw gyro signaling differential motor speeds, thereby generating a net torque repressing the yaw. 5. Consequent generation of thrust differential, which also opposes roll disturbance. 6.3.5 Sequence of Events Following a Yaw Disturbance The events following a positive yaw disturbance would be:
  • 52.
    52 | Pa g e 1. Yaw gyro signaling differential motor speeds, thereby generating a net torque opposing the yaw disturbance. 2. Consequent generation of a thrust differential, which creates a (negative) rolling moment. 3. Differential precession of prop rotors (in opposite direction to that shown in previous section), caused by and opposing the rolling moment in 2. 4. From tilting in 3, generation of thrust-vector moments and drag-torque components opposing rolling moment in 2. 5. Also from tilting in 3, creation of yawing moment opposing the original yaw disturbance. 1.4 Objectives The objectives of the research presented in this thesis document are to: investigate self- stabilization of bi-copters analytically and prove it mathematically wherever possible; substantiate these proofs with simulations, and to; determine the conditions under which self-stabilization may be utilized and implemented. Of equal importance is determining how control of the aircraft by the pilot can be implemented without interfering with – or being interfered by – the self-stabilization system. 1.5 Organization This dissertation is organized as follows: Chapter 2 contains a literature review of VTOL aircraft control and stabilization, especially in regards to their simplicity and effectiveness in the context of convertiplanes (which can transition to fast forward flight). It discusses gyroscopic as a means of providing such control and stabilization, and contains a background of the author’s relevant work with OAT. Chapter 2 also contains a description of one other known implementation in history of passive stabilization using gyroscopic: the Fieux passive ship stabilizer of the 1930s. Chapter 3 develops the mathematical model of a bi-copter’s angular motion in three-dimensional (3D) space. It provides for the free tilting - or any other tilting prescription - of the prop rotors relative to the airframe. This model is then linearized so that equations of angular motion in one dimension may be extracted – and characteristic equations developed - in subsequent chapters. Chapter 4 analyzes hover pitch stability of the bi-copter through inspection of the characteristic equation. Passive dampers and springs are subsequently added between airframe and prop rotor tilting, and a Simulink model is constructed to corroborate the mathematical results A root locus plot (vs. spring constant) of the aircraft response is drawn and compared to handling quality boundaries specified for US military VTOL aircraft. A flow chart of this work is shown in Figure 1-7. 2.4 Oblique Active Tilting (OAT) 2.4.1 Gyroscopic in OAT, Orbital Satellite Attitude Control and Ground Vehicle/Ship Stabilization In work prior to this thesis the author extensively investigated OAT, including performing a theoretical analysis of pitch stability and experimentation using radio controlled(R/C) models (Gress, 2002, 2003, 2007, 2008). Figure 2-6 shows the Nymbus650 (referred to here as simply the Nymbus), designed in 2011 and which is the
  • 53.
    53 | Pa g e latest incarnation of aircraft employing OAT. Its data and specifications, contained inAppendix B, will be used extensively in this thesis. Fig no.6.3.5.4 (a) Nymbus OAT radio-controlled VTOL model aircraft by the author. Fig no.6.3.5.5 (b) Propeller pod close up showing how oblique tilting arises from bent spar-end. The primary function of the lateral component of oblique tilting is to generate gyroscopic pitch-control moments which dynamically assist conventional thrust vectoring arising from the longitudinal component. This generation has parallels in the use of control moment gyroscopes (CMGs) for the attitude control of orbital satellites, the Hubble Space Telescope and the International Space Station (ISS) as shown in Figure 2- 7.
  • 54.
    54 | Pa g e Fig no. 6.3.5.6 Oppositely spinning control moment gyroscopes of orbital satellite. Each is tilted towards the other at rate together generating net moment M on vehicle (from Gress, 2007). (Jacot, 1966) is a good early description of the use of CMGs for attitude control in space. (Gurrisi, 2010) discusses the practical operation of CMGs aboard the ISS. Since the first appearance of CMGs and up to the present time, there has been considerable research on the design of their feedback control laws; some of these are surveyed in (Kurokawa, 2007). Considerable work has also been done regarding the avoidance of singularities and saturation in CMGs (e.g., Yoon, 2004). CMGs in orbital satellites are a prominent and successful example of the use forced precession of the gyroscopes. A passive stabilization system for these vehicle types is usually not possible because a perturbed roll angle from the vertical implies a lower energy state. Only in the case of ships has there been use of gyroscopes in a passive way, where the gyroscope becomes both attitude sensor and control effector, these actions usually being moderated by springs and dampers. This is because the vessel is continually receiving energy in the form of waves. Passive ship stabilization will be discussed in more detail in Section 2.4.3 since it applies directly to the subject of this thesis. Of gyroscopic for attitude control and stabilization of vehicles. But there have been many other proposed and implemented applications, especially in the roll stabilization of monorail trains (Brennan, 1905, Shivoliskii, 1924), two-wheeled ground vehicles (Karnopp, 2002, Spry, 2008), and of ships (Ferry, 1933, Adams, 2005). In all of the ground vehicles, attitude sensing (of the vehicle) has been by means other than the gyroscopes themselves, and stabilization is effected by the 6.4.2 Gyroscopic for Control and Stabilization of Aircraft: Internal CMGs vs. External Propellers Research into using internal CMGs to augment the control of aircraft has also been conducted. Of them Lim (2007) stated their useful torque is very transient, and that there is no net change in vehicle angular momentum. Any bias will result in the CMGs storing angular momentum, reducing gimbal mobility. To restore high-frequency control the CMGs must be DE saturated by applying an external torque, usually through a lower frequency aerodynamic control effector. In OAT the propellers are both the CMGs and the aerodynamic control effectors, constantly interacting with the environment and imparting an external torque. The lateral tilt component creates a drag-torque pitching moment, complementing the conventional thrust vectoring from the longitudinal component. Figure 2-8 shows how the propellers spin directions and tilt paths must be
  • 55.
    55 | Pa g e oriented. Gyroscopic rolling moments will cancel one another when they are tilted equally and collectively in the forward or rearward oblique directions. The same is true of the gyroscopic pitching moments when the propellers are tilted equally but differentially. Fig no 6.4.2.1. Top views of OAT aircraft showing the two possible spin directions relative to aircraft, and the associated proper tilt directions for generating the reinforcing gyroscopic and drag-torque control moments. The oblique direction of the tilting – usually 45 degrees from either longitudinal or lateral – is of course a compromise. For control of aircraft pitch, effective thrust vectoring favors purely longitudinal tilting, whereas the gyroscopic and drag-torque pitching moments are zero for this direction but maximum for purely lateral tilting. 6.4.3 OAT aircraft pitch model
  • 56.
    56 | Pa g e Figure 2-9 shows the OAT aircraft schematic of Gress (2007) which accompanies its formulation of the aircraft pitch model or equation. The prop rotors in this model are confined to tilt simultaneously and equally as shown in the figure. The model assumes that electromechanical servos – governed by a pitch feedback algorithm accompanying an electronic pitch sensor– exactly prescribe the tilt angle of the prop rotors. Fig no.6.4.3.1 OAT stick aircraft. Pitch angle and tilt angles both shown positive. From (Gress, 2007). In terms of the symbols used in this thesis, and using the short forms and , this linearized (small angle) model is where is the prop rotor tilt angle from the aircraft vertical (in oblique direction ), is the aircraft pitch angle. , and are the airframe, propeller pod and propeller mass moment of inertias about the pitch, tilt and spin axes respectively. is the propeller thrust, its drag torque, and is the height of the tilt axes above the aircraft center of mass. Equation (2.1) applies to a balanced aircraft having no externally applied pitching moments. As expected, it shows that the adverse pod inertial effect – represented by the second-order tilt term – is most severe for longitudinal tilting, , and that the beneficial gyroscopic pitching moment (the first-order tilt term) vanishes for this tilt direction.
  • 57.
    57 | Pa g e Conclusion Drones will soon take on be an imperative existence in the coming future. They will be seen taking up larger roles for a variety of jobs including business in the immediate future. They could become a part of our daily lives, from smallest details like delivering groceries to changing the way farmers manage their crops to revolutionizing private security, or maybe even aerial advertising. Today, Bi-copters are capturing news video, recording vacation travel logs, filming movies, providing disaster relief, surveying real estate and delivering packages. They are categorized according to their corresponding uses. Some are for military purposes provided with missiles and bombs, some for surveillance and reconnaissance purposes. Agriculture is predicted to be the dominant market for UAV operations. In Japan drones are flown for the past 20 years. Lot of the farmlands over there are on steep hillsides, and those vehicles can treat an acre in five minutes which is very difficult or even impossible to do so with a tractor. The innumerable advantages of drones lead to their growth in a short span of time. They have a few demerits but those can be rectified. Today most drones are controlled by either software’s or other computer programs. The components of a drone also vary based on what type of work needs to be done and how much payload needs to be carried. Out runners, batteries, electronic speed controllers all come in different ranges according to the type of work needed to be done by the Bi-copter. Bi-copters are a great provisional craft that could get in between airplanes and helicopters and are hence easier to fly all the time. Beside real time 3Dflight, such as inverted flight, Bi-copters give a more acrobatic feel to its flyers. Bi-copters offers to be a great balance between cost , capability, and performance. The only problem is when funds are coupled with highly ambitious projects. A solution for this could be to gradually improvise on inventing Bi-copters with new enhancements and new designs. Hence Bi-copters have an exemplarily bright future. The onus lies upon us whether we productively use it or destructively use it.
  • 58.
    58 | Pa g e REFERENCES 1. Gonzalez, I., et al. Real-time altitude robust controller for a Quad-rotor aircraft using Sliding mode control technique. in Unmanned Aircraft Systems (ICUAS), 2013 International Conference on. 2013. 2. Jiang, J., et al. Control platform design and experiment of a Bi-copter. In Control Conference(CCC), 2013 32nd Chinese. 2013. 3. Mitchell, G., The Raspberry Pi single-board computer will revolutionize computer science teaching [For &Against]. Engineering & Technology, 2012. 7(3): p. 26-26. 4. Berezny, N., et al. Accessible aerial autonomy. in Technologies for Practical Robot Applications(Tephra), 2012 IEEE International Conference on. 2012. 5. Sarik, J. and I. Kymissis. Lab kits using the Arduino prototyping platform.in Frontiers in Education Conference (FIE), 2010 IEEE. 2010. 6. Reinhardt, K.C., et al. Solar-powered unmanned aerial vehicles. In Energy Conversion Engineering Conference, 1996. IECEC 96., Proceedings of the 31st Intersociety. 1996. 7. Uragun, B. Energy Efficiency for Unmanned Aerial Vehicles. in Machine Learning and Applications and Workshops (ICMLA), 2011 10th International Conference on. 2011. 8. Uragun, B. Energy efficiency in Nano Aerial Vehicles. in Aerospace Conference, 2012 IEEE. 9. Buchmann, I., What The Best Battery? 2012. 10. Edwards, C., Not-so-humble raspberry pi gets big ideas. Engineering & Technology, 2013. 8(3): 11. Krajnik, T., et al. A simple visual navigation system for an UAV.in Systems, Signals and Devices(SSD), 2012 9th International Multi-Conference on. 2012. 12. Leishman, R., et al. Relative navigation and control of a hexacopter. In Robotics and Automation(ICRA), 2012 IEEE International Conference on. 2012. 13. Guowei, C., et al., Modeling and Control of the Yaw Channel of a UAV Helicopter. Industrial Electronics, IEEE Transactions on, 2008. 55(9): p. 3426-3434.
  • 59.
    59 | Pa g e 14. Al-Jarrah, M.A., et al. Autonomous aerial vehicles, guidance, control and signal processing platform. in Systems, Signals and Devices (SSD), 2011 8th International Multi-Conference on.2011. 15. Cheng, H., et al. Autonomous take off, tracking and landing of a UAV on a moving UGV using onboard monocular vision. in Control Conference (CCC), 2013 32nd Chinese. 2013. 16. Daewon, L., T. Ryan, and H.J. Kim. Autonomous landing of a VTOL UAV on a moving platform using image-based visual servoing.in Robotics and Automation (ICRA), 2012 IEEE International Conference on. 2012. 17. Mortimer, G., German multicopter makes first manned flight. sUAS News 2011. 18. Baranek, R. and F. Solc. Modelling and control of a hexa-copter.in Carpathian Control Conference (ICCC), 2012 13th International. 2012. 19. Oosedo, A., et al. Design and simulation of a quad rotor tail-sitter unmanned aerial vehicle. inSystem Integration (SII), 2010 IEEE/SICE International Symposium on. 2010. 20. Gaponov, I. and A. Razinkova. Bi-copter design and implementation as a multidisciplinary engineering course.in Teaching, Assessment and Learning for Engineering (TALE), 2012 IEEE International Conference on. 2012. 21. Sebesta, K. and N. Boizot, A Real-Time Adaptive High-gain EKF, Applied to a Bi- copter Inertial Navigation System. Industrial Electronics, IEEE Transactions on, 2013. PP(99): p. 1-1. 22. Morar, I. and I. Nascu. Model simplification of an unmanned aerial vehicle.in Automation Quality and Testing Robotics (AQTR), 2012 IEEE International Conference on. 2012. 23. Achtelik, M.C., et al. Design of a flexible high performance Bi-copter platform breaking the MAV endurance record with laser power beaming. in Intelligent Robots and Systems (IROS), 2011 IEEE/RSJ International Conference on. 2011. 24. Achtelik, M., et al. Visual tracking and control of a Bi-copter using a stereo camera system andinertial sensors. in Mechatronics and Automation, 2009. ICMA 2009.International Conference on. 2009. 25. Jie-Tong, Z. and T. Yu-Chiung. Visual Track System Applied in Bi-coptar Aerial Robot. In Digital Manufacturing and Automation (ICDMA), 2012 Third International Conference on. 2012.