A PROJECT REPORT ON

AUTOMATIC ROOM LIGHT CONTROLLER
WITH VISITOR COUNTER
IN THE PARTIAL FULFILMENT OF THE REQUIRMENT FOR THE DEGREE
OF

BACHELOR OF TECHNOLOGY
In

ELECTRICAL AND ELECTRONICS ENGINEERING
By
MOHIT AWASTHI

Under the guidance of
Prof. R.N.CHAUBAY

INDRAPRASTHA ENGINEERING COLLEGE
GHAZIZBAD

[1]
TABLE OF CONTENT
Certificate

3

Abstract

4

Declaration

5

Acknowledgement

6

Objective

7

Introduction

8

Component used- Part A

10

Component used-Part B

11

555 integrated circuit

12

IC-555 Astable operation

15

Schematic for constant HV power supply

16

Condenser Microphone

19

Capacitor

21

Piezo buzzer

22

Relay

23

Telemetry circuit explanation

25

Working of telephone cradle switch

26

Dual tone multiple frequency encoder

30

Working of system

32

C program embedded code

37

Applications

40

Bibliography

41

[2]
CERTIFICATE

This is to certify that Project Report entitled ―AUTOMATIC
ROOM

LIGHT

CONTROLLER

WITH

BIDIRECTIONAL

VISITOR COUNTER ‖ that is submitted by MOHIT AWASTHI in
partial fulfillment of the requirement for the award of the degree
B.Tech in Department of ELECTRICAL AND ELECTRONICS of
G.B technical University, is a record of the candidate own work
carried out by him under my own supervision. The matter embodies
in thesis is original and has not been submitted for the award of any
other degree.

Date:

Project guide:
(Prof. R.N.CHAUBAY)

[3]
ABSTRACT

The fear of theft and burglary always annoys many people. When lock and keys
become less safe, one can seek the help of electronic security systems.
Such a portable security system is described here.
This electronic setup auto activated whenever the intruder enters to the
unauthorized no entry area. It auto activate the landline number and redial the last
dialed number from the conventional telephone. All we need is to do minor
changes to activate this telephone as it works as to become auto dialer circuit.
Thus whenever the intruder enters to the area, it activates the sensor circuit
of either sound activation or infrared light beam obstruction circuit, the redial
circuit become active and give a ring tone to the receiving end. It may be a mobile
phone or any landline phone or even police control room.

4

DECLARATION
[4]
I hereby declare that this submission is own work and that, to the best of my
knowledge and belief, it contains no material previously published or written by
another person nor material which to a substantial extend has been accepted for the
award of the award of any other degree or diploma of the university or other
institute of the higher leaning except where due acknowledgement has been made
in the text.

Signature:

Name:MOHIT AWASTHI

Roll No.:

Date:

[5]
ACKNOWLEDGEMENT
First and foremost, I am deeply indebted to my mentor Ast. Prof. SATYJEET DAS
who inspiration has been unfailingly available to me at all stages of my training.
This has fueled my enthusiasm even further and encouraged me to boldly step into
what was a totally dark and unexplored expanse before me.
I would like to thank Prof. Y.K SAH for his efforts, who was always ready with a
positive comment, whether it was an off-hand comment to encourage me or
constructive piece of criticism.
In course of present work it has been my privilege to receive help and assistance of
my friends. I take great pleasure in acknowledge my debt to them.
I wish to thank my parents for their undivided support and interest who inspired
me and encouraged me to go my own way, without whom I would be unable to
complete my project. At last but not the least I want to thank my friends who
appreciated me for my work and motivated me and finally to God who made all the
things possible.

Signature:
Name:
Roll no.
Date:

MOHIT AWASTHI

[6]
CHAPTER :- 1
Project Overview

[7]
1. Introduction Of Project
1.1

Project Definition:
Project title is ―AUTOMATIC ROOM LIGHT CONTROLLER

WITH BIDIRECTIONAL VISITOR COUNTER ―.

The objective of this project is to make a controller based model
to count number of persons visiting particular room and accordingly
light up the room. Here we can use sensor and can know present
number of persons.
In today’s world, there is a continuous need for automatic
appliances with the increase in standard of living, there is a sense of
urgency for developing circuits that would ease the complexity of
life.

Also if at all one wants to know the number of people present in
room so as not to have congestion. This circuit proves to be helpful.

[8]
1.2

Project Overview

This Project ―Automatic Room Light Controller with Visitor
Counter using Microcontroller is a reliable circuit that takes over the
task of controlling the room lights as well us counting number of
persons/ visitors in the room very accurately. When somebody enters
into the room then the counter is incremented by one and the light in the
room will be switched ON and when any one leaves the room then the
counter is decremented by one. The light will be only switched OFF
until all the persons in the room go out. The total number of persons
inside the room is also displayed on the seven segment displays.

The microcontroller does the above job. It receives the signals
from the sensors, and this signal is operated under the control of
software which is stored in ROM. Microcontroller AT89S52
continuously monitor the Infrared Receivers, When any object pass
through the IR Receiver's then the IR Rays falling on the receiver are
obstructed , this obstruction is sensed by the Microcontroller

[9]
CHAPTER :- 2
BLOCK DIAGRAM AND ITS
DESCRIPTION

[10]
2.1 Basic Block Diagram

Enter
Enter Sensor

Signal
Conditioning

Exit Sensor
Signal
Conditioning

Power Supply

Exit

A
T
8
9
S
5
2

Relay Driver

Light

LCD
INTERFACING

Fig. 2.1 Basic Block Diagram

[11]
2.2 Block Diagram Description
The basic block diagram of the bidirectional visitor
counter with automatic light controller is shown in the above
figure. Mainly this block diagram consist of the following
essential blocks.
1. Power Supply
2. Entry and Exit sensor circuit
3. AT 89S52 micro-controller
4. Relay driver circuit

1. Power Supply:Here we used +12V and +5V dc power supply. The
main function of this block is to provide the required amount
of voltage to essential circuits. +12 voltage is given. +12V is
given to relay driver. To get the +5V dc power supply we
have used here IC 7805, which provides the +5V dc
regulated power supply.

2. Enter and Exit Circuits:This is one of the main part of our project. The main
intention of this block is to sense the person. For sensing the
person and light we are using the light dependent register
[12]
(LDR). By using this sensor and its related circuit diagram
we can count the persons.

3. 89S52 Microcontroller:It is a low-power, high performance CMOS 8-bit
microcontroller with 8KB of Flash Programmable and
Erasable Read Only Memory (PEROM). The device is
manufactured

using

Atmel’s

high-density

nonvolatile

memory technology and is compatible with the MCS-51TM
instruction set and pin out. The on-chip Flash allows the
program memory to be reprogrammed in-system or by a
conventional

nonvolatile

memory

programmer.

By

combining a versatile 8-bit CPU with Flash on a monolithic
hip, the Atmel AT89S52 is a powerful
Microcontroller, which provides a highly flexible and
cost

effective

solution

so

many

embedded

control

applications.

4. Relay Driver Circuit:-

This block has the potential to drive the various
controlled devices. In this block mainly we are using the
transistor and the relays. One relay driver circuit we are using
[13]
to control the light. Output signal from AT89S52 is given to
the base of the transistor, which we are further energizing the
particular relay. Because of this appropriate device is selected
and it do its allotted function.

[14]
CHAPTER :- 3
SCHEMATIC DIAGRAM

[15]
Transmission Circuit:-

Fig. 3.1 Transmitter circuit

[16]
Receiver Circuit:-

Fig. 3.2 Receiver circuit

[17]
 CIRCUIT DESCRIPTION:
There are two main parts of the circuits.

1. Transmission Circuits (Infrared LEDs)
2. Receiver Circuit (Sensors)

1. Transmission Circuit:

Fig. 3.3 Transmitter circuit
[18]
This circuit diagram shows how a 555 timer IC is
configured to function as a basic monostable multivibrator.
A monostable multivibrator is a timing circuit that changes
state once triggered, but returns to its original state after a
certain time delay. It got its name from the fact that only one
of its output states is stable. It is also known as a 'one-shot'.
In this circuit, a negative pulse applied at pin 2 triggers
an internal flip-flop that turns off pin 7's discharge transistor,
allowing C1 to charge up through
R1. At the same time, the flip-flop brings the output
(pin 3) level to 'high'. When capacitor C1 as charged up to
about 2/3 Vcc, the flip-flop is triggered once again, this time
making the pin 3 output 'low' and turning on pin 7's discharge
transistor, which discharges C1 to ground. This circuit, in
effect, produces a pulse at pin 3 whose width t is just the
product of R1 and C1, i.e., t=R1C1.
IR Transmission circuit is used to generate the
modulated 36 kHz IR signal. The IC555 in the transmitter
side is to generate 36 kHz square wave. Adjust the preset in
the transmitter to get a 38 kHz signal at the o/p. around 1.4K
we get a 38 kHz signal. Then you point it over the sensor and
its o/p will go low when it senses the IR signal of 38 kHz.
[19]
[20]
2. Receiver Circuit:

Fig. 3.4 Receiver circuit

The IR transmitter will emit modulated 38 kHz IR
signal and at the receiver we use TSOP1738 (Infrared
Sensor). The output goes high when the there is an
interruption and it return back to low after the time period
[21]
determined by the capacitor and resistor in the circuit. I.e.
around 1 second. CL100 is to trigger the IC555 which is
configured as monostable multivibrator. Input is given to the
Port 1 of the microcontroller. Port 0 is used for the 7Segment display purpose. Port 2 is used for the Relay Turn
On and Turn off Purpose.LTS 542 (Common Anode) is used
for 7-Segment display. And that time Relay will get Voltage
and triggered so light will get voltage and it will turn on. And
when counter will be 00 that time Relay will be turned off.
Reset button will reset the microcontroller.

[22]
CHAPTER :- 4
HARDWARE DESIGN& DESCRIPTIONS

Hardware Design:-

Infrared Sensor
TSOP1738

Microcontroller
AT89S52

[23]
Timer IC
555

7-Segment
Display

Relay

Fig. 4.1 Snap of the entire circuit

4.1 Procedure Followed While Designing:

[24]
In the beginning I designed the circuit in DIPTRACE software.
Dip trace is a circuit designing software. After completion of the
designing circuit I prepared the layout.

Then I programmed the microcontroller using TOPVIEW
SIMULATOR software using hex file.

Then soldering process was done. After completion of the
soldering process I tested the circuit.
Still the desired output was not obtained and so troubleshooting
was done. In the process of troubleshooting I found the circuit aptly
soldered and connected and hence came to conclusion that there was
error in programming section which was later rectified and the
desired results were obtained.

[25]
4.2 List of Components:
Following is the list of components that are necessary to build the
assembly of the Digital Speedometer Cum Odometer:
 Microcontroller – AT89S52
 IC – 7805
 Sensor – TSOP 1738 (Infrared Sensor)
 Transformer – 12-0-12, 500 mA
 Preset – 4.7K
 Disc capacitor – 104,33pF
 Reset button switch
 Rectifier diode – IN4148
 Transistor – BC 547, CL 100
 7-Segment Display
[26]
4.3

Description of Components

4.3.1 Microcontroller AT89S52:

The AT89S52 is a low-power, high-performance CMOS 8bit microcontroller with 8K bytes of in-system programmable
Flash memory. The device is manufactured using Atmel’s highdensity nonvolatile memory technology and is compatible with the
Industry-standard 80C51 instruction set and pin out. The on-chip
Flash allows the program memory to be reprogrammed in-system
or by a conventional nonvolatile memory pro- grammar. By
combining a versatile 8-bit CPU with in-system programmable
Flash on a monolithic chip, the Atmel AT89S52 is a powerful
[27]
microcontroller which provides a highly-flexible and cost-effective
solution to many embedded control applications.

The AT89S52 provides the following standard features: 8K
bytes of Flash, 256 bytes of RAM, 32 I/O lines, Watchdog timer,
two data pointers, three 16-bit timer/counters, a six-vector twolevel interrupt architecture, a full duplex serial port, on-chip
oscillator, and clock circuitry. In addition, the AT89S52 is
designed with static logic for operation down to zero frequency
and supports two software selectable power saving modes. The
Idle Mode stops the CPU while allowing the RAM, timer/counters,
serial port, and interrupt system to continue functioning. The
Power-down mode saves the RAM con- tents but freezes the
oscillator, disabling all other chip functions until the next interrupt
or hardware reset.

FEATURES:[28]
 8 KB Reprogrammable flash.
 32 Programmable I/O lines.
 16 bit Timer/Counter—3.
 8 Interrupt sources.
 Power range: 4V – 5.5V
 Endurance : 1000 Writes / Erase cycles
 Fully static operation: 0 Hz to 33 MHz
 Three level program memory lock
 Power off flag
 Full duplex UART serial channel
 Low power idle and power down modes
 Interrupt recovery from power down modes
 256 KB internal RAM
 Dual data pointer

[29]
4.3.2 TSOP1738 (INFRARED SENSOR)

Fig. 4.2 Infrared Sensor

Description:
The TSOP17.. – Series are miniaturized receivers for infrared
remote control systems. PIN diode and preamplifier are assembled
on lead frame, the epoxy package is designed as IR filter. The
demodulated output signal can directly be decoded by a
microprocessor. TSOP17.. is the standard IR remote control
receiver series, supporting all major transmission codes.
Features:
[30]
Photo detector and preamplifier in one package
Internal filter for PCM frequency
Improved shielding against electrical field disturbance
TTL and CMOS compatibility
Output active low
Low power consumption
High immunity against ambient light
Continuous data transmission possible (up to 2400 bps)
Suitable burst length .10 cycles/burst

Block Diagram:

Fig. 4.3 Block Diagram of TSOP 1738

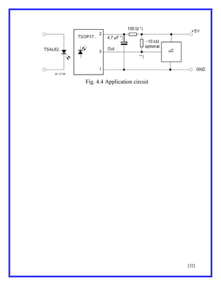
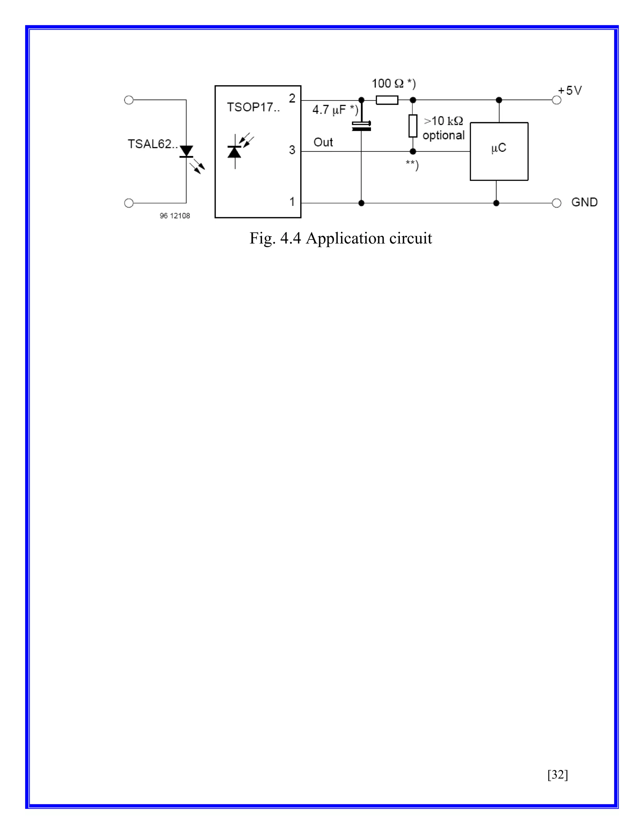
Application Circuit:
[31]
Fig. 4.4 Application circuit

[32]
4.3.3 555 ( TIMER IC):

Fig. 4.5 Timer IC(555)
Description:
The LM555 is a highly stable device for generating accurate
time delays or oscillation. Additional terminals are provided for
triggering or resetting if desired. In the time delay mode of
operation, the time is precisely controlled by one external resistor
and capacitor. For astable operation as an oscillator, the free
running frequency and duty cycle are accurately controlled with
two external resistors and one capacitor. The circuit may be
triggered and reset on falling waveforms, and the output circuit can
source or sink up to 200mA or drive TTL circuits.

Features:
Direct replacement for SE555/NE555
Timing from microseconds through hours
Operates in both astable and monostable modes
[33]
Adjustable duty cycle
Output can source or sink 200 mA
Output and supply TTL compatible
Temperature stability better than 0.005% per °C
Normally on and normally off output
Available in 8-pin MSOP package
Applications:
Precision timing
Pulse generation
Sequential timing
Time delay generation
Pulse width modulation
Pulse position modulation
Linear ramp generator

4.3.4 LTS 542 (7-Segment Display)
Description:
The LTS 542 is a 0.52 inch digit height single digit
seven-segment display. This device utilizes Hi-eff. Red LED

[34]
chips, which are made from GaAsP on GaP substrate, and
has a red face and red segment.

Fig. 4.6 7 Segment

Features:
Common Anode
0.52 Inch Digit Height
Continuous Uniform Segments
Low power Requirement
Excellent Characters Appearance
High Brightness & High Contrast
Wide Viewing Angle

[35]
[36]
4.3.5 LM7805 (Voltage Regulator)

Fig. 4.7 Voltage Regulator

Description:
The KA78XX/KA78XXA series of three-terminal
positive regulator are available in the TO-220/D-PAK
package and with several fixed output voltages, making them
useful in a wide range of applications. Each type employs
internal current limiting, thermal shut down and safe
operating area protection, making it essentially indestructible.
If adequate heat sinking is provided, they can deliver over 1A
output current. Although designed primarily as fixed voltage
regulators, these devices can be used with external
components to obtain adjustable voltages and currents.

[37]
Features:
Output Current up to 1A
Output Voltages of 5, 6, 8, 9, 10, 12, 15, 18, 24V
Thermal Overload Protection
Short Circuit Protection
Output Transistor Safe Operating Area Protection

4.3.6 RELAY CIRCUIT:

Fig. 4.8 Relay

A single pole dabble throw (SPDT) relay is connected
to port RB1 of the microcontroller through a driver transistor.
The relay requires 12 volts at a current of around 100ma,
which cannot provide by the microcontroller. So the driver
transistor is added. The relay is used to operate the external
solenoid forming part of a locking device or for operating
any other electrical devices. Normally the relay remains off.
As soon as pin of the microcontroller goes high, the relay
operates. When the relay operates and releases. Diode D2 is
[38]
the standard diode on a mechanical relay to prevent back
EMF from damaging Q3 when the relay releases. LED L2
indicates relay on.

[39]
CHAPTER :- 5
SOFTWARE DESIGN

[40]
FLOW CHART:

Fig. 4.7 Flow Chart

[41]
 If the sensor 1 is interrupted first then the microcontroller
will look for the sensor 2. And if it is interrupted then the
microcontroller will increment the count and switch on the
relay, if it is first time interrupted.
 If the sensor 2 is interrupted first then the microcontroller
will look for the sensor 1. And if it is interrupted then the
microcontroller will decrement the count.
 When the last person leaves the room then counter goes to 0
and that time the relay will turn off. And light will be turn
off.

[42]
Program

;--------------------;DATED:12/12/2010
;--------------------;-------------------------------REGISRETS INFO--------------------------------------------------;_______________________________________________
________________________________________________
___
;R0=
;R1=
;R2=
;R3=
;R4=
;R5=
;R6=
;R7=

USED
USED
USED
USED
USED
USED

;---------------------------------PIN-CONFIG.---------------------------------------------------;_______________________________________________
________________________________________________
___

[43]
;p0=lcd data
;p2.0 lcd control
;p2.1 lcd control
;p2.5 lcd control
;p3.2 ISR
;p3.3 led
;p3.4 led
;p3.6 led
;p3.7 led
;OBJECTIVE: TO PREPARE A AUTO_CONTROLLED ROOM
WITH VISITOR
COUNTER__________________________________
;_______________________________________________
________________________________________________
____
;
$mod51
org0h
ajmpmain
org003h
acallisr
reti
org0030h
main:
movie,#81h
movr5,#00
movr7,#00
acalldelay
[44]
;----------------------LCD INITIALIZATION--------------------------------------------------------;_______________________________________________
________________________________________________
____
cjner7,#00,main2
movdptr,#mycom
c1:clra
movca,@a+dptr
acallcomnwrt
jzsend_dat
incdptr
sjmpc1
main2:sjmpmain2
send_dat:movdptr,#mydata
d1:
clra
movca,@a+dptr
jzagain
acalldatawrt
acalldelay2
incdptr
again:sjmpd1
;----------------------------INTERRUPT SERVICE
ROUTIEN---------------------------------------------

[45]
;_______________________________________________
________________________________________________
____
isr:clra
incr7
movdptr,#mycom1
cmnd:acallcomnwrt2
jzchk
incdptr
sjmpcmnd
acalldelay
chk:cjner5,#00,loop1
movr6,#30h
ajmpnext1
loop1:cjner5,#01,loop2
movr6,#31h
acalllights3
ajmpnext1
loop2:cjner5,#02,loop3
movr6,#32h
acalllights2
ajmpnext1
loop3:cjner5,#03,loop4
movr6,#33h
acalllights1
ajmpnext1
loop4:cjner5,#04,loop5
movr6,#34h
acalllights
ajmpnext1
[46]
loop5:cjner5,#05,loop6
movr6,#35h
ajmpnext1
loop6:cjner5,#06,loop
movr6,#36h
ajmpnext1
next1:clra
mova,r6
acallincrmnt
acalldatawrt2
acalldelay3
loop:reti
;---------------------Subroutiens--------------------------------------------------------;_______________________________________________
___________________________________________
comnwrt:movp0,a
clrp2.0
clrp2.1
setbp2.5
acalldelay
clrp2.5
ret
incrmnt:incr5
ret
comnwrt2:clra
movca,@a+dptr
movp0,a
clrp2.0
clrp2.1
[47]
setbp2.5
acalldelay
clrp2.5
ret
lights:clrp2.3
acalldelay
lights1:clrp3.4
acalldelay
lights2:clrp3.6
acalldelay
lights3:clrp3.7
acalldelay
ret
datawrt:
movp0,a
setbp2.0
clrp2.1
setbp2.5
acalldelay2
clrp2.5
ret
datawrt2:
movp0,a
setbp2.0
clrp2.1
setbp2.5
acalldelay3
clrp2.5
ret

[48]
;-------------------------------------------DELAYS------------------------------------------;_______________________________________________
_______________________________________________
delay:
movr3,#250
here2:
movr4,#255
here:djnzr4,here
djnzr3,here2
ret
delay2:movr1,#05h
back:
movtmod,#01h
movth0,#04ch
movtl0,#00h
setbtr0
jnbtf0,$
clrtf0
djnzr1,back
ret
delay3:movr1,#50h
back1:
movtmod,#01h
movth0,#04ch
movtl0,#00h
setbtr0
jnbtf0,$
clrtf0
djnzr1,back1
ret
[49]
org300h
mycom:db38h,0eh,01h,06h,80h,0
mycom1:db38h,0eh,01h,0ch,87h,0
mydata:db'wlcm2amrapali',0
end

CHAPTER :- 6
TESTING AND RESULTS

[50]
Testing And Results
We started our project by making power supply. That is easy for
me but when we turn toward the main circuit, there are many problems
and issues related to it, which we faced, like component selection, which
components is better than other and its feature and cost wise a We
started our project by making power supply. That is easy for me but
when I turn toward the main circuit, there are many problems and issues
related to it, which are I faced, like component selection, which
components is better than other and its feature and cost wise also, then
refer the data books and other materials related to its.

I had issues with better or correct result, which I desired. And also
the software problem.

I also had some soldering issues which were resolved using
continuity checks performed on the hardware.

[51]
We had issues with better or correct result, which we desired. And
also the software problem.

We also had some soldering issues which were resolved using
continuity checks performed on the hardware.

We started testing the circuit from the power supply. There we got
over first trouble. After getting 9V from the transformer it was not
converted to 5V and the circuit received 9V.

As the solder was shorted IC 7805 got burnt. So we replaced the
IC7805.also the circuit part around the IC7805 were completely
damaged..with the help of the solder we made the necessary paths.

[52]
CHAPTER :- 7
FUTURE EXPANSION

[53]
FUTURE EXPANSION

By using this circuit and proper power supply we can implement
various applications
Such as fans, tube lights, etc.

By modifying this circuit and using two relays we can achieve a
task of opening and closing the door.

[54]
CHAPTER :- 8
APPLICATION, ADVANTAGES & DISADVANTAGES

APPLICATION, ADVANTAGES & DISADVANTAGES

[55]
 Application
o For counting purposes
o For automatic room light control
 Advantages
o Low cost
o Easy to use
o Implement in single door
 Disadvantages
o It is used only when one single person cuts the rays of the
sensor hence it cannot be used when two person cross
simultaneously.

[56]
CHAPTER :- 8
BIBILOGRAPHY

Bibliography
[57]
 Reference Books
Programming in ANSI C: E BALAGURUSAMY
The
8051microcontroller
MUHAMMAD ALI MAZIDI

and

embedded

systems:

JANICE GILLISPIE
MAZIDI
The 8051 microcontroller: KENNETH J. AYALA
 Website

www.datasheets4u.com
www.8051.com

[58]

Automatic room-light-controller-visitor-counter

  • 1.
    A PROJECT REPORTON AUTOMATIC ROOM LIGHT CONTROLLER WITH VISITOR COUNTER IN THE PARTIAL FULFILMENT OF THE REQUIRMENT FOR THE DEGREE OF BACHELOR OF TECHNOLOGY In ELECTRICAL AND ELECTRONICS ENGINEERING By MOHIT AWASTHI Under the guidance of Prof. R.N.CHAUBAY INDRAPRASTHA ENGINEERING COLLEGE GHAZIZBAD [1]
  • 2.
    TABLE OF CONTENT Certificate 3 Abstract 4 Declaration 5 Acknowledgement 6 Objective 7 Introduction 8 Componentused- Part A 10 Component used-Part B 11 555 integrated circuit 12 IC-555 Astable operation 15 Schematic for constant HV power supply 16 Condenser Microphone 19 Capacitor 21 Piezo buzzer 22 Relay 23 Telemetry circuit explanation 25 Working of telephone cradle switch 26 Dual tone multiple frequency encoder 30 Working of system 32 C program embedded code 37 Applications 40 Bibliography 41 [2]
  • 3.
    CERTIFICATE This is tocertify that Project Report entitled ―AUTOMATIC ROOM LIGHT CONTROLLER WITH BIDIRECTIONAL VISITOR COUNTER ‖ that is submitted by MOHIT AWASTHI in partial fulfillment of the requirement for the award of the degree B.Tech in Department of ELECTRICAL AND ELECTRONICS of G.B technical University, is a record of the candidate own work carried out by him under my own supervision. The matter embodies in thesis is original and has not been submitted for the award of any other degree. Date: Project guide: (Prof. R.N.CHAUBAY) [3]
  • 4.
    ABSTRACT The fear oftheft and burglary always annoys many people. When lock and keys become less safe, one can seek the help of electronic security systems. Such a portable security system is described here. This electronic setup auto activated whenever the intruder enters to the unauthorized no entry area. It auto activate the landline number and redial the last dialed number from the conventional telephone. All we need is to do minor changes to activate this telephone as it works as to become auto dialer circuit. Thus whenever the intruder enters to the area, it activates the sensor circuit of either sound activation or infrared light beam obstruction circuit, the redial circuit become active and give a ring tone to the receiving end. It may be a mobile phone or any landline phone or even police control room. 4 DECLARATION [4]
  • 5.
    I hereby declarethat this submission is own work and that, to the best of my knowledge and belief, it contains no material previously published or written by another person nor material which to a substantial extend has been accepted for the award of the award of any other degree or diploma of the university or other institute of the higher leaning except where due acknowledgement has been made in the text. Signature: Name:MOHIT AWASTHI Roll No.: Date: [5]
  • 6.
    ACKNOWLEDGEMENT First and foremost,I am deeply indebted to my mentor Ast. Prof. SATYJEET DAS who inspiration has been unfailingly available to me at all stages of my training. This has fueled my enthusiasm even further and encouraged me to boldly step into what was a totally dark and unexplored expanse before me. I would like to thank Prof. Y.K SAH for his efforts, who was always ready with a positive comment, whether it was an off-hand comment to encourage me or constructive piece of criticism. In course of present work it has been my privilege to receive help and assistance of my friends. I take great pleasure in acknowledge my debt to them. I wish to thank my parents for their undivided support and interest who inspired me and encouraged me to go my own way, without whom I would be unable to complete my project. At last but not the least I want to thank my friends who appreciated me for my work and motivated me and finally to God who made all the things possible. Signature: Name: Roll no. Date: MOHIT AWASTHI [6]
  • 7.
  • 8.
    1. Introduction OfProject 1.1 Project Definition: Project title is ―AUTOMATIC ROOM LIGHT CONTROLLER WITH BIDIRECTIONAL VISITOR COUNTER ―. The objective of this project is to make a controller based model to count number of persons visiting particular room and accordingly light up the room. Here we can use sensor and can know present number of persons. In today’s world, there is a continuous need for automatic appliances with the increase in standard of living, there is a sense of urgency for developing circuits that would ease the complexity of life. Also if at all one wants to know the number of people present in room so as not to have congestion. This circuit proves to be helpful. [8]
  • 9.
    1.2 Project Overview This Project―Automatic Room Light Controller with Visitor Counter using Microcontroller is a reliable circuit that takes over the task of controlling the room lights as well us counting number of persons/ visitors in the room very accurately. When somebody enters into the room then the counter is incremented by one and the light in the room will be switched ON and when any one leaves the room then the counter is decremented by one. The light will be only switched OFF until all the persons in the room go out. The total number of persons inside the room is also displayed on the seven segment displays. The microcontroller does the above job. It receives the signals from the sensors, and this signal is operated under the control of software which is stored in ROM. Microcontroller AT89S52 continuously monitor the Infrared Receivers, When any object pass through the IR Receiver's then the IR Rays falling on the receiver are obstructed , this obstruction is sensed by the Microcontroller [9]
  • 10.
    CHAPTER :- 2 BLOCKDIAGRAM AND ITS DESCRIPTION [10]
  • 11.
    2.1 Basic BlockDiagram Enter Enter Sensor Signal Conditioning Exit Sensor Signal Conditioning Power Supply Exit A T 8 9 S 5 2 Relay Driver Light LCD INTERFACING Fig. 2.1 Basic Block Diagram [11]
  • 12.
    2.2 Block DiagramDescription The basic block diagram of the bidirectional visitor counter with automatic light controller is shown in the above figure. Mainly this block diagram consist of the following essential blocks. 1. Power Supply 2. Entry and Exit sensor circuit 3. AT 89S52 micro-controller 4. Relay driver circuit 1. Power Supply:Here we used +12V and +5V dc power supply. The main function of this block is to provide the required amount of voltage to essential circuits. +12 voltage is given. +12V is given to relay driver. To get the +5V dc power supply we have used here IC 7805, which provides the +5V dc regulated power supply. 2. Enter and Exit Circuits:This is one of the main part of our project. The main intention of this block is to sense the person. For sensing the person and light we are using the light dependent register [12]
  • 13.
    (LDR). By usingthis sensor and its related circuit diagram we can count the persons. 3. 89S52 Microcontroller:It is a low-power, high performance CMOS 8-bit microcontroller with 8KB of Flash Programmable and Erasable Read Only Memory (PEROM). The device is manufactured using Atmel’s high-density nonvolatile memory technology and is compatible with the MCS-51TM instruction set and pin out. The on-chip Flash allows the program memory to be reprogrammed in-system or by a conventional nonvolatile memory programmer. By combining a versatile 8-bit CPU with Flash on a monolithic hip, the Atmel AT89S52 is a powerful Microcontroller, which provides a highly flexible and cost effective solution so many embedded control applications. 4. Relay Driver Circuit:- This block has the potential to drive the various controlled devices. In this block mainly we are using the transistor and the relays. One relay driver circuit we are using [13]
  • 14.
    to control thelight. Output signal from AT89S52 is given to the base of the transistor, which we are further energizing the particular relay. Because of this appropriate device is selected and it do its allotted function. [14]
  • 15.
  • 16.
    Transmission Circuit:- Fig. 3.1Transmitter circuit [16]
  • 17.
    Receiver Circuit:- Fig. 3.2Receiver circuit [17]
  • 18.
     CIRCUIT DESCRIPTION: Thereare two main parts of the circuits. 1. Transmission Circuits (Infrared LEDs) 2. Receiver Circuit (Sensors) 1. Transmission Circuit: Fig. 3.3 Transmitter circuit [18]
  • 19.
    This circuit diagramshows how a 555 timer IC is configured to function as a basic monostable multivibrator. A monostable multivibrator is a timing circuit that changes state once triggered, but returns to its original state after a certain time delay. It got its name from the fact that only one of its output states is stable. It is also known as a 'one-shot'. In this circuit, a negative pulse applied at pin 2 triggers an internal flip-flop that turns off pin 7's discharge transistor, allowing C1 to charge up through R1. At the same time, the flip-flop brings the output (pin 3) level to 'high'. When capacitor C1 as charged up to about 2/3 Vcc, the flip-flop is triggered once again, this time making the pin 3 output 'low' and turning on pin 7's discharge transistor, which discharges C1 to ground. This circuit, in effect, produces a pulse at pin 3 whose width t is just the product of R1 and C1, i.e., t=R1C1. IR Transmission circuit is used to generate the modulated 36 kHz IR signal. The IC555 in the transmitter side is to generate 36 kHz square wave. Adjust the preset in the transmitter to get a 38 kHz signal at the o/p. around 1.4K we get a 38 kHz signal. Then you point it over the sensor and its o/p will go low when it senses the IR signal of 38 kHz. [19]
  • 20.
  • 21.
    2. Receiver Circuit: Fig.3.4 Receiver circuit The IR transmitter will emit modulated 38 kHz IR signal and at the receiver we use TSOP1738 (Infrared Sensor). The output goes high when the there is an interruption and it return back to low after the time period [21]
  • 22.
    determined by thecapacitor and resistor in the circuit. I.e. around 1 second. CL100 is to trigger the IC555 which is configured as monostable multivibrator. Input is given to the Port 1 of the microcontroller. Port 0 is used for the 7Segment display purpose. Port 2 is used for the Relay Turn On and Turn off Purpose.LTS 542 (Common Anode) is used for 7-Segment display. And that time Relay will get Voltage and triggered so light will get voltage and it will turn on. And when counter will be 00 that time Relay will be turned off. Reset button will reset the microcontroller. [22]
  • 23.
    CHAPTER :- 4 HARDWAREDESIGN& DESCRIPTIONS Hardware Design:- Infrared Sensor TSOP1738 Microcontroller AT89S52 [23]
  • 24.
    Timer IC 555 7-Segment Display Relay Fig. 4.1Snap of the entire circuit 4.1 Procedure Followed While Designing: [24]
  • 25.
    In the beginningI designed the circuit in DIPTRACE software. Dip trace is a circuit designing software. After completion of the designing circuit I prepared the layout. Then I programmed the microcontroller using TOPVIEW SIMULATOR software using hex file. Then soldering process was done. After completion of the soldering process I tested the circuit. Still the desired output was not obtained and so troubleshooting was done. In the process of troubleshooting I found the circuit aptly soldered and connected and hence came to conclusion that there was error in programming section which was later rectified and the desired results were obtained. [25]
  • 26.
    4.2 List ofComponents: Following is the list of components that are necessary to build the assembly of the Digital Speedometer Cum Odometer:  Microcontroller – AT89S52  IC – 7805  Sensor – TSOP 1738 (Infrared Sensor)  Transformer – 12-0-12, 500 mA  Preset – 4.7K  Disc capacitor – 104,33pF  Reset button switch  Rectifier diode – IN4148  Transistor – BC 547, CL 100  7-Segment Display [26]
  • 27.
    4.3 Description of Components 4.3.1Microcontroller AT89S52: The AT89S52 is a low-power, high-performance CMOS 8bit microcontroller with 8K bytes of in-system programmable Flash memory. The device is manufactured using Atmel’s highdensity nonvolatile memory technology and is compatible with the Industry-standard 80C51 instruction set and pin out. The on-chip Flash allows the program memory to be reprogrammed in-system or by a conventional nonvolatile memory pro- grammar. By combining a versatile 8-bit CPU with in-system programmable Flash on a monolithic chip, the Atmel AT89S52 is a powerful [27]
  • 28.
    microcontroller which providesa highly-flexible and cost-effective solution to many embedded control applications. The AT89S52 provides the following standard features: 8K bytes of Flash, 256 bytes of RAM, 32 I/O lines, Watchdog timer, two data pointers, three 16-bit timer/counters, a six-vector twolevel interrupt architecture, a full duplex serial port, on-chip oscillator, and clock circuitry. In addition, the AT89S52 is designed with static logic for operation down to zero frequency and supports two software selectable power saving modes. The Idle Mode stops the CPU while allowing the RAM, timer/counters, serial port, and interrupt system to continue functioning. The Power-down mode saves the RAM con- tents but freezes the oscillator, disabling all other chip functions until the next interrupt or hardware reset. FEATURES:[28]
  • 29.
     8 KBReprogrammable flash.  32 Programmable I/O lines.  16 bit Timer/Counter—3.  8 Interrupt sources.  Power range: 4V – 5.5V  Endurance : 1000 Writes / Erase cycles  Fully static operation: 0 Hz to 33 MHz  Three level program memory lock  Power off flag  Full duplex UART serial channel  Low power idle and power down modes  Interrupt recovery from power down modes  256 KB internal RAM  Dual data pointer [29]
  • 30.
    4.3.2 TSOP1738 (INFRAREDSENSOR) Fig. 4.2 Infrared Sensor Description: The TSOP17.. – Series are miniaturized receivers for infrared remote control systems. PIN diode and preamplifier are assembled on lead frame, the epoxy package is designed as IR filter. The demodulated output signal can directly be decoded by a microprocessor. TSOP17.. is the standard IR remote control receiver series, supporting all major transmission codes. Features: [30]
  • 31.
    Photo detector andpreamplifier in one package Internal filter for PCM frequency Improved shielding against electrical field disturbance TTL and CMOS compatibility Output active low Low power consumption High immunity against ambient light Continuous data transmission possible (up to 2400 bps) Suitable burst length .10 cycles/burst Block Diagram: Fig. 4.3 Block Diagram of TSOP 1738 Application Circuit: [31]
  • 32.
  • 33.
    4.3.3 555 (TIMER IC): Fig. 4.5 Timer IC(555) Description: The LM555 is a highly stable device for generating accurate time delays or oscillation. Additional terminals are provided for triggering or resetting if desired. In the time delay mode of operation, the time is precisely controlled by one external resistor and capacitor. For astable operation as an oscillator, the free running frequency and duty cycle are accurately controlled with two external resistors and one capacitor. The circuit may be triggered and reset on falling waveforms, and the output circuit can source or sink up to 200mA or drive TTL circuits. Features: Direct replacement for SE555/NE555 Timing from microseconds through hours Operates in both astable and monostable modes [33]
  • 34.
    Adjustable duty cycle Outputcan source or sink 200 mA Output and supply TTL compatible Temperature stability better than 0.005% per °C Normally on and normally off output Available in 8-pin MSOP package Applications: Precision timing Pulse generation Sequential timing Time delay generation Pulse width modulation Pulse position modulation Linear ramp generator 4.3.4 LTS 542 (7-Segment Display) Description: The LTS 542 is a 0.52 inch digit height single digit seven-segment display. This device utilizes Hi-eff. Red LED [34]
  • 35.
    chips, which aremade from GaAsP on GaP substrate, and has a red face and red segment. Fig. 4.6 7 Segment Features: Common Anode 0.52 Inch Digit Height Continuous Uniform Segments Low power Requirement Excellent Characters Appearance High Brightness & High Contrast Wide Viewing Angle [35]
  • 36.
  • 37.
    4.3.5 LM7805 (VoltageRegulator) Fig. 4.7 Voltage Regulator Description: The KA78XX/KA78XXA series of three-terminal positive regulator are available in the TO-220/D-PAK package and with several fixed output voltages, making them useful in a wide range of applications. Each type employs internal current limiting, thermal shut down and safe operating area protection, making it essentially indestructible. If adequate heat sinking is provided, they can deliver over 1A output current. Although designed primarily as fixed voltage regulators, these devices can be used with external components to obtain adjustable voltages and currents. [37]
  • 38.
    Features: Output Current upto 1A Output Voltages of 5, 6, 8, 9, 10, 12, 15, 18, 24V Thermal Overload Protection Short Circuit Protection Output Transistor Safe Operating Area Protection 4.3.6 RELAY CIRCUIT: Fig. 4.8 Relay A single pole dabble throw (SPDT) relay is connected to port RB1 of the microcontroller through a driver transistor. The relay requires 12 volts at a current of around 100ma, which cannot provide by the microcontroller. So the driver transistor is added. The relay is used to operate the external solenoid forming part of a locking device or for operating any other electrical devices. Normally the relay remains off. As soon as pin of the microcontroller goes high, the relay operates. When the relay operates and releases. Diode D2 is [38]
  • 39.
    the standard diodeon a mechanical relay to prevent back EMF from damaging Q3 when the relay releases. LED L2 indicates relay on. [39]
  • 40.
  • 41.
    FLOW CHART: Fig. 4.7Flow Chart [41]
  • 42.
     If thesensor 1 is interrupted first then the microcontroller will look for the sensor 2. And if it is interrupted then the microcontroller will increment the count and switch on the relay, if it is first time interrupted.  If the sensor 2 is interrupted first then the microcontroller will look for the sensor 1. And if it is interrupted then the microcontroller will decrement the count.  When the last person leaves the room then counter goes to 0 and that time the relay will turn off. And light will be turn off. [42]
  • 43.
  • 44.
    ;p0=lcd data ;p2.0 lcdcontrol ;p2.1 lcd control ;p2.5 lcd control ;p3.2 ISR ;p3.3 led ;p3.4 led ;p3.6 led ;p3.7 led ;OBJECTIVE: TO PREPARE A AUTO_CONTROLLED ROOM WITH VISITOR COUNTER__________________________________ ;_______________________________________________ ________________________________________________ ____ ; $mod51 org0h ajmpmain org003h acallisr reti org0030h main: movie,#81h movr5,#00 movr7,#00 acalldelay [44]
  • 45.
  • 46.
  • 47.
  • 48.
  • 49.
  • 50.
  • 51.
    Testing And Results Westarted our project by making power supply. That is easy for me but when we turn toward the main circuit, there are many problems and issues related to it, which we faced, like component selection, which components is better than other and its feature and cost wise a We started our project by making power supply. That is easy for me but when I turn toward the main circuit, there are many problems and issues related to it, which are I faced, like component selection, which components is better than other and its feature and cost wise also, then refer the data books and other materials related to its. I had issues with better or correct result, which I desired. And also the software problem. I also had some soldering issues which were resolved using continuity checks performed on the hardware. [51]
  • 52.
    We had issueswith better or correct result, which we desired. And also the software problem. We also had some soldering issues which were resolved using continuity checks performed on the hardware. We started testing the circuit from the power supply. There we got over first trouble. After getting 9V from the transformer it was not converted to 5V and the circuit received 9V. As the solder was shorted IC 7805 got burnt. So we replaced the IC7805.also the circuit part around the IC7805 were completely damaged..with the help of the solder we made the necessary paths. [52]
  • 53.
    CHAPTER :- 7 FUTUREEXPANSION [53]
  • 54.
    FUTURE EXPANSION By usingthis circuit and proper power supply we can implement various applications Such as fans, tube lights, etc. By modifying this circuit and using two relays we can achieve a task of opening and closing the door. [54]
  • 55.
    CHAPTER :- 8 APPLICATION,ADVANTAGES & DISADVANTAGES APPLICATION, ADVANTAGES & DISADVANTAGES [55]
  • 56.
     Application o Forcounting purposes o For automatic room light control  Advantages o Low cost o Easy to use o Implement in single door  Disadvantages o It is used only when one single person cuts the rays of the sensor hence it cannot be used when two person cross simultaneously. [56]
  • 57.
  • 58.
     Reference Books Programmingin ANSI C: E BALAGURUSAMY The 8051microcontroller MUHAMMAD ALI MAZIDI and embedded systems: JANICE GILLISPIE MAZIDI The 8051 microcontroller: KENNETH J. AYALA  Website www.datasheets4u.com www.8051.com [58]