Embed presentation










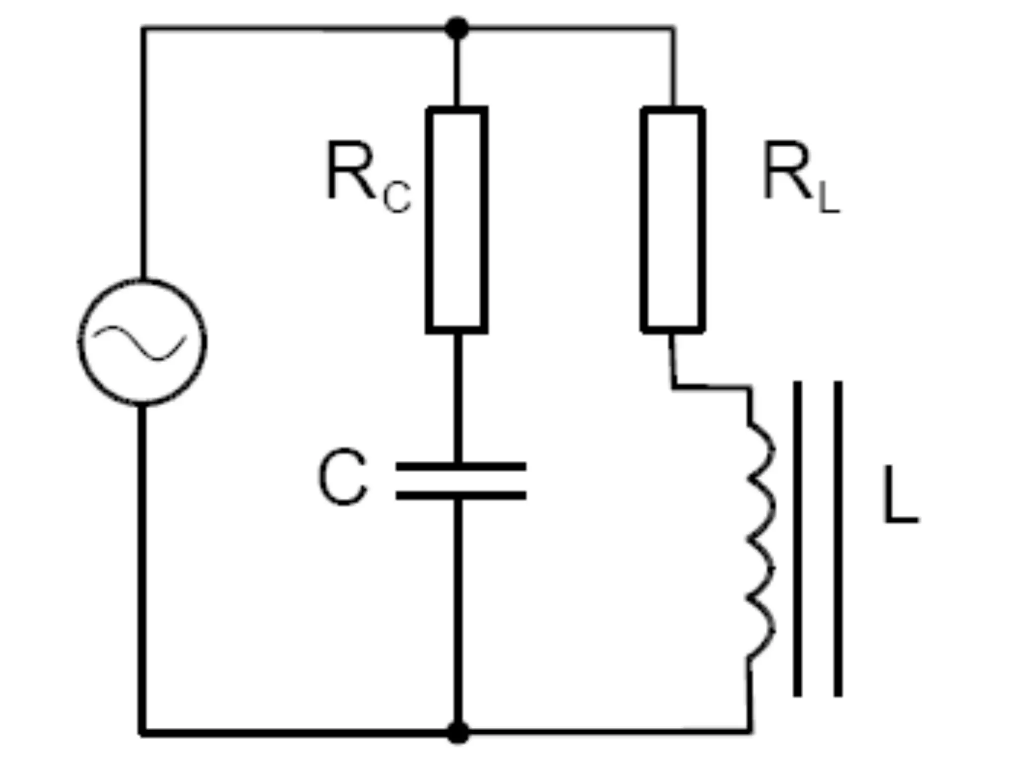
This document compares series and parallel resonance circuits. It shows that parallel resonance circuits have maximum impedance and minimum supply current, while series resonance circuits have minimum impedance and maximum supply current. Both have a phase angle of zero degrees for the supply current. The key difference is that parallel resonance can produce a voltage across the inductor and capacitor that exceeds the supply voltage, while series resonance produces a circulating current between the inductor and capacitor.









