500W INVERTER WITH SOLAR PANEL
A PROJECT REPORT
Submitted by
PRABHAT KUMAR (1442220022)
PRASHANT KUMAR (1442220024)
RAJENDRA YADAV (1442220027)
RAKESH KUMAR VERMA (1442220029)
In fulfillmentfor the award of the degree
of
BACHELOR OF TECHNOLOGY
IN
ELECTRICALENGINEERING
BANSAL INSTITUTE OF ENGINEERING & TECHNOLOGY,
LUCKNOW U.P.
CERTIFICATE
This is to certify that the dissertation work entitled “500W,12V TO
220V SOLAR INVERTER”has been done by PRABHAT
KUMAR , PRASHANT KUMAR , RAJENDRA YADAV & RAKESH
KUMAR VERMA submitted in partial fulfillment for the award of
‘BACHELOR OF TECHNOLOGY in Electrical Engineering from
Bansal institute of Engineering & Technology , Lucknow affiliated to
Uttar Pradesh Technical University.
The work done by them is found satisfactory.
ACKNOWLEDGEMENT
First of all, we are thankful to god and our parents who always bless & inspire us to achieve our
goal.
It’s our great pleasure at the completion of our project on “500W 12V TO 220V SOLAR
INVERTER”. It has given us great joy of working with challenges and complexity of
manufacturing system or process & term work. This project work will be really helpful for our
carrier.
We are very much thankful to our guide, Asst. prof. ADITYA YADAV for giving us individual
guidance throughout the project work.
We have completed our project with great satisfaction. We are very thankful to our head of
department, Mr. B.R. SINGH to help us for providing required lab facility to complete our
project in college. Also all of us thankful to the entire electrical department’s faculties who
directly or indirectly help us.
PRABHAT KUMAR (1442220022)
PRASHANT KUMAR (1442220024)
RAJENDRA YADAV (1442220027)
RAKESH KUMAR VERMA (1442220029)
ABSTRACT
The world demand for electric energy is constantly increasing and conventional
energy resources are diminishing and are at the edge of extinction, moreover their
prices are rising. For all these reasons , the need for alternative energy sources has
become necessary and solar energy in particular has proved to be a very promising
alternative because of its easy availability and pollution-free nature. Due to
increasing efficiency , decreasing cost of solar panels and improvement of the
switching technology used for the power conversion , we are interested in
developing an inverter powered by pv panels that could supply stand-alone ac loads
. Solar panels produce direct currents (dc) and to use them in home and industrial
appliances , we should have ac output at certain required voltage level and
frequency. Thus , solar inverter converts the solar energy of sun into useful
electrical energy (dc to ac).
LIST OF CONTENTS
TOPIC TOPICS PAGE NO.
NO.
ABSTRACT
1. CHAPTER-1INTRODUCTION 1
1.1 Introduction to solar inverter 2
1.2 Solar energy description 3
1.3 Inverter and their types 4
1.4 Advantages of solar inverter 6
1.5 Application of solar inverter 8
2. CHAPTER-2COMPONENTS 9
2.1 Solar Panel 10
2.2 Relay Switch 12
2.3 Voltage Regulator 13
2.4 ADC 0804 14
2.4.1 Pin description 14
2.5 Microcontroller 89S52 15
2.5.1 Features 15
2.5.2 Pin out Description 16
0
2.6 LCD 18
2.6.1 Pin out description of LCD 18
2.7 Transformer 19
2.8 MOSFET 20
3. CHAPTER -3 LITERATURE SURVEY 22
3.1 Title 1 23
3.2 Title 2 24
3.3 Title 3 25
3.4 Title 4 26
3.5Title 5 27
4. CHAPTER -4 PROJECT IMPLIMENTATION 28
4.1 Block diagram 29
4.2 Circuit design 30
4.3 Interfacing of LCD with micro-controller 89S52 31
5 CHAPTER -5 HARDWARE 32
5.1 Working model of solar inverter 33
5.2 Controller circuit 34
5.3 Inverter circuit 35
6 CHAPTER - 6 FUTURE MODIFICATION 36
7 CONCLUSION 37
1
CHAPTER 1
INTRODUCTION
2
INTRODUCTION TO SOLAR INVERTER
Solar inverter is a critical component in a solar energy system. It converts DC power output
into AC current that can be fed into grid and directly influences the efficiency and reliability
of a solar energy system. In most occasions, 220VAC and 110VAC are needed for power
supply. Because direct output from solar energy is usually 12VDC, 24VDC, or 48VDC, it is
necessary to use DC-AC inverter in order to be able to supply power to 220VAC electronic
devices. Inverters are generally rated by the amount of AC power they can supply
continuously. In general, manufacturers provide 5 second and 1/2 hour surge figures which
give an indication of how much power is supplied by inverter.
1. Solar inverters require a high efficiency ratings. Since use of solar cells remains relatively
costly, it is paramount to adopt high efficiency inverter to optimize the performance of solar
energy system.
2. High reliability helps keep maintenance cost low. Since most solar power stations are
built in rural areas without any monitoring manpower, it requires that inverters have
competent circuit structure, selection of components and protective functions such as internal
short circuit protection, overheating protection and overcharge protection.
3. Wider tolerance to DC input current plays an important role since the terminal voltage
varies depending on the load and sunlight. Though energy storage batteries are significant in
providing consistent power supply, variation in voltage increases as battery’s remaining
capacity and internal resistance condition changes especially when the battery is ageing,
widening its terminal voltage variation range.
4. In mid-to-large capacity solar energy systems, inverters’ power output should be in the
form of sine waves which attain less distortion in energy transmission. Many solar energy
power stations are equipped with gadgets that require higher quality of electricity grid which,
when connected to solar energy systems, requires sine waves to avoid electric harmonic
pollution from the public power supply network.
Fig. 1.1 Solar inverter
3
SOLAR ENERGY DESCRIPTION
Solar energy is radiant light and heat from the Sun harnessed using range of technologies
such as solar heating, solar thermal energy, solar architecture and photosynthesis. It is
important source of renewable energy and it technologies are broadly characterized as either
passive solar or active solar depending on way they capture and distribute solar energy.
Active solar techniques include use of photo-voltaic systems, concentrated solar power and
solar water heating to harness the energy. Passive solar technique include orienting building
to Sun, selecting materials with favorable thermal mass, and designing spaces that naturally
circulate air.
Solar technology is broadly characterized as either passive or active depending on way they
capture, convert & distribute sunlight and enable solar energy to be harnessed at different
levels around the world, mostly depending on distance from equator. Although solar energy
refers primarily to use of solar radiation for practical ends, all renewable energies, other than
geothermal and tidal, derive their energy from the Sun in direct or indirect way.
The potential solar energy that could be used by humans differs from amount of solar energy
present near surface of the planet because factors such as geography, cloud cover, and land
available to humans limits the amount of solar energy that it can acquire
Solar concentrating technologies like as parabolic dish, trough and Scheffler reflectors can
provide process heat for commercial and industrial applications. first commercial system was
the Solar Total Energy Project in Shenandoah, Georgia. Its grid-connected cogeneration
system provided 400 kW of electricity plus thermal energy in form of 401 kW steam and 468
kW chilled water and had one-hour peak load thermal storage. Evaporation pond is shallow
pool that concentrate dissolved solid through evaporation. The use of evaporation ponds to
obtain salt from sea water one of the oldest application of solar energy. Modern use of
include concentrating brine solution used in the leach mining and removing dissolved solid
from waste stream.
Solar power is the conversion of sunlight into electricity or directly using photo voltaics,
indirectly using concentrated solar power. CSP systems use lenses or mirrors and tracking
system to focus large area of sunlight into little beam. PV convert the light into electric
current using the photoelectric effect.
The variety of fuels can be produced by artificial photosynthesis. The Solar chemical process
use solar energy to drive chemical reaction.Hydrogen production technology has been a
significant area of the solar chemical research. Another vision involves all the human
structures covering the earth surface doing photosynthesis much efficiently than plants.
4
INVERTER AND THEIR TYPES
Solar inverters may be classified into three broad types:
Stand alone inverters, used in isolated systems where the inverter draws its DC energy from
batteries charged by photovoltaic arrays. Many stand alone inverters also incorporate integral
battery chargers to replenish the battery from an AC source, when available. These do not
interface in any way with the utility grid, and as such, are not required to have anti-islanding
protection.
Grid tie inverters, which match phase with a utility-supplied sine wave. Grid-tie inverters
are designed to shut down automatically upon loss of utility supply, for safety reasons. They
do not provide backup power during utility outages.
Battery backup inverters, are special inverters which are designed to draw energy from a
battery, manage the battery charge via onboard charger, and export excess energy to the
utility grid. These inverters are capable of supplying AC energy to selected loads during a
utility outage, and are required to have anti islanding protection.
In this way, classify inverters on the requirement of their output characteristics. So there are
three different types of outputs we get from inverters.
Hence classify inverters into three primary types ,which are as follows:
(1) Square Wave inverter
(2) Modified Sine wave inverter
(3) Pure sine wave inverter
Square Wave inverter
Square wave inverter is one of the simple inverter types, which convert straight DC signal to
phase shifting AC signal.
But the output of this inverter is not pure AC, The simplest construction of square wave
inverter can be achieved by using On/Off switches.
Output Waveform of Square Wave inverter as shown below:
5
Fig. 1.2 Square wave
Modified Sine wave inverter
The construction of this type of inverter is bit more complex than simple square wave
inverter, but still it’s a lot simpler than pure sine wave inverter.
Modified sine wave show some pauses before the phase shifting of the wave, i.e. unlike
square it doesn't shift its phase abruptly from positive to negative, or unlike the sine wave,
doesn't make smooth transition from positive to negative, but take brief pauses and then shift
its phase.
Output waveform of a modified sine wave inverter as shown below…:
Fig. 1.3 Modified sine wave
6
Pure sine wave inverter
The electrical circuit of pure sine wave inverter is much more complex than square wave or
modified sine wave inverter.
Another way to obtain sine output is to obtain a square wave output from a square wave
inverter and then modify this output to achieve pure sine wave.
A pure sine wave inverter has several advantages over its previous two forms:
 More efficiency, hence consumes less power.
 They can be adjusted according to your personal power requirements, since
several types are available with different power outputs.
Output waveform of Pure sine wave inverter as shown below:
Fig. 1.4 Pure sine wave
ADVANTAGES OF SOLAR INVERTER
1. Renewable Energy Source
Solar energy is a truly renewable energy source. It can be harnessed in all areas of the
world and is available every day. We cannot run out of solar energy, unlike some of the
other sources of energy. Solar energy will be accessible as long as we have the sun,
therefore sunlight will be available to people for at least 5 billion years, when according
to scientists the sun is going to die.
7
2. Reduces Electricity Bills
Since you will be meeting some of your energy needs with the electricity your solar
system has generated, your energy bills will drop. How much you save on your bill will be
dependent on the size of the solar system and your electricity or heat usage. Moreover, not
only will you be saving on the electricity bill, but if you generate more electricity than you
use, the surplus will be exported back to the grid and you will receive bonus payments for
that amount (considering that your solar panel system is connected to the grid). Savings can
be further grown if you sell excess electricity at high rates during the day and then buy
electricity from the grid during the evening when the rates are lower.
Fig. 1.5 Solar panel installation
3. Diverse Applications
Solar energy can be used for diverse purposes. You can generate electricity
(photovoltaics) or heat (solar thermal). Solar energy can be used to produce electricity in
areas without access to the energy grid, to distill water in regions with limited clean
water supplies and to power satellites in the space. Solar energy can also be integrated in
the materials used for buildings. Not long ago Sharp introduced transparent solar energy
windows.
4. Low Maintenance Costs
Solar energy systems generally don’t require a lot of maintenance. You only need to keep
them relatively clean, so cleaning them a couple of times per year will do the job. Most
reliable solar panel manufacturers give 20-25 years warranty. Also, as there are no
moving parts, there is no wear and tear. The inverter is usually the only part that needs to
be changed after 5-10 years because it is continuously working to convert solar energy
into electricity (solar PV) and heat (solar thermal). So, after covering the initial cost of
the solar system, you can expect very little spending on maintenance and repair work.
8
5. Technology Development
Technology in the solar power industry is constantly advancing and improvements will
intensify in the future. Innovations in quantum physics and nanotechnology can
potentially increase the effectiveness of solar panels and double, or even triple, electrical
input of the solar power systems.
APPLICATIONS OF SOLAR INVERTER
Solar inverter helps in DC power source utilization.
Solar inverter can be used for domestic application.
HVDC power transmission can be done.
Electric vehicle drives can be run through solar inverter.
Inverters convert low frequency main AC power to a higher frequency for use in induction
heating.
Solar inverter can be used in industrial application.
9
CHAPTER 2
COMPONENTS
10
Solar Panel
Solar panel refers to a panel designed to absorb the sun's rays as a source of energy for
generating electricity or heating.
A photovoltaic (in short PV) module is a packaged, connected assembly of typically 6×10
solar cells. Solar Photovoltaic panels constitute the solar array of a photovoltaic system that
generates and supplies solar electricity in commercial and residential applications. Each
module is rated by its DC output power under standard test conditions, and typically ranges
from 100 to 365 watts. The efficiency of a module determines the area of a module given the
same rated output – an 8% efficient 230 watt module will have twice the area of a 16%
efficient 230 watt module. There are a few solar panels available that are exceeding 19%
efficiency. A single solar module can produce only a limited amount of power; most
installations contain multiple modules. A photovoltaic system typically includes a panel or an
array of solar modules, a solar inverter, and sometimes a battery and/or solar tracker and
interconnection wiring.
Fig 2.1: solar panel
Solar modules use light energy (photons) from the sun to generate electricity through the
photovoltaic effect. The majority of modules use wafer-based crystalline silicon cells or thin-
film cells based on cadmium telluride or silicon. The structural (load carrying) member of a
module can either be the top layer or the back layer. Cells must also be protected from
mechanical damage and moisture. Most solar modules are rigid, but semi-flexible ones are
11
available, based on thin-film cells. These early solar modules were first used in space in
1958.
Electrical connections are made in series to achieve a desired output voltage and/or in
parallel to provide a desired current capability. The conducting wires that take the current
off the modules may contain silver, copper or other non-magnetic conductive transition
metals. The cells must be connected electrically to one another and to the rest of the
system. Externally, popular terrestrial usage photovoltaic modules use MC3 (older) or MC4
connectors to facilitate easy weatherproof connections to the rest of the system.
Fig 2.2 : solar panel mounted on a roof
Bypass diodes may be incorporated or used externally, in case of partial module shading, to
maximize the output of module sections still illuminated.
Some recent solar module designs include concentrators in which light is focused by lenses
or mirrors onto an array of smaller cells. This enables the use of cells with a high cost per
unit area (such as gallium arsenide) in a cost-effective way.
12
Relay Switch
Relay is one of the most important electromechanical devices used in industrial applications
specifically in automation. A relay is used for electronic to electrical interfacing i.e. it is used
to switch on or off electrical circuits operating at high AC voltage using a low DC control
voltage. A relay generally has two parts, a coil which operates at the rated DC voltage and a
mechanically movable switch. The electronic and electrical circuits are electrically isolated
but magnetically connected to each other, hence any fault on either side does not affects the
other side.
Fig 2.3 : Relay Switch
Fig 2.4 : relay switch
13
Relay shown in the image above consists of five terminals. Two terminals are used to give
the input DC voltage also known as the operating voltage of the relay. Relay are available in
various operating voltages like 6V, 12V, 24V etc. The rest of the three terminals are used to
connect the high voltage AC circuit. The terminals are called Common, Normally Open (NO)
and Normally Closed (NC). Relays are available in various types & categories and in order to
identify the correct configuration of the output terminals, it is best to see the data sheet or
manual. Terminals can also be identified using a multimeter and at times it is printed on the
relay itself.
Voltage Regulator
A voltage regulator generates a fixed output voltage of a preset magnitude that remains
constant regardless of changes to its input voltage or load conditions. There are two types of
voltage regulators : linear and switching.
A linear regulator employs an active (BJT or MOSFET) pass device (series or shunt)
controlled by a high gain differential amplifier. It compares the output voltage with a precise
reference voltage and adjusts the pass device to maintain a constant output voltage.
A switching regulator converts the dc input voltage to a switched voltage applied to a power
MOSFET or BJT switch. The filtered power switch output voltage is fed back to a circuit
that controls the power switch on and off times so that the output voltage remains constant
regardless of input voltage or load current changes.
Fig 2.5 : LM7805 Pinout diagram
7805 is a regulated integrated circuit. It is a member of 78xx series of fixed linear voltage
regulator ICs. The voltage source in a circuit may have fluctuations and would not give the
fixed voltage output. The voltage regulator IC maintains the output voltage at a constant
value. The xx in 78xx indicates the fixed output voltage it is designed to provide. 7805
provides +5V regulated power supply. Capacitors of suitable values may be connected at
input and output pins depending upon the respective voltage levels.
14
2.4 ADC 0804
ADC0804 is connected as shown in the circuit diagram. Here the input is taken from a preset,
which gives different analog signals to the ADC. The output pins of the ADC are connected
to LEDs. The control pins of the ADC are connected to the microcontroller AT89C51.
ADC0804 is a single channel analog to digital convertor i.e., it can take only one analog
signal.
An ADC has n bit resolution (binary form) where n can be 8,10,12,16 or even 24 bits. ADC
0804 has 8 bit resolution. The higher resolution ADC gives smaller step size. Step size is
smallest change that can be measured by an ADC. For an ADC with resolution of 8 bits, the
step size is 19.53mV (5V/255).
The time taken by the ADC to convert analog data into digital form is dependent on the
frequency of clock source. ADC0804 can be given clock from external source. It also has an
internal clock. However the conversion time cannot be more than110us.
The frequency is given by the relation f= 1/ (1.1RC). The circuit uses a resistance of 10k and
a capacitor of 150pF to generate clock for ADC0804. Vin, which is the input pin, is
connected to a preset to provide analog input.
Fig 2.6 : ADC 0804
2.4.1 Pin Description
1. CS, Chip Select: This is an active low pin and used to activate the ADC0804.
2. RD, Read: This is an input pin and active low. After converting the analog data, the
ADC stores the result in an internal register. This pin is used to get the data out of the ADC
0804 chip. When CS=0 & high to low pulse is given to this pin, the digital output is shown on
the pins D0-D7.
3. WR, Write: This is an input pin and active low. This is used to instruct the ADC to start
the conversion process. If CS=0 and WR makes a low to high transition, the ADC starts the
conversion process.
4. CLK IN, Clock IN: This is an input pin connected to an external clock source.
5. INTR, Interrupt: This is an active low output pin. This pin goes low when the
conversion is over.
6. Vin+ : Analog Input .
15
7. Vin- : Analog Input. Connected to ground.
8. AGND: Analog Ground.
9. Vref/2: This pin is used to set the reference voltage. If this is not connected the default
reference voltage is 5V. In some application it is required to reduce the step size. This can be
done by using this pin.
10. DGND: Digital Ground.
11-18. Output Data Bits (D7-D0).
19. CLKR: Clock Reset.
20. Vcc: Positive Supply
The following steps are used to interface the ADC0804.
1. Send a low to high pulse to pin WR to start the conversion.
2. Keep monitoring the INTR pin. If INTR is low, go to next step else keep checking the
status.
3. A high to low pulse is sent to the RD pin to bring the converted data on the output pins.
Microcontroller : 89S52
Features
• Compatible with MCS-51 Products
• 8K Bytes of In-System Programmable (ISP) Flash Memory – Endurance: 10,000
Write/Erase Cycles
• 4.0V to 5.5V Operating Range
• Fully Static Operation: 0 Hz to 33 MHz
• Three-level Program Memory Lock
• 256 x 8-bit Internal RAM
• 32 Programmable I/O Lines
• Three 16-bit Timer/Counters
• Eight Interrupt Sources
• Full Duplex UART Serial Channel
16
• Low-power Idle and Power-down Modes
• Interrupt Recovery from Power-down Mode
• Watchdog Timer
• Power-off Flag
• Fast Programming Time
• Flexible ISP Programming (Byte and Page Mode)
Fig 2.7 : 89S52 Pinout Diagram
Pinout Description
Pins 1-8: Port 1 Each of these pins can be configured as an input or an output.
Port 1: Alternate Functions
P1.0 T2 (external count input to Timer/Counter 2), clock-out
P1.1 T2EX (Timer/Counter 2 capture/reload trigger and direction control)
P1.5 MOSI-Master Out Serial In.(used for In-System Programming)
P1.6 MISO-Master In Serial Out. (used for In-System Programming)
P1.7 SCK (used for In-System Programming)
17
Pin 9: RS A logic one on this pin disables the microcontroller and clears the contents of most
registers. In other words, the positive voltage on this pin resets the microcontroller. By
applying logic zero to this pin, the program starts execution from the beginning.
Pins10-17: Port 3 Similar to port 1, each of these pins can serve as general input or output.
Besides, all of them have alternative functions:
Port 2 (P2.0-P2.7) Whether configured as an input or an output, this port acts the same as Port
1. If external memory is used, the high byte of the address (A8-A15) comes out on the Port 2
which is thus used for addressing it.
Port 3 (P3.0-P3.7) Similar to P1, Port 3 pins can be used as general inputs or outputs. They
also have additional functions to be explained later in the chapter.
Pin 18, 19: X2, X1 Internal oscillator input and output. A quartz crystal which specifies
operating frequency is usually connected to these pins. Instead of it, miniature ceramics
resonators can also be used for frequency stability. Later versions of microcontrollers operate
at a frequency of 0 Hz up to over 50 Hz.
Pin 20: GND Ground.
Pin 21-28: Port 2 If there is no intention to use external memory then these port pins are
configured as general inputs/outputs. In case external memory is used, the higher address
byte, i.e. addresses A8-A15 will appear on this port. Even though memory with capacity of
64Kb is not used, which means that not all eight port bits are used for its addressing, the rest
of them are not available as inputs/outputs.
Pin 29: PSEN If external ROM is used for storing program then a logic zero (0) appears on it
every time the microcontroller reads a byte from memory.
Pin 30: ALE Prior to reading from external memory, the microcontroller puts the lower
address byte (A0-A7) on P0 and activates the ALE output. After receiving signal from the
ALE pin, the external register (usually 74HCT373 or 74HCT375 add-on chip) memorizes the
state of P0 and uses it as a memory chip address. Immediately after that, the ALU pin is
returned its previous logic state and P0 is now used as a Data Bus. As seen, port data
multiplexing is performed by means of only one additional (and cheap) integrated circuit. In
other words, this port is used for both data and address transmission.
Pin 31: EA By applying logic zero to this pin, P2 and P3 are used for data and address
transmission with no regard to whether there is internal memory or not. It means that even
there is a program written to the microcontroller, it will not be executed. Instead, the program
written to external ROM will be executed. By applying logic one to the EA pin, the
microcontroller will use both memories, first internal then external (if exists).
Pin 32-39: Port 0 Similar to P2, if external memory is not used, these pins can be used as
general inputs/outputs. Otherwise, P0 is configured as address output (A0-A7) when the ALE
pin is driven high (1) or as data output (Data Bus) when the ALE pin is driven low (0).
Pin 40: VCC +5V power supply.
18
LCD
The most commonly used LCDs found in the market today are 1 Line, 2 Line or 4 Line LCDs
which have only 1 controller and support at most of 80 characters, whereas LCDs supporting
more than 80 characters make use of 2 HD44780 controllers.
Most LCDs with 1 controller has 14 Pins and LCDs with 2 controller has 16 Pins (two pins
are extra in both for back-light LED connections). Pin description is shown in the table
below.
Fig 2.8 : LCD pinout
Pinout description of LCD
Pin No. Name Description
1 VSS Power supply (GND)
2 VCC Power supply (+5V)
3 VEE Contrast adjust
4 RS 0 = Instruction input
1 = Data input
5 R/W 0 = Write to LCD module
1 = Read from LCD module
6 EN Enable signal
19
Pin No. Name Description
7 D0 Data bus line 0 (LSB)
8 D1 Data bus line 1
9 D2 Data bus line 2
10 D3 Data bus line 3
11 D4 Data bus line 4
12 D5 Data bus line 5
13 D6 Data bus line 6
14 D7 Data bus line 7 (MSB)
Table No : 2.1 Pinout description of LCD
Transformer
A transformer is an electrical device that transfers electrical energy between two or more
circuits through electromagnetic induction. Electromagnetic induction produces an
electromotive force within a conductor which is exposed to time varying magnetic fields.
Transformers are used to increase or decrease alternating voltages in electric power
applications.
A varying current in the transformer's primary winding creates a varying magnetic flux in the
transformer core and a varying field impinging on the transformer's secondary winding. This
varying magnetic field at the secondary winding induces a varying electromotive force
(EMF) or voltage in the secondary winding due to electromagnetic induction. Making use of
Faraday's Law in conjunction with very high magnetic permeability core properties,
transformers can be designed to change, efficiently AC voltages from one voltage level to
another within power networks.
Since the invention of the first constant potential transformer in 1885, transformers have
become essential for the transmission, distribution, and utilization of alternating current
electrical energy. A wide range of transformer designs is encountered in the electronic and
electric power applications. Transformers range in size from RF transformers less than a
20
cubic centimeter in volume to units interconnecting the power grid weighing hundreds of
tons.
Fig 2.9 : transformer
Transformers are used to increase (or step-up) voltage before transmitting electrical energy
over long distances through wires. Wires have resistance which loses energy through joule
heating at a rate corresponding to square of current. By transforming power to a higher
voltage transformers enable economical transmission of power and distribution.
Consequently, transformers have shaped the electricity supply industry, permitting generation
to be located remotely from points of demand. All but tiny fraction of the world's electrical
power has passed through a series of transformers by the time it reaches the consumer.
Transformers are also used extensively in electronic products to decrease (or step-down) the
supply voltage to the level suitable for the low voltage circuits they contain. The transformer
also electrically isolates the end user from contact with the supply voltage.
Signal and audio transformers are used to couple stages of amplifiers and to match devices
such as microphones and record players to the input of amplifiers. Audio transformers
allowed telephone circuits to carry on a two-way conversation over a single pair of wires.
Abalun transformer converts the signal that is referenced to ground to the signal that has
balanced voltages to ground, such as between external cables and internal circuits.
MOSFET
The IGFET or MOSFET is a voltage controlled field effect transistor that differs from a
JFET in that it has a “Metal Oxide” Gate electrode which is electrically insulated from the
main semiconductor N-channel or P-channel by a very thin layer of insulating material
usually silicon dioxide, commonly known as glass.
This ultra thin insulated metal gate electrode can be thought of as one plate of a capacitor.
The isolation of the controlling Gate makes the input resistance of A MOSFET extremely
high way up in the Mega-ohms ( MΩ ) region thereby making it almost infinite.
21
As the Gate terminal is isolated from the main current carrying channel “NO current flows
into the gate” and just like the JFET, the MOSFET also acts like a voltage controlled resistor
were current flowing through the main channel between the Drain and Source is proportional
to the input voltage. Also like the JFET, the MOSFETs very high input resistance can easily
accumulate large amounts of static charge resulting in the MOSFET becoming easily
damaged unless carefully handled or protected.
Like the previous JFET tutorial, MOSFETs are three terminal devices with
a Gate, Drain and Sourceand both P-channel (PMOS) and N-channel (NMOS) MOSFETs are
available. The main difference this time is that MOSFETs are available in two basic forms:
 1. Depletion Type – the transistor requires the Gate-Source voltage, ( VGS ) to
switch the device “OFF”. The depletion mode MOSFET is equivalent to a “Normally
Closed” switch.
 2. Enhancement Type – the transistor requires a Gate-Source voltage, ( VGS ) to
switch the device “ON”. The enhancement mode MOSFET is equivalent to a
“Normally Open” switch.
The symbols and basic construction for both configurations of MOSFET are shown below.
Fig. 2.10 symbol and basic construction of MOSFET
22
CHAPTER 3
LITERATURE SURVEY
23
TITLE 1
Off-Grid, Low-Cost, Electrical Sun-Car System for
Developing Countries
AUTHORS:
Otward M. Mueller1 and Eduard K. Mueller
MTECH Laboratories, LLC
Ballston Spa, NY, USA
DISCRIPTION:
Fully electric cars are now available. This technology offers exciting opportunities, especially
to citizens of developing countries in equatorial regions having highconcentrations of solar
energy. The major motivation behind adoption of electric vehicles is reduced CO2 output.
However, most electric vehicle batteries are charged by electrical grids powered by coal and
oil, which themselves produce significant amounts of CO2. Charging electric vehicles with
solar energy can dramatically reduce CO2 generation. The authors have demonstrated a low-
cost electric vehicle charging station using 4 solar panels of 255 watts each, batteries, a
charge controller, and an inverter. For 3 months, a SMART Electric Drive automobile was
successfully charged using only solar energy. The proposed “Sun-Car System” presents a
low-cost opportunity for poorer populations such as those found on Indian reservations in the
southwestern United States and tribal Africa. Community owned electric vehicles could be
charged solely with solar power.The demonstrated off-grid solar charging system is relatively
low-cost, and would not require an electrical grid or an expensive gasoline/diesel delivery
infrastructure.
Keywords: — solar; electric vehicle; battery charging; solar
power.
INFORMATIONS COLLECTED:
The solar electric vehicle charging station is also an excellent teaching tool for high-school
and college students,who need to understand the concepts of volts, amperes, watts,kilowatt-
hours, miles per gallon, MPGe, and the intricacies of solar collectors, charge controllers,
batteries, kilowatt inverters,and of energy and transportation systems in general.This idea is
certainly not new. Solar charging stations for electric vehicles already exist in places such as
New Mexico and Arizona, Mississippi, and even Maine. However,the concept is especially
promising in developing nations and areas. The introduction in these regions can have a
profound effect in raising the quality of life for vast populations around the world, which, in
turn, will bring new educational and economic possibilities to millions. This can only benefit
the world as a whole.
24
TITLE 2
Enhanced Offset Averaging Technique for Flash ADC Design
AUTHORS:
Siqiang FAN, He TANG, Hui ZHAO, Xin WANG, Albert WANG, Bin ZHAO, Gary G
ZHANG
1. Freescale Semiconductor, Inc, Irvine, CA 92618, USA;
2. Department of Electrical Engineering, University of California, Riverside, CA 92521,
USA;
3. Skyworks Solutions, Inc., Irvine, CA 92617, USA
DISCRIPTION:
This paper presents a new combined AC/DC-coupled output averaging technique for input
amplifier design of flash analog to digital converters (ADC). The new offset averaging design
technique takes full advantage of traditional DC-coupled resistance averaging and AC-
coupled capacitance averaging techniques to minimize offset-induced ADC nonlinearities.
Circuit analysis allows selection of optimum resistance and capacitance averaging factors to
achieve maximum offset reduction in ADC designs. The new averaging method is verified in
designing a 4 bit 1 Gs/s flash ADC that is implemented in foundry 0.13m CMOS technology
Key words: analog-to-digital converter; flash analog to digital converters
(ADC); integrated circuit (IC); offset averaging; resistor averaging; capacitor
averaging
INFORMATION COLLECTED:
High-speed ADCs are essential to high-performance systems, such as disk drive read
channels, fiber optic receiver front-end and data communication links using multilevel
signaling. Flash ADC structure is the architecture of choice for ADCs featuring very high
sampling rates and low to moderate resolution. For highspeedADCs designed in advanced
integrated circuit (IC) technologies, a reduced power supply voltage is essential to prevent
CMOS gate oxide breakdowns,which, in turn, requires smaller signal swings that can
significantly affect the critical signal-to-noise ratio (SNR). As the signal quantization level
decreases, the offset-introduced integral non-linearity (INL) and differential non-linearity
(DNL) will become a severe problem in ADC designs. It is well-known that the static and
dynamic offset reduction is a challenge in flash type ADC designs. Meanwhile, low-voltage
low-power ADCs are highly desired potable electronics to improve operation hours.
Apparently, complex design tradeoffs among power dissipation, sampling speed, resolution,
and chip size are challenging ADC design tasks. Though some offset averaging techniques
have been demonstrated to effectively reduce the DNL and INL of flash ADCs where the
averaging devices can be resistors or capacitors used to reduce the offset of the amplifiers,
advanced flash ADCs require further offset reduction in designs. This paper presents an
enhanced coupled resistor-capacitor offset averaging design technique to achieve better
amplifier offset reduction in flash ADC circuitry.
25
TITLE 3
A novel single phase cascaded multilevel inverter for hybrid renewable energy sources
AUTHORS:
M. Kaliamoorthy (Dept. of Electr. & Electron. Eng, PSNA Coll. of Eng. & Technol.,
Dindigul, India)
V. Rajasekaran, G. PraveenRaj
DISCRIPTION:
This paper presents a novel single phase cascaded multilevel inverter for renewable energy
applications. The proposed inverter consists of two H Bridge inverter connected in cascade.
The top H Bridge inverter is a conventional H bridge inverter and is capable of developing
three level output whereas the bottom H bridge inverter is a novel inverter which is capable
of developing multilevel output. The proposed inverter is driven from a novel hybrid
modulation technique, which eliminates the problem of capacitor voltage balancing issues.
The proposed novel hybrid modulation technique switches the top inverter switches at high
frequency and the bottom inverter switches at low frequency. The proposed inverter can be
fed from any renewable energy source. In this paper, the top inverter is fed from PV arrays
where as the bottom inverter is fed from wind turbine. The proposed inverter has many
advantages such as; it has minimum number of power electronic devices, minimum
conduction and switching losses, improved efficiency and minimum voltage stress on the
devices. The proposed inverter fed from renewable energy sources is simulated in
MATLAB/SIMULINK environment. To validate the simulation results laboratory prototype
is also built. The entire hardware setup is controlled by using FPGA-SPATRAN 3A DSP
board.
INFORMATION COLLECTED:
Power electronic inverters are becoming more and more popular for various industrial drive
applications. Many kinds of multilevel inverter topologies have been proposed to enhance the
performance of motor drive system. In this paper, the power flow management for a new
hybrid cascaded multilevel inverter is present. In this new hybrid inverter, the H-bridge
inverter (main inverter) and the 3-level diode clamped inverter (conditioning inverter) are
connected together to drive motor, but only the main inverter needs DC voltage source. The
conditioning inverter just uses non-supplied ultra capacitors as its power source. Thanks to
the proposed power flow management, conditioning inverter can be used to store and reuse
the braking energy of motor load. Therefore, compared with conventional H- bridge inverter,
considerable energy efficiency improvement is achieved. Additionally, when the motor is at a
steady speed, the conditioning inverter can provide the reactive power to the motor and
improve the system dynamic performance. This control scheme has a wide range of practical
applications, especially in the electric vehicle motor drive and marine propulsion system.
26
TITLE 4
Charge Pump for LCD Driver Used in Cell Phone
AUTHORS:
YU Hairong , CHEN Zhiliang
Institute of Microelectronics, Tsinghua University, Beijing 100084, China
DISCRIPTION:
A charge pump design is presented to operate at 10 kHz with 100 ìÁin a liquid crystal
display(LCD) driver for cell phone. Optimal channel widths are designed by estimating the
power consumption of the Fibonacci-like charge pump. An optimal frequency is a
compromise between the rise time and the dynamic power dissipation. The optimization of
the two-phase nonoverlapping clock generator circuit improves the efficiency. Simulation
results based on1. 2 complementary metal-oxide-semiconductor (CMOS) technology
parameters verify the efficiency of the design.
INFORMATION COLLECTED:
Most topologies of charge pumps are based on three types — Dickson,Makowski, and cross
connecting. Cross-connecting is always used in a voltage doubler. For k capacitors, in two-
phase multipliers the attainable DC conversion ratio for a Makowski circuit is the £-th
Fibonacci number[ 1 ' 2 ].The ratio is higher than the same stage in a Dickson circuit. A
Makowski charge pump is illustrated in Fig. 1. It can reach the maximal boosting ratio.The
canon Makowski circuit realization ofmaximum voltage ratio (M = Vout/Vin = 5).In this
work, a charge pump is designed which can step up to two, three, four or five times toward
10 - 15 V with 100 ìÁfrom a 2. 4 - 5. 5 source. Dickson and cross-connecting circuits are
not suitable for high boosting ratios and heavy load applications, for they need more stages to
reach the goal. To reduce the die size, the Makowski, or 518 Tsinghua Science and
Technology, October 2002, 7(5): 517 – 520 called Fibonacci-like, circuit is chosen in this
two-phase charge pump with four or five boosting research demonstrates the four-stage ratios
on which the following discussion is based.
27
TITLE 5
New multilevel inverter topology with reduced number of switches using advanced
modulation strategies
AUTHORS:
S. N. Rao
Dept. of EEE, RGMCET, Nandyal
D. V. A. Kumar ; C. S. Babu
DISCRIPTION:
This paper presents a new class of three phase seven level inverter based on a multilevel DC
link (MLDCL) and a bridge inverter to reduce the number of switches. There are 3 types of
multilevel inverters named as diode clamped multilevel inverter, flying capacitor multilevel
inverter and cascaded multilevel inverter. Compared to diode clamped & flying capacitor
type multilevel inverters cascaded H-bridge multilevel inverter requires least no. of
components to achieve same no of voltage levels and optimized circuit layout is possible
because each level have same structure and there is no extra clamping diodes or capacitors.
However as number of voltage levels m grows the number of active switches increases
according to 2×(m-1) for the cascaded H-bridge multilevel inverters. Compared with the
existing type of cascaded H-bridge multilevel inverter, the proposed MLDCL inverters can
significantly reduce the switch count as well as the number of gate drivers as the number of
voltage levels increases. For a given number of voltage levels, required number of active
switches is 2 (m-1) for the existing multilevel inverters, but it is m+3 for the MLDCL
inverters.
INFORMATION COLLECTED:
The output of proposed MLDCL is synthesized as the staircase wave, whose characteristics
are nearer to a desired sinusoidal output. The proposed MLDCL inverter topologies can have
enhanced performance by implementing the pulse width modulation (PWM) techniques. This
paper also presents the most relevant control and modulation methods by a new
reference/carrier based PWM scheme for MLDCL inverter and comparing the performance
of the proposed scheme with that of the existing cascaded H-bridge multilevel inverter.
Finally, the simulation results are included to verify the effectiveness of the both topologies
in multilevel inverter configuration and validate the proposed theory. A hardware set up was
developed for a one phase 7-level D.C. Link inverter topology using constant pulses.
28
CHAPTER 4
PROJECTIMPLIMENTATION
29
BLOCK DIAGRAM
The block diagram of the project “ SOLAR INVERTER “ is shown below :
Fig. 4.1 Block diagram of “SOLAR INVERTER”
30
CIRCUIT DESIGN
The circuit design of the project “ SOLAR INVERTER “ is shown below :
Fig : 4.2 circuit design of “solar inverter”
31
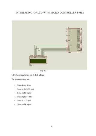
INTERFACING OF LCD WITH MICRO CONTROLLER 89S52
Fig. 4.3
LCD connections in 4-bit Mode
The common steps are:
 Mask lower 4-bits
 Send to the LCD port
 Send enable signal
 Mask higher 4-bits
 Send to LCD port
 Send enable signal
LCD1
LM016L
39
38
37
36
35
34
33
32
21
22
23
24
25
26
27
28
10
11
12
13
14
15
16
17
P0.0/AD0
P0.1/AD1
P0.2/AD2
P0.3/AD3
P0.4/AD4
P0.5/AD5
P0.6/AD6
P0.7/AD7
P2.0/A8
P2.1/A9
P2.2/A10
P2.3/A11
P2.4/A12
P2.5/A13
P2.6/A14
P2.7/A15
P3.0/RXD
P3.1/TXD
P3.2/INT0
P3.3/INT1
P3.4/T0
P3.5/T1
P3.6/WR
P3.7/RD
P1.0/T2
P1.1/T2EX
P1.2
P1.3
P1.4
P1.5
P1.6
P1.7
AT89C52
1
2
3
4
5
6
7
8
ALEEA
PSEN
29
30
31
RST
9
XTAL2
18
U1
XTAL1
19
1
2
3
VSS
VDD
VEE
4
5
6
RS
RW
E
D0
D1
D2
D3
D4
D5
D6
D7
7
8
9
10
11
12
13
14
32
CHAPTER 5
HARDWARE
33
WORKING MODEL OF SOLAR INVERTER
Fig no : 5.1 solar inverter model
34
CONTROLLER CIRCUIT
Fig no : 5.2 Controller circuit
35
INVERTER CIRCUIT
Fig no : 5.3 inverter circuit
36
CHAPTER 6
FUTURE MODIFICATION
1. Applying this project on three phase, it can be used for the industrial purpose.
2. Calculating the requirement of total power, solar panels of required capacity can be
arranged together for commercial use.
37
CONCLUSION
From this project we observed that this solar inverter is producing electricity free of cost by
using solar energy so, its eco- friendly, pollution free and can be used for domestic appliances
as well as for industrial purpose on three phase.
In this project ,we made an inverter which is sufficient to supply the power to domestic load
and we have indicated on the LCD display battery terminal voltage and the output voltage.
From this observation, the user can get the idea about the availability of the power.
38

500w SOLAR INVERTER

  • 1.
    500W INVERTER WITHSOLAR PANEL A PROJECT REPORT Submitted by PRABHAT KUMAR (1442220022) PRASHANT KUMAR (1442220024) RAJENDRA YADAV (1442220027) RAKESH KUMAR VERMA (1442220029) In fulfillmentfor the award of the degree of BACHELOR OF TECHNOLOGY IN ELECTRICALENGINEERING BANSAL INSTITUTE OF ENGINEERING & TECHNOLOGY, LUCKNOW U.P.
  • 2.
    CERTIFICATE This is tocertify that the dissertation work entitled “500W,12V TO 220V SOLAR INVERTER”has been done by PRABHAT KUMAR , PRASHANT KUMAR , RAJENDRA YADAV & RAKESH KUMAR VERMA submitted in partial fulfillment for the award of ‘BACHELOR OF TECHNOLOGY in Electrical Engineering from Bansal institute of Engineering & Technology , Lucknow affiliated to Uttar Pradesh Technical University. The work done by them is found satisfactory.
  • 3.
    ACKNOWLEDGEMENT First of all,we are thankful to god and our parents who always bless & inspire us to achieve our goal. It’s our great pleasure at the completion of our project on “500W 12V TO 220V SOLAR INVERTER”. It has given us great joy of working with challenges and complexity of manufacturing system or process & term work. This project work will be really helpful for our carrier. We are very much thankful to our guide, Asst. prof. ADITYA YADAV for giving us individual guidance throughout the project work. We have completed our project with great satisfaction. We are very thankful to our head of department, Mr. B.R. SINGH to help us for providing required lab facility to complete our project in college. Also all of us thankful to the entire electrical department’s faculties who directly or indirectly help us. PRABHAT KUMAR (1442220022) PRASHANT KUMAR (1442220024) RAJENDRA YADAV (1442220027) RAKESH KUMAR VERMA (1442220029)
  • 4.
    ABSTRACT The world demandfor electric energy is constantly increasing and conventional energy resources are diminishing and are at the edge of extinction, moreover their prices are rising. For all these reasons , the need for alternative energy sources has become necessary and solar energy in particular has proved to be a very promising alternative because of its easy availability and pollution-free nature. Due to increasing efficiency , decreasing cost of solar panels and improvement of the switching technology used for the power conversion , we are interested in developing an inverter powered by pv panels that could supply stand-alone ac loads . Solar panels produce direct currents (dc) and to use them in home and industrial appliances , we should have ac output at certain required voltage level and frequency. Thus , solar inverter converts the solar energy of sun into useful electrical energy (dc to ac).
  • 5.
    LIST OF CONTENTS TOPICTOPICS PAGE NO. NO. ABSTRACT 1. CHAPTER-1INTRODUCTION 1 1.1 Introduction to solar inverter 2 1.2 Solar energy description 3 1.3 Inverter and their types 4 1.4 Advantages of solar inverter 6 1.5 Application of solar inverter 8 2. CHAPTER-2COMPONENTS 9 2.1 Solar Panel 10 2.2 Relay Switch 12 2.3 Voltage Regulator 13 2.4 ADC 0804 14 2.4.1 Pin description 14 2.5 Microcontroller 89S52 15 2.5.1 Features 15 2.5.2 Pin out Description 16
  • 6.
    0 2.6 LCD 18 2.6.1Pin out description of LCD 18 2.7 Transformer 19 2.8 MOSFET 20 3. CHAPTER -3 LITERATURE SURVEY 22 3.1 Title 1 23 3.2 Title 2 24 3.3 Title 3 25 3.4 Title 4 26 3.5Title 5 27 4. CHAPTER -4 PROJECT IMPLIMENTATION 28 4.1 Block diagram 29 4.2 Circuit design 30 4.3 Interfacing of LCD with micro-controller 89S52 31 5 CHAPTER -5 HARDWARE 32 5.1 Working model of solar inverter 33 5.2 Controller circuit 34 5.3 Inverter circuit 35 6 CHAPTER - 6 FUTURE MODIFICATION 36 7 CONCLUSION 37
  • 7.
  • 8.
    2 INTRODUCTION TO SOLARINVERTER Solar inverter is a critical component in a solar energy system. It converts DC power output into AC current that can be fed into grid and directly influences the efficiency and reliability of a solar energy system. In most occasions, 220VAC and 110VAC are needed for power supply. Because direct output from solar energy is usually 12VDC, 24VDC, or 48VDC, it is necessary to use DC-AC inverter in order to be able to supply power to 220VAC electronic devices. Inverters are generally rated by the amount of AC power they can supply continuously. In general, manufacturers provide 5 second and 1/2 hour surge figures which give an indication of how much power is supplied by inverter. 1. Solar inverters require a high efficiency ratings. Since use of solar cells remains relatively costly, it is paramount to adopt high efficiency inverter to optimize the performance of solar energy system. 2. High reliability helps keep maintenance cost low. Since most solar power stations are built in rural areas without any monitoring manpower, it requires that inverters have competent circuit structure, selection of components and protective functions such as internal short circuit protection, overheating protection and overcharge protection. 3. Wider tolerance to DC input current plays an important role since the terminal voltage varies depending on the load and sunlight. Though energy storage batteries are significant in providing consistent power supply, variation in voltage increases as battery’s remaining capacity and internal resistance condition changes especially when the battery is ageing, widening its terminal voltage variation range. 4. In mid-to-large capacity solar energy systems, inverters’ power output should be in the form of sine waves which attain less distortion in energy transmission. Many solar energy power stations are equipped with gadgets that require higher quality of electricity grid which, when connected to solar energy systems, requires sine waves to avoid electric harmonic pollution from the public power supply network. Fig. 1.1 Solar inverter
  • 9.
    3 SOLAR ENERGY DESCRIPTION Solarenergy is radiant light and heat from the Sun harnessed using range of technologies such as solar heating, solar thermal energy, solar architecture and photosynthesis. It is important source of renewable energy and it technologies are broadly characterized as either passive solar or active solar depending on way they capture and distribute solar energy. Active solar techniques include use of photo-voltaic systems, concentrated solar power and solar water heating to harness the energy. Passive solar technique include orienting building to Sun, selecting materials with favorable thermal mass, and designing spaces that naturally circulate air. Solar technology is broadly characterized as either passive or active depending on way they capture, convert & distribute sunlight and enable solar energy to be harnessed at different levels around the world, mostly depending on distance from equator. Although solar energy refers primarily to use of solar radiation for practical ends, all renewable energies, other than geothermal and tidal, derive their energy from the Sun in direct or indirect way. The potential solar energy that could be used by humans differs from amount of solar energy present near surface of the planet because factors such as geography, cloud cover, and land available to humans limits the amount of solar energy that it can acquire Solar concentrating technologies like as parabolic dish, trough and Scheffler reflectors can provide process heat for commercial and industrial applications. first commercial system was the Solar Total Energy Project in Shenandoah, Georgia. Its grid-connected cogeneration system provided 400 kW of electricity plus thermal energy in form of 401 kW steam and 468 kW chilled water and had one-hour peak load thermal storage. Evaporation pond is shallow pool that concentrate dissolved solid through evaporation. The use of evaporation ponds to obtain salt from sea water one of the oldest application of solar energy. Modern use of include concentrating brine solution used in the leach mining and removing dissolved solid from waste stream. Solar power is the conversion of sunlight into electricity or directly using photo voltaics, indirectly using concentrated solar power. CSP systems use lenses or mirrors and tracking system to focus large area of sunlight into little beam. PV convert the light into electric current using the photoelectric effect. The variety of fuels can be produced by artificial photosynthesis. The Solar chemical process use solar energy to drive chemical reaction.Hydrogen production technology has been a significant area of the solar chemical research. Another vision involves all the human structures covering the earth surface doing photosynthesis much efficiently than plants.
  • 10.
    4 INVERTER AND THEIRTYPES Solar inverters may be classified into three broad types: Stand alone inverters, used in isolated systems where the inverter draws its DC energy from batteries charged by photovoltaic arrays. Many stand alone inverters also incorporate integral battery chargers to replenish the battery from an AC source, when available. These do not interface in any way with the utility grid, and as such, are not required to have anti-islanding protection. Grid tie inverters, which match phase with a utility-supplied sine wave. Grid-tie inverters are designed to shut down automatically upon loss of utility supply, for safety reasons. They do not provide backup power during utility outages. Battery backup inverters, are special inverters which are designed to draw energy from a battery, manage the battery charge via onboard charger, and export excess energy to the utility grid. These inverters are capable of supplying AC energy to selected loads during a utility outage, and are required to have anti islanding protection. In this way, classify inverters on the requirement of their output characteristics. So there are three different types of outputs we get from inverters. Hence classify inverters into three primary types ,which are as follows: (1) Square Wave inverter (2) Modified Sine wave inverter (3) Pure sine wave inverter Square Wave inverter Square wave inverter is one of the simple inverter types, which convert straight DC signal to phase shifting AC signal. But the output of this inverter is not pure AC, The simplest construction of square wave inverter can be achieved by using On/Off switches. Output Waveform of Square Wave inverter as shown below:
  • 11.
    5 Fig. 1.2 Squarewave Modified Sine wave inverter The construction of this type of inverter is bit more complex than simple square wave inverter, but still it’s a lot simpler than pure sine wave inverter. Modified sine wave show some pauses before the phase shifting of the wave, i.e. unlike square it doesn't shift its phase abruptly from positive to negative, or unlike the sine wave, doesn't make smooth transition from positive to negative, but take brief pauses and then shift its phase. Output waveform of a modified sine wave inverter as shown below…: Fig. 1.3 Modified sine wave
  • 12.
    6 Pure sine waveinverter The electrical circuit of pure sine wave inverter is much more complex than square wave or modified sine wave inverter. Another way to obtain sine output is to obtain a square wave output from a square wave inverter and then modify this output to achieve pure sine wave. A pure sine wave inverter has several advantages over its previous two forms:  More efficiency, hence consumes less power.  They can be adjusted according to your personal power requirements, since several types are available with different power outputs. Output waveform of Pure sine wave inverter as shown below: Fig. 1.4 Pure sine wave ADVANTAGES OF SOLAR INVERTER 1. Renewable Energy Source Solar energy is a truly renewable energy source. It can be harnessed in all areas of the world and is available every day. We cannot run out of solar energy, unlike some of the other sources of energy. Solar energy will be accessible as long as we have the sun, therefore sunlight will be available to people for at least 5 billion years, when according to scientists the sun is going to die.
  • 13.
    7 2. Reduces ElectricityBills Since you will be meeting some of your energy needs with the electricity your solar system has generated, your energy bills will drop. How much you save on your bill will be dependent on the size of the solar system and your electricity or heat usage. Moreover, not only will you be saving on the electricity bill, but if you generate more electricity than you use, the surplus will be exported back to the grid and you will receive bonus payments for that amount (considering that your solar panel system is connected to the grid). Savings can be further grown if you sell excess electricity at high rates during the day and then buy electricity from the grid during the evening when the rates are lower. Fig. 1.5 Solar panel installation 3. Diverse Applications Solar energy can be used for diverse purposes. You can generate electricity (photovoltaics) or heat (solar thermal). Solar energy can be used to produce electricity in areas without access to the energy grid, to distill water in regions with limited clean water supplies and to power satellites in the space. Solar energy can also be integrated in the materials used for buildings. Not long ago Sharp introduced transparent solar energy windows. 4. Low Maintenance Costs Solar energy systems generally don’t require a lot of maintenance. You only need to keep them relatively clean, so cleaning them a couple of times per year will do the job. Most reliable solar panel manufacturers give 20-25 years warranty. Also, as there are no moving parts, there is no wear and tear. The inverter is usually the only part that needs to be changed after 5-10 years because it is continuously working to convert solar energy into electricity (solar PV) and heat (solar thermal). So, after covering the initial cost of the solar system, you can expect very little spending on maintenance and repair work.
  • 14.
    8 5. Technology Development Technologyin the solar power industry is constantly advancing and improvements will intensify in the future. Innovations in quantum physics and nanotechnology can potentially increase the effectiveness of solar panels and double, or even triple, electrical input of the solar power systems. APPLICATIONS OF SOLAR INVERTER Solar inverter helps in DC power source utilization. Solar inverter can be used for domestic application. HVDC power transmission can be done. Electric vehicle drives can be run through solar inverter. Inverters convert low frequency main AC power to a higher frequency for use in induction heating. Solar inverter can be used in industrial application.
  • 15.
  • 16.
    10 Solar Panel Solar panelrefers to a panel designed to absorb the sun's rays as a source of energy for generating electricity or heating. A photovoltaic (in short PV) module is a packaged, connected assembly of typically 6×10 solar cells. Solar Photovoltaic panels constitute the solar array of a photovoltaic system that generates and supplies solar electricity in commercial and residential applications. Each module is rated by its DC output power under standard test conditions, and typically ranges from 100 to 365 watts. The efficiency of a module determines the area of a module given the same rated output – an 8% efficient 230 watt module will have twice the area of a 16% efficient 230 watt module. There are a few solar panels available that are exceeding 19% efficiency. A single solar module can produce only a limited amount of power; most installations contain multiple modules. A photovoltaic system typically includes a panel or an array of solar modules, a solar inverter, and sometimes a battery and/or solar tracker and interconnection wiring. Fig 2.1: solar panel Solar modules use light energy (photons) from the sun to generate electricity through the photovoltaic effect. The majority of modules use wafer-based crystalline silicon cells or thin- film cells based on cadmium telluride or silicon. The structural (load carrying) member of a module can either be the top layer or the back layer. Cells must also be protected from mechanical damage and moisture. Most solar modules are rigid, but semi-flexible ones are
  • 17.
    11 available, based onthin-film cells. These early solar modules were first used in space in 1958. Electrical connections are made in series to achieve a desired output voltage and/or in parallel to provide a desired current capability. The conducting wires that take the current off the modules may contain silver, copper or other non-magnetic conductive transition metals. The cells must be connected electrically to one another and to the rest of the system. Externally, popular terrestrial usage photovoltaic modules use MC3 (older) or MC4 connectors to facilitate easy weatherproof connections to the rest of the system. Fig 2.2 : solar panel mounted on a roof Bypass diodes may be incorporated or used externally, in case of partial module shading, to maximize the output of module sections still illuminated. Some recent solar module designs include concentrators in which light is focused by lenses or mirrors onto an array of smaller cells. This enables the use of cells with a high cost per unit area (such as gallium arsenide) in a cost-effective way.
  • 18.
    12 Relay Switch Relay isone of the most important electromechanical devices used in industrial applications specifically in automation. A relay is used for electronic to electrical interfacing i.e. it is used to switch on or off electrical circuits operating at high AC voltage using a low DC control voltage. A relay generally has two parts, a coil which operates at the rated DC voltage and a mechanically movable switch. The electronic and electrical circuits are electrically isolated but magnetically connected to each other, hence any fault on either side does not affects the other side. Fig 2.3 : Relay Switch Fig 2.4 : relay switch
  • 19.
    13 Relay shown inthe image above consists of five terminals. Two terminals are used to give the input DC voltage also known as the operating voltage of the relay. Relay are available in various operating voltages like 6V, 12V, 24V etc. The rest of the three terminals are used to connect the high voltage AC circuit. The terminals are called Common, Normally Open (NO) and Normally Closed (NC). Relays are available in various types & categories and in order to identify the correct configuration of the output terminals, it is best to see the data sheet or manual. Terminals can also be identified using a multimeter and at times it is printed on the relay itself. Voltage Regulator A voltage regulator generates a fixed output voltage of a preset magnitude that remains constant regardless of changes to its input voltage or load conditions. There are two types of voltage regulators : linear and switching. A linear regulator employs an active (BJT or MOSFET) pass device (series or shunt) controlled by a high gain differential amplifier. It compares the output voltage with a precise reference voltage and adjusts the pass device to maintain a constant output voltage. A switching regulator converts the dc input voltage to a switched voltage applied to a power MOSFET or BJT switch. The filtered power switch output voltage is fed back to a circuit that controls the power switch on and off times so that the output voltage remains constant regardless of input voltage or load current changes. Fig 2.5 : LM7805 Pinout diagram 7805 is a regulated integrated circuit. It is a member of 78xx series of fixed linear voltage regulator ICs. The voltage source in a circuit may have fluctuations and would not give the fixed voltage output. The voltage regulator IC maintains the output voltage at a constant value. The xx in 78xx indicates the fixed output voltage it is designed to provide. 7805 provides +5V regulated power supply. Capacitors of suitable values may be connected at input and output pins depending upon the respective voltage levels.
  • 20.
    14 2.4 ADC 0804 ADC0804is connected as shown in the circuit diagram. Here the input is taken from a preset, which gives different analog signals to the ADC. The output pins of the ADC are connected to LEDs. The control pins of the ADC are connected to the microcontroller AT89C51. ADC0804 is a single channel analog to digital convertor i.e., it can take only one analog signal. An ADC has n bit resolution (binary form) where n can be 8,10,12,16 or even 24 bits. ADC 0804 has 8 bit resolution. The higher resolution ADC gives smaller step size. Step size is smallest change that can be measured by an ADC. For an ADC with resolution of 8 bits, the step size is 19.53mV (5V/255). The time taken by the ADC to convert analog data into digital form is dependent on the frequency of clock source. ADC0804 can be given clock from external source. It also has an internal clock. However the conversion time cannot be more than110us. The frequency is given by the relation f= 1/ (1.1RC). The circuit uses a resistance of 10k and a capacitor of 150pF to generate clock for ADC0804. Vin, which is the input pin, is connected to a preset to provide analog input. Fig 2.6 : ADC 0804 2.4.1 Pin Description 1. CS, Chip Select: This is an active low pin and used to activate the ADC0804. 2. RD, Read: This is an input pin and active low. After converting the analog data, the ADC stores the result in an internal register. This pin is used to get the data out of the ADC 0804 chip. When CS=0 & high to low pulse is given to this pin, the digital output is shown on the pins D0-D7. 3. WR, Write: This is an input pin and active low. This is used to instruct the ADC to start the conversion process. If CS=0 and WR makes a low to high transition, the ADC starts the conversion process. 4. CLK IN, Clock IN: This is an input pin connected to an external clock source. 5. INTR, Interrupt: This is an active low output pin. This pin goes low when the conversion is over. 6. Vin+ : Analog Input .
  • 21.
    15 7. Vin- :Analog Input. Connected to ground. 8. AGND: Analog Ground. 9. Vref/2: This pin is used to set the reference voltage. If this is not connected the default reference voltage is 5V. In some application it is required to reduce the step size. This can be done by using this pin. 10. DGND: Digital Ground. 11-18. Output Data Bits (D7-D0). 19. CLKR: Clock Reset. 20. Vcc: Positive Supply The following steps are used to interface the ADC0804. 1. Send a low to high pulse to pin WR to start the conversion. 2. Keep monitoring the INTR pin. If INTR is low, go to next step else keep checking the status. 3. A high to low pulse is sent to the RD pin to bring the converted data on the output pins. Microcontroller : 89S52 Features • Compatible with MCS-51 Products • 8K Bytes of In-System Programmable (ISP) Flash Memory – Endurance: 10,000 Write/Erase Cycles • 4.0V to 5.5V Operating Range • Fully Static Operation: 0 Hz to 33 MHz • Three-level Program Memory Lock • 256 x 8-bit Internal RAM • 32 Programmable I/O Lines • Three 16-bit Timer/Counters • Eight Interrupt Sources • Full Duplex UART Serial Channel
  • 22.
    16 • Low-power Idleand Power-down Modes • Interrupt Recovery from Power-down Mode • Watchdog Timer • Power-off Flag • Fast Programming Time • Flexible ISP Programming (Byte and Page Mode) Fig 2.7 : 89S52 Pinout Diagram Pinout Description Pins 1-8: Port 1 Each of these pins can be configured as an input or an output. Port 1: Alternate Functions P1.0 T2 (external count input to Timer/Counter 2), clock-out P1.1 T2EX (Timer/Counter 2 capture/reload trigger and direction control) P1.5 MOSI-Master Out Serial In.(used for In-System Programming) P1.6 MISO-Master In Serial Out. (used for In-System Programming) P1.7 SCK (used for In-System Programming)
  • 23.
    17 Pin 9: RSA logic one on this pin disables the microcontroller and clears the contents of most registers. In other words, the positive voltage on this pin resets the microcontroller. By applying logic zero to this pin, the program starts execution from the beginning. Pins10-17: Port 3 Similar to port 1, each of these pins can serve as general input or output. Besides, all of them have alternative functions: Port 2 (P2.0-P2.7) Whether configured as an input or an output, this port acts the same as Port 1. If external memory is used, the high byte of the address (A8-A15) comes out on the Port 2 which is thus used for addressing it. Port 3 (P3.0-P3.7) Similar to P1, Port 3 pins can be used as general inputs or outputs. They also have additional functions to be explained later in the chapter. Pin 18, 19: X2, X1 Internal oscillator input and output. A quartz crystal which specifies operating frequency is usually connected to these pins. Instead of it, miniature ceramics resonators can also be used for frequency stability. Later versions of microcontrollers operate at a frequency of 0 Hz up to over 50 Hz. Pin 20: GND Ground. Pin 21-28: Port 2 If there is no intention to use external memory then these port pins are configured as general inputs/outputs. In case external memory is used, the higher address byte, i.e. addresses A8-A15 will appear on this port. Even though memory with capacity of 64Kb is not used, which means that not all eight port bits are used for its addressing, the rest of them are not available as inputs/outputs. Pin 29: PSEN If external ROM is used for storing program then a logic zero (0) appears on it every time the microcontroller reads a byte from memory. Pin 30: ALE Prior to reading from external memory, the microcontroller puts the lower address byte (A0-A7) on P0 and activates the ALE output. After receiving signal from the ALE pin, the external register (usually 74HCT373 or 74HCT375 add-on chip) memorizes the state of P0 and uses it as a memory chip address. Immediately after that, the ALU pin is returned its previous logic state and P0 is now used as a Data Bus. As seen, port data multiplexing is performed by means of only one additional (and cheap) integrated circuit. In other words, this port is used for both data and address transmission. Pin 31: EA By applying logic zero to this pin, P2 and P3 are used for data and address transmission with no regard to whether there is internal memory or not. It means that even there is a program written to the microcontroller, it will not be executed. Instead, the program written to external ROM will be executed. By applying logic one to the EA pin, the microcontroller will use both memories, first internal then external (if exists). Pin 32-39: Port 0 Similar to P2, if external memory is not used, these pins can be used as general inputs/outputs. Otherwise, P0 is configured as address output (A0-A7) when the ALE pin is driven high (1) or as data output (Data Bus) when the ALE pin is driven low (0). Pin 40: VCC +5V power supply.
  • 24.
    18 LCD The most commonlyused LCDs found in the market today are 1 Line, 2 Line or 4 Line LCDs which have only 1 controller and support at most of 80 characters, whereas LCDs supporting more than 80 characters make use of 2 HD44780 controllers. Most LCDs with 1 controller has 14 Pins and LCDs with 2 controller has 16 Pins (two pins are extra in both for back-light LED connections). Pin description is shown in the table below. Fig 2.8 : LCD pinout Pinout description of LCD Pin No. Name Description 1 VSS Power supply (GND) 2 VCC Power supply (+5V) 3 VEE Contrast adjust 4 RS 0 = Instruction input 1 = Data input 5 R/W 0 = Write to LCD module 1 = Read from LCD module 6 EN Enable signal
  • 25.
    19 Pin No. NameDescription 7 D0 Data bus line 0 (LSB) 8 D1 Data bus line 1 9 D2 Data bus line 2 10 D3 Data bus line 3 11 D4 Data bus line 4 12 D5 Data bus line 5 13 D6 Data bus line 6 14 D7 Data bus line 7 (MSB) Table No : 2.1 Pinout description of LCD Transformer A transformer is an electrical device that transfers electrical energy between two or more circuits through electromagnetic induction. Electromagnetic induction produces an electromotive force within a conductor which is exposed to time varying magnetic fields. Transformers are used to increase or decrease alternating voltages in electric power applications. A varying current in the transformer's primary winding creates a varying magnetic flux in the transformer core and a varying field impinging on the transformer's secondary winding. This varying magnetic field at the secondary winding induces a varying electromotive force (EMF) or voltage in the secondary winding due to electromagnetic induction. Making use of Faraday's Law in conjunction with very high magnetic permeability core properties, transformers can be designed to change, efficiently AC voltages from one voltage level to another within power networks. Since the invention of the first constant potential transformer in 1885, transformers have become essential for the transmission, distribution, and utilization of alternating current electrical energy. A wide range of transformer designs is encountered in the electronic and electric power applications. Transformers range in size from RF transformers less than a
  • 26.
    20 cubic centimeter involume to units interconnecting the power grid weighing hundreds of tons. Fig 2.9 : transformer Transformers are used to increase (or step-up) voltage before transmitting electrical energy over long distances through wires. Wires have resistance which loses energy through joule heating at a rate corresponding to square of current. By transforming power to a higher voltage transformers enable economical transmission of power and distribution. Consequently, transformers have shaped the electricity supply industry, permitting generation to be located remotely from points of demand. All but tiny fraction of the world's electrical power has passed through a series of transformers by the time it reaches the consumer. Transformers are also used extensively in electronic products to decrease (or step-down) the supply voltage to the level suitable for the low voltage circuits they contain. The transformer also electrically isolates the end user from contact with the supply voltage. Signal and audio transformers are used to couple stages of amplifiers and to match devices such as microphones and record players to the input of amplifiers. Audio transformers allowed telephone circuits to carry on a two-way conversation over a single pair of wires. Abalun transformer converts the signal that is referenced to ground to the signal that has balanced voltages to ground, such as between external cables and internal circuits. MOSFET The IGFET or MOSFET is a voltage controlled field effect transistor that differs from a JFET in that it has a “Metal Oxide” Gate electrode which is electrically insulated from the main semiconductor N-channel or P-channel by a very thin layer of insulating material usually silicon dioxide, commonly known as glass. This ultra thin insulated metal gate electrode can be thought of as one plate of a capacitor. The isolation of the controlling Gate makes the input resistance of A MOSFET extremely high way up in the Mega-ohms ( MΩ ) region thereby making it almost infinite.
  • 27.
    21 As the Gateterminal is isolated from the main current carrying channel “NO current flows into the gate” and just like the JFET, the MOSFET also acts like a voltage controlled resistor were current flowing through the main channel between the Drain and Source is proportional to the input voltage. Also like the JFET, the MOSFETs very high input resistance can easily accumulate large amounts of static charge resulting in the MOSFET becoming easily damaged unless carefully handled or protected. Like the previous JFET tutorial, MOSFETs are three terminal devices with a Gate, Drain and Sourceand both P-channel (PMOS) and N-channel (NMOS) MOSFETs are available. The main difference this time is that MOSFETs are available in two basic forms:  1. Depletion Type – the transistor requires the Gate-Source voltage, ( VGS ) to switch the device “OFF”. The depletion mode MOSFET is equivalent to a “Normally Closed” switch.  2. Enhancement Type – the transistor requires a Gate-Source voltage, ( VGS ) to switch the device “ON”. The enhancement mode MOSFET is equivalent to a “Normally Open” switch. The symbols and basic construction for both configurations of MOSFET are shown below. Fig. 2.10 symbol and basic construction of MOSFET
  • 28.
  • 29.
    23 TITLE 1 Off-Grid, Low-Cost,Electrical Sun-Car System for Developing Countries AUTHORS: Otward M. Mueller1 and Eduard K. Mueller MTECH Laboratories, LLC Ballston Spa, NY, USA DISCRIPTION: Fully electric cars are now available. This technology offers exciting opportunities, especially to citizens of developing countries in equatorial regions having highconcentrations of solar energy. The major motivation behind adoption of electric vehicles is reduced CO2 output. However, most electric vehicle batteries are charged by electrical grids powered by coal and oil, which themselves produce significant amounts of CO2. Charging electric vehicles with solar energy can dramatically reduce CO2 generation. The authors have demonstrated a low- cost electric vehicle charging station using 4 solar panels of 255 watts each, batteries, a charge controller, and an inverter. For 3 months, a SMART Electric Drive automobile was successfully charged using only solar energy. The proposed “Sun-Car System” presents a low-cost opportunity for poorer populations such as those found on Indian reservations in the southwestern United States and tribal Africa. Community owned electric vehicles could be charged solely with solar power.The demonstrated off-grid solar charging system is relatively low-cost, and would not require an electrical grid or an expensive gasoline/diesel delivery infrastructure. Keywords: — solar; electric vehicle; battery charging; solar power. INFORMATIONS COLLECTED: The solar electric vehicle charging station is also an excellent teaching tool for high-school and college students,who need to understand the concepts of volts, amperes, watts,kilowatt- hours, miles per gallon, MPGe, and the intricacies of solar collectors, charge controllers, batteries, kilowatt inverters,and of energy and transportation systems in general.This idea is certainly not new. Solar charging stations for electric vehicles already exist in places such as New Mexico and Arizona, Mississippi, and even Maine. However,the concept is especially promising in developing nations and areas. The introduction in these regions can have a profound effect in raising the quality of life for vast populations around the world, which, in turn, will bring new educational and economic possibilities to millions. This can only benefit the world as a whole.
  • 30.
    24 TITLE 2 Enhanced OffsetAveraging Technique for Flash ADC Design AUTHORS: Siqiang FAN, He TANG, Hui ZHAO, Xin WANG, Albert WANG, Bin ZHAO, Gary G ZHANG 1. Freescale Semiconductor, Inc, Irvine, CA 92618, USA; 2. Department of Electrical Engineering, University of California, Riverside, CA 92521, USA; 3. Skyworks Solutions, Inc., Irvine, CA 92617, USA DISCRIPTION: This paper presents a new combined AC/DC-coupled output averaging technique for input amplifier design of flash analog to digital converters (ADC). The new offset averaging design technique takes full advantage of traditional DC-coupled resistance averaging and AC- coupled capacitance averaging techniques to minimize offset-induced ADC nonlinearities. Circuit analysis allows selection of optimum resistance and capacitance averaging factors to achieve maximum offset reduction in ADC designs. The new averaging method is verified in designing a 4 bit 1 Gs/s flash ADC that is implemented in foundry 0.13m CMOS technology Key words: analog-to-digital converter; flash analog to digital converters (ADC); integrated circuit (IC); offset averaging; resistor averaging; capacitor averaging INFORMATION COLLECTED: High-speed ADCs are essential to high-performance systems, such as disk drive read channels, fiber optic receiver front-end and data communication links using multilevel signaling. Flash ADC structure is the architecture of choice for ADCs featuring very high sampling rates and low to moderate resolution. For highspeedADCs designed in advanced integrated circuit (IC) technologies, a reduced power supply voltage is essential to prevent CMOS gate oxide breakdowns,which, in turn, requires smaller signal swings that can significantly affect the critical signal-to-noise ratio (SNR). As the signal quantization level decreases, the offset-introduced integral non-linearity (INL) and differential non-linearity (DNL) will become a severe problem in ADC designs. It is well-known that the static and dynamic offset reduction is a challenge in flash type ADC designs. Meanwhile, low-voltage low-power ADCs are highly desired potable electronics to improve operation hours. Apparently, complex design tradeoffs among power dissipation, sampling speed, resolution, and chip size are challenging ADC design tasks. Though some offset averaging techniques have been demonstrated to effectively reduce the DNL and INL of flash ADCs where the averaging devices can be resistors or capacitors used to reduce the offset of the amplifiers, advanced flash ADCs require further offset reduction in designs. This paper presents an enhanced coupled resistor-capacitor offset averaging design technique to achieve better amplifier offset reduction in flash ADC circuitry.
  • 31.
    25 TITLE 3 A novelsingle phase cascaded multilevel inverter for hybrid renewable energy sources AUTHORS: M. Kaliamoorthy (Dept. of Electr. & Electron. Eng, PSNA Coll. of Eng. & Technol., Dindigul, India) V. Rajasekaran, G. PraveenRaj DISCRIPTION: This paper presents a novel single phase cascaded multilevel inverter for renewable energy applications. The proposed inverter consists of two H Bridge inverter connected in cascade. The top H Bridge inverter is a conventional H bridge inverter and is capable of developing three level output whereas the bottom H bridge inverter is a novel inverter which is capable of developing multilevel output. The proposed inverter is driven from a novel hybrid modulation technique, which eliminates the problem of capacitor voltage balancing issues. The proposed novel hybrid modulation technique switches the top inverter switches at high frequency and the bottom inverter switches at low frequency. The proposed inverter can be fed from any renewable energy source. In this paper, the top inverter is fed from PV arrays where as the bottom inverter is fed from wind turbine. The proposed inverter has many advantages such as; it has minimum number of power electronic devices, minimum conduction and switching losses, improved efficiency and minimum voltage stress on the devices. The proposed inverter fed from renewable energy sources is simulated in MATLAB/SIMULINK environment. To validate the simulation results laboratory prototype is also built. The entire hardware setup is controlled by using FPGA-SPATRAN 3A DSP board. INFORMATION COLLECTED: Power electronic inverters are becoming more and more popular for various industrial drive applications. Many kinds of multilevel inverter topologies have been proposed to enhance the performance of motor drive system. In this paper, the power flow management for a new hybrid cascaded multilevel inverter is present. In this new hybrid inverter, the H-bridge inverter (main inverter) and the 3-level diode clamped inverter (conditioning inverter) are connected together to drive motor, but only the main inverter needs DC voltage source. The conditioning inverter just uses non-supplied ultra capacitors as its power source. Thanks to the proposed power flow management, conditioning inverter can be used to store and reuse the braking energy of motor load. Therefore, compared with conventional H- bridge inverter, considerable energy efficiency improvement is achieved. Additionally, when the motor is at a steady speed, the conditioning inverter can provide the reactive power to the motor and improve the system dynamic performance. This control scheme has a wide range of practical applications, especially in the electric vehicle motor drive and marine propulsion system.
  • 32.
    26 TITLE 4 Charge Pumpfor LCD Driver Used in Cell Phone AUTHORS: YU Hairong , CHEN Zhiliang Institute of Microelectronics, Tsinghua University, Beijing 100084, China DISCRIPTION: A charge pump design is presented to operate at 10 kHz with 100 ìÁin a liquid crystal display(LCD) driver for cell phone. Optimal channel widths are designed by estimating the power consumption of the Fibonacci-like charge pump. An optimal frequency is a compromise between the rise time and the dynamic power dissipation. The optimization of the two-phase nonoverlapping clock generator circuit improves the efficiency. Simulation results based on1. 2 complementary metal-oxide-semiconductor (CMOS) technology parameters verify the efficiency of the design. INFORMATION COLLECTED: Most topologies of charge pumps are based on three types — Dickson,Makowski, and cross connecting. Cross-connecting is always used in a voltage doubler. For k capacitors, in two- phase multipliers the attainable DC conversion ratio for a Makowski circuit is the £-th Fibonacci number[ 1 ' 2 ].The ratio is higher than the same stage in a Dickson circuit. A Makowski charge pump is illustrated in Fig. 1. It can reach the maximal boosting ratio.The canon Makowski circuit realization ofmaximum voltage ratio (M = Vout/Vin = 5).In this work, a charge pump is designed which can step up to two, three, four or five times toward 10 - 15 V with 100 ìÁfrom a 2. 4 - 5. 5 source. Dickson and cross-connecting circuits are not suitable for high boosting ratios and heavy load applications, for they need more stages to reach the goal. To reduce the die size, the Makowski, or 518 Tsinghua Science and Technology, October 2002, 7(5): 517 – 520 called Fibonacci-like, circuit is chosen in this two-phase charge pump with four or five boosting research demonstrates the four-stage ratios on which the following discussion is based.
  • 33.
    27 TITLE 5 New multilevelinverter topology with reduced number of switches using advanced modulation strategies AUTHORS: S. N. Rao Dept. of EEE, RGMCET, Nandyal D. V. A. Kumar ; C. S. Babu DISCRIPTION: This paper presents a new class of three phase seven level inverter based on a multilevel DC link (MLDCL) and a bridge inverter to reduce the number of switches. There are 3 types of multilevel inverters named as diode clamped multilevel inverter, flying capacitor multilevel inverter and cascaded multilevel inverter. Compared to diode clamped & flying capacitor type multilevel inverters cascaded H-bridge multilevel inverter requires least no. of components to achieve same no of voltage levels and optimized circuit layout is possible because each level have same structure and there is no extra clamping diodes or capacitors. However as number of voltage levels m grows the number of active switches increases according to 2×(m-1) for the cascaded H-bridge multilevel inverters. Compared with the existing type of cascaded H-bridge multilevel inverter, the proposed MLDCL inverters can significantly reduce the switch count as well as the number of gate drivers as the number of voltage levels increases. For a given number of voltage levels, required number of active switches is 2 (m-1) for the existing multilevel inverters, but it is m+3 for the MLDCL inverters. INFORMATION COLLECTED: The output of proposed MLDCL is synthesized as the staircase wave, whose characteristics are nearer to a desired sinusoidal output. The proposed MLDCL inverter topologies can have enhanced performance by implementing the pulse width modulation (PWM) techniques. This paper also presents the most relevant control and modulation methods by a new reference/carrier based PWM scheme for MLDCL inverter and comparing the performance of the proposed scheme with that of the existing cascaded H-bridge multilevel inverter. Finally, the simulation results are included to verify the effectiveness of the both topologies in multilevel inverter configuration and validate the proposed theory. A hardware set up was developed for a one phase 7-level D.C. Link inverter topology using constant pulses.
  • 34.
  • 35.
    29 BLOCK DIAGRAM The blockdiagram of the project “ SOLAR INVERTER “ is shown below : Fig. 4.1 Block diagram of “SOLAR INVERTER”
  • 36.
    30 CIRCUIT DESIGN The circuitdesign of the project “ SOLAR INVERTER “ is shown below : Fig : 4.2 circuit design of “solar inverter”
  • 37.
    31 INTERFACING OF LCDWITH MICRO CONTROLLER 89S52 Fig. 4.3 LCD connections in 4-bit Mode The common steps are:  Mask lower 4-bits  Send to the LCD port  Send enable signal  Mask higher 4-bits  Send to LCD port  Send enable signal LCD1 LM016L 39 38 37 36 35 34 33 32 21 22 23 24 25 26 27 28 10 11 12 13 14 15 16 17 P0.0/AD0 P0.1/AD1 P0.2/AD2 P0.3/AD3 P0.4/AD4 P0.5/AD5 P0.6/AD6 P0.7/AD7 P2.0/A8 P2.1/A9 P2.2/A10 P2.3/A11 P2.4/A12 P2.5/A13 P2.6/A14 P2.7/A15 P3.0/RXD P3.1/TXD P3.2/INT0 P3.3/INT1 P3.4/T0 P3.5/T1 P3.6/WR P3.7/RD P1.0/T2 P1.1/T2EX P1.2 P1.3 P1.4 P1.5 P1.6 P1.7 AT89C52 1 2 3 4 5 6 7 8 ALEEA PSEN 29 30 31 RST 9 XTAL2 18 U1 XTAL1 19 1 2 3 VSS VDD VEE 4 5 6 RS RW E D0 D1 D2 D3 D4 D5 D6 D7 7 8 9 10 11 12 13 14
  • 38.
  • 39.
    33 WORKING MODEL OFSOLAR INVERTER Fig no : 5.1 solar inverter model
  • 40.
    34 CONTROLLER CIRCUIT Fig no: 5.2 Controller circuit
  • 41.
    35 INVERTER CIRCUIT Fig no: 5.3 inverter circuit
  • 42.
    36 CHAPTER 6 FUTURE MODIFICATION 1.Applying this project on three phase, it can be used for the industrial purpose. 2. Calculating the requirement of total power, solar panels of required capacity can be arranged together for commercial use.
  • 43.
    37 CONCLUSION From this projectwe observed that this solar inverter is producing electricity free of cost by using solar energy so, its eco- friendly, pollution free and can be used for domestic appliances as well as for industrial purpose on three phase. In this project ,we made an inverter which is sufficient to supply the power to domestic load and we have indicated on the LCD display battery terminal voltage and the output voltage. From this observation, the user can get the idea about the availability of the power.
  • 44.