Generator / Alternator
M. G. Morshad , ADGM / Electrical
TPS II ( 7 x 210MW) NLC India Ltd
Some basic information about Generator
1. It is a synchronous machine
2. Rotor is an electro magnet with S and N pole
3. The flux of the poles is controlled by supplying DC current in the rotor
winding – this is know as excitation.
4. When flux density in the pole is increased – it is called over excitation
5. When flux density in the pole decreased – it is called under excitation
6. While it rotates at turbine speed , rotor flux cuts the stator coil and
voltage is developed in the stator winding .
7. It has the capacity to deliver active power with delivering of reactive
power (lagging PF) and absorbing of reactive power (leading PF)
8. Over excitation condition ( Lagging PF) - it delivers both active and
reactive power
9. Under excitation condition ( Leading PF) - it delivers active power but
absorb reactive power
10.Active power is controlled by steam input in Turbine
11.Reactive power is controlled by excitation in Rotor winding ( Field)
Total / Apparent Power (MVA)
The current and voltage delivered by the machine is the total / apparent power of
the machine .
Total / apparent Power (MVA) = √3 x KV x Amps .
Gen
Total Power
(MVA)
Active Power
(MW)
Reactive Power
(MVAR)
Active Power (MW)
The power which can be converted to other forms is know as active power.
Active Power (MW) = √3 x KV x Amps x CosΦ.
Gen
Electric
Motor (85%)
Lighting
(15%)
Heating
(5%)
Active power is controlled by steam input in turbine
Power = Torque x Speed ( Grid Frequency)
Since machine operates at grid frequency, speed is constant
Power is directly proportional to Torque or speed input to turbine
Reactive Power (MVAR )
The power which can not be converted to other forms but remains in the system in for
maintaining voltage of the system.
Reactive Power (MVAR) = √3 x KV x Amps x SinΦ.
Gen
Inductance
Reactive power is controlled by -
1. Changing DC current in rotor field (excitation current )
2. Tap changing in Generator Transformer)
Magnetic
Flux in motor
Capacitance
Power Factor (Cos Φ)
Relation among – Total Power (MVA), Active Power (MW) & Reactive power (MVAR)
MW
MVAR
Φ
PF = Cos Φ = MW / MVA
PF indicates how much of the total power (MVA) is converted to active power (MW)
S
N
R
DC source for
excitation
current
Y
B
Stator axis
Rotor axis
Load angle
(δ)
 To avoid falling down of rotor speed - mechanical torque has to be delivered by the
prime movers.
 This process converts mechanical KE into electrical power by increasing load angle.
 As mechanical power (Pm) = Torque X speed, and electrical power (Pe) = Volt X Current
are equivalent, torque input is directly proportional to load current . Therefore by
increasing or decreasing torque in prime mover, electrical power out put in alternator is
controlled
 When the machine is
connected to Load, stator
current create a opposite
pole in the stator as per
FARADAYS LAW .
 It creates an attraction force
between stator & rotor
causing falling down of rotor
speed and decreasing of load
angle.
Operating principle
Excitation system
Controlled
Rectifier
(AC to DC)
AVR
Electronic / Digital type
Set
Terminal
Voltage
Exc Trans
FB
GENERATOR
Grid voltage = 390KV
GT voltage ratio = 15/400
Actual Terminal voltage = (15/400) X 390 =
14.62KV
Set terminal voltage = 15 KV
Error = 15 – 14.6 = 0.4 KV
Automatic Voltage Regulator (AVR) sense the
error and increase the field current for
exporting reactive power (MVAR) to the grid
(lagging PF operation).
Grid voltage = 405KV
GT voltage ratio = 15/400
Actual Terminal voltage = (15/400) X 405 =
15.19KV
Set terminal voltage = 15 KV
Error = 15 – 15.19 = - 0.19 KV
Automatic Voltage Regulator (AVR) sense the
error and decrease the field current for
importing reactive power (MVAR) from the
grid (leading PF operation).
GT Voltage
ratio 15/400
Grid
Over Excitation
Stator flux
Rotor flux or
main flux
Stator current
1. When inductive load is predominate , reactive power required by the inductive load is supplied by
machine.
2. It increases the reactive current in the stator of the machine
3. Reactive current creates higher flux in the stator which suppress the rotor main flux causing
reduction in machine voltage
4. Higher flux in stator increase the stator pole strength causing reduction in load angle.
5. AVR come into action to maintain the machine voltage and load angle by increasing excitation
current and the machine supply the reactive power with operating at lagging PF
6. This situation occurs when grid voltage and frequency is lower than rated .
7. Over excitation increase the excitation current which causes rotor heating .
8. Therefore excitation current can be increased up to the rotor heating limit.
9. Excitation current is reduced by reducing the set terminal voltage.
10. Terminal voltage can not be reduced below 10% of the rated voltage.
Under Excitation
Stator flux
Rotor flux or
main flux
Stator current
1. When capacitive load is predominate , reactive power required by the capacitive load is supplied
by machine.
2. It decrease the reactive current in the stator of the machine
3. Due to decrease in stator flux , rotor main flux gets prominent and increase the machine voltage
4. Due to decrease in stator current , stator pole strength gets reduce causing increase in load angle.
5. AVR come into action to maintain the machine voltage and load angle by decreasing excitation
current and the machine absorb the reactive power with operating at leading PF
6. This situation occurs when grid voltage and frequency is higher than rated .
7. Under excitation decrease the strength stator magnetic pole which causes pole slipping
8. Therefore excitation current can be decrease up to the pole slipping limit.
9. Excitation current is increased by increasing the set terminal voltage.
10. Terminal voltage can not be increased above 10% of the rated voltage.
Capability curve
MW
MVAR
(Lag)
MVAR
(Lead) 0
Over
excitation
zone
Under
excitation
zone
Rotor
current
line
Turbine Out put
Limit
Rotor
Heating
Limit
Load
Angle
Limit
Max lead
MVAR Limit
Operating point at
boundary condition
Stator
current line
Generator Losses and cooling
Losses in generator
Core loss - 310 KW
Copper loss - 498 KW
Windage & Stray loss - 522 KW
Mechanical Loss - 858KW
Excitation Loss - 756 KW
TOTAL LOSS - 2944 KW
TURBOGENERATOR
(Capacity 210MW / Efficiency 98.61%)
Mechanical
Input
(210 / 0.9861)
= 212.96 MW
Electrical
output
210 MW
TYPES OF LOSS CAUSE DEPENDING FACTOR
Core loss Hysteresis and eddy current Operating voltage and frequency
Copper loss I2R Stator and rotor current
Wind age loss
Air friction loss in cooling fan mounted
on the rotor shaft
Gas density and speed of the machine
Stray loss Undefined loss Geometry of the machine
Mechanical loss Friction loss in bearings
Viscosity of the bearing lubricant and
speed of the machine
Excitation loss
I2R losses in excitation transformer and
converters
Excitation current
DM Water
Stator Iron
Temp
Rotor
Temp
Seal Oil Brg. Oil
Stator copper temperature
Stator current
MW Loading
Excitation
current
MVAR
loading
Hydrogen
Gas cooler Seal Oil Cooler Brg oil coolerDM Water
Cooler
Brg. Metal
Temp
Heat generated by friction due
to speed of the machine
Auxiliary Cooling Water (ACW)
Circulating water (CW)
ACW Cooler
Operating
voltage &
frequency
Seal oil
temp
COOLING TOWER
Source of Heat
Effect
Media
Cooler
Transporter
A
B
A
A
B
B
Correct teeth angle
Incorrect teeth angle
Synchronization
Mechanical Electrical
The direction of rotation of driving (B) and
driven (A) wheel must be opposite
Phase sequence
The speed of both the wheel must be equal
so that relative speed between two wheels
becomes zero.
Frequency
The momentum (mass X velocity) of the
driving wheel B must be equal to the
momentum of the driven wheel A for
making wheel B capable to transfer power.
Voltage
The teeth of driven wheel (A) must fall
within the teeth angle of driving wheel (B).
Phase angle
GRID is an independent
system of constant voltage
and frequency
GEN
GEN is an independent
system of control able
voltage and frequency
Generator
breaker
Switchyard
Generator and it
auxiliaries
Turbine
system
Boiler
system
CLASS - C PROTECTION
ZONE
CLASS - A PROTECTION
ZONE
CLASS - B PROTECTION
ZONE
Generator Protection
CLASS - A PROTECTION
This class of protection is intended to trip the generator instantly whenever faults occur
in generator, generator transformer, UAT's, excitation system & generator breakers.
Generator side -
1. Generator over voltage (59G)
2. Generator differential (87G)
3. Generator inter turn differential (87G1)
4. Stage II generator negative sequence (46G2)
5. Stage II generator back up impedance (21G2)
6. Generator thermal overload (51G)
7. Generator stator winding 100% earth fault (64G)
8. Generator stator winding 95% earth fault (64G1)
9. Generator stator winding stand by earth fault (51NG)
Excitation side -
1. Rotor second earth fault
2. Loss of excitation (40G)
3. Rotor over voltage (+ve or -ve)
4. Thyristors bridge failure
5. Excitation transformer over current (Instantaneous)
6. Excitation transformer over current (Delayed)
Generator Transformer side -
1. Generator transformer over flux (61GT2)
2. Generator transformer overall differential (87GX)
3. Generator transformer restricted earth fault (64RGT)
4. Generator transformer pressure relief
5. Generator transformer OLTC Buchholz
6. Generator transformer Buchholz
Unit Auxiliary Transformer (UAT) side -
1. UAT (A / B) - LV side restricted earth fault (64RX1/ X2)
2. UAT (A / B) - differential (87X1/ X2)
3. UAT (A / B) - over current (50NX1/X2)
4. UAT (A / B) - HV side stand by earth fault (51X1/X2)
Generator breaker side -
1. Generator breaker stuck up (50 LBB)
2. Transfer bus bar protection (96)
CLASS - B PROTECTION
This class of protection is intended to trip the generator through reverse power protection
whenever fault occurs in prime movers or generator auxiliary.
1. GT winding / oil temperature very high
2. UAT - A/B winding / oil temperature very high
3. Excitation transformer temperature very high
4. Excitation system regulation supply failure
5. Excitation system manual channel supply failure
6. Turbine trips due to fault or manual trips
7. Boiler trips due to fault or manual trips
CLASS - C PROTECTION
This class of protection is intended to trip the generator without tripping of prime movers
whenever fault occurs in the grid of switchyard zone.
1. Generator back up impedance / stage I (21G2)
2. Bus bar protection (96BB)
3. Generator pole slip (78G)
4. GT stand by earth fault (51NGT)
5. Generator over voltage (51GT)
6. Generator - ve sequence / stage I (46 G1)
7. Under frequency (81G)
GEN
GB
RELAY
CT
PT Breaker
Tripping
Coil
DC Supply Control
Logic
B
U
S
B
A
R
Basic principle of protection scheme
Class -B 86G2
Turbine trip
Auto / MAN
Turbine
C&I
Panel
GRP DC
Supply
Turbine trip
32G 86T
FB
Class - A
Class - C
86U
86G1
1) Trip FB
2) Bus change over
3) Trip GB
4) Initiate 50LBB
1) Trip GB
2) Initiate 50LBB
3) Limit excitation to O/C
Generator protection logic
R
CT 1
CT 2
I1
I2
X
Y
F
S 1 S 2 S 1 S 2
Principle of differential protection
= + +
IR
IY
IB
IY1
IB1
IR1
IY2IR2
IB2
IR0, IY0, IB0
Unbalance
current vector
Positive sequence
current
Negative sequence
current
Zero sequence
current
NGT
Negative sequence
filter
46G1
&
46G2
R
Y
B
CT / Core 9
5000 / 5A
Negative sequence protection
Back up impedance protection
21G1 21G2
N
G
T
CT / Core 9
5000/5A
CT / Core 1
5000/5A
VT -3 200VA
UAT
N
G
T
0%
95%
100%
Stator earth fault
0.5 Ohm
Resistor
51 NG
Stand
By E/F
64 G
(0 to 100%)
64 G1
0 to 95%
F
250/1A
NGT
Injection
Transformer
VT
Open delta
Transfo
TE
Side
EE
Side
Shaft
earth
Field
winding
+ -
Slip
rings
SES
DC
BUS 64F1
Rotor earth fault
1st
E/F
2nd
E/F
SES
+
S
N
50 LBB
Line
Isolator
Generator
Breaker
GEN
GT
86G
Timer
Switchyard DC Bus
220V supply
Master trip relay
contact at GRP
Generator breaker struck up protection (50LBB)
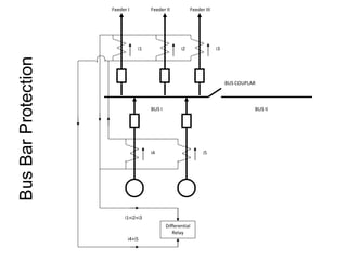
Feeder I Feeder II Feeder III
i1 i2 i3
i5i4
i1+i2+i3
i4+i5
Differential
Relay
BUS I BUS II
BUS COUPLAR
BusBarProtection

Turbo generator

  • 1.
    Generator / Alternator M.G. Morshad , ADGM / Electrical TPS II ( 7 x 210MW) NLC India Ltd
  • 2.
    Some basic informationabout Generator 1. It is a synchronous machine 2. Rotor is an electro magnet with S and N pole 3. The flux of the poles is controlled by supplying DC current in the rotor winding – this is know as excitation. 4. When flux density in the pole is increased – it is called over excitation 5. When flux density in the pole decreased – it is called under excitation 6. While it rotates at turbine speed , rotor flux cuts the stator coil and voltage is developed in the stator winding . 7. It has the capacity to deliver active power with delivering of reactive power (lagging PF) and absorbing of reactive power (leading PF) 8. Over excitation condition ( Lagging PF) - it delivers both active and reactive power 9. Under excitation condition ( Leading PF) - it delivers active power but absorb reactive power 10.Active power is controlled by steam input in Turbine 11.Reactive power is controlled by excitation in Rotor winding ( Field)
  • 3.
    Total / ApparentPower (MVA) The current and voltage delivered by the machine is the total / apparent power of the machine . Total / apparent Power (MVA) = √3 x KV x Amps . Gen Total Power (MVA) Active Power (MW) Reactive Power (MVAR)
  • 4.
    Active Power (MW) Thepower which can be converted to other forms is know as active power. Active Power (MW) = √3 x KV x Amps x CosΦ. Gen Electric Motor (85%) Lighting (15%) Heating (5%) Active power is controlled by steam input in turbine Power = Torque x Speed ( Grid Frequency) Since machine operates at grid frequency, speed is constant Power is directly proportional to Torque or speed input to turbine
  • 5.
    Reactive Power (MVAR) The power which can not be converted to other forms but remains in the system in for maintaining voltage of the system. Reactive Power (MVAR) = √3 x KV x Amps x SinΦ. Gen Inductance Reactive power is controlled by - 1. Changing DC current in rotor field (excitation current ) 2. Tap changing in Generator Transformer) Magnetic Flux in motor Capacitance
  • 6.
    Power Factor (CosΦ) Relation among – Total Power (MVA), Active Power (MW) & Reactive power (MVAR) MW MVAR Φ PF = Cos Φ = MW / MVA PF indicates how much of the total power (MVA) is converted to active power (MW)
  • 7.
    S N R DC source for excitation current Y B Statoraxis Rotor axis Load angle (δ)  To avoid falling down of rotor speed - mechanical torque has to be delivered by the prime movers.  This process converts mechanical KE into electrical power by increasing load angle.  As mechanical power (Pm) = Torque X speed, and electrical power (Pe) = Volt X Current are equivalent, torque input is directly proportional to load current . Therefore by increasing or decreasing torque in prime mover, electrical power out put in alternator is controlled  When the machine is connected to Load, stator current create a opposite pole in the stator as per FARADAYS LAW .  It creates an attraction force between stator & rotor causing falling down of rotor speed and decreasing of load angle. Operating principle
  • 8.
    Excitation system Controlled Rectifier (AC toDC) AVR Electronic / Digital type Set Terminal Voltage Exc Trans FB GENERATOR Grid voltage = 390KV GT voltage ratio = 15/400 Actual Terminal voltage = (15/400) X 390 = 14.62KV Set terminal voltage = 15 KV Error = 15 – 14.6 = 0.4 KV Automatic Voltage Regulator (AVR) sense the error and increase the field current for exporting reactive power (MVAR) to the grid (lagging PF operation). Grid voltage = 405KV GT voltage ratio = 15/400 Actual Terminal voltage = (15/400) X 405 = 15.19KV Set terminal voltage = 15 KV Error = 15 – 15.19 = - 0.19 KV Automatic Voltage Regulator (AVR) sense the error and decrease the field current for importing reactive power (MVAR) from the grid (leading PF operation). GT Voltage ratio 15/400 Grid
  • 9.
    Over Excitation Stator flux Rotorflux or main flux Stator current 1. When inductive load is predominate , reactive power required by the inductive load is supplied by machine. 2. It increases the reactive current in the stator of the machine 3. Reactive current creates higher flux in the stator which suppress the rotor main flux causing reduction in machine voltage 4. Higher flux in stator increase the stator pole strength causing reduction in load angle. 5. AVR come into action to maintain the machine voltage and load angle by increasing excitation current and the machine supply the reactive power with operating at lagging PF 6. This situation occurs when grid voltage and frequency is lower than rated . 7. Over excitation increase the excitation current which causes rotor heating . 8. Therefore excitation current can be increased up to the rotor heating limit. 9. Excitation current is reduced by reducing the set terminal voltage. 10. Terminal voltage can not be reduced below 10% of the rated voltage.
  • 10.
    Under Excitation Stator flux Rotorflux or main flux Stator current 1. When capacitive load is predominate , reactive power required by the capacitive load is supplied by machine. 2. It decrease the reactive current in the stator of the machine 3. Due to decrease in stator flux , rotor main flux gets prominent and increase the machine voltage 4. Due to decrease in stator current , stator pole strength gets reduce causing increase in load angle. 5. AVR come into action to maintain the machine voltage and load angle by decreasing excitation current and the machine absorb the reactive power with operating at leading PF 6. This situation occurs when grid voltage and frequency is higher than rated . 7. Under excitation decrease the strength stator magnetic pole which causes pole slipping 8. Therefore excitation current can be decrease up to the pole slipping limit. 9. Excitation current is increased by increasing the set terminal voltage. 10. Terminal voltage can not be increased above 10% of the rated voltage.
  • 11.
    Capability curve MW MVAR (Lag) MVAR (Lead) 0 Over excitation zone Under excitation zone Rotor current line TurbineOut put Limit Rotor Heating Limit Load Angle Limit Max lead MVAR Limit Operating point at boundary condition Stator current line
  • 12.
    Generator Losses andcooling Losses in generator Core loss - 310 KW Copper loss - 498 KW Windage & Stray loss - 522 KW Mechanical Loss - 858KW Excitation Loss - 756 KW TOTAL LOSS - 2944 KW TURBOGENERATOR (Capacity 210MW / Efficiency 98.61%) Mechanical Input (210 / 0.9861) = 212.96 MW Electrical output 210 MW TYPES OF LOSS CAUSE DEPENDING FACTOR Core loss Hysteresis and eddy current Operating voltage and frequency Copper loss I2R Stator and rotor current Wind age loss Air friction loss in cooling fan mounted on the rotor shaft Gas density and speed of the machine Stray loss Undefined loss Geometry of the machine Mechanical loss Friction loss in bearings Viscosity of the bearing lubricant and speed of the machine Excitation loss I2R losses in excitation transformer and converters Excitation current
  • 13.
    DM Water Stator Iron Temp Rotor Temp SealOil Brg. Oil Stator copper temperature Stator current MW Loading Excitation current MVAR loading Hydrogen Gas cooler Seal Oil Cooler Brg oil coolerDM Water Cooler Brg. Metal Temp Heat generated by friction due to speed of the machine Auxiliary Cooling Water (ACW) Circulating water (CW) ACW Cooler Operating voltage & frequency Seal oil temp COOLING TOWER Source of Heat Effect Media Cooler Transporter
  • 14.
    A B A A B B Correct teeth angle Incorrectteeth angle Synchronization
  • 15.
    Mechanical Electrical The directionof rotation of driving (B) and driven (A) wheel must be opposite Phase sequence The speed of both the wheel must be equal so that relative speed between two wheels becomes zero. Frequency The momentum (mass X velocity) of the driving wheel B must be equal to the momentum of the driven wheel A for making wheel B capable to transfer power. Voltage The teeth of driven wheel (A) must fall within the teeth angle of driving wheel (B). Phase angle GRID is an independent system of constant voltage and frequency GEN GEN is an independent system of control able voltage and frequency Generator breaker
  • 16.
    Switchyard Generator and it auxiliaries Turbine system Boiler system CLASS- C PROTECTION ZONE CLASS - A PROTECTION ZONE CLASS - B PROTECTION ZONE Generator Protection
  • 17.
    CLASS - APROTECTION This class of protection is intended to trip the generator instantly whenever faults occur in generator, generator transformer, UAT's, excitation system & generator breakers. Generator side - 1. Generator over voltage (59G) 2. Generator differential (87G) 3. Generator inter turn differential (87G1) 4. Stage II generator negative sequence (46G2) 5. Stage II generator back up impedance (21G2) 6. Generator thermal overload (51G) 7. Generator stator winding 100% earth fault (64G) 8. Generator stator winding 95% earth fault (64G1) 9. Generator stator winding stand by earth fault (51NG) Excitation side - 1. Rotor second earth fault 2. Loss of excitation (40G) 3. Rotor over voltage (+ve or -ve) 4. Thyristors bridge failure 5. Excitation transformer over current (Instantaneous) 6. Excitation transformer over current (Delayed) Generator Transformer side - 1. Generator transformer over flux (61GT2) 2. Generator transformer overall differential (87GX) 3. Generator transformer restricted earth fault (64RGT) 4. Generator transformer pressure relief 5. Generator transformer OLTC Buchholz 6. Generator transformer Buchholz Unit Auxiliary Transformer (UAT) side - 1. UAT (A / B) - LV side restricted earth fault (64RX1/ X2) 2. UAT (A / B) - differential (87X1/ X2) 3. UAT (A / B) - over current (50NX1/X2) 4. UAT (A / B) - HV side stand by earth fault (51X1/X2) Generator breaker side - 1. Generator breaker stuck up (50 LBB) 2. Transfer bus bar protection (96)
  • 18.
    CLASS - BPROTECTION This class of protection is intended to trip the generator through reverse power protection whenever fault occurs in prime movers or generator auxiliary. 1. GT winding / oil temperature very high 2. UAT - A/B winding / oil temperature very high 3. Excitation transformer temperature very high 4. Excitation system regulation supply failure 5. Excitation system manual channel supply failure 6. Turbine trips due to fault or manual trips 7. Boiler trips due to fault or manual trips CLASS - C PROTECTION This class of protection is intended to trip the generator without tripping of prime movers whenever fault occurs in the grid of switchyard zone. 1. Generator back up impedance / stage I (21G2) 2. Bus bar protection (96BB) 3. Generator pole slip (78G) 4. GT stand by earth fault (51NGT) 5. Generator over voltage (51GT) 6. Generator - ve sequence / stage I (46 G1) 7. Under frequency (81G)
  • 19.
    GEN GB RELAY CT PT Breaker Tripping Coil DC SupplyControl Logic B U S B A R Basic principle of protection scheme
  • 20.
    Class -B 86G2 Turbinetrip Auto / MAN Turbine C&I Panel GRP DC Supply Turbine trip 32G 86T FB Class - A Class - C 86U 86G1 1) Trip FB 2) Bus change over 3) Trip GB 4) Initiate 50LBB 1) Trip GB 2) Initiate 50LBB 3) Limit excitation to O/C Generator protection logic
  • 21.
    R CT 1 CT 2 I1 I2 X Y F S1 S 2 S 1 S 2 Principle of differential protection
  • 22.
    = + + IR IY IB IY1 IB1 IR1 IY2IR2 IB2 IR0,IY0, IB0 Unbalance current vector Positive sequence current Negative sequence current Zero sequence current NGT Negative sequence filter 46G1 & 46G2 R Y B CT / Core 9 5000 / 5A Negative sequence protection
  • 23.
    Back up impedanceprotection 21G1 21G2 N G T CT / Core 9 5000/5A CT / Core 1 5000/5A VT -3 200VA UAT
  • 24.
  • 25.
    0.5 Ohm Resistor 51 NG Stand ByE/F 64 G (0 to 100%) 64 G1 0 to 95% F 250/1A NGT Injection Transformer VT Open delta Transfo
  • 26.
  • 27.
    50 LBB Line Isolator Generator Breaker GEN GT 86G Timer Switchyard DCBus 220V supply Master trip relay contact at GRP Generator breaker struck up protection (50LBB)
  • 28.
    Feeder I FeederII Feeder III i1 i2 i3 i5i4 i1+i2+i3 i4+i5 Differential Relay BUS I BUS II BUS COUPLAR BusBarProtection