Reactors
in
power system
M.G.Morshad / ACM ( Elect.)
Transformer Mtce. Division / TS II
References
1. REPORT - SYSTEM PLANNING & PROJECT APPRAISAL DIVISION – CEA
2. LOAD GENERATION BALANCE REPORT 2010-11 – CEA
3. INSTALLED CAPACITY - CEA
4. JOURNAL - TECH NEWS – AREVA
5. HV SHUNT REACTOR SECRETS FOR PROTECTION ENGINEERS -
Zoran Gajić , Birger Hillström, Fahrudin Mekić ABB Sweden, Västerås, Sweden
6. IEEE Guide for the Protection of Shunt Reactors
7. APPLICATION OF NUMERICAL RELAYS FOR HV SHUNT REACTOR
PROTECTION –
Z. Gajić, B. Hillstrőm, M. Kockott , ABB Automation Technologies ,Sweden
8. TRANSIENTS DUE TO SWITCHING OF 400 KV SHUNT REACTOR
Ivo Uglešić, Sandra Hutter University of Zagreb Miroslav Krepela Siemens Božidar
Filipović- Grčić Croatian National Electricity Franc Jakl University of Maribor
9. IS 5553 ( Part 2) 1990
10. IS 2026 ( Part 1 & 3)
11. Installation & commissioning of shunt reactor - BHEL
Reactors in power system
REACTORS
Series
REACTOR
Shunt
REACTOR
PURPOSE
To reduce short
circuit current
PURPOSE
To reduce over
voltage
Z
Z
Acts as inductive load
and reduce high voltage
by absorbing MVAR.
Acts as inductance and
opposes the flow of short
circuit current.
AREA OF
APPLICATION
Tie Lines
AREA OF
APPLICATION
Bus , Lines,
Tertiary winging of
ICT
Classification of shunt reactors
Shunt Reactors
Dry Type
(system voltage
Below 72.5 KV)
Oil immersed Type
(system voltage 72.5
KV & above)
Core less Gapped Core
Air Core
•Star connected with neutral
grounding
• Range 30 to 300 MVAR
•Connected at the terminals of
transmission line
• Delta connected
• Range below 30 MVAR
•Connected at the tertiary
winding of transformer
Switch on / off type Permanently connected
type with thyristor
controlled
Back ground for
installing shunt
reactor
Reason for high grid voltage in
Southern grid during off peak
period – As per CEA report
Availability
28450
MW
Peak Load
demand 34224
MW
Off Peak Load
demand 13000
MW
Installed
Capacity
44220 MW
Grid voltage higher
than rated (Max
1.05PU or 441KV)
Grid voltage lower
than rated (Max
0.95PU or 399 KV)
11Hrs 15Hrs 22
Hrs
03
Hrs
Effect of high grid voltage
High over voltage cause –
• Difficulty in regulating load flow through
HVDC line
• Difficulty in synchronization inter grid
transmission line
• instability in generator due to operation of
generator in under excitation zone near the
pole slip region.
• Increase in line loss
Present practice to overcome
overvoltage situation
• Keeping all 64 Nos Reactors (56 Nos Line &8
Nos Bus) are in service during off peak period
• Switching off all lightly loaded lines
Extract of PGCIL report (2006)
• With existing reactors and opening of the lines as per
existing practice , the study reports indicate high
voltage profile throughout the grid (the voltage ranges
between 416 kV and 445 kV).
• Addition of 15 numbers of reactors of 63 MVAR each is
not adequate to control the voltages under acceptable
limits even with some of the transmission lines switched
off.
• Even large generating stations like Ramagundam,
Neyveli, Vijayawada, Raichur TPS are not able to hold
their voltages as these are crossing reactive power
absorption limit. As such these stations may also be
considered for installation of bus reactors.
• With 10 more reactors (making it 25 ), the results
indicate that when lightly loaded transmission lines are
out of service, the voltages at various buses are
generally controlled and are less than 420 kV and with
the above lines in, the voltages are higher going up to
431 kV.
• Therefore, it is concluded that provision of large number
of reactors are required to control the high voltages
situation in the grid.
Calculation of grid reactive power
About 27 numbers of 63 MVAR shunt reactor are required in southern grid
to absorb reactive power for bringing down grid voltage from 441 KV to
416 KV during off peak period
Formula Data
System Voltage Skv 420 KV
Fault Current level FkA 40 KA
Short Ckt MVA Scc= 1.732 X Skv X FkA 29097 MVA
Max Bus voltage V1 = 441 KV or (441/420) PU 1.05 PU
Acceptable Bus
voltage
V2 = 416 KV or (416/420)PU 0.99 PU
Total reactive
power
Sr = Scc{ ( V2 – V1)/V1} 1763 MVAR
Standard capacity Sst 63 MVAR
Nos of reactor
required
Sr / Sst 27 Nos
Recommended location for
additional 25 Nos reactors
Advantages of installing reactor
Technical
1. Limited voltage rise on transmission lines at the time of
light loads or after load shedding
2. Prevention of self excitation on generator on leading PF
load.
3. Reduction of over voltage on sound phases during a line
to ground fault.
4. Reduction of switching over voltage due to initial
charging of lines.
Commercial
1. Being a capital item, investment on this equipment will
be adjusted in the fixed cost portion of tariff so that
entire amount ( capital + interest ) will return within the
operating period of the reactors.
Basic operating
principle
Basic operating principle
System
Voltage, (V)
1. Initial charging current (i) produces pulsating flux in the coil
2. Induced voltage (e) = L (di / dt) is produced in opposite direction of
the coil due to pulsating flux
3. As a result of two opposite voltages current equal to (V-e) / R
passes through the coil
Shunt Reactor acts as inductive load
when it is connected to Bus/Line and
draws current for active & reactive load.
The reactive portion of current creates
pulsating flux in the core and the power
required for this purpose is known as
reactive power (KVAR).
KVAR = Current X system voltage X SinΦ
The active portion of current causes
I2R loss and the power loss due to
heating is known as active power (KW).
KW = Current X system voltage X Cos Φ
Induced
Voltage, (e)
Initial charging current.
Operating current (V-e) / R.
System
Voltage
Operating
current (I)
Active current (I x Cos Φ )
to active load (KW)
Reactivecurrent(IxSinΦ)
toreactiveload(KVAR)
Φ
Operating function of shunt reactors
(System voltage – Induced voltage)
1. Current drawn by each phase =
(Resistance per phase winding)
2. Induced voltage (e) depends upon the construction and magnetization characteristic of
the core
3. Shunt reactor is a device with the fixed impedance value. Therefore the individual phase
current is directly proportional to the applied phase voltage (i.e. I=U/Z).
4. For balance three phase current (Ir + Iy + Ib = 0), no current flows through the neutral.
5.Only during fault when phase current becomes un balance (Ir + Iy + Ib ≠ 0), current less
than 1 PU passes through the neutral. It is due to the fact that positive sequence
reactance(X1) is more or less equal to zero sequence reactance (x0) in five limbs core
configuration (Normally X1/Xo = 0.9).
6. During operation heat is produced as a result of copper loss ( due top I2R) and core
Loss ( due to Hysteresis and eddy current)
7. Typical total core & copper loss (KW)= rating of reactor (MVAR) x 0.2%
8. Typical core loss & copper loss = 75% & 25% of total loss respectively
Ir Iy Ib
Induced voltage and
Magnetizing
characteristic of the
core
Characteristics of the induced voltage
The magnitude of the inductive voltage (e) developed in the
reactor coil due to pulsating flux depends upon -
1. Flux density in the core ( Concentration of flux in the core )
2. Magnetization characteristic of the core ( Ability of the core
to produce flux)
1. Flux density in the core
•The coil provided with iron core always have higher flux
concentration than the coil without core (Air core).
•As higher concentration of pulsating flux creates higher
induced voltage (e) in the coil, iron core is used for higher
voltage (> 72.5KV ) Reactor and air core is used for lower
voltage (< 72.5KV ) Reactor
Reactor - 72.5 KV and above
•Star connected with solid / reactor
grounding
•Oil cooled , gapped core
•Rating 30 to 300 MVAR
•Directly connected to bus /
transmission line
Reactor - Below 72.5 KV
•Delta connected
•Air cooled , Air core
•Rating below 30 MVAR
•Directly connected to tertiary
winding of transformer
2. Magnetization characteristic
V – I
linearity
range
•The flux produced by the core remains proportional to the current passes through the coil
till the core gets saturated.
•After saturation of core it can not produce flux further with the increase of current.
•Because of this magnetic saturation of the core, reactor coil can not develop inductive
voltage (e) further.
•In such condition impedance of the coil becomes lower with respect to the applied
voltage and higher current drawn by the winding causing high I2R loss ( heat generation)
or earth fault.
Components of Reactor
WTI
OTI
1. 400KV,1250 Amps OIP HV bushings (3 Nos)
2. 145 KV ,1250 amps neutral bushing (1No)
3. Air cell type conservator tank with silica gel breather
4. Radiator banks (8 Nos) with ONAN type cooling
5. Buchholtz relay, Pressure relief valve and sudden pressure valve for protection
6. Floor mounted marshalling box for providing WTI,OTI and required control circuit for
protection
7. Provision of line side and neutral side CT terminals in each phase
8. Two numbers treated earth pit for earthing neutral through steel flat
9. Two number earth grid terminals for earthing reactor tank and other metal structure.
Components of reactor
Five limbed core construction is adopted to achieve high zero
sequence impedance. In addition to the three gapped core limbs with
windings, there are two continuous outer return limbs. The two unwound
side limbs help in achieving zero sequence impedance approximately
equal to the positive sequence impedance
Gapped core construction is preferred for high system voltages over
coreless construction due to the high energy density that can be achieved in
gapped core construction
The core sections between consecutive air gaps are moulded in epoxy
resin to prevent movement between individual laminations. The spacers
forming the air gaps are blocks of ceramics with a high modules of elasticity
and the whole stacking of core modules is cemented together during the
assembly to form a solid column without possibility of rocking , or rubbing
between individual parts.
The core segments are of radial laminated configuration. The radial
laminations prevent fringing flux from entering flat surfaces of core steel which
would result in eddy current overheating and hot spots.
Interleaved disc winding has been used for rated voltages 220 KV
and above. This type of winding configuration provides better impulse
voltage
distribution. For lower voltage classes a continuous disc winding or a multi
layer helical winding are used.
M 6M 5M 4
Loss in Watt / Kg
CRGO Steel StripHi-B grade
Thickness 0.3- 0.5 mm , Flux Density 1.6 Tesla Frequency 50 Hz,
Gray colour ,E Carlite insulating laminated core
23
M0H
ZDKH
0.89
1.11
0.74
0.66
0.57
0.97
27
M0H
Grading of core according to loss
Vibration in reactor
1. As a result of magnetization of core, a
magnetic attraction force (F=107
xB2
)/8π
N / m2
) approximately equal to
(107
x1.62)/8π N/m2 or 104 Ton / m2 is
produced in the air gap between the core
sections.
2. This force pulsates at double frequency
(2 X 50 Hz = 100 Hz) due to sinusoidal
flux of frequency 50 Hz.
3. Because of this double frequency
pulsating force in the core sections, high
vibration and noise is observed in reactor
during operation.
To reduce the vibration within the limit ( 200 micron) following measures are
taken during construction – 1. Air gap are filled with ceramic materials 2.
Earthing of Reactor
Treated earth pit
To earthing gridTo earthing grid LA LA LA
1. Neutral earthing – To provide return path for the fault / unbalance
current, the neutral of the reactor is grounded to two separately
treated earth pit
2. Tank earthing – To avoid heating of tank due to circulation of
eddy current as result of voltage build up on tank due to continuous
passing of fractional portion of main flux through it, the potential of the
tank is made zero by connecting with earth grid.
3. Steel structure earthing – To avoid damaging of steel structure
from lighting strike, entire steel structure is grounded through earth
grid.
Cooling of reactor
Approximate heat generation
during operation of reactor
due to core and copper loss =
0.2% x MVAR rating =
120 KW
Core loss due to hysteresis & eddy
current is about 75% of total loss i.e.
0.75X120 = 90 KW
Copper loss due to I2
R loss is
about 25% of total loss i.e.
0.25X120 = 30 KW
The loss of 120 KW is converted to heat
50000 Litre of oil absorb the heat and rise the
top oil temperature to maximum 45 Deg C
8 nos radiator banks reduces oil temperature
to 15 Deg C by ONAN cooling process.
Significance of parameters
1. Capacity (S) – As reactor is used as inductive load which only absorb
reactive power, it capacity is given in MVAR .
Rated Voltage 1 PU ( 420 KV) 1.05 PU (441KV)
Rated Capacity 63 MVAR 69.45 MVAR
Current ( MVARx100)/(1.732xKV) 86.6 Amps 90.92 Amps
2. Impedance / Positive sequence Impedance (X1) – It is the per phase
AC resistance of the winding which decides the magnitude of per phase
current. X1 = U / I = {420000/(1.732X86.6)} =2800 Ohms
3. Zero sequence Impedance (X0) – It is the AC resistance of the neutral
path which decides the magnitude of earth fault current through neutral.
The value of X0 depends on the construction of core. For five limbs core,
the value of X0 lays between 90% and 100% of positive sequence
impedance (X1). Therefore X0 = 0.9 . X1 = 0.9 X 2800 =2520 Ohms.
Because of high zero sequence impedance earth fault current is restricted
within 1 PU
4. Winding resistance (R) – It is the per phase DC resistance of the
winding which decides copper loss (I2R). Measured winding resistance
per phase = -2.570 Ohms at 38 Deg C
5. Total loss – It is the total active power consumed by the reactor and
converted in to heat. Total loss (core and copper loss) = 110KW
6. Power Factor – CosΦ = 110 / 63000 =
0.17%
110KW
630000KVAR630000KVA
Φ
Operation
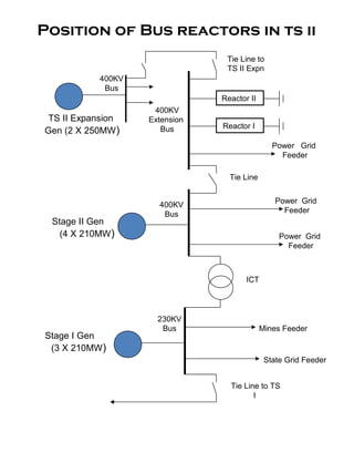
Position of Bus reactors in ts ii
Stage I Gen
(3 X 210MW)
Stage II Gen
(4 X 210MW)
400KV
Bus
400KV
Extension
Bus
Reactor II
Tie Line to
TS II Expn
ICT
Power Grid
Feeder
Power Grid
Feeder
Tie Line
230KV
Bus Mines Feeder
State Grid Feeder
Tie Line to TS
I
Reactor I
Power Grid
Feeder
TS II Expansion
Gen (2 X 250MW)
400KV
Bus
voltage compensation methods in power
system
Switchyard Bus
395 – 415KV
R
E
C
C
A
P
Delivers reactive
power to boost up
voltage
Absorb reactive
power to reduce
bus voltage
Increasing tap
to deliver reactive power for
increasing bus voltage
Decreasing tap
to absorb reactive power for
decreasing terminal voltage
Over excitation
to deliver reactive power
for increasing terminal
voltage
Under excitation
to absorb reactive power for
decreasing terminal voltage
Capacitive loading
Inductive loading
Current
Leading
MVAR
Lagging
MVARCurrent
105% Grid Voltage (445KV)
100% Grid Voltage (420KV)
95% Grid Voltage (380KV)
1. Reduce excitation 2. Reduce GT
tap 3. Switch on reactor 4. Disconnect
lines 5. Reduce Gen load
1. Increasing excitation 2. Increase GT
tap 3. Switch on Capacitor 4. Reduce
gen load
Operation of bus reactor
Switching ON : Whenever bus voltage goes to 4% higher
than rated voltage i.e. 400 x104/100 = 416 KV
Switching Off : Whenever bus voltage goes to 2% less than
rated voltage i.e. 400x98/100 = 392 KV
However switching On & Off are to be carried out as per
the direction of SRLDC
 With the switching on of bus Reactor, Station MVAR will
increase depending upon the grid voltage
 Since Reactor is a fixed impedance equipment , when
grid voltage is lower , reactor will absorb lower current
and generate lower MVAR Load.
 Similarly when grid voltage is higher , reactor will absorb
higher current and generate higher MVAR Load.
GRID VOLTAGE REACTOR CURRENT REACTIVE LOAD
400 KV 85 Amps 60 MVAR
420 KV 87 Amps 63 MVAR
441 KV 90 Amps 69 MVAR
Observation of
parameters during
switching on reactor
Switchyard parameters Time
Grid
voltage
Station
MVAR
Reactor
current ( As
per Meter)
Reactor
MVAR ( As
per Meter)
Reactor II
(SL No 6007011
Location 17th
Bay)
Before
charging
10:05 Hrs 413 KV 295 MVAR 0 0
After
charging
10:15 Hrs 411KV 335 MVAR 85 Amps 63 MVAR
Reactor I
(SL No 6007012
Location 16th
Bay)
Before
charging
12:10 Hrs 414 KV 254 MVAR 0 0
After
charging
12:17 Hrs 411KV 331 MVAR 87 Amps 63 MVAR
UCB IV Parameters Time
Gen
Terminal
Voltage
MVAR
Bus
Voltage
PF
Reactor II
(SL No 6007011
Location 17th
Bay)
Before
charging
10:15
Hrs
15.9 KV 50 MVAR 410 KV 0.98
After
charging
10:06
Hrs
15.9 KV 55 MVAR 405KV 0.98
Reactor I
(SL No 6007012
Location 16th
Bay)
Before
charging
12:10
Hrs
16 KV 40 MVAR 408 KV 0.99
After
charging
12:17
Hrs
16 KV 60 MVAR 405 KV 0.99
Site Parameters
Running
Hours
OTI WTI
Ambient
Temp
Noise &
Vibration
Label
Reactor II
(SL No 6007011
Location 17th
Bay)
Switched On:
10:13 Hrs
Switched Off:
11:15 Hrs
1Hour 30 Deg C 34 Deg C 28 Deg C Normal
Reactor I
(SL No 6007012
Location 16th
Bay)
Switched On:
12:15 Hrs
Switched Off:
13:10 Hrs
1 Hour 33 Deg C 34 Deg C 33 Deg C Normal
Behavior of shunt reactor
during operation
Switching on of shunt reactor
Typical inrush current 3 to 5.5 times of rated current.
Due to closing of breaker poles in three phases at different point of
cycle, unsymmetrical current is developed in three phases which
persist for approximately 1 sec
Closing point of BRK for Lowest
inrush current .
Closing point of BRK for Highest
inrush current .
As a result of unsymmetrical current, 3rd
harmonic current passes
through the neutral that may cause spurious tripping on earth fault.
Due to unsymmetrical current, DC off set current is produced
which decrease slowly because of low loss in reactor and may
cause saturation of CT
N R Y B
waveform of inrush current with dc off set
current during switching in
DC Off set
current
Wave form of 3rd
harmonic current through
neutral during Switching in
Typical problem during switching in
One of the principal difficulties with shunt reactor protection scheme is
false tripping during reactor energizing.
This false tripping typically occurs within some hundreds of millisecond
or even 1 to 2 seconds after closing of circuit breaker. It also happens
randomly and not with every reactor switching attempt
Most of the time, it trips on Restricted Ground Fault protection /
Differential Protection / Ground fault protection during switching in
 It should be noted that HV shunt reactors are typically switched in and
out at least once per day or even more often depending on the power
system loading patterns.
 During switching in of shunt reactor relatively high and long lasting dc
current component appears in one or more phases. This current
waveform moves the operating point of CT magnetic core on the
hysteresis curve in one direction and when the dc component diminish
it leaves the main CT with certain level of residual (i.e. remnant) flux.
 During normal operation reactor current is always around 1pu and
therefore of a relatively low magnitude, which is never big enough to
move the operating point towards the origin.
 Therefore when next switching attempt comes, depending on the
moment of switching, residual flux in the CT core can increase or
decrease. Thus this mechanism will sooner or later cause CT
saturation during reactor switch in operation.
 This CT saturation then causes problems for protective relays, which
lose the correct information about the primary current and therefore
cause false operation of protective relays.
Cause for tripping during switching in
Switching off
During switching off operation of reactor high transient over
voltage is developed due to breaking of inductive current.
This switching transients are inversely proportional to the shunt
reactor rated power
Typical over voltage in 400 KV reactors
* ( Sav – Steepness of voltage)
Switching transients overvoltage can be reduced considerably by
installing surge reactor and control switching operation i.e switching
off during zero crossing.
Frequent transients overvoltage due to switching off operation
always have the impact on the dielectric life of reactor and breakers.
Electrical faults in
shunt reactors
Phase to ground
fault at line side
Faults in shunt reactor
Internal fault External fault
Phase to ground
fault
Phase to ground
fault at neutral side
Phase to phase
short circuit fault
Inter turn short
circuit fault
Over load due to
over voltage and
harmonics
Phase to earth fault - out side the reactor
•
•Shunt reactor is a device with the fixed impedance value. Therefore the
individual phase current is directly proportional to the applied phase voltage
(i.e. I=U/Z). During external fault voltage of the faulty phase becomes lower
than other phases and a result of that unbalance is created in the phase
current. Because of unbalance phase current , zero seq. current less than 1
PU passes through the neutral.
N R Y B
Zero seq
current
(<1 PU)
Un balance in
phase current
Unbalance in phase
current due to external
earth fault
Low zero sequence
current through neutral
due to unbalance in the
phase current
Phase to earth fault - at the line side
1. Short circuit current flow through the line side
faulty phase and causes unbalance in the phase
current
2. Zero sequence current typically 1 PU flow through
the neutral due to unbalance phase current
N R Y B
Zero seq
current
Un balance in
phase current
Phase to earth fault – at the neutral side
Rated current
passes through the
line side phase
High current passes
through neutral side due
to transformer action
N R Y B
Rated current in the
line side
Turn to turn short
Shunt reactor winding impedance is approximately proportional
to the square of the number of active turns.
Short circuit between some number of turns will cause the
decrease of the winding impedance only in the faulty phase and
corresponding small raise of the shunt reactor neutral point
current.
Currents during turn-to-turn fault are of the small magnitude and
they will not produce any sufficient unbalance voltage.
Sufficient unbalance voltage is produced only when number of
turn-to-turn short is high. In such condition it is possible to detect
turn to turn fault with the help of sensitive directional zero seq
relay connected on the HV side of the reactor.
Summary – protection
CAUSES EFFECTS RESULTS IN PROTECTION ACTUATES
Switching ON Unsymmetrical
inrush current
•Zero sequence 3rd
harmonic current
through the neutral
•Saturation of CT due to
slow decaying of DC
offset current
•Restricted Earth fault
with time delay
•Diff protection
Switching
OFF
Transient over
voltage
High voltage stress on
the dielectric of the
reactor & circuit breaker.
No protection is
recommended for this
purpose.
External
phase to
ground fault
Lower than
rated current
through the
faulty phase
•Unbalance in three
phase line current
•Low zero sequence
current ( 1PU) passes
through the neutral
•Line side residual current
protection
•Differential protection
Internal
phase to
ground fault
at line side
High current at
line side in the
faulty phase
Unbalance in three
phase line current
•Low zero sequence
current 1PU) passes
through the neutral
•Line side residual current
protection
• line side over current
protection
•Differential protection
Internal
phase to
ground fault
at neutral
side
High current at
line neutral
side
•Rated current at line
side phases
•High current at neutral
side
•Neutral side over current
protection
•Differential protection
Internal
Phase to
phase short
circuit
As the chance of this fault is very remote due constructional feature of
the reactor , protection for this fault is not recommended.
Inter turn
fault
Low magnitude
voltage unbalance
Small rise in neutral
side current
No protection is
recommended since the
magnitude of fault is very
low
Electrical
Protection& relay
scheme
Reactor protection
PURPOSE OF SHUNT REACTOR PROTECTION
The purpose of the protection relaying is to disconnect the reactor and limit damage in
case of internal short circuits, earth faults, inter turn faults and over voltage or over load.
The reactor forms certain impedance for rated frequency, and as it is shunt connected, as
over load may be caused by over voltage or harmonics in voltage and current.
PROTECTION DEVICES INBUILT OR MOUNTED ON REACTOR
a) Oil immersed reactor usually have a gas detector and oil surge detector (Buchholz
alarm & trip devices), which are excellent for detecting internal faults.
b) Temperature monitors for oil & winding provide good over load protection.
c) Pressure relief device is provided to safe guard the reactor from high pressures.
REACTOR DIFFERENTIAL PROTECTION
It is widely used as instantaneous protection for short circuit faults with in the differential
zone. this is treated as main-1 protection for reactor. It can be of high impedance type or
of a sensitive current stabilized type. High impedance differential protection relays require
an equal CT turns ratio on the phase and neutral side. Sensitivity is 5% of nominal reactor
CT current.
BACK-UP PROTECTION
A variety of relays are available
a) Over current & earth fault protection. ( 50, 50N, 51, 51N, 67, 67N – any combination of
these)
b. Under impedance / distance ( z<)(21r).
c. Neutral displacement protection (un>)
RESTRICTED EARTH FAULT PROTECTION
If, for some reason, a sensitive differential protection not chosen, a restricted earth fault
protection can be utilized.
LINE PROTECTION – I, LINE PROTECTION – II
CBIP Guidelines on shunt reactor
Protection
Reactor Differential protection
I) Shall be Triple Pole Type.
ii) Have an operating current sensitivity at least 10% of nominal current.
iii) Shall be tuned with system frequency.
iv) Have an operating time not grater than 30 m sec at 5 times of setting.
v) Have a suitable non-linear resistor to limit the peak voltage during in-zone faults in
case of high impedance type.
vi) Shall be high or low impedance Principle type.
Reactor REF Protection.
I) shall be single Pole.
ii) Have an operating current sensitivity at least 10% of nominal current.
iii) Shall be tuned with system frequency.
iv) Have a suitable non-linear resistor to limit the peak voltage during in-zone faults in
case of high impedance type.
v) Shall be high or low impedance Principle type.
vi) Connection of restricted earth fault protection on the neutral side shall be from
residually connected Bushing CTs or from the ground side CT.
Reactor Backup Protection (Impedance type)
I) Shall be Triple pole type.
ii) Shall be single step Polarized ‘MHO’ or Impedance Distance relay suitable for
Measuring Phase to Ground and Phase to Phase to faults.
iii) Shall grounds a Characteristic angle between 60-80 deg.
iv) Shall have adjustable definite time delay with setting range of 0.2 to 2.0 sec.
v) Shall have a suitable range for covering 60% of Reactor impedance.
vi) Typical setting : Reach - 60% of Reactor Impedance, Time setting - 1 sec
OR
Reactor Backup Protection (Definite Time O/L & E/F).
i) Shall be single stage Definite Time 3 Pole, Over Current relay with adjustable
current and Time.
ii) Shall be connected for 2 O/C and 1 E/F connection and shall be non-directional
with reset ratio and low Transient Overreach.
iii) Typical settings of o/c relays are: Current Setting- 1.3 x Rated current , Time
setting - 1 sec
Protection of bus reactor for double
bus & transfer bus scheme
51N
21
87U
Bus I
Bus II
Transfer bus
87BB1
R
E
A
C
T
O
R
II
51N
21
87U
87BB1
R
E
A
C
T
O
R
I
87BB287BB2
To Bus Bar
protection
To Bus Bar
protection
1. Differential protection
U1 V1 W1
U2 V2 W2
N
DP
87
1s1
1s2
1s1
1s2
1s1
1s2
1s1
1s2
1s1
1s2
1s1
1s2
CT Specification
1. Ratio: 200/1A
2. Class: PS
3. Knee point voltage: 200V
4. Magnetizing current: 40 mA
5. Secondary resistance: 1 Ohms
Purpose :Internal / external phase to ground fault.
Line side CT 1
Neutral side CT 1
Typical Relay connection for Differential protection
Type of relay : High impedance differential relay
Setting : operating current sensitivity at least 10% of nominal current.
operating time not grater than 30 m sec at 5 times of setting.
2. Residual earth fault protection
U1 V1 W1
U2 V2 W2
N
Instantaneous
Residual over
Current Relay (50N)
Or
AC Time residual
Over Current relay
(51N)
1s1
1s2
1s1
1s2
1s1
1s2
CT Specification
1. Ratio: 200/1A
2. Class: PS
3. Knee point voltage: 200V
4. Magnetizing current: 40 mA
5. Secondary resistance: 1
Ohms
Assigned Protection
1. External phase to ground fault.( Unbalance phase current)
2. Internal phase to ground fault at line side .( Unbalance phase current)
3. Circuit breaker pole discrepancy.( Unbalance phase current)
Typical relay setting
•Set low set to 20% with time delay in between0.6s and 1s or even longer.
•Use 2nd harmonic blocking.
•Set high set to 175% with time delay of 0.1s.
4. Back up impedance protection
Assigned Protection
Internal phase to ground fault at line side
Typical relay setting
•Set low set to 130% with time delay in between 0.6s and 1s.
•Set high set to 250% with time delay of 0.1s.
U1 V1 W1
U2 V2 W2
N
21R – 3Ph, REACTOR
BACKUP IMPEDANCE
RELAY OF SUITABLY
SHAPED CHARECRESTICS
EITHER SINGLE / DOUBLE
ZONE TYPE
1s1
1s2
1s1
1s2
1s1
1s2
CT Specification
1. Ratio: 200/1A
2. Class: PS
3. Knee point voltage: 200V
4. Magnetizing current: 40 mA
5. Secondary resistance: 1
Ohms
Typical Relay connection for back up impedance
protection
5. Line protection main & backup
U1 V1 W1 Line Side
U2 V2 W2
Neutral Side
N
Bus Bar protection I
& II
1s1
1s2
1s4
1s3
500/1A
1000/1A
2000/1A
1s1
1s2
1s4
1s3
500/1A
1000/1A
2000/1A
1s1
1s2
1s4
1s3
500/1A
1000/1A
2000/1A
Assigned Protection
Bus bar protection
Electrical Test on
reactor
Prepared by
M. G. Morshad / Additional Chief Manager ( Elect.)
Transformer Maintenance Division
Thermal Power Station II
Neyveli Lignite Corporation Ltd
Electrical test as per IS 5553
Routine Test ( To confirm the operating criteria)
1. Measurement of WR
2. Measurement of IR & PI
3. Measurement of impedance by bridge methods
4. Measurement of loss and current at rated voltage and ambient temperature
5. Isolation test
Dielectric Test ( To confirm the dielectric strength of the insulation)
1. Separate source voltage withstand test at 230 KV for one minute
2. Induced over voltage withstand test with PD indication at 364 KV AC (1.5/√3 PU ) for
30 minutes during which the PD level shall not exceed 500pc
3. Full wave lighting impulse voltage withstand test at 1300 KVp on line terminal
4. Switching impulse voltage withstand test at 1050 KVp on line terminal
Type Test ( To confirm the design criteria)
1. Temperature rise test along with DGA before and after test
2. Full wave lighting impulse voltage withstanding test at 550 KVp on neutral terminal
3. Measurement of zero sequence reactance
4. Measurement of acoustic noise level
5. Magnetizing curve test / knee voltage measurement
6. Measurement of capacitance and tan delta between winding and tank
Special Test ( To confirm design and operating criteria )
1. FRA test
2. DGA test before and after electrical test
3. Jacking test on reactor tank
4. Vacuum test on reactor tank
5. Oil leak test
6. Snap back test on HV bushing
Measurement of WR
Purpose - To measure DC resistance per phase of coil for calculating I2R
loss in the coil, which in turns decides the temperature rise. The
measurement also shows whether the winding joints are in order and the
windings are correctly connected.
Measuring methods -
1. Only at the stable value of current (I), corresponding voltage (V) value
is taken for measuring the value of resistance ( R = V/I).
2. Applied current must not be higher than 15% of the rated current
3. % error in measurement increases with increases of applied current
due to increases in I2R loss at higher current.
4. Value to be measured between (R – N) , (Y-N), and (B-N), and all the
measured value must be equal.
N R Y B
Resistance
measuring Kit
Voltage lead
Current lead
R-N
Y-N
B-N
Room Temp ( 37 Deg C) 75 Deg C
2.570 Ω 2.570 Ω
2.570 Ω 2.570 Ω
2.570 Ω 2.570 Ω
Measurement of IR
Minimum IR
value
Below 6.6 KV 6.6 - 11KV 22 – 33 KV Above 66 KV
K = 1.00 30 Deg C 200 MΩ 400 MΩ 500 MΩ 600 MΩ
K = 1.65 40 Deg C 121 MΩ 242 MΩ 303 MΩ 363 MΩ
K = 2.60 50 Deg C 77 MΩ 153 MΩ 192 MΩ 230MΩ
K = 4.20 60 Deg C 47 MΩ 95MΩ 119 MΩ 142 MΩ
K = 6.6 70 Deg C 30 MΩ 60 MΩ 75 MΩ 90 MΩ
K = 10.5 80 Deg C 19 MΩ 38 MΩ 47 MΩ 57MΩ
(Polarization Index) PI Value = (15 minutes IR / 60 minutes IR )
Less than 1 Dangerous
Above 1 to 1.1 Poor
Above 1.1 to 1.25 Questionable
Above 1.25 to 2.0 Fair
Above 2 Good
Purpose - To ascertain minimum insulation strength (IR Value) and dryness
level (PI Value) of the winding required to charge the reactor.
N R Y B
5 KV IR measuring
Kit (Megger)
Procedure – Measure IR and PI value between (R+Y+B +N) – (Tank + E)
with 5 KV Megger and confirm the minimum IR and PI value as per the table
given below.
_ +
Isolation test
Purpose - To ascertain that the reactor core is insulated from the tank and
core frame.
G
CL Core BoltCore clamp Core Tank
CL – connected to core lamination
CC – Connected to core clamp
G – Connected to tank ( Earth )
CC
Procedure :
1.Disconnect the closing link that connects the two terminals CL-G.
2.Connect the tank with earth
3. Use a Megger and measure IR value between CL and CC + G by applying
3.5 KV for 1 minute
4. The measured IR value shall be minimum 1000 kohms ( 1 M Ohms)
5. There is no general requirement on the insulation level CC-G .
Measurement of impedance by bridge methods
Purpose : To measure the per phase impedance ( AC resistance) of the
winding which controls the flow of current through the windings.
Impedance (Z) = √[(Resistance) 2
+ ( Reactance)2
] = 420KV / 86Amps
Reactor
windings
Temp
(0
C)
U =
100/5
C4
(μF)
M3
(mH)
CN
(pF)
Lx (H) =
(M3/U)X(C4/CN)x1000
X (Ω)
=2∏fLx
U 38 20.00 8.98966 1.0032 50.915 8.856355604 2783.43
V 38 20.00 8.96700 1.0032 50.915 8.834031621 2776.41
W 38 20.00 8.96210 1.0032 50.915 8.829204282 2774.89
Where
U = CT Ratio ( 100/5)
M3 = Mutual inductance = 1.0032 mH
CN= standard capacitance = 50.915 pF
C4= measured bridge capacitance in pF
X= calculated impedance of the winding in Ohms
Measurement of loss and current at rated voltage and
ambient temperature
Purpose: To measure the loss ( core & copper loss) in reactor at rated
operating condition.
Reactors
windings
Temp
(0
C)
V =
420/√3
KV
R4
( KΩ)
C4
(μF)
ω =
2∏f
Tan delta = 1000/
(C4xR4xω)
X
(Ω)
Loss ( KW) at rated
voltage =
V2 *(Tan
Delta/X*1000)
U 38 242.49 210.15 8.98966 314.29 0.0016842350 2783.43 35.58
V 38 242.49 201.15 8.96700 314.29 0.0017640389 2776.41 37.36
W 38 242.49 332.75 8.96210 314.29 0.0010669585 2774.89 22.61
Phase
Voltage
(KV)
X
( Ohms)
Phase current =
KV*1000/X ( C )
Rated
Amps ( R )
Calculated loss at
rated voltage
(KW)
Calculated loss at rated
current = KW X ( R/C)2
U 242.49 2783.43 87.12 86.60 35.58 35.16
V 242.49 2776.41 87.34 86.60 37.36 36.73
W 242.49 2774.89 87.39 86.60 22.61 22.20
Total loss at 38Deg C at rated current = (35.16+36.73+22.20) KW = 94.09
KW
Purpose of dielectric test
Voltage level as per IS 2072
Normally reactors are operated at the rated operating voltage. During its
operation it is exposed to various transient over voltages like power
frequency over voltage (1.5 x BIL, due to system over voltage), Lighting
impulse (due to lighting), switching impulse (due to switching off). To
avoid abrupt failure of insulation due to these transients, insulation is
designed considering all the aspect. Dielectric test confirms the
capability of the insulation to withstand these transient overvoltage which
is subjected to the reactor during its service life.
Operating
voltage
KV rms
Highest system
voltage (BIL)
KV rms
Power frequency
voltage
(KV rms)
Switching
Impulse
(KV Peak )
Lighting
impulse
(KV Peak )
0.415 1.1 3 - -
3.3 3.6 10 - 20/40
6.6 7.2 20 - 40/60
11 12 28 - 60/75
15 17.5 38 - 75/95
24 50 - 95/125
33 36 70 - 145/170
52 95 - 250
66 72.6 140 - 325
123 185/230 - 450/550
145 230/275 - 550/650
170 230/275/325 - 550/650/750
230 245 325/370/395 - 750/850/950
300 395/460 750/850 950/1050
362 460/510 850/950 1050/1175
400 420 570/360 950/1050 1300/1425
Separate source voltage withstand test
at 230 KV for one minute
PURPOSE : To verify the operating voltage withstanding capacity of the
minor insulation ( paper ) used in line terminals and windings.
NR Y B
50 Hz, AC
Generator
Method Test voltage from a 50 Hz, sinusoidal source is applied
between (HV +N) and (E + Tank) through a step up
transformer
Maximum test voltage ( 400 KV /1.732) or 230 KV rms
Duration of test 60 sec
Measurement of test
voltage
Direct reading for RMS type voltmeter or (Reading / √2) for
Peak type voltmeter (KV)
Confirmation The test is declared to be successful if the test voltage does
not collapse during the test.
KV
Induced over voltage withstand test with PD indication
at 364 KV AC (1.5/√3 PU ) for 30 minutes during which the
PD level shall not exceed 500pc ( Method 2)
PURPOSE : To verify the power frequency voltage withstanding capacity of the minor
insulation (Paper ) used in line terminals & windings and the maximum level of PD observed
during the test.
Method Test voltage from a 160Hz ( to avoid saturation of core), sinusoidal source is applied at
line terminals through a step up transformer keeping neutral terminal and tank
grounded. PD is measured by PDD connected with impedance ( z) & capacitors as
shown in the fig
Maximum test voltage ( 1.5 x 420KV /1.732) or 364 KV rms
Duration of test 30 minutes in steps at various voltages level as shown below
Measurement of test
voltage
Direct reading for RMS type voltmeter or (Reading / √2) for Peak type voltmeter (V)
Confirmation The test is declared to be successful if the test voltage does not collapse during the
test. and the PD level is observed within 500pC
364KV
420KV 364KV
5 Minutes
5 Sec
30 Minutes
N
RYB
50 Hz, AC
Generator
KV
Z
PDD
Full wave lighting impulse voltage withstand
test at 1300 KVp on line terminal
PURPOSE : To verify the impulse voltage withstanding capacity of the major
insulation ( pressboard) used between the windings, line terminals caused by lighting
strike.
N R Y B
Impulse
Generator
0.1 Ώ
Recorder
-
+
Method Test voltage from an impulse generator is applied at line terminals keeping neutral
grounded through 0.1 Ώ resister and other terminals directly grounded. The sequence for
applying impulse is - one impulse of a voltage between 50% and 75 % of the full test
voltage, and three subsequent impulses at full voltage
Test voltage 1300 KV peak with Front time
Duration of test T1 = 1,2μs ± 30% and Time to half-value T2 = 50 μs ± 20%
Confirmation The test is successful if the test voltage does not collapse during the test.
Switching impulse voltage withstand test at
1050 KVp on line terminal
N R Y B
Impulse
Generator
5
0
0
Ώ
Recorder
-
+
Method Test voltage from an impulse generator is applied at line terminals keeping
neutral grounded through 500 Ώ resister and other terminals directly
grounded. The sequence for applying impulse is - one impulse of a voltage
between 50% and 75 % of the full test voltage, and three subsequent
impulses at full voltage
Test voltage 1050 KV peak
Duration of
test
Front time Tp> 100μs , Time above 90% Td> 200μs and Time to the first
zero passage T0> 500μs ( preferably 1000 μs )
Confirmation The test is successful if the test voltage does not collapse during the test.
PURPOSE : To verify the impulse voltage withstanding capacity of the major
insulation (Pressboard) between the winding ,line terminals caused by switching
operation.
Type Test
1. Temperature rise test along with DGA before and
after test
2. Full wave lighting impulse voltage withstanding test at
550 KVp on neutral terminal
3. Measurement of zero sequence reactance
4. Measurement of acoustic noise level
5. Magnetizing curve test / knee voltage measurement
6. Measurement of capacitance and tan delta between
winding and tank
Temperature rise test
The purpose of the measurement is to check that the temperature rises of
the oil and the windings do not exceed the limits agreed on or specified
by the standards.
(T1)Hot / top oil temp
Cold winding resistance at (T) 38 deg C R1 2.569 Ohms
Hot winding resistance after switched
off (to be derived from graph)
R2 2.743 Ohms
Ambient temperature after switched off Ta 34.23 Deg C
Calculated winding temp at Time of S/D Tw = {R2/R1 (235+T)R1} – 235 (2.743/2.569) x ( 235+ 38)
– 235 = 56.49 Deg C
Average oil temp at S/D T1 55.30 – ½(55.30 – 4425) =
49.22 Deg c
Winding temp gradient Tg = (Tw – T1 ) 56.49 – 49.22 =
7.27 Deg c
Average oil temp rise Td = (T1 - Ta) 49.22 – 34.23 =
14.99 Deg C
Corrected winding temperature Tc = (Tg + Td) 7.27+ 14.99 =
22.26 Deg C
Winding temperature rise (Tc – Ta)
Temp rise
Time
Steady state temp
T 55..30 / B 44.25
T 35.00 / B 33.00
8 Hours
Full wave lighting impulse voltage withstanding
test at 550 KVp on neutral terminal
NR Y B
Impulse
Generator
5
0
0
Ώ
Recorder
-
+
Method Test voltage from an impulse generator is applied at neutral terminals
keeping other terminals grounded through 500 Ώ resister and tank
directly grounded. The sequence for applying impulse is - one impulse of a
voltage between 50% and 75 % of the full test voltage, and three
subsequent impulses at full voltage
Test voltage 550 KV peak
Duration of
test
T1 = 1,2μs ± 30% and Time to half-value T2 = 50 μs ± 20%
Confirmation The test is successful if the test voltage does not collapse during the test.
PURPOSE : To verify the impulse voltage withstanding capacity of the major and
minor insulation (Pressboard and paper) used in neutral terminals and side of the winding
caused by switching operation.
Measurement of zero sequence
reactance
N R Y B
50 Hz, AC
Generator
V
A
A
Purpose : To measure the AC resistance (Impedance) of neutral path which
controls the earth fault current (zero sequence current) through neutral during
internal or external earth fault.
Method •Two phase AC supply is applied between (R+Y+B)
and( N) through a step up transformer which is fed
by a generator.
•Applied voltage is increased till 70% of the rated
current flow through the neutral .
Zero seq impedance {(3 x Applied voltage) / Neutral current} x { rated
frequency / test frequency}.
Current through neutral = 62.5 Amps
Applied Voltage = 56.40 KV
Test Frequency = 49.80 Hz
Zero Sequence Impedance = [(3 x 56400)/ 62.5] x [50.0/49.8]
= 2718.07 Ohms
Measurement of acoustic noise level
and vibration
1 Meter
2 MeterMicrophone for
picking up noise
The purpose of the sound level measurement is to check that the sound level
of the reactor meets the specification requirements given in relevant standards
.
A sound spectrum analyses is used for measuring sound level. The sound
spectrum indicates the magnitude of sound components as a function of
frequency. The sound pressure level is the measured at various points
around at a distance (D) of 30 cm for ONAN or 2 m for ONAF cooling
system spaced at an interval (X) of 1 meter.
Limit
Sound level
Vibration level Within 200 microns
Within 81db
Magnetizing curve test / knee voltage
measurement
Test procedure
• Each phase of the reactor is charged one by one with direct current.
• When the maximum test current reached, supply is switched off and the reactor
winding is short-circuited simultaneously by DC current breaker.
• The decaying current in the circuit is registered by a computer assisted data
acquisition system.
• The saturation curve Flux (Ø) / Flux (Ø) nom. versus I / Inom is then determined
using the formula.
Imax Maximum measured current Calculation
Imin Minimum measured current L(I) = (IxR) / (di/dt)
I nom Nominal AC current / √ 2 Ø nom = I nom x L mean
I mean Calculated inductance from I min to I nom Ø (I ) = ∫( Imin L(I)) +(Imean x L mean)
Ø nom Nominal flux at I nom
R Circuit resistance (RL + Rs+ Rc)
I / I nom
Ø / Ø nom
2
2
Measurement of capacitance and tan delta
between winding and tank
Angle δ
Capacitance (pF)
[(I/2 f V π) x Cos δ ]
Tan δ = Sin δ =Cos Φ(PF)
Condition of the
insulation
0.0 Deg (I / 3140) x 1.000 0 Pure capacitor
0.5 Deg (I / 3140) x 0.999 0.002 Very good
0.5 Deg (I / 3140) x 0.999 0.004 Good
0.5 Deg (I / 3140) x 0.999 0.006 Fairly good
0.5 Deg (I / 3140) x 0.999 0.007 Acceptable
0.5 Deg (I / 3140) x 0.999 0.008 Not acceptable
90.0 Deg 0 1.0 Pure resistance
N R Y B 10 KV
Tan
Delta
Kit
Purpose : To ascertain the condition of the solid insulation of the windings.
+
+
+
+
-
-
-
-
I
Ic
I
Ir
Ir
V
δ
Φ
I = total current drawn by the capacitor formed
between winding and tank and the value of
capacitance is [(I/2 f V π) x Cos δ ] (pF)
Ic = Capacitor charging current
Ir = Current flow through the capacitor due to
impurities / disintegration of the insulation between
winding and tank. As this current is in phase with
applied voltage, it is dissipated in heat.
Measured Capacitance = 9887 pF, Tan δ = 0.0031 at temp 39 Deg C
Special Test
1. FRA test
2. DGA test before and after electrical test
3. Vacuum test on reactor tank
4. Oil leak test
5. Snap back test on HV bushing
FRA test
Purpose- Frequency Response Analysis (FRA) is carried out to
detect displacement (or movement) of the windings. Usually the
first measurement in the factory is used as a fingerprint. Results of
later measurements are compared with the first one in the factory.
The software controlled sine wave generator produces output
voltage of max. 4 Vrms with frequency range of 50 Hz to 1 MHz. It
has 75 Ω output impedance. Input impedance is 75 Ω.
Voltage from the generator is applied to the one transformer
terminal (one winding end) and response voltage is measured on
another terminal (the other winding end).
FRA test report
Impedance value Z in kΩ versus frequency is plotted on the diagram with
indication of terminals with applied and response voltage.
Or attenuation A (or damping) in dB (20 log (Uoutput / Uinput ) versus
frequency is plotted on the diagram with indication of terminals with
applied and response voltage.
The reactor is said to be healthy if no deviation is observed
between the results taken in factory and field
DGA test
5 gms of silver nitrate
(AgNO3) dissolved
in 100 ml distilled
water
A week solution of ammonia in water is
slowly added to 100 ml of solution 1,
until a white curdled precipitate which
forms first disappears in the mixture.
Chemical analysis of gas : The gas analyser loaded with these solution is
connected to the top pet cock. Small quantities of gas collected in the gas
relay (Bucholtz relay) is allowed to pass through the two solutions.
Vacuum test on reactor tank
Oil leak test
Snap back test on HV bushing
Purpose : Snap back test was carried out on the above bushing to
determine the natural frequency and damping factor.
Following equipment were used to conduct this test.
1: Piezoelectric accelerometer B & K 4371.
2: PL 202 Real Time FFT Analyzer
Methods : Two nos. Piezoelectric accelerometer were mounted 90 degree
apart at the bottom of the bushing, one in the direction of applied force (X)
and other 90 degree to the applied force (Y). A force of 250 Kg was applied
at the top and then it was cut-off. The resulting vibrations were recorded on
the FFT. The recorded signals were analyzed on FFT Analyzer to determine
the natural frequency and damping factor of the bushing.
X
Y
FFT
X
direction
Y
direction
Natural
frequency
From FFT reading 3.25 3.25
Damping
factor
[(100 / 2 π n) * log (Y 1 / Yn+1)] Where: n = No. of cycle
Y n+1 = Amplitude of (n+1) cycle peak Y1 = Amplitude of
1st cycle peak
1.421% 2.03%
The test is successful if no evidence of physical damage is observed on
the bushing after the test
Final
Observations
Though oil immersed, shunt reactor and power transformer are
viewed alike, there are distinct differences between construction
and operating characteristics of these two devices.
As NLC is going to install two numbers 63 MVAR bus reactor for
the first time in TS II and the operating and maintenance staffs
are not properly exposed to its operating data, following
information need to be collected from any southern grid thermal
power plant ( not from substation) presently operating with
similar capacity bus reactors for successful and trouble free
operation of reactor in TS II –
Average number of switching operation of the reactor per day
Numbers of operating hours achieved since commissioning
Numbers of forced / planned shutdown taken after
commissioning
Protection co-ordinations and its settings
Number of false/actual tripping, if any, since commissioning and
its reasons
Maximum & minimum bus voltage for switching in and out of
reactors
Reduction in leading MVAR and bus voltage after switching in of
the reactor
Any abnormalities observed in generator excitation during
switching in/out
 Average reactor current, winding and oil temperature
Any failure of parts like bushings, LA, gaskets etc since
commissioning
Remarks of the operating staff on the performance of the
reactors
Thank you

Reactors

  • 1.
    Reactors in power system M.G.Morshad /ACM ( Elect.) Transformer Mtce. Division / TS II
  • 2.
    References 1. REPORT -SYSTEM PLANNING & PROJECT APPRAISAL DIVISION – CEA 2. LOAD GENERATION BALANCE REPORT 2010-11 – CEA 3. INSTALLED CAPACITY - CEA 4. JOURNAL - TECH NEWS – AREVA 5. HV SHUNT REACTOR SECRETS FOR PROTECTION ENGINEERS - Zoran Gajić , Birger Hillström, Fahrudin Mekić ABB Sweden, Västerås, Sweden 6. IEEE Guide for the Protection of Shunt Reactors 7. APPLICATION OF NUMERICAL RELAYS FOR HV SHUNT REACTOR PROTECTION – Z. Gajić, B. Hillstrőm, M. Kockott , ABB Automation Technologies ,Sweden 8. TRANSIENTS DUE TO SWITCHING OF 400 KV SHUNT REACTOR Ivo Uglešić, Sandra Hutter University of Zagreb Miroslav Krepela Siemens Božidar Filipović- Grčić Croatian National Electricity Franc Jakl University of Maribor 9. IS 5553 ( Part 2) 1990 10. IS 2026 ( Part 1 & 3) 11. Installation & commissioning of shunt reactor - BHEL
  • 3.
    Reactors in powersystem REACTORS Series REACTOR Shunt REACTOR PURPOSE To reduce short circuit current PURPOSE To reduce over voltage Z Z Acts as inductive load and reduce high voltage by absorbing MVAR. Acts as inductance and opposes the flow of short circuit current. AREA OF APPLICATION Tie Lines AREA OF APPLICATION Bus , Lines, Tertiary winging of ICT
  • 4.
    Classification of shuntreactors Shunt Reactors Dry Type (system voltage Below 72.5 KV) Oil immersed Type (system voltage 72.5 KV & above) Core less Gapped Core Air Core •Star connected with neutral grounding • Range 30 to 300 MVAR •Connected at the terminals of transmission line • Delta connected • Range below 30 MVAR •Connected at the tertiary winding of transformer Switch on / off type Permanently connected type with thyristor controlled
  • 5.
  • 6.
    Reason for highgrid voltage in Southern grid during off peak period – As per CEA report Availability 28450 MW Peak Load demand 34224 MW Off Peak Load demand 13000 MW Installed Capacity 44220 MW Grid voltage higher than rated (Max 1.05PU or 441KV) Grid voltage lower than rated (Max 0.95PU or 399 KV) 11Hrs 15Hrs 22 Hrs 03 Hrs
  • 7.
    Effect of highgrid voltage High over voltage cause – • Difficulty in regulating load flow through HVDC line • Difficulty in synchronization inter grid transmission line • instability in generator due to operation of generator in under excitation zone near the pole slip region. • Increase in line loss Present practice to overcome overvoltage situation • Keeping all 64 Nos Reactors (56 Nos Line &8 Nos Bus) are in service during off peak period • Switching off all lightly loaded lines
  • 8.
    Extract of PGCILreport (2006) • With existing reactors and opening of the lines as per existing practice , the study reports indicate high voltage profile throughout the grid (the voltage ranges between 416 kV and 445 kV). • Addition of 15 numbers of reactors of 63 MVAR each is not adequate to control the voltages under acceptable limits even with some of the transmission lines switched off. • Even large generating stations like Ramagundam, Neyveli, Vijayawada, Raichur TPS are not able to hold their voltages as these are crossing reactive power absorption limit. As such these stations may also be considered for installation of bus reactors. • With 10 more reactors (making it 25 ), the results indicate that when lightly loaded transmission lines are out of service, the voltages at various buses are generally controlled and are less than 420 kV and with the above lines in, the voltages are higher going up to 431 kV. • Therefore, it is concluded that provision of large number of reactors are required to control the high voltages situation in the grid.
  • 9.
    Calculation of gridreactive power About 27 numbers of 63 MVAR shunt reactor are required in southern grid to absorb reactive power for bringing down grid voltage from 441 KV to 416 KV during off peak period Formula Data System Voltage Skv 420 KV Fault Current level FkA 40 KA Short Ckt MVA Scc= 1.732 X Skv X FkA 29097 MVA Max Bus voltage V1 = 441 KV or (441/420) PU 1.05 PU Acceptable Bus voltage V2 = 416 KV or (416/420)PU 0.99 PU Total reactive power Sr = Scc{ ( V2 – V1)/V1} 1763 MVAR Standard capacity Sst 63 MVAR Nos of reactor required Sr / Sst 27 Nos
  • 10.
  • 11.
    Advantages of installingreactor Technical 1. Limited voltage rise on transmission lines at the time of light loads or after load shedding 2. Prevention of self excitation on generator on leading PF load. 3. Reduction of over voltage on sound phases during a line to ground fault. 4. Reduction of switching over voltage due to initial charging of lines. Commercial 1. Being a capital item, investment on this equipment will be adjusted in the fixed cost portion of tariff so that entire amount ( capital + interest ) will return within the operating period of the reactors.
  • 12.
  • 13.
    Basic operating principle System Voltage,(V) 1. Initial charging current (i) produces pulsating flux in the coil 2. Induced voltage (e) = L (di / dt) is produced in opposite direction of the coil due to pulsating flux 3. As a result of two opposite voltages current equal to (V-e) / R passes through the coil Shunt Reactor acts as inductive load when it is connected to Bus/Line and draws current for active & reactive load. The reactive portion of current creates pulsating flux in the core and the power required for this purpose is known as reactive power (KVAR). KVAR = Current X system voltage X SinΦ The active portion of current causes I2R loss and the power loss due to heating is known as active power (KW). KW = Current X system voltage X Cos Φ Induced Voltage, (e) Initial charging current. Operating current (V-e) / R. System Voltage Operating current (I) Active current (I x Cos Φ ) to active load (KW) Reactivecurrent(IxSinΦ) toreactiveload(KVAR) Φ
  • 14.
    Operating function ofshunt reactors (System voltage – Induced voltage) 1. Current drawn by each phase = (Resistance per phase winding) 2. Induced voltage (e) depends upon the construction and magnetization characteristic of the core 3. Shunt reactor is a device with the fixed impedance value. Therefore the individual phase current is directly proportional to the applied phase voltage (i.e. I=U/Z). 4. For balance three phase current (Ir + Iy + Ib = 0), no current flows through the neutral. 5.Only during fault when phase current becomes un balance (Ir + Iy + Ib ≠ 0), current less than 1 PU passes through the neutral. It is due to the fact that positive sequence reactance(X1) is more or less equal to zero sequence reactance (x0) in five limbs core configuration (Normally X1/Xo = 0.9). 6. During operation heat is produced as a result of copper loss ( due top I2R) and core Loss ( due to Hysteresis and eddy current) 7. Typical total core & copper loss (KW)= rating of reactor (MVAR) x 0.2% 8. Typical core loss & copper loss = 75% & 25% of total loss respectively Ir Iy Ib
  • 15.
  • 16.
    Characteristics of theinduced voltage The magnitude of the inductive voltage (e) developed in the reactor coil due to pulsating flux depends upon - 1. Flux density in the core ( Concentration of flux in the core ) 2. Magnetization characteristic of the core ( Ability of the core to produce flux) 1. Flux density in the core •The coil provided with iron core always have higher flux concentration than the coil without core (Air core). •As higher concentration of pulsating flux creates higher induced voltage (e) in the coil, iron core is used for higher voltage (> 72.5KV ) Reactor and air core is used for lower voltage (< 72.5KV ) Reactor Reactor - 72.5 KV and above •Star connected with solid / reactor grounding •Oil cooled , gapped core •Rating 30 to 300 MVAR •Directly connected to bus / transmission line Reactor - Below 72.5 KV •Delta connected •Air cooled , Air core •Rating below 30 MVAR •Directly connected to tertiary winding of transformer
  • 17.
    2. Magnetization characteristic V– I linearity range •The flux produced by the core remains proportional to the current passes through the coil till the core gets saturated. •After saturation of core it can not produce flux further with the increase of current. •Because of this magnetic saturation of the core, reactor coil can not develop inductive voltage (e) further. •In such condition impedance of the coil becomes lower with respect to the applied voltage and higher current drawn by the winding causing high I2R loss ( heat generation) or earth fault.
  • 18.
    Components of Reactor WTI OTI 1.400KV,1250 Amps OIP HV bushings (3 Nos) 2. 145 KV ,1250 amps neutral bushing (1No) 3. Air cell type conservator tank with silica gel breather 4. Radiator banks (8 Nos) with ONAN type cooling 5. Buchholtz relay, Pressure relief valve and sudden pressure valve for protection 6. Floor mounted marshalling box for providing WTI,OTI and required control circuit for protection 7. Provision of line side and neutral side CT terminals in each phase 8. Two numbers treated earth pit for earthing neutral through steel flat 9. Two number earth grid terminals for earthing reactor tank and other metal structure.
  • 19.
    Components of reactor Fivelimbed core construction is adopted to achieve high zero sequence impedance. In addition to the three gapped core limbs with windings, there are two continuous outer return limbs. The two unwound side limbs help in achieving zero sequence impedance approximately equal to the positive sequence impedance
  • 20.
    Gapped core constructionis preferred for high system voltages over coreless construction due to the high energy density that can be achieved in gapped core construction The core sections between consecutive air gaps are moulded in epoxy resin to prevent movement between individual laminations. The spacers forming the air gaps are blocks of ceramics with a high modules of elasticity and the whole stacking of core modules is cemented together during the assembly to form a solid column without possibility of rocking , or rubbing between individual parts. The core segments are of radial laminated configuration. The radial laminations prevent fringing flux from entering flat surfaces of core steel which would result in eddy current overheating and hot spots.
  • 21.
    Interleaved disc windinghas been used for rated voltages 220 KV and above. This type of winding configuration provides better impulse voltage distribution. For lower voltage classes a continuous disc winding or a multi layer helical winding are used. M 6M 5M 4 Loss in Watt / Kg CRGO Steel StripHi-B grade Thickness 0.3- 0.5 mm , Flux Density 1.6 Tesla Frequency 50 Hz, Gray colour ,E Carlite insulating laminated core 23 M0H ZDKH 0.89 1.11 0.74 0.66 0.57 0.97 27 M0H Grading of core according to loss
  • 22.
    Vibration in reactor 1.As a result of magnetization of core, a magnetic attraction force (F=107 xB2 )/8π N / m2 ) approximately equal to (107 x1.62)/8π N/m2 or 104 Ton / m2 is produced in the air gap between the core sections. 2. This force pulsates at double frequency (2 X 50 Hz = 100 Hz) due to sinusoidal flux of frequency 50 Hz. 3. Because of this double frequency pulsating force in the core sections, high vibration and noise is observed in reactor during operation. To reduce the vibration within the limit ( 200 micron) following measures are taken during construction – 1. Air gap are filled with ceramic materials 2.
  • 23.
    Earthing of Reactor Treatedearth pit To earthing gridTo earthing grid LA LA LA 1. Neutral earthing – To provide return path for the fault / unbalance current, the neutral of the reactor is grounded to two separately treated earth pit 2. Tank earthing – To avoid heating of tank due to circulation of eddy current as result of voltage build up on tank due to continuous passing of fractional portion of main flux through it, the potential of the tank is made zero by connecting with earth grid. 3. Steel structure earthing – To avoid damaging of steel structure from lighting strike, entire steel structure is grounded through earth grid.
  • 24.
    Cooling of reactor Approximateheat generation during operation of reactor due to core and copper loss = 0.2% x MVAR rating = 120 KW Core loss due to hysteresis & eddy current is about 75% of total loss i.e. 0.75X120 = 90 KW Copper loss due to I2 R loss is about 25% of total loss i.e. 0.25X120 = 30 KW The loss of 120 KW is converted to heat 50000 Litre of oil absorb the heat and rise the top oil temperature to maximum 45 Deg C 8 nos radiator banks reduces oil temperature to 15 Deg C by ONAN cooling process.
  • 25.
    Significance of parameters 1.Capacity (S) – As reactor is used as inductive load which only absorb reactive power, it capacity is given in MVAR . Rated Voltage 1 PU ( 420 KV) 1.05 PU (441KV) Rated Capacity 63 MVAR 69.45 MVAR Current ( MVARx100)/(1.732xKV) 86.6 Amps 90.92 Amps 2. Impedance / Positive sequence Impedance (X1) – It is the per phase AC resistance of the winding which decides the magnitude of per phase current. X1 = U / I = {420000/(1.732X86.6)} =2800 Ohms 3. Zero sequence Impedance (X0) – It is the AC resistance of the neutral path which decides the magnitude of earth fault current through neutral. The value of X0 depends on the construction of core. For five limbs core, the value of X0 lays between 90% and 100% of positive sequence impedance (X1). Therefore X0 = 0.9 . X1 = 0.9 X 2800 =2520 Ohms. Because of high zero sequence impedance earth fault current is restricted within 1 PU 4. Winding resistance (R) – It is the per phase DC resistance of the winding which decides copper loss (I2R). Measured winding resistance per phase = -2.570 Ohms at 38 Deg C 5. Total loss – It is the total active power consumed by the reactor and converted in to heat. Total loss (core and copper loss) = 110KW 6. Power Factor – CosΦ = 110 / 63000 = 0.17% 110KW 630000KVAR630000KVA Φ
  • 26.
  • 27.
    Position of Busreactors in ts ii Stage I Gen (3 X 210MW) Stage II Gen (4 X 210MW) 400KV Bus 400KV Extension Bus Reactor II Tie Line to TS II Expn ICT Power Grid Feeder Power Grid Feeder Tie Line 230KV Bus Mines Feeder State Grid Feeder Tie Line to TS I Reactor I Power Grid Feeder TS II Expansion Gen (2 X 250MW) 400KV Bus
  • 28.
    voltage compensation methodsin power system Switchyard Bus 395 – 415KV R E C C A P Delivers reactive power to boost up voltage Absorb reactive power to reduce bus voltage Increasing tap to deliver reactive power for increasing bus voltage Decreasing tap to absorb reactive power for decreasing terminal voltage Over excitation to deliver reactive power for increasing terminal voltage Under excitation to absorb reactive power for decreasing terminal voltage Capacitive loading Inductive loading Current Leading MVAR Lagging MVARCurrent 105% Grid Voltage (445KV) 100% Grid Voltage (420KV) 95% Grid Voltage (380KV) 1. Reduce excitation 2. Reduce GT tap 3. Switch on reactor 4. Disconnect lines 5. Reduce Gen load 1. Increasing excitation 2. Increase GT tap 3. Switch on Capacitor 4. Reduce gen load
  • 29.
    Operation of busreactor Switching ON : Whenever bus voltage goes to 4% higher than rated voltage i.e. 400 x104/100 = 416 KV Switching Off : Whenever bus voltage goes to 2% less than rated voltage i.e. 400x98/100 = 392 KV However switching On & Off are to be carried out as per the direction of SRLDC  With the switching on of bus Reactor, Station MVAR will increase depending upon the grid voltage  Since Reactor is a fixed impedance equipment , when grid voltage is lower , reactor will absorb lower current and generate lower MVAR Load.  Similarly when grid voltage is higher , reactor will absorb higher current and generate higher MVAR Load. GRID VOLTAGE REACTOR CURRENT REACTIVE LOAD 400 KV 85 Amps 60 MVAR 420 KV 87 Amps 63 MVAR 441 KV 90 Amps 69 MVAR
  • 30.
    Observation of parameters during switchingon reactor Switchyard parameters Time Grid voltage Station MVAR Reactor current ( As per Meter) Reactor MVAR ( As per Meter) Reactor II (SL No 6007011 Location 17th Bay) Before charging 10:05 Hrs 413 KV 295 MVAR 0 0 After charging 10:15 Hrs 411KV 335 MVAR 85 Amps 63 MVAR Reactor I (SL No 6007012 Location 16th Bay) Before charging 12:10 Hrs 414 KV 254 MVAR 0 0 After charging 12:17 Hrs 411KV 331 MVAR 87 Amps 63 MVAR UCB IV Parameters Time Gen Terminal Voltage MVAR Bus Voltage PF Reactor II (SL No 6007011 Location 17th Bay) Before charging 10:15 Hrs 15.9 KV 50 MVAR 410 KV 0.98 After charging 10:06 Hrs 15.9 KV 55 MVAR 405KV 0.98 Reactor I (SL No 6007012 Location 16th Bay) Before charging 12:10 Hrs 16 KV 40 MVAR 408 KV 0.99 After charging 12:17 Hrs 16 KV 60 MVAR 405 KV 0.99 Site Parameters Running Hours OTI WTI Ambient Temp Noise & Vibration Label Reactor II (SL No 6007011 Location 17th Bay) Switched On: 10:13 Hrs Switched Off: 11:15 Hrs 1Hour 30 Deg C 34 Deg C 28 Deg C Normal Reactor I (SL No 6007012 Location 16th Bay) Switched On: 12:15 Hrs Switched Off: 13:10 Hrs 1 Hour 33 Deg C 34 Deg C 33 Deg C Normal
  • 31.
    Behavior of shuntreactor during operation
  • 32.
    Switching on ofshunt reactor Typical inrush current 3 to 5.5 times of rated current. Due to closing of breaker poles in three phases at different point of cycle, unsymmetrical current is developed in three phases which persist for approximately 1 sec Closing point of BRK for Lowest inrush current . Closing point of BRK for Highest inrush current . As a result of unsymmetrical current, 3rd harmonic current passes through the neutral that may cause spurious tripping on earth fault. Due to unsymmetrical current, DC off set current is produced which decrease slowly because of low loss in reactor and may cause saturation of CT N R Y B
  • 33.
    waveform of inrushcurrent with dc off set current during switching in DC Off set current Wave form of 3rd harmonic current through neutral during Switching in
  • 34.
    Typical problem duringswitching in One of the principal difficulties with shunt reactor protection scheme is false tripping during reactor energizing. This false tripping typically occurs within some hundreds of millisecond or even 1 to 2 seconds after closing of circuit breaker. It also happens randomly and not with every reactor switching attempt Most of the time, it trips on Restricted Ground Fault protection / Differential Protection / Ground fault protection during switching in  It should be noted that HV shunt reactors are typically switched in and out at least once per day or even more often depending on the power system loading patterns.  During switching in of shunt reactor relatively high and long lasting dc current component appears in one or more phases. This current waveform moves the operating point of CT magnetic core on the hysteresis curve in one direction and when the dc component diminish it leaves the main CT with certain level of residual (i.e. remnant) flux.  During normal operation reactor current is always around 1pu and therefore of a relatively low magnitude, which is never big enough to move the operating point towards the origin.  Therefore when next switching attempt comes, depending on the moment of switching, residual flux in the CT core can increase or decrease. Thus this mechanism will sooner or later cause CT saturation during reactor switch in operation.  This CT saturation then causes problems for protective relays, which lose the correct information about the primary current and therefore cause false operation of protective relays. Cause for tripping during switching in
  • 35.
    Switching off During switchingoff operation of reactor high transient over voltage is developed due to breaking of inductive current. This switching transients are inversely proportional to the shunt reactor rated power Typical over voltage in 400 KV reactors * ( Sav – Steepness of voltage) Switching transients overvoltage can be reduced considerably by installing surge reactor and control switching operation i.e switching off during zero crossing. Frequent transients overvoltage due to switching off operation always have the impact on the dielectric life of reactor and breakers.
  • 36.
  • 37.
    Phase to ground faultat line side Faults in shunt reactor Internal fault External fault Phase to ground fault Phase to ground fault at neutral side Phase to phase short circuit fault Inter turn short circuit fault Over load due to over voltage and harmonics
  • 38.
    Phase to earthfault - out side the reactor • •Shunt reactor is a device with the fixed impedance value. Therefore the individual phase current is directly proportional to the applied phase voltage (i.e. I=U/Z). During external fault voltage of the faulty phase becomes lower than other phases and a result of that unbalance is created in the phase current. Because of unbalance phase current , zero seq. current less than 1 PU passes through the neutral. N R Y B Zero seq current (<1 PU) Un balance in phase current Unbalance in phase current due to external earth fault Low zero sequence current through neutral due to unbalance in the phase current
  • 39.
    Phase to earthfault - at the line side 1. Short circuit current flow through the line side faulty phase and causes unbalance in the phase current 2. Zero sequence current typically 1 PU flow through the neutral due to unbalance phase current N R Y B Zero seq current Un balance in phase current
  • 40.
    Phase to earthfault – at the neutral side Rated current passes through the line side phase High current passes through neutral side due to transformer action N R Y B Rated current in the line side
  • 41.
    Turn to turnshort Shunt reactor winding impedance is approximately proportional to the square of the number of active turns. Short circuit between some number of turns will cause the decrease of the winding impedance only in the faulty phase and corresponding small raise of the shunt reactor neutral point current. Currents during turn-to-turn fault are of the small magnitude and they will not produce any sufficient unbalance voltage. Sufficient unbalance voltage is produced only when number of turn-to-turn short is high. In such condition it is possible to detect turn to turn fault with the help of sensitive directional zero seq relay connected on the HV side of the reactor.
  • 42.
    Summary – protection CAUSESEFFECTS RESULTS IN PROTECTION ACTUATES Switching ON Unsymmetrical inrush current •Zero sequence 3rd harmonic current through the neutral •Saturation of CT due to slow decaying of DC offset current •Restricted Earth fault with time delay •Diff protection Switching OFF Transient over voltage High voltage stress on the dielectric of the reactor & circuit breaker. No protection is recommended for this purpose. External phase to ground fault Lower than rated current through the faulty phase •Unbalance in three phase line current •Low zero sequence current ( 1PU) passes through the neutral •Line side residual current protection •Differential protection Internal phase to ground fault at line side High current at line side in the faulty phase Unbalance in three phase line current •Low zero sequence current 1PU) passes through the neutral •Line side residual current protection • line side over current protection •Differential protection Internal phase to ground fault at neutral side High current at line neutral side •Rated current at line side phases •High current at neutral side •Neutral side over current protection •Differential protection Internal Phase to phase short circuit As the chance of this fault is very remote due constructional feature of the reactor , protection for this fault is not recommended. Inter turn fault Low magnitude voltage unbalance Small rise in neutral side current No protection is recommended since the magnitude of fault is very low
  • 43.
  • 44.
    Reactor protection PURPOSE OFSHUNT REACTOR PROTECTION The purpose of the protection relaying is to disconnect the reactor and limit damage in case of internal short circuits, earth faults, inter turn faults and over voltage or over load. The reactor forms certain impedance for rated frequency, and as it is shunt connected, as over load may be caused by over voltage or harmonics in voltage and current. PROTECTION DEVICES INBUILT OR MOUNTED ON REACTOR a) Oil immersed reactor usually have a gas detector and oil surge detector (Buchholz alarm & trip devices), which are excellent for detecting internal faults. b) Temperature monitors for oil & winding provide good over load protection. c) Pressure relief device is provided to safe guard the reactor from high pressures. REACTOR DIFFERENTIAL PROTECTION It is widely used as instantaneous protection for short circuit faults with in the differential zone. this is treated as main-1 protection for reactor. It can be of high impedance type or of a sensitive current stabilized type. High impedance differential protection relays require an equal CT turns ratio on the phase and neutral side. Sensitivity is 5% of nominal reactor CT current. BACK-UP PROTECTION A variety of relays are available a) Over current & earth fault protection. ( 50, 50N, 51, 51N, 67, 67N – any combination of these) b. Under impedance / distance ( z<)(21r). c. Neutral displacement protection (un>) RESTRICTED EARTH FAULT PROTECTION If, for some reason, a sensitive differential protection not chosen, a restricted earth fault protection can be utilized. LINE PROTECTION – I, LINE PROTECTION – II
  • 45.
    CBIP Guidelines onshunt reactor Protection Reactor Differential protection I) Shall be Triple Pole Type. ii) Have an operating current sensitivity at least 10% of nominal current. iii) Shall be tuned with system frequency. iv) Have an operating time not grater than 30 m sec at 5 times of setting. v) Have a suitable non-linear resistor to limit the peak voltage during in-zone faults in case of high impedance type. vi) Shall be high or low impedance Principle type. Reactor REF Protection. I) shall be single Pole. ii) Have an operating current sensitivity at least 10% of nominal current. iii) Shall be tuned with system frequency. iv) Have a suitable non-linear resistor to limit the peak voltage during in-zone faults in case of high impedance type. v) Shall be high or low impedance Principle type. vi) Connection of restricted earth fault protection on the neutral side shall be from residually connected Bushing CTs or from the ground side CT. Reactor Backup Protection (Impedance type) I) Shall be Triple pole type. ii) Shall be single step Polarized ‘MHO’ or Impedance Distance relay suitable for Measuring Phase to Ground and Phase to Phase to faults. iii) Shall grounds a Characteristic angle between 60-80 deg. iv) Shall have adjustable definite time delay with setting range of 0.2 to 2.0 sec. v) Shall have a suitable range for covering 60% of Reactor impedance. vi) Typical setting : Reach - 60% of Reactor Impedance, Time setting - 1 sec OR Reactor Backup Protection (Definite Time O/L & E/F). i) Shall be single stage Definite Time 3 Pole, Over Current relay with adjustable current and Time. ii) Shall be connected for 2 O/C and 1 E/F connection and shall be non-directional with reset ratio and low Transient Overreach. iii) Typical settings of o/c relays are: Current Setting- 1.3 x Rated current , Time setting - 1 sec
  • 46.
    Protection of busreactor for double bus & transfer bus scheme 51N 21 87U Bus I Bus II Transfer bus 87BB1 R E A C T O R II 51N 21 87U 87BB1 R E A C T O R I 87BB287BB2 To Bus Bar protection To Bus Bar protection
  • 47.
    1. Differential protection U1V1 W1 U2 V2 W2 N DP 87 1s1 1s2 1s1 1s2 1s1 1s2 1s1 1s2 1s1 1s2 1s1 1s2 CT Specification 1. Ratio: 200/1A 2. Class: PS 3. Knee point voltage: 200V 4. Magnetizing current: 40 mA 5. Secondary resistance: 1 Ohms Purpose :Internal / external phase to ground fault. Line side CT 1 Neutral side CT 1
  • 48.
    Typical Relay connectionfor Differential protection Type of relay : High impedance differential relay Setting : operating current sensitivity at least 10% of nominal current. operating time not grater than 30 m sec at 5 times of setting.
  • 49.
    2. Residual earthfault protection U1 V1 W1 U2 V2 W2 N Instantaneous Residual over Current Relay (50N) Or AC Time residual Over Current relay (51N) 1s1 1s2 1s1 1s2 1s1 1s2 CT Specification 1. Ratio: 200/1A 2. Class: PS 3. Knee point voltage: 200V 4. Magnetizing current: 40 mA 5. Secondary resistance: 1 Ohms Assigned Protection 1. External phase to ground fault.( Unbalance phase current) 2. Internal phase to ground fault at line side .( Unbalance phase current) 3. Circuit breaker pole discrepancy.( Unbalance phase current) Typical relay setting •Set low set to 20% with time delay in between0.6s and 1s or even longer. •Use 2nd harmonic blocking. •Set high set to 175% with time delay of 0.1s.
  • 50.
    4. Back upimpedance protection Assigned Protection Internal phase to ground fault at line side Typical relay setting •Set low set to 130% with time delay in between 0.6s and 1s. •Set high set to 250% with time delay of 0.1s. U1 V1 W1 U2 V2 W2 N 21R – 3Ph, REACTOR BACKUP IMPEDANCE RELAY OF SUITABLY SHAPED CHARECRESTICS EITHER SINGLE / DOUBLE ZONE TYPE 1s1 1s2 1s1 1s2 1s1 1s2 CT Specification 1. Ratio: 200/1A 2. Class: PS 3. Knee point voltage: 200V 4. Magnetizing current: 40 mA 5. Secondary resistance: 1 Ohms
  • 51.
    Typical Relay connectionfor back up impedance protection
  • 52.
    5. Line protectionmain & backup U1 V1 W1 Line Side U2 V2 W2 Neutral Side N Bus Bar protection I & II 1s1 1s2 1s4 1s3 500/1A 1000/1A 2000/1A 1s1 1s2 1s4 1s3 500/1A 1000/1A 2000/1A 1s1 1s2 1s4 1s3 500/1A 1000/1A 2000/1A Assigned Protection Bus bar protection
  • 53.
    Electrical Test on reactor Preparedby M. G. Morshad / Additional Chief Manager ( Elect.) Transformer Maintenance Division Thermal Power Station II Neyveli Lignite Corporation Ltd
  • 54.
    Electrical test asper IS 5553 Routine Test ( To confirm the operating criteria) 1. Measurement of WR 2. Measurement of IR & PI 3. Measurement of impedance by bridge methods 4. Measurement of loss and current at rated voltage and ambient temperature 5. Isolation test Dielectric Test ( To confirm the dielectric strength of the insulation) 1. Separate source voltage withstand test at 230 KV for one minute 2. Induced over voltage withstand test with PD indication at 364 KV AC (1.5/√3 PU ) for 30 minutes during which the PD level shall not exceed 500pc 3. Full wave lighting impulse voltage withstand test at 1300 KVp on line terminal 4. Switching impulse voltage withstand test at 1050 KVp on line terminal Type Test ( To confirm the design criteria) 1. Temperature rise test along with DGA before and after test 2. Full wave lighting impulse voltage withstanding test at 550 KVp on neutral terminal 3. Measurement of zero sequence reactance 4. Measurement of acoustic noise level 5. Magnetizing curve test / knee voltage measurement 6. Measurement of capacitance and tan delta between winding and tank Special Test ( To confirm design and operating criteria ) 1. FRA test 2. DGA test before and after electrical test 3. Jacking test on reactor tank 4. Vacuum test on reactor tank 5. Oil leak test 6. Snap back test on HV bushing
  • 55.
    Measurement of WR Purpose- To measure DC resistance per phase of coil for calculating I2R loss in the coil, which in turns decides the temperature rise. The measurement also shows whether the winding joints are in order and the windings are correctly connected. Measuring methods - 1. Only at the stable value of current (I), corresponding voltage (V) value is taken for measuring the value of resistance ( R = V/I). 2. Applied current must not be higher than 15% of the rated current 3. % error in measurement increases with increases of applied current due to increases in I2R loss at higher current. 4. Value to be measured between (R – N) , (Y-N), and (B-N), and all the measured value must be equal. N R Y B Resistance measuring Kit Voltage lead Current lead R-N Y-N B-N Room Temp ( 37 Deg C) 75 Deg C 2.570 Ω 2.570 Ω 2.570 Ω 2.570 Ω 2.570 Ω 2.570 Ω
  • 56.
    Measurement of IR MinimumIR value Below 6.6 KV 6.6 - 11KV 22 – 33 KV Above 66 KV K = 1.00 30 Deg C 200 MΩ 400 MΩ 500 MΩ 600 MΩ K = 1.65 40 Deg C 121 MΩ 242 MΩ 303 MΩ 363 MΩ K = 2.60 50 Deg C 77 MΩ 153 MΩ 192 MΩ 230MΩ K = 4.20 60 Deg C 47 MΩ 95MΩ 119 MΩ 142 MΩ K = 6.6 70 Deg C 30 MΩ 60 MΩ 75 MΩ 90 MΩ K = 10.5 80 Deg C 19 MΩ 38 MΩ 47 MΩ 57MΩ (Polarization Index) PI Value = (15 minutes IR / 60 minutes IR ) Less than 1 Dangerous Above 1 to 1.1 Poor Above 1.1 to 1.25 Questionable Above 1.25 to 2.0 Fair Above 2 Good Purpose - To ascertain minimum insulation strength (IR Value) and dryness level (PI Value) of the winding required to charge the reactor. N R Y B 5 KV IR measuring Kit (Megger) Procedure – Measure IR and PI value between (R+Y+B +N) – (Tank + E) with 5 KV Megger and confirm the minimum IR and PI value as per the table given below. _ +
  • 57.
    Isolation test Purpose -To ascertain that the reactor core is insulated from the tank and core frame. G CL Core BoltCore clamp Core Tank CL – connected to core lamination CC – Connected to core clamp G – Connected to tank ( Earth ) CC Procedure : 1.Disconnect the closing link that connects the two terminals CL-G. 2.Connect the tank with earth 3. Use a Megger and measure IR value between CL and CC + G by applying 3.5 KV for 1 minute 4. The measured IR value shall be minimum 1000 kohms ( 1 M Ohms) 5. There is no general requirement on the insulation level CC-G .
  • 58.
    Measurement of impedanceby bridge methods Purpose : To measure the per phase impedance ( AC resistance) of the winding which controls the flow of current through the windings. Impedance (Z) = √[(Resistance) 2 + ( Reactance)2 ] = 420KV / 86Amps Reactor windings Temp (0 C) U = 100/5 C4 (μF) M3 (mH) CN (pF) Lx (H) = (M3/U)X(C4/CN)x1000 X (Ω) =2∏fLx U 38 20.00 8.98966 1.0032 50.915 8.856355604 2783.43 V 38 20.00 8.96700 1.0032 50.915 8.834031621 2776.41 W 38 20.00 8.96210 1.0032 50.915 8.829204282 2774.89 Where U = CT Ratio ( 100/5) M3 = Mutual inductance = 1.0032 mH CN= standard capacitance = 50.915 pF C4= measured bridge capacitance in pF X= calculated impedance of the winding in Ohms
  • 59.
    Measurement of lossand current at rated voltage and ambient temperature Purpose: To measure the loss ( core & copper loss) in reactor at rated operating condition. Reactors windings Temp (0 C) V = 420/√3 KV R4 ( KΩ) C4 (μF) ω = 2∏f Tan delta = 1000/ (C4xR4xω) X (Ω) Loss ( KW) at rated voltage = V2 *(Tan Delta/X*1000) U 38 242.49 210.15 8.98966 314.29 0.0016842350 2783.43 35.58 V 38 242.49 201.15 8.96700 314.29 0.0017640389 2776.41 37.36 W 38 242.49 332.75 8.96210 314.29 0.0010669585 2774.89 22.61 Phase Voltage (KV) X ( Ohms) Phase current = KV*1000/X ( C ) Rated Amps ( R ) Calculated loss at rated voltage (KW) Calculated loss at rated current = KW X ( R/C)2 U 242.49 2783.43 87.12 86.60 35.58 35.16 V 242.49 2776.41 87.34 86.60 37.36 36.73 W 242.49 2774.89 87.39 86.60 22.61 22.20 Total loss at 38Deg C at rated current = (35.16+36.73+22.20) KW = 94.09 KW
  • 60.
    Purpose of dielectrictest Voltage level as per IS 2072 Normally reactors are operated at the rated operating voltage. During its operation it is exposed to various transient over voltages like power frequency over voltage (1.5 x BIL, due to system over voltage), Lighting impulse (due to lighting), switching impulse (due to switching off). To avoid abrupt failure of insulation due to these transients, insulation is designed considering all the aspect. Dielectric test confirms the capability of the insulation to withstand these transient overvoltage which is subjected to the reactor during its service life. Operating voltage KV rms Highest system voltage (BIL) KV rms Power frequency voltage (KV rms) Switching Impulse (KV Peak ) Lighting impulse (KV Peak ) 0.415 1.1 3 - - 3.3 3.6 10 - 20/40 6.6 7.2 20 - 40/60 11 12 28 - 60/75 15 17.5 38 - 75/95 24 50 - 95/125 33 36 70 - 145/170 52 95 - 250 66 72.6 140 - 325 123 185/230 - 450/550 145 230/275 - 550/650 170 230/275/325 - 550/650/750 230 245 325/370/395 - 750/850/950 300 395/460 750/850 950/1050 362 460/510 850/950 1050/1175 400 420 570/360 950/1050 1300/1425
  • 61.
    Separate source voltagewithstand test at 230 KV for one minute PURPOSE : To verify the operating voltage withstanding capacity of the minor insulation ( paper ) used in line terminals and windings. NR Y B 50 Hz, AC Generator Method Test voltage from a 50 Hz, sinusoidal source is applied between (HV +N) and (E + Tank) through a step up transformer Maximum test voltage ( 400 KV /1.732) or 230 KV rms Duration of test 60 sec Measurement of test voltage Direct reading for RMS type voltmeter or (Reading / √2) for Peak type voltmeter (KV) Confirmation The test is declared to be successful if the test voltage does not collapse during the test. KV
  • 62.
    Induced over voltagewithstand test with PD indication at 364 KV AC (1.5/√3 PU ) for 30 minutes during which the PD level shall not exceed 500pc ( Method 2) PURPOSE : To verify the power frequency voltage withstanding capacity of the minor insulation (Paper ) used in line terminals & windings and the maximum level of PD observed during the test. Method Test voltage from a 160Hz ( to avoid saturation of core), sinusoidal source is applied at line terminals through a step up transformer keeping neutral terminal and tank grounded. PD is measured by PDD connected with impedance ( z) & capacitors as shown in the fig Maximum test voltage ( 1.5 x 420KV /1.732) or 364 KV rms Duration of test 30 minutes in steps at various voltages level as shown below Measurement of test voltage Direct reading for RMS type voltmeter or (Reading / √2) for Peak type voltmeter (V) Confirmation The test is declared to be successful if the test voltage does not collapse during the test. and the PD level is observed within 500pC 364KV 420KV 364KV 5 Minutes 5 Sec 30 Minutes N RYB 50 Hz, AC Generator KV Z PDD
  • 63.
    Full wave lightingimpulse voltage withstand test at 1300 KVp on line terminal PURPOSE : To verify the impulse voltage withstanding capacity of the major insulation ( pressboard) used between the windings, line terminals caused by lighting strike. N R Y B Impulse Generator 0.1 Ώ Recorder - + Method Test voltage from an impulse generator is applied at line terminals keeping neutral grounded through 0.1 Ώ resister and other terminals directly grounded. The sequence for applying impulse is - one impulse of a voltage between 50% and 75 % of the full test voltage, and three subsequent impulses at full voltage Test voltage 1300 KV peak with Front time Duration of test T1 = 1,2μs ± 30% and Time to half-value T2 = 50 μs ± 20% Confirmation The test is successful if the test voltage does not collapse during the test.
  • 64.
    Switching impulse voltagewithstand test at 1050 KVp on line terminal N R Y B Impulse Generator 5 0 0 Ώ Recorder - + Method Test voltage from an impulse generator is applied at line terminals keeping neutral grounded through 500 Ώ resister and other terminals directly grounded. The sequence for applying impulse is - one impulse of a voltage between 50% and 75 % of the full test voltage, and three subsequent impulses at full voltage Test voltage 1050 KV peak Duration of test Front time Tp> 100μs , Time above 90% Td> 200μs and Time to the first zero passage T0> 500μs ( preferably 1000 μs ) Confirmation The test is successful if the test voltage does not collapse during the test. PURPOSE : To verify the impulse voltage withstanding capacity of the major insulation (Pressboard) between the winding ,line terminals caused by switching operation.
  • 65.
    Type Test 1. Temperaturerise test along with DGA before and after test 2. Full wave lighting impulse voltage withstanding test at 550 KVp on neutral terminal 3. Measurement of zero sequence reactance 4. Measurement of acoustic noise level 5. Magnetizing curve test / knee voltage measurement 6. Measurement of capacitance and tan delta between winding and tank
  • 66.
    Temperature rise test Thepurpose of the measurement is to check that the temperature rises of the oil and the windings do not exceed the limits agreed on or specified by the standards. (T1)Hot / top oil temp Cold winding resistance at (T) 38 deg C R1 2.569 Ohms Hot winding resistance after switched off (to be derived from graph) R2 2.743 Ohms Ambient temperature after switched off Ta 34.23 Deg C Calculated winding temp at Time of S/D Tw = {R2/R1 (235+T)R1} – 235 (2.743/2.569) x ( 235+ 38) – 235 = 56.49 Deg C Average oil temp at S/D T1 55.30 – ½(55.30 – 4425) = 49.22 Deg c Winding temp gradient Tg = (Tw – T1 ) 56.49 – 49.22 = 7.27 Deg c Average oil temp rise Td = (T1 - Ta) 49.22 – 34.23 = 14.99 Deg C Corrected winding temperature Tc = (Tg + Td) 7.27+ 14.99 = 22.26 Deg C Winding temperature rise (Tc – Ta) Temp rise Time Steady state temp T 55..30 / B 44.25 T 35.00 / B 33.00 8 Hours
  • 67.
    Full wave lightingimpulse voltage withstanding test at 550 KVp on neutral terminal NR Y B Impulse Generator 5 0 0 Ώ Recorder - + Method Test voltage from an impulse generator is applied at neutral terminals keeping other terminals grounded through 500 Ώ resister and tank directly grounded. The sequence for applying impulse is - one impulse of a voltage between 50% and 75 % of the full test voltage, and three subsequent impulses at full voltage Test voltage 550 KV peak Duration of test T1 = 1,2μs ± 30% and Time to half-value T2 = 50 μs ± 20% Confirmation The test is successful if the test voltage does not collapse during the test. PURPOSE : To verify the impulse voltage withstanding capacity of the major and minor insulation (Pressboard and paper) used in neutral terminals and side of the winding caused by switching operation.
  • 68.
    Measurement of zerosequence reactance N R Y B 50 Hz, AC Generator V A A Purpose : To measure the AC resistance (Impedance) of neutral path which controls the earth fault current (zero sequence current) through neutral during internal or external earth fault. Method •Two phase AC supply is applied between (R+Y+B) and( N) through a step up transformer which is fed by a generator. •Applied voltage is increased till 70% of the rated current flow through the neutral . Zero seq impedance {(3 x Applied voltage) / Neutral current} x { rated frequency / test frequency}. Current through neutral = 62.5 Amps Applied Voltage = 56.40 KV Test Frequency = 49.80 Hz Zero Sequence Impedance = [(3 x 56400)/ 62.5] x [50.0/49.8] = 2718.07 Ohms
  • 69.
    Measurement of acousticnoise level and vibration 1 Meter 2 MeterMicrophone for picking up noise The purpose of the sound level measurement is to check that the sound level of the reactor meets the specification requirements given in relevant standards . A sound spectrum analyses is used for measuring sound level. The sound spectrum indicates the magnitude of sound components as a function of frequency. The sound pressure level is the measured at various points around at a distance (D) of 30 cm for ONAN or 2 m for ONAF cooling system spaced at an interval (X) of 1 meter. Limit Sound level Vibration level Within 200 microns Within 81db
  • 70.
    Magnetizing curve test/ knee voltage measurement Test procedure • Each phase of the reactor is charged one by one with direct current. • When the maximum test current reached, supply is switched off and the reactor winding is short-circuited simultaneously by DC current breaker. • The decaying current in the circuit is registered by a computer assisted data acquisition system. • The saturation curve Flux (Ø) / Flux (Ø) nom. versus I / Inom is then determined using the formula. Imax Maximum measured current Calculation Imin Minimum measured current L(I) = (IxR) / (di/dt) I nom Nominal AC current / √ 2 Ø nom = I nom x L mean I mean Calculated inductance from I min to I nom Ø (I ) = ∫( Imin L(I)) +(Imean x L mean) Ø nom Nominal flux at I nom R Circuit resistance (RL + Rs+ Rc) I / I nom Ø / Ø nom 2 2
  • 71.
    Measurement of capacitanceand tan delta between winding and tank Angle δ Capacitance (pF) [(I/2 f V π) x Cos δ ] Tan δ = Sin δ =Cos Φ(PF) Condition of the insulation 0.0 Deg (I / 3140) x 1.000 0 Pure capacitor 0.5 Deg (I / 3140) x 0.999 0.002 Very good 0.5 Deg (I / 3140) x 0.999 0.004 Good 0.5 Deg (I / 3140) x 0.999 0.006 Fairly good 0.5 Deg (I / 3140) x 0.999 0.007 Acceptable 0.5 Deg (I / 3140) x 0.999 0.008 Not acceptable 90.0 Deg 0 1.0 Pure resistance N R Y B 10 KV Tan Delta Kit Purpose : To ascertain the condition of the solid insulation of the windings. + + + + - - - - I Ic I Ir Ir V δ Φ I = total current drawn by the capacitor formed between winding and tank and the value of capacitance is [(I/2 f V π) x Cos δ ] (pF) Ic = Capacitor charging current Ir = Current flow through the capacitor due to impurities / disintegration of the insulation between winding and tank. As this current is in phase with applied voltage, it is dissipated in heat. Measured Capacitance = 9887 pF, Tan δ = 0.0031 at temp 39 Deg C
  • 72.
    Special Test 1. FRAtest 2. DGA test before and after electrical test 3. Vacuum test on reactor tank 4. Oil leak test 5. Snap back test on HV bushing
  • 73.
    FRA test Purpose- FrequencyResponse Analysis (FRA) is carried out to detect displacement (or movement) of the windings. Usually the first measurement in the factory is used as a fingerprint. Results of later measurements are compared with the first one in the factory. The software controlled sine wave generator produces output voltage of max. 4 Vrms with frequency range of 50 Hz to 1 MHz. It has 75 Ω output impedance. Input impedance is 75 Ω. Voltage from the generator is applied to the one transformer terminal (one winding end) and response voltage is measured on another terminal (the other winding end).
  • 74.
    FRA test report Impedancevalue Z in kΩ versus frequency is plotted on the diagram with indication of terminals with applied and response voltage. Or attenuation A (or damping) in dB (20 log (Uoutput / Uinput ) versus frequency is plotted on the diagram with indication of terminals with applied and response voltage. The reactor is said to be healthy if no deviation is observed between the results taken in factory and field
  • 75.
    DGA test 5 gmsof silver nitrate (AgNO3) dissolved in 100 ml distilled water A week solution of ammonia in water is slowly added to 100 ml of solution 1, until a white curdled precipitate which forms first disappears in the mixture. Chemical analysis of gas : The gas analyser loaded with these solution is connected to the top pet cock. Small quantities of gas collected in the gas relay (Bucholtz relay) is allowed to pass through the two solutions.
  • 76.
    Vacuum test onreactor tank Oil leak test
  • 77.
    Snap back teston HV bushing Purpose : Snap back test was carried out on the above bushing to determine the natural frequency and damping factor. Following equipment were used to conduct this test. 1: Piezoelectric accelerometer B & K 4371. 2: PL 202 Real Time FFT Analyzer Methods : Two nos. Piezoelectric accelerometer were mounted 90 degree apart at the bottom of the bushing, one in the direction of applied force (X) and other 90 degree to the applied force (Y). A force of 250 Kg was applied at the top and then it was cut-off. The resulting vibrations were recorded on the FFT. The recorded signals were analyzed on FFT Analyzer to determine the natural frequency and damping factor of the bushing. X Y FFT X direction Y direction Natural frequency From FFT reading 3.25 3.25 Damping factor [(100 / 2 π n) * log (Y 1 / Yn+1)] Where: n = No. of cycle Y n+1 = Amplitude of (n+1) cycle peak Y1 = Amplitude of 1st cycle peak 1.421% 2.03% The test is successful if no evidence of physical damage is observed on the bushing after the test
  • 78.
  • 79.
    Though oil immersed,shunt reactor and power transformer are viewed alike, there are distinct differences between construction and operating characteristics of these two devices. As NLC is going to install two numbers 63 MVAR bus reactor for the first time in TS II and the operating and maintenance staffs are not properly exposed to its operating data, following information need to be collected from any southern grid thermal power plant ( not from substation) presently operating with similar capacity bus reactors for successful and trouble free operation of reactor in TS II – Average number of switching operation of the reactor per day Numbers of operating hours achieved since commissioning Numbers of forced / planned shutdown taken after commissioning Protection co-ordinations and its settings Number of false/actual tripping, if any, since commissioning and its reasons Maximum & minimum bus voltage for switching in and out of reactors Reduction in leading MVAR and bus voltage after switching in of the reactor Any abnormalities observed in generator excitation during switching in/out  Average reactor current, winding and oil temperature Any failure of parts like bushings, LA, gaskets etc since commissioning Remarks of the operating staff on the performance of the reactors
  • 80.