Smith Chart
------A Graphical Representation
By
Dr . Taimoor Khan
Smith Chart
Smith Chart
• Smith Chart was developed in 1939 by P. Smith at Bell Telephone Laboratory USA.
• The Smith Chart has been introduced to reduce the tedious manipulations involved in
calculating the characteristics of a transmission lines.
• It is graphical tool which is very much useful for solving transmission line problems.
• A Smith Chart is a conformal mapping between the normalized complex impedance
plane ( z = r + j x ) and the complex reflection coefficient plane ( Γ= Γr+ jΓi).
• It is essentially a plot of the voltage reflection coefficient (Γ) in complex plane.
• It can be used to convert from voltage reflection coefficient (Γ) to normalized
impedances (z=Z/Z0) and admittances (y=Y/Y0),and vice versa.
• It consists of a Polar/Cartesian plot of reflection coefficient onto which is overlaid
circles of constant real and constant imaginary impedance. The standard chart is plotted
for Γ≤1.
• Today, Smith Chart is a presentation medium in computer-aided design (CAD) software.
• Parameters plotted on the Smith Chart include the following:
– Reflection coefficient magnitude, Γ
– Reflection coefficient phase angle, θr
– length of transmission line between any two points in wavelength
– VSWR
– Input Impedance, Zin
– The location of Vmax and Vmin. i.e: dmax and dmin
Parameters Plotted on SMITH CHART
(a) Typical circuit elements
(b) Impedances graphed on rectangular coordinate plane
(Note: ω is the angular frequency at which Z is measured.)
The Smith Chart Derivation
Reflection Coefficient in phasor form:
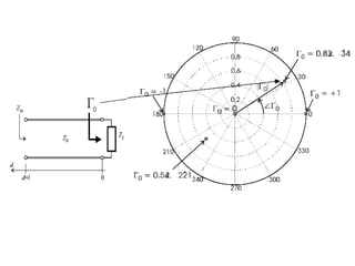
Example 1: A transmission line with a characteristic line impedance of Zo = 50 Ohm
is terminated into the following load impedances:
a.) ZL =0 (Short Circuit)
b.) ZL =infinite (Open Circuit)
c.) ZL =50 Ohm
d.) ZL= (16.67-j16.67) Ohm
e.) ZL= (50+j150) Ohm.
Find the individual reflection coefficients and display them in the complex Γo- plane.
Solution:
Based on (1) the following reflection coefficients (Γo) can be computed:
a.) Γo=-1 for ZL =0 (Short Circuit)
b.) Γo= 1 for ZL =infinite (Open Circuit)
c.) Γo=0 for ZL =50 Ohm
d.) Γo=0.54 Angle(2210
) for ZL =50 Ohm
e.) Γo=0.83 Angle (340
) for ZL= (50+j150) Ohm
The different values of the reflection coefficients can be plotted in polar form:
--------------(1)
Normalized Input Impedance
• Load Reflection Coefficient:
0
0
0
ZZ
ZZ
L
L
+
−
=Γ
--------------(2)
ir j 000 Γ+Γ=Γ --------------(3)
Li
e θ
00 Γ=Γ --------------(4)
Contd…..
• Input Reflection Coefficient:
lj
in ed β2
0)( −
Γ=Γ=Γ
ir jd Γ+Γ=Γ )(
--------------(5)
--------------(6)
Input Impedance:
Contd…..
--------------(7)
0
0
0
1
1
Γ−
Γ+
= ZZin
Normalized Input Impedance:
)(1
)(1
)( 0
d
d
ZdZin
Γ−
Γ+
= --------------(8)
)(1
)(1)(
0 d
d
jxrz
Z
dZ
in
in
Γ−
Γ+
=+== --------------(8)
ir
ir
in
j
j
d
d
jxrz
Γ−Γ−
Γ+Γ+
=
Γ−
Γ+
=+=
1
1
)(1
)(1
--------------(9)
Contd…..
)1(
)1(
)1(
)1(
ir
ir
ir
ir
in
j
j
j
j
jxrz
Γ+Γ−
Γ+Γ−
Γ−Γ−
Γ+Γ+
=+= --------------(10)
Real Part:
--------------(11)
--------------(12)
Imaginary Part:
( )[ ] 2222
11 irirr Γ−Γ−=Γ+Γ−
From (11)
----------------- (13)
2
2
2
1
1
1






+
=Γ+





+
−Γ
rr
r
ir ----------------- (14)
( ) ( )222
)( cba ir =−Γ+−Γ ----------------- (15)
Resistive Circle , r-circle
Contd….
Plot of reflection coefficient in complex plane
-1
1
Re(reflection coef.)
Im(reflectioncoef.)
1•j
-1•jcurves of constant r = Re(Z)
• plot Γ as a function of r
– these are circles!
When: r = 1
When: 0 < r < 1
When: r > 1
When r = 0
• radius






+
0,
1 r
r
r+1
1
• center
2
2
2
1
1
1






+
=Γ+





+
−Γ
rr
r
ir
( )
2
22
1
1
0 





=Γ+−Γ ir
2
2
2
11
1
11
1






+
=Γ+





+
−Γ ir
( )[ ] iirx Γ=Γ+Γ− 21
22
From (12)
----------------- (16)
( )
22
2 11
1 





=





−Γ+−Γ
xx
ir
----------------- (17)
( ) ( )222
)( cba ir =−Γ+−Γ ----------------- (18)
Reactance Circle, x-circle
Contd…..
Plot of Reflection Coefficient
-1
1
Re(reflection coef.)
Im(reflectioncoef.)
j
-j
• plot Γ as a function of x
– x = ± ∞
When: x < 0
When: x > 0
When: x = 0
• from the Im part:
( ) 2
2
2
0
1
0
1
1 =





−Γ+−Γ ir
( )
∞
=





∞±
−Γ+−Γ
11
1
2
2
ir
curves of constant x = Im(Z)
– these are also
circles!
• radius





x
1
,1
x
1
• center
( )
22
2 11
1 





=





−Γ+−Γ
xx
ir
Mapping RHP to a unit circle
– Smith
Chart
Inductive
Resistive
Low Z
High Z
Capacitive
Admittance Transformation
Ideal Capacitors and Ideal Inductors in Smith Chart
R +L (Smith Chart)
R II L (Smith Chart)
R + C (Smith Chart)
R II C (Smith Chart)
Impedance Transformation
Ex. A Load impedance ZL=(30+j60)Ohm is connected to a 50 Ohm transmission line of 2 cm
length and operated at 2 GHz. Use Smith Chart concept & find the input impedance Zin under
the assumption that the phase velocity is 50% of the speed of light.
Solution
• Steps:
• Normalize load impedance (ZLn=ZL/Z0)
• Locate ZLn in the Smith Chart
• Find reflection coefficient (Γo)
• Rotate reflection coefficient by twice its electrical
length βd to obtain Γin(d)
• Record normalized input impedance at this
spatial location d.
• De-normalize input impedance
Solution
• The normalized load impedance (ZLn):
(0.6+j1.2) Ohm
Graphical display
Smith Chart: Impedance Coordinate
Smith Chart: Admittance Coordinate
Smith Chart: Constant SWR Circles
Plotting SWR circle on the Smith Chart
– Any lossless line can be represented on the Smith chart
by a circle having its origin at 1± j0 (center of the chart)
and radius equal to the distance between the origin and
the impedance plot.
– Therefore, SWR corresponding to any particular circle isSWR corresponding to any particular circle is
equal to the value of Zequal to the value of ZLL /Z/Z00 at which the circle crosses theat which the circle crosses the
horizontal axis on the right side of the chart.horizontal axis on the right side of the chart.
If Z0 = 50 Ω and ZL = 25 + j25Ω.
Find yL, YL and SWR.
Example
Answer:
– zL is plotted on the Smith chart by locating
the point where R = 0.5 arc intersects the X =
0.5 arc on the top half of the chart.
– ZL = 0.5 + j0.5 is plotted on the Figure 34 at
point A and yL is plotted at point B(1- j1).
– From the Smith Chart, SWR is approximately
2.6 (point C)
PROPOSEDPROPOSED
SOLUTIONSOLUTION
FORFOR
ExampleExample
SC and OC points on the Smith chartSC and OC points on the Smith chart
• The location of SC and OC points are
different depending on Impedance or
Admittance chart.
Points of OC and SC on Impedance ChartPoints of OC and SC on Impedance Chart
SC OC
Points of OC and SC on Admittance ChartPoints of OC and SC on Admittance Chart
OC SC
Smith Chart: Constant Impedance Magnitude Circles
• For transmission line terminated in a purely resistive load not
equal to Z0 , Smith Chart analysis is very similar to the process
described in the preceding section
• For example, for load impedance ZL = 37.5Ω, characteristic
impedance Z0 = 75 Ω, input impedance at various distance
from the load can be determined as follows
– Normalized impedance, zL=0.5
– zL = 0.5 is plotted on the Smith chart. A circle is drawn that
passes through point A with its centre located at the
intersection of the R = 1 and X = 0 arc.
– SWR is read at the intersection of the circle and the X = 0
line on the right side, SWR = 2
Plotting Zin on the Smith Chart
SWR
Point A
– The input impedance, Zin at a distance of 0.125λ from the load is
determined by extending point A to a similar position on the
outside scale (point B) and moving around the scale in clockwise
direction a distance of 0.125λ=0.127x720°=90°
– Rotate from point B a distance equal to the length of the
transmission line ( 0.125λ at point C). Transfer this point to a
similar position on the SWR=2 circle (point D)
– Normalized input impedance is located at point D (0.8 +j0.6).
Actual impedance is found by multiplying the normalized
impedance by the characteristic impedance of the line
– For distance of 0.3λ= 0.3x720°= 216° from the load, the
normalized impedance is plotted at point E
Plotting Zin on the Smith Chart(cont.)
Ω+=+= 45j6075)6.0j8.0(inZ
Example
Determine the input impedance and SWR for a
transmission line 1.25λ long with a characteristic
impedance Zo = 50Ω and load impedance, ZL = 30 + j40Ω
Answer: Zin = 31.5 – j38.5, SWR = 2.9
Answer: Zin = 30 – j40, SWR = 3.0
PROPOSEDPROPOSED
SOLUTIONSOLUTION
Example
A 30m long lossless transmission line with
Zo = 50Ω operating at 2MHz is terminated by
a load of ZL=60+j40Ω. If v=0.6c on the line,
find:
• Γ
• VSWR
• Zin
Ω+==°∠=Γ 75.1j5.23inZ;1.2S;5635.0
Answer:Answer:
Vmax
versus
Vmin
Determining ZL Using Smith Chart
(moving counterclockwise)
• Given that S=3 on a 50-Ω line, that the
first voltage minimum occurs at 5cm from
the load, that the distance between
successive minima is 20cm, find the load
impedance, ZL.
Answer: zAnswer: zLL=0.6-j0.8; Z=0.6-j0.8; ZLL=30-j40=30-j40ΩΩ
Example
Determine the SWR, characteristic impedance of a
quarter wavelength transformer, and the distance the
transformer must be placed from the load to match a
75 Ω transmission line to a load ZL = 25 - j50
Answer: 4.6; 35.2Ω; 0.1λ
EXERCISE
• An antenna, connected to a 150Ω lossless line,
produces a standing wave ratio of 2.6. If
measurements indicate that voltage maxima are
120cm apart and that the last maximum is 40cm
from the antenna, calculate:
– The operating frequency
– The antenna impedance
– The reflection coefficient. Assume v=c.
STUB MATCHING
Matching a load ZL= 50-j100 to a 75Ω TL can be done by shorted
stub using Smith chart.
• Steps:
1) Plot the normalized impedance, zL=0.67-j1.33 (Point A) and draw
VSWR circle. Stubs are shunted across the load, thus admittances
are used rather than impedances to simplify calculations. The
circles and arcs on the Smith chart are now used for conductance
and susceptance.
2) Normalized admittance,yL is determined by rotating the impedance
plot, zL 180o
(Draw a line from point A through the center to point B)
3) Rotate admittance point clockwise to a point on the impedance
circle where it intersects the r = 1 circle (point C). The real
component of the input impedance at this point is equal to the
characteristic impedance Z0, Zin = r ± jx, where R = Z0. At point C,
admittance yd = 1 + j1.7.
STUB MATCHING
• Steps (cont.):
4) Distance from B to C is how far the stub must be placed, for this
example 0.09λ. The stub must have an impedance with zero resistive
component and susceptance that has the opposite polarity (i.e. ys = 0
– j1.7)
5) To find the length of the stub where ys = 0 – j1.7, move around the
outside circle of the Smith chart (R = 0), having a wavelength
identified at point D until an admittance ys = 1.7 is found (wavelength
value identified at point E).
6) If open stubs are used, rotation would begin at opposite direction
(point F)
7) The distance from point D to point E is the length of the stub which is
0.084λ
PROPOSEDPROPOSED
SOLUTIONSOLUTION
FORFOR
StubStub
MatchingMatching
Example
For a transmission line with a characteristic
impedance Z0 = 300Ω and a load with
complex impedance ZL = 450 + j600,
determine:
SWR,
the distance a shorted stub must be placed from
the load to match the load to the line
the length of the stub.
2BdAd λ=+
Note that:
 In this case, we have two possible shunted stubs.
To avoid confusion, we normally choose to match the shorter stub
and one at a position closer to the load  lA and dA
yd. lB and dB is the
alternative stub
distance and stub
length
Stub Matching Network
l
x
xd
l
x
xd
Smith Chart: Constant Impedance
Phase Angle Circles
Few Other Applications
• Unary Operators
• Squares a2
• square roots
• tangents tan q
• cotangents cot q
• inverse tangents tan-1 a
• Inverse cotangents cot-1 a
• Binary Operators
• multiplication  a • b
• Division c/a
• geometric mean
Please Study for your Mid Sem 1!

Smith chart:A graphical representation.

  • 1.
    Smith Chart ------A GraphicalRepresentation By Dr . Taimoor Khan
  • 2.
  • 3.
    Smith Chart • SmithChart was developed in 1939 by P. Smith at Bell Telephone Laboratory USA. • The Smith Chart has been introduced to reduce the tedious manipulations involved in calculating the characteristics of a transmission lines. • It is graphical tool which is very much useful for solving transmission line problems. • A Smith Chart is a conformal mapping between the normalized complex impedance plane ( z = r + j x ) and the complex reflection coefficient plane ( Γ= Γr+ jΓi). • It is essentially a plot of the voltage reflection coefficient (Γ) in complex plane. • It can be used to convert from voltage reflection coefficient (Γ) to normalized impedances (z=Z/Z0) and admittances (y=Y/Y0),and vice versa. • It consists of a Polar/Cartesian plot of reflection coefficient onto which is overlaid circles of constant real and constant imaginary impedance. The standard chart is plotted for Γ≤1. • Today, Smith Chart is a presentation medium in computer-aided design (CAD) software.
  • 4.
    • Parameters plottedon the Smith Chart include the following: – Reflection coefficient magnitude, Γ – Reflection coefficient phase angle, θr – length of transmission line between any two points in wavelength – VSWR – Input Impedance, Zin – The location of Vmax and Vmin. i.e: dmax and dmin Parameters Plotted on SMITH CHART
  • 5.
    (a) Typical circuitelements (b) Impedances graphed on rectangular coordinate plane (Note: ω is the angular frequency at which Z is measured.) The Smith Chart Derivation
  • 6.
    Reflection Coefficient inphasor form: Example 1: A transmission line with a characteristic line impedance of Zo = 50 Ohm is terminated into the following load impedances: a.) ZL =0 (Short Circuit) b.) ZL =infinite (Open Circuit) c.) ZL =50 Ohm d.) ZL= (16.67-j16.67) Ohm e.) ZL= (50+j150) Ohm. Find the individual reflection coefficients and display them in the complex Γo- plane.
  • 7.
    Solution: Based on (1)the following reflection coefficients (Γo) can be computed: a.) Γo=-1 for ZL =0 (Short Circuit) b.) Γo= 1 for ZL =infinite (Open Circuit) c.) Γo=0 for ZL =50 Ohm d.) Γo=0.54 Angle(2210 ) for ZL =50 Ohm e.) Γo=0.83 Angle (340 ) for ZL= (50+j150) Ohm The different values of the reflection coefficients can be plotted in polar form: --------------(1)
  • 9.
    Normalized Input Impedance •Load Reflection Coefficient: 0 0 0 ZZ ZZ L L + − =Γ --------------(2) ir j 000 Γ+Γ=Γ --------------(3) Li e θ 00 Γ=Γ --------------(4)
  • 10.
    Contd….. • Input ReflectionCoefficient: lj in ed β2 0)( − Γ=Γ=Γ ir jd Γ+Γ=Γ )( --------------(5) --------------(6)
  • 11.
    Input Impedance: Contd….. --------------(7) 0 0 0 1 1 Γ− Γ+ = ZZin NormalizedInput Impedance: )(1 )(1 )( 0 d d ZdZin Γ− Γ+ = --------------(8) )(1 )(1)( 0 d d jxrz Z dZ in in Γ− Γ+ =+== --------------(8) ir ir in j j d d jxrz Γ−Γ− Γ+Γ+ = Γ− Γ+ =+= 1 1 )(1 )(1 --------------(9)
  • 12.
  • 13.
    ( )[ ]2222 11 irirr Γ−Γ−=Γ+Γ− From (11) ----------------- (13) 2 2 2 1 1 1       + =Γ+      + −Γ rr r ir ----------------- (14) ( ) ( )222 )( cba ir =−Γ+−Γ ----------------- (15) Resistive Circle , r-circle
  • 14.
  • 15.
    Plot of reflectioncoefficient in complex plane -1 1 Re(reflection coef.) Im(reflectioncoef.) 1•j -1•jcurves of constant r = Re(Z) • plot Γ as a function of r – these are circles! When: r = 1 When: 0 < r < 1 When: r > 1 When r = 0 • radius       + 0, 1 r r r+1 1 • center 2 2 2 1 1 1       + =Γ+      + −Γ rr r ir ( ) 2 22 1 1 0       =Γ+−Γ ir 2 2 2 11 1 11 1       + =Γ+      + −Γ ir
  • 16.
    ( )[ ]iirx Γ=Γ+Γ− 21 22 From (12) ----------------- (16) ( ) 22 2 11 1       =      −Γ+−Γ xx ir ----------------- (17) ( ) ( )222 )( cba ir =−Γ+−Γ ----------------- (18) Reactance Circle, x-circle
  • 17.
  • 18.
    Plot of ReflectionCoefficient -1 1 Re(reflection coef.) Im(reflectioncoef.) j -j • plot Γ as a function of x – x = ± ∞ When: x < 0 When: x > 0 When: x = 0 • from the Im part: ( ) 2 2 2 0 1 0 1 1 =      −Γ+−Γ ir ( ) ∞ =      ∞± −Γ+−Γ 11 1 2 2 ir curves of constant x = Im(Z) – these are also circles! • radius      x 1 ,1 x 1 • center ( ) 22 2 11 1       =      −Γ+−Γ xx ir
  • 19.
    Mapping RHP toa unit circle – Smith Chart Inductive Resistive Low Z High Z Capacitive
  • 20.
  • 23.
    Ideal Capacitors andIdeal Inductors in Smith Chart
  • 24.
  • 25.
    R II L(Smith Chart)
  • 26.
    R + C(Smith Chart)
  • 27.
    R II C(Smith Chart)
  • 28.
    Impedance Transformation Ex. ALoad impedance ZL=(30+j60)Ohm is connected to a 50 Ohm transmission line of 2 cm length and operated at 2 GHz. Use Smith Chart concept & find the input impedance Zin under the assumption that the phase velocity is 50% of the speed of light.
  • 29.
    Solution • Steps: • Normalizeload impedance (ZLn=ZL/Z0) • Locate ZLn in the Smith Chart • Find reflection coefficient (Γo) • Rotate reflection coefficient by twice its electrical length βd to obtain Γin(d) • Record normalized input impedance at this spatial location d. • De-normalize input impedance
  • 30.
    Solution • The normalizedload impedance (ZLn): (0.6+j1.2) Ohm
  • 31.
  • 39.
  • 40.
  • 41.
  • 42.
    Plotting SWR circleon the Smith Chart – Any lossless line can be represented on the Smith chart by a circle having its origin at 1± j0 (center of the chart) and radius equal to the distance between the origin and the impedance plot. – Therefore, SWR corresponding to any particular circle isSWR corresponding to any particular circle is equal to the value of Zequal to the value of ZLL /Z/Z00 at which the circle crosses theat which the circle crosses the horizontal axis on the right side of the chart.horizontal axis on the right side of the chart.
  • 43.
    If Z0 =50 Ω and ZL = 25 + j25Ω. Find yL, YL and SWR. Example
  • 44.
    Answer: – zL isplotted on the Smith chart by locating the point where R = 0.5 arc intersects the X = 0.5 arc on the top half of the chart. – ZL = 0.5 + j0.5 is plotted on the Figure 34 at point A and yL is plotted at point B(1- j1). – From the Smith Chart, SWR is approximately 2.6 (point C)
  • 45.
  • 46.
    SC and OCpoints on the Smith chartSC and OC points on the Smith chart • The location of SC and OC points are different depending on Impedance or Admittance chart.
  • 47.
    Points of OCand SC on Impedance ChartPoints of OC and SC on Impedance Chart SC OC
  • 48.
    Points of OCand SC on Admittance ChartPoints of OC and SC on Admittance Chart OC SC
  • 49.
    Smith Chart: ConstantImpedance Magnitude Circles
  • 50.
    • For transmissionline terminated in a purely resistive load not equal to Z0 , Smith Chart analysis is very similar to the process described in the preceding section • For example, for load impedance ZL = 37.5Ω, characteristic impedance Z0 = 75 Ω, input impedance at various distance from the load can be determined as follows – Normalized impedance, zL=0.5 – zL = 0.5 is plotted on the Smith chart. A circle is drawn that passes through point A with its centre located at the intersection of the R = 1 and X = 0 arc. – SWR is read at the intersection of the circle and the X = 0 line on the right side, SWR = 2 Plotting Zin on the Smith Chart
  • 51.
  • 52.
    – The inputimpedance, Zin at a distance of 0.125λ from the load is determined by extending point A to a similar position on the outside scale (point B) and moving around the scale in clockwise direction a distance of 0.125λ=0.127x720°=90° – Rotate from point B a distance equal to the length of the transmission line ( 0.125λ at point C). Transfer this point to a similar position on the SWR=2 circle (point D) – Normalized input impedance is located at point D (0.8 +j0.6). Actual impedance is found by multiplying the normalized impedance by the characteristic impedance of the line – For distance of 0.3λ= 0.3x720°= 216° from the load, the normalized impedance is plotted at point E Plotting Zin on the Smith Chart(cont.) Ω+=+= 45j6075)6.0j8.0(inZ
  • 54.
    Example Determine the inputimpedance and SWR for a transmission line 1.25λ long with a characteristic impedance Zo = 50Ω and load impedance, ZL = 30 + j40Ω Answer: Zin = 31.5 – j38.5, SWR = 2.9 Answer: Zin = 30 – j40, SWR = 3.0
  • 55.
  • 56.
    Example A 30m longlossless transmission line with Zo = 50Ω operating at 2MHz is terminated by a load of ZL=60+j40Ω. If v=0.6c on the line, find: • Γ • VSWR • Zin Ω+==°∠=Γ 75.1j5.23inZ;1.2S;5635.0 Answer:Answer:
  • 57.
  • 58.
    Determining ZL UsingSmith Chart (moving counterclockwise) • Given that S=3 on a 50-Ω line, that the first voltage minimum occurs at 5cm from the load, that the distance between successive minima is 20cm, find the load impedance, ZL. Answer: zAnswer: zLL=0.6-j0.8; Z=0.6-j0.8; ZLL=30-j40=30-j40ΩΩ
  • 59.
    Example Determine the SWR,characteristic impedance of a quarter wavelength transformer, and the distance the transformer must be placed from the load to match a 75 Ω transmission line to a load ZL = 25 - j50 Answer: 4.6; 35.2Ω; 0.1λ
  • 60.
    EXERCISE • An antenna,connected to a 150Ω lossless line, produces a standing wave ratio of 2.6. If measurements indicate that voltage maxima are 120cm apart and that the last maximum is 40cm from the antenna, calculate: – The operating frequency – The antenna impedance – The reflection coefficient. Assume v=c.
  • 61.
    STUB MATCHING Matching aload ZL= 50-j100 to a 75Ω TL can be done by shorted stub using Smith chart. • Steps: 1) Plot the normalized impedance, zL=0.67-j1.33 (Point A) and draw VSWR circle. Stubs are shunted across the load, thus admittances are used rather than impedances to simplify calculations. The circles and arcs on the Smith chart are now used for conductance and susceptance. 2) Normalized admittance,yL is determined by rotating the impedance plot, zL 180o (Draw a line from point A through the center to point B) 3) Rotate admittance point clockwise to a point on the impedance circle where it intersects the r = 1 circle (point C). The real component of the input impedance at this point is equal to the characteristic impedance Z0, Zin = r ± jx, where R = Z0. At point C, admittance yd = 1 + j1.7.
  • 62.
    STUB MATCHING • Steps(cont.): 4) Distance from B to C is how far the stub must be placed, for this example 0.09λ. The stub must have an impedance with zero resistive component and susceptance that has the opposite polarity (i.e. ys = 0 – j1.7) 5) To find the length of the stub where ys = 0 – j1.7, move around the outside circle of the Smith chart (R = 0), having a wavelength identified at point D until an admittance ys = 1.7 is found (wavelength value identified at point E). 6) If open stubs are used, rotation would begin at opposite direction (point F) 7) The distance from point D to point E is the length of the stub which is 0.084λ
  • 63.
  • 64.
    Example For a transmissionline with a characteristic impedance Z0 = 300Ω and a load with complex impedance ZL = 450 + j600, determine: SWR, the distance a shorted stub must be placed from the load to match the load to the line the length of the stub.
  • 65.
    2BdAd λ=+ Note that: In this case, we have two possible shunted stubs. To avoid confusion, we normally choose to match the shorter stub and one at a position closer to the load  lA and dA yd. lB and dB is the alternative stub distance and stub length
  • 66.
  • 67.
    Smith Chart: ConstantImpedance Phase Angle Circles
  • 68.
    Few Other Applications •Unary Operators • Squares a2 • square roots • tangents tan q • cotangents cot q • inverse tangents tan-1 a • Inverse cotangents cot-1 a • Binary Operators • multiplication  a • b • Division c/a • geometric mean
  • 69.
    Please Study foryour Mid Sem 1!

Editor's Notes

  • #16 lecture 42 05/3/04;
  • #19 lecture 42 05/3/04;