UNIT II
ROBOT DRIVE SYSTEMS AND END
EFFECTORS
Mr. TAMIL SELVAN M, A/P, MECH, KIT.
 Capacity to move robot’s body, arm and wrist
 Determine speed of the arm movements,
strength of the robot & dynamic performance
 Type of applications that the robot can
accomplish
 Powered by four types of drive systems:
1. Hydraulic
2. Pneumatic
3. Electric
4. Mechanical
2004 4
Drive Systems..
5
1. Hydraulic Drive
 Associated with large robot
 Provide greater speed & strength
 Add floor space
 Leakage of oil
 Provide either rotational or linear motions
 Applications such as:
• Spray coating robot
• Heavy part loading robot
• Material handling robot
• Translatory motions in cartesian robot
• Gripper mechanism
Drive Systems..
Hydraulic Actuators
An actuator wherein hydraulic energy is used to
impart motion is called an hydraulic actuator
Basic element of an oil Hydraulic power supply
Components of an hydraulic system
Pumps
• Is driven by an electric motor or an I.C engine
• Fluid pressures generated by pumps used in
heavy equipment. (e.g., large industrial
machines and construction equipment)
• Classification of pumps
1. Hydrodynamic or non positive displacement
pumps
2. Hydrostatic or positive displacement pumps
A) Gear Pumps B) Vane pumps C) Piston pumps
Classification of pumps
Hydrostatic or positive displacement
pumps
Pressure Regulator
• Is a pressure relief valve.
• Provided in positive
displacement pump
• To prevent the pressure
from exceeding design
limits.
Hydraulic Valves
• Are mechanical devices used for controlling
hydraulic parameters in hydraulic systems.
Classification of valves
1. Infinite position valves
 It allows any position between fully open and
closed to modulate flow pressure.
Also called analog position valves.
2. Finite position valves
Has discrete positions, usually just opened and
closed, each providing a different pressure and
flow condition.
Other classifications:
I. Based on the method of controlling the flow medium :
1. Seating – Ball, plate, cone.
2. Spool type :
 Sliding spool valve
 Rotary spool valve
II. Based on function and hydraulic quantity controlled :
1. Pressure control valve – to control pressure of flow
medium.
2. Flow control valve – to control quantity of flow
medium.
3. Direction control valve – to control direction of flow
medium.
Hydraulic Valves…
Graphic valve symbols
Valve symbols
Linear Actuators
• A fluid power hydraulic cylinder – is a linear
actuator.
• Converting fluid energy to an output force in a
linear direction for performing work.
• E.g., machine tools, earth moving equipment,
construction equipment and space applications.
Hydraulic cylinder consists of - movable element , a piston and
a piston rod operating within a cylinder bore.
Types of cylinders
1. According to function performed
2. According to construction
3. Special types
Hydraulic cylinder
Single acting cylinder Double acting cylinder
Hydraulic cylinder…
Two stage double acting telescoping cylinder
Hydraulic cylinder…
Some mechanisms driven by an Hydraulic cylinder
Rotary Actuators
• Are the hydraulic pneumatic equivalents of
electric motors, for a given torque, or power, a
rotary converter :
– Is more compact
– Cannot be damaged
– Can be safely used in an explosive atmosphere.
Hydraulic Motors
• Is a rotary actuator – Hydraulic energy is
converted into mechanical energy in the form
of rotary motion and torque.
Rotary actuator symbols :
• Classification of Hydraulic Motors
• Gear Motors
• Vane Motors
• Piston Motors
– Radial Type
– Axial Type
Hydraulic Motors
Drive Systems..
2. Pneumatic Drive
Introduction
 Reserved for smaller robot
 Limited to “pick-and-place” operations with fast cycles
 Drift under load as air is compressible
 Provide either rotational or linear motions
 Simple and low cost components
 Used to open and close gripper
Special Features of Pneumatic Actuators
 Better heat transfer capability
 High fatigue life
 Simple in construction
 High reliability
 Light weight Cont.
22
Pneumatic drive
Pneumatic Actuators
Components of a Pneumatic system
Pneumatic valves
 Direction control valves
– 1. Two way valve
– 2. Three way valve
– 3. Four way valve
– 4. Five way valve
Pneumatic check valve
Flow control valve
Pneumatic shuttle valve or OR type valve
AND type or Two – pressure valve
Quick exhaust valve
Time delay valve
Pneumatic valves
Linear and Rotary Actuators
Linear Actuators – Pneumatic cylinders
1. Single acting cylinder
2. Double acting cylinder
3. Tandem cylinder
4. Three position cylinder
5. Through rod cylinder
6. Adjustable stroke
cylinder
7. Telescoping cylinder
Rotary actuators – Air motors
Air motors
 To generate rotational motion in a
pneumatic system
 Provides very high rotational speeds
Types of Air motors
1. Piston type motors
2. Vane motors
3. Turbine motors
4. Gerotor type motors
Drive Systems..
2 February 2021 Cont.
29
Drive Systems..
1. Hydraulic Drive..
Cont.
30
2004 31
3. Electric drive
• Slower movement compare to the hydraulic
robots
• Good for small and medium size robots
• Better positioning accuracy and repeatability
• Stepper motor drive: open loop control
• DC motor drive: closed loop control
• Cleaner environment
• The most used type of drive in industry
Electric drive
Drive Systems..
3. Electric Drive..
2 February 2021 Cont.
33
Drive Systems..
3. Electric Drive..
2 February 2021 Cont.
34
4. Mechanical drives
• When the various driving methods like hydraulic,
pneumatic, electrical servo motors and stepping
motors are used in robots, it is necessary to get the
motion in linear or rotary fashion.
• When motors are used, rotary motion is converted to
linear motion through rack and pinion gearing, lead
screws, worm gearing or bail screws.
Mechanical drives
Rack and Pinion Movement:
• The pinion is in mesh with rack (gear of infinite
radius). If the rack is fixed, the pinion will rotate.
• The rotary motion of the pinion will be converted to
linear motion of the carriage.
Ball Screws:
• Sometimes lead screws rotate to drive the nut along
a track. But simple lead screws cause friction and
wear, causing positional inaccuracy.
• Therefore ball bearing screws are used in robots as
they have low friction. The balls roll between the nut
and the screw.
• A cage is provided for recirculation of the balls. The
rolling friction of the ball enhances transmission
efficiency to about 90%.
Gear Trains:
• Gear trains use spur, helical and worm
gearing. A reduction of speed, change of
torque and angular velocity are possible.
• Positional errors are caused due to backlash in
the gears.
Moments and Forces
• There are many forces acting about a robot
• Correct selection of servo - determined by required torque
• Moments = Force x Distance
• Moments = Load and robot arm
• Total moment calculation
• Factor of safety- 20%
Actuators
Actuators – Converts some form of energy to mechanical work .
Motors - Control the movement of a robot.
Identified as Actuators there are three common types
• DC Motor
• Stepper Motor
• Servo motor
Servo
motor
DC MOTORS
• Most common and cheapest
• Powered with two wires from source
• Draws large amounts of current
• Cannot be wired straight from a Peripheral Interface Controller
• Does not offer accuracy or speed control
STEPPER MOTORS
• Stepper has many electromagnets
• Stepper controlled by sequential
turning on and off of magnets
• Each pulse moves another step,
providing a step angle
• Example shows a step angle of 90°
• Poor control with a large angle
• Better step angle achieved with the
toothed disc
Stepper motor operation
Step1
Step 2
Stepper motor operation
Stepper motor operation
Step 3
Stepper motor operation
Step 4
• 3.6 degree step angle => 100 steps per revolution
• 25 teeth, 4 step= 1 tooth => 100 steps for 25teeth
• Controlled using output Blocks on a PIC
• Correct sequence essential
• Reverse sequence - reverse motor
DISADVANTAGES
• Low efficiency - Motor draws substantial power regardless of load.
• Torque drops rapidly with speed (torque is the inverse of speed).
• Low accuracy.
• No feedback to indicate missed steps.
• Low torque to inertia ratio. Cannot accelerate loads very rapidly.
• Motor gets very hot in high performance configurations.
• Motor is audibly very noisy at moderate to high speeds.
• Low output power for size and weight.
Stepper Motor
Servo Motors
• Servo offers smoothest control
• Rotate to a specific point
• Offer good torque and control
• Ideal for powering robot arms etc.
• Degree of revolution is limited
• Uses Encoders for feedback
• Not suitable for applications which require
continuous rotation
Servo motors Operation
• Pulse Width Modulation (0.75ms to 2.25ms)
• Pulse Width takes servo from 0° to 150° rotation
• Continuous stream every 20ms
• Pulse width and output pin must be set to the controller
• Pulse width can also be expressed as a variable
Open and Closed Loop Control
All control systems contain three elements:
(i) The control
(ii) Current Amplifiers
(iii) Servo Motors
• The control is the Brain - reads instruction
• Current amplifier receives orders from brain and sends
required signal to the motor
• Signal sent depends on the whether Open or Closed loop
control is used.
Open Loop Control
For Open Loop Control:
• The controller is told where the output device needs to be
• Once the controller sends the signal to motor it does not
receive feedback to known if it has reached desired position
• Open loop much cheaper than closed loop but less accurate
Closed Loop Control
• Provided feedback to the control unit telling it the actual
position of the motor.
• This actual position is found using an encoder.
• The actual position is compared to the desired.
• Position is changed if necessary
The Encoder
• Encoders give the control unit information as to the actual
position of the motor.
• Light shines through a slotted disc, the light sensor counts
the speed and number of breaks in the light.
• Allows for the calculation of speed, direction and distance
travelled.
End Effectors
Correct name for the “Hand” that is attached to the end of
robot.
• Used for grasping, drilling, painting, welding, etc.
• Different end effectors allow for a standard robot to
perform numerous operations.
• Two different types - Grippers & Tools
End Effector
End Effectors
Tools: Tools are used where a specific operation needs
to be carried out such as welding, painting drilling
etc. - the tool is attached to the mounting plate.
Grippers: mechanical, magnetic and pneumatic.
Mechanical:
• Two fingered most common, also multi-fingered available
• Applies force that causes enough friction between object to
allow for it to be lifted
• Not suitable for some objects which may be delicate / brittle
End Effectors
Magnetic:
•Ferrous materials required
•Electro and permanent magnets used
Pneumatic:
•Suction cups from plastic or rubber
•Smooth even surface required
•Weight & size of object determines size and number of cups
Hydraulic :
• It has the potential to provide very high
holding forces but its limitation is risk of oil
leaks
Various types of Gripper mechanisms
• Pivoting movement
• Linear or translational movement
Linkage actuation
• This is the most popular mechanical gripper for industrial
robots. It can be designed for limited shapes of an object,
especially cylindrical work piece.
• If actuators that produce linear movement are used, like
pneumatic piston- cylinders, the device contains a pair of
slider-crank mechanisms.
• When the piston 1 is pushed by pneumatic pressure to the
right, the elements in the cranks 2 and 3, rotate counter
clockwise .
• These rotations make the grasping action at the extended
end of the crank elements 2 and 3.
Cam actuation
• The cam actuated gripper
includes a variety of
possible designs, one of
which is shown.
• A cam and follower
arrangement, often using a
spring-loaded follower, can
provide the opening and
closing action of the gripper.
• The advantage of this
arrangement is that the
spring action would
accommodate different
sized objects.
Screw actuation
• The screw is turned by a
motor, usually
accompanied by a speed
reduction mechanism.
• Due to the rotation of the
screw, the threaded block
moves, causing the
opening and dosing of the
fingers depending on the
direction of rotation of the
screw.
Rack and pinion actuation
• The rack gear would be
attached to a piston or
some other mechanism
that would provide a
linear motion
• Movement of the rack
would drive two partial
pinion gears, and these
would in turn open and
close the fingers.
Magnetic grippers
• Magnetic grippers are used extensively on ferrous materials. In
general, magnetic grippers offer the following advantages in
robotic handling operations
• Variations in part size can be tolerated
• Pickup times are very fast
• They have ability to handle metal parts with holes
• Only one surface is required for gripping
• Magnetic grippers can use either electromagnets or permanent
magnets. Electromagnetic grippers are easier to control, but
require a source of dc power and an appropriate controller.
Cont…
• Permanent magnets do not
require an external power
and hence they can be used
in hazardous and explosive
environments, because there
is no danger of sparks which
might cause ignition in such
environments.
Vacuum grippers
• It also called as suction
cups, can be used as gripper
device for handling certain
type of objects and it made
up of with rubber and soft
plastic.
• The usual requirements on
the objects to be handled are
that they be flat, smooth,
and clean.
Adhesive grippers
• It uses adhesive substance to grasping action on fabrics and
light weight materials.
• One of the potential limitation of an adhesive gripper is that
the adhesive substance loses its tackiness on repeated usage.
• To overcome the limitation, the adhesive material is loaded in
the form of a continuous ribbon into a feeding mechanism that
is attached to the robot wrist.
Hooks, scoops and other
miscellaneous devices
• Hooks can be used to handle containers of parts and to load
and unload parts hanging from overhead conveyors.
• Scoops can be used to handle certain materials in liquid or
powder form.
Gripper selection and design
THANK YOU

ROBOT DRIVE SYSTEMS AND END EFFECTORS

  • 1.
    UNIT II ROBOT DRIVESYSTEMS AND END EFFECTORS Mr. TAMIL SELVAN M, A/P, MECH, KIT.
  • 3.
     Capacity tomove robot’s body, arm and wrist  Determine speed of the arm movements, strength of the robot & dynamic performance  Type of applications that the robot can accomplish  Powered by four types of drive systems: 1. Hydraulic 2. Pneumatic 3. Electric 4. Mechanical
  • 4.
  • 5.
    5 1. Hydraulic Drive Associated with large robot  Provide greater speed & strength  Add floor space  Leakage of oil  Provide either rotational or linear motions  Applications such as: • Spray coating robot • Heavy part loading robot • Material handling robot • Translatory motions in cartesian robot • Gripper mechanism Drive Systems..
  • 6.
    Hydraulic Actuators An actuatorwherein hydraulic energy is used to impart motion is called an hydraulic actuator Basic element of an oil Hydraulic power supply
  • 7.
    Components of anhydraulic system
  • 8.
    Pumps • Is drivenby an electric motor or an I.C engine • Fluid pressures generated by pumps used in heavy equipment. (e.g., large industrial machines and construction equipment) • Classification of pumps 1. Hydrodynamic or non positive displacement pumps 2. Hydrostatic or positive displacement pumps A) Gear Pumps B) Vane pumps C) Piston pumps
  • 9.
  • 10.
    Hydrostatic or positivedisplacement pumps
  • 11.
    Pressure Regulator • Isa pressure relief valve. • Provided in positive displacement pump • To prevent the pressure from exceeding design limits.
  • 12.
    Hydraulic Valves • Aremechanical devices used for controlling hydraulic parameters in hydraulic systems. Classification of valves 1. Infinite position valves  It allows any position between fully open and closed to modulate flow pressure. Also called analog position valves. 2. Finite position valves Has discrete positions, usually just opened and closed, each providing a different pressure and flow condition.
  • 13.
    Other classifications: I. Basedon the method of controlling the flow medium : 1. Seating – Ball, plate, cone. 2. Spool type :  Sliding spool valve  Rotary spool valve II. Based on function and hydraulic quantity controlled : 1. Pressure control valve – to control pressure of flow medium. 2. Flow control valve – to control quantity of flow medium. 3. Direction control valve – to control direction of flow medium. Hydraulic Valves…
  • 14.
  • 15.
    Linear Actuators • Afluid power hydraulic cylinder – is a linear actuator. • Converting fluid energy to an output force in a linear direction for performing work. • E.g., machine tools, earth moving equipment, construction equipment and space applications. Hydraulic cylinder consists of - movable element , a piston and a piston rod operating within a cylinder bore. Types of cylinders 1. According to function performed 2. According to construction 3. Special types
  • 16.
    Hydraulic cylinder Single actingcylinder Double acting cylinder
  • 17.
    Hydraulic cylinder… Two stagedouble acting telescoping cylinder
  • 18.
    Hydraulic cylinder… Some mechanismsdriven by an Hydraulic cylinder
  • 19.
    Rotary Actuators • Arethe hydraulic pneumatic equivalents of electric motors, for a given torque, or power, a rotary converter : – Is more compact – Cannot be damaged – Can be safely used in an explosive atmosphere.
  • 20.
    Hydraulic Motors • Isa rotary actuator – Hydraulic energy is converted into mechanical energy in the form of rotary motion and torque. Rotary actuator symbols :
  • 21.
    • Classification ofHydraulic Motors • Gear Motors • Vane Motors • Piston Motors – Radial Type – Axial Type Hydraulic Motors
  • 22.
    Drive Systems.. 2. PneumaticDrive Introduction  Reserved for smaller robot  Limited to “pick-and-place” operations with fast cycles  Drift under load as air is compressible  Provide either rotational or linear motions  Simple and low cost components  Used to open and close gripper Special Features of Pneumatic Actuators  Better heat transfer capability  High fatigue life  Simple in construction  High reliability  Light weight Cont. 22
  • 23.
  • 24.
  • 25.
    Pneumatic valves  Directioncontrol valves – 1. Two way valve – 2. Three way valve – 3. Four way valve – 4. Five way valve Pneumatic check valve Flow control valve Pneumatic shuttle valve or OR type valve AND type or Two – pressure valve Quick exhaust valve Time delay valve
  • 26.
  • 27.
    Linear and RotaryActuators Linear Actuators – Pneumatic cylinders 1. Single acting cylinder 2. Double acting cylinder 3. Tandem cylinder 4. Three position cylinder 5. Through rod cylinder 6. Adjustable stroke cylinder 7. Telescoping cylinder
  • 28.
    Rotary actuators –Air motors Air motors  To generate rotational motion in a pneumatic system  Provides very high rotational speeds Types of Air motors 1. Piston type motors 2. Vane motors 3. Turbine motors 4. Gerotor type motors
  • 29.
  • 30.
  • 31.
    2004 31 3. Electricdrive • Slower movement compare to the hydraulic robots • Good for small and medium size robots • Better positioning accuracy and repeatability • Stepper motor drive: open loop control • DC motor drive: closed loop control • Cleaner environment • The most used type of drive in industry
  • 32.
  • 33.
    Drive Systems.. 3. ElectricDrive.. 2 February 2021 Cont. 33
  • 34.
    Drive Systems.. 3. ElectricDrive.. 2 February 2021 Cont. 34
  • 36.
    4. Mechanical drives •When the various driving methods like hydraulic, pneumatic, electrical servo motors and stepping motors are used in robots, it is necessary to get the motion in linear or rotary fashion. • When motors are used, rotary motion is converted to linear motion through rack and pinion gearing, lead screws, worm gearing or bail screws.
  • 37.
    Mechanical drives Rack andPinion Movement: • The pinion is in mesh with rack (gear of infinite radius). If the rack is fixed, the pinion will rotate. • The rotary motion of the pinion will be converted to linear motion of the carriage.
  • 38.
    Ball Screws: • Sometimeslead screws rotate to drive the nut along a track. But simple lead screws cause friction and wear, causing positional inaccuracy. • Therefore ball bearing screws are used in robots as they have low friction. The balls roll between the nut and the screw. • A cage is provided for recirculation of the balls. The rolling friction of the ball enhances transmission efficiency to about 90%.
  • 39.
    Gear Trains: • Geartrains use spur, helical and worm gearing. A reduction of speed, change of torque and angular velocity are possible. • Positional errors are caused due to backlash in the gears.
  • 40.
    Moments and Forces •There are many forces acting about a robot • Correct selection of servo - determined by required torque • Moments = Force x Distance • Moments = Load and robot arm • Total moment calculation • Factor of safety- 20%
  • 41.
    Actuators Actuators – Convertssome form of energy to mechanical work . Motors - Control the movement of a robot. Identified as Actuators there are three common types • DC Motor • Stepper Motor • Servo motor Servo motor
  • 42.
    DC MOTORS • Mostcommon and cheapest • Powered with two wires from source • Draws large amounts of current • Cannot be wired straight from a Peripheral Interface Controller • Does not offer accuracy or speed control
  • 43.
    STEPPER MOTORS • Stepperhas many electromagnets • Stepper controlled by sequential turning on and off of magnets • Each pulse moves another step, providing a step angle • Example shows a step angle of 90° • Poor control with a large angle • Better step angle achieved with the toothed disc
  • 44.
  • 45.
  • 46.
  • 47.
  • 48.
    • 3.6 degreestep angle => 100 steps per revolution • 25 teeth, 4 step= 1 tooth => 100 steps for 25teeth • Controlled using output Blocks on a PIC • Correct sequence essential • Reverse sequence - reverse motor DISADVANTAGES • Low efficiency - Motor draws substantial power regardless of load. • Torque drops rapidly with speed (torque is the inverse of speed). • Low accuracy. • No feedback to indicate missed steps. • Low torque to inertia ratio. Cannot accelerate loads very rapidly. • Motor gets very hot in high performance configurations. • Motor is audibly very noisy at moderate to high speeds. • Low output power for size and weight. Stepper Motor
  • 49.
    Servo Motors • Servooffers smoothest control • Rotate to a specific point • Offer good torque and control • Ideal for powering robot arms etc. • Degree of revolution is limited • Uses Encoders for feedback • Not suitable for applications which require continuous rotation
  • 50.
    Servo motors Operation •Pulse Width Modulation (0.75ms to 2.25ms) • Pulse Width takes servo from 0° to 150° rotation • Continuous stream every 20ms • Pulse width and output pin must be set to the controller • Pulse width can also be expressed as a variable
  • 51.
    Open and ClosedLoop Control All control systems contain three elements: (i) The control (ii) Current Amplifiers (iii) Servo Motors • The control is the Brain - reads instruction • Current amplifier receives orders from brain and sends required signal to the motor • Signal sent depends on the whether Open or Closed loop control is used.
  • 52.
    Open Loop Control ForOpen Loop Control: • The controller is told where the output device needs to be • Once the controller sends the signal to motor it does not receive feedback to known if it has reached desired position • Open loop much cheaper than closed loop but less accurate
  • 53.
    Closed Loop Control •Provided feedback to the control unit telling it the actual position of the motor. • This actual position is found using an encoder. • The actual position is compared to the desired. • Position is changed if necessary
  • 54.
    The Encoder • Encodersgive the control unit information as to the actual position of the motor. • Light shines through a slotted disc, the light sensor counts the speed and number of breaks in the light. • Allows for the calculation of speed, direction and distance travelled.
  • 55.
    End Effectors Correct namefor the “Hand” that is attached to the end of robot. • Used for grasping, drilling, painting, welding, etc. • Different end effectors allow for a standard robot to perform numerous operations. • Two different types - Grippers & Tools End Effector
  • 57.
    End Effectors Tools: Toolsare used where a specific operation needs to be carried out such as welding, painting drilling etc. - the tool is attached to the mounting plate. Grippers: mechanical, magnetic and pneumatic. Mechanical: • Two fingered most common, also multi-fingered available • Applies force that causes enough friction between object to allow for it to be lifted • Not suitable for some objects which may be delicate / brittle
  • 58.
    End Effectors Magnetic: •Ferrous materialsrequired •Electro and permanent magnets used Pneumatic: •Suction cups from plastic or rubber •Smooth even surface required •Weight & size of object determines size and number of cups
  • 59.
    Hydraulic : • Ithas the potential to provide very high holding forces but its limitation is risk of oil leaks Various types of Gripper mechanisms • Pivoting movement • Linear or translational movement
  • 60.
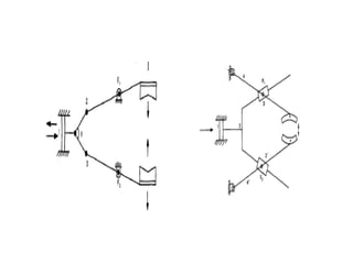
    Linkage actuation • Thisis the most popular mechanical gripper for industrial robots. It can be designed for limited shapes of an object, especially cylindrical work piece. • If actuators that produce linear movement are used, like pneumatic piston- cylinders, the device contains a pair of slider-crank mechanisms. • When the piston 1 is pushed by pneumatic pressure to the right, the elements in the cranks 2 and 3, rotate counter clockwise . • These rotations make the grasping action at the extended end of the crank elements 2 and 3.
  • 62.
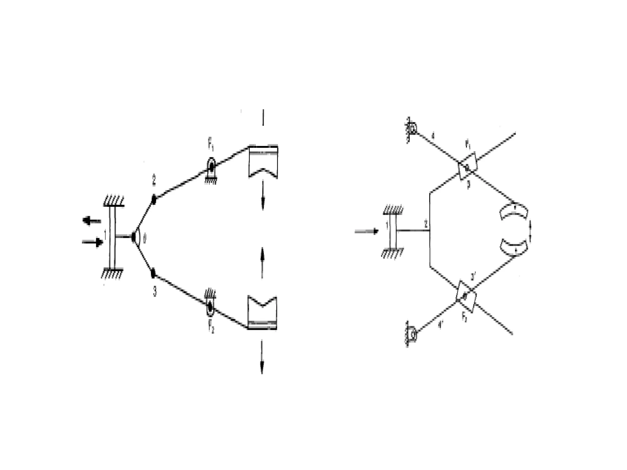
    Cam actuation • Thecam actuated gripper includes a variety of possible designs, one of which is shown. • A cam and follower arrangement, often using a spring-loaded follower, can provide the opening and closing action of the gripper. • The advantage of this arrangement is that the spring action would accommodate different sized objects.
  • 63.
    Screw actuation • Thescrew is turned by a motor, usually accompanied by a speed reduction mechanism. • Due to the rotation of the screw, the threaded block moves, causing the opening and dosing of the fingers depending on the direction of rotation of the screw.
  • 64.
    Rack and pinionactuation • The rack gear would be attached to a piston or some other mechanism that would provide a linear motion • Movement of the rack would drive two partial pinion gears, and these would in turn open and close the fingers.
  • 65.
    Magnetic grippers • Magneticgrippers are used extensively on ferrous materials. In general, magnetic grippers offer the following advantages in robotic handling operations • Variations in part size can be tolerated • Pickup times are very fast • They have ability to handle metal parts with holes • Only one surface is required for gripping • Magnetic grippers can use either electromagnets or permanent magnets. Electromagnetic grippers are easier to control, but require a source of dc power and an appropriate controller.
  • 66.
    Cont… • Permanent magnetsdo not require an external power and hence they can be used in hazardous and explosive environments, because there is no danger of sparks which might cause ignition in such environments.
  • 67.
    Vacuum grippers • Italso called as suction cups, can be used as gripper device for handling certain type of objects and it made up of with rubber and soft plastic. • The usual requirements on the objects to be handled are that they be flat, smooth, and clean.
  • 68.
    Adhesive grippers • Ituses adhesive substance to grasping action on fabrics and light weight materials. • One of the potential limitation of an adhesive gripper is that the adhesive substance loses its tackiness on repeated usage. • To overcome the limitation, the adhesive material is loaded in the form of a continuous ribbon into a feeding mechanism that is attached to the robot wrist.
  • 69.
    Hooks, scoops andother miscellaneous devices • Hooks can be used to handle containers of parts and to load and unload parts hanging from overhead conveyors. • Scoops can be used to handle certain materials in liquid or powder form.
  • 70.
  • 72.