Power Electronics and Drives Lab Manual

MUTHAYAMMAL ENGINEERING COLLEGE, RASIPURAM
 Department of Electrical and Electronics Engineering




                           D E S I G N I N G YOUR F U T U R E


                          MUTHAYAMMAL
                          EDUCATIONAL
                          INSTITUTIONS



                       II Semester – ME (PED)

          PE 1655 - Power Electronics and Drives Laboratory

                                  Manual



Prepared by                                                     Approved by
Prof.M.Muruganandam, M.E.,                             Dr P.Murugesan,B.E.,Ph.D.,
AP/ EEE                                    MISTE, MIIPE, MIETE, FUWAI
                                                      Proff. & HOD/EEE




Revision No.:0                                                      Date:01.01.2007




               Muthayammal Engineering college, Rasipuram.                          1
Power Electronics and Drives Lab Manual




Muthayammal Engineering college, Rasipuram.                   2
Power Electronics and Drives Lab Manual
                    INSTRUCTIONS TO THE CANDIDATE

SAFETY:
      You are doing experiments in Power Electronics lab with high voltage and
high current electric power. It may cause even a fatal or loss of energy of your
body system. To avoid this please keep in mind the followings

      In case of any wrong observations, you have to SWITCH OFF the power
      supply related with it.
      You have to tuck in your shirts or wear an overcoat.
      You have to wear shoes compulsorily and stand on mats made by
      insulating materials to electrically isolate your body from the earth.

ATTENDANCE:
       If you absent for a lab class then you have lost several things to learn.
Laboratory should be treated as temple, which will decide your life. So don’t fail
to make your presence with your record notebook having completed
experiments, observation with completed experiments, day’s experiment
particulars with required knowledge about it and stationeries.

MAKING CONNECTIONS:
     Get circuit diagram approval from your staff in charge.
     Go to the respective worktable and start to give connection as per the
     circuit diagram from source side.
     Make series circuit connections before the parallel circuits like voltmeter
     connections.
     Before switch on the power, get circuit connection approval from the staff
     in charge.

DOING EXPERIMENT:
     Start the experiment in the presence of an instructor / staff in-charge and
     do the same by proper procedure.
     If staff permits you then precede your experiment.

OBSERVATION:
    Before take the wave forms calibrate the CRO.
    Note all the required readings in their respective tables.
    Note all the wave forms from the CRO.

CALCULATION:
    Calculate the required quantities by suitable formulae and tabulate them
    with units.
    Draw the necessary graphs and write the result with reference.
    Get verification of observation and calculation from your staff in charge.




                 Muthayammal Engineering college, Rasipuram.                    3
Power Electronics and Drives Lab Manual
RECORD:
       Record is show the equipment’s and your performance. It will be very
useful for future reference. So keep it as follows.
       Enter the things in the record notebook those have been written in your
       observation.
       Units should be written for all quantities.
       Draw necessary graphs and complete the record before coming to the
       next lab class.
       Don’t forget to write the theory with precaution and inference of each
       experiment.

                              MAY I HELP YOU

   1. Device ratings should be noted.
   2. Moving coil meters should be used for DC measurements.
   3. Moving iron meters should be used for AC measurements.
   4. Use isolated supply for the CRO.
   5. Use attenuation probe for high voltage measurements in CRO.




                Muthayammal Engineering college, Rasipuram.                   4
Power Electronics and Drives Lab Manual

                                CONTENTS



Sl.No.                         Name of the experiment                           Page No.

   1.    Single Phase Semi-converter with R-L and R-L-E loads for                  02
         continuous and discontinuous conduction modes.
   2.    Single phase full- converter with R-L and R-L-E loads for continuous      08
         and discontinuous conduction modes.
   3.    Three phase full-converter with R-L-E load.                               14

   4.    MOSFET based step up and step down chopper.                               20

   5.    IGBT based Single phase PWM inverter.                                     28

   6.    Single phase AC voltage controller using SCR and using TRIAC.             34

   7.    IGBT based four quadrant choppers.

   8.    IGBT based Three phase inverters.

   9.    Simulation of closed loop control of converter fed DC motor drive.

   10.   Simulation of closed loop control of chopper fed DC motor drive.

   11.   Simulation of VSI fed three phase induction motor drive.

   12.   Simulation of three phase synchronous motor and drive.




               Muthayammal Engineering college, Rasipuram.                        5
Power Electronics and Drives Lab Manual
SINGLE PHASE SEMI-CONVERTER WITH R-L AND R-L-E LOADS FOR
  CONTINUOUS AND DISCONTINUOUS CONDUCTION MODES

               CIRCUIT DIAGRAM FOR R-L LOAD




      Model graph for R-L Load with continuous conduction
                         °
                  ( = 30°, R=100 , L=100mH)




     Model graph for R-L Load with discontinuous conduction
                          °
                   ( = 90°, R=100 , L=100mH)




        Muthayammal Engineering college, Rasipuram.                   6
Power Electronics and Drives Lab Manual
        SINGLE PHASE SEMI-CONVERTER WITH R-L AND R-L-E LOADS FOR
          CONTINUOUS AND DISCONTINUOUS CONDUCTION MODES

AIM:
       To study the wave form for single phase full wave half controlled bridge rectifier
with R-L and R-L-E loads for continuous and discontinuous conduction modes.

APPARATUS REQUIRED:

S.No.          Name of the item                 Type                Range                  Quantity
  1     SCR module with protection            TYN612              600V,12A                    2
  2     Diode module with protection           BY126                   -                      3
  3     SCR Triggering Kit                        -                    -                      1
  4     Battery                                   -                  12V                      1
  5     Ammeter                                  MC              (0-500) mA                   1
  6     Voltmeter                                MC                (0-30) V                   1
  7     CRO                                       -                    -                      1
  8     CRO Brobe                                 -                    -                      1
  9     Patch Cards                               -                    -                     10

FORMULA USED:

   For RL load continuous & discontinuous conduction and for RLE load
   continuous conduction:
                                               V
   1. Average dc output voltage Vdc is    Vdc = m (1 + cos )
                                                                                              1
                                                                 1                 sin 2      2
   2. RMS output voltage is Vrms                  Vrms = Vm                      +
                                                                2                     2
   For RLE load discontinuous conduction:
                                                          Vm
   3. Average dc output voltage Vdc is            Vdc =        (1 + cos ) + E 1
                                                                                                          1
                                                       2                                                  2
                                                  1 V                    sin 2
   4. RMS output voltage                 Vrms =       m
                                                                     +              + E2( +           )
                                                     2                      2




                 Muthayammal Engineering college, Rasipuram.                                      7
Power Electronics and Drives Lab Manual
          CIRCUIT DIAGRAM FOR R-L-E LOAD




 Model graph for R-L-E Load with continuous conduction
                 °
          ( = 30°, R=100 , L=200mH, E=30V)




Model graph for R-L-E Load with discontinuous conduction
                  °
           ( = 90°, R=100 , L=200mH, E=30V)




    Muthayammal Engineering college, Rasipuram.                   8
Power Electronics and Drives Lab Manual
  General Formula:
                                                          2
                                                        Vdc
  5. Rectification efficiency                     % =    2
                                                       Vrms
                                                       V
  6. Form factor                                  FF = rms
                                                       Vdc
  7. Peak inverse voltage                         PIV = Vm
  8. Ripple factor                                RF = FF 2 1


Where
        Vm = maximum or peak voltage in volts =    2Vs
        Vs = Supply voltage in volts
           = Firing angle
           = Extinction angle
          = Conduction angle = -

Procedure:

  1. Connections are made as per the circuit diagram for RL load
  2. Switch on the triggering kit
  3. Switch on the 24V AC supply
  4. Switch on the debounce logic
  5. By varying potentiometer vary the firing angle of the converter in order to vary the
     output voltage step by step.
  6. For each step note down the firing angle, output voltage and load current.
  7. The output voltage is theoretically calculated for each step and the readings are
     tabulated.
  8. Repeat the same procedure for RLE load.




                  Muthayammal Engineering college, Rasipuram.                     9
Power Electronics and Drives Lab Manual
Tabulation for RL load:

                                             Vs=              R=         L=

S.No.   Firing Angle   Idc Measured Vdc Measured Vdc Calculated        Vrms Calculated
           in degree   in milliamps      in volts      in volts            in volts
                                 Continuous conduction




                              Discontinuous conduction




Tabulation for RLE load:

                   Vs=          R=            L=              E=           =

S.No.   Firing Angle   Idc Measured Vdc Measured Vdc Calculated        Vrms Calculated
           in degree   in milliamps      in volts      in volts            in volts
                                 Continuous conduction




                              Discontinuous conduction




                Muthayammal Engineering college, Rasipuram.                    10
Power Electronics and Drives Lab Manual




INFERENCE:




DISCUSSION QUESTIONS:

1. What is power electronics?
2. What are the types of converter in power electronics?
3. What is firing angle?
4. What is active load?
5. Why the negative voltage is not possible in semi converter?
6. What is freewheeling diode?
7. Is a separate freewheeling diode necessary for semi converter? Justify your answer.




RESULT:




                 Muthayammal Engineering college, Rasipuram.                  11
Power Electronics and Drives Lab Manual
SINGLE PHASE FULL-CONVERTER WITH R-L AND R-L-E LOADS FOR
  CONTINUOUS AND DISCONTINUOUS CONDUCTION MODES

               CIRCUIT DIAGRAM FOR R-L LOAD




      Model graph for R-L Load with continuous conduction
                         °
                  ( = 30°, R=100 , L=200mH)




     Model graph for R-L Load with discontinuous conduction
                          °
                   ( = 90°, R=100 , L=200mH)




        Muthayammal Engineering college, Rasipuram.                  12
Power Electronics and Drives Lab Manual
        SINGLE PHASE FULL-CONVERTER WITH R-L AND R-L-E LOADS FOR
          CONTINUOUS AND DISCONTINUOUS CONDUCTION MODES

AIM:
      To study the wave form for single phase fully controlled bridge rectifier with R-L
and R-L-E loads for continuous and discontinuous conduction modes.

APPARATUS REQUIRED:

S.No.          Name of the item                   Type                 Range        Quantity
  1     SCR module with protection               TYN612              600V,12A          4
  2     SCR Triggering Kit                          -                     -            1
  3     Battery                                     -                   12V            1
  4     Ammeter                                    MC               (0-500) mA         1
  5     Voltmeter                                  MC                 (0-30) V         1
  6     CRO                                         -                     -            1
  7     CRO Brobe                                   -                     -            1
  8     Patch Cards                                 -                     -           10

FORMULA USED:

   For RL load continuous and for RLE load continuous conduction:
                                                2V
   1. Average dc output voltage Vdc is    Vdc = m cos

                                                            Vm
   2. RMS output voltage Vrms is                   Vrms =           = Vs
                                                                2
   For RL load discontinuous conduction:
                                                           Vm
   3. Average dc output voltage Vdc is             Vdc =         (cos      cos )
                                                                                                  1
                                                            V2               sin 2   sin 2        2
   4. RMS output voltage Vrms is                   Vrms   = m                      +
                                                            2                   2       2
   For RLE load discontinuous conduction:

                                                            1
   5. Average dc output voltage Vdc is             Vdc =        (Vm (cos    cos ) + E ( +             ))
                                                                                                       1
                                             2                                                         2
                                         1 V                sin 2   sin 2
   6. RMS output voltage        Vrms =      m
                                                                  +            + E2( +            )
                                            2                  2       2




                 Muthayammal Engineering college, Rasipuram.                                 13
Power Electronics and Drives Lab Manual
          CIRCUIT DIAGRAM FOR R-L-E LOAD




 Model graph for R-L-E Load with continuous conduction
                 °
          ( = 30°, R=100 , L=300mH, E=30V)




Model graph for R-L-E Load with discontinuous conduction
                  °
           ( = 90°, R=100 , L=300mH, E=30V)




    Muthayammal Engineering college, Rasipuram.                  14
Power Electronics and Drives Lab Manual
  General Formula:
                                                          2
                                                        Vdc
  7. Rectification efficiency                     % =    2
                                                       Vrms
                                                       V
  8. Form factor                                  FF = rms
                                                       Vdc
  9. Peak inverse voltage                         PIV = Vm
  10. Ripple factor                               RF = FF 2 1


Where
        Vm = maximum or peak voltage in volts =    2Vs
        Vs = Supply voltage in volts
           = Firing angle
           = Extinction angle
          = Conduction angle = -

Procedure:

  1. Connections are made as per the circuit diagram for RL load
  2. Switch on the triggering kit
  3. Switch on the 24V AC supply
  4. Switch on the debounce logic
  5. By varying potentiometer vary the firing angle of the converter in order to vary the
     output voltage step by step.
  6. For each step note down the firing angle, output voltage and load current.
  7. The output voltage is theoretically calculated for each steps and the readings are
     tabulated.
  8. Repeat the same procedure for RLE load.




                  Muthayammal Engineering college, Rasipuram.                  15
Power Electronics and Drives Lab Manual
Tabulation for RL load:
                                Vs=          R=               L=          =

S.No.   Firing Angle   Idc Measured Vdc Measured Vdc Calculated        Vrms Calculated
           in degree   in milliamps      in volts      in volts            in volts
                                 Continuous conduction




                              Discontinuous conduction




Tabulation for RLE load:

                   Vs=          R=            L=              E=          =

S.No.   Firing Angle   Idc Measured Vdc Measured Vdc Calculated        Vrms Calculated
           in degree   in milliamps      in volts      in volts            in volts
                                 Continuous conduction




                              Discontinuous conduction




                Muthayammal Engineering college, Rasipuram.                   16
Power Electronics and Drives Lab Manual




INFERENCE:




DISCUSSION QUESTIONS:

  1.   What is inversion mode of operation?
  2.   When we connect a freewheeling diode in full converter what will be the output?
  3.   Why the inversion mode is not possible in semi converter?
  4.   Why the power factor of full converter is lower than semi converter?
  5.   What is , , and µ?




RESULT:




                 Muthayammal Engineering college, Rasipuram.                  17
Power Electronics and Drives Lab Manual
THREE PHASE FULL-CONVERTER WITH R-L-E LOAD FOR CONTINUOUS AND
             DISCONTINUOUS CONDUCTION MODES



                 CIRCUIT DIAGRAM FOR R-L-E LOAD




        Model graph for R-L-E Load with continuous conduction
                        °
                 ( = 30°, R=100 , L=1000mH, E=50V)




           Muthayammal Engineering college, Rasipuram.                  18
Power Electronics and Drives Lab Manual
  THREE PHASE FULL-CONVERTER WITH R-L-E LOAD FOR CONTINUOUS AND
               DISCONTINUOUS CONDUCTION MODES

AIM:
       To study the wave form for three phase full-converter with r-l-e load for
continuous and discontinuous conduction modes

APPARATUS REQUIRED:

S.No.          Name of the item               Type                Range        Quantity
  1     3! SCR module with protection        TYN612              600V,12A         4
  2     3! Triggering Kit                       -                    -            1
  3     DC motor                           Sep. Excited            1 KW           1
  4     Ammeter                                MC                 (0-5) A         1
  5     Voltmeter                              MC                (0-600) V        1
  6     CRO                                     -                    -            1
  7     CRO Brobe                               -                    -            1
  8     Patch Cards                             -                    -           10

FORMULA USED:

   For RLE load continuous conduction:
                                                         3 3Vm
   1. Average dc output voltage Vdc is           Vdc =           cos
                                                                                1

                                                                 1 3 3          2
   2. RMS output voltage Vrms is                 Vrms = 3Vm       +    cos 2
                                                                 2 4
   For RLE load discontinuous conduction:

   3. Average dc output voltage Vdc is

   4. RMS output voltage




                 Muthayammal Engineering college, Rasipuram.                        19
Power Electronics and Drives Lab Manual
Model graph for R-L-E Load with discontinuous conduction
                  °
           ( = 80°, R=100 , L=100mH, E=50V)




    Muthayammal Engineering college, Rasipuram.                  20
Power Electronics and Drives Lab Manual
  General Formula:
                                                       2
                                                     Vdc
  5. Rectification efficiency                   % =   2
                                                    Vrms
                                                    V
  6. Form factor                                FF = rms
                                                    Vdc
  7. Peak inverse voltage                       PIV = 3Vm
  8. Ripple factor                              RF = FF 2 1


Where
        Vm = maximum or peak phase voltage in volts =   2Vs
        Vs = Supply phase voltage in volts
           = Firing angle
           = Extinction angle
          = Conduction angle = -

Procedure:

  1. Connections are made as per the circuit diagram for RL load
  2. Switch on the triggering kit
  3. Switch on the 24V AC supply
  4. Switch on the debounce logic
  5. By varying potentiometer vary the firing angle of the converter in order to vary the
     output voltage step by step.
  6. For each step note down the firing angle, output voltage and load current.
  7. The output voltage is theoretically calculated for each steps and the readings are
     tabulated.
  8. Repeat the same procedure for RLE load.




                  Muthayammal Engineering college, Rasipuram.                  21
Power Electronics and Drives Lab Manual
Tabulation for RLE load:

                   Vs=          R=            L=              E=          =

S.No.   Firing Angle   Idc Measured Vdc Measured Vdc Calculated        Vrms Calculated
           in degree   in milliamps      in volts      in volts            in volts
                                 Continuous conduction




                              Discontinuous conduction




                Muthayammal Engineering college, Rasipuram.                   22
Power Electronics and Drives Lab Manual




INFERENCE:




DISCUSSION QUESTIONS:

  1.   Why we go for three phase converter?
  2.   What are the applications of three phase full converter?
  3.   What are the methods to reduce the ripple content?
  4.   Explain about the commutation?
  5.   What are the differences between converter grade SCR and inverter grade SCR?




RESULT:




                Muthayammal Engineering college, Rasipuram.                  23
Power Electronics and Drives Lab Manual
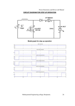
MOSFET BASED STEP UP AND STEP DOWN CHOPPER


 CIRCUIT DIAGRAM FOR STEP DOWN OPERATION




        Model graph for step down operation




  Muthayammal Engineering college, Rasipuram.                  24
Power Electronics and Drives Lab Manual
             MOSFET BASED STEP UP AND STEP DOWN CHOPPER

AIM:
       To study the wave form for MOSFET based step down chopper, step up chopper
and step up & step down chopper for different load for continuous and discontinuous
conduction modes.

APPARATUS REQUIRED:

S.No.          Name of the item                 Type              Range     Quantity
  1     MOSFET Module                         IRF 840                 -        1
  2     Ammeter                                  MC             (0-500mA)      1
  3     Voltmeter                                MC               (0-30V)      1
  4     Rheostat                                   -                  -        1
  5     RPS                                        -              (0-30V)      1
  6     Diode                                  Py 127                 -        1
  7     Inductor                             Ferrite core         100mH        1
  8     CRO                                        -                  -        1
  9     CRO Probe                                  -                  -        1
 10     Patch cards                                -                  -        -

FORMULA USED:

   For step down chopper
   1. Average dc output voltage Vdc is            Vdc = "Vs
   2. RMS output voltage Vrms is                  Vrms = " Vs
   For step up chopper
                                                            Vs
   3. Average dc output voltage Vdc is            Vdc =
                                                          (1 " )
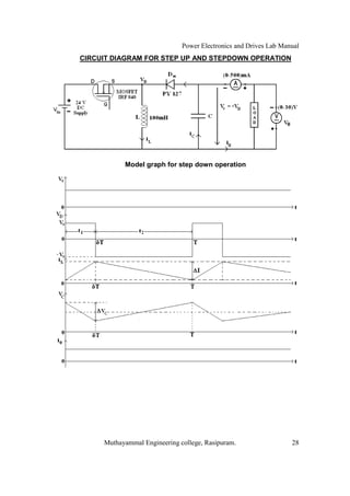
   For step up and step down chopper
                                                           "Vs
   4. Average dc output voltage Vdc is            Vdc =
                                                          (1 " )
   Where

                                                       TON
   " = Duty cycle of the chopper                  "=
                                                        T
   TON = on time
   T = Total time




                    Muthayammal Engineering college, Rasipuram.                  25
Power Electronics and Drives Lab Manual
 CIRCUIT DIAGRAM FOR STEP UP OPERATION




        Model graph for step up operation




Muthayammal Engineering college, Rasipuram.                  26
Power Electronics and Drives Lab Manual
Procedure:

  1. Connections are made as per the circuit diagram for step down chopper
  2. Switch on the RPS first and turn on triggering kit
  3. Switch on the debounce logic
  4. By changing the width of the pulse, obtain the different set of reading.
  5. For each step note down the duty cycle, output voltage and load current.
  6. The output voltage is theoretically calculated for each step and the readings are
     tabulated.
  7. Repeat the same procedure for step up chopper and step up& step down
     chopper.
  8. Draw the graph as per the reading in the table.




                  Muthayammal Engineering college, Rasipuram.                   27
Power Electronics and Drives Lab Manual
CIRCUIT DIAGRAM FOR STEP UP AND STEPDOWN OPERATION




           Model graph for step down operation




     Muthayammal Engineering college, Rasipuram.                  28
Power Electronics and Drives Lab Manual
INFERENCE:




DISCUSSION QUESTIONS:

  1.   What is chopper and what are the devices generally used for chopper?
  2.   What are the types of chopper?
  3.   What are the control strategies used for choppers?
  4.   Why frequency modulation is not preferred mostly?
  5.   Why thyristor is not preferred in chopper circuit mostly?




                 Muthayammal Engineering college, Rasipuram.                  29
Power Electronics and Drives Lab Manual
Tabulation for step down chopper:                               Vs=        T=

S.No.      TON                  TON      Idc (Avg)       Vdc (Avg)         Vdc (Avg)
          in ms           " =            Measured        Measured          Calculated
                                 T
                                          in mA           in volts           in volts
                                                                            Vdc = "Vs
  1
  2
  3
  4
  5

Tabulation for step up chopper:                                 Vs=        T=

S.No.      TON                  TON      Idc (Avg)       Vdc (Avg)         Vdc (Avg)
          in ms           " =            Measured        Measured         Calculated
                                 T
                                          in mA           in volts          in volts
                                                                                  Vs
                                                                          Vdc =
                                                                                (1 " )
  1
  2
  3
  4
  5

Tabulation for step down & step up chopper:                     Vs=        T=

S.No.      TON                  TON      Idc (Avg)       Vdc (Avg)         Vdc (Avg)
          in ms           " =            Measured        Measured         Calculated
                                 T
                                          in mA           in volts          in volts
                                                                                 "Vs
                                                                          Vdc =
                                                                                (1 " )
  1
  2
  3
  4
  5



                  Muthayammal Engineering college, Rasipuram.                   30
Power Electronics and Drives Lab Manual




RESULT:




          Muthayammal Engineering college, Rasipuram.                  31
Power Electronics and Drives Lab Manual



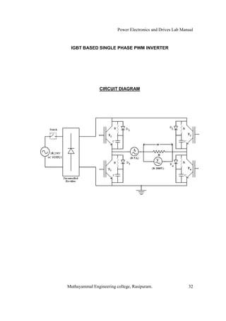
 IGBT BASED SINGLE PHASE PWM INVERTER




                CIRCUIT DIAGRAM




Muthayammal Engineering college, Rasipuram.                  32
Power Electronics and Drives Lab Manual
                    IGBT BASED SINGLE PHASE PWM INVERTER

AIM:
        To study the wave form for single phase bridge inverter with R load

APPARATUS REQUIRED:

S.No.           Name of the item               Type            Range      Quantity
  1      IGBT Module                             -                -          1
  2      Inverter control module                 -                -          1
  3      CRO                                     -                -          1
  4      Ammeter                                MI             (0-5A)        1
  5      Voltmeter                              MI            (0-300V)       1
  6      Patch cards                             -                -          -

FORMULA USED:

   1. Modulation index (m) is                   m = Ar / Ac

   2. Output voltage                            V0 = m Vs

Where
     Ar = Amplitude of reference signal
        Ac = Amplitude of carrier signal
        Vs = Source voltage




                  Muthayammal Engineering college, Rasipuram.                   33
Power Electronics and Drives Lab Manual
                   Model graph

       Sinusoidal Pulse width modulation




         Voltage and current waveforms




Muthayammal Engineering college, Rasipuram.                  34
Power Electronics and Drives Lab Manual
Precaution:

  1. Check whether AC main switch is off condition in both the trainer.
  2. Check whether control module mode selector switch is in first position (Sine
     wave).
  3. Check whether control module pulse release switch SW4 in control module is off
     position.
  4. Check whether 24V AC switch is in off position.
Procedure:
  1. Make the connection as per the circuit diagram.
  2. Switch on the AC main in both the trainer.
  3. Measure the amplitude and frequency of sine wave and carrier triangular wave
     and tabulate it. Also adjust sine wave frequency to 50Hz.
  4. Connect CRO probe to observe the load voltage and load current waveform.
  5. Release the switch SW4 in the inverter control module and switch SW1 in the
     IGBT power module.
  6. Measure the output voltage.
  7. Using the amplitude POT to vary step by step, for each step note down the
     amplitude and frequency of sine wave and triangular waveform and also
     measure the output voltage and tabulate it.
  8. Then find the theoretical output voltage by using the formula.




                 Muthayammal Engineering college, Rasipuram.                  35
Power Electronics and Drives Lab Manual
Tabulation:

                                                            Vs=

S.No.     Amplitude of    Amplitude of    Modulation      I0          V0          V0
             carrier       reference        index      Measured   Measured    Calculated
        triangular wave    sine wave       m= Ar/Ac    in Amps     in Volts    in Volts
          (Ac) in volts   (Ar) in volts                                        V0 = m X
                                                                                  Vs
  1
  2
  3
  4
  5
  6




                  Muthayammal Engineering college, Rasipuram.                        36
Power Electronics and Drives Lab Manual




INFERENCE:




DISCUSSION QUESTIONS:

  1.   What is inverter?
  2.   Why we go for PWM?
  3.   What are the different types of PWM?
  4.   What is modulation index and what are the types?
  5.   What are the advantages of IGBT?




RESULT:




                 Muthayammal Engineering college, Rasipuram.                  37
Power Electronics and Drives Lab Manual
SINGLE PHASE AC VOLTAGE CONTROLLER USING SCR AND USING TRIAC


                  CIRCUIT DIAGRAM USING TRIAC




                   CIRCUIT DIAGRAM USING SCR




          Muthayammal Engineering college, Rasipuram.                  38
Power Electronics and Drives Lab Manual
  SINGLE PHASE AC VOLTAGE CONTROLLER USING SCR AND USING TRIAC

AIM:
         To study the wave form for single phase ac voltage controller using SCR and
Triac.

APPARATUS REQUIRED:

S.No.            Name of the item              Type             Range         Quantity
  1       Triac Module                           -              BTA12            1
  2       SCR module                             -                  -            1
  3       CRO                                    -                  -            1
  4       Ammeter                               MI               (0-5A)          1
  5       Voltmeter                             MI             (0-300V)          1
  6       Patch cards                            -                  -            -
  7       Transformer                            -              (0-12V)          1

FORMULA USED:

                                                                                 1
                                                               1       Sin2      2
   1. The RMS output voltage is                  V0 RMS = Vs         +
                                                                         2


Where
            = Firing angle
         Vs = Source voltage




                   Muthayammal Engineering college, Rasipuram.                       39
Power Electronics and Drives Lab Manual
                                 Model graph For           °
                                                       = 60°




Tabulation:

                                                          Vs=

S.No.   Firing angle ( ) in   I0RMS Measured in   V0RMS Measured   V0RMS Calculated
              degree                Amps             in Volts          in Volts
  1
  2
  3
  4
  5
  6




                 Muthayammal Engineering college, Rasipuram.                          40
Power Electronics and Drives Lab Manual
Procedure:
  1. Make the connection as per the circuit diagram.
  2. Switch on the AC main in the triac module.
  3. Connect CRO probe to observe the load voltage waveform.
  4. Measure the output voltage and current.
  5. Using the firing angle POT to vary step by step, for each step note down the
     waveform and also measure the output voltage and tabulate it.
  6. Then find the theoretical output voltage by using the formula.
  7. Repeat the same using SCR module.
  8. Draw the wave forms.



INFERENCE:




DISCUSSION QUESTIONS:

  1. What is voltage controller?
  2. What are the different types of voltage controller?
  3. In inductive load when the overlap angle is more than + then what will be the
     output?
  4. What are the advantages and applications of voltage controller?
  5. What type of commutation is preferred?




RESULT:




                Muthayammal Engineering college, Rasipuram.                   41

Power Electronics Lab Manual ME PED

  • 1.
    Power Electronics andDrives Lab Manual MUTHAYAMMAL ENGINEERING COLLEGE, RASIPURAM Department of Electrical and Electronics Engineering D E S I G N I N G YOUR F U T U R E MUTHAYAMMAL EDUCATIONAL INSTITUTIONS II Semester – ME (PED) PE 1655 - Power Electronics and Drives Laboratory Manual Prepared by Approved by Prof.M.Muruganandam, M.E., Dr P.Murugesan,B.E.,Ph.D., AP/ EEE MISTE, MIIPE, MIETE, FUWAI Proff. & HOD/EEE Revision No.:0 Date:01.01.2007 Muthayammal Engineering college, Rasipuram. 1
  • 2.
    Power Electronics andDrives Lab Manual Muthayammal Engineering college, Rasipuram. 2
  • 3.
    Power Electronics andDrives Lab Manual INSTRUCTIONS TO THE CANDIDATE SAFETY: You are doing experiments in Power Electronics lab with high voltage and high current electric power. It may cause even a fatal or loss of energy of your body system. To avoid this please keep in mind the followings In case of any wrong observations, you have to SWITCH OFF the power supply related with it. You have to tuck in your shirts or wear an overcoat. You have to wear shoes compulsorily and stand on mats made by insulating materials to electrically isolate your body from the earth. ATTENDANCE: If you absent for a lab class then you have lost several things to learn. Laboratory should be treated as temple, which will decide your life. So don’t fail to make your presence with your record notebook having completed experiments, observation with completed experiments, day’s experiment particulars with required knowledge about it and stationeries. MAKING CONNECTIONS: Get circuit diagram approval from your staff in charge. Go to the respective worktable and start to give connection as per the circuit diagram from source side. Make series circuit connections before the parallel circuits like voltmeter connections. Before switch on the power, get circuit connection approval from the staff in charge. DOING EXPERIMENT: Start the experiment in the presence of an instructor / staff in-charge and do the same by proper procedure. If staff permits you then precede your experiment. OBSERVATION: Before take the wave forms calibrate the CRO. Note all the required readings in their respective tables. Note all the wave forms from the CRO. CALCULATION: Calculate the required quantities by suitable formulae and tabulate them with units. Draw the necessary graphs and write the result with reference. Get verification of observation and calculation from your staff in charge. Muthayammal Engineering college, Rasipuram. 3
  • 4.
    Power Electronics andDrives Lab Manual RECORD: Record is show the equipment’s and your performance. It will be very useful for future reference. So keep it as follows. Enter the things in the record notebook those have been written in your observation. Units should be written for all quantities. Draw necessary graphs and complete the record before coming to the next lab class. Don’t forget to write the theory with precaution and inference of each experiment. MAY I HELP YOU 1. Device ratings should be noted. 2. Moving coil meters should be used for DC measurements. 3. Moving iron meters should be used for AC measurements. 4. Use isolated supply for the CRO. 5. Use attenuation probe for high voltage measurements in CRO. Muthayammal Engineering college, Rasipuram. 4
  • 5.
    Power Electronics andDrives Lab Manual CONTENTS Sl.No. Name of the experiment Page No. 1. Single Phase Semi-converter with R-L and R-L-E loads for 02 continuous and discontinuous conduction modes. 2. Single phase full- converter with R-L and R-L-E loads for continuous 08 and discontinuous conduction modes. 3. Three phase full-converter with R-L-E load. 14 4. MOSFET based step up and step down chopper. 20 5. IGBT based Single phase PWM inverter. 28 6. Single phase AC voltage controller using SCR and using TRIAC. 34 7. IGBT based four quadrant choppers. 8. IGBT based Three phase inverters. 9. Simulation of closed loop control of converter fed DC motor drive. 10. Simulation of closed loop control of chopper fed DC motor drive. 11. Simulation of VSI fed three phase induction motor drive. 12. Simulation of three phase synchronous motor and drive. Muthayammal Engineering college, Rasipuram. 5
  • 6.
    Power Electronics andDrives Lab Manual SINGLE PHASE SEMI-CONVERTER WITH R-L AND R-L-E LOADS FOR CONTINUOUS AND DISCONTINUOUS CONDUCTION MODES CIRCUIT DIAGRAM FOR R-L LOAD Model graph for R-L Load with continuous conduction ° ( = 30°, R=100 , L=100mH) Model graph for R-L Load with discontinuous conduction ° ( = 90°, R=100 , L=100mH) Muthayammal Engineering college, Rasipuram. 6
  • 7.
    Power Electronics andDrives Lab Manual SINGLE PHASE SEMI-CONVERTER WITH R-L AND R-L-E LOADS FOR CONTINUOUS AND DISCONTINUOUS CONDUCTION MODES AIM: To study the wave form for single phase full wave half controlled bridge rectifier with R-L and R-L-E loads for continuous and discontinuous conduction modes. APPARATUS REQUIRED: S.No. Name of the item Type Range Quantity 1 SCR module with protection TYN612 600V,12A 2 2 Diode module with protection BY126 - 3 3 SCR Triggering Kit - - 1 4 Battery - 12V 1 5 Ammeter MC (0-500) mA 1 6 Voltmeter MC (0-30) V 1 7 CRO - - 1 8 CRO Brobe - - 1 9 Patch Cards - - 10 FORMULA USED: For RL load continuous & discontinuous conduction and for RLE load continuous conduction: V 1. Average dc output voltage Vdc is Vdc = m (1 + cos ) 1 1 sin 2 2 2. RMS output voltage is Vrms Vrms = Vm + 2 2 For RLE load discontinuous conduction: Vm 3. Average dc output voltage Vdc is Vdc = (1 + cos ) + E 1 1 2 2 1 V sin 2 4. RMS output voltage Vrms = m + + E2( + ) 2 2 Muthayammal Engineering college, Rasipuram. 7
  • 8.
    Power Electronics andDrives Lab Manual CIRCUIT DIAGRAM FOR R-L-E LOAD Model graph for R-L-E Load with continuous conduction ° ( = 30°, R=100 , L=200mH, E=30V) Model graph for R-L-E Load with discontinuous conduction ° ( = 90°, R=100 , L=200mH, E=30V) Muthayammal Engineering college, Rasipuram. 8
  • 9.
    Power Electronics andDrives Lab Manual General Formula: 2 Vdc 5. Rectification efficiency % = 2 Vrms V 6. Form factor FF = rms Vdc 7. Peak inverse voltage PIV = Vm 8. Ripple factor RF = FF 2 1 Where Vm = maximum or peak voltage in volts = 2Vs Vs = Supply voltage in volts = Firing angle = Extinction angle = Conduction angle = - Procedure: 1. Connections are made as per the circuit diagram for RL load 2. Switch on the triggering kit 3. Switch on the 24V AC supply 4. Switch on the debounce logic 5. By varying potentiometer vary the firing angle of the converter in order to vary the output voltage step by step. 6. For each step note down the firing angle, output voltage and load current. 7. The output voltage is theoretically calculated for each step and the readings are tabulated. 8. Repeat the same procedure for RLE load. Muthayammal Engineering college, Rasipuram. 9
  • 10.
    Power Electronics andDrives Lab Manual Tabulation for RL load: Vs= R= L= S.No. Firing Angle Idc Measured Vdc Measured Vdc Calculated Vrms Calculated in degree in milliamps in volts in volts in volts Continuous conduction Discontinuous conduction Tabulation for RLE load: Vs= R= L= E= = S.No. Firing Angle Idc Measured Vdc Measured Vdc Calculated Vrms Calculated in degree in milliamps in volts in volts in volts Continuous conduction Discontinuous conduction Muthayammal Engineering college, Rasipuram. 10
  • 11.
    Power Electronics andDrives Lab Manual INFERENCE: DISCUSSION QUESTIONS: 1. What is power electronics? 2. What are the types of converter in power electronics? 3. What is firing angle? 4. What is active load? 5. Why the negative voltage is not possible in semi converter? 6. What is freewheeling diode? 7. Is a separate freewheeling diode necessary for semi converter? Justify your answer. RESULT: Muthayammal Engineering college, Rasipuram. 11
  • 12.
    Power Electronics andDrives Lab Manual SINGLE PHASE FULL-CONVERTER WITH R-L AND R-L-E LOADS FOR CONTINUOUS AND DISCONTINUOUS CONDUCTION MODES CIRCUIT DIAGRAM FOR R-L LOAD Model graph for R-L Load with continuous conduction ° ( = 30°, R=100 , L=200mH) Model graph for R-L Load with discontinuous conduction ° ( = 90°, R=100 , L=200mH) Muthayammal Engineering college, Rasipuram. 12
  • 13.
    Power Electronics andDrives Lab Manual SINGLE PHASE FULL-CONVERTER WITH R-L AND R-L-E LOADS FOR CONTINUOUS AND DISCONTINUOUS CONDUCTION MODES AIM: To study the wave form for single phase fully controlled bridge rectifier with R-L and R-L-E loads for continuous and discontinuous conduction modes. APPARATUS REQUIRED: S.No. Name of the item Type Range Quantity 1 SCR module with protection TYN612 600V,12A 4 2 SCR Triggering Kit - - 1 3 Battery - 12V 1 4 Ammeter MC (0-500) mA 1 5 Voltmeter MC (0-30) V 1 6 CRO - - 1 7 CRO Brobe - - 1 8 Patch Cards - - 10 FORMULA USED: For RL load continuous and for RLE load continuous conduction: 2V 1. Average dc output voltage Vdc is Vdc = m cos Vm 2. RMS output voltage Vrms is Vrms = = Vs 2 For RL load discontinuous conduction: Vm 3. Average dc output voltage Vdc is Vdc = (cos cos ) 1 V2 sin 2 sin 2 2 4. RMS output voltage Vrms is Vrms = m + 2 2 2 For RLE load discontinuous conduction: 1 5. Average dc output voltage Vdc is Vdc = (Vm (cos cos ) + E ( + )) 1 2 2 1 V sin 2 sin 2 6. RMS output voltage Vrms = m + + E2( + ) 2 2 2 Muthayammal Engineering college, Rasipuram. 13
  • 14.
    Power Electronics andDrives Lab Manual CIRCUIT DIAGRAM FOR R-L-E LOAD Model graph for R-L-E Load with continuous conduction ° ( = 30°, R=100 , L=300mH, E=30V) Model graph for R-L-E Load with discontinuous conduction ° ( = 90°, R=100 , L=300mH, E=30V) Muthayammal Engineering college, Rasipuram. 14
  • 15.
    Power Electronics andDrives Lab Manual General Formula: 2 Vdc 7. Rectification efficiency % = 2 Vrms V 8. Form factor FF = rms Vdc 9. Peak inverse voltage PIV = Vm 10. Ripple factor RF = FF 2 1 Where Vm = maximum or peak voltage in volts = 2Vs Vs = Supply voltage in volts = Firing angle = Extinction angle = Conduction angle = - Procedure: 1. Connections are made as per the circuit diagram for RL load 2. Switch on the triggering kit 3. Switch on the 24V AC supply 4. Switch on the debounce logic 5. By varying potentiometer vary the firing angle of the converter in order to vary the output voltage step by step. 6. For each step note down the firing angle, output voltage and load current. 7. The output voltage is theoretically calculated for each steps and the readings are tabulated. 8. Repeat the same procedure for RLE load. Muthayammal Engineering college, Rasipuram. 15
  • 16.
    Power Electronics andDrives Lab Manual Tabulation for RL load: Vs= R= L= = S.No. Firing Angle Idc Measured Vdc Measured Vdc Calculated Vrms Calculated in degree in milliamps in volts in volts in volts Continuous conduction Discontinuous conduction Tabulation for RLE load: Vs= R= L= E= = S.No. Firing Angle Idc Measured Vdc Measured Vdc Calculated Vrms Calculated in degree in milliamps in volts in volts in volts Continuous conduction Discontinuous conduction Muthayammal Engineering college, Rasipuram. 16
  • 17.
    Power Electronics andDrives Lab Manual INFERENCE: DISCUSSION QUESTIONS: 1. What is inversion mode of operation? 2. When we connect a freewheeling diode in full converter what will be the output? 3. Why the inversion mode is not possible in semi converter? 4. Why the power factor of full converter is lower than semi converter? 5. What is , , and µ? RESULT: Muthayammal Engineering college, Rasipuram. 17
  • 18.
    Power Electronics andDrives Lab Manual THREE PHASE FULL-CONVERTER WITH R-L-E LOAD FOR CONTINUOUS AND DISCONTINUOUS CONDUCTION MODES CIRCUIT DIAGRAM FOR R-L-E LOAD Model graph for R-L-E Load with continuous conduction ° ( = 30°, R=100 , L=1000mH, E=50V) Muthayammal Engineering college, Rasipuram. 18
  • 19.
    Power Electronics andDrives Lab Manual THREE PHASE FULL-CONVERTER WITH R-L-E LOAD FOR CONTINUOUS AND DISCONTINUOUS CONDUCTION MODES AIM: To study the wave form for three phase full-converter with r-l-e load for continuous and discontinuous conduction modes APPARATUS REQUIRED: S.No. Name of the item Type Range Quantity 1 3! SCR module with protection TYN612 600V,12A 4 2 3! Triggering Kit - - 1 3 DC motor Sep. Excited 1 KW 1 4 Ammeter MC (0-5) A 1 5 Voltmeter MC (0-600) V 1 6 CRO - - 1 7 CRO Brobe - - 1 8 Patch Cards - - 10 FORMULA USED: For RLE load continuous conduction: 3 3Vm 1. Average dc output voltage Vdc is Vdc = cos 1 1 3 3 2 2. RMS output voltage Vrms is Vrms = 3Vm + cos 2 2 4 For RLE load discontinuous conduction: 3. Average dc output voltage Vdc is 4. RMS output voltage Muthayammal Engineering college, Rasipuram. 19
  • 20.
    Power Electronics andDrives Lab Manual Model graph for R-L-E Load with discontinuous conduction ° ( = 80°, R=100 , L=100mH, E=50V) Muthayammal Engineering college, Rasipuram. 20
  • 21.
    Power Electronics andDrives Lab Manual General Formula: 2 Vdc 5. Rectification efficiency % = 2 Vrms V 6. Form factor FF = rms Vdc 7. Peak inverse voltage PIV = 3Vm 8. Ripple factor RF = FF 2 1 Where Vm = maximum or peak phase voltage in volts = 2Vs Vs = Supply phase voltage in volts = Firing angle = Extinction angle = Conduction angle = - Procedure: 1. Connections are made as per the circuit diagram for RL load 2. Switch on the triggering kit 3. Switch on the 24V AC supply 4. Switch on the debounce logic 5. By varying potentiometer vary the firing angle of the converter in order to vary the output voltage step by step. 6. For each step note down the firing angle, output voltage and load current. 7. The output voltage is theoretically calculated for each steps and the readings are tabulated. 8. Repeat the same procedure for RLE load. Muthayammal Engineering college, Rasipuram. 21
  • 22.
    Power Electronics andDrives Lab Manual Tabulation for RLE load: Vs= R= L= E= = S.No. Firing Angle Idc Measured Vdc Measured Vdc Calculated Vrms Calculated in degree in milliamps in volts in volts in volts Continuous conduction Discontinuous conduction Muthayammal Engineering college, Rasipuram. 22
  • 23.
    Power Electronics andDrives Lab Manual INFERENCE: DISCUSSION QUESTIONS: 1. Why we go for three phase converter? 2. What are the applications of three phase full converter? 3. What are the methods to reduce the ripple content? 4. Explain about the commutation? 5. What are the differences between converter grade SCR and inverter grade SCR? RESULT: Muthayammal Engineering college, Rasipuram. 23
  • 24.
    Power Electronics andDrives Lab Manual MOSFET BASED STEP UP AND STEP DOWN CHOPPER CIRCUIT DIAGRAM FOR STEP DOWN OPERATION Model graph for step down operation Muthayammal Engineering college, Rasipuram. 24
  • 25.
    Power Electronics andDrives Lab Manual MOSFET BASED STEP UP AND STEP DOWN CHOPPER AIM: To study the wave form for MOSFET based step down chopper, step up chopper and step up & step down chopper for different load for continuous and discontinuous conduction modes. APPARATUS REQUIRED: S.No. Name of the item Type Range Quantity 1 MOSFET Module IRF 840 - 1 2 Ammeter MC (0-500mA) 1 3 Voltmeter MC (0-30V) 1 4 Rheostat - - 1 5 RPS - (0-30V) 1 6 Diode Py 127 - 1 7 Inductor Ferrite core 100mH 1 8 CRO - - 1 9 CRO Probe - - 1 10 Patch cards - - - FORMULA USED: For step down chopper 1. Average dc output voltage Vdc is Vdc = "Vs 2. RMS output voltage Vrms is Vrms = " Vs For step up chopper Vs 3. Average dc output voltage Vdc is Vdc = (1 " ) For step up and step down chopper "Vs 4. Average dc output voltage Vdc is Vdc = (1 " ) Where TON " = Duty cycle of the chopper "= T TON = on time T = Total time Muthayammal Engineering college, Rasipuram. 25
  • 26.
    Power Electronics andDrives Lab Manual CIRCUIT DIAGRAM FOR STEP UP OPERATION Model graph for step up operation Muthayammal Engineering college, Rasipuram. 26
  • 27.
    Power Electronics andDrives Lab Manual Procedure: 1. Connections are made as per the circuit diagram for step down chopper 2. Switch on the RPS first and turn on triggering kit 3. Switch on the debounce logic 4. By changing the width of the pulse, obtain the different set of reading. 5. For each step note down the duty cycle, output voltage and load current. 6. The output voltage is theoretically calculated for each step and the readings are tabulated. 7. Repeat the same procedure for step up chopper and step up& step down chopper. 8. Draw the graph as per the reading in the table. Muthayammal Engineering college, Rasipuram. 27
  • 28.
    Power Electronics andDrives Lab Manual CIRCUIT DIAGRAM FOR STEP UP AND STEPDOWN OPERATION Model graph for step down operation Muthayammal Engineering college, Rasipuram. 28
  • 29.
    Power Electronics andDrives Lab Manual INFERENCE: DISCUSSION QUESTIONS: 1. What is chopper and what are the devices generally used for chopper? 2. What are the types of chopper? 3. What are the control strategies used for choppers? 4. Why frequency modulation is not preferred mostly? 5. Why thyristor is not preferred in chopper circuit mostly? Muthayammal Engineering college, Rasipuram. 29
  • 30.
    Power Electronics andDrives Lab Manual Tabulation for step down chopper: Vs= T= S.No. TON TON Idc (Avg) Vdc (Avg) Vdc (Avg) in ms " = Measured Measured Calculated T in mA in volts in volts Vdc = "Vs 1 2 3 4 5 Tabulation for step up chopper: Vs= T= S.No. TON TON Idc (Avg) Vdc (Avg) Vdc (Avg) in ms " = Measured Measured Calculated T in mA in volts in volts Vs Vdc = (1 " ) 1 2 3 4 5 Tabulation for step down & step up chopper: Vs= T= S.No. TON TON Idc (Avg) Vdc (Avg) Vdc (Avg) in ms " = Measured Measured Calculated T in mA in volts in volts "Vs Vdc = (1 " ) 1 2 3 4 5 Muthayammal Engineering college, Rasipuram. 30
  • 31.
    Power Electronics andDrives Lab Manual RESULT: Muthayammal Engineering college, Rasipuram. 31
  • 32.
    Power Electronics andDrives Lab Manual IGBT BASED SINGLE PHASE PWM INVERTER CIRCUIT DIAGRAM Muthayammal Engineering college, Rasipuram. 32
  • 33.
    Power Electronics andDrives Lab Manual IGBT BASED SINGLE PHASE PWM INVERTER AIM: To study the wave form for single phase bridge inverter with R load APPARATUS REQUIRED: S.No. Name of the item Type Range Quantity 1 IGBT Module - - 1 2 Inverter control module - - 1 3 CRO - - 1 4 Ammeter MI (0-5A) 1 5 Voltmeter MI (0-300V) 1 6 Patch cards - - - FORMULA USED: 1. Modulation index (m) is m = Ar / Ac 2. Output voltage V0 = m Vs Where Ar = Amplitude of reference signal Ac = Amplitude of carrier signal Vs = Source voltage Muthayammal Engineering college, Rasipuram. 33
  • 34.
    Power Electronics andDrives Lab Manual Model graph Sinusoidal Pulse width modulation Voltage and current waveforms Muthayammal Engineering college, Rasipuram. 34
  • 35.
    Power Electronics andDrives Lab Manual Precaution: 1. Check whether AC main switch is off condition in both the trainer. 2. Check whether control module mode selector switch is in first position (Sine wave). 3. Check whether control module pulse release switch SW4 in control module is off position. 4. Check whether 24V AC switch is in off position. Procedure: 1. Make the connection as per the circuit diagram. 2. Switch on the AC main in both the trainer. 3. Measure the amplitude and frequency of sine wave and carrier triangular wave and tabulate it. Also adjust sine wave frequency to 50Hz. 4. Connect CRO probe to observe the load voltage and load current waveform. 5. Release the switch SW4 in the inverter control module and switch SW1 in the IGBT power module. 6. Measure the output voltage. 7. Using the amplitude POT to vary step by step, for each step note down the amplitude and frequency of sine wave and triangular waveform and also measure the output voltage and tabulate it. 8. Then find the theoretical output voltage by using the formula. Muthayammal Engineering college, Rasipuram. 35
  • 36.
    Power Electronics andDrives Lab Manual Tabulation: Vs= S.No. Amplitude of Amplitude of Modulation I0 V0 V0 carrier reference index Measured Measured Calculated triangular wave sine wave m= Ar/Ac in Amps in Volts in Volts (Ac) in volts (Ar) in volts V0 = m X Vs 1 2 3 4 5 6 Muthayammal Engineering college, Rasipuram. 36
  • 37.
    Power Electronics andDrives Lab Manual INFERENCE: DISCUSSION QUESTIONS: 1. What is inverter? 2. Why we go for PWM? 3. What are the different types of PWM? 4. What is modulation index and what are the types? 5. What are the advantages of IGBT? RESULT: Muthayammal Engineering college, Rasipuram. 37
  • 38.
    Power Electronics andDrives Lab Manual SINGLE PHASE AC VOLTAGE CONTROLLER USING SCR AND USING TRIAC CIRCUIT DIAGRAM USING TRIAC CIRCUIT DIAGRAM USING SCR Muthayammal Engineering college, Rasipuram. 38
  • 39.
    Power Electronics andDrives Lab Manual SINGLE PHASE AC VOLTAGE CONTROLLER USING SCR AND USING TRIAC AIM: To study the wave form for single phase ac voltage controller using SCR and Triac. APPARATUS REQUIRED: S.No. Name of the item Type Range Quantity 1 Triac Module - BTA12 1 2 SCR module - - 1 3 CRO - - 1 4 Ammeter MI (0-5A) 1 5 Voltmeter MI (0-300V) 1 6 Patch cards - - - 7 Transformer - (0-12V) 1 FORMULA USED: 1 1 Sin2 2 1. The RMS output voltage is V0 RMS = Vs + 2 Where = Firing angle Vs = Source voltage Muthayammal Engineering college, Rasipuram. 39
  • 40.
    Power Electronics andDrives Lab Manual Model graph For ° = 60° Tabulation: Vs= S.No. Firing angle ( ) in I0RMS Measured in V0RMS Measured V0RMS Calculated degree Amps in Volts in Volts 1 2 3 4 5 6 Muthayammal Engineering college, Rasipuram. 40
  • 41.
    Power Electronics andDrives Lab Manual Procedure: 1. Make the connection as per the circuit diagram. 2. Switch on the AC main in the triac module. 3. Connect CRO probe to observe the load voltage waveform. 4. Measure the output voltage and current. 5. Using the firing angle POT to vary step by step, for each step note down the waveform and also measure the output voltage and tabulate it. 6. Then find the theoretical output voltage by using the formula. 7. Repeat the same using SCR module. 8. Draw the wave forms. INFERENCE: DISCUSSION QUESTIONS: 1. What is voltage controller? 2. What are the different types of voltage controller? 3. In inductive load when the overlap angle is more than + then what will be the output? 4. What are the advantages and applications of voltage controller? 5. What type of commutation is preferred? RESULT: Muthayammal Engineering college, Rasipuram. 41