Hydrocyclone
By
lithali
mester
Department enviromental engineering
An Introduction to Basic
Hydrocyclone
• A cycloneThe hydrocyclone is very important in the
separation industry. It is popular due to its simplicity in
design and effective operation. It was required that an
investigation into the operation and design of the
hydrocyclone was performedThe hydrocyclone uses
centrifugal forces as a separation mechanism and
during the separation process; it produces an overflow
and underflow stream
Hydrocyclone
Hydrocyclone Theory:
A hydrocyclone is a simple mechanical
machine which contains no moving
parts and uses centrifugal forces to
separate substances. It promotes
separation of heavy components from
light components. It is most popular in
separating solid particles from liquid,
but it can also be used for liquid-liquid
separation and solid classification
Industrial uses of the
Hydrocyclone
The alumina industry
Pulp and paper
Power plants
Industrial or Municipal
wastewater treatment
Effluent treatment
Factors affecting Hydrocyclone
performance
1: vortex finder
2:pressure drope
3:apex dia
4:feed flow rate
5:cyclone dia
6:cyclone length
7:particle size
1:Vortex finder dia
Change Effect Reasons
increase
s
Decrease
efficiency
Coarser particles will mix with finer particles
decrease
s
Increase
efficiency
Only finer particles will flow through the vortex
finder
2:Pressure drope
Change Effect reasons
increase Efficiency increases Flow rate increases
decreases decreases decreases
3:Apex dia
Change Effect Reasons
increases Decreases efficiency Large volume of fluids
will loose along with
finer particles
decreases increases Large volume of Fluids
will be available for
overflow
4:Feed flow rate
Change Effects reasons
increases Increases efficiency Increases G.forces
deceases decreases Decreases G. forces
5:Cyclone dia
Change Effects Reasons
increases Decreases efficiency Decreases G.forces
decreases increases Increases G.forces
6:Cyclone length
Change Effects reasons
increases Increases efficiency Residence time
increases
decreases decreases decreases
7:Particle size
Change Effects reasons
increases Increases efficiency More likely for
particles to migrate to
exterior wall
decreases decreases To interior wall
Uses
 A hydrocyclone is most often used to
separate "heavies" from a liquid
mixture originating at a centrifugal
pump or some other continuous
source of pressurized liquid.
 A hydrocyclone is most likely to be the
right choice for processes where
"lights" are the greater part of the
mixture and where the "heavies" settle
fairly easily.
Design of a Hydrocyclone:
 The operating conditions, i.e. the flow
rate of the inlet stream as well as the
bulk density of this stream and
viscosity
 The particle size of solids
 The d50 or cut size and/or the
efficiency of the cyclone
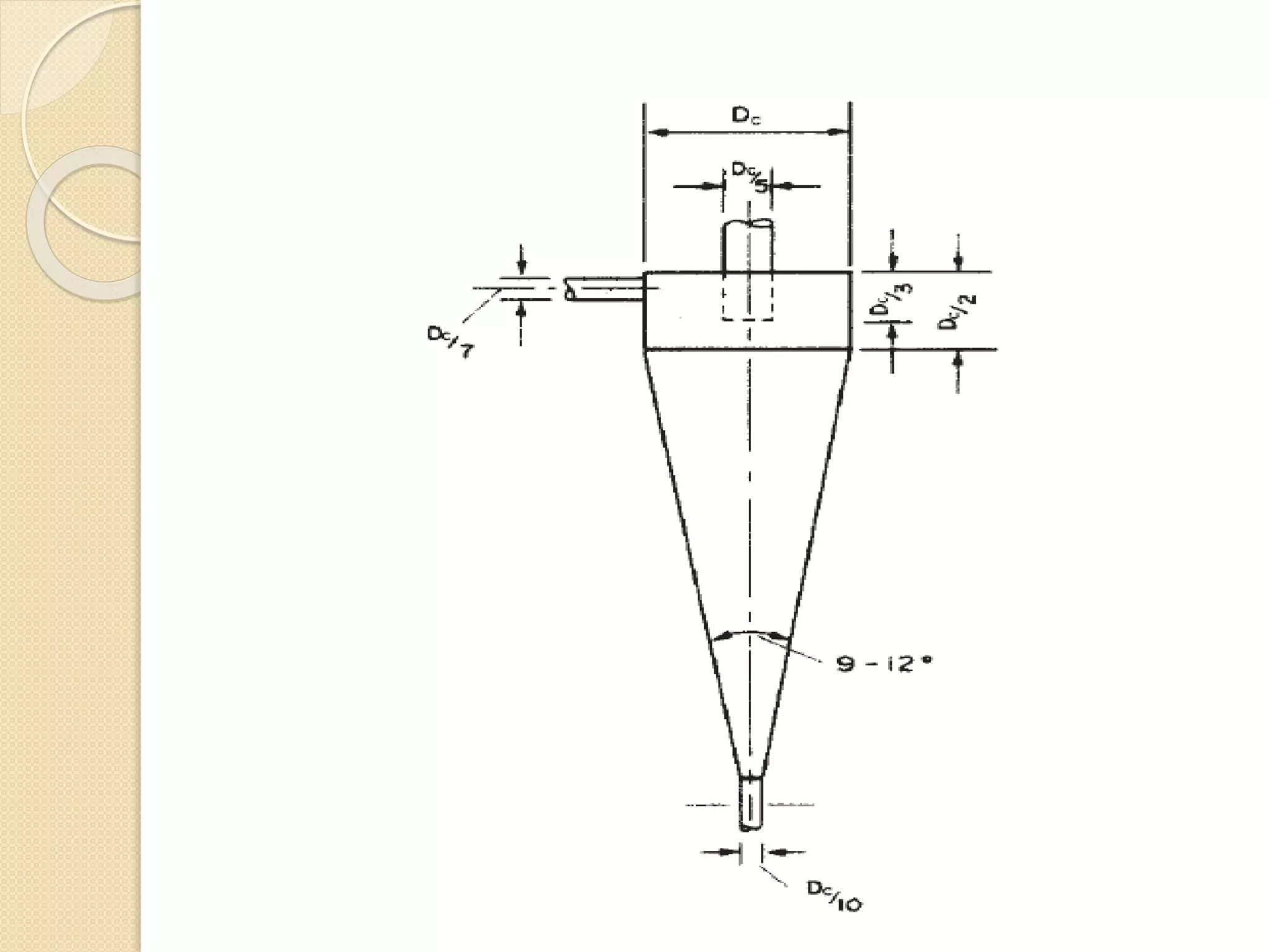
Sizing of the hydrocyclone
 There are many different methods that
have been provided by engineers that
are experts in this field. The design
method that was used for this
assignment was given by Zanker
End….
thanks a lot.

Hydrocyclon

  • 1.
  • 2.
    An Introduction toBasic Hydrocyclone • A cycloneThe hydrocyclone is very important in the separation industry. It is popular due to its simplicity in design and effective operation. It was required that an investigation into the operation and design of the hydrocyclone was performedThe hydrocyclone uses centrifugal forces as a separation mechanism and during the separation process; it produces an overflow and underflow stream
  • 3.
  • 4.
    Hydrocyclone Theory: A hydrocycloneis a simple mechanical machine which contains no moving parts and uses centrifugal forces to separate substances. It promotes separation of heavy components from light components. It is most popular in separating solid particles from liquid, but it can also be used for liquid-liquid separation and solid classification
  • 6.
    Industrial uses ofthe Hydrocyclone The alumina industry Pulp and paper Power plants Industrial or Municipal wastewater treatment Effluent treatment
  • 7.
    Factors affecting Hydrocyclone performance 1:vortex finder 2:pressure drope 3:apex dia 4:feed flow rate 5:cyclone dia 6:cyclone length 7:particle size
  • 8.
    1:Vortex finder dia ChangeEffect Reasons increase s Decrease efficiency Coarser particles will mix with finer particles decrease s Increase efficiency Only finer particles will flow through the vortex finder
  • 9.
    2:Pressure drope Change Effectreasons increase Efficiency increases Flow rate increases decreases decreases decreases
  • 10.
    3:Apex dia Change EffectReasons increases Decreases efficiency Large volume of fluids will loose along with finer particles decreases increases Large volume of Fluids will be available for overflow
  • 11.
    4:Feed flow rate ChangeEffects reasons increases Increases efficiency Increases G.forces deceases decreases Decreases G. forces
  • 12.
    5:Cyclone dia Change EffectsReasons increases Decreases efficiency Decreases G.forces decreases increases Increases G.forces
  • 13.
    6:Cyclone length Change Effectsreasons increases Increases efficiency Residence time increases decreases decreases decreases
  • 14.
    7:Particle size Change Effectsreasons increases Increases efficiency More likely for particles to migrate to exterior wall decreases decreases To interior wall
  • 15.
    Uses  A hydrocycloneis most often used to separate "heavies" from a liquid mixture originating at a centrifugal pump or some other continuous source of pressurized liquid.  A hydrocyclone is most likely to be the right choice for processes where "lights" are the greater part of the mixture and where the "heavies" settle fairly easily.
  • 16.
    Design of aHydrocyclone:  The operating conditions, i.e. the flow rate of the inlet stream as well as the bulk density of this stream and viscosity  The particle size of solids  The d50 or cut size and/or the efficiency of the cyclone
  • 17.
    Sizing of thehydrocyclone  There are many different methods that have been provided by engineers that are experts in this field. The design method that was used for this assignment was given by Zanker
  • 21.

Editor's Notes

  • #2 the hydrocyclone